| Похожие рефераты | Скачать .docx |
Курсовая работа: Расчет транзисторного усилителя по схеме с общим эмиттером
Сибирская государственная автомобильно-дорожная академия
Кафедра АПП и Э
КУРСОВОЙ ПРОЕКТ
“РАСЧЕТ ТРАНЗИСТОРНОГО УСИЛИТЕЛЯ
ПО СХЕМЕ С ОБЩИМ ЭМИТТЕРОМ”
по дисциплине: “Электротехника ”
Вариант-17
Выполнил: ст. гр. 31АП
Цигулев С.В.
Проверил: Денисов В.П.
Омск-2008
СОДЕРЖАНИЕ
1. Основные понятия
2. Назначение элементов и принцип работы усилительного каскада по схеме с ОЭ
3. Задание на работу
4. Порядок расчета транзисторного усилителя по схеме с ОЭ
Библиографический список
1. Основные понятия
Усилители являются одним из самых распространенных электронных устройств, применяемых в системах автоматики и радиосхемах. Усилители подразделяются на усилители предварительные (усилители напряжения) и усилители мощности. Предварительные транзисторные усилители, как и ламповые, состоят из одного или нескольких каскадов усиления. При этом все каскады усилителя обладают общими свойствами, различие между ними может быть только количественное: разные токи, напряжения, различные значения резисторов, конденсаторов и т. п.
Для каскадов предварительного усилителя наиболее распространены резистивныесхемы (с реостатно-емкостной связью). В зависимости от способа подачи входного сигнала и получения выходного сигнала усилительные схемы получили следующие названия:
1) с общей базой ОБ (рис. 1, а);
2) с общим коллектором ОК (эмиттерный повторитель) (рис. 1, б);
3) с общим эмиттером - ОЭ (рис. 1, в).

Рис. 1, а

Рис. 1, б

Рис. 1, в
Наиболее распространенной является схема с ОЭ. Схема с ОБ в предварительных усилителях встречается редко. Эмиттерный повторитель обладает наибольшим из всех трех схем входным и наименьший выходным сопротивлениями, поэтому его применяют при работе с высокоомными преобразователями в качестве первого каскада усилителя, а также для согласования с низкоомным нагрузочным резистором. В табл. 1 дается сопоставление различных схем включения транзисторов.
Таблица 1
| Параметры | с общей базой (ОБ) | с общим эмиттером (ОЭ) | с общим коллектором (OK) |
| Коэффициент усиления по напряжению | 30—400 | 30—1000 | <I |
| Коэффициент усиления по току | <I | 10—200 | 10-200 |
| Коэффициент усиления по мощности | 30—400 | 3000—30000 | 10—200 |
| Входное сопротивление | 50—100Ом | 200—2000 Ом | 10—500 кОм |
| Выходное сопротивление | 0,1—0,5 мОм | 30—70 кОм | 50—100 ОМ |
2. Назначение элементов и принцип работы усилительного каскада по схеме с ОЭ
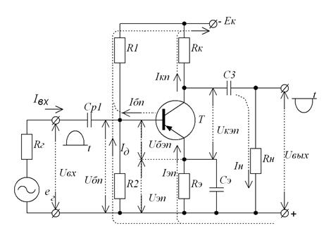
Существует множество вариантов выполнения схемы усилительного каскада на транзисторе ОЭ. Это обусловлено главным образом особенностями задания режима покоя каскада. Особенности усилительных каскадов и рассмотрим на примере схемы рисунок 2, получившей наибольшее применение при реализации каскада на дискретных компонентах.
Основными элементами схемы являются источник питания
, управляемый элемент - транзистор
и резистор
. Эти элементы образуют главную цепь усилительного каскада, в которой за счет протекания управляемого по цепи базы коллекторного тока создается усиленное переменное напряжение на выходе схемы. Остальные элементы каскада выполняют вспомогательную роль. Конденсаторы
,
являются разделительными. Конденсатор
исключает шунтирование входной цепи каскада цепью источника входного сигнала по постоянному току, что позволяет, во-первых, исключить протекание постоянного тока через источник входного сигнала по цепи
→
→
и, во-вторых, обеспечить независимость от внутреннего сопротивления этого источника
напряжения на базе
в режиме покоя. Функция конденсатора
сводится к пропусканию в цепь нагрузки переменной составляющей напряжения и задержанию постоянной составляющей.

Рис.2
Резисторы
и
используются для задания режима покоя каскада. Поскольку биполярный транзистор управляется током, ток покоя управляемого элемента (в данном случае ток
) создается заданием соответствующей величины тока базы покоя
. Резистор
предназначен для создания цепи протекания тока
. Совместно с
резистор
обеспечивает исходное напряжение на базе
относительно зажима ”+” источника питания.
Резистор
является элементом отрицательной обратной связи, предназначенным для стабилизации режима покоя каскада при изменении температуры. Температурная зависимость параметров режима покоя обусловливается зависимостью коллекторного тока покоя
от температуры. Основными причинами такой зависимости являются изменения от температуры начального тока коллектора
, напряжения
и коэффициента
. Температурная нестабильность указанных параметров приводит к прямой зависимости тока
от температуры. При отсутствии мер по стабилизации тока
, его температурные изменения вызывают изменение режима покоя каскада, что может привести, как будет показано далее, к режиму работы каскада в нелинейной области характеристик транзистора и искажению формы кривой выходного сигнала. Вероятность появления искажений повышается с увеличением амплитуды выходного сигнала.
Проявление отрицательной обратной связи и ее стабилизирующего действия на ток
нетрудно показать непосредственно на схеме рис. 2. Предположим, что под влиянием температуры ток
увеличился. Это отражается на увеличении тока
, повышении напряжения
и соответственно снижении напряжения
. Ток базы
уменьшается, вызывая уменьшение тока
, чем создается препятствие наметившемуся увеличению тока
. Иными словами, стабилизирующее действие отрицательной обратной связи, создаваемой резистором
, проявляется в том, что температурные изменения параметров режима покоя передаются цепью обратной связи в противофазе на вход каскада, препятствуя тем самым изменению тока
, а, следовательно, и напряжения
.
Конденсатор
шунтирует резистор
по переменному току, исключая тем самым проявление отрицательной обратной связи в каскаде по переменным составляющим. Отсутствие конденсатора
привело бы к уменьшению коэффициентов усиления схемы.
Название схемы «с общим эмиттером» означает, что вывод эмиттера транзистора по переменному току является общим для входной и выходной цепи каскада.
Принцип действия каскада ОЭ заключается в следующем. При наличии постоянных составляющих токов и напряжений в схеме подача на вход каскада переменного напряжения приводит к появлению переменной составляющей тока базы транзистора, а, следовательно, переменной составляющей тока в выходной цепи каскада (в коллекторном токе транзистора). За счет падения напряжения на резисторе
создается переменная составляющая напряжения на коллекторе, которая через конденсатор
передается на выход каскада - в цепь нагрузки.


Рис.3
Рассмотрим основные положения, на которых базируется расчет элементов схемы каскада, предназначенных для обеспечения требуемых параметров режима покоя (расчет по постоянному току).
Анализ каскада по постоянному току проводят графоаналитическим методом, основанным на использовании графических построений и расчетных соотношений. Графические построения проводятся с помощью выходных (коллекторных) характеристик транзистора (рис. 3, а). Удобство метода заключается в наглядности нахождения связи параметров режима покоя каскада
и
амплитудными значениями его переменных составляющих (выходного напряжения
и тока
), являющимися исходными при расчете каскада.
На выходных характеристиках рис. 3, а проводят так называемую линию нагрузки каскада по постоянному току
, представляющую собой геометрические места точек, координаты
и
которых соответствуют возможным значениям точки (режима) покоя каскада.
В связи с этим построение линии нагрузки каскада по постоянному току удобно провести по двум точкам, характеризующим режим холостого хода (точка
) и режим покоя (точка
) выходной цепи каскада (рис. 3, а). Для точки ”а”
,
и для точки ”
”
,
, где
выбирают из условия работы транзистора в режиме отсечки ![]()
напряжение на коллекторе, соответствующее области нелинейных начальных участков выходных характеристик транзистора. Определив координаты точки
находим значение тока базы
, соответствующего режиму покоя, и определяем координаты точки
на входной характеристике (рис. 3, б).
При определении переменных составляющих выходного напряжения каскада и коллекторного тока транзистора используют линию нагрузки каскада по переменному току. При этом необходимо учесть, что по переменному току сопротивление в цепи эмиттера транзистора равно нулю, так как резистор
шунтируется конденсатором
, а к коллекторной цепи подключается нагрузка, поскольку сопротивление конденсатора
по переменному току мало. Если к тому же учесть, что сопротивление источника питания
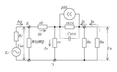
по переменному току также близко к нулю, то окажется, что задача определения этих показателей решается при расчете усилительного каскада по переменному току. Метод расчета основан на замене транзистора и всего каскада его схемой замещения по переменному току. Схема замещения каскада ОЭ приведена на рис. 4, где транзистор представлен его схемой замещения в физических параметрах. Сопротивление каскада по переменному току определяется сопротивлениями резисторов
и
, включенных параллельно, т. е.
║
. Сопротивление нагрузки каскада по постоянному току
больше, чем по переменному току
║
.

Рис.4
Поскольку при наличии входного сигнала напряжение и ток транзистора представляют собой суммы постоянных и переменных составляющих, линия нагрузки по переменному току проходит через точку покоя
(рис. 3, а). Наклон линии нагрузки по переменному току будет больше, чем по постоянному току. Линию нагрузки по переменному току строят по отношению приращений напряжения к току:
.
3. Задание на работу
![]()
![]()
![]()
Рассчитать каскад транзисторного усилителя напряжения, принципиальная схема которого изображена на рис. 1,в . Данные для расчета:
=2,5 В, =480 Ом, =150 Гц, =24 В, =1,4
Исходные данные:
1) напряжение на выходе каскада
(напряжение на нагрузке); 2) сопротивление нагрузки
; 3) нижняя граничная частота
; 4) допустимое значение коэффициента частотных искажений каскада в области нижних частот
; 5) напряжение источника питания
.
Примечание.
Считать, что каскад работает в стационарных условиях (
;
). При расчете влиянием температуры на режим транзистора пренебрегаем.
Определить:
1) тип транзистора; 2) режим работы транзистора; 3) сопротивление коллекторной нагрузки
; 4) сопротивление в цепи эмиттера
; 5) сопротивления делителя напряжения
и
стабилизирующие режим работы транзистора; 6) емкость разделительного конденсатора
; 7) емкость конденсатора в цепи эмиттера
; 8) коэффициент усиления каскада по напряжению.
4. Порядок расчета транзисторного усилителя по схеме с ОЭ
Определить тип транзистора
Выбираем тип транзистора, руководствуясь следующими соображениями: а)
(В) ,
-наибольшее допустимое напряжение между коллектором и эммитером, приводится в справочниках.
б)
мА
Выбираем транзистор ГТ122А, для которого
=20 мА,
=35 В, вmin
=15 вmax
=45
Режим работы транзистора
Для построения нагрузочной прямой находим (рабочую) точку покоя
(0); для этого определим
мА
В
Вторая точка нагрузочной прямой
В. По полученным значениям строим нагрузочную прямую.
По статическим выходным характеристикам и нагрузочной прямой находим I=7 мА, откуда
(Ом)
(Ом)
(Ом)
Определяем наибольшие амплитудные значения входного сигнала тока
и напряжения
, необходимые для обеспечения заданного значения Uвыхт
. Задавшись наименьшим значением коэффициента усиления транзистора по току вmin
, получаем
мА
Для маломощных транзисторов
=0,05 мА
Амплитуда входного тока
мА
По входной статической характеристики (для схемы ОЭ)
![]()
![]()
![]()

Определяем входное сопротивление
Находим входное сопротивление транзистора переменному току
![]()
Определяем сопротивления делителя напряжения
и
стабилизирующие режим работы транзистора
Рассчитываем сопротивления делителя R1 и R2 . Для уменьшения шунтирующего действия делителя на входную цель каскада по переменному току принимают
, где
. Тогда

Определяем коэффициент нестабильности
![]()
Емкость разделительного конденсатора ![]()
мкФ
Емкость конденсатора в цепи эмиттера ![]()
мкФ
Для полного устранения отрицательной обратной связи необходимо включить
>=20 мкФ.
Коэффициент усиления каскада по напряжению

Библиографический список
1. Полупроводниковые приборы: транзисторы. Справочник/Под ред. Н. Н. Горюнова,-М.: Энергоатомиздат, 1983.
2. Лавриненко В. Ю. Справочник по полупроводниковым приборам. Киев: Техника, 1980.
3. Справочник радиолюбителя-конструктора, – М.: Энергия, 1977.
4. Транзисторы для аппаратуры широкого применения. Справочник/Под ред. Б, Л. Перельмана, – М.: Радио и связь, 1981.
Похожие рефераты:
Передающее устройство одноволоконной оптической сети
Передающее устройство одноволоконной оптической сети
Электронные схемы для дома и быта
Усилитель мощности на дискретных элементах
Характеристика усилителя низкой частоты
Усилители постоянного тока и операционные усилители
Усилительные каскады переменного тока на биполярных транзисторах
Мостовой усилитель мощности звуковой частоты
Применение программного комплекса Electronics Workbench для разработки радиоэлектронных устройств
Устройство измерения отношения двух напряжений
Электронные цепи и приборы (шпаргалка)
Разработка фотоприемного устройства волоконно-оптической системы передачи информации (ВОСПИ)