| Похожие рефераты | Скачать .docx |
Реферат: Биотелеметрические сигналы и их калибровка
1. Теоретическая часть
Биотелеметрические сигналы (биоэлектрические сигналы электрокардиограмм, псевмограмм и др.) после прохождения по электрическому тракту или радиоканалу могут иметь разную амплитуду, что не позволяет судить об их абсолютной амплитуде. Поэтом для получения количественных сведений об уровне сигналов необходимо производить их калибровку.
Калибровка сигнала может быть осуществлена синхронно, асинхронно с сигналом и при необходимости в ждущем режиме.
В качестве калибратора биотелеметрических сигналов обычно применяют мультивибраторы. Мультивибратор может быть как симметричным, так и несимметричным. У симметричного мультивибратора коллекторные сопротивления в обоих плечах одинаковы, одинаковы базовые сопротивления и ёмкости.
Известно много вариантов мультивибратор на электронных лампах, транзисторах, тиристорах и интегральных схемах. Наиболее широко применяются мультивибраторы, построенные на транзисторах
Мультивибраторы на биполярных транзисторах наиболее часто выполняют по симметричной схеме с коллекторно-базовыми связями (рис. 1а). Как и для триггера, симметричность означает идентичность симметрично расположенных элементов, т. е. R K1 =R K2 , R Б1 =R Б2 , С Б1 =С Б2 , параметры транзисторов одинаковы. Как видно из рисунка, мультивибратор состоит из двух усилительных каскадов с ОЭ, выходное напряжение каждого из которых подается на вход другого. В схеме мультивибратора использованы транзисторы р-п-р-типа.
При подсоединении схемы к источнику питания Е к оба транзистора пропускают коллекторные точки, поскольку на базы через резисторы R Б1 и R Б2 подается отрицательное смещение. Однако такое состояние схемы неустойчивое. Из-за наличия в схеме положительной обратной связи выполняется условие βКу >1 и двухкаскадный усилитель самовозбуждается. Начинается процесс регенерации — быстрое увеличение тока одного транзистора и уменьшение тока другого транзистора.
Пусть в результате любого случайного изменения напряжений на базах или коллекторах несколько увеличится ток I K1 транзистора VT1 . При этом увеличится падение напряжения на резисторе R K1 и коллектор транзистора VT1 получит приращение положительного потенциала. Поскольку напряжение на конденсаторе С Б1 не может мгновенно измениться, это приращение прикладывается к базе транзистора VT2 , подзапирая его.

Рис. 1. Симметричный мультивибратор на биполярных транзисторах:
a – схема; б — временные диаграммы
Коллекторный ток I K2 при этом уменьшается, напряжение на коллекторе транзистора VT2 становится более отрицательным и, передаваясь через конденсатор С Б2 на базу транзистора VT1 , еще больше открывает его, увеличивая ток I K1 . Этот процесс протекает лавинообразно и заканчивается тем, что транзистор VT1 входит в режим насыщения, а транзистор VT2 — в режим отсечки. Схема переходит в одно из своих временно устойчивых состояний равновесия (квазиустойчивое состояние). При этом открытое состояние транзистора VT1 обеспечивается смещением от источника питания Е к через резистор R Б1 , а запертое состояние транзистора VT2 — положительным напряжением на конденсаторе С Б1 (U Cб1 = U Б2 > 0), который через открытый транзистор VT1 включен в промежуток база — эмиттер транзистора VT2 .
2. Расчетная часть
Расчет мультивибратора (рис. 2) при заданном напряжении источника питания E производится в следующем порядке.

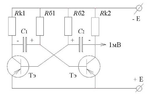
Рис. 2. Схема мультивибратора, применяемого в качестве калибратора биотелеметрических сигналов
Для ускорения расчетов приводимая ниже последовательность расчета сопровождаются примером, а котором выбрано напряжение питания устройства E = 6 В, длительность калибровочного импульса равна tu = 0,15 с, а период повторения калибровочного импульса – Т = 2 с.
1. Определим требуемую скважность Qтреб.
Калибровочного импульса (скважностью называется отношение периода импульсов к их длительности):

![]()
Калибратор может обеспечить определенную максимальную скважность Qмакс , ограниченную коэффициентом усиления β используемых транзисторов:
![]()
Отсюда β >3Q, следовательно, для обеспечения Qтреб значение β должно быть:
![]()
![]()
![]()
Как видим, к коэффициенту усиления предъявлены достаточно высокие требования.
2. По справочнику выбираем тип низкочастотного транзистора с достаточно высоким коэффициентом усиления. В нашем случае выбрали низкочастотный транзистор марки МП37Б, с подходящим коэффициентом усиления. На рис. 3 представлена вольт-амперная характеристика выбранного транзистора.

Рис. 3. Вольтамперная характеристика МП37Б транзистора
3. Выбираем сопротивления резисторов в коллекторной цепи R k1 и R k2 (обычно R k1 = R k2 ).
Значение резистора R k1 с одной стороны должно быть таким, чтобы сила коллекторного тока J k , была значительно больше силы тока J kБ закрытого транзистора. С другой стороны, выбор большого тока J k недопустимо с позиции увеличения энергозатрат источника питания и, соответственно, уменьшения продолжительности работы передающего устройства.
Выбор малых значений J k также ограничено снижением значения рабочего коэффициента усиления транзистора, ибо
;
Многие требования к выбору силы тока могут быть выполнены при ее значении 1…2 мА. Тогда,

4. Выбираем параметры времязадающей цепи RC при τ1 = τu = 0,15 с. Значении постоянного времени RC цепи определяется по формуле:
![]()
4. 1. Определим значение R б1 :
Для полного открывания транзистора необходимо, чтобы:
![]()
Приняв βмин =30, получаем
![]()
Однако, поскольку значение потребляемого тока базовой цепи значительно меньше коллекторной, то правомерно R б1 выбрать из другого условия:
![]()
4. 2. Определим значение емкости конденсатора C 1 .
Из приведенной ранее формулы следует, что:

4. 3. Подбираем тип конденсатора.
Конденсаторы бумажного типа требуемой емкости сравнительно громоздки и непригодны для малогабаритного передатчика. Поэтому используем электролитический конденсатор, приблизительно равный расчетному номиналу. C 1 = 6,8 мкФ.
5. Осуществляем расчет второй времязадающей цепи R б2 , С 2 .
Период повторения калибровочного импульса:
![]()
Поскольку τ 2 >> τ 1 , то можно принять τ 2 = 2 с.
5. 1. Сначала следует выбрать значение R б2 . Значение R б2 выбираем из условия обеспечения минимального допустимого значения силы базового тока

Выбирая J к = 1 мА, βmax = 50, получаем
![]()
![]()
Тогда,

5. 2. На основе известного выражения определяется

Выбираем значение емкости ближайшее к существующим номиналам, т.е. С 2 =10 мкФ.
Таким образом, согласно расчетам для обеспечения длительности и периодичности калибровочного импульса требуется детали со следующими характеристиками:
1. Транзисторы типа p-n-p с коэффициентом усиления β > 50.
2. Резисторы R k1 =R k2 =6 кОм, R б1 =60 кОм, R б2 =300 кОм.
3. Электролитические конденсаторы С 1 =6,8 мкФ, С 2 =10 мкФ.
Список литературы
1. Попов, П.А. Характеристики транзисторов, Москва – 1963, стр.25
2. Опадчий, Ю.Ф. Аналоговая и цифровая электроника, Москва – 2002, стр.168.
Похожие рефераты:
Электронные схемы для дома и быта
Методика использования тока в биологически активных точках
Автоматика и телемеханика на перегонах
Синхронные машины. Машины постоянного тока
Компенсация реактивной мощности в системах электроснабжения с преобразовательными установками
Энергосбережение на современном этапе
Лекции по твердотельной электронике
Разработать лабораторный стенд для испытания устройств защиты судовых генераторов
Анализ и моделирование биполярных транзисторов
Модернизация релейной защиты на тяговой подстанции Улан-Удэ на базе микропроцессорной техники
Двухосный индикаторный стабилизатор телекамер на ВО
Приемник цифровой системы передачи информации ВЧ-каналом связи по ВЛ