| Похожие рефераты | Скачать .docx |
Курсовая работа: Расчет управляемого выпрямителя и СИФУ
Министерство образования Украины
Донбасская государственная машиностроительная академия
Кафедра автоматизации производственных процессов
РАСЧЕТНО-ПОЯСНИТЕЛЬНАЯ ЗАПИСКА
к курсовой работе по дисциплине
«ЭЛЕКТРОНИКА И МИКРОСХЕМОТЕХНИКА»
тема: «Расчет управляемого выпрямителя и СИФУ»
Выполнил студент
гр. АПП-98-1 А. Ткаченко
Руководитель доцент С. Сус
2000
ИСХОДНЫЕ ДАННЫЕ
Вариант 2-19
а) силовая схема выпрямителя:
номер рисунка: 1.1.б;
напряжение питания: Uc=127 В;
напряжение на нагрузке: Ucp=80 В;
ток нагрузки: Icp=40 А;
глубина регулирования: Д=10;
б) СИФУ:
номер рисунка: 1.10;
напряжение питания: Uc=220В;
напряжение управления: Uу=0..10В;
в) схема источника питания:
номер рисунка: -;
напряжение питания: -;
выходное напряжение: Eк=20В;
ток нагрузки: Iн=0.2А;
коэффициент стабилизации: Kст=50;
2ВОПРОСЫ ДЛЯ ПРОРАБОТКИ
а) расчет силовой части;
б) моделирование и расчет СИФУ;
в) моделирование части схемы;
Курсовая работа содержит 21 страницу, 9 иллюстраций, 1 приложение и 2 чертежа - схема управляемого выпрямителя в сборе, функциональная схема с характеристиками, 4 источника.
Цель курсовой работы – расчет управляемого выпрямителя по схеме с нулевым диодом, СИФУ (в данном случае - системы амплитудно-импульсного управления), источника питания, который включен в схему СИФУ.
В курсовом проекте приводится описание схемы управляемого выпрямителя, обоснование выбора элементов, разработана защита устройства от аварийных режимов, при расчете учитывалось колебание величины питающего напряжения, для устранения несинусоидальных сигналов на входе выпрямителя предусмотрен нулевой вентиль.
Разработанный выпрямитель может использоваться для питания двигателей постоянного тока и управления скоростью их вращения, зарядки аккумуляторов, в сварочных аппаратах, электроаппаратуре.
Схема рассчитанного выпрямителя имеет следующие достоинства: относительная простота, использование одной СИФУ, малое количество элементов, простота в управлении, наладке и сборке. К недостаткам можно отнести большой коэффициент пульсации и в следствие этого необходимость применения в некоторых случаях дополнительно стабилизатора.
Сделан подробный расчет схем выпрямителей, стабилизатора, триггера Шмидта, являющихся элементами СИФУ, что позволяет в случае необходимости модифицировать схему, включив в нее устройства, выполняющие функции указанных, но по некоторым причинам являющиеся более предпочтительными.
СОДЕРЖАНИЕ
Введение
1. Расчет схемы управляемого выпрямителя
1.1 Выбор схемы и расчет основных параметров выпрямителя
1.2 Основные параметры выпрямителя в управляемом режиме
1.3 Выбор элементов управляемого выпрямителя
1.4 Расчет регулировочной характеристики управляемого выпрямителя
1.5 Выбор защиты тиристоров от перегрузок по току и напряжению
2. Проектирование СИФУ
2.1 Расчет параметров пусковых импульсов
2.2 Расчет цепи управления тиристорами
2.3 Расчет элементов триггера Шмидта
2.4 Расчет стабилизатора напряжения, выпрямителей
2.4.1 Расчет источника питания
2.4.2 Расчет выпрямителя по схеме с нулевым выводом
2.5 Расчет элементов схемы импульсного усилителя
3. Моделирование выпрямителя
Выводы
Приложение А Перечень элементов управляемого выпрямителя и СИФУ
Список литературы
В настоящее системы преобразования переменного синусоидального напряжения и тока в постоянные практически полностью представлены полупроводниковыми выпрямителями. Очень часто также необходимо регулировать величину полученного постоянного напряжения. Экономически выгодно снабдить выпрямитель системой импульсно-фазового управления в силу относительной ее дешевизны, высокого КПД и компактности.
В данной курсовой работе рассматривался двухполупериодный управляемый выпрямитель. Его назначение – преобразование напряжения, изменяющегося по синусоидальному закону в пульсирующее. Данный выпрямитель состоит из следующих составных частей: трансформатор – для преобразования напряжения питания в требуемое по величине; блок вентилей, изменяющих форму напряжения в требуемую; нулевой диод, устраняющий отрицательные выбросы напряжения на нагрузке.
Используемый выпрямитель построен на управляемых вентилях (тиристорах), для управления которыми используется система аплитудно-фазового управления. Ее задача – подать на управляющие электроды тиристоров прямоугольные импульсы с требуемым сдвигом по фазе относительно самостоятельного включения вентиля.
1. РАСЧЕТ СХЕМЫ УПРАВЛЯЕМОГО ВЫПРЯМИТЕЛЯ
1.1 Выбор схемы и расчет основных параметров выпрямителя
В соответствии с заданием принимаем схему выпрямителя с нулевым диодом.
![]() |
Рисунок 1.1 — Управляемый выпрямитель с нулевым диодом
В начале расчет проводим в неуправляемом режиме, т.е. при
. Так как напряжение сети может колебаться в пределах
, определим величины выпрямленных напряжений на нагрузке:
,
где
выпрямленное напряжение на нагрузке при нормальном напряжении сети;
выпрямленное напряжение при повышенном напряжении сети.
Из [5] определяем:
— максимальное обратное напряжение на тиристорах;
— среднее значение тока тиристора.
Определяем активное сопротивление фазы трансформатора:
,
где ![]()
— коэффициент, зависящий от схемы выпрямления
B — магнитная индукция в магнитопроводе
S — число стержней магнитопровода для трансформаторов
Определяем индуктивность рассеяния обмоток трансформатора:
,
где
.
Определяем напряжение холостого хода с учетом сопротивления фазы трансформатора
и падения напряжения на дросселе
:

где
— число пульсаций в кривой выпрямленного напряжения за период сети.
— падение напряжения на тиристорах;
— падение напряжения на дросселях;
.
Напряжение на вторичных обмотках трансформатора
.
Действительный ток вторичной обмотки
.
Коэффициент трансформации для обмоток «треугольник-треугольник»
![]()
Типовая мощность трансформатора:
![]()
Определяем угол коммутации:
.
Определяем минимально допустимую индуктивность дросселя фильтра:
.
Внутреннее сопротивление выпрямителя:
.
КПД выпрямителя:

— коэффициент полезного действия трансформатора;
— потери мощности на выпрямительных диодах;
N — число тиристоров в схеме. N=1, поскольку в каждый момент времени работает 1 тиристор.
1.2 Основные параметры выпрямителя в управляемом режиме
Определяем максимальный и минимальный углы регулирования:
![]()
Минимальный и максимальный углы проводимости тиристоров:
![]()
Минимальное напряжение на нагрузке ![]()
Ток в тиристоре ![]()
Ток в нагрузке ![]()
Максимальный ток через диод ![]()
1.3 Выбор элементов управляемого выпрямителя
Тиристоры выбираем по
:
тиристор Т222-20-12 и типовой охладитель М-6А.
Для нулевого вентиля:
- диод ВЛ50 с типовым охладителем М-6А.
1.4 Расчет регулировочной характеристики управляемого выпрямителя
Общая расчетная формула для всего семейства нагрузочных характеристик:

![]() |
Рисунок 1.2 — Регулировочная характеристика выпрямителя
1.5 Выбор защиты тиристоров от перегрузок по току и напряжению
Для защиты тиристоров от перегрузок применяем плавкий быстродействующий предохранитель. Достаточно поставить предохранитель в цепи нагрузки.
Ток плавкой вставки: ![]()
Выбираем плавкую вставку ПНБ-5-380/100.
Для ослабления перенапряжения используем
- цепочки, которые включаются параллельно тиристору. Такая цепочка совместно с индуктивностями цепи коммутации образует последовательный колебательный контур. Конденсатор ограничивает перенапряжения, а резистор — ток разряда этого конденсатора при отпирании и предотвращает колебания в последовательном контуре. Параметры цепочек определим по следующим соотношениям:

Величина напряжения на конденсаторе
ток разряда контура
![]()
Rдv1 – динамическое сопротивление открытого тиристора.
Мощность рассеяния на резисторе ![]()
По справочнику выбираем конденсаторы C2, С3 – MБM-5.6мкФ-320В
, резисторы R2, R3 – ПЭВ-100-100-![]()
![]() |
Рисунок 1.3 — Схема управляемого выпрямителя с защитой
2.1 Расчет параметров пусковых импульсов
Определяем требуемую длительность импульса управления
, исходя из знания угла коммутации
, определенного при расчете силовых схем:
![]()
Принималось во внимание, что 1 электрический градус примерно равен 56мкс.
Для тиристоров Т222-20-12 определяем токи и напряжения управления:
![]()
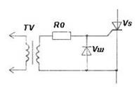
2.2 Расчет цепи управления тиристорами
![]() |
Рисунок 2.1 - Схема входной цепи тиристора
Находим внутренне сопротивление управляющего перехода тиристора
’:
Находим величину, сопротивления:
Определяем мощность рассеяния на резисторе Ro и выбираем по каталогу:
Резистор МЛТ-0.7-33
Определим выносную мощность импульсного усилителя:
Диод выбираем по току управления и обратному напряжению – в данном случае напряжению управления – 2Д201Б с допустимым прямым током 5(А) и обратным напряжением 100(В).
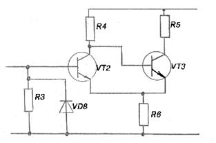
2.3 Расчет элементов триггера Шмидта
![]() |
Рисунок 2.2 - Триггер Шмидта
Примем
тогда амплитуда выходных импульсов
Период следования импульсов запуска
Минимальная длительность запускающих импульсов ![]()
Максимальная длительность выходного импульса порогового устройства ![]()
Выбираем транзисторы VT4 и VT5 из условия
которому удовлетворяют транзисторы типа КТ817,с параметрами:
![]()
Ток насыщения ![]()
Резистор
мощность рассеяния на резисторе R5
Выбираем резистор МЛТ-0,8-510![]()
Величина R4:
Мощность рассеяния на резисторе R4:
Принимаем резистор ПЭВ-2.4Вт -1.5кОм![]()
![]()
Принимаем резистор МЛТ-0.25-1.2 кОм
.
Находим сопротивление R3:
![]()
![]()
Мощность на резисторе ![]()
Выбираем сопротивление типа МЛТ-0.62-360
.
Диод Vd8 выбираем по току I=0,04(A); Uобр=20(В) Выбираем диод КД103А
2.4 Расчет стабилизатора напряжения, выпрямителей

Рисунок 2.3 - Стабилизатор напряжения, выпрямитель с нулевым выводом
2.4.1 Расчет источника питания
Находим ![]()
![]()
![]()
По этим параметрам выбираем диоды типа VD5, VD6 - КД105А
Сопротивление резистора R2 определяется в результате наладки.
Суммарный ток нагрузки источника питания – 0,2(А).
Определим минимально допустимое входное напряжение стабилизатора:
![]()
Номинальное и максимальное значения напряжения на входе стабилизатора при колебании сети на +10%:
![]()
максимальное падение на регулирующем транзисторе:
![]()
Максимальная мощность рассеяния на транзисторе VT2:
![]()
Выбираем регулирующий транзистор П214 с параметрами:
![]()
Выбираем стабилитрон 2C220Ж.
Определяем величину сопротивления R1
![]()
Определяем мощность рассеяния:
![]()
Выбираем сопротивление типа МЛТ-0,15Вт-680Ом![]()
Величина выходной емкости:
![]()
Принимаем С2 К5016-20В-150 мкФ![]()
2.4.2 Расчет выпрямителя по схеме с нулевым выводом
Величина выпрямленного напряжения ![]()
Определяем анодный ток и обратное напряжение для диодов VD1..VD4:
![]()
Определяем параметры силового трансформатора:

Находим коэффициент трансформации трансформатора:
![]()
Ток первичной обмотки трансформатора ![]()
Выбираем диоды типа КД105А
По мощности выбираем трансформатор ТПП
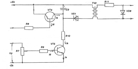
2.5 Расчет параметров элементов схемы импульсного усилителя

Рисунок 2.4 - Схема ипульсного усилителя
При подаче напряжения на конденсатор динистор Vs1 закрыт, следовательно, максимальное напряжение на конденсаторе - ![]()
Транзистор VT4 выбираем по напряжению коллектор-эмиттер, большему чем напряжение питания, и току эмиттера, большему тока питания. Этим условиям удовлетворяет транзистор КТ814Б с параметрами Uкэ=40(В), Uбэ=5(В), Ik=1.5(A).
Емкость конденсатора определяем из соотношения:
![]()
Отсюда выбираем Конденсатор типа К5016-20В-56мкФ![]()
Зададимcя током базы в 10(мА), примем Um =6 (B), тогда
мощность резистора –
(Вт), выбираем резистор типа МЛТ-0,25Вт-680Ом![]()
Определим параметры трансформатора:
; ![]()
Выбираем импульсный трансформатор на ферритовом кольце типа К20х10х1500 из феррита марки 1500Нм. Параметры ферритового кольца:
Начальная магнитная проницаемость – Mg=1500 Гн/м.
Фазная длина магнитной линии lc=43.55 нм.
Площадь поперечного сечения Sc=22.02 ![]()
Находим индуктивность намагничивания сердечника трансформатора:
![]()
где
- ток намагничивания сердечника трансформатора.
Находим количество витков первичной и вторичной обмоток трансформатора:
витков.
.
Выбираем динистор КН102А с параметрами: ![]()
Транзистор регулирующего блока принимаем по напряжению и току источника питания КТ102А.
Резистор R10 определим из соотношения:
,
задавшись током коллектора
получим:
![]()
Определим мощность рассеяния на резисторе R10:
![]()
Выбираем резистор МЛТ-1Вт-22Ом![]()
Максимальное напряжение на транзисторе VT5 – 10(B), поскольку
то
. Задавшись током базы в 10 (мА), получим
![]()
определим мощность рассеяния:
Выбираем резистор R9 типа МЛТ-0.125 на 510 (Ом).
Зададимся током управления в 0,05(А), тогда
![]()
Принимаем Rэ=220(Ом). Мощность рассеяния на сопротивлении:
Выбираем R7 типа СПОЕ на 220 (Ом)
![]()
3. Моделирование выпрямителя
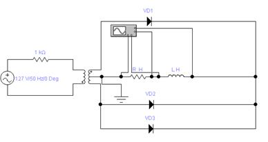
Для моделирования схемы блока питания СИФУ использовалась программа Electronics Workbench Professional Edition v5.12.
![]() |
Рис 3.1 - Схема модели
Поскольку моделирован только выпрямитель, тиристоры заменены диодами. Использован источник синусоидального переменного напряжения действующим значением 127(В) Из-за особенностей программы моделирования был использован трансформатор с коэффициентом передачи, равным единице. В результате получены осциллогрраммы, снятые с индуктивности и сопротивления:
![]() |
Рисунок 3.2 Осциллограммы напряжения на резисторе и индуктивности.
В силу рассмотренных преимуществ данная схема СИФУ и выпрямителя является предпочтительной для выпрямления однофазного синусоидального тока и напряжения. Напряжение на выходе обладает высоким коэффициентом пульсации, поэтому необходимо так же в некоторых случаях использовать дополнительно стабилизатор. От этого недостатка избавлены трехфазные выпрямители, но они состоят из значительно большего количества элементов и более сложны. Таким образом, данная система дает хорошие результаты при небольших затратах. В быту трехфазное напряжение часто недоступно, это во многом определяет область применения устройства.
ПРИЛОЖЕНИЕ А
| Формат | Зона | Позиция | Обозначение | Наименование | Кол. | Примеча ние |
| FU1,FU2 | ПНБ-5-380/100 | 1 | ||||
| R1 | МЛТ 0,15Вт-680Ом |
1 | ||||
| R10 | МЛТ 1Вт-22Ом |
1 | ||||
| R11,R14 | МЛТ 0.7Вт-33Ом |
2 | ||||
| R12, R13 | ПЭВ 100Вт-100Ом- |
1 | ||||
| R3 | МЛТ 0.62Вт-360Ом |
1 | ||||
| R4 | ПЭВ 2.4Вт -0.5кОм |
1 | ||||
| R5 | МЛТ 0,8Вт-510 Ом- |
1 | ||||
| R6 | МЛТ 0.25Вт-1.2 кОм |
1 | ||||
| R7 | СПОЕ 0.6Вт-220Ом | 1 | ||||
| R8 | МЛТ 0,25Вт-680Ом |
1 | ||||
| R9 | МЛТ 0.125Вт-510Ом |
1 | ||||
| TV1 | ТПП | 1 | ||||
| TV2 | Ферритовое кольцо типа К20х10х1500 | 1 | ||||
| TV3 | ТПП | 1 | ||||
| TV3 | ТПП | 1 | ||||
| VD10 | ВЛ50 | 1 | ||||
| VD1-VD4 | КД105А | 4 | ||||
| VD5,VD6 | КД105А | 2 | ||||
| VD7 | 2C220Ж | 1 | ||||
| VD8 | КД103А | 1 | ||||
| VD9,VD11 | 2Д201Б | 2 | ||||
| VS1 | КН102А | 1 | ||||
| VS2, VS3 | Т222-20-12 | 2 | ||||
| VT1 | П214 | 1 | ||||
| VT2,VT3 | 2Д201Б | 2 | ||||
| VT4 | КТ814Б | 1 | ||||
| VT5 | КТ102А | 1 | ||||
| С1 | К5016 20В-150 |
1 | ||||
| С2 | К5016 20В-150 |
1 | ||||
| С3 | К5016 20В-56мкФ |
1 | ||||
| С4,С5 | МБМ 5.6мкФ-320В |
2 |
ПЕРЕЧЕНЬ ССЫЛОК
Приборы и устройства промышленной электроники / В.С.Руденко, В.И.Сенько, В.В.Трифонюк (Б-ка инженера). — К.:Технiка, 1990. — 368 с.
Полупроводниковые приемно-усилительные устройства: Справочник радиолюбителя / Терещук Р.М., Терещук К.М. — К.:Наукова думка, 1981. — 670 с.
Тиристоры: справочник / Григорьев О.П., Замятин В.Я. — М.:Радио и связь, 1982. —272 с.
Транзисторы для аппаратуры широкого применения: справочник / Перельман В.П. — М.:Радио и связь, 1982 — 520 с.
Похожие рефераты:
Разработать лабораторный стенд для испытания устройств защиты судовых генераторов
Тиристорные устройства для питания автоматических телефонных станций
Электронные схемы для дома и быта
Автоматизированный электропривод центрифуги
Разработка маломощного стабилизированного источника питания
Синхронные машины. Машины постоянного тока
Энергосбережение на современном этапе
Компенсация реактивной мощности в системах электроснабжения с преобразовательными установками
Лекции по твердотельной электронике
Анализ и моделирование биполярных транзисторов
Основные качества полупроводников
Пассивные линейные измерительные преобразователи синусоидальных напряжений и токов






