| Похожие рефераты | Скачать .docx |
Курсовая работа: Импульсный стабилизатор напряжения
Министерство образования и науки Российской Федерации
ФЕДЕРАЛЬНОЕ АГЕНСТВО ПО ОБРАЗОВАНИЮ
Казанский государственный технический университет им. А.Н. Туполева
КУРСОВОЙ ПРОЕКТ
по дисциплине: Источники вторичного электропитания
Тема: ИМПУЛЬСНЫЙ СТАБИЛИЗАТОР НАПРЯЖЕНИЯ
Казань 2010
СОДЕРЖАНИЕ
Введение
1. Принцип действия ИСН
2. Расчет элементов преобразователя
3. Схема управления
4. Конструкция устройства
Вывод
Список используемых источников
Введение
Источники вторичного электропитания (ИВЭП) по своей физической сущности это преобразователи вида и качества электрической энергии первичных источников питания (химических, топливных, электромеханическиех ядерных и других). ИВЭП являются одним из основных электронных компонентов любой функциональной аппаратуры. Они применяются во всех сферах современной индустрии: в различных областях промышленности, связи, электроприводе, автотранспорте, бытовых приборах, телекоммуникационной, военно–космической, компьютерной технике.
Современным генеральным направлением развития ИВЭП в мире попрежнему остается дальнейшее улучшение массогабаритных характеристик при снижении стоимости и обязательном выполнении требований надежности и качества электроэнергии.
По заданию КП мной должен быть разработан импульсный стабилизатор напряжения (ИСН) – наиболее известная в семействе импульсных преобразователей схема.
1. Принцип действия ИСН

Рис. 1 Базовая схема ИСН
Входное напряжения Uin подается на входной фильтрующий конденсатор Cin. Ключевой элемент VT, в качестве которого может быть использован транзистор любого типа (биполярный, MOSFET, IGBT), осуществляет высокочастотную коммутацию тока. Кроме этого, в составе преобразователя должны быть разрядный диод VD, дроссель L, конденсатор Сout, образующие выходной LC-фильтр, а также схема управления, осуществляющая стабилизацию напряжения или тока нагрузки с сопротивлением Rн. Как видно из рисунка, ключевой элемент VT, дроссель и нагрузка включены последовательно, поэтому этот стабилизатор относят к классу последовательных схем.
Ключевой элемент может стабильно находиться только в двух состояниях — полной проводимости и отсечки. Если указанные состояния сменяют друг друга с постоянной периодичностью, равной Т, то, обозначив время нахождения ключа в проводящем состоянии — как время проводимости (tu ), а время нахождения ключа в состоянии отсечки — как время паузы (tn , можно ввести понятие коэффициента заполнения, равного:
![]()
где f — частота коммутации.

Рис. 2
На рис. 2 показана временная диаграмма для определения коэффициента заполнения. Нулевое значение D характеризует постоянное нахождение ключевого элемента в состоянии и отсечки, в го время как равенство его единице показывает режим постоянной проводимости. В состоянии отсечки напряжение на нагрузке равно нулю, в состоянии полной проводимости наблюдается равенство входного и выходного напряжений. В промежутке между "нулем" и "единицей" работа преобразователя складывается из двух фаз: набор энергии и разряда. Рассмотрим эти фазы подробнее:

Рис. 3
Итак, фаза накачки энергии протекает на протяжении времени tu , когда ключевой элемент VT открыт, то есть проводит ток (рис. 3, а). Этот ток далее проходит через дроссель L к нагрузке, шунтированной конденсатором Сout. Накопление энергии происходит как в дросселе, так и в конденсаторе. Ток iL увеличивается.
После того, как ключевой элемент VT переходит в состояние отсечки, наступает фаза разряда (рис. 3, б), продолжающаяся время tn . Поскольку любой индуктивный элемент стремится воспрепятствовать изменению направления и величины тока, протекающего через его обмотку, в данном случае ток дросселя iL мгновенно уменьшиться до нуля не может, и он замыкается через разрядный диод VD. Источник питания в фазе разряда отключен, и дросселю неоткуда пополнять убыль энергии, поэтому разряд происходит по цепи "диод-нагрузка". По истечении времени Т процесс повторяется — вновь наступает фаза накачки энергии.
2. Расчет элементов преобразователя
Алгоритм расчета элементов СПН проводился по методике указанной в [1]. Базовая схема НПН показана на рис. 1.
1. Выбираем схему выпрямителя однофазную мостовую,
= 2, тогда:
= 1,41 × 220 = 310,2 В.
2. Мощность на выходе выпрямителя (на входе преобразователя), Вт:

где
при
= 10...100 Вт.
3. Коэффициентом пульсаций на выходе выпрямителя
= 0,5 (0,1 + 0,1) = 0,1
= 310,2 (1 – 0,1) = 217,8 В.
4. Среднее значение выпрямленного тока
и сопротивления нагрузки входного выпрямителя
:
=
= 0,41 А;
=
= 531 Ом.
5. Минимальное значение выпрямленного напряжения, В:
= 310,2×(1 – 2×0,1) = 217
6. Угол отсечки
, при котором через диоды начинает протекать ток:
= 0,9,
26°.
7. Угол
, при котором прерывается ток через диоды выпрямителя:
,
= 2,3 град.
Угол
можно также определить, пользуясь графиком.
8. Ёмкость конденсатора входного фильтра, мкФ:
=
= 105,
где
, здесь
– частота тока сетевого напряжения.
9. Рабочее напряжение на конденсаторе
, В:
= 310,2×(1+0,1) = 341,22.
Выбираем из [3,5] конденсатор К50–28.
10. Действующее значение тока (А) через диоды мостовых схем выпрямителей
:
= 11 .
11. Амплитудное значение тока через диоды входного напряжения, А ^
= 4,92.
12. Среднее значение тока через диоды, А:
=
= 0,205.
13. Обратное напряжение, В:
= 310,2(1 + 0,1) = 341,22.
14. Выбираем из справочника [2] диодный мост:
W04M
= 400 В,
= 1,5 А.
15. Коэффициенты заполнения импульсов:
;
;
.
16. Ориентировочные значения сопротивления обмотки дросселя и открытого диода, Ом:
.
17. Произведение
, Гн.
Ф:
18.

19. Критическое значение индуктивности
, Гн:
.
20. Индуктивность дросселя
, Гн (окончательно):
.
21. Переменная составляющая тока дросселя
, А:
.
22. Максимальный ток через дроссель
, А:
.
23. Мощность потерь в дросселе, Вт:
.
24. Объём сердечника, см3 :
,
где
, мкГн;
, А.
25. По величине
из [3] выбирается сердечник дросселя из феррита марки 2000НМ К40х25х11 (ближайший больший).
, мм2
;
, мм;
.
26. Число витков обмотки дросселя:
,
где
, мГн.
26. Габаритная мощность дросселя, Вт:
.
27. По величине
и
определяем плотность тока: j=8, А/мм2
.
14. Диаметр провода, мм:
.
Выбирается из [3] медный провод d=0,55, dизол =0,62.
28. Средняя линия обмотки, мм:
,
где a, b, c – размеры сердечника, мм
29. Площадь сечения обмотки, мм2 :
.
30. Активное сопротивление обмотки дросселя, Ом:
,
где
, м;
, мм2
.
.
31. Ёмкость конденсатора фильтра, мкФ:
.
32. Напряжение на конденсаторе, В:
.
33. По значениям
и
из [5] выбран конденсатор типа К71-5 с номинальным напряжением 160 В и диапазоном рабочих температур в интервале от –60 до +60 °С, tg d = 0,01, а емкость его равна 150 мкФ.
34. Обратное напряжение на диоде, В:
.
35. Максимальный ток через диод, А:
.
36. Средний ток через диод, А:
.
37. Действующее значение тока через диод, А:
.
38. С учетом частоты
из [6] выберем диод типа 2Д220А. Постоянное прямое напряжение 1,2 В. Импульсный прямой ток (tи
10 мкс) 3 А. Время восстановления обратного сопротивления 0,5 мкс. Напряжение отсечки Uотс
= 1 В. Постоянное обратное напряжение Uобр
= 400 В.
Дифференциальное сопротивление, Ом:
Ом.
39. Осуществим проверку
![]()
В;
![]()
мА
А.
40. Максимальный ток коллектора транзистора, А:
.
41. Максимальное напряжение на запертом транзисторе, В:
.
42. Из [2] выберем транзистор типа КП751В, N–МОП.
![]()
![]()
![]()
![]()
![]()
![]()
![]()
![]()
43. Мощность статических потерь в транзисторе, Вт:
1,33×3,99×0,0003×20000 = 31,8402
![]()
44. Мощность коммутационных потерь в транзисторе, Вт:
![]()
![]()
45. Суммарная мощность потерь в транзисторах, Вт:
=31,8402+0,118 =31,958
46. Так как
, то транзистор выбран правильно, и теплоотвод не нужен, поскольку
Вт.
47. Мощность коммутационных потерь в диодах, Вт:

48. Мощность статических потерь в диодах, Вт:
![]()
49. Суммарная мощность потерь в диодах, Вт:
= 0,0013+0,708 = 0,7093
50. Мощность потерь в схеме управления транзисторами, Вт:
= 0,02×1,33×100 = 2,66
51. КПД стабилизирующего преобразователя:
=

52. Входной ток стабилизирующего преобразователя, А:

53. Индуктивность дросселя входного фильтра, Гн:
=![]()
электрический плата импульсный преобразователь
54. Критическое значение индуктивности
, Гн:
.
55. Индуктивность дросселя
, Гн (окончательно):
.
56. Переменная составляющая тока дросселя
, А:
.
57. Максимальный ток через дроссель
, А:
.
58. Мощность потерь в дросселе, Вт:
.
59. Объём сердечника, см3 :
,
где
, мкГн;
, А.
60. По величине
из [3] выбирается сердечник дросселя из феррита марки 2000НМ К40х25х7,5 (ближайший больший).
, мм2
;
, мм;
.
61. Число витков обмотки дросселя:
,
где
, мГн.
53. Габаритная мощность дросселя, Вт:
.
54. По величине
и
определяем плотность тока: j=9, А/мм2
.
62. Диаметр провода, мм:
.
Выбирается из [3] медный провод d=0,35, dизол =0,41.
63. Средняя линия обмотки, мм:
,
где a, b, c – размеры сердечника, мм
64. Площадь сечения обмотки, мм2 :
.
65. Активное сопротивление обмотки дросселя, Ом:
,
где
, м;
, мм2
.
3. Схема управления
Для управления транзистором была выбрана микросхема TL494, которая выпускается фирмой TexasInstruments и широко применяется для управления блоками питания компьютеров типа IMB-PC. Микросхема TL494 представляет из себя ШИМ - контролер импульсного источника питания, работающий на фиксированной частоте, и включает в себя все необходимые для этого блоки. Встроенный генератор пилообразного напряжения требует для установке частоты только двух внешних компонентов R и С.

Рис. 4 Структурная схема TL494
На структурной схеме TL494 (рис. 4) видно, что микросхема включает в себя усилитель ошибки, встроенный регулируемый генератор, компаратор регулировки мертвого времени, триггер управления, прецизионный ИОН на 5В и схему управления выходным каскадом. Усилитель ошибки выдает синфазное напряжение в диапазоне от –0,3…(Vcc-2) В. Компаратор регулировки мертвого времени имеет постоянное смещение, которое ограничивает минимальную длительность мертвого времени величиной порядка 5%. Допускается синхронизация встроенного генератора, при помощи подключения вывода R к выходу опорного напряжения и подачи входного пилообразного напряжения на вывод С, что используется при синхронной работе нескольких схем ИВП. Независимые выходные формирователи на транзисторах обеспечивают возможность работы выходного каскада по схеме с общим эмиттером либо по схеме эмиттерного повторителя. Выходной каскад микросхемы TL495 работает в однотактном или двухтактном режиме с возможностью выбора режима с помощью специального входа. Встроенная схема контролирует каждый выход и запрещает выдачу сдвоенного импульса в двухтактном режиме.
Микросхема выпускается в корпусе DIP-16 и имеет следующие характеристики:
· Напряжение питания - 41В
· Входное напряжение усилителя - (Vcc+0.3)В
· Выходное напряжение коллектора - 41В
· Выходной ток коллектора - 250мА
· Общая мощность рассеивания в непрерывном режиме - 1Вт
Частота генератора определяется по формуле:
![]()

Рис. 5
Время паузы можно регулировать, выбирая соответствующий номинал времязадающего конденсатора Ст. Частота работы задающего генератора определяется соотношением Rт и Ст (выбор этих элементов частотозадающей цепи, показанных на рис. 5, осуществляется из графика на рис. 6). Ощутимые значения времени паузы получается при достаточно больших номиналах емкости Ст.
Модуляция ширины выходных импульсов достигается сравнением положительного пилообразного напряжения, получаемого на конденсаторе С, с двумя управляющими сигналами. Логические элементы ИЛИ-НЕ возбуждает выходные транзисторы Q1 и Q2 только тогда, когда линия тактирования встроенного триггера находится в НИЗКОМ логическом состоянии. Это происходит только в течение того времени, когда амплитуда пилообразного напряжения выше амплитуды управляющих сигналов. Следовательно, повышение амплитуды управляющих сигналов вызывает соответствующее линейное уменьшение ширины выходных импульсов. Под управляющими сигналами понимаются напряжения производимые схемой регулировки мёртвого времени (вывод 4), усилители ошибки (выводы 1, 2, 15, 16) и цепью обратной связи (вывод 3).
Вход компаратора регулировки мертвого времени имеет смещение 120 мВ, что ограничивает минимальное мертвое время на выходе первыми 4% длительности цикла пилообразно напряжения. В результате максимальная длительность рабочего цикла составляет 96% в том случае, если вывод 13 заземлен, и 48% в том случае, если на вывод 13 подано опорное напряжение.
Увеличить длительность мертвого времени на выходе, можно подавая на вход регулировки мертвого времени (вывод 4) постоянное напряжение в диапазоне 0..3,3 В. ШИМ - компаратор регулирует ширину выходных импульсов от максимального значения, определяемого входом регулировки мертвого времени до нуля, когда напряжение обратной связи изменяется от 0,5 до 3,5В. Оба усилителя ошибки имеют входной диапазон синфазного сигнала от –0,3 до (Vcc-2,0) В и могут использоваться для считывания значений напряжения или тока с выхода источника питания. Выходы усилителей ошибки имеют активный ВЫСОКИЙ уровень напряжения и объединены функцией ИЛИ на не инвертирующем входе ШИМ - компаратора. В такой конфигурации усилитель, требующий минимального времени для включения выхода, является доминирующим в петле управления. Во время разряда конденсатора С на выходе компаратора регулировки мертвого времени генерируется положительный импульс, который тактирует триггер и блокирует выходные транзисторы Q1 и Q2. Если на вход выбора режима работы подается опорное напряжение (вывод 13), триггер непосредственно управляет двумя выходными транзисторами в противофазе (двухтактный режим), а выходная частота равна половине частоты генератора. Выходной формирователь может также работать в однотактном режиме, когда оба транзистора открываются и закрываются одновременно, и когда требуется максимальный рабочий цикл, не превышающий 50%. Это желательно, когда трансформатор имеет звенящую обмотку с ограничительным диодом, используемым для подавления переходных процессов. Если в однотактном режиме требуются большие токи, выходные транзисторы могут работать параллельно. Для этого требуется замкнуть на землю вход выбора режима работы ОТС, что блокирует выходной сигнал от триггера. Выходная частота в этом случае будет равна частоте генератора.

Для управления полевым транзистором необходим драйвер. Для данной схемы применена микросхема МАХ4429, производимая фирмой MAXIM. Микросхема выпускается в корпусе DIP-8 и имеет следующие характеристики:
• напряжение питания (VDD ) — 4,5... 18 В;
• напряжение "логической единицы" по входу (VIH ) — 2,4 В;
• напряжение "логического нуля" по входу (VIL ) — 0,8 В;
• максимальный выходной ток (iout ) — 6 А;
• время включения (tr ) — 25 нсек;
• время выключения (tf ) — 25 нсек.
Чтобы получить высокие характеристики стабильности и быструю реакцию на изменение характера нагрузки является способ, который сравнительно легко и надежно позволит обеспечить указанные условия, - оптическая развязка. Она позволяет ввести гальваническую изоляцию и достаточно точно отслеживать состояние напряжения на нагрузке.
Иногда разработчика может не удовлетворить линейность передачи сигнала обратной связи. Такой случай, может встретиться при проектировании высокоточных мощных следящих систем регулирования тока. Поэтому в таких системах применяется гальванически развязанные датчики тока, основанные на эффекте Холла, или более древние магнитные усилители. Датчик тока с элементом Холла представляет собой небольшую коробочку с отверстием посредине, через которую проматывается нужное количество витков силового провода нагрузки. Второй путь повышения точности передачи сигнала обратной связи – использование операционных усилителей с гальванической изоляцией. Постоянное напряжение преобразуется в таком усилителе в переменное напряжение высокой частоты (сотни килогерц), передается через развязывающий трансформатор и детектируется на выходе. Предложение прецизионных операционных усилителей с гальванической развязкой невелико, да и стоят они дорого. Поэтому использование данных методов гальванической развязки сигнала обратной связи должно быть продиктовано исключительной необходимостью. В типовых источниках питания лучшим является оптоэлектронный способ гальванической развязки обратной связи.

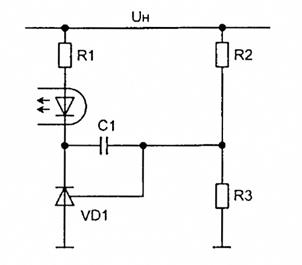
Для данной конструкции использована транзисторная оптопара 4N25 [7, 8]. Оптопара, условное обозначение и расположение выводов которой показаны на рис. 7 и рис. 8.
Оптопара 4N25 имеет следующие параметры:
- Max обратное напряжение светоизлучающего диода (VR ) – 5 В;
- Max постоянный ток диода (if ) – 60 мА;
- Max импульсный ток светодиода (ifsm ) – 3 А;
- Max температура кристалла (Tj ) – 125 єC;
- Max напряжение "коллектор-эмиттер" (Uceo ) – 30 В;
- Max импульсный ток коллектора (icm ) – 100 мА;
- Max постоянный ток коллектора (ic ) – 50 мА;
- Напряжение изоляции (Uio ) – 3,75 кВ.
Оптопара выпускается в стандартном корпусе DIP-6.
Из графиков рис. 9 и рис. 10 хорошо видно, что для светодиода в области тока 0,1…10 мА зависимости между if и ic практически линейна.

Рис. 9
В качестве прецизионного датчика напряжения нагрузки до недавнего времени использовались операционные усилители, охваченные частотно зависимыми обратными связями. Однако в последнее время появился более компактный способ отслеживания напряжения на нагрузке. Заключается он в использовании трехвыводного опорного регулируемого стабилизатора VD3 типа TL431 [7, 8]. Этот стабилизатор проще назвать управляемым стабилитроном, напряжение стабилизации которого меняется в зависимости от того, какое напряжение подано на управляющий электрод. Функциональная схема управляемого стабилитрона показана на рис. 11, а условное обозначение на рис. 12.
Основные электрические параметры программируемого стабилитрона:
- Max напряжение "катод-анод" (Uka ) – 37 В;
- Max ток катода (ika ) – 150 мА;
- Min напряжение стабилизации (Uref = Uka ) – 2,5 В.

Рис. 11
Получение сигнала обратной связи стабилитрона осуществляется на рис. 13 следующим образом. Предположим, что резисторы R2=R3 являются делителем напряжения Uн, через оптронный светодиод в номинальном режиме будет протекать совершенно конкретный ток, определяемый падением напряжения на светодиоде и токоограничивающем резисторе R1. В номинальном режиме напряжение питания цепи светодиода составляет 2,5 В. Изменение напряжения на нагрузке в 2 раза приведет к тому, что напряжение питания светодиодной цепи возрастает до 5 вольт, увеличится ток через светодиод, транзистор оптопары приоткроется и схема управления получит информацию об изменении напряжения нагрузки.

Рис. 13
Для служебного питания микросхем DA1 и DA2 выбирается стабилитрон КС515Г [2], его основные параметры:
- Мощность рассеяния - ,5 Вт;
- Минимальное напряжение стабилизации – 14 В;
- Номинальное напряжение стабилизации – 15 В;
- Максимальное напряжение стабилизации – 16 В;
- Статическое сопротивление (Rст) – 25 Ом, при токе (Iст) – 5 мА;
- Минимальный ток стабилизации (Iст.мин). – 3 мА;
- Максимальный ток стабилизации (Iст.макс). – 31 мА.
4. Конструкция устройства
Корпус выполнен из пластмассы.
Трансформатор TVзакреплен винтом с шайбу к корпусу-платформе, к нему же прикреплено шасси из листовой стали для крепления винтом с шайбой выходного дросселя L2. Входной дроссель L1 имеет 4 отверстия для крепления винтами. Оба радиатора охлаждения для транзисторов и диодов закреплены на одном шасси двумя винтами, печатная плата закреплена на двух шасси четырьмя винтами.
Печатная плата из фольгилированого стеклотекстолита.
Для изоляции между радиатором и транзисторами использованы теплопроводящие изолирующие подложки.
Клеммы Х1 и Х2 приклеены к корпусу-платформе. Они могут принять провод диаметром до 3,5 мм, который закрепляется прижимным винтом.
Вывод
Были получены навыки разработки и конструирования структурной электрической схемы ИВЭП, схемы электрической принципиальной, расчета и выбора из справочных источников элементов схемы электрической принципиальной, построения временных диаграмм, отражающих принцип действия ИВЭП, а так же разработки печатной платы и конструкции импульсного преобразователя напряжения.
Результатом работы является довольно компактный стабилизирующий преобразователь напряжения, габариты его корпуса следующие 125х80х60.
Он обеспечивает понижение входного постоянного напряжения 220 В в выходное постоянное напряжение 100 В с максимальным током нагрузки 2А.
Список использованных источников
1. Цокур Е.И. Алгоритмы расчета силовых частей ИСН. – Казань: КАИ, 1987. – 32с.
2. Найтвель Г.С. Источники электропитания радиоэлектронной аппаратуры. – М.: Издательство "Радио и связь", 1985. – 576с.
3. Сидоров И.Н. Малогабаритные трансформаторы и дроссели. – М.: Издательство "Радио и связь", 1985. – 416с.
4. Дьяконов М.Н. Справочник по электрическим конденсаторам – М.: Издательство "Радио и связь", 1983. – 576с.
5. Баюков А.В. Полупроводниковые приборы: диоды и тиристоры – М.: Энергоатомиздат, 1983. – 744с.
6. Семенов Б.Ю. Силовая электроника для любителей и профессионалов – М.: САЛОН-Пресс, 2001. – 327с.
7. Семенов Б.Ю. Силовая электроника: от простого к сложному – М.: САЛОН-Пресс, 2005. – 416с.
Похожие рефераты:
Синхронные машины. Машины постоянного тока
Энергосбережение на современном этапе
Оборудование летательных аппаратов
Двухосный индикаторный стабилизатор телекамер на ВО
Тиристорные устройства для питания автоматических телефонных станций
Усилитель мощности миллиметрового диапазона длин волн
Электронные схемы для дома и быта
Проектирование управляющей ИМС для импульсных источников питания по типу TDA16846
Оборудование участка железной дороги устройствами автоблокировки
Источник бесперебойного питания
Стабилизатор тока электродиализатора
Схема и конструкция монитора на основе электронно-лучевой трубки VIEWSONIC 17GA/GL