| Похожие рефераты | Скачать .docx |
Курсовая работа: Логическое проектирование и минимизация
Содержание
| Введение | 5 | |
| 1. | Обзор методов логического проектирования и минимизации | 9 |
| 1.1 | Нормальные формы логических функций | 10 |
| 1.2 | Общие сведения о минимизации логических функций | 15 |
| 1.3 | Расчётный метод минимизации | 18 |
| 1.4 | Расчётно-табличный метод минимизации | 21 |
| 1.5 | Табличный метод минимизации | 23 |
| 2. | Возможности программы моделирования Electronics Workbench | 28 |
| 2.1 | Общие сведения об Electronics Workbench | 28 |
| 2.2 | Интерфейс Electronics Workbench | 32 |
| 2.3 | Свойства и параметры измерительной аппаратуры, используемой в работе | 41 |
| 3. | Математические модели и эквивалентные схемы в программе логического проектирования | 48 |
| 4. | Разработка логических схем практикума | 53 |
| 4.1 | Схема цифрового автомата | 53 |
| 4.2 | Цифровой компаратор 2-х разрядного кода | 54 |
| 4.3 | Дешифратор 4-х разрядного адреса | 56 |
| 4.4 | Схема контроля чётности | 58 |
| 5. | Методические указания | 61 |
| 5.1 | Описание лабораторной установки | 61 |
| 5.2 | Предварительное расчётное задание | 62 |
| 5.3 | Рабочее задание | 62 |
| 5.4 | Контрольные вопросы | 65 |
| 6. | Методические рекомендации по быстрому знакомству с программой | 67 |
| 6.1 | Работа с HELP, проблема языка и русификация | 67 |
| 6.2 | Об окне Description | 67 |
| 6.3 | Возможности получения твёрдой копии и подготовки отчёта | 68 |
| 6.4 | Демонстрационная версия | 68 |
| 7. | Организационно-экономическая часть | 71 |
| 7.1 | Организация НИР | 71 |
| 7.2 | Расчёт затрат | 73 |
| 7.3 | Обоснование социально-экономической эффективности разработки | 76 |
| 8. | Экология и охрана труда | 81 |
| 8.1 | Общие сведения об электромагнитных полях | 81 |
| 8.2 | Методика проведения исследования | 87 |
| Заключение | 91 | |
| Список используемой литературы | 93 |
Введение
Лабораторный практикум является обязательным компонентом обучения во всех электронных курсах, читаемых на кафедре "Технической электродинамики и электроники" МГИРЭА(ТУ). Во время практикума студенты закрепляют теоретические знания практической работой с электронными схемами, учатся работать с контрольно-измерительной аппаратурой, приобретают исследовательские навыки. В связи с динамическим изменением элементной базы электроники, измерительной аппаратуры, электронный практикум должен своевременно обновляться и совершенствоваться. Дело это трудоемкое и достаточно дорогое, особенно в нынешних условиях.
При всех несомненных достоинствах существующего практикума имеется довольно много замечаний, которые в силу объективных и субъективных трудностей практической реализации не решены на сегодня:
1) Современная полупроводниковая и интегральная элементная база очень чувствительна к перегреву, перенапряжению, статическому электричеству, имеет миниатюрные размеры и поэтому требует сложной, дорогой технологической оснастки для реальной работы с современными электронными схемами. Использование вредных химических веществ при монтаже требует соответствующего оборудования помещения (тоже не дешевого).
2) Работа с современными быстродействующими компонентами требует постоянного обновления дорогой и сложной контрольно-измерительной аппаратуры. Современная аппаратура сложна, требует высокой квалификации исследователя и мало приспособлена для студенческого практикума.
3) Целый ряд исследований невозможно выполнить из-за уникальности необходимой аппаратуры (исследование фазовых характеристик, спектральных характеристик, нелинейных характеристик, исследование влияния температуры на работу электронного устройства и т.д.).
4) В существующем практикуме отсутствует возможность диагностики неисправности электронного устройства, обучения навыкам ремонта электронных схем, пуско-наладочных работ, то есть тех обязательных навыков, которыми обязан владеть электронщик при разработке и эксплуатации электронной аппаратуры.
5) В разработке современной электронной аппаратуры все шире используется вычислительная техника, системы автоматического проектирования, интеллектуальная диагностика работоспособности устройств. Это направление совершенно не представлено в существующем практикуме.
Перечисленные замечания конечно не полностью описывают проблему. Поэтому актуально стоит поиск альтернативных методических направлений обучения электронным дисциплинам.
Одно из таких направлений рассмотрено в данной работе - использование в лабораторном практикуме компьютерного моделирования на базе программного пакета Electronics Workbench фирмы Interactive Image Technologies Ltd. (Canada).
Этот пакет представляет законченную среду (shell) разработки электронных схем с интуитивным простым интерфейсом, близким для электронщика. Название пакету выбрано точно - в переводе - рабочий стол электронщика.
У этого пакета имеется целый ряд достоинств, привлекающих внимание:
1. Оригинальный простой графический редактор, позволяющий достаточно просто рисовать на экране практически любые электронные схемы в привычном изображении.
2. Большая библиотека современных электронных компонент, дискретных, интегральных аналоговых, цифровых и смешанных аналогово-цифровых. Библиотека открытая, легко может пополняться новыми элементами, в том числе и отечественными.
3. Богатая библиотека электронных схем, позволяющая использовать готовые практические разработки и легко модернизировать под конкретную задачу. Библиотека открытая, позволяет пополнение как за счет новых разработок, так и за счет подключения библиотек более ранних версий.
4. Великолепный набор виртуальных измерительных приборов, позволяющих выполнить любое электрическое ( и не только электрическое измерение). Работа с этими измерительными приборами максимально приближена к работе с реальными приборами. Подключив виртуальный прибор к любой точке схемы можно получить исчерпывающую информацию о процессах в данном узле.
5. Простой по интерфейсу набор моделирующих средств, позволяющий помимо традиционного моделирования электронной схемы по постоянному и переменному току, повести моделирование спектральных, нелинейных, амплитудно-частотных, фазо-частотных характеристик, влияние температуры на отдельные компоненты и на схему в целом, возможность сканирования (sweep) любых параметров компонентов, параметров источников сигналов и питания. Достаточно просто можно выполнить вероятностный анализ работы схемы с различными законами распределения параметров.
6. Большие возможности документирования исследования, получение твердой копии как электрической схемы, параметров моделирования, информации с экрана измерительной аппаратуры, хорошо оформленных графических результатов исследования.
7. Поразительно низкие требования, предъявляемые к компьютеру. Возможна работа начиная с 386 модели.
8. Не требует знаний по программированию. Требуется лишь знакомство со средой Windows. Интуитивный интерфейс позволяет быстро даже неподготовленному пользователю (буквально за полчаса) познакомится с основами и приступить непосредственно к электронным исследованиям.
9. Нельзя не упомянуть обширный, тщательно подготовленный Help, обеспечивающий как контекстную помощь по меню, компонентам, опциям моделирования, так и общие вопросы моделирования, возможные ошибки.
Достоинств в этом пакете больше, чем перечислено и о них еще будет говориться в процессе разработки лабораторного практикума. Однако то, что перечислено, позволило среди множества известных пакетов электронных CAD'ов (Computer Aided Design) выбрать именно Electronics Workbench как наиболее подходящий для использования в лабораторном практикуме.
В настоящее время всё большее количество студентов получает доступ к персональным компьютерам. Возрастает количество компьютеров на кафедрах и в лабораториях институтов, растёт и число студентов, имеющих компьютеры дома.
Следовательно российские учебные заведения уже заинтересованы в появлении компьютерного лабораторного практикума. Таким образом объективные экономические причины для разработки компьютерного моделирования лабораторных работ уже есть.
В этой связи имеет смысл начать разработку моделирования лабораторных работ средствами вычислительной техники, тем более что программы появляющиеся на российском рынке программного обеспечения позволяют сделать это моделирование не менее наглядным чем работа на реальных стендах.
1. Обзор методов логического проектирования и минимизации
Термин “логическое проектирование” охватывает целый комплекс проблем, возникающих на одной из ранних стадий создания цифрового автомата. Одним из этапов логического проектирования является синтез его так называемых комбинационных устройств, который заключается в определении таких способов соединения некоторых простейших схем, называемых логическими элементами, при которых построенное устройство реализует поставленную задачу по преобразованию входной двоичной информации. В частности логическими элементами являются инвертор, конъюнктор и дизъюнктор. Поскольку эти элементы образуют функционально полный набор, то с их помощью можно построить комбинационное устройство (то есть устройство не обладающее памятью, в котором выходной сигнал в любой момент времени определяется только комбинацией входных сигналов), реализующее любой наперёд заданный закон преобразования двоичной информации .
Обычно логическое проектирование выполняется в следующей последовательности:
1) составление таблицы истинности синтезируемого узла согласно его определению, назначению и (словесному) описанию принципа работы ;
2) составление математической формулы для логической функции, описывающей работу синтезирующего узла, согласно имеющейся таблице истинности ;
3) анализ полученной функции с целью построения различных вариантов её математического выражения (на основании законов булевой алгебры) и нахождения наилучшего из них в соответствии с тем или иным критерием ;
4) составление функциональной (логической) схемы узла из заранее заданного набора логических элементов .
1.1 Нормальные формы логических функций
Синтез комбинационных устройств обычно начинается с табулирования значений истинности всех входных и выходных величин. Табличное задание закона функционирования некоторого устройства является наиболее наглядным и универсальным средством описания его работы. Результатом рассматриваемого этапа является таблица истинности, связывающая все возможные комбинации значений аргументов и функций. Пусть, например, требуется синтезировать цифровое устройство, реализующее сложение двух двоичных цифр (полусумматор) .
1-й этап синтеза - даётся словесное описание полусумматора и принципа его работы. Он должен анализировать все комбинации входных сигналов (т. е. двоичных цифр 00, 01, 10, 11) и в соответствии с ними формировать на выходе двухразрядные суммы. В первом разряде результата формируется цифра переноса, а во втором - цифра многоразрядной суммы. Следовательно, синтезируемый полусумматор должен иметь два входа (n=2) и два выхода. Далее от нестрогого словесного описания переходим к строгому формальному описанию работы полусумматора на табличном языке. Таблица истинности (см. табл. 1.1) в общем случае при n входах имеет 2 в степени n комбинаций значений аргументов .
Таблица 1.1
Таблица истинности полусумматора.
| 1-я цифра слагаемое Х1 | 0 | 0 | 1 | 1 |
| 2-я цифра слагаемое Х2 | 0 | 1 | 0 | 1 |
| Цифра переноса р | 0 | 0 | 0 | 1 |
| Цифра суммы s | 0 | 1 | 1 | 0 |
2-й этап синтеза - для того чтобы показать методику перехода от таблицы истинности к аналитическому выражению, рассмотрим некоторую обобщённую таблицу истинности двух аргументов f(X1,X2) (см. табл. 1.2). Ограничение на число аргументов не является в данном случае существенным, но значительно упрощает все рассуждения .
Таблица 1.2
Обобщённая таблица истинности функции двух аргументов.
| 1-й логический аргумент Х1 | 0 | 0 | 1 | 1 |
| 2-й логический аргумент Х2 | 0 | 1 | 0 | 1 |
| Логическая функция f(X1,X2) | f0 | f1 | f2 | f3 |
Здесь f0=f(0,0) ; f1=(0,1) ; f2=(1,0) ; f3=(1,1) - конкретные реализации функции f(X1,X2) при определённых частных значениях аргументов X1 и X2 . Они также являются двоичными переменными. Десятичные индексы при их символах числено равны тем двоичным числам, которые образуются соответствующими частными значениями аргументов. Кроме того, каждый десятичный индекс можно трактовать как номер некоторого столбца в Таблице 1.2, изменяющийся в пределах от 0 до 2n -1, так как обычно значения аргументов в таблице записываются таким образом, чтобы получающееся из них по вертикали двоичное число было равно номеру столбца. Исходя из вышеизложенного, уже можно перейти от табличной записи логической функции f(X1,X2) к аналитической :
f(X1,X2) = f0 при, х1 =0, х2 =0 ;
f1 при, х1 =0, х2 =1 ; (1.1)
f2 при, х1 =1, х2 =0 ;
f3 при, х1 =1, х2 =1 ;
Такая запись несколько удобнее и компактнее таблицы, однако она всё-таки громоздка и плохо обозрима (особенно в случае большого числа аргументов). Но от неё можно перейти к записи другого вида, более удобной и компактной :
f(x1 ,x2 ) = x1 x2 f0 + x1 x2 f1 + x1 x2 f2 + x1 x2 f3 (1.2)
Правило построения каждого члена в этом предложении несложно; производится логическое умножение элементов каждого столбца табл.1.2, причём вместо 1 берётся символ соответствующего аргумента, а вместо 0 - его отрицание. Равносильность соотношений (1.1) и (1.2) простой подстановкой в выражение (1.2) всех возможных комбинаций значений аргумента xi .
Обобщив вышеизложенное можно сформулировать правило получения аналитической записи логической функции для некоторого комбинационного узла :
- для того чтобы получить аналитическое выражение функции, заданной таблично, нужно составить сумму конституент(см. ниже) единицы для тех наборов значений входных двоичных переменных, для которых реализации функции fi равны 1, причём символ любой переменной в некоторой конституенте берётся со знаком отрицания, если конкретное значение переменной xi в рассматриваемом наборе имеет значение 0 .
Поскольку логическая сумма всех элементарных произведений наивысшего ранга n обязательно равна 1, какой бы набор значений входных переменных ни рассматривался, то эти произведения вполне логично называть конституентами (составляющими) единицы . Аналогично объясняется и название конституенты (составляющей) нуля, так как известно, что логическое произведение всех элементарных сумм наивысшего ранга тождественно равно нулю .
Все функции, полученные в соответствии с вышеизложенным правилом получения аналитической записи логической функции для некоторого комбинационного узла, независимо от числа аргументов имеют много общего в своей структуре. Таким образом это правило определяет канонический вид любой логической функции. В этом случае говорят, что функция задана (записана) в совершенной дизъюнктивной нормальной форме (СДНФ). Нормальной эта форма называется потому, что члены функции в данном случае имеют вид элементарных конъюнкций. Вследствие того что все члены соединены в одну функцию знаком дизъюнкции, форма носит название дизъюнктивной. И, наконец, форма называется совершенной, так как все её члены имеют высший ранг, являясь конституентами единицы .
Поскольку алгебра логики симметрична, то вышеприведённые рассуждения можно применить для вывода ещё одной канонической формы логических функций - совокупности конституент нуля, соединённых знаком конъюнкции. Таким образом сформулируем второе правило :
- для того чтобы получить аналитическое выражение функции, заданной таблично, в совершенной конъюктивной нормальной форме, нужно составить логическое произведение конституент нуля для тех наборов значений, входных двоичных переменных, для которых реализация функции fi равна 0, причём символ любой переменной в некоторой конституенте берётся со знаком отрицания, если её конкретное значение xi в рассматриваемом наборе равно 1 .
В общем случае переход к совершенной нормальной форме производится за три шага .
1-й шаг - с помощью многократного применения законов инверсии снимаются общие и групповые отрицания так, чтобы отрицания оставались только у одиночных переменных .
2-й шаг - с помощью распределительных законов производится переход к одной из нормальных форм функции.
3-й шаг - производится преобразование членов ДНФ или КНФ в соответствующие конституенты с помощью правила развёртывания .
Пользуясь сформулированными правилами и таблицей 1.1 для полусумматора записываем :
p(x1 ,x2 ) = x1 x2
s(x1 ,x2 )= x1 x2 +x1 x2 СДНФ (1.3)
p(x1 ,x2 ) = (x1 + x2 ) (x1 +x2 ) (x1 +x2 )
s(x1 ,x2 ) = (x1 + x2 ) (x1 +x2 )СКНФ (1.4)
3-й этап синтеза - анализ и оптимизация (минимизация) логических функций являются весьма важными компонентами синтеза цифровых автоматов без памяти. Поэтому методы анализа и оптимизации будут рассмотрены отдельно .
4-й этап синтеза - к построению функциональной схемы синтезируемого узла в принципе можно переходить сразу же, как только становится известным аналитическое описание его работы. Построение схемы основано на прямом замещении элементарных произведений, сумм и отрицаний соответственно конъюнкторами, дизъюнкторами и инверторами. Пользуясь соотношениями (1.3), (1.4) можем построить для полусумматора две функциональные схемы .
а) СДНФ
б) СКНФ
Рис. 1.1 Функциональная схема полусумматора .
С функциональной точки зрения обе схемы полностью тождественны, хотя по структурной сложности они значительно различаются .
1.2. Общие сведения о минимизации логических функций
Однозначность соответствия формы логической функции и параметров реальной электронной схемы приводит к необходимости оптимизации функции, т.е. к необходимости получения наилучшего её вида по выбранному критерию. В общем случае речь должна идти об оптимизации функции по таким показателям, как быстродействие, надежность (достижение их максимума), количество потребного оборудования, вес, габариты, энергопотребление, стоимость (достижение их минимума) и т.п. Однако решение этой задачи в общем виде- достаточно трудное дело, тем более что некоторые из указанных показателей находятся в известном противоречии. Например, увеличение быстродействия, как правило, достигается за счет параллельной организации работы данного устройства, но это ведёт к увеличению оборудования, а значит, к уменьшению надежности и увеличению стоимости. Поэтому на практике обычно решается частная задача оптимизации по одному из критериев. Чаще всего это делается по минимуму потребного оборудования, так как при этом автоматически решаются задачи получения минимальных габаритов, веса, энергопотребления, стоимости. Такая частная задача оптимизации логической функции носит название минимизации.
Таким образом, возникает задача нахождения из всех возможных форм логической функции её так называемой минимальной формы, обеспечивающей минимум затрат оборудования при построении синтезируемого узла, если имеется заданный набор логических элементов (НЕ, И, ИЛИ) с определенными техническими характеристиками (например, максимально возможное число входов у элементов И, ИЛИ и др.). Нетрудно заметить, что в рамках нормальных форм минимальной будет такая разновидность функции, которая состоит из наименьшего количества членов при наименьшем, по возможности, общем числе символов переменных.
Из большего числа различных приемов и методов минимизации рассмотрим три наиболее показательных, типовых:
расчетный метод ( метод непосредственных преобразований);
2 расчётно-табличный метод (метод Квайна-Мак-Класки);
табличный метод (метод Вейча-Карно).
Исходной формой для любого из этих методов является одна из совершенных форм-СДНФ или СКНФ. Это обстоятельство практически не накладывает особых ограничений, поскольку переход от произвольной формы функции к её совершенным формам, как это было показано выше, не представляет принципиальных трудностей. В общем случае при любом из вышеупомянутых методов минимизация производится в три этапа.
1-й этап- переход от совершенной Д(К)НФ к сокращенной Д(К)НФ путем производства всех возможных склеиваний друг с другом конституент, а затем всех производны членов более низкого ранга. Таким образом, под сокращенной формой будем понимать дизъюнктивную (или конъюнктивную) форму функции, членами которой служат только изолированные (несклеивающиеся) элементарные конъюнкции (или дизъюнкции). Члены сокращенной Д(К)НФ в алгебре логики носят название простых импликант (имплицент). Не исключен случай, когда СД(К)НФ тождественно равна сокращенной форме рассматриваемой функции.
2-й этап- переход от сокращенной нормальной к тупиковой нормальной форме. Тупиковой будем называть такую нормальную дизъюнктивную (конъюнктивную) форму функции, членами которой являются простые импликанты (имплиценты), среди которых нет ни одной лишней. Термин “лишний” здесь имеет прямое значение. Лишним будем называть такой член функции, удаление которого не влияет на значение истинности этой функции. Возможны случаи, когда в сокращенной форме не оказывается лишних членов. Тогда сокращенная Д(К)НФ тождественно равна тупиковой форме. Не исключены случаи появления нескольких тупиковых форм из одной сокращенной. Название “тупиковая форма” показывает, что дальнейшая минимизация в рамках нормальных форм уже невозможна.
3-й этап - переход от тупиковой (минимальной среди нормальных форм) формы функции к её минимальной форме. Этот этап, называемый обычно факторизацией, уже не является регулярным, как два предыдущих, и требует определенной сноровки, интуиции и опыта. Здесь подразумевается поиск возможностей упрощения функции методом проб и испытаний. Для уменьшения числа операций отрицания следует применять законы инверсии, а для уменьшения числа конъюнкций и дизъюнкций - распределительные законы. На этом же этапе решается и вторая задача- приведение логических функций к виду, удобному для применения реальных логических элементов, которые на практике имеют определенные ограничения по количеству входов и по величине допустимой нагрузки. Различные методы минимизации отличаются друг от друга путями и средствами практической реализации того или иного этапа. При минимизации сложных функций чаще всего ограничиваются двумя первыми этапами, т.е. получением самой простой среди тупиковых ДНФ (КНФ). Рассмотрим каждый из вышеназванных методов.
1.3. Расчетный метод минимизации
Пусть задана некоторая функция в СДНФ, которую требуется минимизировать:
fсднф = x1 x2 x3 + x1 x2 x3 + x1 x2 x3 ( 1.5)
1-й этап - производим все возможные склеивания членов заданной функции. В общем случае эта процедура осуществляется за несколько шагов, в результате каждого из которых происходит понижение ранга склеиваемых членов на единицу. На первом шаге склеиваются конституенты:
fпр = x1 x3 + x2 x3 + x1 x2 (1.6)
Затем производится второй шаг испытания на склеивание всех членов функции в промежуточной форме. Рассматривая соотношение (1.6), убеждаемся, что все его члены изолированы. Следовательно, полученная промежуточная форма является сокращенной ДНФ исходной функции (сДНФ). Отметим, что все конституенты функции (1.5) участвовали хотя бы в одном склеивании, поэтому ни в сокращенной, ни тем более в тупиковой форме членов максимального ранга не будет:
fсднф = x1 x3 + x2 x3 + x1 x2 (1.7)
2-й этап - осуществляется проверка каждой простой импликанты в сДНФ с целью выявления и удаления лишних членов. Проверка состоит в следующим. На значение истинности функции влияет только та импликанта, которая сама равна 1. любая импликанта становится равной 1 лишь на одном, вполне определенном наборе значений истинности своих аргументов. Но если именно на этом наборе суммы остальных членов тоже обращается в 1, то рассматриваемая импликанта не влияет на значение истинности функции даже в этом единственном случае, т.е. является лишней. Применим это правило к проверке членов функции в сДНФ (1.7):
1) x1 x3 = 1 при x1 = 0, x3 = 1; сумма остальных членов на этом же наборе равна x2 1 + 1x2 = 1; следовательно, проверяемый член - лишний;
2) x2 x3 = 1 при x2 = 0, x3 = 1; сумма остальных членов на этом же наборе равна x1 1 + x1 0 = x1 ; следовательно, проверяемый член не является лишним;
3) x1 x2 = 1 при x1 = 0, x2 = 1; сумма остальных членов на этом же наборе равна 1x3 + 0x3 = x3 ; следовательно, проверяемый член не является лишним.
Таким образом, отбросив лишний член, получим тупиковую дизъюнктивную нормальную форму (ТДНФ) исходной функции:
fтднф = x1 x2 + x2 x3 (1.8)
Более подробно остановимся на случае, когда лишних членов оказывается больше, например два. Это не означает, что оба лишних члена можно отбросить, так как каждый из них проверялся при вхождении другого в оставшуюся сумму. Следовательно, отбросить наверняка можно только один из них, а затем нужно снова произвести проверку возможности отбросить и второй член.
Следует также остановится подробнее и на случае, когда исходной формой является СКНФ. Методика проведения первого этапа при этом практически не изменяется, но реализация второго этапа имеет свою специфику. На значение истинности функции в конъюнктивной нормальной форме влияет только та имплицента, которая сама равна 0. Но любая имплицента становится нулем только при одном наборе своих аргументов. Следовательно, правило проверки сокращенной КНФ на лишние члены нужно сформулировать таким образом: для каждого члена сокращенной КНФ находится такой набор значений истинности его переменных, который обращает данный член в 0. Далее определяется значение истинности произведения остальных членов на этом же наборе. Если произведение также равно 0, то проверяемый член - лишний.
3-й этап - упрощаем ТДНФ или ТКНФ функции. Применив закон инверсии к первому члену функции в ТКНФ, получим минимальную форму (МФ):
fмф = x1 x2 (x2 + x3 )
для аппаратурной реализации которой нужной всего семь условий транзисторов. Интересно, что преобразование в минимальную форму ТДНФ функции получается более сложным путем:
fтднф = x1 x2 + x2 x3 = (x1 + x2 )(x2 + x2 )(x1 + x3 )(x2 + x3 ) = (x1 + x2 )(x1 + +x3 )(x2 + x3 ) = fскнф
Переход от сКНФ к МФ нетрудно осуществить через ТКНФ, как это было сделано выше.
1.4. Расчётно-табличный метод минимизации
Минимизация этим способом отличается от расчётной минимизации только методикой выявления лишних членов в сокращённой Д(К)НФ. Данный метод предложен американским ученым У.Квайном. Первый и третий этапы минимизации в этом случае будут идентичны соответствующим этапам при расчетном методе. Нахождение тупиковой формы (второй этап) производится с помощью специальной таблицы (отсюда название метода), значительно упрощающей обнаружение лишних членов. рассмотрим методику расчетно-табличной минимизации на том же примере, который разбирался нами при расчетном способе, что дает возможность более четко показать как общие черты обоих методов, так и их различия.
Итак, пусть требуется минимизировать функцию (1.5), заданную в СДНФ:
fсднф = x1 x2 x3 + x1 x2 x3 + x1 x2 x3 + x1 x2 x3
1-й этап - не отличается по содержанию от 1-го этапа при расчетном методе. Поэтому сразу же запишем исходную функцию в сДНФ:
fcднф = x1 x3 + x2 x3 + x1 x2
2-й этап - для выявления возможных лишних членов в сД(К)НФ функции построим таблицу, входными величинами в которой будут конституенты - члены СД(К)НФ и импликанты (имплиценты) - члены сокращенной Д(К)НФ. Поэтому чаще всего такую таблицу называют конституентно-импликантной (имплицентной) матрицей; применяются также названия: таблица Квайна и таблица покрытий. Она имеет число строк, равное количеству импликант (имплицент) в сокращенной Д(К)НФ. Строки делятся на столбцы, число которых берется равным количеству конституент в СД(К)НФ. Поэтому в горизонтальные (строчные) входы таблицы записываются все простые импликанты(имплиценты), а в вертикальные входы - все члены совершенной нормальной формы (см. табл. 1.3).
Таблица 1.3
Таблица Квайна.
| Импли- | Конституенты | |||
| канты | x1 x2 x3 | x1 x2 x3 | x1 x2 x3 | x1 x2 x3 |
| x1 x3 | X | X | ||
| x2 x3 | X | X | ||
| x1 x2 | X | X | ||
Процесс минимизации начинается с последовательного составления каждой импликанты со всеми конституентами. Если какая-либо импликанта является собственной частью некоторой конституенты, то в табличной клетке, соответствующей обоим членам, проставляется любой условный значок (так, в табл.1.3 клетка перечеркивается крест-накрест). Таким образом, значки в каждой строке заполненной таблицы показывают, какие члены совершенной формы функции появятся при развертывании данной импликанты в семейство конституент. В идеальном случае каждая импликанта развертывалась бы только в “свои” конституенты, и в каждом столбце тогда находился бы только один условный значок. Практически этого не происходит, и очень часто одна и та же конституента покрывается в таблице несколькими импликантами. Задача состоит в том, чтобы вычеркиванием некоторых (лишних!) импликантов попытаться оставить в каждой колонке только значок или по крайней мере минимальное число импликант, покрывающих все конституенты. Практически обычно по таблице вначале находится так называемое ядро функции, состоящее из трех импликант (имплицент), каждая из которых осуществляет единственное покрытие некоторой конституенты и поэтому никоим образом не может оказаться в числе лишних.
Возвращаясь к рассматриваемому примеру (см.табл.1.3), констатирует. что в ядро функции входят импликанты x1 x2 и x2 x3 . Следовательно, остается только проверить возможность вычеркивания импликанты x1 x3. Ее вычеркивание не нарушает условия о наличии хотя бы одного покрытия каждой конституенты любой импликантой. Следовательно, импликанта x1 x3 является лишней. Тупиковая дизъюнктивная нормальная форма исходной функции
fтднф = x1 x2 + x2 x3 (1.8*)
Сравнение показывает идентичность соотношений (1.8) и (1.8*), что и должно было получиться.
3-й этап - по своему содержанию не отличается от соответствующего этапа при расчетном методе, поэтому сразу запишем минимальную форму исходной функции:
fмф = x1 x2 (x2 +x3 )
1.5. Табличный метод минимизации
При относительно небольшом числе переменных (R<=6) весьма удобным и наглядным является графическое представление логических функций в виде так называемых карт минтермов. Наиболее распространенной их формой являются карты Карно. На рис.1.2 показаны карты Карно для функций R=2, 3, 4 и 5.
Рис.1.2 Карты Карно и расположение в них минтермов для функций двух (а), трёх (б), четырёх (в) и пяти (г) переменных.
Карта Карно содержит q=2R клеток, причем каждой клетке соответствует один из q минтермов. Для иллюстрации этого на рис. 1.2 (a-в) в клетках карт Карно записаны соответствующие им минтермы. Если требуется представить на карте Карно логическую функцию, заданную в виде СДНФ, то в клетках карты, соответствующих минтермам, входящим в СДНФ, ставятся 1. Остальные клетки остаются незаполненными или заполняются 0. Примеры графического представления функций, заданных в виде СДНФ, показаны на рис.1.3(a-в).
Рис.1.3 Примеры графического представления логических функций с помощью карт Карно: а) F=AB+AB; б) F=ABC+ABC+ABC+ABC; в) F=ABCD+ABCD+ABCD+ABCD.
Каждой клетке карты поставлен также в соответствии один из наборов логических переменных, который определяется номером столбца и строки, на пересечении которых расположена клетка. Например на рис.1.3(в) на пересечении столбца с номером АВ=01 и строки с номером CD=10 расположена клетка, соответствующая набору переменных ABCD = 0110 (минтерм ABCD). Благодаря этому удобно представлять на карте Карно функции, заданные таблицами истинности. Если при i-м наборе переменных значение функции в таблице истинности F=fi=1, то в соответствующей клетке карты Карно ставится 1 (т.е. соответствующий минтерм mi входит в СДНФ функции). Если же F=fi =0, то клетка оставляется пустой либо ставится 0 (т.е. соответствующий минтерм не входит в СДНФ функции). Таким образом, между представлением функции в табличной (таблица истинности), алгебраической (в виде сДНФ) и графической (на карте Карно) формах имеется однозначное соответствие.
Логическая функция F на карте Карно представляется совокупностью клеток, заполненных 1, инверсия функции F представляется совокупностью пустых клеток (или заполненных 0). На рис.1.3(a) дано представление в виде карты Карно функции Исключающее ИЛИ F6 в соответствии с её таблицей истинности. Её инверсия F6 =F9 =AB+AB представляется на этой карте совокупностью пустых клеток.
Для логических функций с числом переменных R>6 карты Карно становятся громоздкими (число клеток q>64) и не удобными для практического применения. Поэтому использование карты Карно можно рекомендовать при числе переменных * R<=6.
Рассмотренные выше логические функции были определены, т.е. имели определённое значение fi =0 или fi =1, при всех возможных наборах логических переменных. Такие логические функции называются полностью определёнными.
Кроме них имеется большой класс функций, значение которых определено только для части логических наборов переменных. Такие функции называются частично определенными. Наборы переменных, для которых функция определена, называются рабочими, а для которых не определена - безразличными. Значения функции, соответствующие безразличным наборам, будем обозначать в таблицах истинности и на картах Карно знаком “Х”. На практике безразличными являются такие наборы значений логических переменных, которые при работе данного конкретного цифрового устройства никогда не реализуются. Частично определённую функцию можно сделать полностью определенной (доопределить), приписав безразличным наборам какие-либо значения функции: fi =0 или 1. Обычно доопределение функции проводится таким образом, чтобы упростить её алгебраическое выражение и практическую реализацию.
Логическую функцию большого числа переменных можно представить в виде композиции функций меньшего числа переменных
F(A,B,C,..., N) = AF0 (O,B,C,..., N) + AF1 (1,B,C,..., N)
где А - выделяемая переменная, функции F0 (0,B,C,..., N) и F1 (1,B,C,..., N) получаются из функции F подстановкой значений А=0 и А=1. В качестве выделяемой может использоваться любая переменная. Например:
F = AB+ACD+DE = A(B+DE)+A(CD+DE) = AF1 +AF0 , F= AB+ACD+DE = D(AB+AC) + D(AB+E) = DF'1 + DF'0
Процесс выделения более простых составляющих функции называется декомпозицией. Полученные функции F0 , F1 могут подвергаться дальнейшей декомпозиции. Таким образом, сложную логическую функцию можно выполнить, последовательно реализуя композицию более простых функций, полученных путем декомпозиции.
2. Возможности программы моделирования Electronics Workbench
2.1 Общие сведения об Electronics Workbench
Electronics Workbench канадской фирмы Interactive Image Technologies разработана достаточно давно и в Росси известны версии 3.0, 4.0, 4.1, 5.0, 5.12 Professional Edition. Программа непрерывно развивается, совершенствуется. Растет библиотека компонент, измерительных приборов, моделирующих функций. Версии 3.0, 4.0 были 16 разрядные, а начиная с Electronics Workbench 4.1 - 32-разрядные. И хотя в последней версии занимаемый объем на диске вырос с 1.4 Мбайт в версии 3.0 до 16 Мбайт в версии 5.12, однако эта программа остается одной из компактных программ ( обычные требования подобных программ 80 -150 Мбайт). Во всех версиях остается неизменным (почти) дружественный интуитивный интерфейс, простой мощный графический редактор электрических схем, прекрасная интеграция с Windows системой. Так как функции логического конвертора поддерживаются во всех версиях Electronics Workbench, поэтому в основу лабораторного практикума положена версия Electronics Workbench 4.1, не предъявляющая практически никаких требований к компьютеру и прекрасно работающая даже на компьютерах начиная с 386.

Рис.2.1 Экран Electronics Workbench.
Экран программы Electronics Workbench, показанный на (рис.2.1), напоминает рабочий стол регулировщика аппаратуры, что вполне соответствует названию (Electronics Workbench - дословно - рабочий стол электронщика). В отличие от других программ схемотехнического моделирования, на нем изображаются измерительные приборы с органами управления, максимально приближенными к реальности. Пользователю не надо изучать довольно абстрактные (хотя и не очень сложные) правила составления заданий на моделирование.
Достаточно в схему ввести двухканальный осциллограф и генератор сигналов – и программа сама сообразит, что нужно анализировать переходные процессы. Если же на схеме разместить анализатор частотных характеристик, то будет рассчитан режим по постоянному току, выполнена линеаризация нелинейных компонентов и затем проведен расчет характеристик схемы в частотной области. Диапазон анализируемых частот, коэффициент усиления и характер оцифровки данных (в линейном или логарифмическом масштабе) устанавливают на лицевой панели с помощью мыши.
Чтобы начать моделирование, достаточно щелкнуть на переключателе, расположенном в верхнем правом углу экрана. После этого на устройствах индикации цифровых вольтметров и амперметров будет зафиксирован режим по постоянному току, на экране измерителя нарисованы частотные характеристики (амплитудно- или фазочастотные), а на экране осциллографа будут непрерывно изображаться эпюры напряжений до тех пор, пока не заполнится буферная память, а затем можно прекратить моделирование или обнулить память и продолжить наблюдения.
Ниже приведены характерные особенности программы Electronics Workbench.
1) Схема изображается в графическом виде привычным образом. Из горизонтально расположенного меню выбирают библиотеку компонентов, состав которой изображается слева от рабочего экрана. Движением мыши символы компонентов переносят на схемы и выполняют электрические соединения. Достаточно указать начальный и конечный вывод цепи, как цепь будет проложена автоматически (правда, не всегда удачно, так что ее приходится немножко корректировать).
2) Полностью поддерживается текстовый формат программы моделирования SPICE, причем при загрузке текстового файла в формате SPICE на экране будет нарисована принципиальная схема с подключенными измерительными приборами (топология сложных схем синтезируется не вполне удачно, но моделируются такие схемы без ошибок).
3) Предусмотрен вывод списка соединений в формате программы OrCAD PCB (в файлах с расширением имени .NET) для разработки печатных плат.
4) Поддерживается стандартный набор компонентов: резисторы, конденсаторы, индуктивности, управляемые линейные и нелинейные источники, линии задержки без потерь и с потерями, диоды, тиристоры, различные транзисторы, операционные усилители, цифровые интегральные схемы и др., а также светодиоды, цифровые индикаторы, резистивные матрицы, плавкие предохранители, лампочки накаливания и ключи. Имеется механизм создания макромоделей.
5) Предусмотрена возможность изменения параметров компонентов нажатием клавиш. Есть кнопочные переключатели, управляемые с клавиатуры. При этом параметры можно изменять, не прерывая моделирования! Как в реальном эксперименте.
6) Имеются следующие измерительные приборы: мультиметры (измерения постоянного и переменного напряжения и тока, сопротивления, результаты выводятся в относительных единицах и децибелах); двухлучевые осциллографы (регулируются усиления каналов, частота развертки, смещение лучей по координатам X, Y, имеются открытый и закрытый входы, предусмотрен ввод сигналов синхронизации); измерители частотных характеристик (Bode Plotter); генератор цифровых сигналов (Word Generator); цифровой логический анализатор и логический преобразователь. На схеме можно разместить только по одному из приборов каждого типа. При развертывании изображения лицевой панели прибора на весь экран с помощью двух электронных курсоров проводят точные измерения характеристик.
7) Различные цепи можно окрашивать в разные цвета для улучшения восприятия схемы. При этом временные диаграммы на экране двухлучевого осциллографа и многоканального логического анализатора окрашиваются в те же цвета.
8) Возможен ввод дискретных отсчетов сигналов из файлов.
9) На периферийные устройства можно вывести принципиальную схему, ее текстовое описание, перечень компонентов.
Для измерительных инструментов рисуется лицевая панель с изображением характеристик и положением органов управления, а для осциллографа изображаются также эпюры напряжений неограниченной длины.
Существуют версии Electronics Workbench для DOS, Windows и Macintosh. При установке в среде Windows можно выбрать 16- и 32-разрядную версию. Имеется демонстрационная версия, работающая в режиме просмотра слайдов и в рабочем режиме, но с ограничением сеанса моделирования 30 минутами (за 5 минут до окончания этого срока программа выводит предупреждающее сообщение, затем ее можно запустить вновь). Демонстрационная версия содержит 10 схем, с которыми можно экспериментировать: редактировать и создавать новые, нельзя лишь сохранять их и распечатывать. Кроме того, демонстрационная версия имеет неполную библиотеку компонентов.
2.2 Интерфейс Electronics Workbench
Как видно из рис.1.4 интерфейс Electronics Workbench по своему построению очень похож на стандартный интерфейс Windows, Описать процесс вызова схемы из библиотеки.
Вывести схему на рабочее поле Electronics Workbench можно 2-мя способами:
- 1-й способ - вызов готовой схемы из библотеки. Делается это посредством команды Open из меню File. В результате выполнения этой команды появляется стандартная панель Widows см. рис.2.2.

Рис.2.2 Панель для вызова схем из библиотеки
Библиотека схем Samples находится в каталоге Wbnch. Она содержит файлы со схемами как в своём корневом каталоге, так и в двух подкаталогах Complex и Tutorial. Расширение файлов содержащих схемы - ca.4. Процедура вызова стандартная для Windows - “мышью” выбрать файл и кликнуть на OK.
- 2-й способ создание схемы вручную посредством встроенного графического редактора. Этот способ начинается с выбора команды New из меню File. После этой команды рабочее поле очищается и можно приступать к созданию схемы.
Вынос элементов схемы и измерительных приборов:
- навести стрелку на прибор или элемент;
- нажать левую кнопку “мыши” и удерживая её переместить объект на рабочее поле(выделение снимается нажатием правой кнопки “мыши”.
Соединения между элементами на рабочем поле выполняются следующим образом:
- установить стрелку на окончание нужного вам вывода элемента:
- нажать левую кнопку “мыши”(на окончании выбранного вывода должна появится крупная чёрная точка) и удерживая её двигать стрелку по направлению к предназначенному для соединения другому выводу(при этом за стрелкой будет тянуться линия);
- навести стрелку на нужный вывод, при этом на нём появится чёрная точка(это означает что соединение установлено) и отпустить кнопку “мыши” на рабочем поле должно появится соединение.
Само соединение можно подкорректировать - навести стрелку на линию соединения нажать левую кнопку “мыши” и удерживая её перемещать линию в нужном направлении.
Точная корректировка элементов, приборов и узлов на рабочем поле:
- навести стрелку на объект;
- нажатием правой кнопки “мыши” выделить его;
- корректировать положение клавишами управления курсором.
Верхняя строка экрана Electronics Workbench(см.рис.2.1):
Меню File:
| New | - создать новый файл, файл для создания, описания и моделирования новой схемы; |
| Open | - открыть уже созданный файл (созданный в Electronics Workbench); |
| Save | - сохранить текущий (открытый) файл с текущим именем в текущую директорию; |
| Save as | - сохранить текущий файл предварительно введя имя и путь для сохранения; |
| Revert to saved | - вернуться к сохранённому файлу; |
| - распечатать текущую схему, причём после выбора этого пункта меню предоставляется возможность выбора, что именно нужно распечатать: схемные параметры- схемотехника, описание схемы, листинг составляющих схемы, листинг моделей и т.д., инструментарий- мультиметр, функциональный генератор, осциллограф и т.д.; | |
| Print Setup | - доступ к установке принтеров (через Windows Setup для принтеров); |
| Exit | - выход из Electronics Workbench; |
| Import from SPICE | - импортировать из SPICE какую-либо схему, причём импортируемая схема сразу же конвертируется из формата SPICE (описания) в графический вид и выводится на экран; |
| Export to SPICE | - отправить в SPICE текущую схему, причём она сразу же конвертируется в формат SPICE; |
| Export to PCB | - отправить в PCB текущую схему; |
Меню Edit:
| Cut | - вырезать выделенные компоненты, затем их можно вставить в любую схему в пределах среды Electronics Workbench (см. команда Paste) выделение производится следующим образом - сначала стрелка(указатель положения курсора) устанавливается в выбранное место на схеме, затем следует нажать левую клавишу “мыши” и удерживая её растянуть появившуюся рамку на компоненты схемы которые нужно выделить, после отпустить клавишу, выделенные компоненты будут окрашены в красный цвет; ещё один способ выделения отдельных компонентов схемы состоит в следующем: навести стрелку на тот компонент, который хотите выделить и нажать на правую кнопку “мыши” - таким образом можно выделять или убирать выделение с отдельных компонентов не нарушая выделение других; |
| Copy | - копировать выделенные компоненты схемы; |
| Paste | - вставить, эта команда становится доступной только после выполнения команд Cut или Copy; после выбора этой команды копируемый или вырезанный компонент или фрагмент схемы всегда появляются в центре видимой части рабочего поля; |
| Delete | - удалить выделенный элемент или фрагмент схемы; |
| Select All | - выбрать всё, эта команда позволяет выбрать сразу всю схему; |
| Copybits | - копирование в буфер обмена Windows; используется для переноса эл. схем, результатов исследований, осциллограмм и т.д. в другие приложения Windows (например в Word); после выбора этой команды на рабочем поле Electronics Workbench вместо стрелки появится крестик, его нужно установить в выбранное место рабочего поля затем нажать левую кнопку “мыши” и растянуть рамку на ту часть рабочего поля, которая предназначена для копирования после отпускания кнопки “мыши” выбранное изображение рабочего поля будет записано в буфер обмена; вставка в другом приложении производится командой Вставить(Paste) |
| Show Clipboard | - просмотр содержимого буфера обмена; |
Меню Circuit:
| Activate | - активация находящейся на рабочем поле схемы(начать процесс моделирования); эта команда аналогична нажатию посредством “мыши” виртуального выключателя в правом верхнем углу рабочего поля Electronics Workbench; |
| Stop | - полная остановка процесса моделирования; аналогична выключению виртуального выключателя “мышью”; |
| Pause | - временная остановка процесса моделирования с сохранением всех промежуточных результатов, т.е. после повторного нажатия Pause процесс моделирования продолжается точно с точки прерывания; |
| Label | - установить (изменить) обозначение выбранного элемента; команда становится доступной лишь после того, как на схеме выбран элемент; |
| Value | - установить (изменить) номинал выбранного элемента схемы; |
| Model | - присвоить выбранному элементу схемы параметры реально существующего элемента или идеального; после выбора этой команды появляется меню, где можно выбрать из базы данных Electronics Workbench тип элемента с последующей возможностью редактирования его параметров; |
| Zoom | - устанавливает количество входов элемента или в некоторых случаях действует аналогично команде Model; |
| Rotate | - поворачивает выбранный элемент на 90 градусов по часовой стрелке; |
| Fault | - устанавливает неисправность выбранного элемента можно задать: утечку, короткое замыкание и обрыв; |
| Subcircuit | - объединяет выделенные элементы схемы в подсхему и помещает её(полученную подсхему) под выбранным именем в окно Custom; |
| Wire color | - задаёт цвет выделенного провода; выделение провода: навести стрелку на нужный провод и один раз нажать левую кнопку “мыши”; |
| Preferences | - устанавливает параметры изображения схемы: сетка рабочего поля, условное обозначение элементов, названия моделей элементов, номинал элементов; |
| Analysis options | - устанавливает опции анализа схемы: переходные процессы или установившийся режим, симуляция активных компонентов, режим изображения экрана осциллографа, погрешность моделирования, частота временных точек, где происходит моделирование на цикл моделирования, частота точек боде анализа(ФАПЧХ) на цикл моделирования, размер временного файла для моделирования; |
Меню Window:
| Arrange | - устанавливает стандартный вид экрана Electronics Workbench; |
| Circuit | - устанавливает режим изображения схемы; |
| Description | - открывает окно для примечаний к текущей схеме; |
| Custom (Subcircuit) | - окно библиотеки клиентских схем(подсхем), если в процессе работы они не были туда внесены, то оно пусто; |
| Passive | - окно библиотеки пассивных элементов; |
| Active | - окно библиотеки активных элементов; |
| Field Effect Transistors | - окно библиотеки полевых транзисторов; |
| Control | - окно библиотеки управляемых элементов схемы(ключи, реле, управляемые источники тока, напряжения и т.д.) |
| Hybrid | - окно библиотеки гибридных(аналого-цифровых) компонентов; |
| Indicators | - окно библиотеки индикаторных приборов; |
| Gates | - окно библиотеки цифровых компонентов схем; |
| Combinational | - окно библиотеки арифметических компонентов и преобразователей кодов; |
| Sequential | - окно библиотеки триггеров, счётчиков и сдвиговых регистров; |
| Integrated Circuit | - окно библиотеки реальных серий ИС. |
К сожалению в Electronics Workbench изображение элементов схем выполнено в соответствии с требованиями американского стандарта milspec (здесь ANSI) и европейского стандарта МЭК 117-15 (DIN). Стандарт изображения элементов схем выбирается при инсталляции Electronics Workbench. Европейский стандарт по своему изображению элементов находится гораздо ближе к российскому, поэтому при инсталляции пакета рекомендуется выбирать именно его. Ниже приведена таблица с изображениями цифровых (поскольку именно они используются в этой разработке) элементов по европейскому стандарту МЭК 117-15.
Таблица 2.1
Изображение цифровых элементов
по стандарту МЭК 117-15
| Изображение | Функция булевой алгебры |
| И | |
| ИЛИ |
Таблица 2.1
Изображение цифровых элементов
по стандарту МЭК 117-15. Продолжение.
| НЕ | |
| И-НЕ | |
| ИЛИ-НЕ | |
| ИСКЛЮЧАЮЩЕЕ ИЛИ | |
| Буфер | |
| Буфер с тремя состояниями | |
| ИСКЛЮЧАЮЩЕЕ ИЛИ-НЕ |
Панель универсальных измерительных приборов:
- мультиметр;
- функциональный генератор;
- осциллограф;
- боде плоттер(измеритель ФАПЧХ);
- генератор слов;
- логический анализатор;
- логический конвертор.
Следующая строка панелей является лишь повторением нижних 11-ти строк меню Window, выведенных отдельно ввиду их частого использования.
2.3 Свойства и параметры измерительной аппаратуры, используемой в работе
Генератор слов.

Рис.2.3 Внешний вид панели управления генератора слов.
Генератор слов используется для посылки последовательностей битов в схемы. Его левая часть содержит(см. рис.2.3) 16 рядов(слов) по 8 бит каждый. Когда генератор активирован слова одно за другим посылаются в схему. Кроме этого устройство имеет выход внутреннего генератора временных импульсов используемого для синхронизации.
Управление генератором слов:
1) Ввод слов.
Для ввода последовательности битов в генератор слов, следует навести стрелку на нужный бит и нажать левую кнопку “мыши”, выбранный бит окажется в режиме выделения - можно вводить 1 или 0. Выбрав однажды точку для введения 0 или 1 вы сможете перемещаться по полю слов при помощи клавиш управления курсором.
2) Активация.
В верхней правой части панели управления генератора слов во второй строке находятся три кнопки(панельки) управления.
- Step - после активации(навести стрелку и нажать левую кнопку “мыши”) в схему будет заслано выделенное в данный момент слово;
- Burst - активация этой панельки вызовет пересылку всех 16 слов друг за другом, причём старт будет произведён с выделенного слова;
- Cycle - посылка непрерывной последовательности слов(останов CTRL+T или “нажать” стрелкой виртуальный выключатель в верхнем правом углу над рабочим полем Electronics Workbench.
Значения битов каждого текущего слова индицируются в окошках внизу панели управления генератора слов.
3) Сохранение, загрузка и очистка последовательностей слов.
Для очистки сохранения и загрузки последовательностей слов используются кнопки вверху справа в первом ряду панели управления генератора слов Save, Load и Clear соответственно. После выбора Save или Load на экране появляется стандартное диалоговое окно Windows используемое для сохранения или загрузки. Файлы последовательностей слов имеют расширение DP.
4) Временные импульсы.
Внутренний генератор временных импульсов имеет выход обозначенный на панели управления Clk. Каждый временной цикл содержит два уровня сначала идёт 1 затем 0.
5) Синхронизация (обозн. на панели Trigger).
Генератор слов может быть синхронизирован как изнутри своими временными импульсами так и снаружи, сигналами поступающими на вход внешней синхронизации(вывод справа на панели управления). Если используется внешняя синхронизация, генератор слов пересылает каждое слово с приходом снаружи высокого или низкого, в зависимости от выбранного режима, сигнала:
- срабатывает по высокому уровню;
- срабатывает по низкому уровню.
6) Частота.
Частоту внутреннего временного генератора можно изменять в окошках под надписью Frequency. Менять можно как порядок Mhz, Khz, Hz, так и цифры.
Цифровой(логический) анализатор.

Рис.2.4 Внешний вид панели управления цифрового(логического) анализатора.
Восьмиканальный логический анализатор отображает приходящие сигналы как прямоугольные импульсы развёртываемые по оси времени. Он так же позволяет увидеть их двоичное и шестнадцатиричное представление.
В левой части панели управления логического анализатора (см.рис.2.4) расположен дисплей предназначенный для отображения состояния сигналов пришедших по 8-ми каналам(входам).
Пронумерованные входы расположенные непосредственно под дисплеем пересылают в горизонтальные ряды дисплея последовательности битов и показывают их текущее двоичное представление.
Hex: - окошко справа от входов показывает шестнадцатиричное представление каждого текущего бита.
Clear - кнопка предназначена для обнуления(очистки) дисплея логического анализатора.
Time base - контролирует временную развёртку последовательностей битов, устанавливает время в секундах.
Синхронизация:
- отображение битов на дисплее стартует с фронта импульса;
- отображение битов на дисплее стартует со спада импульса;
Burst - кнопка обеспечивает синхронизацию входящих сигналов по внутреннему генератору логического анализатора;
External - кнопка обеспечивает синхронизацию входящих сигналов по внешним синхроимпульсам, подаваемым на вход на правой стороне панели управления логического анализатора;
Pattern - после нажатия этой кнопки запуск логического анализатора происходит с приходом слова вводимого в окошке непосредственно под кнопкой Pattern, ввод слова побитно осуществляется побитно так же как ввод слов вручную в генератор слов (см. Генератор слов:1) Ввод слов.).Кроме 1 и 0 можно вводить Х т.е. не 0 и не 1(этот бит не имеет значения, можно 0 можно 1 это всё равно).
Логический(цифровой) конвертор.

Рис.2.5 Внешний вид панели управления логического(цифрового конвертора).
Логический конвертор является мощным компьютерным прибором способным проводить несколько трансформаций схемных представлений.
Вы можете использовать его для преобразования:
- схемы в таблицу истинности ;
- таблицу истинности в выражение булевой логики;
- выражение булевой логики в схему или таблицу истинности с промежуточной минимизацией.
Управление логическим конвертором.
В правой части панели управления логического конвертора (см.рис.2.5) расположены конверсионные кнопки, которые можно использовать для выполнения следующих операций:
1) Конвертирование схемы в таблицу истинности.
Логический конвертор может создавать таблицу истинности для схемы с не более чем 8-ю входами и одним выходом. Для этого следует выполнить следующие действия:
- подсоединить схемные входы к выводам в верхней части панели управления логического конвертора (следует использовать левые 8 выводов). Затем подсоединить схемный выход к правому выводу в верхней части панели управления;
- Чтобы получить таблицу истинности на дисплее панели управления, расположенном слева от кнопок, следует “нажать” стрелкой(навести стрелку и нажать левую кнопку “мыши”) виртуальную кнопку:
![]()
Далее можно редактировать или конвертировать таблицу истинности в другие формы используя остальные кнопки логического конвертора.
(см. также 2) Ввод таблицы истинности.)
2) Ввод таблицы истинности.
Для создания таблицы истинности следует стрелкой и нажатием левой кнопки “мыши” выбрать желаемые вводы(каналы) логического конвертора от A до H, расположенные над дисплеем. Затем в столбце OUT присвоить желаемым разрядам 1, 0 или X тем же способом, что и побитный ввод слов в генераторе слов.
3) Конвертирование таблицы истинности в выражение булевой логики.
Чтобы конвертировать таблицу истинности, имеющуюся на дисплее логического конвертора, в выражение булевой логики следует “нажать” стрелкой на кнопку:
![]()
Булево выражение появится внизу в окошке под дисплеем и кнопками. Его можно затем упростить(см. 4)Упрощение булева выражения) или конвертировать в схему (см. 6)Конвертация булева выражения в схему).
4) Упрощение(минимизация) булева выражения. Конвертирование таблицы истинности в минимизированное булево выражение.
Чтобы минимизировать имеющееся в окошке под дисплеем и кнопками булево выражение или перевести, расположенную на дисплее панели управления, таблицу истинности в минимизированное булево выражение следует “нажать” стрелкой кнопку:
![]()
Electronics Workbench использует метод Квайна-Мак Класки для минимизации булевых выражений. Этот способ обеспечивает упрощение для систем с большим числом входов, чем может быть расчитано вручную с помощью карт Карно.
Примечание: Упрощение требует много памяти(ОЗУ). Если ваш компьютер не имеет достаточно памяти, эта операция не будет вам доступна.
5) Конвертация булева выражения в таблицу истинности.
Булево выражение можно напрямую ввести в окошко предназначенное для него. Т.е. с помощью “мыши” установить туда курсор и набрать выражение с клавиатуры(доступны будут лишь те клавиши, которые имеют смысл в этом выражении), либо получить с помощью предыдущих операций.
Для конвертации булева выражения в таблицу истинности следует “нажать” стрелкой на кнопку:
![]()
Если вы хотите минимизировать булево выражение его следует сначала перевести в таблицу истинности.
6) Конвертация булева выражения в схему.
Чтобы выполнить эту операцию(при имеющемся в окошке панели управления булевом выражении) следует “нажать” стрелкой на кнопку:
![]()
Схема реализованная на логических ключах появится на рабочем столе Electronics Workbench. Компоненты будут в режиме выделения, поэтому их при необходимости можно будет легко перенести в другое место копированием(Copy), вставкой(Paste) или вставкой в подсхему(Subcircuit), (см. соответствующие команды Copy, Paste и Subcircuit).
Для построения схемы в этом случае будет использован базис: И, ИЛИ, НЕ. Если же требуется построить схему в базисе только И-НЕ см.ниже.
7) Конвертация булева выражения в схему в базисе И-НЕ.
Для выполнения этой операции (при имеющемся в окошке булевом выражении) следует “нажать” стрелкой кнопку:
![]()
3. Математические модели и эквивалентные схемы в программе логического проектирования
Любой реальный логический элемент(ЛЭ) не мгновенно реагирует на изменения входных сигналов, поэтому имеется некоторая паразитная задержка между моментом времени, в который на его входы поступают новые значения сигналов, и моментом времени, когда выходной сигнал принимает значение, определяемое функцией, которую выполняет ЛЭ. Эта функция представляет собой статическую модель ЛЭ, так как она не учитывает поведение ЛЭ при изменении входных сигналов. Аналогично этому функция f(v) или система функций fq (v) :
zq =fq (xn ,....,x1 ),
где zq - выходные сигналы комбинационной схемы,
xp - входные сигналы, p = 1, 2, .....,n , q= 1, 2, ....,k ;
описывающая работу комбинационной схемы(КС) без обратных связей, является её статической моделью.
Для исследования переходных процессов, вызываемых в логических схемах(ЛС) изменениями входных сигналов, необходимо ввести динамические модели ЛЭ, учитывающие паразитные задержки. Тогда динамическая модель ЛС будет определятся динамической моделью ЛЭ и статической моделью ЛС. Так, динамическая модель КС без обратных связей будет определятся формой представления функций fq (v) , задающей структурную схему (число ЛЭ и все связи между ними), и динамической моделью ЛЭ.
Самая общая динамическая модель ЛЭ И-НЕ, имеющего два входа, представлена на рис.3.1(а).
а)
б)
в)
Рис.3.1 Модели логического элемента ИЛИ-НЕ
Эта модель состоит из безынерционного ЛЭ И-НЕ (статическая часть модели) и паразитных элементов задержки (i= 1, 2, 3). Величины задержек и зависят от длины проводников, соединяющих выводы ЛЭ с источниками сигналов, от длительности фронтов входных сигналов x1 и x2, от порогов срабатывания ЛЭ по входам x1 и x2 , а величина определяется инерционностью той части ЛЭ И-НЕ, через которую проходит сигнал описываемый функцией x1 x2 .В общем случае точные значения величин i неизвестны, так как они зависят от многих факторов и стечением времени могут изменяться. Кроме того, значения величин i могут быть различными при переходах сигналов x1 , x2 и с 0 на 1 и с1 на 0. Рассмотренная модель является наиболее сложной и пригодна для описания любого ЛЭ (И, ИЛИ, ИЛИ-НЕ), если использовать в ней соответствующую статическую модель.
Будем говорить, что входные сигналы ЛЭ не изменяются одновременно, если на интервале изменяется только один сигнал x1 или x2 , и что входные сигналы ЛЭ изменяются одновременно, если на интервале изменяются оба сигнала x1 и x2 , так как истинное соотношение величин задержек и неизвестно. Если сигналы x1 и x2 никогда одновременно не изменяются (хотя бы в противоположных направлениях), то модель ЛЭ И-НЕ может быть приведена к виду, показанному на рис.3.1(б), где - элемент задержки с переменной величиной задержки или в зависимости от того, каким сигналом xp вызывается изменение выходного сигнала . Поэтому данную модель назовём динамической моделью с переменной задержкой. Из рис 3.1(б) следует, что:
Обозначив сигналы xp (t)= xp и , получим :
где - значение выходного сигнала ЛЭ в данный момент времени,
- следующее его значение, которое появится через времям
после изменения входных сигналов xp .
Модель с переменной задержкой можно представить в несколько ином виде (рис.3.1(в)), положив, что элемент задержки в момент изменения сигнала xp подключается к тому входу, на который этот сигнал подаётся, а на другом входе элемент задержки в этом случае отсутствует. Данную модель будем называть динамической моделью с виртуальной задержкой.
Логический элемент находится в устойчивом состоянии, если сигналы до элемента задержки и после него совпадают, т.е. если . Если же , то ЛЭ находится в неустойчивом состоянии, так как в этом случае его выходной сигнал должен изменится через время не большее .
а)
б)
Рис.3.2 Комбинационная схема составленная из логических элементов И и ИЛИ на основании их динамических моделей
На рис.3.2(а) показана КС, составленная из ЛЭ И и ИЛИ на основании их динамических моделей. Для ЛЭ И использована модель с переменной задержкой, а для ЛЭ ИЛИ - общая модель. Как видно из рис.3.2(а), КС выполняет функцию f(v)=x3 x1 +x3 x2 , которая является её статической моделью.
Пусть x1 = x2 =1 и изменяется только один сигнал x3 . Тогда функция f(v)=x3 +x3 =1, т.е. из статической модели КС следует, что её выходной сигнал не должен изменятся при изменениях входного сигнала x3 . Наличие же паразитных задержек и разной величины приводит к появлению на выходе КС ложных значений выходного сигнала малой длительности (рис.3.2(б)). Так как истинное соотношение величин задержек и неизвестно, то нельзя предугадать, в каком месте появится ложное значение выходного сигнала (при изменении входного сигнала x3 с 0 на 1 или с 1 на 0). Динамические модели ЛЭ и предназначены для формализации исследования поведения ЛС при переходных процессах, вызываемых в них изменениями входных сигналов.
При изменении выходных сигналов двух или большего числа ЛЭ, вызванных одними и теми же изменениями входных сигналов КС, из-за неравенства задержек возникают состязания(гонки) ЛЭ. Состязания ЛЭ называются критическими, или недопустимыми, если хотя бы один выходной сигнал КС во время переходного процесса может изменится более одного раза. Состязания ЛЭ называются некритическими, или допустимыми, если все выходные сигналы КС во время переходного процесса изменяются только один раз.
4. Разработка логических схем практикума
Представленные ниже электрические схемы являются примерами схем синтезируемых в ходе выполнения лабораторной работы.
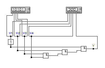
4.1 Схема цифрового автомата

Рис.4.1 Логическая схема к 1-му варианту
Схема изображённая на рис.4.1 представляет из себя цифровой автомат (с 4-мя входами A, B, C и D и выходом Y) реализующий логическое уравнение:
Y=ABC+BCD+BCD+ABCD
Настоящая схема реализована в базисе И-НЕ при помощи логического конвертора.
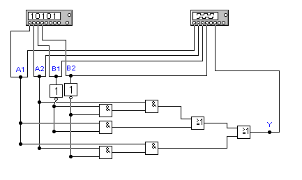
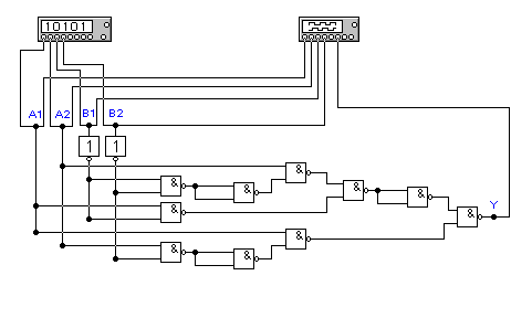
4.2 Цифровой компаратор 2-х разрядного кода

а)

б)
Рис.4.2 Схема цифрового компаратора ко 2-му варианту
На рис.4.2(а,б) изображена схема цифрового компаратора. Входными кодами являются 2-х разрядные коды А и В (А1,А2 и В1, В2 соответственно). Реализуемая им логическая функция имеет вид:
Y=1 если A>B
Схема реализована в двух доступных в логическом конверторе базисах: рис.4.2(а) И, ИЛИ, НЕ и рис.4.2(б) И-НЕ. Для контроля правильности работы компаратора в обе схемы введены генератор слов и логический анализатор. Генератор слов подключен на входах схем и используется для генерации всех возможных комбинаций кодов А и В (2 разряда код А и 2 код В всего 4, следовательно 24 =16 - генерируется 16 различных слов). На выходах схем подключен логический анализатор причём его первые 4 канала включены параллельно 4 используемым выходам генератора слов. Это сделано для получения более наглядной картинки на экране панели управления логического анализатора(см рис.4.3)

Рис.4.3 Временная диаграмма работы цифрового компаратора
Выход схемы подключен к 6-му каналу анализатора. Таким образом на экране одновременно отображаются входные и выходные сигналы, что позволяет получить полную временную диаграмму работы устройства(вход и выход на экране точно синхронизированы во времени).Наименование каналов сверху вниз: А1, А2, В1, В2 и Y.
4.3 Дешифратор 4-х разрядного адреса
а)
б)
Рис.4.4 Схема дешифратора адреса к 3-му варианту.
На рис.4.4(а,б) показана схема дешифратора адреса. Причём на рис.4.4(а) схема синтезирована в базисе И, ИЛИ, НЕ, а на рис.4.4(б) в базисе И-НЕ. Дешифрируемый адрес 01112 или 710 . Подключив на вход схем генератор слов, а на выход логический анализатор(точно также как и в предыдущей схеме) легко получить временные диаграммы работы устройства см.рис.4.5

Рис.4.5 Временные диаграммы дешифратора адреса
С полученных временных диаграмм легко сосчитать дешифрованный адрес. Кроме того на полученной диаграмме выхода схемы можно наблюдать паразитный выброс - результат гонок возникающих с приходом кода 0100 на первом элементе И см.рис.4.4(а). Это вполне объяснимо поскольку разряды дешифрируемого сигнала проходят разное количество цифровых элементов. Конечно у реальных дешифраторов обязательно используется строб-импульс или тактирование.
4.4 Схема контроля чётности

Рис.4.6 Схема для получения таблицы истинности бита чётности с помощью логического конвертора
Схема на рис.4.6 показывает способ подключения логического конвертора. При таком подключении и задании соответствующего режима работы цифровой конвертор составляет таблицу истинности для подключенной схемы. Происходит это следующим образом:
На своих выводах подключенных ко входам схемы конвертор перебирает все возможные сочетания 0 и 1. В данном случае подключено 4 входа следовательно это будет 24 =16 комбинаций(4-х разрядных слов). С выхода схемы конвертор считывает реакцию схемы на каждое слово и записывает её в столбец Out отображённый на панели управления вместе с перебираемым входным кодом. Отклик схемы на каждое слово записывается в той же строке, где находится и само посланное слово.
Таблица истинности для приведённой на рис.4.6 схемы контроля чётности будет иметь вид см.рис.4.7.

Рис.4.7 Таблица истинности схемы контроля чётности на панели логического конвертора.
Следующий этап - синтез схемы в базисе доступном на логическом конверторе.

Рис.4.8 Схема контроля чётности синтезированная в базисе И, ИЛИ, НЕ
Представленная на рис.4.8 схема осуществляет контроль чётности поступающих на её входы 4-х разрядных слов. В случае если количество единиц чётное на выходе Y формируется 1 если нечётное 0. В этом можно убедится подключив генератор слов и логический анализатор как показано на схеме рис.4.8. Временные диаграммы полученные на логическом анализаторе имеют вид см.рис.4.9

Рис.4.9 Временные диаграммы схемы контроля чётности
Все представленные здесь логические схемы реализованы на идеальных цифровых ключах из библиотеки Electronics Workbench. При желании их можно легко перевести в реальные серии микросхем. Библиотека Electronics Workbench предоставляет большие возможности для этого см.рис.4.10

Рис.4.10 Библиотека реальных компонентов электрических схем
Библиотека предоставляет широчайший набор цифровых компонентов ТТЛШ и КМОП технологий (ТТЛ логика морально устарела и поэтому не представлена).
5. Методические указания
к лабораторной работе.
“Логическое проектирование комбинационных схем.”
Цель работы: Изучить способы проектирования комбинационных схем с использованием с использованием логического конвертора моделирующего пакета программ Electronics Workbench.
5.1 Описание лабораторной установки
Лабораторная установка представляет из себя виртуальную электронную лабораторию Electronics Workbench. Файлы содержащие исследуемые схемы находятся в каталоге Labs. Сохранение, полученных в ходе лабораторной работы схем, производить в каталоге Custom.
Для того чтобы сохранить схему в требуемом каталоге следует воспользоваться командой Save as из меню File. После выбора этой команды появится панель см.рис.5.1.

Рис.5.1 Панель для сохранения результатов.
Затем навести стрелку на каталог(папку) Custom дважды нажав левую кнопку “мыши” открыть каталог(папку). После этого установить курсор с помощью мыши в окошко под надписью Имя файла и ввести туда имя, под которым вы желаете сохранить свою схему, следя за тем чтобы сохранить расширение са.4(для схем), и “нажать” с помощью “мыши” кнопку ОК.
5.2 Предварительное расчётное задание.
Для 1-го варианта : По заданной преподавателем таблице истинности составить уравнение, минимизировать его с помощью карт Карно и построить схемы:
а) в базисе И, ИЛИ, НЕ;
б) в базисе И-НЕ.
Для 2-го варианта : Записать логическое уравнение компаратора, минимизировать, разработать логическую схему в базисе И-НЕ, ИЛИ-НЕ
5.3 Рабочее задание
1-й вариант : При помощи логического конвертора по заданной таблице истинности (той же что и в предварительном задании) составить уравнение, минимизировать его и построить схемы в базисах И, ИЛИ, НЕ и И-НЕ:
- открыть панель управления логического конвертора и занести туда таблицу истинности;
- пользуясь кнопкой
перевести её в уравнение и минимизировать его;
- сравнить полученный результат с уравнением полученным вручную, с помощью карт Карно;
- используя кнопки
и
построить схемы в различных базисах, сохранить их в каталоге Custom и сравнить их с полученными вручную.
2-й вариант : Разработка цифрового компаратора(схема сравнения кодов) для 2-х разрядного кода:
а) имеются 2 входа кода “А”- А1, А2 и 2 входа кода “В”- В1,В2. Сигнал на выходе высокий, если код А равен коду В, и низкий если коды не совпадают;
б) сигнал на выходе высокий, если код А больше кода В и низкий в остальных случаях;
в) сигнал на выходе высокий, если код А меньше кода В и низкий в остальных случаях.
Для всех случаев создать таблицы истинности и занести их в логический конвертор, конвертировать в уравнение, минимизировать и построить схему в базисе И-НЕ(NAND). Уравнения и соответствующие им таблицы истинности занести в конспект.
Каждую созданную схему сохранить в текущем каталоге Custom и зарисовать в конспект рядом с соответствующими таблицами истинности. Сравнить с домашней разработкой. Затем по очереди вызывая схемы, проверить их с помощью генератора слов и логического анализатора:
- ко входам исследуемой схемы подключить 4 выхода генератора слов и в соответствующих входам столбцам набрать все возможные сочетания 0 и 1 (2 столбца- код А, 2 столбца- код В);
- к выходу схемы подключить логический анализатор(любой канал);
- синхронизация генератора слов внутренняя, логического анализатора тоже;
- для удобства просмотра, частоты внутренних генераторов выставить таким образом, чтобы 1 импульс приходился на одно деление (например частота генератора 1 kHz, а у анализатора 1 msdiv);
- запустить генератор слов в пошаговом режиме, снимать показания логического анализатора и сравнивать их с исходной таблицей истинности.
Для схемы равенства кодов:
- записать в двоичном коде слово на котором возникают гонки, а также предшествующее ему;
- определить на каких элементах схемы возникают гонки.
3-й вариант : Синтезировать дешифратор адреса для заданного преподавателем 4-х разрядного адреса. Проверить работу при помощи логического анализатора и генератора слов.
- составить таблицу истинности для дешифратора адреса и занести её в логический конвертор;
- конвертировать в уравнение;
- синтезировать схемы в базисах И, ИЛИ, НЕ и ИЛИ-НЕ(NAND), сохранить схемы в текущем каталоге;
- ко входу схемы подключить первые 4 вывода генератора слов;
- загрузить в генератор слов последовательность слов кнопкой Load, файл Parit;
- подключить на выход схемы логический анализатор;
- генератор слов запустить в режиме Burst;
- полученные данные сравнить с исходной таблицей истинности;
- записать в двоичном коде слово на котором возникают гонки, а также предшествующее ему;
- определить на каких элементах схемы возникают гонки;
Таблицу истинности, уравнение и схемы занести в конспект.
4-й вариант : Синтез схемы контроля чётности 4-х разрядных слов. Из методических указаний ( см. Рис.5.2 перенести на рабочее поле Electronics Workbench схему контроля чётности вручную. Используя логический конвертор составить таблицу истинности для схемы. Затем схему стереть и по таблице истинности составить логическое уравнение(с помощью конвертора), синтезировать схемы в двух доступных базисах, проверить при помощи генератора слов и логического анализатора.

Рис. 5.2 Схема контроля чётности.
- ко входам перенесённой схемы подключить первые четыре вывода логического конвертора, выход схемы подключить к выводу конвертора, находящемуся вверху справа(расположен обособленно);
- на панели управления логического конвертора “открыть” четыре первые столбца- A, B, C, D;
- “нажать” на кнопку
, в столбце Out появится комбинация 0 и 1, что вместе со столбцами A, B, C и D даст таблицу истинности для исследуемой схемы
- выделить всю схему, а затем стереть её используя меню Edit;
- по имеющейся таблице истинности получаем уравнение и синтезируем схему(см. предыдущие варианты), полученные схемы сохранить в текущем каталоге Custom и вызывая по очереди проверить генератором слов(Load файл Parit) и логическим анализатором(см. предыдущие варианты);
- полученную таблицу истинности и уравнение занести в конспект.
5.4 Контрольные вопросы
1. Назовите способы задания логических функций.
2. Что такое совершенная дизъюнктивная и совершенная конъюнктивная и нормальные формы ?
3. Назовите основные способы минимизации булевых выражений.
4. Что такое- функционально полный базис ?
5. Объясните почему так сильно различаются по количеству логических элементов, схемы контроля чётности, синтезированные в различных базисах (см.4-й вариант) ?
6. Что такое гонки в цифровой схеме и каким образом можно избавится от них ?
6. Методические рекомендации по быстрому знакомству с программой
6.1. Работа с HELP, проблема языка и русификация
Electronics Workbench имеет обширный Help весьма удобный и действительно полезный в работе. Он использует стандартную панель Help для Windows и может использоваться как по основным разделам - Help, так и по индексу - Help Index...(всё что предоставляет Electronics Workbench разложено в алфавитном порядке). Но всё это к сожалению на английском языке. Правда с помощью меню Редактирование в него можно вставлять аннотации на русском языке, куда можно поместить перевод.
6.2 Об окне Description
Следует упомянуть, что окно Description, предназначенное для составления комментариев к схемам имеет существенный недостаток - оно поддерживает только английские шрифты.
Текст в окне Windows доступен для копирования через буфер обмена в любое приложение Windows. Для этого нужно лишь выделить его “мышью”, как в Word, и затем воспользоваться командой Cut или Copy из меню Edit. Возможно также и копирование текста из приложений Windows в Description - командой Paste, но при этом теряется форматирование текста(если оно было).
6.3. Возможности получения твердой копии и подготовки отчета
Очень широкие возможности предоставляет Electronics Workbench при создании отчётов и описаний.
Команда Print - очень удобна в этом отношении поскольку позволяет распечатать на принтере(используется диспетчер печати Windows с установленным в нём принтером) практически все результаты моделирования схемы см.рис.6.1.

Рис.6.1 Панель для распечатки результатов моделирования Electronics Workbench.
Кроме того посредством буфера обмена Electronics Workbench совмещается со всеми стандартными приложениями Windows. Всё что изображено на экране легко переносится например в Word или в Paintbrush(для редактирования). Распознаётся всё что было перенесено как рисунок(образ) за исключением текста из Description и Help.
6.4 Демонстрационная версия
С целью скорейшего приобретения студентом навыков работы с приборами контроля цифровых схем - генератором слов и логическим конвертором предлагается, ввести в лабораторную работу демонстрационную схему с уже подключенными приборами (см. рис.6.2)

Рис.6.2 Демонстрационная схема
Схема реализует функцию “суммирование по модулю 2” на 3 входа. Она находится в папке Example под именем Practic, там же расположен файл с последовательностью слов для генератора слов c таким же именем (расширение DP).
Схема позволяет ознакомится с подключением приборов и с их управлением. С её помощью можно ознакомится с различными режимами работы как генератора слов так и логического анализатора буквально методом проб и ошибок поскольку сломать ничего невозможно, а если вдруг всё окончательно запуталось можно вернуться к первоначальному виду схемы загрузив её заново командой Revert to Saved из меню File.
Методические указания для ознакомления с генератором слов и логическим анализатором:
1) Снять временные диаграммы работы схемы в разных режимах работы генератора слов (логический анализатор в режиме Burst):
а) в пошаговом (Step);
б) в режиме посылки последовательности импульсов (Burst);
в) в циклическом режиме.
2) Снять временные диаграммы работы схемы в разных режимах работы логического анализатора (генератор слов использовать в режиме Burst):
а) в режиме приёма произвольных последовательностей импульсов (Burst);
б) в режиме запуска с заданного слова (Pattern и в окошке под этой кнопкой набрать слово).
7.Организационно-экономическая часть
7.1 Организация НИР.
Этапы НИР :
1) Разработка технического задания.
2) Разработка технического предложения.
3) Разработка русифицированного интереса.
4) Дополнение базы данных.
5) Разработка схемных решений.
6) Разработка методических указаний.
7) Подготовка документации.
8) Сдача темы.
В разработке участвуют:
- руководитель темы - 1 чел..
- программист - 1 чел.
- инженер- электронщик - 1 чел.
- переводчик с английского языка - 1 чел.
- оператор ЭВМ - 1 чел.
- лаборант - 1 чел.
Календарный график выполнения работ представлен на рис. 7.1
Рис.7.1 Календарный график выполнения работ.
7.2 Расчёт затрат.
7.2.1 Материалы, покупные изделия (табл. 7.1).
7.2.2 Основная зарплата (табл. 7.2).
7.2.3 Дополнительная зарплата.
7.2.4 Отчисления на социальные нужды.
7.2.5 Накладные расходы.
Таблица 7.1
Материалы и покупные изделия.
Наименование материала, изделия. |
Цена за един.(руб.). | Количество | Сумма затрат(руб.). |
Системный блок PI-133 и клавиатура |
4800 |
1шт. |
4800 |
| Монитор Samsung 14” | 3240 | 1шт. | 3240 |
| Манипулятор “мышь” Microsoft mouse | 168 |
1шт. |
168 |
| Операционная оболочка Windows 95 | 1848 |
1компл |
1848 |
| Пакет редакторов Microsoft Office | 5472 |
1компл |
5472 |
| Программа моделирования Electronics Workbench | 14400 |
1компл |
14400 |
Принтер Hewlett Packard 695c |
3240 |
1шт. |
3240 |
| Сетевой фильтр Pilot | 480 | 1шт. | 480 |
| Дискеты | 120 | 1упак. | 120 |
| Коврик для мыши | 48 | 1шт. | 48 |
Итого: 34064 руб.
Таблица 7.2
Основная заработная плата.
| Этапы разработки | Исполнители |
Месячный оклад(руб.) |
Время работы (дни) | Затраты по зарплате (руб.) |
| ТЗ | Руководитель | 1100 | 5 | 250 |
| ТП | Руководитель Программист Инженер-электронщик |
1100 600 600 |
5 5 5 |
250 136,35 136,35 |
| РИ | Программист Переводчик Оператор ЭВМ |
600 600 400 |
15 15 15 |
409,05 409,05 272,7 |
| БД | Программист Инженер-электронщик Оператор ЭВМ |
600 600 400 |
35 35 35 |
954,55 954,55 636,36 |
| СР | Инженер-электронщик Лаборант |
600 350 |
15 15 |
409,05 238,65 |
| МУ | Лаборант | 350 | 5 | 79,55 |
| ПД | Инженер-электронщик Программист |
600 600 |
15 15 |
409,09 409,09 |
| СТ | Инженер-электронщик | 600 | 5 | 136,35 |
Итого: 4726,9 руб.
ТЗ - разработка технического задания;
ТП - разработка технического предложения;
РИ - русификация интерфейса;
БД - перевод базы данных;
СР - разработка схемных решений;
МУ - разработка методических указаний;
ПД - подготовка документации;
СТ - сдача темы.
7.2.1 Затраты на материалы и покупные изделия составляют:
34064 руб. (см. Таблицу 2.1).
7.2.2 Расходы на основную зарплату персонала составляют:
4726,9 руб. (см. Таблицу 2.2).
7.2.3 Дополнительная заработная плата персонала составляет 20% от его основной заработной платы:
Дз.пл.= Оз.пл.*20/100%
где Оз.пл.- основная заработная плата.
Дз.пл.= 4726,9*20/100= 945,38 руб.
7.2.4 Отчисления на социальные нужды составляют 39% от суммы основной и дополнительной заработной платы:
Оз.пл.+Дз.пл.= 4726,9 +945,38= 5672,28 руб.
ОСН= (Оз.пл.+Дз.пл.)*39/100% ;
где ОСН-отчисления на социальные нужды ;
ОСН= 5672,28*39/100% =2212,19 руб.
7.2.5 Накладные расходы составляют 250% от основной заработной платы:
НР = Оз.пл.*250/100%
где НР - накладные расходы.
НР = 4726,9*250/100% = 11817,25 руб.
Для того чтобы определить стоимость всей разработки составим калькуляцию расходов:
Таблица 7.3
Калькуляция темы.
Наименование статей расходов |
Затраты (руб.) |
| Материалы и покупные изделия | 34064 |
| Основная заработная плата научного персонала | 4726,9 |
| Дополнительная заработная плата научного персонала | 945,38 |
| Отчисления на социальные нужды | 2212,19 |
| Накладные расходы | 11817,25 |
Итого: 53765,72 руб.
Цена разрабатываемой темы:
Ц= Ст+П
где Ст- стоимость темы (см. Таблица 2.3)
П-прибыль составляющая 20% от стоимости темы:
П=53765,72*20/100=10753,14 руб.
Тогда цена составит:
Ц=53765,72+10753,14=64518,86 руб.
7.3 Обоснование социально-экономической эффективности разработки
Оценка социально-экономической эффективности будет произведена путём сравнения данной разработки с традиционным оборудованием институтских лабораторий - лабораторными стендами с аналогичной тематикой лабораторных работ. В качестве временного периода для оценки возьмём один год эксплуатации.
Критерии для сравнения взяты следующие:
7.3.1 Цена изделия (включая стоимость НИР и оборудования необходимого для полноценного выполнения лабораторных работ).
7.3.2 Эксплуатационные расходы:
а) амортизационные отчисления;
б) расходы на заработную плату обслуживающего персонала;
в) расходы на ремонт (стоимость комплектующих).
7.3.3 Занимаемая полезная площадь.
7.3.4 Универсальность в использовании.
По этим параметрам легко будет определить конкретные выгоды или потери, выраженные в реальных цифрах, не только данной разработки, но и метода компьютерного моделирования лабораторных работ вообще.
7.3.1 Цена стенда для выполнения лабораторных работ по цифровой электронике, как следует из опыта аналогичных разработок, с учётом инфляции на сегодняшний день равна примерно 35 тыс. рублей. Стомость дополнительного оборудования (в данном случае это осциллограф) ещё 3,6 тыс. рублей.
Итого: Цст=35000+3600=38600 руб.
Цмод=64518,86
где Цст - цена реального стенда;
Цмод - цена компьютерной модели.
7.3.2 Эксплуатационные расходы.
а) Амортизационные отчисления (исходя из срока службы для стенда и для компьютера 3 года) в течение одного года эксплуатации.
АО=СТ/3
где АО-амортизационные отчисления;
СТ-стоимость изделия.
АОст=3950/3=1316,67 руб.
АОкомп=11976/3=3922 руб.
б) Расходы на заработную плату обслуживающего персонала.
В лаборатории с учебными стендами работают 2 лаборанта и 2 учебных мастера. Заработная плата:
-лаборанта 350 руб. в месяц;
-учебного мастера 450 руб. в месяц.
Итого получаем: ЗПст=(350+450)*2*12=19200 руб.
В лаборатории с компьютерами будет достаточно 2-х лаборантов так как ремонт компьютеров осуществляется по гарантии обслуживающей фирмой да и наработка на отказ у компьютера гораздо больше. Следовательно:
ЗПкомп=350*2*12=8400 руб.
в) Расходы на ремонт.
Исходя из опыта работы лаборатории расходы на ремонт стенда составляют около 1800 руб. в год. РРст=1800 руб.
Расходы на ремонт компьютеров практически отсутствуют поскольку они состоят на гарантии.
Общая сумма эксплуатационных расходов за год:
-для стендов ЭРст=АОст+ЗПст+РРст
ЭРст=1316,67+19200+1800=22316,67 руб.;
-для компьютеров ЭРкомп=АОкомп+ЗПкомп+РРкомп
Эркомп=3922+8400=13322 руб.
7.3.3 Занимаемая площадь (стоимость 1 кв.м площади 9600 руб.):
-стендом с дополнительным оборудованием 1,5 кв.м;
Плст=1.5*9600=14400 руб.
-компьютером 0,7 кв.м.;
Плст=0.7*9600=6720 руб.
7.3.4 Реально на один компьютер можно перевести все лабораторные работы данной лаборатории (при условии они разработаны для данного программного обеспечения).Для одной лаборатории их количество около 8.
Стенды сделаны по одному на каждую лабораторную работу.
Таблица 7.4
Сравнение экономической эффективности при эксплуатации стендов и компьютеров в течение 1 года.
| Критерии оценки | Стенды | Компьютеры |
| Цена разработки | 38600 руб. | 64518,86 руб. |
| Эксплуатационные расходы | 22316,67 руб. | 13322 руб. |
| Стоимость занимаемой площади | 14400 руб. | 6720 руб. |
| Универсальность (способность заменять собой) | 1 | 8 |
Итого: 75316,67 руб. 84560,86 руб.
Как мы можем видеть из таблицы 2.4 компьютерное моделирование обходится дороже нежели работа на реальных стендах Но это лишь на первый взгляд. Пункт № 4 таблицы не учитывался при подсчёте итога так как не имеет денежного выражения, если же мы учтём его, то выгода будет очевидной. Ведь один компьютер способен заменить 8 стендов с разной тематикой работ, а цена следующих за первой разработок компьютерного моделирования будет ниже первой из-за того, что будет проводится на уже приобретённом программном обеспечении (стоимость программного обеспечения составляет около 30% от стоимости первой разработки).Кроме того использование компьютерного моделирования позволяет высвободить часть персонала занятого ранее ремонтом стендов. Качество обучения также повысится за счёт большей чем у стендов наглядности, за счёт того, что перестанут выходить из строя исследуемые и вспомогательные компоненты, и за счет приобретения студентами дополнительных навыков работы на компьютере.
Используемое программное обеспечение является достаточно профессиональным и для выполнения более серьёзных работ, а значит навыки работы с ним могут пригодится и в дальнейшей работе по специальности.
8. Экология и охрана труда
Лабораторная работа.
Исследование электромагнитного поля СВЧ.
8.1 Общие сведения об электромагнитных полях
8.1.1 Сведения о характеристиках электромагнитного поля.
Подробно теория ЭМП рассматривается в соответствующих курсах электродинамики.
1. Напряженность электрического поля
. Единицей измерения напряженности электрического поля
(точнее, абсолютного значения E вектора
) служит вольт на метр [B/M].
2. Напряженность магнитного поля
. Единицей измерения напряженности магнитного поля
(точнее, абсолютного значения H вектора
) служит ампер на метр [A/M]. Основными внесистемными единицами измерения напряженности магнитного поля, применямыми в магнитобиологии, являются: эрстед (1Э=79,6 А/м)
и гамм (1Э=105
гамм).
Вектор Умова-Пойнтинга :

Вектор Умова-Пойнтинга характеризует величину и направление энергии, переносимой электромагнитной волной. Векторы
образуют правую тройку векторов. В дальнейшем будет рассматриваться скалярная величина - поток вектора Умова-Пойнтинга, проходящий через единицу поверхности, перпендикулярной вектору П, в единицу времени, которую будем называть плотностью потока мощности (ППМ). Плотность потока мощности измеряется в ваттах на метр квадратный [Вт/м2
]. Кроме указанных характеристик, биотропными параметрами являются: характер излучения (непрерывное или импульсное); частота (спектр частот); наличие, вид и глубина модуляции; форма импульса; ориентация поля относительно оси тела; градиент поля; время экспозиции (облучения); локализация поля в теле и др.
8.1.2 Действие техногенных электромагнитных полей СВЧ диапазона на человека.
Организм человека не имеет специальных органов, способных воспринимать электромагнитные колебания радиодиапазона, кок это имеет место для электромагнитных волн видимой части спектра. Однако первые сведения о воздействии ЭМП на функциональное состояние здоровья персонала, обслуживающего мощные радиопередатчики, появились уже в 20-30-е годы. По мере разработки и внедрения в эксплуатацию всё более мощных радиопередатчиков и освоения более высокочастотных диапазонов накапливались и данные о воздействии интенсивных радиоволн на организм человека. Начало систематических исследований биологического действия радиоволн следует отнести к послевоенному периоду, что связано с бурным развитием радиолокации, радионавигации и других областей радиопромышленности.
В настоящее время существуют две теории, объясняющие действие ЭМП на человека:
1)Энергетическая теория, основанная на тепловом эффекте, когда воздействие объясняется дополнительной, внесённой извне и рассеянной в организме энергией, перешедшей в конечном счёте в тепловую форму.
2)Информационная теория, основанная на слабых воздействиях, когда энергия, сообщённая отдельной частице, меньше её кинетической энергии.
На данный момент всё возрастающий научный интерес завоёвывает информационная теория дотепловых воздействий. Длительное систематическое воздействие на организм человека ЭМП, особенно диапазонов УВЧ и СВЧ, при дотепловых интенсивностях может привести к некоторым функциональным изменениям в нем, в первую очередь в нервной системе. Эти изменения проявляются в головной боли, нарушении сна, повышенной утомляемости, раздражительности и т.д. Поля СВЧ с интенсивностями, значительно ниже теплового порога, могут вызвать истощение нервной системы. Изменения в сердечно-сосудистой системе выражаются в виде гипотонии, брадикардии и замедлении внутрижелудочковой проводимости, а также в изменениях состава крови, изменениях в печени и селезенке, причем все эти изменения более выражены на более высоких частотах.
8.1.3 Оценка облучаемости электромагнитными полями.
Наиболее важным биофизическим аспектом защиты от ЭМП является установление предельно допустимых интенсивностей ЭМП, потенциально опасных для человека, и формы их представления, т.е. нормирование.
Нормирование ЭМП, как и всякой другой профвредности, состоит из двух этапов.
Первый - выбор и обоснование нормируемого параметра ЭМП, адекватно характеризующего степень воздействия.
Второй - установление предельно допустимого уровня выбранного параметра.
ЭМП СВЧ оценивают поверхностной плотностью потока энергии ППЭ (плотность потока мощности) излучения и создаваемой им энергетической нагрузкой ЭН:
или ![]()
где T - время облучения.
В таблице 8.1 приведены предельно допустимые уровни интенсивностей ЭМП диапазона СВЧ, принятые в некоторых странах.
Таблица 8.1
Нормы излучений.
Страна |
Диапазон частот и режим облучения | Предельно допустимые уровни в принятой форме | Допустимое время облучения |
РФ Для персонала Для населения |
СВЧ непрерывный СВЧ импульсный СВЧ непрерывный СВЧ импульсный |
25 мкВт/см2 (Суточная доза Дсут=ППМ t<200 мкВт*ч/см2 ) 10 мкВт/см2 (Суточная доза Дсут=ППМ t<80 мкВт*ч /см2 ) 2,5 мкВт/см2 (Суточная доза Дсут=ППМ t<60 мкВт*ч /см2 ) 1 мкВт/см2 (Суточная доза Дсут=ППМ t<24 мкВт*ч /см2 ) |
8ч 8ч Без ограничения Без ограничения |
| Польша | СВЧ | Те же, что и в РФ | |
США Обслуживающий персонал (Стандарт США USASC95.I-1996) |
10мгц-100ггц |
ППМ средняя за 6 мин не должна превышать: 10 мВт/см2 - для обычных условий 1 мВт/см2 - для температурно-влажностных условий |
Без ограничения времени. Для кратковременных излучений нормируется шестиминутная доза Д(6 мин)=0,1...1,0 мВт*ч/см2 (в зависимости от ТВУ) |
Таблица 8.1
Нормы излучений.
Продолжение.
| Англия | 30-30000мгц | 10 мВт/см2 | Без ограничения |
| ФРГ | СВЧ | Те же, что и в США | |
| Франция | СВЧ | Те же, что и в США | |
| Голландия Фирма Филлипс Эйндгобен | 30-30000мгц | 1 мВт/см2 10 мВт/см2 |
Без ограничения t<6мин |
8.1.4 Расчет интенсивности ЭМП.
На частотах f>300МГц ближняя зона (зона индукции) расположена в непосредственной близости у излучателя и ППМ (ППЭ) определяется выражением:
,
где
Ризл - мощность, излучаемая антенной;
G - коэффицент направленного действия (КНД) антенны;
r - расстояние до антенны;
L - затухание ЭМП на пути распространения.
Попытки расчета интенсивности ЭМП с учетом влияния произвольно расположенных вблизи расчетной точки посторонних предметов (радиоконтрастных сред), а также расчет интенсивности ЭМП паразитного излучения, пока не привели к удовлетворительным результатам. Лучшим методом оценки интенсивности в этих случаях остаётся измерение.
8.2 Методика проведения исследования
В данной лабораторной работе рассчитывается интенсивность электромагнитного поля СВЧ в зависимости от следующих параметров:
Ризл – мощность, излучаемая антенной;
r – расстояние до антенны;
L – затухание ЭМП на пути распространения.
8.2.1 Исследование зависимости ППМ от Ризл.
Для исследования зависимости плотности потока мощности от мощности, излучаемой антенной:
- определить значения плотности потока мощности (ППМ) от Ризл по формуле (1) с требуемым шагом изменения.
Диапазон изменения Ризл см. в таблице 8.2 :
Таблица 8.2
Диаппазон изменения Ризл.
| N | Ризл (нач.) | Ризл (кон.) |
1 2 3 |
10 100 200 |
100 200 300 |
(Принять r=15 м, L=6, G=0.7)
- результаты занести в таблицу 8.3 :
Таблица 8.3
Плотность потока мощности.
| ППМ | Ризл |
- построить график зависимости ППМ(Ризл)
- проанализировать результаты.
- сравнить их с допустимыми значениями в Таблице 8.1.
8.2.2 Исследование зависимости ППМ от r.
Для исследования зависимости плотности потока мощности от расстояния до антенны:
- определить значения плотности потока мощности (ППМ) от r по формуле (1) с требуемым шагом изменения.
Диапазон изменения r см. в таблице 8.4 :
Таблица 8.4
Расстояние до антенны.
| Nвар | r (нач.) | r (кон.) |
1 2 3 |
1 10 20 |
10 20 30 |
(Принять Ризл = 150 Вт, L=6, G=0.7)
результаты занести в таблицу 8.5 :
Таблица 8.5
Зависимость плотности потока мощности от
расстояния до антенны.
| ППМ | r |
... |
... |
- построить график зависимости ППМ(r);
- проанализировать результаты.
- сравнить их с допустимыми значениями в Таблице 8.1.
8.2.3 Исследование зависимости ППМ от L.
Для исследования зависимости плотности потока мощности от затухания ЭМП на пути распространения:
- определить значения плотности потока мощности (ППМ) от L по формуле (1) с требуемым шагом изменения.
Диапазон изменения L см. в таблице 8.6 :
Таблица 8.6
Затухание ЭМП на пути
распространения.
| Nвар | L (нач.) | L (кон.) |
1 2 3 |
1 3 6 |
3 6 9 |
(Принять Ризл = 150 Вт, r=15 м, G=0.7)
результаты занести в таблицу 8.7 :
Таблица 8.7
Зависимость плотности потока мощности от L.
| ППМ | L |
... |
... |
- построить график зависимости ППМ(L);
- проанализировать результаты.
- сравнить их с допустимыми значениями в Таблице 8.1.
Заключение
Представленная работа - это первая в своём роде попытка разработать реальный лабораторный практикум по теме логического проектирования цифровых схем с использованием методов виртуальной электронной лаборатории.
Основные результаты работы следующие:
Рассмотрены методы логического проектирования, используемые в предметах, читаемых на кафедре. В основном они сводятся к табличным методам или операциям с уравнениями Булевой алгебры.
Предложено использовать для создания лабораторной работы виртуальный прибор - логический конвертор - из электронного пакета CAD Electronics Workbench.
Рассмотрена возможность с помощью логического конвертора выполнять операции синтеза логических устройств по таблице состояний, логическим уравнениям и т.д.
Методически такая практическая работа прекрасно вписывается в программу курсов, читаемых на кафедре.
Программа имеет интуитивный интерфейс, достаточно проста и не практически требует специального времени на освоение.
Разработаны методические указания к лабораторному практикуму.
Предложен ряд схем (цифровой компаратор, дешифратор, схема контроля четности) подходящих для студенческих практических работ и проведено демонстрационное проектирование.
Разработана демонстрационная версия лабораторного практикума, позволяющего быстро освоить работу с программой.
На виртуальных приборах, студент осваивает необходимые на практике, но достаточно редкие в наших лабораториях измерительные приборы - логический анализатор, генератор двоичных слов,
Настоящий лабораторный практикум не является окончательным и закрытым его всегда можно расширить и модифицировать. Для этого не нужны специальные навыки и знания (как например при попытках дополнить программы моделирующие лабораторные работы и написанные на языках программирования) интерфейс Electronics Workbench прост и выразителен.
Кроме того тематика лабораторных работ (а возможно и курсовых) выполняемых в этой виртуальной лаборатории может быть очень широка. Данная разработка демонстрирует лишь очень небольшую часть возможностей Electronics Workbench.
Основные результаты организационно-экономической части.
Произведена калькуляция расходов и расчёт себестоимости разработки.
Выполнено социально-экономическое обоснование использования виртуального лабораторного практикума. Сравнение производилось с традиционным оборудованием - лабораторными стендами. Итог этого обоснования следующий:
- один компьютер способен заменить несколько стендов с разной тематикой работ;
- использование компьютерного моделирования позволяет высвободить часть персонала занятого ранее ремонтом стендов;
- качество обучения также повысится за счёт большей чем у стендов наглядности, за счёт того, что перестанут выходить из строя исследуемые и вспомогательные компоненты, и за счет приобретения студентами дополнительных навыков работы на компьютере.
В разделе по экологии и охране труда были разработаны методческие указания по компьютеризированному лабораторному практикуму на тему “Исследование электромагнитного поля СВЧ”.
Список используемой литературы.
1.. Алексенко А.Г, Шагурин И.И. “Микросхемотехника.”
Москва, изд. “Радио и связь”, 1982г.
2. Влах, Кишор, Сингхал “Машинные методы анализа и
проектирования электронных схем.”
Москва, изд. “Радио и связь”, 1988г.
3. Дебновецкий С.В. “Основы автоматизированного проектирования
электронных приборов.”
Киев, Вища школа, 1987г.
4.“Измерения параметров цифровых интегральных микросхем.”
(под ред. Эйдукаса Д.Ю., Орлова Б.В.)
Москва, “Радио и связь”, 1982г.
5. Корнеев В.В., Киселёв А.В. “Современные микропроцессоры.”
Москва, изд. “Нолидж”, 1998г.
6. Лазер И.М., Шубарев В.А. “Устойчивость цифровых
микроэлектронных устройств.”
Москва, “Радио и связь”, 1983г.
7. Лысиков Б.Г. “Арифметические и логические основы цифровых
автоматов.”
Минск, “Вышэйшая школа”, 1980г.
8. Нефедов А.В., Савченко А.М., Феоктистов Ю.Ф.“Зарубежные
интегральные микросхемы для электронной аппаратуры.”
Москва, Энергоатомиздат, 1989г.
9. Ногов Ю.Р.“Математические модели элементов интегральной
электроники.”
Москва, “Современное радио”, 1976г.
10. Пухальский Г.И., Новосельцева Т.Я. “Цифровые устройства.”
Санкт-Петербург, изд. “Политехника”1996г.
11. Сысоев В.В.“Структурные и алгоритмические модели
автоматизированного проектирования производства изделий
электронной техники.”
Воронеж, Воронежский технологический институт, 1993г.
12. Токхейм Р.“Основы цифровой электроники”
Москва, изд. “Мир”, 1988г.
13. Чахмахсазян Е.А., Мозговой Г.П., “Математическое моделирование
и макромоделирование биполярных элементов электронных схем.”
Москва, “Радио и связь”, 1985г.
14. Шило В.Л. “Популярные цифровые микросхемы.”
Москва, Металлургия, 1988г.
15. Якимов О.П.“Моделирование режимов и оценка качества
электронных приборов.”
Москва, “Радио и связь”, 1989г.
16. Янсен Й. “Курс цифровой электроники.”
т. 1 Москва, Мир, 1987г.
Похожие рефераты:
Информатика и программное обеспечение ПЭВМ
Основы анализа и синтеза комбинационных логических устройств
Техническая диагностика средств вычислительной техники
Разработать лабораторный стенд для испытания устройств защиты судовых генераторов
Коммутатор цифровых каналов системы передачи
Разработка виртуальных лабораторных работ средствами эмулятора Emu8086
Построение систем распознавания образов
Методы позиционирования и сжатия звука
Разработка генератора сигналов на цифровых микросхемах
Билеты и ответы по Информатике за 11-й класс
Разработка программы на Ассемблере
Управление звуковой картой компьютера