| Похожие рефераты | Скачать .docx |
Курсовая работа: Особенности работы лазерного принтера LaserJet III
СОДЕРЖАНИЕ
Введение 4
1 Постановка задачи 5
1.1 Решаемые задачи 5
2 Исходные данные 5
3 Принцип действия лазерного принтера 5
3.1 Управление работой принтера 1 1
3.2 Выбор интерфейса 1 1
4.Особенности конструкции LaserJet III 1 2
4.1 Блок схема лазерного принтера 1
4.2 Обслуживание лазерных принтеров и уход за ним 1 5
4.3 Чистка принтера 1 6
4.4 Автоматическая подача бумаги 1 7
5 Диагностика неисправностей и ремонт лазерного принтера 1 7
5.1 Аппаратные неисправности принтера LaserJet III 1 8
5.2 Устранение ошибок и неисправностей 1 9
5.3 Дефекты печати и их исправление 2 0
5.4 Очистка принтера 2 3
5.5 Замена кассеты с тонером 2 4
Заключение 2 5
Список используемой литературы 2 6
ВВЕДЕНИЕ
Первые лазерные принтеры появились в начале 80-х годов. Еще через несколько лет они перестали быть диковинкой и стали доступны массовому пользователю. К середине 90-х годов разработчики принтеров добились того, что лазерные принтеры научились «понимать» различные языки описания страниц, автоматически распознавать формат бумаги и использовать обе стороны листа. Разрешающая способность для печатающих устройств этого класса достигла 1200 точек на дюйм.
Лазерные принтеры произвели переворот на рынке персональных компьютеров, благодаря своему близкому к типографическому качеству вывода. Персональные компьютеры представили организациям возможность управлять огромным количеством данных, а лазерный принтер позволил получить недорогие высококачественные копии этих данных.
Вывод на печать стал ассоциироваться с издательским делом и цветными приложениями. Хотя воспроизведение мелких деталей и сложной графики, а также нестандартная бумага затрудняют работу лазерных принтеров, многие последние прикладные программы разработаны со средствами печати на лазерных принтерах и не требуют дорогостоящего типографического оборудования.
В условиях возрастающего распространения персональных компьютеров принтеры стали неотъемлемым средством вывода информации. Ежегодно десятки фирм - изготовителей производят все новые и новые более совершенные модели принтеров.
В настоящее время волнует уже не только вопрос, какую именно модель приобрести, но и не менее важные проблемы, связанные, например, с постоянным наличием расходных материалов у фирмы-продавца, возможностью использования кириллических шрифтов, дальнейшим сервисным обслуживанием печатающих устройств и т.д. И это вполне правомерно.
Хороший принтер, подключенный к компьютеру, позволяет заниматься творческой работой, манипулируя различным образом шрифтами, увеличивая или уменьшая изображения, поворачивая их на любой угол и вообще как угодно меняя формат своей страницы.
Принтер практически бесшумен, не выделяет вредных веществ, работает на мелком легкоплавком тонере (экономят сам тонер и электроэнергию), имеет собственный мощный процессор и поддерживает языки печати (экономят ресурсы компьютера). И конечно, обеспечивается емкими, недорогими картриджами и сам недорого стоит (экономят деньги в чистом виде). Все выше перечисленное будет рассмотрено в данном курсовом проекте.
1 Постановка задачи
1.1 Решаемые задачи
В данном курсовом проекте предлагается рассмотреть и проанализировать конструктивные особенности лазерных принтеров, а в частности характеристику и внутреннее строение устройства фирмы HEWLETT-PACKARD - LaserJetIII.
На основе конструктивных особенностей и принципа действия лазерного принтера проанализировать наиболее часто встречающиеся неисправности, выявить из них наиболее важные по устранению конкретных ситуаций в аппаратно- программном комплексе адаптера и предложить возможные варианты их устранения.
Рассмотреть принцип работы лазерного принтера.
Проанализировать преимущества лазерных принтеров перед другими технологиями распечатки данных.
2 Исходные данные
1 Лазерный принтер модели: LaserJetIII
2 Объем памяти: до 1 мегабайта
3 Разрешающая способность: 300-600 точек на дюйм
4 Язык управления печатью: PCL
3 Принцип действия лазерного принтера
На отечественном рынке получили широкое применение лазерные печатающие устройства фирмы HEWLETT-PACKARD. И вот почему.
1) Эти принтеры пользуются достаточной популярностью и спросом у нас, а значит, появляется все большее количество людей, имеющих это устройство, но не умеющих в полной мере использовать его достоинства.
2) Язык управления принтером этой фирмы (РСL) продолжает оставаться своего рода промышленным стандартом для работы с лазерными принтерами.
3) Простота эксплуатации (а значит и простота освоения) и стандартные приемы обслуживания принтеров фирмы HEWLETT-PACKARD служат достаточной гарантией того, что навыки, приобретенные при работе на HEWLETT-PACKARD принтерах. Не будут бесполезны и при работе на других печатающих устройствах этого типа.
4) Написанное универсальное руководство по всем лазерным принтерам вряд ли возможно, а лазерные принтеры фирмы HEWLETT-PACKARD со всеми своими недостатками и достоинствами материализуют, и общие принципы обращения с компьютерной техникой зарубежного производства и общие проблемы (русификация, графика).
У принтеров третьей серия (LaserJet III, LaserJet IIID, LaserJet IIIР) была расширена память до 1 Мб, увеличено количество встроенных шрифтов, значительно расширены возможности автоматической загрузки бумаги различных форматов, а также конвертов и ярлыков. К тому же они снабжены расширенным языком управления принтером РСL 5. Основные характерные черты принтеров фирмы HEWLETT-PACKARD :
- надежность и качество печати;
- разрешающая способность (Resolution Enhancement) -300-600 точек на дюйм;
- наличие масштабируемых гарнитур, что позволяет получить фон желаемого размера вплоть до 999,75 пунктов в приращений в 1/4 пункта;
- язык управления печатью РСL, которому присуще:
- всеобъемлющая программная поддержка векторной графики;
- доступ к специальным эффектам печати: белым по черному и печать с использованием шаблонов пользователя;
- различные направления печати в приделах одной страницы;
- полная совместимость программ, реализованных на принтерах серии LaserJet;
- автоматическое изменение направления печати, изображения на печати поворачивается автоматически при смене направления на странице;
- расширенный диапазон выбора шрифтов с помощью панели управления;
- сообщения, появляющиеся на дисплее принтера, по вашему выбору, могут быть выданы на одном из пяти национальных языков;
- два кармана для картриджей фонтов;
- 1 Мб оперативной памяти (720 Кб доступны пользователю) с возможностью дополнительного увеличения до 4 Мб.
Лазерные принтеры постепенно становятся все более распространенными. И качество не является единственным фактором, благодаря которому это происходит- старенький игольчатый принтер со свежей лентой тоже дает вполне чистое и сочное изображение с обилием деталей. Исходя из этого, при выборе принтера следует ориентироваться еще и на требуемую скорость печати, возможности использования шрифтов и работы с графикой, на удобство использования и комфортность работы, конечно, на цену и стоимость эксплуатации, тоже. У каждого типа принтеров есть свои особенности, касающиеся типов используемой бумаги, интерфейсов, управления и т.д. Но качество и скорость все же остаются основными факторами.
Из рассматриваемых сегодня принтеров наиболее известным является принтер (как в нашей стране, так и в мире). Так сложилось, что эта фирма сейчас, продает такое количество принтеров, что ни одна из сильных в этой области фирм, таких как Ерsоn, LаsеrМastеr, QМS, Техаs Instruments, Ргintwаrе, Dаtа Ргоducts или Stаr, не может даже приблизиться к ней. Видимо, одна из причин в том, что HEWLETT-PACKARD первой сделала коммерческий лазерный принтер в 1984 году.
Вероятно, популярность принтеров HEWLETT-PACKARD привела к тому, что многие фирмы-конкуренты выпускают принтеры, внешне очень похожие на изделия HEWLETT-PACKARD, но это не означает, что они “содраны”- вовсе нет. Просто сердцем всех этих аппаратов является печатающий механизм (по-английски еnginе, по-русски обычно привод) фирмы Саnоn. Он определяет компоновку принтера, его размеры, скорость печати и разрешение, тип используемых расходных материалов. Но при всей своей схожести каждый из особенности - ведь всю электронную начинку изготовитель делает самостоятельно, он определяет, какие шрифты будут установлены в принтер, и как они будут обслуживаться, какие принтеры можно будет эмулировать. И самое главное, как принтер будет формировать страницу, то есть - как быстро печатать.
В 1990 году HEWLETT-PACKARD выпустил серию принтеров LaserJet III, которая использовала технологию улучшения разрешения (RET-Resolution Enhancement Technology). После этого все ведущие изготовители лазерных принтеров стали быстро догонять лидера, выпуская новые модели своих принтеров с методами печати, обеспечивающими аналогичное качество. (Одно замечание - даже несколько лучшую технологию на таких же приводах уже довольно давно используют фирмы LaserMaster и QMS, но принтеры предназначены скорее для профессионалов, чем для рядового покупателя. Поэтому технология стала широко известной лишь в 1990 году.)
Среди современной компьютерной периферии едва ли найдется устройство, вобравшее в себя больше технологических достижений, новейших материалов и конструкторского искусства, нежели лазерные принтеры. Правда, лазер в составе принтера используется маленький, мощностью не более нескольких сот милливатт. Однако он тоже обладает свойством, за которое так ценятся лазеры: дает очень узкий направленный пучок когерентного монохроматического излучения. В принтере этот луч используется как тончайшее “перо”, которым и рисуется заданное изображение.

1-фотобарабан;
2-девелопер;
3-лист бумаги;
4-валик подачи;
5,6- термо-закрепляющие валики;
7-ракель;
8-лампа;
9-очищающий ракель;
10- валик восстановления заряда;
Рисунок 1- Блок схема лазерного принтера:
Воспроизведение текста и графики в лазерных принтерах осуществляется в три стадии: экспозиция, проявка и печать.
На первой стадии данные из компьютера поступают в буфер строки и с помощью сканирующей системы, в которую входит лазер, переносятся на отрицательно заряженную поверхность специального фотобарабана как показано на рисунке 1.
Лазерная засветка осуществляется следующим способом: тонкий луч лазера светит на зеркало, которое вращается с высокой скоростью. Отраженный луч через систему зеркал и призму попадает на барабан и за счет поворота зеркал нейтрализует заряды по всей длине фотобарабана один шаг, (этот шаг измеряется в долях дюйма, и именно он определяет разрешение принтера по вертикали) и вычерчивается новая линия.
Точки, которые на бумаге должны получиться темными, разрежаются светом лазерного луча. Заряды на освещенных точках поверхности барабана нейтрализуются благодаря фотопроводящим свойствам барабана. Таким образом, на поверхности барабана формируется скрытое электростатическое изображение.
Скорость вращения зеркала очень высока. Она составляет 7-15 тыс. об/мин. Для того чтобы увеличить скорость печати, не увеличивая скорость вращения зеркала, его выполняют в виде многогранной призмы.
На второй стадии с помощью второго барабана, называемого девелопером, на фотобарабан наносится тонер - мельчайший красящий порошок. В процессе работы барабан- девелопер, частицы тонера и фотобарабан всегда заряжены отрицательно, однако в точках, засвеченных лазерным лучом, потенциал поверхности фотобарабана уменьшается с -900 В до -200 В. Напряжение на барабане девелопере составляет при этом -500 В. Таким образом разность потенциалов, притягивающая тонер на разряженные области фото - барабана, оказывается равной 300 В; соседние заряженные участки поверхности, напротив, отталкивают частицы.
Рядом с барабаном - девелопером расположен ракель. Это резиновое лезвие, которое предназначено для снятия излишков тонера, оставляя для печати только один слой приставших к бумаге частиц. Это лезвие сделано плавающим, как в хороших бритвах.
Затем “проявленный” участок барабана прокатывается по листу бумаги, который подается снизу еще одним валиком, тоже заряженным. Электрическое поле переносит тонер на лист бумаги. И тот прямиком отправляется в узел закрепления изображения. Этот узел состоит из двух барабанов, нагретых до 180-200°С (в зависимости от модели). При такой температуре частицы тонера намертво вплавляются в бумагу. Поэтому выползающий из принтера отпечатанный лист бывает теплым.
Внизу, рядом с подающим бумагу валиком, расположена мощная лампа вытянутой формы. Она нужна для того, чтобы поддерживать на падающем валике постоянный заряд. Этот ракель очищает фотобарабан от остатков тонера, а заряженный валик при контакте с фотобарабаном восстанавливает заряд на его поверхности.
Такова схема, по которой работают все модели лазерных принтеров. Но конкретная реализация этой схемы в принтерах различных фирм может быть различной.
В большинстве принтеров фотобарабан вместе с барабаном - девелопером входят в состав единого узла - картриджа. Внутри картриджа в специальной емкости находится тонер.
Разрешение лазерных принтеров по горизонтали и по вертикали, определяется разными факторами. Изображение переносится на бумагу строчка за строчкой, причем если бы во внимание принимались только геометрические соображения, то эти (строчки) выглядели бы бесконечно тонкими (контакт цилиндра и плоскости), а разрешение принтера по вертикали было бы бесконечно большим. Однако на практике вертикальное разрешение соответствует шагу барабана и для большинства лазерных принтеров составляет 1/600 дюйма. Для увеличения разрешения по вертикали до 1/1200 дюйма производители снижают уровень вибрации фотобарабана.
Высокое разрешение по горизонтали в лазерных принтерах достигается намного проще: это число точек в одной (строке), ограниченное только точностью наведения лазерного луча. Поэтому многие модели принтеров сегодня имеют (несимметричное) разрешение, фактически равное 1200*600 точек на дюйм, когда точность перемещения лазерного луча составляет 1/1200 дюйма. Но шаг барабана - по-прежнему 1/600 дюйма. Воспроизводимое изображение разбивается при этом не на квадратики, а на прямоугольники со сторонами 1/600 и 1/1200 дюйма. Луч лазера может перемещаться не только по горизонтали, но и по вертикали. Благодаря этому он способен поставить точку либо в верхней, либо в нижней части прямоугольника. В этих случаях говорят об алгоритмическом разрешении 1200 точек на дюйм.
Очевидно, что алгоритмическое высокое разрешение заменяет реальное лишь от части. Оно позволяет сделать края изображений более гладкими.
Но там, где требуется черный цвет хорошего качества. В одном элементарном прямоугольнике пришлось бы поставить две точки, что невозможно.
Если качество печати определяется в первую очередь механизмом принтера, и памятью. Принтер получает информацию от компьютера на языке описания страницы PDL (Page Description Language). Затем он обязан предоставить всю страницу с рисунками и текстом в виде набора крошечных точек - тех самых, которые потом (нарисует) лазерный луч и на которые прилипнут частицы тонера. При разрешении 1200*1200 этих точек на странице формата А4 насчитывается почти 140 миллионов. Нетрудно себе представить объем необходимых вычислений. Неудивительно, что стадия обработки информации так влияет на производительность принтера, т.е. на время, которое проходит между выбором опции Рrint из меню на экране персонального компьютера и выпадением отпечатанной страницы в приемный лоток принтера.
Каждый лазерный принтер содержит быстродействующий процессор, оперативную память и флэш-память (ППЗУ). Объем оперативной памяти обычно составляет 1-2 Мбайта с возможностью решения до 8-16 Мбайт. Флэш-память (если она есть) может иметь объем до 4 Мбайт. Кроме того, в некоторых принтерах может быть установлен жесткий диск. Скорость печати лазерного принтера составляет (в зависимости от разрешения) от 4 до 16 страниц в минуту.
Обладая значительной флэш-памятью (ППЗУ), принтер выигрывает в скорости за счет того, что не тратит времени на загрузку из компьютера шрифтов и шаблонов. Все эти данные многоразового использования хранятся в памяти принтера. Флэш-память позволяет записывать и держать наготове до двух десятков шрифтов.
Вся страница перед печатью должна быть загружена во внутреннюю память принтера в виде растрового (bitmap) представления. Правда, встроенные шрифты и иногда PostScript позволяет генерировать принтеру это растровое представление прямо по мере надобности и тогда не важно, сколько у принтера внешней памяти. Однако если речь идет о полноценной печати сложных рисунков (фотографий, клише, чертежей, печатных плат и т.д.) на монохромном принтере, то чтобы использовать его разрешающую способность полностью надо придерживаться соотношений, приведенных в таблице 1.
Таблица 1- Соотношение разрешающей способности
| Разрешение dip | 300X300 | 600X600 | 1200X1200 | |||
Формат Рисунков |
9X12 | A4 | 9X12 | A4 | 9X12 | A4 |
Требуемая Память Мб |
0.18 | 1.1 | 0.72 | 1.1 | 2.88 | 8.8 |
Количество двухтонового рисунка |
Хорошее | Отличное | Чрезмерное | |||
| Количество полутонового рисунка | Скверное | Удовлетворительное | Хорошее | |||
3.1Управление работой принтера
Принтер может управляться с помощью прикладных программ, команд печати или кнопками панели управления. Простейший путь управлять принтером - использовать пакеты прикладных программ. Большинство из них дают возможность выбрать инструкции для печати из меню или ввести команды печати непосредственно в файл с дальнейшей трансляцией их в команды печати.
3.2 Выбор интерфейса
Можно настроить принтер на работу с большим количеством разных интерфейсов. Возможно, использовать 4 типа интерфейса:
- RS - 232С (последовательный);
- RS - 422А (последовательный);
- параллельный (Сеntrоniсs);
- дополнительный (появляется в меню конфигурации, если есть аппаратная поддержка).
Параллельный интерфейс, поставляемый с принтером, - это Сеntrоniсs интерфейс. Поэтому при употреблении выражения “параллельный интерфейс” всегда подразумевается Сеntrоniсs параллельный интерфейс.
Параллельный интерфейс используется для печатания большого количества графической информации. Параллельный интерфейс быстрее, чем последовательный кабель с компьютером не может быть длиннее 3 метров.
RS-422 - последовательный интерфейс. Этот интерфейс используется, когда требуется особенно большое расстояние от компьютера (до 1200 м). Если используется этот интерфейс, то из меню конфигурации нужно выбрать именно его. В большинстве компьютеров стоит интерфейс RS-232С.
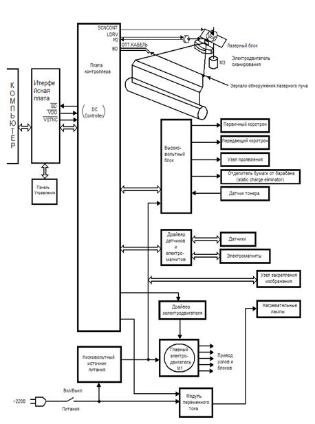
4 Особенности конструкции LaserJet III
4.1 Блок схема лазерного принтера
Блок схема платы интерфейса показана на листе формата А1.
Плата DС Соntroller предназначена для координации работы всех блоков и узлов лазерного принтера в процессе печати. Контроллер обеспечивает синхронную работу следующих узлов: лазерного блока, электродвигателей М1 и М3 блока высокого напряжения, блоков проявления, передачи и закрепления изображения, узлов продвижения бумаги, датчиков и электромагнитов. Блок-схема лазерного принтера приведена на рисунке 4.
Плата выполняет следующие функции:
- связь с центральным процессором;
- хранение информации о шрифтах;
- связь с панелью управления. Внешний вид панели схематично изображен на рисунке 2;
- отображение информации на дисплее панели управления;
- форматирование страницы;
- связь с дополнительным интерфейсом.

Рисунок 2 - Панель управления лазерного принтера LaserJetIII
ОЗУ типа NVРАМ (энергозависимое ОЗУ) имеет ёмкость 32 байта. Оно используется для хранения меню конфигурация и печати. Статическое ОЗУ типа SRАМ имеет ёмкость не более 4 Кбайт. Оно используется как стековая память в адресном пространстве центрального процессора.
Адресный контроллер выполнен на ПЛН (GА - 1). Он обеспечивает доступ к памяти типа DRАМ (ёмкость 512 Кб) и расширенной памяти (емкостью до 4 Мб). ОЗУ типа DRАМ хранит печатаемую информацию, информацию о шрифтах и другую служебную информацию, проходящую от персонального компьютера.
Регистр сдвига данных от 1 до 15 бит.
Временной контроллер (Тiming Соntrollеr) вырабатывает сигналы временной синхронизации процессов записи и считывания из ОЗУ DRАМ. Он вырабатывает также сигналы регенерации этого ОЗУ.
Контроллер ввода/вывода (I/О Соntrоllеr) определяет временную диаграмму ввода данных из персонального компьютера через параллельный интерфейс. Он также управляет связью интерфейса с контроллером (DC Controller).
Видеоинтерфейс (Video interface) имеет две буферные памяти объемом 4 Кб, через которые печатаемая информация, превращенная в матричные образы знаков, поступает на плату контроллера.

Рисунок 4 – Блок схема лазеного принтера.
Интерфейс картриджей шрифтов (Font cartridge) используется для ввода внешних дополнительных наборов знаков с помощью двух картриджей.
4.2 Обслуживание лазерных принтеров и уход за ним
Основные профилактические работы, проводимые пользователем для улучшения лазерного принтера:
- увеличения срока службы тонер - картриджа;
- регулировка плотностей печати;
- замена озонного фильтра;
- чистка и уход за внутренней поверхностью принтера;
- повышение качества печати.
Увеличения срока службы тонер - картриджа.
Тонер - картридж в принтере содержит фотобарабан и запас порошка (тонера).
Условие хранения картриджей:
- в горизонтальном положения (лежа), если они распакованы;
- при нормальной температуре и влажности;
- в стороне от прямых солнечных лучей.
Если принтер используется для печати обычных текстов, с применением текстового процессора при плотности символьного покрытия равной 5% общего объема листа, то запаса тонера хватает приблизительно на 4000 страниц, если же он его требуется значительно меньше.
Можно увеличить срок службы картриджа, регулируя плотность печати диском плотности, для этого его нужно установить на более высокий номер (мягкая печать). Применяя этот способ для распечатки, например, не очень важных, текущих служебных документов, где удовлетворяет и не очень четкая печать, можно значительно сэкономить тонер.
Замена озонного фильтра.
Озон - бесцветный газ, который выделяется при работе лазерного принтера. Принтеры LaserJet III снабжены озоновым фильтром, который необходимо менять после печати 50000 страниц текста.(даже если фильтр и кажется чистым, он теряет способность улавливать озон после печати такого количества страниц). При запуске самотеста, видно, какое количество страниц уже напечатано. Если использовать принтер в условиях, отличных от нормы, желательно менять фильтр чаще. Невыполнение по замене фильтра может привести к повышению уровня озона на рабочем месте.
Чтобы заменить фильтр, надо:
- открыть верхнюю крышку принтера (расположение фильтра - внутри справа принтера).
- разомкнуть держатель фильтра.
- удалить фильтр за пластмассовое ушко.
- установить новый фильтр. Пластмассовое ушко должно смотреть наружу.
- защелкнуть держатель фильтра.
- закрыть крышку принтера.
Чистка валиков.
Чистящая щеточка очищает валики в блоке напыления, где тонер наносится на бумагу. Новая щеточка поставляется или вместе с картриджем тонера, или вы можете заказать ее отдельно. Как правило, щеточка заменяется только при замене всего картриджа с тонером, и инструкция по замене имеются в руководстве по установке принтера или картриджа. Если же при печати образуются вертикальные полосы или по другой причине требуется замена щеточки, то можно воспользоваться следующими указаниями:
- выключить принтер.
- открыть крышку принтера.
- открыть крышку блока напыления. (Она покрыта зеленым фетром и на ней напечатано: “осторожно - высокая температура”).
- вытащить старую щеточку.
- небольшим кусочком ткани протереть валик.
- заменить чистящую прокладку в щеточке.
- установить крышку блока на место (она не закрывается плотно).
- закрыть крышку принтера.
- включить принтер.
При включенном принтере блок напыления горячий. При замене щеточки можно браться только за зеленую фетровую крышечку. Если дотронуться до других частей блока, то можно обжечься.
4.3 Чистка принтера
Если качество печати падает, то необходимо выполнить следующее:
- выключить принтер (нарушение этого условия при протирке может привести к ожогу или к поломке принтера).
- открыть верхнюю крышку принтера.
- протереть внутреннюю часть принтера, удаляя следы тонера. Используя при этом мягкую тряпку, слегка смоченную в воде, или тампон, смоченный в изопропиловом спирте.
Использование других растворителей, кроме высококачественного спирта или воды, можете привести к поломке принтера. Нельзя использовать для протирки материалы, содержащие нашатырь.
Специальные операция принтера.
Принтер, кроме операций со стандартным листом А4 и горизонтальной печатью, может выполнять дополнительно:
- печать в различных направлениях;
- организовать вывод листов в столку вниз лицом по порядку или вверх лицом в обратном порядке;
- печать на нестандартных по размеру и плотности листах бумаги, используя ручную подачу бумаги;
- печать на пленках;
- печать наклеек и ярлыков;
- печать конвертов;
- печать на бумаге разных размеров и из разных бункеров загрузки бумаги.
4.4 Автоматическая подача бумаги
Принтеры LaserJet III отличаются от всех моделей принтеров HEWLETT-PACKARD устройством многоцелевого бункера автоматической подачи бумаги. Чтобы установить автоматическую подачу бумаги из многоцелевого бункера, необходимо сделать следующее:
- используя панель управления, установить размер бумаги или конвертов для многоцелевого бункера (МР $ТЕ);
- выбрать размер печатаемой информации (ЗОВ $17Е) либо через панель управления, либо командами печати через используемые сервисные пакеты;
- установить многоцелевой бункер подачи бумаги;
- загрузить используемую бумагу или конверты в бункер;
- выбрать и установить выходной бункер приема бумаги.
5 Диагностика неисправностей и ремонт лазерных принтеров
Диагностика неисправностей лазерного принтера значительно облегчается, если пользователь знает принцип действия, блок- схему, временную диаграмму работы лазерного принтера и, самое главное. Имеет хотя бы небольшой опыт ремонта подобной техники. Любая неисправность лазерного принтера непременно сказывается на невыполнении одной из пяти функции лазерного принтера: электропитания всех узлов и блоков, протяжки бумаги от входного лотка к выходному лотку, формирования изображения, качества печати и связи с персональным компьютером. Особого внимания заслуживают функции формирования изображения и качества печати.
Для облегчения работы в лазерных принтерах предусмотрены режимы тестирования, сообщения об ошибках (ERROR) и служебные сообщения, сообщения для сервисной службы (Sеrviсе), сообщение о состоянии лазерного принтера (LaserJet III).
5.1 Аппаратные неисправности принтера LaserJet III
Основными электронными платами Лазерного принтера являются следующие:
- плата контроллера (DС СОNTROLLER);
- плата интерфейсов (Interface);
- лазерный узел (Laser unit);
- высоковольтный узел (Нigh- vоltage unit);
- плата драйверов и датчиков (Driver/sensor);
- плата закрепителя (fuser);
- источник низковольтного питания (lоw –voltage power supply);
- модуль источника переменного тока (Ac power module).
Типовые неисправности платы интерфейсов.
Особого внимания заслуживает плата интерфейсов (Interface) по следующим причинам:
- плата является самой большой по насыщенности микросхемами малой и большой интеграции (85 микросхем);
- плата имеет девять разъемов J1 -J9 для подключения внешних устройств, узлов и плат принтера;
- по статистике большой процент неисправностей лазерного принтера приходится именно на эту плату.
Основным элементом управления этой платы являются центральный процессор (ЦП) 1С17 типа МС68000Р8. ЦП является достаточно надежной микросхемой. Так, за пятилетний срок работы в сервис центре автору пришлось два раза менять ЦП по следующим причинам:
- пробит установочный вход RESET (Конт.181С17);
- пробит одни разряд шины данных D0... D15.
В статике неисправностей большое место занимает факт локального перегрева малых и больших логических микросхем, что также приводит к (зависанию) лазерных принтеров.
Например, если подозреваемая логическая микросхема при касании ее пальцем оказывается горячей, то она может быть неисправной.
Заслуживает внимания методика диагностики (поиска) неисправной микросхемы ОЗУ.
Если микросхемы ОЗУ установлены на колодках (в сокетах), то локализация неисправной микросхемы производится путем поочередной замены каждой микросхемы ОЗУ.
Отсутствие сигнала, нестабильный сигнал или неполноценный логический уровень на одном из входов/выходов микросхемы ОЗУ будет говорить о неисправности этой микросхемы.
Статистика неисправностей этой электронной платы показывает, что наиболее часто выходят из строя микросхемы малой интеграции, а именно:
- сильноточные буферные микросхемы, драйверы с открытым коллектором;
- буферные микросхемы (латки с тремя состояниями);
- преобразователи логических уровней типа МС1488 и МС1489.
5.2Устранение ошибок и неисправностей
Если принтер работает неправильно, выполняются по порядку указанные ниже действия. В случае, если на одном из шагов проверки обнаруживается ошибка, следуйте соответствующим инструкциям по устранению неисправности.
Убедится в том, что индикатор «готов».
Если не горит ни один из индикаторов:
- проверить, подсоединен ли шнур электропитания;
- проверить состояние выключателя;
- проверить источник электропитания;
Для распечатки демонстрационной страницы с целью проверки правильности подачи бумаги нажать кнопку «продолжить».
Если демонстрационная страница не распечатывается:
- проверить наличие бумаги в лотке 2;
- проверить состояние очереди заданий на печати и утилиты подкачки и убедится в том, что принтер не был приостановлен.
Распечатать из прикладной программы короткий документ для подтверждения того, что компьютер и принтер соединены и обмен данными происходит правильно.
Если страница не распечатывается, то нужно:
- проверить кабельное соединение между принтером и компьютером;
- убедится в том, что вы используете соответствующий кабель;
- проверить прикладную программу и убедится в том, что правильно используется соответствующий драйвер и порт принтера.
5.3 Дефекты печати и их исправление
Иногда печать происходит очень медленно. Для того чтобы это предотвратить.
Максимальная скорость печати принтера составляет восемь страниц в минуту и не может быть превышена. Эта скорость установлена для бумаги формата Letter. Бумага формата А4 имеет меньше размеры. Задание печати может быть очень сложным. Чтобы уменьшить сложность нужно:
- уменьшить сложность документа (сократите число графических изображений и т.п.).
- установить параметр «Быстрая печать» в окне свойств принтера.
- увеличить объем памяти принтера.
Бессмысленный, неверный или неполный текст.
Параллельный кабель, возможно, подсоединен неплотно или неисправен. Нужно выполнить следующие:
- отсоединить параллельный кабель и снова подсоединить его;
- попробовать распечатать задание, которое заведомо распечатывалось правильно.
- если возможно, подсоединить кабель и принтер к другому компьютеру и попытаться выполнить задание, которое заведомо распечатывалось правильно;
- попробовать использовать новый параллельный кабель, соответствующий IEEE- 1284.
- возможно, во время установки программного обеспечения был выбран неверный драйвер принтера. Убедится в том, что на экране свойств принтера выбран HEWLETT-PACKARD LaserJet III.
- возможно, не работает прикладная программа. Выполнить печать из другой прикладной программы.
Если отсутствует графика или текст то причина заключается:
- возможно, в файле имеются пустые страницы. Проверить файл и убедится в том, что в нем нет пустых страниц.
- возможно, параметры графики, установленные в свойствах принтера, не соответствуют типу задания, которое вы печатаете. Задайте другой параметр графики в свойствах принтера.
- драйвер принтера, возможно, не работает с тем типом задания, которое нужно распечатать. Тогда надо использовать другой драйвер принтера, например драйвер для принтера HEWLETT-PACKARD LaserJet IIIР. Использование другого драйвера не позволит пользоваться некоторыми возможностями принтера.
Если документ был создан с использованием более ранней версии драйвера принтера или с помощью драйвера для другого принтера, а также если в программном обеспечении установлены другие свойства принтера, формат страницы может измениться при печати с использованием нового драйвера принтера или новых параметров. Для устранения этой неполадки выполнить следующее:
- создать документы и распечатать их с использованием тех же самых драйверов и свойств принтера независимо от модели принтера HEWLETT-PACKARD LaserJet, на котором выполняется печать;
- изменить установки свойств принтера. Попробовать изменить разрешение, формат страницы, параметры шрифтов и другие установки.
Параметры печати графики могут не соответствовать вашему заданию печати.
- проверить параметры графики, установленные в свойствах принтера, как, например, разрешение, и отрегулировать их надлежащим образом.
- использовать другой драйвер принтера, например драйвер для HEWLETT-PACKARD LaserJet III.
Рассмотрим светлую или блеклую печать:
- тонер подается в небольших количествах. Возможно, можно временно продлить срок службы кассеты с тонером, вынув ее и несколько раз встряхнуть.
- возможно, бумага слишком влажная или слишком шероховатая.
- если вся страница выглядит светлой, то, возможно, плотность печати настроена на слишком светлую печать или включен режим ЕсоnоМоdе. Настроить плотность печати или отключить режим ЕсоnоМоdе в экране свойств принтера.
Если на отпечатанном экземпляре остались частички тонера это может быть по следующим причинам:
- возможно, бумага слишком влажная или слишком шероховатая.
- принтер, возможно, требует очистки.
Если появляться пропуски причина может быть в:
- отдельные листы бумаги могут быть дефектными. Попробуйте перепечатать задание.
- содержание влаги в бумаге неоднородно или бумага имеет влажные пятна на ее поверхности. Попробовать выполнить печать на новой бумаге.
- вся бумага в поставке некачественная. Процесс производства мог привести к тому, что некоторые участки бумаги отталкивают тонер. Попробуйте бумагу другого типа или марки.
- кассета с тонером может быть дефектной.
Если эти действия не привели к устранению неполадки. То принтер нуждается в ремонте.
Если появляються вертикальные линии на печати то:
- на фоточувствительном барабане внутри кассеты с тонером, возможно, имеются царапины. Для устранения этой проблемы нужно установить новую кассету с тонером.
Если серый фон появляется при печати то нужно:
- уменьшить значение параметра плотности печати. Это приведет к уменьшению фонового затенения. Вызвать этот параметр можно в окне «свойства принтера».
- заменить бумагу на менее плотную.
- проверить условия окружающей среды, в которой находится принтер; слишком сухой воздух (низкая влажность) может вызывать повышенное фоновое затенение.
- установить новую кассету с тонером.
Бывает так что остаються следы тонера для решения этого нужно:
- если следы загрязнения тонером появляются на ведущем крае бумаги, возможно, загрязнены направляющие бумаги. Очистить их сухой, не оставляющей волокон тканью.
При рассыпании тонера нужно.
- очистить принтер изнутри.
- проверить тип бумаги и ее качество.
- попробовать установить новую кассету с тонером.
Если же повторяются вертикальные дефекты причины могут быть:
- кассета с тонером, возможно, повреждена. Если пятна появляются на том же самом месте на разных страницах. Установить новую кассету с тонером.
- возможно, тонер попал на внутренние детали принтера.
Если дефекты обнаруживаются на обратной стороне листа, проблема, вероятнее всего, устранится после распечатка нескольких листов.
Рассмотрим искажение формы символов:
- Если символы имеют неправильную форму, с неполной заливкой контуров. Возможно, используемая бумага является слишком гладкой. Использовать другую бумагу.
Если символы имеют неправильную форму и волнообразные контуры, лазерный сканер, возможно, нуждается в обслуживании. Проверьте, обнаруживается ли тот же дефект при раскрытии пробной страницы. Если это имеет место, то принтер нуждается в ремонте.
Еще одна из проблем- страница перекошена для избежания этого нужно:
- убедиться в том, что бумага (или другой материал для печати) загружена правильно и что направляющие не слишком сильно прижаты к стопке бумаги и не слишком свободны по отношению к ней.
- лоток подачи бумаги, возможно, переполнен.
- проверить тип бумаги и ее качество.
Если отпечатанный экземпляр выходит скрученным или волнистым нужно:
- проверить тип бумаги и ее качество.
- возможно. Бумага находилась слишком долго в лотке подачи. Перевернуть стопку бумаги в лотке. Также повернуть бумагу на 180 градусов в лотке подачи.
- попробовать выполнить печать с протяжкой на прямую.
Еще возможно появление складок или трещин рассмотрим способы решения этого:.
- убедится в том, что бумага загружена правильно.
- проверить тип бумаги и ее качество.
- попробовать выполнить печать с протяжкой на прямую.
- перевернуть стойку бумаги в лотке. Попробовать также повернуть бумагу на 180 градусов в лотке подачи.
5.4 Очистка принтера
Во время печати частички бумаги, тонера и пыли собираются внутри принтера. Со временем эти накопления могут привести к таким дефектам качества печати, как появление частичек тонера на бумаге иди другие виды загрязнения тонером. Принтер имеет два режима очистки, которые позволяют исправлять и предотвращать дефекты этого типа:
- очистка в зоне кассета с тонером.
- очистка пути прохождения бумаги в принтере.
Очистка в зоне кассеты с тонером.
Очистку зоны кассеты с тонером не требуется выполнять регулярно. Перед очисткой найти места внутри принтера, в которых наблюдаются значительные отложения пыли.
1) Выключить принтер, отсоединив шнур от сети, и подождать, пока он остынет.
2) Открыть дверцу принтера. Во избежание повреждения не следует оставлять кассету. Также во избежание повреждения принтера нельзя дотрагиваться до черного губчатого передаточного валика, находящегося внутри принтера.
3) Сухой, свободной от волокон тканью протереть пыль и грязь с путей прохождения бумаги и из полости, в которой помещается кассета с тонером.
4) Поставить на место кассету с тонером и закройте дверцу принтера.
5) Подсоединить шнур электропитания к принтеру.
Очистка пути прохождения бумаги в принтере.
В этом процессе используется бумага копировального качества. С помощью которой удаляется пыль и частички тонера с пути прохождения бумаги. Пользуйтесь этим способом, если на распечатках обнаруживаются частички тонера или точки. На получаемой при этом странице выводятся отходы от процесса печати, поэтому ее следует выбросить.
1) Убедится в том, что в принтер загружена бумага.
2) Убедится в том, что принтер находится в состоянии готовности.
3) Нажать и удерживать кнопку «Продолжить» в течении 20 с (если отпустить кнопку раньше этого времени, произойдет сброс принтера). Принтер протянет лист бумаги.
После удерживания кнопки “Продолжать”, нажатой в течении 20 с, все три индикатора принтера начинают мигать и находятся в этом состоянии до завершения процесса очистки.
Перераспределение тонера.
Появление на распечатке плохо пропечатанных или светлых областей означает, что количество тонера в кассете уменьшилось. Вы можете временно улучшить качество печати, перераспределив тонер в кассете. Приведенная ниже процедура позволяет завершить распечатку текущего задания прежде, чем вы замените кассету с тонером.
1) Открыть дверцу принтера и вынуть кассету с тонером из принтера.
2) Для распределения тонера аккуратно вытряхнуть кассету из стороны в сторону. Если тонер попадет на одежду, стряхнуть его сухой холодной водой.
3) Горячая вода способствует закреплению тонера на ткани.
Вставить кассету с тонером в принтер и закрыть дверцу принтера.
Если распечатки остаются светлыми, установить новую кассету с тонером.
5.6 Замена кассеты с тонером
Для замены кассеты с тонером нужно следовать приведенным ниже инструкциям:
1) Открыть дверцу принтера и вынуть кассету с тонером из принтера.
2) Встряхнуть новую кассету с тонером из стороны в сторону для равномерного распределения тонера внутри кассеты.
3) Отогнуть, и освободите язычок с правой стороны от кассеты.
4) Потянуть за язычок, чтобы полностью вытянуть ленту из кассеты и удалить ее.
5) Вставить кассету с тонером в принтер. После того как убедитесь в том, что кассета вставлена плотно, и закрыть дверцу принтера.
ЗАКЛЮЧЕНИЕ
В данном курсовом проекте были рассмотрены и проанализированы вопросы диагностики неисправностей лазерного принтера LaserJet III и их устранения, замены основных узлов и компонентов принтера, а также принцип действия, технология печати и качество вывода изображения на лист бумаги.
Лазерные принтеры - наиболее распространенный тип принтеров. В этом типе принтеров используется для печати тонкий луч лазера, который светит на зеркало, которое вращается с высокой скоростью. Отраженный луч через систему зеркал и призму попадает на барабан и за счет поворота зеркал нейтрализует заряды по всей длине фотобарабана. Точки, которые на бумаге должны получиться темными, разрежаются светом лазерного луча. Заряды на освещенных точках поверхности барабана нейтрализуются благодаря фотопроводящим свойствам барабана. Таким образом, на поверхности барабана формируется скрытое электростатическое изображение. На которое в дальнейшем попадает тонер. Благодаря этому печать происходит с высокой скоростью и в отличном качестве.
При рассмотрении неисправностей лазерного принтера LaserJetIII. Можно сказать, что принтер в использовании рядового пользователя относительно не сложен. При устранении простейших неисправностей не нужно участие профессионалов и пользователь при ознакомлении с литературой имеет возможность исправить многое самому, что не касается электронной начинки принтера, а механической его части. Механика это самая уязвимая часть принтера.
Данная курсовая работа будет очень полезна для начинающих пользователей в знакомстве с конструкцией лазерного принтера, и устранение неисправностей при первых признаках неполадки.
Стоит отметить, что фирма Hewlett-Packard предлагает достаточно широкий диапазон различных по характеристикам устройств и позволяет выбрать именно ту модель принтера, которая необходима при решении той или иной задачи.
На основании выше сказанного можно сделать вывод, что разработанные технологии в фирмы Hewlett-Packard и примененные в принтере LaserJet III в 80-е годы используются в настоящее время в современных лазерных принтерах
СПИСОК ИСПОЛЬЗУЕМОЙ ЛИТЕРАТУРЫ
| 1 Кэролайн М. Холидей | “Секреты ПК”.- Киев.:Диалектика, 1995.- 413с. |
| 2 Платонов Ю.М., Гапеенков А.А. | “Ремонт зарубежных принтеров”. М.: Солон – Р, 2000.-272с. |
| 3 Синдеев Ю.Г. | “Принтеры ремонт обслуживание”.- Ростов на Дону: Феникс, 2001.- 224с.- (сер. Техномир). |
| 4 Журнал | “HARD’n’SОFТ” №2 1997 год. |
| 5 Журнал | “Компьютерный Пресс” №1 1993 год. |
| 6 Журнал | “Компьютерный Пресс” №5 1993 год. |
Похожие рефераты:
Автоматизированные системы обработки информации и управления
Техническая диагностика средств вычислительной техники
Усовершенствование печатной платы принтера
Основные характеристики современных принтеров
Шрифты и их роль в печатных изданиях
Электронный документооборот страхового общества