| Скачать .docx | Скачать .pdf |
Дипломная работа: Разработка канала для комплексной скважинной аппаратуры
ДИПЛОМНЫЙ ПРОЕКТ
Разработка канала для комплексной скважинной аппаратуры
РЕФЕРАТ
Выпускная квалификационная работа содержит 71 страницу, 9 рисунков, 8 таблиц, 8 источников, 1 приложение, 8 листов графического материала формата А1.
ВЛАГОСОДЕРЖАНИЕ НЕФТИ, КАНАЛ ИЗМЕРЕНИЯ ВЛАЖНОСТИ, КАНАЛ ИЗМЕРЕНИЯ ТЕМПЕРАТУРЫ, КОМПЛЕКСНАЯ СКВАЖИННАЯ АППАРАТУРА, МИКРОКОНВЕРТОР
В выпускной квалификационной работе проведено исследование и анализ методов измерения влажности и температуры, разработана принципиальная схема канала, произведен расчет основных компонентов схемы, проведен анализ погрешностей разработанного канала. Разработаны конструкции первичных преобразователей.
В экономической части приведен расчет стоимости проведенных работ. Рассмотрены вопросы безопасности жизнедеятельности человека при эксплуатации данного канала.
Содержание
Введение
1. Анализ технического задания. Выбор методов измерений
1.1 Требования к комплексной скважинной аппаратуре
1.2 Анализ технического задания
1.3 Выбор метода измерения влагосодержания
1.4 Выбор метода измерения температуры
2. Разработка структурной схемы
2.1 Структурная схема комплексной скважинной аппаратуры
2.2 Структурная схема каналов измерения температуры и влажности
2.3 Выбор основных узлов
3. Разработка принципиальной схемы
3.1 Вывод функции преобразования датчика влажности
3.2 Разработка принципиальной схемы преобразователя емкости в период
3.3 Разработка принципиальной схемы преобразователя сопротивления в напряжение
3.4 Режим работы АDuC 834
4. Математические модели измерительных каналов
4.1 Математическая модель первичного преобразователя температуры
4.2 Математическая модель канала измерения содержания воды в нефти
5. Анализ погрешностей
5.1 Основная погрешность канала измерения температуры
5.2 Дополнительная погрешность канала измерения температуры
5.3 Основная погрешность канала измерения влажности
5.4 Дополнительная погрешность влагомера
6. Разработка конструкции
6.1 Разработка конструкции для первичного преобразователя температуры 56
6.2 Разработка конструкции первичного преобразователя влагомера
7. Технико-экономическое обоснование
7.1 Оценка экономической эффективности проекта
7.1.1 Расчет затрат и стоимости проекта
7.1.2 Расчет количества и стоимости сырья, основных материалов и покупных изделий
7.1.3 Расчет трудоемкости и тарифной заработной платы производственных рабочих
7.1.4 Расчет себестоимости
7.2 Расчет ожидаемой экономической эффективности
7.2.1 Расчет общих капитальный вложений в проектируемый канал
7.2.2 Смета эксплуатационных расходов
7.2.3 Срок окупаемости
8. Обеспечение безопасности жизнедеятельности
8.1 Требования к оборудованию, аппаратуре и техническим средствам
8.2 Меры безопасности при эксплуатации скважинного прибора
8.3 Правила эксплуатации, хранения и транспортировки
Заключение
Список использованных источников
Введение
Геофизические исследования скважин являются областью прикладной геофизики, в которой современные физические методы исследования вещества используются для геологического изучения резервов, пройденных скважинами, выявления оценки запасов полезных ископаемых, получения информации о ходе разработки месторождений и о техническом состоянии скважин.
Применительно к изучению резервов нефтяных и газовых скважин эти исследования называют промысловой геофизикой. Кроме того, в практике используется термин «каротаж». Каротаж (фр.) — исследование литосферы методами создания (бурение или продавливание) специальных зондировочных скважин и проведения измерений при прохождении электрическими, магнитными, радиоактивными, акустическими и другими методами. В современном понятии обозначает совокупность геофизических работ на скважинах - скважинную геофизику или геофизические исследования скважин.
Геофизические исследования в скважинах выполняются с помощью специальных установок, называемых промыслово-геофизическими (каротажными) станциями.
В последние годы значительно увеличились глубины скважин, значительно усложнились условия их проходки. Это потребовало создания новых высокопроизводительных приборов и аппаратуры на основе достижений электронной техники и широкого внедрения обработки геофизических данных на ЭВМ.
Разработана комплексная скважинная аппаратура – агрегатированная система геофизических скважинных приборов, рассчитанных на высокие давления и температуры. Она содержит несколько модулей, каждый из которых измеряет определенный параметр [1]. Целью данной работы является разработка одного из таких модулей, а именно, канала измерения содержания воды в нефти и канала измерения ее температуры.
Влажность нефти является одним из важнейших технологических параметров. На разных этапах добычи и подготовки нефти она определяет правильность эксплуатации нефтяного пласта, интенсивность эмульгирования водо-нефтяной смеси в процессе ее перекачки, эффективность процессов деэмульсации и качество товарной нефти, поступающей на переработку. С влагосодержанием тесно связано также содержание солей, которые причиняют немалый вред оборудованию нефтеперерабатывающих заводов.
1 Анализ технического задания. Выбор методов измерений
1.1 Требования к комплексной скважинной аппаратуре
Под комплексной скважинной аппаратурой понимается совокупность измерительных устройств, предназначенных для определения физических величин и параметров в скважинах. В состав аппаратуры в общем случае входят скважинный прибор и наземные блоки, соединенные геофизическим кабелем. Поскольку скважинная аппаратура эксплуатируется совместно с геофизическими лабораториями и станциями, основные узлы последних входят в состав телеизмерительной системы скважинной аппаратуры и обеспечивают ее нормальную работу.
Одним из требований разработки скважинной геофизической аппаратуры, вытекающих из условий ее эксплуатации, является максимальное упрощение части измерительной схемы, опускаемой в скважину в процессе исследований. Однако это требование должно учитываться наравне с требованием оптимальности аппаратуры. Так сигнал, поступающий с датчика или приемника зонда, часто имеет небольшую мощность или вид, неудобный для передачи по кабелю, поэтому возникает необходимость соответствующего преобразования сигнала с помощью устройств, сосредоточенных в скважинном приборе. Выходные параметры должны быть согласованы с электрическими параметрами геофизического кабеля, что нередко вызывает дополнительные усложнения схемы.
Таким образом, измерительная схема геофизической аппаратуры включает две части, одна из которых располагается в скважинном приборе, а другая – на поверхности.
Наиболее ответственной в метрологическом отношении частью аппаратуры является зондовое устройство или датчик [2].
При эксплуатации аппаратура и ее отдельные блоки находятся под воздействием различных факторов (нагрузок). К ним относятся климатические условия, механические и электрические нагрузки, квалификация обслуживающего персонала, обеспеченность материалами и запасными частями и т.п.
Механические нагрузки (вибрация, удары, постоянно действующее ускорение) возникают при транспортировке и эксплуатации аппаратуры. Количественные значения механических нагрузок, воздействующих на аппаратуру в целом при различных условиях ее работы, приводятся в стандартах и другой нормативно-технической документации.
В результате воздействия механических нагрузок наблюдается: смещение скользящих и вращающихся деталей и узлов аппаратуры, разрушение паек, разрушение нитей накала ламп, короткое замыкание близко расположенных проводников и деталей, размыкание нормально замкнутых контактов, замыкание нормально разомкнутых контактов, обрыв и разрушение элементов конструкции.
Климатические нагрузки (температура, влажность, конденсационная влага, гидростатическое давление) воздействуют на аппаратуру на всех этапах ее эксплуатации. Например, скважинный прибор должен выдерживать температуру порядка 120ºС и высокое давление порядка 60 МПа.
В результате воздействия климатических нагрузок наблюдается: изменение значений электрических констант (R, L, C и т.д.), размягчение и потеря эластичности изоляции, уменьшение поверхностного и объемного сопротивления изоляции, переохлаждение и замерзание движущихся частей аппаратуры, размыкание и замыкание контактов вследствие коробления, изменение прочности конструкционных элементов, чрезмерный механический износ подвижных частей аппаратуры вследствие проникновения песка и пыли.
Климатические нагрузки в отдельных частях аппаратуры могут резко отличаться от их значений в окружающей среде.
Электрические нагрузки (ток, напряжение, рассеиваемая мощность) обычно определяются для отдельных элементов изделия и реже для его узлов. Электрическая нагрузка зависит от принципиальной электрической схемы, конструкции аппаратуры и стабильности частоты и напряжения питания.
В результате воздействия электрических нагрузок появляются: обрыв элементов или узлов аппаратуры в результате их перегорания, короткое замыкание элементов или узлов в результате пробоя, изменение значений электрических констант (R, L, C и т.д.) [2].
Комплексная скважинная аппаратура должна удовлетворять всем перечисленным выше требованиям и выдерживать подобные условия эксплуатации.
1.2 Анализ технического задания
Разрабатываемый канал должен удовлетворять следующим требованиям:
1) Разрабатываемый модуль измерения температуры и содержания воды в нефти предназначен для работы в составе комплексной скважинной аппаратуры.
2) Диапазон измерения температуры, ºС 0...120
3) Диапазон измерения влагосодержания, % 0...100
4) Погрешность измерения температуры:
а) основная погрешность, ºС ±0,05
б) дополнительная температурная погрешность, ºС/ºС ![]()
5) Погрешность измерения влагосодержания:
а) основная погрешность ±0,05
б) дополнительная температурная погрешность, 1/ ºС ![]()
6) Время преобразования, с, не более 0,2
7) Напряжение электрического питания, В 5
8) Диаметр корпуса прибора, мм 28
9) Выходной код – двоичный, последовательный, 24-разрядный.
Проанализировав техническое задание, можно сказать, что высокой точности требует измерение температуры. К измерению же влагосодержания не предъявляется требования высокой точности, поскольку все существующие методы определения влажности не могут ее обеспечить. Быстродействие модуля невысокое.
1.3 Выбор метода измерения влагосодержания
Методы измерения влажности жидкости можно разделить на 5 групп: равновесные, испарительные, выделительные, химические и физические.
При использовании равновесных методов измерения сводятся к определению влажности газовой фазы, находящейся в подвижном гигротермическом равновесии с жидкостью, содержащей влагу. Практически используется электрохимический влагомер газов и гигроскопический дилатометрический влагомер газов . Недостаток метода – большая инерционность и невысокая точность.
При использовании испарительного метода определение содержания влаги в жидкости подменяется определением ее в газе, для чего пробу влажной жидкости полностью выпаривают. Этот метод позволяет пользоваться любым типом влагомера для газов; он пригоден для измерения влажности низкокипящих жидкостей, упругость паров которых при температуре окружающего прибор воздуха не превышает рабочего давления данного влагомера (0,07 до 1,0 МПа) – фторированных углеводородов (фреона), сжиженного нефтяного газа, жидкого пропана и др. Если это давление значительно (единицы и десятки МПа), применяют редуктор давления и обогреваемый паром или электричеством испаритель.
В выделительных влагомерах влагу сначала выделяют из контролируемой жидкости тем или иным способом (дистилляция, экстрагирование жидкостью, вымывание газом), после чего прямо или косвенно определяют содержание воды в отгоне или экстракте. При работе по методу экстрагирования (чаще всего диоксаном) нужно, чтобы экстрагирующее вещество не взаимодействовало с безводной частью контролируемой жидкости. Дистилляционный метод в прямом виде примени только к жидкостям с относительно низкой упругостью –поров (например, трансформаторное масло) и недиссоциирующим термически при температуре перегонки. При малых концентрациях воды (10-1 до 10-4 % объемный) ее предпочтительно выделяют промыванием жидкости в колонке током тщательно осушенного (остаточное содержание влаги менее 1 – 10-4 % объемный) нейтрального газа.
В химических методах вода контролируемой жидкости вступает количественно в химическую реакцию со вспомогательным реагентом, вводимым в жидкость, и мерой определяемого содержания воды является количество продуктов реакции или ее тепловой эффект. Эти методы получили значительное распространение как образцовые в широком интервале значений концентраций влаги в жидкостях как методы лабораторного и производственного спорадического экспресс-анализа. Физические (прямые) методы характеризуются тем, что содержание воды в контролируемой жидкости определяют измерением значений каких-либо однозначно зависящих от влажности, физических свойств непосредственно самой жидкости, без выделения из нее влаги. К числу свойств, используемых для этой цели, относятся диэлектрические потери и проницаемость, электропроводность, показатель преломления, плотность, температуры фазовых переходов, поглощение электромагнитных и корпускулярных излучений и др. Наибольшее значение среди них получили методы емкостные и кондуктометрические.
Влажность жидкостей, в составе которых водород составляет небольшой процент, может быть измерена методом ядерного резонанса.
Недостатком всех перечисленных выше методов является то, что для них необходимо специальное оборудование, либо их необходимо проводить в лабораторных условиях.
Кондуктометрический метод основан на измерении электропроводности. Однако она зависит не только от соотношения воды и нефти, но также и от химического состава жидкости. Из-за наличия солей в воде результат измерения может изменяться в 50-100 раз.
Поэтому наиболее приемлемым методом для решения поставленной задачи является диэлькометрический , основанный на существовании функциональной зависимости между диэлектрической проницаемостью водо-нефтяной эмульсии и объемным содержанием воды в ней [3]. Этот метод наиболее удобен для практической реализации. Кроме того, он имеет высокие метрологические показатели и возможность контроля влажности непосредственно в потоке нефти.
В качестве первичного преобразователя используем цилиндрический датчик, состоящий из металлического корпуса, который служит наружным электродом, и коаксиального внутреннего цилиндрического электрода, покрытого слоем прочной и термостойкой пластмассы для защиты от воздействия внешней агрессивной среды. Такой преобразователь отличается простотой конструкции и удобством сопряжения с трубопроводом.
1.4 Выбор метода измерения температуры
Термический каротаж широко используется как на стадиях региональных и зональных геофизических исследований, так и на стадии эксплуатации скважин, включая контроль процессов разработки и изучение состояния скважин [4]. В связи с этим большую роль играют технические и, прежде всего, метрологические характеристики применяемых средств измерения температуры. В настоящее время имеются реальные технические возможности создавать средства термометрии, обладающие существенно более высокими метрологическими характеристиками по сравнению с известными серийно выпускаемыми каротажными приборами и системами.
К важнейшим метрологическим характеристикам относятся:
- погрешность измерения температуры (во всем диапазоне условий эксплуатации);
- разрешающая способность по температуре;
- инерционность (постоянная времени);
- долговременная стабильность характеристик.
Улучшение указанных характеристик позволит не только повысить точность измерений температуры и термоградиента, но и повысить метрологическую надежность средств измерений и достоверность получаемой измерительной информации.
В термоизмерительных приборах метрологические характеристики прибора в целом определяются главным образом характеристиками первичного измерительного преобразователя (датчика) температуры.
Различные средства измерения температуры можно подразделить по типу используемых первичных преобразователей.
Термоэлектрические преобразователи . При использовании термоэлектрических преобразователей (термопар) возникает необходимость измерения значения термо-ЭДС на выходе термопары. Для этой цели широко применяются милливольтметры и компенсаторы постоянного тока, шкалы которых градуируются непосредственно в градусах температуры.
При измерении температуры свободные концы термопары должны находиться при постоянной температуре. Рабочий диапазон температур термопары 0 - 150ºС и точность измерения до 0,001.
Кварцевые термопреобразователи. В последние годы для измерения температур от -80 до +250ºС все более широкое распространение получают кварцевые термопреобразователи, отличающиеся высокой разрешающей способностью и имеющие частотный выходной сигнал, хорошо защищенный от помех и легко преобразуемый в цифровой код. В кварцевом термопреобразователе используется зависимость собственной частоты кварцевого элемента от температуры.
Кварцевые термопреобразователи имеют высокую чувствительность (до 103 Гц/К), высокую временную стабильность (0,02К за год) и разрешающую способность 10-4 -10-7 К, что и определяет перспективность их использования в цифровых термометрах, а применение микропроцессоров открывает возможность учета их индивидуальных нелинейных градуировочных характеристик.
Пирометры. Приборы для измерения температуры, основанные на использовании энергии излучения нагретых тел, называются пирометрами. Они делятся на радиационные, яркостные и цветовые.
Радиационные пирометры используются для измерения температуры от 20 до 2500ºС. Они градуируются по излучению абсолютно черного тела, поэтому неточность оценки коэффициента неполноты излучения вызывает погрешность измерения температуры.
Яркостные (оптические) пирометры основаны на сравнении в узком участке спектра яркости исследуемого объекта с яркостью образцового излучателя. Они обеспечивают более высокую точность измерений температуры, чем радиационные. Их основная погрешность обусловлена неполнотой излучения реальных физических тел и поглощением излучения промежуточной средой, через которую производится наблюдение.
Цветовые пирометры основаны на измерении на двух длинах волн, выбираемых обычно в красной или синей областях спектра. Диапазон измерения температур 900-2200ºС с основной погрешностью ±1%.
Шумовые термометры . Для измерения температуры в диапазоне 4-1300К применяются шумовые термометры, действие которых основано на зависимости шумового напряжения на резисторе от температуры. Практическая реализация метода заключается в сравнении шумов двух идентичных резисторов, один из которых находится при известной температуре, а другой – при измеряемой.
Термометры ядерного квадрупольного резонанса (ЯКР) основаны на взаимодействии градиента электрического поля кристаллической решетки и квадрупольного электрического момента ядра, вызванного отклонением распределения заряда ядра от сферической симметрии. Это взаимодействие обусловливает прецессию ядер, частота которой зависит от градиента электрического поля решетки. А он, в свою очередь, зависит от температуры, и с ее повышением частота ЯКР понижается. Погрешность измерения температуры 10К составляет ±0,02К, а температуры 300К ±0,002К.
Термометры, использующие явление ядерного магнитного резонанса (ЯМР), применяются для измерения низких температур. Прецизионный ЯМР-термометр предназначен для измерения температур от 1мК до 1К. Амплитуда сигнала ЯМР-термометра и период релаксации обратно пропорциональны абсолютной температуре [5].
В большинстве известных каротажных приборов и систем применяются резистивные (медные или платиновые) и полупроводниковые (на основе p-n перехода) датчики температуры. Однако указанные датчики имеют существенные недостатки.
Медные и платиновые термопреобразователи сопротивления
обладают невысокой чувствительностью – их ТКС порядка
1/ºС. По сравнению с медными платиновые термопреобразователи имеют существенно более высокую временную стабильность параметров, однако у них большие габариты и инерционность.
Полупроводниковые датчики на основе p-n перехода имеют малые габариты и тепловую инерцию, но их точность не велика – в диапазоне температур 0...100 ºС их погрешность порядка 0,5...1 ºС. В связи с этим их использование целесообразно в каротажных измерительных приборах и системах с невысокими требованиями к точности измерения температуры.
В то же время давно известны полупроводниковые резистивные преобразователи температуры (термисторы), большим достоинством которых является высокая чувствительность. Их ТКС порядка
1/ºС, т.е. на порядок выше, чем у медных и платиновых терморезисторов. Однако их применение в термоизмерительной аппаратуре в течение многих лет сдерживалось следующими отрицательными факторами:
- существенной нелинейностью функции преобразования;
- неудовлетворительной временной стабильностью характеристик;
- большим разбросом характеристик от одного экземпляра к другому, а следовательно невзаимозаменяемостью.
Следует отметить, что в последние 10-12 лет в производстве термисторов произошли существенные изменения, которые определили перспективность их применения в разнообразных термоизмерительных приборах, в том числе и в приборах высокой точности.
С метрологической точки зрения к числу лучших из серийно выпускаемых термисторов можно отнести продукцию фирмы BetaTHERM (Ирландия). Совершенствование материалов и технологии позволило этой фирме обеспечить выпуск термисторов с высокой повторяемостью и долговременной стабильностью характеристик. Термисторы изготавливаются из различных материалов и имеют отрицательный температурный коэффициент сопротивления.
Основные характеристики указанных термисторов [6]:
1. Рабочий диапазон температур (-50...+150) ºС;
2. Чувствительность (ТКС) (-4...-5) %/ ºС;
3. Погрешность из-за изменения характеристик во времени в течение 10 лет 0,01 ºС/год;
4. Погрешность из-за разброса характеристик от экземпляра к экземпляру в диапазоне (0...70) ºС (эта погрешность может быть исключена путем индивидуальной калибровки датчика) ±0,2 ºС;
5. Сопротивление различных термисторов при температуре 25 ºС
от 100 Ом до 1МОм;
6. Постоянная времени в жидкости у малоинерционных датчиков 0,3 с;
7. Малые габариты (например, миниатюрные термисторы microchip имеют диаметр 0,457 мм и длину 3,2 мм).
Таким образом, указанные термисторные преобразователи миниатюрны, малоинерционны, обладают высокой чувствительностью и долговременной стабильностью характеристик. Что касается нелинейности функции преобразования, то применение микропроцессоров или микро-ЭВМ позволяет легко учитывать реальную нелинейную функцию преобразования.
Следует отметить, что высокая чувствительность и большое сопротивление термисторов существенно упрощают построение последующих измерительных преобразователей и обеспечивают достижение высокой точности и разрешающей способности.
Таким образом, применение современных термисторов в средствах измерений для термического каротажа и соответствующих алгоритмов обработки информации и калибровки приборов позволяют обеспечить высокую точность измерений в широком диапазоне температур, высокую разрешающую способность, долговременную стабильность характеристик, высокое быстродействие, простоту конструкции датчика и схемы его включения.
2 Разработка структурной схемы
2.1 Структурная схема комплексной скважинной аппаратуры (КСА)
Комплексная скважинная аппаратура контроля технического состояния скважин и разработки нефтяных месторождений ГеоПАЛС КСП 16 (далее аппаратура) предназначена для работы в совокупности с каротажной станцией и геофизическим подъемником и позволяет осуществлять геологотехнологический контроль состояния скважин и контроль разработки нефтяных месторождений.
Контроль технического состояния скважин и контроль разработки нефтяных месторождений осуществляется путем измерения и передачи по каротажному кабелю телеметрической информации о температуре, давлении, влагосодержании и электрической проводимости флюида, магнитных неоднородностях (локация муфт), интенсивности притоков (термокондуктивная индикация притоков), гамма-активности, геохимических параметрах флюидов (водородный показатель pH, концентрации ионов натрия, хлоридов и т.п.), расхода жидкости.
Скважинная аппаратура состоит из базового модуля, транзитного модуля резистивиметра, транзитного гидрогеохимического модуля и модуля расходомера. Все модули имеют унифицированные стыковочные узлы.
Электрическое соединение модулей включает в себя 3 контакта: шина питания ( +5 В), информационная шина и общая шина (“земля”).
Передача измерительной информации со скважинной аппаратуры в геофизический регистратор осуществляется по геофизическому кабелю (максимальная длина каротажного кабеля 5000 м). Она предназначена для работы с серийно выпускаемыми геофизическими регистраторами типа ОНИКС, ГЕКТОР, КЕДР и т.п. При этом используется временное разделение каналов, двоичное кодирование и последовательная передача кодов по кабелю с помощью фазо-разностной модуляции. Аппаратура обеспечивает практически одновременное измерение и регистрацию 16 измеряемых параметров.
Структурная схема скважинной аппаратуры приведена на рис. 2.1.
На схеме изображены базовый модуль БМ и дополнительные модули: модуль электропроводности МЭ (модуль резистивиметра), гидрогеохимический модуль ГГХМ и модуль расходомера МР.
Через контакты разъемов во все модули проходят 3 шины: общая шина (“земля”), шина питания (+5 В) и шина информации. Передача измерительной информации и команд управления по информационной шине осуществляется в цифровой форме с адресацией.
Такая структура скважинной аппаратуры позволяет практически без ограничений изменять количество и состав дополнительных модулей, а также обеспечивает возможность изменять количество и назначение измерительных каналов, входящих в состав базового модуля в процессе дальнейшего развития аппаратуры.
Модуль расходомера МР содержит датчик расхода ДР турбинного типа и микропроцессор МП1, который преобразует частоту повторения импульсов датчика в цифровой код.
Гидрогеохимический модуль ГГХМ содержит два измерительных электрода ИЭ1 и ИЭ2 и электрод сравнения ЭС, подключенные ко входам измерительного преобразователя ИП1. Все электроды легко вставляются в соответствующие гермовводы ГГХМ, что облегчает их обслуживание и замену. Измерительный преобразователь ИП1 имеет высокое входное сопротивление (порядка 1012 Ом) и обеспечивает измерение разностей потенциалов между каждым измерительным электродом и электродом сравнения, а также между ЭС и корпусом прибора.
Микроконвертор МК1 преобразует все вышеуказанные напряжения в цифровые коды и передает их по информационной шине в микропроцессор МП2.

Модуль электропроводности (резистивиметр) содержит датчик электропроводности ДЭ, измерительный преобразователь ИП2 и микроконвеортор МК2. Датчик электропроводности ДЭ представляет собой индукционный (двухтрансформаторный) бесконтактный кондуктометрический преобразователь, выходной сигнал которого пропорционален электрической проводимости жидкости.
Измерительный преобразователь ИП2 осуществляет питание ДЭ переменным током и преобразование выходного сигнала ДЭ в постоянное напряжение. Микроконвертор МК2 преобразует это напряжение в цифровой код и передает его по информационной шине в микропроцессор МП2. Кроме того, МК2 и ИП2 реализуют алгоритм автоматической цифровой коррекции погрешностей резистивиметра, что обеспечивает достаточно высокую точность измерений в широком диапазоне электропроводностей и температур.
Базовый модуль БМ содержит три микроконвертора (МК3, МК4, МК5), каждый из которых обеспечивает работу двух измерительных каналов. Микроконвертор МК3 осуществляет питание датчиков давления (ДД) и термокондуктивного индикатора притока (ДСТИ), а также преобразование выходных сигналов этих датчиков в цифровые коды. Датчик давления ДД представляет собой серийно выпускаемый тензопреобразователь давления, выполненный по технологии “кремний на сапфире”. Для обеспечения высокой точности измерений давления в базовом модуле выполняется автоматическая цифровая коррекция дополнительной температурной погрешности и погрешности нелинейности ДД. Микроконвертор МК3 осуществляет питание ДД и преобразование его выходных сигналов в цифровые коды.
Датчик притока ДСТИ содержит термистор и нагреватель, питание которого включается (или выключается) оператором с помощью геофизического регистратора путем изменения тока питания скважинной аппаратуры.
Микроконвертор МК4 обслуживает каналы измерения температуры и влажности. В датчике температуры (ДТ) в качестве первичного преобразователя используется миниатюрный термистор, обладающий высокой чувствительностью и долговременной стабильностью характеристик. Для обеспечения высокой точности измерений применена нелинейная математическая модель функции преобразования термистора, которая используется для вычисления значения измеряемой температуры непосредственно в базовом модуле.
Датчик влажности ДВ представляет собой емкостной датчик диэлькометрического типа, электрическая емкость которого изменяется при изменении диэлектрической проницаемости исследуемой жидкости. Измерительный преобразователь ИП3 преобразует емкость ДВ в период повторения импульсов, который в свою очередь преобразуется в цифровой код с помощью счетчика-таймера, входящего в состав МК4.
Микроконвертор МК5 обслуживает локатор муфт и гамма-канал. Датчик локатора муфт ДЛМ представляет собой дифференциальный индуктивный преобразователь, реагирующий на изменения магнитного сопротивления внешней магнитной цепи. Измерительный преобразователь ИП4 осуществляет питание датчика ДЛМ переменным током и преобразование дифференциальной индуктивности в постоянное напряжение, которое затем преобразуется в цифровой код в микроконверторе МК5.
Для обеспечения надежной работы локатора муфт в широком диапазоне скоростей движения базового модуля в микроконверторе МК5 производится статистическая обработка данных, поступающих с ДЛМ, в результате которой выдаются два числа: оценка математического ожидания (МО) и оценка среднего квадратического отклонения (СКО).
Датчик гамма-канала ДГ включает в себя кристалл NaI (или CsI) и фотоэлектронный умножитель (ФЭУ) с высоковольтным источником питания. Выходной сигнал ДГ представляет собой случайную последовательность импульсов, средняя частота повторения которых пропорциональна интенсивности гамма-излучения. Для оценивания этой средней частоты в микроконверторе МК5 выполняется подсчет числа импульсов ФЭУ за 5с, причем производится скользящее усреднение со сдвигом на 1с.
Микропроцессор МП2 осуществляет управление информационной шиной, включая получение цифровых данных от всех датчиков базового и дополнительных модулей и передачу команд соответствующим узлам прибора. Цифровые данные, полученные в цикле опроса всех измерительных каналов, поступают из микропроцессора МП2 в микроконвертор МК6, в котором производятся вычисления значений измеряемых величин в соответствии с используемыми математическими моделями измерительных каналов и хранящимися в памяти МК6 индивидуальными значениями параметров этих моделей, а также в соответствии с используемыми алгоритмами автокоррекции погрешностей. Кроме того, в МК6 производится преобразование в цифровой код напряжения, пропорционального току стабилизатора напряжения блока питания БП.
При передаче измерительной информации по геофизическому кабелю используется двоичный код небольшой разрядности (15 информационных разрядов). В связи с этим для обеспечения максимальной эффективности использования этого кода в МК6 производится преобразование вычисленного значения каждой измеряемой величины в двоичный код, передаваемый по кабелю. Код, поступает в микропроцессор МП3, который преобразует его в код фазоразностной модуляции, управляющий работой устройства передачи данных УПД.
Блок питания БП преобразует ток питания, подаваемый по кабелю от геофизического регистратора, в стабилизированное напряжение +5 В на шине питания, а также формирует команду на включение СТИ при увеличении тока в кабеле , примерно, на 120 мА [7].
2.2 Структурная схема каналов измерения температуры и влажности
Здесь можно выделить два канала: канал измерения влажности и канал измерения температуры.
Первичным преобразователем влажности ППВ является емкостной параметрический датчик. Емкость удобнее всего преобразовывать в период или частоту. Значит, необходим измерительный преобразователь ИП, который бы осуществлял это преобразование. Частоту или период целесообразно преобразовать в цифровой код, для удобства передачи информации. Для этих целей используется АЦП1.
Аналогичную структуру имеет канал измерения температуры. Первичным преобразователем ППТ здесь является термистор. Для его питания необходим источник тока ИТ. При подаче тока на первичный преобразователь ППТ температура преобразуется в напряжение. В свою очередь, напряжение также целесообразно преобразовать в цифровой код. Поэтому необходим второй АЦП.
Для удобства дальнейшей передачи данных, а также для управления АЦП1 и АЦП2 необходим микроконтроллер КНТ, в состав которого входят следующие компоненты:
- микропроцессор МП;
- оперативно запоминающее устройство ОЗУ;
- память программ;
- интерфейс.
Управляющие воздействия от КНТ подаются на АЦП1 и АЦП2. Для передачи данных к каротажной станции используется цифровая магистраль.
Также в состав структуры должен входить блок питания, от которого питались бы все компоненты схемы. Сам блок питается от каротажной станции посредством магистрали питания.
Структурная схема приведена на рис. 2.2.
Структурная схема каналов измерения температуры и влажности

Рис. 2.2
2.3 Выбор основных узлов
Как уже отмечалось выше, датчик влажности представляет собой емкостной датчик диэлькометрического типа, электрическая емкость которого изменяется при изменении диэлектрической проницаемости исследуемой жидкости.
Измерительный преобразователь емкости в период повторения импульсов представляет собой схему мультивибратора на операционном усилителе с большим коэффициентом усиления.
В качестве АЦП1 для преобразования периода в цифровой код используется таймер-счетчик.
В датчике температуры (ДТ) в качестве первичного преобразователя используется миниатюрный термистор, обладающий высокой чувствительностью и долговременной стабильностью характеристик. Для обеспечения высокой точности измерений применена нелинейная математическая модель функции преобразования термистора, которая используется для вычисления значения измеряемой температуры непосредственно в базовом модуле.
Большой ТКС термисторов определяет большое изменение сопротивления датчика в рабочем диапазоне температур. В связи с этим применение мостовой схемы включения датчика не имеет смысла. Поэтому в цифровых термоизмерительных приборах и системах целесообразно использовать Сигма-Дельта АЦП и ratio-метрическую схему подключения к нему термисторного датчика.
Необходимо отметить, что большое сопротивление термисторов и их большой ТКС практически снимают проблему влияния сопротивлений подключающих датчик проводов. Если термистор имеет сопротивление 2 кОм, то изменение сопротивления проводов на 0,1 Ом приведет к погрешности по температуре порядка 0,002 ºС. В связи с этим нет необходимости использовать какие-либо сложные схемы подключения датчика (3х -4х -проводные).
Анализ структурной схемы показал, что для данной схемы целесообразно использовать микроконвертор, типа АDuC834 фирмы Analog Devices.
Микроконвертор ADuC834 является функционально законченным контроллером интеллектуального датчика, включающим в себя: два аппаратных модуля сигма-дельта АЦП высокого разрешения (24-разрядное и 16-разрядное), 8-разрядное микропроцессорное устройство управления и встроенную Flash-память программ и данных. Это малопотребляющее устройство принимает сигналы низкого уровня непосредственно с первичного преобразователя.
Кроме двух независимых модулей АЦП (основного и дополнительного) в составе устройства имеется датчик температуры и прецизионный программируемый усилитель, что позволяет выполнять прямые измерения малых уровней напряжения. АЦП с встроенным цифровым фильтром предназначены для измерения низкочастотных сигналов в широком динамическом диапазоне, таких, как сигналы с устройств взвешивания, тензометров или сигналы с температурных датчиков. Частота выдачи результатов измерений с выходов АЦП программируется.
Микроконвертор спроектирован для работы с внешним кварцевым резонатором на частоту 32 768 Гц, из которой встроенная система ФАПЧ вырабатывает внутреннюю рабочую частоту 12,58 МГц. Эта частота поступает на программируемый делитель, с выхода которого снимается рабочая тактовая частота вычислительного ядра микропроцессорного устройства. Такая схема организации тактирования позволяет ослабить вредное влияние паразитных высокочастотных токов, протекающих по общей шине и шине питания устройства, на точность аналого-цифровых преобразований. Процессорное ядро представляет собой микроконтроллер с системой команд, совместимой с набором инструкций семейства 8051. Машинный цикл ядра состоит из двенадцати циклов выбранной рабочей тактовой частоты. Микроконвертор имеет 8 кбайт Flash-памяти программ, 640 байт Flash-памяти данных и 256 байт оперативной памяти данных с произвольным доступом.
В состав ADuC834 включены также 12-разрядный ЦАП с выходом напряжения, два источника тока, монитор источника питания. Встроенная цифровая периферия микроконвертора включает в себя сторожевой таймер, счетчик временных интервалов (реального времени), три таймера-счетчика и модули последовательных портов UART и I2C/SPI.
Микроконвертор поддерживает режимы последовательной загрузки и отладки через UART, а также режим эмуляции через одну линию (единственный внешний контакт ЕА/). Устройство питается от однополярного источника с напряжением +3…+5 В. При напряжении источника +3 В потребляемая микроконвертором мощность составляет менее 10 мВт. Конструктивно ADuC834 выпускается в 52-контактном корпусе типоразмера MQFP [8]. Структурная схема микроконвертора приведена на рис. 2.3.
Структурная схема ADuC834

Рис. 2.3
Поскольку в состав микроконвертора уже входят Сигма-Дельта АЦП, источники тока, микропроцессор, таймер-счетчики, ОЗУ, память программ и интерфейс, то применение такого микроконвертора существенно упрощает структуру разрабатываемого канала. Эта упрощенная структура приведена на обобщенной схеме КСА (рис. 2.1). В нее входят следующие элементы: два первичных преобразователя, измерительный преобразователь емкости в период, микроконвертор, блок питания и магистрали.
3 Разработка принципиальной схемы
3.1 Вывод функции преобразования датчика влажности
В качестве первичного преобразователя для измерения влажности нефти используется цилиндрический датчик, состоящий из металлического корпуса, который служит наружным электродом, и коаксиального внутреннего цилиндрического электрода, покрытого слоем прочной и термостойкой пластмассы. Структура датчика схематически приведена на рис. 3.1.
Структура датчика влажности нефти

Рис. 3.1
Необходимо вывести функцию преобразования для данного датчика.
Емкость цилиндрического конденсатора определяется по следующей формуле:
(3.1)
где
Ф/м
– электрическая постоянная;
- относительная диэлектрическая проницаемость вещества, заполняющего межэлектродное пространство;
Н – высота электродов;
,
- диаметры соответственно внутреннего и наружного электродов.
В данном случае имеется две емкости. В первой емкости межэлектродное пространство заполнено пластмассой. Значение ее находится по формуле:
(3.2)
где
- относительная диэлектрическая проницаемость пластмассы;
Н=50 мм – высота электродов;
мм
– диаметр внутреннего электрода без слоя пластмассы;
мм
– диаметр внутреннего электрода со слоем пластмассы.
Емкость второго конденсатора определяется она по формуле:
(3.3)
где
мм
– диаметр наружного электрода;
- искомая диэлектрическая проницаемость (
для нефти,
- воды,
- воздуха).
В зависимости от содержания воды в нефти емкость будет изменяться.
Эти два конденсатора соединены последовательно, поэтому окончательное значение емкости определяется по формуле:
(3.4)
Определим значение емкости для чистой воды, чистой нефти и на воздухе.
При чистой нефти:
Ф;
Ф;
Ф.
При чистой воде:
Ф;
Ф;
Ф.
На воздухе:
Ф;
Ф;
Ф.
Таким образом, значение емкости изменяется от 2,6 до 65,5 пФ в зависимости от состава вещества, заполняющего межэлектродное пространство.
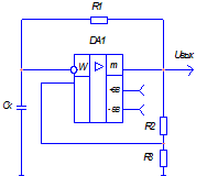
3.2 Разработка принципиальной схемы преобразователя емкости в период
Схема преобразователя емкости датчика в период повторения импульсов приведена на рис. 3.2. На рис. 3.3 представлены временные диаграммы, поясняющие работу схемы.
Схема преобразователя емкости датчика в период повторения импульсов

Рис. 3.2
Операционный усилитель с большим коэффициентом усиления выполняет функции схемы сравнения и находится в состоянии насыщения. Значение напряжения на выходе U
вых
(
t
)
по модулю равно значению напряжения насыщения Е
и может изменять знак в зависимости от соотношения напряжений на входах усилителя. Напряжение U
2
(
t
)
на неинвертирующем входе усилителя снимается с делителя, выполненного на резисторах R
2
, R
3
. Напряжение U
1
(
t
)
на инвертирующем входе усилителя является выходным напряжением цепочки, образованной емкостью СХ
и резистором R
1
.
Напряжение U
1
(
t
)
изменяется по экспоненте с постоянной времени
, стремясь к значению напряжения насыщения Е
.
Временные диаграммы

Рис. 3.3
В момент времени, когда U 1 (Т/2)= U 2 , схема сравнения переходит в противоположное состояние, т.е. напряжение U вых меняет знак. Далее процесс циклически повторяется.
Выходное напряжение представляет собой периодическую последовательность двухполярных прямоугольных импульсов (типа «меандр»). Период повторения импульсов пропорционален емкости первичного преобразователя влажности.
Необходимо получить зависимость выходной величины (периода) от емкости датчика.
Значение напряжение U 2 ( t ) на неинвертирующем входе усилителя (рис. 3.3) равно:
(3.5)
где Е – напряжение насыщения;
к находится по формуле:
(3.6)
Напряжение U 1 ( t ) на инвертирующем входе усилителя изменяется по экспоненте:
(3.7)
где
τ – постоянная времени, которая равна:
(3.8)
Найдем параметры а и b . С одной стороны, в моменты времени t , равные 0 и ∞, напряжение U 1 ( t ) принимает следующие значения:

(3.9)
С другой стороны, как видно по временным диаграммам (рис. 3.3), в момент времени t =0 напряжение U 1 =- kE , а в момент времени t =∞ - U 1 = E . Подставив данные значения напряжения в выражения (3.9), получим систему уравнений:
(3.10)
Решив систему, получим:
Подставляем a и b в выражение (3.7):
(3.11)
Как видно из временных диаграмм (рис. 3.3), в момент времени t = T /2 напряжения U 1 и U 2 равны:

![]()

![]()
Прологарифмируем последнее выражение:
Постоянная времени τ, как отмечалось ранее, равна
, поэтому:
(3.12)
Таким образом, получена зависимость выходной величины от емкости датчика.
Рассчитаем основные компоненты схемы.
Расчет схемы начинаем, исходя из условия: при
частота fmin
=5
k
Гц.
Отсюда можно вычислить период следования импульсов:
(3.13)
С другой стороны, период находится по формуле (3.12). Необходимо задаться коэффициентом k . Если k взять близким к нулю, то может возникнуть погрешность, связанная с дрейфом нуля. Если же, наоборот, близким к единице, то также возникнет погрешность из-за того, что напряжение U 1 ( t ) будет плавно стремится к значению Е , и не будет четкого перехода. Поэтому целесообразно принять коэффициент k , равным 0,5.
Теперь находим значение сопротивления R 1 из выражения (3.12):
(3.14)
Коэффициент k находится по формуле (3.6), т.е
(3.15)
С другой стороны, сумму сопротивлений R 3 и R 2 можно найти следующим образом:
(3.16)
де I д – ток, протекающий через делитель, образованный резисторами R 3 и R 2 . Пусть I д =10-4 А, тогда:
(3.17)
Решая совместно выражения (3.15) и (3.17), получим
Согласно ГОСТ 2825-67, выбираем резисторы ![]()
Для выбора резисторов необходимо вычислить мощность, рассеиваемую на них:
(3.18)
3.3 Разработка принципиальной схемы преобразователя сопротивления в напряжение
В качестве первичного преобразователя температуры используется термистор фирмы BetaTHERM (Ирландия) – 2К7МСD1. Данный термистор при температуре 25º С имеет сопротивление 2 кОм , а в диапазоне температур от 0 до 120º С его сопротивление меняется от 5,65 кОм до 114,6 Ом [6].
Как уже отмечалось ранее, в цифровых термоизмерительных приборах и системах целесообразно использовать Сигма-Дельта АЦП и ratio-метрическую схему подключения к нему термисторного датчика (рис. 3.4).
Ratio-метрическая схема включения термистора

Рис. 3.4
Последовательно с термистором включается один прецизионный резистор R
0
, с которого снимается опорное напряжение UREF
для Сигма-Дельта АЦП, входящего в состав ADuC834. Этот резистор должен иметь малый ТКС, т.к. именно от него зависит дополнительная температурная погрешность канала термометрии. Так, например, при использовании прецизионных резисторов фирмы HOLSWORTHY с ТКС
1/ºС дополнительная температурная погрешность для термисторного датчика при изменении температуры на 100 ºС составит (0,02...0,03) ºС. Сопротивление опорного резистора должно быть не меньше максимального сопротивления датчика во всем рабочем диапазоне температур. Поскольку максимальное сопротивление термистора составляет 5,65 кОм
, то R
0
=6,19 кОм.
Цифровой код на выходе АЦП определяется по следующей формуле:
(3.19)
где n – разрядность АЦП;
- напряжение, снимаемое с термистора:
(3.20)
Опорное напряжение
определяется по следующей формуле:
(3.21)
Поставляя (3.20) и (3.21) в выражение (3.19), получим:
(3.22)
Таким образом, цифровой код не зависит от значения тока или напряжения, а зависит лишь от сопротивления. Поскольку R 0 – резистор прецизионный и почти не изменяет своего значения с изменением температуры, то получаем прямо пропорциональную зависимость кода от сопротивления.
Определим предельные значения кода. При минимальной температуре:

Код для Т=120º С :
![]()
3.4 Режим работы ADuC 834
Режим работы всей схемы в основном определяется режимом работы микроконвертора, который устанавливается путем внесения определенных комбинаций в те или иные регистры специальных функций, т.е. программирования ADuC.
Чтобы определить работу схемы необходимо использовать следующие регистры:
1) ADCMODE (регистр режима АЦП) используется для управления режимами работы обоих каналов АЦП. Для того, чтобы разрешить работу основного АЦП, в ячейку ADCOEN необходимо записать 1. В биты с именами MD2, MD1 и MD0 записываются соответственно 0, 1, 1 для установления циклического преобразования. В этом режиме регистры данных АЦП постоянно модифицируются с частотой выбранного потока на выходе.
2) ADC0CON (регистр управления основным АЦП) используется для конфигурации основного АЦП по диапазону, выбору канала, разрешению внешнего ИОН и режиму униполярного или биполярного преобразования. В бит с именем XREF0 записывается 1 для того, чтобы разрешить использование основным АЦП внешнего ИОН через контакты REFIN(+) и REFIN(-) (для ratio-метрической схемы). CH1 и CH0 – биты выбора канала для основного АЦП. Записываем два 0 для выбора входов AIN1 (ножка 9) и AIN2 (ножка 10). Затем в бит с именем UNI0 записывается 1 для разрешения униполярного кодирования. Далее для выбора входного диапазона АЦП в биты RN2, RN1, RN0 записываются три единицы, что соответствует напряжению +2,56 В .
3) SF (регистр цифрового фильтра с «SINC»-характеристикой). Значение, записываемое в этот регистр, используется для установки коэффициента деления основной частоты при установке частоты обновления выходных данных модулей основного и дополнительного АЦП.
Частота потока выходных данных рассчитывается следующим образом:
(3.23)
где f ADC – поток данных на выходе АЦП (частота модификации выхода);
f MOD =32768 Гц – опорная (тактовая) частота модулятора;
SF – десятичное значение содержимого регистра SF.
Примеры значений SF и соответствующих им частот (f ADC ) и времени (tADC ) преобразования АЦП показаны в табл. 3.1.
Таблица 3.1
Соответствие между значениями SF и частотами преобразования АЦП
| SF |
fADC , Гц |
tADC , мс |
| 13 |
103,3 |
9,52 |
| 69 |
19,79 |
50,34 |
| 255 |
5,35 |
186,77 |
На рис. 3.5 показана графическая зависимость ослабления помехи нормального вида для частоты входного сигнала 50 Гц от десятичного содержимого регистра SF. Пользуясь графиком, можно определить, что наименьшее влияние на точность измерений сетевых наводок с частотой 50 Гц будет обеспечиваться при десятичных значениях SF, равных 81 и 245.
Исходя из данных таблицы, выбираем значение цифрового фильтра SF, равным 81. Далее найдем частоту потока выходных данных и время преобразования АЦП:
(3.24)
(3.25)
Амплитудно-частотная характеристика фильтра при частоте F=50 Гц

Рис. 3.5
При осуществлении преобразований оба модуля АЦП для минимизации ошибок смещения, используют цикл стабилизирующего прерывания. Это означает, что время первого цикла преобразований для циклического режима работы АЦП увеличивается в два раза и составляет
[8].
4) ICON (регистр управления источниками тока) используется для управления и конфигурации вариантов включения встроенных источников тока. Биты BO, ADC1IC и ADC0IC сбрасываются для выключения обоих источников тока контроля и токовой коррекции основного и дополнительного АЦП. В бит с именем I2PIN записывается 0 для подачи источника тока 2 (200 мкА) на внешний контакт 4 (Р1.3/AIN5/IEXC2). В I1PIN записывается 1 для подачи источника тока 1 на тот же контакт 4. I2EN и I1EN – биты разрешения источников тока 2 и 1 соответственно. В них записывается по единице. Таким образом, на контакт 4 подается ток 400 мкА.
4. Математические модели измерительных каналов
4.1 Математическая модель первичного преобразователя температуры
При использовании термисторов важным вопросом, от решения которого существенно зависит точность измерения температуры, является выбор математической модели термистора.
Наиболее простой из моделей, используемых для термисторов с отрицательным ТКС, является следующая:
(4.1)
где
- сопротивление термистора при температуре Т
;
Т – абсолютная температура;
А и В – постоянные коэффициенты [4].
Из формулы (4.1) может быть получена более удобная обратная математическая модель (Модель 1):
(4.2)
где
- сопротивление термистора при температуре Т
;
Т – абсолютная температура;
и
– постоянные коэффициенты.
В каталоге продукции BetaTHERM рекомендуется более сложная модель (Модель 2):
(4.3)
где
- сопротивление термистора при температуре Т
;
Т – абсолютная температура;
,
,
– постоянные коэффициенты [6].
В измерительных приборах и системах, разрабатываемых и выпускаемых НТЦ «ГеоПАЛС», применяется еще более сложная математическая модель термистора (Модель 3):
(4.4)
где
- сопротивление термистора при температуре Т
;
Т – абсолютная температура;
,
,
,
– постоянные коэффициенты.
Для сравнения моделей 1, 2 и 3 были использованы таблицы [6], представляющие собой градуировочные характеристики термисторов из различных материалов, выпускаемых фирмой BetaTHERM. Ниже приводятся результаты анализа для термисторов из материала № 7 (из этого материала изготовлены миниатюрные microchip, используемые в приборах НТЦ «ГеоПАЛС»).
В диапазоне температур (0...100) ºС были методом наименьших квадратов определены постоянные коэффициенты для каждой из моделей 1, 2, 3, определены погрешности аппроксимации во всех точках диапазона температур (через 5 ºС) и максимальная погрешность аппроксимации.
Зависимости погрешности от температуры для моделей 1, 2, 3 представлены на рис. 4.1. Анализ этих графиков показывает, что модель 1 и модель 2 имеют существенные систематические погрешности. В то же время отклонения данных от модели 3 имеют случайный характер, а следовательно дальнейшее усложнение модели нецелесообразно. Максимальная погрешность для модели 1 составляет 0,6 ºС, для модели 2 – 0,25 ºС, для модели 3 – 0,012 ºС, причем погрешность для модели 3 имеет случайный характер и определяется главным образом погрешностью получения исходных экспериментальных данных.
Таким образом, наилучшей математической моделью термистора является модель 3. Аналогичные выводы получены при анализе характеристик термисторов фирмы BetaTHERM, изготавливаемых из других материалов.
Графики зависимости погрешности от температуры для моделей 1, 2, 3



Рис. 4.1
Модель 3 содержит четыре постоянных коэффициента
,
,
,
, значения которых в конкретном диапазоне температур должны быть определены изготовлением измерительной аппаратуры путем ее калибровки. Очевидно, что при калибровке количество различных температурных точек должно быть не менее 4. Для исключения возможных ошибок и аномальных данных при калибровке целесообразно использовать 5 или 6 температурных точек. Калибровка должна осуществляться для каждого прибора, т.е для каждого прибора определяются индивидуальные значения параметров
,
,
,
.
В зависимости от назначения, состава и структуры измерительной системы для термического каротажа вычисление значения измеряемой температуры по формуле (4.4) с использованием индивидуальных значений параметров
,
,
,
осуществляется либо с помощью микропроцессора (например, в комплексной скважинной аппаратуре), либо в ЭВМ, с помощью которой обрабатывается получаемая измерительная информация (например, при работе с автономными приборами).
4.2 Математическая модель канала измерения содержания воды в нефти
Как уже отмечалось ранее функция преобразования датчика влажности имеет вид:
![]()
Ее можно записать в следующем виде:
(4.5)
где А1 – некоторый постоянный параметр:
![]()
СХ находится по формуле:

Или
(4.6)
(4.7)
(4.8)
где А2 – постоянный коэффициент:

Подставляя выражение (4.8) в (4.7) и учитывая выражение (4.5), получим:

(4.9)
Диэлектрическую проницаемость среды ε можно представить следующим образом:
(4.10)
где
- диэлектрическая проницаемость воды;
- диэлектрическая проницаемость нефти;
α – относительное содержание воды.
Подставляя (4.10) в (4.9) получим:
(4.11)
Обозначим
и
. Это постоянные параметры модели. Тогда формула (4.11) примет следующий вид:
(4.12)
Удобнее использовать не период повторения импульсов, а их частоту.
Окончательно математическая модель будет выглядеть следующим образом:
(4.13)
Константы а1 и а2 определяются путем калибровки в воде и в нефти по следующему алгоритму.
При α=0 , т.е. для чистой нефти выражение (4.13) принимает следующий вид:
(4.14)
При α=1 , т.е. для воды (4.13) принимает следующий вид:
(4.15)
Для нахождения коэффициентов необходимо решить систему уравнений:
(4.16)
Вычитаем одно уравнение из другого:
(4.17)
Из выражения (4.17) находим а1 :
(4.18)
Подставляя значение а1 в любое из уравнений системы, находим а2 .
Найдем ориентировочные значения коэффициентов. При чистой воде частота
. Для нефти:
![]()
Тогда:
(4.19)
(4.20)
5 Анализ погрешностей
5.1 Основная погрешность канала измерения температуры
Основная погрешность проявляется при нормальных условиях (температура окружающей среды 20 ºС, относительная влажность воздуха от 45 до 75 %, давление 100 кПа). В ее состав входят погрешность первичного преобразователя и погрешность АЦП.
Погрешность первичного преобразователя включает в себя две составляющие:
1) Погрешность математической модели (из-за нелинейности модели преобразования). При использовании модели (4.4) погрешность в диапазоне температур от 0 до 120 ºС не превышает Δ1 =±0,015 ºС .
2) Погрешность определения параметров модели при индивидуальной калибровке. Ограничена возможностями по точности образцовых средств измерения и составляет Δ2 =±0,03 ºС
Погрешность АЦП также складывается из нескольких составляющих.
1) Погрешность опорного резистора. Класс точности резистора 0,05 , т.е. относительная погрешность составляет δ R 0 =±0,05 %.
Поскольку код АЦП определяется по формуле:
,
то δ R 0 = δ Rt =±0,05 %.
Пусть
,
где
1/ºС
– ТКС термистора. Тогда:
![]()
![]()
ºС
(5.1)
1) Погрешность из-за шума АЦП. Шум АЦП зависит от режима работы, который определяется пределом измерения (2,56 В
) и частотой смены данных (SF
=81
или f
=16,8 Гц
). Для данного режима среднее квадратическое отклонение (СКО) шума АЦП составляет
мкВ
. Относительное СКО шума определяется по формуле:
![]()
ºС
ºС
(5.2)
2) Погрешность из-за нелинейности АЦП пренебрежимо мала.
Суммарная основная погрешность определяется по формуле:
ºС
(5.3)
Анализ показал, что основная погрешность определяется, главным образом, погрешностью калибровки первичного преобразователя и составляет
ºС
.
5.2 Дополнительная погрешность канала измерения температуры
Дополнительная погрешность складывается из погрешности опорного резистора и погрешности АЦП.
1) Погрешность опорного резистора. Относительная погрешность резистора есть его ТКС, т.е.
1/ºС
.
Погрешность резистора по температуре находится по формуле:
ºС /ºС
(5.4)
Это означает, что при изменении температуры окружающей среды на 1 ºС
погрешность опорного резистора по температуре составит
ºС
.
2) Погрешность АЦП.
Аддитивная составляющая погрешности (погрешность смещения нуля) по паспортным данным не превышает
и устраняется при автоматической коррекции.
Мультипликативная составляющая (ошибка коэффициента преобразования) не превышает
. Тогда погрешность по температуре составит:
(5.5)
Таким образом, суммарная дополнительная температурная погрешность не превышает
.
5.3 Основная погрешность канала измерения влажности
Данная погрешность определяется погрешностью измерения частоты. Последняя, в свою очередь, складывается из погрешности квантования, погрешности определения коэффициентов а1 и а2 при калибровке и погрешности из-за шума операционного усилителя.
1) Погрешность квантования.
Цифровой код на выходе АЦП имеет вид:
![]()
где ТИЗМ =0,2 с – время измерения.
![]()
![]()
Относительная погрешность квантования равна:
(5.6)
(5.7)
2) Погрешность из-за ошибки определения коэффициентов а1 и а2 при калибровке.
Учитывая (5.6) и (5.7), найдем абсолютную погрешность определения частоты:
(5.8)
(5.9)
Тогда:
(5.10)
Относительная погрешность определения коэффициента а1 будет равно:
(5.11)
Абсолютная погрешность определения коэффициента а2 находится по формуле:
(5.12)
(5.13)
![]()
Относительная погрешность этого коэффициента:
(5.14)
Найдем значения погрешности из-за ошибки определения коэффициентов отдельно для нефти и для воды.
В первом случае α=0 . Обозначим обе части равенства (4.13) буквой Д. Тогда абсолютная погрешность ΔД равна:
(5.15)
Относительная погрешность определения Д будет равна:
(5.16)
Относительная погрешность из-за ошибки определения коэффициентов для нефти будет равна:
(5.17)
Абсолютная погрешность:
(5.18)
(5.19)
Аналогично, находим значение погрешности для воды (α=1 ).
(5.20)
(5.21)
(5.22)
2) Погрешность из-за шума операционного усилителя:
(5.23)
где σШ – среднеквадратическое отклонение шума операционного усилителя.
Поскольку данная погрешность мала, то ею можно пренебречь.
5.4 Дополнительная погрешность влагомера
Дополнительная погрешность возникает из-за температурного дрейфа усилителя, из-за нестабильности сопротивлений резисторов, входящих в состав функции преобразования, а также под влиянием температурных изменений диэлектрических проницаемостей воды и нефти.
1) Погрешность из-за температурного дрейфа усилителя. Поскольку используется двухсторонняя развертка, то происходит компенсация влияния изменений смещения нуля операционного усилителя. Поэтому этой погрешностью можно пренебречь.
2) Погрешность из-за нестабильности резисторов.
Относительная погрешность для резистора R
1
определяется его ТКС и составляет
. Тогда погрешность из-за нестабильности этого резистора по частоте будет равна:
(5.24)
Абсолютная погрешность по частоте определяется формулой:
(5.25)
Определим значение этой погрешности для нефти и для воды.
Для воды:
(5.26)
Погрешность определения величины Д :
(5.27)
(5.28)
Отсюда погрешность из-за нестабильности сопротивления резистора R 1 для воды будет равна:
(5.29)
Аналогичный расчет производим, чтобы определить погрешность для нефти.
(5.30)
(5.31)
(5.32)
(5.33)
Погрешность для нефти примет значение:
(5.34)
Рассмотрим погрешность из-за нестабильности резисторов делителя. В функцию преобразования они входят в качестве коэффициента К , равного:
![]()
причем
.
Если резисторы R 2 и R 3 берутся из одной партии, то их ТКС будут примерно равны. Поэтому влиянием температуры на коэффициент К можно пренебречь.
3) Погрешность от влияния температурных изменений
и
.
Экспериментально установлено, что наиболее подвержена температурным изменениям диэлектрическая проницаемость воды:
(5.35)
Поскольку в чистой воде величина Д равна:
![]()
то
.
Абсолютная погрешность равна:
(5.36)
Это означает, что при изменении температуры окружающей среды на 100 ºС , эта погрешность составит 16 % . Это одна из наиболее существенных погрешностей влагомера.
Для коррекции этой погрешности можно использовать поправку:
(5.37)
где s – некоторый поправочный коэффициент.
6 Разработка конструкции
6.1 Разработка конструкции для первичного преобразователя температуры
Термистор, который используется в качестве первичного преобразователя, помещается в цилиндрический корпус, выполненный из нержавеющей стали марки 12Х18Н9Т. Внутренний диаметр корпуса составляет порядка 1,5 мм. Зазоры между термистором и стенками корпуса заполняются теплопроводящей пастой. Внешний диаметр корпуса с стороны выводов термистора составляет 9 мм, а со стороны самого термистора - 4 мм. В верхней части корпуса выполнены кольцевые проточки для резиновых колец. Это сделано для достижения герметизации при соединении первичного преобразователя с комплексной скважинной аппаратурой. Высота конструкции составляет порядка 60 мм.
Вся работа по изготовлению корпуса выполняется на токарном станке, что позволяет снизить затраты на его изготовление.
6.2 Разработка конструкции первичного преобразователя влагомера
Аналогичную конструкцию имеет первичный преобразователь канала измерения влажности. Цилиндрический корпус выполнен из высокопрочной пластмассы марки 450СА30, которая устойчива к перепадам давления и температуры. Внутренний диаметр корпуса составляет 5 мм, внешний – 7мм. Внутри корпуса расположен стальной стержень, диаметром 4 мм и высотой 50 мм. Этот стержень выполняет роль внутреннего электрода емкостного датчика. Аналогично, в верхней части корпуса имеют кольцевые проточки и резиновые кольца, предназначенные для герметизации. Верхняя часть корпуса также составляет 9 мм. Общая высота конструкции 90 мм.
7 Технико-экономическое обоснование
Повышение экономической эффективности производства является важнейшей задачей промышленности. Поэтому технико-экономическое обеспечение является важнейшим этапом при разработке новых ИИС и устройств.
Разработка нового продукта - это наиболее длительный и дорогостоящий этап. Выбирается тип и качество материала, разрабатываются технологии производство или покупка материалов, имеющихся на рынке или разработка новых, разработка конструкции продукта, определение возможности использования имеющегося оборудования или закупка нового.
7.1Оценка экономической эффективности проекта
Для оценки экономической эффективности проекта нужно сделать оценку отдельным статьям расходов.
7.1.1 Расчет затрат и стоимости проекта
Определение денежных затрат и времени на разработку системы, а также перечень работ по технической подготовке производства приведен в табл. 7.1.
Таблица 7.1
| Этапы разработки |
Исполнитель |
Затраты времени |
Стоимость 1 часа (руб.) |
Стоимость этапа (руб.) |
| Анализ задания |
Ведущий инженер |
22 |
14,6 |
321,2 |
| Подбор технической литературы |
Инженер 1 категории |
24 |
13,5 |
324,0 |
| Разработка принципиальной схемы |
Инженер 1 категории |
40 |
13,5 |
540,0 |
| Расчет принципиальной схемы |
Инженер 1 категории |
30 |
13,5 |
405,0 |
| Продолжение таблицы 7.1 |
||||
| Этапы разработки |
Исполнитель |
Затраты времени |
Стоимость 1 часа (руб.) |
Стоимость этапа (руб.) |
| Разработка и расчет механических узлов |
Инженер 1 категории |
40 |
13,5 |
540,0 |
| Разработка монтажной схемы |
Инженер 1 категории |
30 |
13,5 |
405,0 |
| Разработка чертежей печатной платы |
Инженер 1 категории |
32 |
13,5 |
432,0 |
| Разработка конструкции |
Инженер 1 категории |
20 |
13,5 |
270,0 |
| Разработка технического процесса |
Инженер 1 категории |
35 |
13,5 |
472,5 |
| Составление заявок на покупные изделия |
Техник |
15 |
7,5 |
112,5 |
| Изготовление печатной платы |
Техник |
4 |
7,8 |
31,2 |
| Экономическое обоснование выбора элементов |
Инженер 1 категории |
10 |
13,5 |
135 |
| Монтаж печатной платы |
Техник |
16 |
7,8 |
124,8 |
| Монтаж технических узлов |
Инженер 1 категории |
24 |
13,5 |
324 |
| Испытание и наладка опытного образца |
Инженер 1 категории |
30 |
13,5 |
405 |
| Составление методики контроля и наладки |
Инженер 1 категории |
8 |
13,5 |
108 |
| Расчет надежности |
Инженер 1 категории |
20 |
13,5 |
270 |
| Расчет стоимости |
Инженер 1 категории |
5 |
13,5 |
67,5 |
| Расчет ожидаемой экономической эффективности |
Инженер 1 категории |
8 |
13,5 |
108 |
| Оформление технической документации |
Инженер 1 категории |
30 |
13,5 |
405 |
| Составление инструкции по экспуатации |
Инженер 1 категории |
3 |
13,5 |
40,5 |
| Составление сборочных чертежей |
Инженер 1 категории |
10 |
13,5 |
135 |
| Сборка, оформление отчетов по работе |
Инженер 1 категории |
18 |
13,5 |
243 |
| Продолжение таблицы 7.1 |
||||
| Этапы разработки |
Исполнитель |
Затраты времени |
Стоимость 1 часа (руб.) |
Стоимость этапа (руб.) |
| Сдача прибора заказчику |
Инженер 1 категории |
4 |
13,5 |
54 |
| Итого |
6273,2 |
|||
7.1 .2 Расчет количества и стоимости сырья, основных материалов и покупных изделий
Расчет себестоимости изготовления устройства ведется по следующим статьям калькуляции. К статье «материалы» относится стоимость материалов, которые входят в состав проектируемого устройства, а также вспомогательных материалов, используемых при изготовлении прибора. Расчет всех затрат материалов для изготовления печатной платы сведен в таблицу 7.2
Таблица 7.2
| Вид и характеристика материалов |
Единица измерения |
Цена за единицу измерения, руб. |
Чистый вес, кг |
Сумма, руб. |
| Стеклотекстолит |
кг |
350,00 |
0,048 |
16,8 |
| Припой ПОС-62 |
кг |
380,00 |
0,030 |
11,4 |
| Флюс ЛТП-120 |
кг |
100,00 |
0,016 |
1,6 |
| Канифоль |
кг |
300,00 |
0,032 |
9,6 |
| Спирт технич. ГОСТ 172991-71 |
л |
50.00 |
0,100 |
5.00 |
| Сталь 10 |
кг |
55.00 |
0,050 |
2,75 |
| Лак АБ |
л |
170.0 |
0.011 |
1,87 |
| Итого |
49,02 |
|||
Расчет стоимости покупных готовых изделий и полуфабрикатов, входящих в сведен в таблицу 7.3
Таблица 7.3
| Наименование детали |
Марка, серия |
Кол-во |
Цена за единицу, руб. |
Сумма, руб. |
| Микросхема DA1 |
AD3300-3.3 |
1 |
67,65 |
67,65 |
| Микросхема DA2 |
ADM8825ART |
1 |
87,38 |
87,38 |
| Микросхема DA3 |
ADUC834 |
1 |
1286,43 |
1286,43 |
| Микросхема DA4 |
AD8531 |
1 |
47,59 |
47,59 |
| Катушка индуктивности |
LQH32MN101R23L |
3 |
2,26 |
6,78 |
| Термистор |
2K7MCD1 |
1 |
250 |
250 |
| Кварцевый резонатор |
32768 Гц DT-38T |
1 |
5,76 |
5,76 |
| Разъем |
BLS-3 шаг 2,54 мм |
2 |
0,53 |
1,06 |
| Резистор 10 кОм |
CFR-25JT-52-10R |
1 |
0,44 |
0,44 |
| Резистор 15кОм |
B54102-A1153-J60 |
1 |
11,05 |
11,05 |
| Резистор 1,8 МОм |
CF-0,125 1,8 М 5% |
1 |
0,42 |
0,42 |
| Резистор 6,19 кОм |
RN73C2A6K19BTDF |
1 |
26,5 |
26,5 |
| Резистор 27 кОм |
CF-0,25 27k 5% |
2 |
0,6 |
1,2 |
| Конденсатор 1 мкФ |
CC0805 1 мкФ 25B Х7R (10%) |
4 |
0,86 |
3,44 |
| Конденсатор 12 пФ |
CC0805 12 пФ 50B NPO (5%) |
2 |
0,19 |
0,38 |
| Конденсатор 0,1 мкФ |
CC0805 0,1 мкФ 50B Х7R (10%) |
4 |
0,77 |
3,08 |
| Конденсатор 0,68 мкФ |
CC0805 0,68 мкФ 16B Х7R (10%) |
3 |
0,95 |
2,85 |
| Итого |
1802,01 |
|||
7.1.3 Расчет трудоемкости и тарифной заработной платы производственных рабочих
Расчет тарифной заработной платы производственных рабочих, изготавливающих измерительную систему, а также трудоемкости выполнения работ сведены в таблицу 7.4.
Таблица 7.4
| Наименование работ |
Разряд |
Числовая тарифная ставка (руб.) |
Трудоемкость (ч) |
Тариф. зараб. плата (руб.) |
| Изготовление печатной платы |
2 |
7,8 |
3 |
23,4 |
| Электромонтаж |
3 |
8,16 |
3 |
24,48 |
| Заготовитель |
5 |
7,8 |
12 |
93,6 |
| Печатный монтаж плат |
3 |
7,8 |
5 |
39,0 |
| Токарно-слесарные работы |
5 |
7,8 |
16 |
124,8 |
| Монтаж |
3 |
7,8 |
6 |
46,8 |
| Наладки |
5 |
7,8 |
20 |
156,0 |
| Итого |
508,08 |
|||
7.1.4 Расчет себестоимости
Расчет себестоимости разрабатываемого канала приведен в таблице 7.5.
Таблица 7.5
| Наименование статей калькуляции |
Затраты, руб. |
Примечание |
| 1. Сырьё и основные материалы |
49,02 |
Табл. 7.1.2.1 |
| 2. Покупные изделия и полуфабрикаты |
1802,01 |
Табл. 7.1.2.2 |
| 3. Транспортано - заготовительные расходы |
92,55 |
5% от суммы п. 1.2 |
| 4. Стоимость реализуемых отходов (вычитается) |
0,98 |
2% от п.1 |
| 5. Итого: основных материалов и покупных изделий |
1942,6 |
Сумма п. 1-4 |
| 6. Тарифная зарплата производственных рабочих |
508,08 |
Табл. 7.1.3.1 |
| 7. Премия производственных рабочих |
101,62 |
20 % от п.6 |
| 8. Основная зарплата производственных рабочих |
609,70 |
Сумма п.6,7 |
| 9. Дополнительная зарплата производственных рабочих |
121,94 |
20 % от п.8 |
| 10. Начисления по социальному страхованию |
190,23 |
26 % от суммы п.8,9 |
| 11. Цеховые расходы |
914,55 |
150% от п.8 |
| 12. Общезаводские расходы |
731,64 |
120% от п.8 |
| Продолжение таблицы 7.5 |
||
| Наименование статей калькуляции |
Затраты, руб. |
Примечание |
| 13. Прочие производственные расходы |
90,21 |
2 % от суммы п.5,8-12 |
| 14. Производственная себестоимость |
4600,87 |
Сумма п. 5,8-13 |
| 15, Внепроизводственные расходы |
368,07 |
8 % от суммы п.14 |
| 16. Полная себестоимость |
4968,94 |
Сумма п. 14,15 |
Прибыль предприятия (15% от полной стоимости) составляет 745,34 руб. Оптовая цена на изделие:
ЦОПТ = S ПОЛН + прибыль = 4968,94+ 745,34 =5714,28 руб . (7.1)
Отпускная цена с учетом налога на добавочную стоимость 18 %.
ЦОТПУС = ЦОПТ × 1,18 = 5714,28×1,18 = 6742,85 руб. (7.2)
7.2 Расчет ожидаемой экономической эффективности
7 .2.1 Расчет общих капитальных вложений в проектируемый канал
Расходы на приобретение проектируемого канала - 6742,85 руб.
Затраты, связанные с монтажом и наладкой (20 % от стоимости приобретения устройства) проектируемого канала – 1348,57 руб.
Общие капитальные вложения в проектируемый канал – 8091,42 руб.
7.2.2 Смета эксплуатационных расходов
Проектируемый канал обслуживает инженер с месячным окладом 6000 руб.
а) Заработная плата обслуживающего персонала за год:
3 = 6000 ×12 = 72000,00 руб (7.3)
Размер премии составляет 20 % от зарплаты:
Зпрем = 72000 × 0,2 = 14400,00 руб. (7.4)
Дополнительная заработная плата составляет:
Здоп = (72000,00 + 14400,00) × 0,2 =17280,00 руб. (7.5)
Отчисления на социальное страхование:
Осоцстрах = (3 + Зпрем + Здоп ) × 0,26 = 26956,8 руб. (7.6)
Итоговая зарплата:
S = Осоцстрах + 3 + Зпрем + Здоп = 130636,8 руб. (7.7)
б)Амортизация (20% от общих капитальных вложений) проектируемого канала – Амр=1618,28 руб.
в) Затраты на текущим ремонт (35% от амортизации) проектируемого канала - Рпг =566,40 руб.
Результаты расчетов сведены в таблицу 7.6.
Таблица 7.6
| Наименование расходов |
Проектируемый канал |
| На приобретение |
6742,85 |
| Затраты, связанные с монтажом и наладкой |
1348,57 |
| Общие капитальные вложения |
8091,42 |
| Эксплуатационные расходы |
|
| Амортизация |
1618,28 |
| Затраты на текущий ремонт |
566,40 |
| Зарплата обслуживающего персонала |
130636,8 |
| Итого |
140912,9 |
7.2.3 Срок окупаемости
В среднем проектируемый канал окупается за 6 лет. Рентабельность изделия составляет:
,
где Ци - рыночная, цена, руб;
Си - себестоимость изделия, руб.
(7.8)
На основании экономических расчетов видно, что проектируемый канал построен на основе новейших компонентов. Производство экономически выгодно, приносит прибыль и затраченные вложения на его разработку и внедрение в сферу работы окупятся.
8 Обеспечение безопасности жизнедеятельности
8.1 Требования к оборудованию, аппаратуре и техническим средствам
Согласно постановлению от 5 июня 2003г. №56 "Об утверждении правил безопасности в нефтяной и газовой промышленности" (Зарегистрировано в Минюсте РФ 20.06.2003 N 4812) к аппаратуре по ведению геофизических работ в нефтяных скважинах должны предъявляться следующие требования:
1) Геофизические работы в нефтяных и газовых скважинах должны проводиться с применением оборудования, кабеля и аппаратуры, технические характеристики которых соответствуют геолого-техническим условиям в бурящихся и эксплуатируемых скважинах.
2) Каротажные подъемники должны быть укомплектованы:
- подвесными и направляющими блоками, упорными башмаками и приспособлением для рубки кабеля;
- средствами визуального контроля за глубиной спуско-подъема кабеля, скоростью его продвижения и натяжения;
- соединительными кабелями с прочным электроизоляционным покрытием;
- автоматизированным кабелеукладчиком.
3) Для проведения геофизических работ в скважинах под давлением в комплект наземного оборудования должны входить лубрикаторные устройства, испытанные на давление, ожидаемое на устье скважины.
4) К геофизическим работам допускаются сертифицированные оборудование, кабель и аппаратура.
5) Опытные и экспериментальные образцы геофизической техники допускаются к применению только при наличии разрешения организации, в ведении которой находится скважина, и при согласовании с территориальными органами Госгортехнадзора России.
6) Конструкции приборных головок должны обеспечивать присоединение приборов к унифицированным кабельным наконечникам и сборку компоновок комплексной или комбинированной многопараметровой аппаратуры. Кабельный наконечник должен иметь конструкцию, обеспечивающую его захват ловильным инструментом. Ловильный инструмент под все типы применяемых головок и кабеля должен входить в комплект геофизической аппаратуры.
7) Прочность крепления прибора к кабелю с помощью кабельных наконечников должна быть ниже разрывного усилия соответствующего типа кабеля.
8) При геофизических работах должен применяться кабель, не имеющий нарушений броневого покрытия. Сохранность брони должна периодически проверяться, а после работ в агрессивных средах кабель должен испытываться на разрывное усилие.
Для спуска прибора в скважину используется кабель марки КГ 3×0,75-60-150 (ГОСТ Р 51978-2002). Характеристики кабеля приведены в таблице 8.1.
Таблица 8.1
| Конструкция и основные характеристики кабеля |
Параметры |
| Центральный проводник |
Жилы из медных луженых проволок |
| Номинальное сечение жилы, мм2 |
0,75 |
| Число жил |
3 |
| Внешний диаметр кабеля по оболочке, мм |
10,2 |
| Расчетная масса, кг/км |
З99 |
| Разрывная нагрузка кабеля, кН, не менее |
60 |
| Электрическое сопротивление жил на 1 км длины, Ом, не более |
25 |
| Максимальная рабочая температура, ºС |
150 |
8.2 Меры безопасности при эксплуатации скважинного прибора
Поскольку разрабатываемый канал входит в состав комплексной геофизической аппаратуры, то меры безопасности для этого канала те же, что и у аппаратуры
Меры безопасности при эксплуатации скважинного прибора по техническому описанию:
1) Эксплуатация аппаратуры, а также работы, выполняемые при калибровке и поверке, должны производиться в соответствии с Инструкцией по эксплуатации с соблюдением “Правил безопасности в нефтяной промышленности”, утвержденным Госгортехнадзором 31.01.74. и “ Правил техники безопасности при эксплуатации электроустановок потребителей”, утвержденных Госгортехнадзором 12.04.69.
2) К работе с аппаратурой должны допускаться лица, сдавшие экзамен по технике безопасности и изучившие Инструкцию по эксплуатации.
3) Меры безопасности при калибровке и поверке дозиметрических приборов должны соответствовать требованиям норм радиационной безопасности (НРБ-76), утвержденным Минздравом РФ , и требованиям МИ 1778-87.
4) Лица, постоянно работающие или временно привлекаемые к работам с источниками ионизирующего излучения (категория “А”), должны руководствоваться действующими санитарными правилами работы с радиоактивными веществами и другими источниками ионизирующих излучений (ОСП-72.80), утвержденными Минздравом РФ, и быть допущенными к работе с источниками ионизирующих излучений.
5) Аппаратура транспортабельна в обычных условиях, не имеет элементов пожаро- и взрывоопасности, не оказывает вредного воздействия на человека и окружающую среду.
6) Во избежание поражения электрическим током при эксплуатации аппаратуры броня геофизического кабеля должна быть заземлена.
7) Перед подключением скважинной аппаратуры к кабелю необходимо проверить сопротивление изоляции между кабелем и кабельным наконечником. Сопротивление изоляции должно быть не менее 30 Мом [7].
8.3 Правила эксплуатации, хранения и транспортировки
Для сохранения аппаратуры и поддержания ее в работоспособном состоянии необходимо соблюдать правила эксплуатации, хранения и транспортировки:
1) Упакованные модули могут транспортироваться любым видом транспорта, на любые расстояния при температуре не ниже минус 50 °С (группа С по ГОСТ 15150-69).
2) Упакованные модули должны храниться в закрытых сухих проветриваемых помещениях при температуре от 1°С до 40°С, относительной влажности воздуха не более 80% при температуре 20°С при отсутствии в окружающей среде паров кислот, щелочей и прочих агрессивных смесей (группа Л по ГОСТ 15050-69).
3) При эксплуатации модули должны храниться в составе аппаратуры геофизической станции или в помещении на специальной стойке в условиях.
4) При транспортировке и хранении модули не должны подвергаться ударным воздействиям.
5) Стыковочные узлы модулей необходимо содержать в чистоте, защищенными от механических воздействий.
6) Уплотнительные кольца и резьбовые соединения модулей при сборке должны быть очищены от механических частиц и покрыты тонким слоем смазки ЦИАТИМ-221 (по ГОСТ 9433-80).
7) По окончании работы на скважине необходимо промыть модули бензином с маслом или дизтопливом, наружные поверхности протереть насухо.
Заключение
В данном дипломном проекте решалась задача разработки канала для комплексной скважинной аппаратуры. В результате спроектирован двухканальный модуль, предназначенный для преобразования в цифровые коды температуры флюида и содержания воды в нефти.
В проекте дан обзор и анализ методов измерения температуры и влагосодержания. Приведены структурная и принципиальная схемы устройства, разработана конструкция первичных преобразователей, дано описание устройства канала. Выполнен анализ и выбор математических моделей измерительных каналов, а также анализ погрешностей разрабатываемого модуля.
В целом разработанный модуль для измерения температуры флюида и содержания воды в нефти удовлетворяет метрологическим характеристикам и условиям эксплуатации.
Список используемых источников
1. Добрынин В.М., Вендельштейн Б.Ю., Резванов Р.А., Африкян А.Н. Промысловая геофизика: Учеб. для вузов. Под ред. д. г.-м. н. В.М. Добрынина, к.т.н. Н.Е. Лазуткиной – М.: ФГУП Издательство «Нефть и газ» РГУ нефти и газа им. И.М. Губкина, 2004. – 400 с. ил.
2. Кривко Н.Н. Аппаратура геофизических исследований скважин: Учеб. для вузов. – М.: Недра, 1991. – 384 с.: ил.
3. М.А. Берлинер. Измерения влажности: Изд. 2-е перераб. и доп. – М.: «Энергия», 1973. – 400 с.: ил.
4. Григорьев Ю.И. Геофизические исследования скважин: Учеб. для вузов/ Под. ред.Е.В. Каруса. – М.: Недра, 1980. – 398 с.
5. Куликовский К.Л., Купер В.Я. Методы и средства измерений: Учеб. пособие для вузов. – М.: Энергоатомиздат, 1986. – 448 с.
6. BetaTHERM. Temperature sensors, discrete NTC thermistor elements and custom probe assemblies: Catalog. Ireland, 1996. – 33 p.
7. Комплексная скважинная аппаратура контроля технического состояния скважин и разработки нефтяных месторождений ГеоПАЛС КСП16. Техническое описание и инструкция по эксплуатации, 2008. – 19 с.
8. Редькин П.П. Микроконверторы фирмы Analog Devices в микропроцессорных приборных комплексах: Учеб. пособие/ П.П. Редькин, А.Б. Виноградов. – Ульяновск: УлГТУ, 2005. – 316 с.