| Похожие рефераты | Скачать .docx |
Курсовая работа: Проект комплексной механизации водоснабжения свиноводческого комплекса
ВЯТСКАЯ ГОСУДАРСТВЕННАЯ СЕЛЬСКОХОЗЯЙСТВЕННАЯ АКАДЕМИЯ
Кафедра ТЕХНОЛОГИЧЕСКОГО И ЭНЕРГЕТИЧЕСКОГО
ОБОРУДОВАНИЯ
Биологический факультет
КУРСОВОЙ ПРОЕКТ
ТЕМА: Проект комплексной механизации водоснабжения свиноводческого комплекса
г. Киров 2007
Обоснование темы
Вода, являясь главным источником жизни, играет большую роль в сельском хозяйстве и, в частности, в животноводстве. Потребности животноводства в воде в десятки раз превышают потребности населения.
Механизация водоснабжения сокращает затраты труда, способствует повышению продуктивности и созданию необходимых санитарно-гигиенических условий в животноводческих помещениях и соблюдению правил пожарной безопасности.
Для животноводческих предприятий требуется значительное количество доброкачественной воды: на поение скота, для приготовления кормов, очистки емкостей, оборудования и помещений и на другие цели. Животноводческие предприятия и населенные пункты, как правило, стремятся снабжать водой из одного источника. В соответствии с этим качество воды должно удовлетворять всем требованиям, которые предъявляются к воде, предназначенной для хозяйственно-питьевых нужд. Качество воды оценивают по ее физическим свойствам, а также по химическому и бактериологическому составу. Оно должно отвечать требованиям ГОСТ "Вода питьевая". Она должна быть чистой, прозрачной, иметь приятный вкус, температуру 280…285К, оптимальный химический состав примесей, не содержать патогенные микроорганизмы и яйца гельминтов. Общее число бактерий в 1 мл неразбавленной воды допускается не более 100, а бактерий группы кишечной палочки в 1 л - не более 3. Кроме того, вода не должна содержать извести, магния, железистых соединений и органических веществ. Если вода жесткая, то на стенках труб водогрейных установок образуются отложения, которые уменьшают пропускную способность труб и их теплопередачу. Для смягчения воду пропускают через фильтр, хорошо поглощающий кальций и магний, или нагревают до 70…800 С, в результате чего кальций и магний выпадают в осадок. Для обеззараживания воды в нее добавляют чистый хлор или хлорную известь. Воду обрабатывают хлором в специальных аппаратах-хлораторах.
Заключение о пригодности воды дают органы санитарной инспекции. Если содержание вредных примесей и бактерий превышает допустимые нормы, воду подвергают обработке.
Обзор и анализ существующих способов и схем водоснабжения
При организации водоснабжения важно правильно выбрать источник воды.
Источниками водоснабжения могут служить поверхностные (открытые) и подземные (закрытые) водоемы.
Использование открытых водоемов допускается как исключение. Их делят на естественные (реки, озера, ручьи) и искусственные (пруды, каналы и др.). Поверхностные источники более доступны для водоснабжения. Однако вода этих источников часто требует очистки или обеззараживания, что значительно увеличивает ее стоимость. Особенно загрязнена вода у берегов. Поэтому место забора воды должно быть удалено от берега и по возможности расположено на большой глубине.
Как источники водоснабжения подземные воды имеют большое распространение. Как правило, они лучше поверхностных вод по качеству и широко распространены по территории нашей страны. Подземные (закрытые) источники могут быть двух видов: грунтовые и межпластовые. Воды, залегающие на глубине 40...50 м от поверхности земли (над первым водонепроницаемым слоем), называют грунтовыми. К грунтовым водам относят также подземные воды, залегающие на небольшой глубине (3...5 м от поверхности земли), которые часто называют "верховодками". Эти воды могут загрязняться просачивающимися с поверхности нечистотами. Воды, залегающие между двумя водонепроницаемыми слоями (пластами), называются межпластовыми. Межпластовые воды разделяют на безнапорные и напорные (артезианские). Напорные (артезианские) воды заполняют всю толщу водоносной породы и под давлением поднимаются в колодцах на большую высоту, а иногда и фонтанируют. Безнапорные воды залегают между двумя водонепроницаемыми слоями (пластами) породы, не полностью заполняют слой и имеют свободную поверхность.
Межпластовые воды (напорные и безнапорные) хорошо защищены от поверхностного загрязнения и обладают высокими вкусовыми качествами. Запасы межпластовых вод велики; температура их в течение года изменяется незначительно. Эти источники считаются наилучшими для водоснабжения в сельском хозяйстве.
Для забора воды из источников используют устройства, называемые водозаборными сооружениями. Для поверхностных источников воды применяют русловые и береговые водозаборные сооружения (рис.1а и 1б).
Русловые водозаборы применяют в тех случаях, когда воду берут из средней части реки, имеющей пологие берега и небольшую глубину. Береговые водозаборы применяют при достаточной глубине у берега реки и устойчивом грунте.

Рисунок 1а - Схема руслового водозабора
1 - водоприемник; 2 - самотечная линия; 3 - береговой колодец; 4 - насосная станция; zk - отметка воды в приемном отделении; h- гидравлические потери в тракте самотечных линий при минимальном уровне воды.

Рисунок 1б - Схема берегового водозабора с насосной станцией первого подъема
1 - входные окна; 2 - береговой колодец; 3 - служебный павильон; 4 - всасывающие трубы; 5 - галерея; 6 - насосы; 7 - насосная станция первого подъема; 8 - перегородка берегового колодца; 9 - сетка; А - приемное отделение; Б - всасывающее отделение.
Для забора воды из подземных источников применяют шахтные и трубчатые колодцы.
Шахтные колодцы обычно сооружают при залегании подземных вод на глубине не более 40 м. Такой колодец (рисунок 2) представляет собой вертикальную выработку в грунте, врезающуюся в водоносный пласт, и состоит из шахты 4, водоприемной части 5 и оголовка 2. Шахту делают квадратного сечения со стороной 1…3 м или круглой диаметром 1…3 м. Для крепления стен шахты применяют дерево, камень, бетон, железобетон, кирпич. Для вентиляции колодца служит труба 1. Дебит шахтных колодцев часто определяют способом откачки.

Рисунок 2 - Схема шахтного колодца.
1 - вентиляционная труба; 2 - оголовок; 3 - глиняный замок; 4 - шахта; 5 - водоприемная часть; 6 - донный фильтр.
Трубчатые колодцы применяют для забора подземных вод, залегающих на глубине до 150 м, а иногда и глубже. Такой колодец представляет собой глубокую пробуренную скважину диаметром до 350 мм. Стенки скважины закрепляют обсадными трубами, которые предохраняют колодец от обвала и перекрывают водоносные слои, расположенные выше эксплуатируемого водоносного горизонта. Внутри колонны труб размещают водоподъемное оборудование.
Трубчатый колодец (рисунок 3) включает в себя водоприемную часть, ствол и оголовок. Водоприемную часть (фильтр) заглубляют в водоносный пласт. Она состоит из надфильтровой трубы 4, фильтрующей части 5 и отстойника 6. Труба 4соединяет фильтр с нижней обсадной трубой 2. Место соединения уплотняют сальником 3.
Трубчатые колодцы оборудуют щелевыми, сетчатыми, гравийными или блочными фильтрами. Тип фильтра выбирают в зависимости от гранулометрического состава водоносных пород. В устойчивых каменных породах с трещинами устраивают бесфильтровые трубчатые колодцы, в которых вода из водоносного слоя поступает непосредственно в нижнюю часть ствола колодца.

Рисунок 3 - Схема трубчатого колодца.
1 - кондуктор; 2 - обсадные трубы; 3 - сальники; 4 - надфильтровая труба; 5 - фильтрующая часть; 6 - отстойник фильтра.
Насосные станции предназначены для подъема воды из водозаборного сооружения, передачи ее напорным устройствам и через них - потребителям. Насосные станции разделяются на станции первого и второго подъема. Станции первого подъема применяют в тех случаях, когда воду источника необходимо очистить.
Основные рабочие органы насосных станций - насосы и водоподъемники.
Насосами называют гидравлические машины, предназначенные для подъема, нагнетания и перемещения жидкости.
По принципу действия насосы подразделяют на следующие основные группы:
лопастные (центробежные, диагональные и осевые), в которых жидкость перемещается под действием вращающегося рабочего колеса, снабженного лопастями;
объемные (насосы вытеснения), к которым относят поршневые и роторные (винтовые, шестеренчатые, шиберные и др.);
струйные (эжекторы), в которых для подачи жидкости используется энергия другого потока жидкости.
Водоподъемники применяют следующих типов:
воздушные (эрлифты и пневматические насосы замещения), в которых для подъема воды используется сжатый воздух;
гидроударные (гидравлические тараны), в которых вода нагнетается давлением, появляющимся при гидравлическом ударе;
ленточные и шнуровые, основанные на смачивании водой непрерывно движущейся ленты (шнура).
В сельскохозяйственном водоснабжении широкое распространение получили центробежные насосы. Они просты по конструкции, надежны и удобны в эксплуатации. Центробежные насосы применяют для подачи воды из открытых источников, шахтных и трубчатых колодцев. Центробежный насос (рисунок 4) состоит из всасывающего 4и напорного 1патрубков и лопастного рабочего колеса 2,жестко насаженного на вал, который вращается в спиралеобразном корпусе 3. При вращении рабочего колеса вода, увлекаясь лопастями, начинает вращаться вместе с колесом и под действием центробежной силы отбрасывается от центра колеса к периферии и далее через напорный патрубок в трубопровод водопроводной сети.

Рисунок 4 - Центробежный насос.
1 - напорный патрубок; 2 - рабочее колесо; 3 - корпус; 4 - всасывающий патрубок.
Более совершенны комбинированные центробежно-вихревые насосы. Они состоят из двух рабочих колес, одно из которых такое же, как и у центробежного насоса, другое - вихревое. Колеса соединяют последовательно в одном корпусе. Центробежно-вихревые насосы - самовсасывающие, коэффициент полезного действия их выше, чем вихревых насосов. Они широко применяются на автоматизированных насосных станциях для подъема воды из открытых источников и шахтных колодцев.
Осевые (пропеллерные) насосы предназначены для подачи больших расходов при сравнительно низких напорах. Рабочее колесо имеет 2...3 лопастей (чаще 4 лопасти). Жидкость в насосе движется в осевом направлении и при сходе с лопаток приобретает вращательное движение. Выравнивание потока жидкости обеспечивается направляющим аппаратом. Лопасти могут поворачиваться относительно оси, что изменяет угол атаки.
Объемные насосы преобразуют энергию двигателя в энергию перемещаемой воды при помощи вытеснительного устройства - поршня, плунжера, винта, воздуха, зубьев шестерен и так далее, то есть принцип их действия основан на периодическом изменении объема рабочей камеры. В зависимости от вида основного рабочего органа объемные насосы называют поршневыми, плунжерными, винтовыми, диафрагменными, шестеренчатыми и так далее. Основное их назначение - подача воды из шахтных колодцев и буровых скважин.
Водоструйные установки используют для забора воды из трубчатых и шахтных колодцев. Схема водоструйной установки приведена на рисунке 5, центробежный насос 5 подает часть воды (рабочую воду) по напорной трубе 3 к соплу 9 водоструйного насоса 2. Из него с большой скоростью она попадает в смесительную камеру 8, в которой создается разрежение и вода из источника подсасывается и перемешивается с рабочей водой. Далее смешанный поток проходит через диффузор 7, где давление увеличивается (за счет уменьшения скорости потока) до величины, необходимой для подъема воды по трубе 4 на уровень, с которого может работать центробежный насос.
Совместная работа водоструйного и центробежного насосов позволяет поднимать воду из глубоких колодцев при размещении центробежного насоса на поверхности земли. Конец всасывающей трубы устанавливают ниже динамического уровня воды в колодце. Центробежный насос подбирают с такой подачей, чтобы он обеспечивал водой потребителя и питание водоструйного насоса. Водоструйные установки просты по устройству и надежны в эксплуатации, однако их коэффициент полезного действия не превышает 30…32%.

Рисунок 5 - Водоструйная установка (слева) и водоструйный насос.
1 - всасывающая труба; 2 - водоструйный насос; 3 - напорная труба; 4 - подъемная труба; 5 - центробежный насос; 6 - бак; 7 - диффузор; 8 - смесительная камера диффузора; 9 - коническая насадка (сопло); 10 - всасывающий патрубок насоса.
Воздушный водоподъемник (эрлифт) представляет собой опущенную в скважину 3 ( рисунок 6) водоподъемную трубу 2, в которую с помощью форсунки 1по трубе 6подается сжатый воздух от компрессора. Образовавшаяся в трубе 2воловоздушная смесь (эмульсия) поднимается к приемному баку 5с водоотделителем 4, где воздух отделяется и уходит в атмосферу, а вода сливается по трубе в сборный резервуар, из которого насосами подается в сеть или водонапорную башню.
Относительная простота устройства, надежность в работе (так как нет движущихся деталей в скважине), возможность подъема воды из наклонных, а также глубоких скважин малого диаметра, содержащих воду с песком, - эти преимущества эрлифтов определили их применение для целей пастбищного водоснабжения из трубчатых колодцев диаметром 100...150 мм и глубиной 55...90 м.
Необходимость большого заглубления водоподъемной трубы под динамический уровень, а также низкий КПД (0,2...0,25) - основные недостатки эрлифтов.

Рисунок 6 - Схема воздушного водоподъемника (эрлифта).
1 - форсунка; 2 - водоподъемная труба; 3 - обсадная труба; 4 - водоотделитель; 5 - приемный бак; 6 - воздушная труба.
Ленточные (шнуровые) водоподъемники (рисунок 7) используют для сельскохозяйственного водоснабжения при подъеме воды из шахтных колодцев на пастбищах. Эти установки имеют привод от электродвигателя, двигателя внутреннего сгорания и ветродвигателей. Действие водоподъемников основано на смачивании ленты или шнура (32 x 12 мм) из эластичного материала. Лента (шнур) охватывает ведущий и ведомый шкивы и опущена в колодец с водой. При работе вода захватывается ведущей ветвью, движущейся со скоростью 2,5...5 м/с, поднимается на поверхность, где под действием центробежных сил отрывается от ленты (шнура) и отбрасывается в накопитель. Высота подъема воды 30…50 м, подача 4...5 м3 /ч; КПД 0,25...0,6, мощность привода 3...4 кВт. Водоподъемники просты по конструкции и надежны в работе. Могут быть использованы также для подъема воды из дренажных колодцев.

Рисунок 7 - Схема ленточного водоподъемника.
1 - рама; 2 - крыша; 3 - ведущий шкив; 4 - ремень; 5 - двигатель; 6 - лента; 7 - натяжной шкив; 8 - груз.
Для подачи воды на производственные и хозяйственно-питьевые нужды животноводческие хозяйства должны быть оборудованы водопроводной сетью. Различают внешнюю и внутреннюю водопроводную сеть.
Внешняя водопроводная сеть - это та часть распределительной сети, которая расположена на территории комплекса или фермы за пределами помещений. Она может быть разветвленной или кольцевой.
Разветвленная, или тупиковая сеть (рисунок 8а), состоит из отдельных линий. Вода из водонапорной башни проходит по главной магистрали с ответвлениями, которые заканчиваются тупиками. Таким образом, вода поступает к потребителю только с одной стороны. Тупиковая сеть применяется лишь на небольших фермах.
Кольцевая сеть (рисунок 8б) обеспечивает движение воды по замкнутому кругу (кольцу) и подводит ее к потребителю с двух сторон. Кольцевая водопроводная сеть длиннее, чем соответствующая тупиковая, однако у нее имеется немало преимуществ: не застаивается вода, увеличивается пропускная способность сети и другие. Поэтому кольцевую сеть применяют чаще.
Внутренняя водопроводная сетьпредназначена для непосредственного распределения воды между потребителями внутри зданий. Для бесперебойной подачи воды на производственные нужды эта сеть выполняется только кольцевой. В производственных зданиях крупных комплексов эту сеть присоединяют к кольцевой сети наружного водопровода двумя вводами раздельно.

Рисунок 8 - Схема водопроводных сетей.
а - тупиковый; б - кольцевой.
Расход воды в животноводческих хозяйствах в течение суток неравномерный, и приспособить работу насосных станций к изменениям потребления воды без дополнительных промежуточных резервуаров воды очень трудно. Поэтому при устройстве водопроводных сетей необходимо предусмотреть специальные сооружения для запаса воды на непрерывное питание потребителей.
По способу получения воды из этих сооружений они бывают напорно-регулирующие и безнапорные.
Напорно-регулирующие сооружения создают в водопроводной сети напор, необходимый для распределения нужного количества воды потребителям. К ним относят водонапорные башни и пневматические котлы. Водонапорные башни создают необходимый напор за счет поднятия водонапорного бака на необходимую высоту, а в пневматических котлах - за счет давления сжатого воздуха в пространстве, свободном от воды в герметически закрытом сосуде.
Безнапорные сооружения выполняют в виде подземных резервуаров, вода из которых подается насосами в водонапорную сеть, а затем потребителю.
Выбор конкретной схемы
Основываясь на исходные данные: водоснабжение комплекса по откорму свиней на 12 тыс. голов в год, шахтный колодец и башенная водокачка выбираем схему водоснабжения, включающую в себя также насосную станцию и водопроводную сеть.

Рисунок 9 - Схема водоснабжения при заборе воды.
1 - шахтный колодец; 2 - насосная станция; 3 - водопроводная сеть; 4 - водонапорная башня; 5 - место потребления воды (свинарник - откормочник)
Технологический расчет
Имеем следующие исходные данные:
1. Схема водопровода

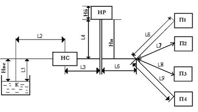
Рисунок 10 - Расчетная схема водопровода.
К - колодец (источник воды); НС - насосная станция (водоприемник); НР - напорно-регулирующее сооружение; П1 , П2 , П3 , П4 - потребители, l1 ,l2 - линии всасывающего трубопровода; l3 , l4 - линия напорного трубопровода; l5 ,l6 ,l7 ,l8 ,l9 - линия разводящего трубопровода; Нвс - высота всасывания геометрическая (расстояние по вертикали между уровнем воды в источнике и осью насоса); Нн - высота нагнетания геометрическая (расстояние по вертикали от центра насоса до уровня воды в напорном резервуаре); Нб - высота бока; Нг - геометрическая разность нивелирных отметок земли у башни и наиболее высоко расположенной точки водопотребления.
2. Источник имеет дебит Д = 280 м3 /ч
3. Напорно-регулирующее сооружение - башенная водокачка или резервуар с Нб = 4,0 м
4. Геометрическая разность нивелирных отметок Нг = 0.
5. Время работы насосной станции Т = 13 часов (работает с 6 до 19 часов).
6. Потребители:
а) П1 - свинарник-откормочник №1
б) П2 - свинарник - откормочник №2
в) П3 - свинарник-откормочник №3
г) П4 - свинарник-откормочник №4
7. Линии водопровода,
а) l1 = Hвс = 5,5 м; l2 = 68 м.
б) l3 = 73 м; l4 = Нн .
в) l5 = 150 м; l6 = 135 м; l7 = 100 м; l8 = 110 м; l9 = 125 м.
8. Величина свободного напора в конечной точке водоразбора Нсвн = 4,8 м.
9. Насос центробежный (привод ременный).
10. Расход воды по часам суток в процентах от суточного:
| 24-1 | 1-2 | 2-3 | 3-4 | 4-5 | 5-6 | 6-7 | 7-8 | 8-9 | 9-10 | 10-11 | 11-12 | 12-13 | 13-14 | 14-15 | 15-16 | 16-17 | 17-18 | 18-19 | 19-20 | 20-21 | 21-22 | 22-23 | 23-24 |
| 0,5 | 2,5 | 1,5 | 2,0 | 3,0 | 6,0 | 5,0 | 4,5 | 3,0 | 6,0 | 6,0 | 11,5 | 5,0 | 5,5 | 5,5 | 5,5 | 5,5 | 4,5 | 4,0 | 7,0 | 2,0 | 1,0 | 1,5 | 1,5 |
Содержание работы и порядок ее выполнения
Под системой водоснабжения понимают весь комплекс сооружений и устройств на территории хозяйства, обеспечивающих все пункты потребления доброкачественной водой в требуемых количествах.
На животноводческих фермах вода расходуется на поение животных, а также на технологические, гигиенические, хозяйственные и противопожарные нужды. Расход воды на ферме зависит от вида животных, от выполняемых работ в течение суток и от времени года.
Согласно существующим нормам потребления воды различными группами животных и удовлетворения технологических нужд различных объектов фермы, рассчитывается средний суточный расход воды на ферме (комплексе) по формуле:
Qсут. ср. = m1 х q1 + m2 хq2 +…+ qn х mn , (1)
где Qсут. ср. - средний суточный расход воды на ферме, м3/ сут.;
q1, q2, …, qn - среднесуточная норма потребления воды одним потребителем, м3 /сут.;
m1, m2, …, mn - число потребителей, имеющих одинаковую норму потребления (голов, единиц и далее);
1, 2,…,n - число групп потребителей.
Согласно норме водопотребления принимаем:
для свиней на откорме q= 15 л/сут.
Тогда, имея число потребителей:
свинарник - откормочник № 1 m1 = 1200 голов
свинарник - откормочник № 2 m2 = 1200 голов
свинарник - откормочник № 3 m3 = 1200 голов
свинарник - откормочник № 4 m4 = 1200 голов
определяем по формуле (1) средний суточный расход воды:
Qсут. ср. = 15 х 4800 = 72 000 л/сут = 72 м3 /сут
Среднесуточный расход воды летом выше, чем зимой. Неравномерность суточного водопотребления выражают коэффициентом суточной неравномерности. Тогда максимальный суточный расход воды на ферме или комплексе определяется по формуле:
Qсут. max = Qсут. ср. х k1, ( 2)
где Qсут. max - максимальный суточный расход, м3 /сут.;
k1 - коэффициент суточной неравномерности, k1 = 1,3…1,5, принимаем k1 = 1,5
Тогда
Qсут. max = 72 х 1,5 = 108 м3 /сут.
Для определения часовой потребности в воде необходимо учитывать, что в течение суток расход воды колеблется: в дневные часы он достигает максимума, а в ночное - минимума. При расчете максимального часового расхода воды принимается коэффициент k2 = 2,5 и формула:
Qч max = Qсут max х k2/ 24 (3)
Тогда получим
Qч max = 108 х 2,5/24 = 11,24 м3 /ч.
(Число 24 - количество часов в сутках)
Максимальный секундный расход рассчитывается по формуле
Qс max = Qч max / 3600, (4)
где Qс max - максимальный секундный расход воды, м3 /с.
(Число 3600 - количество секунд в одном часе).
Тогда
Qс max = 11,24/3600 = 0,003 м3 /с.
Расход воды на тушение пожара на ферме зависит от степени огнестойкости зданий и их объема. При расчетах его можно принять на фермах равным 2,5 л. Запас воды должен обеспечить тушение пожара в течение 2...3 часов.
Таблица 1 - Расчетные данные потребности в воде для исходной схемы водопотребления
| Наименование одинаковых потребителей | Количество потребителей, mi | Суточная норма потребления воды qi , м3 | Суточный расход воды Qсут. ср., м3 | Максимальный суточный расход воды Qсут. max, м3 | Максимальный часовой расход воды Qr . max, м3 | Максимальный секундный расход воды |
|
| Qc max, м3 | Qc max, л | ||||||
свинарник- откормочник П1 |
1200 |
0,015 |
18 |
27 |
2,81 |
0,00075 |
0,75 |
свинарник- откормочник П2 |
1200 |
0,015 |
18 |
27 |
2,81 |
0,00075 |
0,75 |
свинарник- Откормочник П3 |
1200 |
0,015 |
18 |
27 |
2,81 |
0,00075 |
0,75 |
свинарник- Откормочник П4 |
1200 |
0,015 |
18 |
27 |
2,81 |
0,00075 |
0,75 |
| Итого | - | - | 72 | 108 | 11,24 | 0,003 | 3,0 |
Для найденных Qч max и Qс max рассчитывают диаметры трубопроводов разводящей сети по формуле:
Qc
max
=![]()
где
- площадь круга, м2
; p = 3,14; d- диаметр трубы, м. Тогда d = 1,13 х
(5) где U- скорость движения воды в трубе; м/с;
U = 0,5 - 1,25 м/с. Принимаем U = 1 м/с.
Расчет диаметра труб для различных участков определяется по формуле (5) и округляется до стандартных величин.
Тогда для участка l5
d= 1,13 х
= 0,061 м.
Принимаем d5,6,7,8,9 = 75 мм.
Для участка l
6,7,8,9
d= 1,13 х
= 0,03051 м.
Принимаем d6,7,8,9 = 50 мм.
Выбор водоподъемника
При выборе водоподъемника должно быть известно:
Источник воды с определенным дебитом Д, м3 /ч.
Напорно-регулирующее устройство.
Максимальный часовой расход воды Qr max, м3 /ч.
Величина свободного напора в конечной точке водоразбора Нсвн, м
Длина трассы всех участков водопроводной сети lj , м.
Условия для выбора насоса (водоподъемника)
1. Суточная производительность насоса должно быть равна или больше максимального суточного расхода Qсут. насоса
Qсут.
max
.
2. Часовая производительность насоса должна быть выбрана в зависимости от продолжительности работы водоподъемника и определяется по формуле
Qч. насоса
=
,
где Т - продолжительность работы насосной станции, ч
(по исходным данным Т = 13 часов).
Тогда Q ч. насоса
=
= 8,31 м3
/ч.
Секундная производительность насоса определяется по формуле
Q с. насоса = Qч насоса / 3600.
Тогда
Q с насоса
=
= 0,0023 м3
/с = 2,3 л/с
3. Диаметр трубопровода для всасывающей (l1 иl2 ) и нагнетательной (l3 иl4 ) линии (условно, ввиду малого расстояния, принимаем их равными по диаметру) определяется как
dнасоса
= 1,13 х
. Тогда dнасоса
= 1,13 х
= 0,054 м.
Принимаем диаметр трубопровода всасывающей (l1 иl2 ) и нагнетательной (l3 иl4 ) линии dнасоса = 75 мм.
После определения часовой производительности насоса должно соблюдаться условие Д
Q ч. насоса
4. Напор, создаваемый насосом. Определяется по формуле
Н насоса
Нвс
+ Нн
+ Нб
+Sh, (6)
где Н насоса - напор, создаваемый насосом, м;
Нвс - высота всасывания, м;
Нн - высота нагнетания, м;
Нб - высота бака, м;
Sh - сумма потерь напора на всасывающей и нагнетательной линиях, м;
Sh = Sh′+Sh″,
где Sh′ - сумма потерь напора по длине всасывающего и нагнетательного трубопровода, м, Sh″ - местные потери напора во всасывающем и нагнетательном трубопроводах, м.
Высота нагнетания водонапорного бака (резервуара) выбирается из расчета
Н н
Н свн
+Sh1
± Н г
, (7)
где Н свн - величина свободного напора, м:
Нг - геометрическая разность нивелирных отметок, м;
Sh1 - сумма потерь напора в разводящем трубопроводе, м;
Sh1 =Sh′1 +Sh″1
где Sh′1 - сумма потерь напора по длине разводящего трубопровода, м;
Sh″1 - сумма местных потерь напора в разводящем трубопровода, м.
Местные потери напора в сети составляют 5…10% от величины потерь на трение по длине (эти данные используются в практических расчетах), а потери напора по длине определяются по формуле
hj = i ∙ lj ( 8)
где hj - потери напора на конкретном участке, м;
lj - длина конкретного участка, м;
i - гидравлический уклон в метрах (потери напора на 1 м длины трубопровода).
Данные по i выбираем из таблицы.
Выбранные данные вместе с рассчитанным (принятым) диаметром трубопроводов и секундным расходом заносим в таблицу 2.
Таблица 2 - Значения диаметров, секундного расхода, 100 j и j для трубопроводов
| Трубопроводы | Диаметр трубопровода dмм | Секундный расход Qc max л/с | 100 i, м | i, м |
| l5 | 75 | 3 | 1,32 | 0,0132 |
| l6 | 50 | 0,75 | 0,72 | 0,0072 |
| l7 | 50 | 0,75 | 0,72 | 0,0072 |
| l8 | 50 | 0,75 | 0,72 | 0,0072 |
| l9 | 50 | 0,75 | 0,72 | 0,0072 |
| l1, 12, l3, l4 | 75 | 2,3 | 0,74 | 0,0074 |
Тогда величина потерь напора по длине определяется по формуле (8), а местные потери напора в данном расчете принимаются 10% от потерь по длине.
h5 = 0,0132 х 150 = 1,98 м и 10% равно 0, 198 м.
h6 = 0,0072 х 135 = 0,972 м и 10% равно 0,0972 м.
h7 = 0,0072 х 100 = 0,72 м и 10% равно 0,072 м.
h8 = 0,0072 х 110 = 0,792 м и 10% равно 0,0792 м.
h9 = 0,0072 х 125 = 0,9 м и 10% равно 0,09 м.
Тогда сумма потерь напора в трубопроводах для:
l5 будет равна h5 = 1,98 + 0, 198 = 2,18 м;
l6 будет равна h6 = 0,972 + 0,0972 = 1,0692 м;
l7 будет равна h7 = 0,72 + 0,072 = 0,792 м;
l8 будет равна h8 = 0,792 + 0,0792 = 0,8712 м
l9 будет равна h8 = 0,9 + 0,009 = 0,99 м.
В данном примере потери в разветвленной сети на шестом участке (l6 ), где первый потребитель (П1 ).
Тогда сумма потерь напора в разводящем трубопроводе определяется из выражения:
Sh1 = h5 + h6 = 2,18 + 1,07 = 3,25 м.
Принимаем Sh1 = 3,3 м. Далее по формуле (7) находим высоту нагнетания (водонапорного бака, резервуара).
Нн = 4,8 + 3,3 - 0 = 8,1 м.
Это значит, что дно резервуара должно быть на высоте 8,1 м.
Далее общая длина lобщ. всасывающего l1, l2 и нагнетательного l3, l4 трубопроводов определяется по формуле
lобщ = l1 + l2 + l3 + l4 .
Тогда
lобщ = 5,5 + 68 + 73 + 8,1 = 154,6 м.
Тогда величина потерь напора на всасывающем и нагнетательном трубопроводах по длине и местные потери определяются как:
hl общ = 0,0074 х 154,6 = 1,14 м и 10% равно 0,144 м.
Тогда Sh = 1,14 + 0,114 = 1,25 м.
Далее по формуле определяем напор, который должен создать насос
Н насоса = 5,5 + 8,1 + 4 + 1,25 = 18,85 м.
Имея расчетные данные: Н насоса = 18,85 м; Qч насоса = 8,31 м3 /ч; Qс насоса =2,3 л/с производим энергетический расчет.
Расчетная мощность приводного двигателя к насосу определяется по формуле
Ррасч.
= 
где Ррасч. - расчетная мощность приводного двигателя, кВт;
- плотность воды, кг/м3
;
g- ускорение свободного падения, м/с2 ;
Qс насоса - подача насоса, м3 /с; Н насоса - полный напор насоса, м;
насоса
- коэффициент полезного действия насоса;
передачи
- коэффициент полезного действия передачи.
= 1000 кг/м3
;
насоса
= 0,4…0,64;
передачи
= 1.
Используя расчетные значения Qс насоса,
Н насоса
и принимая
насоса
= 0,4 определяем расчетную мощность
Ррасч.
=
= 1,1 кВт.
(Число 1000 в знаменателе - переводной коэффициент для получения результата в кВт).
С учетом коэффициента запаса, мощность двигателя определяется по формуле:
Рдв. = Ррасч. х a,
где a - коэффициент запаса мощности; a = 1,1…2,0; принимаем a = 2
Рдв - мощность двигателя с учетом всевозможных перегрузок, кВт.
Тогда Рдв. = 1,1 х 2 = 2,2 кВт.
Далее с учетом всех параметров выбираем насос. Это центробежный насос марки 2К-6А, имеющий Q насоса
= 20 м3
/ч, n = 2900 м-1
,
= 3,2 кВт
График работы оборудования и установленных мощностей
Исходные данные:
Таблица 3 - Техническая характеристика оборудования, установленного в технологической линии водоснабжения свинарников
Оборудование, марка |
Мощность электродвигателей р, кВт |
Центробежный насос 2К-6А Освещение свинарника №1 Освещение свинарника №2 Освещение свинарника №3 Освещение свинарника №4 |
3,2 8 8 8 8 |
Таблица 4 - Время работы основного оборудования
Оборудование, марка |
Время работы оборудования (часы, минуты) |
Центробежный насос 2К-6А Освещение свинарника №1 Освещение свинарника №2 Освещение свинарника №3 Освещение свинарника №4 |
6ч…19ч 5ч30мин…9ч; 15ч…21ч 5ч30мин…9ч; 15ч…21ч 5ч30мин…9ч; 15ч…21ч 5ч30мин…9ч; 15ч…21ч |
Построение графика работы оборудования
Порядок построения графика следующий (рис.11):
Строят оси координат
По оси абсцисс обозначаем время суток Тсуток в часах или минутах (от 0 до 24).
Слева оси ординат в четырех столбцах обозначаем:
а) Технологические операции в примерной последовательности одна за другой.
б) Марка машины, выполняющей ту или другую технологическую операцию.
в) Время работы t машины в течение суток в часах или минутах.
г) Установленная мощность Р электродвигателей на машинах и освещение в кВт.
Обозначение позиций |
Технологические операции |
Марка машины |
Общее время работы t, ч. и мин. |
Мощность Р, кВт |
| V | Центробежный насос | 2К-6А | 13 часов | 3,2 |
IV III II I |
Освещение свинарника №4 Освещение свинарника №3 Освещение свинарника №2 Освещение свинарника №1 |
лампы лампы лампы лампы |
9 часов 30 минут 9 часов 30 минут 9 часов 30 минут 9 часов 30 минут |
8 8 8 8 |
Рисунок 11 - График работы оборудования
Теперь строго в масштабе параллельно осеабсцисс наносим против технологически операций линии, длина которых (в масштабе) соответствует времени работы машины, а положение их (линий) относительно оси абсцисс показывает: в какое время суток выполняется данная технологическая операция.
По графику сразу видно технологию производства, время работы машин, в какое время и последовательность их включения и выключения, сколько одновременно работает машин, какие машины и далее.
Построение графика установленных мощностей
Руководствуясь графиком работы оборудования (рис.11) и исходными данными строится график установленных мощностей оборудования (рис.12). Порядок построения графика следующий:
1. Строят оси координат.
2. По оси абсцисс обозначаем время суток Тсуток в часах или минутах (от 0 до 24).
З. По оси ординат обозначаем в мощность Р в кВт.
4. Смотрим на график оборудования (рис.11) и на исходные данные.
В 5 часа 30 минут включают освещение. Установленная мощность освещения Росв = 8 кВт.
Тогда Рсумм ( 5ч30мин) = Росв. х 4 свинарника = 8 х 4 = 32 кВт
В 6 часов включают насос 2К-6А. Мощность 2К-6А - Р = 3,2 кВт.
Тогда Рсумм (6ч) = Росв. + Р = 32 кВт + 3,2 кВт = 35,2 кВт.
В 9 часов освещение выключают.
Тогда Рсумм (9ч) = Р = 3,2 кВт.
С 15 часов до 19 часов работает освещение и насос 2К-6А.
Тогда Рсумм (15ч) = Росв. + Р = 32 кВт + 3,2 кВт = 35,2 кВт.
В 19 насос прекращает работу.
Тогда Рсумм (19ч) = Росв. = 32 кВт
Освещение отключают в 21 час.
Энергетический расчет
Энергетический расчет проводим при условии, что все машины работают при оптимальной загрузке в указанное расчетное время.
Робщ = Росв + Р2К-6А , где
Робщ - установленная мощность освещения и водоснабжения, кВт;
Росв - установленная мощность освещения, кВт;
Р2К-6А - установленная мощность насоса 2К-6А, кВт.
Получаем Робщ = 4 х 8 кВт + 3,2 кВт = 35,2 кВт.
Расход энергии определяется по формуле
Wi = Pi х ti , где
Wi - расход электроэнергии i-ой машиной, кВт ·ч;
Pi - мощность двигателя i-ой машины, кВт;
ti - время работы i-ой машины, ч.
Получаем: Wосв = Росв х tосв; W2К-6А = Р2К-6А х t2К-6А, где
Wосв., W2К-6А - расход электроэнергии на освещение и водоснабжение, кВт∙ч;
tосв., t2К-6А - общее время работы освещения и насоса 2К-6А, ч.
Получаем: Wосв. = 32 кВт · 9,5 ч = 304 кВт∙ч W2К-6А = 3,2 · 13 ч = 41,6 кВт∙ ч.
Тогда Wобщ. = Wосв. + W3К-6А
Получаем Wобщ. = 304 кВт∙ ч + 41,6 кВт∙ ч = 345,6 кВт∙ ч.
Технико-экономические показатели
Основой всех расчетов определения экономической эффективности являются технические карты, представляющие собой основной документ для определения потребности хозяйства в машинах, обеспечивающие комплексную механизацию всех производственных процессов.
По технической карте определяют технико-экономические обоснования выбранной системы машин. В карте должны быть приведены технические показатели и экономические показатели.
Показатели использования техники:
1. Количественные - характеризуются уровнем оснащения производственных процессов техники:
объем механических кормов
уровень механизации производственных процессов
уровень механизации фермы
Уровень механизации находим по формуле
где
У - уровень механизации, %;
m1 - поголовье, обслуживается машинами, гол.;
m2 - общее количество животных, гол.
Тогда: ![]()
2. Качественные показатели использования техники характеризуют экономическую эффективность ее использования, по ним выбирают варианты.
Показатели экономической эффективности:
затраты труда на обслуживание поголовья (голов),
затраты труда на единицу произведенной продукции (тонны),
прямые эксплутационные издержки,
окупаемость капитальных вложений в механизацию производственных процессов.
Затраты труда находим по формуле
, где
Т - затраты труда, чел·ч/т;
Л - количество людей, работающих на данном процессе, чел;
t- время работы этих людей на данном процессе, ч;
Wобщ - общее количество продукции произведенной на данном процессе, т.
Тогда:
чел·ч/т
Прямые эксплуатационные издержки.
Они являются показателями оценки экономической эффективности, и определяется по формуле. Определим прямые издержки за 365 дней.
И = З + А + Рто + Ртр (кр) + Сэ + Ст + х, где
И - прямые эксплуатационные издержки, руб.;
З - зарплата обслуживающего персонала;
З = 4 чел. х 5500 х 12 = 264000 руб.
А - амортизационные отчисления;
, где
Б - балансовая стоимость машины;
а - процент отчисления на амортизацию;
Тогда
руб.
Б = П х (1,1…1,3)
П - прейскурантная стоимость машины.
Тогда Б = 450000 х 1,2 = 540 000 руб.
Рто - отчисление на техническое обслуживание;
, где
б - процент отчисления на техническое обслуживание;
б = 35…40% Принимаем б = 37%
Тогда
руб.
Ртр (кр) - отчисление на текущий и капитальный ремонт;
где
в - процент отчисления на текущий или капитальный ремонт (25…35%),
Принимаем в = 30%
Тогда
руб.
Сэ - стоимость электроэнергии за день
Сэ = Рэ · tэ · Цэ , где
Рэ - мощность электродвигателей установленных на процессе и освещении;
tэ - время работы этих двигателей и время освещения;
Цэ - стоимость 1 кВт/ч;
Тогда Сэ = (8 х 4 х 9,5 + 3,2 х 13) х 1,40 х 365 = 176601,6 руб.
Тогда И = 264000 + 108000 + 199800 + 162000 + 176601,6 = 910401,6 руб.
, где
N- затраты, руб. на 1 голову
Тогда
руб.
Э = Nст - Nнов; где
Э - экономический эффект
Nст - затраты на старой машине;
Nнов - затраты по новой технологии.
Техника безопасности
Животноводческая ферма должна иметь воду для поения скота, обработки и приготовления жидких и полужидких кормовых смесей, мойки посуды. Для подачи воды необходимы насосные станции, водонапорные башни, колодцы и скважины, водопровод и поилки.
Особую осторожность нужно соблюдать при установке и монтаже цельнометаллических водонапорных башен. Устанавливают башни на фундаменте с анкерными болтами; водоподводящая часть от насосной станции должна быть смонтирована заранее.
Внутренний водопровод следует не сваривать, а монтировать при помощи соединительных муфт. Это облегчает ремонт водопровода в дальнейшем.
Прежде чем установить индивидуальные чашечные поилки, надо проверить действие запорного клапанного механизма, только после этого их прикрепляют к стойке или кормушке.
Особое внимание надо уделять прокладке водопроводных труб в местах пересечения их с электрическими проводами: они не должны соприкасаться или пересекаться. Если этого избежать нельзя, то места пересечения надо дополнительно изолировать, а между проводами и трубой установить деревянную прокладку, поскольку даже небольшое электрическое напряжение на водопроводной трубе может привести к гибели животных.
Зимой во время сильных морозов вода в недостаточно утепленном водопроводе замерзает. Отогревать водопроводную трубу открытым пламенем (паяльной лампой) нельзя. Для этого пользуются горячей водой: замерзшие места обкладывают тряпками и поливают горячей водой до тех пор, пока водопровод не начнет нормально действовать.
Противопожарная безопасность
Пожары на фермах возникают по различным причинам. В результате сгорают животноводческие помещения, оборудование, гибнет скот. Нередко пожары приводят к человеческим жертвам.
Пожар легче предупредить, чем потушить. Поэтому противопожарные мероприятия имеют важное значение.
На животноводческих фермах и других объектах ответственность за противопожарную безопасность возлагается на руководителей участков, бригад и ферм.
В разработке мероприятий по противопожарной безопасности и контролю за их выполнением должны принимать участие члены добровольной пожарной охраны совхоза и колхоза, а также слесари и электромонтеры.
Для предупреждения и успешной борьбы с пожарами работники животноводства должны знать причины их возникновения, выполнять правила пожарной безопасности и. быть обучены обращению со средствами тушения пожара. На животноводческих фермах надо разработать обязанности каждого работника в случае возникновения пожара.
При механизированном водоснабжении обязательно устройство водоотборных кранов, гидрантов.
На территории фермы, не имеющей пожарных гидрантов, надо оборудовать огороженный пожарный водоем. Вблизи места складирования кормов должны стоять бочки с водой.
В каждом помещении на видном месте вывешивают "Правила пожарной безопасности", которые обязательны для выполнения всеми рабочими фермы, а также таблички с фамилией работника, отвечающего за пожарную безопасность данного объекта.
Для курения надо отводить специальные места или помещения, в них вывешивают специальные таблички с надписями: "Место для курения", "Здесь курить разрешается". Места и помещения для курения желательно оборудовать противопожарным инвентарем (бочки с водой, металлические урны).
Территорию между животноводческими помещениями (противопожарные разрывы) запрещается использовать под складирование материалов, соломы и сена.
Во всех животноводческих помещениях проходы, выходы, коридоры, тамбуры, лестницы, чердачные помещения следует постоянно содержать в исправном состоянии и ничем не загромождать.
Ворота и двери животноводческих помещений должны открываться наружу, закрывать их можно только на крючки и защелки, нельзя применять замки. В зимний период площадки перед воротами и дверями надо очищать от снега, с тем чтобы ворота и двери свободно открывались.
Нельзя пользоваться открытым пламенем (факелом, паяльной лампой) при отогревании замерзших труб водопроводной и отопительной систем. Для этого надо применять горячую воду, пар или нагретый песок.
На фермах и в животноводческих помещениях запрещается применять машины и механизмы, опасные в пожарном отношении, имеющие течь в топливном баке и топливопроводах, выделяющие искры.
Тушат огонь обычно водой, снегом, песком и землей. Однако в ряде случаев применять воду нецелесообразно, а иногда недопустимо. Нельзя тушить, водой горящий бензин, керосин, масла, а также воспламенившиеся двигатели внутреннего сгорания. В этих случаях пламя следует гасить огнетушителем, забрасывать песком, землей, накрывать мокрым брезентом.
При тушении пожара огнетушителями струю пены нужно направлять на основание пламени, то есть непосредственно на горящий предмет или вещество.
В ночное время на животноводческие фермы назначают дежурных, которые в случае возникновения пожара должны поднять тревогу.
При возникновении пожара надо принять срочные меры к ликвидации очага огня и, если потушить не удается, немедленно вызвать пожарную команду, принять меры для спасения животных, оборудования и прекращения дальнейшего распространения огня.
Список литературы
1. Бакшаев П.Д., Богдановский А.В., Ивахно В.К. Справочник по охране труда и технике безопасности в животноводстве. - Киев: Урожай, 1979. - 183с.
2. Белянчиков Н.Н., Смирнов А.И. Механизация животноводства. - М.: Колос, 1983. - 360 с.
3. Калюга А.А. Механизация технологических процессов на свиноводческих предприятиях. - М.: Россельхозиздат, 1987. - 208 с.
4. Костин Г.Н. Методическое пособие по расчету водоснабжения фермы, комплекса, птицефабрики и любых непроизводственных помещений. - Киров, 2004. - 34с.
5. Мжельский Н.И., Смирнов А.И. Справочник по механизации животноводческих ферм и комплексов. - М.: Колос, 1984. - 336с.
6. Носов М.С. Механизация работ на животноводческих фермах. - М.: ВО Агропромиздат, 1987. - 415 с.
7. Рощин П.М. Механизация в животноводстве. - М.: Агропромиздат, 1988. - 287с.
8. Сафонов В.В., Рыбалко А.И. Механизация водоснабжения, поения и очистки помещений на животноводческих комплексах. - М.: Высшая школа, 1981. - 94 с.
9. Шпаков Л.И., Юнаш В.В. Водоснабжение, канализация и вентиляция на животноводческой ферме. - М.: Агропромиздат, 1987. - 224с.
10. Черник Г.В. Механизация свиноводческих ферм и комплексов. - Л.: Колос, 1981. - 167 с.
Похожие рефераты:
Механизация технологического процесса водоснабжения и поения на откормочной свиноферме
Продвижение прогрессивных систем энергосбережения в Украине в сегменте (ТН) тепловых насосов
Установки погружных центробежных насосов (УЭЦН)
Проект реконструкции цеха первичной переработки нефти и получения битума на ОАО «Сургутнефтегаз»
Совершенствование управления муниципальным водоснабжением (на примере ОАО ВКиЭХ)
Гидропневматические машины и приводы
Управление водоснабжением и водоотведением в городском коммунальном хозяйстве
Отчет о практике специальности Разработка и эксплуатация нефтегазовых месторождений
Техническое перевооружение цеха по ремонту насосно-компрессорных труб
Водоотведение поселка Песочное с доочисткой сточных вод
Установки погружных центробежных насосов для добычи нефти из скважин
Реконструкция электротехнической части фермы КРС на 200 голов
Разработка поточных технологических линий обслуживания животных для ферм крупного рогатого скота