| Похожие рефераты | Скачать .docx |
Дипломная работа: Впровадження технології експандування при виробництві кормів
ДИПЛОМНИЙ ПРОЕКТ
Впровадження технології експандування при виробництві кормів
Зміст
Вступ
1. Аналіз виробничо-економічної діяльності господарства
1.1Загальні відомості про господарство
1.2 Виробничо-економічні показники роботи господарства
2. Огляд сучасних технологій і технічних засобів вологотеплового обробітку концентрованих кормів
2.1Необхідність обробітку концентрованих кормів
2.2 Літературний огляд перспективних методів приготування кормів
2.3 Обґрунтування процесу експандування
2.4 Перспективні напрямки удосконалення технології приготування кормів
2.5 Технічний та технологічний огляд вітчизняних екструзійних машин
3. Технологічні розрахунки впровадження нової технології в господарстві
3.1 Пояснення заміни обладнання
3.2 Розрахунок кількості сировини яка оброблятиметься в експантрудері
4. Формування математичної моделі експандуювання корму
4.1 Теоретичне обґрунтування пропонованої розробки
5. Методика і результати оптимізації
5.1 Обґрунтування методики і результатів оптимізації
6. Охорона праці
6.1 Загальні положення…
6.2 Розрахунок вентиляції
6.3 Інструкція з охорони праці оператору кормоцеху
7. Бізнес-план
7.1 Резюме
7.2 Характеристика заходів
7.3 Оцінка ринку збуту…
7.4 Стратегія маркетингу
7.5 План виробництва
7.6 Організаційний план
7.7 Юридичний план.
7.8 Фінансовий план.
7.9 Стратегія фінансування.
7.10 Розрахунок точки беззбитковості
7.11 Оцінка ризиків і страхування
Висновки
Література
Додатки
Вступ
Приготування кормів – найважливіший технологічний процес на фермах, так як на приготування кормів витрачається 20-60% всіх затрат праці по виробництву продукції.
Механізоване приготування кормів на основі раціональної технології - важлива умова підвищення продуктивності праці і зниження собівартості тваринницької продукції.
Механізація приготування кормів значно розширює їх асортимент для різних видів тварин. Виробництво і виготовлення брикетів, гранул, різних видів консервованих кормів, створення кормосумішей, підбір мікроіндігрієнтів до потрібної комплексності, покращення доступності живильних речовин, вимагає створення високотехнологічного обладнання, здатного замінити цілий комплекс машин і отримати високий економічний ефект.
Використання екструзійної технології відповідає вищевикладеним вимогам. Прес-експандери забезпечують механічну дію на сировину, ефективно руйнуючи структуру матеріала, тим самим, підвищуючи поживність і якість кормів. Такий обробіток пов'язаний з високими температурами до 130 о С і тиском до 3,0 МПа. Та ефективній роботі експандерів запобігає висока енергоємність процесу. Вивчення впливу комплексу різних факторів, на підвищення ефективності процесу експандування, представляє собою актуальну задачу.
1. Аналіз виробничо – економічної діяльності господарства
1.1 Загальні відомості про СВК "Світанок"
Сільськогосподарський виробничий кооператив "Світанок" Комінтернівського району Одеської області, розташований в районному центрі смт. Комінтернівське, що в 40 км., від обласного центра портового міста Одеса.
До найближчої залізничної станції с.Кремидівка 17 км.
До обласного центра і найближчої залізничної станції прокладено автомобільні дороги з асфальтним покриттям.
На теперішній час господарство СВК "Світанок" має – 4779 га землі, з яких 4295 га сільськогосподарські угідь, в тому числі рілля – 3670 га.
Середньорічна чисельність працівників, зайнятих в сільськогосподарському виробництві – 140 працівників.
Землекористування СВК "Світанок" знаходиться в степовій зоні, що характеризується помірно-континентальним кліматом з теплою зимою та жарким літом.
За сумою активних температур та ступеню вологозабезпеченості територія відноситься до помірного агрокліматичного району області, що характеризується наступними показниками: тривалість вегетаційного періоду 200-210 днів, сума активних температур 3100-3200
річна кількість опадів 370-480 мм.
Рельєф місцевості слабосхилистий, є схили до 5º.
Головний тип ґрунтів – чорноземи сірі, глибина родючого шару гранту 650 мм..
Загалом природно-кліматичні умови є сприятливими для вирощування багатьох злакових, технічних і кормових культур, а також плодів і овочів.
1.2 Виробничо- економічні показники роботи СВК "Світанок"
Розміри сільськогосподарського кооперативу наведені в таблиці 1.1.
Таблиця 1.1 Розміри СВК "Світанок" та забезпеченість виробничими ресурсами
| Показники | Роки | 2008р. до 2006р. ,відсотки. | ||
| 2006 | 2007 | 2008 | ||
| 1 | 2 | 3 | 4 | 5 |
| Вартість валової продукції (в співставних цінах 2005р.), тис. грн. | 4188,8 | 2178,0 | 5241,9 | 125,1 |
| Виручка від реалізації продукції, тис. грн. | 4525,3 | 4650,7 | 5971,7 | 131,9 |
| Чистий прибуток(+), збиток(-), тис. грн. | -282,5 | -565 | 1480,9 | Х |
| Площа сільськогосподарських угідь, га. | 4295,0 | 4295,0 | 4295,0 | 100,0 |
| в т.ч.: - рілля | 3670,0 | 3670,0 | 3670,0 | 100,0 |
| - сіножаті | 289,0 | 289,0 | 289,0 | 100,0 |
| - пасовища | 265,3 | 265,3 | 265,3 | 100,0 |
| - багаторічні насадження | 70,7 | 70,7 | 70,7 | 100,0 |
| Середньорічна вартість основних виробничих засоби, тис. грн. | 3865,6 | 1491,1 | 1238,5 | 2,0 |
| Фондоозброєність, тис. грн. | 17,7 | 8,3 | 8,8 | 49,7 |
| Середньорічна чисельність працівників, чол. | 218 | 179 | 140 | 64,2 |
| у т.ч. в рослинництві | 73,0 | 62,0 | 73,0 | 100,0 |
| в тваринництві | 145,0 | 117,0 | 67,0 | 46,0 |
| Поголів'я тварин: | ||||
| великої рогатої худоби, гол. | 637,0 | 422,0 | 294,0 | 46,0 |
| свиней, гол. | 49,0 | 32,0 | - | Х |
| Виробництво основних видів продукції, ц: | ||||
| - пшениця | 22838,0 | 9098,0 | 38997,0 | 170,7 |
| - ячмінь озимий | - | 4104,0 | 12306,0 | Х |
| - ячмінь ярий | 12870,0 | 2191,0 | 6223,0 | 48,4 |
| - жито | 448,0 | 140,0 | 843,0 | 188,1 |
| - овес | 2055,0 | 658,0 | 1953,0 | 95,0 |
| - гречка | 716,0 | 76,0 | 461,0 | 64,4 |
| - горох | 3216,0 | 1296,0 | 4254,0 | 132,2 |
| - соняшник | 14358,0 | 8500,0 | 14062,0 | 97,9 |
| - ріпак озимий | - | 710,0 | 6720,0 | Х |
| - молоко | 11733,0 | 9149,0 | 2391,0 | 20,4 |
| - м’ясо великої рогатої худоби | 814,0 | 402,0 | 366,0 | 44,9 |
| - м’ясо свиней | 89,0 | 23,0 | - | Х |
Аналізуючи таблицю 1.1 можна зробити висновок, що розміри господарства за останні три роки значно скоротились. Однак відбулося збільшення виробництва валової продукції(на 25%), виросла виручка від її реалізації (на 31,9) і господарство вийшло на рівень прибутковості, що пов'язано із впровадженням у виробництво кращих технологій і більш раціональним використанням земельних ресурсів. Поряд із цим відбулося зменшення вартості основних засобів(на 68%), що пов'язано із їхнім зносом і не поновленням існуючої бази. Також значно зменшилось поголів'я тварин, у зв'язку з тим що галузь тваринництво є занепадаючою, бо маючи високу собівартість продукція має низьку закупівельну ціну, тобто є нерентабельною.
Також із таблиці видно, що значно зменшилась вартість основних засобів, що призвело до зменшення фондоозброєності (на 50,3%), водночас зросла ефективність їх використання. Кількість основних засобів зменшилась внаслідок їх зносу, і не поновлення існуючої бази.
Дані таблиці свідчать, що чисельність працівників зменшилась, зменшення (на 54%) відбулись в галуззі тваринництва це пов'язано із зменшенням чисельності тварин у зв'язку з нерентабельністю цієї галуззі.
Також спостерігається ріст натуральних показників основних видів продукції, пшениця 70,7%, жито 88,1%, горох 32,2%, показники овсу, ячменю, соняшника практично не змінилося, окрім: гречки, молока і м’яса ВРХ показники яких зменшились.
Аналіз ефективності виробництва у СВК «Світанок» наведений в таблиці 1.2.
Таблиця 1.2 Аналіз ефективності виробництва у СВК "Світанок"
| Показники | Роки | 2008р. до 2006р., відсотки. | ||
| 2006 | 2007 | 2008 | ||
| 1 | 2 | 3 | 4 | 5 |
| Вироблено на 100с.-г. угідь: | ||||
| - валової продукції,тис. грн. | 97,5 | 50,7 | 122,0 | 125,1 |
| - чистого доходу, тис. грн. | 105,4 | 108,3 | 139,0 | 131,8 |
| - чистого прибутку, тис. грн. | -6,6 | -13,1 | 34,5 | Х |
| Урожайність, ц/га.: - пшениця | 25,4 | 10,1 | 40,7 | 160,2 |
| - ячмінь озимий | 26,5 | 13,7 | 40,7 | 153,5 |
| - ячмінь ярий | 24,9 | 8,1 | 25,4 | 102,0 |
| - жито | 44,8 | 14 | 84,3 | 188,1 |
| - овес | 22,8 | 8,6 | 25,7 | 112,7 |
| - гречка | 14,3 | 1,5 | 5,7 | 39,8 |
| - горох | 21,4 | 4,2 | 13,9 | 64,9 |
| - соняшник | 21,1 | 1,8 | 15,8 | 74,8 |
| - ріпак озимий | - | 6,7 | 22,8 | Х |
Продуктивність тварин: - середньорічний удій на1 корову, ц. |
22,1 | 21,2 | 7,7 | 34,8 |
| - середньодобовий приріст великої рогатої худоби, г. | 350,1 | 260,9 | 341,1 | 97,4 |
| - середньодобовий приріст свиней, г. | 458,5 | 196,9 | - | Х |
| Фондовіддача, грн. | 1,1 | 1,4 | 4,3 | 390,9 |
| - валової продукції | 19,2 | 12,2 | 37,4 | 194,7 |
| - чистого доходу | 20,7 | 25,9 | 42,6 | 205,8 |
| - прибутку | -1,3 | -3,2 | 10,6 | Х |
| Витрати на основне виробництво, тис. грн. | 6322,9 | 6102,2 | 5818,9 | 92,0 |
| у т.ч. в рослинництві | 3031,0 | 2948,9 | 4145,2 | 136,7 |
| в тваринництві | 3291,9 | 3153,3 | 1673,7 | 50,8 |
| Валовий прибуток (збиток), тис. грн. | -681,4 | -1013,4 | 1124,1 | Х |
| в т.ч. рослинництва | 509,9 | 1089,1 | 2075,3 | 407,0 |
| тваринництва | -1189,2 | -2176,9 | -1013,1 | 85,2 |
| Рівень рентабельності, % | -10,7 | -16,6 | 19,3 | Х |
| в т.ч. рослинництва | 16,8 | 36,9 | 50,0 | Х |
| тваринництва | -36,1 | -69,0 | -60,5 | Х |
Дані таблиці 1.2 свідчать про ріст ефективності використання землі, про це свідчать, як вартісні так і натуральні показники. Ефективність збільшилась у зв'язку з тим, що останній рік був врожайним ніж попередні. Це можна простежити по даним натуральних показників, які зросли, окрім гречки, гороха, соняшника, в яких врожайність зменшилась. Окрім того в останні два роки господарство почало вирощування ріпаку, що в наших умовах не є раціональним використанням землі, оскільки він дуже виснажує землю.
Відбулося зменшення продуктивності тварин, зменшився удій молока на 65,2%, добовий приріст м’яса ВРХ на 2,6%, це пов’язано із вирощуванням низькопродуктивних тварин та використання неповноцінних кормових раціонів.
Водночас зросла ефективність використання праці людей про це свідчить збільшення виробництва на одного працівника: валової продукції (на 94,7%); отримання чистого доходу (на 105,8%) і прибутку. Підвищення ефективності праці пов'язано з підвищенням рівня механізації робіт і покращення використання земельних ресурсів.
Аналізуючи таблицю можна зробити висновок, що зі збільшення витрат на основне виробництво в рослинництві і зменшенням у тваринництві господарство в останній рік вийшло на рівень прибутковості. Чистий прибуток головним чином був отриманий від реалізації продукції рослинництва, галузь тваринництво все ще залишається збитковою. В останній рік господарство нарешті стало рентабельним, ріст рівня рентабельності (в три рази) відбувся і в рослинництві, в галузь тваринництво майже ніяких змін не відбулося, вона знаходиться в мінусах, у зв'язку з її високою собівартістю, і потребує структурних змін і технологій.
Наявність тракторів, комбайнів та сільськогосподарських машин в господарстві представлена в таблиці 1.3.
Таблиця 1.3 Наявність тракторів, вантажних автомобілів, комбайнів та сільськогосподарських машин в СВК "Світанок"
| Маркатехніки | Одиниць,шт. | Роки | 2008р. до 2006р., відсотки. | ||||
| 2006 | 2007 | 2008 | |||||
| 1 | 2 | 3 | 4 | 5 | 6 | ||
| Трактори: | шт. | 42 | 42 | 41 | 98 | ||
Вантажн автомобілі: |
шт. | 40 | 40 | 40 | 100 | ||
| Комбайни:зернозбиральні | шт. | 8 | 8 | 8 | 100 | ||
| кормозбиральні | шт. | 6 | 5 | 5 | 83 | ||
| Плуги: | шт. | 30 | 28 | 25 | 83 | ||
| Лущильники: | шт. | 12 | 12 | 12 | 100 | ||
| Культиватори: | шт. | 18 | 15 | 14 | 78 | ||
| Борони: | шт. | 165 | 155 | 150 | 91 | ||
| Котки: | шт. | 12 | 11 | 11 | 92 | ||
| Зчіпки: | шт. | 22 | 19 | 19 | 86 | ||
| Сівалки: | шт. | 19 | 17 | 16 | 84 | ||
| Оприскувачі: | шт. | 8 | 8 | 8 | 100 | ||
| Косарки: | шт. | 6 | 5 | 5 | 83 | ||
| Прес-підбирачі: | шт. | 3 | 3 | 3 | 100 | ||
| Жатки: | шт. | 7 | 7 | 6 | 86 | ||
| Розкидачі добрив: | шт. | 9 | 9 | 8 | 89 | ||
| Навантажувачі: | шт. | 4 | 4 | 4 | 100 | ||
Дані таблиці 1.3 свідчать про те що господарство достатньо забезпечене тракторами, комбайнами і сільськогосподарськими машинами, для виконання всіх операцій пов’язаних з вирощування сільськогосподарських культур. Але техніка матеріально і морально зношена, про це свідчить зменшення її численності із року в рік, і не поновлення існуючої бази.
2. Огляд сучасних технологій і технічних засобів теплового обробітку концентрованих кормів
2.1 Необхідність обробітку концентрованих кормів
Фуражне зерно є головним компонентом при виробництві комбікормів для тварин і птиці. Однак при згодовуванні зерна у звичайному вигляді засвоюваність його живильних компонентів харчовими системами тварин складає не більше 40-60%. Зерно злакових культур на рівні з іншими видами живильних речовин містить багато крохмалю, засвоєння якого при згодовуванні тваринам і птиці проходе повільно і при цьому продуктивно використовується тільки певні його форми і то в невеликій кількості. За даними ряду дослідів засвоюваність живильного потенціалу крохмалю в природній формі не перевищує 20-25%, в залежності від виду культури. Тому завдання нових технологій переробки зерна полягає у впровадженні таких способів обробітку вихідної сировини, які дозволили перевести крохмаль в зручну для засвоювання організмом тварин форму. Це можливо при руйнуванні зернистої структури крохмалю на клітинному рівні, що сприяє розриву природних зв’язків між окремими складовими частинами і переводу його в більш прості вуглеводи у вигляді декстринів і сахарів, тобто відбувається же латинізація крохмалю або декстринізація його на більш прості складові.
Без спеціального обробітку важко засвоюваною є також і клітковина, яка міститься у великій кількості в зерні і бобах, особливо в їхніх верхніх захисних шарах і оболонках. Тому розроблювальні способи поглибленої переробки вихідної зернової сировини повинні сприяти деструкції частини целюлозно-лігнінових утворень клітковини в природних формах в більш прості види моносахарів та амінокислот.
Багаточисленими науковими дослідами, а також широкою виробничою перевіркою встановлено, що негативна дія цих бар’єрів, передбачених природою для захисту, передусім насіння, як біологічного джерела постійного виробництва самих злакових і бобових культур, може бути знищено повністю або в значній ступені подавлено. За рахунок статичних і динамічних дій зовнішнього і внутрішнього тиску на клітинному та молекулярному рівні на захисні мембрани, температури, осмосу та інших факторів спостерігається денатурація білка, знищення анти живильних речовин, декстринізація крохмалю, деструкція целюлозно-лігнінових утворень, практично повна стерилізація кінцевої продукції від мікроорганізмів і бактерій, утворення мікропористої структури в готовому продукті, найбільш благоприємній для дії шлункового соку, внаслідок чого більш повне засвоєння живильних речовин організмом тварин.
2.2 Теорія і практика процесів теплової обробки зернової сировини
В світовій практиці комбікормового виробництва існує багато методів і технологій обробітку зернової сировини з ціллю підвищення його поживності.
На рисунку 1.1 представлена класифікація технологій і методів обробітку кормів. Але серед перерахованих найбільш використовуваними і ефективними методами є слідуючі варіанти:
- пропарювання і плющення зерна;
- піджарювання ячменю ( зі зволожуванням, пропарюванням або без нього);
- вибух в кип’ячому шарі або пневмотрубі - отримання «вибухнувших» пластівців;
- мікронізація - обробіток інфрачервоними променями зернових і зернобобових компонентів з послідуючим плющенням рифленими вальцями;
- екструдування зернових, зернобобових, зерна і висівок разом;
- сухе екструдування - одноразове або дворазове гранулювання очищеного цілого зерна з послідуючим подрібненням гранул;
- експандування - кондиціювання під тиском.
Кожен із перерахованих способів теплового обробітку потребує спеціальних апаратів, машин, допоміжного обладнання.

Рисунок 2.1. Класифікація технологій обробітку зерна злакових і бобових культур
Піджарювання
Зерно піджарюють головним чином для поросят-сосунів з ціллю привчити їх до поїдання корму в ранньому віці, стимуляція секреторної діяльності тина крохмалю розчіплюється до моносахарів, що робе зерно солодкуватим на смак, та при цьому внаслідок денатурації білка трохи знижується перетравлюваність протеїну і доступність амінокислот. Крім того, висока температура згубно діє на бактеріальну обсемененість і різні види грибів зерна, що дозволяє в значному ступеню запобігти можливих хвороб шлунково-кишкового тракту поросят.
Піджарюють зазвичай зерно, широко використовуване в годуванні свиней, ячмінь, пшеницю, кукурудзу, горох. Попередньо зволоживши до стадії набухання, зерно тонким шаром насипають на залізні листи або металеві кювети і рівномірно помішуючи на протязі 10-12 хвилин, підсмажуючи при температурі 100-180 о С до появи світло-коричневого або коричневого кольору. При досягненні такого забарвлення зерно швидко охолоджують. Для виконання даної операції використовують обжарювальні агрегати А9-КЖА.
Піджарене зерно скормлюють поросятам з 5-7 денного віку до відлучення, починаючи з малих доз ( 30-50г ) і поступово доводячи денну норму до 120-150г.
Даний метод знайшов широке використання безпосередньо в господарствах.
Варіння та запарювання
Використовують при годуванні свиней зернобобовими: горох, соя, люпин, чечевиця. Ці корма попередньо подрібнюють, а потім на протязі 1 години варять або пропарюють 30-40 хвилин в кормозапарнику. Такий обробіток кормів дозволяє інактивувати анти живильні речовини, знизити ефективність їх використання. Після обробітку зернобобові використовуються в якості білкових добавок в кількості 25-30% від загальної поживності раціону.
Не рекомендується варити і запарювати зерно доброї якості. Недоброякісне, тривало зберігаєме та уражене патогенною мікрофлорою зерно підлягається обов’язковому обробітку.
Відволожування.
Його використовують для покращення смакових якостей зернових кормів (ячменя, кукурудзи, пшениці і т.д.) і підвищити їх зідаємості. При відсоложуванні кормів частина крохмалю під дією діастази зерна або солода переходе в цукор (на10-12%) від чого корм стає солодкуватим.
Відсолоджування проводять в теплому приміщенні (18-20о С) в спеціальних дерев’яних ящиках або алюмінієвих ваннах, куди зернову дерть розсипають рівним шаром (не більше 40-50 см) і поливають гарячою (90 о С) водою при відношенні корма до води 1:1,5-2. Важливо щоб вихідна зернова маса була рівномірно зволожена та добре перемішена, після чого її накривають кришкою або щільною тканиною.
Для активізації процесу ферментації та прискорення періоду відсоложування використовують виготовлений із ячменю солод в кількості 1-2%. Перемішену із солодом вихідну масу залишають на 3-4 години, підтримуючи оптимальну для дії ферментів температуру (55-60 о С). Солод отримують переважно із ячменю, який після зволоження насипають в ящики шаром не більше 10 см та залишають в приміщенні при температурі 20-25 о С. Через 2-3 дні ячмінь проростає після чого його висушують та в розмолотому вигляді використовують при відсолоджуванні або дрожуванні кормів.
Приготовлений таким способом корм скормлюють переважно поросятам-сосунам або віднімишам. В залежності від живої маси та загального розвитку тварин, його дають в кількості 10-12% від зернової частини раціону. Крім того для покращення апетиту включають в раціон слабких та високопродуктивних тварин (не більше 50% від норми концентратів).
Мікронізація.
Операція полягає в обробітку зерна інфрачервоними променями. При обробітку зерна таким способом використовують різні в конструктивному відношенні машини що мають назву мікронізаторами. У вітчизняній практиці для цього використовують кварцові галогенні лампи КГІ-220-1000, за допомогою яких опромінюють зерно, що рухається по транспортеру. В якості джерел інфрачервоного випромінювання можна використовувати трубчасті електронагрівальні елементи або спіралі, виготовлені з матеріалів з великим електричним опором. Інфрачервоні промінні проникають в зерно, збуджуючи його молекули, викликаючи інтенсивну їх вібрацію. При цьому виникає тертя, супроводжуване виділенням внутрішнього тепла. Гігроскопічна волога випаровується, внаслідок чого різко підвищується тиск. Внаслідок чого зерно набухає, вспучується стає м’яким, розтріскується.
Поживні речовини (білки, вуглеводи ) зерна в процесі мікронізації підлягаються практично таким же структурним змінам, як при гідротермічній та баротермічній обробітках. При мікронізації зерно проходе розщеплення (до 98%) крохмалю до сахарів, на 3-5% збільшується кількість щелочорозчінних білків, що сприяє їх кращому перетравленню і засвоєнню організмом тварин.
Мікронізація покращує енергетичну поживність кукурудзи і ячменю, руйнує трипсинові інгібітори сої, гороху, бобів, руйнує токсичну плісняву та гриби.
Обробіток зернових ІЧ – променями підвищує засвоюваність зерна на 5-7%. Так використання інфрачервоного випромінювання при щільності теплового потоку 16 кВт/м2 дозволяє на протязі 2 хвилин нагріти соєві боби до температури 200 о С. такий інтенсивний нагрів забезпечив значне зниження активності ферменту уреази, що є в даному випадку показником ефективності теплового обробітку.
Обробіток в нахиленому пневмоканалі або в кип’ячому шарі для отримання «повітряних» зерен.
Дану технологію використовують для отримання продукту, призначеного для годування ВРХ.
Обробіток зерна кукурудзи, сорго, пшениці, ячменю, а також бобів сої проводять по одному з двох методів. В першому випадку процес конвективного нагріву зерна здійснюється в нахиленому пневмоканалі, а по другому – в кип’ячому шарі. Для отримання повітряних, тобто вибухнувши зерен необхідно забезпечити підвід теплоти з великою швидкістю, щоб створити значне внутрішнє напруження в зернівках при випаровуванні вологи, що в них міститься. Саме внаслідок внутрішнього тиску відбувається розрив поверхні зерна і розгорнення ендосперми.
По першому способу зерно попередньо нагрівають кондуктивним методом до температури 65 о С при русі із живильника по нахиленому днищі камери попереднього обробітку. Передбачено розділення вибухнувших і невибухнувших зерен по швидкості витання та повернення невибухнувших зерен в процес. В робочій зоні теплоносій має температуру 260 о С. Вибухнувші зерно-повітряні пластівці охолоджуються і можуть бути потім подрібненні для вводу в комбікорми або спрямованні в кормороздавачі для розвезення по фермах.
Екструдування.
Екструдування є одним із найбільш ефективних і використовуваних в комбікормовій промисловості способів обробітку зерна. При обробітку зернофуражу таким способом протікає два безперервних процеси 1) механічне і хімічне деформування; 2) «вибух» продукту.
Сировину для екструзії доводять до вологості 12-16%, подрібнюють і подають в екструдер, де під дією високого тиску (2,8-3,9МПа) і тертя зернової маси розігрівається до температури 120-150 о С. Потім внаслідок швидкого переміщення її із зони високого тиску в зону атмосферного відбувається так названий вибух, внаслідок чого гомогена маса спучується і утворюється продукт мікропористої структури.
Внаслідок же латинізації крохмалю, деструкції целюлозно-лінгнінових утворень значно покращується його кормова цінність. Кількість крохмалю при цьому зменшується на 12%, а декстринів збільшується майже в 5 раз, кількість засвоюваного сахару збільшується на 14%. При цьому значно покращується санітарний стан зерна. Під дією високої температури і тиску майже повністю знищуються патогенна мікрофлора і плісняві гриби.
В шнеку екструдера встановлені спеціальні шайби ( на вході - діаметром 17,5 мм, на виході – 125 мм). За рахунок тертя продукту об шнек і стінку корпуса відбувається значний нагрів продукту ( температура продукту на виході 120-130 о С), а різниця тиску на виході із камери і внутрі камери приводе до вспучування продукту.
Екструдований корм найбільш раціонально використовувати для годування поросят молодшого віку, оскільки їх перетравлю вальна система це період не здатна розщепити складні живильні речовини раціону.
При використанні екструдованого зерна в складі раціонів для молодняку свиней збільшується перетравність сухої речовини - на 2,1%, органічного – на 1,9%, сирого протеїну – на 4,5%, сирого жиру - на 3,8%.
Експандування
Експандування основане на гідротермічному обробітку корму під тиском. Принцип дії екструдерів і експандерів однаковий – в шнековому робочому органові продукт розігрівається, ущільнюється і випресовується. Однак режими обробітку істотно відрізняються.
В екструдерах продукт розігрівається тільки за рахунок тертя при русі по витках шнека і активному перемішуванню під тиском. Регулювання температурного режиму обробітку досягається в екструдері тільки за рахунок змінних робочих органів (кільця, «граючої» шайби). Затрати електроенергії при цьому складають 100-150 кВт/год. Екструдування комбікормів проводиться при вологості 12-14%. Втрата вологи при охолодженні готового продукту складає 5-8%, тому він виходить занадто сухим - вологістю 6-8%.
Обробіток в експандері здійснюється при при більш високій вологості. Західні фірми «Амандус Каль», «Альмекс» та інші рекомендують проводити обробіток при вологості до 26%. Продукт розігрівається за рахунок воду пара і тертя.
При одних і тих же температурних режимах( 115-145о ) обробіток в експандері при підвищеній вологості протікає в менш жорстких умовах. Справа в тому, що в екструдері через понижену вологість на окремих ділянках «місцеві» опори руху продукту можуть зрости до значних величин, викликаючи «місцеве» підвищення температури, хоча загальний температурний режим залишається попереднім. Як в екструдерах, так і в експандерах можна за рахунок зміни режимів обробітку отримують готовий продукт різної щільності, т.б. комбікорми, плаваючі і повільно тонучі.
Експандуювання забезпечує слідуючі переваги: увід великої кількості рідких компонентів – масла, жиру,меляси та ін.; знешкодження шкідливих для живлення компонентів; покращення якості і засвоюваності комбікормів; більш високу продуктивність пресу для гранулювання, кращу якість гранул; використання більш дешевої і складної для гранулювання сировини.
Нормальна робоча температура при обробітку комбікормів для птиці і свиней знаходиться в діапазоні від 105 до 110о С. Можна досягти тиску до 4 МПа і температури до 130о С, та всього лише на короткий період, так як при загальному часі проходження продукту через експандер складає декілька секунд.
На виході із експандера продукт миттєво втрачає навантаження, а добавлена рідина в значній степені випаровується. Називається це блискавичним випаровуванням, тому послідуюче сушіння готового продукту не потрібно. За рахунок випаровування рідини температура падає до 90о С. В залежності від рецептури, температури продукту і тиску готовий продукт може мати структуру тіста, товстих пластівців або комків.
Розхід енергії складає 5-10 кВт*год./т при виробництві кормів для птиці і свиней і 15 кВт*год./т – для крупного рогатого скота.
Гранульований експандат містить в собі одночасно переваги гранульованих і розсипних комбікормів. Кожна частина містить всі складові компоненти. Розподіл частинок дуже рівномірний. Обробіток в експандері зменшує загальну обсемененість сировини. Повністю знищуються коліобразні бактерії, кишкова палочка, плісняві грибки і сальмонели.
Процес роботи експандера полягає в наступному. Оброблюваний матеріал завантажують в бункер, який подається живильником в змішувач-дозатор, з якого дозовано подається в накопичувальний бункер. Із бункера-накопичувача експандера матеріал у виді неоднорідної сипучої маси поступає в першу зону нагнітаючого шнеку. Тут матеріал захоплюється шнеком і переміщується до слідкуючої зони. В першій зоні матеріал частково заповнює міжвитковий об’єм шнека , та не повністю покриває поверхню витків шнека і шнекової камери. Частинки матеріалу в першій зоні переміщується основному поступово, а від обертального руху вони утримуються силою власної ваги.
У другій зоні, на відміну від першої, сипуча вага ущільнюється і ступінь зв’язаності її частинок збільшується. Спочатку заповнюється вільний міжвитковий об’єм шнеку, а потім ущільнення маси проходе внаслідок зменшення проміжків між його частинками і витісняє значну кількість повітря. У другій зоні маса добре перемішується, підлягає поступовому стисненню і максимально ущільнюється. В цій зоні матеріал підлягається дії вологого пару, утвореного внаслідок дії температури на продукт. Оброблений вологим паром матеріал ущільнюється шнеком і просувається до третьої зони.
В третій зоні, окрім головної операції пресування шнек шляхом інтенсивного перемішування і проминки матеріалу під тиском сприяє переходу його в пружноплаский стан. Процес перемішування і пресування характеризується ще і тим, що безпосередньо контактуючі шари матеріалу мають різні швидкості, внаслідок чого між ними діють напруження здвигу. Тому окрім перемішуваного ефекту утворюється ще і внутрішнє тертя, яке приводе до розтирання частинок і отримання однорідної структури матеріалу.
В кінці третьої зони спресований матеріал виходе із площіни шнека і поступає в четверту зону у вигляді закрученого пульсуючого вязопластичного потоку. Тут ця вязопластична маса переборює силу тиску четвертої зони, обумовлену опором формуючих отворів матриці.
При випресовувані через них вязопластичної маси форма її потоку кінцево змінюється відповідно кількості і формі поперечного перерізу отворів матриці. Об’єм маси отримуваного продукту при виході із отворів матриці в зв’язку з різким падінням тиску збільшується за рахунок пружної деформації, що створюється внутрі оброблюваного матеріалу. внаслідок того, що довжина матричного каналу мала, відновлювальний процес відсутній і видавлюючи через отвір матриці продукція має спучену, пористу структуру.
Термодинамічні основі екструдування:
В основі екструдування кормової сировини лежить два процеси – механіко-хімічна деформація і «вибух» продукту на фронті ударного розрідження. Останній відбувається внаслідок різкого переносу продукту із зони високого тиску в область атмосферного. Обидва процеси безперервні і проходять при певних швидкостях підводу і відводу тепла і тиску.
Екструдування полягає в тому, що приготовлена сировина подається через завантажувальний бункер в машину. По мірі переміщення частинок в робочій камері збільшується ступінь стиску, який визначається відношенням площі робочого каналу і сумарній площі філер на виході продукту із матриці. Ущільнюючись продукт розігрівається як за рахунок сил тертя частинок об поверхню обертаючих ся робочих органів і деформації здвигом в самому продукті, так і за рахунок додаткового джерела тепла. Як показали досліди, під дією цих двох факторів, тобто фактора деформаційних навантажень і теплоти, майже вся зернова сировина може бути підвернена фазовим перетворенням із крихкого склоподібного стану спочатку у високо еластичний, потім у вязотекучий.
Фазові переходи стану матеріалу і його компонентів дозволяють весь процес екструдування поділяти на ряд технологічних зон – завантаження, стиску, гомогенізації і екструзії.
В зоні завантаження змін в продукті практично не спостерігається. Високоеластичного стану продукт набуває в зоні стиску. Тут відбувається часткове руйнування кліткової архітектоніки продукту, структури і текстури його природних компонентів – крохмального і целюлозно-лінгвінового.
В зоні гомогенізації продукт набуває особливого стану – вязотекучий. В окремих біополімерах: білку, крохмалю, клітковини з’являються структурні перетворення.
Головні і найбільш важливі зміни в перелічених компонентах відбуваються в зоні екструзії при швидкому переносі матеріалу із зони високого тиску в область атмосферного. Акумульована продуктом енергія вивільнюється зі швидкістю приблизно рівною швидкості вибуху, що приводе до спучування, «вибуху» продукту, що супроводжується глибокими перетвореннями структури і властивостей окремих живильних речовин.
2.3 Обґрунтування процесу експандування
Вченими багатьох країн світу проводився ряд досліджень, що доводять переважні властивості експандату. Одне з досліджень стосувалося розщеплення крохмалю при експандуванні. Розщеплення крохмалю покращує травлення у тварин. Питання розщеплення крохмалю найбільш актуальний для поросят. Велика частка розщепленого крохмалю дозволяє поросятам перетравлювати крохмаль ще до його надходження в товсту кишку - тим самим усувається причина виникнення проносу, а стабілізація шлунково-кишкового тракту особливо важлива для маленьких тварин.
Основні переваги експандату:
- Крупка на відміну від дерті не настільки тверда, тому не травмує стравохід і шлунок тварин;
- Експандат крупно-зернистий, тому не утворює пилу і тим самим не викликає налипання на органи травлення і дихання;
- Експандат зберігає стабільність та стійкість при транспортуванні;
- Експандат має велику поверхню частинок і пористу структуру, що забезпечує більш легке проникнення шлункового соку і власних ферментів у експандат;
- При використанні експандата більш висока гігієна комбікормів;
- При використанні експандату: зменшується витрата кормів на 9%;
- Коефіцієнт використання експандуйованого корм на 1 кг. приросту ваги в порівнянні з розсипних кормами збільшується на 9%;
- При використанні експандату: більший приріст у вазі тварин;
- При використанні експандату: кращий стан приміщень для утримання тварин;
- При використанні експандату: низький рівень падежу тварин;
- При використанні експандату: кращу якість м'яса;
- Процес експандуювання збільшує термін зберігання комбікормів.
Короткий, але інтенсивний вплив тепла, вологи і високого тиску під час експандування ефективно для знищення сальмонел та інших патогенних бактерій, грибків і цвілі. Принцип знезараження ґрунтується не тільки на тепловій обробці, але і на динамічному впливі під час проходження продукту через робочу зону експандера.
Результати гігієнічної обробки комбікормів (проба комбікормів - 25 р.) в експандер з кільцевих зазором фірми «Амандус- Каль» представлені в таблиці 2.1.
Таблиця 2.1 Гігієнічна обробка в експандері (кількість мікроорганізмів в 1 г)
| Показники обсіменіння | Загальна обтяженість | Коліба-ктерій | Е-колібакте-рій | Цвілеві грибки | Сальмонели |
| 1 | 2 | 3 | 4 | 5 | 6 |
| Комбікорми для свиней | 67000000 | 100000 | 1000 | 300 | Не виявлено |
| Комбікорми для птиці | 330000 | 0 | 1000 | 0 | Виявлено |
| Сировина (розсипний комбікорм): 24° С після експандування при 120 ° С сировина (розсипний комбікорм) | 830000 | 1000 | 0 чи не досліджувався | 1400 | Відсутні |
| 27 ° С після експандування при 125 ° С | 39000 | 0 | 0 чи не досліджувався | 0 | 0-менше 10 мікроорганізмів / грам |
Процес експандування впливає на збереження біологічно активних речовин, що вводяться в комбікорми з преміксом або як монокомпоненти. Це стосується в першу чергу до вітамінному комплексу. Залишкова активність вітамінів в експандуйованому комбікормі наведена нижче.
Таблиця 2.2 Залишкова активність вітамінів після обробки кормів,%
| Вітаміни | Експандер | Експандер + пресс-гранулятор | Пресс-гранулятор | |||
| 101-105ºС | 111-115ºС | 80-90ºС | 91-95ºС | 86-90ºС | 91-95ºС | |
| 1 | 2 | 3 | 4 | 5 | 6 | 7 |
| А капсульованих | 97 | 95 | 93 | 90 | 94 | 91 |
| D 3 - капсульованих | 98 | 96 | 93 | 91 | 93 | 92 |
| Е ацетат | 97 | 95 | 92 | 90 | 93 | 92 |
| К 3 | 82 | 78 | 63 | 58 | 75 | 72 |
| В 1 - мононітрат | 96 | 92 | 87 | 82 | 89 | 87 |
| В 2 - рибофлавін | 92 | 88 | 84 | 78 | 89 | 87 |
| В 6 – піридоксин | 94 | 91 | 85 | 79 | 87 | 85 |
| В 12 - кобаламін | 97 | 96 | 94 | 92 | 96 | 96 |
| Пантотеновая кислота | 95 | 92 | 86 | 82 | 89 | 87 |
| Фоліевая кислота | 94 | 91 | 85 | 81 | 89 | 87 |
| Біотин | 94 | 91 | 85 | 81 | 89 | 87 |
| Ніацин | 93 | 89 | 85 | 80 | 90 | 89 |
| С – фосфат аскорбінової кислоти | 98 | 96 | 92 | 89 | 93 | 92 |
| Холінхлорид | 99 | 98 | 97 | 95 | 97 | 97 |
Доказом високої ефективності експандування є визначення після процесу експандування стабільності біологічно-активних компонентів (амінокислот).
Таблиця 2.3 Порівняльний вміст амінокислот до і після експандування
| Показник | Амінокислоти | ||
| Лізин | Треонін | Метіонін | |
| 1 | 2 | 3 | 4 |
| Вміст у необроблених комбікормах,% | 0,84 | 0,61 | 0,55 |
| Вміст у експандуйованих комбікормах (у%) при обробці, º С 120 ºС | 0,83 | 0,59 | 0,56 |
| 130 ºС | 0,78 | 0,57 | 0,54 |
Економічну ефективність експандуйованих комбікормів в порівнянні з аналогічними розсипних і гранульованими комбікормами доводять наступні результати досліджень:
Таблиця 2.4.Показники відгодівлі свиней (від 10 до 40 кг.) різним комбікормами
| Показники | Витрата кормів, г / день | Збільшення живої маси, г / день | Використання корму на 1 кг. приросту ваги |
| 1 | 2 | 3 | 4 |
| Розсипний комбікорм | 1007 | 473 | 2,13 |
| Гранульований комбікорм | 955 | 470 | 2,03 |
| Експандуйований комбікорм | 922 | 476 | 1,94 |
Є низка помилок про негативний вплив теплової обробки гранулювання і експандування. Основа цих помилок пояснюється тим, що при дуже високих температурах 150-240 0 С і тривалому їх дії в зерні знижується вміст протеїну, а так само знижується доступність лізину. Нагадуємо, що робоча температура експандера 80-130 0 С і час протікання процесу не більше 8 секунд.
2.4 Перспективні напрямки удосконалення технології приготування кормів
Технології екструдуювання від «Інста-Про»
Технологія екструдуювання компанії «Інста-Про» передбачає як істину суху екструзію, названу так тому, що екструдування проходе за допомогою тепла, яке виробляється в процесі проходження екструдованого продукту через декілька шнекових обмежувачів в стволі екструдера, так і можливість використовувати при екструдуванні пару. Для цього екструдер може бути обладнаний камерою попереднього обробітку сировини паром (кондиціонером). Використання пару подвоює продуктивність і зменшує знос робочої частини ствола екструдера.
Процес сухого екструдування займає менше 30 секунд. За цей час сировина встигає пройти декілька стадій обробітку:
- теплову. В залежності від виду сировини проходе повний тепловий обробіток при температурі 120-175 о С, яка підвищує перетравність живильних речовин, покращуючи смакові якості продукту, подавлюючи негативні властивості сировини;
- стерилізацію, знезараження. Під дією температури і тиску, хвороботворні мікроорганізми, наприклад сальмонела, повністю знищуються. Тому екструзія є ефективним способом переробітку відходів з боєнь і продуктів падежу з птахофабрик і тваринницьких комплексів. Токсини бактерій і активність грибків также або повністю знищується, або подавляється до прийнятного рівня;
- збільшення об’єму. Є наслідком розриву стінок клітки, руйнування структури гранул і розриву молекулярного ланцюгу крохмалю. Це підвищує енергетичну цінність продукту;
- подрібнення, змішування. Не дивлячись на те,що частина сировини подрібнюється і перемішується перед подачею в екструдер, в камерах стволу екструдеру ці процеси продовжуються до тих пір, доки продукт не стане повністю однорідним;
- зневоднення. За 30 секунд перебування сировини в екструдері вміст вологи знижується на50%(від вихідної);
- стабілізація. Висока температура і тиск нейтралізують руйнівну дію ферментів що є, наприклад причиною прогірклості продукту;
Як впливає екструзія на:
Білки. Екструзійний обробіток підвищує перетравність білків, робить більш доступними амінокислоти внаслідок руйнування в молекулах білка вторинних зв’язків. Завдяки відносно низьким температурам і короткочасності теплового обробітку самі амінокислоти при цьому руйнуються. В той же час екструдери успішно нейтралізують фактори, негативно впливаючі на харчову цінність сировини, такі, як інгібітор тріпсіна, уреазу та інші.
Технологія екструзії особливо благодійно впливає на білкові добавки для жуйних тварин, так як при цьому збільшується кількість білка, не руйнуючогося в рубці тварини, крім того, екструзія забезпечує більш повне засвоювання білка в тонкому відділі кишечника. Внаслідок підвищується продуктивність скота і знижуються затрати кормів на виробництво продукції.
Крохмаль. В процесі екструзії крохмаль желатинізується, що підвищує його засвоюваність. При виході із екструдера температура і тиск різко падають, що приводе до збільшення кінцевого продукту в об’ємі.
Жири. Проходе розрив стінок жирових клітин, внаслідок чого підвищується доступність масла, збільшується енергетична цінність продукту. завдяки тому, що такі ферменти, як ліпаза, викликаючи прогорання масел, руйнуються в процесі екструзії, а лецитин і токоферолі, що є природнім стабілізатором, зберігаючи повну активність, підвищується стабільність масла.
Клітковину. В процесі тертя і подрібнення клітковини подрібнюється, що підвищує її перетравність.
Смакові якості . Практика показує, що технологія екструдування компанії «Інстра-Про» значно підвищує смакові якості готового продукту. Цьому є декілька причин:
- крохмаль розчіплюється на більш прості, солодкі компоненти;
- при виході продукту із екструдера улітучується неприємний запах, характерний для деякої сировини;
- готовий продукт має однорідну структуру.
Область використання екструдерів досить широка. Компанією «Інста-Про» розроблені і використовуються на практиці технології з використанням екструдерів по виробництву:
- полножирної сої;
- соєвого жмиху (44% протеіну, 6-7% жиру) і соєвого масла;
- напівжирної соєвої муки;
- жмиху і масла із масличних культур;
- переробка на корм відходів птахівництва і тваринництва;
- насіння культур, вмісту антиживильних факторів.
Використовуючи обладнання «Інста-Про», можна виробляти як повноцінні комбікорми або компоненти для них, так і харчові продукти (легкові закуски, індігрієнти для кондитерських виробів.
За допомогою спеціальної насадки до екструдерів-кутера-екструдат можна подрібнювати, надавати йому різну форму (кільця, сердечка, рибки, кісточки і т.д.), отримують екструдат у виді пластівців різної форми, проводить гранулювання (діаметр гранул).
Технологія гранулювання з «тепловим щитом»
Загальні вимоги сучасної комбікормової промисловості міститься в одній фразі «Промислове виготовлення кормів – це рентабельне виробництво високоякісного комбікорму.
Якість кормів визначається їх фізичними властивостями, харчовою цінністю, точною відповідністю своєму призначенню і чистим бактеріологічним статусом. Для випуску високоякісної продукції завод повинен бути обладнаний сучасним обладнанням для теплового обробітку. Таке обладнання і технологія використовуються з ціллю покращення харчових властивостей і підтримання бактеріологічної чистоти корму. Бажаними і навіть необхідними властивостями використовуваної технології теплового обробітку є малі енергозатрати, безпека, надійність, простота очищення, виключення можливості зараження кормів.
Гранулювання має добре відомі переваги: отримання комбікорму з високими гігієнічними і якісними показниками, що робить цей процес ще більше популярним.
З’явилась ця технологія декілька років назад в зв’язку зі складною проблемою зараження корму сальмонелою, з якою зіштовхнувся ряд європейських країн. В Скандинавії вже багато років працювали установки фірми «Бюлер АГ» для гранулювання, які спеціально використовувались для знезараження таких компонентів, як риб’яча кормова мука. Це виявилось дуже ефективним для зменшення кількості небезпечних бактерій. На основі такого досвіду з’явилась ідея модернізації установок для гранулювання, щоб їх можна було використовувати для знезараження звичайних комбікормів в масовому виробництві. Була розроблена система «тепловий щит». Принцип її простий, економічний і ефективний.
Техніка «теплового щита». Час теплового обробітку компонентів збільшено, для чого встановлений додатково другий кондиціонер. На поверхні обох кондиціонерів і на приймальному пристрої преса закріплена обігрівальна сорочка - силіконові мати з електронагрівальними елементами. При цьому забезпечений безпосередній контакт нагрівальних елементів з поверхнею металу і в той же час ефективна ізоляція. Система електрообігріву забезпечує лише додатковий нагрів продукту і внаслідок цього працює дуже економічно. Одночасно ведення гарячого повітря через дверцята преса виключає конденсацію в проблемних зонах робочої камери пресу впритик до входу в охолоджувальну колонку.
Технологія «теплового щита». Використання технології «теплового щита» при гранулюванні забезпечує оптимальний нагрів частинок продукту при безпосередній подачі пара. Завдяки нагріву стінок кондиціонерів до високої температури ведений пар конденсується саме на частинках пресує мого продукту, що значно підвищує ефективність процесу кондиціювання. Поверхні самих важливих робочих зон прес-гранулятора додатково обігріваються, що важливо для пуску в роботу, під час виробничого циклу і після закінчення процесу гранулювання. Температура підтримується в тих межах, при яких знищуються бактерії сальмонели.
Переваги системи:
суха атмосфера внутрі кондиціонерів і робочої камери пресу;
чистий знезаражений корм при високій якості гранул і мінімумі мілкої фракції;
економія енергії головного приводу прес-гранулятора, внаслідок більш ефективного кондиціювання;
великий строк служби прес-форми;
збільшення продуктивності преса.
Діюче знезараження. Впливання кондиціювання на знищення сальмонел в кормі залежить від температури, тривалості термообробки, вологості продукту і ступеня інтенсивності змішування в кондиціонері.
Ефективне знезараження комбікорму забезпечується наступними факторами:
- послідовне використання двох кондиціонерів збільшує тривалість термообробітку до 30 секунд;
- конструкція лопаток кондиціонерів гарантує інтенсивне змішування пресованого продукту;
- система «тепловий щит» підтримує оптимальний температурний режим продукту (83-86 о С), при якому знищуються бактерії сальмонели, та не пошкоджуються вітаміни.
Ефективність технології гранулювання з «тепловим щитом» була доведена в ході наукових досліджень, проведених фірмою «Бюлер АГ» під контролем Інституту клінічної мікробіології і імунології (ИКМИ), Санкт-Галден, Швейцарія. Досліди проводили у виробничих умовах на кормі для птиці, використовуючи установку гранулювання ДРВА потужністю 110 кВт, продуктивністю 7,5 т/год. При цьому температура попереднього кондиціювання була 80 о С, задана величина зазору роликів 0,3 мм, температура гранул на виході 84 о С. Корм був заражений бактеріями ентерокока до рівня 310000±17000 бактерій на грам.
Результати теплового обробітку при гранулюванні з системою «тепловий щит» виявились ідентичними результатам обробітку при експандуванні, і вони показали: бактерії сальмонели повністю знищені, а зниження кількості бактерій ентерокока склало не менше 5х103 рази. Повторний аналіз зразків з позитивною пробою через 5 днів не виявив жодної бактерії ентерокока. Ці досліди довели, що такий щадівний тепловий обробіток забезпечує практично повне знищення цього штампа ентерокока, не дивлячись на його більш високу резистентність до температури, ніж у бактерій сальмонели.
Таким чином, ефективність термообробітку шляхом використання технології «тепловий щит» аналогічна результатам,досягаємих в процесі експандування. При цьому температурний режим, використовуваний в технології «теплового щита» гарантує збереженість ведених в корма вітамінів, ензимів та інших активних речовин,які можуть бути підвернені впливу більш високих температур. Інвестиційні і експлуатаційні затрати для даної технології значно нища, ніж при використанні інших методів теплового обробітку. Наприклад, розрахунок проведений для швейцарського виробника кормів і враховуючий такі фактори, як затрати електроенергії, пару, потреби в персоналі, амортизацію обладнання і виплату процентів по кредиту, показав наступне: в порівнянні із затратами при традиційній технології гранулювання (прийнято за 100%), виробничі затрати при гранулюванні з «тепловим щитом» складають-104%, при використанні експандера – 146%.
Ефективність використання технології «тепловий щит» була багатократно підтверджена успішним використання при проектуванні нових заводів і при проведені реконструкції працюючих ліній гранулювання у всьому світі.
Технологія експандування
При експандуванні комбікорм піддається короткочасного (4-5 сек.). Тепловій дії парою з наступним стисненням в експандері до тиску 30 атмосфер. На виході з експандера комбікорм потрапляє в область низького тиску, в цей момент відбувається як би спучування продукту, розриваються зв'язку на клітинному рівні, модифікується крохмаль, підвищується доступність вуглеводів дії травних ферментів. Крім того знищуються всі хвороботворні бактерії, при транспортуванні комбікорм не розшаровується і не пилить. В результаті, при використанні експандуйованих кормів, зростають прирости, скорочуються терміни відгодівлі, знижується падіж тварин і птиці, підвищується конверсія корму.
Пропарений комбікорм з кондиціонера направляється в експандер FEX-34. Принцип дії експандера аналогічний екструдера, але випресування продукту виробляється не крізь отвори матриць, а в кільцевий зазор, що регулюється за допомогою гідравлічної системи. На експандер встановлений шнек, за допомогою якого продукт переміщається, перемішується і додатково прогрівається за рахунок сил тертя до 85-100 ° С. Спресоване продукт виводиться через конічний дифузор, забезпечений замикаючим конусом, яким регулюють величину вихідного кільцевого зазору і величину робочого тиску на продукт. На виході з експандера в результаті різкого падіння тиску у продукті волога випаровується і продукт дещо збільшується в обсязі. Далі експандуйований комбікорм піддається грубому подрібнення на лопатевою дробарці і спрямовується на гранулювання або охолодження.
Параметри експандування: тиск, температура продукту на виході з експандера, величина кільцевого зазору постійно реєструються і виводяться на монітор, що дозволяє оператору візуально контролювати процес експандуювання і при необхідності регулювати його. При виході процесу на оптимальний режим автоматизована система забезпечує управління і підтримку основних параметрів на рівні заданих значень. В залежності від оброблюваного продукту параметри роботи експандера змінюються.
Застосування експандера покращує роботу гранулятора, дозволяє збільшити введення в гранульовані комбікорми жиру і рослинного масла, сприяє підвищенню продуктивності гранулятора, зменшення товщини матриці і зниження зносу пресувальне роликів та матриць.
2.5 Технічний та технологічний огляд вітчизняних екструдерів
ООО НПП «Експро» розробив і запатентував Російським агентством по патентам і товарним знакам екструдер Експро-02, працюючий по технології «сухої» екструзії. Він призначений для екструзійного обробітку зерна пшениці, ячменю, жита, кукурудзи, гороху, бобових і сої, для отримання високоякісних комбікормів.
Екструдер має ряд переваг:
- виконаний на жорсткій розбірній рамі;
- обладнаний дозатором пропускної здатності до 2000 кг за годину з регулятором, дозволяючи подавати в екструдер з великою точністю різні продукти в необхідній кількості;
- має електронний блок автоматичного керування процесом екструзії, для запобігання роботи машини на нерозрахованих режимах, дозволяючи досягти заданих технологічних параметрів за рахунок зміни об’єму камери стиску під дією переміщення корпусу філери;
- підвищення зносостійкості всіх деталей, підлеглих навантаженням від тертя, тиску і температури;
- малі енергозатрати при виготовлені корму;
- можливість отримувати повно жирну сою;
- можливість використовувати в харчовій промисловості.
Таблиця 2.5 Технічна характеристика екструдера Експро-02
| Показник | Одиниці виміру |
Значення |
| 1 | 2 | 3 |
| Максимальна продуктивність, на зерновому продукті | кг/год | 1000 |
| на сої | 1200 | |
| Встановлена потужність | кВт | 75(90) |
| Напруга | В | 380 |
| Потужність електродвигуна дозатора, | кВт | 1,7 |
| Габарити | мм | 2200х2200х1650 |
| Маса, не більше | кг | 2200 |
Прес-екструдери типу ПЕ призначені для виробництва з суміші зерна, карбаміду і бентонітового порошку - карбаміду концентрату, який застосовується в тваринництві для годівлі жуйних тварин (корів, овець, свиней) з метою підвищення продуктивності, при нестачі білків в кормах, а також для економії кормів.
Таблиця 2.6 Технічна характеристики прес-екструдерів ПЕ:
| Показник | Значення | ||
| ПЕ-1 | ПЕ-КМЗ-2 | ПЕ-КМЗ-2У | |
| 1 | 2 | 3 | 4 |
| Продуктивність, при щільності вихідної сировини 0,65 кг / л: карбаміду концентрату, кг / год не менше | 500 | 500 | 650 |
| підірваного зерна із зерна, крупи і зернових сумішей (залежно від виду зерна і крупи, його вологості і вимоги до якості продукту), кг / год | 250-330 | 250-330 | 250-450 |
| Діапазон робочих температур, ° С | 110-135 | 110-135 | 110-135 |
| Маса, кг | 1220 | 1200 | 1065 |
| Габаритні розміри: | 1620х1940х1560 | 1510х1870х1490 | 1630х1500х1500 |
| Потужність основного привода, кВт | 56,1 | 56,1 | 55 |
| частота обертання, об / хв | 1500 | 1500 | 1500 |
| Частота обертання основного шнека, об / хв | 345 | 345 | 345-385 |
| Діаметр основного шнека, мм | 121 | 121 | 123 |
| Питомі витрати енергії на 1 кг продукту, кВт | 0,11-0,28 | 0,11-0,22 | 0,085-0,22 |
3. Технологічні розрахунки впровадження нової технології
3.1 Пояснення заміни обладнання
Серед головних причин скорочення поголів’я тварин є збитковість галузі і підвищення ціни на кормові засоби, незбалансованість раціонів.
Найбільша ефективність використання кормів досягається при згодовуванні їх у вигляді повноцінних кормових сумішей, збалансованих по елементам живлення, вітамінам, мікроелементам, антибіотикам, біостимуляторам, оскільки повного такого набору немає ні в одому виді корму. Отримуванні в кормоцехах суміші повинні суворо відповідати заданій науково обгрунтованій рецептурі раціону для певної групи тварин. Для цього потрібно провести правильний розрахунок складу обладнання кормоцеху, проводити модернізації обладнання, для виконання певної технології приготування кормосумішей, впроваджувати нові технології у виробництво.
За кордоном вже давно уділяють потрібну увагу виготовленню кормової продукції для жуйних любого віку. Одним із найбільш ефективних і часто використовуваних технологічних прийомів є тепловий обробіток.
Найбільш поширеним і перспективнішим способом теплового обробітку є експандування. В цьому випадку зернову сировину зволожують пропарюванням або додатковими рідкими компонентами (олії, жири, меляса та ін.) і подають в експандер де в шнековому робочому органі продукт розігрівається, ущільнюється і випресовується. Оскільки для проходження процесу експандування потрібна сировина з вологістю до 30%, нами пропонується до складу зернової сировини включити зелені корма, зокрема люцерну (вологістю близько 65-70%) , це дозволить зменшити затрати на зволоження зернової сировини і підвищити поживність концентрованого корму.
В господарстві існує наступна технологія приготування кормосумішей для годування великої рогатої худоби. В кормоцех привозять коренеплоди, грубі корма, концентровані корма і зелену масу, рисунок 3.1. Коренеплоди із транспортних засобів завантажуються в приймальні бункера. Потім вони поступають в мийку-подрібнювач ИКМ-5, де очищуються, миються, подрібнюються до заданих розмірів і спрямовуються в дозатор соковитих кормів ДС-15. Фуражне зерно подається у норію НЦГ-10, з якої поступає у бункер-накопичувач БСК-10. Із бункера-накопичувача суміш поступає у баранний дозатор, далі вона проходить через магнітну колонку і поступає у дробарку КДУ-2. Грубі корма із транспортних засобів подаються в живильник-завантажувач ПМЗ-1,5 з якого подається в подрібнювач ИГК-30, потім подрібнена маса поступає в бункер-дозатор 5ДК-200. Зелена маса поступає в бункер-накопичувач, з якого подається в подрібнювач «Волгарь-5», а після в бункер-дозатор для зеленої маси 5ДК-500. Всі компоненти, в певній кількості, направляються у змішувач 2СМ-1М, а далі у вивантажувальний транспортер ТС-40М, з якого подається в кормороздавач КТУ-10А.
За новою технологією рисунок 3.2, головні компоненти залишаються без змін. Головною відмінністю у новій технології є заміна дробарки КДУ-2, експантрудером на базі КМЗ-2М. Це дозволить підвищити якість і поживність кормів, а також зменшити витрати кормів на відгодівлю.
Фуражне зерно подається у норію НЦГ-10, з якої поступає у бункер-накопичувач. Із накопичувача суміш поступає у баранний дозатор ДП-1, далі вона проходить через магнітну колонку і поступає до змішувача експантрудера. Частина подрібненої зеленої маси (розміром 8-10 мм) відбирається із бункера-дозатора 5ДК-500 і поступає у змішувач експантрудера. А головна частина зеленої маси поступає у змішувач 2СМ-1М.
За рахунок внесення зеленої маси вологість якої 60-70% зволожується фуражне зерно, яке має вологість приблизно 14%, що дозволяє проходженню процесу експандування. Зазначимо що тільки частина зеленої маси поступає на експандування.
Перевагами даного способу виробництва кормів являється:
- підвищення якості і засвоюваності кормів на 20-25%;
- знешкодження шкідливих для живлення компонентів;
- тепловий обробіток білка при температурі 80-120 о С призводе до зниження рівня його розчинності без погіршення перетравності. Білки люцерни представлені головним чином, альбумінами і глобулінами 60-75%, які швидко розчіплюються, і тому мають низьку зоотехнічну ефективність. Після експандування кормів розчеплення білку знижується майже в два рази.
- висока якість розподілу компонентів в експандаті;
- здійснення одночасно з експандуванням додаткового подрібнення зернових і трав’яної різки;
- уникнення додаткових затрат на дозволожування корму.
Дана технологія є досить ефективною і може використовуватися в комбікормовому виробництві.
3.2 Розрахунок кількості сировини яка оброблятиметься в експантрудері
На нашій фермі 294 голови ВРХ. Які містять в собі: корови, нетелі, тілки старше 1 року, тілки від 6 місяців до 1 року, телята до 6 місяців. Структуру поголів’я заносимо в таблицю 3.1
Таблиця 3.1 Структура поголів’я
| Група тварин | Процент від загального поголівя | Кількість голів |
| 1 | 2 | 3 |
| Корови | 50 | 147 |
| Нетелі | 8 | 23 |
| Тілки старше 1 року | 10 | 29 |
| Тілки від 6 місяців до 1 року | 6 | 17 |
| Телята до 6 місяців | 26 | 78 |
| Всього | 100 | 294 |
При розрахунку потреби в кормах в основу розрахунків покладені рекомендовані зоотехнічною наукою кормові норми, які уточнюються в кожному господарстві в залежності від наявності угідь, структури поголів’я і особливо нормових угідь, сівооборотів, продуктивності тварин, їх живої маси, тощо. Добові витрати корму для ВРХ Ро , кг розраховуємо для кожного виду корму по формулі:
(3.1)
де
,
і т.д. – добові норми видачі корму на одну тварину для різних груп, кг;
,
і т.д. – поголів’я тварин в групах, гол.
Таблиця 3.2 Раціон для дорощування і відгодівлі ВРХ, кг/гол на добу.
| Група тварин | Вид корму | |
| Концентрати | Зелена маса | |
| 1 | 2 | 3 |
| Корови | 3,6 | 20,0 |
| Нетелі | 1,0 | 19,0 |
| Тілки старше 1 року | 1,0 | 17,0 |
| Тілки від 6 місяців до 1 року | 1,0 | 11,0 |
| Телята до 6 місяців | 0,5 | 4,0 |
Дерть зернобобова
=147*3,6+23*1,0+29*1,0+17*1,0+78*0,5=637,2 кг
Зелена маса
=147*20,0+23*19,0+29*17,0+17*11,0+78*4,0=4369 кг
Річні потреби корму розраховують за формулою:
(3.2)
де
– добові витрати корму;
– період годівлі (365 днів);
к – коефіцієнт, який враховує псування кормів при зберіганні.
Дерть зернобобова:
= 637,2*365*1,01=234,9 тон;
Зелена маса :
= 4369*365*1,03=1642,5 тон;
Оскілки потреба в зеленому кормі для експандування складає 36% від маси зернової сировини, тому експандуванню підаватиметься 84,6 тон зеленої маси.
Отже для задоволення власних потреб потрібно обробляти в експандрутері 319,4 тони сировини.
За добу в експантрудері потрібно обробляти наступну кількість сировини:
(3.3)
де
- річна кількість оброблювальних кормів, тон;
– кількість робочих днів по літньому раціону;
– кількість змін, за сутки.
= 319,4/(265*1) = 1,2 тони
4. Формування математичної моделі процесу експандуювання корму
4.1 Теоретичне обґрунтування пропонованої розробки
Експандування – це термомеханічний обробіток, що дозволяє отримувати структурований корм, що має переваги перед екструдуванням в добавці великого проценту рідини (олії, жиру, меляси) і у використанні більш дешевшої і складної сировини, удільна енергомісткість процесу експандування в 4-6 рази менша ніж екструдування. Особливе значення в роботі експандера має головка, яка сумісно із зовнішнім підводом теплоти і дією гвинтової поверхні на кормову сировину формує температурний режим і тиск в робочому просторі.
Експандування забезпечує слідуючі переваги: увід великої кількості рідких компонентів – олії, жиру,меляси та ін.; знешкодження шкідливих для живлення компонентів; покращення якості і засвоюваності кормів; більш високу продуктивність пресу, кращу якість продукту; використання більш дешевої і складної для пресування сировини; кращу збереженість вітамінного складу; менші енергозатрати в порівнянні із традиційним обробітком на пресах.
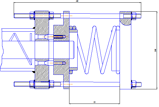
Процес ущільнення корму в експандері можна розділити на чотири зони (Рисунок4.1):
1-а - перемішування, переміщення кормової суміші вздовж шнека та початку ущільнення;
2-а - наростання тиску, пресування і руйнування часток;
3-я - подальше підвищення тиску, температури і переходу корми в вязкопластичний стан;
4-а - продавлювання маси через отвори вихідний головки машини.

Рисунок 4.1 Зони ущільнення корму в експандері і зміна фізичних властивостей реологічні сировини при русі в робочому органі
Розглянемо режим роботи установки без пружини на вихідний голівці. Внутрішній радіус на початку каналу rk і довжина кільцевого каналу головки експандера Lk змінюються при переміщенні конуса. Хай при закритому вихід довжина Lk дорівнює Lko (може бути Lko = 0) (Рисунок 4.2).

Рисунок 4.2. Початкове положення головки експандера: 1 - корпус експандера; 2 - запірний конус головки експандера.
При цьому rkо = Rk . Зовнішній радіус на початку каналу Rk при переміщенні конуса не змінюється, Rk = const. Перемістивши конус на відстань Δx вправо (Рисунок 4.3).

Рисунок 4.3. Робоче положення головки експандера: 1 - корпус експандера; 2 - запірний конус головки експандера.
Тоді rk = Rk - Δx ∙ tgα і Lk = Lkо + Δx ∙ cosα. Наприклад, при α = 60о буде
rk = Rk - Δx, Lk = Lkо + Δx / 2, де Δx - осьовий переміщення конуса.
Пропускна здатність вихідний головки експандера, кг / с:
(4.1)
де Lk - довжина кільцевого каналу, м;
Rk , rk - зовнішній і внутрішні радіуси на початку каналу, м;
α - кут між утворюючої регулюючого конуса і його висотою;
РIII - щільність суміші в кінці 3-ї зони, кг/м3 ;
m - кількість каналів головки експандера;
PIII - максимально можливий тиск оброблюваної суміші на останньому витку шнека наприкінці 3-ї зони, Па;
η - динамічна в'язкість суміші в 3-й зоні, Па • с.
З рівняння (1) визначають залежність основного регульованого конструктивного параметра експандера - ширини кільцевого каналу (Rk - rk ) від тиску PIII при Rk = const.
Важливий параметр, що задається в залежності від необхідної якостіі виду оброблюваного корми - тиск суміші PIII наприкінці 3-ї зони, максимально по всій довжині шнека. Воно залежить від ширини кільцевого вихідного каналу.
При повністю закритих отворах вихідний головки тиск суміші PIII наприкінці 3-ї зони буде максимально, і, з припущенням, що тиск між 1-й і 2-й зонами практично відсутня, визначається за формулою (Рисунок 4.1), Па:
(4.2)
де zII , zIII - число витків шнека в 2-й і 3-й зонах;
D, d - зовнішній і внутрішні діаметри шнека, м;
ω - частота обертання шнека, с-1 ;
Формула (4.1) може бути записана у вигляді, кг / с:
(4.3)
де Р - тиск (середній тиск понад атмосферного (РIII - PАТМ ) / 2), Па;
ρ - щільність суміші, кг / м 3 ;
ξ - геометричний параметр (залежить від Rk , rk , Lk , α, m).
При заданих Rk , Lkо , α - можна табульованою залежністю ξ (Δx) і зобразити цю залежність графічно. При Δx = 0 буде ξо = 0 (тому що Rk = rk ).
При rk
= 0,
. При Δx> Rk
• cosα / tg α формула для QЕКСП
. буде іншою.
Продуктивність шнека наприкінці 3-ї зони, кг / с:
(4.4)
де hIII - крок витків шнека в 3-й зоні, м;
е - товщина витка шнека, м;
εIII - коефіцієнт осьового переміщення суміші останнім витком шнека в
3-й зоні, обумовлений провертання маси відносного нього.
Умова неперервності потоків матеріалу, що забезпечує стійку роботу експандера, визначається рівністю пропускної здатності вихідний головки (3) і продуктивності шнека (4):
(4.5)
Звідси можна знайти ε - коефіцієнт переміщення продукту. При закритому вихід QЕКСП . = 0, значить QШН . = 0 та ε = 0, тобто продукт не рухається.
Для розрахунку продуктивності шнека більш результативною є формула, де враховані коефіцієнти форми для противопотоку та середньої в'язкості в потоці, кг / с:
(4.6)
де D - зовнішній діаметр шнека, м;
h - глибина витка, м; w - ширина витка (через крок S, w = S cos (θ)), м;
δ - зазор між краєм витка і поверхнею шнека, м;
θ = arctg S / π (D-2δ) - кут нахилу нитки витка, рад.;
n - показник степеневого закону в рівнянні течії ненютоновської рідини (матеріалу), наприклад, для не подрібненого насіння ріпаку,
n = 0,1298;
μс - в'язкість ненютоновської рідини , (Па ∙ с);
Р - тиск, Па;
Х - відстань уздовж шнекового каналу, м;
fd = 1 - (0,487 n2 - 0.948n + 0.972) h / w - коефіцієнт форми вимушеного потоку;
fps = 1 - (0,949 n2 - 1,87 n + 1,59) h / w - коефіцієнт форми для противипотоку, викликаного опором вихідного пристрою; fpd -
коригуючий коефіцієнт для середньої в'язкості в потоці (fpd = 0,98).
Градієнт тиску вздовж осі шнека
можна приблизно замінити на
. Формулу (4.6) можна написати у вигляді, кг / с:
(4.7)
де,
;
величини, що залежать від геометричних па розмірів шнека. Параметри A і В приблизно постійні для даного шнека;
L - довжина шнека, м.
Рівняння (5) можна записати у вигляді:
(4.8)
Це рівняння дозволяє розрахувати робочі характеристики (тиск, число обертів і продуктивність експандера). Величини ρ і η вважаємо наближено постійними, тоді рівняння (3) набуде вигляду, кг / с:
(4.9)
де ξ '= ξ ∙ ρ / η;. 
На підставі геометричних перетворень продуктивність експериментального експандера може бути представлена виразом, кг / с:
(4.10)
де λ - деформація при незмінному зазорі, м;
Δx - переміщення головки експандера, м;
С - коефіцієнт жорсткості пружини, Па;
Fеф . - Ефективна площа поперечного перерізу, м2 .
Пружина в роботі експандера виконує демпфіруючу роль. Вона підтримує необхідний тиск у вихідний камері і виключає появу різких стрибків тиску, викликаних випадковими зовнішніми чинниками.
Час обробки суміші при експандуванні корму визначається за виразом, за формулою:
(4.11)
де τвых - час проходження суміші через головку, с;
- усереднений коефіцієнт осьового переміщення суміші у 2-й і 3-й зонах.
Час проходження суміші через головку, з:
(4.12)
На нагрівання оброблюваної суміші до необхідної температури tk наприкінці 3-ї зони витрачається, Дж:
(4.13)
де mМ - маса суміші в машині при сталому режимі роботи, кг;
см - теплоємність маси при постійному тиску, Дж / (кг * о С);
tн , tk - початкова і кінцева температура суміші, о С.
Маса суміші в машині при сталому режимі роботи, кг:
(4.14)
Тепловтрати від нагрівання корпусу машини і навколишнього повітря, Дж:
(4.15)
де kтп = 1 / (1/αм + δ / λ 1 / αв ) - коефіцієнт теплопередачі, Дж / (м2 * с * о С);
αм , αв - коефіцієнт теплопередачі оброблюваної суміші до корпуса установки і від нього в навколишнє середовище, Дж / (м2 * с * о С);
δ - товщина стінки корпусу, м;
λ - коефіцієнт теплопровідності корпусу, Дж / (м2 * с * о С);
tMср = (tн . - tк .) / 2 - середня (по довжині робочої камери) температура оброблюваної суміші, о С;
tв - температура навколишнього повітря, о С;
Fкн . - площа зовнішньої поверхні циліндричного корпусу, м2 .
Загальна споживана енергія, Дж:
(4.16)
де
= (0,7 ... 0,85) - енергії, що витрачається на стиснення суміші, Дж;
Мкр . - Крутний момент на валу шнека, Н • м.
Енергія додаткового джерела електропідігріву, Дж:
(4.17)
де Fкв . - площа внутрішньої поверхні корпусу, м2 ;
tц - середня температура корпусу, необхідна для додаткового підігріву експандуйованої суміші до k> tk , о С;
E Σ - сумарна енергія, що споживається при нагріванні суміші до температури t` k (визначається аналогічно EΣ ) , Дж.
Сумарна потужність, необхідна для роботи експандера, Вт:
(4.18)
де ηм . - коефіцієнт перетворення механічної енергії в теплову;
NН . - потужність електронагрівального елемента, Вт;
Nхх . - потужність холостого ходу установки, Вт.
КПД експандера, ηэ, дорівнює:
(4.19)
де PIII - тиск суміші вихідний головки експандера, Па;
Qексп . - Продуктивність експандера, кг / с.
У результаті теоретичних досліджень робочого процесу експандера обґрунтована залежність продуктивності та енергоємності від його конструктивно-режимних параметрів при переробці корму.
Також встановлено, що підвищення ефективності пресуючи машин для кормовиробництва, можливо при встановленням пружини на головці експандера.
Оскільки базові експандери мають мінімальні витрати енергії в межах 15-17 кВт/т. Тому при використанні експериментального експандера енергозатрати зменшаться на 16 %.
За результатами проведених досліджень розглянутого процесу експандування визначеніі зміни характеристик вхідної сировини при проходженні її по функціональним ділянкам (зонах ущільнення кормів), а також уточнено аналітичні вирази енергоємності експандера з демпфіруючим пристроєм.
Використана оригінальна конструктивно-технологічна схема експандера, здатна обробляти кормову сировину в широких діапазонах співвідношення складових компонентів: зерно гороху - 20%, а зерно ячменю - 50%; зелена маса до – 30%.
Застосування методу математичного планування при дослідженні технологічного процесу експандування кормів, реалізованого в лабораторних і виробничих експериментах, дозволило визначити оптимальну питому енергоємність процесу експандування 12,6 кВт/т. залежно від частоти обертання шнека 130-140 об/хв., при вмісті зеленої маси 30-32 % і мінімальних витрат енергії стискання, що досягається при нагріванні суміші в зоні максимального ущільнення до температури 110-130 о С. Порівняльним аналізом питомих енергоємності базових та експериментального експандера було встановлено, що цей важливий енергетичний показник зменшився на 16 %.
5. Методика і результати оптимізаціїї
5.1 Обґрунтування методики і результатів оптимізації
Принципова зміна технології приготування кормо сумішей полягає в тому, щ на лінії підготовки зернової сировини зерно буде проходити волого-тепловий обробіток спільно із зеленою масою. В процесі експандування зернової сировини спільно із зеленою масою відбувається перерозподіл вологи між компонентами, що позитивно позначається на процесі екструзії. Крім того встановлено, що витрати β-каротину при експандуванні не перевищують 10 %, тоді як при виробництві трав’яної муки вони можуть доходити до 50 %.
Запропонована технологія виробництва кормо сумішей для КРС є енергозберігаючою, не дивлячись на використання експандера в порівнянні з традиційною технологією, передбачаючою подрібнення на молотчастих дробарках. Введення зеленої маси з великим вмістом природної вологи допомагає уникнути додаткових витрат на зволоження продукту перед експандуванням.
Запропоновану технологію можна застосовувати при виробництві кормосумішей із зеленою масою не тільки для КРС, але й для інших с/г тварин. Максимальна кількість трав’яного різання, спрямованого на експандування спільно з фуражним зерном коливається в межах 16-32 відсотка.
Технологічна схема виробництва кормо сумішей з включенням сирого трав’яного різання має деякі відмінності. Головна відмінність в тому, що експандується не вся кормо суміш, а її зернова частина з трав’яним різанням, потім екструдат прямує на змішування з рештою компонентів кормосуміші.
В результаті розрахунку математичної моделі процесу екструзії були отримані результати відповідно до кількості зеленої маси, таблиця 5.1.
Таблиця 5.1 Результати математичного моделювання
| Відповідна кількість зеленої маси, Q, відсотки | Затрати електроенергії на одиницю продукції кВт/т |
| 1 | 2 |
| 16 | 38,59 |
| 17 | 36,38 |
| 18 | 35,27 |
| 19 | 33,67 |
| 20 | 31,54 |
| 21 | 30,04 |
| 22 | 28,33 |
| 23 | 26,62 |
| 24 | 24,91 |
| 25 | 23,57 |
| 26 | 21,47 |
| 27 | 19,72 |
| 28 | 18,24 |
| 29 | 16,19 |
| 30 | 14,31 |
| 31 | 13,55 |
| 32 | 12,94 |
Як ми можемо побачити з таблиці 5.1 спостерігається певна залежність. В залежності від відсоткового вмісту зеленої маси в суміші вона стає більш пластичною, що одразу можна побачити виходячи із затрат енергії.
Але є ряд причин чому не можна вводити зелену масу ще біль процентом. Максимальна кількість зеленої маси повинна коливатися в інтервалі 16-32 відсотка. Це обумовлено тим, що існують певні обмеження що до вмісту клітковини у готовому продукті. А якщо ввести дуже багато зеленої маси експандат при стисканні закипить і може призвести до негативних наслідків.
Також було визначено в результаті статистичної обробки оптимальну питому енергоємність процесу експандування з демфіруючим пристроєм 12,6 кВт/т, залежно від частоти обертання шнека 130-140 об/хв., при вмісті зеленої маси 30-32 відсотка і мінімальних витрат енергії стискання, що досягається при нагріванні суміші в зоні максимального ущільнення до температури 110-130 о С.
Використання даної схеми експандера дозволяє водити в склад продукту до 25 відсотків гороху (в той час як за нормами не більше 10 відсотків, без обробітку), що робить продукт багатим на білки та амінокислоти.
Вимоги до продукту після експандування представлені в таблиці 5.2.
Таблиця 5.2 Вимоги до готового продукту
| Назва показників | Норми |
| Зовнішній вид, запах, колір, смак. | Поверхня гладка, бугриста з ярко вираженими пластичними течіями. У зламі видно однорідну пористу структуру. При розминанні руками утворюється лугові частинки без пиловидних фракцій. Колір більш світліший, ніж сировина. Приємний хлібний смак і запах. |
| Коефіцієнт вспученості, у відносних одиницях. | Не менше 2,2 |
| Вологість, відсотки | Не більше 16 |
Продовження таблиці 5.2
| 1 | 2 |
| Гігроскопічність | Не гігроскопічний до відносної вологості повітря – 85 відсотків |
| Ступінь декстринізації крохмалю, відсотки | 20-30 |
6. Охорона праці
6.1 Загальні положення
Охорона праці – це система законодавчих актів, соціально-економічних, організаційних, технічних, гігієнічних і лікувально-профілактичних заходів і засобів спрямованих на створення безпечних умов, збереження здоров’я і працездатності людини в процесі праці. Складовими охорони праці є законодавство про працю, виробнича санітарія і безпека застосування різних технічних засобів на виробничих процесах у сільському господарстві, включаючи і пожежну безпеку.
Головна задача розвитку охорони праці – максимальне знешкодження неблагоприємних виробничих факторів, створення здорових, безпечних і комфортних умов на робочому місці, підвищення продуктивності праці, зниження професійної, обумовленими виробничими процесами захворювання і виробничого травматизму, продовження робото здатності людей, максимальний розвиток їх творчих здібностей.
Актуальність проблеми охорони праці – захист повітряного і водного басейнів, боротьба з шумом і вібрацією, наукове прогнозування можливих небезпек і шкідливості виробництва та інших заходів, сприяючих зберіганню оптимального середовища існування людини.
Для вирішення задач з охорони праці в господарстві створена служба з охорони праці. До якої входять керівник господарства і інженер з охорони праці в цілому по господарству, а також керівники структурних підрозділів у своїх підрозділах.
Керівник господарства нес персональну відповідальність за організацію і стан охорони праці в господарстві і повинен: забезпечувати створення здорових і безпечних умов праці на робочих місцях; наказом кожен рік призначати з числа посадових осіб відповідаючи за охорону праці в кожній галузі виробництва; комплектувати службу з охорони праці відповідно зі штатними нормами, і забезпечити її керівництво; в установленому порядку приймати участь в розслідуванні нещасних випадків; регулярно перевіряти стан охорони праці в галузях, бригадах, цехах; забезпечити проведення паспортизації санітарно-технічного стану господарства; забезпечити працюючих санітарно-побутовими приміщеннями по діючим нормам; організовувати пропаганду охорони праці, забезпечувати літературою, інструкціями правилами, учбово-наочними посібниками; організовувати своєчасне навчання, перевірку знань і підвищення кваліфікації працюючих з питань охорони праці; забезпечувати розслідування та облік нещасних випадків на господарстві; забезпечити фінансування заходів з охорони праці.
Інженер з охорони праці організує і координує роботи з охорони праці в структурних підрозділах і контролює їх виконання. До його обов’язків входе: упровадження досягнень науки, техніки та передового досвіду з охорони праці; надання допомоги спеціалістам в розробці та переогляді інструкцій з охорони праці на робочих місцях; здійснення контролю за складанням заявок на засоби індивідуального захисту та своєчасної видачі спецодягу, спецвзуття; контроль за своєчасним фінансуванням заходів з охорони праці; організація навчання і перевірки знань працюючих; контроль за виконанням заходів по протипожежному захисту; контроль за своєчасністю і якістю проведення інструктажів на робочих місцях з охорони праці; організація пропаганди безпечних методів праці, обладнання кабінетів та кутків з охорони праці; проведення вступного інструктажу з охорони праці; участь в розслідуванні нещасних випадків відповідно до положення.
Таким чином, комплексне управління охорони праці з боку керівного апарату господарства забезпечує успішне рішення задач з охорони праці в господарстві.
Трудове законодавство в господарстві виконується, тривалість робочого дня 8 годин, працівники забезпеченні спецодягом, спецвзуттям, засобами індивідуального захисту.
Забезпечення мікрокліматичних умов на робочих місцях здійснюється природною вентиляцією робочих місць.
Також на території ферми, а також у приміщеннях розміщені пожежні щитки з усім необхідним обладнанням для гасіння пожеж.
Для працівників кормоцеху проводяться слідуючі заходи: працівники мають спеціальну кімнату для відпочинку; працівники користуються спецодягом, захисними окулярами, респіраторами; кормоцех обладнують комбінованою вентиляцією ; кормоприготувальних машин встановлено згідно вимог; для запобігання переохолодженню ніг на підлозі біля кожної машини встановлено настили; вологу та слизьку підлогу посипають тирсою або іншим матеріалом; у місцях установки обладнання, машин і механізмів вивішені правила безпеки праці, особистої гігієни і надання першої долікарняної допомоги потерпілим; органи управління розміщенні так, що враховуються послідовність і частота їх використання, а також легкість і зручність управління ; органи аварійного вимикання (кнопки, важелі) розміщені на обладнанні, так, що вони легко видимі і доступні, мають відповідні написи і пофарбовані в червоний колір; в кормоцеху є пожежний щиток, з необхідними інструментами.
Періодично проводяться інструктажі з пожежної безпеки. На кожному об’єкті розміщено план евакуації людей і тварин.
В господарстві дотримуються вимог ДНАОП-4.03-93 «Положення про розслідування та облік нещасних випадків, отруєнь, гострих професійних захворювань». Нещасний випадок в господарстві оформляють актом по формі Н-1 і реєструється в журналі, а також видається працівнику. В цю форму крім даних випадків також включають основні травматичні фактори та причини нещасного випадку. Всі нещасні випадки пов’язані з виробництвом і непов’язані зводять у форму 9-Т.
Основні показники виробничого травматизму показані у таблиці 6.1.
Таблиця 6.1 Основні показники виробничого травматизму
| Показники | Позначення | Роки | |
| 2007 | 2008 | ||
| 1 | 2 | 332333233 | 44 |
| 1. Кількість працівників у господарстві | П | 0179 | 0140 |
| 2. Кількість травм з втратою працездатності на 1 день і більше | Т | 004 | 003 |
| 3. Кількість днів непрацездатності втрачених в результаті нещасних випадків | Д | 058 | 046 |
| 4. Коефіцієнт частоти травматизму | Кч | 022,3 | 021,4 |
| 5. Коефіцієнт важкості травматизму | Кт | 014,5 | 015,3 |
| 6. Коефіцієнт непрацездатності | Кн | 323,35 | 328,5 |
При розслідуванні кожного нещасного випадку складається слідча комісія. До її складу входять:
- інженер з охорони праці господарства;
- керівник структурного підрозділу;
- керівник господарства;
- представник профспілки;
- представник фонду соціального страхування і при необхідності спеціаліст від служби санепідемстанції.
Комісія проводить розслідування протягом трьох днів, складається акт нещасного випадку за формою Н-5 у двох примірниках і акт про нещасний випадок на виробництві у формі Н-1 у шести примірниках.
При роботі лінії приготування кормів проводяться наступні технологічні операції: підготування робочого місця, інструменту, перевірка технічного стану машин, обладнання, підготовка до роботи машин, нагляд за технологічним процесом, ремонт і обслуговування машин.
При виконанні вище перерахованих операцій на працюючих можлива дія наступних небезпечних і шкідливих факторів: неоптимальні мікрокліматичні умови, запиленість, шум, неоптимальна освітленість робочої зони, електричні удари.
Для запобігання вищеперерахованим факторам необхідно провести слідуючі заходи:
Перш за все для обслуговування обладнання та машин в кормоцеху потрібно допускати тільки осіб, які пройшли навчання по роботі з цим обладнанням і здали іспит з охорони праці.
Для захисту працюючих від ураження електричним струмом потрібно встановлювати на машинах та обладнанні захистне заземлення та занулення.
Щоб захистити працюючих від запиленості, шуму і вібрації потрібно встановити в приміщені вентиляцію, кондиціонери, звукоізолюючі кожухи, екрани, стіни, перетинки, які виготовляють із щільного матеріалу.
Перед пуском в роботу кормоприготувальних машин необхідно впевнитись в їх справності, міцності кріплень болтових з’єднань, захисних кожухів та ланцюгових передач. Під час роботи забороняється стояти навпроти викидання маси, так як потрапивші в неї предмети можуть травмувати працівника.
Для запобігання захопленню робочими органами одяг працівників повинен бути добре заправленим, не мати довгих рукавів, волося підібране і накрите головним убором. Для створення благоприємних мікрокліматичних умов, кормоцех треба обладнати кондиціонером, заробити всі щілини в стінах для запобіганню протягів.
Для запобігання запиленню робочої зони потрібно на додаток до комбінованої, встановити місцеву вентиляцію, провести реконструкцію.
Для покращення провести реконструкцію і ремонт аварійної сигналізації.
Для працівників кормоцеху повинні проводитись всі потрібні інструктажі і навчання з охорони праці, також повинен бути журнал з проведення інструктажів, з відповідними замітками.
6.2 Розрахунок вентиляції
Приміщення кормоцеху найчастіше забруднюється пилом, тому проведемо розрахунок вентиляції.
Потрібний повітрообмін
, м3
/год., залежить від кількості шкідливих речовин, що виділяються в повітря приміщення, гранично допустимої концентрації (ГДК) шкідливої речовини, і обчислюється за формулою (6.1).
(6.1)
де
– гранично допустима концентрація пилу, м3
/год., приймаємо
= 6 м3
/год.;
– концентрація пилу в чистому повітрі, м3
/год., приймаємо
=1 м3
/год.;
– кількість шкідливої речовини, що виділяє кормоцех за годину,
кг/год., приймаємо
=0.8 кг/год.
кг/год.;
До (20-30)% повітрообміну здійснюється за рахунок неорганізованої вентиляції, (70-80)% чистого повітря потрібно подати у приміщення за допомогою організованої природної вентиляції.
Розрахунок організованої природної вентиляції.
Він зводиться до визначення площі поперечного перерізу трубопроводу S, м3 ,
(6.2)
де
- швидкість руху повітря у повітрозбірнику, м/с.
Швидкість руху повітря в повітрозбірнику визначаємо за формулою:
(6.3)
де
- коефіцієнт опору повітря в повітропроводі, приймаємо
=0,5-0,6;
,
– щільність повітря в середині і зовні приміщення, кг/м3
;
- перепад тиску в повітропроводі, Па;
Він розраховується по формулі :
(6.4)
де
- висота відкритої з обох кінців вентиляційної труби, приймаємо
= 6 м.
Щільність повітря ρ, кг/м3 , розраховується за формулою:
(6.5)
де
– температура повітря,
.
Якщо температура в середині приміщення - 25
, а зовні – 17
, то
=353 / (273+25) = 1,184 кг/м3
;
=353 / (273+17) = 1,217 кг/м3
;
=9,8*6*(1,217-1,184) = 1,94 Па;
м/с.
Потрібний повітрообмін з врахуванням неорганізованої вентиляції (30%),
м3
/год.
м3
/год.;
Розраховуємо потрібний переріз повітропроводів S, м2 :
м2
, тобто діаметр трубопроводів повинен бути D=2,8м. Це нереально. Можна взяти 10 трубопроводів (n=10), діаметром 0,5 м. Тоді
м3
/год.;
Таким чином за рахунок природної вентиляції можна подати в приміщення повітря, м3 /год.:
м3
/год. (6.6)
Розрахунок штучної вентиляції.
Потрібний повітрообмін штучної вентиляції
, м3
/год., розраховуємо за формулою:
(6.7)
м3
/год.;
При площі поперечного перерізу повітропроводів S=4,5 м2
(5 труб по 0,8м), швидкість руху повітря
, м/с розраховуємо по формулі:
(6.8)
м/с.;
Потрібний тиск напору Н, Па, розраховуємо по формулі:
(6.9)
Па;
Втрати напору від опору трубопроводу:
(6.10)
де
- коефіцієнт, що враховує опір повітропроводів, приймаємо
=0,02;
- середня швидкість руху повітря, м/с.;
- довжина повітропроводів, м;
- довжина повітропроводів, м.
Па;
Витрати напору на подолання місцевих опорів,
, Па, розраховуємо за формулою:
(6.11)
де
- коефіцієнт, що характеризує опір усіх місцевих елементів в повітропроводі, приймаємо
=0,25.
Па;
Взагалі потрібний тиск
, Па, розраховуємо за формулою:
(6.12)
Па;
Потужність двигуна N, Вт розраховуємо за формулою:
(6.13)
де
- повітрообмін крізь одну трубу, м3
/год;
м3
/год;
- ККД вентилятора;
- коефіцієнт передачі.
Для вентилятора Ц-4-70N10 при частоті обертання
=300 об/хв., ККД=0,8:
Вт
Таким чином необхідно мати двигун потужністю не менше 0,9кВт.
6.3 Інструкція з охорони праці оператору кормоцеху
1. Загальні вимоги безпеки.
1.1До роботи в кормоцеху допускаються чоловіки віком від 18 років, які пройшли інструктаж, необхідне навчання і здали екзамен з охорони праці і техніки безпеки і мають задовільний стан здоров’я.
До самостійного виконання робіт допускаються особи, що пройшли стажування протягом 2-5 змін під керівництвом керівника робіт або досвідченого робітника і оволоділи навичками безпечного виконання технологічних операцій
1.2Працівники повинні дотримуватись правил розпорядку дня, режимів праці і відпочинку, куріння і вживання їжі дозволено у спеціально відведених місцях, вживати алкогольні напої в робочий час та на робочому місці категорично заборонено. Робітник має виконувати тільки ту роботу, по якій пройшов інструктаж і на яку видано завдання, не передоручати свою роботу іншим особам. При виконанні роботи декількома особами призначається старший.
1.3При роботі кормоцеху на працюючих можлива дія наступних небезпечних і шкідливих виробничих факторів:
- рухомі транспортні засоби;
- переміщувані вантажі і предмети;
- обвалення, обвали і падіння корми і предметів, включаючи відлетівші уламки, електрострум;
- нагріті частини обладнання, гаряча вода, пара і інші термічні фактори; падіння з висоти; занурення у воду, зерно, комбікорм (утоплення);
- хімічні і токсичні речовини, що викликають опіки і отруєння.
1.4Працівники при роботі повинні користуватись спецодягом, спецвзуттям та використовувати спеціальні засоби захисту (респіратори, окуляри, наушники).
1.5 Працівники повинні дотримуватись правил особистої гігієни і виробничої санітарії. У виробничих приміщеннях кормоцех в міру забруднення проводити прибирання підлог, стін, вікон і стель вологим способом.
1.6Проїзди, під'їзди та підходи до пожежного інвентарю, обладнання та джерел води повинні бути вільними. Територія і приміщення повинні систематично очищатися від горючих матеріалів.
Не допускається: в'їзд автотранспорту і тракторів на майданчики складування кормів і в кормоцех без іскрогасників, застосування ламп, потужність яких перевищує гранично допустиму для даного типу світильника.
1.7Необхідно виконувати вимоги інструкції з пожежної безпеки, знати розташування і уміти користуватися засобам сигналізації пожежогасіння та надання першої (долікарської) допомоги потерпілому .
1.8У разі виявлення несправності обладнання, інструменту, пристосувань, а також при порушенні норм безпеки, пожежі, травмування працівників негайно повідомити про це керівнику робіт.
1.9 Оператор повинен сумлінно виконувати трудові обов’язки і дотримуватись правил безпеки праці.
Працівники за порушення законодавства про працю, правил і норм охорони праці і пожежної безпеки несуть: адміністративну, дисциплінарну, матеріальну і кримінальну відповідальність.
2. Вимоги безпеки перед початком роботи.
2.1Перед початком роботи працівники повинні пройти інструктаж з техніки безпеки і розписатись в журналі.
Перед роботою працівники підготовляють робоче місце, дістають необхідний для роботи інструмент і проводять перевірку технічного стану обладнання.
2.2Порядок перевірки справності обладнання:
- провести зовнішній огляд машин, цілісність, комплектність;
- перевірити кріплення робочих органів, корпусу, захисних кожухів, у разі необхідності підтягнути;
- перевірити відсутність зайвих об’єктів в машинах, а також поруч з ними, у проходах, які могли б заважати роботі працівників;
- перевірити наявність захисних огороджень на рухомих об’єктах, або тих, що мають підвищену небезпечність (високу температуру, працюють під високим тиском);
- перевірити справність захисної сигналізації;
- перевірити стан електрообладнання (цілісність кабелів, контактів, корпусів, пускозахистної апаратури, захисного заземлення);
2.3Перевірити наявність і готовність до використання води вогнегасників та інших засобів пожежогасіння.
2.4Переконатися в наявності і комплектності аптечки першої допомоги
2.5Перевірити наявність оброблювальної сировини їх стан, відповідність зоотехнічним нормам.
3. Вимоги безпеки під час роботи.
3.1 Перед пуском у роботу обладнання необхідно кормоцех переконатися в тому, що на ньому не проводяться будь-які роботи, і подати встановлений сигнал. Пустити машини на холостому ходу.
3.2Подавати корм в машину треба рівномірно. Стежити, щоб у машину разом з кормом не потрапили камені, палиці та інші сторонні предмети.
3.3Проштовхувати переробляються корм під пресом барабан або горловину приймального бункера працюючої машини тільки за допомогою проштовхувача з ручкою довжиною не менше 1 м.
3.4. Під час роботи кормоподрібнювача не можна стояти проти напрямки викиду маси, тому що в неї може потрапити твердий предмет і завдати працює травму.
3.5При забиванні дробильних камер, труб або циклонів кормами зупинити машину для прочищення, відключити рубильником підвід електроенергії до магнітного пускачі і вивісити табличку "Не включати - працюють люди! ".
3.6Пролиті на підлогу вода, олія, пальне та інші продукти повинні негайно видалятися або посипатися нейтралізаторами і поглиначами (пісок, тирсу тощо) з наступним прибиранням.
3.7Постійно контролювати температуру електродвигунів, підшипників.
3.8Вантажно-розвантажувальні роботи виконувати механізованим способом за допомогою підйомно-транспортного обладнання. При виконання робіт використовувати вантажопідйомні машини, пристосування і тару, що відповідають виду робіт, що пройшли технічне огляд у встановлені терміни і справні на момент початку робіт. Вибраковуються канати за наявності 10% обірваних дротів на одному кроці зшивка, ланцюги - при зносі понад 20% початкового діаметра (товщини).
3.9При ручній перенесенні вантажів дотримуватися граничні норми переміщення важких речей:
а)для підлітків у віці від 16 до 18 років: чоловіків - 16 кг;
Сумарна маса вантажів, що переміщуються жінкою протягом робочої зміни, не повинна перевищувати 7000 кг. Гранично допустима маса вантажів для жінок при підйомі на висоту більше 1,5 м не повинна перевищувати 10 кг. При переміщенні вантажів на візку додається зусилля - не більше 15 кг;
б)для чоловіків старше 18 років - не більше 50 кг.
Більш важкі, довгомірні і небезпечні вантажі переміщати удвох, а якщо необхідно - і великою кількістю робітників.
4. Вимоги безпеки після закінчення роботи.
4.1 Після закінчення роботи кормоцех відключити електроживлення систем управління, перекрити парову магістраль, подачу палива. Обладнання звільнити від залишків кормів, з мийних машин злити воду. Переконатися у відсутності вогню і високих температур на частинах устаткування.
4.2 Обладнання, що працює під тиском, перевірити на наявність залишкового тиску за показниками приладів.
4.3Приміщення для дроблення кормів очистити від пилу і провентилювати.
4.4 Приміщення кормоцех очистити від залишків кормів. Вологість або слизька підлога посипати тирсою, шлаком, піском та іншими матеріалами, які потім видалити.
4.5Після закінчення роботи зробити запис у журналі обліку роботи про стан устаткування і передачі зміни. Повідомити зміннику або керівнику робіт про особливості чи недоліки в роботі обладнання.
4.6Виконати вимоги гігієни, прийняти душ. Спецодяг зняти, почистити, здати на обслуговування або зберігання.
5. Вимоги безпеки в аварійних ситуаціях.
5.1При виникненні аварійних ситуацій обслуговуючий персонал повинен негайно вжити заходів щодо зупинки обладнання кормоцеху в порядку, передбаченому правилами експлуатації, в першу черг відключивши подачу електроенергії, пари, води
5.2. При відсутності небезпеки для здоров'я і життя персонал зобов'язаний вжити необхідних заходів для локалізації та усунення можливостей розвитку аварійної ситуації. При явній наявності небезпеки покинути небезпечну зону, попередивши працівників, що перебувають в безпосередній близькості від неї.
5.3Забороняється проводити ремонт і усунення несправностей обладнання в аварійній ситуації без зупинки обладнання.
5.4При нещасних випадках в першу чергу усувається небезпечний фактор (перекривається подача пара, відключається електроенергія, зупиняються рухомі механізми устаткування і тощо), потім надати потерпілому першу (долікарську) допомогу і направити його в медичний пункт По можливості зберегти до розслідування на робочому місці обстановку і стан устаткування такими, якими вони були на момент події (якщо це не загрожує життю і здоров'ю оточуючих і не порушує безперервності технологічного процесу).
5.5Ремонтується обладнання повинно бути відключено від джерела живлення, трубопроводи, заглушки, засувки закриті, на засобах управління вивішують таблички "Не включати - працюють люди ".
5.6Кожен, що виявив пожежу або загоряння, зобов'язаний: негайно повідомити про це (по телефону, через посильного) адміністрації, пожежно-сторожової охорони, пожежної частини або добровільної пожежної дружини; підняти тривогу звуковим сигналом (сирена, дзвін, радіотрансляція); приступити до гасіння пожежі наявними засобами (вогнегасник, Кошма, пожежний кран, пісок і т.д.); при необхідності організувати евакуацію людей, тварин і цінностей з небезпечної зони.
5.7Легкозаймисті рідини (бензин, гас, спирт і т.д.) гасять вогнегасником, направляючи струмінь під основу полум'я, або закидають палаючу поверхню піском, землею або покривають мокрим брезентом.
5.8Більшість твердих горючих речовин (сіно, солома, вугілля і т.д.) гасять водою, покривають пожежної кошмою або мокрим брезентовим пологом, закидають піском або землею.
Таким чином можна зробити висновок, що в господарстві питанням охорони праці приділяється певна увага. Умови праці працівників кормоцеху задовільні, рівень безпеки достатньо високий, рівень травматизму і захворювань середній, головним недоліком є застарілість обладнання та машин, які весь час ламаються, при цьому травмуючи людей, а також недостатня освідченість працівників.
Для поліпшення організації праці, умов праці і підвищення рівня безпеки праці в господарстві пропоную:
- покращити технічний стан машин і обладнання;
- покращити якість проведення навчань по експлуатації та обслуговуванні машин;
- впровадити навчання з правильного поводження зробочим інструментом;
- вести додаткову відповідальність за порушення вимог з охорони праці і техніки безпеки;
- своєчасно і ретельно проводити інструктажі з охорони праці.
7. Бізнес–план
7.1 Резюме
Метою даного проекту є отримання додаткового прибутку, від модернізації лінії концентрованих кормів кормоцеху в господарстві.
Для досягнення мети проекту необхідно провести реставрацію старого обладнання кормоцеху і встановити переобладнаний експантрудер на базі КМЗ - 2У, для зміни технологію обробки фуражного зерна. Це дозволить: виготовляти корм високої якості, засвоюваність якого на 10-15% більша від звичайного, при теперішньому обробітку; збільшити вміст вітамінів в кормі,розширити вибір рецептів приготування корму для різних груп та видів тварин; водити в корм велику кількість рідких компонентів (масла, жири, меляса та ін.); знешкодження шкідливих для живлення компонентів.
Наша продукція буде мати набагато кращу якість ніж звичайні концентровані корма, а комбікормам буде поступатись лише вмістом додаткових компонентів. Однак наша продукція через низьку собівартість, буде значно дешевша ніж комбікорму і більш доступніша для господарств, тому на ринку вона знайде свого споживача.
Після модернізації лінії концентрованих кормів кормоцеху, собівартість однієї тони кормів зменшиться на 173,57 грн., а економічна ефективність складе 79063,40 грн. Загальна сума кредиту необхідного для реалізації проекту 90000 грн., термін погашення кредиту - за 1 рік і 2 місяці.
7.2 Характеристика заходів
Мета даного проекту полягає у впровадженні нової, більш досконалої технології обробітку фуражного зерна, для випуску першокласної продукції з більшим відсотком вмісту вітамінів, амінокислот, білків та інших біологічно активних речовин і компонентів для тварин і птиці.
Для реалізації цього проекту необхідно провести реставрацію старого обладнання лінії виробництва концентрованих кормів і встановити експантрудер на базі КМЗ - 2У.
Ця ідея дозволить:виготовляти корм високої якості, збільшити вибір рецептів приготування корму, добавляти більшу кількість рідких компонентів - масла, жиру, меляси; підвищить продуктивність лінії концентрованих кормів.
7.3 Оцінка ринку збуту
Модернізація буде впроваджуватись у власному господарстві, головним ринком споживання продукції буде власне господарство. З часом господарство зможе продавати вироблену продукцію на зовнішній ринок.
Споживачами нашої продукції можуть бути сусідні господарства, в яких є галузь тваринництво або птахівництво, а також частні фермерські господарства і населення.
Дана продукція є новинкою на ринку району і в найближчий час не буде мати конкуренції .
7.4 Стратегія маркетингу
Як вже було вказано раніше в господарстві планується удосконалити технологію приготування кормів, тому продукцію, яка вироблятиметься господарством, крім забезпечення власних потреб, можна буде реалізовувати на зовнішньому ринку.
Тому саме для цієї продукції буде створюватись стратегія маркетингу. Головну увагу при цьому буде приділятися якості продукції і доступності ціни на неї.
Продукція буде продаватись сусіднім господарствам, а також приватним фермерам, через власну контору і буде доставлятися транспортом господарства.
Ціноутворення буде здійснюватись за витратною стратегією. При цьому прогнозована відпускна ціна буде розрахована за формулою:
(7.1)
де: Ц – відпускна ціна, грн/т.;
Р – рівень рентабельності, який планується отримати, %;
С – розрахункова повна собівартість виробленої продукції, грн/т..
Після розрахунку відпускна ціна повинна бути в проміжку коливання ринкових цін, можливо навіть меншою, при цьому відповідно можливі зміни рівня рентабельності.
Для реклами нашої продукції можна буде надрукувати оголошення до місцевої газети зі своєю пропозицією.
Для стимулювання продажів планується встановлювати менші ціни, ніж на ринку, вести систему скидок для постійних споживачів, доставляти продукцію власним транспортом, за власний рахунок в межах району.
7.5 План виробництва
Виробництво концентрованих кормів для задоволення власних потреб господарства буде здійснюватись в тій же кількості, що і до модернізації ( 319,4тони). Але буде передбачено виготовлення ще більшої кількості продукції для зовнішнього ринку. На перший рік планується виготовити і реалізувати 130 тон продукції.
Сировину (фуражне зерно ячмінь і горох) господарство буде отримувати від власного виробництва, яке вже є налагодженим.
Господарство не відчує змін чи незручностей, оскільки модернізація є досить продуктивною.
7.6 Організаційний план
Організація робіт буде проводитись на базі власного господарства. Модернізація буде проводитись в кормоцеху на лінії концентрованих кормів. Наявність обладнання і матеріалів є в достатній кількості в господарстві.
Працівники кормоцеху є достатньо кваліфікованими, з великим досвідом роботи. При необхідності можна підвищити кваліфікацію працівників виходячи з нових вимог.
7.7 Юридичний план
СВК "Світанок" має колективну форму власності, засновану на власності трудового колективу. Кооператив діє згідно статуту. Діяльність кооперативу спрямована на виробництво сільськогосподарської продукції, її переробки і реалізації, надання послуг сільськогосподарським товаровиробникам.
Кормоцех відноситься до майна кооперативу. Економічний ефект від впровадження даного бізнес - плану буде спостерігатись у зменшені собівартості виконуваних робіт в тваринництві. При реалізації концентрованих кормів на зовнішній ринок, прибуток буде направлятись в кооператив.
7.8 Фінансовий план
Модернізація лінії концентрованих кормів кормоцеху матиме економічне значення, яке полягає у знижені собівартості вироблення концентрованих кормів високої якості, що сприятиме зниженню собівартості продукції тваринництва.
Розрахунок економічної ефективності модернізації лінії концентрованих кормів кормоцеху приведено в таблиці 3.1 "Розрахунок собівартості та економічного ефекту виробництва концентрованих кормів".
Обсяги виробництва будуть коливатись в залежності від поголів'я тварин в господарстві, та рівня попиту на продукцію на зовнішньому ринку.
Дані таблиці 3.1 свідчать, що після модернізації собівартість однієї тони продукції зменшиться на 173,57 гривні, а модернізація окупить себе за рік і два місяці, тому дана модернізація є економічно вдалою і рекомендується для впровадження у виробництво.
Таблиця 7.1 Розрахунок собівартості та економічного ефекту приготування концентрованих кормів
| Показники | Технологічна лінія до удосконалення | Технологічна лінія після удосконалення | Відхилення (до удосконалення лінії та після удосконалення). | |
| 1 | 2 | 3 | 4 | |
| Обсяг робіт - всього,т. | 455,5 | 455,5 | 0,00 | |
| Продуктивність лінії за 1 годину, т. | 1.8 | 1,2 | -0,6 | |
| Трудомісткість роботи лінії, год. | 253.05 | 379,58 | 126,52 | |
| Кількість обслуговуючого персоналу, чол. | 1 | 1 | 0,00 | |
| Витрати праці - всього, люд.-год. | 253,05 | 379,58 | 126,52 | |
| Тарифний розряд з оплати праці | 5 | 5 | 0,00 | |
| Годинна тарифна ставка, грн. | 6,54 | 6,54 | 0,00 | |
| Оплата праці по тарифу – всього, грн. | 1654,98 | 2482,47 | 827,49 | |
| Оплата праці з нарахуванням, грн. | 2499,02 | 3748,53 | 1249,51 | |
| Норма витрати електроенергії, кВт/год. | 34,0 | 42,0 | 8,00 | |
| Потреба в електроенергії на весь обсяг робіт, кВт. | 8603,88 | 15942,5 | 7338,61 | |
| Комплексна ціна електроенергії, грн./кВт. | 0,76 | 0,76 | 0,00 | |
| Витрати на електроенергію – всього, грн. | 6538,95 | 12116,3 | 5577,34 | |
| Кількість необхідних кормів, т. | 455,5 | 455,5 | 0,00 | |
| ячмінь | 318,85 | 235,94 | -82,90 | |
| горох | 136,65 | 101,12 | -35,52 | |
| зелена маса | 0,00 | 118,43 | 118,43 | |
| Ціна закупівлі кормів грн. за 1т. | ||||
| ячмінь | 800 | 800 | 0,00 | |
| горох | 900 | 900 | 0,00 | |
| зелена маса | 50 | 50 | 0,00 | |
| Витрати на закупівлю - всього, грн. | 378065 | 285689,6 | -92375,40 | |
| Норми витрати пару, кг/т. | 0,0 | 50,0 | 50,00 | |
| Витрати пару на весь обсяг робіт, т. | 0,0 | 22,77 | 22,77 | |
| Ціна пару, грн. за 1т. | 0,0 | 400,0 | 400,00 | |
| Вартість пару - всього, грн. | 0,0 | 9110,0 | 9110,00 | |
| Балансова вартість – всього, грн. | 112000 | 202000,0 | 90000,00 | |
| - будівлі | 60000,0 | 60000,0 | 0,00 | |
| - обладнання | 52000,0 | 142000,0 | 90000,00 | |
| Нормативне навантаження на рік, год. | 960,0 | 1600,0 | 640,00 | |
| Норма амортизації, %. | ||||
| - будівлі | 10,0 | 10,0 | 0,00 | |
| - обладнання | 40,0 | 40,0 | 0,00 | |
| Сума амортизації – всього, грн. | 7064,46 | 14898,65 | 7834,17 | |
| - будівлі | 1581,59 | 1423,43 | -158,16 | |
| - обладнання | 5482,87 | 13475,21 | 7992,33 | |
| Норми витрат на поточний ремонт і технічне обслуговування, %. | ||||
| - будівлі | 5,0 | 5,0 | 0,00 | |
| - обладнання | 14,0 | 14,0 | 0,00 | |
| Витрати на поточний ремонт і технічне обслуговування - всього, грн. | 2709,80 | 5428,04 | 2718,23 | |
| - будівлі | 790,79 | 711,71 | -79,07 | |
| - обладнання | 1919,01 | 4716,32 | 2797,31 | |
| Всього прямих витрат, грн. | 396877,3 | 330991,1 | -65886,1 | |
| Витрати на організацію і управління, грн. | 79375,45 | 66198,22 | -13177,2 | |
| Всього виробничих витрат, грн. | 476252,7 | 397189,3 | -79063,4 | |
| Виробнича собівартість 1т., грн. | 1045,56 | 871,98 | -173,57 | |
| Капіталовкладення, грн. | 0,0 | 90000 | 90000 | |
| Економічна ефективність впровадження, грн. | 79063,4 | 79063,4 | ||
| Термін окупності, років. | 1,1 | 1,1 | ||
7.9 Стратегія фінансування
Гроші для реалізації проекту планується отримати у вигляді кредиту на 1 рік з виплатою відсотків. Потреба в кредиті представлена в таблиці 3.2.
Таблиця 7.2 Розрахунок потреби в кредиті
| Показники | Сума |
| 1 | 2 |
| Вартість модернізації існуючих основних засобів, грн. | 90000,00 |
| Потреба в кредиті - всього, грн. | 90000,00 |
Заявка на одержання кредиту представлена в таблиці 7.3.
Таблиця 7.3 Заявка на одержання кредиту
| Показники | Сума |
| 1 | 2 |
| Сума кредиту, грн. | 90000 |
| Бажаний відсоток | 22 % |
| Термін погашення кредиту | 1 рік |
| Погашення кредиту | за 1рік |
| Джерело виплат | економічний ефект від удосконалення |
| Гарантії | майно господарства |
7.10 Розрахунок точки беззбитковості
Для нашого випадку потрібно розрахувати необхідну кількість приготування концентрованих кормів, щоб наша модернізація почала приносити прибуток.
Таблиця 7.4 Розрахунок точки беззбитковості, грн..
| Обєм робіт,тон | Змінні витрати, грн.. | Сукупні витрати, грн.. | Дохід, грн.. |
| 1 | 2 | 3 | 4 |
| 0,00 | 0,00 | 2892,45 | 0,00 |
| 10,00 | 261,59 | 4356,74 | 1735,62 |
| 20,00 | 348,79 | 5612,23 | 3471,56 |
| 30,00 | 435,99 | 7266,47 | 5207,34 |
| 40,00 | 523,19 | 8719,15 | 6943,12 |
| 50,00 | 610,38 | 10174,68 | 8678,90 |
| 60,00 | 697,59 | 11626,34 | 10414,68 |
| 70,00 | 784,78 | 13079,82 | 12150,46 |
| 80,00 | 871,98 | 14533,28 | 13886,24 |
| 90,00 | 925,67 | 15986,17 | 15622,02 |
| 100,00 | 1054,32 | 17439,74 | 17357,80 |
| 110,00 | 1145,68 | 18893,95 | 19093,58 |
| 120,00 | 1275,35 | 20346,14 | 20829,36 |
| 130,00 | 1328,61 | 22554,46 | 22565,14 |
| 140,00 | 1486,54 | 24290,55 | 24300,92 |
| 150,00 | 1548,32 | 26025,26 | 26036,37 |
Графік беззбитковості зображено на рисунку 7.1.

Рисунок 7.1 Графік беззбитковості
7.11 Оцінка ризиків і страхування
Для оцінки ризиків проведемо аналіз по можливим видам ризиків.
Ринковий ризик (пов'язаний з тим, що чи буде існувати ринок збуту нашого товару і за темпами його росту, які будуть сприяти ризику нашого бізнесу.). Цей ризик не буде мати місця, оскільки наша продукція призначена для тваринництва і птахівництва, які будуть існувати постійно, тому попит на нашу продукцію,яка не поступається якістю і має відносно низьку ціну, буде існувати постійно.
Ризик конкуренції підприємств (обумовлений можливістю наших конкурентів розробити нові технології, які будуть економічніші, порівняно з нашими.). На даний час наша технологія є провідною, і навіть якщо з'являться кращі технології, господарство зможе впровадити їх у своє виробництво на свою користь.
Зовнішній ризик (пов'язаний з тим, що хтось зупинить чи сповільнить роботу виробництва.). Цей ризик не матиме свого впливу, адже продукція відповідатиме всім вимогам (екологічним, санітарно - епідеміологічним). Виробництво продукції відбувається в безпечних умовах.
Внутрішній ризик (він визначається достатністю персоналу, рівнем їх фаху для забезпечення нормального функціонування виробництва.). Для запобігання цього ризику планується підвищити кваліфікацію працівників.
Ризик втрати майна (виявляється можливістю втрати чи пошкодження майна.). Для запобігання цього ризику необхідно застрахувати майно господарства.
Ресурсний ризик (обумовлений можливою відсутністю достатньої кількості власних ресурсів для повного завершення чи функціонування проекту.). В господарстві достатня матеріально-технічна база для переобладнання лінії концентрованих кормів, також господарство повністю забезпечене сировиною і ресурсами для функціонування виробництва.
Судячи з аналізу при нашому виробництві буде існувати мінімальний рівень ризику.
Висновки
Із аналіз виробничо-економічної діяльності господарства видно, що господарство досить нормально розвивається, воно достатньо забезпечене матеріально-технічними ресурсами для виробництва продукції рослинництва і тваринництва, але техніка морально і матеріально застаріла, тому не завадило поновити основні засоби для більш ефективного виробництва.
В проекті також був розроблений бізнес-план на модернізацію лінії концентрованих кормів кормоцеху, з якого видно, що він є економічно вдалим, що проявляється в зменшені собівартості концентрованих кормів з 1045,56 грн. до 871,98грн. за тону, для реалізації проекту необхідні інвестиції в розмірі 90000 грн., а проект окупить себе за один рік і два місяці, крім того корми можна реалізовувати на зовнішній ринок, тим самим отримувати додатковий прибуток, тому даний бізнес-план рекомендується впровадити в господарстві.
В дипломному проекті було проведено аналіз виробничо-економічної діяльності господарства з якого видно, що господарство достатньо розвинене, але галузь тваринництво є занепадаючою. Тому після було проведено більш детальний аналіз, з якого зясувалося, що більша частина коштів витрачається на забезпечення кормами тварин, до того ж було виявлено що корма в кормоцеху тільки здрібнюються, змішуються і видаються тваринам, і не проходять ніякої термічної обробки.
Така технологія приготування не є ефективною, оскільки корма, особливо концентровані, є джерелом різних бактерій. Тому в проекті було запропоновано провести модернізацію існуючого кормоцеху, встановивши на лінії конентрованих кормів прес-екструдер, але така технологія незважаючи на її ефективність, є дуже енергомісткою (120-150 кВт/т), тому було вирішено скористатись альтернативною технологією експандування, яка відрізняється від екструдування лише способом випресування продукту (через регульоване конусне сопло), що має енергомісткість (15-20 кВт/т), при цьому продукт не поступається за поживністю. Але для проходження процесу експандування нам потрібний продукт вологістю 20-30%, тому для до зволожування було вирішено використати зелену масу (вологість70-80%) відбирати частину зеленої маси з відповідної лінії.
Отже в роботі було проведено дослід, що полягав у можливості використання зеленої маси для дозволожування концентрованих кормів. Для цього був використаний прес-екструдер з переобладнаною головкою.
Внаслідок оптимізації ми отримали: при зміні технології відбувається зменшення енерговитрат з 120-150 кВт, до 15-20 кВт, при цьому отримується продукт не гіршої якості; внаслідок використання зеленої маси як додаткового джерела вологи відбувається кращий її розподіл внутрі корму, шо дозволяє уникнути додаткових витрат на зволожування сировини, при цьому корм додатково збагачується білком і β-каротином; крім того порівняльним аналізом базових і експериментальних експандерів було виявлено, що енергоємність процесу знизилась на 16%.
Література
1. Азізов С.П. Організація виробництва і аграрного бізнесу в сільськогосподарських підприємствах. – К.: ІАЕ, 2001. – 340 с.
2. Батіг А. І. та ін. Планування та організація діяльності аграрного підприємства. – К.: Аграрна освіта, 2003. – 425 с.
3. Бойко Л.Н. Прогресивные технологи для производства комбікормов // Комбикорма. – 2005. - №4. – С.23-24.
4. Гришко В. В.,Перебийніс В, І. Енергозбереження в сільському господарстві (економіка, організація, управління). – Полтава: "Полтава", 1996. – 280 с
5. Гряник Г.М., Лехман С.Д. та ін. Охорона праці. – К.:Урожай, 1994. – 269 с.
6. Клейменов Н.И., Никитин Н.В. Технология производства и использования экструдируемих кормов в животноводстве. – М.: Россельхозиздат, 1981. – 18 с.
7. Крони Л.И., Генхтун Г.С. Производство комбикормов и кормових смесей. – К.: Урожай, 1993. – 187с.
8. Лузан І. Я. Оплата праці в сільськогосподарському виробництві. – К., 2000. – 93 с.
9. Мельник І. І. та ін. Інженерний менеджмент. Навчальний посібник. - Вінниця: Нова Книга, 2007. – 536 с.
10. Нагірний Ю. П. Обґрунтування інженерних рішень. – Урожай. 1994. – 216 с.
11. Остапчук Н.В. Основы математического модэлирования процессов пищевых производств. – К.: Высш.школа, 1981. – 304с.
12. Попов В.В. Отраслевой стандарт на зеленые корма//Кормопроизводство.- 2001. - №9. – С.30-31.
13. Ревенко І.І. та ін. Механізація виробництва продукції тваринництва. – К.:Урожай, 1994. – 264 с.
14. «Механізація сільського господарства». – Одеса.: ОДАУ, 2008. – 28с.
15. Соколов А.Я. Технологическое оборудование предприятий по хранению и переработке зерна. – М.: Колос, 1984. – 248с.
16. Червяков А.В. Обоснование направления совершенствования технологии обработки зерна на основе «экструзии-экспандирования» //Хранение и переработка зерна. – 2004. - №3.- С.52-56.
Додаток 1
Рисунок 3.1 Технологічна схема кормоцеху існуюча
1 – норія НЦГ-10;
2 – бункер-накопичувач БСК-10;
3 – дозатор барабанний ДП-1;
4 – колонка магнітна;
5 – дробарка КДУ-2;
6 – живильник-завантажувач ПМЗ-1,5;
7 – подрібнювач ИКГ-30;
8 – бункер-дозатор 5ДК-500;
9 – бункер-накопичувач;
10 – подрібнювач «Волгарь-5»;
11 – бункер-дозатор 5ДК-500;
12 – транспортер коренеплодів ТКБ-5Б;
13 – коренемийка-подрібнювач ИКМ-5;
14 – дозатор коренеплодів ДС-15;
15 – змішувач 2СМ-1М
16 – транспортер вивантажувальний ТС-40М
17 – кормороздавач КТУ-10А
Додаток 2
Рисунок 3.2 Технологічна схема кормоцеху після впровадження
1 – норія НЦГ-10;
2 – бункер-накопичувач БСК-10;
3 – дозатор барабанний ДП-1;
4 – колонка магнітна; ;
5 – дробарка ДМ;
6 – змішувач експантрудера;
7 – прес-експантрудер;
8 – живильник-завантажувач ПМЗ-1,5;
9 – подрібнювач ИКГ-30;
10– бункер-дозатор 5ДК-500;
11 – бункер-накопичувач;
12 – подрібнювач «Волгарь-5»;
13 – бункер-дозатор 5ДК-500;
14 – котел-пароутворювач КП-200;
15 – транспортер коренеплодів ТКБ-5Б;
16 – коренемийка-подрібнювач ИКМ-5;
17 – дозатор коренеплодів ДС-15;
18– змішувач 2СМ-1М
19 – транспортер вивантажувальний ТС-40М;
20 – кормороздавач КТУ-10А
Додаток 2
Конструкція пристрою:
Складальне креслення

Деталі:
Шпіндель

Матриця
Основа

Опора

Болт

Пружина

Опора

Похожие рефераты:
Комплексний заклад ресторанного господарства
Сучасний стан сільского господарства України
Економiчна ефективнiсть виробництва зерна
Економічна ефективність виробництва соняшника
Розробка лінії по виробництву рослинної олії
Економічна ефективність виробництва яловичини і шляхи її підвищення
Молочне скотарство, перспективи розвтитку галузi
Формування економiчної ефективностi виробництва зерна в господарствi (ТОВ Великоглибочецьке)
Особливостi аграрних реформ в державах ЦСЄ та в Українi
Автоматизація котельні на ТЗВ "Волинь-Шифер"
Наукове обґрунтування резервів підвищення інтенсивності виробництва цукрових буряків
Теоретичні основи теплотехніки
Виготовлення лікарських препаратів на основі амілолітичних ферментів