| Скачать .docx |
Реферат: Механизация кормоцехов на фермах
Содержание
Кормоцеха для приготовления общесмешанных кормовых смесей для свиней
Мобильные смесители раздатчики кормов
Оборудование для учета, фильтрации и охлаждения молока
Машины и оборудование для ветеринарно-санитарной обработки животных и помещений
Кормоцеха для приготовления общесмешанных кормовых смесей для свиней
Оборудование, устанавливаемое в кормоцехах, позволяет приготавливать полнорационные многокомпонентные смеси, балансировать рационы по питательным веществам и обогащать корма, витаминами, минеральными добавками и антибиотиками. Кроме того, при наличии кормоцеха можно также дополнительно использовать местные кормовые ресурсы (солому, сено низкого качества, веточный корм, ботву и другие отходы растениеводства и овощеводства), что очень важно в случае дефицита кормов.
Различают специализированные и комбинированные кормоцехи. Специализированные кормоцехи предназначены для одного вида ферм (крупного рогатого скота, свиноводческих, птицеводческих), а комбинированные для нескольких отраслей животноводства.
В кормоцехах животноводческих ферм различают три основные технологические линии, по которым группируют и классифицируют кормоприготовительные машины. Это технологические линии концентрированных, сочных и грубых (зеленых) кормов. Все три сходятся вместе на заключительных операциях процесса приготовления кормов: дозировании, запаривании и смешивании.
Широко внедряют технологию кормления животных полнорационными кормовыми брикетами и гранулами в виде монокорма.
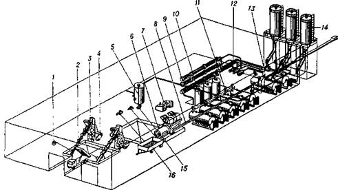
Технология линии кормоцеха для свиноводческих ферм включают машины и оборудование для обработки и транспортировки силоса, зеленой массы, корнеплодов, картофеля, травяной муки, концентратов, обрата, жидких добавок. Особый вид кормоцеха свиноводческих ферм составляет оборудование для подготовки и использования пищевых отходов. Состав поточных технологических линий для приготовления кормовых смесей зависит от выбранных рационов и заданной производительности кормоцеха. Исходя из необходимых суточных объёмов приготовления кормовых смесей, промышленностью разработано несколько комплектов: для силосно-корнеплодно-картофельного типов кормления - КС-24 (20 - 30 т/ч), КЦ-25 (20 - 25 т/ч), а с использованием пищевых отходов - комплект КПО-150 производительностью 10 и 20 т/ч. Комплект КС-24 предназначен для ферм с законченным производств, циклом на 24 тыс. свиней в год или откормочных свиноферм на 12 тыс. голов единовременной постановки. Он включает шесть технологических линий: приёма и дозированной подачи силоса или зелёной массы; приёма, мойки, дозирования и измельчения корнеплодов; приёма и дозирования подачи травяной муки; накопления и дозированной подачи концентрированных кормов; накопления и раздачи обрата и жидких добавок с молокоприёмным баком; приёма кормовых компонентов, накопления, смешивания (при необходимости запаривания) и выгрузки готовой кормосмеси.
Силос или зеленую массу доставляют к цеху мобильным транспортом и разгружают в питатель 1, откуда масса по транспортёру 16 через дозатор 15 подаётся в агрегат (АПК-10А) 17 для доизмельчения. Одновременно в этот агрегат транспортёром 18 подаются корнеплоды из завальной ямы 19. Их частично моют в завальной яме, а окончательно - в агрегате АПК-IDA, чтобы загрязнённость корма была не более 1,2%. Измельчённые корма подаются на линию сбора кормов 9 и 7. Сюда же через дозаторы 12 и 13 из бункеров 2 и 3 по конвейерам 11 и 14 поступают травяная мука и концентраты. Картофель из завальных ям 20 транспортёрами 8 подаётся в агрегат (АЗК-3) 10, где очищается от посторонних примесей, моется, запаривается, мнётся и затем выгружается на линию сбора. После мойки загрязнённость картофеля не должна превышать 3%, а расход поды на 1 т корма - 480 кг.

Размещение технологического оборудования кормоцеха КС-24: 1 - питатель зелёной массы; 2 - бункер-питатель травяной муки; 3 - бункер сухих кормов; 4,9 - шнековые транспортёры; 5 - перекидной клапан; 6 - смеситель (запарник); 7,8,16 - наклонные скребковые транспортёры; 10 - картофелезапарник (агрегат АЗК-3); 11,14 - шнековые конвейеры; 12,13 - дозаторы концентратов; 15 - дозатор стебельчатых кормов; 17 - кормоприготовительный агрегат; 18 - ковшовый транспортёр; 19,20 - завальные ямы (кормоприёмники)
Отдозированные и собранные компоненты кормов с линии сбора 9 и 7 подаются на шнековый транспортёр 4 через перекидной клапан 5 и в определённой последовательности распределяются по смесителям 6, где окончательно смешиваются (при необходимости подвергаются тепловой обработке паром или увлажнению водой). Сюда же может подаваться обрат. Приготовленная в течение 15 - 20 мин кормовая смесь из смесителя 6 скребковыми транспортёрами ТС-40М подаётся в кормораздающие средства. Производительность К.30 т/ч. Установленная мощность оборудования 140 - 160 кВт. Обслуживающий персонал - 3 чел. в смену. Осн. здание К. прямоугольной формы (33 X 18 м). К нему с одной стороны примыкает помещение для накопления корнеклубнеплодов и санузел, с другой - для установки питателей, а с третьей - помещение для загрузки кормов готовой смесью. В здании К. имеются след, отделения: приготовления кормов, приёма зелёной массы, приёма корнеплодов, выгрузки готовых кормовых смесей, отстоя отработанной воды, тепловой узел, электрощитовая, пульт управления и лаборатория анализа кормов.

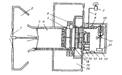
Схема размещения оборудования КПО-150: 1 - электролебедка; 2 - ковшовый погрузчик кормов; 3 - магнитная колонка; 4 - дробилка пищевых отходов; 5 - приёмный резервуар для молода; 6 - сепаратор пищевых отходов; 7 - пульт управления электроприводами кормоцеха; 8 - шнековый загрузчик; 9 - теплообменник; 10 - продувочный котёл; 11 - запарники-смесители; 12 - фекальный насос; 13 - цепной транспортёр; 14 - бункер-накопитель; /5 - центробежный насос; 16 - тележка для удаления примесей.
На откормочных свинофермах и комплексах на 12 - 24 тыс. свиней используют комплект оборудования КПО-150, предназначенные для механизированной переработки пищевых отходов и приготовления кормовых смесей. Отдельные машины и оборудование могут применяться на фермах меньшего размера. Машины этого комплекта объединены в семь поточных технологических линий: приёма, накопления, очистки от разложения тяжёлых примесей и измельчения пищевых отходов; очистки пищевых отходов от длинноволокнистых, плёночных и др. включений и подачи их в запарники смесители; запаривания и стерилизации пищевых отходов и подачи их в продувочный котёл; накопления и охлаждения пищевых отходов; приёма, хранения и ввода в состав кормовой смеси сыворотки, обрата и пахты; приёма и подачи в смесители концентратов, травяной муки и др. сухих добавок; смешивания стерилизованных пищевых отходов с жидкими добавками и комбикормами и выдачи готовой кормосмеси в бункера-накопители. Технологический процесс приготовления кормовых смесей заключается в следующем: самосвальным авто транспортом пищевых отходы доставляют в кормоцеха м и загружают в приёмные завальные ямы. Из ям пищевые отходы ковшовым погрузчиком 2, регулируемым по высоте электролебёдкой 1 через магнитные колонки 3, доставляют в дробилки пищевых отходов 4. Измельчённые пищевые отходы из дробилок самотёком поступают в кормоприёмник, откуда ковшовыми погрузчиками ПКК-20 их подают в сепаратор 6; жидкая часть пищевых отходов сепарируется через отверстия, а длинноволокнистые примеси направляются в тележку 16. Измельчённые и очищенные от посторонних примесей пищевые отходы шнековым загрузчиком 8 подают в запарники-смесители 11. Там их стерилизуют острым паром в течение 1,5 ч при темп-ре не менее 100 °С, после чего через механизм переключения и кормопровод под действием остаточного давления пара, а затем вакуума они поступают в продувочный котёл 10, а оттуда - в бункера-накопители 14. Из них кормовая масса по кормопроводу попадает в фекальные насосы 12, которые перекачивают её через трубчатые теплообменники 9 и возвращают в те же бункера-накопители. В теплообменниках температура пищевых отходов снижается до 70° С. Из бункеров-накопителей охлаждённые пищевые отходы самотёком через механизм переключения поступают в запарники-смесители, куда из приёмного резервуара 5 центробежным насосом 15 подаются жидкие добавки, а также концентрированные корма по транспортёру 13. После смешивания готовая кормосмесь под действием вакуума поступает в продувочные котлы. Очерёдность работы запарников-смесителей устанавливается на пульте управления 7 по графику. Производительность кормоцеха при влажности кормовой смеси 80% до 20 т/ч. Суммарная вместимость запарников 30 м3. Установленная мощность электродвигателей 201 кВт. Обслуживающий персонал 2 чел. (основные рабочие) и 3 чел. (вспомогательные). Комплект оборудования КПО-150 монтируется в здании кормоцеха, в котором предусматривается кроме технологического оборудования размещение трех ёмкостей, предназначенных для приёма и временного хранения 3 - 5-суточного запаса исходных кормов (пищевых отходы, концентрированного корма, сыворотка, обрат), а также санузел.
Мобильные смесители раздатчики кормов
РАЗДАТЧИК-СМЕСИТЕЛЬ КОРМОВ мобильный, передвижная машина для приёма и механического смешивания отдельных компонентов кормового рациона, транспортировки и равномерной выдачи полученной кормовой смеси в групповые или индивидуальные кормушки для с. - х. животных. Раздатчики - смесители кормов подразделяются на самоходные машины, имеющие ходовую часть с автономным приводом (электрифицированная тележка, шасси автомобиля), и прицепные, которые агрегатируются с трактором. Большинство конструкций Раздатчиков - смесителей кормов характеризуется наличием смешивающих шнековых или шнеколопастных рабочих органов. Различают раздатчики - смесители кормов для КРС и свиней. На фермах крупнорогатого скота они перемещаются преим. вне помещения - от кормоцеха к месту кормления животных, в свинарниках - по рельсовым путям, установленным в кормовых проходах. Основные узлы Раздатчик - смеситель кормов - самоходная или прицепная тележка, бункер для приёма, смешивания и перевозки кормов, смешивающие рабочие органы, разгрузочное (дозирующее) устройство. Некоторые конструкции снабжены весоизмерительным устройством. Загруженные в бункер в определенные соотношении кормовые компоненты (концентрированные корма, измельчённое сено, сенаж, силос) перемешиваются рабочими органами, а полученная кормовая смесь подаётся при раздаче к выгрузному окну, откуда с помощью разгрузочного устройства поступает в кормушки, установленные по одну или обе стороны кормового прохода. Для ферм крупнорогатого скота в СССР выпускался прицепной раздатчик - смеситель кормов марки РСП-10 с приводом рабочих органов от вала отбора мощности трактора. Емкость бункера 10 м3, время смешивания кормов 3-8 мин, транспортная скорость машины до 20, рабочая - 1,5-5 км/ч. Производительность на раздаче до 120 т/ч. Компоненты корма смешиваются во время движения агрегата к месту раздачи. Один РСП-10 может обслужить до 4. тыс. голов молодняка крупнорогатого скота. В СССР освоено также серийное производство самоходного автомобильного раздатчик - смеситель кормов марки АРС-10.

Раздатчик-смеситель кормов прицепной РСП-10: 1 - бункер; 2 - механизм регулирования нормы выдачи корма; 3 - выгрузной лоток; 4 - ходовая часть; 5 - рама; 6 - карданный вал.
Такие агрегаты используют преим. на крупных откормочных фермах и площадках. Для свиноферм выпускали раздатчик - смеситель кормов марок КС-1,5 и РС-5А. Агрегат РС-5А (электрифицированный, самоходный, рельсовый) применяется для смешивания полужидких кормов влажностью 70% и выше и выдачи их в кормушки. Мощность его привода 3 кВт. Ёмкость бункера 0,78 м3, скорость перемещения 0,47 - 0,8 км/ч, ширина колеи 616 мм. Производительность на раздаче до 5 т/ч.

1-разделительная коробка; 2 - ходовая часть; 3 - рама; 4 - устройство автоматической остановки кормораздатчика; 5 - мотор - редуктор; 6 - выгрузной шнек; 7 - лопастная мешалка; 8 - бункер; 9 - травесна; 10 - шнек - мешалка; 11 - разравнитель; 12 - пульт управления; 13 - электрооборудование; 14 - таблица нормы выдачи кормов; 15 - шкала; 16 - штурвала; 17 - площадка для рабочего.
Кормораздатчик КС - 1,5 предназначен для перемещения и раздачи влажных кормовых смесей свиньям всех возрастных групп на репродукторных и откормочных фермах.
Кормораздатчик состоит из ходовой части 2 с электропроводом, бункера 8, двух выгрузных шнеков 6 с дозирующим устройством, четырехскоростной коробкой передач для измерения выдачи корма, площадки 17 для рабочего и пульта управления 12. В бункер кормораздатчика загружают готовый к выдачи корма или компоненты кормовой смеси. В это время выгрузные окна закрыты шиберными заслонками. Если корм необходимо смешать, включают на 4…20 мин шнек - мешалку 10 и лопастную мешалку 7. Когда кормораздатчик по рельсовому пути, проложенному в кормовом проходе, подъезжает к ряду кормушек, оператор включает привод выгрузных шнеков и открывает шиберные заслонки; корм поступает в кормушки. Норму выдачи регулируют изменением открытия шиберных заслонок. При выдаче корма в индивидуальные кормушки используют тормозное устройство для остановки раздатчика у соответствующей кормушки. Вместимость бункера
. Подача корма 30…70 т/ч. Общая установленная мощность четырех электродвигателей 7,1 кВт. Один оператор может обслужить 600…1200 поросят - отъёмышей.
Измельчитель - раздатчик ИРК - 3 предназначен для измельчения рулонированных грубых кормов с одновременной раздачей их в кормушки. Он состоит из рамы, шасси, бункера, гидроробота, падающего и дополнительного скребкового транспортеров, двух молотковых роторов и выгрузного транспортера.
Рабочие органы приводятся в действие от ВОМ и гидросистемы тракторов класса 0,9или1,4. Производительность 2,5…3т/ч, грузоподъёмность 1,5т, потребляемая мощность 25 кВт.
Малогабаритный одноосный кормораздатчик КТ-Ф-6 предназначен для приема, транспортировки и раздачи на ходу непрерывным регулированным потоком измельченных сочных и грубых кормов (силос, зеленый корм, корнеплоды, сенаж, сено, солома) или смеси их с концентрированными кормами в кормушки высотой не более 750мм и приемные камеры стационарных транспортеров на животноводческих фермах.
Кормораздатчик агрегатируют с тракторами тягловых классов 0,6 и 0,9. Производительность при раздаче кормов 48…340
/ч, грузоподъёмность 19кН, вместимость 5…6
.
Двухосный раздатчик кормов РКТ - 10 предназначен для приема, транспортировки и раздачи на ходу измельченного силоса, зеленной массы, сенажа и др. Его агрегатируют с тракторами тяговых классов 0,9 и 1,4. Вместимость 10
. Потребляемая мощность 7,5 кВт.
Размотчик - измельчитель - раздатчик РИФ - 350 прицепной одноосный. Он предназначен для приема, транспортировки, размотки, измельчения и раздачи на ходу сена и соломы прессованном виде (или рулонах). Машину агрегатируют с тракторами тяговых классов 0,9 и 1,4. Производительность 2,5…5т/ч, потребляемая мощность1 кВт.
Размотчик - измельчитель - раздатчик РИФ - 500 является составной частью комплекса машин для заготовки и раздачи грубых кормов рулонной технологии. Работая от трактора МТЗ - 80, размотчик производит самозагрузку рулонов сена или соломы в измельчающую камеру, транспортировку рулонов к месту раздачи, измельчения их и раздачу корма в кормушки. Его так же можно включить в технологическую линию приготовления кормосмесей, использовать для измельчения и раздачи сенажа и свежескошенного сена. Производительность машины 5 т/ч, потребляемая мощность 5 кВт.
Навесной и прицепной раздатчик - измельчители корнеклубнеплодов, тыквы, жома и концентрированных кормов предназначены для приема, транспортировки и дозированной выдачи в кормушки концентрированных кормов, жома, зерностержневой смеси из кукурузных початков, а также для измельчения и последующей выдачи корнеклубнеплодов и тыквы на фермах крупного рогатого скота размерами до 1200 голов. Машины состоят из бункера V - образной формы, системы навески и привода. В нижней части бункера размещены измельчающий барабан с ножами и выгрузной шнек. Навесной раздатчик - измельчитель навешивают на механизм задней навески трактора, прицепной - соединяют серьгой с его прицепным устройством.
Машины агрегатируют с тракторами тяговых классов 0,9 и 1,4. Производительность их 8…12 т/ч при навесном варианте и до 30т/ч при прицепном.
Оборудование для учета, фильтрации и охлаждения молока
Установка для учета молока

Марка: SMZ-65-11
НАЗНАЧЕНИЕ: Стационарная измерительная установка для измерения количества молока и жидких молочных продуктов предназначена для измерения количества поставляемого молока, или для перекачки и измерения молока и молочных продуктов между отдельными пунктами. УСТРОЙСТВО И ПРИНЦИП РАБОТЫ: Стационарная измерительная установка состоит из следующих составных частей:
проточный измеритель объема ПМ2/65 В
фильтр ФП 65
устранитель воздуха ОП 30
обратный клапан СВ 30
электромагнитный воздуховыпускной клапан ЭВ 9
отбиратель проб 0В 6
шкаф электрического распределения
пульт управления
изобразительная единица дистанционного переноса ЭДИ-6
насос с электродвигателем
стойка и трубопровод с арматурой
запасные части с принадлежностями
Стационарная измерительная установка состоит из двух блоков - блока приема и измерительного блока.
В блок приема входят насос с электродвигателем, обратный клапан, электромагнитный воздуховыпускной клапан. Компоненты блока приема прикреплены к насосу.
Измерительный блок состоит из фильтра, устранителя воздуха, проточного измерителя объема, отбирателя проб, обратного клапана и стойки с трубопроводом. Детали измерительного блока привинчены к стойке и соединены посредством нержавеющего трубопровода Js 65 к стандартизированного винтового соединения, применяемого в молочной промышленности в соответствии с стандартом ЧСН 13 7791.
В полный состав стационарной измерительной установки входят еще шкаф электрического распределения, пульт управления и изобразительная единица дистанционного переноса ЭДИ-6. Шкаф электрического распределения прикреплен на стойке измерительной установки.
Для управления стационарной измерительной установкой предназначен пульт управления, на котором находятся основные элементы управления и сигнализации. Поставляется с подставкой для укрепления к полу и специальным соединительным кабелем, позволяющим монтаж пульта управления до расстояния 30 м от стационарной измерительной установки.
Изобразительная единица предназначена для дистанционного изображения данных единичного счетчика измерителя и их суммы до максимального расстояния 100 м от стационарной измерительной установки. Функциональная часть изобразительной единицы находится в шкафу из пластмассы. Микровыключатели и изобразительные элементы находятся на передней стороне шкафа. Электроника выполнена на двух печатных платах.
Исполнение источника исходит из требования прямого соединения изобразительной единицы со шкафом электрического распределения.
Наиболее выгодным является монтаж изобразительной единицы в вертикальном положении с концевой втулкой на нижней стороне шкафа, например, монтаж на стену приемной комнаты. Напряжение питания и импульсный сигнал от измерителя приведены трехпроводным кабелем, соединяющим изобразительную единицу со шкафом электрического распределения. Распределительная колодка, помещенная внутри шкафа изобразительной единицы, доступна после отвинчения крышки. Напряжение питания 12 В, 50 Гц подключается к зажимам с обозначением ~ 12 В.
Входной импульсный сигнал приводится к зажиму IN - в соответствии со схемой подключения, которая находится на внутренней стороне крышки шкафа электрического распределения.
ПРИМЕЧАНИЕ: В случае неправильного подключения трехпроводного кабеля к распределительной колодке изобразительной единицы может произойти ее повреждение, или повреждение входных цепей пульта управления!
На передней стороне изобразительной единицы находятся 3 микровыключателя со следующими обозначениями и функциями:
СХ - обнуление данных единичного счетчика
СМ - обнуление суммы данных единичного счетчика
Х - М - переключение изображения данных единичного счетчика измерителя и изображение их суммы.
Принцип работы стационарной измерительной установки состоит в разделении молока, протекающего через камеру, на определенные одинаковые порции /объемы/ и в их выпуске из измерительной камеры посредством эксцентрически поворачивающегося кружка измерительной камеры. Количество выпущенных порций пропорционально количеству оборотов кружка измерительной камеры и суммируется считывающим устройством счетчика.
Подключением шлангов автоцистерны с молоком к блоку приема и включением центрального выключателя шкафа электрического распределения стационарная измерительная установка подготовлена к работе. Включением центрального выключателя на шкафу электрического распределения зажигается зеленый сигнальный свет кнопки старт измерения на пульте управления. После нажатия на кнопку старт измерения зажигается красный сигнальный свет кнопки стоп. Откроется электромагнитный воздуховыпускной клапан, через который в атмосферу уходит воздух, толкаемый втекающим молоком. В этой фазе насос не работает. Обратный клапан на блоке приема закрыт пружиной и тем предотвращается попаданию воздуха в целую стационарную измерительную установку.
После заполнения электромагнитного воздуховыпускного клапана молоком до верхнего выключателя уровня "МАКС" автоматически включается насос и закроется электромагнитный воздуховыпускной клапан. Молоко перекачивается насосом через фильтр, устранитель воздуха, измеритель, отбиратель проб и обратный клапан в бак. Устранение воздуха во время работы насоса проводится автоматически в двух фазах:
воздух, содержавшийся во всасываемом молоке, собирается в цилиндрической части электромагнитного воздуховыпускного клапана. При наполнении электромагнитного воздуховыпускного клапана воздухом до уровня нижнего датчика уровня "МИН" автоматически выключается насос и откроется электромагнитный воздуховыпускной клапан /только у СМЗ 65-16/. Обратное включение насоса произойдет только после выдавления воздуха втекающим молоком до верхнего датчика уровня '"МАКС" электромагнитного воздуховыпускного клапана. Этот процесс периодически повторяется до полного опорожнения приемного трубопровода, или шланга.
Воздух, который по любым причинам не устранился указанным способом, удаляется в устранителе воздуха, включенном в блок измерения перед измерителем.
Устранитель воздуха предназначен для устранения воздуха из протекающего молока. Устранение достигается с поверхности вращающегося молока. Устраненный воздух периодически выпускается в атмосферу воздуховыпускным клапаном. Устранитель воздуха оснащен глазком для контроля уровня и работы.
Фильтр предназначен для защиты проточного измерителя объема от попадания твердых частиц.
Измеритель предназначен для измерения протекшего объема молока. Последний регистрируется двумя счетчиками; единичным 5-разрядным обнулительным и 6 - разрядным суммирующим. Кроме указанных данных, он оснащен выходом импульсов для изобразительной единицы.
Отбиратель проб предназначен для периодического отбора пробы протекающего молока. Он работает по принципу коротковременного открывания сопла, находящегося в середине трубопровода, с помощью электромагнитного клапана. Клапан открывается после протока определенного объема трубопроводом и управляется сформированными импульсами из измерителя. Время открытия клапана постоянно. Перед измерением возможно установить переключателем доз на пульте управления подходящее соотношение отобранного количества проб в соотношении 1: 5000, 1: 10000, 1: 20000, 1: 40000.
Обратный клапан препятствует обратному течению измеренного молока при окончании и прерывании измерений. Оба обратных клапана, применяемые в установке, оснащены управляющим оборудованием, позволяющим их отключение.
1. Номинальный диаметр 65 мм,
2. Максимальный проток 35000 л/ч,
3. Минимальный проток 12000 л/ч,
4. Позволенная погрешность в измерительном диапазоне 12000-35000 л/час при температуре 10-5 °С: 0,5% при измерении молока
5. Потеря давления при максимальном протоке 160 кПа,
6. Максимальное рабочее давление 400 кПа,
7. Минимальное принимаемое количество молока при соблюдении указанной погрешности - 0,5%, 500 л
8. Максимальное значение счетчика суммарного учета, 9999,990 м3
9. Значение деления счетчика суммарного учета, 0,01 м3
10. Максимальное значение счетчика однократного учета 999,999, м3
11. Значение деления счетчика однократного учета, 0,001 м3
12. Максимальная температура измеряемой жидкости, 25°С
13. Минимальная температура измеряемой жидкости, 4°С
14. Динамическая вязкость измеряемой жидкости, 6.10-3 Па. с
15. Температура рабочей среды, 2-40 °С
16. Относительная влажность воздуха до, 90%
17. Минимальное статическое давление во всасывающем патрубке, 8/0,8кПа /м воды/
18. Напряжение питания, 380/50 В/Гц
19. Номинальный ток, 14 A
20. Степень защиты, ИП 44
21. Габаритные размеры, 1495х1150х1525 мм.
Охлаждение молока
Для сохранения качества первичной животноводческой продукции (молока, мяса) в любое время года ее подвергают температурному воздействию (пастеризации, копчению, охлаждению и др.) или перерабатывают на более устойчивый для хранения продукт (масло, сыр, копчености, колбасы и др.).
Охладитель молока ОМВ-Ф-8. Для хранения в специальной среде в течение 20 ч свежевыдоенного молока в стандартных бидонах используют охладитель. Он выполнен в виде открытой водяной ванны 1 (рис.1), подключенной к электрической сети. В конце ванны расположен холодильный агрегат, соединенный посредством терморегулирующего вентиля с испарителем-аккумулятором трубчатого типа. Ванна имеет слой теплоизоляции 4 и облицована ударопрочным покрытием 5 из полистирола.
Автоматический режим работы охладителя задается с пульта управления через реле температуры и датчики, установленные в водяной ванне. Реле температуры контролирует величину наморозки льда, а также включение и выключение насоса для перемешивания хладоносителя. Холодильный агрегат защищен ограждением. Решетка, размещенная над аккумулятором льда, предназначена для установки бидонов.
Охладитель работоспособен в условиях температуры окружающей среды 10-35 °С и относительной влажности не более 85%.
На животноводческой ферме до 100 коров достаточно иметь один охладитель, он гарантирует сохранность и качество молока.
Работает охладитель в автоматическом режиме. Через 3-4 ч на испарителе образуется достаточное количество льда для охлаждения 200 м3 молока, и холодильный агрегат автоматически отключается. С этого момента можно устанавливать в водяную ванну бидоны с молоком, после чего автоматически включается электронасос хладоносителя (хладагент Р22), который работает в заданном режиме охлаждения молока. По истечении 2-2,2 ч процесс охлаждения заканчивается, и молоко готово к отправке.

Рис.1. Охладитель молока ОМВ-Ф-8: 1 - водяная ванна; 2 - испаритель-аккумулятор льда; 3 - решетка для установки бидонов; 4 - слой теплоизоляции; 5 - ударопрочное покрытие; 6 - охлаждение холодильного агрегата; 7 - бидон с молоком; 8 - холодильный агрегат; 9 - пульт управления; 10 – электронасос
Охладитель продолжает работу в автоматическом режиме, и следующая остановка холодильного агрегата указывает на его готовность к новому циклу охлаждения.
Универсальный молочный бидон-охладитель АДМ-18-000. Отечественная промышленность выпускает его в комплекте оборудования молочной.
Устройство бидона-охладителя показано на рис.2. Назначение универсального бидона-охладителя - сбор, фильтрация и охлаждение молока. При доении в молокопровод учитывается молоко от группы коров с помощью мерной линейки. Молоко охлаждается холодной водой из любого источника. Вместимость бидона 185 л. Масса 42 кг.
Молоко, поступающее под вакуумом из молокопровода, собирается в приемном бачке в верхней части бидона-охладителя. Из приемного бачка оно самотеком тонкими струйками распределяется по всей внутренней поверхности, охлаждаясь на стенках бидона. Охлаждающая вода омывает стенки снаружи, собирается в емкости под бидоном и возвращается в резервуар для охлаждения или технологических нужд.
Молоко охлаждается до температуры на 5-6 °С выше температуры охлаждаемой воды при трехкратном ее расходе.

Рис.2. Бидон-охладитель: 1 - металлический каркас; 2 - комбинированный корпус; 3 - крышка с патрубками.
Молоко очищают от механических примесей с помощью фильтратов или центробежных очистителей. Молочный жир в состоянии суспензии имеет тенденцию к агрегатированию, поэтому фильтрование центробежную очистку предпочтительно проводить для теплого молока.
Фильтры задерживают механические примеси. Хорошими показателями качества фильтрации обладают ткани из лавсана и других полимерных материалов с числом ячеек не менее 225 на 1 см2. Молоко проходит через ткань под давлением до 100 кПа. При использовании фильтров тонкой очистки требуется большие напоры, фильтры забиваются. Время их использования ограничено свойствами фильтрирующего материала и загрязненностью жидкости.
Сепаратор - молокоочиститель ОМ - 1А служит для очистки молока от посторонних примесей, частиц свернувшегося белка и других включений, плотность которых выше плотности молока. Производительность сепаратора 1000 л/ч.
Сепаратор - молокоочиститель ОМА - 3М предназначен для очистки теплого молока от загрязнений и молочной слизи, используется на малых и средних предприятий молочной промышленности. Может работать в составе пастеризационной установки производительностью 5000л/ч, входит в комплект автоматизированных пластинчатых пастеризационно-охладительных установок.
Сепаратор состоит из станины с приводом, барабана, приемно-отводящего устройства, крышки сепаратора. Конструкция сепаратора с ручной выгрузкой осадка полузакрытого исполнения. Барабан, приемно-выводящее устройство из нержавеющей стали, станины - чугун, крышка алюминиевый сплав.
Молоко через приемно-выводное устройство подается в барабан и заполняет межтарелочное пространство, где происходит очистка. Под действием центробежных сил загрязнения и слизь оседают в виде плотного слоя на внутренние стенки барабана. Выгрузка осадка происходит вручную после остановки барабана. Периодичность выгрузки зависит от фактической загрязненности молока. Очищенное молоко поступает в напорную камеру, откуда выводится напорным диском по закрытым трубопроводам в производственные коммуникации. Вывод очищенного молока оборудован манометром и дросселем для регулировки.
Барабан, приемно-отводящее устройство, молокоприемник, как и все детали, соприкасающиеся с продуктом, изготовлены из нержавеющей стали разрешенной Министерством здравоохранения для контакта с пищевыми продуктами.
| Производи-тельность |
Продолжительность непрерывной работы |
Частота вращения барабана |
Давление продукта на выходе |
Объем шламового пространства |
Габариты |
Масса |
| 5000 л/час |
не менее 2 часов; |
6500 мин |
3х10 Па |
4,8 л |
840х662х1195 мм |
377 кг. |
Машины и оборудование для ветеринарно-санитарной обработки животных и помещений
Санитарное состояние ферм существенным образом влияет на качество получаемой животноводческой продукции и эффективность её получения. На фермах проводят плановую профилактику возможных заболеваний животных и птицы.
Возбудителей заразных заболеваний во внешней среде уничтожают преимущественно химическим путем. Применяют так же физические и биологические способы обеззараживания. К физическим способам обеззараживания относится термическая обработка помещений, оборудования и территорий открытым пламенем. Наиболее распространенные виды ветеринарно-санитарных работ: дезинфекция, дизинвазия, дезинсекция и дезарикаризация; дератизация; дезактивация; терапия и вакцинация животных; утилизация боенских отходов, очистка поверхностей обработки от различных загрязнений.
Установки для гидроочистки производственных помещений должны быть высокопроизводительными, мобильными, удобными при обслуживании и при производстве работ, с минимальными затратами ручного труда и минимальными расходом воды. Установки для влажной дезинфекции должны обеспечивать равномерное и сплошное покрытие обрабатываемой поверхности растворами дезинфицирующих веществ.
При опрыскивании животных необходимо иметь оборудование, обеспечивающее как индивидуальную обработку, так и групповую. Опрыскивающие устройства должны обеспечивать полное пропитывание волосенного покрова животных и сплошную зону тонкого распыления жидкости. Необходимо соблюдать время воздействия препарата на животное при распылении или купании в нем. При использовании аэрозольного оборудования необходимо стремится к равномерному распределению аэрозоля по помещению и желательно без большого повышения влажности. Дисперсность аэрозоля должна быть в пределах 5…15 мкм.
При выполнении ветеринарно-санитарных работ используют сложные мобильные дезинфекционные и ветеринарные (установки) ВДМ-3, АДА-Ф-1 и др.
Перед началом проверяют комплектность установки состояние наружных поверхностей и приборов автоматики, наличие смазки в насосе, нагнетатели и раздаточной коробке. Осматривают питательный насос, трубопроводные и шланговые соединения, убеждаются в отсутствии тяги. Проверяют состояние и работу предохранительных клапанов, регуляторов.
Контроль качества дезинфекционной работы проводят через 2-3часа после проведения профилактической дезинфекции или по истечении определенной экспозиции при текущей дезинфекции. Для этого берут пробы с различных участков по соответствующим методикам. Взятые пробы исследуют в лаборатории. Дезинфекция признается удовлетворительной, если нет роста тест-микробов в исследуемых пробах.
Одновременно при контроле качества проведенной дезинфекции делают оценку качества механической очистки помещений, правильности выбора дезинфицирующего средства для данной инфекции и режимов её применения.
По характеру выполняемых работ технические средства делят на следующие группы: специализированные дезинфекционные машины или установки; агрегаты; аппараты для дезинфекции аэрозолями; аппараты для орошения кожного покрова животных; дезинфекционные камеры; ванны и др.
Наиболее распространены портативные дезинфекционные аппараты, такие, как ручной вентиляторный опыливатель РВД - 1 для дезинфекции и дератизации небольших животноводческих объектов, ранцевый опрыскиватель ОРР-1 для дезинфекции небольших животноводческих помещений и скотных дворов, ранцевый моторный опрыскиватель и др.
К мобильным дезагрегатам относятся дезинфекционные установки ЛСД-3М-1; ЛСД-ЭПМ; и др.
Применяют также генератор ГА - 2 для аэрозольной дезинфекции животноводческих объектов термомеханическим способом, струйные аэрозольные генераторы САГ-1 для вакцинации сельскохозяйственных животных и САГ-10 для распыления для вакцинальных препаратов на птицефабриках яичного направления и др.
Наиболее трудоемкой работой считают профилактическую противочесоточную обработку овец.
Обработку ведут раствором креолина с добавлением гексахлорана, или окунанием овец в раствор до полного насыщения шерсти инсектицидами, или поверхностным опрыскиваем шерстного покрова дезраствором. Для купания применяют погруженные ванны различных конструкций, а для опрыскивания - душевые установки.
В овцеводческих хозяйствах применяют установки для купания овец ОКВ производительностью 375 гол/ч, МКУ-1 производительность 500…700 гол/ч и КПУ-1 производительностью до 700 гол/ч.

1-ворота; 2-загон для не купаных овец; 3 - впускные ворота рабочего загона; 4-рабочий загон; 5-толкающая тележка; 6 - отстойники; 7-насосовая станция; 8-водопровод; 9-смеситель; 10-котел-парообразователь КВ-300Л; 11-оборудование ПНГ-2 для сжигания жидкого топлива; 12-топливный бак; 13-площадка для технологического оборудования; 14-электросиловой щит; 15-тент над рабочем местом оператора ванны; 16-окунатель; 17-ванна; 18-двухстворчатые двери ванны; 19-выпускные ворота; 20-отстойная площадка.
Через ворота 1 овцы заполняют загон 2, из которого через ворота 3 они поступают в рабочий загон 4. Из рабочего загона оператор с помощью тележки 5 подает (толкает) по 25…30 овец в ванную 17. Как только овцы заполняют ванну, оператор с помощью платформы окунателя 16 погружает с головой овец на 1-2 секунды в дезраствор (эмульсию). Затем платформу поднимают и выдерживают овец в течении 50…60 секунд. Далее овец перегоняют через дверки ванны 18 на отстойные площадки 20, где их выдерживают до 5 минут, а затем через ворота 19 перемещают в загон для купаных овец. В конце рабочей смены установку очищают.