| Похожие рефераты | Скачать .docx |
Дипломная работа: Пути решения экономии энергоресурсов на предприятии (на примере УП "Минскоблгаз")
Министерство образования Республики Беларусь
Учреждение образования
Белорусский государственный университет информатики и радиоэлектроники
Факультет инженерно-экономический
Кафедра менеджмента
Пояснительная записка
к дипломному проекту
на тему
ПУТИ РЕШЕНИЯ ЭКОНОМИИ ЭНЕРГОРЕСУРСОВ НА ПРЕДПРИЯТИИ (НА ПРИМЕРЕ УП «Карлиновгаз»)
2010
РЕФЕРАТ
Объем пояснительной записки 107 стр., рис. 23, табл. 54, источников 44, приложений 3.
Тема: Пути решения экономии энергоресурсов на предприятии (на примере УП «Карлиновгаз»)
Ключевые слова: энергоресурсы, потребление, обобщённые экономические затраты, энергоэффективность, энергосбережение, анализ, экономическая эффективность.
Объект исследования: Унитарное предприятие «Карлиновгаз».
Цель работы: разработка мероприятий, направленных на совершенствование системы энергосбережения на исследуемом объекте, доказав их целесообразность и эффективность.
В процессе изучения объекта исследования проведен анализ себестоимости продукции, выручки, прибыли, рентабельности, платёжеспособности, питания предприятия энергетическими ресурсами и их потребления.
На основе полученных в результате анализа данных в проектной части были предложены технико-экономические мероприятия по совершенствованию энергосберегающей деятельности:
- реконструкции парового котлоагрегата;
- совершенствованию технологии строительства газопроводов;
- внедрение системы GPS-мониторинга автотранспорта.
Перевод парового котлоагрегата ДКВР-4/13 в водогрейный режим работы позволит сократить потребление электрической энергии в год на 20,02 т.у.т., тепловой энергии – на 58,6 т.у.т.
Совершенствование технологии строительства газопровода приведёт к экономии 40,7 т.у.т. электрической энергии.
Внедрение Системы GPS Мониторинга Безопасности и Управления подвижными объектами Teletrack позволит обеспечить централизованный контроль и управление подвижными объектами предприятия, что сэкономит 439 т.у.т. сжиженного газа.
Суммарный годовой экономический эффект от предлагаемых мероприятий составляет 243 млн. р.
Результаты исследования будут способствовать переходу УП «Карлиновгаз» на качественно новый уровень его энергосберегающей деятельности.
Содержание
Введение
1. Теоретические аспекты энергосбережения
1.1 Понятие, состав и классификация энергетических ресурсов
1.2 Показатели использования энергетических ресурсов на предприятии
2. УП «Карлиновгаз»: его характеристика и анализ работы
2.1 Краткая характеристика предприятия
2.2 Анализ организационно-управленческой структуры предприятия
2.3 Анализ производственно-хозяйственной деятельности
2.3.1 Анализ объёма реализации и выручки от реализации продукции
2.3.2 Анализ себестоимости реализации продукции
2.3.3 Анализ прибыли и рентабельности реализованной продукции
2.3.4 Анализ финансовых показателей деятельности предприятия
2.3.5 Анализ питания предприятия энергетическими ресурсами и их потребления
3. Мероприятия по совершенствованию энергосберегающей деятельности УП «Карлиновгаз»
3.1 Разработка проекта по реконструкции котлоагрегата
3.2 Совершенствование технологии строительства газопроводов
3.3 Внедрение системы GPS-мониторинга автотранспорта
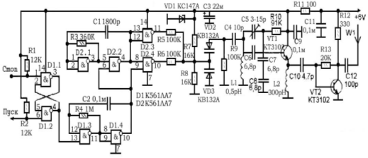
3.4 Разработка сборочного чертежа печатной платы бортового контроллера
4. Ресурсо и энергосбережение: управление природопользованием в Республике Беларусь в системе мер по охране окружающей среды
Заключение
Список использованных источников
Приложение А (обязательное) Организационно-управленческая структура предприятия
Приложение Б (справочное) Тарифы на энергию
Приложение В (обязательное) Расчёт поправки по фактору «температура наружного воздуха в отопительном периоде» (к пункту 2.3.5)
Перечень условных обозначений
ТЭР – топливно-энергетический ресурс;
ВЭР – вторичный энергетический ресурс;
УП – унитарное предприятие;
ПГ – природный газ;
СГ – сжиженный газ;
ОТТМ – отдел техники, транспорта и механизации;
РПУ – ремонтно-производственный участок;
ЭЭУП – энергоэкономичный уровень производства;
GPS – глобальная поисковая система;
ПЭ – полиэтинен;
СКЗ – станция катодной защиты.
ВВЕДЕНИЕ
На современном этапе развития экономики проблема энергоресурсов является основной. Мировой энергетический кризис, разразившийся в семидесятые годы 20 века, заставил многие страны пересмотреть свое отношение к потреблению топливно-энергетических ресурсов и принять необходимые меры к снижению энергоемкости национальных экономик и увеличению обеспеченности топливно-энергетическими ресурсами за счет своих внутренних резервов и возобновляемых источников энергии.
Остро ощутима энергетическая проблема и в Беларуси, обеспеченной собственными топливно-энергетическими ресурсами только на 20 %. Остальное количество приходится на дорогостоящие импортные. По удельным расходам топлива и электроэнергии отечественная промышленность пока весьма далека от европейских стандартов. Энергоемкость нашей продукции в 3-5 раз выше, чем в развитых странах.
Возрастающая стоимость энергетических ресурсов приводит к необходимости поиска путей повышения эффективности их использования. Быстрый рост тарифов на электроэнергию, газ, тепло, воду в последние годы особенно заметен и можно, с большой вероятностью, предположить, что тенденция сохранится. Рост тарифов обусловлен в основном увеличением стоимости энергоносителей, износом генерирующих источников и транспортных коммуникаций энергоносителей. Стабильность тарифов на энергоносители можно ожидать при балансе цен на них на внутреннем и внешнем рынке или при условии изменения политики Правительства Республики Беларусь, влияющей и регулирующей цены на внутреннем рынке.
Поэтому осознание необходимости эффективной экономии энергоресурсов - обязательный фактор для региона, административного образования, предприятия.
Вместе с тем, энергосберегающий путь развития отечественной экономики возможен только при формировании и последующей реализации программ энергосбережения на отдельных предприятиях. Откладывание реализации энергосберегающих мероприятий наносит значительный экономический ущерб предприятиям и негативно отражается на общей экологической и социально-экономической ситуации. Помимо этого, дальнейший рост издержек в промышленности и других отраслях народного хозяйства сопровождается растущим дефицитом финансовых ресурсов, что задерживает обновление производственной базы предприятий в соответствии с достижениями научно-технического прогресса.
Можно сделать вывод о том, что рациональное использование энергетических ресурсов на предприятии является важной составляющей снижения производственных издержек, и, следовательно, получения дополнительной прибыли, завоевания большей доли рынка и решения социальных проблем на основе:
- реализации процесса подготовки производства в соответствии с оптимальными режимами ввода основных средств в эксплуатацию;
- использования наиболее рентабельных производственных технологий;
- разработки, освоения и внедрения новой техники и технологий, в которых энергетические ресурсы используются более эффективно;
- улучшения социально-бытовой сферы для персонала предприятия и социального климата населения, проживающего на территории, закрепленной за соответствующим предприятием.
Вследствие этого, энергосбережение рассматривается не как бесцельная экономия энергетических ресурсов, проводимая зачастую за счет сокращения объема производства, а как фактор экономического роста, улучшения благосостояния населения, обеспечения соответствующей экологической и социально-бытовой обстановки. Таким образом, энергосбережение должно быть одним из приоритетных направлений экономической политики промышленного предприятия.
Вопросы по организации системы рационального потребления топливно-энергетических ресурсов и энергосбережения возникают и у предприятий газового хозяйства, в число которых входит объект исследования.
В качестве объекта исследования выбрано УП «Карлиновгаз» - предприятие, входящее в состав государственного концерна «Белтопгаз» и занимающее доминирующее положение на рынке реализации природного и сжиженного газа, эксплуатации и строительства уличных и внутридомовых систем газоснабжения области.
В настоящее время в газовом хозяйстве происходят стремительные и важные перемены. Повышение закупочных цен на газ, регулярные ограничения поставок газа, необходимость полностью оплачивать текущее потребление газа и ускоренными темпами погашать старые долги, предстоящее объединение с Россией и приход крупного российского капитала требует пересмотра принципов и ориентиров деятельности предприятий газового хозяйства. Необходимость поиска возможных способов решения энергосберегающих вопросов в УП «Карлиновгаз» очевидна.
Цель дипломного проекта состоит в разработке мероприятий, направленных на совершенствование энергосберегающей деятельности на исследуемом объекте, доказав их целесообразность и эффективность.
Для достижения поставленной цели необходимо решить следующие задачи:
- рассмотреть понятие, состав и классификацию энергетических ресурсов;
- изучить показатели использования топливно-энергетических ресурсов на предприятии;
- изучить характеристику предприятия, его основные виды деятельности, поставщиков и потребителей продукции;
- проанализировать организационно-управленческую структуру предприятия в целом, организационно-управленческую структуру отдела, занимающегося эгергетическими вопросами на предприятии;
- проанализировать производственно-хозяйственную деятельность предприятия;
- исследовать финансовую деятельность предприятия;
- рассмотреть энергоресурсы, потребляемые предприятием, и определить эффективность их использования;
- разработать и обосновать целесообразность организационно-управленческих и технико-экономических мероприятий по их экономии;
- исследовать радиоэлектронные средства, примененные в предлагаемых энергосберегающих технологиях;
- рассмотреть механизм управления природопользованием в Республике Беларусь в системе мер по охране окружающей среды
Для реализации цели и задач данного дипломного проекта используются экономико-статистический метод обработки информации, факторный анализ показателей, сравнительный анализ, анализ нормативных документов и др.
Теоретической и методической основой выполнения работы служат Постановления Правительства Республики Беларусь по экономическим и энергетическим вопросам, законодательные акты Республики Беларусь, справочники, работы отечественных и зарубежных ученых по изучаемым проблемам, публикации специалистов, а также годовые бизнес-планы развития и отчеты предприятия за период с 2006 по 2008 год, топливно-энергетические балансы.
1 ТЕОРЕТИЧЕСКИЕ АСПЕКТЫ ЭНЕРГОСБЕРЕЖЕНИЯ
1.1 Понятие, состав и классификация энергетических ресурсов
Все материальные ресурсы, используемые в народнохозяйственном комплексе в качестве предметов труда, условно подразделяются на сырьевые и топливно-энергетические.
Топливо и электроэнергия являются материальными ресурсами особого рода. По характеру участия в производственном процессе топливо относится к вспомогательному сырью, но в силу существенной значимости в экономике оно выделяется в самостоятельную группу, которая содействует процессу производства готовой продукции в форме тепловой энергии, используется в качестве технологического сырья.
Выделению электроэнергии в самостоятельный элемент способствовали случаи технологического использования и непосредственного воздействия его на предметы труда в качестве орудий труда (электросварка, электроискровая обработка, лучи лазера).
Энергетическим ресурсом называют любой источник энергии, естественный или искусственно активированный. Энергетические ресурсы — носители энергии, которые используются в настоящее время или могут быть полезно использованы в перспективе [1].
При изучении природных ресурсов, в том числе и энергетических, важное значение имеет их научная классификация, т.е. разделение совокупности предметов, объектов и явлений природной среды на группы по функционально значимым признакам.
В экономике природопользования различают валовой, технический и экономический энергетические ресурсы.
Валовой (теоретический) энергетический ресурс представляет суммарную энергию, заключенную в данном виде энергоресурса.
Технический энергетический ресурс — это энергия, которая может быть получена из данного вида энергоресурса при существующем развитии науки и техники. Он составляет от доли процента до десятка процентов от валового, но постоянно увеличивается по мере усовершенствования энергетического оборудования и освоения новых технологий.
Экономический энергетический ресурс — энергия, получение которой из данного вида ресурса экономически выгодно при существующем соотношении цен на оборудование, материалы и рабочую силу. Он составляет некоторую долю от технического и тоже увеличивается по мере развития энергетики [2].
Различают потенциальные и реальные топливно-энергетические ресурсы.
Потенциальные ТЭР - это объем запасов всех видов топлива и энергии, которыми располагает тот или иной экономический район, страна в целом.
Реальные ТЭР в широком смысле - это совокупность всех видов энергии, используемых в экономике страны.
Практически все источники энергии, применяемые в настоящее время, — это источники солнечного происхождения и являются результатом воздействия на планету Земля энергии Солнца.
Органическое топливо (уголь, нефть, газ) — это аккумулированная солнечная энергия, накопленная за счет энергии солнца в течение миллионов лет, потребляется же она человечеством в считанные годы.
Преобразованной солнечной энергией является энергия других источников, например ветра, рек, морских приливов и отливов, волн.
Энергоресурсы подразделяются на первичные (природные) и вторичные (преобразованные). Первичные — это ресурсы, имеющиеся в природе в начальной форме. Энергия, получаемая при использовании таких ресурсов, называется первичной [3].
По способам использования первичные энергетические ресурсы подразделяют на топливные и нетопливные; по признаку сохранения запасов — на возобновляемые и невозобновляемые; ископаемые (в земной коре) и неископаемые. В современном природопользовании энергетические ресурсы классифицируют на три группы - участвующие в постоянном обороте и потоке энергии (солнечная, космическая энергия и пр.), депонированные энергетические ресурсы (нефть, газ и пр.) и искусственно активированные источники энергии (атомная и термоядерная энергии).
При изменении исходной формы первичных энергоресурсов в результате превращения или обработки образуются преобразованные энергоресурсы: бензин и другие виды нефтепродуктов, электричество, искусственный газ, водород, пар, горячую воду, тепло.
В современных условиях более 90 % электро- и теплоэнергии получают, расходуя невозобновляемые энергоресурсы: природный газ, нефть, различные виды угля, торф, горючие сланцы, ядерное топливо.
Энергетические ресурсы принято характеризовать числом лет, в течение которых данного ресурса хватит для производства энергии на современном качественном уровне. Из доклада комиссии Мирового энергетического совета (1994 г.) при современном уровне потребления запасов угля хватит на 250 лет, газа — на 60 лет, нефти — на 40 лет [2].
Уголь – один из наиболее распространенных в природе энергоносителей. Доля угля в мировом топливно-энергетическом балансе составляет около 24 %. Потенциальные запасы угля во много раз превышают потенциальные запасы нефти и газа.
Нефть непосредственно используется мало. В основном применяют остаточный продукт – мазут. Его сжигают в топках энергетических котлов газомазутных энергоблоков в периоды недостатка газа. Сжигать мазут постоянно в настоящее время нерентабельно из-за большой его стоимости по сравнению с газом и твёрдым топливами.
Газ – наиболее чистый вид топлива. Газообразное топливо существует в нескольких формах: природный газ, попутный газ, из недр земли при добыче нефти; доменный и коксовый газы, получаемые при металлургическом производстве. Главное преимущество природного газа состоит в его высокой калорийности, экологичности, удобстве применения (возможностями более точного регулирования генерируемого теплового потока по сравнению с другими видами топлива).
Дополнительное преимущество – возможность применения трубопроводной системы, по которой газ перекачивается с помощью газовых компрессоров, устанавливаемых на газоперекачивающих станциях. В Беларуси создана единая система газоснабжения страны. Это обеспечивает экономичность транспортировки газа, что ведёт к сокращению затрат предприятий по приобретению топлива.
Преобразование топлива в конечные виды энергии связано с вредными выбросами твёрдых частиц, газообразных соединений, а также большого количества тепла, негативно воздействующего на окружающую среду.
Возобновляемые энергоресурсы являются экологически чистыми. Они не нуждаются в транспортировке к месту потребления, но обладают низким энергетическим потенциалом, в связи с чем преобразование энергии большинства возобновляемых источников требует больших капиталовложений [4].
Любой технологический процесс требует определенного расхода топлива, электрической и тепловой энергии; в результате химических реакций, механических воздействий горючие газы, теплоносители, газы и жидкости с избыточным давлением выделяют тепло. Эти энергетические ресурсы, как правило, используются не в полном объеме или не используются вовсе. Неиспользуемые в данном технологическом процессе или установке энергетические отходы получили название вторичных энергетических ресурсов.
Вторичными энергетическими ресурсами являются энергетический потенциал продукции, отходов, побочных и промежуточных продуктов, образующихся в технологических установках, которые не могут быть использованы в самой установке, но могут частично или полностью использоваться для энергоснабжения других потребителей. Термин «энергетический потенциал» означает наличие определенного запаса энергии в виде химически связанного тепла, физического тепла, потенциальной энергии избыточного давления и напора, кинетической энергии и др.
Выход вторичных энергетических ресурсов — это количество вторичных энергоресурсов, которые образовались в данной установке за определенную единицу времени и годны к использованию в данный период времени.
Выработкой за счет вторичных энергетических ресурсов называется количество тепла, холода, электроэнергии, полученное за счет ВЭР в утилизационной установке. Выработки за счет ВЭР подразделяются на: возможную выработку, т.е. максимальное количество энергии, которое можно получить при работе установки; экономически целесообразную выработку, т.е. выработку с учетом ряда экономических факторов (себестоимость, затраты труда и т.д.); планируемую выработку — количество энергии, которую предполагается получить в определенный период при вводе вновь или модернизации имеющихся утилизационных установок; фактическую выработку - энергию, реально полученную за отчетный период.
Использование вторичных энергетических ресурсов — это использованное количество ВЭР данного агрегата в других установках и системах. Использование вторичных энергоресурсов потребителем может осуществляться непосредственно без изменения вида энергоносителя или за счет преобразования его в другие виды энергии, или выработки тепла, холода, механической работы в утилизационных установках.
Тепловые ВЭР — это физическое тепло отходящих газов, основной и побочной продукции, тепло золы и шлаков, горячей воды и пара, отработавших в технологических установках, тепло рабочих тел систем охлаждения технологических установок.
Горючие ВЭР — горючие газы и отходы, которые могут быть применены непосредственно в виде топлива в других установках и непригодные в дальнейшем в данной технологии: отходы деревообрабатывающих производств (щепа, опилки, обрезки, стружки), горючие элементы конструкций зданий и сооружений, демонтированных из-за непригодности для дальнейшего использования по назначению, щелок целлюлозно-бумажного производства и другие твердые и жидкие топливные отходы.
К вторичным энергетическим ресурсам избыточного давления относится потенциальная энергия газов, воды, пара, покидающих установку с повышенным давлением, которая может быть еще использована перед выбросом в атмосферу, водоемы, емкости или другие приемники.
Основными направлениями использования вторичных энергетических ресурсов являются: топливное — когда они используются непосредственно в качестве топлива; тепловое — когда они используются непосредственно в качестве тепла или для выработки тепла в утилизационных установках; силовое — когда они используются в виде электрической или механической энергии, полученной в утилизационных установках; комбинированное — когда они используются как электрическая (механическая) энергия и тепло, полученные одновременно в утилизационных установках за счет ВЭР.
Значительное количество горючих ВЭР используется непосредственно в виде топлива, такое же непосредственное применение нашли и тепловые ВЭР, например, горячая вода системы охлаждения для отопления и др. [4].
При правильном использовании вторичных тепловых энергетических ресурсов, образовавшихся в виде тепла отходящих газов технологических агрегатов, тепла основной и побочной продукции, достигается значительная экономия топлива. Проведенными расчетами установлено, что стоимость теплоэнергии, полученной в утилизационных установках, ниже затрат на выработку такого же количества теплоэнергии в основных энергоустановках.
Выявление выхода и учета возможного использования вторичных энергоресурсов — одна из задач, которую необходимо решать на всех предприятиях и особенно предприятиях с большим расходом топлива, тепловой и электрической энергии.
Использование вторичных энергетических ресурсов не ограничивается лишь энергетическим эффектом — это и охрана окружающей среды, в том числе воздушного бассейна, уменьшение количества выбросов вредных веществ. Некоторые из этих выбросов могут давать дополнительную продукцию, например, сернистый ангидрид, выбрасываемый с отходящими газами, можно улавливать и направлять на выпуск серной кислоты.
Считается целесообразным, если при реконструкции или расширении действующих, а также при проектировании новых предприятий будет предусматриваться разработка мероприятий по использованию ВЭР с обоснованием их экономической эффективности. Отказ потребителей от использования вторичных энергетических ресурсов как на действующих, так и проектируемых предприятиях может быть обоснован только расчетом, подтверждающим экономическую неэффективность или техническую невозможность использования ВЭР [5].
1.2 Показатели использования энергетических ресурсов на предприятии
Топливно-энергетические ресурсы как экономическая категория имеют качественную определенность (понятие, состав) и количественную характеристику (показатели).
Для оценки уровня и эффективности использования топливно-энергетических ресурсов применяются многочисленные показатели. В экономической литературе существуют различные их группировки, и каждая из них имеет свое обоснование [2].
Наиболее приемлемой для восприятия всего многообразия индикаторов является система показателей использования топливно-энергетических ресурсов, которая включает группы обобщающих и единичных (частных, локальных) показателей.
К обобщающим показателям относятся энергоемкость производства и продукции, энергоотдачи, показатели абсолютного и относительного изменения объема топливно-энергетических затрат, показатели интенсификации использования топливно-энергетических ресурсов, показатели структуры потребления топливно-энергетических и другие.
Прямые обобщенные энергозатраты, Аоэз, т.у.т. определяются по формуле
(1)
где В – количество потребленного топлива, поступившего на
предприятие со стороны, т.у.т.,
Э – количество электроэнергии, полученной предприятием
со стороны, МВт*ч;
Q – количество тепловой энергии, полученной предприятием
со стороны, Гкал.
Кэ, Кq – топливный эквивалент, выражающий количество условного
топлива, необходимого для производства и передачи к месту
потребления единицы электрической и, соответственно,
тепловой энергии, которые ежегодно устанавливаются
Министерством экономики Республики Беларусь [6].
Понятие «условное топливо» принято использовать для соизмерения качества энергоресурсов и определения действительной экономичности их расходования. Его низшую рабочую теплоту сгорания Qрн принимают равной 7000 ккал/кг или 29 308 кДж/кг. Тонна условного топлива (т.у.т.) – это количество топлива, при сжигании которого образуется 7 млн. ккал тепла.
При перерасчете топлива и энергии в тонны условного топлива будем руководствоваться следующими коэффициентами перерасчета (таблица 1).
Таблица 1 - Коэффициенты перерасчёта топлива и энергии в условное топливо
| Топлива и энергии |
Единицы измерения |
Коэффициенты перерасчета в условное топливо |
| Природный газ |
тыс. м3 |
1,170 |
| Сжиженный газ |
т |
1,570 |
| Электроэнергия |
тыс. кВт |
0,280 |
| Теплоэнергия |
Гкал |
0,175 |
Энерговооруженность труда, Ам, т.у.т./шт. (т, кг и т.д.) – отношение прямых обобщенных энергозатрат Аоэз за анализируемый период к среднесписочной численности промышленно-производственного персонала Чппп:
(2)
Электровооруженность труда, Эт, тыс. кВт
ч/чел - отношение всей потребленной на предприятии электроэнергии Ээн к среднесписочной численности ППП Чппп за анализируемый период:
(3)
Электровооруженность труда по мощности, Этм, тыс. кВт
ч/чел. – это отношение установленной мощности всех токоприемников на предприятии Эм к среднесписочной численности промышленно-производственного персонала Чппп:
(4)
Коэффициент электрификации Ээ, тыс. кВт
ч/т.у.т. – отношение всей потребляемой на предприятии электроэнергии Ээн к прямым обобщенным энергозатратам за планируемый период Аоаэ:
(5)
В группе единичных показателей выделяются: показатели полезного использования топливно-энергетических ресурсов и показатели, характеризующие долю потерь топливно-энергетических ресурсов и степень вовлечения их в производство [6].
Следует различать категории энергоемкости производства и энергоемкости продукции. Энергоемкость производства характеризует уровень и эффективность использования топливно-энергетических ресурсов в целом по производству, независимо от конкретных видов производимой продукции.
Поскольку топливно-энергетические затраты представляют собой многоаспектную, синтетическую категорию, в систему показателей должны быть включены такие параметры, как энергоемкость и топливоемкость производства.
Наиболее распространенными в практике учета и статистики являются энергоемкость валового внутреннего продукта.
Отраслевая энергоемкость рассчитывается по отраслям народного хозяйства как отношение объема топливно-энергетических затрат на производство продукции к объему их валовой или товарной продукции.
Энергоемкость предприятия рассчитывается аналогично отраслевой, но конкретно по каждому субъекту хозяйствования.
Различают следующие показатели энергоемкости продукции:
- общая - характеризует стоимость всех видов энергии либо на изделие, либо на единицу стоимости произведенной продукции, и определяется по формуле
-
(6)
где ЭЗ - энергетические затраты на производство продукции (работ, услуг), млн. р.;
ВП - выпуск продукции (работ, услуг) в отпускных ценах предприятия, млн. р.
Данный показатель позволяет дать обобщенную стоимостную оценку энергоемкости по всей совокупности энергетических затрат;
- абсолютная - определяет величину расхода энергетических затрат или отдельных их видов на единицу конкретной продукции, например расход тепловой энергии на агрегат и др. Данный показатель может быть применен лишь в условиях однотипности производимой продукции. Он используется, прежде всего, для определения потребности в энергетических ресурсах, а также для исследования эффективности их использования;
- удельная - характеризует расход определенного вида энергетических ресурсов на единицу эксплуатационной или технической характеристики изделия, например расход электроэнергии на единицу мощности агрегата, на единицу надежности, долговечности, грузоподъемности и т.д. Показатель характеризует прогрессивность конструкции производимой продукции и может быть применен в условиях многономенклатурного производства;
- относительная - представляет собой долю энергетических затрат и их отдельных элементов в структуре затрат на производство и реализацию продукции.
Показатели энергоотдачи производства и продукции являются обратными энергоемкости и рассчитываются как отношение объема произведенной продукции к величине всех энергетических затрат.
На уровне народного хозяйства, отрасли и предприятия к числу обобщающих относятся показатели объемов и структуры потребления энергетических ресурсов [2].
К группе частных, локальных или единичных показателей следует отнести показатели полезного использования энергетических ресурсов. Они многочисленны и различаются в зависимости от отраслевой специфики.
Показатели полезного расхода и уровня потерь могут быть различными при одинаковой энергоемкости продукции. К данной группе показателей относятся различные коэффициенты извлечения полезного компонента из исходного сырья, коэффициенты выхода продукции или полуфабрикатов из исходного сырья.
Поскольку в объем энергоемкости затрат помимо полезного расхода включаются и потери, то необходимы показатели, характеризующие уровень образования потерь, а также степень их использования в производстве. Это прежде всего коэффициент потерь Ко:
, (7)
где Рп - величина потерь;
Р - общий расход энергетических ресурсов;
Рнорм - нормативный расход энергетических ресурсов;
Ппи - показатель полезного использования энергетических ресурсов [6].
Рассмотренные показатели отличаются простотой расчета, доступностью, а также предоставляют возможность анализа процесса энергопотребления на предприятии в различных аспектах (абсолютного расхода, рациональности использования и экономии энергетических ресурсов). Приведенная выше система показателей позволяет оценить уровень эффективности использования энергетических ресурсов по отдельным отраслям, предприятиям и производственным подразделениям в целом и по отдельным их составляющим, а также учесть отраслевую специфику.
2 УП «КАРЛИНОВГАЗ»: ЕГО ХАРАКТЕРИСТИКА И АНАЛИЗ РАБОТЫ
2.1 Краткая характеристика предприятия
Производственное республиканское унитарное предприятие «Карлиновгаз» - специализированное коммерческое предприятие по обеспечению надежного, безаварийного и бесперебойного снабжения газом всех потребителей.
История предприятия УП «Карлиновгаз» началась в 1960 г., когда с целью организации работ по газификации города, ускорения хода строительства и подготовки квалифицированных кадров Исполком городского Совета депутатов трудящихся своим решением от 9 мая 1957 года № 489 создал Монтажно-эксплуатационную контору сжиженного газа. На базе данной конторы приказом начальника Главного управления по газификации при Совете Министров БССР от 27 февраля 1960 года № 13 был создан межобластной трест сжиженного газа, реорганизованный приказом начальника Главного управления по газификации при Совете Министров БССР от 27 декабря 1965 года № 188 в областной трест по газификации. Создание монтажно-эксплуатационной конторы сжиженного газа положило начало газификации города и Белорусской ССР.
УП «Карлиновгаз» является юридическим лицом с момента его государственной регистрации решением городского комитета от 8 августа 2000 г №888 в Едином государственном регистре юридических лиц и индивидуальных предпринимателей за №100008077.
Учредителем и республиканским органом государственного управления УП «Карлиновгаз» является Министерство энергетики Республики Беларусь. Предприятие входит в состав Государственного производственного объединения по топливу и газификации «Белтопгаз». Оно осуществляет свою деятельность в соответствии с действующим в Республике Беларусь законодательством, решениями Министерства энергетики Республики Беларусь, ГПО «Белтопгаз» и уставом предприятия.
Сегодня УП «Карлиновгаз» представляет собой производственное республиканское унитарное предприятие с 18 филиалами в районах области и работает в следующих основных направлениях:
- реализация природного газа конечным потребителям при помощи газопроводов;
- реализация сжиженного газа: в баллонах для всех категорий потребителей и емкостного газа для населения на специальном транспорте, реализация через АГЗС для нужд транспорта;
- строительство и эксплуатация систем газоснабжения;
- транспортные услуги;
- прочие работы и услуги.
Основным поставщиком природного газа УП «Карлиновгаз» является РАО «Газпром» (через совместное предприятие с «Белтрансгазом»). Кроме того, природный газ поставляют некоторые крупные компании, например, «Итера».
Поведение поставщиков определяется следующими основными факторами:
- топливно-энергетическая стратегия России предполагает сохранение объемов природного газа для реализации странам СНГ и увеличение объемов добычи для реализации в Европу;
- до выравнивания цен с мировыми рынок Беларуси менее привлекателен, чем Европа;
- усиление контроля за транзитом российского газа по территории Беларуси;
- желание осуществлять прямые поставки крупным потребителям.
Под влиянием этих факторов еще долгие годы предприятие будет работать в условиях жестких требований по возврату долгов, периодических ограничений поставок природного газа (особенно в отопительный период), роста цен до уровня мировых, нестабильности договорных отношений по поставкам природного газа самым крупным потребителям предприятия, способных заключить прямые контракты с поставщиками.
В отличие от природного газа, поставки сжиженного газа осуществляет целый ряд компаний. Сжиженный газ поставляется предприятию через концерн «Белтопгаз». В ближайшие годы данная схема взаимодействия с поставщиками сжиженного газа останется. При этом предложение сжиженного газа для Беларуси напрямую увязано с колебаниями спроса на сжиженный газ в Европе.
Потребителями УП «Карлиновгаз» являются население и организации, использующие газ для отопления, пищеприготовления, промышленных целей, в качестве газомоторного топлива.
Охват населения области услугами газоснабжения составляет более 95 %. При этом населению предприятие оказывает услуги по ремонту газового оборудования, выполняет ремонтно-строительные работы и строительно-монтажные работы на системах газоснабжения. Основными характеристиками населения являются низкая платежеспособность, малые объемы потребления каждым клиентом, наличие установленных государством льгот, устанавливаемые государством тарифы на газ. Плюсом данной категории потребителей является стабильность потребления, оплата услуг в денежной форме, невозможность изыскать финансовые средства для перехода в любой момент на использование других видов топлива и энергии. В ближайшие годы данная категория потребителей наиболее желательна для предприятия, так как наряду со стабильностью имеет и потенциал потребления других услуг.
Юридические лица можно условно подразделить на 2 категории: несколько крупных потребителей и остальные мелкие. Крупные потребители дают основную долю доходов при намного меньших эксплуатационных затратах. Но в то же время отношения с данными потребителями наиболее сильно подвержены влиянию сильных конкурентов. Мелкие потребители менее интересны для конкурентов, поэтому это наиболее вероятная часть юридических лиц-потребителей изучаемого предприятия в будущем.
Третья категория потребителей, активно формирующаяся в настоящее время, частные и корпоративные автовладельцы. В условиях бурного развития рынка газомоторного топлива очень динамичная и привлекательная группа потребителей, на которую предприятие будет обращать пристальное внимание в процессе своего развития.
В условиях роста цен на энергоносители все вышеперечисленные категории потребителей объединяет желание экономить топливо и энергию. И чем быстрее рост цен, тем больше данные потребности клиентов. Это открывает для предприятия возможности предоставления дополнительных услуг.
Рынок реализации природного и сжиженного газа и строительства систем газоснабжения привлекателен в связи со своей стабильностью, наличием перспективы развития на долгие годы и большими финансовыми оборотами. Все это позволяет конкурентам рассчитывать на хорошую прибыль. В связи с этим в последние годы предприятие, хоть и занимает доминирующее положение на рынке, ощущает серьёзную нарастающую конкуренцию за счёт активизации частных компаний.
На первый план в организации деятельности УП «Карлиновгаз» выходят способность полностью и своевременно рассчитываться за полученный газ, оперативно и эффективно управлять подачей газа потребителям в условиях ограничений, обеспечивать качественную эксплуатацию систем газоснабжения в условиях снижения расходов, оперативно получать и обрабатывать необходимую информацию, использовать капитал предприятия с максимальной эффективностью. Для этого предприятие стремится качественно улучшить все сферы своей деятельности.
2.2 Анализ организационно-управленческой структуры предприятия
УП «Карлиновгаз» располагает подготовленными специалистами по управлению производством и рабочей силой с высоким профессиональным уровнем и большим опытом работы. Среднесписочная численность работающих по состоянию на 1 января 2009 года составляла 2944 человека, в том числе 124 человека, или 4,2 %, – Аппарат управления предприятия. Структура кадров предприятия, характеризующая соотношение различных категорий работников, приведена на рисунке 1.

Рисунок 1 – Диаграмма распределения качественного состава работающих на 1.01.2009 г.
На предприятии наибольшую долю занимают работники в возрасте от 41 до 50 лет. В последние годы наблюдается тенденция увеличения доли работников в возрасте 31-40 лет. В дальнейшем это может сказаться положительно на эффективности работы предприятия, так как 31-49 летние работники – это люди с высокой степенью квалификации, с продолжительным стажем и опытом работы.
Структура кадров предприятия в возрастном разрезе изображена на рисунке 2.

Рисунок 2 – Структура возрастного состава работников предприятия
Достижение предприятием поставленных целей, реализация его стратегии, успешное взаимодействие с внешней средой, эффективное использование внутренних факторов зависят не только от правильности построения структуры управления организации, но и от соответствия данной структуры требованиям современного рынка. Сложившаяся в настоящее время организационная структура управления УП «Карлиновгаз» формировалась на протяжении последних 10 лет и в ней нашли отражение все многочисленные изменения, происходившие в экономике народного хозяйства в этот период.
Сегодня в состав предприятия входят 16 филиалов, расположенных по районам области. Головное предприятие располагается в городе и именуется Аппаратом управления.
Для Аппарата управления УП «Карлиновгаз» характерна линейно-функциональная (штабная) структура управления, которая является результатом синтеза понятий линейной и функциональной структур. При линейно-функциональном управлении у линейных руководителей появляется специальный штаб, состоящий из специальных служб и отделов. Эти службы не обладают правом принятия решения и являются консультативными органами. Предложения функциональных подразделений реализуются через каналы линейных руководителей [7].
Линейно-функциональная структура управления имеет свои достоинства и недостатки.
К основным преимуществам данной структуры можно отнести возможность более глубокой проработки и подготовки управленческих решений и плановых заданий; создание хороших условий для профессионального и служебного роста сотрудников; высвобождение линейных руководителей от детального анализа проблем.
Недостатки данной структуры сводятся к усилению тенденции к выполнению только своих функций и чрезмерной централизации. Также возникает необходимость координации работы функциональных служб.
Унитарное предприятие «Карлиновгаз» имеет достаточно разветвленную организационную структуру управления (приложение А).
Генеральный директор осуществляет общее руководство предприятием; несет полную ответственность за его деятельность; организует работу и эффективное взаимодействие труктурных подразделений; обеспечивает выполнение предприятием заданий, согласно установленным количественным и качественным показателям, всех обязательств перед государственным бюджетом, поставщиками, заказчиками и банками; организует производственно-хозяйственную деятельность предприятия; обеспечивает разработку, заключение и выполнение коллективного договора; проводит работу по укреплению трудовой и производственной дисциплины; решает все вопросы в пределах предоставляемых ему прав и поручает выполнение отдельных производственно-хозяйственных функций другим должностным лицам.
На предприятии генеральному директору непосредственно подчинены: все заместители, главный инженер, главный бухгалтер, а также отдел правовой и кадровой защиты, контрольно-ревизионная группа, группа управления качеством.
Заместитель генерального директора по экономике организовывает финансово-экономическую деятельность предприятия, направленную на повышение производительности труда, эффективности и рентабельности производства, качества выпускаемой продукции, снижение ее себестоимости, достижение наибольших результатов при наименьших затратах материальных, трудовых и финансовых ресурсов; контролирует соблюдение режима экономии материальных, трудовых и финансовых ресурсов на всех участках хозяйственной деятельности; организовывает проведение систематического комплексного анализа и оценки результатов производственно-хозяйственной деятельности предприятия и его подразделений; контролирует правильное формирование отпускных цен на продукцию предприятия и услуг, оказываемые непромышленной сферой.
Заместитель генерального директора по капитальному строительству и материально-техническому занимается вопросами материально-технического обеспечения по всем видам ресурсов, проводит анализ рынка, проводит контроль отгружаемой продукции, способствует развитию и совершенствованию материально-технической базы предприятия.
Заместитель генерального директора по общим вопросам курирует деятельность присоединённых и не относящихся к основной деятельности предприятий. В его подчинение входят: заведующий хозяйством, машинистка, группа подсобных хозяйств.
Главный бухгалтер организует учет поступающих денежных средств, товарно-материальных ценностей и основных средств, своевременное отражение на счетах бухгалтерского учета операций, связанных с их движением; обеспечивает своевременное составление бухгалтерской отчетности на основе данных первичных документов и бухгалтерских записей, представление ее в установленном порядке в соответствующие органы.
Главный инженер возглавляет отделы, выполняющие технические функции.
Основными функциями главного инженера являются: определение технической политики, перспектив развития предприятия и путей реализации комплексных программ по всем направлениям совершенствования производства, его специализации и кооперирования; обеспечение своевременной и качественной технической подготовки производства; улучшение качества продукции; контроль за рациональным использованием оборудования и ресурсов; контроль за соблюдением правил и норм охраны труда, техники безопасности, производственной санитарии и противопожарной безопасности.
В его подчинение также входит отдел транспорта, техники и механизации, представляющий в себе энергетическую службу предприятия. Организационно-управленческая структура, задачи и цели данного отдела рассмотрим подробно в подразделе 2.3.6.
Основными целями и задачами данного отдела являются: надежное и экономичное снабжение производства всеми необходимыми видами энергии в потребном количестве, ремонтно-эксплуатационное обслуживание, обеспечение правильной и безопасной эксплуатации транспортных средств, монтаж и наладка энергооборудования в производственных цехах, комплексная механизация и автоматизация производственных процессов, улучшение использования энергоустановок, рациональное использование энергоресурсов, снижение затрат на энергоснабжение.
Структура отдела определяется штатным расписанием предприятия. Рассмотрим её более подробно на рисунке 14.

Рисунок 14 – Структура ОТТМ
ОТТМ находится в непосредственном подчинении главного инженера предприятия «Карлиновгаз».
Руководство отделом осуществляется начальником отдела, который назначается и освобождается от должности приказом директора предприятия. Это лицо, имеющее высшее техническое образование и стаж работы на инженерно-технических руководящих должностях не менее пяти лет.
Специалисты отдела принимаются и увольняются нанимателем предприятия «Карлиновгаз» в соответствии с трудовым законодательством по представлению начальника отдела.
В компетенцию начальника испытательной лаборатории входит организация работы по механизации и автоматизации производственных процессов, реконструкции и технического перевооружения филиалов предприятия.
Ведущий инженер организовывает учёт наличия автотранспорта, разрабатывает планы его списания и осуществляет контроль его рационального использования.
Инженер-энергетик организует бесперебойную, экономичную и безопасную работу энергооборудования, вентиляционных установок, тепловых сетей, водоканализационного хозяйства, котельных и топочных предприятий.
Инженер-электрик занимается организацией и контролем за безопасной эксплуатацией технологического, теплоэнергетического, вентиляционного оборудования, грузоподъемных механизмов, своевременным выполнением планово-предупредительных работ, проведением электротехнических измерений.
Инженер-эколог – разработка, внедрение, контроль системы управлением окружающей среды на предприятии, контроль за рациональным использованием.
Структура отдела ОТТМ позволяет ему последовательно реализовывать, развивать и совершенствовать политику руководства предприятия в области качества производимых услуг, промышленной безопасности, охраны труда, организовывать и выполнять установленные правила эксплуатации автотранспорта, технологического оборудования и механизмов, эксплуатации теплоэнергохозяйства. а также осуществлять работу по охране окружающей среды, путём рационального распределения обязанностей между сотрудниками отдела в соответствии с их компетенцией.
Результаты хозяйственной деятельности предприятия подводят на ежемесячной балансовой комиссии. Председательствует на комиссии генеральный директор. В комиссию входят заместители генерального директора, главный инженер, главный бухгалтер и представители-начальники структурных единиц. Комиссия подводит итоги деятельности и принимает решение о материальном стимулировании или взыскании.
2.3 Анализ производственно-хозяйственной деятельност и УП «Карлиновгаз»
Газовое хозяйство должно постоянно добиваться снижения своих расходов за счёт более рационального и экономного использования трудовых, материальных и денежных ресурсов. Всё это достигается в процессе анализа производственно-хозяйственной деятельности, роль которого в снижении затрат и повышении эффективности производства постоянно растёт. Данный анализ позволяет определить возможности более полного использования ресурсов для улучшения обслуживания населения и других газопотребителей, что является главной задачей предприятия.
Оценку экономического состояния и производственно-хозяйственной деятельности проведем на основе анализа основных технико-экономических показателей работы предприятия за период с 2006 по 2008 гг., приведённых в таблице 2.
Согласно данных таблицы 2, в общей сумме денежных поступлений УП «Карлиновгаз» наибольший удельный вес в общей выручке от реализации продукции, работ, услуг составляет выручка от реализации природного и сжиженного газов. Это основной и регулярный источник денежных поступлений предприятия. В связи с этим, анализ объёмов реализации и себестоимости продукции будем производить в разрезе данных видов деятельности.
Таблица 2 - Основные показатели производственно-хозяйственной деятельности УП «Карлиновгаз» за 2006-2008 гг.
| Показатель |
Год |
||
| 2006 г. |
2007 г. |
2008 г. |
|
| Объем реализации продукции, всего |
|||
| природный газ, тыс. м3 |
2430194 |
2387908 |
2360304 |
| сжиженный газ, т. |
36 839 |
35771 |
36727 |
| Выручка от реализации продукции, работ, услуг, млн. р. |
437 786 |
770562 |
975295 |
| природный газ, млн.р. |
383804 |
701578 |
882142 |
| сжиженный газ, млн.р. |
37242 |
43140 |
57267 |
| прочие работы и услуги, млн.р. |
16740 |
25844 |
35886 |
| Себестоимость реализованной продукции, млн.р. |
360280 |
636396 |
820612 |
| природный газ, млн.р. |
304 824 |
573 244 |
733 626 |
| сжиженный газ, млн.р. |
39 666 |
41 207 |
51 360 |
| прочие работы и услуги, млн.р. |
15790 |
21945 |
35626 |
| Налоги, сборы, платежи, включаемые в выручку от реализации продукции, млн.р. |
63954 |
109395 |
135708 |
| природный газ, млн.р. |
59390 |
99484 |
125163 |
| сжиженный газ, млн.р. |
2248 |
3853 |
5789 |
| прочие работы и услуги, млн.р. |
2316 |
6058 |
4756 |
| Прибыль от реализации продукции, всего |
13552 |
24771 |
18975 |
| природный газ, млн.р. |
19 590 |
28850 |
23353 |
| сжиженный газ, млн.р. |
-4 672 |
-1 920 |
118 |
| прочие работы и услуги, млн.р. |
-1 366 |
-2159 |
-4496 |
| Уровень рентабельности реализованной продукции, % |
3,72 |
3,89 |
2,31 |
| Прибыль до налогообложения, млн.р. |
13 522 |
22 988 |
24 800 |
| Чистая прибыль, млн. р. |
10 247 |
13 456 |
14 814 |
| Средства организации на отчетную дату, млн. р. |
321190 |
349295 |
407989 |
| оборотные активы |
56575 |
57140 |
57427 |
| внеоборотные активы |
264615 |
292135 |
350562 |
| Коэффициент текущей ликвидности |
1,01 |
1,03 |
1,04 |
| Коэффициент обеспеченности собственными оборотными средствами |
0,18 |
0,13 |
0,11 |
| Коэффициент обеспеченности финансовых обязательств активами |
-0,01 |
0,2 |
0,23 |
| Среднесписочная численность |
2650 |
2812 |
2944 |
2.3.1 Анализ объёма реализации и выручки от реализации продукции
По своему экономическому содержанию объем реализованной продукции характеризует конечный финансовый результат работы предприятия, выполнения своих обязательств перед потребителями, степень участия в удовлетворении потребностей рынка. Поэтому анализ объёмов реализации имеет важное значение.
Анализ начинается с изучения динамики реализации продукции, расчета базисных и цепных темпов роста и прироста. Этот анализ показывает, как изменился объем производства и реализации за определенное количество лет. Важное значение для оценки выполнения производственной программы имеют и натуральные показатели объемов производства и реализации продукции.
Энергетическое предприятие, как известно, не может само устанавливать объём производимой продукции, поскольку это полностью зависит от потребителей, к которым производитель привязан газораспределительными сетями [8]. Данные о темпах роста объёмов реализации УП «Карлиновгаз» представлены в таблице 4, на рисунках 3-5.
Таблица 3 - Динамика реализации продукции
| Темп роста |
||||||
| Показатель |
2006 г. |
2007 г. |
2008 г. |
2007г. к 2006г. |
2008г. к 2007г. |
2008г. к 2006г. |
| Объём реализации |
||||||
| природный газ, млн. м3 |
2 430,1 |
2387,9 |
2360,3 |
98 % |
99 % |
97 % |
| сжиженный газ, т |
36 839 |
35771 |
36727 |
97 % |
103 % |
100 % |
| Выручка от реализации, млн. р. |
||||||
| природный газ |
383804 |
701578 |
882142 |
183 % |
126 % |
230 % |
| сжиженный газ |
37242 |
43140 |
57267 |
116 % |
133 % |
154 % |
Из рисунка 3 видно, что в динамике объема реализации природного газа в натуральном выражении за последние три года наблюдается спад: уровень объёма упал на 3 %.
При этом темпы роста выручки значительно превышают темпы роста объёма реализации в натуральном выражении и составляют 230 %.

Рисунок 3 - Динамика объёма реализации природного газа
За 2007 год реализовано 2387,9 млн. м3 природного газа, что на 2429,2 млн. м3 или на 1,7 % меньше, чем за 2006 год. За 2008 год объём реализации природного газа снизился в сравнении с показателем 2007 года на 27,6 млн. м3 или на 1,2 % и составил 2360,3 млн. м3.
Объёмы реализации сжиженного газа в анализируемом периоде в натуральном выражении сохранились на уровне объёмов 2006 года, а выручка увеличились на 54 %. За 2008 г. реализовано 36727 т сжиженного газа, что составляет 95,7 % к 2007 г. Динамика объёма СГ изображена на рисунке 4.

Рисунок 4 - Динамика объёма реализации сжиженного газа
Основными причинами снижения объёмов реализации природного и сжиженного газов стали тёплая зима (потребление природного газа характеризуется ярко выраженной сезонной температурной неравномерностью) и бережливость потребителей. Экономное использование газа объясняется принятием Директивы Президенвта Республики Беларусь №3 от 14 июня 2007 года «Экономия и бережливость – главные факторы экономической безопасности государства», а также повышением тарифов на природный газ основным поставщиком природного газа - Российской Федерацией, и соответственно повышением отпускной цены для конечных потребителей.
Сокращение объёма реализации сжиженного газа в 2007 г. в отношении 2006 года объясняется сокращением объёма его реализации населению (реализация сжиженного газа предприятием, кроме этого, осуществляется через сеть автогазозаправочных станций и юридическим лицам). Это обусловлено переводом квартир на природный газ, ликвидацией квартир от газобаллонных установок, экономией потребителями сжиженного газа.
Динамика объёмов реализации природного и сжиженного газов в стоимостном выражении (выручка) представлена на рисунке 5.
При том, что объёмы реализации природного и сжиженного газов в натуральном выражении ежегодно снижаются, графики на рисунке 3 показывают, что выручка от их реализации растёт из года в год. Цепные темпы роста выручки за три года составили: природный газ - 230 %, сжиженный – 154 %.

Рисунок 5 – Динамика выручки от реализации
Если на 1.01.2008 выручка составляла 701578 млн. р. (больше, чем на 83 % или на 317774 млн. р. к 2006 г.), то на 1.01.2009 её сумма приблизилась к девяти миллиардам рублей (см. рисунок 5). Годовой темп роста составил 126 %.
Выручка от реализации сжиженного газа за 2007 г. увеличились с 37242 млн. р. на 5898 млн. р. и составляет 116 % к 2006 г. Рост 2008 г. к 2007 г. – 33 % .
Использовав формулу среднегеометрической взвешенной (формула 8), определим среднегодовой темп роста объёма реализации продукции
, %. Результаты расчётов отобразим на рисунке 6.
(8)
где Т1…Тn – годовые темпы роста объёма реализации продукции, %
n – количество исследуемых лет.

Рисунок 6 – Соотношение темпов роста объёма реализации
Согласно рисунку 6, рост объема реализации в натуральном выражении растет более низкими темпами, чем объёмы реализации в стоимостном. Это говорит о том, что темпы роста выручки УП «Карлиновгаз», помимо объёмов реализации, напрямую зависят и от отпускных цен на производимую продукцию, устанавливаемых на основании Указа Президента Республики Беларусь от 19 мая 1999 г. №285 «О некоторых мерах по стабилизации цен (в Республике Беларусь» и постановлений Министерства экономики Республики Беларусь «О ценах на природный и сжиженный газ для газоснабжающих организаций, входящих в состав концерна ГПО «Белтопгаз» с учётом сложившейся общеэкономической ситуации в стране, колебаний мировых цен на газ и нефть, и учётом инфляции, которая составила: в 2006 г. – 109 %, в 2007 г. – 108 %, в 2008 г. – 108 %.
2.3.2 Анализ себестоимости реализации продукции
Газовое хозяйство - это отрасль, входящая в непроизводственную сферу, и его затраты на реализацию газа представляют собой скорее издержки обращения, чем производства. Затраты предприятий газового хозяйства также традиционно называются себестоимостью реализации газа.
При определении динамики затрат проведём анализ по экономическим элементам затрат, который позволяет изучить состав затрат, определить удельный вес каждого элемента в общей сумме затрат.
Себестоимость реализации продукции по элементам затрат представлена в таблице 5.
Таблица 5 - Себестоимость реализованной продукции по элементам затрат
| Наименование показателей |
2006 г. |
2007 г. |
2008 г. |
Темп роста, % |
|
| 2007 г. к 2006 г. |
2008 г. к 2007 г. |
||||
| Затраты на реализацию продукции |
360280 |
636396 |
820612 |
177 |
129 |
| 1 Материальные затраты |
294329 |
580150 |
742324 |
197 |
128 |
| 1.1 Сырье и материалы |
277355 |
561653 |
716 608 |
203 |
128 |
| 1.2 Покупные комплектующие изделия и полуфабрикаты |
4 375 |
4 362 |
6375 |
100 |
146 |
| 1.3 Топливно-энергетические ресурсы |
1 550 |
1251 |
1164 |
81 |
93 |
| 1.4 Работы и услуги производственного характера |
3 607 |
4 118 |
4503 |
114 |
109 |
| 1.5 Прочие материальные затраты |
7 441 |
10 017 |
13 674 |
135 |
137 |
| 2 Расходы на оплату труда |
23 468 |
22 505 |
34 961 |
96 |
155 |
| 3 Отчисления на соц. нужды |
10 561 |
10 127 |
13 984 |
96 |
138 |
| 4 Амортизация основных средств и нематериальных активов |
7 609 |
11 186 |
12 744 |
147 |
114 |
| 5 Прочие затраты, всего |
24 313 |
1 587 |
10 166 |
7 |
641 |
Согласно данных таблицы 5, себестоимость реализованной продукции на протяжении анализируемых лет неуклонно растет. В 2007 г. по отношению к 2006 г. себестоимость возросла на 276116 млн. р. или на 76 %, в 2008 г. относительно к предшествующему ему году - на 184216 млн. р. или на 28 %.
Для более наглядного представления структуры себестоимости на рисунке 7 представлены ее составные части в виде гистограммы в анализируемых периодах.

Рисунок 7 – Динамика структуры себестоимости реализации продукции
Увеличение себестоимости реализации продукции происходит в первую очередь за счет роста материальных затрат, которые, как видно из рисунка 7, занимают наибольшую долю в структуре себестоимости. Затраты на покупные комплектующие изделия, топливно-энергетические ресурсы для собственных нужд предприятия и прочие сырье и материалы на протяжении 3-х анализируемых лет выросли незначительно, а стоимость сырья и материалов существенно возросла.
Рост материальных затрат в 2007 г. составил
∆МЗ07= МЗ07-МЗ06=580150-294329=285821 млн. р.
а в 2008 г.
∆МЗ07= МЗ08-МЗ07=742324-580150=162174 млн. р.
Рост материальных расходов объясняется значительным увеличением закупочных цен на природный и сжиженный газ, являющихся основной сырьевой базой для производства и реализации продукции, работ, услуг предприятия.
Материалоемкость реализованной продукции в 2008 г. составила 90 %, Снижение уровня материалоемкости к 2007 г. – 1,1 %. Экономия сырья и материалов – один из факторов роста эффективности производства. Высокий уровень материалоёмкости говорит о необходимости проведения целенаправленной постоянной работы в УП «Карлиновгаз», целью которой является снижение уровня прямых материальных затрат в расчете на единицу продукции. Уменьшение затрат на материалы может стать следствием уменьшения технологических потерь на производстве, совершенствования договорных отношений с поставщиками по вопросам о ценах и способам доставки материалов и комплектации, поиску альтернативы применяемым материалам, разработки новых более экономичных с точки зрения материалоемкости комплектующих изделий и материалов.
Остальные статьи элементов затрат занимают незначительную долю в себестоимости продукции и оказывают незначительное влияние на формирование себестоимости.
Учет себестоимости по калькуляционным статьям позволяет определить целевое направление затрат и исчислить себестоимость отдельных видов и единицы продукции.
Конечная цель деятельности УП «Карлиновгаз», как газового хозяйства, - реализация природного и сжиженного газов. В связи с этим их затраты, выраженные в денежной форме, представляют собой себестоимость реализации природного и себестоимость реализации сжиженного газа.
В соответствии с функциональным назначением затраты, включаемые в себестоимость реализации каждого вида газа, можно подразделить на затраты, связанные с приобретением природного или сжиженного газа и с управлением предприятием. Разделение затрат по их функциональному назначению необходимо для более глубокого изучения себестоимости реализации природного и сжиженного газов, так как это позволяет выделить факторы, имеющие первостепенное значение для снижения затрат, возникающих при выполнении каждой из указанных функций.
В связи с различием в технологических схемах снабжения потребителей природным и сжиженным газами, их изменение себестоимости происходит, как правило, под влиянием различных технико-экономических факторов. Исключение составляют лишь расходы на управление предприятием [8].
Номенклатура калькуляционных статей себестоимости реализации каждого вида газа представлена на рисунке 8.

Рисунок 8 – Схема формирования себестоимости реализации природного и сжиженного газов
В связи с вышесказанным, анализ влияния технико-экономических факторов на затраты по приобретению каждого вида газа, содержанию и эксплуатации систем распределения производится раздельно.
Исходные данные для анализа себестоимости реализации продукции представлены в таблицах 2, 6-8.
Таблица 6 – Цена приобретения природного и сжиженного газов, тыс. р.
| Наименование газа |
2006 г. |
2007 г. |
2008 г. |
| природный газ (за 1 тыс. м3) |
108,8 |
227,5 |
294,2 |
| сжиженный газ (за 1 т) |
458,7 |
517,9 |
604,2 |
Таблица 7 – Калькуляция себестоимости реализации природного газа, млн. р.
| Статья себестоимости |
2006 г. |
2007 г. |
2008 г. |
| 1 Оплата полученного газа |
264357 |
543131 |
694418 |
| 2 Содержание и ремонт наружных газопроводов |
10780 |
12425 |
15 358 |
| 3 Содержание аварийной службы |
1986 |
2 204 |
3 245 |
| 4 Содержание внутренних газопроводов и газового оборудования |
997 |
1151 |
1271 |
| 5 Содержание службы режимов газоснабжения и учета расхода газа |
1019 |
1231 |
1812 |
| 8 НДС |
4 568 |
5576 |
8 027 |
| 9 Общепроизводственные и общехозяйственные расходы |
5 816 |
5 668 |
7780 |
| 10 Отчисления в инновационный фонд |
1481 |
1 434 |
962 |
| 11 Итого расходов по эксплуатации |
304 358 |
572 820 |
732 874 |
| 12 Внеэксплуатационные расходы |
466 |
424 |
751 |
| 13 Итого расходов по полной себестоимости |
304 824 |
573 244 |
733 626 |
Таблица 8 – Калькуляция себестоимости реализации сжиженного газа, млн. р.
| Статья себестоимости |
2006 г. |
2007 г. |
2008 г. |
| 1 Оплата полученного газа |
16 898 |
18527 |
22190 |
| 2 Транспортные расходы по доставке газа |
3 488 |
3470 |
4101 |
| 3 Содержание и ремонт газонаполнительной станции, АГЗС и баллонов |
4918 |
6412 |
8869 |
| 4 Содержание резервуарных установок и газопроводов |
499 |
450 |
553 |
| 5 Содержание внутренних газопроводов и газового оборудования |
1173 |
1090 |
1354 |
| 6 Содержание аварийной службы |
2625 |
2767 |
3802 |
| 7 Содержание службы режимов газоснабжения и учета расхода газа |
139 |
112 |
93 |
| 8 НДС |
2161 |
2854 |
3460 |
| 9 Общепроизводственные и общехозяйственные расходы |
5772 |
5350 |
6813 |
| 10 Отчисления в инновационный фонд |
1924 |
103 |
62 |
| 11 Итого расходов по эксплуатации |
39597 |
41133 |
51295 |
| 12 Внеэксплуатационные расходы |
68 |
74 |
65 |
| 13 Всего расходов по полной себестоимости реализации газа |
39666 |
41207 |
51360 |
Также для анализа себестоимости по статьям калькуляции за изучаемый период были рассчитаны удельные веса статей затрат в себестоимости продукции. Данные расчета приведены в таблице 9.
Таблица 9 – Структура себестоимости реализации природного и себестоимости реализации сжиженного газа по статьям (процент к итогу)
| Статья себестоимости |
Удельный вес затрат, отражаемых на калькуляционных статьях себестоимости реализации газа, % |
|
| 1 Оплата полученного газа |
94,66 |
43,20 |
| 2 Содержание и ремонт наружных газопроводов |
2,09 |
- |
| 3 Транспортные расходы по доставке газа абонентам |
- |
10,98 |
| 4 Содержание и ремонт газонаполнительной станции, АГЗС и баллонов |
- |
17,27 |
| 5 Содержание резервуарных установок и газопроводов |
- |
1,08 |
| 6 Содержание внутренних газопроводов и газового оборудования |
0,17 |
2,64 |
| 7 Содержание аварийной службы |
0,44 |
7,40 |
| 8 Содержание службы режимов газоснабжения и учета расхода газа |
0,25 |
0,18 |
| 9 НДС |
1,09 |
6,74 |
| 10 Общепроизводственные и общехозяйственные расходы |
1,06 |
11,27 |
| 11 Отчисления в инновационный фонд |
0,13 |
0,12 |
| 12 Итого расходов по эксплуатации |
99,89 |
99,87 |
| 13 Внеэксплуатационные расходы |
0,1 |
0,13 |
| 14 Итого расходов по полной себестоимости реализации газа |
100 |
100 |
Затраты по приобретению: природный газ. В себестоимости реализации природного газа данный вид затрат является преобладающим (таблица 8). Оплата поступающего природного газа производится предприятием на основании показаний счётчиков, имеющих на газораспределительных станциях, устанавливаемых перед населёнными пунктами.
Как видно из таблицы 7, в 2007 г. и в 2008 г., затраты, связанные с приобретением природного газа к предшествующему году выросли на 278774 млн. р. (на 105,5 %) и на 151287 млн. р. (на 27,9 %.) соответственно.
Одним из факторов, оказавших влияние на эти затраты, было изменение количества приобретённого предприятием у поставщиков газа.
Влияние данного фактора на затраты по приобретению природного газа можно рассчитать по формуле
∆Ср = (N1-N0)
Ц0 (9)
где ∆Ср – изменение затрат на приобретение газа при увеличении или уменьшении количества приобретаемого у поставщиков газа, млн. р.;
N0, N1 – количество приобретаемого у поставщиков природного или сжиженного газа соответственно в базисном и отчётном периоде, тысяч кубических метров природного или тонн сжиженного газа;
Ц0 – цена за 1 тыс. м3 природного или 1 т сжиженного газа в базисном периоде, р.
При принятых за базисные годы фактических ценах за 1 тыс. м3 природного газа 2006 года и 2007 года равных соответственно 227,5 тыс. р. и 294,2 тыс. р. снижение затрат на приобретение природного газа за счёт влияния изменения объёма приобретённого природного газа составило:
∆Ср(N) 07 к 06= (543131-264 357)
108,78=278774
108,78=30325 млн. р.
∆Ср(N) 08 к 07 = (694418-543131)
281=151287
281=42512 млн. р.
Другой фактор, оказавший влияние на затраты по приобретению природного газа, - это изменение цены за газ. Определим изменение затрат на приобретение газа при увеличении или уменьшении количества приобретаемого у поставщиков газа ∆Ср, млн. р. по формуле:
∆Ср = (Ц1-Ц0)
N1 (10)
где Ц0, Ц1 – цена за 1 тыс. м3 природного или 1 т сжиженного газа соответственно в отчётном и базисном периоде, р.;
N1 – количество приобретаемого у поставщиков природного или сжиженного газа соответственно в отчётном периоде, тысяч
кубических метров природного или тонн сжиженного газа.
Изменение себестоимости ПГ за счёт влияния на неё покупной цены имеет вид:
2007 г. и 2008 г. к предшествующим им годам:
∆Ср(ц)07 к 06 = (227,5-108,78)
2387908=118,72
2387908=283492 млн. р.
∆Ср(ц) 08 к 07= (294,2-227,5)
2360304=66
7
2360304=157432 млн. р.
Согласно расчётам, влияние покупной цены в изучаемом периоде оказывало на себестоимость негативное воздействие.
Затраты по приобретению: сжиженный газ. В себестоимости реализации сжиженного газа затраты на приобретение газа занимают хотя не преобладающую, как в себестоимости природного газа, однако тоже довольно значительную долю - 43,2 % (см. таблицу 9). В отличие от природного, приобретение сжиженного газа требует от предприятия значительно больших усилий. Сжиженный газ поставляется на газонаполнительные станции, которые принадлежат предприятию, откуда затем перевозятся автотранспортом непосредственно потребителям.
Себестоимость СГ в связи с изменением затрат на его приобретение увеличилась в 2007 г. к 2006 г. - на 1629 млн. р. или на 9,6 %; в 2008 г. к 2007 г. - на 3663 млн. р. или на 19,7 %. Это говорит о том, что в объёме затрат на приобретение следует искать резерв для снижения себестоимости СГ.
Определим влияние факторов на изменение уровня данных затрат.
Изменение затрат при изменении количества приобретаемого у поставщиков сжиженного газа определим по формуле 9.
2007 г. и 2008 г. к предшествующим им годам:
∆Ср(N) 07 к 06= (35771-36339)
458,7=-568
458,7=-260,5 млн. р.
∆Ср(N) 08 к 07 = (36727-35771)
517,9=956
517,9=495,1 млн. р.
Изменение затрат по приобретению СГ за счёт изменения цены за газ.
2007 г. и 2008 г. к предшествующим им годам:
∆Ср(ц)07 к 06 = (517,9-458,7)
35771=59,2
35771=2117,6 млн. р.
∆Ср(ц) 08 к 07= (604,2-517,9)
36727=86,3
36727=3169,5 млн. р.
Как свидетельствуют расчёты, увеличение покупной цены СГ в 2007 г. и 2008 г. приводило к увеличению его себестоимости.
Таким образом из расчётов нам стало известно, Положительное влияние на изменение затрат по приобретению сжиженного газа в сторону уменьшения оказало снижение количества приобретаемого газа на 260,5 млн. р. в 2007 г. в отношении к 2006 г. Однако, воздействие этого же фактора в 2008 г. и увеличение покупной цены СГ в 2007 г. и в 2008 г. сказалось на себестоимости отрицательно.
Затраты на содержание и эксплуатацию системы распределения газа: природный газ. Содержание и эксплуатация газопроводов, приборов и оборудования – это основная функция предприятия УП «Карлиновгаз» при реализации природного газа, для выполнения которой они и создаются. Затраты, возникающие при выполнении работ по содержанию и эксплуатации газопроводов, газовых приборов и оборудования, отражаются на четырёх статьях, каждая из которых предназначена для представления затрат определённой службы. Данные по затратам на содержание и эксплуатацию системы распределения природного газа сведены в таблице 10, динамика данных затрат отображена на рисунке 9. Доля затрат каждой службы в себестоимости реализации природного газа показана в таблице 9.
Как свидетельствуют данные таблицы 10 и рисунка 9, в изучаемом периоде происходило увеличение затрат по содержанию и эксплуатации системы распределения природного газа:
- в 2007 г. к 2006 г.: возрастание на 2229 млн. р. или на 15, 1 %;
- в 2008 г. к 2007 г.: возрастание на 4675 млн. р. или на 27,5 %.
Таблица 10 - Затраты на содержание и эксплуатацию системы распределения природного газа, млн. р.
| 2006 г. |
2007 г. |
2008 г. |
Темп роста |
||
| 2007 г. к 2006 г. |
2008 г. к 2007 г. |
||||
| Всего |
14782 |
17011 |
21686 |
115 % |
128 % |
| 1 Содержание и ремонт наружных газопроводов |
10780 |
12425 |
15358 |
115 % |
124 % |
| 2 Содержание аварийной службы |
1986 |
2204 |
3245 |
111 % |
147 % |
| 3 Содержание внутренних газопроводов и газового оборудования |
997 |
1151 |
1271 |
115 % |
110 % |
| 4 Содержание службы режимов газоснабжения и учета расхода газа |
1019 |
1231 |
1812 |
121 % |
147 % |

Рисунок 9 – Динамика затрат на содержание и эксплуатацию системы распределения ПГ
Изменение затрат на содержание и эксплуатацию системы распределения ПГ слабо связано с объёмами реализованного природного газа. Основными технико-экономическим факторами, повлиявшими на затраты по содержанию и эксплуатации системы распределения природного газа являются:
- основные параметры системы;
- повышение технического уровня;
- среднегодовая заработная плата одного рабочего;
- численность рабочих;
- среднегодовая стоимость основных фондов.
Прежде всего затраты по содержанию и эксплуатации системы распределения природного газа зависят от параметров системы распределения природного газа, важнейшим из которых являются протяжённость газопроводов, их диаметр и число газифицированных квартир. Рост данных затрат происходит обычно при увеличении параметров системы (см. таблицу 10).
Таблица 11 – Динамика параметров системы распределения ПГ
| Параметр |
2006 г. |
2007 г. |
2008 г. |
Темп роста |
|
| 2007 г. к 2006 г. |
2008 г. к 2007 г. |
||||
| Газификация квартир природным газом, квартир |
3186 |
3155 |
4762 |
99 % |
151 % |
| Протяжённость сетей, км |
6424 |
6578 |
7073 |
102 % |
108 % |
Данные таблицы 10 показывают, что наибольшее возрастание затрат на содержание и эксплуатацию системы распределения ПГ произошло за счёт:
- возрастания затрат на содержание службы режимов газоснабжения и учета расхода газа (на 115 % в 2007 г. к 2006 г., на 147 % - в 2008г. к 2007 г.);
- возрастания затрат на содержание аварийной службы (на 147 % в 2008 г. к 2006 г.).
Затраты отдельных служб формируются в зависимости от видов выполняемых работ, организации их проведения каждой службой, условий деятельности и т.д.
Затраты на содержание и эксплуатацию системы распределения газа: сжиженный газ. Совокупность средств и приборов, при помощи которых осуществляется хранение, перевозка и использование сжиженного газа, представляет собой систему распределения сжиженного газа, содержание и эксплуатация которой, как и при реализации природного газа, являются основной функцией предприятия УП «Карлиновгаз». Затраты, связанные с выполнением данной функции, отражаются на статьях, название которых соответствует основным видам работ, производимым при реализации сжиженного газа (см. таблицу 12). Удельный вес затрат, отражаемых на каждой из указанных на схеме статей себестоимости реализации сжиженного газа, показан в таблице 8.
Таблица 12 - Затраты на содержание и эксплуатацию системы распределения сжиженного газа, млн. р.
| Статья калькуляции |
2006 г. |
2007 г. |
2008 г. |
Темп роста |
|
| 2007 г. к 2006 г. |
2008 г. к 2007 г. |
||||
| 1 |
2 |
3 |
4 |
5 |
6 |
| Всего |
12842 |
14331 |
18979 |
112 % |
134 % |
| 1 Транспортные расходы по доставке газа абонентам |
3 488 |
3 470 |
4 101 |
99 % |
118 % |
| 2 Содержание и ремонт газонаполнительной станции, АГЗС и баллонов |
4 918 |
6 412 |
8 869 |
130 % |
138 % |
| 3 Содержание резервуарных установок и газопроводов |
499 |
450 |
553 |
90 % |
123 % |
| 4 Содержание внутренних газопроводов и газового оборудования |
1173 |
1090 |
1 354 |
93 % |
124 % |
| 5 Содержание аварийной службы |
2625 |
2767 |
3 802 |
105 % |
137 % |
| 6 Содержание службы режимов газоснабжения и учета расхода газа |
139 |
112 |
93 |
81 % |
83 % |
Исходя из данных таблицы 12, в 2006, 2007 и 2008 годах происходили следующие изменения затрат по содержанию и эксплуатации системы распределения природного газа:
— в 2007 г. к 2006 года: возрастание на 1489 млн. р. или на 11,6 %;
— в 2008 г. к 2007 года: возрастание на 4648 млн. р. или на 27,5 %;
Наибольшее возрастание затрат произошло за счёт увеличения затрат:
- транспортных расходов по доставке газа абонентам (на 18 % в 2008 г. к 2007 г.);
- на содержание и ремонт газонаполнительной станции, АГЗС и баллонов (на 30 % в 2007 г. к 2006 г., на 38 % в 2008 г. к 2007 г.);
- содержание резервуарных установок и газопроводов (на 23 % в 2008 г. к 2007 г.);
- содержание внутренних газопроводов и газового оборудования (на 24 % в 2008 г. к 2007 г.);
- содержание аварийной службы (на 5 % в 2007 г. к 2006 г., на 37 % в 2008 г. к 2007 г.).

Рисунок 10 - Динамика затрат на содержание и эксплуатацию системы распределения сжиженного газа
Сокращение транспортных расходов, занимающих достаточно высокий удельный вес в себестоимости реализации сжиженного газа, зависит от организации работ на всех этапах снабжения газом потребителей. От того, снабжаются ли потребители от баллонных или групповых газовых установок, зависит выбор способа доставки газа – в баллонах (в «кассетных» автомобилях) или автоцистернах. При перевозке сжиженного газа в автоцистернах удельные затраты на единицу сжиженного газа ниже, чем в перевозке в «кассетных» автомобилях [8]. Поэтому одним из резервов снижения себестоимости на предприятии УП «Карлиновгаз» является увеличение доли газа, перевозимого в автоцистернах. На предприятии возможны и другие меры для сокращения транспортных расходов: выбор рациональных маршрутов, оптимальной скорости передвижения и периодичности доставки газа.
Поскольку отдельные составляющие системы распределения природного или сжиженного газа взаимосвязаны, то и затраты, отражаемые на статьях, построенных с учётом последовательности их возникновения, также взаимосвязаны между собой. Иначе говоря, увеличение или уменьшение одних затрат повлекло за собой изменение других.
Общепроизводственные и общехозяйственные расходы: природный газ. Данные затраты в 2007 г. оказали положительное влияние на себестоимость реализации продукции снижением своей величины на 422 млн. р., или на 3 %, и составили 5668 млн. р. Однако, в 2008 г. их размер был повышен в 1,3 раза, в связи с этим, себестоимость реализации природного газа увеличилась на 160054 млн. р.
Общепроизводственные и общехозяйственные расходы: сжиженный газ. Себестоимость реализации сжиженного газа за счёт влияния данных затрат в 2007 г. уменьшилась на 422 млн. р. – на 1.01.07 ОБП и ОБХ составили 5350 млн. р. или 93 % от их суммы в аналогичном периоде прошлого года. В 2008 г. их величина была повышена на 27 %, что отрицательно отразилось на себестоимости реализации продукции.
Внеэксплуатационные расходы. Кроме затрат, связанных с выполнением различных функций по реализации газа, в себестоимость входят также внеэксплуатационные расходы.
— в 2007 г. к факту предшествующего года произошло сокращение на 42 млн. р. (на 9 %);
— в 2008 г. к 2007 года: возрастание на 327 млн. р. или на 177 %.
Изменение данных расходов в исследуемом периоде происходило за счёт влияния расходов на содержание пуско-наладочных и вышестоящих организаций, на рекламу и др.
НДС и отчисления в инновационный фонд: природный газ. Изменение данных затрат за анализируемый период в их общей сумме отразилось отрицательно на себестоимости и составило в 2007 г.: минус 12372 млн. р. или 64 % (плюс 1008 млн. р. – сумма НДС; минус 13880 млн. р. – отчисления в инновационный фонд); в 2008 г.: плюс 1979 млн. р. или 28 % (плюс 2451 млн. р. – НДС; минус 948 млн. р. – отчисления в инновационный фонд).
НДС и отчисления в инновационный фонд: сжиженный газ. В 2007 и 2008 годах происходило увеличение размера НДС на 693 млн. р. (32 %) и на 606 млн. р. (21 %), что является негативным моментом при формировании себестоимости газа.
Отчисления в инновационный фонд, обратно размеру НДС, в данные годы уменьшались: на 1821 млн. р. (95 %) – в 2007 г. и на 41 млн. р. (40 %), что позволило снизить себестоимость реализуемого сжиженного газа.
Обобщение анализа себестоимости реализации природного и сжиженного газа по статьям калькуляции. Подводя черту под проведённым анализом себестоимости реализации природного и сжиженного газа по статьям калькуляции в соответствии с их функциональным назначением, отметим:
Величина себестоимости природного газа в течение трех исследуемых лет увеличилась в 2007 г. на 268420 млн. р. или на 88 %, в 2008 г. – 160382 млн. р. или на 28 %. Наибольшее отрицательное влияние на себестоимость в 2007 и 2008 годах оказывало увеличение затрат на приобретение природного газа – на 283482 млн. р. и на 151287 млн. р. Положительно же влияние, но не настоль великое, чтобы покрыть увеличение оплаты ПГ, оказало уменьшение отчислений в инновационный фонд – на 12372 млн. р. (на 64 %) в 2007 г. и на 472 млн. р. (на 50 %) – в 2008 г.
Размер себестоимости реализации сжиженного газа в анализируемом периоде также увеличился: на 1541 млн. р. (3 %) – в 2007 г., и на 10153 млн. р. (25 %) – в следующем, 2008 г. На изменение себестоимости СГ отрицательно сказалось увеличение суммы оплаты полученного газа (на 1629 млн. р. или на 10 % - в 2007 г., на 3663 млн. р. или на 20 % - в 2008 г.).
2.3.3 Анализ прибыли и рентабельности реализованной продукции
Конечным положительным финансовым результатом хозяйственной деятельности предприятия является прибыль. Она представляет собой реализованную часть чистого дохода, созданного прибавочным трудом. Значение прибыли обусловлено тем, что, с одной стороны, она зависит в основном от качества работы предприятия, повышает экономическую заинтересованность его работников в наиболее эффективном использовании ресурсов, так как прибыль – основной источник производственного и социального развития предприятия, а с другой – она служит важнейшим источником формирования государственного бюджета. Прирост прибыли, может быть достигнут не только благодаря увеличению трудового вклада коллектива предприятия, но и за счет других факторов. Поэтому на каждом предприятии необходимо проводить систематический анализ формирования, распределения и использования прибыли. Этот анализ имеет важное значение и для внешних субъектов [9].
Финансовые результаты деятельности предприятия характеризуются суммой полученной прибыли и уровнем рентабельности. Чем больше величина прибыли и выше уровень рентабельности, тем эффективнее функционирует предприятие, тем устойчивее его финансовое состояние.
Исходные для анализа балансовой прибыли, прибыли от реализации и рентабельности реализованной продукции УП «Карлиновгаз» размещены в таблице 13. Динамика прибыли от реализации продукции и рентабельности реализованной продукции представлены на рисунке 11.
Таблица 13 – Данные для анализа прибыли и рентабельности
| Показатель |
2006г. |
2007г. |
2008г. |
Абсолютное отклонение |
|
| 2007 г. от 2006 г. |
2008 г. от 2007г. |
||||
| Выручка от реализации продукции,млн. р. |
437786 |
770562 |
975295 |
+332776 |
+204733 |
| Налоги, сборы, платежи, включаемые в выручку от реализации продукции, млн.р. |
63954 |
109395 |
135708 |
+45441 |
+26313 |
| Выручка от реализации продукции, работ, услуг (без налогов), млн. р. |
373832 |
661167 |
839587 |
+287 335 |
+178420 |
| Себестоимость реализованной продукции, млн. р. |
360280 |
636396 |
820612 |
+276116 |
+184216 |
| Прибыль от реализации продукции, млн. р. |
13552 |
24771 |
18975 |
+11219 |
-5796 |
| Прибыль от операционных доходов и расходов, млн. р. |
85 |
81 |
175 |
-4 |
+94 |
| Прибыль от внереализационных доходов и расходов, млн.р. |
3299 |
-1864 |
5651 |
-5163 |
+7515 |
| Прибыль до налогообложения, млн.р. |
16936 |
22988 |
24800 |
+6052 |
+1812 |
| Налоги, производимые из прибыли, млн. р. |
6689 |
9532 |
9986 |
+2843 |
+454 |
| Чистая прибыль, млн.р. |
10 247 |
13 456 |
14 814 |
+3209 |
+1358 |
| Амортизация, млн. р. |
19244 |
24343 |
27558 |
+5099 |
+3215 |
| Чистый доход, млн. р. |
29491 |
37799 |
42372 |
+8308 |
+4573 |
| Уровень рентабельности реализованной продукции, % |
3,72 |
3,89 |
2,31 |
+0,16 |
-1,58 |

Рисунок 11 – Динамика прибыли от реализации природного газа
Анализ прибыли от реализации. В течение исследуемого периода предприятие ежегодно получало прибыль от реализации продукции. В 2007 г. предприятие прибыль достигла своей максимальной величины и составила 24771 млн. р., что на 82 % больше, чем в предшествующем году и на 78 % больше извлечённой прибыли 2008 года.
Рассмотрим факторы, влияющие на изменение прибыли от реализации продукции, работ, услуг.
(11)
где
,
- прибыль от реализации продукции (товаров, работ, услуг) по базовому году и отчётному;
РП0, РП1 - объем реализованной продукции ( работ, услуг), за вычетом всех налогов и других отчислений, включаемых в объем реализации, по базовому и отчётному годам;
Срп0,Срп1 - себестоимость реализованной продукции по базовому и отчётному годам.
За счёт изменения объёма реализации продукции:
(12)
, (13)
где
- коэффициент выполнения плана по объему реализации, рассчитанный по полной себестоимости реализованной продукции в базовом году;
- себестоимость реализованной продукции в базовом году, рассчитанная на объем реализованной продукции в отчетном году.
За счёт изменения средних цен реализации изделий:
(14)
где РПпф - объем реализованной продукции в базовом году, рассчитанный на объем реализованной продукции в отчётном году.
За счёт средней себестоимости реализации изделий:
(15)
Таблица 14 – Анализ прибыли от реализации
| Изменение прибыли за счёт изменения: |
Обозначение фактора |
2007 г. к 2006 г.: |
2008 г. к 2007 г.: |
| ∆Прп |
24771 - 13552 =11219 млн. р. |
18975-24771=-5796 млн. р. |
|
| Объёма реализации |
|
13552 |
24771 |
| Цены реализации |
|
661167-633617 =297550 млн. р. |
839587-665795=173792 млн. р. |
| Полной себестоимости |
|
-636396+353863=-282533 млн.р. |
-820612+646685=-173927 млн.р. |
Проверка 2007 г. к 2006 г.: -311+297550+(-282533)=11219 млн. р.
Проверка 2008 г. к 2007 г.: 135+173792-173927=-5796 млн. р.
Результаты расчетов показывают, что прибыль в отношении изучаемого периода увеличивалась. Это произошло за счет повышения цен реализации продукции, что поспособствовало увеличению суммы прибыли на 297550 млн. р. в 2007 г. и на 173792 млн. р. - в 2008 г.. В 2008 году предприятие увеличило свои объёмы реализации, что позволило ему нарастить прибыль на 135 млн. р. в отношении предшествующего года.
Поводами для наблюдающегося повышения цен реализации газа стал общий рост цен в стране, увеличение курса доллара по сравнению с белорусским рублем и внутренние Указы предприятия.
Отрицательное влияние на изменение суммы прибыли в большей степени оказало увеличение полной себестоимости продукции, за счет данного фактора прибыль уменьшилась на 282533 млн. р. в 2007 г. и на 137927 млн. р. - в 2008 г.
Следует отметить, что положительное влияние роста цен реализации значительно перекрывает отрицательное влияние увеличения себестоимости продукции и снижения объёмов реализации. Это положительно характеризует деятельность предприятия.
Анализ балансовой прибыли. Как свидетельствуют данные таблицы 13, в 2007 г. по сравнению с 2006 г. прибыль от реализации продукции увеличилась на 11219 млн. р., но одновременно с этим выросли внереализационные расходы. В итоге предприятие получило прибыль, которая в 2007 г. по сравнению с 2006 г. увеличилась на 6052 млн. р. и составила 22988 млн. р. С учетом налогов, сборов и платежей, прибыль предприятия в 2007 г. составила 13456 млн. р. против 10247 млн. р. в 2006 г.
В 2008 г. ситуация с балансовой прибылью сложилась так. Прибыль от реализации продукции по сравнению с 2007 г. снизилась на 5796 млн. р. из-за превышения темпов роста себестоимости реализованной продукции над темпами роста цены реализации продукции (129 % против 126 %). Необходимо отметить снижение операционных расходов, которые снизились в сравнении с предыдущим годом на 7515 млн. р. и составили в 2008 г. 5651 млн. р. Прибыль до налогообложения предприятия составила 24800 млн. р., а с учетом налогов и расходов, производимых из прибыли, - 14814 млн. р.
Анализ чистой прибыли. Чистой прибыли за 2007 год получено 13456 млн. р., что на 3209 млн. р. или на 31 % больше, чем за 2006 год. В 2008 г. объём чистой прибыли также увеличился в сравнении предшествующим годом на 1358 млн. р. (или на 10 %).
На величину чистой прибыли оказывают влияние такие факторы, как налогооблагаемая прибыль и налоги, выплачиваемые из прибыли. Из таблицы 13 следует, что сумма чистой прибыли увеличилась в большей степени за счет роста прибыли от реализации, включаемую в налогооблагаемую прибыль.
Согласно учётной политике предприятия в «Карлиновгаз» большая часть прибыли - 75 %, - направлена в фонд потребления и используется на выплаты социального характера, не приводящие к образованию нового имущества, а носит поощрительный и компенсационный характер, что влечёт за собой замедление оборачиваемости оборотных активов, ограничение возможности роста товарооборота и прибыли. Структура чистой прибыли изображена на рисунке 12.
Направление средств в фонд накопления увеличило бы экономический потенциал, повысило платежеспособность предприятия и финансовую независимость, способствовало росту объема выполнения работ и реализации без увеличения размера заемных средств.

Рисунок 12 – Распределение чистой прибыли
Чистый доход предприятия является положительным. В 2007 г. он составил 37799 млн. р., что на 8308 млн. р. (или на 28 %) больше уровня 2006 г., и на 4573 млн. р. меньше последующего.
Чистая прибыль предприятия и амортизационные отчисления являются по существу тем главным финансовым ресурсом, который определяет его экономический потенциал и способность к самофинансированию. Именно прибыль является главным источником расширения производства и наращивания производственного потенциала, источником дополнительного материального стимулирования работников.
Анализ рентабельности реализованной продукции. Рентабельность в отличие от прибыли предприятия, показывающей эффект предпринимательской деятельности, характеризует эффективность этой деятельности. Рентабельность - относительная величина, выражающая прибыльность (доходность) предприятия. Показатели рентабельности применяют для оценки деятельности предприятий и как инструмент в инвестиционной политике и ценообразовании. В рыночной экономике существует система показателей рентабельности.
Рентабельность продукции можно рассчитать как по всей реализованной продукции, так и по отдельным ее видам.
Рентабельность всей реализованной продукции можно определить как процентное отношение: прибыли от реализации продукции к затратам на ее производство и реализацию; прибыли от реализации продукции к выручке от реализованной продукции; балансовой прибыли к выручке от реализации продукции; чистой прибыли к выручке от реализации продукции.
Эти показатели дают представление об эффективности текущих затрат предприятия и степени доходности реализуемой продукции.
Рентабельность отдельных видов продукции зависит от цены и полной себестоимости. Она определяется как процентное отношение цены реализации единицы данной продукции за вычетом ее полной себестоимости к полной себестоимости единицы данной продукции.
Показатели рентабельности реализованной продукции см. в таблице 12.
Согласно данным таблицы, каждый рубль затрат на производство и сбыт продукции в 2007 г. принес предприятию прибыль 3,72 коп., это в 1,05 раза больше, чем в предшествующем 2006 г. В 2008 г. прибыль упала до 2,31 коп.
Влияние на рентабельность реализованной продукции таких факторов, как изменение объёма реализованной продукции и средних цен реализации изделий следует рассчитывать как отношение суммы влияний каждого из названных факторов на прибыль от реализации продукции к себестоимости реализованной продукции базового года:
, (16)
где
- изменение прибыли от реализации продукции за счёт i-го фактора
(кроме себестоимости - среднего уровня затрат отдельных изделий).
Влияние изменения себестоимости реализованных изделий на уровень рентабельности реализованной продукции в этом случае определяется сальдовым приёмом.
, (17)
где
- рентабельность реализованной продукции базисного и отчётного года, %;
- общее изменение уровня рентабельности реализованной продукции за анализируемый период, %.
Таблица 15 – Анализ рентабельности реализованной продукции
| Изменение прибыли за счёт изменения: |
Обозначение фактора |
2007 г. к 2006 г.: |
2008 г. к 2007 г.: |
| 1 |
2 |
3 |
4 |
|
|
3,89-3,73 =0,16 % |
2,31-3,89=-1,58 % |
|
| Объёма реализации |
|
-311/360280 |
135/636396 |
| Цены реализации |
|
297550/360280 = 82 % |
173792/636396 |
| Полной себестоимости |
|
11219/360280 -82,59=- 81,74 % |
5796/63639610-0,02-27= =26,6 % |
Анализируя таблицу 15, сделаем выводы. Рост рентабельности реализованной продукции происходил за счет увеличения среднереализационных цен. Отрицательное же влияние на данный показатель оказал рост себестоимости продукции. Здесь следует отметить, что и увеличение цен, и рост себестоимости товарной продукции являются следствием инфляционных процессов, однако опережение в 2007 г. темпов роста цен реализации (125 %) темпов роста себестоимости продукции (116 %) на 0,09 % оказало положительное влияние на изменение рентабельности продаж (+0,12 %) и рентабельности реализации продукции (+0,17 %). В 2008 г. эти два показателя упали соответственно на 1,26 % и на 1,58 %, что является следствием снизившейся разницы между темпами роста себестоимости и темпами цены реализации продукции – 0,05 %.
2.3.4 Анализ финансовых показателей деятельности предприятия
С целью наращивания объемов производства, повышения конкурентоспособности выпускаемой продукции, привлечения иностранных инвесторов в современных условиях предприятию необходимо рационально использовать свои финансовые ресурсы. Поэтому существует практическая необходимость иметь информацию о величине капитала, показателях финансовой независимости, финансовой устойчивости и платежеспособности, факторах изменения финансового состояния предприятия [11].
Согласно Инструкции по анализу и контролю за финансовым состоянием и платёжеспособностью субъектов предпринимательской деятельности, утверждённой постановлением Минфина, Минэкономики и Минстата от 08.05.2008 г. №79/99/50 [12], в качестве критериев для оценки удовлетворённости структуры бухгалтерского баланса предприятие использует:
- коэффициент текущей ликвидности;
- коэффициент обеспеченности собственными оборотными средствами;
- коэффициент обеспеченности финансовых обязательств активами.
Динамика коэффициентов платёжеспособности УП «Карлиновгаз» 2006-2008 гг. представлена на рисунке 13. Состояние его оборотных и внеоборотных активов по отчётным годам отображено в таблице 16.
Таблица 16 – Средства организации в отчетный год, млн. р.
| 2006 г. |
2007 г. |
2008 г. |
|
| Всего средств организации |
321190 |
349295 |
407989 |
| оборотные активы |
56575 |
57140 |
57427 |
| внеоборотные активы |
264615 |
292135 |
350562 |

Рисунок 13 – Динамика коэффициентов платёжеспособности
Коэффициент текущей ликвидности Ктл характеризует общую обеспеченность организации собственными оборотными средствами для ведения хозяйственной деятельности и своевременного погашения срочных обязательств организации, т.е. означает наличие в достаточном объёме денежных средств для немедленного погашения кредиторской задолженности.
(18)
Приведённые данные на рисунке 10 свидетельствуют о положительной динамике показателя ликвидности, который на 1.01.2009 г. достиг своего наилучшего значения в последние три года.
Основными причинами роста коэффициента текущей ликвидности в 2006-2008 гг.:
1) рост оборотных активов предприятия:
а) в 2007г. к 2006г. – на 9,9 % или на 565 млн. р.;
б) в 2008г. к 2007г. – на 5 % или на 287 млн. р.;
2) снижение краткосрочных обязательств:
а) в 2007г. к 2006г. – на 1 % или на 538 млн. р.;
б) в 2008г. к 2007г. – на 0,5 % или на 276 млн. р.
Коэффициент обеспеченности финансовых обязательств активами Кфн определяется по формуле 19. Данные на рисунке 13 свидетельствуют о положительной динамике данного показателя в 2006-2008 гг, который на 1.01.2009 достиг наилучшего значения – 0,11 при нормативе не более 0,85. Вместе с тем, значение коэффициента обеспеченности финансовых обязательств активами свидетельствует о способности УП «Карлиновгаз» рассчитаться по своим финансовым обязательствам после реализации активов, и на основании Инструкции по анализу и контролю за финансовым состоянием и платёжеспособностью субъектов предпринимательской деятельности от 08.05.2008 г. №79/99/50 считается устойчиво платежеспособной организацией.
(19)
Основными причинами снижения коэффициента обеспеченности финансовых обязательств активами в 2006-2008 гг. являются:
1) снижение долгосрочных и краткосрочных обязательств:
а) в 2007 г. к 2006 г. – на 11 % с 55713 млн. р. до 49963 млн. р.;
б) в 2008 г. к 2007 г. – на 4 % с 49963 млн. р. до 47810 млн. р.
2) увеличение валюты баланса предприятия:
а) в 2007 г. к 2006 г. – на 19 % с 265301 млн. р. до 316701 млн. р.;
б) в 2008 г. к 2007 г. – на 7,8 % с 316701 млн. р. до 341502 млн. р.
Коэффициент обеспеченности собственными оборотными средствами Косс характеризует наличие у предприятия собственных оборотных средств, необходимых для его финансовой устойчивости и определяется по формуле
(20)
Предприятие испытывает дефицит оборотных средств. Большая доля оборотных средств УП «Карлиновгаз» сформирована из заемных источников, а собственных средств не хватает даже на покрытие необоротных активов. О чем свидетельствуют отрицательное значение коэффициента обеспеченности собственными оборотными средствами на 01.01.2007 г., где коэффициент имел значение минус 0,01. Несмотря на то, что значение показателя ниже нормативного, наблюдается положительная тенденция его изменения: на 1.01.2008 г. коэффициент равен 0,20; на 1.01.2009 г. – 0,23
Эта тенденция роста коэффициента обеспеченности собственными оборотными средствами в 2006-2008 гг. обуславливается превышением темпов роста собственного капитала предприятия над темпами роста необоротных и оборотных активов:
- в 2007г. к 2006г. темп роста: собственного капитала – 115 %; необоротных средств – 110,4 %; оборотных активов - 101 %;
- в 2008г. к 2007г. темп роста: собственного капитала – 103,5 %; необоротных средств – 103,2 %; оборотных активов - 0,96 %.
Нехватка оборотных средств, для дальнейшего наращивания объемов производства, своевременной выплаты заработной платы, осуществления налоговых платежей в бюджет и внебюджетные фонды, оплаты потребленных энергоносителей, расчета по ранее полученным кредитам вынуждает предприятие обращаться за кредитными ресурсами к банкам. Банки выделяют, как правило, лишь короткие кредитные ресурсы и под высокий процент, возвратить которые необходимо до того, как предприятие может получить экономический эффект от полученного кредита. Несмотря на вышесказанное, УП «Карлиновгаз» пользуется репутацией платежеспособного заемщика. Благодаря активной работе, проводимой руководством предприятия с финансовыми институтами, предприятию удается улучшать условия кредитования.
Кредиторская задолженность УП «Карлиновгаз»:
- в 2007г. к 2006г.: составила 85 % - уменьшилась на 7041 млн. р., в т.ч. просроченная задолженность: 74 % - уменьшение на 1965 млн. р.;
- в 2008г. к 2007г.: составила 103 % - увеличилась на 1171 млн. р., в т.ч. просроченная задолженность: 101 % - увеличилась на 55 млн. р.
В структуре кредиторской задолженности просроченная задолженность занимает удельный вес - 15,7 %, 13,6 %, 13,4 % в 2006, 2007 и 2008 годах соответственно.
Дебиторская задолженность УП «Карлиновгаз»:
- в 2007 г. к 2006г.: составила 93 % - уменьшилась на 3227 млн. р., в т.ч. просроченная: 86 % - уменьшилась на 923 млн. р.;
- в 2008 г. к 2007г.: составила 96 % - уменьшилась на 5799 млн. р., в т.ч. просроченная: 86 % - уменьшилась на 3947 млн. р.
В структуре кредиторской задолженности просроченная задолженность занимает удельный вес - 14,6 %, 13,4 %, 4,4 % в 2006, 2007 и 2008 годах соответственно.
Динамика изменения дебиторской и динамика изменения кредиторской задолженности в анализируемом периоде наглядно представлены на рисунке 14.
Превышение темпов роста дебиторской задолженности над кредиторской в 2007 г. говорит о перетекании абсолютно ликвидных оборотных средств на расчетных счетах в дебиторскую задолженность, что, фактически, свидетельствует о временном извлечении из текущего хозяйственного оборота значительной доли оборотных средств и предоставлении предприятиям-должникам беспроцентного коммерческого кредита. Однако данная ситуация не является критичной для предприятия. В целях снижения дебиторской задолженности в 2008 г. на предприятии были разработаны и применены эффективные мероприятия по снижению дебиторской задолженности. В результате, коэффициент соотношения дебиторской и кредиторской задолженности на конец 2008 г. составил 0,84, что меньше на 0,16 единиц, чем в 2007 г.
|
Рисунок 14 - Динамика кредиторской и дебиторской задолженностей
Подводя итог, можно отметить, что, несмотря на небольшие трудности с оборачиваемостью оборотных активов, на начало I квартала 2009 г. УП «Карлиновгаз» является стабильным, платежеспособным, предприятием. Состояние его финансовых ресурсов, их распределение и использование обеспечивает бесперебойную работу, развитие предприятия, а так же его финансовую устойчивость, независимо от внешних источников финансирования.
2.3.5 Анализ питания предприятия энергетическими ресурсами и их потребления
В УП «Карлиновгаз» рациональное отношение к использованию энергоресурсов присутствовало всегда. Это один из основополагающих принципов работы предприятия. Но в условиях кризиса этот вопрос приобретает особую остроту.
Динамика энергоресурсов УП «Карлиновгаз» приведена в таблице 17 и на рисунке 15.
Таблица 17 – Динамика потребления энергоресурсов
| Наименование энергоносителя |
Потребление по годам, т.у.т. |
Ед. измер. |
Потребление по годам |
||||
| 2006 |
2007 |
2008 |
2006 |
2007 |
2008 |
||
| Топливо, в т.ч.: |
14899 |
13576 |
12961 |
||||
| производственные нужды: |
4493 |
4195 |
4219 |
||||
| природный газ |
1410 |
1256 |
1266 |
тыс.м3 |
1226 |
1092 |
1101 |
| сжиженный газ: |
3083 |
2939 |
2953 |
Тн |
1964 |
1872 |
1881 |
| транспортные расходы |
2693 |
2612 |
2590 |
Тн |
1725 |
1664 |
1643 |
| потери газа: |
10406 |
9381 |
8742 |
||||
| природного |
9843 |
8879 |
8269 |
тыс.м3 |
8559 |
7721 |
7190 |
| сжиженного |
563 |
502 |
473 |
Тн |
359 |
320 |
301 |
| Тепловая энергия, всего |
3551 |
4555 |
4071 |
Гкал |
20063 |
26031 |
23200 |
| в т.ч. производственные нужды |
3511 |
4555 |
4071 |
Гкал |
20063 |
26031 |
23200 |
| отпущено населению |
6 |
6 |
4 |
Гкал |
33 |
32 |
22 |
| Произведено собственными энергоисточниками (тепловая энергия отпущенная; электрическая энергия выработанная) |
3494 |
4542 |
4060 |
Гкал |
19964 |
25952 |
23139 |
| Получено от других организаций |
23 |
19 |
15 |
Гкал |
132 |
111 |
83 |
| Электрическая энергия |
1216 |
1337 |
1275 |
тыс.кВт.ч |
4343 |
4776 |
4552 |
| в т.ч. производственные нужды |
1216 |
1337 |
1275 |
тыс.кВт.ч |
4343 |
4776 |
4552 |
| Получено от других организаций |
1216 |
1337 |
1275 |
тыс.кВт.ч |
4343 |
4776 |
4552 |
| Итого потреблено, т.у.т. |
19666 |
19468 |
18307 |
||||

Рисунок 15 – Динамика потребления предприятием энергетических ресурсов
Анализируя данные в таблице 17 и диаграммы 15 можно отметить, что на предприятии наблюдается неравномерное потребление теплоресурсов, это относится к отрицательным факторам производства, потому что данные скачки не позволяют спланировать потребности предприятия на следующий год. В свою очередь это коренным образом влияет на прибыль и издержки предприятия.
Рассмотрим диаграмму на рисунке 16, по данным за 2008 г. можно отметить, что структура топливно-энергетического баланса на предприятии «Карлиновгаз» следующая: удельный вес тепловой энергии составляет 22,0 %, электроэнергии - 7 %, наибольший удельный вес занимает котельно-печное топливо, и оно составляет 71 % или 12961 т.у.т.

Рисунок 16 - Структура энергетического баланса 2008 г.
На предприятии значительная часть тепла производится в наиболее экономичном комбинированном цикле совместной выработки электрической и тепловой энергии. Как говорят данные таблицы 15, оно обеспечивает себя тепловой энергией собственного производства в размере 23139 Гкал или 99,6 %, в то время как сторонние источники составляют 0,35 %.
Котельные предприятия предназначены для централизованного теплоснабжения производственных и административных зданий, а также для обеспечения паром технологических процессов предприятия.
На балансе УП «Карлиновгаз» состоят 335 котельных с производительностью до 0,5 Гкал/ч и 8 шт. - свыше 0,5 Гкал/ч.
В теплоснабжении в основном используется один вид топлива – природный газ, потребление которого в целях производства тепловой энергии составляет 2600 т.у.т. в год. Система газоснабжения работает достаточно надежно и значительных перерывов в теплоснабжении из-за отключений подачи газа в последние годы не наблюдается.
В 2009 г. выполнявшаяся ранее предприятием работа по наполнению газовых баллонов в ремонтно-производственном участке (РПУ) – одном из производственных подразделений предприятия, - осуществляться не будет, в связи с изменением структуры производства. В котельной РПУ отпадёт необходимость вырабатывать тепловую энергию в виде пара на технологические нужды. Как правило, в таких случаях рассматривают возможности перевода котельных в водогрейный режим [13].
Для обеспечения выполнения главной задачи - бесперебойного и безаварийного газоснабжения потребителей, УП «Карлиновгаз» требуется замена изношенных и строительство новых участков газопроводов с применением новых материалов и современных технологий. Поскольку природный газ пришёл в область в 1957 г., то многие проложенные стальные газопроводы и установленные к ним требующие электричества станции катодной защиты уже имеют большой срок износа: 30 и более лет. Поэтому одним из основных стратегических направлений деятельности предприятия является поиск и изучение возможностей строительства распределительных сетей с учётом прогрессивных технологий и материалов.
По мнению многих ведущих специалистов, замещение используемых газовыми предприятиями стальных труб полиэтиленовыми трубами способно радикальным образом изменить способы и темпы газификации, сократить денежные, материальные ресурсы, вкладываемые в строительство и эксплуатацию газопроводных сетей (в первую очередь за счёт сокращения потребления электроэнергии) [14].
Оценка уровня эффективности использования ТЭР на исследуемом предприятии . Для оценки эффективности использования энергии в производстве, а также определения эффективности мероприятий по энергосбережению необходимы объективные показатели, которые могли бы отразить реальное использование энергоресурсов и давали бы возможность сопоставить результат оценки с максимальными возможностями обеспечения энергосбережения.
Эффективность функционирования энергетических объектов и промышленных предприятий определяется, прежде всего, долей энергетических затрат в себестоимости продукции. Чем ниже этот уровень, тем выше эффективность использования топливно-энергетических ресурсов и тем выше уровень прибыли предприятия [15]. Удельный вес ТЭР в объёме реализованной продукции рассмотрим с помощью рисунка 17.
Согласно, рисунку 17, сумма затрат УП «Карлиновгаз» на топливно-энергетические ресурсы увеличилась в 2007 г. на 6 процентных пунктов относительно 2006 г. В 2008 г. к предыдущему году – на 22,9 пункта, к 2006 г. – на 23,3. Это связано с более тёплой зимой 2007 г. и заменой в этом же году в филиалах предприятия котельного оборудования на котлы с более высоким КПД, вследствие чего были сокращены объёмы закупок тепловой энергии у сторонних организаций. После внедрения данных мероприятий в 2008 г. затраты на тепловую энергию, получаемую со стороны, составили 3119 млн. р. или 47 % от уровня 2007 г.

Рисунок 17 – Удельный вес ТЭР в объёме реализованной продукции
Предприятие несёт значительные расходы энергетических ресурсов на эксплуатацию транспорта, которые занимают достаточно высокий удельный вес в себестоимости реализации сжиженного газа – 11 % (см. табл. 8), в общей себестоимости реализованной продукции – 0,34 %. Эти затраты постоянно растут. Стоимость топлива выросла за последние три года на 77 %.
Слив топлива, отклонения от маршрута, простои на нем стали обыденной частью производственной жизни предприятия. Увеличивается себестоимость продукции, растет цена, уменьшается прибыль, снижается конкурентоспособность, замедляется рост и развитие предприятия, и так далее. Дороговизна новой техники должна компенсироваться увеличением срока ее службы, снижением эксплуатационных расходов, повышением надежности. При невозможности изменений технических характеристик самой техники неизменных условий хозяйствования, принципов управления ответом на подорожание топлива должно стать меньшее его потребление [16].
Используя данные таблицы 18, рассчитаем показатели энерговооружённости труда и сведём их в таблицу 19.
Таблица 18 – Расчёт показателей энерговооружённости труда
| Показатель |
Ед. измерения |
Расчёт |
||
| 2006 год |
2007 год |
2007 год |
||
| Энерговооруженность труда, Ам |
т.у.т./чел. |
16128/2629= =6,13 |
14932/2642= =5,7 |
14251/2594= =5,5 |
| Электровооруженность труда, Эт |
тыс.Кт |
4343/2629= =1,65 |
4776/2642= =1,8 |
4552/2594= =1,75 |
| Коэффициент электрификации, Э3 |
тыс.кВт |
4343/16128= =0,27 |
4776/14932==0,32 |
4552/14251= =0,32 |
Ежегодное снижение величины показателей энерговооруженности труда говорят о сокращении потребления предприятием энергоресурсов, получаемых со стороны.
Насколько эффективно используется энергия на предприятии определим, использовав таблицу 16.
Таблица 19 - Показатели эффективности использования энергии
| Показатели |
Ед. измерения |
Год |
Отклонение 2007г. к 2006г. |
Отклонение 2008г. к 2007г. |
Отклонение 2008г. к 2006г. |
|||||
| 2006 |
2007 |
2008 |
(+;-) |
% |
(+;-) |
% |
(+;-) |
% |
||
| Расход энергии |
млрд. р. |
4 |
5 |
6 |
+1 |
+25 |
+1 |
+19 |
+2 |
+49 |
| Объем выпущенной продукции |
млрд. р. |
437 |
770 |
975 |
+333 |
+76 |
+205 |
+27 |
+537 |
+123 |
| Энергоемкость |
р. |
0,009 |
0,007 |
0,006 |
-0,002 |
-22 |
-0,001 |
-14 |
-0,003 |
-33 |
| Энергоотдача |
р. |
105,8 |
148,8 |
158,4 |
+43 |
+41 |
+9,6 |
+6 |
+52,6 |
+50 |
Согласно данных таблицы 16, энергоёмкость продукции в период с 2006 г. по 2008 г. снизилась на 0,003 р. или на 33 %, что связано с уменьшением расхода энергетических ресурсов. Энергоотдача, как обратный показатель энергоемкости увеличилась на 52,5 р. или на 50 % и составила 158,4 р. Такое снижение энергоёмкости и увеличение энергоотдачи свидетельствует об эффективном и рациональном использовании энергетических ресурсов на предприятии, что может привести к снижению себестоимости выпускаемой продукции.
Так как в объем энергоемкости затрат помимо полезного расхода включаются и потери газа, образующиеся в процессе транспортировки газа и осуществления иных работ, связанных с производственной деятельностью, рассмотрим показатель, характеризующий степень их использования – коэффициент потерь.
Коэффициент потерь котельно-печного топлива 2006 г., 2007 г. и 2008 г. найдём по формуле 7. Подставив данные, соответственно получим
Кп2006= 10406/19666=0,529;
Кп2007=9381/19468=0,482;
Кп2008=8742/18307=0,478.
Наблюдаемое сокращение коэффициента потерь газа достигнуто за счет: ежегодной реконструкции узлов учета газа у потребителей, установки GSM связи на узлах учета; теплой зимы.
Одним из критериев эффективности энергосбережения, позволяющим оценить его динамику и тенденции, является показатель энергоэкономического уровня производства (ЭЭУП) [6].
ЭЭУП позволяет оценить уровень реализации энергосберегающих технологий, экономических тепловых схем, энергосберегающего оборудования и пр.
(21)
где D - результат хозяйственной деятельности предприятия, тыс.р.;
W - суммарное потребление энергоресурсов на технологические цели, т.у.т.
Таблица 20 - Расчет энергоэкономического уровня производства
| Показатели |
Единица измерения |
2006 г. |
2007 г. |
2008 г. |
| D |
млн. р. |
437786 |
770562 |
975295 |
| W |
т.у.т. |
19666 |
19468 |
18307 |
| ЭЭУП |
22,26 |
39,58 |
53,27 |
Возрастающая динамика ЭЭУП говорит об эффективной работе предприятия в области энергосбережения.
Вопросы потребления и экономии топливно-энергетических и материальных ресурсов рассматриваются на Совете предприятия, Техническом совете и при проведении собраний трудового коллектива.
В рамках выполнения Директивы №3 и целевого показателя на предприятии разработан План мероприятий по их реализации, Программа по энергосбережению. С целью жесткого контроля за потреблением топливно-энергетических ресурсов и расходованием материальных ресурсов на предприятии созданы комиссии по контролю за экономией и рациональным использованием топливно-энергетических и материальных ресурсов. Кроме этого, постоянный контроль за экономией и рациональным использованием топливно-энергетических и материальных ресурсов проводится со стороны внештатных инспекторов.
Показатель по энергосбережению – показатель, характеризующий деятельность предприятия по реализации мер, направленных на эффективное использование и экономное расходование топливно-энергетических ресурсов на всех стадиях из производства и потребления.
При расчёте показателя по энергосбережению используются показатель - прямые обобщённые энергетические затраты (ОЭЗ). Это суммарный расход котельно-печного топлива, тепловой и электроэнергии, полученных от других организаций и использованных на производственные и коммунально-бытовые нужды, выработку энергоносителей для их отпуска другим потребителям. ОЭЗ УП «Карлиновгаз» представлены в таблице 21.
Анализируя таблицу 21, можно сказать, что потребление энергоресурсов в течение трёх лет сократилось на 7 %, а объемы производства увеличились в два раза, что свидетельствует об эффективности работы оборудования и технологии производства.
Таблица 21 – Прямые обобщённые энергетические затраты
| Наименование показателя |
Натуральные единицы, т.у.т. |
Стоимостное выражение (действующие цены), тыс. р. |
||||
| 2006 г. |
2007 г. |
2008 г. |
2006 г. |
2007 г. |
2008 г. |
|
| ОЭЗ всего, в т.ч. по: |
16128 |
14932 |
14251 |
4139463 |
5179729 |
6158582 |
| котельно-печному топливу: |
14899 |
13576 |
12961 |
3729642 |
4640304 |
5627431 |
| природный газ |
11253 |
10135 |
9558 |
1223125 |
2115120 |
2576995 |
| сжиженный газ: |
3646 |
3441 |
3426 |
2506517 |
2525184 |
3050436 |
| транспортные расходы |
2693 |
2612 |
2580 |
1850479 |
1916293 |
2297631 |
| тепловой энергии. |
23 |
19 |
15 |
4285 |
4035 |
3119 |
| электрической энергии |
1216 |
1337 |
1275 |
405536 |
535390 |
528032 |
| Примечание. Тарифы на единицу энергии представлены в приложении Б |
||||||
Используя данные таблицы 21, рассчитаем показатель энергосбережения
(22)
где ОЭЗб, ОЭЗо – прямые обобщённые энергетические затраты базисного и отчётного лет, т.у.т.
%
Для объективной оценки целевого показателя по энергосбережению обобщённые энергозатраты базисного периода приводятся к сопоставимым условиям. В качестве сопоставимых условий учитываются факторы экономической и хозяйственной деятельности отчётного периода, связанные с изменением энергопотребления, но не отражающих работу по энергосбережению [17]. К сопоставимым условиям приводятся обобщённые энергозатраты базового периода.
(22)
где
,
- потери газа соответственно за 2007 г. И 2008 г.;
- обобщённые энергозатраты базисного периода, приведённые к сопоставимым условиям, т.у.т.
Обобщённые энергозатраты базисного периода ОЭЗбсу, т.у.т. приводятся к сопоставимым условиям по формуле 00:
=ОЭЗб+∑∆ОЭЗб (23)
где ОЭЗб – фактические обобщённые энергозатраты базисного периода;
∑∆ОЭЗб – величина, на которую должны быть уменьшены (увеличены) обобщённые энергозатраты в базисном периоде за счёт сопоставимых условий, влияние которых рассмотрим ниже. Далее ∑∆ОЭЗб будем называть поправкой.
При приведении обобщенных энергозатрат базисного года к сопоставимым условиям влияние факторов сопоставимых условий учитывается путем расчета поправок по каждому фактору:
1) строительство и ввод новых объектов бытовой и социально-культурной сферы
Увеличение (снижение) обобщенных энергозатрат определяется по формуле:
(24)
где
и
- обобщенные энергозатраты по введенным (выведенным) объектам соответственно отчётного и базисного года;
Поправка за счёт фактора на ввод в эксплуатацию новых объектов и оборудования составила:
=93,1 т.у.т.;
=50,9 т.у.т.
2) ввод в эксплуатацию производственных цехов
В 2008 г. произошло изменение условий обогрева производственных помещений за счёт увеличения площадей отопления в одном из цехов предприятия на 6,3 %.
Дополнительный расход тепла на отопление, связанный с приростом площадей отопления рассчитаем по формуле:
(25)
где Nот – норматив расхода теплоэнергии на 1 м2 в месяц, 0,01; т.у.т./м2
мес.);
S+ – ввод в эксплуатацию жилья за 12 месяцев, предшествующих отчетному периоду;
S– – списание жилья за аналогичный период;
n – количество месяцев работы отопления в отчетном периоде.
=0,01
31,0
(106,3-100,0) = 1,95 т.у.т.
В результате потребление энергоресурсов за счёт данного фактора увеличилось.
3) выполнение незапланированных работ, требующих дополнительных расходов электроэнергии
В 2008 г. на Руденской газонаполнительной станции проводился внутренний осмотр и освидетельствование сосудов, включающие в себя пропарку, чистку с мойкой, продувку паровой фазой сжиженных углеводородных газов (СУГ). Выполнение этих работ требуют дополнительных расходов электроэнергии, природного газа на выработку пара, воды и увеличивают расход СУГ на собственные нужды при продувке сосудов. На данные работы было затрачено: электроэнергия – 21 тыс. кВтч (6 т.у.т.), природный газ – 42 тыс. м3 (48 т.у.т.). Итого, величина поправки
составила 54 т.у.т.
4) температура наружного воздуха в отопительном периоде
Величина, на которую корректируются обобщенные энергозатраты базисного периода, определяется по формуле:
(26)
где tо, tб - средняя температура наружного воздуха отопительного периода в области соответственно в отчетном и базисном периодах, оС;
tн – нормативная температура воздуха в помещениях, оС;
Qб – расход условного топлива на отпуск тепловой энергии от собственных котельных в базисном году, т.у.т.
Подробный расчёт поправки по фактору «температура наружного воздуха в отопительном периоде» с использованием данных таблицы 22 и рисунка 18 представлен в Приложении В.

Рисунок 18
Таблица 22 - Средняя температура наружного воздуха в отопительный период
| Год |
Годовой отопительный период (7 месяцев), оС |
Средняя температура по месяцам, оС |
||||||
| Январь |
Февраль |
Март |
Апрель |
Октябрь |
Ноябрь |
Декабрь |
||
| 2008 |
2,72 |
-2,2 |
+0,7 |
+2,4 |
+9,1 |
+8,4 |
+2,2 |
-1,5 |
| 2007 |
1,64 |
+0,9 |
-7,1 |
+5,4 |
+6,6 |
+6,9 |
-0,3 |
-0,9 |
| 2006 |
0,5 |
- 8,4 |
-7,0 |
-2,8 |
+7,5 |
+8,4 |
+3,1 |
-0,1 |
Изображённый на рисунке 18 график, отражает наглядную динамику потребления тепловой энергии в течение 2008 г. и говорит, что потребление данного вида энергии на предприятии имеет сильную сезонную зависимость
По результатам расчётов, поправка за счёт изменения температуры наружного воздуха составила
∆ОЭЗt2007=-17 т.у.т; ∆ОЭЗt2008= -108,7 т.у.т.
5) продолжительность отопительного периода
Рассчитаем поправку за счёт влияния данного фактора:
∆ОЭЗооп =
(27)
где Тбокт и Тоокт - продолжительность отопительного периода в октябре-месяце соответственно базисного года и отчётного лет.
∆ОЭЗ2008оп=
т.у.т; ∆ОЭЗ2007оп= т.у.т.
6) Темпы изменения объемов производства продукции промышленности:
∆ОЭЗбб = ОЭЗпрб
β
( Joпп-100)/100 (28)
где ОЭЗпрб - обобщённые энергозатраты, связанные с производством продукции промышленности, в базисном периоде;
β – доля энергозатрат, зависящих от изменения объёмов производства продукции промышленности;
Joпп – темпы изменения объёмов производства продукции промышленности в сопоставимых ценах, %.
∆ОЭЗпп2007 =1345
(127-100)/100=161 т.у.т.;
∆ОЭЗпп2008=2272
(103-100)/100=83,1 т.у.т.
Суммарная величина поправок ∑∆ОЭЗб составила: в 2007 г. - 361 т.у.т.; в 2008 г. – 165 т.у.т.
Итак, показатель энергосбережения УП «Карлиновгаз» в 2007 и 2008 г. с учётом сопоставимых условий равен
;
.
За 2007 год показатель энергосбережения предприятия составил -9,3 % при плане в 8 %, за 2008 г. – 9,1 % при плане 9,0 %.
Из результатов расчётов следует, что в УП «Карлиновгаз» выполняется доведенный целевой показатель по экономии топливно-энергетических ресурсов, это говорит об эффективности проводимых предприятием энергосберегающих мероприятий.
В результате внедрения организационно-технических мероприятий в УП «Карлиновгаз» сокращено топливно-энергетических ресурсов в 2007 г. – 1196 т.у.т., в 2008 г. – 681 т.у.т., за счёт чего был получен экономический эффект на сумму 71 млн. р. и 152 млн. р. соответственно.
Для дальнейшей экономии энергоресурсов в УП «Карлиновгаз» я предлагаю введение следующих мероприятий:
- Разработка проекта по реконструкции котлоагрегата, в результате чего
предприятие сможет достичь снижения расхода тепло- и электроэнергии на производственные нужды.
- Внедрение системы GPS-мониторинга автотранспорта, способной дисциплинировать водителей и позволяющих оптимизировать маршруты движения автотранспорта, анализировать работу водителя и автомобиля (время простоев, отклонения от маршрутов, пройденный километраж), тем самым способствовать экономии топлива;
- Совершенствование технологии строительства газопроводов, что позволит сократить расходы на закупку материала и сэкономить электроэнергию.
3. Мероприятия по совершенствованию энергосберегающей деятельности УП «Карлиновгаз»
3.1 Разработка проекта по реконструкции котлоагрегата
В УП «Карлиновгаз» в связи с изменением структуры производства в 2009 г. паровой нагрузки в котельной ремонтно-производственного управления (РПУ) - одного из производственных подразделений УП «Карлиновгаз», - больше не будет, она станет работать исключительно на отопление [18].
Рассмотрим более подробно схему работы данной котельной. В таблице 00 представлен расход топлива (природный газ) и выработка тепловой энергии РПУ за 2008 год.
Таблица 23 - Расход топлива (природный газ) и выработка тепловой энергии РПУ за 2008 год
| Выработано тепловой энергии, Гкал |
Норматив, кг у.т./Гкал |
Норматив, кВт |
Расход, т.у.т./ тыс. кВт |
||
| Норма |
Факт |
Норма |
Факт |
||
| 3363 |
163,5 |
163,5 |
30,0 |
30,0 |
550/101 |
Теплоносителем в изучаемой котельной является пар под давлением 5 кгс/см2 и температурой 120оС. Основным потребителем пара является технологическое оборудование для пропаривания баллонов, автоцистерн и резервуаров для хранения топлива. Для нужд отопления установлено 2 скоростных пароводяных теплообменника.
Основное топливо – природный газ, резервное – отсутствует. Подпитка осуществляется от системы центрального водоснабжения через подогреватель, фильтры и поступает в котлоагрегаты.
В базовом режиме работают котлоагрегаты ДКВР-4/13 №1 и №2 попеременно, котельная работает круглогодично, с остановками на ремонт и профилактику 25-30 дней в году.
Перечень основного оборудования котельной представлен в таблице 24.
Таблица 24
| Наименование оборудования |
Мощность, кВт |
Кол-во, шт. |
| 1 Дутьевой вентилятор |
22,0 |
2 |
| 2 Дымосос |
22,0 |
2 |
| 3 Насос сетевой |
45,0 |
1 |
| 4 Насос сетевой |
30,0 |
2 |
| 5 Подпиточный насос |
4,0 |
2 |
| 6 Питательный насос |
30,0 |
2 |
| 7 Автоматика |
0,5 |
2 |
| 8 Дэаэратор |
- |
1 |
| 9 Пароводяной подогреватель |
- |
2 |
| 10 Освещение |
1,8 |
- |
Одним из наиболее выгодных мероприятий, повышающим экономичность и надежность работы котельных, является перевод паровых котлоагрегатов ДКВР-4/13 в водогрейный режим, когда подогрев сетевой воды осуществляется непосредственно в котле, с целью экономии топлива и затрат на эксплуатацию котельной. Данная реконструкция котельной позволяет не только значительно продлить срок службы котлов, но и существенно (на 20-25 %) увеличить КПД котельной [13, 19, 20].
Приведём основные преимущества перевода котлоагрегатов ДКВР-4/13 РПУ из парового режима работы в водогрейный:
1) КПД передачи тепла сгорания топлива сетевой воде теплосети повышается на 8-9 % от исходного состояния, за счет прямого подогрева сетевой воды в котле;
2) переводятся в резерв или полностью исключаются из работы подогреватели сетевой воды, которые требуют:
а) внутреннего осмотра, что связано с демонтажем крышек;
б) поддержания подогревателей в рабочем состоянии (периодические
мелкие и средние ремонты);
в) поддержания в рабочем состоянии тепловой схемы подогревателей;
трудозатрат эксплуатационного персонала на поддержание определенного их режима работы.
3) упрощается автоматизация регулирования температуры сетевой воды теплосети - непосредственно подачей топлива в котел, а не расходом пара в подогреватели. Это исключает перерасход топлива на регулирование необходимой тепловой нагрузки котельной;
4) возможность использования котлов, которые выработали свой ресурс;
5) отпадает необходимость в питательных насосах, что снижает затраты электроэнергии на собственные нужды;
6) отпадает необходимость в непрерывной продувке котла.
Таким образом, при переводе паровых котлоагрегатов в водогрейный режим экономический эффект достигается за счёт:
- снижения расхода тепла на собственные нужды: потери тепла с продувкой котлов, потери тепла в паропроводах и пароводяных теплообменниках, потери тепла с потерей конденсата;
- снижения расхода электрической энергии на производственные нужды: на питательные насосы, на конденсатные насосы;
- снижения затрат на химводоподготовку: фильтрование, осветление, умягчение, обессоливание и дегазацию воды.
Расчет капитальных вложений и годовой экономии произведем в соответствии с методическими рекомендациями по составлению технико-экономических обоснований для энергосберегающих мероприятий, разрабатываемыми Комитетом по энергоэффективности при Совете Министров Республики Беларусь.
Определим удельный расход топлива на отпуск тепловой энергии
, кг у.т./Гкал после перевода котлоагрегата в водогрейный режим по формуле 29, используя данные таблицы 25.
Снижение удельного расхода топлива на отпуск тепловой энергии вызвано снижением расхода тепла на собственные нужды на 1,5 %:
(29)
где
- фактический удельный расход топлива на отпуск тепловой энергии парового котлоагрегата, кг у.т./Гкал;
- коэффициент полезного действия парового котлоагрегата, %;
- коэффициент полезного действия в водогрейном режиме, %.
(30)
где
- коэффициент расхода тепловой энергии на собственные нужды для паровой котельной, %.
Таблица 25 – Параметры работы ДКВР-4/13
| Наименование показателя |
Значение |
| Производительность котлоагрегата, т/ч |
4,00 |
| КПД брутто (паровой режим), % |
91,0 |
| КПД брутто (водогрейный режим), % |
92,5 |
| Удельный расход условного топлива на 1 Гкал тепловой энергии (паровой режим) |
163,5 |
| Коэффициент расхода тепловой энергии на собственные нужды (паровой режим) – природный газ, % |
5,5 |
| Среднечасовая нагрузка котельной, Гкал/ч |
2,6 |
| Число часов работы котельной в году, ч |
5500 |
Подставив данные, получим
![]()
кг у.т./Гкал
Определим экономию условного топлива BЕ, т.у.т. от изменения КПД котлоагрегата:
, (31)
где
- среднечасовая нагрузка котельной, Гкал/ч;
- число часов работы котельной в году, ч;
т.у.т.
Определим снижение расхода электрической энергии Э, тыс. кВт
ч после перевода на водогрейный режим.
Фактический удельный расход электроэнергии Эфтэ на отпуск тепловой энергии для паровой котельной составляет 30 кВт
ч/Гкал, для котельной, работающей в водогрейном режиме, Эвтэ – 20- 25 кВт
ч/Гкал.
, (32)
тыс. кВт
ч или 20,02 т.у.т.
Суммарная экономия ТЭР при переводе котельной в водогрейный режим составляет 58,6 т.у.т. или 16,6 млн. р.
Капитальные затраты К, млн. р. на перевод котельной в водогрейный режим составят:
(33)
где Соб – стоимость оборудования, млн. р.;
Сп – стоимость проекта перевода котла в водогрейный режим, млн. р.;
Ссмр – стоимость строительно-монтажных работ — 5 % от стоимости оборудования, млн. р.;
Спн – стоимость пусконаладочных работ — 3 % от стоимости оборудования, млн. р.
K =48,0+8,0+0,05
48,0+0,03
48,0=59,9 млн. р.
Итак, внедрение энергосберегающего мероприятия на предприятии требует капитальных вложений в размере 59,9 млн. р. Расчетная годовая экономия – 16,6 млн. р. За расчетный период, в течение которого осуществляются инвестиции и эксплуатация оборудования, а также извлекается доход от реализации мероприятия, принимается 10 лет.
Для принятия решения о финансировании энергосберегающего мероприятия выполняется оценка эффективности использования средств, направляемых на реализацию энергосберегающих мероприятий, которая производится на основании следующей системы показателей:
1) простой срок окупаемости (Тп), не более 5 лет;
2) динамический срок окупаемости (Тд), не более 8 лет;
3) чистый дисконтированный доход (ДД), более 0;
4) внутренняя норма доходности (Евн), более Е – нормативной ставки дисконтирования;
5) индекс прибыльности (Пи) более 1,0.
Определим простой срок окупаемости капитальных вложений Срок, лет:
, (34)
где К – капитальные вложения (или инвестиции) в реализацию данного
мероприятия (из всех источников финансирования), млн. р.;
Э - годовая экономия топливно-энергетических ресурсов, получаемая
от реализации данного мероприятия (в денежном выражении), млн. р.
Подставив данные, получим
лет
Рассчитанный простой срок окупаемости соответствует принимаемой величине показателя.
Для принятия решения о финансировании энергосберегающего мероприятия рассчитываются чистый дисконтированный доход (ЧДД), внутренняя норма доходности (Евн) и индекс прибыльности (Пи).
Метод, учитывающий стоимость денег с учетом доходов будущего периода, называется дисконтированием. В целях оценки энергосберегающего мероприятия этот термин означает приведение «будущей стоимости» денег к «настоящей стоимости» при помощи годового процента, называемого ставкой дисконтирования.
, (35)
где НС - настоящая стоимость, млн. р.;
БС - будущая стоимость, млн. р.;
- коэффициент дисконтирования, определяемый по формуле:
, (36)
где Е - ставка дисконтирования;
Т - период, в течение которого осуществляются инвестиции и эксплуатация оборудования, а также извлекается доход от реализации мероприятия, лет.
Чистый дисконтированный доход ЧДД (превышение дохода над затратами нарастающим итогом за расчетный период Т с учетом дисконтирования) рассчитывается по формуле:
, (37)
где Дt – денежные поступления (выручка, дивиденды и др.) от реализации мероприятия в t-м году, млн. р.;
Иt - инвестиции (капитальные вложения) в t-м году, млн. р.;
Результаты расчётов «настоящей стоимости» годовой экономии и чистого дисконтированного дохода при нормативной ставке дисконтирования Е1=0,1 и при ставке дисконтирования Е2=0,13 сведены в таблицу 26.
Таблица 26 – Расчёт чистого дисконтированного дохода
| Год |
|
|
Капитальные вложения |
Экономия |
Настоящая стоимость, Е=0,10 |
Настоящая стоимость, Е=0,13 |
ЧДД при Е=0,10 |
ЧДД при Е=0,13 |
| 0 |
1 |
1 |
59,9 |
- |
- |
- |
-59,9 |
-59,9 |
| 1 |
0,909 |
0,885 |
- |
16,6 |
15,091 |
14,690 |
-44,809 |
-45,210 |
| 2 |
0,826 |
0,783 |
- |
16,6 |
13,719 |
13,000 |
-31,090 |
-32,209 |
| 3 |
0,751 |
0,693 |
- |
16,6 |
12,472 |
11,505 |
-18,618 |
-20,705 |
| 4 |
0,683 |
0,613 |
- |
16,6 |
11,338 |
10,181 |
-7,280 |
-10,524 |
| 5 |
0,621 |
0,560 |
- |
16,6 |
10,307 |
9,294 |
3,027 |
-1,230 |
| 6 |
0,564 |
0,480 |
- |
16,6 |
9,370 |
7,973 |
12,397 |
6,744 |
| 7 |
0,513 |
0,425 |
- |
16,6 |
8,518 |
7,056 |
20,916 |
13,800 |
| 8 |
0,467 |
0,376 |
- |
16,6 |
7,744 |
6,244 |
28,660 |
20,044 |
| 9 |
0,424 |
0,333 |
- |
16,6 |
7,040 |
5,526 |
35,700 |
25,570 |
| 10 |
0,386 |
0,313 |
16,6 |
6,400 |
5,204 |
42,100 |
30,773 |
|
| Итого |
59,9 |
166 |
102,000 |
90,673 |
Как видно из таблицы ЧДД имеет положительное значение и за 10 лет реализации проекта составит 30,773 млн. р.
Внутренняя норма доходности Евн (значение ставки дисконтирования, при которой чистый дисконтированный доход равен нулю) выводится путем решения следующего уравнения
, (38)
Определим внутреннюю норму доходности, построив график при значениях чистого дисконтированного дохода в пятом году ДД5=(+3,027) млн. р. при Е1=0,1 и ДД5=(-1,230) млн. р. при Е2=0,13 (год, в котором чистый дисконтированный доход имеет положительное и отрицательное значения).

Рисунок 19 – Определение внутренней нормы доходности
Внутренняя норма доходности определяется в точке, соответствующей нулевому значению ЧДД и равна 0,124 (см. таблицу 26 и рисунок 19).
Динамический срок окупаемости (Тд), или срок возмещения затрат, определим графическим методом (рисунок 20).
Точка пересечения кривой с осью X определяет динамический срок окупаемости, который, согласно рисунку 20, равен 4,8 лет, что соответствует устанавливаемой величине нормативного показателя. Фактический период времени, в течение которого инвестиционные вложения покрываются суммарными доходами от внедрения мероприятия, т.е. фактический срок возможного возврата кредита или других заемных инвестиций, составит пять лет.

Рисунок 20 - Определение динамического срока окупаемости
При расчете индекса прибыльности используем формулу 39.
, (39)
Подставив итоговое значение графы «Настоящая стоимость, Е=1,1» и значение капитальных вложений из таблицы 26, получим
![]()
Показатель индекса прибыльности составляет значительно лучше уровня нормативного - 1,7.
Таким образом, в результате расчета полученные значения чистого дисконтированного дохода, внутренней нормы доходности и индекса прибыльности подтверждают эффективность использования средств, направляемых на выполнение данного энергосберегающего мероприятия – перевода теплового котлоагрегата в водогрейный режим.
3.2 Совершенствование технологии строительства газопроводов
Одним из направлений сокращения потребления энергетических ресурсов и снижения себестоимости реализации продукции УП «Карлиновгаз» является совершенствование технологии строительства газопроводов. Технология строительства газопроводов в УП «Карлиновгаз» сегодня связана, в основном, с применением стальных труб. В этой связи целесообразно было бы рассмотреть возможность использования на предприятии более современного материала – полиэтиленовых труб.
Применение пластмассовых труб насчитывает более 50 лет. Впервые они были использованы в странах Западной Европы при строительстве канализационных систем и водопроводов. Европейские страны ныне занимают лидирующее место по потреблению труб из пластмасс. Только Германия, Италия, Франция и Великобритания потребляют 80 % всего их производства. Постепенно применение этой технологии расширяется, все более завоевывая рынок Беларуси и вытесняя трубы, изготовляемые из привычных традиционных материалов (чугун, медь, сталь).
Газопроводные трубы в зависимости от материала, из которого они изготовлены, могут иметь разную себестоимость (иногда достаточно высокую), срок службы, долговечность, различаются и затраты на эксплуатацию, в т.ч.. на защиту от коррозии, гидравлические потери энергии.
Полиэтиленовые трубы в отношении к стальным, применяемым на предприятии, обладают целым рядом преимуществ, определяющих целесообразность и высокую эффективность их использования.
Уникальность технических свойств полиэтиленовых труб является в том, что со временем свойства не только не изменяются, а наоборот только улучшаются: улучшается гладкость внутренней стенки, которая полируется мелким абразивным материалом в ходе эксплуатации и увеличивается внутренний диаметр трубы в процессе полимерного расширения. Полиэтилен не подвержен коррозии и, следовательно, внутренний диаметр трубы остается постоянен, а не сужается как в случае стальных труб (его коэффициент шероховатости в 7 раз выше, чем в полиэтиленовых трубах), тем более, что на внутренних стенках металлической трубы постепенно осаждается тонкодисперсный материал, который в виде взвесей находится в газе. Внутренняя поверхность полиэтиленовой трубы со временем становится более мягкой и гладкой, вследствие набухания граничного слоя полимера и возникновения специфического поверхностного эффекта эластичности, который улучшает условия обтекания стенки трубы и снижает сопротивление движению. В связи с вышесказанным, с использованием полиэтиленовых труб исключаются меры электрохимической и механической защиты газопроводов – трудоемких и дорогостоящих, требующих немалых энергетических затрат.
Гибкость полиэтиленовых труб упрощает строительство и позволяет отказаться от покупки отводов. Надежность соединений и гибкость ПЭ труб и делают полиэтиленовые газопроводы незаменимыми в сейсмически активных областях и в местах, где возможны подвижки почвы. Увеличение длины на 10 % не изменяет ее выносливости. Сшитый полиэтилен обладает молекулярной памятью: в процессе монтажа труба самоусаживается на фитинге (соединительная часть трубопровода), образуя соединение, прочность которого выше прочности самой трубы.
Строительство металлического трубопровода гораздо хлопотнее и дороже: трубы надо изолировать, затем проверять изоляцию, затем изолировать стыки и проверять изоляцию в местах стыков, к тому же надо установить и в последующем эксплуатировать станцию электрохимической защиты. Полиэтиленовые трубопроводы не нуждаются в изоляции. Произведём сравнительный анализ стоимости труб сталь-полиэтилен в расчёте на 1 км с помощью таблицы 27.
Таблица 27 - Примерное отношение стоимости труб сталь-полиэтилен на километр
| Диаметр трубы, мм |
Стоимость километра трубы, тыс. р. |
Стоимость изоляции, тыс. р. |
|||
| сталь |
полиэтилен |
сталь |
Полиэтилен без изоляции |
сталь |
полиэтилен |
| 20х2 |
20х3 |
1200 |
600 |
- |
не требуется |
| 25х3 |
25х3 |
2200 |
900 |
- |
не требуется |
| 32х3,2 |
32х3 |
3100 |
1420 |
- |
не требуется |
| 40х3,5 |
40х3,7 |
6300 |
3200 |
- |
не требуется |
| 57х3,5 |
50х4,6 |
10700 |
6500 |
17500 |
не требуется |
| 108х4 |
110х6,3 |
22500 |
26100 |
28500 |
не требуется |
| 159х4,5 |
160х9,1 |
29000 |
33510 |
37280 |
не требуется |
| 159х5 |
160х14,6 |
34120 |
38150 |
37280 |
не требуется |
| Примечание. Цены указаны с НДС со складов |
|||||
По данным таблицы 27 видно, что стоимость полиэтиленовых труб малого диаметра значительно ниже стоимости стальных соответствующего диаметра. То есть экономичность применения полиэтиленовых труб увеличивается с уменьшением диаметра и толщины стенок. Стоимость полиэтиленовых труб диаметром более 100 мм превышает стоимость стальных труб, но, учитывая, что полиэтиленовые трубы не нуждаются в изоляции в отличии от стальных, стоимость стальной изолированной трубы будет превышать стоимость полиэтиленовой.
Технология соединения труб и их укладка в траншеи сильно упрощены. Для сварки полиэтиленовых труб не требуется тяжелая техника. Сварные и электросварные соединения, используемые для монтажа трубопроводов из полиэтиленовых труб, не требуют дополнительных расходных материалов, имеют высокую прочность, герметичны и стойки к внешним разрушающим воздействиям в процессе монтажа и эксплуатации.
Значительно ниже потребление электроэнергии (либо топлива) по сравнению со сваркой стальных труб. А применение так называемых «длинномерных труб» (на катушках или в бухтах) снижает количество сварных соединений в 50-100 раз. Все это значительно ускоряет строительство полиэтиленового трубопровода и снижает стоимость монтажа.
Рассмотрим количество рабочих, занятых на строительстве газопровода при помощи таблицы 28.
Таблица 28 - Количество рабочих, занятых на строительстве газопровода
| Стальной газопровод |
Полиэтиленовый газопровод |
||
| профессия |
количество |
профессия |
количество |
| электрогазосварщик |
1 человек |
сварщик полиэтиленовых труб |
1 человек |
| слесарь |
2 человека |
слесарь |
1 человек |
| изолировщик |
1 человек |
- |
- |
| водитель-слесарь |
1 человек |
водитель-слесарь |
1 человек |
| водитель автотягача с полуприцепом |
1 человек |
водитель автотягача с полуприцепом |
1 человек |
| автокрановщик или механизатор |
1 человек |
||
| дефектоскопист |
2 человека |
||
| Итого: |
9 человек |
Итого: |
4 человека |
Как видно из таблицы 28, количество рабочих, занятых на строительстве полиэтиленового газопровода, практически в два раза меньше, чем на строительстве стального. Таким образом, затраты труда при использовании полиэтиленовых труб в строительстве газопроводов меньше в два-четыре раза, чем при монтаже аналогичных стальных конструкций.
Преимущество в массе полиэтиленовых труб перед стальными рассмотрим с помощью данных таблицы 29.
Таблица 29 - Сравнительная масса километра металлических и полиэтиленовых труб
| Диаметр трубы, мм |
Масса трубы, т |
Отношение сталь/полиэтилен |
||
| сталь |
полиэтилен |
сталь |
полиэтилен |
|
| 20х2 |
20х3 |
0,888 |
0,161 |
5,51 |
| 25х3 |
25х3 |
1,630 |
0,209 |
7,8 |
| 32х3,2 |
32х3 |
2,280 |
0,275 |
8,3 |
| 40х3,5 |
40х3,7 |
3,150 |
0,424 |
7,4 |
| 57х3,5 |
63х5,8 |
4,620 |
1,048 |
4,4 |
| 108х4,0 |
110х6,3 |
10,260 |
2,065 |
4,97 |
| 108х4,5 |
110х10 |
11,490 |
3,160 |
3,64 |
| 159х4,0 |
160х9,1 |
15,290 |
4,339 |
3,52 |
| 159х5,0 |
160х14,6 |
18,950 |
6,708 |
2,83 |
По данным таблицы 29 можно утверждать, что стальные трубы в 3-8 раз тяжелее полиэтиленовых. Одно транспортное средство перевозит в 2-4 раза больше ПЭ труб, чем стальных. В связи с лёгкостью перемещения полиэтиленовых труб при монтаже не требуют грузоподъемных механизмов. А применение так называемых «длинномерных труб» (на катушках или в бутах) снижает количество сварных соединений в 50-100 раз. Все это значительно ускоряет строительство полиэтиленового трубопровода и снижает стоимость.
И главное преимущество полиэтиленовых газопроводов над стальными – расчетная долговечность и фактический срок службы материала. Гарантийный срок службы газопровода из полиэтиленовых труб составляет 50 лет, расчетный срок — до 300 лет, в то время как у стальных срок эксплуатации вряд ли превысит 30 лет.
В связи с вышесказанным, в целях снижения капитальных вложений и энергетических ресурсов, в УП «Карлиновгаз» при строительстве газопроводов предлагается применять полиэтиленовые трубы взамен стальных.
Целью обоснования экономической эффективности данного энергосберегающего мероприятия произведём расчёт экономии энергоресурсов при его применении.
Плановое строительство газопроводов в 2009 г. по области составляет 100 км. При эксплуатации стальных газопроводов, необходимо на каждые 5 км газопровода устанавливать станцию катодной защиты (СКЗ) для защиты их от коррозии. СКЗ с установленной мощностью N=0,6 кВт работает круглогодично и круглосуточно, что составляет 8760 ч.
Определим расход электрической энергии W, тыс. кВт*ч при установке СКЗ по формуле:
, (40)
где Ки – коэффициент использования;
Т – число часов работы в год, ч;
Nф – фактическая мощность установленного оборудования, кВт;
К – количество установленного оборудования, шт.
W=0,5
8760
1,2
25
10-3=131,4 тыс. кВт·ч
Годовая экономия условного топлива ∆B, т.у.т. от совершенствования технологии строительства газопровода с учетом потерь на транспорт электроэнергии в электросетях (с учетом распределительных) составит:
(41)
где
- средний удельный расход условного топлива на отпуск электроэнергии в энергосистеме (с учетом перетоков), 0,28×10-3 т.у.т./кВт·ч;
- потери электроэнергии в электросетях (с учетом распределительных) энергосистемы концерна «Белэнерго», 10,5 %.
т.у.т.
Годовой экономический эффект от экономии электроэнергии Э, млн. р., вычислим по формуле:
(42)
где С – тариф на электроэнергию, р./кВт.·ч.
![]()
Капиталовложение в мероприятие рассчитаем, используя формулы 43-44 и таблицу 00. Результаты расчётов представлены в последней.
(43)
(44)
где
,
,
- стоимость 100 км полиэтиленовых труб, стальных труб и СКЗ соответственно;
,
- стоимость сварочно-ремонтных работ по установке полиэтиленового и стального газопроводов, соответственно: 80 % от стоимости ПЭ трубы; 160 % - от стальной;
,
- стоимость земляных работ по установке полиэтиленового и стального газопровода соответственно: 12 % от стоимости ПЭ трубы; 20 % - от стальной.
Таблица 27 – Стоимость прокладки 100 км газопровода
| Диаметр (мм) |
Мате-риал |
Стои-мость труб (млн.р.) |
Стои-мость катодной защиты, 25 шт. (млн. р.) |
Стои-мость земляных работ (млн.р.) |
Стоимость сварочно-ремонтных работ (млн.р.) |
Общая стои-мость (млн. р.) |
Общая стои-мость на 1 км (млн. р) |
| 110*10 |
Сталь |
2850 |
75 |
633 |
4275 |
8228 |
82,2 |
| 108*10 |
Поли-этилен |
2610 |
309 |
2163 |
5082 |
50,8 |
Расчёт капиталовложений в строительство 100 км полиэтиленовых газопроводов имеет вид
Спэ=2610+309+2163=5082 млн. р.
Сст=2850+75+633+4275=8228 млн. р.
Суммарные годовые денежные вложения в строительство и эксплуатацию стального газопровода, Сст(сумм) рассчитаем по формуле:
Сст(сумм)=Сст+Эг, (45)
где Сст – капиталовложения в строительство 100 км стального газопровода, млн. р.;
Эг – годовой экономический эффект от экономии электрической энергии, млн. р.
Сст(сумм)=8228+15,2=8243,2 млн. р.
Расчет годовой общей экономической эффективности при реализации результатов работы оценивается по формуле:
Э = ΔС
Д, (46)
где Э – годовой экономический эффект, млн. р.;
ΔС – годовой выигрыш в стоимости строительства и эксплуатации газопровода из полиэтиленовых труб против стальных труб, млн. р.
Д – протяженность газопроводов, прокладываемых за год, км погонных. По данным УП «Карлиновгаз» плановое строительство газопроводов в 2009 году составляет 100 км.
Подставив данные в формулу 46, получим
Э=8243,2-5082=3161 млн. р.
Таким образом, общий годовой экономический эффект от предлагаемого мероприятия составил 3161 млн. р.
Капитальные затраты на строительство газопроводов из полиэтиленовых труб ниже в 1,6 раза, чем из стальных, и эта разница в денежном выражении составляет 3146 млн. р. К тому же достигается экономия денежных средств в эксплуатационных расходах на 15,2 млн. р. за счёт экономии электроэнергии на 40,7 т.у.т.
Исходя из того, что в предлагаемом мероприятии по сокращению потребления электроэнергии при переходе от одной технологии строительства газопровода на другую достигается экономия денежных средств, а не осуществляется их дополнительное вложение, отпадает необходимость рассчитывать такие показатели эффективности использования инвестируемых средств, как срок окупаемости и чистый дисконтированный доход.
На основе анализа основных сравнительных характеристик затрат при строительстве газопровода явилось следующее: строительство с использованием полиэтиленовых труб экономически и технически рентабельней, чем стальных. Поясним, упрощаются прокладка, процесс соединения труб, ПЭ трубопроводам не требуется антикоррозионная катодная защита. Выигрыш за счет габаритности полиэтиленовых труб (несмотря на одинаковые линейные размеры, они от трёх до пяти раз легче стальных) заметно сокращает расходы на транспортировку, а также упрощает монтаж, вследствие чего сокращаются трудовые расходы. Увеличивается в два-три раза до 50 лет срок эксплуатации газопровода, что ведёт к существенному снижению ежегодных амортизационных отчислений.
Оценка эффективности использования средств, направляемых на реализацию энергосберегающего мероприятия – совершенствование технологии строительства газопроводов, - доказала, что его можно рассматривать как эффективный метод энергосбережения на предприятии.
3.3 Внедрение системы GPS-мониторинга автотранспорта
Предлагаемая для внедрения в УП «Карлиновгаз» Система GPS Мониторинга Безопасности и Управления подвижными объектами (Teletrak) позволит обеспечить централизованный контроль и управление подвижными объектами предприятия. Эта система для удалённого мониторинга на электронных картах местности представляет собой программно-аппаратный комплекс и позволяет осуществлять оперативное управление, контроль и анализ деятельности отдельного транспортного средства и повысить экономическую эффективность его работы не за счет приобретения дополнительных транспортных единиц, а за счет эффективного использования уже имеющихся.
Система GPS-мониторинга позволяет узнать точное местоположение автотранспорта, подсчитать его пробег, расход топлива вычислить оптимальный маршрут движения. Таким образом, существенно повышается эффективность работы предприятия в целом.
Экономический эффект от GPS мониторинга достигается за счет следующих оптимизационных процессов:
1) Снижение пробега автотранспорта.
Снижение пробега транспорта достигается, во-первых, за счет более эффективного оперативного управления перевозками, транспортной логистики. Диспетчер, имеющий перед глазами полную картину – где находятся автомобили в каком состоянии исполнение выданных водителю заказов, - имеет возможность отправить на задание более близкий автомобиль.
Вторая причина, по которой уменьшается средний пробег автотранспорта – исключение несанкционированных рейсов и необоснованных простоев.
2) Снижение расхода горюче-смазочных материалов (ГСМ)
Расход ГСМ снижается, во-первых, за счет уменьшения пробега. Во-вторых, – при подключении датчика уровня топлива в системе отражается вся информация о том, какое количество топлива, было заправлено (или слито), с указанием места и времени заправки (или слива). Эта информация практически исключает возможность незамеченных сливов топлива и последующих накруток спидометра.
3) Эффективное управление персоналом.
На основании данных, накапливающихся в системе, многие предприятия имеют возможность более эффективно влиять на работу персонала. Это является организационной составляющей предлагаемого мероприятия. По сложившемуся опыту после установки системы и ее работы в течение месяца, руководство предприятий проводит серьезную профилактическую работу среди водительского состава, несколько человек могут быть уволены, остальным – разъясняются дальнейшие условия работы. Этим достигается оздоровление коллектива, а также обеспечивается длительная и эффективная работа системы GPS мониторинга транспорта.
В некоторых случаях внедрение системы позволяет сократить штат обслуживающего персонала (диспетчера, механики), что ведёт к сокращению затрат на заработную плату.
4) В более масштабном плане экономический эффект от внедрения системы GPS мониторинга транспорта можно обнаружить в повышении качества обслуживания клиентов, снижение себестоимости услуг (и цен на них), - и как результат – повышение конкурентоспособности на своем рынке и за счет этого выход на лидирующие позиции и рост оборотов и, соответственно, рост прибыли.
Принцип работы Системы GPS Мониторинга Безопасности и Управления подвижными объектами. На каждом подвижном объекте устанавливается оборудование, которое осуществляет определение географических координат, направление и скорость его движения при помощи спутниковой системы GPS. Бортовая аппаратура также выполняет контроль различных датчиков, установленных на объекте (уровня топлива, температуры, открывания-закрывания дверей и т.п.).
Полученную информацию оборудование передаёт на диспетчерский пульт через канал сотовой связи GSM (GPRS), где оператор системы на своём рабочем месте наблюдает в реальном времени местоположение подвижных объектов на карте местности, и следит за их состоянием. Поступление информации гарантировано вне зависимости от региона нахождения транспортного средства, времени суток, погодных условий и желания водителя. Обновление информации происходит каждые 30 сек (задаваемый параметр).
Схема работы спутникового мониторинга и диспетчеризации транспорта «Teletrack» представлена на рисунке 21.
По результатам оперативной информации за определённый период времени формируются отчёты:
- отчёт по пройденному маршруту;
- отчёт с указанием места и времени стоянки;
- отчёт по скорости движения;
- отчёт по пробегу;
- отчёт по среднему расходу топлива.

Рисунок 21 – Схема работы системы Teletrack
Рассчитаем экономическую целесообразность внедрения предлагаемого мероприятия на автотранспорте УП «Карлиновгаз», занятым доставкой сжиженного газа потребителям, используя таблицы 28-30.
Таблица 28 – Исходные данные
| Количество автомобилей (а/м), шт. |
Пробег на 1 а/м в год, км |
Средний расход топлива (сжиженный углеводородный газ) 1 а/м на 100 км, л |
Стоимость 1 л топлива, тыс. р. |
| 135 |
22718 |
30 |
1,35 |
Годовой расход топлива до внедрения мероприятия, л:
135
22718
30
1,35/100=920080 л
Годовой расход топлива до внедрения мероприятия, тыс. р.:
920080
1,35/100= 1242108 тыс. р.
Определим размер капитальных вложений.
Требуется покупка комплектов систем, включающих бортовой контроллер, датчик уровня топлива (изображены для наглядного представления на рисунке 22), программное обеспечение, на 135 «кассетных» автомобилей, кроме того для станции администратора и клиентов необходимы два ПК-сервера.

а – бортовой контроллер; б – датчик уровня топлива
Рисунок 22 - Аппаратная составляющая системы GPS-мониторинга
Таблица 29 - Затраты на проектируемые мероприятия
| Показатель |
Значение показателя, тыс. р. |
Структура |
| Бортовой контроллер Teletrack |
1005 |
20,8 % |
| Датчик уровня топлива «Эпсилон» |
510 |
10,6 % |
| Программное обеспечение |
210 |
4,4 % |
| ПК (сервер) |
3100 |
64,2 % |
| Итого |
100,0 % |
Стоимость установки датчиков и контроллеров входит в стоимость комплекта. Общая сумма вложений, таким образом, составит:
(1005+510+210)
135+3100
2=239075 тыс. р.
Учтём ежемесячную абонентскую плату 52,5 тыс. р. за подключение к центральному телематическому серверу системы. Придерживаясь максимальной точности, вспомним и о 4,5 тыс. р./мес. в качестве оплаты карточки мобильной связи, установленной в бортовом контроллере Teletrack.
Таблица 30 - Текущие затраты на оборудование средств мониторинга
| Показатель |
Значение показателя, тыс.р. |
Структура |
| Карта мобильной связи (4,5 тыс.р. |
7290 |
92,0 % |
| Подключение к центральному телематическому серверу (52,5 тыс. р. |
630 |
8,0 % |
| Итого |
7920 |
100 % |
Внедрение системы мониторинга направлено прежде всего на снижение издержек. На основании данных статистики по результатам внедрения системы по сравнению с предпроектным периодом можно ожидать сокращение: расходов на горюче-смазочные материалы на 10-20 % (в связи с ликвидацией возможности хищения топлива), среднего пробега (при сохранении загруженности автотранспорта) - от 7 до 25 %. Для расчета возьмём минимальные значения показателей. Расчёт годовой экономии сжиженного газа представлен в таблице 00.
Таблица 31 – Расчёт годовой экономии сжиженного газа
| Показатель |
Экономия, % |
Экономия в натуральном выражении |
Экономия, тыс. р. |
| Уменьшение пробега |
7 |
214 685 км или 64406 л |
86 948 |
| Сокращение потребления топлива |
10 |
92 008 л |
124 211 |
| Итого |
17 |
156414 л |
211 158 |
Таким образом, внедрение проекта позволит сэкономить на использовании топлива 211158 тыс. р. или 156414 л сжиженного углеводородного газа.
Экономию сжиженного газа в тоннах условного топлива рассчитаем по формуле:
, (47)
где
- экономия сжиженного углеводородного газа в литрах;
- коэффициент перевода сжиженного углеводородного газа из литров в тонны условного топлива, который равен 2,8
10-3.
=1564142,8
10-3=439 т.у.т.
Эффект от внедрения Эф, тыс. р. от внедряемого мероприятия составит:
Эф=211158-7920=203238 тыс. р.
Определим срок окупаемости проекта:
Ср=239075/203238=1 год 3 месяца
Таким образом, общий годовой экономический эффект составит 203,2 млн. р., экономия топлива – 211,158 млн. р. или 279 т, инвестиции в предложенные мероприятия окупятся чуть более чем за год при минимальных нормативных значениях сокращения потребления топлива. При средних и наивысших значениях статистических нормативов экономии при внедрении данного мероприятия срок окупаемости будет гораздо меньше.
Следовательно, внедрение Системы GPS Мониторинга Безопасности и Управления подвижными объектами (Teletrack) как энергосберегающего мероприятия весьма целесообразно.
3.4 Разработка сборочного чертежа печатной платы бортового контроллера
Одним из составных аппаратных элементов рассмотренной системы GPS Мониторинга Безопасности и Управления подвижными объектами является бортовой контроллер. Данный прибор устанавливается на транспортное средство и представляет собой радиотехническое устройство, позволяющее вести автономный контроль за его состоянием (текущих координат, скорости и направления движения, показаний внешних датчиков с привязкой по времени).
Выбор рационального конструкторского исполнения конкретной аппаратуры зависит от решения множества вопросов, связанных с поиском оптимального варианта конструктивно-технологического обеспечения комплекса технических, экономических, эксплуатационных, производственных и организационных требований. Поиск оптимального конкретного конструктивно-технологического варианта должен проводиться при минимальных затратах и с учетом современных тенденций развития радиоэлектронной аппаратуры, прежде всего элементной базы и техники монтажа [11].
Условия эксплуатации бортового контроллера зададим по 1 группе ГОСТ 16019-78, так как предполагается, что он будет эксплуатироваться в промышленных условиях. Питание прибора будет осуществляться от бортовой сети постоянного тока 8 ... 40 В с частотой 50±2Гц. Прибор должен обладать техническими характеристиками стационарной радиоэлектронной аппаратуры. Масса его не должна превышать 5 кг, габаритные размеры прибора не более 105х52х25 мм.
Для реализации бортового контроллера используются различные схемные решения. Самое простое состоит из миниатюрного УКВ-ЧМ радиовещательного приёмника и сделанного к нему микромощного передатчика, работающего на частоте в диапазоне 87,5-108 МГц.
На рисунке 23 приведена схема микромощного УКВ-ЧМ передатчика с системой управления и модуляции.
Особенность схемы состоит в том, что в дежурном режиме («Стоп») передатчик включен и излучает немодулированный сигнал. Частота передачи задаётся параметрическим способом и может несколько изменяться как от времени (прогрев), так и от температуры, влажности окружающей среды, наличия внешних ёмкостей, и от других факторов, влияющих на настройку LC-контура. Чтобы эти факторы не вызывали расстройку канала связи (развод частот передатчика и приёмника) передатчик в дежурном режиме не выключен, а излучает не модулированный сигнал. Приемник, предварительно настроенный на этот сигнал, будет своей системой автоматической подстройки гетеродина компенсировать увод частоты [12].

Рисунок 23 – Принципиальная схема работы бортового контроллера
В активном режиме («Пуск») сигнал передатчика модулируется по частоте прерывающимся сигналом звуковой частоты. При приеме этого сигнала из динамика приемника раздается прерывающийся тональный звук.
Функционально, схема состоит из высокочастотного генератора с усилителем мощности (передатчика) и логической схемы управления модуляцией.
Задающий генератор выполнен на VT1. Частота генерации зависит от настройки контура на катушке L1. Варикапы VD2 и VD3 входят в состав этого контура и служат для осуществления частотной модуляции. Когда нет модуляции, на них поступает некоторое среднее постоянное напряжение, примерно, равное половине напряжения стабилизации стабилизатора на VD1. При этом, излучается сигнал средней (несущей) частоты. Во время модуляции напряжение на варикапах меняется вниз и вверх относительного этой точки, соответственно изменяется и частота генерации задающего генератора.
Каскад на транзисторе VT2 усиливает сигнал по мощности и устраняет влияние емкости антенны на настройку контура задающего генератора Нагрузка каскада - резистивная. Рабочая точка задана базовым резистором R13. Связь между каскадами емкостная - через С10.
Катушка L1 бескаркасная «пружинка» из медного луженного намоточного провода диаметром около 0,6 мм (обычный намоточный провод предварительно зачищают от лаковой изоляции и облуживают). Индуктивность на схеме обозначена условно. Катушка состоит из десяти витков. Внутренний диаметр намотки около 4 мм (предварительно, катушка намотана на винте М4, затем винт из нее вывинчен). Настраивая передатчик на выбранную частоту в диапазоне, индуктивность катушки изменяют, растягивая или сдвигая витки. При необходимости число витков легко уменьшить, сдвинув и спаяв вместе витки, оказавшиеся ненужными.
Дроссель L2 - фабричный типа ДМ-01 или любой другой высокочастотный, индуктивностью 200-500 мкГн.
Подстроенный конденсатор С5 керамический.
Тональный сигнал генерирует мультивибратор на элементах D2.1 и D2.2 Буферные каскады на элементах D2.3 и D2.4 служат для установки среднего постоянного напряжения на варикапах во время блокировки этого мультивибратора. Блокируется мультивибратор логическим нулем на выводах 6 и 9 D2. При этом, элемент D2.4 фиксируется в положении с единицей на выходе, а единица с выхода элемента D2.2 инвертируется элементом D2.3. В результате, когда мультивибратор заблокирован, R5 подтянут к нулю, a R6 - к единице. А в их общей точке будет среднее напряжение. Когда мультивибратор работает, элементы D2.3 и D2.4 функционируют параллельно, изменяя напряжение на варикапах то в одну, то в другую сторону относительно средней точки.
Прерывает тональные посылки инфразвуковой мультивибратор на элементах D1.3 и D1.4. Напряжение выхода элемента D1.4 управляет работой тонального генератора.
Инфразвуковым генератором управляет RS-триггер на элементах D1.1 и D1.2. Чтобы перевести сигнализатор в ждущий режим (немодулированное излучение) нужно подать логический ноль или отрицательный импульс на вход «Стоп», а для активного режима (включение модуляции) ноль (или отрицательный импульс) нужно подать на вход «Пуск».
Налаживание следует начать с поиска пустого участка на УКВ диапазоне. Затем, подстройкой L1 и С5 вывести передатчик на устойчивую генерацию на этой частоте. Тон звука изменяют подбором параметров С1-RЗ, а частоту прерывания - C2-R4.
В качестве антенны используется телескопический штырь длиной не менее 50 см.
Все собрано на одной печатной плате, детали на ней расположены примерно так, как на принципиальной схеме [13].
К вариантам установки элементов на плате предъявлены следующие требования:
- минимальные установочные размеры;
- максимальная механическая прочность варианта установки;
- возможность установки механизированным или автоматизированным способом;
- исключение случайного замыкания элемента с проводящими дорожками платы.
Выбирая способ изготовления печатной платы необходимо учесть следующее:
- возможность получения металлизированных отверстий;
- возможность получения печатного рисунка по 1-му классу точности.
Данным требованиям удовлетворяет субтрактивный химический негативный метод изготовления, с помощью которого получают односторонние печатные платы для монтажа с небольшой плотностью.
В ходе работы была сконструирована печатная плата бортового контроллера с первой группой жёсткости. Выбор разработки односторонней печатной платы обусловлен тем, что их стоимость в настоящее время ниже от 3 до 10 раз стоимости двусторонней печатной платы и многослойных печатных плат.
При проектировании использовался 1 класс точности. Выбор параметров печатной платы произведён, исходя из ГОСТ 23751-86, и определяется тем, что на разработанной печатной плате нет большой концентрации электрорадиоэлементов, она имеет относительно низкую себестоимость и надёжна в эксплуатации [14].
Разработан сборочный чертеж бортового контроллера и оформлена спецификация к нему. Последняя представлена в Приложении Б.
4. Ресурсо- и энергосбережение: Управление природопользованием в Республике Беларусь в системе мер по охране окружающей среды
Процесс энергопотребления неразрывно связан с экологией. Использование традиционных топливно-энергетических ресурсов, являющихся необходимым средством для существования и развития человечества, оказывает воздействие на природу и окружающую человека среду. Объекты энергетики дают до трети всех вредных выбросов в окружающую среду. В быт и производственную деятельность человека настолько твердо вошла тепло- и электроэнергия, что человек даже и не мыслит своего существования без нее и потребляет ее как само собой разумеющиеся неисчерпаемые ресурсы. С другой стороны, человек все больше и больше свое внимание заостряет на экологическом аспекте энергетики и требует экологически чистых энергетических производств.
За время жизни нынешнего поколения поведение людей, их привычки и традиции должны подвергнуться качественному изменению. А предзнаменованиями этому являются: изменения климата, постепенный распад озонового слоя, загрязнение окружающей среды, ухудшение генофонда. Но самым, пожалуй, грозным является неизбежное исчезновение ресурсов — Земля на самом деле очень невелика, ее запасы весьма ограничены, а потребности землян удваиваются каждые десять лет [2].
Через реализацию энергетического потенциала человечество обеспечило появление и развитие промышленности, науки и культуры, которые и определяют качество нашей жизни. Все это было бы невозможно без активного использования энергетических ресурсов Земли, к сожалению, пока в основном за счет их невозобновляемой части (нефть, уголь, газ). Доля возобновляемых источников энергии пока еще совсем незначительна даже в развитых странах. В материалах XV конгресса Мирового энергетического совета (1992 г.) было отмечено: «Органические топлива останутся основой энергообеспечения человечества; их абсолютное потребление возрастет при любых реалистических сценариях. Не просматривается ни одного нового источника энергии, по крайней мере, на ближайшие 30 лет» [15].
Прошедшие с того момента годы пока подтверждают состоятельность этих предсказаний. По разным источникам и оценкам прогнозируется исчерпание на Земле органических топливных ресурсов (в первую очередь нефти), примерно, через несколько десятков лет. Учитывая также рост цен на энергоносители, так или иначе, встает вопрос рационального использования традиционных энергоресурсов и одновременного использование возобновляемых источников энергии.
Республика Беларусь относится к числу государств, которые недостаточно обеспечены собственными энергетическими ресурсами. Это создает особые условия функционирования экономики государства, делает ее уязвимой и зависимой от внешних поставщиков.
Около 45 % текущего объема потребления энергии — это потенциал энергосбережения в нашей стране. Причем наибольший эффект в краткосрочной перспективе может быть достигнут в самой электроэнергетике, прежде всего, за счет необходимости снижения потерь в сетях, развития возобновляемых источников энергии [16].
В связи с этим Президентом и правительством Республики Беларусь постоянно проводится экологическая и энергетическая политика, направленная на модернизацию и трансформацию топливно-энергетического комплекса, снижение энергоемкости всех видов продукции, разработку и внедрение в народном хозяйстве энергосберегающих технологий. Экологическая политика в Республике Беларусь направлена на постоянное улучшение качества жизни и условий труда жителей страны, рациональное использование и охрану ее природных ресурсов, разработку и внедрение в практику правовых и экономических основ природопользования. Директивой № 3 Президента Республики Беларусь поставлена задача обеспечения энергетической безопасности и энергетической независимости страны, главными факторами которых являются экономия и бережливость [17]. В создавшихся условиях первоочередной задачей является всемерное использование имеющихся внутренних резервов экономии, то есть энергосбережение.
Экономия топливно-энергетических ресурсов в настоящее время становится одним из важнейших направлений перевода экономики на путь интенсивного развития и рационального природопользования. На стадии обогащения и преобразования энергоресурсов теряется до 3 % энергетического потенциала ресурсов. В настоящее время почти вся электроэнергия в стране производится тепловыми электростанциями. Поэтому на повестку дня все чаще ставится вопрос о применении нетрадиционных источников энергии, таких как использование энергии ветра (ВЭС), солнца (СЭС), недр (геотермальные), энергии биомассы и т.д.
Для обоснования экономической целесообразности природоохранных мероприятий используются показатели эффективности затрат экономического назначения.
Экономическая эффективность затрат означает их результативность, то есть соотношение между результатами и обеспечившими их затратами. В соответствии с разработанной в 80-е годы типовой методикой определения экономической эффективности осуществления природоохранных мероприятий для обоснования экологических затрат используются показатели общей и сравнительной эффективности.
Определение общей (абсолютной) эффективности экологических издержек необходимо, чтобы оценить фактическую результативность природоохранных мероприятий при планировании достижения нормативного качества окружающей среды, для экономического стимулирования повышения эффективности средозащитной деятельности.
Общая (абсолютная) экономическая эффективность затрат экологического характера рассчитывается как отношение объёма полного экологического эффекта к сумме вызвавших этот эффект совокупных (приведённых) затрат:
(48)
где Эз – общая эффективность природоохранных затрат;
Э – полный годовой эффект;
С - текущие затраты;
К - капитальные вложения, определившие эффект;
Ен – норматив эффективности капитальных вложений.
Норматив Ен служит для приведения капитальных вложений к годовой размеренности, поскольку
, где Т – срок окупаемости капитальных вложений. При среднем сроке окупаемости по народному хозяйству, равном 8,3 года, норматив эффективности капитальных затрат Ен устанавливается в размере 0,12.
Экономический эффект Э, или результат природоохранных затрат, представляет собой предотвращённый экономический ущерб и дополнительный доход от улучшения производственной деятельности предприятий в условиях лучшей экологической обстановки и определяется по формуле
Э=П+Д (49)
где П – величина годового предотвращённого экономического ущерба от загрязнений среды;
Д – годовой прирост дохода от улучшения производственных результатов.
Величина годового предотвращённого экономического ущерба от загрязнений среды определяется по формуле
П=У1-У2 (50)
где У1, У2 – величина ущерба до проведения природоохранного мероприятия
и остаточного ущерба после осуществления мероприятия
соответственно.
Годовой прирост дохода Д от улучшения производственных результатов может быть определён следующим образом:
(51)
где gj, gi – количество продукции i-, j-го видов, получаемых соответственно до и после осуществления оцениваемого мероприятия;
zj, zi – оценка единицы i-, j-й продукции.
На изучаемом предприятии – УП «Карлиновгаз», - под природоохранными мероприятиями понимается рационализация использования энергетических ресурсов – их сбережение.
Расчёт общей экономической эффективности энергосберегающих мероприятий представлен в таблице 32.
Таблица 32 – Расчёт общей экономической эффективности энергосберегающих (природоохранных) затрат в УП «Карлиновгаз» (2007 год)
| Показатель |
Величина |
| 1 Ущерб до проведения энергосберегающего мероприятия, млн. р. |
950 |
| 2 Ущерб после проведения энергосберегающего мероприятия, млн. р. |
885 |
| 3 Предотвращённый ущерб, млн. р. |
39 |
| 4 Годовой прирост дохода, млн. р. |
32 |
| 5 Полный годовой эффект, млн. р. |
71 |
| 6 Текущие затраты, млн. р. |
311 |
| 7 Капитальные вложения, млн. р. |
1251 |
| 8 Норматив эффективности капитальных вложений |
0,20 |
| 9 Экономическая эффективность, р. |
4,56 |
Согласно данных таблицы 32, эффективность капиталовложений в УП «Карлиновгаз» энергосберегающие мероприятия высокая – 0,2. В то же время приведённые расчёты доказывают, как важны они для обоснования целесообразности осуществления энергосберегающих (природоохранных) мероприятий.
Если же потребуется определить эффективность капитальных вложений Эк в энергосберегающие мероприятия, дающие ежегодный экономический эффект Эг, из этого эффекта нужно вычесть годовые (текущие) затраты С, необходимые для содержания и обслуживания природоохранных объектов, и полученную разность отнести к величине капиталовложений
(52)
Полученные в ходе расчётов показатели эффективности капитальных затрат сравниваются с нормативными показателями. Рассматриваемые направления использования капитальных затрат считаются эффективными, если расчётные коэффициенты эффективности Эк удовлетворяют условию Эк>Eн. Нормативный коэффициент эффективности капиталовложений в целом по народному хозяйству в последние годы принимался равным 0,12. Но ограниченная способность окружающей среды к самоочищению, возрастающие антропогенные нагрузки на природу предопределяют рост затрат на её охрану. В силу этого нормативы эффективности капиталовложений экономического назначения должны быть значительно ниже, чем норматив эффективности капиталовложений в общественное производство. Однако имеющиеся оценки в таблице 32 свидетельствуют о высокой экономической эффективности затрат на энергосбережение.
При разработке долгосрочных прогнозов, программ по охране окружающей среды в регионе, при проектировании различных природоохранных (энергосберегающих) мероприятий, выборе варианта внедрения новой техники или сравнительной (относительной) экономической эффективности природоохранных затрат. Таким показателем является минимум совокупных затрат, то есть при выборе варианта предпочтение должно отдаваться варианту с наименьшей величиной совокупных текущих расходов и капитальных вложений, приведённых к одинаковой размерности с помощью норматива эффективности:
(53)
Если проводятся мероприятия, требующие длительного срока реализации капитальных вложений, а также изменения во времени эксплуатационных (текущих) расходов, тогда предпочтительный вариант определяется по формуле 54:
(54)
где Т – срок осуществления всех мероприятий;
Кп – первоначальные капиталовложения в природоохранные мероприятия;
Кgt - дополнительные капитальные вложения, необходимые для обеспечения нормальной работы природоохранных объектов в t-й год эксплуатации (t=1, 2, 3...);
Сt – эксплуатационные расходы t-го года;
Ен – нормативный коэффициент приведения разновременных затрат, принимаемый в соответствии с отраслевыми нормативами.
При расчётах сравнительной эффективности капиталовложений в охрану природы особенно важно сопоставлять варианты по экономическим результатам [18].
Таким образом, основными направлениями экономии энергоресурсов в УП «Карлиновгаз» и в стране в целом являются: совершенствование технологических процессов, совершенствование оборудования, снижение прямых потерь топливно-энергетических ресурсов, структурные изменения в технологии производства, структурные изменения в производимой продукции, улучшение качества топлива и энергии, организационно-технические мероприятия. Проведение этих мероприятий вызывается не только необходимостью экономии энергетических ресурсов, но и важностью учёта вопросов охраны окружающей среды при решении энергетических проблем.
Заключение
В настоящее время в народном хозяйстве Республики Беларусь происходят стремительные и важные перемены. Повышение закупочных цен на газ, регулярные ограничения поставок газа, необходимость полностью оплачивать текущее потребление газа и ускоренными темпами погашать старые долги, предстоящее объединение с Россией и приход крупного российского капитала требует пересмотра принципов и ориентиров деятельности предприятий народного хозяйства.
Цель дипломного проекта состояла в разработке мероприятий, направленных на совершенствование энергосберегающей деятельности на исследуемом объекте, доказав их целесообразность и эффективность. В качестве объекта исследования было выбрано УП «Карлиновгаз».
Данная цель была достигнута путём разработки трёх предложений: совершенствования работы котельной в одном из филиалов предприятия путём перевода её котлов из парового в водогрейный режим работы; замещения при строительстве газопроводов стальных труб полиэтиленовыми, не требующими в процессе эксплуатации затрат на электроэнергию; внедрения системы GPS-навигации.
Для этого в научно-исследовательском разделе были рассмотрены понятия, состав и классификация энергетических ресурсов, критерии и показатели, характеризующие состояние энергосберегающей деятельности предприятия,
В аналитическом разделе была дана характеристика предприятия, рассмотрены его основные виды деятельности, произведен анализ организационно-управленческой структуры предприятия в целом и анализ организационно-управленческой структуры отдела, занимающегося эгергетическими вопросами на предприятии.
Сегодня УП «Карлиновгаз» - предприятие, входящее в состав государственного концерна «Белтопгаз» и занимающее доминирующее положение на рынке реализации природного и сжиженного газа, эксплуатации и строительства уличных и внутридомовых систем газоснабжения области.
Достижение предприятием поставленных целей, реализация его стратегии, успешное взаимодействие с внешней средой, эффективное использование внутренних факторов зависят не только от правильности построения структуры управления организации, но и от соответствия данной структуры требованиям современного рынка. Сложившаяся в настоящее время организационная структура управления УП «Карлиновгаз» формировалась на протяжении последних 10 лет и в ней нашли отражение все многочисленные изменения, происходившие в экономике народного хозяйства в этот период.
Для Аппарата управления УП «Карлиновгаз» характерна линейно-функциональная (штабная) структура управления. К основным преимуществам данной структуры можно отнести возможность более глубокой проработки и подготовки управленческих решений и плановых заданий; создание хороших условий для профессионального и служебного роста сотрудников; высвобождение линейных руководителей от детального анализа проблем.
Вопросами энергосбережения занимается отдел транспорта, техники и механизации. Сложившаяся структура отдела позволяет ему последовательно реализовывать, развивать и совершенствовать политику руководства предприятия в области качества производимых услуг, промышленной безопасности, охраны труда, организовывать и выполнять установленные правила эксплуатации автотранспорта, технологического оборудования и механизмов, эксплуатации теплоэнергохозяйства. а также осуществлять работу по охране окружающей среды, путём рационального распределения обязанностей между сотрудниками отдела в соответствии с их компетенцией.
Анализ производственно-хозяйственной деятельности позволил сделать следующие выводы:
Анализ объёмов реализации природного и сжиженного газов показал, что выручка от реализации продукции ежегодно увеличивается с увеличением отпускной цены на продукцию. Её среднегодовые темпы роста составили по природному газу – 152 %, сжиженному – 124 %. Объёмы реализации в натуральном выражении имеют обратную тенденцию – в течение исследуемого периода они снизились. Среднегодовые темпы роста объёма реализации в натуральном выражении составили природный газ – 98,5 %, сжиженный – 99,95 %.
УП «Карлиновгаз» как энергетическое предприятие, как известно, не может само устанавливать объём производимой продукции поскольку это полностью зависит от потребителей, от экономической обстановки в стране и с климатическими условиями, складывающихся на охваченной деятельностью предприятия территории.
Анализ себестоимости реализованной продукции показал, что данный показатель в течение исследуемого периода неуклонно растет. Величина себестоимости реализации продукции увеличилась в 2007 г. к предшествующему ему году на 276116 млн. р. или на 88 %, в 2008 г. – на 184216 млн. р. или на 28 %.
Следует отметить, что увеличение себестоимости реализации продукции объясняется значительным увеличением закупочных цен на природный и сжиженный газ, являющихся основной сырьевой базой для производства и реализации продукции предприятия. Деятельность по реализации природного и сжиженного газов относится к материалоёмкому производству. Материалоемкость реализованной продукции в 2008 г. составила 91 %. Увеличение уровня материалоемкости к 2006 г. – 9 %. Высокий уровень материалоёмкости говорит о необходимости проведения целенаправленной постоянной работы в УП «Карлиновгаз», целью которой является снижение уровня прямых материальных затрат в расчете на единицу продукции.
Предприятие по итогам работы за 2006-2008 гг. является прибыльным. Основную часть прибыли предприятие получает от реализации природного и сжиженного газов. Результаты анализа показывают, что прибыль в отношении изучаемого периода увеличивалась. В 2007 г. предприятие прибыль от реализации достигла своей максимальной величины и составила 24771 млн. р., что на 82 % больше, чем в предшествующем г. и на 78 % больше полученной прибыли 2008 года. Можно сделать вывод о том, что наиболее весомым фактором для снижения прибыли является рост себестоимости реализации продукции, выявленный в процессе анализа. Основными факторами увеличения себестоимости стали: уровень инфляции в стране, рост закупочных цен на сырье и материалы, внутренние Указы предприятия и пр. В качестве резервов для увеличения прибыли от реализации в УП «Карлиновгаз» выступает сокращение затрат на производство и реализацию продукции в первую очередь за счёт сокращения материальных затрат.
За 2007 год чистой прибыли получено 13456 млн. р., что на 3209 млн. р. или на 31 % больше, чем за 2006 год. За 2008 год объём чистой прибыли также увеличился в сравнении предшествующим годом: на 1358 млн. р. или на 10 %.
Анализ использования чистой прибыли предприятия показал, как распределялись средства в резервный, фонд накопления и в фонд потребления. Отчисления по указанным направлениям соответственно составили - 5 %, 10 % и 75 %. Предприятию необходимо пересмотреть порядок распределения прибыли, направляя большую часть на формирование фонда накопления, а не фонда потребления.
В 2006 и 2007 гг. показатели рентабельности реализации продукции достигали 3,09 % и 3,21 % соответственно. В 2008 г. этот показатель снизился до 1,95 %. Рост рентабельности реализованной продукции происходил за счет увеличения среднереализационных цен. Отрицательное влияние на данный показатель оказал рост себестоимости продукции. Здесь следует отметить, что и увеличение цен, и рост себестоимости товарной продукции являются следствием инфляционных процессов в стране, величина рентабельности предприятия зависела от уровня соотношения данных показателей.
Анализ финансовых показателей деятельности предприятия показал следующее. Не смотря на небольшие трудности с оборачиваемостью оборотных активов, УП «Карлиновгаз» является стабильным, платежеспособным, предприятием. Состояние его финансовых ресурсов, их распределение и использование обеспечивает бесперебойную работу, развитие предприятия, а так же его финансовую устойчивость, независимо от внешних источников финансирования.
Итогом исследования хозяйственной деятельности предприятия было проведение анализа питания предприятия топливно-энергетическими ресурсами и их потребления.
Структура топливно-энергетического баланса на предприятии «Карлиновгаз» следующая: удельный вес тепловой энергии составляет 22,0 %, электроэнергии - 7 %, наибольший удельный вес занимает котельно-печное топливо, и оно составляет 71 % от общего потребления топливно-энергетических ресурсов - 18307 т.у.т. в 2008 г.
На предприятии значительная часть тепла производится в наиболее экономичном комбинированном цикле совместной выработки электрической и тепловой энергии. Как говорят данные таблицы 15, оно обеспечивает себя тепловой энергией собственного производства в размере 23139 Гкал или 4049 т.у.т. На балансе УП «Карлиновгаз» с целью выработки тепла для производственных и отопительных целей состоят 335 котельных с производительностью до 0,5 Гкал/ч и 8 шт. - свыше 0,5 Гкал/ч.
В теплоснабжении в основном используется один вид топлива – природный газ, потребление которого в целях производства тепловой энергии составляет 2600 т.у.т. в год. Система газоснабжения работает достаточно надежно и значительных перерывов в теплоснабжении из-за отключений подачи газа в последние годы не наблюдается. Однако, в 2009 г. выполнявшаяся ранее предприятием работа по наполнению газовых баллонов в одном из производственных подразделений предприятия осуществляться не будет, в связи с изменением структуры производства. В котельной данного подразделения отпадёт необходимость вырабатывать тепловую энергию в виде пара на технологические нужды.
Для обеспечения выполнения главной задачи - бесперебойного и безаварийного газоснабжения потребителей, УП «Карлиновгаз» требуется замена изношенных и строительство новых участков газопроводов с применением новых материалов и современных технологий.
Согласно анализу, неудовлетворительна и автотранспортная работа. Слив топлива, отклонения от маршрута, простои на нем являются обыденной частью производственной жизни предприятия. Предприятие несёт значительные расходы энергетических ресурсов на эксплуатацию транспорта, которые занимают достаточно высокий удельный вес в себестоимости реализации сжиженного газа – 11 %, в общей себестоимости реализованной продукции – 0,34 %. Эти затраты постоянно растут. Стоимость топлива выросла за последние три года на 77 %.
На предприятии ведётся активная политика в области энергосбережения. Вследствие проводимой работы по энергосбережению, в УП «Карлиновгаз» наблюдается ежегодное повышение энергоэффективности производства. Предприятием выполняется доведенный показатель по экономии топливно-энергетических ресурсов. За 2007 год он составил -9,3 % при плане в 8 %, за 2008 г. – 9,1 % при плане 9,0 %.
В проектном разделе на основании результатов анализа были разработаны предложения по повышению эффективности энергосбережения в УП «Карлиновгаз», в результате реализации которых предприятие сможет достичь снижения расхода топлива, тепло- и электроэнергии на производственные нужды.
1) Разработка проекта по реконструкции котлоагрегата
Перевод парового котлоагрегата в котельной предприятия в водогрейный режим.
Снижение расхода электрической энергии после перевода котла ДКВР4/13 на водогрейный режим - 71,5 тыс. кВт*ч или 20,02 т.у.т.
Экономия топлива от изменения КПД котлоагрегата составляет 38,6 т.у.т.
Суммарная экономия ТЭР при переводе котельной в водогрейный режим составляет 58,62 т.у.т. или 16,6 млн. р.
Показатель индекса прибыльности значительно лучше уровня нормативного и имеет величину 1,7, простой срок окупаемости составляет 3,5 лет, фактический срок возможного возврата кредита или иных заемных инвестиций, составит 4,8 лет;
Внутренняя норма доходности, при которой величина приведенных эффектов равна приведенным капиталовложениям, равна 12,4 %. Чистый дисконтированный доход при ставке дисконтирования 13 % имеет положительное значение и за 10 лет реализации проекта составит 30,8 млн. р.
Таким образом, в результате расчета полученные значения чистого дисконтированного дохода, внутренней нормы доходности и индекса прибыльности подтверждают эффективность использования средств, направляемых на выполнение данного энергосберегающего мероприятия – перевода теплового котлоагрегата в водогрейный режим.
2) Совершенствование технологии прокладки газопроводов
Капитальные затраты на строительство газопроводов из полиэтиленовых труб ниже в 1,6 раза, чем из стальных, и эта разница в денежном выражении составляет 3161 млн. р. К тому же достигается экономия денежных средств в эксплуатационных расходах на 15,2 млн. р. за счёт экономии электроэнергии на 40,7 т.у.т.
Общий годовой экономический эффект от предлагаемого мероприятия составил 3161 млн. р.
3) Внедрение системы GPS-мониторинга автотранспорта.
Экономия топлива от предлагаемого мероприятия составит 211,158 млн. р. или 439 т.у.т., общий годовой экономический эффект с учётом годовых затрат на эксплуатацию составит 203,2 млн. р., инвестиции в предложенные мероприятия окупятся чуть более чем за год при минимальных статистических нормативных значениях сокращения потребления топлива.
4) В конструкторско-технологической части дипломного проекта разработан бортовой контроллер, входящий в аппаратную часть системы GPS Мониторинга Безопасности и Управления подвижными объектами и позволяющий вести автономный контроль за состоянием автотранспортных средств (текущих координат, скорости и направления движения, показаний внешних датчиков с привязкой по времени).
5) В разделе охрана труда и экологическая безопасность рассмотрен механизм управления природопользованием в Республике Беларусь в системе мер по охране окружающей среды, произведён расчёт общей экономической эффективности энергосберегающих мероприятий предприятия УП «Карлиновгаз» с учётом экологического аспекта.
Разработанные мероприятий позволит существенно сократить объем потребления энергоресурсов.
Таким образом, с учётом вышеперечисленного, задачи поставленные в дипломном проекте, решены, цель дипломного проекта достигнута.
Список использованных источников
[1] Априжевский, А.А. Энергосбережение и энергетический менеджмент: учеб. пособие / А.А Априжевский – Минск : Высш. шк., 2005. – 325 с.
[2] Основы энергосбережения : учеб. пособие. 2-е изд. / М.В. Самойлов [и др.]. – Минск : БГЭУ. - 2002.
[3] Экономика энергетики : уч. пособие для вузов / Л.К. Боженов и [и др.]. - М. : Энергоатомиздат, 2005. - 625 с.
[4] Клочок, Д.И. О некоторых вопросах экономного и эффективного использования топливно–энергетических ресурсов / Д. И. Клочок // Энергоэффективность. – 2005. - № 9. - С. 7-11.
[5] Воронин, А.В. Энергоэффективность как фактор экономического роста / А.В. Воронин // Энергоэффективность. – 2004. - № 10. - С. 4-12.
[6] Бокун, И.А. Экономика и организация производства энергетических предприятий : учеб. пособие / И.А. Бокун, В.И. Чернышевич. – Минск : УО "Газ-институт. - 2006. – 377 с.
[7] Виханский, О.С. Менеджмент : человек, стратегия, организация, процесс : учебник / О.С. Виханский, М.Т. Наумов. – М. : ИнтелТех, 2003. - 275 с.
[8] Самсонов В.С. Экономика предприятий энергетического комплекса : учебник для ВУЗов / В.С. Самсонов, М.А. Вяткин. – М. : Высшая шк. – 2003. – 416 с.
[9] Исаев, Е.С. Анализ себестоимости в системе управления газовым хозяйством / Е.С. Исаев // Ленинград : «НЕДРА». - 1998. - 83 с.
[10] Савицкая, Г.В. Анализ хозяйственной деятельности предприятия : 4-е издание, переработанное и дополненное / Г.В. Савицкая // Минск : Новое знание. - 2000. – 688 с.
[11] Ковалев, А.П. Введение в финансовый менеджмент : учебник / А.П. Ковалёв // М. : Проспект. - 2004. – 321 с.
[12] Инструкция по анализу и контролю за финансовым состоянием и платёжеспособностью субъектов предпринимательской деятельности. - Постановление Минфина, Минэкономики и Минстата от 08.05.2008 г. №79/99/50.
[13] Богуславский, Л.Д. Энергосбережение в системах теплоснабжения, вентиляции и кондиционирования воздуха : справочное пособие / Л.Д. Богуславский [и др.]. - М. : Стройтранзит. - 1997. - 349 с.
[14] Соколов, С.Н. Резервы повышения эффективности производства на предприятиях нефтегазового строительства / С.Н. Соколов // Экономика строительства. – 2003. - №2 – С. 19-24.
[15] Бармин, С.Г. Эффективность использования топливно-энергетических ресурсов / С.Г. Бармин // Энергоэффективность. – 2008. - №9. – С. 25-27.
[16] Шайкин, В. Маркетинг транспортных услуг / В. Шайкин // Маркетинг. - 1996. - №5. – С. 17-18.
[17] Инструкция по расчету целевых показателей по энергосбережению. -Постановление Государственного комитета по стандартизации Республики Беларусь 08.01.2008 №1.
[18] Положение о проведении энергетического обследования предприятий, учреждений и организаций. – Минск : ГП Белэнергосбережение. - 2004.
[19] Крупович, В.И. Справочник по проектированию электроснабжения / В.И. Крупович. - М. : Энергия, 1985. – 288 с.
[20] Голубков, Б.Н. Теплотехническое оборудование и теплоснабжение промышленных предприятий / Б.Н. Голубков. - М. : Энергия, 1979. – 345 с.
[21] Тепловое оборудование и тепловые сети : учебник / Г.А. Арсеньев [и др.] - М. : Энергоатомиздат, 1988. – 673 с.
[22] Перевод паровых котлов на водогрейный режим [Электронный ресурс] : Energotechnologia – Электронные данные. – Режим доступа : http://energotechnologia.narod.ru
[23] Данилов, О.Л. Практическое пособие по выбору и разработке энергосберегающих проектов / О.Л. Данилов, П.А. Костюченко. - М. : Проспект. -2006. – 668 с.
[24] Методические рекомендации по составлению технико-экономических обоснований для энергосберегающих мероприятий / г. Минск, 2003. – 75 с.
[25] Инструкция по определению эффективности использования средств, направляемых на выполнение энергосберегающих мероприятий / Постановление Минэкономики РБ, Министерства энергетики РБ и Комитета по энергоэффективности при Совмине РБ 24.12.2003г. №252/45/7.
[26] Лапко, А. Строительство газопроводов из полиэтилена / А. Лапко // Энергетика и ТЭК. – 2008. - №3 – С. 15-19.
[27] Струков, С. Т. Весь мир предпочитает строительство трубопроводов из полиэтиленовых труб из-за их неоспоримых преимуществ / С. Т. Струков // Полимергаз. – 2002. - №4. – С. 17-19.
[28] Чучакин, Л.А. Полиэтиленовые трубы вытесняют металлические / Чучакин Л.А. // Потенциал. – 2002. - №1. – С. 4-9.
[29] Полиэтилен — предвестник новой эры трубных материалов [Электронный ресурс] : Строительство и недвижимость. – Электронные данные. – Режим доступа : http://www.nestor.minsk.by
[30] Харисова, В.Н. Глобальная Спутниковая радионавигационная система глонасс / В.Н. Харисова. - М. : ИПРЖР. – 2003. – 400 с.
[31] Спутниковый мониторинг транспорта [Электронный ресурс] : Научно-производственный концерн «Barl» – Электронные данные. – Режим доступа : http://www.barl.ru
[32] Задачи мониторинга [Электронный ресурс] : ActiveSystems – Электронные данные. – Режим доступа : http://gsm.tomnet.ru
[33] Система Teletrack [Электронный ресурс] : On-line Technologies – Электронные данные. – Режим доступа : http://www.rcsu.net
[34] Золотницкий, В.А. Система питания газобензиновых автомобилей / В.А. Золотницкий. – М. : Третий Рим. - 2001. – 199 с.
[35] Линейные нормы расхода топлива и смазочных материалов для механических транспортных средств, машин, механизмов и оборудования. – Минск : Информпресс. – 2009. – 444 с.
[36] Голуб, А.А. Экономические методы управления природопользованием / А.А. Голуб, Е.Б. Струкова. – М. : Наука, 1993. – 136 с.
[37] Ненашев, А.П. Конструирование РЭС: Учебник для радиотехнических специальностей вузов / А.П. Ненашев. - М. : Высш. шк. - 1990. – 355 с.
[38] Билибин, К.Н. Конструкторско-технологическое проектирование электронной аппаратуры : учебник для вузов / К.Н. Билибин, В.А. Шахлова. – М. : МГТУ им. Н.Э.Баумана. – 2000. – 489 с.
[39] Снегирев И. Бортовой контроллер / И. Снегирев // Радиоконструктор. – 2007. - №4. – С. 2-3.
[40] Буцкий А. Низкоскоростной цифровой интерфейс / А. Буцкий // Радио. – 2007. - №7. – С. 27-29.
[41] Москвичев, В.В. Безопасность России. Правовые социально-экономические и научно-технические аспекты. Энергетическая безопасность (ТЭК и государство) / В.В. Москвичев. – М. : Знание. - 2000. – 304 с.
[42] Балащенко, С.А. Государственное управление в области охраны окружающей среды / С.А. Балащенко. - Минск : БГУ. – 2000. – 341 с.
[43] Экономия и бережливость – главные факторы экономической безопасности государства. Директива №3 Президента Республики Беларусь РРот 14 июня 2007 г.
[44] Шимова, О.С. Основы экологии и экономика природопользования / О.С. Шимова. – Минск : БГЭУ. - 2002. – 367 с.
ПРИЛОЖЕНИЕ А Организационно-управленческая структура предприятия

ПРИЛОЖЕНИЕ Б (справочное) Тарифы на энергию
Таблица Б.1 - Тарифы на энергию
| Вид энергии/топлива |
Единица измерения |
Цена единицы, р. |
||
| 2006 год |
2007 год |
2008 год |
||
| Теплоэнергия |
тыс.КВат·ч |
32460,3 |
36355,5 |
37580,7 |
| Электроэнергия |
Гкал |
93,4 |
112,1 |
116 |
| Природный газ |
тыс. м3 |
125438,4 |
240034,2 |
310818,3 |
| Сжиженный газ |
тыс. т |
1 078 996,5 |
1 151 618,2 |
1 398 436,3 |
(обязательное)
Расчёт поправки по фактору «температура наружного воздуха в отопительном периоде» (к пункту 2.3.5)
Поправка с учётом средней температуры наружного воздуха (оС) в отопительный период по месяцам (∆ОЭЗt)
∆ОЭЗt=∆ОЭЗянв+∆ОЭЗфевt+∆ОЭЗмарт+∆ОЭЗапрt+∆ОЭЗоктt+∆ОЭЗноябt+∆ОЭЗдекt
январь: ∆ОЭЗянв-2007t=
т.у.т.;
февраль: ∆ОЭЗфев-2007t=
т.у.т.;
март: ∆ОЭЗмарт-2007t=
т.у.т.;
апрель: ∆ОЭЗапр-2007t=
т.у.т.;
октябрь: ∆ОЭЗокт-2007t=
т.у.т.;
ноябрь: ∆ОЭЗнояб-2007t=
т.у.т.;
декабрь: ∆ОЭЗдек-2007t=
т.у.т.
∆ОЭЗt2007= -17 т.у.т.
∑∆ОЭЗб=361.у.т.
![]()
январь: ∆ОЭЗянв2008t=
т.у.т.;
февраль: ∆ОЭЗфев2008t=
т.у.т.;
март: ∆ОЭЗмарт2008t=
т.у.т.;
апрель: ∆ОЭЗапр2008t=
т.у.т.;
октябрь: ∆ОЭЗокт2008t=
т.у.т.;
ноябрь: ∆ОЭЗокт-2008t=
т.у.т.;
декабрь: ∆ОЭЗдек-2008t=
т.у.т.
∆ОЭЗt2008= -108,7 т.у.т.
∑∆ОЭЗб=162 т.у.т.
![]()
Похожие рефераты:
Проект реконструкции цеха первичной переработки нефти и получения битума на ОАО «Сургутнефтегаз»
Правовое регулирование договорных отношений по поставкам газа
Отопительно-производственная котельная ГУП ФАПК Якутия
Снижение себестоимости продукции предприятия на примере ОАО "МПОВТ"
Обеспечение безгидратного режима работы газопромысловых коммуникаций
Учет затрат и калькулирование себестоимости добычи угля и пути ее снижения
Газоснабжение населёного пункта
Перевод на природный газ котла ДКВР 20/13 котельной Речицкого пивзавода
Проблемы топливно-энергетического комплекса Африки
Пути снижения себестоимости льнопродукции
Газоснабжение рабочего поселка на 8,5 тыс. жителей
Оценка эффективности инвестиционного проекта строительство парогазовой установки мощностью 410 МВт