| Похожие рефераты | Скачать .docx |
Реферат: Электронные вольтметры
ЭЛЕКТРОННЫЕ ВО ЛЬТМЕТРЫ
Определение и классификация. Электронным вольтметром называется прибор, показания которого вызываются током электронных приборов, т. е. энергией источника питания вольтметра. Измеряемое напряжение управляет током электронных приборов, благодаря чему входное сопротивление электронных вольтметров достигает весьма больших значений и они допускают значительные перегрузки.
Электронные вольтметры делятся на аналоговые и дискретные. В аналоговых вольтметрах измеряемое напряжение преобразуется в пропорциональное значение постоянного тока, измеряемое магнитоэлектрическим микроамперметром, шкала которого градуируется в единицах напряжения (вольты, милливольты, микровольты). В дискретных вольтметрах измеряемое напряжение подвергается ряду преобразований, в результате которых аналоговая измеряемая величина преобразуется в дискретный сигнал, значение которого отображается на индикаторном устройстве в виде светящихся цифр. Аналоговые и дискретные вольтметры часто называют стрелочными и цифровыми соответственно.
По роду тока электронные вольтметры делятся на вольтметры постоянного напряжения, переменного напряжения, Универсальные и импульсные. Кроме того, имеются вольтметры с частотно-избирательными свойствами — селективные.
При разработке электронных вольтметров учитываются следующие основные технические требования: высокая чувствительность; широкие пределы измеряемого напряжения; широкий диапазон рабочих частот; большое входное сопротивление и малая входная емкость; малая погрешность; известная зависимость показаний от формы кривой измеряемого напряжения. Перечисленные требования нельзя удовлетворить в одном приборе, поэтому выпускаются вольтметры с разными структурными схемами.
Вольтметры переменного напряжения. Электронный вольтметр переменного напряжения состоит из преобразователя переменного напряжения в постоянное, усилителя и магнитоэлектрического индикатора. Часто на входе вольтметра устанавливается калиброванный делитель напряжения. с помощью которого увеличивается верхний предел измеряемого напряжения. В зависимости от вида преобразования показание вольтметра может быть пропорционально амплитудному (пиковому), средневыпрямленному или среднеквадратическому значению измеряемого напряжения.
![]() |
Рис.1. Структурная схема аналогового электронного вольтметра с амплитудным преобразователем
Однако следует иметь в виду, что шкалу любого электронного вольтметра градуируют в среднеквадратических (действующих) значениях напряжения синусоидальной формы. Исключение составляют импульсные вольтметры, шкалу которых градуируют в амплитудных значениях.
Вольтметр амплитудного (пикового) значения (рис.1) состоит из амплитудного преобразователя АПр, усилителя постоянного тока УПТ и магнитоэлектрического индикатора, градуированного в вольтах. На входе вольтметра иногда предусматривается делитель напряжения ДН. Амплитудный преобразователь выполняют по схеме с открытым или закрытым входом.
Амплитудный преобразователь с открытым входом (рис.2, а) представляет собой последовательное соединение вакуумного диода Д с параллельно соединенными резистором Л? и конденсатором С. Если к зажимам 1—2 приложено напряжение u = Um sinwt от источника с внутренним сопротивлением ri , то конденсатор через диод заряжается до некоторого значения Uc , которое приложено к электродам диода так, что он большую часть периода закрыт, т. е. работает в режиме отсечки (рис. 2, б). В течение каждого периода диод открывается на некоторый промежуток времени 't1 - 't2 тогда и > U c и конденсатор подзаряжается импульсом тока iД до напряжения Uc • постоянная времени заряда tз = (Ri +RД ) С, где R Д — сопротивление открытого диода. Затем диод закрывается и конденсатор разряжается через резистор R в течение интервала t2 - 't1 постоянная времени разряда tp = RC.
Постоянные времени должны отвечать следующим условиям: tз < 1/f в и tp > I/f н где f в и f н — границы частотного диапазона вольтметра. Очевидно, что tз << tp и R >> Ri +RД. В широкодиапазонных вольтметрах неравенство: tз < 1/f в выполнить не удается, и потому на высоких частотах процесс установления длится в течение нескольких периодов измеряемого напряжения.
|
|
а) б)
Рис.2. Амплитудный преобразователь с открытым входом
Результатом амплитудного преобразования является среднее значение слабопульсирующего напряжения Uc, которое в отличие от Um называют пиковым значением Uпик .
Uпик = Um cos q
Где q - угол отсечки диода.
Напряжение Uпик поступает на вход усилителя постоянного тока, входное сопротивление которого большое, а выходное — малое. УПТ служит для согласования выходного сопротивления преобразователя с сопротивлением индикатора и для повышения чувствительности вольтметра.
Амплитудный преобразователь с закрытым входов (рис. 3) представляет собой последовательное соединение конденсатора постоянной емкости С с параллельно соединенными диодом Д и резистором R. Процесс преобразования переменного напряжения в постоянное Uпик аналогичен рассмотренному выше, с тем отличием, что на зажимах 3—4 имеются значительные пульсации напряжения, для сглаживания которых предусмотрен фильтр.
![]() |
Рис. 3. Принципиальная схема амплитудного преобразователя с закрытым входом
Процессы преобразования пульсирующего напряжения преобразователем с открытым и закрытым входом различны и зависят от полярности подключения к входным зажимам /—2 постоянной составляющей пульсирующего напряжения. Если на вход амплитудного преобразователя с открытым входом включено пульсирующее напряжение так,

Рис. 4. Диаграммы напряжении в амплитудных преобразователях: а—с открытым входом; б — с закрытым входом
что «+» постоянной составляющей приложен к аноду| диода, то выходное напряжение Uпик »Umax =U0 +Um+ , где Uo — постоянная составляющая, а Um+ — амплитуда положительного полупериода переменной составляющей (рис.4, а). Если к аноду диода приложен «—» постоянной составляющей, то диод закрыт все время и преобразования нет. Если к аноду амплитудного преобразователя с закрытым входом приложено пульсирующее напряжение, то конденсатор С заряжен постоянной составляющей U0 преобразователь реагирует только на переменную составляющую. если к аноду диода приложен «+», то выходное напряжение Uпик » Um+ , a если «—», то Uпик » Um- (рис. 4, б). Это полезное свойство вольтметров с закрытым входом измерять отдельно значения напряжения положительного или отрицательного полупериодов широко используется для определения симметричности амплитудной модуляции, наличия ограничения сигналов и т.д. Амплитудные (пиковые вольтметры характеризуются невысокой чувствительностью (порог чувствительности »0.1В) и широкой полосой частот (до 1 ГГц).
Вольтметр средневыпрямленного значения (рис.6) состоит из входного делителя напряжения ДЯ, широкополосного транзисторного усилителя ШУ, выпрямительного преобразователя Пр и магнитоэлектрического индикатора.

Рис.5. Структурная схема универсального вольтметра
Входное сопротивление делителя напряжения высокое, и если усилитель имеет низкое входное сопротивление, то между ними ставится узел согласования — преобразователь сопротивлений (с высоким входным и низким выходным сопротивлениями). Выходное напряжение усилителя поступает на выпрямительный преобразователь, и через микроамперметр протекает постоянная составляющая выпрямленного тока, пропорциональная средневыпрямленному значению измеряемого напряжения.
![]() |
Рис.6. Структурная схема вольтметра высокой чувствительности
Шкалу индикатора градуируют в среднеквадратических значениях синусоидального напряжения.
Вольтметры, построенные по такой структурной схеме, характеризуются высокой чувствительностью (микро- и милливольты) и сравнительно узкой полосой частот измеряемых напряжений (1; 5; 10МГц). Обе эти характеристики определяются усилителем переменного напряжения.
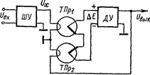
Вольтметр среднеквадратического (действующего) значения строится по структурной схеме рис.6. Применяются преобразователи с квадратичной характеристикой, обеспечивающей измерение среднеквадратического значения напряжения любой формы. К таким преобразователям относятся, в первую очередь, термоэлектрические и оптронные. На базе термоэлектрических преобразователей (см. рис-. 3-15, г) создан преобразователь среднеквадратического значения [б], работающий на двух идентичных элементах ТПр1 и ТПр2 (рис. 7) и дифференциальном усилителе ДУ (микросхеме). Нагреватель первого термопреобразователя подключен к выходу широкополосного усилителя, т. е. в цепь измеряемого напряжения Ux, а нагреватель второго — к выходу дифференциального усилителя ДУ, т. е. в цепь отрицательной обратной связи. ТермоЭДС первого преобразователя Ет 1 =aт U2 x второго — Ет 2 =aт U2 вых , где Ux и (Uвых —среднеквадратические значения измеряемого и выходного напряжений соответственно.

Рис.7. Схема термоэлектрического преобразователя среднеквадратического значения напряжения
Термопары включены встречно. Применяют дифференциальный усилитель с большим коэффициентом усиления. Выходное напряжение среднеквадратического преобразователя связано линейной зависимостью со среднеквадратическим значением измеряемого напряжения.
Основная погрешность преобразования обусловлена не идентичностью параметров термопреобразователей, увеличивающейся с их старением, и составляет 2,5—6 %.
Вольтметры постоянного напряжения. Рассмотренный выше (рис.5) универсальный вольтметр позволяет измерять постоянное напряжение от десятых долей вольта и выше. Для измерения меньших значений (от 0,5 мкВ) применяют высокочувствительные электронные вольтметры с преобразованием постоянного напряжения в переменное, которое после значительного усиления вновь преобразуется в постоянное и измеряется магнитоэлектрическим микроамперметром.
Цифровые электронные вольтметры. Принцип работы вольтметров дискретного действия состоит в преобразовании измеряемого постоянного или медленно меняющегося напряжения в электрический код, который отображается на табло в цифровой форме. В соответствии с этим обобщенная структурная схема цифрового вольтметра состоит из входного устройства ВхУ, аналого-цифрового преобразователя АЦП и цифрового индикатора Ц И.
![]() |
Рис.8 Обобщенная структурная схема цифрового вольтметра.
Цифровые вольтметры с время-импульсным преобразованием. Принцип работы заключается в преобразовании измеряемого напряжения Ux в пропорциональный интервал времени ДГ, измеряемый числом N заполняющих его импульсов со стабильной частотой следования.
Вольтметр (рис. 3-30, а) работает циклами, длительность которых Т устанавливается с помощью управляющего устройства УУ и обычно равна или кратна периоду питающей сети. Для единичного измерения Ux предусмотрен ручной запуск.
Погрешность измерения возникает вследствие нелинейности изменения линейнопадающего напряжения, нестабильности порога срабатывания сравнивающих устройств.

Рис. 3-30. Цифровой вольтметр с время-импульсным преобразованием
и возможности потери счетного импульса, т. е. погрешности дискретности. Основная погрешность составляет обычно 0,1 %. Помехоустойчивость вольтметров с время-импульсным преобразованием низкая, так как любая помеха вызывает изменение момента срабатывания сравнивающего устройства. Главным достоинством этих вольтметров является их сравнительная простота.
Цифровой вольтметр с частотным преобразованием. Принцип действия заключается в преобразовании измеряемого напряжения в пропорциональную ему частоту следования импульсов, измеряемую цифровым частотомером.
Цифровой вольтметр с двойным интегрированием. Принцип его работы подобен принципу времямпульсного преобразования, с тем отличием, что здесь образуются два временных интервала в течение цикла измерения, длительность которого устанавливается кратной периоду помехи. Таким образом определяется среднее значение измеряемого напряжения, а помеха подавляется. Эти вольтметры являются более точными и помехоустойчивыми по сравнению с рассмотренными выше, однако время измерения у них больше.
Вольтметр следящего уравновешивания работает не циклами, а непрерывно реагируя на изменение измеряемого напряжения: сумма образцовых напряжений принимает большее или меньшее значение в зависимости от значения измеряемого напряжения. Когда достигается равенство Ux =åUобр. код преобразуется в показание, а состояние прибора остается неизменным до тех пор, пока не изменится значение Ux .Преимущество вольтметров следящего уравновешивания заключается в уменьшении статической и динамической погрешности и в повышении быстродействие.
Похожие рефераты:
Измеритель отношения сигнал/шум ТВ канала
Метрологическое обеспечение и стандартизация измерений напряжения и тока
АНАЛОГОВЫЕ ЭЛЕКТРОННЫЕ ВОЛЬТМЕТРЫ
Компенсация реактивной мощности в системах электроснабжения с преобразовательными установками
Разработать лабораторный стенд для испытания устройств защиты судовых генераторов
Оборудование летательных аппаратов
Методы позиционирования и сжатия звука
Коммутатор цифровых каналов системы передачи
Модернизация релейной защиты на тяговой подстанции Улан-Удэ на базе микропроцессорной техники
Использование цифровой лаборатории "Архимед" в школьном химическом эксперименте
Приемник цифровой системы передачи информации ВЧ-каналом связи по ВЛ
Интегральные логические элементы
Пассивные линейные измерительные преобразователи синусоидальных напряжений и токов




