| Похожие рефераты | Скачать .docx |
Курсовая работа: Расчет ректификационной установки для разделения бинарной смеси этиловый спирт-вода
ФГАОУ ВПО
Уральский федеральный университет им. Первого Президента России Б.Н. Ельцина
Кафедра «Процессы и аппараты химической технологии»
Пояснительная записка
Расчет ректификационной установки для разделения бинарной смеси этиловый спирт-вода
2010
Аннотация
Крашенинникова Е.В. Расчет ректификационной установки для разделения бинарной смеси этиловый спирт-вода. – Озёрск: ФГАОУ ВПО «УрФУ имени первого Президента России Б.Н. Ельцина» , 2010. – 50 с., 14 ил. Библиография – 10 назв.
В данной курсовой работе проведен расчет ректификационной колонны непрерывного действия с ситчатыми тарелками для разделения смеси этиловый спирт-вода производительностью 5000 кг/час по исходной смеси. Выполнен материальный и тепловой балансы, проведен гидравлический расчет, определены основные размеры аппарата и подобраны нормализованные конструктивные элементы. Подобраны испаритель и дефлегматор. Предложены способы повышения эффективности работы колонн с ситчатыми тарелками.
Задание на курсовую работу
Рассчитать ректификационную установку по следующим данным:
1. Тип аппарата: выбрать;
2. Разделяемая смесь: этиловый спирт – вода;
3. Производительность по сырью: 5 т/ч;
4. Концентрация НКК в:
· Дистилляте – 75% (мол.);
· Сырье – 10%(мол.);
· Остатке – 1%(мол.);
5. Давление греющего пара: 3 ат;
6. Температура:
· Поступающего сырья – 10ºС;
· Воды, идущей на дефлегматор – 10ºС;
7. Давление в колонне: 1 ат.
Содержание
Введение
1 Теоретические основы процесса ректификации и описание технологической схемы
1.1 Теоретические основы процесса ректификации
1.2 Принцип работы ректификационного аппарата
1.3 Описание технологической схемы ректификационнй установки
2 Классификация и выбор ректификационных установок и вспомогательного оборудования
2.1 Классификация ректификационных установок по конструкции внутреннего устройства аппарата
2.2 Классификация ректификационных установок по периодичности действия
2.3 Классификация ректификационных установок по способу организации движения потоков контактирующих фаз
2.4 Выбор ректификационной установки
2.5 Колонны с ситчатыми тарелками для разделения смеси «этиловый спирт-вода»
2.6 Выбор вспомогательного оборудования
2.7 Выбор конструкционного материала
3 Материальный расчет колонны
3.1 Производительность колонны по дистилляту и кубовому остатку
3.2 Расчет оптимального флегмового числа и определение числа теоретических тарелок
3.3 Массовый поток пара в верхней и нижней частях колонны
3.4 Массовые расходы жидкости в верхней и нижней части колонны
4 Расчет диаметра колонны
4.1 Плотности компонентов
4.2 Скорость пара в колонне
4.3 Диаметр колонны
4.4 Характеристика тарелки (рис 8,9)
5 Расчет числа тарелок
5.1 Средний КПД тарелки
5.2 Высота колонны
6 Гидравлический расчет колонны
6.1 Гидравлическое сопротивление сухой тарелки
6.2 Гидравлическое сопротивление обусловленное силами поверхностного натяжения
6.3 Гидравлическое сопротивление газожидкостного слоя
6.4 Полное сопротивление тарелки
6.5 Суммарное гидравлическое сопротивление рабочей части колонны
7 Тепловой расчет колонны
7.1 Расход теплоты отдаваемой воде в дефлегматоре
7.2 Расход теплоты в кубе испарителе
7.3 Расход греющего пара
8 Конструктивный расчет
Выводы
Заключение
Список литературы
Приложения
Введение
Ректификация – разделение жидких однородных смесей на составляющие вещества или группы составляющих веществ в результате взаимодействия паровой смеси и жидкой смеси. Это массообменный процесс, который осуществляется в большинстве случаев в противоточных колонных аппаратах с контактными элементами (насадки, тарелки), аналогичными используемыми в процессе абсорбции.
Возможность разделения жидкой смеси на составляющие её компоненты ректификацией обусловлена тем, что состав пара, образующегося над жидкой смесью, отличается от состава жидкой смеси в условиях равновесного состояния пара и жидкости.
Сущность процесса ректификации рассмотрена на примере разделения двухкомпонентной смеси по заданию на курсовую работу, где требуется рассчитать ректификационную установку для разделения смеси «этиловый спирт-вода».
Ректификационная установка даёт наиболее полное разделение смесей жидкостей, целиком или частично растворимых друг в друге. Процесс заключается в многократном взаимодействии паров с жидкостью – флегмой, полученной при частичной конденсации паров.В ректификационном аппарате снизу вверх движутся пары, а сверху подается жидкость, представляющая собой почти чистый НКК. При соприкосновении поднимающихся паров со стекающей жидкостью происходит частичная конденсация паров и частичное испарение жидкости. При этом из паров конденсируется преимущественно ВКК, а из жидкости испаряется преимущественно НКК. Таким образом, стекающая жидкость обогащается ВКК, а поднимающиеся пары обогащаются НКК, в результате чего выходящие из аппарата пары представляют собой почти чистый НКК. Эти пары поступают в конденсатор, называемый дефлегматором, и конденсируются. Часть конденсата, возвращаемая на орошение аппарата, называется флегмой, другая часть отводится в качестве дистиллята.
Как и во всех массобменных процессах эффективность ректификации зависит от поверхности контакта фаз. Для увеличения поверхности массобмена используют различные контактные устройства насадочного или барботажного типа. Наиболее распространенными ректификационными установками являются барботажные колонны с различными типами тарелок: колпачковыми, ситчатыми, провальными и т.п. Наиболее универсальны колонны с колпачковыми тарелками, но при разделении незагрязненных жидкостей в установках с постоянной нагрузкой, хорошо зарекомендовали себя аппараты с ситчатыми тарелками, отличающимися простотой конструкции и легкостью в обслуживании.
В данной курсовой работе рассмотрены основы процесса ректификации, классификация ректификационных колонн по конструкции внутреннего устройства, по периодичности действия и по способу организации движения потоков контактирующих фаз. Кроме того, представлены основные требования по выбору того или иного типа колонны. Согласно заданию на курсовую работу, в котором указаны компоненты бинарной смеси: этанол-вода, выбрана колонна с ситчатыми тарелками, и проведен её расчет по исходным данным, указанным в задании. Выполнен материальный и тепловой балансы, определены основные размеры аппарата и подобраны нормализованные конструктивные элементы.
1 Теоретические основы процесса ректификации и описание технологической схемы
1.1 Теоретические основы процесса ректификации
Во многих химических производствах необходимо производить выделение чистых веществ из смесей жидкостей. Одним из наиболее распространенных методов разделения смесей является ректификация. Этот метод основан на различии в температурах кипения, а, следовательно, и в летучести компонентов смеси. Если летучесть компонентов различна, то состав пара над жидкостью отличается от состава жидкой смеси бóльшим содержанием низкокипящего (легколетучего) компонента – НКК. Вследствие этого при противоточном контакте жидкой смеси с парами, который осуществляется при ректификации в результате массообмена, пары будут обогащаться НКК, а жидкость – высококипящим (труднолетучим) компонентом – ВКК.
В конечном итоге пары будут представлять собой более или менее чистый НКК, а жидкость – ВКК.
Процесс ректификации осуществляется преимущественно в тарельчатых или насадочных колонных аппаратах периодическим или непрерывным способом. На ректификацию поступает исходная жидкая смесь, содержание в которой НК составляет хf. В процессе ректификации смесь разделяется на две части: часть, обогащенную НКК – дистиллат и часть, обогащенную ВКК – кубовый остаток. Обозначим в долях НКК состав дистиллата – хр , а кубового остатка – хw .Исходная смесь подается в ту часть колонны, где жидкость имеет состав хf . Стекая вниз по колонне, она взаимодействует с поднимающимся вверх паром, образующимся при кипении кубовой жидкости в кипятильнике. Пар имеет начальный состав, примерно равный составу кубового остатка хw, т.е. является обедненным НКК. В результате массообмена происходит переход НКК из жидкости в пар, а ВКК – из пара в жидкость.
В точке ввода исходной смеси пар может иметь в пределе состав, равновесный с исходной смесью. Для более полного обогащения пара НКК верхнюю часть колоны орошают жидкостью состава хр, которая получается в дефлегматоре путем конденсации пара, выходящего из колонны. Эта часть конденсата называется флегмой. Другая часть конденсата пара выводится из дефлегматора в виде продукта разделения – дистиллата. Жидкость, отводимая из нижней части колонны, называется кубовым остатком. Таким образом, в ректификационной колонне осуществляется непрерывный процесс разделения подаваемой в колонну исходной бинарной смеси на дистиллат с высоким содержанием НКК и кубовый остаток, обогащенный ВКК. Если обозначить количество поступающей на ректификацию исходной смеси Gf, количество получаемого дистиллата Gp и количество кубового остатка Gw, то материальный баланс выразится равенством:
Gf = Gp + Gw (1)
Если заданы количество и состав исходной смеси и составы продуктов разделения, то для определения количеств дистиллата и кубового остатка уравнение дополняют уравнением материального баланса для НКК:
Gf хf= Gp хp + Gw хw (2)
Степень разделения – чистота получаемых при ректификации продуктов – определяется физико-химическими свойствами разделяемых веществ, размерами и конструкцией аппарата, условиями проведения процесса (гидродинамикой, давлением и пр.).
На рис 1 в координатах состав пара (у) – состав жидкости (х) графически представлена типичная зависимость между равновесными (линия 1) и рабочими (линия 2 и 3) составами фаз для бинарной смеси. Уравнения линий рабочих концентраций для верхней и нижней частей колонны имеют различный вид:
· для верхней части
yв = R / (R + 1) x + xp / (R + 1); (3)
· для нижней части
yн = (R + f) / (R + 1) x – (f – 1) × × xw / (R + 1), (4)
где f= Gf / Gp – удельное количество поступающей исходной смеси;
R = GR / Gp – флегмовое число, представляющее собой отношение количества флегмы, подаваемой на орошение колонны к количеству дистиллата.
В уравнениях рабочих линий составы взаимодействующих фаз выражаются только в мольных долях НКК.

Рис 1 – Х-Y-диаграмма. Зависимость между равновесными и рабочими составами фаз для смеси этиловый спирт-вода
При расчетах процессов ректификации принимаются следующие допущения, мало искажающие фактические условия протекания процесса, но значительно упрощающие расчет:
1 Разделяемая смесь следует правилу Трутона, согласно которому отношение мольной теплоты испарения или конденсации к абсолютной температуре кипения для всех жидкостей является приближенно величиной постоянной.
Для смеси, состоящей из двух компонентов:
rсм / Tсм = r1 / T1 = r2 / T2 - const. (5)
Отсюда следует, что при конденсации 1 кмоль ВК в колонне испаряется 1 кмоль НК, т.е. мольное количество паров, поднимающихся по колонне постоянно.
2 Принимается, что Yp = xp , a Yw = xw , т.е. пренебрегается укрепляющим действием дефлегматора в процессе конденсации в нем паров и пренебрегается исчерпывающим действием кипятильника.
3 Теплоты смешения компонентов разделяемой смеси равны нулю.
Кроме того, в расчетах исходят из того, что смесь, подлежащая разделению, поступает в колонну нагретой до температуры кипения на питающей тарелке. В этом случае точка пересечения рабочих линий низа и верха колонны лежит на ординате x = хf .
Следует отметить, что питание колонны исходной смесью может осуществляться в виде пара и в виде жидкости с температурой ниже
температуры кипения смеси. Из анализа уравнений рабочих линий низа и верха колонны с учетом сделанных допущений следует, что рабочая линия верхней части колонны пересекает диагональ в точке А (при этом x = хр), а нижней – в точке В (x = хw). Между собой эти линии пересекаются в точке С, где x = хf.
По высоте точка С располагается между равновесной линией и диагональю и зависит от R, при Rmin точка С находится на равновесной линии, при Rmax – на диагонали.
По фазовой диаграмме (рис 1) графическим построением может быть найдено число теоретических ступеней изменения концентраций или число "теоретических тарелок". За "теоретическую тарелку" принимается такая условная тарелка, на которой (рис 1) пар состава у1, взаимодействуя с жидкостью состава х1, изменяет концентрацию до равновесной Y1*.
В этом случае число "теоретических тарелок" определяется построением ступеней между рабочими и равновесными линиями в пределах от хw до хр.
На реальных тарелках в колонне не достигается равновесного состояния между паром и жидкостью. Поэтому для аналогичного изменения концентрации требуется большее число действительных тарелок.
Отношение числа "теоретических тарелок" nт к числу действительных тарелок nд в колонне называют средним коэффициентом полезного действия тарелок (КПД колонны): ηср = nт / nд .
Величина КПД как мера интенсивности работы тарелок зависит от гидродинамических условий на тарелке, физических свойств пара и жидкости, кривизны равновесной линии. В связи с тем, что все эти факторы могут изменяться с изменением концентрации, КПД каждой тарелки η будет отличаться от среднего для всех тарелок ηср. Величина ηср определяется опытным путем.
Проведение процесса ректификации требует затраты тепловой энергии. Тепло, необходимое для испарения кубовой жидкости, подводится в кипятильник. Обычно подвод тепла осуществляется насыщенным водяным паром, а для колонн малого диаметра можно использовать электронагрев.
Теоретический расход тепла на проведение процесса определяется из уравнения теплового баланса:
Qк = Gp (R + 1) rp + Gp cp tp + Gw cw tw – Gf cf tf , (6)
где rp – удельная теплота конденсации паров в дефлегматоре;
сf, cp, cw – соответственно, теплоемкости исходной смеси, дистиллата и кубового остатка;
tf, tp, tw – температуры кипения исходной смеси, дистиллата и кубовой жидкости, соoтвeтcтвeннo.
Теплоемкости и скрытая теплота конденсации смесей рассчитывается по правилу аддитивности. Фактический расход тепла несколько больше рассчитанного по уравнению теплового баланса за счет потерь тепла в окружающую среду.
1.2 Принцип работы ректификационного аппарата
Обычно ректификационный аппарат состоит из двух частей: верхней и нижней, каждая из которых представляет собой организованную поверхность контакта фаз между паром и жидкостью.
В нижней части исходная смесь взаимодействует с паром, начальный состав которого равен составу кубового остатка. Вследствие этого из смеси извлекается НКК.
В верхней ступени пар начального состава соответствующий составу исходной смеси, взаимодействует с жидкостью, начальный состав которой равен составу дистиллята. Вследствие этого пар обогащается НКК до требуемого предела, а ВКК извлекается из паровой фазы.
Пар для питания ректификационной колонны получается многократным испарением жидкости, имеющей тот же состав, что и кубовый остаток, а жидкость – многократной конденсацией пара, имеющего состав, одинаковый с составом дистиллята.
Полученный в конденсаторе дистиллят делится на две части. Одна часть направляется обратно в колонну – флегма, другая является отбираемым продуктом – дистиллят. Отношение количества возвращенного в колонну дистиллята (флегмы) к количеству дистиллята, отобранного в виде продукта – называется флегмовым числом R.
В ректификационном аппарате снизу вверх движутся пары, а сверху подается жидкость, представляющая собой почти чистый НКК. При соприкосновении поднимающихся паров со стекающей жидкостью происходит частичная конденсация паров и частичное испарение жидкости. При этом из паров конденсируется преимущественно ВКК, а из жидкости испаряется преимущественно НКК. Таким образом, стекающая жидкость обогащается ВКК, а поднимающиеся пары обогащаются НКК, в результате чего выходящие из аппарата пары представляют собой почти чистый НКК. Эти пары поступают в конденсатор, называемый дефлегматором, и конденсируются. Часть конденсата, возвращаемая на орошение аппарата, называется флегмой, другая часть отводится в качестве дистиллята.
Как и для всех массобменных процессов эффективность ректификации зависит от поверхности контакта фаз. Для увеличения поверхности массобмена используют различные контактные устройства насадочного или барботажного типа.
1.3 Описание технологической схемы ректификационнй установки
Рассмотрим технологическую схему ректификационной установки (рис 2).
Исходная смесь из расходной емкости РЕ центробежным насосом подается в подогреватель П, где нагревается до температуры кипения и поступает на питающую тарелку ректификационной колонны РК. Стекая по тарелкам жидкость, попадает в куб, из которого поступает в кипятильник К. Из кипятильника пары жидкости поступают в нижнюю часть колонны и двигаются навстречу исходной смеси, барботируя через нее и обогащаясь низкокипящим компонентом. Выходя из колонны пары, попадают в дефлегматор Д и конденсируются. Дистиллят поступает в разделитель Р, где разделяется на два потока: одна часть в качестве флегмы возвращается в колонну и стекает по тарелкам вниз, обогащаясь при этом высококипящим компонентом, а другая часть поступает в холодильник Х1, охлаждается и попадает в приемную емкость ПЕ2. По мере работы часть жидкости из куба отводится в холодильник Х2 и поступает в приемную емкость ПЕ1 в качестве кубового остатка.

Рис 2 – Технологическая схема ректификационной установки
2 Классификация и выбор ректификационных установок и вспомогательного оборудования
2.1 Классификация ректификационных установок по конструкции внутреннего устройства аппарата
В промышленности применяют колпачковые, ситчатые, насадочные, пленочные трубчатые колонны и центробежные пленочные ректификаторы. Они различаются в основном конструкцией внутреннего устройства аппарата, назначение которого — обеспечение взаимодействия жидкости и пара. Это взаимодействие происходит при барботировании пара через слой жидкости на тарелках (колпачковых или ситчатых), либо при поверхностном контакте пара и жидкости на насадке или поверхности жидкости, стекающей тонкой пленкой.
Тарельчатые колпачковые колонны наиболее часто применяют в ректификационных установках. Пары с предыдущей тарелки попадают в паровые патрубки колпачков и барботируют через слой жидкости, в которую частично погружены колпачки. Колпачки имеют отверстия или зубчатые прорези, расчленяющие пар на мелкие струйки для увеличения поверхности соприкосновения его с жидкостью. Переливные трубки служат для подвода и отвода жидкости и регулирования ее уровня на тарелке. Основной областью массообмена и теплообмена между парами и жидкостью, как показали исследования, является слой пены и брызг над тарелкой, создающийся в результате барботажа пара. Высота этого слоя зависит от размеров колпачков, глубины их погружения, скорости пара, толщины слоя жидкости на тарелке, физических свойств жидкости и др. Следует отметить, что, кроме колпачковых тарелок, применяют также клапанные, желобчатые, S-образные, чешуйчатые, провальные и другие конструкции тарелок. В расчетах необходимо учитывать особенности конструкций тарелок.
Клапанные тарелки показали высокую эффективность при значительных интервалах нагрузок благодаря возможности саморегулирования. В зависимости от нагрузки клапан перемещается вертикально, изменяя площадь живого
сечения для прохода пара, причем максимальное сечение определяется высотой устройства, ограничивающего подъем. Площадь живого сечения отверстий для пара составляет 10—15% площади сечения колонны. Скорость пара достигает 1,2 м/с. Клапаны изготовляют в виде пластин круглого или прямоугольного сечения с верхним или нижним ограничителем подъема.
Тарелки, собранные из S-образных элементов, обеспечивают движение пара и жидкости в одном направлении, способствуя выравниванию концентрации жидкости на тарелке.
Чешуйчатые тарелки подают пар в направлении потока жидкости. Они работают наиболее эффективно при струйном режиме, возникающем при скорости пара в чешуях свыше 12 м/с. Площадь живого сечения составляет 10% площади сечения колонны. Чешуи бывают арочными и лепестковыми; их располагают на тарелке в шахматном порядке. Простота конструкции, эффективность и большая производительность — преимущества этих тарелок.
Пластинчатые тарелки собраны из отдельных пластин, расположенных под углом 4—9° к горизонтам. В зазорах между пластинами проходит пар со скоростью 20 — 50 м/с. Над пластинами установлены отбойные щитки, уменьшающие брызгоунос. Эти тарелки отличаются большой производительностью, малым сопротивлением и простотой конструкции.
К провальным относят тарелки решетчатые, колосниковые, трубчатые, ситчатые (плоские или волнистые без сливных устройств). Площадь живого сечения тарелок изменяется в пределах 15—30%. Жидкость и пар проходят попеременно через каждое отверстие в зависимости от соотношения их напоров. Тарелки имеют малое сопротивление, высокий КПД, работают при значительных нагрузках и отличаются простотой конструкции.
Насадочные колонны получили широкое распространение в промышленности. Они представляют собой цилиндрические аппараты, заполненные инертными материалами в виде кусков определенного размера или насадочными телами, имеющими форму, например, колец, шаров для увеличения поверхности фазового контакта и интенсификации перемешивания жидкой и паровой фаз. Массо- и теплообмен в колоннах с насадкой характеризуются не только явлениями молекулярной диффузии, определяющимися физическими свойствами фаз, но и гидродинамическими условиями работы колонны, которые определяют турбулентность потоков: ламинарный, промежуточный и турбулентный, при которых поток пара является сплошным, непрерывным и заполняет свободный объем насадки, не занятый жидкостью, в то время как жидкость стекает лишь по поверхности насадки. Дальнейшее развитие турбулентного движения может привести к преодолению сил поверхностного натяжения и нарушению граничной поверхности между потоками жидкости и пара. При этом газовые вихри проникают в поток жидкости, происходит эмульгирование жидкости паром, и массообмен между фазами резко возрастает. В случае эмульгирования жидкость распределяется не по насадке, а заполняет весь ее свободный объем, не занятый паром; жидкость образует сплошную фазу, а газ — дисперсную фазу, распределенную в жидкости, т.е. происходит инверсия фаз. Насадочную колонну следует рассчитывать, исходя из оптимальной скорости. При превышении оптимальной скорости начинается обращенное движение жидкости снизу вверх, происходит так называемое “захлебывание” колонны и нарушение режима ее работы.
Трубчатые пленочные ректификационные колонны состоят из пучка вертикальных труб, по внутренней поверхности которых тонкой пленкой стекает жидкость, взаимодействуя с поднимающимся по трубам паром. Пар поступает из куба в трубки. Флегма образуется в дефлегматоре непосредственно на внутренней поверхности трубок, охлаждаемых водой в верхней их части. Диаметр применяемых трубок-5—20 мм. Эффект работы пленочного аппарата возрастает с уменьшением диаметра трубок. Трубчатые колонны характеризуются простотой изготовления, высокими коэффициентами массопередачи и весьма малыми гидравлическими сопротивлениями движению пара. Многотрубные (и длиннотрубные) колонны с искусственным орошением имеют значительно меньшие габаритные размеры и массу, чем тарельчатые.
Ситчатые колонны применяют главным образом при ректификации спирта и жидкого воздуха. Допустимые нагрузки по жидкости и пару для них относительно невелики, и регулирование режима их работы затруднительно. Массо- и теплообмен между паром и жидкостью в основном происходят на некотором расстоянии от дна тарелки в слое пены и брызг. Давление и скорость пара, проходящего через отверстия сетки, должны быть достаточны для преодоления давления слоя жидкости на тарелке и создания сопротивления ее отеканию через отверстия. Ситчатые тарелки необходимо устанавливать строго горизонтально для обеспечения прохождения пара через все отверстия тарелки, а также во избежание стекания жидкости через них. Обычно диаметр отверстий ситчатой тарелки принимают в пределах 0,8—3,0 мм.
2.2 Классификация ректификационных установок по периодичности действия
Все ректификационные установки, независимо от типа и конструкции колонн, классифицируют на установки периодического и непрерывного действия.
В ректификационных установках периодического действия начальную смесь заливают в перегонный куб, где поддерживается непрерывное кипение с образованием паров. Пар поступает на укрепление в колонну, орошаемую частью дистиллята. Другая часть дистиллята из дефлегматора или концевого холодильника, охлажденная до определенной температуры, через контрольный фонарь поступает в сборник готового продукта. В колоннах периодического действия ректификацию проводят до тех пор, пока жидкость в кубе не достигает заданного состава. Затем обогрев куба прекращают, остаток сливают в сборник, а в куб вновь загружают на перегонку начальную смесь. Установки периодической ректификации успешно применяют для разделения небольших количеств смесей. Большим недостатком ректификационных установок периодического действия является ухудшение качества готового продукта (дистиллята) по мере протекания процесса, а также потери тепла при периодической разгрузке и загрузке куба. Эти недостатки устраняются при непрерывной ректификации.
Колоннынепрерывного действия состоят из нижней (исчерпывающей) части, в которой происходит удаление легколетучего компонента из стекающей вниз жидкости, и верхней (укрепляющей) части, назначение которой – обогащение поднимающихся паров легколетучего компонента. Схема установки непрерывной ректификации отличается от периодической тем, что питание колонны начальной смесью определенного состава происходит непрерывно с постоянной скоростью; готовый продукт постоянного качества также непрерывно отводится.
2.3 Классификация ректификационных установок по способу организации движения потоков контактирующих фаз
По способу организации относительного движения потоков контактирующих фаз ректификационные колонны делятся на противоточные, прямоточные, перекрестноточные и перекрестнопрямоточные. А по регулируемости сечения контактирующих фаз – на тарелки с нерегулируемым и регулируемым сечениями.
Противоточные тарелки характеризуются высокой производительностью по жидкости, простотой конструкции и малой металлоемкостью. Основной их недостаток – низкая эффективность и узкий диапазон устойчивой работы, неравномерное распределение потоков по сечению колонны, что существенно ограничивает их применение.
Прямоточные тарелки отличаются повышенной производительностью, но умеренной эффективностью разделения, повышенным гидравлическим сопротивлением и трудоемкостью изготовления, они предпочтительны для применения в процессах разделения под давлением.
К перекрестноточным типам тарелок относятся:
1) тарелки с нерегулируемым сечением контактирующих фаз следующих конструкций: ситчатые, ситчатые с отбойниками, колпачковые с круглыми, прямоугольными, шестигранными, S-образными, желобчатыми колпачками;
2) тарелки с регулируемым сечением следующих конструкций: клапанные с капсульными, дисковыми, пластинчатыми, дисковыми эжекционными клапанами; клапанные с балластом; комбинированные колпачково-клапанные (например, S-образные и ситчатые с клапаном) и др.
Перекрестноточные тарелки характеризуются в целом (за исключением ситчатых) наибольшей разделительной способностью, поскольку время пребывания жидкости на них наибольшее по сравнению с другими типами
тарелок. К недостаткам колпачковых тарелок следует отнести низкую удельную производительность, относительно высокое гидравлическое сопротивление, большую металлоемкость, сложность и высокую стоимость изготовления.
2.4 Выбор ректификационной установки
В ректификационных колоннах применяются сотни различных конструкций контактных устройств, существенно различающихся по своим характеристикам и технико-экономическим показателям. При этом в эксплуатации находятся наряду с самыми современными конструкциями контактные устройства таких типов (например, желобчатые тарелки и др.), которые, хотя и обеспечивают получение целевых продуктов, но не могут быть рекомендованы для современных и перспективных производств.
Наиболее распространенными ректификационными установками являются барботажные колонны с различными типами тарелок: колпачковыми, ситчатыми, провальными и т.п. Хорошо зарекомендовали себя аппараты с ситчатыми тарелками, отличающимися простотой конструкции и легкостью в обслуживании.
При выборе типа контактных устройств обычно руководствуются следующими основными показателями:
а) производительностью;
б) гидравлическим сопротивлением;
в) коэффициентом полезного действия;
г) диапазоном рабочих нагрузок;
д) возможностью работы на средах, склонных к образованию смолистых или других отложений;
е) материалоемкостью;
Ситчатые тарелки с отбойниками имеют относительно низкое гидравлическое сопротивление, повышенную производительность, но более узкий рабочий диапазон по сравнению с колпачковыми тарелками. Применяются преимущественно в вакуумных колоннах.
Лучшими показателями по гидравлическому сопротивлению обладают тарелки ситчатые и S-образные с клапанами, а по КПД — клапанная балластная и S-образная с клапаном.
Следует отметить, что универсальных конструкций тарелок, эффективно работающих «всегда и везде», не существует. При выборе конкретного типа тарелок из множества вариантов следует отдать предпочтение той конструкции, основные (не обязательно все) показатели эффективности которой в наибольшей степени удовлетворяют предъявляемым требованиям. Предпочтительно применение контактных устройств, имеющих как можно меньшее гидравлическое сопротивление.
2.5 Колонны с ситчатыми тарелками для разделения смеси «этиловый спирт-вода»
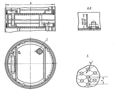
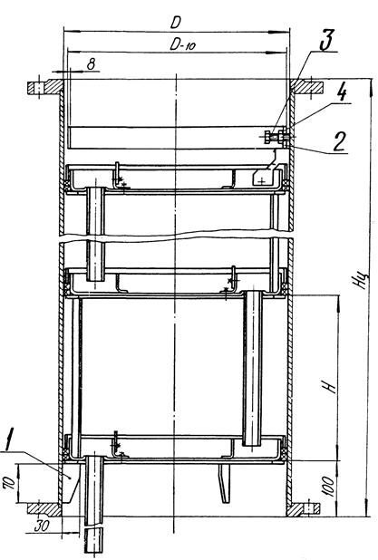
Колонны с ситчатыми тарелками (Приложение А) гораздо проще по устройству и дешевле, чем, например, колонны с колпачковыми тарелками. Колонны с ситчатыми тарелками (рис 3) состоят из вертикального цилиндрического корпуса 1 с горизонтальными тарелками 2, в которых равномерно по всей поверхности просверлено значительное число мелких отверстий. Для слива жидкости и регулирования её уровня на тарелке есть переливные трубки 3. нижние концы трубок погружены в стаканы 4, находящиеся на лежащих ниже тарелках, и образуют гидравлические затворы.

Рис 3 — Схема устройства ситчатой колонны
1 – корпус; 2 – ситчатая тарелка; 3 – переливная трубка; 4- стакан
Газ (пар) проходит в отверстия тарелки (рис 4) и распределяется в жидкости в виде мелких струек; лишь на некотором расстоянии от дна тарелки образуется слой пены и брызг – основная область массообмена и теплообмена на тарелке.

Рис 4 — Схема работы ситчатой тарелки
В определенном диапазоне нагрузок ситчатые тарелки обладают довольно большой эффективностью. Для того, чтобы КПД тарелки не уменьшалось резко, давление и скорость газа (пара), проходящего через отверстия тарелки, должны быть достаточными для того, чтобы преодолеть давление слоя жидкости на тарелке и предотвратить тем самым стекание жидкости через отверстия.
Кроме того, протекание жидкости через отверстия увеличивается с увеличением диаметра тарелки и при отклонении от строго горизонтального положения. Поэтому диаметр и число отверстий следует подбирать такими, чтобы жидкость удерживалась на тарелках и не увлекалась механически паром. Обычно принимают диаметр отверстий ситчатых тарелок 0,8-3 мм.
Очистка, промывка и ремонт ситчатых тарелок проводятся относительно удобно и легко.
Но есть и минусы. Ситчатые колонны эффективно работают только при определенных скоростях ректификации, и регулирование режима их работы. При значительных нагрузках потеря напора довольно большая. Кроме того, как указывалось ранее, тарелки должны быть расположены строго горизонтально, т.к. иначе газ (пар) будет проходить через часть отверстий, не соприкасаясь с жидкостью. А в случае внезапного прекращения поступления газа (пара) или значительно снижения его давления тарелки ситчатой колонны полностью опоражниваются от жидкости, и для достижения заданного режима процесса требуется вновь пустить колонну.
Чувствительность к колебаниям нагрузки, а также загрязнениям и осадкам, которые быстро забивают отверстия тарелки, ограничивают область использования ситчатых колонн. Но для ректификации спирта и жидкого воздуха (кислородные установки), главным образом применяют именно их.
Для повышения эффективности ситчатых тарелок увеличивают длительность контакта между жидкостью и газом (паром), например, принудительным круговым движением жидкости на тарелке при одинаковом направлении её движения на всех тарелках колонны.
2.6 Выбор вспомогательного оборудования
Размеры и конструкции перегонного куба, дефлегматора и концевого холодильника зависят от производительности установки, физических свойств перегоняемой смеси и режима процесса (периодический или непрерывный).
Дефлегматор обычно представляет собой кожухотрубчатый теплообменник. В ряде случаев в дефлегматоре происходит конденсация всех паров, вышедших из колонны. В концевом холодильнике дистиллят охлаждается до заданной температуры.
Иногда в дефлегматоре конденсируется лишь часть паров для получения флегмы, а полная конденсация и охлаждение происходят в холодильнике.
Ректификационные установки снабжают также приборами для регулирования и контроля режима работы и нередко аппаратами для утилизации тепла.
2.7 Выбор конструкционного материала
Этанол и вода не являются коррозионно-активными веществами, рабочая температура в колонне не выше 100°С, поэтому в качестве конструкционного материала для основных деталей аппарата выбираем сталь Ст 3 ГОСТ 380 – 94: которая используется для изготовления деталей химической аппаратуры при работе с неагрессивными средами при температурах от 10 до 200 °С.
3 Материальный расчет колонны
3.1 Производительность колонны по дистилляту и кубовому остатку
Таблица 1 – Температуры кипения и молекулярные массы разделяемых компонентов
параметр вещество |
tк, °С | М, кг/кмоль |
| этанол | 78,30 | 46,10 |
| вода | 100,00 | 18,00 |
Молекулярные массы исходной смеси, дистиллята и кубового остатка:
(7)
MF = 0,10×46,10 + 0,746×18,00 = 49,00 кг/кмоль
Аналогично для MР и MW:
MР = 0,75×46,1 + 0,099×18,00 = 56,80 кг/кмоль
MW = 0,01×46,1 + 0,968×18,0 = 46,40 кг/кмоль
Уравнение материального баланса
F = P + W; (8)
F
F = P
+ W
, (9)
где
F,
,
– массовые концентрации НКК,
F = 5000,00 кг/ч – расход исходной смеси,
Р – расход дистиллята,
W – расход кубового остатка,
Прежде, чем находить расход дистиллята и кубовой жидкости, переведем мольные доли компонентов смеси в массовые:
xF= 0,1 ![]()
F= 0,22
xР= 0,75 ![]()
= 0,82
xW= 0,01 ![]()
= 0,025
Тогда
W = F(
–
)/(
–
) (10)
W = 5000,00×(0,82 – 0,22)/(0,82 – 0,025) = 3773,58 кг/ч
Р = F – W = 5000,00 – 3773,58 = 1226,42 кг/ч
3.2 Расчет оптимального флегмового числа и определение числа теоретических тарелок
Строим диаграмму равновесия между паром и жидкостью в системе этиловый спирт-вода (рис 5), используя данные по равновесию (таблица 2).
Таблица 2 – Равновесные данные системы этиловый спирт-вода
| х, %мол. | 0,00 | 1,90 | 9,66 | 16,61 | 26,08 | 39,65 | 50,79 | 57,32 | 67,63 | 74,72 | 89,43 |
| у, %мол. | 0,00 | 17,00 | 43,75 | 50,69 | 55,80 | 61,22 | 65,64 | 68,41 | 73,85 | 78,15 | 89,43 |
| T, ºС | 100,0 | 95,50 | 86,70 | 84,10 | 82,30 | 80,70 | 79,80 | 79,3 | 78,64 | 78,41 | 78,15 |
Находим значение
*= 0,44
Тогда минимальное флегмовое число:
Rmin = (xp – yF*)/(yF* - xF) (11)
Rmin = (0,75 – 0,44)/(0,44 – 0,1) = 0,91
Рабочее число флегмы:
R = 1,3·Rmin+0.3 (12)
R=1,3·0,91+0.3=1,48
Уравнения рабочих линий:
· верхняя часть
y = [R/(R+1)]x + xp / (R+1) (13)
у = 0,597x + 0,302
хF=0,1
уF*= 0,597·0,1+0,302=0,362
Отложим по оси ординат 0,362 и нанесем рабочую линию АВ для верхней части колонны. Через точки А и С проводим рабочую линию АС для нижней части колонны.
· нижняя часть
y = [(R+f)/(R+1)]x – [(f – 1)/(R + 1)]xW (14)
f = F / P (15)
f = 5000,00/1226,42 = 4,08
y = 2,24x – 0,012

Рис 5 – Х-Y-диаграмма. Зависимость между равновесными и рабочими составами фаз для смеси этиловый спирт-вода
Выполнив на диаграмме (рис 5) построение ломанной линии (начиная от т.В), находим необходимое число ступеней изменения концентрации: в верхней части оно составляет ~ 6, в нижней ~ 3; всего – 9.
3.3 Массовый поток пара в верхней и нижней частях колонны
Средние концентрации паров и их температуры (по t-x, y диаграмме):
yF = 0,362; yp = 0,738; yW = 0,011 (рис 5)
уср.в = 0,5(yF + yp) (16)
уср.в = 0,5×(0,362 + 0,738) = 0,55
tср.в = 79,0° С
уср.н = 0,5(yF + yW) (17)
уср.н = 0,5×(0,362 + 0,011) = 0,19
tср.н = 82,5° С
Средние молярные массы паров:
(18)
Мср.в = 0,55×46,10 + 0,45×18,00 = 33,46 кг/кмоль
Аналогично для Мср.н:
Мср.н = 0,19×46,10 + 0,77×18,00 = 23,34 кг/кмоль
Расход пара:
Gв = Р(R + 1)Мср.в /Мр (19)
Gв = 1226,42×(1,48+1)×33,46/39,10 = 2604,13 кг/ч
Gн = Р(R + 1)Мср.н /Мр (20)
Gн = 1226,42×(1,48+1)×23,34/39,10 = 1816,51 кг/ч
3.4 Массовые расходы жидкости в верхней и нижней части колонны
Средние концентрации жидкости:
хср.в = (хF + xр) / 2 (21)
хср.в = (0,1 + 0,75)/2 = 0,425
хср.н. = (хF + xW) / 2 (22)
хср.н = (0,1 + 0,01)/2 = 0,055
Средние молярные массы жидкости:
(23)
Мср.в = 0,425×46,1 + 0,575×18,0 = 29,943 кг/кмоль
(24)
Мср.н = 0,055×46,1 + 0,945×18,0 = 19,546 кг/кмоль
Расход жидкости:
Lв = PRMcр.в / Мр (25)
Lв = 1226,42×1,48×29,943/39,08 = 1390,73 кг/ч
Lн = PRMcр.н/Мр+FMcр.н /МF (26)
Lн = 1226,42×1,48×19,546/39,08 +5000,00×19,546/20,81 = 5604,13 кг/ч
4 Расчет диаметра колонны
4.1 Плотности компонентов
По диаграмме t - x, y* (рис 6), находим температуры исходной смеси, дистиллята и кубового остатка: tF = 86,80°C; tp = 77,50°C: tW = 96,0°C

Рис 6 – t-x,y диаграмма системы этиловый спирт – вода
Таблица 3 - Плотности компонентов при различных температурах, кг/м3
t, ºC вещество |
86,80 | 77,50 | 96,0 |
| этанол | 739 | 732 | 727 |
| вода | 975 | 968 | 962 |
Плотность жидкости:
(27)
1/(0,22/732+0,78/968) = 903,34 кг/м3
(28)
= 1/(0,82/739+0,18/975) = 772,20 кг/м3
(29)
= 1/(0,025/727+0,975/962) = 954,20 кг/м3
Средняя плотность жидкости в верхней и нижней части:
rвж = 0,5(rжF + rжр) (30)
rвж = 0,5×(903,34 + 772,20) = 837,77 кг/м3
rнж = 0,5(rжF + rжW) (31)
rнж = 0,5×(903,34 + 954,20) = 928,77 кг/м3
Плотность паров на питающей тарелке:
(32)
28,136×273/[22,4×(273+82,5)] = 0,964 кг/м3
МпF = 0,362×46,1 + 0,638×18,0 = 28,136 кг/моль
Плотность паров в верхней части:
(33)
rпв = 29,94×273/[22,4×(273+79)] = 1,037 кг/м3
Плотность паров в нижней части:
(34)
rпн = 28,68×273/[22,4×(273+82,5)] = 0,983 кг/м3
4.2 Скорость пара в колонне
Скорость пара в верхней части колонны:
, (35)
где С = 0,059 (при расстоянии между тарелками 400 мм) – коэффициент, зависящий от конструкции тарелок, расстояния между тарелками, рабочего давления в колонне, нагрузке колонны по жидкости (рис 7).
wпв = 0,059×[(837,70 – 1,037)/1,037]1/2 = 1,68 м/с

Рис 7 – Значение коэффициента С
А, Б – для колпачковых тарелок с круглыми колпачками; В – для ситчатых тарелок
Скорость пара в нижней части колонны:
, (36)
wпн = 0,059×[(928,77 – 0,983)/0,983]1/2 = 1,81 м/с
4.3 Диаметр колонны
· в верхней части:
(37)
DB= [0,723 /(1,037×0,785×1,68)]1/2 = 0,73 м
Gв= 2604,13/3600 = 0,723 кг/с
· в нижней части:
(38)
DH= [0,505/(0,983×0,785×1,81)]1/2 = 0,61 м
Gн= 1816,5/3600 = 0,505 кг/с
После определения диаметра колонны по уравнениям (37)-(38) уточним его в соответствии с имеющимися нормалями. Принимаем диаметр колонны 600 мм, тогда действительная скорость пара составит:
· в верхней части
wпв = 1,68×(0,73/0,6)2 = 1,044 м/с;
· в нижней части
wпн = 1,81×(0,61/0,6)2 = 1,84 м/с.
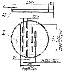
4.4 Характеристика тарелки (рис 8,9)
Принимаем тарелки типа ТС (ОСТ 26-01-108-85):
Исполнение I – неразборное;
Диаметр тарелки – 580,00 мм (рис 9);
Высота тарелки – 40мм;
Свободное сечение колонны – 0,28 м2;
Рабочее сечение тарелки – 0,165 м2;
Свободное сечение тарелки – 0,51 м2;
Относительное свободное сечение тарелки (при dотверстий=5 мм) – 7,23%;
Шаг между отверстиями принимаем 13 мм;
Периметр слива – 0,570 м;
Сечение перелива – 0,012 м2;
Относительная площадь перелива – 4,1%;
Масса – 16,0 кг;
Расстояние между тарелками – 300 мм;
Высота сливного порога – 30 мм;
Высота царги – 900 мм;
Число тарелок в царге – 3.

Рис 8 – Устройство ситчатых тарелок


Рис 9 – Основание тарелки по ОСТ 26-01-108-85
5 Расчет числа тарелок
5.1 Средний КПД тарелки
Вязкость жидкости на питающей тарелке:
lnm = х×lnmA + (1 – x)×lnmB (39)
где mА = 0,44 мПа×с – вязкость этанола;
mВ = 0,31 мПа×с – вязкость воды;
lnmж = 0,22×ln0,44 + (1 – 0,22)×ln0,31.
Откуда m = 0,33 мПа×с.
Коэффициент относительной летучести:
a = рА/рВ (40)
a=1120/525 = 2,13
где рА = 1120 мм рт.ст. – давление насыщенного пара этанола;
рВ = 525 мм рт.ст. – давление насыщенного пара воды.
Произведение am = 2,13×0,33 = 0,704
По диаграмме для приближенного определения КПД тарелки (рис 10) находим значение h=0,56.
h

am
Рис 10 – Диаграмма для приближенного определения КПД тарелки
Тогда число тарелок:
· в верхней части колонны
nв = nвТ/h (41)
nв = 6/0,51 = 12;
· в нижней части колонны
nн = nнТ/h (42)
nн = 3/0,51 = 6.
5.2 Высота колонны
Принимаем расстояние между тарелками Нт = 300 мм, тогда высота нижней и верхней части составит:
Нн = (Nн – 1)Нт (43)
Нн = (6 – 1)×0,3 = 1,5 м;
Нв = (Nв – 1)Нт (44)
Нв = (Nв – 1)Нт = (12 – 1)×0,3 = 3,3 м.
Толщина тарелки – 0,04 м;
Высота сепарационного пространства – 0,7 м;
Высота кубового пространства – 2,3 м;
Высота опоры – 1,2 м;
Общая высота колонны:
Н = 1,2 + 2,3 + 0,7 + 18·0,04+ 3,3 + 1,5 =9,6 м
6 Гидравлический расчет колонны
6.1 Гидравлическое сопротивление сухой тарелки
DРс = xwп2 rп / (2j2) (45)
где j = 0,10 – относительное свободное сечение тарелки;
x = 1,5 – коэффициент сопротивления тарелки (Приложение Е).
· нижняя часть:
DРсн = 1,5×1,682×1,037 / (2×0,1002) = 219,51 Па
· верхняя часть:
DРсв = 1,5×1,812×0,983 / (2×0,1002) = 241,53 Па
6.2 Гидравлическое сопротивление обусловленное силами поверхностного натяжения
s = 0,5(sА + sВ) (46),
где sА = 0,017 Н/м - поверхностное натяжение этанола;
sВ = 0,059 Н/м – поверхностное натяжение воды.
s = 0,5×(0,017 + 0,059) = 0,038 Н/м
DРб = 4s/dэ (47)
где dэ = 0,005 м – диаметр отверстий.
DРб =4×0,038/0,005 = 30,4 Па
6.3 Гидравлическое сопротивление газожидкостного слоя
DРсл = grжh0 (48)
где h0 –высота светлого слоя жидкости на тарелке.
h0 = 0,787q0,2hп0,56wТm[1 – 0,31exp(– 0,11m)](sж/sи)0,09 (49)
где q = L/rП – удельный расход жидкости;
П = 0,57 м – периметр сливного устройства;
hП = 0,03 м – высота сливного порога;
wт = wпSк/Sт – скорость пара отнесенная к рабочей площади тарелки;
sв = 0,059 Н/м – поверхностное натяжение воды
m – показатель степени m = 0,05 – 4,6hп = 0,05 – 4,6×0,03 = – 0,088
· нижняя часть:
hон = 0,787×[1,56/(928,77×0,57)]0,2×0,030,56×(1,81×0,502/0,41) – 0,088´
´[1 – 0,31×exp(– 0,11×0,33)]×(0,038/0,059)0,09 = 0,022 м
· верхняя часть:
hов = 0,787×[0,39/(837,77×0,57)]0,2×0,030,56×(1,68×0,502/0,41) – 0,088´
´[1 – 0,31×exp(– 0,11×0,33)]×(0,038/0,059)0,09 = 0,017 м
DРн.сл = 928,77×9,8×0,022 = 198,49 Па
DРв.сл = 837,77×9,8×0,017 = 139,57 Па
6.4 Полное сопротивление тарелки
DР = DРс + DРб· + DРсл(50)
DРн =219,51 + 30,40 + 198,49 = 448,40 Па
DРв = 241,53 + 30,40 + 139,57 = 411,5 Па
6.5 Суммарное гидравлическое сопротивление рабочей части колонны
DРк = 448,40×6 + 411,5×12 =7629,6 Па
7 Тепловой расчет колонны
7.1 Расход теплоты отдаваемой воде в дефлегматоре
Qд = Р(1 + R)rр (51)
Qд = 0,34×(1+1,8) 1173,24 = 1116,92 кВт
где rр – теплота конденсации флегмы
rр = rA
+ (1 –
)rв (52)
rр = 0,82×882 + (1 – 0,82)×2500 = 1173,24 кДж/кг
где rA = 882 кДж/кг – теплота конденсации этанола, кДж/кг
rв = 2500 кДж/кг–теплота конденсации воды, кДж/кг
В качестве охлаждаемого агента принимаем воду с начальной температурой 20°С, и конечной 30°С, тогда средняя разность температур составит:
Dtб = 77 – 20 = 57° С
Dtм = 77 – 30 = 47° С
Dtcр = (Dtб + Dtм) / 2 (53)
Dtcр = (57 + 47) / 2 = 52,0° С
Ориентировочное значение коэффициента теплопередачи:
К = 400 Вт/(м2×К), тогда требуемая поверхность теплообмена
F = Qд / (KDtср) (54)
F= 1116,92×103/(400×52,0) = 54 м2
Принимаем стандартный кожухотрубчатый конденсатор с диаметром кожуха 600 мм и длиной труб 4 м, для которого поверхность теплообмена равна 63 м2 (Приложение Д).
Расход охлаждающей воды
Gв = Qд / [св(tвк – tвн)] (55)
Gв = 1116,92/[4,19×102·(30 – 20)] = 0,27 кг/с
7.2 Расход теплоты в кубе испарителе
Qк = 1,03(Qд + Рсрtр + Wcwtw – FcFtF) (56)
гдеср – теплоемкость дистиллята, кДж/(кг×К);сw– теплоемкость кубового остатка, кДж/(кг×К); сF– теплоемкость исходной смеси, кДж/(кг×К); 1,03 – коэффициент, учитывающий потери в окружающую среду.
сp = xp сА + (1 – xp ) сВ; (57)
сА – теплоемкость этилового спирта, кДж/(кг °C) (Приложение Г);
сВ – теплоемкость воды, кДж/(кг °C) (Приложение Г).
сp=0,82·0,71·4,19+0,18·4,19= 3,19 кДж/(кг×К).
Аналогично находим сF =3,27 кДж/(кг×К) и сw=4,16 кДж/(кг×К).
Qк=1,03(1116,92+ 0,34×3,19×77 + 1,05×4,16×99,1 – 1,39×3,27×68) = 1362,52 кВт
7.3 Расход греющего пара
Принимаем пар с давлением 0,3 МПа, для которого теплота конденсации
r = 2171 кДж/кг, тогда
Gп = Qк/r(58)
Gп = 1362,52 / 2171 = 0,63 кг/c
Средняя разность температур в кубе испарителе
Dtср = tп – tw (59)
Dtср = 167 – 99 = 68°C
Ориентировочное значение коэффициента теплопередачи
К = 300 Вт/(м2×К), тогда требуемая поверхность теплообмена.
F = Q / (KDtср) (60)
F= 1362,52×103/(300×68) = 66 м2
Принимаем стандартный кожухотрубчатый теплообменник с диаметром кожуха 600 мм и длиной труб 4 м, для которого поверхность теплообмена равна 75 м2 (Приложение Д).
8 Конструктивный расчет
Корпус колонны диаметром до 1000 мм изготовляют из отдельных царг (Приложение Б), соединяемых между собой с помощью фланцев.
· Толщина обечайки:
S > pD/(2[s]j – p) + c (61)
где [s] = 138 МПа – допускаемое напряжение для стали [3c394];
j = 0,8 – коэффициент ослабления сварного шва;
с = 0,001 мм – поправка на коррозию [3с394].
S > 0,1×0,8/(2×138×0,8 – 0,1) + 0,001 = 0,003 м
Принимаем толщину обечайки s=8мм
Наибольшее распространение в химическом машиностроении получили эллиптические отбортованные днища по ГОСТ 6533 – 78.
· Толщину стенки днища (рис 11) принимаем равной толщине стенки обечайки sд = s = 8 мм.

Рис 11 – Днище колонны
Характеристика днища:
h = 40 мм – высота борта днища;
Масса днища mд = 16,9 кг.
Объем днища Vд = 0,086 м3.
Соединение обечайки с днищами осуществляется с помощью плоских приварных фланцев по ОСТ 26–428–79 (рис 12).

Рис 12 – Фланец
Подсоединение трубопроводов к аппарату осуществляется с помощью штуцеров.
· Диаметр штуцеров
(62)
где wшт – скорость среды в штуцере.
Принимаем скорость жидкости wшт=1 м/с, газовой смеси wшт=25 м/с
Штуцер для входа исходной смеси
d1,2 = (1,39/0,785×1·903,34)0,5 = 0,044 м
принимаем d1 = d2 = 50 мм
Штуцер для входа флегмы
d3 = (1,8×0,34/0,785×1×772,20)0,5 = 0,033 м
принимаем d3 = 40 мм
Штуцер для выхода кубового остатка
d3 = (1,05/0,785×1×954,2)0,5 = 0,037 м
принимаем d4 = 40 мм
Штуцер для выхода паров
d3 = (0,72/0,785×25×1,037)0,5 = 0,188 м
принимаем d5 = 200 мм
Штуцер для входа паров
d6 = (0,5/0,785×25×0,983)0,5 = 0,17 м
принимаем d4 = 200 мм
Все штуцера должны быть снабжены плоскими приварными фланцами по ГОСТ 12820-80. Конструкция фланца приводится на рисунке 13, а размеры в таблице 4.

Рис 13 – Фланец штуцера
Таблица 4 – Размеры приварного фланца штуцера
| dусл | D | D2 | D1 | h | n | d |
| 40 | 130 | 100 | 80 | 13 | 4 | 14 |
| 50 | 140 | 110 | 90 | 13 | 4 | 14 |
| 200 | 315 | 280 | 258 | 18 | 8 | 18 |
· Расчет опоры
Аппараты вертикального типа с соотношением Н/D > 5, размещаемые на открытых площадках, оснащают так называемыми юбочными цилиндрическими опорами, конструкция которых приводится на рисунке 14.

Рис 14 – Опора юбочная
· Ориентировочная масса аппарата.
Масса обечайки
mоб = 0,785(Dн2-Dвн2)Нобρ (63)
где Dн = 0,616 м – наружный диаметр колонны;
Dвн = 0,6 м – внутренний диаметр колонны;
Ноб = 9,6 м – высота цилиндрической части колонны
ρ = 7900 кг/м3 – плотность стали
mоб = 0,785(0,6162-0,62)9,6·7900 = 952,55 кг
· Масса тарелок
mт = mn (64)
mт = 18·16,0 = 288,0 кг
m = 16,0 кг – масса одной тарелки
· Общая масса колонны
Принимаем, что масса вспомогательных устройств (штуцеров, измерительных приборов, люков и т.д.) составляет 10% от основной массы колонны, тогда
mк = mоб + mт + 2mд (65)
mк = 1,1(952,55 + 288,0 +2·16,9) = 1401,79 кг≈1402 кг
Масса колонны заполненной водой при гидроиспытании
Масса воды при гидроиспытании:
mв = 1000(0,785D2Hц.об + 2Vд) (66)
mв = 1000(0,785·0,62·9,6 + 2·0,086) = 2884,96 кг≈2885 кг
ректификационный колонна ситчатый этанол вода
Максимальный вес колонны
mmax = mк + mв (67)
mmax= 1402 + 2885 = 4280 кг = 0,042 МН
Принимаем внутренний диаметр опорного кольца D1 = 0,55 м, наружный диаметр опорного кольца D2 = 0,8 м.
· Площадь опорного кольца
А = 0,785(D22 – D12) (68)
А = 0,785(0,82 – 0,552) = 0,27 м2
· Удельная нагрузка опоры на фундамент
s = Q/A (69)
s= 0,042/0,27 = 0,16 МПа < [s] = 15 МПа – для бетонного фундамента.
Выводы
На основе материального расчета рассчитаны материальные потоки в колонне и определен диаметр ректификационной колонны – 600 мм. Найдено оптимальное флегмовое число R = 1,8. Рассчитано действительное число тарелок: 6 в верхней и 12 в нижней части колонны. На основе теплового расчета выбран дефлегматор (диаметр кожуха 600 мм, длина труб 4 м, поверхность теплообмена 75 м2) и испаритель (диаметр кожуха 600 мм, длина труб 4 м, поверхность теплообмена 63 м2) определен расход охлаждающей воды и греющего пара. Проведен конструктивный расчет и подобраны нормализованные конструктивные элементы.
Заключение
В данной курсовой работе рассмотрены основы процесса ректификации, классификация ректификационных колонн по конструкции внутреннего устройства, по периодичности действия и по способу организации движения потоков контактирующих фаз. Кроме того, представлены основные требования по выбору того или иного типа колонны. Согласно заданию на курсовую работу, в котором указаны компоненты бинарной смеси: этанол-вода, выбрана колонна с ситчатыми тарелками, и проведен её расчет по исходным данным, указанным в задании. Выполнен материальный и тепловой балансы, определены основные размеры аппарата и подобраны нормализованные конструктивные элементы.
Для расчетов была выбрана колонна с ситчатыми тарелками, так как они наилучшим образом подходят для проведения разделения незагрязненных жидкостей с постоянной нагрузкой.
Для повышения эффективности работы колонн с ситчатыми тарелками можно порекомендовать:
· соотношение между диаметром отверстий и шагом принять равным 3,6;
· толщину тарелок по возможности уменьшить;
· высота сливного порога при средних и больших скоростях пара в свободном сечении колонны (0.7-1,0 м/с) должна быть не менее 40-50 мм (до75); при малых скоростях пара высота сливного порога не оказывает влияния на эффективность работы тарелки;
· расстояние между тарелками более 150-200 мм не оказывает существенного влияния на эффективность массообмена при условии отсутствия пены; на участках колонны, где образуется большое количество пены, расстояние между тарелками следует увеличивать;
· в колоннах большого диаметра нужно устанавливать тарелки с наклоном в сторону слива, равным 1:45;
· свободное сечение тарелок брать в пределах 7-15%.
Список литературы
1 Краткий справочник физико-химических величин. М., «Химия», 1967 г.
2 Основные процессы и аппараты химической технологии, пособие по проектированию под ред. Ю.И. Дытнерского. М., «Химия» 1991 г.
3 Расчет и проектирование массообменных аппаратов. Учебное пособие. В.Я. Лебедев и др. – Иваново, 1994 г.
4 А.А. Лащинский, А.Р. Толчинский. Основы конструирования и расчета химической аппаратуры. М, 1968 г.
5 К.Ф. Павлов, П. Г. Романков, А. А. Носков. Примеры и задачи по курсу процессов и аппаратов химической технологии. Л., «Химия», 1987 г.
6 П.Г. Романков, В.Ф. Фролов, О.М. Флисюк, М.И. Курочкина. Методы расчета процессов и аппаратов химической технологии (примеры и задачи). Л., Химия, 1993 г.
7 Г.Я. Рудов, Д.А. Баранов. Расчет тарельчато ректификационной колонны, методические указания. М., МГУИЭ, 1998 г.
8 Каталог «Емскостная стальная сварная аппаратура». М., «ЦИНТИХИМНЕФТЕМАШ», 1969 г.
9 Каталог «Кожухотрубчатые теплообменные аппараты общего и специального назначения». М., «ЦИНТИХИМНЕФТЕМАШ», 1991 г.
10 ГОСТ 12820-80 «Фланцы стальные плоские приварные на Ру от 0,1 до 2,5 Па (от 1 до25 кгс/см2). Конструкция и размеры».
11 ГОСТ 28759.4-90 «Фланцы сосудов и аппаратов стальные приварные встык под прокладку восьмиугольного сечения. Конструкция и размеры».
12 ОСТ 26-01-108-85 «Тарелки ситчато-клапанные колонных аппаратов. Параметры, конструкция и размеры».
Приложение А
Ситчатая тарелка диаметром 400-600 мм исполнения I



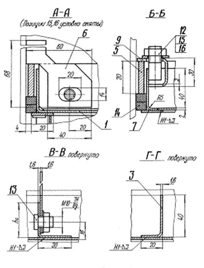
Приложение Б
Схема установки неразборных тарелок в царге

1 – кронштейн;
2 – кольцо упорное;
3 – болт М10х35 по ГОСТ 7798-70;
4 – гайка по ГОСТ5916-70.
Приложение В
Ориентировочные значения коэффициента теплопередачи К
| Вид теплообмена | К,Вт/(м2·К) | |
| для вынужденного движения | для свободного движения | |
| От газа к газу | 10-40 | 4-12 |
| От газа к жидкости | 10-60 | 6-20 |
| От конденсирующегося пара к газу | 10-60 | 6-12 |
От жидкости к жидкости: – для воды – для углеводов и масел |
800-1700 120-270 |
140-430 30-60 |
От конденсирующегося пара: – к воде – к кипящей жидкости – к органическим жидкостям |
800-3500 ¾ 120-340 |
300-1200 300-2500 60-170 |
| От конденсирующегося пара органических жидкостей к воде | 300-800 | 230-460 |
Приложение Г
Номограмма для определения теплоёмкости жидкостей

Пересчет в СИ:1 ккал/(кг·ºС) = 4,19·102 Дж/(кг·К)
Приложение Д
Параметры кожухотрубчатых теплообменников и холодильников (по ГОСТ 15118-79, ГОСТ 15120-79 и ГОСТ 15122-79)

Приложение Е
Значение коэффициентов сопротивления сухих тарелок различных конструкций
| Тарелка | x |
| Колпачковая | 4,0-5,0 |
| Клапанная | 3,6 |
| Ситчатая | 1,1-2,0 |
| Провальная с щелевидными отверстиями | 1,4-1,5 |
Похожие рефераты:
Проект реконструкции цеха первичной переработки нефти и получения битума на ОАО «Сургутнефтегаз»
Расчет ректификационной колонны
Проект ректификационной установки для разделения смеси ацетон-метиловый спирт
Расчет ректификационной колонны для разделения смеси ацетон-вода с ситчатыми тарелками