| Похожие рефераты | Скачать .docx |
Реферат: Изучение соединений резисторов и проверка законов Ома и Кирхгофа
Лабораторная работа 5
Тема : "Изучение соединений резисторов и проверка законов Ома и Кирхгофа"
Цель: Проверка на опыте особенностей последовательного и параллельного соединения резисторов.
Оборудование: Стенд №1.
Порядок выполнения работы.
1. Собрать схему из последовательно соединённых резисторов.
2. Включить цепь, установить необходимое напряжение. Измерить силу тока в цепи, падение напряжения на каждом участке при 2-х – 3-х значениях сопротивлений реостата. Результаты записать в таблицу 1.
Таблица 1 – Данные опыта и расчёта.
№ |
Из опыта | Из расчёта | |||||||||||
I A |
U1 B |
U2 B |
U3 B |
U B |
R1 Ом |
R2 Ом |
R3 Ом |
Rэкв Ом |
P1 Вт |
P2 Вт |
P3 Вт |
P Вт |
|
| 1 | 1,2 | 70 | 30 | 120 | 220 | 58,3 | 25 | 100 | 183,3 | 84 | 36 | 144 | 264 |
| 2 | 1 | 55 | 55 | 110 | 220 | 55 | 55 | 110 | 220 | 55 | 55 | 100 | 210 |
1) I=1,2A; U1 =70B; U2 =30B; U3 =120B; U=220B

2) I=1A; U1 =55B; U2 =55B; U3 =110B; U=220B


![]()
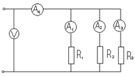
3. Собрать цепь для параллельного соединения резисторов


Рисунок 1- Последовательное соединение резисторов– Рисунок 2 – Параллельное соединение резисторов
4. Включить цепь, установить необходимое напряжение. Измерить силу тока в цепи, падение напряжения на каждом участке при 2-х – 3-х значениях сопротивлений реостата. Результаты записать в таблицу 2.
Таблица 2-Данные опыта и расчёта
№ |
Из опыта | Из расчёта | |||||||||||||||
U В |
I1 А |
I2 А |
I3 А |
I А |
R1 Ом |
R2 Ом |
R3 Ом |
Rэкв Ом |
q1 См |
q2 См |
q3 См |
qэкв См |
P1 Вт |
P2 Вт |
P3 Вт |
Pэкв Вт |
|
| 1 | 220 | 1,2 | 1,2 | 1 | 3,4 | 183,3 | 183,3 | 220 | 64,5 | 0,005 | 0,005 | 0,004 | 0,014 | 264 | 264 | 220 | 748 |
| 2 | 220 | 1,2 | 0,4 | 1,8 | 3,4 | 183,3 | 122,2 | 550 | 64,5 | 0,005 | 0,001 | 0,008 | 0,014 | 264 | 88 | 396 | 748 |
1) U=220В; I1 =1,2A; I2 =1,2A; I3 =1A; I=3,4A


2) U=220B; I1 =1,2A; I2 =0,4A; I3 =1,8A; I=3,4A;

Контрольные вопросы
1. При последовательном соединении каждый элемент цепи соединён последовательно, т.е. конец предыдущего элемента соединён с началом следующего, начало первого и конец последнего являются зажимами группы элементов, которыми она может быть подсоединена к другим участкам цепи.
При параллельном соединении группы элементов начала всех элементов соединены в одном зажиме, а концы в другом: этими зажимами группа присоединяется к другим участкам цепи.
2. Rэкв =R1 +R2 +R3 – при последовательном соединении.
1/ Rэкв =1/ R1 +1/ R2 +1/ R3 – при параллельном соединении.
3. Законы Кирхгофа:
І закон: в ветвях, образующих узел эл. цепи, алгебраическая сумма токов равна нулю: ΣI = 0.
ІІ закон: в контуре эл. цепи алгебраическая сумма напряжений на его ветвях равна нулю ΣU = 0 или контуре эл. Цепи алгебраическая сумма падений напряжения на пассивных элементах равна алгебраической сумме ЭДС этого контура: Σ IR = Σ E.
4. R=U/I; I=U/R – Закон Ома для участка цепи, не содержащий ЭДС.
I=E/R+r
3. Отличительной особенностью параллельного соединения является то, что ко всем ветвям приложено одно и то же напряжение.
4. Ток больше в той ветви, где меньше сопротивление, т. к. I=U/R, U-const.
5. G=I/U=1/R – проводимость [См].
При параллельном соединении пассивных ветвей общая проводимость между двумя узлами равна сумме проводимостей всех ветвей, т.е.
G = G1 +G2 +G3
8. P = EIили P = I2 R – мощность.
Похожие рефераты:
Последовательное и параллельное соединение резисторов
Основы теории и технологии контактной точечной сварки
Синхронные машины. Машины постоянного тока
Разработать лабораторный стенд для испытания устройств защиты судовых генераторов
Основные приборы и механизмы тягового электровоза
Электронные схемы для дома и быта
Расчет разветвленной электрической цепи постоянного тока
Резисторы постоянные проволочные
Устройство, характеристика и виды резисторов
Основные понятия, определения и законы в теории электрических цепей
Оборудование участка железной дороги устройствами автоблокировки