| Похожие рефераты | Скачать .docx |
Реферат: Госстандарт России по электрооборудованию
ГОСТ 433-73
ГОСУДАРСТВЕННЫЙ СТАНДАРТ СОЮЗА ССР
КАБЕЛИ СИЛОВЫЕ С РЕЗИНОВОЙ ИЗОЛЯЦИЕЙ
ТЕХНИЧЕСКИЕ УСЛОВИЯ
Rubber-insulated power cables. Specifications
Дата введения 01.01.75
ИНФОРМАЦИОННЫЕ ДАННЫЕ
1. РАЗРАБОТАН И ВНЕСЕН Министерством электротехнической промышленности СССР
РАЗРАБОТЧИКИ: А.Г. Григорьян, А.И. Балашов, А.А. Арутюнов
2. УТВЕРЖДЕН И ВВЕДЕН В ДЕЙСТВИЕ Постановлением Государственного комитета стандартов Совета Министров СССР от 25.05.73 № 1318
Изменение № 6 принято Межгосударственным Советом по стандартизации, метрологии и сертификации (протокол № 3 от 18.02.93)
За принятие проголосовали:
| Наименование государства |
Наименование национального органа по стандартизации |
| Азербайджанская Республика |
Азгосстандарт |
| Республика Армения |
Армгосстандарт |
| Республика Белоруссия |
Белстандарт |
| Республика Грузия |
Грузстандарт |
| Республика Казахстан |
Госстандарт Республики Казахстан |
| Республика Молдова |
Молдовастандарт |
| Российская Федерация |
Госстандарт России |
| Туркменистан |
Туркменглавгосинспекция |
| Республика Узбекистан |
Узгосстандарт |
| Украина |
Госстандарт Украины |
3. Срок проверки - 1994 г.
4. ВЗАМЕН ГОСТ 433-58
5. ССЫЛОЧНЫЕ НОРМАТИВНО-ТЕХНИЧЕСКИЕ ДОКУМЕНТЫ
| Обозначение НТД, на который дана ссылка |
Номер пункта |
| ГОСТ 12.2.007. 14-75 |
2а.1 |
| ГОСТ 20.57.406-81 |
4.4.1-4.4.4 |
| ГОСТ 427-75 |
4.2.1 |
| ГОСТ 1292-81 |
2.4.6, 2.9 |
| ГОСТ 1497-84 |
4.2.2 |
| ГОСТ 2990-78 |
4.3.2 |
| ГОСТ 3345-76 |
4.3.2, 4.3.4 |
| ГОСТ 5960-72 |
2.9 |
| ГОСТ 6904-83 |
2.9 |
| ГОСТ 7006-72 |
2.4.11, 3.2.2, 4.2.4 |
| ГОСТ 7229-76 |
4.3.1 |
| ГОСТ 12177-79 |
4.2.1 |
| ГОСТ 14192-96 |
5.2 |
| ГОСТ 15150-69 |
Вводная часть, 4.1, 5.4, 5.5 |
| ГОСТ 18690-82 |
5.1 |
| ГОСТ 21930-76 |
2.9 |
| ГОСТ 21931-76 |
2.9 |
| ГОСТ 22483-77 |
2.4.1, 2.5.1а |
| ГОСТ 23286-78 |
1.6, 2.5.3 |
| ГОСТ 24234-80 |
2.9 |
| ГОСТ 24641-81 |
2.4.6, 3.2.2, 4.2.3 |
| ГОСТ 24662-81 |
2.9 |
| ТУ 6-01-1307-85 |
2.9 |
| ТУ 6-017-1123-83 |
2.9 |
| ТУ 6.48-23-89 |
2.9 |
| ТУ 16.К71-087-90 |
2.9 |
| ТУ 16.К71-088-90 |
2.9 |
| ТУ 16.К71-098-90 |
2.9 |
| ТУ 17-05-021-90 |
2.9 |
| ТУ 38.105.1849-88 |
2.9 |
| ТУ 412.651-88 |
2.9 |
6. Снято ограничение срока действия по Протоколу 5-94 Межгосударственного Совета по стандартизации, метрологии и сертификации (ИУС 11-12-94).
7. ПЕРЕИЗДАНИЕ (август 1997 г.) с Изменениями № 1, 2, 3, 4, 5, 6, утвержденными в январе 1977 г., августе 1979 г., августе 1985 г., январе 1987 г., июне 1990 г., марте 1996 г. (ИУС 3-77, 10-79, 11-85, 4-87, 9-90, 6-96).
Настоящий стандарт распространяется на силовые кабели с медными или алюминиевыми жилами с резиновой изоляцией, в свинцовой, поливинилхлоридной или резиновой оболочке, с защитными покровами или без них, предназначенные для неподвижной прокладки в электрических сетях напряжением 660 В переменного тока частотой 50 Гц или 1000 В постоянного тока и на напряжение 3000, 6000 и 10000 В постоянного тока.
Кабели предназначены для прокладки на трассах с неограниченной разностью уровней.
Стандарт устанавливает требования к кабелям, изготовляемым для нужд народного хозяйства и для поставки на экспорт в районы с умеренным и тропическим климатом.
Виды климатического исполнения - У и Т, категории размещения 2, 3, 4, 5 по ГОСТ 15150.
Требования настоящего стандарта являются обязательными.
(Измененная редакция, Изм. № 6).
1. МАРКИ, ОСНОВНЫЕ ПАРАМЕТРЫ И РАЗМЕРЫ
1.1. Марки и преимущественные области применения кабелей должны соответствовать указанным в табл. 1.
Таблица 1
| Обозначение марки кабеля |
Оболочка |
Преимущественная область |
|
| с алюминиевой жилой |
с медной жилой |
и защитный покров |
применения |
| АСРГ |
СРГ |
Свинцовая оболочка |
Для прокладки внутри помещений, в каналах, туннелях, в местах, не подверженных вибрации, в условиях отсутствия механических воздействий на кабель, в среде нейтральной по отношению к свинцу |
| АСРБ |
СРБ |
Свинцовая оболочка, защитный покров типа Б |
Для прокладки в земле (траншеях), если кабель не подвергается значительным растягивающим усилиям |
| АСРБГ |
СРБГ |
Свинцовая оболочка, защитный покров типа БГ |
Для прокладки внутри помещений, в каналах, туннелях, если кабель не подвергается значительным растягивающим усилиям |
| АСРБ2лГ |
СРБ2лГ |
Свинцовая оболочка, защитный покров типа Б2лГ |
То же, для метрополитена |
| АВРГ |
ВРГ |
Поливинилхлоридная оболочка |
Для прокладки внутри помещений, в каналах, туннелях, в условиях отсутствия механических воздействий на кабель и при наличии агрессивных сред (кислот, щелочей и др.) |
| АВРБ |
ВРБ |
Поливинилхлоридная оболочка, защитный покров типа Б |
Для прокладки в земле (траншеях), если кабель не подвергается значительным растягивающим усилиям |
| АВРБГ |
ВРБГ |
Поливинилхлоридная оболочка, защитный покров типа БГ |
Для прокладки внутри помещений, в каналах, туннелях, если кабель не подвергается значительным растягивающим усилиям |
| АНРГ |
НРГ |
Резиновая маслостойкая оболочка, не распространяющая горение |
Для прокладки внутри помещений, в каналах, туннелях, в условиях отсутствия механических воздействий на кабель |
| АНРБ |
НРБ |
Резиновая маслостойкая оболочка, не распространяющая горение, защитный покров типа Б |
Для прокладки в земле (траншеях), если кабель не подвергается значительным растягивающим усилиям |
| АНРБГ |
НРБГ |
Резиновая маслостойкая оболочка, не распространяющая горение, защитный покров типа БГ |
Для прокладки внутри помещений, в туннелях, каналах, если кабель не подвергается значительным растягивающим усилиям |
| АВРБн |
ВРБн |
Поливинилхлоридная оболочка, защитный покров типа Бн |
Для прокладки в земле (траншеях), если кабель не подвергается значительным растягивающим усилиям и в случае, когда требуется стойкость к распространению горения |
Примечание. Кабели применяют при повышенных требованиях стойкости к коротким замыканиям (в том числе повторным) и аварийным кратковременным воздействиям температуры до 200 °С.
Коды ОКП приведены в приложении.
К обозначению марок кабелей, предназначенных для эксплуатации в районах с тропическим климатом, добавляют через дефис букву Т, кабелей круглой или плоской формы с заполнением, предназначенных для прокладки в электроустановках, требующих уплотнения при вводе, - букву «з», кабелей с однопроволочными жилами - буквы «ож» в скобках.
(Измененная редакция, Изм. № 1-6).
1.2. Число жил, номинальное сечение и номинальное напряжение кабелей должны соответствовать указанным в табл. 2.
Все жилы двухжильных кабелей должны быть одинакового сечения.
Все жилы трех- и четырехжильных кабелей должны быть одинакового сечения или одна жила должна быть меньшего сечения (нулевая или жила заземления).
Номинальные сечения нулевых жил и жил заземления должны соответствовать указанным в табл. 2а.
Таблица 2
| Номинальное напряжение кабеля, В |
|||||
| Обозначение марки кабеля |
Число жил |
переменного тока |
постоянного тока |
||
| 660 |
3000 |
6000 |
10000 |
||
| Номинальное сечение жил, мм2 |
|||||
| СРГ |
1 |
1-240 |
1,5-500 |
2,5-500 |
240-400 |
| АСРГ |
1 |
4-300 |
4-500 |
4-500 |
240-400 |
| СРГ |
2-4 |
1-185 |
- |
- |
- |
| АСРГ |
2 и 3 |
4-240 |
- |
- |
- |
| АСРГ |
3 и 4 |
2,5-240 |
- |
- |
- |
| ВРГ, НРГ |
1-4 |
1-240 |
- |
- |
- |
| АВРГ, АНРГ |
1 |
4-300 |
- |
- |
- |
| 2-4 |
2,5-300 |
- |
- |
- |
|
| СРБ2лГ, АСРБ2лГ |
1 |
- |
240, 400, 500 |
- |
- |
| СРБГ, АСРБГ |
1 |
- |
- |
95, 240, 400, 500 |
- |
| СРВ, СРБГ, ВРБн, ВРБ, ВРБГ, НРБ, НРБГ |
2-4 |
1,5-185 |
- |
- |
- |
| АСРБ, АСРБГ, АВРБ, АВРБн, |
2 и 3 |
4-240 |
- |
- |
- |
| АВРБГ, АНРБ, АНРБГ |
3 и4 |
2,5-240 |
- |
- |
- |
Таблица 2а
| Наименование жилы |
Номинальное сечение, мм2 |
||||||||||||||||
| Основная жила |
1,0; 1,5 |
2,5 |
4 |
6 |
10 |
16 |
25 |
35 |
50 |
70 |
95 |
120 |
150 |
185 |
240 |
300 |
400 |
| Нулевая жила |
1,0 |
1,5 |
2,5 |
4 |
6 |
10 |
16 |
16; 25 |
25; 35 |
25; 35; 50 |
35; 50; 70 |
35; 70 |
50; 70; 95 |
50; 95 |
70; 120 |
95; 150 |
185; 240 |
| Жила заземления |
1,0 |
1,5 |
2,5 |
2,5 |
4 |
6 |
10 |
16 |
16 |
25 |
35 |
35 |
50 |
50 |
70 |
95 |
|
Примечание. Номинальное сечение нулевой и заземляющей алюминиевой жилы должно быть не менее 2,5 мм2 .
1.3 (Исключен, Изм. № 3).
1.4. Номинальная толщина изоляции должна соответствовать указанной в табл. 4. Нижнее предельное отклонение толщины изоляции не должно превышать 0,1 мм + 10 % номинального значения.
Верхнее предельное отклонение не нормируют.
Таблица 4
| Номинальное напряжение, В |
||||
| Номинальное |
660 переменного тока или |
3000 |
6000 |
10000 |
| сечение, мм2 |
1000 постоянного тока |
постоянного тока |
||
| Номинальная толщина изоляции, мм |
||||
| 1 |
1,0 |
- |
- |
- |
| 1,5 |
1,0 |
1,8 |
- |
- |
| 2,5; 4 |
1,0 |
1,8 |
3,0 |
- |
| 6 |
1,0 |
2,0 |
3,2 |
- |
| 10, 16 |
1,2 |
2,0 |
3,2 |
- |
| 25, 35 |
1,4 |
2,2 |
3,2 |
- |
| 50, 70 |
1,6 |
2,4 |
3,4 |
- |
| 95, 120 |
1,8 |
2,6 |
3,4 |
- |
| 150 |
2,0 |
2,8 |
3,6 |
- |
| 185 |
2,2 |
3,0 |
3,6 |
- |
| 240 |
2,4 |
3,2 |
3,8 |
5,0 |
| 300 |
2,6 |
3,4 |
3,8 |
5,0 |
| 400 |
- |
3,6 |
4,0 |
5,0 |
| 500 |
- |
3,8 |
4,0 |
- |
1.4а. Толщина изоляции в местах соприкосновения между изолированными жилами в результате сжатия после их скрутки должна быть не менее 0,75 номинального значения.
1.5. Толщина свинцовой оболочки должна соответствовать указанной в табл. 5.
Таблица 5 мм
| Диаметр кабеля под оболочкой |
Толщина свинцовой оболочки |
||
| минимальная |
номинальная |
максимальная |
|
| До 20 |
0,8 |
0,95 |
1,03 |
| Св. 20 до 23 |
0,9 |
1,05 |
1,13 |
| » 23 » 26 |
1,0 |
1,15 |
1,24 |
| » 26 » 33 |
1,1 |
1,25 |
1,35 |
| » 33 » 36 |
1,2 |
1,40 |
1,51 |
| » 36 » 40 |
1,3 |
1,50 |
1,62 |
| » 40 » 46 |
1,4 |
1,60 |
1,73 |
| » 46 » 53 |
1,5 |
1,70 |
1,84 |
| » 53 » 60 |
1,6 |
1,80 |
1,94 |
| » 60 |
1,7 |
1,95 |
2,11 |
1.6. Номинальная толщина резиновой оболочки должна соответствовать категории Обр-2, поливинилхлоридной оболочки - категории Обп-2 по ГОСТ 23286.
Нижнее предельное отклонение толщины поливинилхлоридной оболочки не должно быть более 0,1 мм + 15 % номинального значения. Верхнее предельное отклонение для поливинилхлоридной и резиновой оболочек - не более 20 %.
За диаметр под оболочкой для кабелей с параллельно уложенными жилами принимают диаметр изолированной жилы.
1.7. Строительная длина кабелей должна быть не менее 125 м. Допускаются маломерные отрезки длиной не менее 20 м в количестве не более 10 % от общей длины сдаваемой партии кабелей.
Расчетные значения массы и наружного диаметра кабелей должны быть указаны в качестве справочных в документации, утвержденной в установленном порядке.
Примеры условных обозначений:
трехжильного кабеля марки СРГ с жилами сечением 50 мм2 , на напряжение 660 В:
Кабель СРГ 3 ´ 50 - 660 ГОСТ 433-73
То же, марки АВРГ с однопроволочными жилами сечением 70 мм2 , на напряжение 660 В:
Кабель АВРГ 3 ´ 70 (ОЖ) - 660 ГОСТ 433-73
То же, марки ВРГ тропического исполнения с жилами сечением 150 мм2 , на напряжение 660 В:
Кабель ВРГ-ТЗ ´ 150 - 660 ГОСТ 433-73
То же, марки ВРГ с заполнением с жилами сечением 25 мм2 :
Кабель ВРГз 3 ´ 25 - 660 ГОСТ 433-73
2. ТЕХНИЧЕСКИЕ ТРЕБОВАНИЯ
2.1. Кабели должны изготовляться в соответствии с требованиями настоящего стандарта, нормативно-технической документации (для кабелей, предназначенных для эксплуатации в районах с тропическим климатом) по технологической документации, утвержденной в установленном порядке.
2.2. 2.3. (Исключены, Изм. № 3).
2.4. Требования к конструкции
2.4.1. Токопроводящие жилы должны соответствовать классам 1 и 2 по ГОСТ 22483. Жилы должны быть круглой формы, одно- или многопроволочными; сечение жил должно соответствовать указанному в табл. 5а.
Таблица 5а
| Наименование жилы |
Сечение жил, мм2 |
|
| медных |
алюминиевых |
|
| Однопроволочные жилы |
1-50 |
2,5-240 |
| Многопроволочные жилы |
16-240 |
70-400 |
Допускается изготовление многопроволочной алюминиевой жилы сечением 16-50 мм2 и уплотненных медных и алюминиевых жил конструкции класса 2.
Однопроволочные алюминиевые жилы сечением 70 мм2 и более должны иметь относительное удлинение не менее 30 %.
2.4.2. Токопроводящие жилы должны быть изолированы резиной. Изоляция должна отделяться от токопроводящей жилы без разрушения. Поверх токопроводящей жилы может быть наложена полиэтилентерефталатная пленка, в том числе с магнитным покрытием. Целостность пленки после наложения изоляции не нормируют.
На поверхности изоляции жил не должно быть трещин и вмятин, а внутри - пузырей, выводящих толщину изоляции за предельные отклонения.
2.4.2а. Изолированные жилы многожильных кабелей должны иметь отличительную расцветку или обозначение цифрами, начиная с нуля. Маркировка изолированных жил может быть выполнена цветной продольной полоской шириной не менее 2 мм. Маркировка расцветкой должна быть устойчивой, нестираемой и различимой. Маркировку цифрами производят печатанием или тиснением. Маркировка печатанием или тиснением должна быть отчетливой. Цвет цифр при маркировке печатанием должен отличаться от цвета жилы. Цифры на отдельных жилах кабелей должны иметь одинаковый цвет.
При цифровом обозначении на поверхности изоляции первой жилы должна быть цифра 1, второй - 2, третьей - 3, четвертой - 4. При этом номеру 1 соответствует белая или желтая, номеру 2 - синяя или зеленая, номеру 3 - красная или малиновая, номеру 4 - коричневая или черная расцветка.
Изоляция жил меньшего сечения (нулевая) может быть любого цвета и не иметь цифрового обозначения.
Изоляция нулевых жил кабелей с жилой равного сечения должна быть черного цвета.
Изоляция жил заземления должна быть двухцветной зелено-желтого цвета или обозначена цифрой 0.
При применении двухцветного вида обозначения на любом участке жилы длиной 15 мм один из этих цветов должен покрывать не менее 30 и не более 70 % поверхности изоляции, а другой - остальную часть. В качестве двухцветной маркировки расцветкой применяют только комбинацию цветов зеленого и желтого.
Для жил другого назначения такая расцветка или обозначение не допускается.
При обозначении изолированных жил цифрами расстояние между ними должно быть не более 35 мм, высота цифр - не менее 4,0 мм.
Одножильные кабели могут быть маркированы любым цветом.
2.4.3, 2.4.4. (Исключены, Изм. № 3).
2.4.5. В многожильных кабелях изолированные жилы должны быть скручены и иметь заполнение. Двухжильные кабели (за исключением бронированных) сечением до 16 мм2 включ. допускаются с параллельно уложенными в одной плоскости жилами и могут иметь плоскую форму при условии соблюдения радиальной толщины оболочки.
Для заполнения промежутков между жилами должны применяться материал оболочки, внутренняя оболочка из невулканизированной резины, резиновые жгуты, непропитанная кабельная пряжа или штапелированная стеклопряжа. Кабели без буквы «з» в обозначении марки могут быть изготовлены без заполнения.
Поверх скрученных или параллельно уложенных жил, а также одножильных кабелей может быть наложена лента из полиэтилентерефталатной пленки или термоскрепленного полотна, или прорезиненной ткани.
2.4.6. На изолированные одножильные и на скрученные или параллельно уложенные жилы многожильных кабелей должна быть наложена оболочка.
Допускается наложение двухслойной резиновой оболочки. Суммарная толщина двухслойной оболочки должна равняться толщине однослойной, при этом толщина наружного слоя должна быть не менее 70 % от толщины однослойной оболочки.
На поверхности резиновой и поливинилхлоридной оболочки не должно быть пузырей, а также вмятин, выводящих толщину оболочки за предельные отклонения.
Свинцовая оболочка должна соответствовать ГОСТ 24641. Свинцовая оболочка кабелей без защитных покровов должна изготавливаться из свинцово-сурьмянистых сплавов по ГОСТ 1292 или другой нормативно-технической документации.
Под оболочкой кабеля на ленте из бумаги натурального цвета или на поливинилхлоридной, или резиновой оболочке не более чем через каждые 300 мм должен быть нанесен отличительный индекс завода-изготовителя и год выпуска кабеля.
Отсутствие ленты по длине кабеля более 1 м не допускается. Ширина ленты - не менее 10 мм. Высота шрифта - не менее 6 мм.
Допускается применение цветной нити для кабелей диаметром под оболочкой менее 20 мм.
2.4.7. Изолированные жилы должны отделяться друг от друга и от оболочки без повреждений.
2.4.5-2.4.7. (Измененная редакция, Изм. № 3).
2.4.8-2.4.10. (Исключены, Изм. № 3).
2.4.11. Защитные покровы кабелей должны соответствовать ГОСТ 7006.
Для бронированных кабелей диаметром оболочки 13-20 мм, кроме кабелей в свинцовой оболочке, допускается применение двух бронелент толщиной 0,3 мм.
2.5. Требования к электрическим характеристикам
2.5.1, 2.5.2. (Исключены, Изм. № 3).
2.5.1а. Электрическое сопротивление токопроводящей жилы постоянному току должно соответствовать ГОСТ 22483.
2.5.2а. Электрическое сопротивление изоляции, пересчитанное на 1 км длины и температуру 20 °С, должно быть не менее 50 МОм.
2.5.3. Изолированные жилы кабелей на напряжение 660 В переменного тока должны выдерживать испытание напряжением переменного тока категории ЭИ-1 или ЭИ-2 по ГОСТ 23286.
Изолированные жилы кабелей постоянного тока после 6 ч пребывания в воде должны выдерживать в течение 5 мин испытание напряжением переменного тока частотой 50 Гц значением: 4000 В - для кабелей на напряжение 3000 В, 7000 В - для кабелей на напряжение 6000 В, 10000 В - для кабелей на напряжение 10000 В.
2.5.4. В готовом виде кабели на напряжение 660 В переменного тока без погружения в воду должны выдержать испытание между жилами и между каждой жилой и свинцовой оболочкой напряжением переменного тока значением 3 кВ в течение 10 мин.
Кабели на напряжение постоянного тока без погружения в воду должны выдержать в течение 5 мин испытание между жилой и свинцовой оболочкой напряжением переменного или постоянного тока, указанным в табл. 6.
Таблица 6 В
| Кабели на напряжение |
Испытательное напряжение |
|
| постоянного тока |
переменного тока частотой 50 Гц |
постоянного тока |
| 3000 |
4000 |
6000 |
| 6000 |
7000 |
12000 |
| 10000 |
10000 |
20000 |
Одножильные кабели марок ВРГ, АВРГ, НРГ, АНРГ испытывают до наложения оболочки.
2.5.5. Электрическое сопротивление подушки готовых кабелей марок СРБ2лГ, АСРБ2лГ должно быть не менее 1 МОм×км.
2.6, 2.6.1. (Исключены, Изм. № 3).
2.6а. Требования к стойкости при механических воздействиях
2.6а.1. Кабели должны быть стойкими к навиванию. Диаметр цилиндра, на который должен быть навит отрезок кабеля, должен быть равен 20 (D н + d ) - для одножильных кабелей, 15 (D н + d ) - для многожильных кабелей (где D н - наружный диаметр кабеля, d - диаметр жилы).
Предельное отклонение диаметра цилиндра - не более плюс 5 %.
2.6а, 2.6а.1. (Введены дополнительно, Изм. № 6).
2.7, 2.7.1. (Исключены, Изм. № 4).
2.7а. Требования к стойкости при климатических воздействиях
2.7а.1. Кабели должны быть стойкими к воздействию следующих факторов:
- максимальной температуры окружающей среды - до плюс 50 °С;
- минимальной температуры окружающей среды - до минус 50 °С;
- относительной влажности воздуха - до 98 % при температуре окружающей среды до 35 °С.
2.7а.2. Кабели в тропическом исполнении должны быть грибостойкими.
2.7а, 2.7а.1, 2.7а.2. (Введены дополнительно, Изм. № 6).
2.7.2. (Исключен, Изм. № 3).
2.8. Срок службы
2.8.1. Срок службы кабелей - 30 лет.
Изменение физических характеристик кабеля к концу срока службы настоящим стандартом не нормируется.
2.9. Материалы, применяемые для изготовления кабелей, должны соответствовать:
- проволока медная круглая - марке ММ по ТУ 16.К71-087;
- проволока алюминиевая круглая
для многопроволочных жил - марке АМ или АПТ по ТУ 16.К71-088;
- поливинилхлоридный пластикат - ГОСТ 5960;
- пряжа кабельная - ТУ 17-05-021;
- пленка полиэтилентерефталатная - ГОСТ 24234;
- нить полиэфирная техническая - ГОСТ 24662;
- пряжа хлопчатобумажная - ГОСТ 6904 и другой нормативно-
технической документации;
- оловянно-свинцовые припои - ГОСТ 21930 и ГОСТ 21931;
- сплав свинцово-сурьмянистый - маркам ССуМ, ССуМГ по ГОСТ 1292;
- резина для изоляции, оболочки и заполнения - по ТУ 16.К71-098, пластикат поливинилхлоридный ОМ-25 для оболочки и заполнения - по ТУ 6-01-1307, прорезиненная ткань - по ТУ 38.105.18.49, штапелированная стеклопряжа - по ТУ 6.48-23, лента полиэтилентерефталатная с магнитным покрытием - по ТУ 6-17-1123, лента из термоскрепленного полотна - по ТУ 412.651.
2а. ТРЕБОВАНИЯ БЕЗОПАСНОСТИ
2а.1. Требования безопасности - по ГОСТ 12.2.007.14.
Раздел 2а. (Введен дополнительно, Изм. № 6).
3. ПРАВИЛА ПРИЕМКИ
3.1. Для проверки соответствия качества кабелей требованиям настоящего стандарта установлены следующие испытания: приемосдаточные, периодические, типовые.
3.2. Приемо-сдаточные испытания
3.2.1. Кабели предъявляют к приемке партиями. За партию принимают кабели одной марки, напряжения и сечения, одновременно предъявляемые к приемке.
3.2.2. Испытания проводят в объеме, указанном в табл. 7, по плану сплошного контроля с приемочным числом С = 0.
Таблица 7
| Группа |
Наименование проверок |
Пункт |
|
| испытаний |
и испытаний |
технических требований |
методов испытаний |
| С-1 |
Проверка конструктивных элементов и основных размеров |
1.2, 1.4-1.7, 2.4.1, 2.4.2, 2.4.2а, 2.4.5, 2.4.6 |
4.2.1 |
| Определение отделяемости изолированных жил друг от друга и от оболочки |
2.4.7 |
4.2.1 |
|
| С-2 |
Проверка конструкции защитных покровов |
2.4.11 |
4.2.4 |
| С-3 |
Определение электрического сопротивления токопроводящей жилы постоянному току |
2.5.1а |
4.3.1 |
| Определение электрического сопротивления изоляции |
2.5.2а |
4.3.2 |
|
| Испытание напряжением |
2.5.3, 2.5.4 |
4.3.3 |
|
| Определение электрического сопротивления подушки готовых кабелей |
2.5.5 |
4.3.4 |
|
| С-4 |
Проверка маркировки, упаковки |
5.1-5.3 |
4.6 |
Проверку по пп. 1.7 и 2.5.3 проводят в процессе производства.
3.3. Периодические испытания
3.3.1. Периодические испытания следует проводить на кабелях, прошедших приемо-сдаточные испытания.
Состав испытаний, их периодичность и объем выборки должны соответствовать указанным в табл. 8.
Таблица 8
| Группа |
Наименование |
Пункт |
|||
| испытаний |
проверок и испытаний |
технических требований |
методов испытаний |
Периодичность |
Объем выборки |
| П-1 |
Определение относительного удлинения однопроволочных алюминиевых жил |
2.4.1 |
4.2.2 |
Не реже одного раза в сутки |
Образцы от 3 строительных длин кабелей каждого сечения, изготовленных в данные сутки |
| П-2 |
Испытание свинцовой оболочки |
2.4.6 |
4.2.3 |
В соответствии с ГОСТ 24641 |
Образцы от 3 строительных длин, изготовленных за один технологический цикл опрессования, без перерывов, связанных с переходом на другую марку сплава |
| П-3 |
Испытание защитных покровов |
2.4.11 |
4.2.4 |
В соответствии с ГОСТ 7006 |
В соответствии с ГОСТ 7006 |
| П-4 |
Определение стойкости кабелей к навиванию |
2.6а.1 |
4.5.1 |
Не реже одного раза в год |
Образцы от 3 строительных длин кабелей каждого вида оболочки, одно- и многожильных |
| П-5 |
Испытание на нестираемость, отчетливость и расстояние между цифрами |
2.4.2а |
4.2.1 |
Не реже одного раза в год |
Образцы от 3 строительных длин, изготовленных в текущем году |
3.3.2. Испытания проводят по плану выборочного двухступенчатого контроля с объемом выборки n 1 = n 2 , составленным случайным отбором, с приемочным числом С1 = 0 и браковочным числом С2 = 2 для первой выборки и приемочным числом С1 = 1 для суммарной (n 1 и п2 ) выборки.
3.4. Типовые испытания на соответствие требованиям настоящего стандарта должны проводить по программе, утвержденной в установленном порядке.
3.5. Потребитель проводит входной контроль не менее чем на 3 % строительных длин кабелей от партии, но не менее чем на трех строительных длинах. За партию принимают кабели одной марки, напряжения и сечения, полученные по одному сопроводительному документу.
При получении неудовлетворительных результатов испытаний проводят повторные испытания на удвоенном числе строительных длин.
Результаты повторных испытаний распространяют на всю партию.
4. МЕТОДЫ ИСПЫТАНИЙ
4.1. Испытания следует проводить в нормальных климатических условиях по ГОСТ 15150.
4.2. Проверка конструкции
4.2.1. Проверку конструктивных размеров элементов кабеля (пп. 1.2; 1.4-1.5) проводят по ГОСТ 12177.
Проверку конструкции токопроводящих жил (п. 2.4.1), числа жил (п. 1.2), отсутствия дефектов на поверхности изоляции (п. 2.4.2) и оболочки (п. 2.4.6), скрутки изолированных жил и наличия заполнения (п. 2.4.5), а также отделяемости изолированных жил друг от друга и от оболочки (п. 2.4.7) проводят путем разбора и осмотра каждого конца кабеля на длине не менее 300 мм.
Проверку маркировки (пп. 2.4.2а и 2.4.6) проводят внешним осмотром без применения увеличительного прибора и измерениями с помощью линейки по ГОСТ 427.
Проверку качества маркировки цветной полоской или обозначением цифрами осуществляют легким десятикратным протиранием (в двух противоположных направлениях) ватным или марлевым тампоном, смоченным водой. Кабель считают выдержавшим испытания, если не происходит окрашивания тампона.
Строительную длину (п. 1.7) измеряют в процессе производства с помощью устройства, обеспечивающего погрешность измерения длины в пределах ± 1 %.
4.2.2. Определение относительного удлинения алюминиевой жилы (п. 2.4.1) проводят по ГОСТ 1497 на образцах с расчетной длиной 200 мм.
4.2.3. Проверку и испытание свинцовой оболочки (п. 2.4.6) проводят по ГОСТ 24641.
4.2.4. Проверку и испытание защитных покровов (п. 2.4.11) проводят по ГОСТ 7006.
Испытание на холодостойкость проводят при температуре окружающей среды минус (50 ± 2) °С. Диаметры испытательных цилиндров должны соответствовать указанным в п. 2.6а.1.
Длина образца должна быть достаточной для одного полного витка.
4.3. Проверка электрических параметров
4.3.1. Электрическое сопротивление жилы постоянному току (п. 2.5.1а) измеряют по ГОСТ 7229.
Время выдержки строительной длины кабеля в помещении до измерения электрического сопротивления жилы при возникновении разногласий при испытаниях должно быть не менее 24 ч.
4.3.2. Электрическое сопротивление изоляции (п. 2.5.2а) измеряют по ГОСТ 3345.
Измерение электрического сопротивления изоляции одножильных кабелей проводят в воде на образцах кабеля длиной не менее 5 м. Концы кабелей должны быть выведены из воды на длину не менее 0,5 м.
4.3.3. Испытание напряжением (пп. 2.5.3 и 2.5.4) проводят по ГОСТ 2990.
4.3.4. Измерение электрического сопротивления подушки (п. 2.5.5) проводят между свинцовой оболочкой и броней по ГОСТ 3345.
4.4. Проверка стойкости при климатических воздействиях
4.4.1. Испытание на теплостойкость (п. 2.7а.1) проводят на образцах длиной не менее 1 м по ГОСТ 20.57.406 (метод 201-1.2). Время выдержки образцов в камере должно быть не менее 24 ч.
После извлечения из камеры образцы выдерживают в нормальных климатических условиях в течение 1 ч, после чего они должны выдержать испытание переменным напряжением, указанным в п. 2.5.4.
4.4.2. Испытания кабелей на холодостойкость (п. 2.7а.1) проводят на образцах длиной не менее 1 м без брони и наружных покровов по ГОСТ 20.57.406 (метод 204-1).
После достижения в холодильной камере заданной температуры время выдержки образцов в ней должно быть не менее:
45 мин - для кабелей наружным диаметром до 20 мм;
120 мин » » » » св. 20 до 40 мм;
180 мин » » » » св. 40 до 60 мм;
240 мин » » » » св. 60 мм.
После извлечения из камеры образцы выдерживают в нормальных климатических условиях в течение 1 ч, после чего они должны выдержать испытание переменным напряжением в соответствии с п. 2.5.4.
4.4.3. Испытания кабелей на влагостойкость (п. 2.7а.1) проводят по ГОСТ 20.57.406 (метод 207-1) на образцах длиной не менее 3 м при относительной влажности воздуха 95-98 % и температуре окружающей среды (35 ± 2) °С; время выдержки - не менее 48 ч. После извлечения образцов из камеры определяют электрическое сопротивление изоляции, которое должно соответствовать требованиям п. 2.5.2а.
4.4.4. Испытание на грибостойкость (п. 2.7а.2) проводят по ГОСТ 20.57.406 (метод 214-1) на неизогнутых образцах кабеля длиной не менее 0,2 мм. Степень биологического обрастания грибами не должна превышать двух баллов.
4.5. Проверка стойкости при механических воздействиях
4.5.1. Испытание на стойкость к навиванию (п. 2.6а.1) проводят на трех образцах кабеля с защитными покровами и открытыми концами при температуре от 10 до 25 °С. Длина образца должна быть не менее 1,5 м, исключая концевые разделки.
Цикл заключается в навивании образца полным витком сначала в одном направлении, затем после выпрямления - в противоположном направлении таким образом, чтобы слои, растягиваемые в первом случае, были сжимаемы во втором. Навивание и разматывание образца должно производиться плавно.
Перед испытанием на навивание образцы выдерживают в холодильной камере при температуре минус 15 °С.
После достижения в холодильной камере заданной температуры время выдержки образцов в ней должно быть не менее указанного в п. 4.4.2.
Время между выемкой образцов из холодильной камеры и началом изгибания должно быть не более 5 мин.
Образцы должны быть подвергнуты трем циклам испытания.
После навивания образцы должны выдержать испытание переменным напряжением 3 кВ номинальной частотой 50 Гц.
Время испытания - 5 мин.
Испытание напряжением образцов одножильных кабелей после навивания должно быть проведено в воде, при этом напряжение прикладывают между жилой и водой.
Защитный покров и оболочка образцов после навивания не должны иметь разрывов и трещин, видимых без применения увеличительных приборов.
4.6. Проверку маркировки и упаковки (пп. 5.1-5.3) проводят внешним осмотром.
5. МАРКИРОВКА, УПАКОВКА, ТРАНСПОРТИРОВАНИЕ И ХРАНЕНИЕ
5.1. Маркировка, упаковка, транспортирование и хранение должны соответствовать требованиям ГОСТ 18690 и настоящего стандарта.
5.2. На каждом барабане или ярлыке, прикрепленном к барабану или бухте, должны быть указаны:
- товарный знак завода-изготовителя;
- условное обозначение кабеля;
- общая длина кабеля (число отрезков и их длина) в метрах;
- масса брутто или нетто (при поставке в бухтах) в килограммах;
- дата изготовления (год, месяц);
- номер барабана или бухты.
На ярлыке должен быть проставлен штамп технического контроля.
Транспортная маркировка должна соответствовать требованиям ГОСТ 18690 и ГОСТ 14192.
5.3. Кабели должны быть намотаны на барабаны. Допускается наматывать кабели с резиновой и поливинилхлоридной оболочкой в бухты.
Диаметр шейки барабана должен быть не менее диаметров цилиндров, указанных в п. 2.6а.1.
Внутренний диаметр бухты должен быть не менее 15 диаметров кабеля по оболочке.
Длина нижнего конца кабеля, выведенного на наружную сторону щеки барабана, должна быть не менее 0,3 м.
5.4. Условия транспортирования в части воздействия климатических факторов внешней среды должны соответствовать группе ОЖ4 по ГОСТ 15150.
5.5. Условия хранения в части воздействия климатических факторов внешней среды должны соответствовать группе ОЖ4 по ГОСТ 15150.
Допускается хранение кабелей на барабанах в обшитом виде на открытых площадках (группа хранения ОЖЗ по ГОСТ 15150). Срок хранения кабелей на открытых площадках - не более 2 лет, под навесом - не более 5 лет, в закрытых помещениях - не более 10 лет.
5а. УКАЗАНИЯ ПО ЭКСПЛУАТАЦИИ
5а.1. Кабели должны быть проложены в соответствии с действующими «Правилами устройства электроустановок» (ПУЭ) и технической документацией, утвержденной в установленном порядке.
5а.2. Область применения кабелей должна соответствовать указанной в «Единых технических указаниях по выбору и применению электрических кабелей».
5а.3. Кабели могут быть проложены без предварительного подогрева при температуре не ниже минус 20 °С для кабелей в свинцовой оболочке, не ниже минус 15 °С - для кабелей с резиновой или поливинилхлоридной оболочкой и кабелей без волокнистых материалов в защитном покрове, не ниже минус 7 °С - для остальных кабелей с защитными покровами.
5а.4. Минимальный радиус изгиба при прокладке должен быть не менее 10 наружных диаметров для одножильных кабелей и не менее 7,5 наружных диаметров - для многожильных кабелей.
5а.5. Кабели после прокладки должны выдерживать испытание напряжением в соответствии с действующими правилами устройства электрических установок. На одножильных кабелях без брони испытание не проводят.
5а.6. Длительно допустимая температура нагрева жил кабелей при эксплуатации не должна превышать 70 °С, и максимально допустимая температура жил при коротком замыкании - 200 °С.
Продолжительность короткого замыкания не должна превышать 4 с.
5а.7. Кабели допускается эксплуатировать в сетях постоянного напряжения при значениях напряжения в 2,4 раза больше Uo (где Uo - напряжение между жилой и металлической оболочкой).
5а.8. Суммарное время воздействия максимально допустимой температуры при повторных коротких замыканиях не должно превышать 10 мин.
6. ГАРАНТИИ ИЗГОТОВИТЕЛЯ
6.1. Изготовитель гарантирует соответствие кабелей требованиям настоящего стандарта при соблюдении условий хранения, транспортирования, монтажа и эксплуатации.
Гарантийный срок эксплуатации кабелей - три года.
Гарантийный срок исчисляют с даты ввода кабелей в эксплуатацию.
Разделы 3-6. (Измененная редакция, Изм. № 6).
ПРИЛОЖЕНИЕ
Обязательное
Коды ОКП
Таблица 1
| Код ОКП |
КЧ |
Марка кабеля |
| 35 2132 0300 |
08 |
Кабель ВРБ-Т |
| 35 2132 0400 |
05 |
Кабель ВРГ-Т |
| 35 2132 1100 |
10 |
Кабель ВРГ |
| 35 2132 1300 |
04 |
Кабель ВРБ-Т с жилами меньшего сечения |
| 35 2132 1400 |
01 |
Кабель ВРГ-Т с жилами меньшего сечения |
| 35 2132 1500 |
09 |
Кабель ВРГ с жилами меньшего сечения |
| 35 2132 2100 |
06 |
Кабель ВРБ |
| 35 2132 2300 |
00 |
Кабель ВРБ с жилами меньшего сечения |
| 35 2132 2400 |
08 |
Кабель ВРГз |
| 35 2132 2500 |
05 |
Кабель ВРБз |
| 35 2132 2600 |
02 |
Кабель ВРБГз |
| 35 2132 2700 |
10 |
Кабель ВРБнз |
| 35 2132 3000 |
05 |
Кабель ВРБн с жилами меньшего сечения |
| 35 2132 3100 |
02 |
Кабель ВРБн |
| 35 2132 4900 |
07 |
Кабель ВРБГ-Т с жилами меньшего сечения |
| 35 2132 5000 |
08 |
Кабель ВРБГ-Т |
| 35 2132 5100 |
05 |
Кабель ВРБГ |
| 35 2132 5200 |
02 |
Кабель ВРБГ с жилами меньшего сечения |
| 35 2132 5700 |
09 |
Кабель ВРГз с жилой меньшего сечения |
| 35 2132 5800 |
06 |
Кабель ВРБз с жилой меньшего сечения |
| 35 2132 5900 |
03 |
Кабель ВРБГз с жилами меньшего сечения |
| 35 2132 3200 |
10 |
Кабель ВРБнз с жилой меньшего сечения |
| 35 2133 1000 |
08 |
Кабель СРГ-Т |
| 35 2133 1100 |
05 |
Кабель СРГ |
| 35 2133 1200 |
02 |
Кабель СРГ-Т с жилой меньшего сечения |
| 35 2133 1300 |
10 |
Кабель СРГ с жилой меньшего сечения |
| 35 2133 2000 |
04 |
Кабель СРБ-Т |
| 35 2133 2100 |
01 |
Кабель СРБ |
| 35 2133 2200 |
09 |
Кабель СРБ-Т с жилой меньшего сечения |
| 35 2133 2300 |
06 |
Кабель СРБ с жилой меньшего сечения |
| 35 2133 5000 |
03 |
Кабель СРБГ-Т |
| 35 2133 5100 |
00 |
Кабель СРБГ |
| 35 2133 5200 |
08 |
Кабель СРБГ-Т с жилой меньшего сечения |
| 35 2133 5300 |
05 |
Кабель СРБГ с жилой меньшего сечения |
| 35 2134 1000 |
03 |
Кабель НРГ с жилой меньшего сечения |
| 352134 1100 |
00 |
Кабель НРГ |
| 35 2134 1200 |
08 |
Кабель НРГ-Т |
| 35 2134 1300 |
05 |
Кабель НРГ-Т с жилой меньшего сечения |
| 35 2134 2000 |
10 |
Кабель НРБ с жилой меньшего сечения |
| 35 2134 2100 |
07 |
Кабель НРБ |
| 35 2134 2200 |
04 |
Кабель НРБ-Т |
| 35 2134 2300 |
01 |
Кабель НРБ-Т с жилой меньшего сечения |
| 35 2134 5000 |
09 |
Кабель НРБГ с жилой меньшего сечения |
| 35 2134 5100 |
06 |
Кабель НРБГ |
| 35 2134 5200 |
03 |
Кабель НРБГ-Т |
| 35 2134 5300 |
00 |
Кабель НРБГ-Т с жилой меньшего сечения |
| 35 2232 0300 |
01 |
Кабель АВРБ-Т |
| 35 2232 0400 |
09 |
Кабель АВРГ-Т |
| 35 2232 1100 |
03 |
Кабель АВРГ |
| 35 2232 1300 |
08 |
Кабель АВРБ-Т с жилами меньшего сечения |
| 35 2232 1400 |
05 |
Кабель АВРГ-Т с жилами меньшего сечения |
| 35 2232 1500 |
02 |
Кабель АВРГ с жилами меньшего сечения |
| 35 2232 2100 |
10 |
Кабель АВРБ |
| 35 2232 2300 |
04 |
Кабель АВРБ с жилами меньшего сечения |
| 35 2232 3000 |
09 |
Кабель АВРБн с жилами меньшего сечения |
| 35 2232 3100 |
06 |
Кабель АВРБн |
| 35 2232 4900 |
00 |
Кабель АВРБГ-Т с жилами меньшего сечения |
| 35 2232 5000 |
01 |
Кабель АВРБГ-Т |
| 35 2232 5100 |
09 |
Кабель АВРБГ |
| 35 2232 5200 |
06 |
Кабель АВРБГ с жилами меньшего сечения |
| 35 2232 5300 |
03 |
Кабель АВРГз |
| 35 2232 5400 |
00 |
Кабель АВРБз |
| 35 2232 5500 |
08 |
Кабель АВРБГз |
| 35 2232 5600 |
05 |
Кабель АВРБнз |
| 35 2232 3300 |
00 |
Кабель АВРГз с жилой меньшего сечения |
| 35 2232 3400 |
08 |
Кабель АВРБз с жилой меньшего сечения |
| 35 2232 3500 |
05 |
Кабель АВРБГз с жилой меньшего сечения |
| 35 2232 3600 |
02 |
Кабель АВРБнз с жилой меньшего сечения |
| 352233 1100 |
09 |
Кабель АСРГ |
| 35 2233 1200 |
06 |
Кабель АСРГ с жилой меньшего сечения |
| 35 2233 1300 |
03 |
Кабель АСРГ-Т |
| 35 2233 1400 |
00 |
Кабель АСРГ-Т с жилой меньшего сечения |
| 35 2233 1900 |
07 |
Кабель АСРБ-Т |
| 35 2233 2000 |
08 |
Кабель АСРБ-Т с жилой меньшего сечения |
| 35 2233 2100 |
05 |
Кабель АСРБ |
| 35 2233 2200 |
02 |
Кабель АСРБ с жилой меньшего сечения |
| 35 2233 4900 |
06 |
Кабель АСРБГ-Т |
| 35 2233 5000 |
07 |
Кабель АСРБГ-Т с жилой меньшего сечения |
| 35 2233 5100 |
04 |
Кабель АСРБГ |
| 35 2233 5200 |
01 |
Кабель АСРБГ с жилой меньшего сечения |
| 35 2234 1000 |
07 |
Кабель АНРГ с жилой меньшего сечения |
| 35 2234 1100 |
04 |
Кабель АНРГ |
| 35 2234 1200 |
01 |
Кабель АНРГ-Т |
| 35 2234 1300 |
09 |
Кабель АНРГ-Т с жилой меньшего сечения |
| 35 2234 2000 |
03 |
Кабель АНРБ с жилой меньшего сечения |
| 35 2234 2100 |
00 |
Кабель АНРБ |
| 35 2234 2200 |
08 |
Кабель АНРБ-Т |
| 35 2234 2300 |
05 |
Кабель АНРБ-Т с жилой меньшего сечения |
| 35 2234 5000 |
02 |
Кабель АНРБГ с жилой меньшего сечения |
| 35 2234 5100 |
10 |
Кабель АНРБГ |
| 35 2234 5200 |
07 |
Кабель АНРБГ-Т |
| 35 2234 5300 |
04 |
Кабель АНРБГ-Т с жилой меньшего сечения |
| 35 3192 5500 |
04 |
Кабель СРГ-Т |
| 35 3192 5600 |
01 |
Кабель СРГ |
| 35 3192 5700 |
09 |
Кабель СРБ2лГ |
| 35 3193 5600 |
07 |
Кабель СРГ |
| 35 3193 5800 |
01 |
Кабель СРБГ |
| 35 3194 5600 |
02 |
Кабель СРГ |
| 35 3592 5300 |
04 |
Кабель АСРГ |
| 35 3592 5400 |
01 |
Кабель АСРБ2лГ |
| 35 3593 5300 |
10 |
Кабель АСРГ |
| 35 3593 5500 |
04 |
Кабель АСРБГ |
| 35 3594 5300 |
05 |
Кабель АСРГ |
Таблица 2
Определение девятого, десятого знаков кода ОКП маркоразмера кабелей с жилами одинакового сечения
| Девятый и десятый знаки кода ОКП |
Число и номинальное сечение жил, мм2 |
| 01 |
1 ´ 1,0 |
| 02 |
1 ´ 1,5 |
| 03 |
1 ´ 2,5 |
| 04 |
1 ´ 4,0 |
| 05 |
1 ´ 6,0 |
| 06 |
1 ´ 10 |
| 07 |
1 ´ 16 |
| 08 |
1 ´ 25 |
| 09 |
1 ´ 35 |
| 10 |
1 ´ 50 |
| 11 |
1 ´ 70 |
| 12 |
1 ´ 95 |
| 13 |
1 ´ 120 |
| 14 |
1 ´ 150 |
| 15 |
1 ´ 185 |
| 16 |
1 ´ 240 |
| 17 |
1 ´ 300 |
| 18 |
1 ´ 400 |
| 19 |
1 ´ 500 |
| 23 |
2 ´ 1,0 |
| 24 |
2 ´ 1,5 |
| 25 |
2 ´ 2,5 |
| 26 |
2 ´ 4,0 |
| 27 |
2 ´ 6,0 |
| 28 |
2 ´ 10 |
| 29 |
2 ´ 16 |
| 30 |
2 ´ 25 |
| 31 |
2 ´ 35 |
| 32 |
2 ´ 50 |
| 33 |
2 ´ 70 |
| 34 |
2 ´ 95 |
| 35 |
2 ´ 120 |
| 36 |
2 ´ 150 |
| 37 |
2 ´ 185 |
| 38 |
2 ´ 240 |
| 39 |
2 ´ 300 |
| 45 |
3 ´ 1,0 |
| 46 |
3 ´ 1,5 |
| 47 |
3 ´ 2,5 |
| 48 |
3 ´ 4,0 |
| 49 |
3 ´ 6,0 |
| 50 |
3 ´ 10 |
| 51 |
3 ´ 16 |
| 52 |
3 ´ 25 |
| 53 |
3 ´ 35 |
| 54 |
3 ´ 50 |
| 55 |
3 ´ 70 |
| 56 |
3 ´ 95 |
| 57 |
3 ´ 120 |
| 58 |
3 ´ 150 |
| 59 |
3 ´ 185 |
| 60 |
3 ´ 240 |
| 61 |
3 ´ 300 |
| 67 |
4 ´ 1,0 |
| 68 |
4 ´ 1,5 |
| 69 |
4 ´ 2,5 |
| 70 |
4 ´ 4,0 |
| 71 |
4 ´ 6,0 |
| 72 |
4 ´ 10 |
| 73 |
4 ´ 16 |
| 74 |
4 ´ 25 |
| 75 |
4 ´ 35 |
| 76 |
4 ´ 50 |
| 77 |
4 ´ 70 |
| 78 |
4 ´ 95 |
| 79 |
4 ´ 120 |
| 80 |
4 ´ 150 |
| 81 |
4 ´ 185 |
| 82 |
4 ´ 240 |
| 83 |
4 ´ 300 |
Таблица 3
Определение девятого, десятого знаков кода ОКП маркоразмера кабелей с жилами меньшего сечения
| Девятый и десятый знаки кода ОКП |
Число и номинальное сечение жил, мм2 |
| 01 |
2 ´ 1,5 + 1 ´ 1,0 |
| 02 |
2 ´ 2,5 + 1 ´ 1,5 |
| 03 |
2 ´ 4,0 + 1 ´ 2,5 |
| 04 |
2 ´ 6,0 + 1 ´ 2,5 |
| 05 |
2 ´ 6,0 + 1 ´ 4,0 |
| 06 |
2 ´ 10 + 1 ´ 4,0 |
| 07 |
2 ´ 10 + 1 ´ 6,0 |
| 08 |
2 ´ 16 + 1 ´ 6,0 |
| 09 |
2 ´ 16 + 1 ´ 10 |
| 10 |
2 ´ 25 + 1 ´ 10 |
| 11 |
2 ´ 25 + 1 ´ 16 |
| 12 |
2 ´ 35 + 1 ´ 16 |
| 13 |
2 ´ 50 + 1 ´ 16 |
| 14 |
2 ´ 50 + 1 ´ 25 |
| 15 |
2 ´ 70 + 1 ´ 25 |
| 16 |
2 ´ 70 + 1 ´ 35 |
| 17 |
2 ´ 95 + 1 ´ 35 |
| 18 |
2 ´ 95 + 1 ´ 50 |
| 19 |
2 ´ 120 + 1 ´ 95 |
| 20 |
2 ´ 120 + 1 ´ 70 |
| 21 |
2 ´ 150 + 1 ´ 50 |
| 22 |
2 ´ 150 + 1 ´ 70 |
| 23 |
2 ´ 185 + 1 ´ 50 |
| 24 |
2 ´ 185 + 1 ´ 95 |
| 25 |
2 ´ 240 + 1 ´ 70 |
| 55 |
3 ´ 150 + 1 ´ 50 |
| 56 |
3 ´ 150 + 1 ´ 95 |
| 57 |
3 ´ 185 + 1 ´ 50 |
| 58 |
3 ´ 185 + 1 ´ 95 |
| 26 |
2 ´ 240 + 1 ´ 120 |
| 27 |
2 ´ 300 + 1 ´ 95 |
| 28 |
2 ´ 300 + 1 ´ 150 |
| 35 |
3 ´ 1,5 + 1 ´ 1,5 |
| 36 |
3 ´ 2,5 + 1 ´ 1,5 |
| 37 |
3 ´ 4,0 + 1 ´ 2,5 |
| 38 |
3 ´ 6,0 + 1 ´ 2,5 |
| 39 |
3 ´ 6,0 + 1 ´ 4,0 |
| 40 |
3 ´ 10 + 1 ´ 4,0 |
| 41 |
3 ´ 10 + 1 ´ 6,0 |
| 42 |
3 ´ 16 + 1 ´ 6,0 |
| 43 |
3 ´ 16 + 1 ´ 10 |
| 44 |
3 ´ 25 + 1 ´ 10 |
| 45 |
3 ´ 25 + 1 ´ 16 |
| 46 |
3 ´ 35 + 1 ´ 16 |
| 47 |
3 ´ 50 + 1 ´ 16 |
| 48 |
3 ´ 50 + 1 ´ 25 |
| 49 |
3 ´ 70 + 1 ´ 25 |
| 50 |
3 ´ 70 + 1 ´ 35 |
| 51 |
3 ´ 95 + 1 ´ 35 |
| 52 |
3 ´ 95 + 1 ´ 50 |
| 53 |
3 ´ 120 + 1 ´ 35 |
| 54 |
3 ´ 120 + 1 ´ 70 |
| 55 |
3 ´ 150 + 1 ´ 50 |
| 59 |
3 ´ 240 + 1 ´ 70 |
| 60 |
3 ´ 240 + 1 ´ 120 |
| 61 |
3 ´ 300 + 1 ´ 95 |
| 62 |
3 ´ 300 + 1 ´ 150 |
Примечание. Десятичный код ОКП маркоразмера составляется из восьми первых знаков кода марки по перечню позиций (табл. 1) и двух знаков (девятого и десятого), приведенных в табл. 2 или 3.
Пример 1. Код ОКП трехжильного кабеля с жилами равного сечения марки ВРГ сечением 4 мм2 - 35 2132 1148, где 35 2132 11 - код марки кабеля марки ВРГ из перечня позиций по табл. 1, а 48 - девятый и десятый знаки кода ОКП по табл. 2.
Пример 2. Код ОКП трехжильного кабеля марки ВРГ сечением 4 мм2 с жилой меньшего сечения 2,5 мм (ВРГ 2 ´ 4 + 1 ´ 2,5 мм ) - 35 2132 1503, где 35 2132 15 - код марки кабеля марки ВРГ из перечня позиций по табл. 1, а 03 - девятый и десятый знаки кода ОКП по табл. 3.
(Измененная редакция, Изм. № 5, 6).
ГОСТ 1983-2001
УДК 621.314.222:006.354 Е64
МЕЖГОСУДАРСТВЕННЫЙ СТАНДАРТ
ТРАНСФОРМАТОРЫ НАПРЯЖЕНИЯ
Общие технические условия
Voltage transformers .
General specifications
МКС 17.220.20
ОКП 341450
Дата введения 2003—01—01
Предисловие
1 РАЗРАБОТАН Открытым акционерным обществом ОАО «Свердловский завод трансформаторов тока»
ВНЕСЕН Госстандартом России
2 ПРИНЯТ Межгосударственным Советом по стандартизации, метрологии и сертификации (протокол № 20 от 1 ноября 2001 г.)
За принятие проголосовали:
| Наименование государства |
Наименование национального органа по стандартизации |
| Азербайджанская Республика |
Азгосстандарт |
| Республика Армения |
Армгосстандарт |
| Республика Беларусь |
Госстандарт Республики Беларусь |
| Республика Казахстан |
Госстандарт Республики Казахстан |
| Кыргызская Республика |
Кыргызстандарт |
| Республика Молдова |
Молдовастандарт |
| Российская Федерация |
Госстандарт России |
| Республика Таджикистан |
Таджикстандарт |
| Туркменистан |
Главгосслужба «Туркменстандартлары» |
| Республика Узбекистан |
Узгосстандарт |
| Украина |
Госстандарт Украины |
3 Настоящий стандарт соответствует международным стандартам МЭК 60044-2:1997 «Измерительные трансформаторы. Часть 2. Индуктивные трансформаторы напряжения» в части электромагнитных трансформаторов напряжения и МЭК 186—87 «Трансформаторы напряжения» в части емкостных трансформаторов напряжения
4 Постановлением Государственного комитета Российской Федерации по стандартизации и метрологии от 13 марта 2002 г. № 91-ст межгосударственный стандарт ГОСТ 1983—2001 введен в действие непосредственно в качестве государственного стандарта Российской Федерации с 1 января 2003 г.
5 ВЗАМЕН ГОСТ 1983-89
1 ОБЛАСТЬ ПРИМЕНЕНИЯ
Настоящий стандарт распространяется на электромагнитные и емкостные трансформаторы напряжения (далее — трансформаторы), предназначенные для применения в электрических цепях переменного тока частотой 50 или 60 Гц с номинальными напряжениями от 0,38 до 750 кВ включительно с целью передачи сигнала измерительной информации приборам измерения, защиты, автоматики, сигнализации и управления.
Дополнительные требования к отдельным видам трансформаторов в связи со спецификой их конструкции или назначения (например к антирезонансным трансформаторам, предназначенным для установки в комплектных распределительных устройствах (КРУ), пофазно экранированных токопроводах) устанавливают в стандартах, технических условиях, договорах или контрактах (далее — стандартах) на трансформаторы конкретных типов.
Стандарт не распространяется на лабораторные трансформаторы.
2 Нормативные ссылки
В настоящем стандарте использованы ссылки на следующие стандарты:
ГОСТ 2.601—95 Единая система конструкторской документации. Эксплуатационные документы
ГОСТ 8.216—88 Государственная система обеспечения единства измерений. Трансформаторы напряжения. Методика поверки
ГОСТ 12.2.007.0—75 Система стандартов безопасности труда. Изделия электротехнические. Общие требования безопасности
ГОСТ 12.2.007.3—75 Система стандартов безопасности труда. Электротехнические устройства на напряжение свыше 1000 В. Требования безопасности
ГОСТ 12.3.019—80 Система стандартов безопасности труда. Испытания и измерения электрические. Общие требования безопасности
ГОСТ 15.001—881) Система разработки и постановки продукции на производство. Продукция производственно-технического назначения
ГОСТ 15.309—98 Система разработки и постановки продукции на производство. Испытания и приемка выпускаемой продукции. Основные положения
ГОСТ 27.003—90 Надежность в технике. Состав и общие правила задания требований по надежности
ГОСТ 721—77 Системы электроснабжения, сети, источники, преобразователи и приемники электрической энергии. Номинальные напряжения свыше 1000 В
ГОСТ 1516.1—76 Электрооборудование переменного тока на напряжения от 3 до 500 кВ. Требования к электрической прочности изоляции
ГОСТ 1516.2—97 Электрооборудование и электроустановки переменного тока на напряжение 3 кВ и выше. Общие методы испытаний электрической прочности изоляции
ГОСТ 1516.3—96 Электрооборудование переменного тока на напряжения от 1 до 750 кВ. Требования к электрической прочности изоляции
ГОСТ 3484.1—88 Трансформаторы силовые. Методы электромагнитных испытаний
ГОСТ 3484.2—88 Трансформаторы силовые. Испытания на нагрев
ГОСТ 3484.5—88 Трансформаторы силовые. Испытания баков на герметичность
ГОСТ 6581—75 Материалы электроизоляционные жидкие. Методы электрических испытаний
ГОСТ 8865—93 Системы электрической изоляции. Оценка нагревостойкости и классификация
ГОСТ 9920—89 (МЭК 694—80, МЭК 815—86) Электроустановки переменного тока на напряжение от 3 до 750 кВ. Длина пути утечки внешней изоляции
ГОСТ 10434—82 Соединения контактные электрические. Классификация. Общие технические требования
ГОСТ 13109—97 Электрическая энергия. Совместимость технических средств электромагнитная. Нормы качества электрической энергии в системах электроснабжения общего назначения
ГОСТ 14192—96 Маркировка грузов
ГОСТ 15150—69 Машины, приборы и другие технические изделия. Исполнения для различных климатических районов. Категории, условия эксплуатации, хранения и транспортирования в части воздействия климатических факторов внешней среды
ГОСТ 15543.1—89 Изделия электротехнические. Общие требования в части стойкости к климатическим внешним воздействующим факторам
ГОСТ 16504—81 Система государственных испытаний продукции. Испытания и контроль качества продукции. Основные термины и определения
ГОСТ 16962.1—89 (МЭК 68—2—1—74) Изделия электротехнические. Методы испытаний на устойчивость к климатическим внешним воздействующим факторам
ГОСТ 16962.2—90 Изделия электротехнические. Методы испытаний на стойкость к механическим внешним воздействующим факторам
ГОСТ 17516.1—90 Изделия электротехнические. Общие требования в части стойкости к механическим внешним воздействующим факторам
ГОСТ 18425—73 Тара транспортная наполненная. Метод испытания на удар при свободном падении
ГОСТ 18685—73 Трансформаторы тока и напряжения. Термины и определения
ГОСТ 19880—74 Электротехника. Основные понятия. Термины и определения
ГОСТ 20074—83 Электрооборудование и электроустановки. Метод измерения характеристик частичных разрядов
ГОСТ 20690—75 Электрооборудование переменного тока на напряжение 750 кВ. Требования к электрической прочности изоляции
ГОСТ 21130—75 Изделия электротехнические. Зажимы заземляющие и знаки заземления. Конструкция и размеры
ГОСТ 22756—77 (МЭК 722—86) Трансформаторы (силовые и напряжения) и реакторы. Методы испытаний электрической прочности изоляции
ГОСТ 23216—78 Изделия электротехнические. Хранение, транспортирование, временная противокоррозионная защита, упаковка. Общие требования и методы испытаний
РМГ 29—99 Государственная система обеспечения единства измерений. Метрология. Основные термины и определения
3 Определения
Термины, применяемые в настоящем стандарте, и соответствующие им определения — по ГОСТ 3484.1, ГОСТ 16504, ГОСТ 18685, ГОСТ 19880, РМГ 29, а также следующие:
3.1 антирезонансный трансформатор : Трансформатор, устойчиво работающий при наличии в сети феррорезонансных явлений.
3.2 трехфазная группа однофазных трансформаторов : Группа из трех однофазных трансформаторов, установленных на общей раме (площадке) и электрически соединенных между собой по определенной схеме.
3.3 номинальный коэффициент напряжения : Коэффициент, на который следует умножать номинальное первичное напряжение, чтобы найти максимальное напряжение, при котором трансформатор соответствует требованиям по нагреву в течение установленного времени.
3.4 испытание для утверждения типа : Вид государственного метрологического контроля вновь разработанного трансформатора, проводимого в целях обеспечения единства измерений, утверждения типа трансформатора и занесения его в Государственный реестр средств измерений.
3.5 испытание на соответствие утвержденному типу : Вид государственного метрологического контроля, проводимого периодически в целях определения соответствия выпускаемых из производства трансформаторов утвержденному типу.
4 Классификация
4.1 Трансформаторы подразделяют по следующим основным признакам.
4.1.1 По роду установки (категории размещения и климатическому исполнению) по ГОСТ 15150.
При размещении трансформаторов внутри оболочек комплектных изделий категории размещения должны соответствовать указанным в таблице 1.
Таблица 1 — Категории размещения трансформаторов, установленных внутри оболочек комплектных изделий
| Характеристика среды внутри оболочки |
Категория размещения по ГОСТ 15150 |
||||
| 1 |
2 |
3 |
4 |
5 |
|
| 1 Газовая среда, изолированная от наружного воздуха, или жидкая среда |
- |
- |
4 |
- |
- |
| 2 Газовая среда, не изолированная от наружного воздуха |
2 |
2 или 2.1 |
3 |
4 |
5 или 5.1 |
4.1.2 По числу фаз.
4.1.3 По наличию или отсутствию заземления вывода X первичной обмотки.
4.1.4 По принципу действия.
4.1.5 По числу ступеней трансформации.
4.1.6 По наличию компенсационной обмотки или обмотки для контроля изоляции сети.
4.1.7 По виду изоляции.
4.1.8 По особенностям конструктивного исполнения.
Основные признаки трансформаторов и их обозначения приведены в таблицах 2 и 3.
4.2 Трехобмоточный трансформатор следует изготовлять с двумя вторичными обмотками: основной и дополнительной.
По требованию потребителя допускается изготовление трехобмоточных трансформаторов с двумя основными вторичными обмотками.
Таблица 2
| Конструктивное исполнение трансформаторов |
Условное обозначение |
| Заземляемый |
З |
| Незаземляемый |
— |
| Однофазный |
О |
| Трехфазный |
Т |
| Электромагнитный |
— |
| Электромагнитный каскадный |
К |
| С емкостным делителем |
ДЕ |
| Двухобмоточный |
— |
| Трехобмоточный |
— |
| Трехфазный с дополнительными обмотками для контроля изоляции сети |
И |
| Трехфазный с компенсационными обмотками |
к |
| Защищенное исполнение |
з |
| Водозащищенное исполнение |
в |
| Герметичное исполнение |
г |
| С встроенным предохранителем |
п |
| Антирезонансная конструкция |
А |
Таблица 3
| Вид изоляции |
Условное обозначение |
| Воздушно-бумажная |
С |
| Литая |
Л |
| Залитая битумным компаундом |
к |
| С фарфоровой покрышкой |
ф |
| Масляная |
м |
| Газовая |
г |
5 Основные параметры
5.1 Трансформаторам, предназначенным для измерения, следует присваивать классы точности, выбираемые из ряда: 0,1; 0,2; 0,5; 1,0; 3,0.
Трансформаторам, предназначенным для защиты1) , следует присваивать классы точности 3Р или 6Р.
1) Здесь и далее под словом «защита» подразумевается защита, управление, автоматика, сигнализация.
Трансформаторам присваивают один или несколько классов точности в зависимости от номинальных мощностей и назначения.
Конкретные классы точности следует устанавливать в стандартах на трансформаторы конкретных типов.
Примечание — Для трехфазных трехобмоточных трансформаторов классы точности устанавливают только для основной вторичной обмотки. Для однофазных трехобмоточных трансформаторов классы точности устанавливают для обеих вторичных обмоток, причем для дополнительной вторичной обмотки класс точности должен быть 3, 3Р или 6Р.
5.2 Номинальные мощности трансформаторов для любого класса точности следует выбирать из ряда: 10; 15; 25; 30; 50; 75; 100; 150; 200; 300; 400; 500; 600; 800; 1000; 1200 В×А2) . Значения номинальных мощностей для низших классов точности трансформаторов определяют в соответствии с приложением А.
_________________
2 ) По согласованию с потребителем допускается изготовление трансформаторов с номинальными мощностями 20 и 45 В×А.
Конкретные значения номинальных мощностей для всех классов точности устанавливают в стандартах на трансформаторы конкретных типов.
5.3 Предельные мощности трансформаторов следует выбирать из ряда: 160; 250; 400; 630; 1000; 1600; 2000; 2500 В×А.
Конкретные значения предельных мощностей следует устанавливать в стандартах на трансформаторы конкретных типов.
5.4 За номинальные и предельные мощности трехобмоточных трансформаторов принимают суммарные мощности основной и дополнительной вторичных обмоток.
При нагрузке однофазного трехобмоточного трансформатора до предельной мощности, основная вторичная обмотка должна быть нагружена до мощности, равной разности предельной мощности и номинальной мощности дополнительной вторичной обмотки.
Для трехфазных трансформаторов за номинальные и предельные мощности принимают трехфазные мощности.
Для трехобмоточных трансформаторов с включенными нагрузками на обеих вторичных обмотках, работающих одновременно, распределение мощности нагрузки между обмотками следует устанавливать в стандартах на трансформаторы конкретных типов.
5.5 Номинальные напряжения первичных обмоток однофазных трансформаторов, включаемых между фазами, и трехфазных трансформаторов на напряжение до 1000 В должны быть 380 или 660 В.
Номинальные напряжения первичных обмоток трансформаторов на напряжение более 1000 В должны соответствовать указанным в таблице 4.
Значения напряжения следует указывать в стандартах на трансформаторы конкретных типов.
Таблица 4
В киловольтах
| Класс напряжения по ГОСТ 1516.1 и ГОСТ 1516.3 |
Номинальное напряжение первичной обмотки для трансформаторов |
||
| однофазных незаземляемых, включаемых между фазами |
однофазных заземляемых, включаемых между фазой и землей |
трехфазных |
|
| 3 |
3 |
|
3 |
| 3 |
3,151) |
|
— |
| 6 |
6 |
|
6 |
| 6 |
6 |
|
6,61) |
| 10 |
10 |
|
10 |
| 10 |
10,51) |
|
10,51) |
| 10 |
111) |
|
11,01) |
| 15 |
13,81) |
|
— |
| 15 |
15 |
|
— |
| 15 |
15,751) |
|
— |
| 20 |
181) |
|
— |
| 20 |
201) |
|
— |
| 24 |
— |
|
— |
| 27 |
— |
|
— |
| 35 |
35 |
|
35 |
| 110 |
— |
|
— |
| 150 |
— |
|
— |
| 220 |
— |
|
— |
| 330 |
— |
|
— |
| 500 |
— |
|
— |
| 750 |
— |
|
— |
1)
Только для трансформаторов, присоединяемых непосредственно к шинам генераторного напряжения электрических станций или к выводам генераторов;
и
также для собственных нужд подстанций.
5.6 Номинальные напряжения основных вторичных обмоток должны быть 100 В для однофазных трансформаторов, включаемых на напряжение между фазами, и
В — для однофазных трансформаторов, включаемых на напряжение между фазой и землей; для трансформаторов, предназначенных для экспорта, — соответственно 110 или
В, 120 или
В.
Примечание — По требованию потребителя допускается изготавливать трансформаторы с напряжением основных вторичных обмоток 200 или
В, 220 или
В.
5.7 Номинальные напряжения дополнительных вторичных обмоток должны быть:
100 В — для однофазных трансформаторов, работающих в сетях с заземленной нейтралью;
100 /3 В — для однофазных трансформаторов, работающих в сетях с изолированной нейтралью;
для трансформаторов, предназначенных для экспорта, — соответственно 110 или 110 /3 В, 120 или 120 /3 В.
Примечание — По требованию потребителя допускается изготавливать трансформаторы с напряжением дополнительных вторичных обмоток соответственно 200 или 200 /3 В, 220 или 220 /3 В.
5.8 Номинальное вторичное напряжение трехфазных трансформаторов должно быть 100 В, а для трансформаторов, предназначенных для экспорта, — 110 В.
5.9 Номинальная частота напряжения питающей сети должна быть 50 или 60 Гц. Качество напряжения — по ГОСТ 13109.
5.10 Схемы и группы соединений первичных и вторичных обмоток трансформаторов должны соответствовать указанным в таблицах 5—12.
Примечание — В технической документации допускаются обозначения: У
вместо
, У
н
вместо
, V
вместо
и Z
вместо
.
Таблица 5 — Схемы и группы соединений обмоток однофазных двухобмоточных трансформаторов
| Схема соединения обмотки |
Диаграмма векторов ЭДС обмотки |
Условное обозначение |
||
| первичной |
вторичной |
первичной |
вторичной |
|
|
|
|
Х |
х |
1/1-0 |
Таблица 6 — Схемы и группы соединений обмоток однофазных трехобмоточных трансформаторов с двумя основными вторичными обмотками
| Схема соединения обмотки |
Диаграмма векторов ЭДС обмотки |
Условное |
||||
| первичной |
вторичной основной 1 |
вторичной основной 2 |
первичной |
вторичной основной 1 |
вторичной основной 2 |
обозначение |
|
|
|
|
Х |
х 1 |
х 2 |
1/1/1-0-0 |
Таблица 7 — Схемы и группы соединений обмоток однофазных трехобмоточных трансформаторов с основной и дополнительной вторичными обмотками
| Схема соединения обмотки |
Диаграмма векторов ЭДС обмотки |
Условное обозначение |
||||
| первичной |
вторичной основной |
вторичной дополнительной |
первичной |
вторичной основной |
вторичной дополнительной |
|
|
|
|
|
Х |
х |
х д |
1/1/1-0-0 |
Таблица 8 — Схемы и группы соединений обмоток трехфазных двухобмоточных трансформаторов
| Схема соединения обмотки |
Диаграмма векторов ЭДС обмотки |
Условное обозначение |
||
| первичной |
вторичной |
первичной |
вторичной |
|
|
|
|
|
|
|
|
|
|
|
|
|
|
|
|
|
|
|
Таблица 9 — Схемы и группы соединений обмоток трехфазных двухобмоточных трансформаторов с положительной компенсацией1) угловой погрешности
| Схема соединения обмотки |
Диаграмма векторов ЭДС обмотки |
Условное обозначение |
||
| первичной |
вторичной |
первичной |
вторичной |
|
|
|
|
|
|
|
1) Положительная компенсация угловой погрешности трансформатора — поворот вектора первичного фазного напряжения относительно вектора вторичного фазного напряжения по направлению движения часовой стрелки на некоторый угол.
Таблица 10 — Схема и группа соединений обмоток трехфазных двухобмоточных трансформаторов с отрицательной компенсацией1) угловой погрешности
| Схема соединения обмотки |
Диаграмма векторов ЭДС обмотки |
Условное обозначение |
||
| первичной |
вторичной |
первичной |
вторичной |
|
|
|
|
|
|
|
1) Отрицательная компенсация угловой погрешности трансформатора — поворот вектора первичного фазного напряжения относительно вектора вторичного фазного напряжения против направления движения часовой стрелки на некоторый угол.
Таблица 11 — Схемы и группы соединений обмоток трехфазных трехобмоточных трансформаторов с основной и дополнительной вторичными обмотками
| Схема соединения |
Диаграмма векторов ЭДС обмотки |
Замыкаемая |
Условное |
|||||
| обмотки |
первичной |
вторичной |
вторичной дополнительной |
фаза |
обозначение |
|||
| первичной |
вторичной основной |
вторичной дополнительной |
основной |
при нормальной работе системы |
при замыкании фазы на землю в системе с изолированной нейтралью |
|||
|
|
|
|
|
|
|
|
А В С |
|
|
|
|
|
|
|
|
|
В А С |
|
Таблица 12 — Схемы и группы соединений обмоток трехфазных трехобмоточных трансформаторов с двумя основными вторичными обмотками
| Схема соединения обмотки |
Диаграмма векторов ЭДС обмотки |
Условное обозначение |
||||
| первичной |
вторичной основной 1 |
вторичной основной 2 |
первичной |
вторичной основной 1 |
вторичной основной 2 |
|
|
|
|
|
|
|
|
|
5.11 Условное обозначение трансформатора
| Х |
Н |
Х |
Х |
Х |
Х - |
Х |
Х |
ХХ |
|||||||||||
| Климатическое исполнение и категория |
|||||||||||||||||||
| размещения по ГОСТ 15150 |
|||||||||||||||||||
| Категория в зависимости от длины пути |
|||||||||||||||||||
| утечки внешней изоляции по ГОСТ 9920 |
|||||||||||||||||||
| Класс напряжения первичной обмотки |
|||||||||||||||||||
| для основного типоисполнения, кВ |
|||||||||||||||||||
| Другие конструктивные |
|||||||||||||||||||
| признаки |
|||||||||||||||||||
| Вид |
|||||||||||||||||||
| изоляции |
|||||||||||||||||||
| Конструктивный признак, |
|||||||||||||||||||
| характеризующий принцип действия |
|||||||||||||||||||
| Конструктивный признак, |
|||||||||||||||||||
| характеризующий число фаз |
|||||||||||||||||||
| Целевое назначение |
|||||||||||||||||||
| (трансформатор напряжения) |
|||||||||||||||||||
| Заземляемый трансформатор |
|||||||||||||||||||
Примечания
1 В стандартах на трансформаторы конкретных типов в обозначении допускается применять дополнительные или исключать отдельные данные.
2 Левая буквенная часть обозначения представляет серию, совокупность буквенной и цифровой частей — тип.
3 Для трансформаторов ниже 1000 В вместо класса напряжения указывают номинальное напряжение первичной обмотки в киловольтах.
Пример условного обозначения трансформатора напряжения заземляемого, однофазного, электромагнитного, с литой изоляцией, со встроенным предохранителем, класса напряжения 10 кВ, климатического исполнения Т, категории размещения 3 по ГОСТ 15150
ЗНОЛП - 10Т3
То же, антирезонансной конструкции, масляного трехфазного с дополнительными обмотками для контроля изоляции сети, класса напряжения 10 кВ, климатического исполнения У, категории размещения 2 по ГОСТ 15150
НАМИ - 10У2
6 Технические требования
6.1 Трансформаторы следует изготовлять в соответствии с требованиями настоящего стандарта, стандартов на трансформаторы конкретных типов по рабочим чертежам, утвержденным в установленном порядке.
6.2 В трехобмоточном трансформаторе основная вторичная обмотка предназначена для питания измерительных приборов и цепей защитных устройств, дополнительная вторичная обмотка — для питания цепей защитных устройств и контроля изоляции сети.
6.3 Однофазные трансформаторы должны быть рассчитаны для работы в электрических схемах согласно рисункам Б.1, Б.2, Б.6 — Б.10 приложения Б.
6.4 В трехфазных трехобмоточных трансформаторах, включенных по схеме согласно рисунку Б.4, и однофазных трехобмоточных трансформаторах, включенных по схеме согласно рисунку Б.8 приложения Б, напряжение на вводах разомкнутого треугольника при симметричном номинальном первичном фазном напряжении не должно превышать 3 В.
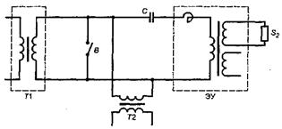
6.5 К каждой дополнительной вторичной обмотке группы однофазных трехобмоточных трансформаторов, соединенных по схемам, изображенным на рисунках Б.9 и Б.10 приложения Б, допускается подключать фазные нагрузки S 2 (рисунок 1).
Сумма мощности фазной нагрузки S 2 и общей нагрузки разомкнутого треугольника S D при равенстве cos j не должна превышать мощности дополнительной вторичной обмотки трансформатора S доп (за расчетную схему принимается двухфазное короткое замыкание на землю)
S2 + S D £ Sдоп (1)

Рисунок 1
6.6 Трехфазные трансформаторы, а также трехфазные группы однофазных трансформаторов, предназначенные для контроля изоляции в сетях с изолированной нейтралью, должны выдерживать не менее 8 ч однофазные замыкания сети на землю при наибольшем рабочем напряжении, соответствующем ГОСТ 721.
Однофазные трансформаторы должны выдерживать напряжения в соответствии с таблицей 13.
Таблица 13
| Номинальный коэффициент напряжения |
Продолжительность включения |
Способ включения первичной обмотки и условия заземления системы |
| 1,2 |
Неограниченная |
Между фазами любой сети. Между нейтральной точкой трансформатора и землей в любой сети |
| 1,5 |
30 с |
Между фазой и землей в системе с эффективно заземленной нейтралью |
| 1,9 |
30 с |
Между фазой и землей в системе с неэффективно заземленной нейтралью с автоматическим отключением при замыкании на землю |
| 1,9 |
8 ч |
Между фазой и землей в системе с изолированной нейтралью без автоматического отключения при замыкании на землю или в резонансно-заземленной системе без автоматического отключения при замыкании на землю |
6.7 Напряжения на вводах разомкнутого треугольника дополнительных вторичных обмоток трехобмоточных трансформаторов должно быть от 90 до 110 В при приложенном к ним симметричном линейном напряжении, соответствующем номинальному первичному напряжению, и последующем замыкании одной из фаз на землю.
Примечание — Указанные значения напряжений относятся к трансформаторам с номинальным вторичным напряжением 100 В. Для трансформаторов с номинальным вторичным напряжением 110 и 200 В значения напряжений следует указывать в стандартах на эти трансформаторы.
6.8 Требования по устойчивости к внешним воздействиям окружающей среды
6.8.1 Трансформаторы следует изготавливать в климатических исполнениях по ГОСТ 15150 и ГОСТ 15543.1. Категория размещения — по ГОСТ 15150.
Вид климатического исполнения и категорию размещения следует указывать в стандартах на трансформаторы конкретных типов.
Для трансформаторов категории размещения 4 по ГОСТ 15150 климатическое исполнение — УХЛ4 или О4.
Требования в части стойкости к климатическим внешним воздействующим факторам — по ГОСТ 15543.1.
6.8.2 Трансформаторы должны быть предназначены для работы на высоте до 1000 м над уровнем моря, за исключением трансформаторов на номинальное напряжение 750 кВ, которые должны быть предназначены для работы на высоте до 500 м.
Допускается по согласованию между потребителем и изготовителем изготавливать трансформаторы для работы на высоте свыше 1000 м.
6.8.3 Устойчивость трансформаторов к воздействию механических факторов внешней среды — по ГОСТ 17516.1. Группу механического исполнения по ГОСТ 17516.1 устанавливают в стандартах на трансформаторы конкретных типов.
Трансформаторы категории размещения 1 должны быть рассчитаны на суммарную механическую нагрузку от ветра скоростью 40 м/с, гололеда с толщиной стенки льда 20 мм и от тяжения проводов не менее:
500 Н (50 кгс) — для трансформаторов на номинальное напряжение до 35 кВ включительно;
1000 Н (100 кгс) — для трансформаторов на номинальное напряжение от 110 до 220 кВ;
1500 Н (150 кгс) — для трансформаторов на номинальное напряжение 330 кВ и выше.
6.8.4 Рабочее положение трансформаторов в пространстве должно быть указано в стандартах на трансформаторы конкретных типов.
6.9 Требования к конструкции
6.9.1 Вводы и контактные выводы
6.9.1.1 Расположение вводов масляных трансформаторов и контактных выводов сухих трансформаторов следует указывать в стандартах на трансформаторы конкретных типов.
6.9.1.2 Контактные выводы следует выполнять по ГОСТ 10434.
6.9.1.3 У трансформаторов с первичным напряжением 35 кВ и выше вводы вторичных обмоток и заземляемые вводы первичной обмотки должны быть с контактным резьбовым соединением диаметром не менее М6.
6.9.1.4 У трансформаторов категории размещения 1 по ГОСТ 15150 длина пути утечки внешней изоляции по ГОСТ 9920 должна быть установлена в стандартах на трансформаторы конкретных типов.
У трансформаторов категорий размещения 2 и 5 по ГОСТ 15150 длина пути утечки внешней изоляции с учетом выпадения росы и инея должна быть установлена в стандартах на трансформаторы конкретных типов.
6.9.1.5 Плоский контактный зажим ввода первичного напряжения трансформатора, предназначенный для соединения с шинами экранированного токопровода, должен позволять регулирование его высоты по отношению к вводу не менее 10 мм.
6.9.1.6 Конструкцией трансформаторов категории размещения 1 по ГОСТ 15150 должна быть обеспечена защита места присоединения кабелей к выводам вторичных обмоток от атмосферных осадков.
6.9.2 Баки (фарфоровые покрышки) и расширители
6.9.2.1 Конструкция маслонаполненных трансформаторов должна обеспечивать их герметичность. Стандарты на маслонаполненные трансформаторы должны содержать требования по проверке герметичности конструкции, а также требования к газо- и влагосодержанию заливаемого в трансформаторы масла.
6.9.2.2 Маслонаполненный трансформатор должен иметь расширитель, вместимость которого обеспечивает постоянное наличие в нем масла при всех режимах работы трансформатора в диапазоне рабочих температур. Функцию расширителя могут выполнять верхняя часть фарфоровой покрышки, сильфон или другие устройства.
6.9.2.3 Маслонаполненные трансформаторы должны иметь указатели уровня масла. Около указателя уровня масла или на нем должны быть нанесены три контрольные черты, соответствующие уровню масла в неработающем трансформаторе при температуре 20 °С, а также при верхнем и нижнем значениях температуры. Допускается применять другие устройства контроля уровня масла.
6.9.2.4 В трансформаторах с массой масла до 50 кг допускается наносить на указателе уровня масла одну контрольную черту, по которой устанавливают уровень заливаемого в трансформатор масла при температуре 20 °С.
6.9.2.5 В герметичных трансформаторах способы контроля уровня масла должны быть указаны в стандартах на эти трансформаторы.
6.9.2.6 Трансформаторы с массой масла менее 20 кг, соответствующие требованиям 6.9.2.2, допускается изготавливать без указателей уровня масла.
6.9.2.7 Конструкция газонаполненных трансформаторов должна иметь защиту от чрезмерного увеличения давления газа при аварии, связанной с пробоем внутренней изоляции и горением дуги.
6.9.2.8 Конструкция газонаполненных трансформаторов должна обеспечивать утечку массы газа не более 1 % в год.
6.9.3 Арматура
6.9.3.1 Масляные трансформаторы с первичным напряжением 10 кВ и выше и массой масла более 10 кг должны быть снабжены арматурой для заливки, отбора проб и слива масла.
6.9.3.2 Арматуру для отбора проб масла помещают в нижней части бака, при этом должно быть предусмотрено плавное регулирование вытекающей струи масла.
6.9.3.3 На трансформаторах, конструкцией которых предусмотрена разборка, должно быть место для нанесения поверительного клейма или пломбы. Клеймо или пломба должны препятствовать разборке трансформатора без их нарушения.
6.9.3.4 Трансформаторы с массой более 20 кг должны иметь устройство по ГОСТ 12.2.007.0 для подъема, опускания и удержания их на весу. При невозможности конструктивного выполнения таких приспособлений в руководстве по эксплуатации следует указывать места захвата трансформатора при такелажных работах.
6.9.4 Заземление
6.9.4.1 Трансформаторы с первичным напряжением до 660 В включительно должны быть оснащены заземляющими зажимами с резьбовым соединением шпилек, болтов, винтов диаметром не менее М6, трансформаторы на номинальное напряжение свыше 660 В — не менее М8. Конструкция и размеры заземляющих зажимов — по ГОСТ 21130.
6.9.4.2 Около заземляющего зажима должен быть нанесен знак заземления по ГОСТ 21130. Способ нанесения знака заземления должен обеспечивать его долговечность и стойкость к атмосферным воздействиям.
6.9.4.3 Поверхность площадки заземляющего зажима (бобышка, прилив) должна соответствовать требованиям ГОСТ 21130. Размеры поверхности площадки должны быть достаточными для надежного соединения с шиной шириной не менее 20 мм — для трансформаторов с первичным напряжением 3 — 35 кВ и шириной не менее 40 мм — для трансформаторов с первичным напряжением 110 кВ и выше.
Примечание — Для малогабаритных трансформаторов с первичным напряжением до 660 В допускается уменьшать площадки заземления до размеров, позволяющих надежно соединять их с заземляющей жилой диаметром не менее 2 мм.
6.9.4.4 Трансформаторы с литой изоляцией, не имеющие металлического корпуса, допускается изготавливать без заземляющих зажимов.
6.9.5 Защита масла и поверхностей трансформатора
6.9.5.1 Масляные трансформаторы с первичным напряжением 110 кВ и выше должны быть оборудованы защитой, предохраняющей масло от непосредственного соприкосновения с окружающим воздухом.
6.9.5.2 Все непосредственно соприкасающиеся с окружающим воздухом, подверженные коррозии поверхности трансформатора должны быть защищены лакокрасочными, гальваническими и другими покрытиями.
6.9.5.3 Металлические поверхности внутри бака или расширителя масляного трансформатора должны иметь маслостойкое покрытие, защищающее масло от соприкосновения с ними и не оказывающее вредного воздействия на масло.
Примечание — Допускается не защищать покрытием торцевые поверхности магнитопроводов и поверхности материалов, не оказывающих активного каталитического воздействия на масло.
6.10 Применяемые в конструкции трансформаторов материалы должны обеспечивать выполнение требований по взрыво- и пожаробезопасности
Марку масла указывают в стандартах на трансформаторы конкретных типов.
6 .11 Требования к нагреву
6.11.1 Превышение элементами трансформаторов температуры окружающей среды не должно быть более значений, указанных в таблице 14.
Таблица 14
| Элемент трансформатора |
Класс нагревостойкости по ГОСТ 8865 |
Превышение температуры при номинальном напряжении, протекании тока, соответствующего предельной мощности трансформатора, и эффективной температуре окружающего воздуха 40 °С |
Метод измерения |
| Обмотки, погруженные в масло |
Все классы |
65 |
По изменению сопротивления обмоток постоянному току |
| Обмотки, залитые эпоксидным компаундом |
В |
85 |
То же |
| Обмотки, залитые битумным компаундом |
Все классы |
50 |
» |
| Обмотки сухих |
А |
60 |
» |
| трансформаторов |
Е |
75 |
|
| В |
85 |
||
| F |
110 |
||
| Н |
135 |
||
| Масло в верхних слоях: |
По термометру или термопаре |
||
| исполнение герметичное или с устройством, полностью защищающим масло от соприкасания с окружающим воздухом |
— |
60 |
|
| в остальных случаях |
— |
55 |
То же |
Примечания
1 Указанные требования не распространяются на трансформаторы, размещаемые с внешней стороны пофазно экранированных токопроводов, но обязательны для вводов, находящихся внутри токопроводов.
2 Вместо эффективной температуры окружающей среды допускается принимать верхнее значение температуры.
6.11.2 Для трансформаторов, эксплуатируемых при температуре окружающего воздуха выше 40 °С, допускаемые значения превышения температуры, указанные в таблице 14, должны быть уменьшены на разность между температурой окружающего воздуха при эксплуатации и при 40 °С. При температуре эксплуатации ниже 40 °С допускаемые значения превышения температуры соответственно увеличиваются.
6.11.3 Классы нагревостойкости изоляции обмоток сухих трансформаторов должны быть указаны в стандартах на трансформаторы конкретных типов.
6.11.4 Превышения температуры элементов однофазных трансформаторов, указанные в таблице 14, могут быть на 10 °С выше при номинальных коэффициентах напряжения 1,5 и 1,9 (таблица 13) и значении мощности, установленном в стандартах на трансформаторы конкретных типов.
6.12 Требования к изоляции
6.12.1 Требования к электрической прочности изоляции трансформаторов с номинальными первичными напряжениями 3 — 500 кВ — по ГОСТ 1516.1 и ГОСТ 1516.3, а с номинальным первичным напряжением 750 кВ — по ГОСТ 1516.3 и ГОСТ 20690.
Заземляемые нейтрали первичных обмоток трехфазных трансформаторов, а также предназначенные для заземления вводы первичных обмоток однофазных трансформаторов могут иметь неполную изоляцию, которая должна выдерживать в течение 1 мин испытательное напряжение 3 кВ частотой 50 Гц, приложенное от внешнего источника.
Изоляция вторичных обмоток трансформаторов должна выдерживать в течение 1 мин испытательное напряжение 3 кВ частотой 50 Гц, приложенное от внешнего источника.
6.12.2 Трансформаторы, изготавливаемые с номинальными первичными напряжениями, отличающимися от указанных в таблице 4, значения которых не превышают или равны наибольшему рабочему напряжению соответствующего класса напряжения, указанного в ГОСТ 1516.1 и ГОСТ 1516.3, должны иметь уровень изоляции по ГОСТ 1516.1, ГОСТ 1516.3 или ГОСТ 20690 для напряжения данного класса.
6.12.3 Изоляция первичных обмоток трансформаторов с номинальным первичным напряжением до 660 В включительно должна выдерживать одноминутное испытательное напряжение 3 кВ частотой 50 Гц, приложенное от внешнего источника.
6.12.4 Требования к электрической прочности изоляции емкостных делителей напряжения, изолирующих подставок и электромагнитных устройств для емкостных трансформаторов должны быть указаны в стандартах на эти трансформаторы.
6.12.5 Уровень частичных разрядов изоляции электромагнитных трансформаторов на номинальное напряжение 3 кВ и выше уровня изоляции «а» по ГОСТ 1516.3 должен соответствовать значениям, приведенным в таблице 15.
Таблица 15
| Условие заземления системы |
Соединение первичной обмотки |
Напряжение измерения частичных разрядов |
Допускаемый уровень частичных разрядов, пКл, для изоляции |
||
| жидкой |
газовой |
твердой |
|||
| Эффективно |
Фаза — земля |
U н.р |
20 |
50 |
|
| заземленная нейтраль |
1,1 |
10 |
10 |
20 |
|
| Фаза — фаза |
1,1×U н.р |
10 |
20 |
||
| Неэффективно |
Фаза — земля |
U н.р |
20 |
50 |
|
| заземленная или изолированная |
1,1 |
10 |
10 |
20 |
|
| нейтраль |
Фаза — фаза |
1,1×U н.р |
10 |
20 |
|
Примечание — U н.р — наибольшее рабочее напряжение.
Требования, предъявляемые к маслонаполненным трансформаторам на номинальное напряжение 110 кВ и выше по тангенсу угла диэлектрических потерь, должны быть указаны в стандартах на трансформаторы конкретных типов.
6.12.6 При нормальных климатических условиях по ГОСТ 15150 сопротивление изоляции первичных обмоток должно быть не менее 300 МОм, вторичных обмоток — не менее 50 МОм, связующих обмоток каскадных трансформаторов — не менее 1 МОм.
6.12.7 Диэлектрические показатели качества масла маслонаполненных трансформаторов должны соответствовать указанным в таблице 16.
Таблица 16
| Показатель качества масла |
Номинальное напряжение трансформаторов, кВ |
Предельно допустимое значение показателя качества масла |
|
| для заливки в трансформатор |
после заливки в трансформатор |
||
| Пробивное |
До 15 включ. |
30 |
25 |
| напряжение по ГОСТ |
До 35 включ. |
35 |
30 |
| 6581, кВ, не менее |
110-150 |
60 |
55 |
| 220-500 |
65 |
60 |
|
| 750 |
70 |
65 |
|
| Тангенс угла диэлектрических потерь |
До 220 включ. |
1,7 |
2,0 |
| при 90 °С по ГОСТ 6581, %, не более |
Св. 220 |
0,5 |
0,7 |
6.12.8 Газовая изоляция первичной обмотки трансформаторов, работающих при избыточном давлении газа, должна в течение 15 мин выдерживать напряжение 1,1
при избыточном давлении газа, равном нулю.
6.13 Требования к переходным процессам в емкостных трансформаторах
6.13.1 Переходный процесс, возникающий во вторичной цепи емкостного трансформатора после отключения в ней короткого замыкания при первичном напряжении 0,8—1,2 номинального значения, указанного в таблице 4, должен затухать до значения, отличающегося от исходного не более чем на 10 %, за время, соответствующее 10 периодам номинальной частоты.
6.13.2 При внезапных коротких замыканиях в первичной цепи емкостного трансформатора его вторичное напряжение в течение одного периода номинальной частоты должно снизиться до значения менее 10 % амплитудного значения до короткого замыкания.
6.13.3 Допустимые значения амплитуды колебания вторичного напряжения при включении емкостного трансформатора на полное номинальное первичное напряжение должны быть предусмотрены в эксплуатационной документации на трансформаторы конкретных типов.
6.14 Требования к стойкости электромагнитных трансформаторов при токах короткого замыкания
6.14.1 Электромагнитные трансформаторы должны в течение 1 с выдерживать токи короткого замыкания, возникающего на вводах вторичных обмоток.
6.14.2 По согласованию между потребителем и изготовителем в стандартах на трансформаторы конкретных типов указывают токи короткого замыкания между всеми вторичными выводами.
6.15 Метрологические характеристики
6.15.1 Метрологические характеристики должны быть установлены для следующих рабочих условий применения трансформаторов:
частота переменного тока (50 ± 0,5) или (60 ± 0,5) Гц;
мощность активно-индуктивной нагрузки при коэффициенте мощности 0,8 определяется от
до ![]()
где S ном — номинальная мощность трансформатора в данном классе точности, В × А;
U 1ном — номинальное значение первичного напряжения трансформатора, В;
U 1 — значение первичного напряжения, подведенного к трансформатору, В;
0,8—1,2 номинального напряжения — для трансформаторов, предназначенных для измерения;
1)
По согласованию с потребителем допускается более узкий диапазон мощности нагрузки, например от
до ![]()
от 0,02 или 0,05 до 1,2; 1,5 или 1,9 номинального напряжения — для трансформаторов, предназначенных для защиты;
температура окружающего воздуха — в соответствии со стандартами на трансформаторы конкретных типов;
высота установки трансформаторов над уровнем моря — по 6.8.2.
6.15.2 Предельные значения допускаемых погрешностей трансформаторов в рабочих условиях применения по 6.15.1 при установившемся режиме работы должны соответствовать указанным в таблице 17.
6.15.3 По согласованию между потребителем и изготовителем в эксплуатационной документации на трансформаторы должны быть указаны зависимости погрешностей от влияющих факторов: первичного напряжения, мощности нагрузки, коэффициента мощности нагрузки, частоты, температуры в диапазоне их рабочих значений, а также динамические характеристики.
Также должна быть указана точность определения зависимости погрешностей.
Зависимости погрешностей от каждого влияющего фактора следует приводить при номинальных значениях всех остальных влияющих факторов.
6.16 Ток холостого хода должен быть установлен изготовителем и указан в эксплуатационной документации на трансформаторы конкретных типов.
6.17 Сопротивление обмоток постоянному току должно быть установлено изготовителем и указано в эксплуатационной документации на трансформаторы конкретных типов.
6.18 Напряжение короткого замыкания должно быть указано в эксплуатационной документации на трансформаторы конкретных типов.
Таблица 17
| Класс точности |
Предел допускаемой погрешности |
||
| напряжения, % |
угловой |
||
| 0,1 |
±0,1 |
±5' |
±0,15 срад |
| 0,2 |
±0,2 |
±10' |
±0,3 срад |
| 0,5 |
±0,5 |
±20' |
±0,6 срад |
| 1,0 |
±1,0 |
±40' |
±1,2 срад |
| 3,0 |
±3,0 |
Не нормируют |
|
| 3Р |
±3,0 |
±120' |
±3,5 срад |
| 6Р |
±6,0 |
±240' |
±7,0 срад |
Примечание — В таблице указаны погрешности трансформаторов для защиты в диапазоне первичных напряжений от 0,2 до 1,2 номинального. При значении первичного напряжения, подведенного к трансформатору для защиты, равном 0,02 номинального, предельные значения допускаемых погрешностей должны быть увеличены в два раза. При значении первичного напряжения, подведенного к трансформатору для защиты, равном 0,05; 1,5 или 1,9 номинального, предельные значения допускаемых погрешностей по согласованию между разработчиком и заказчиком могут быть увеличены в два раза. В стандартах на трансформаторы конкретных типов должны быть указаны расчетные значения погрешностей при значениях напряжений 0,02; 0,05; 1,5 и 1,9 номинального.
6.19 Требования к надежности
6.19.1 Средняя наработка до отказа должна быть установлена по ГОСТ 27.003 и указана в стандартах на трансформаторы конкретных типов.
6.19.2 Средний срок службы трансформаторов — 25 лет.
6.19.3 Требования по ремонтопригодности должны быть указаны в стандартах на трансформаторы конкретных типов.
6.20 Комплектность
6.20.1 Комплектность трансформаторов должна быть установлена в стандартах на трансформаторы конкретных типов.
6.20.2 К трансформаторам должна быть приложена эксплуатационная документация по ГОСТ 2,601: паспорт, руководство по эксплуатации, ведомости ЗИП (при наличии).
Для трансформаторов на напряжение до 10 кВ включительно по согласованию с потребителем, если это установлено в стандартах на трансформаторы конкретных типов, паспорт может быть заменен этикеткой.
Для трансформаторов на напряжение до 660 В номенклатура эксплуатационной документации может быть сокращена и должна быть указана в стандартах на трансформаторы конкретных типов.
Число экземпляров эксплуатационной документации, прилагаемой к трансформаторам, устанавливают в стандартах на трансформаторы конкретных типов.
6.21 Маркировка
6.21.1 Все вводы и выводы трансформаторов для внешнего присоединения следует обозначать способом, обеспечивающим долговечность и стойкость маркировки к атмосферным воздействиям. Условные обозначения вводов и выводов — в соответствии с таблицами 5—12.
6.21.2 Каждый трансформатор должен быть снабжен прикрепленной на видном месте табличкой, на которой указывают:
товарный знак предприятия-изготовителя или его наименование;
наименование «трансформатор напряжения»;
тип трансформатора и климатическое исполнение;
порядковый номер по системе нумерации предприятия-изготовителя;
обозначение стандарта на трансформаторы конкретных типов или обозначение настоящего стандарта;
год выпуска (на трансформаторах, предназначенных для экспорта, не указывают);
номинальное напряжение первичной обмотки, В;
номинальные напряжения каждой из вторичных обмоток, В (для трехфазных трехобмоточных трансформаторов указывают только напряжение основной вторичной обмотки);
номинальную частоту, Гц (при частоте 50 Гц допускается не указывать);
классы точности и соответствующие им номинальные мощности, В × А;
предельную мощность, В × А;
полную массу трансформатора, кг;
условное обозначение схемы и группы соединения обмоток (для трехфазных трансформаторов).
Примечания
1 Допускается наносить перечисленные данные на одну или несколько табличек, а также частично или полностью на элементы конструкции трансформатора.
2 Допускается наносить на табличку дополнительную информацию в соответствии со стандартами на трансформаторы конкретных типов.
6.21.3 В каскадных и емкостных трансформаторах маркируют каждый блок или конденсатор, входящий в комплект трансформатора.
6.21.4 Маркировка транспортной тары — по ГОСТ 14192.
6.22 Упаковка
6.22.1 Перед упаковыванием все неокрашенные наружные поверхности, которые могут подвергаться коррозии и порче, должны быть подвергнуты консервации.
6.22.2 Упаковка должна обеспечивать сохранность трансформаторов при их транспортировании. Вид упаковывания должен быть предусмотрен в стандартах на трансформаторы конкретных типов.
7 Требования безопасности
7.1 Требования безопасности к конструкции трансформаторов — по ГОСТ 12.2.007.0 и ГОСТ 12.2.007.3.
7.2 Требования безопасности при испытаниях трансформаторов — по ГОСТ 8.216 и ГОСТ 12.3.019.
8 Правила приемки
8.1 Для проверки соответствия трансформаторов требованиям настоящего стандарта и стандартов на трансформаторы конкретных типов следует проводить испытания: для утверждения типа; на соответствие утвержденному типу; квалификационные; приемосдаточные; периодические; типовые.
8.2 Объем испытаний и проверок, в зависимости от конструктивных особенностей и назначения трансформатора, следует выбирать по таблице 18 и устанавливать в стандартах на трансформаторы конкретных типов.
Таблица 18
| Наименование испытания и проверки |
Необходимость проведения испытаний |
Пункт настоящего стандарта |
|||||
| для утверждения типа |
на соответствие утвержденному типу |
квалификационных |
приемосдаточных |
периоди-ческих |
Технические требования |
Методы контроля |
|
| 1 Проверка на соответствие требованиям сборочного чертежа |
+ |
+ |
+ |
+ |
+ |
6.1; 6.20.2 |
9.1 |
| 2 Испытание пробы масла маслонаполненных трансформаторов: |
|||||||
| определение пробивного напряжения |
— |
— |
+ |
+ |
+ |
6.12.7 |
9.2 |
| определение тангенса угла диэлектрических потерь |
— |
— |
+ |
+ |
+ |
6.12.5; 6.12.7 |
9.2; 9.17 |
| 3 Измерение сопротивления изоляции обмоток |
— |
— |
+ |
О |
+ |
6.12.6 |
9.3 |
| 4 Испытания электрической прочности изоляции: |
|||||||
| одноминутным напряжением промышленной частоты |
— |
— |
+ |
+ |
+ |
6.12 |
9.4 |
| трансформаторов с номинальным напряжением 330 кВ и выше напряжением коммутационного импульса |
— |
— |
+ |
+ |
6.12 |
9.4 |
|
| трансформаторов с номинальным напряжением свыше 1000 В напряжениями грозового импульса |
— |
— |
+ |
— |
— |
6.12 |
9.4 |
| внутренней изоляции первичной обмотки на стойкость к тепловому пробою |
— |
— |
О |
— |
— |
6.12 |
9.4 |
| изоляции первичной обмотки газонаполненных трансформаторов при остаточном давлении газа, равном нулю |
— |
— |
+ |
— |
+ |
6.12.8 |
9.4 |
| проверка длины пути утечки |
— |
— |
+ |
— |
— |
6.9.1.4 |
9.20 |
| 5 Измерение тока холостого хода |
— |
— |
+ |
+ |
+ |
6.16 |
9.5 |
| 6 Определение погрешностей: |
|||||||
| при нагрузках, соответствующих всем классам точности, присвоенных данному трансформатору |
+ |
+ |
+ |
— |
+ |
6.15 |
9.6 |
| при нагрузках, соответствующих высшему классу точности |
— |
— |
— |
+ |
— |
6.15 |
9.6 |
| 7 Проверка группы соединения обмоток |
+ |
+ |
+ |
+ |
+ |
5.10 |
9.6 |
| 8 Измерения напряжения на вводах разомкнутого треугольника дополнительных вторичных обмоток трехобмоточных трансформаторов: при симметричном номинальном первичном напряжении |
+ |
+ |
+ |
+ |
+ |
6.4, 6.5 |
9.7 |
| при замыкании одной из фаз на землю |
+ |
— |
+ |
— |
— |
6.7 |
9.8 |
| 9 Испытание на нагрев |
— |
— |
+ |
— |
— |
6.11 |
9.9 |
| 10 Испытание на устойчивость трансформаторов к длительному однофазному замыканию питающей сети на землю |
— |
— |
+ |
— |
— |
6.6, 6.11 |
9.10 |
| 11 Испытание на устойчивость трансформаторов к токам короткого замыкания |
— |
— |
+ |
— |
— |
6.14 |
9.11 |
| 12 Проверка работоспособности емкостных трансформаторов в переходных режимах |
— |
— |
+ |
— |
— |
6.13 |
9.12 |
| 13 Климатические испытания в объеме, предусмотренном стандартами на трансформаторы конкретных типов |
+ |
+ |
+ |
— |
О |
6.8.1 |
9.13 |
| 14 Механические испытания в объеме, предусмотренном стандартами на трансформаторы конкретных типов |
— |
— |
+ |
— |
О |
6.8.3 |
9.13 |
| 15 Испытание на прочность при транспортировании |
— |
— |
+ |
— |
— |
10.1 |
9.15 |
| 16 Испытание упаковки на сбрасывание |
— |
— |
+ |
— |
— |
10.1 |
9.16 |
| 17 Измерение уровня частичных разрядов электромагнитных трансформаторов с уровнем изоляции «а» по ГОСТ 1516.3 |
— |
— |
+ |
+ |
+ |
6.12.5 |
9.17 |
| 18 Подтверждение средней наработки до отказа |
— |
— |
— |
— |
+ |
6.18.1 |
9.18 |
| 19 Испытание маслонапол-ненных трансформаторов на герметичность |
— |
— |
+ |
+ |
+ |
6.9.2.1 |
9.19 |
| 20 Измерение сопротивления обмоток постоянному току |
— |
— |
+ |
О |
+ |
6.17 |
9.21 |
| 21 Определение количественной утечки газа газонаполненных трансформаторов |
— |
— |
+ |
+ |
+ |
6.9.2.8 |
9.14 |
| 22 Испытание газонаполненных трансформаторов на взрывобезопасность |
— |
— |
+ |
— |
— |
6.9.2.7 |
9.22 |
Примечания
1 Знак «+» означает, что испытания проводят; знак «— » — не проводят; буква «О» — испытания проводят, если они предусмотрены в стандартах на трансформаторы конкретных типов.
2 Для трансформаторов класса напряжения 330 кВ и выше вместо испытания электрической прочности изоляции одноминутным напряжением промышленной частоты допускается проводить испытания электрической прочности изоляции напряжением коммутационного импульса.
3 Для трансформаторов с номинальной частотой 60 Гц все испытания проводят при частоте 50 Гц (кроме определения погрешностей емкостных трансформаторов), о чем должно быть указано в паспорте.
8.3 Общие положения
8.3.1 При испытаниях квалификационных, для утверждения типа, периодических, типовых и на соответствие утвержденному типу отдельные испытания, не влияющие на результаты других испытаний, предусмотренных таблицей 18, допускается проводить на разных трансформаторах (параллельные испытания).
Перечень параллельных испытаний следует устанавливать в стандартах на трансформаторы конкретных типов.
8.3.2 Допускается совмещение отдельных видов испытаний из перечисленных в 8.1.
8.3.3 Типоисполнения и число трансформаторов, подвергаемых каждому испытанию при испытаниях квалификационных, для утверждения типа, периодических, типовых и на соответствие утвержденному типу следует указывать в стандартах на трансформаторы конкретных типов.
8.3.4 При приемосдаточных испытаниях трансформаторы подвергают проверке методом сплошного контроля.
8.3.5 Допускается проводить испытания на сборочных единицах и деталях трансформаторов.
Допускается по согласованию между потребителем и изготовителем при испытаниях квалификационных, для утверждения типа, периодических, типовых и на соответствие утвержденному типу засчитывать испытания трансформаторов других типов (серий), имеющих аналогичные конструктивные или технологические решения или одинаковые применяемые материалы, при наличии таких указаний в стандартах на трансформаторы конкретных типов.
8.3.6 Последовательность испытаний может быть произвольной, если иные требования не установлены в стандартах на трансформаторы конкретных типов.
8.3.7 При отрицательных результатах приемосдаточных, периодических и типовых испытаний после устранения дефектов повторные испытания проводят в полном объеме или в технически обоснованных случаях в сокращенном объеме: повторяют испытания, по которым получены неудовлетворительные результаты, испытания, которые могли повлиять на возникновение дефектов, а также те испытания, которые не проводились.
Если конкретные причины неудовлетворительного результата не установлены, повторные испытания по пунктам несоответствия проводят на удвоенном числе образцов.
Результаты повторных испытаний являются окончательными.
8.4 Квалификационные испытания
8.4.1 Порядок проведения квалификационных испытаний — по ГОСТ 15.001 и ГОСТ 15.309.
8.4.2 Допускается засчитывать в качестве квалификационных испытаний испытания опытных образцов, проведенные в соответствии с таблицей 18, если соблюдены следующие условия:
опытные образцы были изготовлены по технологии и на оборудовании, предусмотренных для серийного производства;
при изготовлении установочной серии не проводилась доработка конструкции, требующая проведения испытаний;
время, прошедшее после испытаний опытных образцов, не превышает срок, установленный для периодических испытаний.
Если эти условия не соблюдены, то при соответствующем техническом обосновании допускается засчитывать отдельные испытания, на результатах которых несоблюдение указанных условий не отражается.
8.5 Приемосдаточные испытания
Приемосдаточные испытания проводит служба технического контроля или другая уполномоченная на это служба предприятия-изготовителя.
Одновременно с приемосдаточными испытаниями каждый трансформатор должен подвергаться первичной поверке по правилам, принятым в стране-изготовителе, и по методике ГОСТ 8.216.
8.6 Периодические испытания
8.6.1. Периодические испытания следует проводить на трансформаторах серийного производства не реже одного раза в 5 лет.
Подтверждение средней наработки до отказа первый раз проводят через 10 лет после начала серийного производства, затем — не реже одного раза в 5 лет.
8.6.2 Если производство трансформаторов было прервано ко времени наступления срока очередных периодических испытаний, то при возобновлении выпуска следует проводить периодические испытания трансформаторов на образцах первой партии, изготовленной после возобновления производства.
До завершения отдельных (длительных по времени) испытаний, входящих в объем периодических испытаний, основанием для выпуска трансформаторов является протокол предыдущих периодических испытаний.
8.7 Типовые испытания следует проводить в полном или сокращенном объеме квалификационных испытаний при изменении конструкции, применяемых материалов или технологии производства, если эти изменения могут оказать влияние на характеристики или параметры трансформаторов.
В зависимости от характера вносимого изменения (изменений) испытаниям допускается подвергать отдельные сборочные единицы, детали, образцы материалов и др.
8.8 Испытания для утверждения типа и на соответствие утвержденному типу следует проводить по правилам, принятым в стране-изготовителе.
9 Методы контроля
9.1 Проверка на соответствие требованиям сборочного чертежа
9.1.1 Проверке подлежат:
габаритные1) , установочные и присоединительные размеры, для которых на сборочном чертеже указаны предельные отклонения;
масса трансформатора1) ;
состояние поверхности наружных изоляционных частей;
состояние защитных покрытий наружных частей;
состояние площадок под заземляющие зажимы;
правильность заполнения табличек технических данных;
маркировка выводов;
комплектность.
1) Только при испытаниях квалификационных, для утверждения типа, типовых, периодических и на соответствие утвержденному типу.
Проверку проводят внешним осмотром, измерением универсальным измерительным инструментом, при помощи шаблонов, а также взвешиванием трансформатора на весах общего применения или при помощи пружинного динамометра.
9.1.2 При приемосдаточных испытаниях размеры допускается проверять на деталях и сборочных единицах до сборки трансформатора.
9.1.3 Допускается определять массу трансформатора суммированием масс всех сборочных единиц.
9.2 Определение пробивного напряжения и тангенса угла диэлектрических потерь при испытании пробы масла — по ГОСТ 6581. Для трансформаторов с номинальным напряжением до 35 кВ включительно проба масла отбирается в тот же день из емкости, из которой масло заливается в трансформатор, а для трансформаторов с номинальным напряжением 110 кВ и выше — непосредственно из трансформатора. Порядок взятия пробы должен быть установлен в стандартах на трансформаторы конкретных типов.
9.3 Измерение сопротивления изоляции обмоток проводится мегаомметром на 2500 В для первичных обмоток незаземляемых трансформаторов и на 1000 В — для первичных обмоток заземляемых и вторичных обмоток всех трансформаторов.
9.4 Испытание электрической прочности изоляции — по ГОСТ 1516.2 и ГОСТ 22756.
При повторных испытаниях внутренней изоляции первичных обмоток, проводимых с целью проверки работоспособности трансформаторов после проведения испытаний других видов, испытательное напряжение должно быть не более 90 % испытательного напряжения, предусмотренного ГОСТ 1516.1 и ГОСТ 1516.3.
9.5 Измерение тока холостого хода — по ГОСТ 3481.1.
9.6 Определение погрешностей (6.15) и проверка группы соединения обмоток (5.10) —по ГОСТ 8.216. При испытании трехобмоточных трансформаторов обмотка, свободная от испытаний, должна быть разомкнута.
Для трехобмоточных трансформаторов, длительно работающих с включенными нагрузками на обеих вторичных обмотках, погрешности трансформаторов определяют с включением нагрузок на обе вторичные обмотки. Порядок распределения нагрузок между вторичными обмотками при определении погрешностей должен быть указан в стандартах на трансформаторы конкретных типов.
Примечания
1 Погрешности емкостных трансформаторов, предназначенных для работы в электрических цепях переменного тока частотой 50 Гц, определяют при частотах питающего напряжения 49,5 и 50,5 Гц.
2 Погрешности емкостных трансформаторов, предназначенных для работы в электрических цепях переменного тока частотой 60 Гц, определяют при частотах питающего напряжения 59,5 и 60,5 Гц.
3 Погрешности емкостных трансформаторов определяют при нагрузках, соответствующих всем классам точности. С разрешения Государственного центра по испытанию средств измерений (по специализации) по результатам испытаний для утверждения типа (по проверке соответствия утвержденному типу) трансформатора допускается проверять погрешности этих трансформаторов только по высшему классу точности.
4 Погрешности обмоток для защиты определяют при напряжениях 0,2 и 1,2 номинального значения.
5 При приемосдаточных испытаниях определение погрешностей электромагнитных трансформаторов проводят при меньшем числе значений напряжений и мощностей, если обоснованность такого уменьшения подтверждена квалификационными и типовыми испытаниями.
9.7 Напряжение на вводах разомкнутого треугольника вторичных дополнительных обмоток трехобмоточных трансформаторов (6.4) измеряют при нагрузке этих обмоток номинальной мощностью с коэффициентом мощности 0,8 (характер нагрузки — активно-индуктивный).
Для получения симметрии первичного фазного напряжения допускается испытывать трансформатор в питающей сети с заземленной нейтралью по схемам, изображенным на рисунках Б.9 и Б.10 приложения Б.
9.8 Напряжение на вводах разомкнутого треугольника вторичных дополнительных обмоток трехобмоточных трансформаторов (6.7), возникающее при замыкании одной из фаз первичных обмоток на землю, измеряют при номинальном значении нагрузки дополнительных обмоток и значении нагрузки основных вторичных обмоток, соответствующей низшему классу точности.
При этом трансформаторы включаются в сеть с изолированной нейтралью, а их линейные выводы первичных обмоток поочередно закорачивают на землю. Допускается проводить испытание на любых двух фазах трансформаторов.
Примечание — При испытаниях по 9.7 и 9.8 необходимо заземление дополнительных вторичных обмоток через пробивной предохранитель для трансформаторов, включаемых по схемам, изображенным на рисунках Б.4 и Б.5 приложения Б.
9.9 Испытание на нагрев при предельной мощности — по ГОСТ 3484.2 методом непосредственной нагрузки при питании номинальным напряжением со стороны первичной обмотки и распределением нагрузки согласно 5.4. При этом допускается контролировать только температуру обмоток по изменению сопротивления, а у маслонаполненных трансформаторов также температуру верхних слоев масла.
9.10 Испытание на устойчивость к длительным однофазным замыканиям питающей сети на землю проводят только для заземляемых трансформаторов, предназначенных для работы в сетях с изолированной нейтралью (6.6).
К трехфазным трансформаторам, а также к трехфазным группам однофазных трансформаторов, объединенных предприятием-изготовителем в единую конструкцию, подводят трехфазное практически синусоидальное и практически симметричное напряжение, равное наибольшему рабочему значению по ГОСТ 1516.3 с последующим замыканием одной из фаз первичной обмотки на землю. К однофазным трансформаторам подводят напряжение, равное 1,9 номинального.
При испытании трансформаторов вторичные обмотки должны быть нагружены мощностью, указанной в стандартах на трансформаторы конкретных типов.
В этом режиме трансформаторы испытывают в течение 8 ч. Превышение температуры трансформаторов должно соответствовать 6.11.4.
Температуру трансформаторов, подвергающихся повышенному напряжению в течение 30 с (таблица 14), не контролируют.
После этих испытаний трансформаторы должны быть подвергнуты повторным испытаниям в объеме приемосдаточных.
9.11 Испытания на устойчивость к токам короткого замыкания проводят следующим образом.
К первичным обмоткам трансформаторов подводят напряжение, равное 0,9—1,05 номинального, при разомкнутых вторичных обмотках. Затем одну из вторичных обмоток с помощью специального устройства закорачивают и выдерживают режим в течение 1 с. При этом напряжение на выводах первичной обмотки должно сохраняться в указанных пределах.
Критерии оценки должны быть указаны в стандартах на трансформаторы конкретных типов.
При испытании электромагнитных трансформаторов и электромагнитных устройств емкостных трансформаторов напряжение допускается подводить со стороны вторичных обмоток при замкнутой накоротко первичной обмотке.
9.12 Работу трансформатора при переходных процессах проверяют с осциллографической записью или определением показателей процесса другими методами, обеспечивающими необходимую точность измерений.
9.12.1 Испытание на затухание переходного процесса при кратковременном коротком замыкании во вторичной цепи (6.13.1) проводят замыканием накоротко вводов основной вторичной обмотки трансформатора при опыте холостого хода. Падение напряжения во внешней цепи при этом должно быть не более 10 % номинального значения. Длительность переходного процесса определяют десять раз. Если хотя бы в одном случае длительность переходного процесса составит более 10 периодов номинальной частоты, то проводят дополнительно 90 аналогичных проверок. При этом длительность переходного процесса может быть от 10 до 15 периодов номинальной частоты не более чем в трех случаях из суммарных 100.
9.12.2 Испытание на скорость снижения вторичного напряжения до установленного значения (6.13.2) при внезапном коротком замыкании на зажимах первичной цепи проводят по два раза с наименьшей в высшем классе точности и наибольшей в низшем классе точности активно-индуктивной нагрузкой с коэффициентом мощности 0,8 и при мгновенном первичном напряжении, близком к нулевому и максимальному значениям. Эта проверка может быть проведена по схеме, изображенной на рисунке 2, соответствующей эквивалентной схеме емкостного трансформатора. Параметры эквивалентной схемы должны быть указаны в стандартах на трансформаторы конкретных типов.
Допускается применять другие методы испытаний, которые должны быть указаны в стандартах на трансформаторы конкретных типов.
9.13 Методы и виды испытаний трансформаторов на устойчивость к климатическим внешним воздействующим факторам по ГОСТ 16962.1 и механическим внешним воздействующим факторам по ГОСТ 16962.2 должны быть указаны в стандартах на трансформаторы конкретных типов в зависимости от исполнения и конструктивных особенностей трансформаторов.
При испытаниях трансформаторов категории размещения 1 на воздействие нагрузок от ветра, гололеда и тяжения проводов основание трансформатора жестко закрепляют, а к середине вывода его первичной обмотки прикладывают нагрузку, установленную в 6.8.3. Указанную нагрузку прикладывают поочередно в трех взаимно перпендикулярных направлениях: в горизонтальной плоскости по оси вывода в сторону от трансформатора, в горизонтальной плоскости в направлении, перпендикулярном к оси вывода, и в вертикальной плоскости по направлению к основанию.

Т1 — питающий трансформатор; С — конденсатор отбора мощности емкостного трансформатора; Т2 — трансформатор напряжения для осциллографирования; ЭУ— электромагнитное устройство емкостного трансформатора; В — высоковольтный короткозамыкатель; S 2 — нагрузка основной вторичной обмотки
Рисунок 2
Для стержневых вводов и выводов, расположенных вертикально, нагрузку прикладывают поочередно в двух направлениях: вертикально вверх и горизонтально в любом направлении.
В каждом направлении время выдержки нагрузки — 1 мин.
Трансформатор считают выдержавшим испытание, если во время и после его проведения не отмечено повреждений трансформатора или вывода, течи масла у маслонаполненных и увеличение утечки газа у газонаполненных трансформаторов.
9.14 Определение количественной утечки газа газонаполненных трансформаторов
Испытание по определению утечки газа проводят при температуре окружающей среды (25±10)°С.
Испытуемый трансформатор, заполненный газом до номинального рабочего давления, помещают в замкнутый объем (камеру, чехол из полимерной пленки), который не должен превышать наружный объем испытуемого трансформатора более чем в 3 раза.
Внутри объема должен располагаться вентилятор, способствующий перемешиванию смеси воздуха и газа, заполняющего трансформатор.
После установки трансформатора в замкнутый объем в последний вводят щуп чувствительного прибора (течеискателя), реагирующего на малые концентрации газа, которым заполнен испытуемый трансформатор, и фиксируют показания прибора. Через определенный промежуток времени выдержки трансформатора в замкнутом объеме (например 1 ч) операцию повторяют.
Годовую утечку газа q , % массы газа в испытуемом трансформаторе, определяют по формуле
,
| где DС |
— разность концентрации газа в замкнутом объеме за время выдержки, г/л; |
| Р 0 |
= 1 кгс/см2 ; |
| DV |
— разность между замкнутым и наружным объемом испытуемого трансформатора, л; |
| Р ном |
— номинальное давление газа (абсолютное) в трансформаторе, кгс/см2 ; |
| V гт |
— объем газа в трансформаторе, л; |
| d |
— плотность газа в трансформаторе; |
| t |
— время между измерениями, ч. |
Для трансформатора, заполненного элегазом, годовую утечку газа определяют по формуле
.
Примечания
1 Значения объемов, необходимых для вычисления утечки, должны быть определены с погрешностью, не превышающей 20 %.
2 Если шкала прибора для определения утечки не калибрована непосредственно в значениях концентрации газа, г/л, эти значения находят по зависимости С = f (н) (где н — показания прибора в единицах шкалы), приложенной к свидетельству об аттестации (калибровке), проводимой в установленном порядке.
9.15 Испытание на прочность при транспортировании
9.15.1 Методы испытания на прочность при транспортировании по ГОСТ 23216 должны быть указаны в стандартах на трансформаторы конкретных типов.
9.15.2 После испытания трансформаторы распаковывают, проводят внешний осмотр трансформаторов, тары, креплений, а также проверяют параметры, установленные в стандартах на трансформаторы конкретных типов.
9.15.3 Трансформатор и его упаковку считают выдержавшими испытание, если:
а) при внешнем осмотре упаковки не обнаружены механические повреждения тары, ведущие к потере защитных свойств, а также нарушения креплений упакованных изделий в таре. Допускается ослабление креплений изделия в таре, если это не привело к повреждению трансформатора в процессе испытания;
б) при внешнем осмотре трансформатора не обнаружены повреждения, препятствующие его работе, а результаты повторных испытаний на электрическую прочность изоляции и определение погрешностей — положительные.
9.15.4 При упаковке нескольких трансформаторов в один ящик допускается проводить проверку параметров выборочно. Число подлежащих испытанию трансформаторов должно быть указано в стандартах на трансформаторы конкретных типов.
9.15.5 Для крупногабаритных трансформаторов испытание допускается не проводить, а способность трансформаторов и упаковки противостоять разрушающему воздействию механических нагрузок при транспортировании оценивают по результатам транспортирования этих или аналогичных изделий потребителю.
9.16 Испытание упаковки трансформатора на сбрасывание
9.16.1 Методы испытания упаковки трансформаторов на сбрасывание по ГОСТ 18425 должны быть указаны в стандартах на трансформаторы конкретных типов.
9.16.2 Испытанию подвергают упаковку суммарной массой (вместе с упакованным трансформатором) до 200 кг. Упаковку суммарной массой более 200 кг, а также упаковку, маркированную знаком «Хрупкое. Осторожно», испытанию на прочность при сбрасывании не подвергают.
9.16.3 Ящик (упаковку) с находящимся в нем трансформатором (трансформаторами) или макетом, имитирующим упакованные трансформаторы, сбрасывают один раз на площадку по ГОСТ 18425 на его торцевую сторону с высоты:
0,5 м — при суммарной массе (трансформатора и упаковки) до 100 кг включительно;
0,3 м — при суммарной массе (трансформатора и упаковки) свыше 100 до 200 кг включительно.
9.16.4 По окончании испытания проводят внешний осмотр упаковки.
9.16.5 Упаковку считают выдержавшей испытание, если при внешнем осмотре не обнаружены повреждения, ведущие к потере ее защитных свойств. Допускается ослабление отдельных креплений.
9.17 Уровень частичных разрядов определяют по ГОСТ 1516.3 и ГОСТ 20074. Метод измерения тангенса угла диэлектрических потерь маслонаполненных трансформаторов должен быть указан в стандартах на трансформаторы конкретных типов.
9.18 Подтверждение средней наработки до отказа проводят на основании сбора у потребителей и обработки информации о работе трансформаторов или их прототипов по методике, указанной в стандарте на трансформатор конкретного типа.
9.19 Испытания на герметичность — по ГОСТ 3484.5.
9.20 Длину пути утечки внешней изоляции трансформаторов на соответствие требованиям 6.9.1.4 проверяют по ГОСТ 9920.
9.21 Измерение сопротивления обмоток постоянному току проверяют по ГОСТ 3484.1.
9.22 Методы испытания газонаполненных трансформаторов на взрывобезопасность должны быть указаны в стандартах на трансформаторы конкретных типов.
10 Транспортирование и хранение
10.1 Транспортирование
10.1.1 Транспортирование упакованных трансформаторов осуществляют транспортом любого вида. Требования к транспортированию в части воздействия механических факторов по ГОСТ 23216 и климатических факторов внешней среды по ГОСТ 15150 должны быть указаны в стандартах на трансформаторы конкретных типов.
При транспортировании в транспортных контейнерах трансформаторы без индивидуальной упаковки должны быть надежно закреплены и предохранены от механических повреждений.
Допускается транспортирование трансформаторов в пределах одного города без упаковки при условии принятия необходимых мер, исключающих возможность их повреждения.
10.2 Хранение
10.2.1 Требования к хранению трансформаторов в части воздействия климатических факторов внешней среды по ГОСТ 15150 должны быть указаны в стандартах на трансформаторы конкретных типов.
11 Указания по эксплуатации
При вводе в эксплуатацию, а также в процессе эксплуатации трансформаторов следует соблюдать требования, установленные в стандартах на трансформаторы конкретных типов. Эти требования указывают в эксплуатационной документации.
12 Гарантии изготовителя
12.1 Изготовитель гарантирует соответствие трансформаторов требованиям настоящего стандарта при соблюдении условий применения, эксплуатации, хранения и транспортирования, установленных настоящим стандартом.
Гарантийный срок эксплуатации трансформаторов — три года с момента ввода в эксплуатацию, но не более трех с половиной лет со дня отгрузки трансформатора с предприятия-изготовителя.
12.2 Для трансформаторов, предназначенных для экспорта, гарантийный срок эксплуатации устанавливается в соответствии с нормами, принятыми в стране-изготовителе.
ПРИЛОЖЕНИЕ А
(рекомендуемое )
Выбор номинальных мощностей для трансформаторов
различных классов точности
Номинальные мощности для трансформаторов различных классов точности, выбираемые по 5.2, определяют, исходя из установленных предельных значений погрешностей напряжения для этих классов точности.
На рисунке А.1 приведены рекомендуемые характеристики процентного изменения вторичного напряжения трансформатора, соответствующие коэффициенту мощности вторичной нагрузки 0,8 при активно-индуктивной нагрузке.

f — погрешность напряжения, %; s ном — номинальная мощность
для высшего класса точности, В×А
Верхняя характеристика соответствует приложенному первичному напряжению 0,8 U ном ; нижняя — напряжению 1,2 U ном . Характеристики позволяют определять коэффициенты кратности номинальных мощностей для более низких классов точности по выбранной номинальной мощности для высшего класса точности. Характеристики приведены для трансформатора, имеющего высший класс точности 0,2.
Выбор кратности номинальных мощностей для классов точности 1 и 3 допускается осуществлять по рисунку А.1 по выбранной номинальной мощности для класса точности 0,5.
Класс точности 0,5 для данного трансформатора — высший. Коэффициенты кратности мощностей приблизительно равны 1,5 и 3,5.
Выбор мощностей осуществляют по рисунку А.1 так, чтобы характеристика погрешности трансформатора имела бы определенный запас, составляющий примерно 20 % предельного значения погрешности вторичного напряжения или 5 % с учетом результатов климатических испытаний, проведенных при верхнем и нижнем значениях рабочих температур окружающей среды по ГОСТ 15150 и ГОСТ 15543.1.
На рисунке А.1 прямоугольник ABCD характеризует предельно допускаемую зону погрешности напряжения трансформатора при изменении вторичной нагрузки от 0,25 до номинального значения.
Погрешность напряжения f , %, определяют по формуле
(А.1)
| где К ном |
— номинальный коэффициент трансформации; |
| U 1 |
— значение первичного напряжения, В; |
| U 2 |
— значение вторичного напряжения, соответствующее приложенному напряжению U 1 при данных условиях измерения, В. |
ПРИЛОЖЕНИЕ Б
(справочное )
Структурные электрические схемы включения трансформаторов
Схемы включения трансформаторов должны соответствовать изображенным на рисунках Б.1—Б.10.

Рисунок Б.1 — Схема включения однофазных незаземляемых
двухобмоточных трансформаторов в трехфазных электрических сетях
с изолированной нейтралью и напряжением 3 — 35 кВ

Рисунок Б.2 — Схема включения однофазных заземляемых и трехфазных заземляемых двухобмоточных трансформаторов в трехфазных электрических сетях с изолированной нейтралью и напряжением 3 - 35 кВ

Рисунок Б.3 — Схема включения однофазных заземляемых и трехфазных заземляемых двухобмоточных трансформаторов в трехфазных электрических сетях с изолированной нейтралью и напряжением 3 - 35 кВ

Рисунок Б.4 — Схема включения трехфазных трехобмоточных трансформаторов в трехфазных электрических сетях с изолированной нейтралью и напряжением 3 — 35 кВ

Рисунок Б.5 — Схема включения трехфазных трехобмоточных трансформаторов в трехфазных электрических сетях с изолированной нейтралью и напряжением 3 — 35 кВ

Рисунок Б.6 — Схема включения однофазных заземляемых и трехфазных заземляемых трехобмоточных трансформаторов с двумя основными вторичными обмотками в трехфазных электрических сетях с изолированной нейтралью и напряжением 3 — 35 кВ

Рисунок Б.7 — Схема включения однофазных заземляемых трехобмоточных трансформаторов с двумя основными вторичными обмотками в трехфазных электрических сетях с заземленной нейтралью и напряжением 110 кВ и выше

Рисунок Б.8 — Схема включения однофазных заземляемых трехобмоточных трансформаторов в трехфазных электрических сетях с изолированной нейтралью и напряжением 3 — 35 кВ

Рисунок Б.9 — Схема включения однофазных заземляемых трехобмоточных трансформаторов в трехфазных электрических сетях с заземленной нейтралью и напряжением 110 кВ и выше

Рисунок Б. 10 — Схема включения однофазных емкостных трансформаторов напряжения в трехфазных электрических сетях с заземленной нейтралью и напряжением 110 кВ и выше
Допускается заземлять непосредственно один из линейных концов вторичных обмоток вместо заземления нейтрали вторичных основных обмоток трансформаторов, соединенных по схемам, изображенным на рисунках Б.2, Б.4, Б.6 — Б.10. На схемах, изображенных на рисунках Б.8 — Б.10, допускается любое чередование фаз вторичных дополнительных обмоток, соединенных по схеме разомкнутый треугольник.
Схема включения трехобмоточных трансформаторов класса напряжения 110 кВ, предназначенных для работы в сетях с изолированной нейтралью, должна соответствовать изображенной на рисунке Б.8.
ГОСТ 6570-96
Группа П32
МЕЖГОСУДАРСТВЕННЫЙ СТАНДАРТ
СЧЕТЧИКИ ЭЛЕКТРИЧЕСКИЕ АКТИВНОЙ
И РЕАКТИВНОЙ ЭНЕРГИИ ИНДУКЦИОННЫЕ
Общие технические условия
Electrical induction active and reactive energy meters.
General specifications
ОКС 17.220
ОКП 42 2820, 42 2830, 42 2840
Дата введения 1997-07-01
Предисловие
1 РАЗРАБОТАН Акционерным Обществом "Ленинградский электромеханический завод" (АО "ЛЭМЗ")
2 ВНЕСЕН Госстандартом России
ПРИНЯТ Межгосударственным Советом по стандартизации, метрологии и сертификации (протокол N 10 от 4 октября 1996 г.)
За принятие проголосовали:
| Наименование государства |
Наименование национального органа стандартизации |
| Азербайджанская Республика |
Азгосстандарт |
| Республика Армения |
Армгосстандарт |
| Республика Белоруссия |
Белстандарт |
| Республика Казахстан |
Госстандарт Республики Казахстан |
| Киргизская Республика |
Киргизстандарт |
| Республика Молдова |
Молдовастандарт |
| Российская Федерация |
Госстандарт России |
| Республика Таджикистан |
Таджикский государственный центр по стандартизации, метрологии и сертификации |
| Туркменистан |
Туркменглавгосинспекция |
| Республика Узбекистан |
Узгосстандарт |
| Украина |
Госстандарт Украины |
Настоящий стандарт соответствует МЭК 145-63 "Счетчики вар-часов (реактивной энергии)" и МЭК 521-88 "Счетчики активной энергии переменного тока классов 0,5; 1 и 2"
3 Постановлением Государственного Комитета Российской Федерации по стандартизации, метрологии и сертификации от 31 марта 1997 г. N 118 межгосударственный стандарт ГОСТ 6570-96 введен в действие непосредственно в качестве государственного стандарта Российской Федерации с 1 июля 1997 г.
4 ВЗАМЕН ГОСТ 6570-75
1 ОБЛАСТЬ ПРИМЕНЕНИЯ
1.1 Настоящий стандарт распространяется на стационарные однофазные и трехфазные счетчики электрической энергии индукционные (далее - счетчики) однотарифные и многотарифные (за исключением устройства переключения тарифов, требования к которым устанавливаются в технических условиях), применяемые для учета активной и реактивной энергии переменного тока частотой от 45 до 65 Гц в условиях умеренного и тропического климата в закрытых помещениях при отсутствии в воздухе этих помещений агрессивных паров и газов.
Допускается для счетчиков реактивной энергии класса точности 3,0 диапазон частот переменного тока 40-60 Гц.
Стандарт применяется для счетчика в комплекте с вспомогательным оборудованием, включая трансформаторы тока, если они заключены в корпус прибора.
Стандарт не распространяется на образцовые счетчики, счетчики с предварительной оплатой, счетчики с указателем максимума нагрузки, счетчики с датчиком импульсов.
1.2 Требования 5.1; 5.3-5.5; 6.2-6.17; 6.21-6.39; 6.48; 6.49; 9.2 е); раздела 7 являются обязательными при определении качества счетчиков.
Требования к качеству счетчиков, обеспечивающие безопасность для жизни, здоровья и имущества населения, охраны окружающей среды, изложены в 5.3-5.5; 6.2; 6.3; 6.11; 6.21-6.25; 6.27; 6.30; 6.32; 6.34; 6.49.1; 6.49.9; разделе 7.
2. НОРМАТИВНЫЕ ССЫЛКИ
В настоящем стандарте использованы ссылки на следующие стандарты:
ГОСТ 2.601-95 ЕСКД. Эксплуатационные документы
ГОСТ 8.259-77 ГСИ. Счетчики электрические активной и реактивной энергии индукционные. Методы и средства поверки
ГОСТ 8.401-80 ГСИ. Классы точности средств измерений.Общие требования
ГОСТ 8.417-81 ГСИ. Единицы физических величин
ГОСТ 9.048-89 ЕСЗКС. Изделия технические. Методы лабораторных испытаний на стойкость к воздействию плесневых грибов
ГОСТ 12.1.026-80 ССБТ. Шум. Определение шумовых характеристик источников шума в свободном звуковом поле над звукоотражающей плоскостью. Технический метод
ГОСТ 20.57.406-81 Комплексная система контроля качества. Изделия электронной техники, квантовой электроники и электротехнические. Методы испытаний
ГОСТ 26.008-85 Шрифты для надписей, наносимых методом гравирования. Исполнительные размеры
ГОСТ 26.020-80 Шрифты для средств измерений и автоматизации. Начертания и основные размеры
ГОСТ 27.410-87 Надежность в технике. Методы контроля показателей надежности и планы контрольных испытаний на надежность
ГОСТ 2930-62 Приборы измерительные. Шрифты и знаки
ГОСТ 9181-74 Приборы электроизмерительные. Упаковка, маркировка, транспортирование и хранение
ГОСТ 14192-77 Маркировка грузов
ГОСТ 15150-69 Машины, приборы и другие технические изделия. Исполнения для различных климатических районов. Категории, условия эксплуатации, хранения и транспортирования в части воздействия климатических факторов внешней среды
ГОСТ 15151-69 Машины, приборы и другие технические изделия для районов с тропическим климатом. Общие технические условия
ГОСТ 22261-94 Средства измерений электрических и магнитных величин. Общие технические условия
ГОСТ 25372-95 Счетчики электрической энергии. Условные обозначения
ГОСТ 26828-86 Изделия машиностроения и приборостроения. Маркировка
ГОСТ 27483-87 Испытания на пожароопасность. Методы испытаний. Испытания нагретой проволокой
ГОСТ 27570.0-87 Безопасность бытовых и аналогичных электрических приборов. Общие требования и методы испытаний
3. ЕДИНИЦЫ ИЗМЕРЕНИЯ
Единицы измерения, используемые в настоящем стандарте, соответствуют принятым Международной электротехнической комиссией (ГОСТ 8.417)*.
__________________
* Для потребностей экономики страны.
4. ОПРЕДЕЛЕНИЯ
4.1 Счетчик ватт-часов (счетчик активной энергии) - прибор, предназначенный для измерения активной энергии путем интегрирования активной мощности в зависимости от времени.
4.2 Счетчик вар-часов (счетчик реактивной энергии) - интегрирующий прибор, который измеряет реактивную энергию* в вар-часах или кратных им единицах.
_________________
* Термина "реактивная энергия" нет в МЭС и отсутствуют общие определения реактивной мощности и энергиии для случаев, когда переменные величины несинусоидальные.
По этим причинам настоящий стандарт основывается на следующих применяемых на практике определениях, которые строго подходят только для синусоидальных напряжений, но которые для практических целей являются действительными, когда напряжения и токи близки к синусоидальным.
Реактивная энергия в однофазной цепи - величина, измеряемая идеальным счетчиком ватт-часов, по цепи тока которого проходит ток однофазной цепи, а приложенное напряжение равно по абсолютной величине напряжению на концах однофазной цепи, но со сдвигом на 90 °.
Реактивная энергия в многофазной цепи - алгебраическая сумма реактивных энергий фаз.
Так как применяемые определения реактивной энергии предполагают синусоидальные величины, то индуктивный или емкостной сдвиг в цепи в настоящем стандарте характеризуется коэффициентом "sinj".
4.3 Индукционный счетчик - счетчик, в котором токи, циркулирующие в неподвижных катушках, воздействуют на токи, индуцируемые в подвижном элементе, обычно диске(ах), что и приводит его (их) в движение.
4.4 Многотарифный счетчик - счетчик, снабженный несколькими счетными механизмами, приводимыми в движение в течение строго определенных интервалов времени, которым соответствуют различные тарифы.
4.5 Стационарный счетчик - счетчик, предназначенный для эксплуатации в стационарных условиях на осветительных щитках и подстанциях без механических воздействий вибрации и тряски.
4.6 Трансформаторный счетчик - счетчик, предназначенный для включения через измерительный или измерительные трансформаторы.
4.7 Подвижная часть (ротор) - подвижный элемент счетчика, на который воздействуют магнитные потоки неподвижных катушек и тормозных элементов и который приводит в действие счетный механизм.
4.8 Вращающий элемент - часть счетчика, которая создает вращающий момент, воздействуя своими магнитными потоками на токи, индуцируемые в подвижной части. Вращающий элемент обычно состоит из электромагнитов с устройствами их регулирования.
4.9 Тормозной элемент - часть счетчика, которая создает тормозной момент, воздействуя своим магнитным потоком на токи, индуцируемые во вращающейся подвижной части. Она состоит из одного или нескольких магнитов с устройствами для их регулирования.
4.10 Счетный механизм - элемент счетчика, позволяющий определить значение измеренной величины.
4.11 Емкость учета счетного механизма - время, в течение которого счетный механизм (исходя из нулевого положения) способен считать измеренную энергию при максимальном токе, номинальном напряжении и коэффициенте мощности, равном единице, без повторного прохождения через нулевое положение.
4.12 Цоколь - задняя часть счетчика, служащая для его крепления, на которой установлены стойка, зажимы или зажимная коробка (плата) и кожух.
Для счетчиков, устанавливаемых впотай (утопленно), цоколь может включать также боковые стороны кожуха.
4.13 Контактная плита - основание, имеющее неподвижные пружинящие контакты (гнезда) для фиксации соединительных штырей съемных счетчиков и зажимы для подключения внешних цепей. Оно может быть предусмотрено для установки как одного, так и нескольких счетчиков.
4.14 Кожух - передняя часть корпуса счетчика, изготовленная либо целиком из прозрачного материала, либо из непрозрачного материала с одним или несколькими прозрачными окнами, позволяющими наблюдать за движением подвижной части и считывать показания счетного механизма.
4.15 Корпус - цоколь и кожух в комплекте.
4.16 Стойка - часть счетчика, на которой установлены вращающие элементы, счетный механизм, подшипники подвижной части, обычно и тормозной элемент, а иногда и регулирующее устройство, и электромагниты для переключения тарифов.
4.17 Доступная для прикосновения проводящая часть - токопроводящая часть, к которой можно прикасаться стандартным испытательным пальцем (контактом), на установленном и подготовленном к эксплуатации счетчике.
4.18 Зажим защитного заземления - зажим, соединенный с доступными токопроводящими частями счетчика в целях безопасности.
4.19 Зажимная коробка (плата) - деталь из изоляционного материала, на которой сгруппированы все или часть зажимов счетчика.
4.20 Крышка зажимной коробки (платы) - крышка, закрывающая зажимы счетчика и, обычно, концы внешних проводов или кабелей, присоединенных к этим зажимам.
4.21 Цепь тока - обмотка вращающего элемента и внутренние соединения счетчика, предназначенные для прохождения тока цепи, к которой присоединен счетчик.
Примечание - Если счетчик снабжен встроенным трансформатором тока, цепь тока включает в себя также обмотки этого трансформатора.
4.22 Цепь напряжения - обмотка вращающего элемента и внутренние соединения счетчика, питаемые напряжением цепи, к которой присоединен счетчик.
4.23 Вспомогательная цепь - элементы (обмотки, лампы, контакты и т. п.) и соединения вспомогательного устройства счетчика, предназначенные для присоединения внешнего устройства, часов, реле, счетчика импульсов.
4.24 Номинальный ток* - значение тока, являющееся исходным при установлении требований настоящего стандарта к счетчику.
____________________
* Здесь и далее термины "напряжение" и "ток" относятся к средним квадратическим значениям, если не оговорено иначе.
4.25 Порог чувствительности - наименьшее нормируемое значение тока, при котором начинается непрерывное вращение диска счетчика при номинальных значениях напряжения и частоты и сosj = 1 (sinj = 1).![]()
4.26 Самоход - движение диска счетчика под действием напряжения, поданного на зажимы цепи напряжения, и при отсутствии тока в токовой цепи.
4.27 Максимальный ток* - наибольшее значение тока, при котором счетчик удовлетворяет требованиям настоящего стандарта в отношении точности.
4.28 Номинальное напряжение* - значение напряжения, являющееся исходным при установлении требований настоящего стандарта, если счетчик изготовлен только для одного напряжения.
Для счетчиков реактивной энергии класса точности 3,0:
если счетчик изготовлен на диапазон напряжений, отношение между наибольшим и наименьшим значениями которых не превышает 1,3**, то номинальным напряжением должно считаться среднее арифметическое экстремальных значений диапазона;
если счетчик изготовлен на два напряжения, отношение между наибольшим и наименьшим значениями которых превышает 1,3, то оба значения напряжения должны считаться номинальными.
4.29 Номинальная частота тока - частота, являющаяся исходной при установлении требований настоящего стандарта к счетчику.
4.30 Номинальная скорость - число оборотов подвижной части в минуту при нормальных условиях работы счетчика, при номинальном напряжении, номинальном токе и коэффициенте мощности, равном единице.
4.31 Номинальный вращающий момент - номинальное значение вращающего момента, приложенного к подвижной части в состоянии покоя, при нормальных условиях работы счетчика, номинальном токе и коэффициенте мощности, равном единице, в ньютонах на метр (Н·м).
4.32 Постоянная счетчика - величина, выражающая соотношение между учтенной счетчиком энергией и соответствующим числом оборотов подвижной части:
в ватт-часах на оборот (Вт·ч/об) - для счетчиков активной энергии;
в вар-часах на оборот (вар·ч/об) - для счетчиков реактивной энергии.
4.33 Передаточное число - величина, обратная постоянной счетчика, выражающая соотношение между числом оборотов подвижной части и энергией, учитываемой счетчиком:
в оборотах на киловатт-час [об/(кВт·ч)] - для счетчиков активной энергии;
в оборотах на киловар-час [об/(квар·ч)] - для счетчиков реактивной энергии.
4.34 Нормальная температура - значение температуры окружающей среды, установленное (нормируемое) для нормальных условий.
4.35 Воздушный зазор - кратчайшее расстояние между токопроводящими частями по воздуху.
4.36 Длина пути утечки - кратчайшее расстояние между токопроводящими частями по поверхности изоляции.
4.37 Изоляция
4.37.1 Основная изоляция - изоляция, применяемая к находящимся под напряжением частям, для обеспечения основной защиты от поражения электрическим током.
Примечание - Основная изоляция не обязательно включает изоляцию, используемую исключительно для функциональных целей.
4.37.2 Дополнительная изоляция - независимая изоляция, применяемая в дополнение к основной изоляции для того, чтобы обеспечить защиту от поражения электрическим током в случае нарушения основной изоляции.
4.37.3 Двойная изоляция - изоляция, содержащая как основную, так и дополнительную изоляции.
4.37.4 Усиленная изоляция - одна изоляционная система, примененная к находящимся под напряжением частям, которая обеспечивает степень защиты от поражения электрическим током, эквивалентную двойной изоляции.
Примечание - Термин "изоляционная система" не означает, что изоляция должна быть одной однородной частью. Она может содержать несколько слоев, которые не могут быть испытаны отдельно в качестве дополнительной или основной изоляции.
4.37.5 Счетчик с изолирующим корпусом класса защиты II - счетчик с изолирующим корпусом, в котором защита от поражений электрическим током обеспечивается не только основной изоляцией, но и дополнительными мерами безопасности, такими как наличие двойной или же усиленной изоляции. К этим мерам не относится заземление, и они не зависят от условий установки.
4.38 Тип счетчика - термин, используемый для определения совокупности конкретной конструкции счетчика, имеющей:
а) сходные метрологические характеристики;
б) конструктивное подобие элементов, определяющих эти характеристики.
Тип может иметь несколько значений номинального тока и номинального напряжения.
Счетчики обозначаются изготовителем одной или большим числом групп букв или цифр, или комбинацией букв и цифр. Каждый тип имеет только одно обозначение.
Примечание - Данный тип представляют один или несколько образцов счетчиков, предназначенных для проведения испытаний для целей утверждения типа, характеристики которых (номинальные токи и номинальные напряжения) соответствуют значениям, указанным изготовителем.
4.39 Систематическая составляющая относительной погрешности, выраженная в процентах, вычисляется по следующей формуле

Примечание - Так как истинное значение не может быть определено, оно аппроксимируется значением с установленной точностью, которая может быть определена по нормам, согласованным между изготовителем и потребителем, или по национальным стандартам.
4.40 Влияющая величина - любая величина или любой фактор, обычно воздействующие на счетчик извне, способные оказать влияние на его рабочие характеристики.
4.41 Нормальные условия - соответствующий набор влияющих величин и технических характеристик с нормальными значениями, их допусками и нормальными областями, по отношению к которым устанавливается систематическая составляющая относительной погрешности.
4.42 Изменение систематической составляющей относительной погрешности, вызываемое влияющей величиной, - разность между выраженными в процентах значениями погрешности счетчика, когда только одна влияющая величина принимает последовательно два установленных значения, одно из которых является нормальным значением.
4.43 Коэффициент искажения - отношение среднего квадратического значения содержащихся гармоник (получаемого путем вычитания из несинусоидальной переменной величины ее основной составляющей) к среднему квадратическому значению несинусоидальной величины. Коэффициент искажения обычно выражается в процентах.
4.44 Средний температурный коэффициент - отношение изменения погрешности к вызывающему его изменению температуры (в процентах на 1 °С).
4.45 Вертикальное рабочее положение - положение счетчика, при котором ось подвижной части расположена по вертикали.
4.46 Обозначение класса точности - число, равное пределу допускаемой систематической составляющей относительной погрешности, выраженной в процентах, для всех значений тока в диапазоне от 0,1 номинального для счетчиков активной энергии или 0,2 номинального для счетчиков реактивной энергии и счетчиков класса точности 2,5 до максимального тока при коэффициенте мощности, равном единице (в случае многофазных счетчиков - при симметричных нагрузках), при испытании счетчика в нормальных условиях (включая допускаемые отклонения от номинальных значений), установленных в настоящем стандарте.
4.47 Обозначение степени фазового сдвига отдельного вращающего элемента* счетчика реактивной энергии класса точности 3,0 - число, равное номинальному сдвигу фаз между индуцированными током и напряжением потоками в рабочем воздушном зазоре, когда напряжение и ток, приложенные к этому вращающему элементу, находятся в фазе.
____________
* Вращающий элемент здесь включает необходимые вспомогательные резисторы, индуктивности и шунты.
4.48 Первичный счетный механизм - счетный механизм счетчика, подключаемого через измерительные трансформаторы (тока и (или) напряжения), который учитывает коэффициент(ы) трансформации этого (их) измерительного(ых) трансформатора(ов).
Примечание - Значение энергии получают прямым считыванием показаний счетного механизма.
4.49 Вторичный счетный механизм - счетный механизм счетчика, подключаемого через измерительные трансформаторы, который не учитывает коэффициент(ы) трансформации.
Примечание - Значение энергии получают умножением показания счетного механизма на соответствующий коэффициент.
4.50 Смешанный счетный механизм - счетный механизм счетчика, подключаемого через измерительные трансформаторы, который учитывает коэффициент(ы) трансформации измерительного (ых) трансформатора(ов) тока или напряжения, но не учитывает коэффициенты трансформации обоих одновременно.
Примечание - Значение энергии получают умножением показателей счетного механизма на соответствующий коэффициент.
4.51 Типовой представитель - представитель группы счетчиков, планируемых к выпуску или выпускаемых по одному нормативному документу и (или) образующих типоразмерный (параметрический) ряд, по результатам испытаний которого принято оценивать все счетчики, входящие в данную группу.
4.52 Базовая модель - конкретное исполнение счетчика, принятое в качестве представителя для испытаний на надежность и распространения их результатов на один или несколько типов счетчиков, которые изготовляют по единой технологии и которые имеют единое конструктивное решение.
5 ОСНОВНЫЕ ПАРАМЕТРЫ И РАЗМЕРЫ
5.1 Счетчики активной энергии должны изготовляться классов точности 0,5; 1,0; 2,0 и 2,5*; счетчики реактивной энергии - классов точности 1,5; 2,0 и 3,0. Трансформаторные счетчики активной и реактивной энергии должны быть класса точности 2,0 и более точные.
__________________
* С 01.07.97 выпуск счетчиков класса 2,5 прекращается. Далее по тексту требования относятся к счетчикам, находящимся в эксплуатации до выработки ресурса.
5.2 В зависимости от условий эксплуатации и места размещения счетчики должны изготовляться следующих исполнений и категорий размещения по ГОСТ 15150:
а) классов точности 2,0; 2,5 и 3,0;
исполнения УХЛ, категории 4, но для работы при температурах от 0 до 40 °С и относительной влажности воздуха не более 80 % при температуре 25 °С, а для однофазных счетчиков класса точности 2,0 - при температурах от минус 20 до плюс 55 °С;
исполнения Т, категории 3, а для однофазных счетчиков класса точности 2,0 - при температурах от минус 20 до плюс 55 °С;
б) классов точности 0,5; 1,0 и 1,5;
исполнения УХЛ, категории 4.2;
исполнения Т, категории 4.1, но для работы при температуре от 10 до 35 °С и относительной влажности воздуха не более 98 % при температуре 35 °С.
5.3 Стандартные значения номинального тока
должны соответствовать указанным в таблице 1.
Таблица 1 - Стандартные значения номинального тока
| Включение счетчика |
Стандартные значения номинального тока, А |
| Непосредственное |
5; 10; 15; 20, 25; 30; 40; 50; 80; 100 |
| Через трансформатор(ы) тока |
0,2; 0,3; 0,6; 1,0; 1,5; 2,0; 2,5; 5,0; 10,0 |
Счетчик должен быть изготовлен на одно из значений номинального тока, указанного в таблице 1.
5.4 Значения номинального напряжения
должны соответствовать указанным в таблице 2.
Таблица 2- Значения номинального напряжения
| Значение номинального напряжения, В, для счетчиков |
||||
| Включение счетчика |
активной энергии |
реактивной энергии |
||
| стандартные |
нестандартные |
стандартные |
нестандартные |
|
| Непосредственное |
127; 220; 230; 240; 380; 400; 415; 480 |
100; 110; 120; 200; 277; 290; 420; 500; 600; 660 |
127; 220; 230; 240; 380; 400; 415; 480 |
100; 110; 120; 200; 277; 290; 420; 500; 600 |
| Через трансформатор(ы) напряжения |
57,7; 63,5; 100; 110; 115; 120; 173; 190; 200 |
- |
57,7; 63,5; 100; 110; 115; 120; 190; 200 |
- |
Счетчик должен быть изготовлен на одно из номинальных напряжений, указанных в таблице 2.
Счетчик реактивной энергии класса точности 3,0 может быть изготовлен также на диапазон напряжений или на два напряжения.
5.5 Счетчики должны изготовляться на максимальные токи:
при непосредственном включении: 200; 250; 300; 400; 500; 600; 700; 800; 900; 1000 % номинального тока;
при включении через трансформатор(ы) тока: 120; 125; 150; 200; 300% номинального тока.
5.6 Габаритные и установочные размеры и масса счетчиков должны устанавливаться в стандартах и технических условиях на счетчики конкретных типов. При этом установочные размеры однофазных счетчиков должны быть:
от 90 до 110 мм - по горизонтали;
от 120 до 150 мм - по вертикали.
5.7 Счетчики должны обозначаться изготовителем одной или большим числом групп букв и цифр или комбинацией букв и цифр в соответствии с требованиями, установленными в технических условиях на счетчики конкретного типа.
Примеры обозначений счетчиков и расшифровка использованных в них значений букв и цифр приведены в приложении А.
6. ОБЩИЕ ТЕХНИЧЕСКИЕ ТРЕБОВАНИЯ
6.1 Счетчики должны изготовляться в соответствии с требованиями настоящего стандарта по рабочим чертежам, утвержденным в установленном порядке. К счетчикам, предназначенным на экспорт, могут предъявляться требования, отличные от установленных в настоящем стандарте, в соответствии с условиями договора.
6.2 Активная и полная мощность, потребляемая каждой цепью напряжения счетчика при нормальной температуре и номинальных напряжении и частоте, не должна превышать значений, указанных в таблице 3.
Таблица 3 - Активная и полная мощность, потребляемая каждой цепью напряжения
| Вид счетчика |
Активная и полная мощность, потребляемая каждой цепью напряжения, P U , не более, для счетчиков классов точности |
|||||||||||||
| 0,5 |
1,0 |
1,5 |
2,0 |
2,5 |
3,0 |
|||||||||
| Вт |
В·А |
Вт |
В·А |
Вт |
В·А |
Вт |
В·А |
Вт |
В·А |
Вт |
В·А |
|||
| Однофазный |
активной энергии |
3,0 |
12,0 |
3,0 |
12,0 |
- |
- |
1,3; 2,0* |
4,5; 8,0* |
2,0 |
5,5 |
- |
- |
|
| реактивной энергии |
- |
- |
- |
- |
- |
- |
- |
- |
- |
- |
5,0* |
10,0* |
||
| Трехфазный |
активной энергии |
2,7;3,0* |
8,0; 12,0* |
2,7; 3,0* |
8,0; 12,0* |
- |
- |
1,5;2,0* |
6,0; 5,5**; 10,0* |
- |
- |
- |
- |
|
| реактивной энергии |
- |
- |
- |
- |
2,7 |
8,0 |
1,52,0* |
5,5; 5,0**; 10,0* |
- |
- |
2,0; 5,0* |
5,5; 5,0**; 10,0* |
||
| ____________ * По согласованию с заказчиком. ** Для счетчиков с Uном = 380 B. |
||||||||||||||
6.3 Потребляемая мощность в каждой цепи тока при нормальной температуре и номинальных токе и частоте не должна превышать значений, приведенных в таблице 4 для счетчиков непосредственного включения с максимальным током менее 30 А.
Таблица 4 - Потребляемая мощность в каждой цепи тока
| Вид счетчика |
Потребляемая полная мощность в каждой цепи тока, В·А, не более, для счетчиков классов точности |
||||||
| 0,5 |
1,0 |
1,5 |
2,0 |
2,5 |
3,0 |
||
| Однофазный |
активной энергии |
6,0 |
4,0 |
- |
0,3;2,5* |
0,7; 2,5* |
- |
| реактивной энергии |
- |
- |
- |
- |
- |
5,0* |
|
| Трехфазный |
активной энергии |
4,5; 6,0* |
2,5; 4,0* |
- |
0,6; 1,0**; 2,5* |
- |
- |
| реактивной энергии |
- |
- |
2,3; 2,5* |
1,0; 2,5* |
- |
1,0; 5,0* |
|
| ___________ * По согласованию с заказчиком. ** Для двухэлементных счетчиков, разработанных до 01.01.90 |
|||||||
Потребляемая полная мощность в каждой цепи тока счетчиков трансформаторного включения не должна превышать значений, указанных в таблице 4, при токе, равном номинальному вторичному току соответствующего трансформатора при нормальной температуре и номинальной частоте счетчика.
Потребляемая полная мощность в каждой цепи тока для счетчиков непосредственного включения с максимальным током 30 А и более должна быть установлена в технических условиях на счетчики конкретного типа.
6.4 Систематическая составляющая относительной погрешности трехфазных счетчиков, нагруженных одинаково в каждой фазе (в дальнейшем - равномерная нагрузка) и при симметричном трехфазном напряжении, приложенном к цепям напряжения (с отклонением не более 2 %), а также однофазных счетчиков не должна превышать пределов Dсд допускаемых значений для соответствующего класса точности, указанных в таблицах 5 и 6 для счетчиков активной энергии и счетчиков реактивной энергии соответственно.
Таблица 5 - Пределы Dсд для счетчиков активной энергии
| Значение тока |
Коэффициент мощности |
Пределы Dсд , %, не более, для счетчиков активной энергии классов точности |
|||
| cosj |
0,5 |
1,0 |
2,0 |
2,5 |
|
| 5 % номинального |
1,0 |
±1,0 |
±1,5 |
±2,5 |
- |
| От 10 до 20 % номинального |
1,0 |
- |
- |
- |
±3,5 |
| От 10 % номинального до максимального включ. |
1,0 |
±0,5 |
±1,0 |
±2,0 |
- |
| От 20 % номинального |
1,0 |
- |
- |
- |
±2,5 |
| до максимального включ. |
|||||
| 10 % номинального |
0,5 инд. |
±1,3 |
±1,5 |
±2,5 |
- |
| 10 % номинального |
0,8 емк. 0,5 емк.* |
±1,3 |
±1,5 |
- |
- |
| От 20 % номинального до максимального включ. |
0,5 инд. |
±0,8 |
±1,0 |
±2,0 |
±4,0 |
| От 20 % номинального до максимального включ. |
0,8 емк. |
±0,8 |
±1,0 |
- |
- |
| От 20 до 100 % номинального* |
0,25 инд. |
±2,5 |
±3,5 |
- |
- |
| 0,5 емк. |
±1,5 |
±2,5 |
- |
- |
|
| _______________ * По требованию заказчика |
|||||
| Примечание - Для счетчиков класса точности 1,0, разработанных до 01.01.85, погрешность при cosj = 0,8 не нормируется, погрешность при токе нагрузки 5% номинального и cosj = 1, а также при токе нагрузки 10 % номинального и cosj = 0,5 не должна превышать 2% |
|||||
Таблица 6 - Пределы Dсд для счетчиков реактивной энергии
| Значение тока |
Коэффициент мощности |
Пределы Dсд , %, не более, для счетчиков реактивной энергии классов точности |
||
| sinj |
1,5 |
2,0 |
3,0 |
|
| 10 % номинального |
1,0 |
±2,5 |
±3,0 |
±4,0 |
| От 20 % номинального до максимального включ. |
1,0 |
±1,5 |
±2,0 |
±3,0 |
| От 20 % номинального до максимального включ. |
0,5 инд. (или емк.) |
±1,5 |
±2,0 |
±3,0 |
6.5 Систематическая составляющая относительной погрешности Dс 1 трехфазных счетчиков при наличии тока в одной (любой) из токовых цепей, при отсутствии тока в других токовых цепях (в дальнейшем - неравномерная нагрузка) и при симметричных напряжениях, приложенных к цепям напряжения, не должна превышать пределов Dсд 1 допускаемых значений для соответствующего класса точности, указанных в таблице 7.
Таблица 7 - Пределы Dсд 1 трехфазных счетчиков
| Значение тока |
Коэффициент мощности |
Пределы Dсд 1 ,%, не более, для счетчиков классов точности |
||||
| cosj (sinj) |
0,5 |
1,0 |
1,5 |
2,0 |
3,0 |
|
| Счетчики активной энергии: |
||||||
| от 20 до 100 % номинального |
1,0 |
±1,5 |
±2,0 |
- |
±3,0 |
- |
| 50 % номинального |
0,5 инд. |
±1,5 |
±2,0 |
- |
- |
- |
| 100 % номинального |
0,5 инд. |
±1,5 |
±2,0 |
- |
±3,0 |
- |
| от 100 % номинального до максимального включ. |
1,0 |
- |
- |
- |
±4,0 |
- |
| Счетчики реактивной энергии: |
||||||
| от 20 до 100% номинального |
1,0 |
- |
- |
±3,0 |
±3,5 |
±4,0 |
| 100 % номинального |
0,5 инд. (или емк.) |
- |
- |
±3,0 |
±3,5 |
±4,0 |
| Примечание - Для трехфазных счетчиков класса точности 1,0, разработанных до 01.07.97, систематическую составляющую относительной погрешности при значении тока, равном 50% номинального, не нормируют. |
||||||
6.6 Для трехфазных счетчиков активной энергии разность между значениями систематической составляющей относительной погрешности Dср , определенными при неравномерной нагрузке токовых цепей и при равномерной их нагрузке номинальным током при cosj = 1, при номинальном напряжении не должна превышать, по согласованию с заказчиком, следующих значений:
±1% - для счетчиков класса точности 0,5;
±1,5% - для счетчиков класса точности 1,0;
±2,5% - для счетчиков класса точности 2,0.
6.7 Функции влияния
6.7.1 Коэффициент K U изменения систематической составляющей относительной погрешности на один процент изменения напряжения не должен превышать значений, указанных в таблице 8.
Таблица 8 - Коэффициент K U
| Значение тока |
Коэффициент мощности cosj(sinj) |
Допускаемый коэффициент K U , %, на один процент изменения напряжения, не более, для счетчиков классов точности |
|||||
| 0,5 |
1,0 |
1,5 |
2,0 |
2,5 |
3,0 |
||
| 10% номинального |
1,0 |
±0,08 |
±0,10 |
±0,125 |
±0,15 |
±0,20 |
±0,20 |
| 50 % максимального |
1,0 |
±0,05 |
±0,07 |
- |
±0,10 |
±0,15 |
- |
| 50 % максимального |
0,5 инд. |
±0,07 |
±0,10 |
- |
±0,15 |
- |
- |
| От 100 % номинального до максимального включ. |
1,0 |
- |
- |
±0,10 |
- |
- |
±0,15 |
Допускаемое изменение напряжения не должно превышать ±10% номинального.
Примечания:
1 Счетчик реактивной энергии класса 3,0, изготовленный на диапазоны напряжений, отношение между наибольшим и наименьшим значениями которых не превышает 1,3, должен удовлетворять указанным выше требованиям для каждого из экстремальных напряжений и для их среднего арифметического.
2 Счетчик реактивной энергии класса точности 3,0, изготовленный на два напряжения, отношение между наибольшим и наименьшим значениями которых превышает 1,3, должен удовлетворять указанным выше требованиям для каждого из этих двух напряжений.
6.7.2 Коэффициент К f изменения систематической составляющей относительной погрешности на один процент изменения частоты не должен превышать значений, указанных в таблице 9.
Таблица 9 - Коэффициент K f
| Значение тока |
Коэффициент мощности cosj(sinj) |
Допускаемый коэффициент Kf ,%, на один процент изменения частоты, не более, для счетчиков классов точности |
|||||
| 0,5 |
1,0 |
1,5 |
2,0 |
2,5 |
3,0 |
||
| 10% номинального |
1,0 |
±0,14 |
±0,20 |
±0,30 |
±0,30 |
±0,30 |
±0,50 |
| 50% максимального |
1,0 |
±0,12 |
±0,16 |
- |
±0,26 |
±0,30 |
- |
| 50% максимального |
0,5 инд. |
±0,16 |
±0,20 |
- |
±0,30 |
±0,30 |
- |
| 100% номинального |
1,0 и 0,5 инд. (или емк.)* |
- |
- |
±0,30 |
- |
- |
±0,50 |
| ____________ * Для счетчиков реактивной энергии класса точности 3,0 |
|||||||
Допускаемое изменение частоты не должно превышать ±5% номинальной.
6.7.3 Коэффициент K t изменения систематической составляющей относительной погрешности на один градус изменения температуры при отклонении температуры окружающего воздуха от среднего значения до любой температуры в пределах рабочих температур не должен превышать значений, указанных в таблице 10.
Таблица 10 - Коэффициент K t
| Значение тока |
Коэффициент мощности |
Допускаемый коэффициент K t ,%, на 1 °С, не более, для счетчиков классов точности |
|||||
| cosj(sinj) |
0,5 |
1,0 |
1,5 |
2,0 |
2,5 |
3,0 |
|
| От 10% номинального до максимального включ. |
1,0 |
±0,03 |
±0,05 |
±0,07 |
±0,10; ±0,075* |
±0,10 |
±0,10 |
| От 20% номинального до максимального включ. |
0,5 инд. |
±0,05 |
±0,07 |
±0,10 |
±0,05 ±0,10* |
±0,15 |
±0,15 |
| _______________ * По требованию заказчика. |
|||||||
| Примечание - Для трехфазных счетчиков класса точности 2,0 и 3,0 изготавливаемых с нижним пределом диапазона рабочих температур минус 20 °С, значения допускаемого коэффициента K t должны быть установлены в технических условиях на счетчики конкретного типа. |
|||||||
6.7.4 Коэффициент К s изменения систематической составляющей относительной погрешности на один градус наклона не должен превышать значений, указанных в таблице 11.
Таблица 11 - Коэффициент Ks
| Допускаемый коэффициент Ks , % на один градус наклона, не более, для счетчиков |
||||||||
| Значение тока |
Коэффициент мощности |
активной энергии классов точности |
реактивной энергии классов точности |
|||||
| cosj(sinj) |
0,5 |
1,0 |
2,0 |
2,5 |
1,5 |
2,0 |
3,0 |
|
| 5 % номинального |
1,0 |
±0,5 |
±0,67 |
±1,00 |
- |
- |
- |
- |
| 10 % номинального |
1,0 |
- |
- |
- |
±0,67 |
±0,67 |
±1,00 |
±0,67 |
| 100 % номинального |
1,0 |
±0,1 |
±0,13 |
±0,17 |
±0,33 |
- |
±0,17 |
- |
| Максимальный |
1,0 |
±0,1 |
±0,13 |
±0,17 |
±0,33 |
±0,17 |
±0,17 |
±0,33 |
Допускаемое отклонение счетчиков от вертикального рабочего положения в любом направлении не должно превышать 3 °.
6.8 Изменение систематической составляющей относительной погрешности, вызванное внешним магнитным полем индукции 0,5 мТл, созданным током одинаковой частоты с частотой напряжения счетчика, при наиболее неблагоприятных фазе и направлении, при номинальном токе, номинальном напряжении и cosj = 1 (sinj = 1) не должно превышать:
±3% - для счетчиков классов точности 2,0; 2,5 и 3,0;
±2% - для счетчиков классов точности 1,0 и 1,5;
±1,5% - для счетчиков класса точности 0,5.
6.9 Изменение систематической составляющей относительной погрешности, вызванное магнитным полем вспомогательных устройств многотарифных счетчиков, при токе 5% номинального и cosj = 1 и при токе 10% номинального и sinj = 1 не должно превышать:
±0,3% - для счетчиков класса точности 0,5;
±0,5% - для счетчиков класса точности 1,0;
±1,0% - для счетчиков классов точности 1,5; 2,0; 2,5 и 3,0.
6.10 Изменение систематической составляющей относительной погрешности трехфазных счетчиков активной энергии не должно превышать ±1,5% при токах и напряжениях, имеющих последовательность фаз, обратную той, которая указана на схеме включения, равномерной нагрузке и при значениях тока от 50% номинального до максимального и cosj = 1.
При обратном порядке фаз и нагрузке только одного из вращающих элементов током 50% номинального (однофазной нагрузке) и cosj = 1 изменение систематической составляющей относительной погрешности не должно превышать ±2% для счетчиков классов точности 0,5; 1,0 и 2,0, разработанных после 01.07.97.
6.11 Счетчики непосредственного включения должны выдерживать импульс тока, пиковое значение которого в 50 раз больше максимального тока (но не более 7000 А) и который сохраняет значение, в 25 раз превышающее максимальный ток (но не более 3500 А), в течение 1 мс.
Счетчики, предназначенные для подключения к трансформатору тока, должны выдерживать в течение 0,5 с воздействие 20-кратного максимального тока, а также воздействие 30-кратного номинального тока для счетчиков класса точности 3,0 с номинальными токами менее 10 А.
После завершения этого испытания изменение систематической составляющей относительной погрешности счетчика после кратковременного воздействия сверхтока не должно превышать значений, указанных в таблице 12.
Таблица 12 - Изменение систематической составляющей относительной погрешности счетчика после кратковременного воздействия сверхтока
| Вид счетчика |
Ток, % номинального значения |
Коэффициент мощности cosj(sinj) |
Допускаемое изменение систематической составляющей относительной погрешности, %, не более, для счетчиков классов точности |
|||||
| 0,5 |
1,0 |
1,5 |
2,0 |
2,5 |
3,0 |
|||
| Непосредственного включения |
100 |
1 |
- |
±1,5 |
±1,5 |
±1,5 |
±1,5 |
±1,5 |
| Подключаемый к трансформатору тока |
100 |
1 |
±0,3 |
±0,5 |
±1,5 |
±1,0 |
±1,5 |
±1,5 |
| Примечание - Для счетчиков классов точности 1,0 и 2,0, подключаемых к трансформатору тока и разработанных до 01.01,80, допускается изменение систематической составляющей относительной погрешности ±1,5% |
||||||||
6.12 Изменение систематической составляющей относительной погрешности счетчика от влияния нагрева (самонагрева) не должно превышать значений, указанных в таблице 13.
Таблица 13 - Изменение систематической составляющей относительной погрешности счетчика от влияния нагрева (самонагрева)
| Значение тока |
Коэффициент мощности cosj(sinj) |
Допускаемое изменение систематической составляющей относительной погрешности, %, не более, для счетчиков классов точности |
||
| 0,5 |
1,0 |
1,5; 2,0; 2,5; 3,0 |
||
| Максимальное |
1 |
±0,5 |
±0,7 |
±1,0 |
| 0,5 инд. |
±07 |
±1,0 |
±1,5 |
|
6.13 Изменение систематической составляющей относительной погрешности счетчика от влияния механической нагрузки одно- или многотарифного счетного механизма не должно превышать значений, указанных в таблице 14.
Таблица 14 - Изменение систематической составляющей относительной погрешности счетчика от влияния механической нагрузки
| Допускаемое изменение систематической составляющей относительной погрешности, %, не более, для счетчиков |
||||||
| Ток, % номинального |
Коэффициент мощности |
активной энергии |
реактивной энергии |
|||
| значения |
cosj(sinj) |
классов точности |
||||
| 0,5 |
1,0 |
2,0 |
2,5 |
1,5; 2,0; 3,0 |
||
| 5 |
1 |
±0,8 |
±1,5 |
±2,0 |
- |
- |
| 10 |
1 |
- |
- |
- |
±2,0 |
±2,0 |
6.14 Изменение систематической составляющей относительной погрешности от влияния третьей гармоники в кривой тока*, равного 10% номинального тока, счетчиков активной энергии не должно превышать значений, указанных в таблице 15.
Таблица 15 - Изменение систематической составляющей относительной погрешности от влияния третьей гармоники
| Ток, % номинального значения |
Коэффициент мощности cosj |
Допускаемое изменение систематической составляющей относительной погрешности, %, не более, для счетчиков классов точности |
||
| 0,5 |
1,0 |
2,0; 2,5 |
||
| 100 |
1 |
0,5 |
0,6 |
0,8 |
6.15 Самоход. Диск счетчика не должен совершать более одного полного оборота при отсутствии тока в токовой цепи и при любом напряжении от 80 до 110% номинального.
6.16 Порог чувствительности. Диск счетчика должен начать и продолжать непрерывно вращаться при номинальных напряжении, частоте, cosj = 1 (sinj = 1) и токе, не превышающем значений, указанных в таблице 16.
Таблица 16 - Порог чувствительности
| Счетчик класса точности |
0,5 |
1,0 |
1,5 |
2,0 |
2,5 |
3,0 |
| Порог чувствительности, |
0,3 |
0,4 |
0,5 |
0,5 |
1,0 |
1,0 |
| % номинального тока |
0,4* |
0,5** |
0,45*** |
|||
| _________________ * Для счетчиков, снабженных стопором. |
||||||
| ** Для счетчиков, разработанных до 01.01.80. |
||||||
| *** Для однофазных счетчиков по требованию заказчика. |
||||||
6.17 При нормальных условиях эксплуатации обмотки и изоляция не должны нагреваться до температуры, которая может нарушить работу счетчика. Установившееся превышение температуры над температурой окружающего воздуха не должно превышать следующих значений:
60 °С - для обмоток счетчика (50 °С - для обмоток токовых цепей счетчиков реактивной энергии)*;
25 °С - для наружной поверхности корпуса.
6.18 Счетчики в упаковке для перевозки должны выдерживать без повреждений транспортную тряску с ускорением 30 м/с2 при частоте ударов от 80 до 120 в минуту.
6.19 Счетчики в упаковке для перевозки должны выдерживать длительное пребывание при температуре ±50 °С и относительной влажности 98% при температуре 35 °С; счетчики, предназначенные для эксплуатации в районах с тропическим климатом, должны выдерживать пребывание при температурах от минус 50 до плюс 60 °С.
6.20 Детали и узлы счетчиков, предназначенных для эксплуатации в районах с тропическим климатом, в части стойкости к образованию плесневых грибов должны соответствовать требованиям ГОСТ 9.048.
Допустимый рост грибов - 3 балла, т. е. при осмотре невооруженным глазом рост грибов едва виден, но отчетливо виден под микроскопом.
6.21 Изоляция цепей и изоляция между цепями должна выдерживать десятикратное воздействие импульсного напряжения с пиковым значением 6000 В. Такое же воздействие напряжения должна выдерживать изоляция:
между соединенными между собой цепями и металлическим корпусом счетчика;
между соединенными между собой цепями и металлическими наружными частями корпуса из изоляционного материала.
6.22 Изоляция между цепями тока и напряжения, которые в рабочем состоянии соединены между собой, а также между цепями тока разных фаз должна выдерживать напряжение 600 В или равное удвоенному номинальному, если оно превышает 300 В.
Изоляция между всеми цепями, за исключением вспомогательных цепей с номинальным напряжением 40 В и ниже этого значения (70 В и ниже этого значения -для счетчиков класса точности 3,0), и стойкой или металлическим корпусом должна выдерживать 2000 В - для счетчиков с номинальным напряжением до 600 В включ. и 3000 В - для счетчиков с номинальным напряжением св. 600 В.
Изоляция всех вспомогательных цепей с номинальным напряжением 40 В и ниже этого значения для всех счетчиков, кроме счетчиков класса точности 3,0, должна выдерживать напряжение 500 В;
с номинальным напряжением 70 В и ниже этого значения для счетчиков класса точности 3,0 - 250 В по отношению к стойке.
6.23 Счетчик, разработанный после 01.07.97, должен выдерживать переменное напряжение 2000 В, приложенное между стойкой и:
а) каждой цепью тока, которая в условиях эксплуатации отделена и изолирована от остальных цепей;
б) каждой цепью напряжения (или группой цепей напряжения, имеющих общую точку), которая в условиях эксплуатации отделена и изолирована от остальных цепей;
в) каждой вспомогательной цепью или группой вспомогательных цепей, имеющих общую точку, номинальное напряжение которых выше 40 В;
г) каждой группой обмоток тока и напряжения одного и того же вращающего элемента, которые в условиях эксплуатации соединены вместе, но отделены и изолированы от других цепей.
6.24 Счетчик с изолирующим корпусом класса защиты
II, разработанный после 01.07.97, должен выдерживать переменное напряжение с эффективным значением 4000 В, приложенное между "Землей" и соединенными вместе зажимами всех токовых цепей, цепей напряжения и вспомогательных цепей с номинальным напряжением свыше 40 В.
6.25 Изоляция между соединенными вместе электрическими проводящими частями, расположенными внутри корпуса счетчика с изолирующим корпусом класса защиты II, разработанного после 01.07.97, и доступными для прикасания электрически проводящими частями вне корпуса должна выдерживать напряжение 40 В.
6.26 Корпус счетчика должен обеспечивать защиту его от механических воздействий и загрязнений, нарушающих правильность его показаний и удобство отсчета числа оборотов подвижной части.
Корпус счетчика класса точности 0,5 должен обеспечивать установку счетчика в вертикальное рабочее положение с отклонением, не превышающим 0,5°.
6.27 Корпус счетчика должен выдерживать удары моментом силы (0,22±0,05) Н· м, кроме счетчиков, разработанных до 01.07.88.
6.28 Крепление кожуха к цоколю должно предусматривать возможность опломбирования кожуха, при этом не должно быть доступа к измерительному механизму без нарушения пломб.
6.29 Если корпус непрозрачен, то на нем должно быть предусмотрено окно или несколько окон для отсчета показаний счетного механизма и наблюдения за работой подвижной части. Эти окна должны быть закрыты пластинами из прозрачного материала.
Конструкция пластин должна предусматривать невозможность их удаления без нарушения пломб.
6.30 Кожух счетчика с изолирующим корпусом класса защиты II, включая и крышку зажимной коробки счетчика, должен быть прочный, изготовлен полностью из изолирующего материала и должен закрывать все металлические части счетчика, за исключением некоторых мелких деталей, как например, щиток, винты, подвесные скобки, заклепки.
Мелкие детали, расположенные вне изолирующего корпуса и доступные для прикасания, должны быть снабжены дополнительной изоляцией для отделения от частей, находящихся в рабочем состоянии под напряжением и при ослаблении или выходе из строя основной изоляции. В качестве дополнительной изоляции не допускается применять изоляционные свойства лаковых и эмалевых покрытий, хлопчатобумажных и оксидных самоприлипающих пленок или других защитных материалов.
Для зажимных коробок и крышек зажимных коробок достаточно предусмотреть усиленную изоляцию.
6.31 На наружной стороне кожуха или крышки зажимной коробки трансформаторного счетчика со вторичным или смешанным счетным механизмом должен быть прикреплен съемный щиток для указания коэффициентов трансформации измерительных трансформаторов. Крепление щитка должно предусматривать возможность его опломбирования.
6.32 Каждый счетчик должен быть снабжен схемой включения. На схемах для трехфазных счетчиков должна быть указана последовательность фаз, для которой изготовлен счетчик.
Если зажимы счетчика имеют обозначения, то те же обозначения должны быть нанесены на схеме.
Схемы подключения счетчиков должны быть приведены в технических условиях или в эксплуатационной документации на счетчики конкретных типов.
6.33 Зажимы должны обеспечивать подключение как медных, так и алюминиевых проводов. Соединения зажимов цепей тока и напряжения должны быть разъемными и находиться вне кожуха (в зажимной коробке).
Отверстия для зажима проводов токовой цепи должны быть диаметром не менее 4,2 мм для счетчиков с максимальным током до 40 А включительно и диаметром от 5 до 8 мм - для счетчиков с максимальным током свыше 40 до 100 А, а свыше 100 А - не менее 11,5 мм.
Все зажимы счетчиков, предназначенные для работы с измерительными трансформаторами напряжения, должны быть раздельными и иметь отверстия диаметром не менее 4,2 мм.
Зажимы трехфазных трансформаторных счетчиков для включения с трансформаторами тока должны обеспечивать раздельное включение цепи напряжения и цепи тока. Диаметр отверстий зажимов для этой цепи должен быть не менее 3,5 мм.
6.34 Воздушные зазоры и пути утечки между металлическими частями, находящимися в зажимной коробке, а также между зажимами и находящимися вблизи от них металлическими частями, должны быть не менее значений, указанных в таблице 17, для напряжений, прикладываемых к зажимам при работе в нормальных условиях.
Таблица 17 - Воздушные зазоры и пути утечки
| Номинальное напряжение, В |
Воздушный зазор, мм |
Путь утечки, мм |
||||
| До |
25 |
включ. |
1 |
1 |
||
| От |
26 |
" |
60 |
" |
2 |
2 |
| " |
61 |
" |
250 |
" |
3 |
3 |
| " |
251 |
" |
450 |
" |
3 |
4 |
| " |
451 |
" |
660 |
" |
4 |
6 |
При выборе значений воздушных зазоров и путей утечки номинальное напряжение токовой цепи принимают равным номинальному напряжению соответствующей цепи напряжения.
Соседние зажимы, находящиеся под разными напряжениями, должны быть защищены от случайных коротких замыканий. Защита может осуществляться с помощью изолирующих перегородок.
Напряжения на зажимах, принадлежащих одной и той же токовой цепи, принимают равными.
Воздушный зазор между металлической крышкой зажимов и верхней поверхностью витков, если они установлены на проводе максимально допустимого диаметра, должен быть не менее значений, приведенных в таблице 17.
Допускается по требованию заказчика взамен требований к воздушным зазорам и путям утечки нормировать сопротивление изоляции всех цепей счетчика, изолированных по постоянному току, по отношению к металлическому корпусу или металлическим наружным частям корпуса из изоляционного материала по ГОСТ 22261 при положении винтов зажимов, соответствующем закреплению провода максимально допустимого диаметра.
Для счетчиков, изготовленных на номинальные напряжения более 500 В, требования к сопротивлению изоляции должны быть установлены в технических условиях на счетчики конкретного типа.
6.35 Видимое движение диска счетчика должно происходить слева направо.
Направление вращения должно быть указано хорошо видимой стрелкой.
Для облегчения счета оборотов на ребре и (или) верхней поверхности диска должны быть нанесены хорошо видимые отметки. Для стробоскопических или иных испытаний могут быть нанесены и другие отметки, однако они должны быть размещены так, чтобы не препятствовать использованию основной видимой отметки для фотоэлектрического счета оборотов.
6.36 Счетный механизм счетчика должен быть стрелочной или барабанной конструкции.
6.37 Счетчики должны давать показания расхода энергии в киловатт-часах (киловар-часах) непосредственно или при умножении показания счетного механизма на 10n , где n - целое число.
Трансформаторные счетчики со вторичным или смешанным счетным механизмом должны удовлетворять этому требованию при учете энергии, соответствующей номинальным вторичным токам и напряжениям трансформаторов, коэффициенты трансформации которых они не учитывают.
6.38 Единица измерения энергии у счетных механизмов барабанной конструкции должна быть указана на щитке около ряда барабанов. В счетных механизмах этого типа только последний барабан, т. е. барабан, расположенный с правого края, может двигаться непрерывно.
У счетных механизмов стрелочной конструкции единица измерения должна быть указана на щитке около циферблата, показывающего единицы в виде "1 кВт·ч/деление" или "1 МВт· ч/деление". Около остальных циферблатов должны быть указаны числа киловатт-часов или мегаватт-часов, соответствующих одному делению.
Например, для счетчика, показывающего в киловатт-часах, циферблат, показывающий единицы, должен иметь отметку "1 кВт·ч /деление", а циферблат, находящийся слева от показывающего единицы, должен иметь отметку "10", "100", "1000" и т. д.
6.39 Емкость учета счетного механизма при работе счетчика при максимальном токе, номинальном напряжении и cosj = 1 (sinj = 1) должна быть не менее 1500 ч.
По требованию заказчика допускается устанавливать значение емкости учета, отличное от указанного.
6.40 Изменение показаний счетного механизма на одну цифру первого указателя (барабана) справа должно продолжаться не более 15 мин при максимальном токе, номинальном напряжении и cosj = 1 (sinj = 1) .
6.41 Цифры, циферблаты или окаймление окна для долей киловатт-часа (киловар-часа) должны быть иного цвета, чем для целых киловатт-часов (киловар-часов), и отделены запятой.
По требованию заказчика на наиболее быстро вращающемся барабане или циферблате наиболее быстро движущейся стрелки счетчика должны быть деления и дольные деления, кратные десяти.
6.42 У счетного механизма многотарифного счетчика должен быть указатель работающего тарифа.
При работе льготного тарифа реле переключения тарифов должно находиться под напряжением.
6.43 Конструкция счетчика должна обеспечивать возможность извлечения из него счетного механизма, подвижной части и опор без изменения взаимного расположения других частей счетчика.
6.44 Стопор обратного хода, устанавливаемый на счетчики реактивной энергии и, по требованию заказчика, на трехфазные счетчики активной энергии и однофазные счетчики, не должен допускать вращения диска справа налево.
6.45 Счетчик должен иметь регулирующие органы для регулирования тормозного момента, для регулирования счетчика при малой нагрузке, для изменения сдвига фаз магнитных потоков.
6.46 Регулирующие органы должны обеспечивать в отрегулированном счетчике изменение скорости вращения подвижной части в пределах, приведенных в таблице 18.
Таблица 18 - Пределы регулирования скорости вращения
| Средство регулирования или условие |
Значение тока |
Коэффициент мощности cosj(sinj) |
Минимальные пределы регулирования скорости вращения подвижной части, %, для счетчиков |
|||||||
| активной энергии |
peaктивной энергии |
|||||||||
| классов точности |
||||||||||
| 0,5 |
1,0 |
2,0 |
2,5 |
1,5 |
2,0 |
3,0 |
||||
| Тормозной элемент |
50% максимального |
1 |
±2 |
±2 |
+4 -6 ±4* |
+4 -6 ±4* |
+2 -3 ±2* |
+4 -6 ±4* |
+4 -6 |
|
| Малая на грузка |
5% номинального |
1 |
±4 ±2* |
±4 ±2* |
±4 |
- |
- |
- |
- |
|
| 10% номинального |
1 |
- |
- |
- |
±4 |
±4 |
±4 |
±4 |
||
| Индуктивная нагрузка |
50% номинального |
0,5 инд. |
±1 |
±1 |
- |
- |
±1 |
- |
- |
|
| 50 % максимального |
0,5 инд. |
- |
- |
±1 |
±1 |
- |
±1 |
±1 |
||
| ________________ * По согласованию с заказчиком. |
||||||||||
| Примечание - Допускается по согласованию с заказчиком выпуск счетчиков, у которых отсутствует запас регулирования внутреннего угла сдвига фаз |
||||||||||
6.47 Требования к надежности
6.47.1 Счетчики относятся к ремонтируемым, не восстанавливаемым на объекте изделиям.
6.47.2 Показатели безотказности счетчиков в нормальных условиях применения должны быть установлены в технических условиях на счетчики конкретного типа.
6.47.3 Средний срок службы счетчиков до первого капитального ремонта Тсл - не менее 32 лет.
6.47.4 Межповерочный интервал периодической поверки счетчиков - не менее:
6 лет для трехфазных счетчиков;
16 лет для однофазных счетчиков;
4 лет для счетчиков класса точности 0,5.
6.48 Комплектность
6.48.1 В комплект к счетчику должны входить крышка зажимной коробки и упаковочная коробка.
Допускается групповая потребительская тара без индивидуальных упаковочных коробок.
К счетчику прилагают эксплуатационную документацию по ГОСТ 2.601.
Эксплуатационная документация по договору с заказчиком может поставляться в количестве одного экземпляра на партию счетчиков.
6.49 Маркировка
6.49.1 На каждом счетчике должна быть приведена следующая информация:
а) название или торговый знак изготовителя и, если требуется, место изготовления;
б) обозначение типа и, если требуется, место для простановки знака приемочного испытания;
в) единица измерения электрической энергии.
Обозначения единиц измерения электрической энергии, установленных в 6.35, должны соответствовать требованиям ГОСТ 25372;
г) если требуется, для счетчиков реактивной энергии класса точности 3,0, количество часов, на которое рассчитана работа счетного механизма;
д) число фаз и число проводов цепи, для которой счетчик предназначен (например, однофазная двухпроводная, трехфазная трехпроводная, трехфазная четырехпроводная); эта маркировка может быть заменена графическими обозначениями по ГОСТ 25372;
е) заводской номер и год изготовления. Если заводской номер указан на щитке, прикрепленном к кожуху, номер должен быть указан также на цоколе или стойке счетчика;
ж) номинальное напряжение по одной из следующих форм:
число элементов, если их больше одного, и напряжение на зажимах цепи(ей) напряжения счетчика;
номинальное напряжение системы или вторичное напряжение измерительного трансформатора, для присоединения к которому счетчик предназначен.
Примеры маркировки напряжения приведены в таблице 19;
Таблица 19 - Примеры маркировки напряжения
| Счетчик |
Напряжение на зажимах цепи (цепей) напряжения или диапазон напряжений, В, и число цепей напряжения |
Номинальное напряжение системы, В |
| На номинальное напряжение 220 В для работы в однофазной двухпроводной цепи |
220 |
220 |
| На номинальное напряжение 127 В для работы в однофазной трехпроводной цепи (127 В по отношению к средней точке) |
254 |
254 |
| Двухэлементный на номинальное напряжение 380 В для работы в трехфазной трехпроводной цепи (380 В между фазами) |
2х380 |
3х380 |
| Трехэлементный на номинальное напряжение 220 В для работы в трехфазной четырехпроводной цепи (220 В фаза-нейтраль) |
3х220(380) |
3х220(380) |
| На диапазон напряжений от 110 до 143 В для работы в однофазной двухпроводной цепи* |
110-143 |
110-143 |
| На номинальные напряжения 127 и 220 В для работы в однофазной двухпроводной цепи* |
127 и 220 |
127 и 220 |
| __________ * Для счетчиков реактивной энергии класса точности 3,0 |
||
з) номинальный ток и максимальный ток, выраженные, например: 10-40 А или 10(40) А для счетчиков непосредственного включения с номинальным током 10 А и максимальным током 40 А;
для трансформаторных счетчиков номинальный вторичный ток трансформатора(ов), к которому должен подключаться счетчик, например, "+ /5 А";
номинальный и нормируемый максимальные токи счетчика могут быть включены в обозначение типа;
и) номинальная частота, Гц;
к) постоянная счетчика в виде:
W·h/r - для счетчиков активной энергии,
var·h/r- для счетчиков реактивной энергии или передаточное число счетчика в виде:
r/(kW·h) или 1kW·h=+ оборот диска - для счетчиков активной энергии,
r/(kvar·h) или 1kvar·h = … оборот диска - для счетчиков реактивной энергии.
Для счетчиков, разработанных до 01.01.82, допускается передаточное число указывать надписью:
1 кВт· ч = +оборот диска;
1 квар· ч = +оборот диска;
л) обозначение класса точности счетчика.
Класс точности счетчика должен соответствовать ГОСТ 8.401 и обозначаться в виде чисел, например, 0,5 или 1, взятых в кружок, или в виде "C1.0,5", "C1.1" по ГОСТ 25372.
При отсутствии обозначения класса точности счетчик должен считаться счетчиком класса точности 2;
м) если требуется, для счетчиков реактивной энергии класса точности 3,0, классификация по степени фазового сдвига, выраженная 0; 90 или 60;
н) нормальная температура, если она отличается от 20 °С;
о) наличие стопора обратного хода (если таковой имеется);
п) обозначение настоящего стандарта;
р) Знак утверждения типа средств измерений для счетчиков, внесенных в Государственный реестр.
Порядок нанесения Знака утверждения типа счетчика, внесенного в Государственный реестр, - но нормативному документу.
с) обозначение деталей подвеса (опор) подвижного элемента счетчика - по ГОСТ 25372;
т) знак двойного квадрата
для помещенных в изолирующий корпус счетчиков класса защиты II - по ГОСТ 25372.
Допускаются дополнительные надписи, место нанесения и текст которых должны указываться в технических условиях.
Информация по пунктам а), б) и д) может быть помещена на наружном специальном щитке, постоянно прикрепленном к кожуху или крышке счетчика.
Информация по пунктам в), г), е) - т) должна быть нанесена на щитке, предпочтительно находящемся внутри счетчика, который может быть прикреплен, например, к счетному механизму счетчика. Маркировка должна быть несмываемой, отчетливой и хорошо видимой с наружной стороны счетчика.
При специальном исполнении счетчика (например, счетчик со стопором обратного хода или многотарифный счетчик с напряжением переключающего электромагнита, отличающимся от номинального) это должно быть указано на щитке счетного механизма или на специальном щитке.
6.49.2 Маркировка счетчиков должна осуществляться в соответствии с требованиями настоящего стандарта.
К маркировке счетчиков, предназначенных на экспорт, допускается предъявлять требования, отличные от установленных в настоящем стандарте, в соответствии с условиями договора.
6.49.3 Условные обозначения счетчиков должны соответствовать требованиям ГОСТ 25372 и содержать обозначения, приведенные в приложении А, или другие обозначения в соответствии с требованиями, установленными в технических условиях на счетчики конкретных типов.
Для счетчиков исполнения УХЛ допускается не указывать исполнение и категорию размещения.
6.49.4 У трехфазных счетчиков номинальные ток и напряжение должны указываться в виде произведения числа фаз на номинальное значение тока или напряжения, например: 3х5 А; 3х220 В.
У трехэлементных счетчиков для работы в трехфазной четырехпроводной цепи должны указываться как фазовые, так и линейные напряжения, отделяемые друг от друга косой чертой, например, 3х220/380 В; допускается 3х380/220 В.
Если счетчик учитывает энергию через измерительные трансформаторы, коэффициенты трансформации которых учтены постоянной счетчика, то их коэффициент(ы) трансформации должен быть также указан.
Могут быть использованы также стандартные обозначения (см. ГОСТ 25372).
У трансформаторных счетчиков с максимальным током 125% номинального и первичным счетным механизмом вместо номинальных значений тока и напряжения должны указываться коэффициенты трансформации измерительных трансформаторов, для работы с которыми предназначен счетчик, например:
В или 3х6000/100 В;
А или 3х200/5 А
У трансформаторных счетчиков с максимальным током 125% номинального и смешанным счетным механизмом должны указываться номинальный вторичный ток и номинальное вторичное напряжение измерительных трансформаторов, коэффициенты трансформации которых не учитываются счетным механизмом, и коэффициент трансформации, учитываемый счетным механизмом, например:
3·100 В или 3х100 В;
А или 3х200/5 А
У трансформаторных счетчиков с максимальным током 125% номинального и вторичным счетным механизмом должны указываться номинальные вторичный ток и напряжение измерительных трансформаторов, например:
3·100 В или 3х100 В; 3·1А или 3х1А.
У трансформаторных счетчиков с максимальным током, превышающим 125 % номинального, кроме номинального вторичного тока или коэффициента трансформации измерительных трансформаторов тока, должны указываться значения номинального и максимального токов счетчика, например:
3·1(0,3-1,2)А или 3х1(0,3-1,2)А;
А или 3х(200/5)(1,5-6)А
6.49.5 Значение максимального тока указывают непосредственно после номинального, например:
5-20 А или 5(20) А - для однофазных счетчиков; 3х5-10 А или 3х5(10) А - для трехфазных счетчиков.
6.49.6 Надписи допускается делать как на щитке счетного механизма и на специальном щитке, прикрепленном к лицевой поверхности кожуха или крышки, так и непосредственно на лицевой поверхности кожуха или крышки, за исключением надписей, указанных в 6.49.1 в), г), е) - т), которые обязательно должны указываться на щитке счетного механизма.
Надписи должны быть нанесены на языке страны, эксплуатирующей счетчики, или языке, указанном в договоре.
Допускается наносить знак Государственного реестра только на эксплуатационной документации.
6.49.7 На съемных щитках трансформаторных счетчиков со вторичным или смешанным счетным механизмом должны быть надписи: "N + ", "Тр-р тока", "Тр-р напряж.", "К ... " (множитель трансформаторов, равный произведению коэффициентов трансформации).
6.49.8 Надписи на щитках должны выполняться шрифтом по ГОСТ 26.020, ГОСТ 26.008.
Для счетчиков, произведенных до 01.01.82, допускаются надписи на щитках, выполненные по ГОСТ 2930.
6.49.9 На счетчике или съемном щитке горизонтально расположенной стрелкой должно быть указано направление движения диска, при котором показания счетного механизма увеличиваются.
6.49.10 На крышке зажимной коробки счетчика должна быть нанесена или к ней должна быть надежно прикреплена схема включения счетчика в соответствии с 6.32.
У счетчиков, имеющих зажимы для заземления, на этой схеме должен быть знак заземления корпуса.
6.49.11 Маркировка потребительской и транспортной тары - по ГОСТ 9181, ГОСТ 26828, ГОСТ 14192 и техническим условиям на счетчики конкретных типов.
6.50 Упаковка
6.50.1 Упаковка счетчиков должна осуществляться в соответствии с требованиями ГОСТ 9181, ГОСТ 22261, настоящего стандарта и технических условий на счетчики конкретного типа.
К упаковке счетчиков, предназначенных на экспорт, допускается предъявлять требования, отличные от установленных в настоящем стандарте, в соответствии с условиями договора.
7. ТРЕБОВАНИЯ БЕЗОПАСНОСТИ
7.1 Металлический цоколь или металлический корпус счетчика должен иметь зажим защитного заземления, если номинальное напряжение по отношению к земле превышает 250 В.
Заземление цоколя счетчика, предназначенного для эксплуатации в условиях тропического климата, должно выполняться по ГОСТ 15151.
Требования к зажимам заземления и место расположения их для всех исполнений счетчиков - по ГОСТ 15151.
Зажимы, подлежащие заземлению, должны иметь условное графическое обозначение
.
Зажим защитного заземления (при наличии) должен иметь электрически проводящее соединение с доступными для прикасания металлическими частями, не находящимися под напряжением;
по возможности быть частью цоколя счетчика;
предпочтительно быть расположенным вблизи зажимной платы.
Все части каждого зажима должны быть сконструированы таким образом, чтобы в результате соприкасания с любой другой металлической частью опасность коррозии была сведена к минимуму.
После установки ослабление присоединения зажима защитного заземления без применения инструмента или какого-либо аналогичного приспособления должно быть невозможно.
7.2. Металлические детали в зажимной коробке при разности потенциалов между ними свыше 40 В должны быть разделены между собой изолирующими перегородками.
7.3 Все зажимы, находящиеся в зажимной коробке, должны закрываться крышкой, приспособленной для опломбирования. Крышка зажимной коробки должна закрывать нижние винты крепления счетчика к щиту, а также подходящие к счетчику провода не менее чем на 25 мм.
В счетчике, установленном на щите, должен быть исключен доступ к зажимам без повреждения пломб или крышки зажимной коробки.
Электрические соединения должны быть сконструированы таким образом, чтобы контактное давление не передавалось через изоляционный материал.
Возможность соприкасания зажимов, винтов крепления проводов, а также внешних и внутренних проводов с металлической крышкой зажимной коробки должна быть предотвращена.
7.4 Эквивалентный (по энергии) уровень звука, производимого работающим однофазным счетчиком, на расстоянии 1 м от счетчика не должен превышать 27 дБ·А для счетчика класса точности 2,0 и 30 дБ·А для счетчика класса точности 2,5.
7.5 Зажимная плата, крышка зажимной коробки и корпус счетчика должны обеспечивать защиту от распространения огня. Указанные части счетчика не должны воспламеняться при перегреве счетчика, находящегося под напряжением в рабочем состоянии.
8. ПРАВИЛА ПРИЕМКИ
8.1 Счетчики должны подвергаться испытаниям:
для целей утверждения типа;
на соответствие утвержденному типу;
приемо-сдаточным;
периодическим;
типовым;
на надежность.
Поверку счетчиков следует проводить по ГОСТ 8.259.
8.2 Порядок проведения испытаний для целей утверждения типа и на соответствие утвержденному типу счетчика - по нормативному документу.
8.3 Приемо-сдаточным испытаниям следует подвергать каждый счетчик на соответствие требованиям 6.4; 6.5; 6.15; 6.16; 6.22-6.25; 6.32; 6.35-6.38; 6.41; 6.42; 6.44; 6.48 и 7.1.
Правила проведения приемо-сдаточных испытаний - по ГОСТ 22261 методом сплошного контроля.
8.4 Периодическим испытаниям следует подвергать не менее двух счетчиков из числа прошедших приемо-сдаточные испытания на соответствие всем требованиям настоящего стандарта, кроме 6.14; 6.20; 6.27; 6.47; 7.5 и раздела 12.
Периодические испытания допускается проводить на типовых представителях счетчиков.
Правила проведения периодических испытаний - по ГОСТ 22261.
8.5 Типовые испытания следует проводить во всех случаях, когда вносятся изменения в конструкцию, материалы или технологию изготовления, влияющие на метрологические и технические характеристики или работоспособность счетчиков.
Типовым испытаниям следует подвергать не менее трех образцов счетчиков.
Типовые испытания должны проводиться по программе, утвержденной руководителем предприятия-изготовителя и согласованной с предприятием-разработчиком конструкторской документации.
Объем типовых испытаний должен определяться характером изменений, вносимых в конструкцию счетчиков или технологию их изготовления.
Результаты типовых испытаний должны быть оформлены актом и утверждены руководителем предприятия-изготовителя.
8.6 При получении неудовлетворительных результатов при периодических или типовых испытаниях хотя бы по одному из требований настоящего стандарта проводят повторные испытания удвоенного числа счетчиков. Результаты повторных испытаний являются окончательными.
Допускается повторные испытания счетчиков проводить по пунктам несоответствия.
8.7 Испытания счетчиков на влияние третьей гармоники в кривой тока (6.14), на грибостойкость (6.20), ударопрочность корпуса (6.27), невоспламеняемость (7.5) следует проводить на счетчиках, представляемых на испытания для целей утверждения типа, или на счетчиках из установочной серии; при серийном производстве - при изменении материала, влияющего на указанные требования к счетчику.
Испытания на грибостойкость следует проводить на счетчиках тропического исполнения.
8.8 Правила проведения испытаний счетчиков на надежность и условия приемки.
8.8.1 Контрольные испытания счетчиков на безотказность (6.47.2) следует проводить:
на установочной серии или на счетчиках первого года выпуска;
после модернизации счетчика, влияющей на безотказность;
при серийном производстве счетчиков - на базовой модели с периодичностью, установленной в технических условиях на счетчики конкретных типов.
Контрольные испытания счетчиков на безотказность следует проводить одноступенчатым методом с ограниченной продолжительностью испытаний без замены и восстановления счетчиков по планам, приведенным в ГОСТ 27.410 для счетчиков крупносерийного и массового производства и в технических условиях на счетчики конкретных типов мелкосерийного и среднесерийного производства.
8.8.2 Контроль среднего срока службы счетчиков (6.47.3) следует проводить сбором и обработкой статистических данных, полученных в условиях эксплуатации по планам, приведенным в ГОСТ 27.410 и в технических условиях на счетчики конкретных типов.
8.8.3 Контролируемыми параметрами, по которым определяют отказы, являются требования: 6.4 при значениях токов нагрузки, установленных в технических условиях на счетчики конкретных типов, и 6.15; 6.16.
8.9 После проведения периодических и типовых испытаний и контрольных испытаний на надежность счетчики должны быть вновь подвергнуты приемо-сдаточным испытаниям после восстановления и ремонта.
9. МЕТОДЫ ИСПЫТАНИЙ
9.1 Испытания счетчика следует проводить одним из трех методов:
ваттметра и секундомера, при котором следует определять действительное значение электрической энергии, вызвавшей вращение диска счетчика на заданное число оборотов, по показаниям ваттметра и секундомера и сравнивать его со значением энергии, измеренной счетчиком (с учетом номинальной постоянной счетчика);
образцового счетчика, при котором следует сравнивать показания поверяемого счетчика с показаниями образцового счетчика. Последний допускается включать через измерительные трансформаторы тока и напряжения;
длительных испытаний (контрольной станции), при котором следует сравнивать показания поверяемого счетчика с показаниями образцового счетчика того же типа, который включают в цепи поверяемых счетчиков и погрешности которого должны быть известны, а поправки должны вводиться при сравнении показаний.
9.2 Условия проведения испытаний:
а) кожух счетчика должен быть установлен;
б) для счетчика с барабанным счетным механизмом при нагрузках токами до 10% номинального при cosj= 1 (sinj = 1) и до 20% номинального при cosj= 0,5 (sinj = 0,5) должен вращаться толькo наиболее быстро вращающийся барабан;
в) до начала испытаний продолжительность нахождения под напряжениeм цепей напряжения счетчика при проведении испытаний для целей утверждения типа, на соответствие утвержденному типу, периодических и типовых должна быть, ч, не менее
4 - для счетчика класса точности 0,5;
2 - для счетчика класса точности 1,0;
1 - для счетчика классов точности 1,5; 2,0; 2,5 и 3,0.
г) перед определением погрешностей в целях прогрева измерительного механизма счетчик должен находиться не менее 15 мин под номинальным напряжением и номинальным током. Счетчик активной энергии при этом должен работать при cosj = 1, а счетчик реактивной энергии при sinj = 1.
При этом допускается проводить проверку правильности работы счетного механизма;
д) дополнительно для трехфазных счетчиков:
порядок чередования фаз должен соответствовать порядку, указанному на схеме включения;
напряжения и токи должны быть практически симметричными - отрегулированными в соответствии с таблицей 20;
Таблица 20 - Симметрия напряжений и токов
| Условие регулирования |
Для счетчиков классов точности |
|
| 0,5 |
1,0; 1,5; 2,0; 2,5; 3,0 |
|
| Отклонение любого из фазовых или линейных напряжений от их среднего значения, %, не более |
±0,5 |
±1,0 |
| Отклонение любого из токов от среднего значения, %, не более |
±1,0 |
±2,0 |
| Сдвиг фаз токов и соответствующих им фазовых напряжений, независимо от значения коэффициента мощности, не должен отличаться друг от друга более чем |
±2 ° |
±2 ° |
е) нормальные условия испытаний при разных методах проверки указаны в таблице 21.
Относительная влажность окружающего воздуха и атмосферное давление по ГОСТ 22261.
9.3 Проверка отсутствия внешнего магнитного поля при проведении испытаний счетчиков (9.2, таблица 21) должна проводиться следующим способом.
Для однофазных счетчиков сначала должна быть определена систематическая составляющая относительной погрешности при подключении счетчика к сети в соответствии со схемой включения, а затем следует повторить определение погрешности при одновременной перемене присоединительных проводов как токовой цепи, так и цепи напряжения. Вследствие неизвестного фазового положения внешнего магнитного поля испытание должно проводиться при номинальных напряжении, частоте и токах: 10% номинального и коэффициенте мощности, равном единице; 20% номинального и коэффициенте мощности, равном 0,5.
Значение изменения систематической составляющей относительной погрешности в процентах вычисляется как половина разности двух полученных результатов измерений.
Для трехфазных счетчиков необходимо провести три измерения при симметричной нагрузке током 10% номинального и коэффициенте мощности, равном единице.
После каждого измерения должно быть изменено подключение токовых цепей и цепей напряжения на 120 ° при неизменной последовательности фаз.
Значение изменения систематической составляющей относительной погрешности в процентах вычисляется как наибольшая разность между определенными указанным способом погрешностями и их средним значением.
9.4 Проверка правильности работы счетного механизма (соотношения между числом оборотов подвижной части счетчика и показаниями счетного механизма) (6.37) должна проводиться одним из следующих методов:
при заданном значении тока систематическая составляющая относительной погрешности счетчика, определенная методом длительных испытаний, должна совпадать с погрешностью, определенной методом ваттметра и секундомера или методом образцового счетчика, т.е. кратковременным испытанием;
при заданном значении тока, номинальных напряжении и частоте счетчик должен проработать в течение заданного интервала времени.
Произведение средней мощности нагрузки на время работы счетчика должно равняться разности показаний счетного механизма в начале и конце работы.
Допускается постоянную счетчика проверять путем счета числа оборотов диска за время изменения показаний счетного механизма на один знак низшего разряда.
9.5 Образцовые средства измерений, применяемые для поверки счетчиков методами ваттметра и секундомера и образцового счетчика, должны обеспечивать определение действительного значения энергии с погрешностью, не превышающей 1 /4 допускаемой систематической составляющей относительной погрешности поверяемых счетчиков.
При определении соотношения 1 /4 суммарную погрешность образцовых средств измерений следует определять как квадратный корень из суммы квадратов погрешностей отдельных образцовых средств измерений.
Систематические составляющие относительных погрешностей образцовых счетчиков, используемых при методе длительных испытаний (контрольной станции), следует определять любым из указанных в 9.1 методов, как среднее арифметическое не менее пяти измерений.
9.6 Проверку счетчиков по 5.6; 5.7; 6.26; 6.28-6.33; 6.34 (в части воздушных зазоров); 6.35; 6.36; 6.38; 6.41; 6.43; 6.45; 6.48-6.50; 7.1-7.3 следует проводить внешним осмотром и сличением с рабочими чертежами, утвержденными в установленном порядке, измерением размеров мерительным инструментом, обеспечивающим необходимую точность.
Таблица 21 - Нормальные условия испытаний при разных методах проверки
| Влияющая |
Нормальное |
Метод испытаний |
|||||||||||
| величина |
значение влияющей |
ваттметра и секундомера |
образцового счетчика |
длительных испытаний (контрольной станции) |
|||||||||
| величины или |
Допускаемые отклонения для счетчиков классов точности |
||||||||||||
| нормированное условие |
0,5 |
1,0 |
1,5; 2,0; 2,5; 3,0 |
0,5 |
1,0 |
1,5; 2,0; 2,5; 3,0 |
0,5 |
1,0 |
1,5; 2,0; 2,5; 3,0 |
||||
| Температура окружающей среды |
Нормальная температура 20 °С1) |
±1 °С |
±3 °С (±2 °С) |
±3 °С (±2 °С) |
±1 °С |
±3 °С (±2 °С) |
±3 °С (±2 °С) |
±5 °С (±1 °С) |
(±2 °С) |
|
|||
| Рабочее положение |
Вертикальное рабочее положение2) |
±0,5 ° |
±1,0 ° (±0,5 °) |
±1,0 ° (±0,5 °) |
±0,5 ° |
±1,0 ° (±0,5 °) |
±1,0 ° (±0,5 °) |
±0,5 ° |
±1,0 ° (±0,5 °) |
±1,0 ° (±0,5 °) |
|||
| Напряжение |
Номинальное напряжение Uном 3) |
±0,5% |
±1,0% |
±1,0% |
±1,0% (±0,5%) |
±1,0% |
±1,0% |
±2,0% (±0,5%) |
±2,0% (±1,0%) |
±2,0% (±l,0%) |
|||
| Частота |
Номинальная частота fном |
±0,2% |
±0,5% (±0,3%) |
±0,5% |
±0,5% (±0,2%) |
±0,5% (±0,3%) |
±0,5% |
±0,5% (±0,2%) |
±1,0% (±0,3%) |
±1,0% (±0,5%) |
|||
| Форма |
Синусоидальные |
Коэффициент нелинейных искажений, менее чем |
|||||||||||
| кривой |
напряжение и ток |
2% |
5% (2%) |
5% (3%) |
2% |
5% (2%) |
5% (3%) |
5% (2%) |
5% (2%) |
5% (3%) |
|||
| Магнитная индукция |
Магнитная индукция, |
Значение индукции, которое вызывает изменение погрешности (счетчика) не более чем на |
|||||||||||
| внешнего поля при номинальной частоте |
равная нулю |
0,1% |
0,2% |
0,3% |
0,1% |
0,2% |
0,3% |
0,1% |
0,2% |
0,3% |
|||
| 1) Если испытания проводят при температуре, отличающейся от нормальной с учетом допускаемых отклонений, результаты могут быть скорректированы введением поправок, учитывающих среднее изменение систематической составляющей относительной погрешности Dct от изменения температуры. Среднее изменение на каждой поверяемой нагрузке должно быть определено не менее чем на 20 счетчиках. 2) Вертикальное рабочее положение в соответствии с 6.7.4 и 6.26. Конструкция и исполнение счетчика должны быть такими, чтобы обеспечивалось точное вертикальное положение (в двух перпендикулярных вертикальных плоскостях "лицевая - задняя" и "левая сторона - правая сторона"), когда: а) цоколь счетчика опирается на вертикальную стену; б) опорная грань (например, нижний край зажимной платы) или контрольная линия, нанесенная на корпус счетчика, горизонтальны. 3) Для счетчиков реактивной энергии класса точности 3,0, изготовленных на диапазон напряжений (см. 5.4; 6.7.1), пределы допускаемой систематической составляющей относительной погрешности распространяются на все напряжения в пределах диапазона. Для счетчиков реактивной энергии класса точности 3,0, изготовленных на два номинальных напряжения (см. 5.4; 6.7.1), пределы допускаемой систематической составляющей относительной погрешности распространяются на оба напряжения. |
|||||||||||||
| Примечания 1 Значения, указанные в скобках, - по требованию заказчика. 2 По согласованию между изготовителем и заказчиком в технических условиях могут быть установлены нормальные условия испытаний, отличные от приведенных в таблице. |
|||||||||||||
9.7 Полную мощность, потребляемую цепью напряжения однофазных счетчиков, а также каждой отдельной цепью напряжения трехфазных счетчиков (6.2) следует определять при отсутствии тока в токовой цепи, номинальным напряжении и номинальной частоте методом вольтметра-амперметра.
Падение напряжения следует измерять на соответствующих зажимах счетчика электронным вольтметром.
Класс точности миллиамперметра должен быть 1,0 и более точный, вольтметра - 1,0 и более точный.
Активную мощность (6.2) следует измерять малокосинусным ваттметром.
Класс точности малокосинусного ваттметра должен быть 1,0 и более точный.
9.8 Потребляемую полную мощность в токовых цепях (6.3) следует определять методом вольтметра-амперметра при номинальном токе.
Падение напряжения следует измерять на соответствующих зажимах счетчика электронным милливольтметром.
Класс точности милливольтметра должен быть 1,0 и более точный, амперметра - 1,0 и более точный.
9.9 Определение систематической составляющей относительной погрешности Dс (6.4) при равномерной нагрузке токовых цепей следует проводить одним из методов, указанных в 9.1. Допускается испытывать счетчики на разных нагрузках разными методами, указанными в 9.1, Dс следует определять как среднее арифметическое результатов не менее трех измерений. При проведении приемо-сдаточных испытаний допускается проводить одно измерение.
Систематическую составляющую относительной погрешности Dс счетчиков следует определять при коэффициентах мощности 1,0 и 0,5.
Нагрузки, при которых проводят поверку счетчиков, должны устанавливаться при государственных испытаниях счетчиков и указываться в стандартах и технических условиях на конкретные типы счетчиков.
Счетчики, имеющие стопор обратного хода, при емкостной нагрузке не испытываются.
Систематическую составляющую относительной погрешности Dс , % следует вычислять по формулам:
для метода ваттметра и секундомера –
![]()
где t н - нормальное время, с, для данного счетчика, т.е. число секунд, за которое диск правильно работающего счетчика должен сделать N оборотов при заданной мощности нагрузки;
t - показание секундомера, с.
Нормальное время, с, следует вычислять по формуле
![]()
где P - мощность нагрузки, Вт (вар),
A - передаточное число счетчика, указанное на щитке, обороты диска на 1 кВт·ч (вар·ч);
для метода длительных испытаний (контрольной станции) –
![]()
где N - число оборотов диска поверяемого счетчика за время поверки;
N 0 - число оборотов диска образцового счетчика за время поверки.
9.10 Определение систематической составляющей относительной погрешности Dс 1 (6.5) трехфазных счетчиков при неравномерной нагрузке токовых цепей следует проводить при:
а) cosj = 1 и (sinj = 1) и токах 20 и 100% номинального - для счетчиков всех классов точности и максимальном токе - для счетчиков активной энергии класса точности 2,0;
б) cosj = 0,5 инд (sinj = 0,5 инд) и номинальном токе - для счетчиков всех классов точности и 50% номинального - для счетчиков классов точности 0,5 и 1,0.
Напряжение и частота при этом должны быть номинальными.
Приемо-сдаточные испытания счетчиков на соответствие требованиям 6.5 следует проводить для каждой фазы при номинальном напряжении, токе 50% номинального в одной из токовых цепей и отсутствии тока и остальных токовых цепях при cosj = 1 (sinj = 1).
9.11 Определение разности между значениями систематической составляющей относительной погрешности Dс p , определенными при неравномерной нагрузке токовых цепей и при равномерной их нагрузке номинальным током при cosj = 1, при номинальном напряжении (6.6), следует проводить после проведения испытаний на соответствие 6.4 и 6.5 вычислением по формуле
Dcp = Dc 1 - Dc
9.12 Если при периодических, типовых или государственных испытаниях счетчика некоторые значения Dc не укладываются в пределы, указанные в таблицах 5 и 6, но есть возможность ввести их в эти пределы путем перемещения оси абсцисс параллельно самой себе на величины, %;
| ±0,3 |
для |
счетчиков |
класса |
точности |
0,5; |
| ±0,5 |
" |
" |
" |
" |
1,0; |
| ±1,5 |
" |
" |
" |
" |
3,0; |
| ±1,0 |
" |
" |
" |
" |
1,5; 2,0 и 2,5, |
то счетчик следует рассматривать как исправный.
После перерегулирования, соответствующего указанному перемещению, такой счетчик должен соответствовать требованиям 6.46.
9.13 При испытаниях счетчиков на соответствие требованиям 6.7 влияющие факторы, кроме поверяемого, должны иметь нормальные значения в соответствии с таблицей 21.
9.14 Коэффициент KU изменения систематической составляющей относительной погрешности при изменении напряжения (6.7.1) следует определять при значениях последнего, равных 90 и 110% номинального.
Измерение следует проводить:
а) при cosj = 1 (sinj = 1) и токах 10% номинального и 50% максимального - для счетчиков классов точности 0,5; 1,0; 2,0 и 2,5;
б) при cosj = 0,5 инд (sinj = 0,5 инд) и токе 50% максимального - для счетчиков классов точности 0,5; 1,0 и 2,0;
в) при cosj = 1 (sinj = 1) и токах от номинального до максимального значений тока - для счетчиков классов точности 1,5 и 3,0.
Коэффициент KU , %/1%, следует вычислять по формуле
KU = 0,1 (Dc ' - Dc ),
где Dc и Dc ' систематические составляющие относительной погрешности, соответственно, при номинальном и измененном влияющих факторах, %.
Для счетчиков реактивной энергии класса точности 3,0, изготовленных на диапазон напряжений, отношение между наибольшим и наименьшим значениями которых не превышает 1,3, коэффициент KU следует определять при изменении от 90 до 110% значения каждого из экстремальных напряжений и их среднего арифметического.
Для счетчиков реактивной энергии класса точности 3,0, изготовленных на два напряжения, отношение между наибольшим и наименьшим значениями которых превышает 1,3, следует определять при изменении от 90 до 110% значения каждого из этих двух напряжений.
9.15 Коэффициент Kf изменения систематической составляющей относительной погрешности при изменении частоты (6.9.2) следует определять при значениях частоты 95 и 105% номинальной.
Измерение следует проводить:
а) при cosj = 1 (sinj = 1) и токах 10% номинального и 50% максимального, при cosj = 0,5 инд (sinj = 0,5 инд) и токе 50% максимального - для счетчиков классов точности 0,5; 1,0; 2,0; 2,5;
б) при cosj = 1 (sinj = 1) и токах 10% номинального и номинальном, при cosj = 0,5 инд (sinj = 0,5 инд) и номинальном токе - для счетчиков классов точности 1,5 и 3,0.
Коэффициент Kf %/1%, следует вычислять по формуле
Kf = 0,2 (Dc ' - Dc ),
9.16 Коэффициент Kt изменения систематической составляющей относительной погрешности при изменении температуры окружающего воздуха от среднего значения в пределах рабочих температур (6.7.3) следует определять при cosj = 1 (sinj = 1) и токах 10 и 100% номинального и максимальном; при cosj = 0,5 инд (sinj = 0,5 инд) и токах 20 и 100% номинального и максимальном.
Перед определением Dc и Dc ' счетчики необходимо выдерживать при установившейся температуре в течение 2 ч при массе счетчиков до 2 кг и 3 ч - при массе 2 кг и более при номинальных напряжении, токе, частоте и cosj = 1 (sinj = 1).
Установившаяся температура в термокамeре должна поддерживаться с точностью ±3 °С.
Коэффициент Kt , %/1 °С, следует вычислять по формуле

где tp и tcp соответственно верхнее или нижнее и среднее значения рабочей температуры, °С.
Примечание - Допускается определять температурный коэффициент при изменении температуры на ±10 °С в любом участке рабочего диапазона температур. В этом случае Kt , %/1 °С, следует вычислять по формуле
Kt = 0,1 (Dc ' - Dc )
9.17 Коэффициент Ks изменения систематической составляющей относительной погрешности при отклонении счетчика от вертикали (6.7.4) следует определять при наклонах вперед, назад, влево, вправо на 3 ° при cosj = 1 (sinj = 1) и токах: 5% номинального для счетчиков активной энергии класса точности 0,5; 1,0; 2,0; 10% номинального для счетчиков активной энергии класса точности 2,5 и реактивной энергии классов точности 1,5; 2,0; 3,0; 100% номинального для счетчиков активной энергии всех классов точности и реактивной энергии класса точности 2,0; максимальном для счетчиков всех классов точности.
Коэффициент Ks %/1 °, следует вычислять по формуле
Ks = 1 /3 (Dc ' - Dc )
9.18 Изменение систематической составляющей относительной погрешности от влияния внешнего магнитного поля Dlm , %, (6.8) следует вычислять по формуле
Dlm = Dc ' - Dc
Испытуемый счетчик следует помещать в центр круглой катушки диаметром 1 м с прямоугольным поперечным сечением и небольшой по сравнению с диаметром радиальной толщиной, м.д.с. которой составляет 400 ампер-витков.
Питание катушки осуществляется через фазорегулятор током одинаковой частоты с напряжением счетчика. Испытания проводят при сдвигах фаз между током катушки и напряжением, подаваемым на счетчик, равных 0 и 60 ° инд.
Испытание трехфазных счетчиков следует производить при питании катушки поочередно от каждой фазы при установке ротора фазорегулятора в положениях j = 0 и j = 60 ° инд.
Положения плоскости катушки по отношению к счетчику должны быть следующие:
параллельно плоскости диска;
параллельно плоскости электромагнитов;
перпендикулярно к плоскости диска и плоскости каждого электромагнита.
9.19 Испытания счетчиков на влияние магнитного поля вспомогательных устройств (6.9) проводят при включенном и выключенном вспомогательном устройстве. При этом включение катушки реле должно быть таким, при котором имеет место максимальное изменение систематической составляющей относительной погрешности.
Изменение систематической составляющей относительной погрешности следует вычислять по 9.18.
Примечание - Вспомогательное устройство счетчика питается прерывисто: например, электромагнит счетного механизма многотарифного счетчика.
Желательно, чтобы был указан правильный способ подключения вспомогательных цепей.
Если это подключение выполняется с помощью штепсельных разъемов, то должна быть предотвращена возможность изменения присоединения.
Однако при отсутствии таких обозначений или предотвращении возможности изменения подключения изменение систематической составляющей относительной погрешности не должно превышать значений, указанных в 6.9, если счетчик испытывается при самом неблагоприятном включении.
9.20 Испытание влияния порядка чередования фаз (6.10) следует проводить при cosj = 1, номинальном напряжении, номинальной частоте и токах 50 и 100% номинального и максимальном. Изменение порядка чередования фаз производят путем перестановки любых двух фаз в подключении цепей тока и напряжения счетчика.
При обратном порядке фаз и нагрузке только одного из вращающих элементов счетчиков классов точности 0,5; 1,0; 2,0 испытание следует проводить при cosj = 1, токе 50% номинального, номинальных напряжении и частоте.
9.21 При испытании счетчиков на кратковременное воздействие сверхтоком (6.11) испытательная схема должна быть практически безындукционной, а на зажимы цепи напряжения счетчика должно быть подано номинальное напряжение номинальной частоты.
Изменение систематической составляющей относительной погрешности DlI , %, от кратковременного воздействия указанным током определяют при номинальных напряжении, частоте, cosj = 1 (sinj = 1) и токе 100% номинального и вычисляют по формуле
DlI = Dc ' - Dc
При этом Dc определяют до воздействия, Dc ' - после выдержки счетчиков при номинальном напряжении в течение 1 ч после воздействия сверхтока.
9.22 При испытании счетчиков на влияние нагрева (6.12) цепи напряжения счетчиков следует выдерживать под номинальным напряжением в течение времени, указанного в 9.2.
После этого все токовые цепи должны быть нагружены максимальным током.
Систематическую составляющую относительной погрешности следует определять непосредственно после включения токовых цепей и через промежутки времени, достаточно короткие дли снятия кривой изменения погрешности в зависимости от нагрева.
Продолжительность испытания - не менее 1 ч. Испытание можно считать законченным, когда изменение систематической составляющей относительной погрешности в течение 20 мин не превышает 0,2%.
Испытание следует проводить отдельно при cosj = 1 и cosj = 0,5 инд (sinj = 1 и sinj = 0,5 инд).
Изменение систематической составляющей относительной погрешности от нагрева вычисляется как разность между начальным значением погрешности и установившимся в процессе испытания.
9.23 Изменение систематической составляющей относительной погрешности счетчика от влияния механической нагрузки одно- или многотарифным счетным механизмом (6.13) следует определять испытанием счетчиков с введенным и выведенным из зацепления счетным механизмом.
Изменение систематической составляющей относительной погрешности Dln , %, вычисляют по формуле
Dln = Dc ' - Dc
Примечание - Воздействие компенсируется при регулировании счетчика.
9.24 Испытание счетчиков на влияние третьей гармоники в кривой тока (6.14) следует проводить при наиболее неблагоприятном сдвиге фаз третьей гармоники тока по отношению к току основной частоты.
Коэффициент нелинейных искажений в цепи напряжения должен быть менее 1%.
9.25 Отсутствие самохода (6.15) проверяют при вращении только одного барабана счетного механизма барабанного типа.
По требованию заказчика при остановке диска метка на ребре диска должна быть видна в прорези щитка.
Для счетчиков, конструкцией антисамоходного устройства которых обеспечивается положение метки диска в прорези щитка, допускается проверку самохода при приемо-сдаточных испытаниях проводить следующим образом: диск следует установить так, чтобы метка диска расположилась в прорези симметрично относительно краев прорези на щитке. Подать на счетчик напряжение, равное 110 и 80% номинального, и убедиться, что в течение 10 мин края метки диска не ушли за края прорези на щитке.
9.26 Проверку порога чувствительности (6.16) следует проводить при номинальном напряжении, cosj = 1 (sinj = 1) и соответствующем токе.
Диск счетчика должен начать вращение и сделать нe менее одного оборота за время, не превышающее T , при этом для счетчика со счетным механизмом барабанного типа допускается вращение не более двух барабанов (переход с показания "9" на "0" только барабана младшего разряда). Погрешность определения мощности не должна превышать ±10%. Время T , мин, следует определять по формуле
,
где n ном - скорость вращения диска при номинальной нагрузке, об/мин;
m - порог чувствительности, % номинального тока.
9.27 Превышение температуры Dt обмоток счетчика (6.17) следует определять методом сопротивления и вычислять по формуле

где t 0 - начальная температура, °С;
rt - сопротивление обмотки при температуре перегрева;
r 0 - сопротивление обмотки при начальной температуре.
Сопротивление обмоток следует измерять на зажимах счетчика мостом класса точности 0,5 и более точным.
Превышение температуры наружной поверхности корпуса следует определять с помощью термопары и милливольтметра. Погрешность измерения температуры и (или) ее превышение не должны превышать 3%.
Все токовые цепи счетчика должны быть нагружены максимальным током, ко всем цепям напряжения и вспомогательным цепям должны быть приложены напряжения, равные 120% номинального, и при cosj = 1 (sinj =1).
Счетчик должен находиться во включенном состоянии не менее 2 ч.
Во время испытаний счетчик не должен подвергаться воздействию воздушных потоков или прямой солнечной радиации.
Температура окружающего воздуха во время испытания не должна превышать 40 °С.
При измерении сопротивления цепи кабель, используемый для питания счетчика, должен иметь длину около 1 м и поперечное сечение, при котором плотность тока менее 4 А/мм2 .
Если счетчик имеет шунты, соединенные с их токовыми цепями, превышение температуры должно быть измерено (все цепи счетчика нагружены, как указано выше) непосредственно термопарой.
Требования к превышению температуры относятся только к токовым обмоткам, но не к шунтам.
После испытания счетчик должен быть без видимых повреждений и должен выдерживать испытания напряжением по 6.21 - 6.24.
9.28 Испытание счетчиков на влияние транспортной тряски (6.18) необходимо проводить в течение 2 ч на испытательном стенде, создающем тряску в вертикальном направлении. Ящик с упакованными счетчиками должен быть укреплен на стенде без наружной амортизации в положении, определенном имеющейся на ящике надписью "Верх".
В случае отсутствия испытательного стенда допускается испытания на влияние транспортной тряски проводить транспортированием счетчиков в грузовом автомобиле.
Ящик с упакованными счетчиками должен быть закреплен в кузове автомобиля, движущегося по дорогам с неусовершенствованным покрытием со средней скоростью 40 км/ч на расстояние 200 км.
До и после испытаний счетчики проверяют на соответствие требованиям 6.4 при номинальных токе и напряжении и требованиям 6.15 и 6.16.
9.29 Испытания счетчиков на тепло-, холодо- и влагоустойчивость (5.2); на тепло-, холодо- и влагопрочность в потребительской таре (6.19) следует проводить по ГОСТ 22261.
Время выдержки счетчиков в условиях установившейся температуры при испытаниях должно быть, ч:
2-3 - в зависимости от массы счетчика (9.16) при испытаниях на тепло- и холодоустойчивость;
6 - при испытаниях на тепло- и холодопрочность;
48 - при испытаниях на влагоустойчивость и влагопрочность.
В течение испытаний на теплоустойчивость счетчики должны быть подключены на номинальное напряжение.
В процессе испытаний на тепло-, холодо- и влагоустойчивость счетчики следует проверять на соответствие требованиям 6.7.3 при номинальных токе, напряжении и частоте при cosj = 1 (sinj = 1) и cosj = 0,5 инд (sinj = 0,5 инд).
До и после испытаний на тепло-, холодо- и влагоустойчивость, а также на тепло-, холодо- и влагопрочность счетчики следует проверять на соответствие требованиям 6.4; 6.15; 6.16. До и после испытаний на влагоустойчивость счетчики следует проверять также на соответствие требованиям 6.21 - 6.25.
Время выдержки счетчиков в нормальных климатических условиях перед проверкой характеристик после каждого вида испытаний должно быть не менее, ч:
2 - при испытаниях на тепло- и холодоустойчивость;
12 - при остальных видах испытаний.
Примечания
1 Испытаниям на влагоустойчивость следует подвергать только счетчики в тропическом исполнении.
2 В процессе испытаний на тепло- и холодоустойчивость допускается определять Kt по 9.16.
9.30 Испытания счетчиков на грибостойкость (6.20) - по ГОСТ 9.048.
9.31 Испытания электрической прочности изоляции счетчика (6.21 - 6.25) следует проводить в нормальных условиях применения:
температура окружающей среды от 15 до 25 °С;
относительная влажность воздуха от 45 до 75%;
атмосферное давление от 86 до 106 кПа (от 860 до 1060 мбар).
Во время испытаний изоляция не должна подвергаться воздействию пыли или влажности, не соответствующей нормальным условиям.
Счетчик должен выдерживать испытания импульсным напряжением и напряжением переменного тока, изложенные в 9.32; 9.33, при этом сначала следует проводить испытания импульсным напряжением, а затем испытания напряжением переменного тока.
Этим испытаниям счетчик должен подвергаться только один раз.
При необходимости повторных испытаний следует использовать другие образцы или проводить повторные испытания напряжением, пониженным на 10% на каждое повторное испытание, но не более чем на 20% в целом.
При проведении испытаний результаты испытаний электрической прочности изоляции считаются действительными только для расположения (устройства) зажимов проверенного счетчика. В случае иного расположения (устройства) зажимов все испытания электрической прочности изоляции должны быть проверены снова.
При испытании электрической прочности изоляции термин "земля" имеет следующий смысл:
а) если корпус счетчика изготовлен из металла, "землей" является сам корпус, установленный на плоской токопроводящей поверхности;
б) если корпус счетчика или хотя бы часть его изготовлена из изоляционного материала, "Землей" является проводящая пленка из фольги, охватывающая счетчик и присоединенная к плоской токопроводящей поверхности, на которой установлен цоколь счетчика или металлические наружные части корпуса. Проводящая пленка из фольги должна находиться от зажимов и от отверстий для проводов на расстоянии не менее 20 мм.
Во время испытаний импульсным напряжением и напряжением переменного тока цепи, которые не подвергаются испытаниям, присоединяются либо к стойке, либо к "Земле".
Во время испытаний не должны происходить разряд или пробой изоляции.
После этих испытаний по согласованию с заказчиком для счетчиков, разработанных после 01.07.97, изменение систематической составляющей относительной погрешности счетчика, выраженное в процентах, не должно быть более недостоверности (неточности) измерений, указанных в 9.5.
9.32 Испытание электрической прочности изоляции импульсным напряжением (6.21) следует проводить напряжениям, форма кривой которого типа 1,2/50, т.е. такими импульсами, передний фронт которых составляет 1,2 мкс, а спад до половинного значения - 50 мкс.
Испытательное напряжение с пиковым значением 6000 В следует подавать десять раз с интервалом между импульсами 1 мин. Все импульсы должны быть одинаковой полярности.
При десятикратном подключении испытательного напряжения ни один из импульсов не должен привести к образованию дуги. Испытания следует проводить независимо на каждой цепи (или совокупности цепей), которые в условиях эксплуатации изолированы от других цепей счетчика. Зажимы цепей, не подвергаемых испытанию импульсным напряжением, должны быть соединены с "Землей".
Если в условиях эксплуатации цепи напряжения и тока вращающего элемента соединены между собой, испытанию следует подвергать весь узел. В этом случае другой конец каждой цепи напряжения должен быть соединен поочередно с "Землей", а импульсное напряжение следует прикладывать соответственно между каждым свободным концом токовой цепи и "Землей".
Если цепи напряжения счетчика имеют общую точку, она должна быть соединена с "Землей", а импульсное напряжение должно быть приложено соответственно между свободным концом токовой цепи или цепи напряжения и "Землей".
Если в условиях эксплуатации цепи тока и напряжения вращающего элемента изолированы друг от друга и имеют соответствующую изоляцию, испытание следует проводить отдельно на каждой цепи.
При испытании цепи тока зажимы других цепей должны бьггь соединены с "Землей", а импульсное напряжение должно быть приложено между одним из зажимов тока и "Землей".
Во время испытаний цепи напряжения зажимы отдельных цепей и один из зажимов испытуемой цепи напряжения должны быть соединены с "Землей", а импульсное напряжение должно быть приложено между другим зажимом цепи напряжения и "Землей".
Вспомогательные цепи, предназначенные для непосредственного присоединения к сети или к тем же трансформаторам напряжения, что и цепи счетчика, с номинальным напряжением выше 40 В должны быть подвергнуты испытаниям импульсным напряжением по методике испытания цепей напряжения. Другие вспомогательные цепи этому испытанию не подвергают.
При испытании изоляции электрических цепей относительно "Земли" все зажимы электрических цепей счетчика, включая зажимы его вспомогательных цепей с номинальным напряжением выше 40 В, должны быть соединены между собой.
Все вспомогательные цепи с номинальным напряжением, равным 40 В или ниже этого значения, должны быть соединены с "Землей".
Импульсное напряжение должно быть приложено между всеми электрическими цепями и "Землей".
9.33 Испытания электрической прочности изоляции напряжением переменного тока (6.22 - 6.25) следует проводить на установке, позволяющей плавно повышать испытательное напряжение практически синусоидального переменного тока частотой 50 Гц от нуля до заданного значения. Допускается выбирать другую частоту переменного тока в диапазоне частот 45 - 65 Гц. Скорость изменения напряжения должна быть такой, чтобы испытательное напряжение изменялось от нуля до заданного значения за время от 5 до 20 с. Уменьшение испытательного напряжения до нуля должно производиться с такой же скоростью. Значения испытательного напряжения должны соответствовать указанным в 6.22 - 6.25. Испытательное напряжение должно быть приложено в течение 1 мин.
Допускается длительность испытаний 1 с при условии повышения испытательного напряжения на 25%. При этом допускается испытательное напряжение подавать и снимать мгновенно, если оно прикладывается между "Землей" либо стойкой, и последовательно каждой испытуемой цепью счетчика без соединения зажимов испытуемых цепей.
Мощность источника испытательного напряжения должна быть не менее 500 В·А.
9.33.1 При испытании счетчиков на соответствие требованиям 6.22 испытательное напряжение должно быть приложено:
у счетчиков с металлическим корпусом между всеми соединенными вместе с зажимами испытуемых цепей и винтом для заземления корпуса;
у счетчиков с корпусом из изоляционного материала между всеми соединенными вместе зажимами испытуемых цепей и стойкой или "Землей" или металлическими наружными частями корпуса;
при проверке электрической прочности изоляции раздельных электрических цепей между всеми соединенными вместе зажимами одной цепи и соединенными вместе зажимами другой цепи.
Появление "короны" и шума, а также дрожание диска при испытании не являются признаками неудовлетворительной изоляции.
Допускается испытание электрической прочности изоляции вновь изготовленных счетчиков и счетчиков, прошедших ремонт, проводить до поверки техническим контролем предприятия-изготовителя. В этом случае повторные испытания электрической прочности изоляции не проводят.
9.33.2 Испытания счетчика на соответствие требованиям 6.23 [перечисления а) - г)] проводят при снятых кожухе и крышке зажимов.
Испытания по перечислениям а) и б) следует проводить на счетчиках, предназначенных для включения через измерительные трансформаторы, а также на некоторых специальных счетчиках с отдельными обмотками тока и напряжения.
Если цепи напряжения многофазного счетчика в условиях эксплуатации имеют общую точку, то она должна быть сохранена во время испытания по перечислению г). В этом случае совокупность всех цепей вращающих элементов подвергают только одному испытанию. Цепи, подвергаемые испытаниям по перечисленным а) и б), не подлежат испытанию по перечислению г).
9.33.3 При испытании счетчика с изолирующим корпусом класса защиты II на соответствие требованиям 6.24 испытательное напряжение 4000 В должно быть приложено между всеми соединенными вместе зажимами испытуемых цепей и "Землей".
9.33.4 Испытание напряжением 40 В счетчика с изолирующим корпусом класса защиты II на соответствие требованиям 6.25 допускается не проводить, если при визуальном контроле достаточность дополнительной изоляции не вызывает сомнений.
9.34 Испытание счетчика на соответствие требованиям 6.27 следует проводить при помощи пружинного ударного устройства по ГОСТ 27570.0.
Счетчик должен находиться в положении, в котором его эксплуатируют. При помощи ударного устройства наносят по одному удару с моментом силы (0,22±0,05) Н·м на каждую поверхность корпуса счетчика, включая и поверхности, имеющие окно, а также крышку зажимов. Удары по стеклу не допускаются.
Испытания считают удовлетворительными, если на корпусе счетчика и на крышке зажимов не обнаружены трещины, поломки и другие дефекты, которые могут оказывать влияние на работу счетчика.
9.35 Измерение сопротивления изоляции (6.34) следует проводить по ГОСТ 22261.
Значения напряжения, при котором измеряют сопротивление изоляции, и времени, по истечении которого проводят отсчет показаний, и также цепи, подлежащие проверке, должны быть установлены в технических условиях на счетчики конкретного типа.
9.36 Емкость учета счетного механизма (6.39) и время изменения показаний счетного механизма на одну единицу младшего разряда (6.40) определяют по формулам:
,
,
где tc - емкость учета счетного механизма, ч;
t м - время изменения показаний на единицу младшего ряда (первого барабана справа), мин;
Pmax - мощность при максимальной нагрузке, кВт, квар;
Л - число разрядов (барабанов) слева от запятой;
П - число разрядов (барабанов) справа от запятой.
9.37 Испытание функции переключающего устройства многотарифного счетчика (6.42) должно проводиться при его номинальном напряжении, а также при напряжении, равном 80 и 120% номинального.
9.38 Испытание стопора обратного хода (6.44) следует проводить при максимальном токе и sinj = 1 (cosj = 1), номинальном напряжении и номинальной частоте. Для создания обратного направления вращения диска фазорегулятором создают такой сдвиг, чтобы показания на ваттметрах стали отрицательными, для чего переключатели полярности на ваттметрах следует установить в положение " - ".
Обратное направление вращения диска допускается создавать другими способами, например, изменением направления тока в токовой цепи счетчика.
Счетчик считают выдержавшим испытание, если в этих условиях диск счетчика сделает не более одного полного оборота справа налево.
9.39 Запасы регулировки (6.47) следует определять путем измерения скорости вращения подвижной части счетчика при помощи регулирующих органов в сторону увеличения и уменьшения скорости от фиксированного положения в отрегулированном счетчике.
Запас регулировки Dр, %, вычисляют по формуле
,
где t 0 - время, за которое диск совершает N оборотов при заданной мощности нагрузки в отрегулированном счетчике, с;
t - то же, при смещенном в крайние положения регулировочном элементе, с.
Число оборотов N выбирают таким, чтобы при данной нагрузке t 0 было не менее 50 с.
Примечание - По требованию заказчика для трехфазных счетчиков проверка пределов регулирования при индуктивной нагрузке должна быть сделана на каждом вращающем элементе, когда по цепи тока каждого элемента течет ток, значение которого составляет половину номинального тока с отставанием на 60 ° от напряжения на зажимах данного элемента, а ко всем цепям напряжения вращающих элементов приложено симметричное междуфазное напряжение, среднеквадратическое значение которого равно номинальному напряжению, в последовательности фаз, указанной на схеме включения.
9.40 Методика испытаний счетчиков на безотказность (6.47.2), контроля среднего срока службы (6.47.3), условия и режимы, при которых проводят испытания, должны быть установлены в технических условиях на счетчики конкретного типа.
Определение межповерочного интервала рекомендуется проводить по методике, установленной в технических условиях на счетчики конкретного типа.
9.41 Значение эквивалентного (по энергии) уровня звука (7.4) следует проверять шумомером с характеристикой типа А в свободном звуковом поле по ГОСТ 12.1.026 при следующих режимах работы счетчика:
а) напряжении 110% номинального (режим самохода);
б) номинальном напряжении, максимальном токе и cosj = 1 (sinj = 1).
9.42 Испытание на невоспламеняемость (7.5) - по ГОСТ 27483.
9.42.1 Испытания проводят при нормальных климатических условиях по ГОСТ 20.57.406 в чистом помещении без воздействия дополнительных факторов, искажающих результаты испытания (сквозняков, вибрации, изменения температуры и т.д.).
При испытании отдельные части счетчика должны быть подвергнуты воздействию раскаленной петлей температурой:
(960±15) °С - для зажимного блока;
(650±10) °С - для крышки зажимов и корпуса счетчика.
Раскаленная петля должна быть приведена в соприкасание с любым местом на поверхности испытуемых частей. Если зажимная плата является неотъемлемой частью цоколя, то достаточно подвергать испытанию только зажимную плату.
Сила нажатия раскаленной петли на испытуемую часть при смещении раскаленной петли в плоскость соприкасания со счетчиком должна составлять от 0,8 до 1,2 Н. Время выдержки (30±1) с.
9.42.2 Аппаратура, используемая при испытании, и оценка результатов испытаний - по ГОСТ 27483.
Допускается контроль температуры раскаленной петли производить пирометром спектрального отношения.
При этом отдельные части счетчика подвергаются воздействию раскаленной петлей температурой:
(960±20) °С - для зажимного блока;
(650±15) °С - для крышки зажимов и корпуса счетчика.
9.42.3 Перед началом испытаний счетчик выдерживают в нормальных климатических условиях испытаний по ГОСТ 20.57.406 в течение 24 ч. Проводят внешний осмотр.
Испытания проводят предпочтительно в помещении с тусклым освещением, чтобы возникающее пламя было четко видно. Счетчик устанавливают в рабочем положении, располагая испытуемую часть вертикально. Наконечником раскаленной петли нажимают на места поверхности наименьшей толщины (при этом толщина их должна быть равной), удаленные от верхнего края счетчика не менее чем на 15 мм с силой, установленной в 9.42.1.
Время воспламенения и окончания горения счетчика или шелковидной бумаги регистрируют секундомером.
Испытаниям на невоспламеняемость подвергают один образец. Если результаты испытаний вызывают сомнение, то испытания следует повторить на двух других образцах.
10. ТРАНСПОРТИРОВАНИЕ И ХРАНЕНИЕ
10.1 Транспортирование счетчиков должно проводиться только в закрытом транспорте (железнодорожных вагонах, контейнерах, закрытых автомашинах, трюмах судов и т.д.).
При транспортировании самолетом счетчики должны быть размещены в отапливаемых герметизированных отсеках.
Условия транспортирования счетчиков в части воздействия климатических факторов - по группе условий хранения ОЖ4 ГОСТ 15150;
счетчиков, предназначенных для эксплуатации в районах с тропическим климатом, - по группе ОЖ2 ГОСТ 15150.
10.2 Хранение счетчиков следует осуществлять по ГОСТ 22261 и настоящему стандарту.
Счетчики следует хранить в транспортной или потребительской таре.
При хранении в потребительской таре на полках или стеллажах счетчики должны быть уложены не более чем в 10 рядов по высоте с применением прокладочных материалов через 5 рядов и не ближе 0,5 м от отопительной системы.
Хранение счетчиков без потребительской тары допускается только в ремонтных мастерских. При этом счетчики должны быть уложены не более чем в 5 рядов по высоте, с применением прокладочных материалов между рядами.
В качестве прокладки следует применять любой материал достаточной прочности (картон, фанера и т.п.).
10.3 Условия хранения счетчиков, предназначенных для эксплуатации в районах с тропическим климатом, должны соответствовать группе ОЖ2 ГОСТ 15150.
10.4 К транспортированию и хранению счетчиков, предназначенных на экспорт, допускается предъявлять требования, отличные от установленных в настоящем стандарте, в соответствии с условиями договора.
11. УКАЗАНИЯ ПО ЭКСПЛУАТАЦИИ
11.1 Эксплуатация счетчика должна проводиться в соответствии с эксплуатационной документацией, входящей в комплект документации.
12. ГАРАНТИИ ИЗГОТОВИТЕЛЯ
12.1 Изготовитель гарантирует соответствие счетчиков всем требованиям настоящего стандарта и технических условий на счетчики конкретного типа при соблюдении условий эксплуатации, транспортирования и хранения.
12.2 Гарантийный срок хранения - 6 мес с момента изготовления счетчиков, гарантийный срок эксплуатации - 24 мес со дня ввода счетчиков в эксплуатацию или со дня продажи для счетчиков, реализуемых через розничную торговую сеть.
ПРИЛОЖЕНИЕ А
(справочное)
ПРИМЕРЫ ОБОЗНАЧЕНИЯ СЧЕТЧИКОВ
СО - однофазные непосредственного включения или трансформаторные активной энергии;
СОУ - однофазные трансформаторные со вторичным или смешанным счетным механизмом активной энергии;
САЗ - трехфазные непосредственного включения или трансформаторные трехпроводные активной энергии;
СА4 - то же, четырехпроводные;
СР4 - трехфазные непосредственного включения или трансформаторные трех- и четырехпроводные реактивной энергии;
САЗУ - трехфазные трансформаторные со вторичным или смешанным счетным механизмом трехпроводные активной энергии;
СА4У - то же, четырехпроводные;
СР4У - трехфазные трансформаторные со вторичным или смешанным счетным механизмом трех- и четырехпроводные реактивной энергии.
В обозначениях счетчиков буквы и цифры означают:
С - счетчик; О - однофазный; А - активной энергии; Р - реактивной энергии; У - со вторичным или смешанным счетным механизмом (универсальный); 3 или 4 - для трех- или четырехпроводной сети.
ГОСТ 7399-97
Группа Е46
МЕЖГОСУДАРСТВЕННЫЙ СТАНДАРТ
ПРОВОДА И ШНУРЫ НА НОМИНАЛЬНОЕ НАПРЯЖЕНИЕ ДО 450/750 В
Технические условия
Wires and cords of voltage up to and including 450/750 V.
Specifications
МКС 29.060.0
ОКП 35 5000*
________________
(Измененная редакция, Изм. N 1)
Дата введения 1998-01-01
Предисловие
1 РАЗРАБОТАН Российской Федерацией
ВНЕСЕН Госстандартом России
2 ПРИНЯТ Межгосударственным Советом по стандартизации, метрологии и сертификации (протокол N 11-97 от 25 апреля 1997 г.)
За принятие проголосовали:
| Наименование государства |
Наименование национального органа по стандартизации |
| Азербайджанская Республика |
Азгосстандарт |
| Республика Армения |
Армгосстандарт |
| Республика Белоруссия |
Госстандарт Белоруссии |
| Республика Казахстан |
Госстандарт Республики Казахстан |
| Киргизская Республика |
Киргизстандарт |
| Республика Молдова |
Молдовастандарт |
| Российская Федерация |
Госстандарт России |
| Республика Таджикистан |
Таджикгосстандарт |
| Туркменистан |
Главная государственная инспекция Туркменистана |
| Республика Узбекистан |
Узгосстандарт |
3 Постановлением Государственного комитета Российской Федерации по стандартизации, метрологии и сертификации от 11 сентября 1997 г. N 304 межгосударственный стандарт ГОСТ 7399-97 введен в действие непосредственно в качестве государственного стандарта Российской Федерации с 1 января 1998 г.
4 Стандарт соответствует международным стандартам МЭК 60227-1-93 с изменениями N 1 (1995) и N 2 (1998), МЭК 60227-2-97, МЭК 60227-5-97 с изменением N 1 (1997), МЭК 60245-1-94 с изменениями N 1 (1997) и N 2 (1997), МЭК 60245-2-94 с изменениями N 1 (1997) и N 2 (1997), МЭК 60245-4-94 с изменением N 1 (1997)
(Измененная редакция, Изм. N 1).
5 ВЗАМЕН ГОСТ 7399-80
ВНЕСЕНО Изменение N 1, принятое Межгосударственным Советом по стандартизации, метрологии и сертификации от 18.10.2000 N 18. Государство-разработчик Россия. Постановлением Госстандарта России от 11.03.2001 N 117-ст Изменение N 1 введено в действие на территории РФ с 01.01.2002 и опубликованное в ИУС N 6, 2001 год
ВНЕСЕНА поправка согласно ИУС 5/2002
1. ОБЛАСТЬ ПРИМЕНЕНИЯ
Настоящий стандарт распространяется на провода и шнуры с медными жилами с поливинилхлоридной изоляцией и с медными и медными лужеными жилами с резиновой изоляцией, предназначенные для присоединения электрических машин и приборов бытового и аналогичного применения к электрической сети номинальным переменным напряжением до 450/750 В.
Требования по безопасности изложены в 3.2, 4.1.2.1-4.1.3.9, 4.1.4.4, 4.1.4.5, 4.1.5.1, 4.1.5.2.
2 НОРМАТИВНЫЕ ССЫЛКИ
В настоящем стандарте использованы ссылки на следующие стандарты:
ГОСТ 20.57.406-81 Комплексная система контроля качества. Изделия электронной техники, квантовой электроники и электротехнические. Методы испытаний
ГОСТ 427-75 Линейки измерительные металлические. Технические условия
ГОСТ 2789-73 Шероховатость поверхности. Параметры и характеристики
ГОСТ 2990-78 Кабели, провода и шкуры. Методы испытания напряжением
ГОСТ 3345-76 Кабели, провода и шнуры. Метод определения электрического сопротивления изоляции
ГОСТ 7229-76 Кабели, провода и шнуры. Метод определения электрического сопротивления токопроводящих жил и проводников
ГОСТ 12176-89 Кабели, провода и шнуры. Методы проверки на нераспространение горения
ГОСТ 12177-79 Кабели, провода и шнуры. Методы проверки конструкции
ГОСТ 12182.1-80 Кабели, провода и шнуры. Методы проверки стойкости к многократному перегибу через систему роликов
ГОСТ 12182.8-80 Кабели, провода и шнуры. Метод проверки стойкости к изгибу
ГОСТ 15150-69 Машины, приборы и другие технические изделия. Исполнения для различных климатических районов. Категории условия эксплуатации, хранения и транспортирования в части воздействия климатических факторов внешней среды
ГОСТ 16962.1-89 Изделия электротехнические. Методы испытаний на устойчивость к климатическим внешним воздействующим факторам
ГОСТ 17491-80 Кабели, провода и шнуры с резиновой и пластмассовой изоляцией и оболочкой. Методы испытания на холодостойкость
ГОСТ 18690-82 Кабели, провода, шнуры и кабельная арматура. Маркировка, упаковка, транспортирование и хранение
ГОСТ 22220-76 Кабели, провода и шнуры. Методы определения стойкости изоляции и оболочек из поливинилхлоридного пластиката к растрескиванию и деформации при повышенной температуре
ГОСТ 22483-77 Жилы токопроводящие медные и алюминиевые для кабелей, проводов и шнуров. Основные параметры. Технические требования
ГОСТ 25018-81 Кабели, провода и шнуры. Методы определения механических показателей изоляции и оболочки
(Измененная редакция, Изм. N 1).
3 ОСНОВНЫЕ ПАРАМЕТРЫ И РАЗМЕРЫ
3.1 Марки проводов и шнуров и их наименования должны соответствовать указанным в таблице 1.
Таблица 1
| Марка |
Наименование |
| ШОГ |
Шнур с параллельными жилами, с поливинилхлоридной изоляцией, особо гибкий, на напряжение до 300 В для систем 300/300 В |
| ШВП |
То же, повышенной гибкости |
| ШВД |
Шнур одножильный, с поливинилхлоридной изоляцией, повышенной гибкости, на напряжение до 300 В для систем 300/300 В |
| ШВВП |
Шнур с параллельными жилами, с поливинилхлоридной изоляцией, с поливинилхлоридной оболочкой, гибкий на напряжение до 380 В для систем 380/380 В |
| ШВЛ |
То же, со скрученными жилами |
| ПВС |
Провод со скрученными жилами с поливинилхлоридной изоляцией, с поливинилхлоридной оболочкой, гибкий, на напряжение до 380 В для систем 380/660 В |
| ПВСП |
То же, с параллельными жилами |
| ШРО |
Шнур со скрученными жилами, с резиновой изоляцией, в оплетке из хлопчатобумажной швейной нитки, синтетической нити или из их комбинации, гибкий, на напряжение до 380 В для систем 380/380 В |
| ПРС |
Провод со скрученными жилами, с резиновой изоляцией, с резиновой оболочкой, гибкий, на напряжение до 380 В для систем 380/660 В |
| ПРМ |
Провод со скрученными жилами, с резиновой изоляцией, с оболочкой из маслостойкой резины, гибкий, на напряжение до 380 В для систем 380/660 В |
| ПСГ |
Провод одножильный или со скрученными жилами, с резиновой изоляцией, с усиленной оболочкой из маслостойкой резины, на напряжение до 450 В для систем 450/750 В |
| Примечания 1 Шнур марки ШОГ может изготовляться в спиральном исполнении мерными длинами, при этом к марке шнура через дефис добавляют букву С": ШОГ-С. 2 Преимущественные области применения проводов и шнуров указаны в приложении А. 3 (Исключено, Изм. N 1). 4 Провода и шнуры в зависимости от конструкции обеспечивают подключение электроприборов всех классов защиты по элекгробезопасности. |
|
(Измененная редакция, Изм. N 1).
Коды ОКП проводов и шнуров приведены в приложении Б.
Расчетная масса проводов и шнуров приведена в приложении В.
3.2 Число, номинальные сечения, классы жил, номинальные толщины изоляции и оболочки, наружные размеры проводов и шнуров должны соответствовать указанным в таблице 2.
Таблица 2
| Марка |
Число и номинальное |
Класс жилы по ГОСТ |
Номинальная толщина, мм |
Наружные размеры, мм |
Электрическое сопротивление |
||
| сечение жил, мм2 |
22483, не ниже, или конструкция |
изоляции |
оболочки |
минимальный |
максимальный |
изоляции при 70 °С, МОм на 1 км, не менее |
|
| ШОГ |
- |
Две жилы из мишурных нитей |
|||||
| 0,8 |
- |
2,2х4,4 |
3,5х7,0 |
0,019 |
|||
| 2,4х5,0* |
3,0х6,0* |
||||||
| 2х0,50 |
2,4х4,9 |
3,0х5,9 |
0,016 |
||||
| 2,5х5,0* |
2,8х5,6* |
||||||
| ШВП |
2х0,75 |
6 |
0,8 |
- |
2,6х5,2 |
3,1х6,3 |
0,014 |
| 2,7х5,4* |
3,0х6,0* |
||||||
| 1х0,50 |
2,3 |
2,7 |
0,014 |
||||
| ШВД |
1х0,75 |
6 |
0,7 |
- |
2,4 |
2,9 |
0,012 |
| 2х0,50 |
3,0х4,9 |
3,4х5,4 |
0,012 |
||||
| 3,0х4,9* |
3,7х5,9* |
||||||
| ШВВП |
2х0,75 |
3,2х5,2 |
3,8х6,3 |
0,010 |
|||
| 5 |
0,5 |
0,6 |
3,2х5,2* |
3,6х5,8* |
|||
| 3х0,50 |
3,0х6,8 |
3,7х8,2 |
0,012 |
||||
| 3,0х6,8* |
3,3х7,4* |
||||||
| 3х0,75 |
3,2х7,2 |
3,8х8,7 |
0,010 |
||||
| 3,2х7,4* |
3,6х8,2* |
||||||
| 2х0,50 |
4,6 |
5,9 |
0,012 |
||||
| 4,8* |
5,4* |
||||||
| 2х0,75 |
5 |
0,5 |
0,6 |
4,9 |
6,3 |
0,010 |
|
| ШВЛ |
5,2* |
5,8* |
|||||
| 3х0,50 |
4,9 |
6,3 |
0,012 |
||||
| 5,0* |
5,7* |
||||||
| 3х0,75 |
0,5 |
0,6 |
5,2 |
6,7 |
0,010 |
||
| 5,4* |
6,1* |
||||||
| 2х0,75 |
0,6 |
0,8 |
5,7 |
7,2 |
0,011 |
||
| 6,0* |
6,6* |
||||||
| 2х1,00 |
0,6 |
0,8 |
5,9 |
7,5 |
0,010 |
||
| 6,4* |
7,0* |
||||||
| 2х1,50 |
0,7 |
0,8 |
6,8 |
8,6 |
0,010 |
||
| 7 4* |
8,2* |
||||||
| 2х2,50 |
0,8 |
1,0 |
8,4 |
10,6 |
0,009 |
||
| 3х0,75 |
0,6 |
0,8 |
6,0 |
7,6 |
|||
| ПВС |
5 |
6,4* |
7,0* |
0,011 |
|||
| 3х1,00 |
0,6 |
0,8 |
6,3 |
8,0 |
0,010 |
||
| 6,8* |
7,6* |
||||||
| 3х1,50 |
0,7 |
0,9 |
7,4 |
9,4 |
0,010 |
||
| 8,0* |
8,8* |
||||||
| 3х2,50 |
0,8 |
1,1 |
9,2 |
11,4 |
0,009 |
||
| 4х0,75 |
0,6 |
0,8 |
6,6 |
8,3 |
0,011 |
||
| 4х1,00 |
0,6 |
0,9 |
7,1 |
9,0 |
0,010 |
||
| 4х1,50 |
0,7 |
1,0 |
8,4 |
10,5 |
0,010 |
||
| 4х2,50 |
0,8 |
1,1 |
10,1 |
12,5 |
0,009 |
||
| 5х0,75 |
0,6 |
0,9 |
7,4 |
9,3 |
0,011 |
||
| 5х1,00 |
0,6 |
0,9 |
7,8 |
9,8 |
0,010 |
||
| 5х1,50 |
0,7 |
1,1 |
9,3 |
11,6 |
0,010 |
||
| 5х2,50 |
0,8 |
1,2 |
11,2 |
13,9 |
0,009 |
||
| ПВСП |
2х0,75 |
5 |
0,6 |
0,8 |
3,7х6,0 |
4,5х7,2 |
0,011 |
| 3,8х6,0* |
4,3х6,8* |
||||||
| 2х0,75 |
5,5 |
7,2 |
|||||
| 5,8* |
7,2* |
||||||
| 2х1,00 |
5,7 |
7,6 |
|||||
| 6,2* |
7,5* |
||||||
| ШРО |
2х1,50 |
5 |
0,8 |
- |
6,2 |
8,2 |
- |
| 6,8* |
8,1* |
||||||
| 3х0,75 |
5,9 |
7,7 |
|||||
| 6,2* |
7,5* |
||||||
| 3х1,00 |
6,2 |
8,1 |
|||||
| 6,6* |
7,9* |
||||||
| 3х1,50 |
6,7 |
8,8 |
|||||
| 7,2* |
8,6* |
||||||
| 2х0,75 |
0,6 |
0,8 |
5,7 |
7,4 |
|||
| 6,0* |
7,0* |
||||||
| 2х1,00 |
5 |
0,6 |
0,9 |
6,1 |
8,0 |
||
| 6,6* |
7,6* |
||||||
| 2х1,50 |
0,8 |
1,0 |
7,6 |
9,8 |
|||
| 8,0* |
9,3* |
||||||
| 2х2,50 |
0,9 |
1,1 |
9,0 |
11,6 |
|||
| 2х4,00 |
1,0 |
1,2 |
10,5 |
13,7 |
- |
||
| 3х0,75 |
0,6 |
0,9 |
6,2 |
8,1 |
|||
| 6,5* |
7,5* |
||||||
| ПРС |
3х1,00 |
0,6 |
0,9 |
6,5 |
8,5 |
||
| 7,0* |
8,1* |
||||||
| 3х1,50 |
0,8 |
1,0 |
8,0 |
10,4 |
|||
| 8,6* |
10,0* |
||||||
| 3х2,50 |
0,9 |
1,1 |
9,6 |
12,4 |
|||
| 3х4,00 |
1,0 |
1 2 |
11,3 |
14,5 |
|||
| 4х0,75 |
0,6 |
0,9 |
6,8 |
8,8 |
|||
| 4х1,00 |
0,6 |
0,9 |
7,1 |
9,3 |
|||
| 4х1,50 |
0,8 |
1,1 |
9,0 |
11,6 |
|||
| 4х2,50 |
5 |
0,9 |
1,2 |
10,7 |
13,8 |
- |
|
| 4х4,00 |
1,0 |
1,3 |
12,5 |
15,9 |
|||
| 5х0,75 |
0,6 |
1,0 |
7,6 |
9,9 |
|||
| 5х1,00 |
0,6 |
1,0 |
8,0 |
10,3 |
|||
| 5х1,50 |
0,8 |
1,1 |
9,8 |
12,7 |
|||
| 5х2,50 |
0,9 |
1,3 |
11,9 |
15,3 |
|||
| 2х0,75 |
0,6 |
0,8 |
5,7 |
7,4 |
|||
| 6,0* |
7,0* |
||||||
| 2х1,00 |
0,6 |
0,9 |
6,1 |
8,0 |
|||
| 6,6* |
7,6* |
||||||
| 2х1,50 |
0,8 |
1,0 |
7,6 |
9,8 |
|||
| 8,0* |
9,3* |
||||||
| ПРМ |
2х2,50 |
5 |
0,9 |
1,1 |
9,0 |
11,6 |
- |
| 3х0,75 |
0,6 |
0,9 |
6,2 |
8,1 |
|||
| 6,5* |
7,5* |
||||||
| 3х1,0 |
0,6 |
0,9 |
6,5 |
8,5 |
|||
| 7,0* |
8,1* |
||||||
| 3х1,50 |
0,8 |
1,0 |
8,0 |
10,4 |
|||
| 8,6* |
10,0* |
||||||
| 3х2,50 |
0,9 |
1,1 |
9,6 |
12,4 |
|||
| 4х0,75 |
0,6 |
0,9 |
6,8 |
8,8 |
|||
| 4х1,00 |
0,6 |
0,9 |
7,1 |
9,3 |
|||
| 4х1,50 |
0,8 |
1,1 |
9,0 |
11,6 |
|||
| 4х2,50 |
0,9 |
1,2 |
10,7 |
13,8 |
|||
| 5х0,75 |
0,6 |
1,0 |
7,6 |
9,9 |
|||
| 5х1,00 |
0,6 |
1,0 |
8,0 |
10,3 |
|||
| 5х1,50 |
0,8 |
1,1 |
9,8 |
12,7 |
- |
||
| 5х2,50 |
0,9 |
1,3 |
11,9 |
15,3 |
|||
| 1х1,50 |
0,8 |
1,4 |
5,7 |
7,1 |
|||
| 1х2,50 |
0,9 |
1,4 |
6,3 |
7,9 |
|||
| 1х4,00 |
1,0 |
1,5 |
7,2 |
9,0 |
|||
| 1х6,00 |
1,0 |
1,6 |
7,9 |
9,8 |
|||
| 1х10,0 |
1,2 |
1,8 |
9,5 |
11,9 |
|||
| 1х16,0 |
1,2 |
1,9 |
10,8 |
13,4 |
|||
| 1х25,0 |
1,4 |
2,0 |
12,7 |
15,8 |
|||
| 1х35,0 |
1,4 |
2,2 |
14,3 |
17,9 |
|||
| 1х50,0 |
1,6 |
2,4 |
16,5 |
20,6 |
|||
| 1х70,0 |
1,6 |
2,6 |
18,6 |
23,3 |
|||
| 1х95,0 |
1,8 |
2,8 |
20,8 |
26,0 |
|||
| ПСГ |
1х120 |
5 |
1,8 |
3,0 |
22,8 |
28,6 |
- |
| 1х150 |
2,0 |
3,2 |
25,2 |
31,4 |
|||
| 1х185 |
2,2 |
3,4 |
27,6 |
34,4 |
|||
| 1х240 |
2,4 |
3,5 |
30,6 |
38,3 |
|||
| 1х300 |
2,6 |
3,6 |
33,5 |
41,9 |
|||
| 1х400 |
2,8 |
3,8 |
37,4 |
46,8 |
|||
| 2х1,00 |
0,8 |
1,3 |
7,7 |
10,0 |
|||
| 2х1,50 |
0,8 |
1,5 |
8,5 |
11,0 |
|||
| 2х2,50 |
0,9 |
1,7 |
10,2 |
13,1 |
|||
| 2х4,00 |
1,0 |
1,8 |
11,8 |
15,1 |
|||
| 2х6,00 |
1,0 |
2,0 |
13,1 |
16,8 |
|||
| 2х10,0 |
1,2 |
3,1 |
17,7 |
22,6 |
|||
| 2х16,0 |
1,2 |
3,3 |
20,2 |
25,7 |
|||
| 2х25,0 |
1,4 |
3,6 |
24,3 |
30,7 |
|||
| 3х1,00 |
0,8 |
1,4 |
8,3 |
10,7 |
|||
| 3х1,50 |
0,8 |
1,6 |
9,2 |
11,9 |
|||
| 3х2,50 |
0,9 |
1,8 |
10,9 |
14,0 |
|||
| 3х4,00 |
1,0 |
1,9 |
12,7 |
16,2 |
|||
| 3х6,00 |
1,0 |
2,1 |
14,1 |
18,0 |
|||
| 3х10,0 |
1,2 |
3,3 |
19,1 |
24,2 |
|||
| 3х16,0 |
1,2 |
3,5 |
21,8 |
27,6 |
|||
| 3х25,0 |
1,4 |
3,8 |
26,1 |
33,0 |
|||
| 3х35,0 |
1,4 |
4,1 |
29,3 |
37,1 |
|||
| 3х50,0 |
1,6 |
4,5 |
34,1 |
42,9 |
|||
| 3х70,0 |
1,6 |
4,8 |
38,4 |
48,3 |
|||
| 3х95,0 |
1,8 |
5,3 |
43,3 |
54,0 |
|||
| 4х1,00 |
0,8 |
1,5 |
9,2 |
11,9 |
|||
| 4х1,50 |
0,8 |
1,7 |
10,2 |
13,1 |
|||
| 4х2,50 |
0,9 |
1,9 |
12,1 |
15,5 |
|||
| 4х4,00 |
1,0 |
2,0 |
14,0 |
17,9 |
|||
| ПСГ |
4х6,00 |
5 |
1,0 |
2,3 |
15,7 |
20,0 |
- |
| 4х10,0 |
1,2 |
3,4 |
20,9 |
26,5 |
|||
| 4х16,0 |
1,2 |
3,6 |
23,8 |
30,1 |
|||
| 4х25,0 |
1,4 |
4,1 |
28,9 |
36,6 |
|||
| 4х35,0 |
1,4 |
4,4 |
32,5 |
41,1 |
|||
| 4х50,0 |
1,6 |
4,8 |
37,7 |
47,5 |
|||
| 4х70,0 |
1,6 |
5,2 |
42,7 |
54,0 |
|||
| 4х95,0 |
1,8 |
5,9 |
48,4 |
61,0 |
|||
| 4х120 |
1,8 |
6,0 |
53,0 |
66,0 |
|||
| 4х150 |
2,0 |
6,5 |
58,0 |
73,0 |
|||
| 5х1,00 |
0,8 |
1,6 |
10,2 |
13,1 |
|||
| 5х1,50 |
0,8 |
1,8 |
11,2 |
14 4 |
|||
| 5х2,50 |
0,9 |
2,0 |
13,3 |
17,0 |
|||
| 5х4,00 |
1,0 |
2,2 |
15,6 |
19,9 |
|||
| 5х6,00 |
1,0 |
2,5 |
17,5 |
22,2 |
|||
| 5х10,0 |
1,2 |
3,6 |
22,9 |
29,1 |
|||
| 5х16,0 |
1,2 |
3,9 |
26,4 |
33,3 |
|||
| 5х25,0 |
1,4 |
4,4 |
32,0 |
40,4 |
|||
| * Для проводов и шнуров, предназначенных для армирования неразборной арматурой. Второе значение наружных размеров (без знака *) - для проводов и шнуров, не предназначенных для армирования неразборной арматурой, при заказе к маркам этих проводов и шнуров добавляют букву "н". |
|||||||
| Примечание - В проводах и шнурах с резиновой (кроме проводов и шнуров с наружными размерами со знаком*) и поливинилхлоридной изоляцией по требованию потребителя токопроводящие жилы должны быть изготовлены из медных луженых проволок. При заказе к марке провода или шнура добавляют букву "л". |
|||||||
(Измененная редакция, Изм. N 1).
Нижнее предельное отклонение толщины изоляции и оболочки в любом сечении не должно быть более 0,1 мм плюс 10% для изоляции и 0,1 мм плюс 15% для оболочки от значений, указанных в таблице 2.
Изоляция шнура марки ШВД должна состоять из двух слоев: минимальная толщина каждого слоя изоляции в любом сечении должна быть не менее 0,2 мм, минимальная общая толщина изоляции двух слоев - не менее 0,6 мм.
Оболочка провода марки ПСГ (кроме одножильного) с жилами сечением от 16 до 150 мм2 может состоять из двух слоев. Номинальная толщина каждого слоя в любом сечении провода должна соответствовать указанной в таблице 5.
Таблица 5*
| Число и номинальное сечение жил, мм2 |
Номинальная толщина оболочки, мм |
|
| внутреннего слоя |
наружного слоя |
|
| 2х16,0 |
1,3 |
2,0 |
| 2х25,0 |
1,4 |
2,2 |
| 3х16,0 |
1,4 |
2,1 |
| 3х25,0 |
1,5 |
2,3 |
| 3х35,0 |
1,6 |
2,5 |
| 3х50,0 |
1,8 |
2,7 |
| 3х70,0 |
1,9 |
2,9 |
| 3х95,0 |
2,1 |
3,2 |
| 4х16,0 |
1,4 |
2,2 |
| 4х25,0 |
1,6 |
2,5 |
| 4х35,0 |
1,7 |
2,7 |
| 4х50,0 |
1,9 |
2,9 |
| 4х70,0 |
2,0 |
3,2 |
| 4х95,0 |
2,3 |
3,6 |
| 4х120 |
2,4 |
3,6 |
| 4х150 |
2,6 |
3,9 |
| 5х16,0 |
1,5 |
2,4 |
| 5х25,0 |
1,7 |
2,7 |
Нижнее предельное отклонение толщины внутреннего и наружного слоев оболочки в любом месте не должно быть более 0,1 мм + 15% значений, указанных в таблице 5.
Наружный слой оболочки провода марки ПСГ должен иметь адгезию к внутреннему слою.
Разность между любыми двумя значениями наружного диаметра проводов и шнуров марок ШВЛ, ПРС и ПВС, не предназначенных для армирования неразборной арматурой, на одном и том же сечении (овальность) не должна превышать 15% максимального наружного размера, а овальность проводов и шнуров марок ШРО, ШВЛ, ПВС, ПРС, ПРМ, предназначенных для армирования неразборной арматурой, не должна превышать 5% максимального наружного размера, указанного в таблице 2.
Наружный диаметр спирали шнура марки ШОГ-С должен быть от 12 до 18 мм; по обе стороны спирали должны быть линейные концы длиной от 0,06 до 0,07 м.
Мерная длина шнура марки ШОГ-С должна быть (1,2±0,03), (1,7±0,06) или (2,2±0,06) м.
Мерной длиной спирального шнура марки ШОГ-С считают соответствующую линейную мерную длину заготовки из шнура марки ШОГ.
(Измененная редакция, Изм. N 1).
3.3 Строительная длина проводов и шнуров должна быть не менее 50 м. Допускается в партии не более 10% отрезков длиной не менее 5 м.
Допускается поставка проводов и шнуров любыми длинами, согласованными с потребителем.
По согласованию с потребителем шнур марки ШОГ может поставляться мерными длинами. Мерная длина шнура должна быть (1,2±0,03), (1,7±0,06) или (2,2±0,06) м.
(Измененная редакция, Изм. N 1).
3.4 Примеры условных обозначений
Провода марки ПВС с двумя жилами сечением 0,75 мм2 , предназначенного для армирования неразборной арматурой, исполнения У:
ПВС-У 2х0,75 ГОСТ 7399-97
То же, исполнения Т:
ПВС-Т 2х0,75 ГОСТ 7399-97
Провода марки ПВС с тремя основными жилами сечением 0,75 мм2 , предназначенного для армирования неразборной арматурой:
ПВС 3х0,75 ГОСТ 7399-97
Провода марки ПВС с двумя основными и заземляющей жилами сечением 0,75 мм2 , предназначенного для армирования неразборной арматурой:
ПВС 2х0,75+1х0,75 ГОСТ 7399-97
Провода марки ПРС с двумя жилами сечением 0,75 мм2 , не предназначенного для армирования неразборной арматурой, с лужеными жилами, в оболочке зеленого цвета:
ПРС нлц 2х0,75 ГОСТ 7399-97
Шнура марки ШОГ, предназначенного для армирования неразборной арматурой:
ШОГ ГОСТ 7399-97
То же, мерной длиной 1,7 м:
ШОГ-1,7 ГОСТ 7399-97;
То же, спирального:
ШОГ-С-1,7 ГОСТ 7399-97
(Измененная редакция, Изм. N 1).
4 ТЕХНИЧЕСКИЕ ТРЕБОВАНИЯ
Провода и шнуры должны соответствовать требованиям настоящего стандарта и изготовляться в климатических исполнениях по ГОСТ 15150:
У - категорий размещения 1, 2 или 3 (за исключением шнуров марок ШОГ, ШВД), или
Т - категории размещения 4, или
УХЛ - категории размещения 4 по технологической документации, утвержденной в установленном порядке.
(Измененная редакция, Изм. N 1).
4.1 Характеристики
4.1.1 Требования к конструкции
4.1.1.1 Токопроводящие жилы проводов и шнуров, кроме шнура марки ШОГ, должны быть изготовлены из медной или медной луженой проволоки в соответствии с таблицей 2 и соответствовать требованиям ГОСТ 22483 и ТУ 16-505.850 [1].
Направление скрутки проволок в жилу - левое.
Мишурные токопроводяшие жилы шнура марки ШОГ должны соответствовать требованиям ТУ 16-705.129 [2].
Токопроводящие жилы проводов и шнуров с поливинилхлоридной и резиновой изоляцией по требованию потребителя, проводов и шнуров с резиновой изоляцией, предназначенных для армирования неразборной арматурой, и с резиновой изоляцией исполнения Т должны быть изготовлены из медных луженых проволок.
(Измененная редакция, Изм. N 1).
4.1.1.2 Токопроводящие жилы проводов и шнуров должны быть изолированы поливинилхлоридным пластикатом или резиной в соответствии с таблицами 1 и 2.
Коэффициент эксцентриситета поливинилхлоридной изоляции - не более 10%, резиновой - не более 15%.
(Измененная редакция, Изм. N 1).
4.1.1.3 Параллельно уложенные жилы шнуров марок ШВП, ШОГ должны иметь разделение между жилами. Толщина изоляции между жилами должна быть не менее 1,6 мм.
Высота разделительного участка шнура марки ШОГ должна быть не более 0,9 мм. Изоляция между жилами, кроме шнура марки ШОГ, должна разделяться при усилии от 3 до 30 Н.
(Измененная редакция, Изм. N 1).
4.1.1.4 Изоляция, кроме шнура марки ШОГ, должна плотно прилегать к токопроводящей жиле, но легко отделяться.
4.1.1.5 Изолированные жилы проводов и шнуров марок ПВС, ПРС, ПРМ, ПСГ, ШВЛ должны быть скручены без заполнителя. Изолированные жилы пятижильных проводов допускается скручивать вокруг сердечника.
Изолированные жилы шнура марки ШРО должны быть скручены с заполнителем из пряжи.
Допускается скрутка двух изолированных жил шнура марки ШРО без заполнителя (при условии, что две скрученные изолированные жилы в сечении будут иметь круглую форму) для реализации на внутреннем рынке, при этом поверх скрученных жил может быть наложен сепаратор в виде пленки или ленты.
(Измененная редакция, Изм. N 1).
4.1.1.6 На изолированные жилы проводов и шнуров марок ШВВП, ШВЛ, ПВС, ПВСП, ПРС, ПРМ и ПСГ должна быть наложена оболочка из поливинилхлоридного пластиката или резины в соответствии с таблицами 1 и 2.
Оболочка на шнуры марок ШВЛ, ПВС, ПРС, ПРМ и ПСГ должна быть наложена так, чтобы она заполняла промежутки между жилами, придавая проводу или шнуру круглую форму.
Допускается наложение оболочки и заполнение промежутков между жилами совмещенным экструдированием. Заполнение может быть из поливинилхлоридного пластиката, вспененного или наполненного поливинилхлоридного пластиката, невулканизованной резины. При этом между материалом заполнения, изоляции и оболочки не должно быть вредного взаимодействия.
Оболочка (оболочка и заполнение) должны легко отделяться от изоляции жил и изолированного грузонесущего элемента без повреждения изоляции.
Допускается под оболочку по скрученным жилам наложение синтетической пленки. Допускается разрушение пленки после наложения оболочки.
(Измененная редакция, Изм. N 1).
4.1.1.7 На поверхности оболочки (изоляции шнуров без оболочки) не должно быть проминов, вмятин, утолщений, наплывов и ребристости, выводящих размеры проводов, шнуров за пределы допустимых отклонений, а также пузырей, трещин, видимых без применения увеличительных приборов.
Для шнура марки ШОГ-С допускается на ненавитых линейных концах на длине не более 10 мм от концов шнуров наличие вмятин от зажимов: толщина изоляции в месте вмятин не должна быть менее 0,3 мм.
Изолированные жилы проводов и шнуров в оболочке и шнура марки ШРО должны легко отделяться друг от друга без повреждения изоляции.
Качество поверхности оплетки шнура марки ШРО должно соответствовать РД 16.171 [3].
(Измененная редакция, Изм. N 1).
4.1.1.8 Цвет оболочки (изоляции шнуров без оболочки), оплетки проводов и шнуров должен соответствовать указанному в таблице 6.
4.1.1.9 Цвет изоляции основных жил и расцветка изоляции жилы заземления проводов и шнуров должны соответствовать указанным в таблице 7.
Изоляция жил заземления должна быть зелено-желтой расцветки.
На любом участке жилы заземления длиной 15 мм один из цветов должен покрывать не менее 30 и не более 70% поверхности изоляции, а другой - остальную часть.
Цвет изоляции одножильных проводов марки ПСГ может быть любым.
Таблица 6
| Марка |
Цвет оболочки (изоляции), оплетки |
| ШВП, ШВД* |
Белый, голубой, желтый, зеленый, коричневый, красный, под слоновую кость, серый, синий, черный |
| ШВЛ, ПВС, ШВВП, ПВСП |
Белый, голубой, желтый, зеленый, коричневый, серый, красный, синий, черный, оранжевый |
| ШРО |
Черный, синий, красный, белый, коричневый и их сочетания |
| ПРС** |
Красный, серый, черный, коричневый, желтый, оранжевый, зеленый, синий, голубой, фиолетовый |
| ШОГ |
Белый, черный |
| ПРМ, ПСГ |
Черный |
| ____________ * Предпочтительный цвет внешнего слоя изоляции шнура марки ШВД - зеленый. Цвет внутреннего слоя должен быть контрастным по отношению к внешнему слою. ** При заказе провода марки ПРС с оболочкой любого цвета, кроме черного и серого, к марке провода прибавляют букву "ц": ПРСц. |
|
(Измененная редакция, Изм. N 1).
Таблица 7
| Число |
Цвет (расцветка) жил |
|
| жил |
шнура или провода с заземляющей жилой |
шнура или провода без заземляющей жилы |
| 2 |
- |
Голубой, коричневый |
| 3 |
Зелено-желтый, голубой, коричневый |
Голубой, черный, коричневый |
| 4 |
Зелено-желтый, голубой, черный, коричневый |
Голубой, черный, коричневый, черный или коричневый |
| 5 |
Зелено-желтый, голубой, черный, коричневый, черный или коричневый |
Голубой, черный, коричневый, черный или коричневый, черный или коричневый |
| Примечание - Для маркировки нулевой жилы применяют только голубой цвет. Если нет нулевой жилы, голубой цвет используют для других жил, кроме заземляющей. |
||
(Измененная редакция, Изм. N 1).
4.1.1.10 Цвета проводов и шнуров должны быть согласованы между потребителем и изготовителем. При отсутствии указания об определенных цветах оболочки (изоляции шнуров без оболочки) изготовитель выполняет провода и шнуры по своему усмотрению в соответствии с таблицей 6. В двухжильных проводах и шнурах допускаются изолированные жилы одного цвета по согласованию с потребителем.
Цвет оболочки (изоляции шнуров без оболочки) проводов и шнуров из поливинилхлоридного пластиката исполнения Т не должен быть белым и/или натуральным.
4.1.2 Требования к электрическим параметрам
4.1.2.1 Провод марки ПСГ должен выдержать испытание переменным напряжением 2500 В, провода и шнуры остальных марок, за исключением шнура марки ШОГ-С, - 2000 В номинальной частотой 50 Гц в течение 5 мин без погружения в воду.
Шнур марки ШОГ-С должен выдержать в воде испытание переменным напряжением 2000 В номинальной частотой 50 Гц в течение 5 мин.
4.1.2.2 Провода и шнуры после выдержки в воде при температуре (20±5) °С в течение 1 ч должны выдержать испытание переменным напряжением частотой 50 Гц в течение 15 мин:
2500 В - провод марки ПСГ;
2000 В - провода и шнуры остальных марок.
(Измененная редакция, Изм. N 1).
4.1.2.3 Изолированные жилы проводов и шнуров, за исключением марок ШОГ и ШВД, после выдержки в воде в течение 1 ч при температуре (20±5) °С должны выдержать в течение 5 мин испытание переменным напряжением 1500 В при толщине изоляции до 0,6 мм включительно, 2000 В - при толщине изоляции свыше 0,6 мм и 2500 В - провода марки ПСГ частотой 50 Гц.
4.1.2.4 Электрическое сопротивление изоляции проводов и шнуров с изоляцией и в оболочке из поливинилхлоридного пластиката после пребывания в воде в течение 2 ч при температуре (70±2) °С должно соответствовать указанному в таблице 2.
4.1.2.5 Электрическое сопротивление постоянному току 1 км жилы при 20 °С должно соответствовать ГОСТ 22483.
Максимальное электрическое сопротивление постоянному току жилы шнура марки ШРО может быть увеличено на 3% от значений, соответствующих классу жил, предусмотренному в ГОСТ 22483.
Электрическое сопротивление постоянному току 1 км жилы при 20 °С шнура марки ШОГ должно быть не более 270 Ом.
4.1.3 Требования к механическим параметрам
4.1.3.1 Среднее значение прочности при растяжении изоляции и оболочки проводов и шнуров из поливинилхлоридного пластиката в исходном состоянии должно быть не менее 10 Н/мм2 (10 МПа), относительного удлинения при разрыве - не менее 150%.
Снижение среднего значения прочности при растяжении и относительного удлинения при разрыве после теплового старения не должно быть более 20% исходных средних значений.
4.1.3.2 Поливинилхлоридная изоляция и оболочка проводов и шнуров должны быть:
а) стойкими к деформации при температуре (70±2) °С;
б) стойкими к растрескиванию.
4.1.3.3 Средние значения физико-механических характеристик изоляции из резины должны соответствовать указанным в таблице 8.
Таблица 8
| Наименование показателя |
Значение для проводов и шнуров марок |
| ШРО, ПРС, ПРМ, ПСГ |
|
| В состоянии поставки: |
|
| - прочность при растяжении, Н/мм2 , не менее |
5,0 |
| - относительное удлинение при разрыве, %, не менее |
250 |
| После теплового старения: |
|
| - прочность при растяжении, Н/мм2 , не менее |
4,2 |
| - изменение прочности при растяжении, %, не более |
±25 |
| - относительное удлинение при разрыве, %, не менее |
250 |
| - изменение относительного удлинения при разрыве, %, не более |
±25 |
(Измененная редакция, Изм. N 1).
4.1.3.4 Средние значения физико-механических характеристик оболочки из резины должны соответствовать указанным в таблице 9.
Таблица 9
| Наименование показателя |
Значение для провода марки |
|
| ПРС |
ПРМ, ПСГ |
|
| В состоянии поставки: |
||
| - прочность при растяжении, Н/мм2 , не менее |
7,0 |
10,0 |
| - относительное удлинение при разрыве, %, не менее |
300 |
300 |
| После теплового старения: |
||
| - изменение прочности при растяжении, %, не более |
±20 |
-15 |
| - относительное удлинение при разрыве, %, не менее |
250 |
250 |
| - изменение относительного удлинения при разрыве, %, не более |
±20 |
-25 |
4.1.3.5 (Исключен, Изм. N 1).
4.1.3.6 Шнур марки ШОГ должен выдержать силу растяжения при пяти падениях груза массой (0,50±0,01) кг при токовой нагрузке от 0,10 до 0,13 А.
4.1.3.7 Спиральные шнуры должны выдержать не менее 45000 циклов вращательного движения по окружности при испытании на износоустойчивость спирали.
4.1.3.8 Спиральные шнуры должны быть эластичными. Длина спиральной части шнуров не должна увеличиваться более чем в три раза под действием собственной массы и должна увеличиваться не менее чем в четыре раза под действием груза массой (0,15±0,01) кг.
После снятия груза длина спиральной части шнуров не должна быть увеличена более чем в 3,5 раза от своей первоначальной длины.
4.1.3.9 Оплетка шнура марки ШРО должна быть износоустойчивой при истирании.
4.1.4 Требования к внешним воздействующим факторам
4.1.4.1 Резиновая изоляция и оболочка проводов и шнуров должны выдерживать испытание на тепловую деформацию в течение 15 мин при температуре (200±3) °С и механическом напряжении 0,20 Н/мм2 (0,20 МПа). При этом относительное удлинение под нагрузкой не должно превышать 175%, после снятия нагрузки и охлаждения образцов - 25% значений, полученных до помещения образцов в термостат.
4.1.4.2 Максимальная температура токопроводящей жилы при эксплуатации должна быть, °С, не более:
65 - для проводов и шнуров с резиновой изоляцией;
70 - для проводов и шнуров с поливинилхлоридной изоляцией.
4.1.4.3 Провода и шнуры исполнения У, за исключением шнура марки ШРО и провода марки ПСГ с токопроводящими жилами сечением более 16 мм2 , должны быть холодостойкими при температуре минус 40 °С и минус 25 °С до старения и после старения соответственно; провода и шнуры исполнения УХЛ, за исключением провода марки ПСГ с токопроводящими жилами сечением более 16 мм2 , минус 25 °С и минус 15 °С до старения и после старения соответственно.
(Измененная редакция, Изм. N 1).
4.1.4.4 Оболочка проводов марок ПРМ и ПСГ должна быть устойчива к воздействию масла.
Значения прочности оболочки при растяжении и относительного удлинения при разрыве после 24 ч пребывания в масле при температуре (100±2) °С могут отличаться на ±40% от исходных значений.
4.1.4.5 Провода и шнуры с изоляцией из поливинилхлоридного пластиката не должны распространять горение.
4.1.4.6 Провода и шнуры исполнения Т должны быть стойкими к поражению плесневыми грибами.
4.1.4.7 Поливинилхлоридная изоляция и оболочка проводов и шнуров должны выдерживать испытание на потерю массы при температуре (80±2) °С в течение 7 сут. Значение потери массы не должно превышать 2,0 мг/см2 .
4.1.4.8 Оплетка шнура марки ШРО должна быть теплостойкой.
(Введен дополнительно, Изм. N 1).
4.1.5 Требования по надежности
4.1.5.1 Ресурс проводов и шнуров, выраженный в стойкости к знакопеременным деформациям изгиба при номинальном напряжении, должен быть, циклов (движений), не менее:
15000 (30000) - для шнура марки ШВД;
60000 (120000) - для шнура марки ШОГ;
30000 (60000) - для проводов и шнуров остальных марок с жилами сечением до 4,0 мм2 включительно.
Токовая нагрузка на жилах при испытании шнура марки ШОГ должна быть (0,1±0,01) А, шнуров с поливинилхлоридной изоляцией - (1,0±0,1) А. Значения токовых нагрузок на жилах шнуров с резиновой изоляцией приведены в таблице 9а. В двух- и трехжильных проводах и шнурах все жилы должны иметь полную токовую нагрузку по таблице 9а. В четырех- и пятижильных проводах и шнурах полную токовую нагрузку прикладывают к трем жилам или все жилы должны иметь нагрузку In , А, рассчитанную по формуле
, (1)
где n - число изолированных жил;
I 3 - полная токовая нагрузка по таблице 9а, А.
По изолированным жилам, не несущим токовой нагрузки, пропускают сигнальный ток.
Таблица 9а
| Номинальное сечение токопроводящих жил, мм2 |
Токовая нагрузка, А |
| 0,75 |
6 |
| 1,00 |
10 |
| 1,50 |
14 |
| 2,50 |
20 |
| 4,00 |
25 |
Номинальное растягивающее усилие и диаметр роликов должны соответствовать указанным в таблице 10.
Таблица 10
| арка |
Число изолированных жил |
Номинальное сечение жил, мм2 |
Номинальное растягивающее усилие, Н (кгс) |
Номинальный диаметр роликов, мм |
| ШВП, ШВД |
1 или 2 |
Для всех сечений |
9,8 (1,0) |
60 |
| ШВВП, ШВЛ, ШРО |
2 или 3 |
Для всех сечений |
9,8 (1,0) |
80 |
| ПВС, ПВСП |
От 2 до 5 |
0,75; 1,0 |
9,8 (1,0) |
80 |
| 1,5; 2,5 |
14,7 (1,5) |
120 |
||
| От 2 до 5 |
0,75 |
9,8 (1,0) |
80 |
|
| 1,0; 1,5 |
9,8 (1,0) |
|||
| 2 |
2,5 |
14,7 (1,5) |
120 |
|
| 4,0 |
24,5 (2,5) |
160 |
||
| 1,0 |
9,8 (1,0) |
120 |
||
| ПРС, ПСГ, ПРМ |
3 |
1,5 |
14,7 (1,5) |
|
| 2,5 |
19,6 (2,0) |
160 |
||
| 4,0 |
29,4 (3,0) |
|||
| 1,0; 1,5 |
14,7 (1,5) |
120 |
||
| 4 |
2,5 |
24,5 (2,5) |
160 |
|
| 4,0 |
34,3 (3,5) |
200 |
||
| 1,0 |
14,7 (1,5) |
120 |
||
| 5 |
1,5 |
24,5 (2,5) |
160 |
|
| 2,5 |
29,4 (3,0) |
|||
| 4,0 |
39,2 (4,0) |
200 |
||
| ШОГ |
- |
- |
4,9 (0,5) |
5 |
(Измененная редакция, Изм. N 1).
4.1.5.2 Установленная безотказная наработка должна быть, ч, не менее:
3000 - для шнуров марок ШВП, ШРО и ШВД;
5000 - для проводов и шнуров марок ШВВП, ШВЛ, ПВС, ПВСП и ПРС;
12000 - для проводов и шнуров марок ШВВП, ШВЛ, ПВС, ПВСП, применяемых в стационарных электроприборах.
(Измененная редакция, Изм. N 1).
4.1.5.3 Срок службы проводов и шнуров при ресурсе по 4.1.5.1, при установленной безотказной наработке по 4.1.5.2 и соблюдении условий эксплуатации, хранения и транспортирования, установленных настоящим стандартом, должен быть, лет, не менее:
4 - для шнуров марок ШРО;
10 - для шнуров марок ШОГ, ШОГ-С;
6 - для проводов и шнуров остальных марок;
10 - для проводов и шнуров марок ШВВП, ШВЛ, ПВС, ПВСП, применяемых в стационарных электроприборах.
(Измененная редакция, Изм. N 1).
4.2 Требования к маркировке
4.2.1 Маркировка проводов и шнуров должна соответствовать требованиям ГОСТ 18690 с дополнениями, изложенными в 4.2.2-4.2.4.
4.2.2 На поверхности оболочки или изоляции проводов и шнуров без оболочки, кроме шнура марки ШРО, должна быть нанесена непрерывная маркировка, содержащая:
- маркоразмер провода (шнура);
- год выпуска;
- кодовое обозначение или товарный знак предприятия-изготовителя.
(Измененная редакция, Попр. 2002)
Маркировка считается непрерывной, если расстояние между концом одной маркировки и началом следующей не превышает:
500 и 550 мм - для проводов и шнуров с поливинилхлоридной и резиновой изоляцией соответственно, если маркировка наносится на оболочку;
200 и 275 мм - для проводов и шнуров с поливинилхлоридной и резиновой изоляцией соответственно, если маркировка наносится на изоляцию проводов и шнуров без оболочки.
Маркировка наносится краской или тиснением, или лазерным способом.
Маркировка должна быть четкой и легко читаемой.
По согласованию с потребителем провода и шнуры, предназначенные для армирования, могут изготовляться без маркировки.
Маркировка шнура марки ШРО должна осуществляться опознавательной нитью, присвоенной предприятию-изготовителю.
По согласованию с потребителем допускается применять опознавательную нить в проводах и шнурах, не предназначенных для армирования неразборной арматурой.
(Измененная редакция, Изм. N 1).
4.2.3 На ярлыке, прикрепленном к бухте, барабану, ящику, коробке, а также на индивидуальном пакете или этикетке, вложенной в пакет, должны быть указаны:
- наименование предприятия-изготовителя или его товарный знак;
- условное обозначение провода или шнура;
- обозначение настоящего стандарта;
- длина провода или шнура в метрах или число мерных отрезков;
- масса брутто в килограммах (для барабанов, ящиков или коробок);
- дата изготовления (год, месяц);
- знак соответствия при наличии сертификата.
На ярлыке должен быть проставлен штамп технического контроля.
(Измененная редакция, Изм. N 1).
4.2.4 Маркирование проводов и шнуров в бухтах, предназначенных для розничной торговой сети, должно производиться на этикетке, прикрепленной к бухте.
4.3 Требования к упаковке
4.3.1 Упаковка проводов и шнуров должна соответствовать требованиям ГОСТ 18690 с дополнениями, изложенными в 4.3.2.
4.3.2 Провода и шнуры, кроме шнура марки ШОГ-С, должны быть намотаны в бухты или на барабаны. Бухты должны иметь плотную намотку без смещения и перехлестывания витков и упакованы в термоусаживаемую пленку.
Допускается упаковка бухт в полиэтиленовую или поливинилхлоридную пленку, или индивидуальные пакеты, а также другие виды упаковки, обеспечивающие сохранность проводов и шнуров при хранении и транспортировании.
Шнуры марок ШОГ и ШОГ-С, поставляемые мерными длинами, должны быть упакованы в коробки или деревянные ящики, выложенные внутри упаковочной бумагой.
Масса грузового места, предназначенного для розничной торговли, не должна превышать 15 кг.
(Измененная редакция, Изм. N 1).
5 ПРАВИЛА ПРИЕМКИ
Для проверки соответствия проводов и шнуров требованиям настоящего стандарта устанавливают следующие виды контрольных испытаний: приемо-сдаточные, периодические, типовые.
5.1 Приемо-сдаточные испытания
5.1.1 Провода и шнуры предъявляют к приемке партиями. За партию принимают провода и шнуры одного маркоразмера, изготовленные из одного материала, на однотипном технологическом оборудовании, одновременно предъявляемые к приемке.
Объем партии должен быть:
- от 0,5 до 20 км - для проводов и шнуров, поставляемых строительными длинами;
- от 10 до 10000 шт. - для шнуров, поставляемых мерными длинами.
5.1.2 Состав испытаний, деление его на группы должны соответствовать указанным в таблице 11.
Таблица 11
| Группа |
Вид испытания |
Пункт |
Объем |
|
| испытаний |
или проверки |
технических требований |
методов испытаний |
выборки от партии |
| С-1 |
Проверка маркировки и упаковки |
4.2.1-4.2.4 (за исключением качества маркировки), 4.3.1, 4.3.2 |
6.6.1, 6.6.3 |
5%, но не менее одной бухты (барабана, ящика, коробки) |
| С-2 |
Проверка конструктивных размеров |
3.2, 4.1.1.1-4.1.1.3 (кроме разделяемости жил), 4.1.1.6, 4.1.1.7 |
6.1.2 |
5%, но не менее одной бухты (барабана, ящика, коробки) |
| Проверка отделяемости оболочки от изоляции жил |
4.1.1.6 |
6.1.5 |
То же |
|
| Проверка отделяемости изолированных жил |
4.1.1.7 |
6.1.5 |
" |
|
| С-3 |
Испытание напряжением |
4.1.2.1 |
6.2.1 |
100% |
| Определение электрического сопротивления токопроводящей жилы |
4.1.2.5 |
6.2.3 |
3%, но не менее одной бухты (барабана, ящика, коробки) |
|
| Примечания 1 Испытания или проверки мерных шнуров марок ШОГ и ШОГ-С проводят на строительных длинах шнура марки ШОГ до их резки на мерные длины. 2 Испытания и проверки по группам проводят на одной выборке. |
||||
Испытания проводов и шнуров (кроме шнура марки ШОГ-С по 4.1.1.7 и 4.1.2.1) проводят по плану сплошного или выборочного одноступенчатого контроля в соответствии с таблицей 11 с приемочным числом C = 0. Выборки составляются случайным отбором.
5.1.3 Испытание шнура марки ШОГ-С на соответствие требованиям 4.1.1.7 и 4.1.2.1 должно проводиться по плану выборочного двухступенчатого контроля на выборках n 1 = n 2 = 3, составленных случайным отбором, с приемочным числом C 1 = 0 и браковочным числом C 2 = 2 для первой выборки и приемочным числом C 3 = 1 для суммарной (n 1 и n 2 ) выборки.
5.1.4 Испытания проводов и шнуров на соответствие требованиям 3.3, 4.1.1.1 и 4.1.1.5 проводят в процессе производства методом контроля по 6.1.1 и 6.1.2.
5.2 Периодические испытания
5.2.1 Состав испытаний и деление его на группы должны соответствовать указанным в таблице 12.
Таблица 12
| Группа |
Вид испытания и проверки |
Пункт |
|
| испытаний |
технических требований |
методов контроля |
|
| П-1 |
Определение стойкости поливинилхлоридной изоляции и оболочки к деформации при повышенной температуре, растрескиванию |
4.1.3.2 |
6.3.2 |
| Определение прочности при растяжении и относительного удлинения при разрыве поливинилхлоридной изоляции и оболочки |
4.1.3.1 |
6.3.1 |
|
| Определение физико-механических показателей резиновой изоляции и оболочки |
4.1.3.3, 4.1.3.4 |
6.3.3 |
|
| Проверка качества маркировки, выполненной краской |
4.2.2 |
6.6.2 |
|
| Испытание на нераспространение горения |
4.1.4.5 |
6.4.5 |
|
| Испытание на стойкость к воздействию максимальной температуры при эксплуатации |
4.1.4.2 |
6.4.2 |
|
| Определение износоустойчивости оплетки к истиранию |
4.1.3.9 |
6.3.8 |
|
| Испытание шнура марки ШОГ на растяжение |
4.1.3.6 |
6.3.5 |
|
| Определение эластичности спиральных шнуров |
4.1.3.8 |
6.3.7 |
|
| Испытание на износоустойчивость спиральных шнуров |
4.1.3.7 |
6.3.6 |
|
| Проверка стойкости оболочки проводов марок ПРМ и ПСГ к воздействию масла |
4.1.4.4 |
6.4.4 |
|
| П-2 |
Испытание на холодоустойчивость |
4.1.4.3 |
6.4.3 |
| Испытание на стойкость к знакопеременным изгибам |
4.1.5.1 |
6.5.1 |
|
| Определение разделяемости жил шнуров с параллельно уложенными жилами |
4.1.1.3 |
6.1.3 |
|
| Определение плотности наложения изоляции |
4.1.1.4 |
6.1.4 |
|
| П-3 |
Проверка электрического сопротивления изоляции |
4.1.2.4 |
6.2.2 |
| Испытание напряжением после выдержки в воде |
4.1.2.2, 4.1.2.3 |
6.2.1 |
|
5.2.2 Испытания проводят раз в 12 мес, если другие сроки не указаны для конкретных испытаний.
5.2.3 Испытания по группам проводят на отдельных выборках.
5.2.4 Испытания по группе П-1, кроме испытания на соответствие 4.1.3.1 и 4.1.3.2, проводят по планам выборочного одноступенчатого контроля при приемочном числе C = 0 не менее чем на пяти образцах, отобранных от разных бухт или барабанов, выдержавших приемо-сдаточные испытания. Испытания на соответствие 4.1.3.1 и 4.1.3.2 должны проводиться не менее чем на двух образцах.
Испытания по группе П-1 и 4.1.4.3 и 4.1.5.1 должны проводиться на отдельных образцах один раз в 36 мес.
5.2.5 Испытания по группам П-2, П-3 проводят по плану выборочного двухступенчатого контроля с объемом выборки n 1 = 5, n 2 = 10 образцов.
Для первой выборки приемочное число C 1 = 0, браковочное число C 2 = 2. При числе дефектов первой выборки, равному 1, проверяют вторую выборку. Приемочное число суммарной (n 1 и n 2 ) выборки C 3 = 1. В выборки включают случайным отбором образцы от партий текущего выпуска.
5.2.6 Провода и шнуры, подвергавшиеся периодическим испытаниям, отгрузке не подлежат.
5.3 Типовые испытания
5.3.1 Типовые испытания проводит предприятие-изготовитель с целью проверки соответствия проводов и шнуров требованиям настоящего стандарта при изменении конструкции, технологии, применяемых материалов, если эти изменения могут оказать влияние на их качество.
Испытания проводят по программе, утвержденной в установленном порядке. По результатам испытаний, оформленных протоколом или актом, принимают решение о возможности и целесообразности внесения изменений в техническую документацию.
5.4 Потребитель проводит входной контроль качества проводов и шнуров на соответствие требованиям настоящего стандарта на 3% барабанов, бухт, ящиков или мерных отрезков проводов и шнуров от партии, но не менее 3 шт.
За партию принимают число барабанов, бухт, ящиков с проводами или шнурами, полученное потребителем по одному сопроводительному документу.
При получении неудовлетворительных результатов испытаний хотя бы по одному показателю, по этому показателю проводят повторное испытание на удвоенной выборке числа барабанов, бухт, ящиков, взятой от той же партии. Результаты повторного испытания распространяют на всю партию.
6 МЕТОДЫ КОНТРОЛЯ
Все испытания, если нет особых указаний, должны проводиться в нормальных климатических условиях по ГОСТ 15150.
Испытания шнуров марки ШОГ-С на соответствие требованиям настоящего стандарта, за исключением 4.1.2.1, 4.1.3.7 и 4.1.3.8, должны проводиться до их навивания.
6.1 Проверка конструкции
6.1.1. Проверку конструктивных элементов проводов и шнуров, качество поверхности и расцветки жил по 4.1.1.1-4.1.1.3, 4.1.1.5-4.1.1.10 проводят внешним осмотром без применения увеличительных приборов.
6.1.2 Проверку конструктивных размеров проводов и шнуров по 3.2, 3.3, 4.1.1.1-4.1.1.3, 4.1.1.5-4.1.1.7 проводят по ГОСТ 12177.
Проверку овальности проводят измерением диаметра в одном и том же сечении в трех местах, примерно через 120°. Овальность q, %, определяют по формуле
, (2)
где Dd - разность между максимальным и минимальным значениями диаметра, мм;
Dmax - максимальное значение диаметра по таблице 2, мм.
(Измененная редакция, Изм. N 1).
6.1.3 Разделяемость жил шнуров с параллельно уложенными жилами по 4.1.1.3 проверяют на образцах длиной (170±30) мм.
Изоляцию между жилами надрезают на расстоянии 50-60 мм и при помощи разрывной машины со скоростью движения зажима 5 мм/с разделяют жилы.
Образцы считают выдержавшими испытание, если усилие разделения находится в пределах, указанных в 4.1.1.3.
6.1.4 Плотность наложения изоляции по 4.1.1.4 определяют на образцах длиной не менее 50 мм. Изоляцию на жилах надрезают по окружности перпендикулярно к оси жилы на расстоянии 25-30 мм от концов образца, после чего ее вручную со стороны надреза снимают с токопроводящей жилы.
Образцы считают выдержавшими испытания, если при внешнем осмотре без применения увеличительных приборов на токопроводящей жиле не обнаружено остатков изоляции и повреждения (отслоения) полуды, если она имеется. В поперечном сечении или на внутренней стороне снятой изоляции должны просматриваться отпечатки проволок жилы.
6.1.5 Проверку отделяемости оболочки (оболочки и заполнения) от изоляции жил по 4.1.1.6 и отделяемости изолированных жил друг от друга по 4.1.1.7 проводят внешним осмотром без применения увеличительных приборов.
Отделяемость проверяют при разделке провода или шнура на длине не менее 50 мм.
(Измененная редакция, Изм. N 1).
6.2 Проверка электрических параметров
6.2.1 Испытание напряжением по 4.1.2.1-4.1.2.3 проводят по ГОСТ 2990. Специальным электродом при испытании (за исключением 4.1.2.1) является вода.
Испытание напряжением изолированных жил проводов и шнуров марок ШВВП, ШВЛ, ШРО, ПВС, ПВСП, ПРС, ПРМ и ПСГ проводят на образце длиной (5,00±0,01) м; с образцов должна быть удалена оболочка.
Испытание напряжением изолированных жил шнура марки ШВП проводят на образце длиной (2,00±0,01) м, при этом в изоляции между жилами должен быть сделан разрез на длине не более 20 мм и жилы должны быть разделаны вручную.
Испытания по 4.1.2.2 проводят на образцах длиной не менее 20 м.
(Измененная редакция, Изм. N 1).
6.2.2 Электрическое сопротивление изоляции проводов и шнуров по 4.1.2.4 определяют по ГОСТ 3345.
6.2.3 Электрическое сопротивление токопроводящих жил постоянному току проводов и шнуров по 4.1.2.5 определяют по ГОСТ 7229.
6.3 Проверка механических параметров
6.3.1 Физико-механические параметры изоляции и оболочки из поливинилхлоридного пластиката по 4.1.3.1 до и после старения определяют по ГОСТ 25018.
Испытание на тепловое старение проводят по следующему режиму.
Образцы должны быть выдержаны в термостате при температуре (80±2)°С в течение 168 ч, после чего вынутые образцы должны быть выдержаны в течение не менее 10 ч при температуре (25±10) °С без прямого воздействия света.
6.3.2 Стойкость поливинилхлоридной изоляции и оболочки к деформации при повышенной температуре и растрескиванию по 4.1.3.2 проверяют по ГОСТ 22220.
Толщина изоляции и оболочки, измеренная по ГОСТ 12177, в месте деформации должна составлять не менее 50% средней толщины, измеренной в двух соседних участках, не подвергавшихся деформации.
6.3.3 Физико-механические показатели резиновых изоляции и оболочки проводов и шнуров по 4.1.3.3, 4.1.3.4 проверяют по ГОСТ 25018.
Прочность при растяжении (fp ), Н/мм2 , изоляции шнура марки ШРО, изготовленного без заполнения, высчитывают по формуле
, (3)
где P - сила, вызывающая разрыв образца, Н;
S - площадь поперечного сечения образца изоляции, мм2 ;
K - коэффициент, учитывающий профиль изоляции, равный 1,2.
Испытание на тепловое старение проводят по следующему режиму. Образцы проводов и шнуров должны быть выдержаны в термостате при температуре (70±2) °С в течение 240 ч, после чего вынутые образцы должны быть выдержаны в течение не менее 10 ч при температуре (25±10) °С.
(Измененная редакция, Изм. N 1).
6.3.4 (Исключен, Изм. N 1).
6.3.5 Испытание шнура марки ШОГ на растяжение под действием свободно падающего груза по 4.1.3.6 проводят на приспособлении, схема которого приведена на рисунке 1. Шнур жестко закрепляют одним концом, на расстоянии (500±1,5) мм от точки закрепления к шнуру подвешивают груз. Через жилы пропускают электрический ток. Груз пять раз поднимают до точки закрепления шнура и отпускают.

Рисунок 1 - Схема приспособления для испытания шнуров на растяжение
Во время испытания на должно быть нарушения целостности электрической цепи.
6.3.6 Износоустойчивость спиральных шнуров по 4.1.3.7 проверяют на установке, схема которой приведена на рисунке 2.

Рисунок 2 - Схема установки для испытания износоустойчивости спиральных шнуров
Концы шнура должны быть закреплены на длине (850±10) мм в оправку устройства под углом (p/2+0,01) рад к оси спирали.
Середина шнура должна быть закреплена в устройстве, которое совершает вращательное движение по окружности радиусом (325±5) мм с частотой вращения не менее 1 об/с.
Один оборот устройства соответствует одному циклу испытания.
После испытания не должно быть повреждения изоляции, а сопротивление токопроводящей жилы должно быть не более 1,7 Ом.
6.3.7 Эластичность спиральных шнуров по 4.1.3.8 определяют при температуре окружающей среды (20±5) °С на приспособлении, схема которого приведена на рисунке 3. Шнур закрепляют за первый виток спирали и располагают его по вертикали вдоль шкалы.

Рисунок 3 - Схема приспособления для испытания эластичности спиральных шнуров
Спиральную часть шнура измеряют:
- до закрепления шнура в приспособлении, когда шнур находится в горизонтальной плоскости и витки плотно прилегают друг к другу;
- после закрепления шнура в приспособлении, когда шнур находится под действием собственной массы;
- через 1 мин после приложения груза;
- через 1 мин после снятия груза.
6.3.8 Износоустойчивость оплетки при истирании по 4.1.3.9 определяют на трех парах образцов длиной (1±0,01) м. Каждую пару образцов испытывают следующим образом:
- наматывают один образец так, чтобы получилось два витка на неподвижном блоке диаметром (40±1) мм, как показано на рисунке 4, причем расстояние между краями блока должно быть таким, чтобы витки были плотными и не смещались относительно блока.

1 - подвижный испытательный образец; 2 - неподвижный испытательный образец;
3 - блок; 4 - груз
Рисунок 4 - Схема установки для испытания износоустойчивости оплетки
Другой образец помещают в углубление, образованное витками, и к одному концу этого образца прикрепляют груз массой (500±10) г. Другой его конец перемещают вверх - вниз на расстоянии 100 мм со скоростью не менее 40 движений в минуту.
После 20000 одиночных движений изоляция закрепленного образца не должна быть видна на общей длине более 10 мм, и этот образец должен выдержать испытание напряжением по 4.1.2.2 в течение 5 мин.
6.4 Проверка стойкости к внешним воздействующим факторам
6.4.1 Испытание резиновых изоляции и оболочки проводов и шнуров на тепловую деформацию по 4.1.4.1 проводят по методике, изложенной в приложении Д.
6.4.2 Испытание на стойкость к воздействию максимальной температуры по 4.1.4.2 проводят по ГОСТ 16962.1 (метод 201.1.1) на образцах длиной не менее 1 м, свернутых в бухту внутренним диаметром, равным от 10 до 12 наружных диаметров шнура или провода (для плоских шнуров диаметр бухты определяют по нижнему размеру), помещенных в камеру тепла до установления температуры испытания.
Испытание шнура марки ШРО должно проводиться на образцах до наложения оплетки.
Время выдержки в камере тепла при температуре (80±2) °С:
55 ч - для шнуров марок ШВП, ШРО, ШВД, ШОГ;
90 ч - для проводов и шнуров марок ШВВП, ШВЛ, ПВСП, ПРС, ПРМ, ПСГ, ПВС.
После испытания образцы проводов и шнуров выдерживают в нормальных климатических условиях в течение не менее 2 ч.
Провода и шнуры считают выдержавшими испытания, если на поверхности образцов при осмотре без применения увеличительных приборов не обнаружено трещин.
(Измененная редакция, Изм. N 1).
6.4.3 Испытание на стойкость к воздействию пониженной температуры по 4.1.4.3 проводят по ГОСТ 17491.
Испытанию на изгиб подвергают по четыре образца проводов и шнуров с резиновой и пластмассовой изоляцией (в том числе по два образца после испытания на тепловое старение по режиму в соответствии с 6.3.1 и 6.3.3).
Диаметр стержня должен быть равен четырехкратному наружному диаметру образца. Для плоских шнуров диаметр оправки определяют по меньшему размеру. Диаметр стержня для испытания провода марки ПСГ должен быть равен от 8 до 10 наружных диаметров провода.
Испытанию на стойкость к воздействию пониженной температуры методом удара подвергают образцы проводов и шнуров марок ШВП, ШОГ, ШВВП, ШВЛ, ПВС, ШВД, ПВСП по три образца до и после старения.
(Измененная редакция, Изм. N 1).
6.4.4 Стойкость оболочки проводов марок ПСГ и ПРМ к воздействию масла по 4.1.4.4 проверяют по ГОСТ 25018.
6.4.5 Испытание проводов и шнуров на нераспространение горения по 4.1.4.5, за исключением шнура марки ШОГ, проводят по ГОСТ 12176 (раздел 2).
Испытание шнура марки ШОГ проводят по методике, изложенной в приложении Е.
6.4.6 Проверку стойкости к поражению плесневыми грибами по 4.1.4.6 проводят по ГОСТ 20.57.406 (метод 214-2 для второй группы изделий).
Провода и шнуры считают выдержавшими испытание, если степень биологического обрастания не более трех баллов.
6.4.7 Потерю массы для изоляции и оболочки из поливинилхлоридного пластиката по 4.1.4.7 определяют по методике, изложенной в приложении Г.
6.4.8 Испытание оплетки шнура марки ШРО на теплостойкость по 4.1.4.8 проводят на образцах длиной (300±10) мм, которые выпрямляют и располагают, по возможности, по центральной продольной оси стальной опорной плиты, как показано на рисунке 5, при этом один конец образца должен выступать на (100±10) мм из выводного отверстия.

1 - фиксирующее устройство; 2 - алюминиевый блок; 3 - направляющий стержень;
4 - образец; 5 - стальная опорная плита; 6 - выводное отверстие для образца диаметром 9 мм
Рисунок 5 - Схема приспособления для испытания оплетки на теплостойкость
Алюминиевый блок массой (1000±50) г с гладкими плоскими поверхностями (обработка поверхности - по ГОСТ 2789, класс шероховатости Ra = 50 мкм) выдерживают в камере с электрическим обогревом с естественной циркуляцией воздуха при температуре (260±5) °С не менее 4 ч. После этого блок сразу помещают на образец на (60±3) с. Затем алюминиевый блок снимают с образца.
Шнур считают выдержавшим испытание, если оплетка не расплавилась и не обуглилась.
(Введен дополнительно, Изм. N 1).
6.5 Проверка надежности
6.5.1 Испытание шнура марки ШОГ на стойкость к изгибам по 4.1.5.1 проводят по ГОСТ 12182.8 на образцах длиной не менее 1 м под углом (p/2±0,003) рад с частотой не менее 60 изгибов в минуту.
Испытание проводов и шнуров остальных марок на стойкость к перегибам через систему роликов проводят по ГОСТ 12182.1.
Провода и шнуры считают выдержавшими испытания, если они не имеют повреждений изоляции и оболочки, видимых при внешнем осмотре без применения увеличительных приборов, и выдерживают в течение 5 мин испытание напряжением в соответствии с 4.1.2.2.
6.5.2 Испытания по подтверждению установленной безотказной наработки проводов и шнуров по 4.1.5.2 проводят по методике, указанной в 6.4.2. Время выдержки в камере тепла: 550 ч - для шнуров марок ШВП, ШРО, ШВД; 900 ч - для проводов и шнуров марок ШВВП, ШВЛ, ПВС, ПВСП, ПРС. Провода и шнуры считают выдержавшими испытание, если на поверхности образцов на обнаружено трещин, видимых внешним осмотром без применения увеличительных приборов.
Испытание шнура марки ШРО проводят на образцах до наложения оплетки.
(Измененная редакция, Изм. N 1).
6.6 Проверка упаковки и маркировки
6.6.1 Маркировку по 4.2.1-4.2.4 проверяют по ГОСТ 18690 внешним осмотром и измерениями линейкой по ГОСТ 427.
6.6.2 Качество маркировки, выполненное краской, по 4.2.2 проверяют десятикратным протиранием (в двух противоположных направлениях) с усилием (5±0,5) Н ватным или марлевым тампоном, смоченным водой. Проверку проводят в два этапа со сменой тампона после пятикратного протирания. Окрашивание второго тампона при внешнем осмотре без применения увеличительных приборов не допускается. Маркировку, выполненную тиснением или лазерным способом, испытанию не подвергают.
6.6.3 Упаковку по 4.3.1, 4.3.2 проверяют внешним осмотром и взвешиванием на весах с погрешностью не более 5%.
7 ТРАНСПОРТИРОВАНИЕ И ХРАНЕНИЕ
7.1 Транспортирование и хранение проводов и шнуров должно соответствовать ГОСТ 18690 с дополнениями, изложенными в 7.2.
7.2 Условия транспортирования и хранения проводов и шнуров в части воздействия климатических факторов должны соответствовать условиям хранения группы ЖЗ ГОСТ 15150.
8 УКАЗАНИЯ ПО ЭКСПЛУАТАЦИИ
8.1 Номинальные токовые нагрузки проводов и шнуров должны соответствовать указанным в приложении Ж.
8.2 Провода и шнуры исполнения У предназначены для эксплуатации при температуре окружающей среды от минус 40 до плюс 40 °С, остальных исполнений - от минус 25 до плюс 40 °С.
8.3 Минимальный радиус изгиба проводов и шнуров при эксплуатации должен быть не менее указанного в 4.1.5.1.
9 ГАРАНТИИ ИЗГОТОВИТЕЛЯ
9.1 Изготовитель гарантирует соответствие качества проводов и шнуров требованиям настоящего стандарта при соблюдении условий эксплуатации, хранения, транспортирования.
9.2 Гарантийный срок эксплуатации - два года со дня ввода проводов и шнуров в эксплуатацию.
Гарантийный срок эксплуатации проводов и шнуров для розничной торговли исчисляется со дня продажи, а для внерыночного потребления - со дня ввода провода или шнура в эксплуатацию.
ПРИЛОЖЕНИЕ А
(рекомендуемое)
ПРЕИМУЩЕСТВЕННЫЕ ОБЛАСТИ ПРИМЕНЕНИЯ ПРОВОДОВ И ШНУРОВ
Таблица А.1
| Марка |
Преимущественные области применения |
| ШВП |
Для присоединения радиоэлектронной аппаратуры, бытовых осветительных приборов, электроприборов микроклимата, электромеханических бытовых приборов, электровентиляторов и других подобных приборов, если шнур часто подвергается легким механическим деформациям |
| ШВВП, ШВЛ |
Для присоединения приборов личной гигиены и микроклимата, электропаяльников, светильников, кухонных электромеханических приборов, радиоэлектронной аппаратуры, стиральных машин, холодильников и других подобных приборов, эксплуатируемых в жилых и административных помещениях, и для изготовления шнуров удлинительных |
| ШРО |
Для присоединения бытовых электроутюгов |
| ПВС, ПВСП |
Для присоединения электроприборов и электроинструмента по уходу за жилищем и его ремонту, стиральных машин, холодильников, средств малой механизации для садоводства и огородничества и других подобных машин и приборов, и для изготовления шнуров удлинительных |
| ПРС |
То же, и электронагревательных приборов |
| ШВД |
Для декоративных осветительных гирлянд, для неподвижного защищенного монтажа внутри приборов (установок) |
| ШОГ, ШОГ-С |
Для присоединения электробритв, массажных и других подобных приборов с номинальной токовой нагрузкой не более 0,2 А |
| ПРМ |
Для присоединения электроприборов и электроинструмента по уходу за жилищем и его ремонту, средств малой механизации для садоводства и огородничества, электронагревательных приборов, контактируемых с маслами и смазками, и для изготовления шнуров удлинительных |
| ПСГ |
Для передвижных токоприемников и механизмов |
(Измененная редакция, Изм. N 1).
ПРИЛОЖЕНИЕ Б
(обязательное)
КОДЫ ОКП И КОНТРОЛЬНЫЕ ЧИСЛА ПРОВОДОВ И ШНУРОВ
Таблица Б.1
| Марка провода, шнура |
Код ОКЛ |
Контрольное число |
| ШВП |
35 5353 0100 |
03 |
| ШОГ |
35 5353 0501 |
01 |
| ШОГ-С |
35 5353 0601 |
09 |
| ШВД |
35 5353 4500 |
08 |
| ШВВП |
35 5353 0300 |
08 |
| ШВЛ |
35 5353 1400 |
01 |
| ШРО |
35 5354 0500 |
08 |
| ПВСП |
35 5513 3500 |
00 |
| ПВС |
35 5513 0200 |
10 |
| ПРС |
35 5514 0200 |
05 |
| ПРМ |
35 5354 3100 |
08 |
| ПСГ |
35 5354 3600 |
04 |
| ШВП-Т |
35 5353 0900 |
01 |
| ШОГ-Т |
35 5353 0531 |
06 |
| ШОГ-С-Т |
35 5353 0631 |
03 |
| ШВД-Т |
35 5353 4600 |
05 |
| ШВВП-Т |
35 5353 2900 |
04 |
| ШВЛ-Т |
35 5353 3100 |
02 |
| ШРО-Т |
35 5354 2300 |
06 |
| ПВСП-Т |
35 5513 3600 |
08 |
| ПВС-Т |
35 5513 2100 |
05 |
| ПРС-Т |
35 5514 2100 |
00 |
| ПРМ-Т |
35 5354 3200 |
05 |
| ПСГ-Т |
35 5354 3700 |
01 |
| ШВП-У |
35 5353 1000 |
02 |
| ШБВП-У |
35 5353 3000 |
05 |
| ШВЛ-У |
35 5353 3200 |
10 |
| ШРО-У |
35 5354 2400 |
03 |
| ПВСП-У |
35 5513 3700 |
05 |
| ПВС-У |
35 5513 2200 |
02 |
| ПРС-У |
35 5514 2200 |
08 |
| ПРМ-У |
35 5354 3300 |
02 |
| ПСГ-У |
35 5354 3800 |
09 |
(Измененная редакция, Изм. N 1).
Таблица Б.2 - Девятый и десятый разряды кода маркоразмера
| Девятый и десятый разряды кода маркоразмера |
Число жил и номинальное сечение, мм2 |
Девятый и десятый разряды кода маркоразмера |
Число жил и номинальное сечение, мм2 |
| 04 |
1х0,50 |
55 |
3х2,50 |
| 05 |
1х0,75 |
56 |
3х4,00 |
| 06 |
1х1,50 |
57 |
3х6,00 |
| 07 |
1х2,50 |
58 |
3х10,0 |
| 08 |
1х4,00 |
59 |
3х16,0 |
| 09 |
1х6,00 |
60 |
3х25,0 |
| 10 |
1х10,0 |
61 |
3х35,0 |
| 11 |
1х16,0 |
62 |
3х50,0 |
| 12 |
1х25,0 |
63 |
3х70,0 |
| Позиция исключена, Изм. N 1 |
64 |
3х95,0 |
|
| 14 |
1х50,0 |
71 |
4х0,75 |
| 15 |
1х70,0 |
72 |
4х1,00 |
| 16 |
1х95,0 |
73 |
4х1,50 |
| 17 |
1х120 |
74 |
4х2,50 |
| 18 |
1х150 |
75 |
4х4,00 |
| 19 |
1х185 |
76 |
4х6,00 |
| 20 |
1х240 |
77 |
4х10,0 |
| 21 |
1х300 |
78 |
4х16,0 |
| 22 |
1х400 |
79 |
4х25,0 |
| Позиция исключена, Изм. N 1 |
80 |
4х35,0 |
|
| 33 |
2х0,50 |
81 |
4х50,0 |
| 34 |
2х0,75 |
82 |
4х70,0 |
| 35 |
2х1,00 |
83 |
4х95,0 |
| 36 |
2х1,50 |
84 |
4х120 |
| 37 |
2х2,50 |
85 |
4х150 |
| 38 |
2х4,00 |
91 |
5х0,75 |
| 39 |
2х6,00 |
92 |
5х 1,00 |
| 40 |
2х10,0 |
93 |
5х1,50 |
| 41 |
2х16,0 |
94 |
5х2,50 |
| 42 |
2х25,0 |
95 |
5х4,00 |
| 51 |
3х0,50 |
96 |
5х6,00 |
| 52 |
3х0,75 |
97 |
5х10,0 |
| 53 |
Зх1,00 |
98 |
5х16,0 |
| 54 |
3х1,50 |
99 |
5х25,0 |
(Измененная редакция, Изм. N 1).
ПРИЛОЖЕНИЕ В
(справочное)
РАСЧЕТНАЯ МАССА ПРОВОДОВ И ШНУРОВ
Таблица В.1
| Марка |
Номинальное |
Масса 1 км, кг, при числе жил |
||||
| провода, шнура |
сечение жил, мм2 |
1 |
2 |
3 |
4 |
5 |
| ШОГ |
- |
- |
19,5 |
- |
- |
- |
| ШВП |
0,50 |
- |
21,0 |
- |
- |
- |
| 0,75 |
- |
27,1 |
- |
- |
- |
|
| ШВД |
0,50 |
10,3 |
- |
- |
- |
- |
| 0,75 |
13,4 |
- |
- |
- |
- |
|
| ШРО |
0,50 |
- |
51,4 |
62,9 |
- |
- |
| 0,75 |
- |
60,8 |
75,9 |
- |
- |
|
| 1,00 |
- |
71,0 |
87,4 |
- |
- |
|
| 1,50 |
- |
87,3 |
109 |
- |
- |
|
| ШВВП |
0,50 |
- |
25,4 |
36,9 |
- |
- |
| 0,75 |
- |
32,5 |
47,8 |
- |
- |
|
| ШВЛ |
0,50 |
- |
37,4 |
44,4 |
- |
- |
| 0,75 |
- |
46,6 |
55,3 |
- |
- |
|
| ПВС |
0,75 |
- |
57,6 |
68,2 |
77,1 |
94,8 |
| 1,00 |
- |
66,4 |
77,8 |
93,8 |
111,0 |
|
| 1,50 |
- |
88,5 |
110,9 |
132,0 |
164,0 |
|
| 2,50 |
- |
134,0 |
167,0 |
205,0 |
253,0 |
|
| ПРС |
0,75 |
- |
66,9 |
82,7 |
89,6 |
110 |
| 1,00 |
- |
80,0 |
95,2 |
104,0 |
126 |
|
| 1,50 |
- |
119,5 |
141,6 |
165,0 |
195 |
|
| 2,50 |
- |
160,0 |
196,0 |
246,0 |
300 |
|
| 4,00 |
- |
221,0 |
273,0 |
342,0 |
- |
|
| ПВСП |
0,75 |
- |
40,4 |
- |
- |
- |
| ПРМ |
0,75 |
- |
74,8 |
91,4 |
107,4 |
130,9 |
| 1,00 |
- |
89,8 |
104,7 |
123,2 |
148,3 |
|
| 1,50 |
- |
133,4 |
154,6 |
195,7 |
227,9 |
|
| 2,50 |
- |
199,1 |
232,9 |
286,3 |
348,0 |
|
| ПСГ |
1,00 |
- |
81,1 |
95,3 |
114,5 |
123,2 |
| 1,50 |
41,1 |
106,5 |
125,1 |
150,1 |
135,0 |
|
| 2,50 |
23,8 |
168,6 |
196,6 |
236,1 |
237,5 |
|
| 4,00 |
33,9 |
229,7 |
261,2 |
278,0 |
337,6 |
|
| 6,00 |
58,0 |
314,7 |
376,3 |
465,4 |
444,5 |
|
| 10,0 |
96,8 |
556,7 |
676,6 |
813,9 |
866,5 |
|
| 16,0 |
120,0 |
708,9 |
843,2 |
976,1 |
1019,8 |
|
| 25,0 |
237,0 |
1119,2 |
1367,0 |
1740,8 |
1877,8 |
|
| 35,0 |
333,7 |
- |
1805,3 |
2300,5 |
- |
|
| 50,0 |
478,7 |
- |
2512,7 |
2854,3 |
- |
|
| 70,0 |
673,8 |
- |
3369,1 |
4177,6 |
- |
|
| 95,0 |
888,7 |
- |
4361,2 |
5576,7 |
- |
|
| 120 |
1137,5 |
- |
- |
- |
- |
|
| 150 |
1414,5 |
- |
- |
- |
- |
|
| 185 |
1730,6 |
- |
- |
- |
- |
|
| 240 |
2284,4 |
- |
- |
- |
- |
|
| 300 |
2853,2 |
- |
- |
- |
- |
|
| 400 |
3766,2 |
- |
- |
- |
- |
|
(Измененная редакция, Изм. N 1).
ПРИЛОЖЕНИЕ Г
(обязательное)
МЕТОДИКА ОПРЕДЕЛЕНИЯ ПОТЕРИ МАССЫ КОМПОЗИЦИЙ
ПОЛИВИНИЛХЛОРИДНОГО ПЛАСТИКАТА
Г.1 Назначение
Методика предназначена для проведения испытаний по определению потери массы композиций поливинилхлоридных пластикатов с изоляции и оболочки проводов и шнуров.
Г.2 Отбор образцов
Г.2.1 Образцы из изоляции и/или оболочки провода или шнура в виде трубок или двусторонних лопаток изготавливают по ГОСТ 25018.
Г.2.2 Масса образца - от 0,1·10-3 до 10 кг; толщина образца - от 0,1 до 4 мм; диаметр образцов в виде трубки - от 1 до 10 мм.
Г.3 Испытательное оборудование
Для испытания применяют:
1 термостат с естественной или принудительной циркуляцией воздуха. Воздух должен поступать в термостат таким образом, чтобы он проходил над поверхностью испытуемых образцов и выходил возле верхней части термостата. При заданной температуре испытания в термостате с принудительной циркуляцией воздуха в течение 1 ч должно произойти не менее 8 и не более 20 полных смен объема воздуха. Применять вентилятор внутри термостата не допускается;
2 аналитические весы чувствительностью до 0,1 мг;
3 штампы для изготовления плоских образцов в виде двусторонней лопатки по ГОСТ 25018;
4 эксикатор с селикагелем или аналогичным материалом или сушильный шкаф.
Г.4 Порядок проведения испытания
Г.4.1 Сущность метода заключается в оценке изменений массы образцов после воздействия повышенных температур.
Г.4.2 Подготовленные образцы выдерживают не менее 20 ч при комнатной температуре в сушильном шкафу или эксикаторе с селикагелем или аналогичным материалом.
Г.4.3 Затем каждый образец взвешивают на аналитических весах, при этом массу определяют в миллиграммах с точностью до одного десятичного знака.
Г.4.4 Образцы помещают в термостат, предварительно нагретый до температуры 80 °С, на 7 сут при соблюдении следующих условий:
- испытание компаундов различного состава в одно и то же время, в одном и том же термостате должно быть исключено;
- образцы подвешивают вертикально в середине термостата на расстоянии не менее 20 мм друг от друга;
- образцами следует занимать не более 0,5 объема термостата.
Г.4.5 После термической обработки образцы выдерживают в течение 20 ч в сушильном шкафу или эксикаторе при комнатной температуре.
Г.4.6 Затем каждый образец вновь взвешивают на аналитических весах, массу определяют в миллиграммах с точностью до одного десятичного знака.
Г.5 Обработка результатов
Г.5.1 Рассчитывают площадь поверхности каждого образца A , см2 , по формулам:
а) для трубовидных образцов
![]()
где D - средний наружный диаметр образца с точностью до сотых долей, мм;
d - средняя толщина образца с точностью до сотых долей, мм;
l - длина образца, мм;
б) для плоских образцов в виде двусторонней лопатки размерами, соответствующими чертежу 2 ГОСТ 25018
![]()
для плоских образцов в виде двусторонней лопатки размерами, соответствующими чертежу 3 ГОСТ 25018
![]()
где d - среднее значение толщины образца с точностью до двух десятичных знаков, мм.
Г.5.2 Рассчитывают разницу между значениями масс в миллиграммах, определенными по Г.4.3 и Г.4.6 для каждого образца, и округляют ее до целых единиц.
Г.5.3 Потерю массы каждого образца Q , мг/см2 , рассчитывают по формуле
![]()
где P - изменение массы образца после термического старения, мг;
A - площадь поверхности, см2 .
Г.5.4 Находят среднее значение потери массы по трем образцам. Результат принимают за потерю в массе.
Г.5.5 Среднее значение потери массы не должно превышать 2,0 мг/см2 .
После получения результатов испытаний и расположения их в порядке увеличения или уменьшения определяют медиану, которая является средним значением, если число имеющихся результатов нечетное, и усредненным двух средних значений, если число проведенных испытаний четное.
ПРИЛОЖЕНИЕ Д
(обязательное)
МЕТОДИКА ОПРЕДЕЛЕНИЯ ТЕПЛОВОЙ ДЕФОРМАЦИИ
РЕЗИНОВОЙ ИЗОЛЯЦИИ И ОБОЛОЧКИ ПРОВОДОВ И ШНУРОВ
Д.1 Назначение
Методика предназначена для проведения испытания на тепловую деформацию резиновой изоляции и оболочки проводов и шнуров.
Д.2 Отбор образцов
Д.2.1 Образцы и изоляции и/или оболочки проводов и шнуров в виде трубок или двусторонних лопаток изготавливают по ГОСТ 25018.
Д.2.2 Толщина образца в виде двусторонней лопатки - от 0,8 до 2,0 мм; диаметр образца (в виде трубки) - от 1,0 до 10 мм.
Д.3 Аппаратура
Д.3.1 Испытание проводят в термостате.
Д.3.2 Термостат с естественной или принудительной циркуляцией воздуха. Воздух должен поступать в термостат таким образом, чтобы он проходил над поверхностью испытуемых образцов и выходил возле верхней части термостата. При заданной температуре испытания в термостате с принудительной циркуляцией воздуха в течение 1 ч должно произойти не менее 8 и не более 20 полных смен воздуха. Не допускается применять вентилятор внутри термостата.
Д.3.3 Зажимные приспособления предусмотрены таким образом, что каждый образец может быть подвешен в термостате с помощью верхнего зажимного приспособления на образце. Фиксация зажимных приспособлений не должна вызывать герметичной закупорки доступа воздуха с двух концов трубчатого образца во время испытания. С этой целью рекомендуется ввод с одного конца короткого отрезка металлического стержня диаметром, меньшим внутреннего диаметра образца.
Д.4 Порядок проведения испытания
Д.4.1 Сущность метода заключается в измерении длины рабочего участка во время приложения и после снятия нагрузки (механическое напряжение) при повышенных температурах.
Д.4.2 Подготовленные образцы подвешивают в термостате, нагретом до температуры (200±3) °С, а груз, выбранный с учетом площади поперечного сечения образца для установления механического напряжения 0,2 Н/мм2 , прикрепляют в зажимных приспособлениях.
Д.4.3 В подвешенном состоянии образцы выдерживают в термостате при заданной температуре 15 мин.
Д.4.4 После 15 мин пребывания образцов в термостате при заданной температуре измеряют на них расстояние между отметками в течение 30 с после открывания дверцы либо через смотровое окно, встроенное в термостат.
Д.4.5 После измерения снимают растягивающую нагрузку, которая воздействует на образец (срезанием образца у зажима), и выдерживают образец вновь в термостате в течение 5 мин при температуре 200 °С.
Д.4.6 После выдержки образцы извлекают из термостата или медленно охлаждают в термостате до температуры окружающей среды, а затем вновь измеряют расстояние между метками.
Д.5 Оценка результатов
Д.5.1 Относительное удлинение образца e, %, после 15 мин нагрева рассчитывают по формуле
(Д1)
где l 0 - длина рабочего участка образца до приложения механической нагрузки и выдерживания в термостате, мм;
l 1 - длина рабочего участка образца во время приложения механической нагрузки при температуре 200 °С в течение 15 мин, мм.
Д.5.2 Относительное удлинение образца e, %, после охлаждения рассчитывают по формуле
(Д2)
где l 0 - длина рабочего участка образца до приложения механической нагрузки и выдерживания в термостате, мм;
l 2 - длина рабочего участка образца после снятия нагрузки и охлаждения, мм.
Д.5.3 Определяют среднее арифметическое данных по пяти образцам.
Д.5.4 Среднее арифметическое значение удлинения после испытания образцов в течение 15 мин при установленной температуре с прикрепленным грузом не должно превышать 175%, а после извлечения образца из термостата и его охлаждения среднее арифметическое значение удлинения не должно превышать 25% значения, установленного в стандарте.
ПРИЛОЖЕНИЕ Е
(обязательное)
МЕТОДИКА ИСПЫТАНИЯ ШНУРОВ МАЛЫХ СЕЧЕНИЙ
НА НЕРАСПРОСТРАНЕНИЕ ГОРЕНИЯ
Е.1 Назначение
Методика предназначена для проведения испытаний шнуров с жилами сечением от 0,1 до 0,5 мм2 на соответствие требованиям нераспространения горения в пожароопасных условиях.
Испытания проводят на одиночном проводе или шнуре.
Е.2 Отбор образцов
Е.2.1 От конца провода или шнура отбирают два образца длиной (600±25) мм.
Е.2.2. Если провод или шнур покрыт краской или лаком, то образец перед испытанием следует выдержать в печи при температуре (60±2) °С в течение 4 ч, а затем охладить до температуры окружающей среды.
Е.3 Аппаратура
а) Испытательная металлическая камера, соответствующая указанной на рисунке Е.1.
б) Пропановая горелка, соответствующая рисунку Е.3.
в) Баллон с пропаном с редукционным клапаном и манометром.
г) Секундомер типа С-1-2а или С-1-2б.
д) Электрический прибор (зажигалка).
Е.4 Подготовка к испытанию
Е.4.1 Горелка должна питаться пропаном так, чтобы она давала светящееся пламя длиной (125±25) мм (рисунок Е.2), когда находится в вертикальном положении при закрытом вводе воздуха. Выполнение этого требования должно обеспечиваться давлением в 1 бар на уровне редукционного клапана.

Рисунок Е.1 - Испытательная камера

Рисунок Е.2 - Длина пламени

Рисунок Е.3 - Пропановая горелка
Е.4.2 Горелка должна быть расположена следующим образом. Ось горелки должна составлять угол 45° с осью образца. Расстояние между центром выхода горелки и поверхностью образца, измеренное вдоль оси горелки, должно быть (10±1) мм. Расстояние от точки пересечения оси горелки и оси образца до точки прикрепления груза должно быть (100±10) мм. Расстояние от точки пересечения осей горелки и образца до нижней части верхней крепежной системы не должно превышать 465 мм.
Е.4.3 Необходимо исключить малейший поток воздуха в камере.
Е.5 Проведение испытания
Е.5.1 Образец шнура натягивают и прикрепляют в вертикальном положении к центру металлической камеры. К нижней части образца прикладывают усилие 5 Н/мм2 (сечения шнура) так, чтобы длина шнура между нижним и верхним креплениями составляла (550±25) мм. Пламя направляют так, чтобы оно обволакивало образец. На первый образец пламя должно воздействовать в течение (20±1) с.
Если образец шнура не выдерживает испытания в соответствии с разделом Е.6 настоящей методики в течение времени T , меньшего чем (20±1) с, испытание повторяют на втором образце с длительностью приложения пламени (T -2) с. В зтом случае результат испытания определяют по второму образцу.
Е.6 Оценка результатов
Образец шнура считают выдержавшим испытания, если после прекращения подачи пламени и удаления с поверхности образца копоти обугленные или поврежденные части не достигают нижнего края верхнего зажима менее чем на 50 мм.
ПРИЛОЖЕНИЕ Ж
(обязательное)
НОМИНАЛЬНЫЕ ТОКОВЫЕ НАГРУЗКИ
Таблица Ж1
| Номинальное сечение жилы, мм2 |
Номинальная токовая нагрузка А, не более |
| Мишурные жилы |
0,2 |
| 0,50 |
2,5 |
| 0,75 |
6,0 |
| 1,00 |
10,0 |
| 1,50 |
16,0 |
| 2,50 |
25,0 |
| 4,00 |
32,0 |
| Примечание - Токовые нагрузки проводов и шнуров с сечением жил свыше 4,00 мм2 - в стадии рассмотрения. |
|
(Измененная редакция, Изм. N 1).
ГОСТ 7746-2001
УДК 621.314.224:006.354 Группа Е64
МЕЖГОСУДАРСТВЕННЫЙ СТАНДАРТ
ТРАНСФОРМАТОРЫ ТОКА
Общие технические условия
Current transformers. General specifications
МКС 17.220.20
ОКП 34 1440
Дата введения 2003-01-01
Предисловие
1 РАЗРАБОТАН Открытым акционерным обществом ОАО «Свердловский завод трансформаторов тока»
ВНЕСЕН Госстандартом России
2 ПРИНЯТ Межгосударственным Советом по стандартизации, метрологии и сертификации (протокол № 20 от 1 ноября 2001 г.)
За принятие проголосовали:
| Наименование государства |
Наименование национального органа по стандартизации |
| Азербайджанская Республика |
Азгосстандарт |
| Республика Армения |
Армгосстандарт |
| Республика Беларусь |
Госстандарт Беларуси |
| Республика Грузия |
Грузстандарт |
| Республика Казахстан |
Госстандарт Республики Казахстан |
| Кыргызская Республика |
Кыргызстандарт |
| Республика Молдова |
Молдовастандарт |
| Российская Федерация |
Госстандарт России |
| Республика Таджикистан |
Таджикстандарт |
| Туркменистан |
Главгосслужба «Туркменстандартлары» |
| Республика Узбекистан |
Узгосстандарт |
| Украина |
Госстандарт Украины |
3 Настоящий стандарт соответствует требованиям международного стандарта МЭК 44-1:1996 «Измерительные трансформаторы. Часть 1. Трансформаторы тока»
4 Постановлением Государственного комитета Российской Федерации по стандартизации и метрологии от 13 марта 2002 г. № 92-ст межгосударственный стандарт ГОСТ 7746—2001 введен в действие непосредственно в качестве государственного стандарта Российской Федерации с 1 января 2003 г.
5 ВЗАМЕН ГОСТ 7746-89
1 ОБЛАСТЬ ПРИМЕНЕНИЯ
Настоящий стандарт распространяется на электромагнитные трансформаторы тока (далее — трансформаторы) на номинальное напряжение от 0,66 до 750 кВ включительно, предназначенные для передачи сигнала измерительной информации приборам измерения, защиты, автоматики, сигнализации и управления в электрических цепях переменного тока частотой 50 или 60 Гц.
Дополнительные требования к отдельным видам трансформаторов в связи со спецификой их конструкции или назначения (например для каскадных трансформаторов, трансформаторов, предназначенных для работы с нормированной точностью в переходных режимах, для установки в комплектных распределительных устройствах (КРУ), пофазно экранированных токопроводах) следует устанавливать в стандартах, технических условиях, договорах или контрактах (далее — стандартах) на трансформаторы конкретных типов.
Стандарт не распространяется на трансформаторы лабораторные, нулевой последовательности, суммирующие, блокирующие, насыщающиеся.
2 НОРМАТИВНЫЕ ССЫЛКИ
В настоящем стандарте использованы ссылки на следующие стандарты:
ГОСТ 2.601—95 Единая система конструкторской документации. Эксплуатационные документы
ГОСТ 8.217—87 Государственная система обеспечения единства измерений. Трансформаторы тока. Методика поверки
ГОСТ 12.2.007.0—75 Система стандартов безопасности труда. Изделия электротехнические. Общие требования безопасности
ГОСТ 12.2.007.3—75 Система стандартов безопасности труда. Электротехнические устройства на напряжение свыше 1000 В. Требования безопасности
ГОСТ 12.3.019—80 Система стандартов безопасности труда. Испытания и измерения электрические. Общие требования безопасности
ГОСТ 15.001—881 ) Система разработки и постановки продукции на производство. Продукция производственно-технического назначения
_______________
1) В Российской Федерации действует ГОСТ Р 15.201—2000.
ГОСТ 15.309—98 Система разработки и постановки продукции на производство. Испытания и приемка выпускаемой продукции. Основные положения
ГОСТ 27.003—90 Надежность в технике. Состав и общие правила задания требований по надежности
ГОСТ 403—73 Аппараты электрические на напряжение до 1000 В. Допустимые температуры нагрева частей аппаратов
ГОСТ 1516.1—76 Электрооборудование переменного тока на напряжения от 3 до 500 кВ. Требования к электрической прочности изоляции
ГОСТ 1516.2—97 Электрооборудование и электроустановки переменного тока на напряжение 3 кВ и выше. Общие методы испытаний электрической прочности изоляции
ГОСТ 1516.3—96 Электрооборудование переменного тока на напряжения от 1 до 750 кВ. Требования к электрической прочности изоляции
ГОСТ 2933—931) Аппараты электрические низковольтные. Методы испытаний
_______________
1) В Российской Федерации действует ГОСТ 2933—83.
ГОСТ 3484.1—88 Трансформаторы силовые. Методы электромагнитных испытаний
ГОСТ 3484.5—88 Трансформаторы силовые. Испытания баков на герметичность
ГОСТ 6581—75 Материалы электроизоляционные жидкие. Методы электрических испытаний
ГОСТ 8024—90 Аппараты и электротехнические устройства переменного тока на напряжение свыше 1000 В. Норма нагрева при продолжительном режиме работы и методы испытаний
ГОСТ 9920—89 (МЭК 694—80, МЭК 815—86) Электроустановки переменного тока на напряжение от 3 до 750 кВ. Длина пути утечки внешней изоляции
ГОСТ 10434—82 Соединения контактные электрические. Классификация. Общие технические требования
ГОСТ 13109—97 Электрическая энергия. Совместимость технических средств электромагнитная. Нормы качества электрической энергии в системах электроснабжения общего назначения
ГОСТ 14192—96 Маркировка грузов
ГОСТ 15150—69 Машины, приборы и другие технические изделия. Исполнения для различных климатических районов. Категории, условия эксплуатации, хранения и транспортирования в части воздействия климатических факторов внешней среды
ГОСТ 15543.1—89 Изделия электротехнические. Общие требования в части стойкости к климатическим внешним воздействующим факторам
ГОСТ 15963—79 Изделия электротехнические для районов с тропическим климатом. Общие технические требования и методы испытаний
ГОСТ 16504—81 Система государственных испытаний продукции. Испытания и контроль качества продукции. Основные термины и определения
ГОСТ 16962.1—89 (МЭК 68-2-1—74) Изделия электротехнические. Методы испытаний на устойчивость к климатическим внешним воздействующим факторам
ГОСТ 16962.2—90 Изделия электротехнические. Методы испытаний на стойкость к механическим внешним воздействующим факторам
ГОСТ 17516.1—90 Изделия электротехнические. Общие требования в части стойкости к механическим внешним воздействующим факторам
ГОСТ 18425—73 Тара транспортная наполненная. Метод испытания на удар при свободном падении
ГОСТ 18685—73 Трансформаторы тока и напряжения. Термины и определения
ГОСТ 19880—74 Электротехника. Основные понятия. Термины и определения
ГОСТ 20074—83 Электрооборудование и электроустановки. Метод измерения характеристик частичных разрядов
ГОСТ 20690—75 Электрооборудование переменного тока на напряжение 750 кВ. Требования к электрической прочности изоляции
ГОСТ 21130—75 Изделия электротехнические. Зажимы заземляющие и знаки заземления. Конструкция и размеры
ГОСТ 21242—75 Выводы контактные электротехнических устройств плоские и штыревые. Основные размеры
ГОСТ 23216—78 Изделия электротехнические. Хранение, транспортирование, временная противокоррозионная защита, упаковка. Общие требования и методы испытаний
РМГ 29—99 Государственная система обеспечения единства измерений. Метрология. Основные термины и определения
3 ОПРЕДЕЛЕНИЯ
Термины, применяемые в настоящем стандарте, и соответствующие им определения — по РМГ 29, ГОСТ 16504, ГОСТ 18685, ГОСТ 19880, а также следующие:
3.1 номинальный коэффициент безопасности приборов: Отношение номинального тока безопасности приборов к номинальному первичному току трансформатора.
3.2 номинальный ток безопасности приборов: Минимальное значение первичного тока трансформатора, при котором полная погрешность составляет не менее 10 % при номинальной вторичной нагрузке.
3.3 испытание для утверждения типа: Вид государственного метрологического контроля вновь разработанного трансформатора, проводимого в целях обеспечения единства измерений, утверждения типа трансформатора и занесения его в Государственный реестр средств измерений.
3.4 испытание на соответствие утвержденному типу: Вид государственного метрологического контроля, проводимого периодически в целях определения соответствия выпускаемых из производства трансформаторов утвержденному типу.
3.5 допускаемая область погрешностей: Область, за пределы которой не должны выходить погрешности трансформатора.
4 КЛАССИФИКАЦИЯ
4.1 Трансформаторы подразделяют по следующим основным признакам:
4.1.1 По роду установки (категории размещения и климатическому исполнению) по ГОСТ 15150.
При размещении трансформаторов внутри оболочек комплектных изделий категории размещения должны соответствовать указанным в таблице 1.
Таблица 1 — Категории размещения трансформаторов, установленных внутри оболочек комплектных изделий
| Характеристика среды внутри оболочки |
Категория размещения комплектного изделия по ГОСТ 15150 |
||||
| 1 |
2 |
3 |
4 |
5 |
|
| 1 Газовая среда, изолированная от наружного воздуха, или жидкая среда |
— |
— |
4 |
_ |
— |
| 2 Газовая среда, не изолированная от наружного воздуха |
2 |
2 или 2.1 |
3 |
4 |
5 или 5.1 |
4.1.2 По принципу конструкции: опорные, проходные, шинные, встроенные, разъемные.
Допускается сочетание в конструкции трансформатора нескольких перечисленных признаков, а также специальное конструктивное исполнение.
4.1.3 По виду изоляции: с литой изоляцией, с фарфоровой покрышкой, в пластмассовом корпусе, с твердой изоляцией (кроме фарфоровой и литой) или с полимерной покрышкой, маслонаполненные, газонаполненные.
4.1.4 По числу ступеней трансформации: одноступенчатые, каскадные.
4.1.5 По числу вторичных обмоток: с одной вторичной обмоткой, с несколькими вторичными обмотками.
4.1.6 По назначению вторичных обмоток: для измерения и учета, для защиты1) , для измерения и защиты, для работы с нормированной точностью в переходных режимах.
_______________
1) Здесь и далее под словом «защита» подразумевается защита, автоматика, управление и сигнализация.
4.1.7 По числу коэффициентов трансформации: с одним коэффициентом трансформации, с несколькими коэффициентами трансформации, получаемыми путем изменения числа витков первичной или (и) вторичной обмотки, а также путем применения нескольких вторичных обмоток с различными числами витков, соответствующих различным значениям номинального вторичного тока.
4.1.8 Признаки по 4.1.2, 4.1.3, 4.1.4, 4.1.6 и их обозначения приведены в таблицах 2 — 4.
Таблица 2
| Конструктивное исполнение трансформатора |
Условное обозначение |
| Опорный |
О |
| Проходной |
П |
| Шинный |
Ш |
| Встроенный |
В |
| Разъемный |
Р |
| Одноступенчатый |
- |
| Каскадный |
К |
Таблица 3
| Вид изоляции |
Условное обозначение |
| С фарфоровой покрышкой |
Ф |
| С твердой и воздушной изоляцией, с полимерной покрышкой |
— |
| Маслонаполненные |
М |
| Газонаполненные |
Г |
| Литая |
Л |
| В пластмассовом корпусе |
П |
Таблица 4
| Назначение вторичной обмотки трансформатора |
Условное обозначение |
| Для измерений и учета |
Указывают класс точности |
| Для защиты |
То же |
| Для измерений и защиты |
» |
5 ОСНОВНЫЕ ПАРАМЕТРЫ
5.1 Номинальные параметры трансформатора:
а) номинальное напряжение трансформатора U ном (кроме встроенных трансформаторов);
б) номинальный первичный ток трансформатора I 1ном ;
в) номинальный вторичный ток трансформатора I 2ном ;
г) номинальный коэффициент трансформаторации трансформатора n ном , определяемый по формуле
(1)
д) номинальная вторичная нагрузка S 2ном с коэффициентом мощности cos j2 = 1 или cos j2 = = 0,8| — |S 2ном (допускается обозначение вторичной нагрузки Z 2ном );
е) класс точности трансформатора (для трансформатора с одной вторичной обмоткой) или вторичных обмоток (для трансформатора с несколькими вторичными обмотками);
ж) номинальная предельная кратность вторичной обмотки, предназначенной для защиты, K ном
и) номинальный коэффициент безопасности приборов вторичной обмотки, предназначенной для измерения, -К Бном ;
к) номинальная частота напряжения сети f ном , равная 50 или 60 Гц. Качество напряжения сети — по ГОСТ 13109.
5.2 Значения основных параметров следует выбирать из приведенных в таблице 5.
Таблица 5
| Наименование параметра |
Значение |
| 1 Номинальное напряжение трансформатора U ном , кВ |
0,66; 3; 6; 10; 15; 20; 24; 27; 35; 110; 150; 220; 330; 500; 750 |
| 2 Наибольшее рабочее напряжение, кВ |
Для номинального напряжения 0,66 кВ — 0,72; для 3 кВ и выше — по ГОСТ 1516.3 |
| 3 Номинальный первичный ток трансформатора I 1ном , А |
1; 5; 10; 15; 20; 30; 40; 50; 75; 80; 100; 150; 200; 300; 400; 500; 600; 750; 800; 1000; 1200; 1500; 2000; 3000; 4000; 5000; 6000; 8000; 10000; 12000; 14000; 16000; 18000; 20000; 25000; 28000; 30000; 32000; 35000; 40000 |
| 4 Номинальный вторичный ток I 2ном , А |
1; 2; 5 |
| 5 Наибольший рабочий первичный ток I 1нр , A |
См. таблицу 10 |
| 6 Номинальная вторичная нагрузка S 2ном с коэффициентом мощности cos j2 = 1 В×А |
1; 2; 2,5 |
| 7 Номинальная вторичная нагрузка S 2ном с индуктивно-активным коэффициентом мощности cos j2 = 0,8 В×А1) |
3; 5; 10; 15; 20; 25; 30; 50; 60; 75; 100 |
| 8 Класс точности трансформатора или вторичной обмотки: для измерений и учета для защиты |
0,1; 0,2; 0,2S2 ; 0,5; 0,5S2 ; 1; 3; 5; 103 ; 5Р; 10Р |
| 9 Номинальная предельная кратность вторичных обмоток для защиты К иом |
От 5 до 304 |
| 10 Номинальный коэффициент безопасности приборов К бном , вторичных обмоток для измерений |
Устанавливают в стандартах на трансформаторы конкретных типов. Не устанавливают для вторичных обмоток для измерений и защиты |
1) Соответствующие значения номинальной вторичной нагрузки Z 2ном , Ом, определяют по формуле
(2)
2 ) Классы точности 0,2S и 0,5S допускаются по согласованию между изготовителем и потребителем трансформаторов, предназначенных для коммерческого учета электроэнергии.
3) Только для встроенных трансформаторов с номинальным первичным током до 100 А.
4) По требованию потребителя в стандартах на трансформаторы конкретных типов допускается устанавливать другие значения.
5.3 Условное обозначение трансформатора
| Т |
X |
Х |
Х - |
Х |
Х- |
Х - |
ХХ - |
Х/Х |
ХХ |
|||||||||||
| Климатическое исполнение и категория размещения по ГОСТ 15150 |
||||||||||||||||||||
| Номинальный вторичный ток, А (при наличии у трансформатора нескольких вторичных токов указывают все значения через тире) |
||||||||||||||||||||
| Номинальный первичный ток, А (при наличии у трансформатора нескольких первичных токов указывают все значения через тире) |
||||||||||||||||||||
| Класс точности (при наличии у трансформатора нескольких вторичных обмоток указывают класс точности каждой из них в виде дроби) |
||||||||||||||||||||
| Конструктивный вариант исполнения, если их несколько (арабские или римские цифры) |
||||||||||||||||||||
| Категория в зависимости от длины пути утечки внешней изоляции по ГОСТ 9920 (только для трансформаторов категории размещения 1) |
||||||||||||||||||||
| Номинальное напряжение, кВ |
||||||||||||||||||||
| М (только для модернизированных изделий) |
||||||||||||||||||||
| Обозначение по таблице 3 |
||||||||||||||||||||
| Обозначение по таблице 2 |
||||||||||||||||||||
| Обозначение трансформатора |
||||||||||||||||||||
Примечания
1 Буквенная часть условного обозначения представляет серию; совокупность буквенного обозначения, значения номинального напряжения, категории внешней изоляции по длине пути утечки и конструктивного варианта исполнения — тип; приведенное выше обозначение в целом — типоисполнение трансформатора.
2 Для встроенных трансформаторов допускается применение упрощенного условного обозначения.
3 В стандартах на трансформаторы конкретных типов допускается в буквенную часть вводить дополнительные буквы, исключать или заменять отдельные буквы (кроме Т) для обозначения особенностей конкретного трансформатора.
Пример условного обозначения опорного трансформатора тока с литой изоляцией на номинальное напряжение 35 кВ, категории II по длине пути утечки внешней изоляции, с вторичными обмотками классов точности 0,5 (одна) и 10Р (три), на номинальный первичный ток 2000 А, номинальный вторичный ток 1 А, климатического исполнения У, категории размещения 1:
ТОЛ-35 - II - 0,5/10 P /10 P /10 P - 2000/1У1
6 ТЕХНИЧЕСКИЕ ТРЕБОВАНИЯ
6.1 Трансформаторы следует изготавливать в соответствии с требованиями настоящего стандарта и стандартов на трансформаторы конкретных типов по рабочим чертежам, утвержденным в установленном порядке.
Перечень дополнительных справочных данных для трансформаторов, которые по требованию заказчика следует приводить в информационных материалах, указан в приложении А.
6.2 Общие требования
6.2.1 Трансформаторы следует изготавливать в климатических исполнениях по ГОСТ 15150 и ГОСТ 15543.1. Категории размещения — по ГОСТ 15150.
Для трансформаторов категории размещения 4 по ГОСТ 15150 климатическое исполнение и категория — УХЛ4 или О4.
Требования в части стойкости к климатическим внешним воздействующим факторам — по ГОСТ 15543.1.
6.2.2 Трансформаторы должны быть предназначены для работы на высоте до 1000 м над уровнем моря, за исключением трансформаторов на номинальное напряжение 750 кВ, которые должны быть предназначены для работы на высоте до 500 м. Допускается по согласованию между потребителем и изготовителем выпускать трансформаторы для работы на высоте свыше 1000 м.
6.2.3 Устойчивость трансформаторов к воздействию механических факторов внешней среды — по ГОСТ 17516.1. Группу механического исполнения по ГОСТ 17516.1 устанавливают в стандартах на трансформаторы конкретных типов.
Трансформаторы категории размещения 1 должны быть рассчитаны на суммарную механическую нагрузку от ветра скоростью 40 м/с, гололеда с толщиной стенки льда 20 мм и от тяжения проводов не менее:
500 Н (50 кгс) — для трансформаторов на номинальное напряжение до 35 кВ включительно;
1000 Н (100 кгс) — для трансформаторов на номинальное напряжение 110 — 220 кВ;
1500 Н (150 кгс) — для трансформаторов на номинальное напряжение 330 кВ и выше.
При этом значения испытательных статических нагрузок должны составлять1) :
1250 Н (125 кгс) — для трансформаторов на номинальное напряжение до 35 кВ включительно;
2000 Н (200 кгс) — для трансформаторов на номинальное напряжение 110 — 220 кВ;
2500 Н (250 кгс) — для трансформаторов на номинальное напряжение 330 кВ и выше.
______________
1) Значения испытательных статических нагрузок указаны для трансформаторов, техническое задание на которые утверждено после 01.01.2001.
Значения испытательных статических нагрузок учитывают возникающие экстремальные динамические нагрузки на контактных выводах трансформатора, например при токах короткого замыкания, не превышающие более чем в 1,4 раза испытательные статические нагрузки.
6.2.4 Рабочее положение трансформаторов в пространстве должно быть указано в стандартах на трансформаторы конкретных типов.
6.3 Требования к изоляции
6.3.1 Изоляция первичной обмотки (первичной цепи) трансформаторов на номинальные напряжения от 3 до 500 кВ включительно должна соответствовать требованиям ГОСТ 1516.1 и ГОСТ 1516.3, а на номинальное напряжение 750 кВ — требованиям ГОСТ 1516.3 и ГОСТ 20690.
К изоляции первичной обмотки (первичной цепи) маслонаполненных трансформаторов на номинальное напряжение 330 кВ и выше по согласованию между потребителем и изготовителем допускается предъявление требований по воздействию срезанного грозового и многократных срезанных импульсов.
Изоляция первичной обмотки (первичной цепи) трансформаторов на номинальное напряжение 0,66 кВ должна выдерживать воздействие испытательного напряжения 3 кВ частотой 50 Гц в течение 1 мин.
Дополнительные требования к изоляции трансформаторов категорий размещения 2 и 5, имеющих собственную первичную обмотку, определяемые конденсацией влаги (выпадением росы), и длина пути утечки внешней изоляции должны быть указаны в стандартах на трансформаторы конкретных типов.
6.3.2 Для трансформаторов категории размещения 1 по ГОСТ 15150 длина пути утечки внешней изоляции по ГОСТ 9920 должна быть установлена в стандартах на трансформаторы конкретных типов.
6.3.3 Междусекционная изоляция секций первичных и вторичных обмоток, предназначенных для изменения коэффициента трансформации трансформаторов, должна выдерживать в течение 1 мин воздействие испытательного напряжения 3 кВ частотой 50 Гц.
6.3.4 Изоляция вторичных обмоток трансформаторов относительно заземленных частей, а для трансформаторов с несколькими вторичными обмотками также относительно друг друга, должна выдерживать в течение 1 мин воздействие испытательного напряжения 3 кВ частотой 50 Гц.
6.3.5 Газовая изоляция первичной обмотки трансформаторов, работающих при избыточном давлении газа, должна в течение 15 мин выдерживать воздействие напряжения, равного 1,1
, при избыточном давлении газа, равном нулю, где U
н
p
— наибольшее рабочее напряжение.
6.3.6 Уровень частичных разрядов изоляции первичной обмотки трансформаторов на номинальное напряжение 3 кВ и выше уровня изоляции «а» по ГОСТ 1516.3 должен соответствовать приведенным в таблице 6.
Таблица 6
| Вид изоляции |
Напряжение измерения |
Допускаемый уровень, пКл |
| Бумажно-масляная |
10 |
|
| Газовая1 |
1,1 |
10 |
| Твердая |
20 |
1 Не распространяется на трансформаторы с воздушной изоляцией, свободно сообщающейся с наружным воздухом.
Тангенс угла диэлектрических потерь конденсаторной бумажно-масляной изоляции первичной обмотки трансформаторов при температуре (25 ± 10) °С и напряжении
не должен превышать 0,0035, а его прирост в диапазоне напряжений от
до
не должен превышать 0,0003.
6.3.7 Междувитковая изоляция обмоток трансформатора должна выдерживать без пробоя или повреждения в течение 1 мин индуктируемое в них напряжение при протекании по первичной обмотке тока, значение которого должно быть номинальным, если амплитуда напряжения между выводами разомкнутой вторичной обмотки не превышает 4,5 кВ или меньше номинального; при этом амплитуда напряжения между выводами разомкнутой вторичной обмотки должна быть 4,5 кВ.
6.3.8 При нормальных климатических условиях по ГОСТ 15150 значение сопротивления изоляции обмоток трансформаторов должно быть не менее:
40 МОм — для первичных обмоток трансформаторов на номинальное напряжение 0,66 кВ;
1000 МОм — для первичных обмоток трансформаторов на номинальные напряжения 3 — 35 кВ;
3000 МОм — для первичных обмоток трансформаторов на номинальные напряжения 110 — 220 кВ;
5000 МОм — для первичных обмоток трансформаторов на номинальные напряжения 330 кВ и выше;
20 МОм — для вторичных обмоток трансформаторов на номинальное напряжение 0,66 кВ;
50 МОм —для вторичных обмоток трансформаторов на номинальные напряжения 3 кВ и выше.
6.3.9 Диэлектрические показатели качества масла маслонаполненных трансформаторов должны соответствовать указанным в таблице 7.
Таблица 7
| Показатель качества масла |
Номинальное |
Предельное допускаемое значение |
||
| напряжение |
показателя качества масла |
|||
| трансформатора, кВ |
для заливки в трансформатор |
после заливки в трансформатор |
||
| Пробивное напряжение по ГОСТ 6581, кВ, не менее |
||||
| До 15 включ. |
30 |
25 |
||
| До 35 включ. |
35 |
30 |
||
| 110 - 150 |
60 |
55 |
||
| 220 - 500 |
65 |
60 |
||
| 750 |
70 |
65 |
||
| Тангенс угла диэлектрических потерь |
||||
| при 90 °С по ГОСТ 6581, %, не более |
До 220 включ. |
1,7 |
2,0 |
|
| Св. 220 |
0,5 |
0,7 |
||
6.4 Метрологические характеристики
6.4.1 Метрологические характеристики следует устанавливать для следующих рабочих условий применения трансформаторов:
а) частота переменного тока (50 ± 0,5) Гц или (60 ± 0,5) Гц;
б) первичный ток — в соответствии с 6.4.2 и 6.4.3;
в) значение вторичной нагрузки — в соответствии с 6.4.2 и 6.4.3;
г) температура окружающего воздуха — в соответствии с климатическим исполнением и категорией размещения, если иное не указано в стандартах на трансформаторы конкретных типов;
д) высота установки трансформаторов над уровнем моря — по 6.2.2.
6.4.2 Пределы допускаемых погрешностей вторичных обмоток для измерений и учета в рабочих условиях применения по 6.4.1 при установившемся режиме должны соответствовать значениям, указанным в таблице 8.
Погрешности не должны выходить за пределы допускаемых областей.
Допускаемые области погрешностей для различных классов точности приведены в приложении Б.
Для трансформаторов с номинальными вторичными нагрузками 1; 2; 2,5; 3; 5 и 10 В×А нижний предел вторичных нагрузок — 0,8; 1,25; 1,5; 1,75; 3,75 и 3,75 В×А соответственно.
Таблица 8
| Класс точности |
Первичный ток, % |
Предел допускаемой погрешности |
Предел нагрузки, % |
||
| номинального значения |
токовой, % |
угловой |
номинального значения |
||
| 5 |
±0,4 |
±15' |
±0,45 срад |
||
| 0,1 |
20 |
±0,2 |
±8' |
±0,24 срад |
|
| 100-120 |
±0,1 |
±5' |
±0,15 срад |
||
| 5 |
±0,75 |
±30' |
±0,9 срад |
||
| 0,2 |
20 |
±0,35 |
±15' |
±0,45 срад |
|
| 100-120 |
±0,2 |
±10' |
±0,3 срад |
||
| 1 |
±0,75 |
±30' |
±0,9 срад |
||
| 5 |
±0,35 |
±15' |
±0,45 срад |
||
| 0,2S |
20 |
±0,2 |
±10' |
±0,3 срад |
|
| 100 |
±0,2 |
±10' |
±0,3 срад |
||
| 120 |
±0,2 |
±10' |
±0,3 срад |
25—100 |
|
| 5 |
±1,5 |
±90' |
±2,7 срад |
||
| 0,5 |
20 |
±0,75 |
±45' |
± ,35 срад |
|
| 100-120 |
±0,5 |
±30' |
±0,9 срад |
||
| 1 |
±1,5 |
±90' |
±2,7 срад |
||
| 5 |
±0,75 |
±45' |
±1,35 срад |
||
| 0,5S |
20 |
±0,5 |
±30' |
±0,9 срад |
|
| 100 |
±0,5 |
±30' |
±0,9 срад |
||
| 120 |
±0,5 |
±30' |
±0,9 срад |
||
| 5 |
±3,0 |
± 180' |
±5,4 срад |
||
| 1 |
20 |
±1,5 |
±90' |
±2,7 срад |
|
| 100-120 |
±1,0 |
±60' |
±1,8 срад |
||
| 3 |
±3,0 |
||||
| 5 |
50-120 |
±5,0 |
Не нормируют |
50-100 |
|
| 10 |
±10 |
||||
6.4.3 Пределы допускаемых погрешностей вторичных обмоток для защиты в рабочих условиях применения по 6.4.1 при установившемся режиме и номинальной вторичной нагрузке должны соответствовать указанным в таблице 9.
Таблица 9
| Класс |
Предел допускаемой погрешности |
|||
| точности |
при номинальном первичном токе |
при токе номинальной предельной кратности |
||
| токовой, % |
угловой |
полной, % |
||
| 5Р |
±1 |
±60' |
±1,8 срад |
5 |
| 10Р |
±3 |
Не нормируют |
10 |
|
6.4.4 По согласованию между потребителем и изготовителем в эксплуатационной документации на трансформаторы должны быть указаны зависимости погрешностей от влияющих факторов: первичного тока, вторичной нагрузки, частоты и температуры, а также динамические характеристики. Зависимости погрешностей от каждого влияющего фактора определяют при номинальном значении всех остальных влияющих факторов и с указанием точности определения.
6.5 Значение тока намагничивания
6.5.1 Ток намагничивания вторичных обмоток для измерения, полученный при испытаниях по 9.8 и выраженный в процентах значения, равного произведению номинального вторичного тока на номинальный коэффициент безопасности приборов, должен быть не менее 10 %.
6.5.2 Ток намагничивания вторичных обмоток для защиты, полученный при испытаниях по 9.8 и выраженный в процентах значения, равного произведению номинального вторичного тока на номинальную предельную кратность, не должен превышать значений полной погрешности, указанных в таблице 9.
6.5.3 Допускаемое значение тока намагничивания и соответствующее ему расчетное значение напряжения должны быть установлены предприятием-изготовителем с учетом требований 6.5.1, 6.5.2 и указаны в эксплуатационной документации на конкретные трансформаторы.
6.5.4 Измеренные значения тока намагничивания вторичных обмоток должны быть записаны в паспорт на конкретный трансформатор.
6.6 Требования к нагреву
6.6.1 При продолжительном режиме протекания наибольших рабочих первичных токов (номинальных токов длительного режима) трансформаторы (за исключением встроенных, работающих в трансформаторном масле) на номинальные напряжения свыше 0,66 кВ должны соответствовать требованиям ГОСТ 8024, а трансформаторы на номинальное напряжение 0,66 кВ — требованиям ГОСТ 403.
Для трансформаторов, эксплуатируемых при температурах окружающего воздуха, отличающихся от указанных ГОСТ 15150 и 15543.1, верхнее рабочее значение и (или) эффективное значение температуры окружающего воздуха должны быть установлены в стандартах на трансформаторы конкретных типов.
Для встроенных трансформаторов, устанавливаемых в масляные выключатели, силовые масляные трансформаторы, автотрансформаторы или реакторы, и погружаемых в масло, предельно допустимые превышения температуры над температурой масла (90 °С для масляных выключателей и 95 °С для силовых масляных трансформаторов, автотрансформаторов или реакторов) при продолжительном режиме не должны превышать:
10 °С — для обмоток;
15 °С — для магнитопроводов.
Для встроенных трансформаторов на номинальные первичные токи свыше 10000 А при температуре масла, окружающего трансформатор, ниже 90 °С для масляных выключателей и ниже 95 °С для силовых масляных трансформаторов, автотрансформаторов или реакторов допустимые превышения температуры могут быть соответственно увеличены, но не более чем на 10 °С.
6.6.2 Наибольшие рабочие первичные токи трансформаторов на номинальные токи до 10000 А должны соответствовать указанным в таблице 10.
Для трансформаторов, у которых эффективное значение температуры окружающей среды по ГОСТ 15543.1 превышает 40 °С, значения наибольших рабочих первичных токов могут быть меньше указанных в таблице 10 и их следует устанавливать в стандартах на трансформаторы конкретных типов.
Для трансформаторов на номинальные первичные токи свыше 10000 А, предназначенных для генераторов или синхронных компенсаторов, наибольший рабочий первичный ток может быть больше или меньше номинального тока, но не менее наибольшего длительного тока генератора или синхронного компенсатора.
По согласованию между потребителем и изготовителем допускается кратковременное, не более 2 ч в неделю, повышение первичного тока на 20 % по отношению к наибольшему рабочему первичному току.
Таблица 10
| Наименование параметра |
Значение, А |
||||||||||||||||||||||||||||
| Номинальный первичный ток I 1ном |
1 |
5 |
10 |
15 |
20 |
30 |
40 |
50 |
75 |
80 |
100 |
150 |
200 |
300 |
400 |
500 |
600 |
750 |
800 |
1000 |
1200 |
1500 |
2000 |
3000 |
4000 |
5000 |
6000 |
8000 |
10000 |
| Наибольший рабочий первичный ток I 1нр |
1 |
5 |
10 |
16 |
20 |
32 |
40 |
50 |
80 |
80 |
100 |
160 |
200 |
320 |
400 |
500 |
630 |
800 |
800 |
1000 |
1250 |
1600 |
2000 |
3200 |
4000 |
5000 |
6300 |
8000 |
10000 |
6.7 Требования к стойкости при токах короткого замыкания
6.7.1 Трансформаторы на напряжение свыше 0,66 кВ должны быть устойчивы к электродинамическому1) и термическому воздействиям токов короткого замыкания, параметры которых не превышают установленных значений:
а) тока электродинамической стойкости i д или его кратности K д по отношению к амплитуде номинального первичного тока;
б) тока термической стойкости I т или его кратности К т по отношению к номинальному первичному току;
в) времени протекания тока t к , равного:
1 или 3 с — для трансформаторов на номинальные напряжения до 220 кВ включительно;
1 или 2 с — для трансформаторов на номинальные напряжения 330 кВ и выше.
__________________
1) К шинным, встроенным и разъемным трансформаторам требования по электродинамической стойкости не предъявляют.
6.7.2 Между значениями i
д
и I
т
должно быть соблюдено соотношение i
д
³ 1,8 ×
I
т.
6.7.3 В стандартах на трансформаторы конкретных типов должны быть установлены: значение тока термической стойкости или его кратность, время протекания тока, а также значение тока электродинамической стойкости или его кратность.
6.8 Значение сопротивления вторичных обмоток постоянному току должно быть установлено изготовителем и указано в эксплуатационной документации.
6.9 Обозначение выводов обмоток
Выводы первичных и вторичных обмоток и вторичные обмотки трансформаторов следует обозначать в соответствии с таблицей 11.
Линейные выводы первичной обмотки, а также соответствующие им стороны шинных, встроенных и разъемных трансформаторов, не имеющих собственной первичной обмотки обозначают Л 1 и Л 2 .
Обозначения наносят таким образом, чтобы в один и тот же момент времени выводы Л1 , Н 1 , ..., Н n и И 1 , ..., И n имели одинаковую полярность, т.е. чтобы при направлении тока в первичной обмотке от Н 1 , ..., Н n к К 1 , К 2 ..., Л 2 вторичный ток проходил по внешней цепи (приборам) от И 1 к И 2 ..., И n .
Обозначения выполняют прописными буквами русского алфавита в сочетании с цифрами. Цифры располагают в одну строку с буквами (например Л 1) или в индексе (например Л 1 ).
Таблица 11
| Обмотка трансформатора |
Обозначения выводов и обмоток |
|
|
|
С одной секцией Л 1 Л 2 |
С несколькими секциями Л 1 К 1 Н 2 К 2 Н n Л 2 |
| Вторичная |
Трансформатор с одной вторичной обмоткой: без ответвлений ответвлениями
|
|
| Вторичная |
Трансформатор с несколькими вторичными обмотками: без ответвлений с ответвлениями
|
|
6.10 Требования к конструкции
6.10.1 Металлические части трансформатора, подверженные коррозии под воздействием климатических факторов внешней среды, должны иметь защитное покрытие.
6.10.2 Контактные выводы первичной обмотки трансформаторов должны соответствовать требованиям ГОСТ 10434, а трансформаторов категории размещения 1 также требованиям ГОСТ 21242.
6.10.3 Контактные выводы вторичных обмоток трансформаторов должны соответствовать требованиям ГОСТ 10434.
Контактные выводы вторичных обмоток встроенных трансформаторов могут быть расположены в конструкции изделия, в которое встроен трансформатор.
6.10.4 Трансформаторы должны иметь контактную площадку для присоединения заземляющего проводника и заземляющий зажим в соответствии с требованиями ГОСТ 21130 и ГОСТ 12.2.007.3. Возле заземляющего зажима должен быть знак заземления по ГОСТ 21130.
Заземляющие зажимы трансформаторов исполнений Т и О должны также соответствовать требованиям ГОСТ 15963.
Требования настоящего пункта не распространяются на встроенные трансформаторы, трансформаторы с корпусом из литой смолы или пластмассы, не имеющие подлежащих заземлению металлических частей, а также на трансформаторы, не подлежащие заземлению согласно ГОСТ 12.2.007.0.
6.10.5 Конструкция маслонаполненных трансформаторов должна обеспечивать их герметичность. Стандарты на маслонаполненные трансформаторы должны содержать требования по проверке герметичности конструкции, а на трансформаторы с конденсаторной бумажно-масляной изоляцией также требования к газо- и влагосодержанию заливаемого в трансформаторы масла.
6.10.6 Конструкция трансформаторов на номинальные напряжения 110 кВ и выше должна обеспечивать защиту масла от увлажнения, исключающую его непосредственное соприкосновение с атмосферой.
6.10.7 Маслонаполненный трансформатор должен иметь расширитель, емкость которого должна обеспечивать постоянное наличие в нем масла при всех режимах работы трансформатора в диапазоне рабочих температур. Функцию расширителя могут выполнять верхняя часть фарфоровой покрышки, сильфон или другие устройства.
Маслонаполненные трансформаторы должны быть оснащены указателем уровня масла или аналогичным устройством, позволяющим контролировать уровень масла в трансформаторе с безопасного для обслуживающего персонала расстояния.
При массе масла до 20 кг указатель уровня масла допускается не устанавливать.
Маслонаполненные трансформаторы с массой масла более 10 кг должны быть оснащены арматурой для заливки, отбора пробы и слива масла, в том числе для хроматографического анализа растворенных в масле газов. При этом должно быть предусмотрено плавное регулирование вытекающей струи масла.
6.10.8 Трансформаторы массой более 20 кг должны иметь устройство по ГОСТ 12.2.007.0 для подъема, опускания и удержания их на весу. При невозможности конструктивного выполнения таких устройств в руководстве по эксплуатации должны быть указаны места захвата трансформатора при такелажных работах.
6.10.9 В конструкции трансформаторов, имеющих вторичные обмотки для измерения, должно быть предусмотрено одно или несколько мест для установки пломб или нанесения оттиска клейма о поверке трансформатора по ГОСТ 8.217.
6.10.10 В трансформаторах на напряжение 330 кВ и выше с конденсаторной бумажно-масляной изоляцией должен быть предусмотрен вывод для подключения устройства контроля изоляционных характеристик под рабочим напряжением.
6.10.11 Конструкция газонаполненных трансформаторов должна обеспечивать утечки массы газа не более 1 % за год.
6.10.12 Конструкция газонаполненных трансформаторов должна иметь защиту от чрезмерного увеличения давления газа при аварии, связанной с пробоем внутренней изоляции и горением дуги.
6.10.13 Применяемые в конструкции трансформаторов материалы должны обеспечивать выполнение требований по взрыво- и пожаробезопасности.
6.11 Требования к надежности
6.11.1 В стандартах на трансформаторы конкретных типов следует устанавливать среднюю наработку до отказа в соответствии с ГОСТ 27.003.
6.11.2 Средний срок службы трансформаторов — 25 лет.
6.11.3 В стандартах на трансформаторы конкретных типов должны быть установлены требования к ремонтопригодности.
6.12 Комплектность
6.12.1 Комплектность трансформатора должна быть установлена в стандартах на трансформаторы конкретных типов.
6.12.2 К трансформаторам прилагают эксплуатационную документацию по ГОСТ 2.601: паспорт, руководство по эксплуатации, ведомости ЗИП (при наличии).
Для трансформаторов на номинальное напряжение до 10 кВ по согласованию между изготовителем и потребителем, если это установлено в стандартах на трансформаторы конкретных типов, паспорт может быть заменен этикеткой.
Для трансформаторов на напряжение 0,66 кВ номенклатура эксплуатационной документации может быть сокращена и должна быть установлена в стандартах на трансформаторы конкретных типов.
Число экземпляров эксплуатационных документов, прилагаемых к трансформаторам, должно быть установлено в стандартах на трансформаторы конкретных типов.
6.13 Маркировка
6.13.1 Каждый трансформатор должен иметь табличку (таблички), на которой должны быть указаны:
а) товарный знак или наименование предприятия-изготовителя;
б) наименование «трансформатор тока»;
в) тип трансформатора и климатическое исполнение;
г) порядковый номер по системе нумерации предприятия-изготовителя;
д) номинальное напряжение, кВ (кроме встроенных трансформаторов);
е) номинальная частота, Гц (при частоте 50 Гц допускается не указывать);
ж) номер вторичной обмотки (только для трансформаторов с двумя или более вторичными обмотками);
и) номинальный коэффициент трансформации (в виде отношения номинальных токов: первичного и вторичного), А;
к) класс точности для вторичных обмоток согласно 6.41) ;
л) номинальный коэффициент безопасности приборов К Бном (для вторичных обмоток, предназначенных для измерения)2) ;
м) значение номинальной предельной кратности К ном (для вторичных обмоток, предназначенных для защиты)2 );
н) номинальная вторичная нагрузка, В×А;
о) масса трансформатора, кг3 );
п) обозначение стандарта на трансформаторы конкретных типов или обозначение настоящего стандарта;
р) год выпуска (на трансформаторах, предназначенных для экспорта, не указывают).
____________________
1) Для вторичных обмоток, предназначенных для измерений и защиты, следует указывать оба номинальных класса точности.
2) Для трансформаторов на номинальное напряжение 0,66 кВ допускается К ном и К бном не указывать, если они приведены в руководстве по эксплуатации.
3) Только для трансформаторов массой от 10 кг и выше, транспортируемых в неразобранном виде.
Примечания
1 Допускается наносить перечисленные данные на одну или несколько табличек, а также частично или полностью на элементы конструкции трансформатора.
2 При недостатке места на табличке допускается данные по перечислениям д), е), и) — о) наносить без указания наименования параметра (например 6 кВ, 50 Гц), при этом данные по перечислениям к) — н) наносят в сочетании и последовательности согласно следующим примерам: 30 В×А 5Р 10 (номинальная вторичная нагрузка 30 В×А, номинальный класс точности 5Р, номинальная предельная кратность 10); 20 В×А 0,5 10 (номинальная вторичная нагрузка 20 В×А, номинальный класс точности 0,5, номинальный коэффициент безопасности приборов 10).
3 Допускается, кроме данных, указанных в настоящем пункте, наносить на табличку дополнительную информацию в соответствии со стандартом на трансформаторы конкретных типов.
Для трансформаторов с несколькими вторичными обмотками или с ответвлениями на вторичных обмотках данные по перечислениям и) — н) указывают для каждой вторичной обмотки и каждого ответвления.
Для встроенных трансформаторов, предназначенных для использования внутри другого изделия, табличку (таблички) с техническими данными следует помещать на корпусе этого изделия, а на самих трансформаторах следует указывать:
тип встроенного трансформатора;
номинальный коэффициент трансформации (при наличии ответвлений указывают наибольший коэффициент трансформации);
порядковый номер по системе нумерации предприятия-изготовителя.
6.13.2 Части трансформаторов, транспортируемых в разобранном виде, должны иметь маркировку, облегчающую сборку трансформаторов на месте монтажа. Виды и способы нанесения маркировки должны быть указаны в эксплуатационной документации.
6.13.3 Способ нанесения маркировки на таблички, а также способ маркирования выводов обмоток (6.9) должны обеспечивать четкость надписей в течение всего времени эксплуатации трансформатора.
6.13.4 Маркировка транспортной тары — по ГОСТ 14192.
6.14 Упаковка
6.14.1 Все неокрашенные металлические части трансформатора (включая запасные части, при их наличии), подверженные воздействию внешней среды в процессе транспортирования и хранения, должны быть законсервированы с помощью смазок или другим надежным способом на срок хранения 3 г.
6.14.2 Упаковка должна обеспечивать сохранность трансформаторов при их транспортировании. Вид упаковки должен быть предусмотрен в стандартах на трансформаторы конкретных типов.
7 Требования безопасности
7.1 Требования безопасности к конструкции трансформаторов — по ГОСТ 12.2.007.0 и ГОСТ 12.2.007.3.
7.2 Требования безопасности при испытаниях трансформаторов — по ГОСТ 8.217 и ГОСТ 12.3.019.
8 ПРАВИЛА ПРИЕМКИ
8.1 Для проверки соответствия трансформаторов требованиям настоящего стандарта и стандарта на трансформаторы конкретных типов следует проводить испытания: для утверждения типа; на соответствие утвержденному типу; квалификационные; приемосдаточные; периодические; типовые.
8.2 Объем испытаний и проверок, в зависимости от конструктивных особенностей и назначения трансформатора, следует выбирать по таблице 12 и устанавливать в стандартах на трансформаторы конкретных типов.
Таблица 12
| Наименование испытания и проверки |
Необходимость проведения испытаний |
Пункт настоящего стандарта |
|||||
| для утверждения типа |
на соответствие утвержденному типу |
квалификационных |
приемосдаточных |
периодических |
Технические требования |
Методы контроля |
|
| 1 Проверка на соответствие требованиям сборочного чертежа |
+ |
+ |
+ |
+ |
+ |
6.1; 6.9; 6.12.2 |
9.1 |
| 2 Испытание электрической прочности изоляции первичной обмотки одноминутным напряжением промышленной частоты |
- |
- |
+ |
+ |
+ |
6.3.1 |
9.2.1 |
| 3 Испытание изоляции первичной обмотки напряжением грозового импульса1) |
- |
- |
+ |
- |
- |
6.3.1 |
9.2.1 |
| 4 Испытание изоляции маслонаполненных трансформаторов с номинальным напряжением 330 кВ и выше срезанным грозовым импульсом и многократными срезанными импульсами |
- |
- |
О |
- |
- |
6.3.1 |
9.2.1 |
| 5 Испытание электрической прочности изоляции трансформаторов с номинальным напряжением 330 кВ и выше напряжением коммутационного импульса |
- |
- |
+ |
- |
+ |
6.3.1 |
9.2.1 |
| 6 Испытание внутренней изоляции первичной обмотки на стойкость к тепловому пробою |
- |
- |
О |
- |
- |
6.3.1 |
9.2.1 |
| 7 Проверка длины пути утечки |
— |
— |
+ |
— |
— |
6.3.1; 6.3.2 |
9.2.2 |
| 8 Испытание междусекционной изоляции секционированных обмоток |
- |
- |
+ |
+ |
+ |
6.3.3 |
9.2.3 |
| 9 Испытание изоляции первичной обмотки газонаполненных трансформаторов при остаточном давлении газа, равном нулю |
- |
- |
+ |
- |
+ |
6.3.5 |
9.2.1 |
| 10 Испытания электрической прочности изоляции вторичных обмоток одноминутным напряжением промышленной частоты |
- |
- |
+ |
+ |
+ |
6.3.4 |
9.2.4 |
| 11 Измерение уровня частичных разрядов трансформаторов с уровнем изоляции «а» по ГОСТ 1516.3 |
- |
- |
+ |
+ |
+ |
6.3.6 |
9.2.5 |
| 12 Испытание междувитковой изоляции |
— |
— |
+ |
+ |
+ |
6.3.7 |
9.2.6 |
| 13 Измерение сопротивления изоляции обмоток |
— |
— |
+ |
О |
+ |
6.3.8 |
9.3 |
| 14 Испытание пробы масла масляных трансформаторов: определение пробивного напряжения |
- |
- |
+ |
+ |
+ |
6.3.9 |
9.4 |
| определение тангенса угла диэлектрических потерь масла трансформаторов класса напряжения 110 кВ и выше |
- |
- |
+ |
+ |
+ |
6.3.6; 6.3.9 |
9.2.5; 9.4 |
| определение влаго- и газосодержания, хроматографический анализ |
- |
- |
+ |
+ |
+ |
6.10.5 |
9.4 |
| 15 Проверка полярности |
+ |
+ |
+ |
+ |
+ |
6.9 |
9.5 |
| 16 Определение токовых и угловых погрешностей |
+ |
+ |
+ |
+ |
+ |
6.4.2 |
9.5 |
| 17 Проверка предельной кратности (определение полной погрешности) вторичных обмоток для защиты |
+ |
+ |
+ |
- |
+ |
5.1; 6.4.3 |
9.6 |
| 18 Проверка коэффициента безопасности приборов вторичных обмоток для измерений |
+ |
+ |
+ |
- |
+ |
5.1 |
9.6 |
| 19 Определение количественной утечки газа газонаполненных трансформаторов |
- |
- |
+ |
+ |
+ |
6.10.11 |
9.7 |
| 20 Определение тока намагничивания вторичных обмоток |
+ |
+ |
+ |
+ |
+ |
6.5 |
9.8 |
| 21 Испытание на нагрев при продолжительном режиме работы |
- |
- |
+ |
- |
- |
6.6 |
9.9 |
| 22 Испытание на стойкость к токам короткого замыкания (испытания на электродинамическую и термическую стойкость) |
- |
- |
+ |
- |
- |
6.7 |
9.10 |
| 23 Измерение сопротивления вторичных обмоток постоянному току |
- |
- |
+ |
О |
+ |
6.8 |
9.11 |
| 24 Испытание маслонапол-ненных трансформаторов на герметичность |
- |
- |
+ |
+ |
+ |
6.10.5 |
9.12 |
| 25 Испытания на устойчивость к воздействию климатических факторов внешней среды |
+ |
+ |
+ |
- |
О |
6.2.1 |
9.13 |
| 26 Испытания на устойчивость к воздействию механических факторов |
- |
- |
+ |
- |
О |
6.2.3 |
9.13 |
| 27 Испытание на прочность при транспортировании |
— |
— |
+ |
— |
— |
6.14.2; 10.1 |
9.14 |
| 28 Испытание упаковки на сбрасывание |
— |
— |
+ |
— |
— |
6.14.2; 10.1 |
9.15 |
| 29 Подтверждение средней наработки до отказа |
— |
— |
— |
— |
+ |
6.11.1 |
9.16 |
| 30 Испытание газонаполненных трансформаторов на взрывобезопасность |
- |
- |
+ |
- |
- |
6.10.12 |
9.17 |
1) Для шинных трансформаторов не проводят.
Примечание — Знак «+» означает, что испытание проводят; знак «—» — не проводят; буква «О» означает, что испытание проводят, если это указано в стандарте на трансформатор конкретного типа.
Испытания трансформаторов, предназначенных для работы при частотах 50 и 60 Гц, на соответствие всем требованиям настоящего стандарта проводят при частоте 50 Гц, о чем указывают в паспорте. При этом результаты испытаний трансформаторов, предназначенных для работы при частоте 60 Гц, не корректируют, кроме результатов испытаний на нагрев при продолжительном режиме работы и на стойкость к токам короткого замыкания, которые следует оценивать с учетом 9.9.7 и 9.10.3 соответственно.
8.3 Общие положения
8.3.1 При испытаниях квалификационных, периодических, типовых, для утверждения типа и на соответствие утвержденному типу отдельные испытания, не влияющие на результаты других испытаний, предусмотренных в таблице 12, допускается проводить на разных трансформаторах (параллельные испытания). Перечень параллельных испытаний следует устанавливать в стандартах на трансформаторы конкретных типов.
8.3.2 Допускается совмещение отдельных видов испытаний, перечисленных в 8.1.
При наличии различных исполнений трансформаторов испытания для утверждения типа, квалификационные, периодические, типовые и на соответствие утвержденному типу следует проводить на типоисполнениях, для которых соответствующие испытания являются наиболее критическими.
8.3.3 Типоисполнения и число трансформаторов, подвергаемых каждому испытанию, следует указывать в стандартах на трансформаторы конкретных типов.
8.3.4 При приемосдаточных испытаниях трансформаторы предъявляют к приемке поштучно или партиями и подвергают проверке сплошным контролем.
8.3.5 Отдельные испытания допускается проводить на сборочных единицах и деталях трансформатора. Допускается по согласованию между потребителем и изготовителем при испытаниях квалификационных, периодических, типовых, для утверждения типа и на соответствие утвержденному типу засчитывать испытания трансформаторов других типов, имеющих аналогичные конструктивные или технологические решения и одинаковые применяемые материалы, при наличии таких указаний в стандартах на трансформаторы конкретных типов.
8.3.6 Последовательность испытаний может быть произвольной, если иные требования не установлены в стандартах на трансформаторы конкретных типов.
8.3.7 При отрицательных результатах приемосдаточных, периодических и типовых испытаний после устранения дефектов повторные испытания проводят в полном объеме или, в технически обоснованных случаях, в сокращенном объеме: повторяют испытания, по которым получены неудовлетворительные результаты, испытания, которые могли повлиять на возникновение дефектов, а также испытания, которые не проводились.
Если конкретные причины неудовлетворительного результата не установлены, повторные испытания по пунктам несоответствия проводят на удвоенном числе образцов.
Результаты повторных испытаний являются окончательными.
8.4 Квалификационные испытания
8.4.1 Порядок проведения квалификационных испытаний — по ГОСТ 15.001 и ГОСТ 15.309.
8.4.2 Допускается засчитывать в качестве квалификационных испытаний испытания опытных образцов, проведенные в соответствии с таблицей 12, если соблюдены следующие условия:
опытные образцы были изготовлены по технологии и на оборудовании, предусмотренных для серийного производства;
при изготовлении установочной серии не проводилась доработка конструкции, требующая проведения испытаний;
время, прошедшее после испытаний опытных образцов, не превышает срок, установленный для периодических испытаний.
Если эти условия не соблюдены, то при соответствующем техническом обосновании допускается засчитывать испытания, на результатах которых несоблюдение указанных условий не отражается.
8.5 Приемосдаточные испытания проводит служба технического контроля либо другая, уполномоченная на это служба предприятия-изготовителя.
Одновременно с приемосдаточными испытаниями каждый трансформатор должен подвергаться первичной поверке по правилам, принятым в стране-изготовителе, и методике по ГОСТ 8.217.
8.6 Периодические испытания
8.6.1 Периодические испытания следует проводить на трансформаторах серийного производства не реже одного раза в 5 лет.
Подтверждение средней наработки до отказа первый раз проводят через 10 лет после начала серийного производства, затем — не реже одного раза в 5 лет.
8.6.2 Если производство трансформаторов было прервано ко времени наступления срока очередных периодических испытаний, то при возобновлении выпуска следует проводить периодические испытания трансформаторов на образцах первой партии, изготовленной после возобновления производства.
До завершения отдельных (длительных по времени) испытаний, входящих в объем периодических испытаний, основанием для выпуска трансформаторов является протокол предыдущих периодических испытаний.
8.7 Типовые испытания следует проводить в полном или сокращенном объеме квалификационных испытаний при изменении конструкции, применяемых материалов или технологии производства, если эти изменения могут оказать влияние на характеристики или параметры трансформаторов.
В зависимости от характера вносимого изменения (изменений) испытаниям допускается подвергать отдельные сборочные единицы, детали, образцы материалов и др.
8.8 Испытания для утверждения типа и на соответствие утвержденному типу следует проводить по правилам, принятым в стране-изготовителе.
9 МЕТОДЫ КОНТРОЛЯ
9.1 Проверка на соответствие требованиям сборочного чертежа
9.1.1 Проверке подлежат:
габаритные1) , установочные и присоединительные размеры, для которых на сборочном чертеже указаны предельные отклонения;
масса трансформатора1) ;
состояние поверхности наружных изоляционных частей;
состояние защитных покрытий наружных частей;
состояние площадок под заземляющие зажимы;
правильность заполнения табличек технических данных;
маркировка выводов;
комплектность.
________________
1) Кроме приемосдаточных испытаний.
Проверку проводят внешним осмотром, измерением универсальным измерительным инструментом, при помощи шаблонов, а также взвешиванием трансформатора на весах общего применения или при помощи пружинного динамометра.
9.1.2 При приемосдаточных испытаниях размеры допускается проверять на деталях и сборочных единицах до сборки трансформатора.
9.1.3 Допускается определять массу трансформатора суммированием масс его отдельных сборочных единиц.
9.2 Испытание изоляции
9.2.1 Изоляцию первичной обмотки испытывают:
для трансформаторов на номинальное напряжение 0,66 кВ — по ГОСТ 2933;
для трансформаторов на номинальные напряжения от 3 до 500 кВ включительно — по ГОСТ 1516.1, ГОСТ 1516.2 и ГОСТ 1516.3;
для трансформаторов на номинальное напряжение 750 кВ — по ГОСТ 1516.2, ГОСТ 1516.3 и ГОСТ 20690.
Испытательные напряжения прикладывают между одним из выводов (или замкнутыми накоротко выводами) первичной обмотки и замкнутыми накоротко выводами вторичных обмоток, к которым должны быть присоединены заземляемые части трансформатора. Для трансформаторов, не имеющих собственной первичной обмотки, способ приложения напряжения следует указывать в стандартах на трансформаторы конкретных типов.
При отсутствии в конструкции трансформатора заземляемых элементов в стандартах на трансформаторы конкретных типов должны быть указаны металлические части, которые при испытаниях должны быть присоединены к замкнутым накоротко вторичным обмоткам.
Методы испытания изоляции маслонаполненных трансформаторов на номинальное напряжение 330 кВ и выше срезанным грозовым импульсом и многократными срезанными импульсами следует указывать в стандартах на трансформаторы конкретных типов.
9.2.2 Длину пути утечки внешней изоляции трансформаторов на соответствие требованиям 6.3.1 и 6.3.2 проверяют по ГОСТ 9920.
9.2.3 Междусекционную изоляцию испытывают по ГОСТ 1516.2.
Испытательное напряжение 3 кВ прикладывают поочередно между каждой секцией и соединенными между собой прочими секциями обмотки.
9.2.4 Изоляцию вторичных обмоток трансформаторов испытывают по ГОСТ 1516.2. Испытательное напряжение 3 кВ прикладывают поочередно между замкнутыми накоротко выводами каждой из вторичных обмоток и замкнутыми накоротко выводами прочих вторичных обмоток, к которым присоединяют заземляемые части трансформатора. При отсутствии в конструкции заземляемых частей следует руководствоваться указаниями 9.2.1.
9.2.5 Уровень частичных разрядов определяют по ГОСТ 1516.3 и ГОСТ 20074. Методы измерения тангенса угла диэлектрических потерь конденсаторной бумажно-масляной изоляции следует указывать в стандартах на трансформаторы конкретных типов.
9.2.6 Испытание междувитковой изоляции
9.2.6.1 При испытаниях междувитковой изоляции испытуемая вторичная обмотка должна быть разомкнута, а остальные вторичные обмотки (если они имеются) — замкнуты накоротко.
Через первичную обмотку трансформатора пропускают ток частотой 50 Гц, значение которого определяют в соответствии с требованиями 6.3.71) .
Допускается проведение испытания при нескольких одновременно разомкнутых вторичных обмотках, если сравнительными испытаниями на одной и той же установке доказано, что индуктированное во вторичных обмотках напряжение (амплитуда) не уменьшается более чем на 20 % по сравнению с испытаниями, проводимыми при одной разомкнутой обмотке.
________________
1) Целью настоящего испытания является не воспроизведение условий работы трансформатора при разомкнутой вторичной цепи, а проверка качества междувитковой изоляции, поэтому форму волны тока и напряжения не нормируют.
9.2.6.2 Первичная обмотка шинных, втулочных, встроенных и разъемных трансформаторов может имитироваться несколькими витками, при этом за номинальный первичный ток принимают такое значение, при котором сохраняется значение номинальных ампервитков.
9.2.6.3 Индуктируемое во вторичной обмотке напряжение допускается определять:
непосредственным измерением напряжения на выводах испытуемой вторичной обмотки;
для трансформаторов, имеющих собственную первичную обмотку, — измерением напряжения на выводах первичной обмотки и умножением измеренного значения напряжения на отношение чисел витков вторичной и первичной обмоток2) ;
для шинных, втулочных, встроенных и разъемных трансформаторов — измерением напряжения на выводах «контрольной» обмотки, наложенной временно поверх испытуемой обмотки, и умножением измеренного значения напряжения на отношение чисел витков вторичной и «контрольной» обмоток.
_______________________
2) При этом измерении пренебрегают падением напряжения на первичной обмотке.
9.2.6.4 Первичный ток (действующее значение) следует измерять с помощью трансформатора тока и амперметра классов точности не ниже 1.
9.2.6.5 Трансформатор считают выдержавшим испытание, если в процессе испытания междувитковой изоляции вторичных обмоток не произошло резкого увеличения первичного тока или уменьшения индуктируемого напряжения.
Напряжение, индуктируемое во вторичной обмотке (амплитудное значение), следует определять с погрешностью не более 10 % приборами, имеющими высокое входное сопротивление: электронным вольтметром или электронно-лучевым осциллографом с делителем напряжения. Допускается использовать для измерения напряжения вольтметр, реагирующий на амплитудное значение напряжения, но градуируемый в действующих значениях синусоидальной кривой. В этом случае напряжение, показываемое прибором, должно быть умножено на
.
Допускается вместо измерения тока ограничиваться контролем за его изменением в случае, когда определяющей величиной при испытании является амплитудное значение напряжения, и, аналогично, допускается вместо измерения напряжения ограничиваться контролем за его изменением в случае, когда определяющей величиной при испытании является первичный ток.
9.2.7 Испытания изоляции, проводимые в качестве критерия успешности других испытаний, проводят при значениях испытательных напряжений, равных 90 % нормированных значений, и времени воздействия 1 мин, вне зависимости от вида изоляции.
9.3 Измерение сопротивления изоляции обмоток проводят мегомметром на 2500 В для первичных обмоток и на 1000 В — для вторичных обмоток.
9.4 Определение пробивного напряжения и тангенса угла диэлектрических потерь при испытании пробы масла — по ГОСТ 6581.
Для трансформаторов с номинальным напряжением до 35 кВ включительно пробу масла отбирают в день испытания из емкости, из которой было залито масло в трансформатор, а для трансформаторов с номинальным напряжением 110 кВ и выше непосредственно из трансформатора. Порядок взятия пробы должен быть установлен в стандартах на трансформаторы конкретных типов. Методы определения влаго- и газосодержания, а также проведения хроматографического анализа содержащихся в масле газов должны быть указаны в стандартах на трансформаторы конкретных типов.
9.5 Определение погрешностей
9.5.1 Проверка полярности и определение токовых и угловых погрешностей
9.5.1.1 Проверку полярности и определение токовых и угловых погрешностей проводят на трансформаторах, подвергнутых размагничиванию. Методы размагничивания, проверка полярности и определение погрешностей — по ГОСТ 8.217.
Определение погрешностей проводят на каждой вторичной обмотке.
Если обмотке присвоено несколько классов точности и (или) несколько нагрузок, то при приемосдаточных испытаниях определение погрешностей проводят в высшем классе точности в условиях, оговоренных между изготовителем и потребителем, а при других видах испытаний — во всех классах точности и при всех нагрузках, установленных в стандарте на данный трансформатор.
9.5.1.2 При определении погрешностей вторичной обмотки каскадного трансформатора все остальные его вторичные обмотки должны быть замкнуты на нагрузки. Процентное отношение значений нагрузок к номинальным значениям должно соответствовать процентному отношению вторичной нагрузки (к номинальному значению) в испытуемой обмотке, если иные требования не предусмотрены в стандарте на трансформатор конкретного типа.
9.5.1.3 Погрешности шинных, втулочных, встроенных и разъемных трансформаторов при испытаниях квалификационных, типовых и на утверждение типа следует определять в первичном токоведущем контуре согласно рисунку 1a .

а) б)
1 — испытуемый трансформатор; А макс — расстояние между осями проводников
соседних фаз в месте установки трансформатора в эксплуатации; — расстояние
в свету от трансформатора до места ближайшего изгиба проводника, служащего
в эксплуатации первичной обмоткой трансформатора
Рисунок 1
Численные значения размеров А макс и Б макс должны быть установлены в стандартах на трансформаторы конкретного типа и при испытании они не должны быть превышены.
9.5.1.4 Погрешности шинных, втулочных, встроенных и разъемных трансформаторов на номинальные токи свыше 2000 А при испытаниях приемосдаточных, периодических и на соответствие утвержденному типу допускается определять с первичной обмоткой, состоящей из нескольких витков, и при соответственно уменьшенном значении номинального тока (таким образом, чтобы значение номинальных ампервитков оставалось неизменным), если при квалификационных или типовых испытаниях установлено, что разница в значениях погрешностей, измеренных подобным образом и при условиях установки трансформатора согласно 9.5.1.3, не превышает 25 % нормируемых значений. Расположение витков первичной обмотки, выполняемой для испытания, равномерное вдоль магнитопровода или сосредоточенное на одной из его частей, должно быть указано в стандарте на трансформатор конкретного типа.
9.5.2 При необходимости проверки стабильности метрологических характеристик в качестве критерия успешности других испытаний, ее следует проводить непосредственным определением погрешностей или измерением тока намагничивания согласно 9.13. Значение допустимого изменения погрешностей или тока намагничивания должно быть установлено в стандарте на трансформатор конкретного типа.
9.5.3 При приемосдаточных испытаниях погрешности допускается измерять при меньшем числе значений токов и нагрузок, чем указано в 6.4 (таблицы 8 и 9), если это обосновано результатами квалификационных или типовых испытаний.
9.6 Проверка предельной кратности и коэффициента безопасности приборов
9.6.1 Проверку предельной кратности и коэффициента безопасности приборов следует проводить по схеме, приведенной на рисунке 2.

ТТО — образцовый трансформатор тока; ТТИ — испытуемый трансформатор тока;
ТТПИ — промежуточный трансформатор тока, находящийся в цепи испытуемого
трансформатора тока; ТТПО — промежуточный трансформатор тока, находящийся в
цепи образцового трансформатора тока; А1, А2 — амперметры; Z 2 — вторичная нагрузка
в цепи испытуемого трансформатора тока
Рисунок 2
К элементам схемы предъявляют следующие требования:
а) коэффициенты трансформации трансформаторов ТТПО и ТТПИ должны быть такими, чтобы выполнялось условие
n о n по = n и n пи (3)
где n о — коэффициент трансформации ТТО;
n по — коэффициент трансформации ТТПО;
n и — коэффициент трансформации ТТИ;
n пи — коэффициент трансформации ТТПИ.
Если образцовый трансформатор имеет коэффициент трансформации, при котором выполняется условие n о = n и n пи , то промежуточный трансформатор в его цепи может отсутствовать;
б) амперметры А1 и А2 должны измерять действующие значения тока.
Амперметр А2 должен иметь малое внутреннее сопротивление.
Класс точности амперметров должен быть не ниже 1.
Класс точности промежуточных трансформаторов должен быть не ниже 0,5.
Образцовый трансформатор должен иметь:
класс точности не ниже 0,5 или полную погрешность не более 0,5 % при испытании вторичной обмотки класса 5Р;
класс точности не ниже 1 или полную погрешность не более 1 % при испытании вторичной обмотки класса 10Р;
в) значение нагрузки и ее коэффициент мощности должны быть выбраны так, чтобы полное сопротивление внешней вторичной цепи испытуемого трансформатора (включая сопротивление проводов и промежуточного трансформатора) и ее коэффициент мощности были равны заданным значениям (с точностью 5 %).
Через первичные обмотки ТТО и ТТИ пропускают ток частотой (
) Гц практически синусоидальной формы, значение которого соответствует предельной кратности или коэффициенту безопасности приборов. Значение первичного тока измеряют амперметром А1.
Полную погрешность e, %, определяют по формуле
(4)
где I A 1 — ток по амперметру А1, А;
I A 2 — ток по амперметру А2, А.
9.6.2 Если испытательная установка и (или) нормируемая термическая стойкость испытуемого трансформатора ограничивает длительность протекания требуемого тока, необходимую для успокоения амперметров, допускается определять ток другим способом, например осциллографированием.
Для трансформаторов с несколькими номинальными коэффициентами трансформации, получаемыми переключением секций обмоток при неизменном значении номинальных ампервитков, полную погрешность допускается измерять при любом коэффициенте трансформации.
9.6.3 Шинные, втулочные, встроенные и разъемные трансформаторы следует испытывать в испытательном контуре согласно рисунку 1a .
Численные значения размеров А и Б должны быть установлены в стандартах на трансформаторы конкретных типов и при проверке предельной кратности они не должны быть превышены, а при проверке коэффициента безопасности приборов должны быть не менее установленных значений.
9.6.4 Предельную кратность допускается проверять другим способом, который должен быть установлен в стандарте на трансформатор конкретного типа, если при испытаниях квалификационных, типовых, на утверждение типа или для проверки соответствия утвержденному типу доказано, что этот способ обеспечивает получение равнозначных результатов.
Коэффициент безопасности приборов допускается определять путем измерения тока намагничивания по 9.8.5.
9.7 Определение количественной утечки газа газонаполненных трансформаторов
9.7.1 Испытание по определению утечки проводят при температуре (25 ± 10) °С.
Испытуемый трансформатор, заполненный газом до номинального рабочего давления, помещают в замкнутый объем (камеру, чехол из полимерной пленки), который не должен превышать наружный объем испытуемого трансформатора более чем в 3 раза.
Внутрь объема помещают вентилятор, способствующий перемешиванию смеси воздуха и газа, заполняющего трансформатор.
После установки трансформатора в замкнутый объем, в последний вводят щуп чувствительного прибора (течеискателя), реагирующего на малые концентрации газа, которым заполнен испытуемый трансформатор, и фиксируют показания прибора. Через определенный промежуток времени выдержки трансформатора в замкнутом объеме (например через 1 ч) операцию повторяют.
9.7.2 Годовую утечку газа q , % массы газа в испытуемом трансформаторе, определяют по формуле
(5)
где DС — разность концентрации газа в замкнутом объеме за время выдержки, г/л;
р 0 — давление газа, равное 1 кгс/см2 ;
DV — разность между замкнутым объемом и наружным объемом испытуемого трансформатора, л;
Р ном — номинальное давление газа в трансформаторе (абсолютное), кгс/см2 ;
v гт — объем газа в трансформаторе, л;
d — плотность газа в трансформаторе;
t — время между измерениями, ч.
Для трансформатора, заполненного элегазом
(6)
Примечания
1 Значения объемов, необходимых для вычисления утечки, должны быть найдены с погрешностью, не превышающей 20 %.
2 Если шкала прибора для определения утечки не калибрована непосредственно для определения значения концентрации, г/л, эти значения находят по зависимости С = f (н), где н — показания прибора в единицах шкалы, приложенной к свидетельству об аттестации (калибровке), проводимой в установленном порядке.
9.8 Определение тока намагничивания вторичных обмоток
9.8.1 Для определения тока намагничивания к испытуемой вторичной обмотке при разомкнутой первичной обмотке прикладывают напряжение U частотой 50 Гц и измеряют протекающий по обмотке ток.
9.8.2 Значение напряжения U , В, соответствующее значению первичного тока, А, определяют по формуле
(7)
где I 2ном — номинальный вторичный ток, А;
К — номинальный коэффициент безопасности обмотки для измерения или номинальная предельная кратность обмотки для защиты;
R 2 — сопротивление вторичной обмотки постоянному току, приведенное к температуре, при которой определяют ток намагничивания, Ом;
Z 2ном — номинальная вторичная нагрузка, Ом.
9.8.3 Напряжение U следует измерять вольтметром. Показания вольтметра необходимо умножить на коэффициент 1,11.
Допускается проводить измерение вольтметром, показания которого пропорциональны среднему значению напряжения, а шкала градуирована в действующих значениях синусоидальной кривой. Умножение показаний вольтметра на коэффициент 1,11 в этом случае не требуется. Основная погрешность вольтметра должна быть не более ± 1 %.
Измерение напряжения U проводят:
а) непосредственно на выводах испытуемой вторичной обмотки;
б) для трансформаторов, имеющих собственную первичную обмотку, — на выводах первичной обмотки. При этом показания вольтметра должны быть умножены на коэффициент 1,11 и на отношение витков вторичной и первичной обмоток;
в) для шинных, втулочных, встроенных и разъемных трансформаторов, не имеющих собственной первичной обмотки, — на выводах специальной «контрольной» обмотки, намотанной на трансформатор на время испытаний. При этом показания вольтметра должны быть умножены на коэффициент 1,11 и на отношение витков вторичной и «контрольной» обмоток.
9.8.4 Действующее значение тока намагничивания следует измерять амперметром (миллиамперметром) класса точности не ниже 1.
9.8.5 Ток намагничивания вторичных обмоток I 2нам (% K ) , % находят по формуле
(8)
где I 2нам — ток намагничивания, А, измеренный по 9.8.1;
I 2ном — номинальный вторичный ток, А;
К - KБном или K ном
I 2нам(%К ) — в соответствии с требованиями 6.5.
9.9 Испытание на нагрев при продолжительном режиме работы
9.9.1 Трансформаторы на номинальное напряжение 0,66 кВ испытывают по ГОСТ 2933, а на номинальные напряжения от 3 до 750 кВ включительно — по ГОСТ 8024 при наибольшем рабочем первичном токе.
Примечание — Допускается испытание трансформаторов на номинальное напряжение 0,66 кВ проводить по ГОСТ 8024.
9.9.2 Испытание проводят при нормальной температуре испытаний по ГОСТ 15150, если в стандартах на трансформаторы конкретных типов не предусмотрены иные условия.
9.9.3 При испытании трансформаторов, имеющих собственную первичную обмотку, ток к выводам первичной обмотки следует подводить проводами или шинами длиной не менее 1,5 м.
Трансформаторы, предназначенные для эксплуатации с конкретным типом шин, допускается испытывать без учета температуры проводников, подводящих ток к первичной обмотке. В этом случае проводники, подводящие ток при испытании, должны соответствовать условиям их эксплуатации.
9.9.4 Шинные, втулочные, встроенные и разъемные трансформаторы испытывают в первичном токоведущем контуре согласно рисунку 1a или 1б .
Необходимость испытаний в контуре, вид контура, а также размеры Амакс и Бмакс (которые при испытании не должны быть превышены), должны быть установлены в стандартах на трансформаторы конкретных типов.
9.9.5 Трансформаторы с несколькими коэффициентами трансформации, получаемыми переключением секций первичной обмотки, испытывают при наибольшем коэффициенте трансформации.
9.9.6 Вторичные обмотки трансформаторов при испытании должны быть замкнуты на номинальную нагрузку, на амперметр либо накоротко.
9.9.7 Значения превышения температур обмоток трансформаторов на частоту 60 Гц следует корректировать следующим образом:
а) для трансформаторов до 1000 А или для трансформаторов без собственной первичной обмотки на любые номинальные токи
DТ 60 = 1,05DТ 50 , (9)
где DТ 60 — превышение температуры, соответствующее частоте 60 Гц;
DТ 50 — превышение температуры, определенное опытным путем при частоте 50 Гц;
б) для трансформаторов с собственной первичной обмоткой на номинальные токи свыше 1000 А
DТ 60 = 1,1DТ 50 (10)
9.10 Испытание на стойкость к токам короткого замыкания
9.10.1 Испытание проводят при замкнутых накоротко вторичных обмотках и любом подходящем для опыта напряжении частотой (
) Гц пропусканием через первичную обмотку следующих токов:
а) тока, наибольший пик которого должен быть (1,0 — 1,1)i
д
1)
; начальное действующее значение периодической составляющей не должно превышать 1,15
. Время протекания тока — 3 — 10 полупериодов, число опытов — 3;
________________
1) При испытании шинных, втулочных, встроенных и разъемных трансформаторов значение наибольшего пика тока не устанавливают.
б) тока I и , действующее значение которого в течение времени протекания t н должно быть таким, чтобы выполнялось соотношение
(11)
При этом значение t и должно быть от 0,5 до 5 с, число опытов — 1.
При наличии технических возможностей испытания по перечислениям а и б могут быть совмещены.
Перед испытанием температура трансформатора должна быть (25 ± 10) °С.
9.10.2 Испытание проводят в однофазном испытательном контуре. Размеры и конфигурация контура при испытании трансформаторов категорий размещения 2, 3, 4 и 5, а также расстояния от выводов первичной обмотки трансформатора до ближайших точек фиксации проводников контура должны соответствовать указанным в стандартах на трансформаторы конкретных типов.
Испытание шинных, втулочных, встроенных и разъемных трансформаторов допускается проводить при имитации их первичной обмотки несколькими первичными витками, располагаемыми равномерно относительно вторичных обмоток.
9.10.3 Трансформатор считают выдержавшим испытание, если:
а) не произошло повреждений, препятствующих его дальнейшей работе;
б) после охлаждения до температуры (25 ± 10) °С он выдержал испытания по пунктам 2, 10, 12 таблицы 12;
в) погрешности вторичных обмоток, измеренные после размагничивания, соответствуют установленным классам точности и не изменились по сравнению с первоначальными более чем на половину значений, установленных для этих классов.
В стандартах на трансформаторы конкретных типов, у которых плотность односекундного тока термической стойкости превышает значения:
а) у трансформаторов на частоту 50 Гц:
160 А/мм2 — для медных проводников;
105 А/мм2 — для алюминиевых проводников;
б) у трансформаторов на частоту 60 Гц:
154 А/мм2 — для медных проводников;
101 А/мм2 — для алюминиевых проводников
должны быть установлены дополнительные критерии, подтверждающие, что трансформатор выдержал испытания на стойкость к токам короткого замыкания.
9.11 Измерение сопротивления вторичных обмоток постоянному току проводят по ГОСТ 3484.1.
9.12 Испытание маслонаполненных трансформаторов на герметичность проводят по ГОСТ 3484.5.
9.13 Методы и виды испытаний трансформаторов на устойчивость к климатическим внешним воздействующим факторам по ГОСТ 16962.1 и механическим внешним воздействующим факторам по ГОСТ 16962.2 должны быть указаны в стандартах на трансформаторы конкретных типов в зависимости от исполнения и конструктивных особенностей трансформаторов.
Метрологические характеристики проверяют одним из следующих способов:
а) путем непосредственного определения погрешностей по ГОСТ 8.217 при наибольшем и наименьшем рабочих значениях температуры с учетом длительного нагрева. При этом токовые и угловые погрешности не должны превышать значений, установленных в 6.4.2 для соответствующих классов точности;
б) путем измерения токов намагничивания согласно 9.8.5 при наибольшем и наименьшем рабочих значениях температуры с учетом длительного нагрева. При этом значение тока намагничивания должно соответствовать следующим условиям:
(12)
(13)
где
,
- токи намагничивания при наибольшем и наименьшем рабочих значениях температуры, А;
I 2ном — номинальный вторичный ток, А;
f доп — предел допускаемой токовой погрешности, %;
dдоп — предел допускаемой угловой погрешности, срад.
При испытаниях трансформаторов категории размещения 1 на воздействие испытательных статических нагрузок основание трансформатора жестко закрепляют, а к середине вывода его первичной обмотки прикладывают испытательную нагрузку, равную значению, указанному в 6.2.3. Указанную нагрузку прикладывают поочередно в трех взаимно перпендикулярных направлениях: в горизонтальной плоскости по оси вывода в сторону от трансформатора, в горизонтальной плоскости в направлении, перпендикулярном оси вывода, в вертикальной плоскости по направлению к основанию.
В каждом направлении время выдержки нагрузки — 1 мин.
Трансформатор считают выдержавшим испытание, если во время и после его проведения не отмечено повреждение трансформатора или вывода, течи масла у маслонаполненных и увеличение утечки газа у газонаполненных трансформаторов.
9.14 Испытание на прочность при транспортировании
9.14.1 Методы испытания на прочность при транспортировании по ГОСТ 23216 должны быть приведены в стандартах на трансформаторы конкретных типов.
9.14.2 После испытания трансформаторы распаковывают, проводят внешний осмотр трансформаторов, тары, креплений, а также проверяют параметры, установленные в стандартах на трансформаторы конкретных типов.
9.14.3 Трансформатор и его упаковку считают выдержавшими испытание, если:
при внешнем осмотре упаковки не обнаружены механические повреждения тары, ведущие к потере защитных свойств, а также нарушения креплений упакованных изделий в таре.
Допускается ослабление креплений изделия в таре, если это не привело к повреждению трансформатора в процессе испытания;
при внешнем осмотре трансформатора не обнаружено повреждений, препятствующих его работе, и результаты проверки параметров положительные.
9.14.4 При упаковке нескольких трансформаторов в один ящик допускается проверку параметров проводить выборочно. Число подлежащих испытанию трансформаторов должно быть указано в стандартах на трансформаторы конкретных типов.
9.14.5 Для крупногабаритных трансформаторов испытание допускается не проводить, а способность трансформаторов и упаковки противостоять разрушающему действию механических нагрузок при транспортировании допускается оценивать на основании результатов транспортирования этих или аналогичных им изделий потребителю.
9.15 Испытание упаковки на сбрасывание
9.15.1 Методы испытания упаковки трансформаторов на сбрасывание по ГОСТ 18425 должны быть указаны в стандартах на трансформаторы конкретных типов.
9.15.2 Испытанию подвергают упаковку суммарной массой (вместе с упакованным изделием) до 200 кг. Упаковку суммарной массой более 200 кг, а также упаковку, маркированную знаком «Хрупкое. Осторожно» испытанию на прочность при сбрасывании не подвергают.
9.15.3 Ящик (упаковку) с находящимся в нем трансформатором (трансформаторами) или макетом, имитирующим упакованные трансформаторы, сбрасывают один раз на площадку по ГОСТ 18425 на его торцевую сторону с высоты:
0,5 м — при суммарной массе трансформатора и упаковки до 100 кг включительно;
0,3 м — при суммарной массе трансформатора и упаковки от 100 до 200 кг включительно.
9.15.4 По окончании испытания проводят внешний осмотр упаковки.
9.15.5 Упаковку считают выдержавшей испытание, если при внешнем осмотре не обнаружено серьезных повреждений, ведущих к потере ее защитных свойств. Допускается ослабление отдельных креплений.
9.16 Подтверждение средней наработки до отказа проводят на основании сбора у потребителей и обработки информации о работе трансформаторов или их прототипов по методике, указанной в стандарте на трансформатор конкретного типа.
9.17 Методы испытания газонаполненных трансформаторов на взрывобезопасность следует указывать в стандартах на трансформаторы конкретных типов.
10 ТРАНСПОРТИРОВАНИЕ И ХРАНЕНИЕ
10.1 Транспортирование
10.1.1 Требования к транспортированию в части воздействия механических факторов по ГОСТ 23216 и климатических факторов внешней среды по ГОСТ 15150 должны быть указаны в стандартах на трансформаторы конкретных типов.
При транспортировании в транспортных контейнерах трансформаторы без индивидуальной упаковки должны быть надежно закреплены и предохранены от механических повреждений.
Допускается транспортирование трансформаторов в пределах одного города без упаковки при условии принятия необходимых мер, исключающих возможность их повреждения.
10.2 Хранение
10.2.1 Требования к хранению трансформаторов в части воздействия климатических факторов внешней среды по ГОСТ 15150 должны быть указаны в стандартах на трансформаторы конкретных типов.
11 УКАЗАНИЯ ПО ЭКСПЛУАТАЦИИ
При вводе трансформаторов в эксплуатацию, а также в процессе эксплуатации трансформаторов следует соблюдать требования, установленные в стандартах на трансформаторы конкретных типов. Эти требования должны быть указаны в эксплуатационной документации.
12 ГАРАНТИИ ИЗГОТОВИТЕЛЯ
12.1 Изготовитель гарантирует соответствие трансформаторов требованиям настоящего стандарта при соблюдении условий применения, эксплуатации, хранения и транспортирования, установленных настоящим стандартом.
Гарантийный срок эксплуатации трансформаторов — три года с момента ввода в эксплуатацию, но не более трех с половиной лет со дня отгрузки с предприятия-изготовителя.
12.2 Для трансформаторов, предназначенных для экспорта, гарантийный срок эксплуатации устанавливают в соответствии с требованиями, принятыми в стране-изготовителе.
ПРИЛОЖЕНИЕ А
(обязательное )
Перечень справочных данных, приводимых в информационных
материалах предприятия-изготовителя
В информационных материалах предприятия-изготовителя следует указывать следующие справочные данные:
а) допустимые вторичные нагрузки для различных классов точности, если такое требование предусмотрено в стандарте на трансформатор конкретного типа;
б) конструктивные данные: номинальное число ампервитков, среднюю длину магнитного пути и сечение магнитопровода, сопротивление вторичной обмотки постоянному току, расчетное значение индуктивного сопротивления вторичных обмоток (без учета влияния внешних магнитных полей);
в) типовые кривые намагничивания магнитопроводов вторичных обмоток для защиты, снятые при практически синусоидальном напряжении (зависимость максимальной индукции от действующего значения напряженности магнитного поля);
г) кривые предельной кратности вторичных обмоток для защиты для кратностей, не превышающих тока динамической стойкости, деленного на 1,8×
и для вторичных нагрузок — 25 % номинального значения (но не менее 10 В×А) и выше.
Для трансформаторов с несимметричным расположением первичной и вторичной обмоток диапазон нагрузок ниже номинальной может отличаться от указанного;
д) конструктивные особенности трансформаторов.
Примечание — Данные перечислений б — г приводят для трансформаторов на номинальные напряжения 6 кВ и выше (с указанием значений их возможных отклонений).
ПРИЛОЖЕНИЕ Б
(обязательное )
Допускаемая область погрешностей для трансформаторов
различных классов точности
Таблица Б.1
| Класс |
Погрешность |
|
| точности |
токовая |
угловая |
| 0,1; 0,2; 0,5; 1 |
|
|
| 0,2S; 0,5S |
|
|
| 3; 5; 10 |
|
Не нормируется |
ГОСТ 10348-80
Группа Е
ГОСУДАРСТВЕННЫЙ СТАНДАРТ СОЮЗА ССР
КОМИТЕТ СТАНДАРТИЗАЦИИ И МЕТРОЛОГИИ СССР
КАБЕЛИ МОНТАЖНЫЕ МНОГОЖИЛЬНЫЕ С ПЛАСТМАССОВОЙ ИЗОЛЯЦИЕЙ.
ТЕХНИЧЕСКИЕ УСЛОВИЯ
Plastic-insulated multicore installation cables.
Specifications
Срок действия с 01.01.82
до 01.01.95
ИНФОРМАЦИОННЫЕ ДАННЫЕ
1. РАЗРАБОТАН И ВНЕСЕН Министерством электротехнической промышленности СССР
РАЗРАБОТЧИКИ
А. А. Михайлов (руководитель темы), Л.Д. Семова, Я.В.Драбкина
2. УТВЕРЖДЕН И ВВЕДЕН В ДЕЙСТВИЕ Постановлением Государственного комитета СССР по стандартам от 07.05.80 № 2039
3. ВЗАМЕН ГОСТ 10348-71
4. Срок проверки - 1995 г.
Периодичность - 5 лет
5. ССЫЛОЧНЫЕ НОРМАТИВНО-ТЕХНИЧЕСКИЕ ДОКУМЕНТЫ
| Обозначение НТД, на который дана ссылка |
Номер пункта, подпункта |
| ГОСТ 20.57.406-81 |
4.1; 4.4.1-4.4.3; 4.5.1; 4.5.3; 4.5.3а; 4.5.5; 4.6.1 |
| ГОСТ 2990-78 |
4.3.2 |
| ГОСТ 3345-76 |
4.3.3 |
| ГОСТ 5960-72 |
2.2.5 |
| ГОСТ 7229-76 |
4.3.1 |
| ГОСТ 12177-79 |
4.2.1 |
| ГОСТ 15150-69 |
Вводная часть; 5.1 |
| ГОСТ 18690-82 |
5.1 |
| ГОСТ 21930-76 |
2.2.5 |
| ГОСТ 22483-77 |
2.2.1; 2.3.1 |
| ГОСТ 24234-80 |
2.2.5, 2.3.1 |
6. Срок действия продлен до 01.01.95 Постановлением Госстандарта СССР от 29.08.89 № 2664
7. Переиздание (сентябрь 1991 г.) с Изменениями № 1, 2, утвержденными в октябре 1986 г., августе 1989 г. (ИУС 1-87, 12-89)
Настоящий стандарт распространяется на монтажные многожильные кабели с поливинилхлоридной изоляцией и оболочкой, предназначенные для фиксированного межприборного монтажа электрических устройств, работающих при номинальном переменном напряжении до 500 В частоты до 400 Гц или постоянном напряжении до 750 В.
Вид климатического исполнения кабелей УХЛ и Т категории размещения 2-5 по ГОСТ 15150-69.
Настоящий стандарт устанавливает требования к кабелям, изготавливаемым для нужд народного хозяйства и экспорта.
(Измененная редакция, Изм. № 2).
1.1. Марки и наименование кабелей должны соответствовать указанным в табл. 1.
Коды ОКП приведены в приложении 2.
| Марка кабеля |
Наименование конструктивных элементов |
| МКШ |
Кабель с изоляцией и оболочкой из поливинилхлоридного пластиката |
| МКЭШ |
То же, экранированный |
| МКШМ |
Кабель с изоляцией и оболочкой из поливинилхлоридного пластиката |
1.2. Номинальное сечение, число жил, максимальный наружный диаметр кабелей должны соответствовать указанным в табл. 2.
Расчетная масса кабелей приведена в приложении 1.
| Число жил и номинальное |
Максимальный наружный диаметр кабеля |
|
| сечение, мм2 |
МКШ, МКШМ |
МКЭШ |
| 2´0,35 |
6,7 |
7,5 |
| 3´0,35 |
6,9 |
7,7 |
| 5´0,35 |
8,2 |
9,0 |
| 7´0,35 |
8,8 |
9,6 |
| 10´0,35 |
11,6 |
12,4 |
| 14´0,35 |
12,4 |
13,2 |
| 2´0,5 |
7,0 |
7,8 |
| 3´0,5 |
7,2 |
8,0 |
| 5´0,5 |
8,5 |
9,5 |
| 7´0,5 |
9,2 |
10,0 |
| 10´0,5 |
12,2 |
13,0 |
| 14´0,5 |
13,1 |
13,9 |
| 2´0,75 |
7,5 |
8,3 |
| 3´0,75 |
7,7 |
8,5 |
| 5´0,75 |
9,2 |
10,0 |
| 7´0,75 |
10,0 |
10,8 |
| 10´0,75 |
13,2 |
14,0 |
| 14´0,75 |
14,2 |
15,0 |
1.1, 1.2. (Измененная редакция, Изм. № 1, 2 ).
1.3. Номинальная толщина изоляции 0,5 мм; минимальная - 0,4 мм. Плюсовый допуск не нормируется.
1.4. Номинальная толщина оболочки должна быть:
для кабелей с числом жил 2, 3, 5 и 7, неэкранированных - 1,0 мм, экранированных - 1,2 мм;
для кабелей с числом жил 10 и 14, неэкранированных - 1,2 мм, экранированных - 1,4мм.
Предельное отклонение от номинальной толщины оболочки - минус 20%; плюсовый допуск не нормируется.
Допускается в партии не более 10% отрезков длиной не менее - 3 м.
Пример условного обозначения кабеля марки, МКЭШ, семижильного, с сечением каждой жилы 0,75 мм2 :
Кабель МКЭШ 7 ´ 0,75 ГОСТ 10348-80
То же, в тропическом исполнении:
Кабель МКЭШ - Т 7 ´ 0,75 ГОСТ 10348-80
(Измененная редакция, Изм. № 2).
2.1. Кабели должны изготовляться в соответствии с требованиями настоящего стандарта и технологической документацией, утвержденной в установленном порядке.
2.2. Требования к конструкции
(Измененная редакция, Изм. № 1, 2).
2.2.2. Токопроводящие жилы должны быть изолированы поливинилхлоридным пластикатом.
Изолированные жилы должны быть скручены в кабель. В каждом повиве должны быть две счетные жилы, отличающиеся цветом друг от друга и от остальных жил повива.
Поверх скрученных жил должна быть полиамидная или полиэтилентерефталатная пленка. Допускается местный разрыв пленки под оболочкой.
Допускается изготовление неэкранированного кабеля без применения пленки.
2.2.3. Поверх скрученных изолированных жил экранированного кабеля должен быть экран из медной проволоки диаметром не более 0,20 мм.
Коэффициент поверхностной плотности экрана должен быть не менее 65%.
2.2.4. Поверх скрученных изолированных и экранированных жил кабеля должна быть оболочка из поливинилхлоридного пластиката.
На поверхности оболочки не должно быть наплывов, шероховатостей и вмятин, выводящих наружный диаметр по оболочке за предельные отклонения.
2.2.5. Материалы, применяемые для изготовления кабелей, должны соответствовать:
медная проволока - по нормативно-технической документации;
припой оловянно-свинцовый не ниже марок ПОС 61 ПОС 61М, ПОССУ 61-0,5-ГОСТ 21930-76;
полиэтилентерефталатная пленка - ГОСТ 24234-80;
пластикат поливинилхлоридный - марке И40-13А, И40-14 для изоляции и марке 040 для оболочки по ГОСТ 5960-72;
пластикат поливинилхлоридный - марке 040 (рецептуры 239, 239/1, 239 ГС, 288 ГС) для оболочки кабелей тропического исполнения по ГОСТ 5960-72;
медная луженая проволока, полиамидная пленка - нормативно-технической документации.
(Измененная редакция, Изм. № 1, 2).
2.3. Требования к электрическим параметрам
2.3.1. Электрическое сопротивление токопроводящих жил постоянному току должно соответствовать:
а) при приемке и поставке - ГОСТ 22483-77;
б) на период эксплуатации и хранения допускается увеличение электрического сопротивления до 10% по сравнению со значениями при приемке и поставке.
2.3.2. Кабели должны выдерживать в течение 5 мин испытание переменным напряжением частоты 50 Гц:
а) при приемке и поставке - 2000 В;
б) на период эксплуатации и хранения - 1000 В.
2.3.3. Электрическое сопротивление изоляции, пересчитанное на 1 км длины, должно быть не менее:
а) при приемке и поставке при 20°С - 10 МОм,
при эксплуатации и хранении - 0,1 МОм;
б) при повышенной влажности воздуха при температуре 35°С - 1 МОм;
в) при температуре 70°С - 0,1 МОм.
(Измененная редакция, Изм. № 1).
2.4. Требования к стойкости при механических воздействиях
2.5. Требования к стойкости при климатических воздействиях
2.5.2. Кабели должны быть стойкими к воздействию пониженной температуры - 223 К (минус 50°С).
(Измененная редакция, Изм. № 1).
2.5.3. Кабели должны быть стойкими к воздействию относительной влажности воздуха до 98% при температуре 308 К (35°С).
2.5.3а. Кабели климатического исполнения Т должны быть стойкими к воздействию плесневых грибов.
(Введен дополнительно, Изм. № 2).
2.5.4. (Исключен, Изм. № 1).
2.6. Требования к надежности
2.6.1. Наработка кабелей в режимах и условиях, указанных в настоящем стандарте, должна быть 10000 ч.
2.6.3. Срок службы кабелей, в пределах которого обеспечивается наработка (п. 2.6.1) и сохраняемость (п. 2.6.2), должен быть 15 лет.
2.6.1-2.6.3. (Измененная редакция, Изм. № 1).
3.1. Для контроля соответствия кабелей требованиям настоящего стандарта устанавливаются приемо-сдаточные, периодические, типовые и испытания на надежность.
3.2. Приемо-сдаточные испытания
3.2.1. Приемо-сдаточным испытаниям должна быть подвергнута каждая партия кабелей.
За партию принимают кабели одной марки и одного сечения, одновременно предъявленные к приемке.
3.2.2. Испытания на соответствие требованиям пп. 1.5, 2.2.1, 2.2.2-2.2.4 и 2.3.2а должны проводиться изготовителем на каждой строительной длине кабеля. Испытания допускается проводить в процессе производства.
3.2.3. Испытания на соответствие пп. 1.2-1.4, 2.3.1a, 2.3.3а, 5.1, 5.2 должны проводиться изготовителем на 3% строительных длин кабелей от партии, но не менее чем на трех строительных длинах.
Испытания по пп. 1.2-1.5, 2.2.1-2.2.4, 2.3.1, 2.3.2 и 2.3.3 должны проводиться потребителем на 3% барабанов с кабелем или бухт от партии, но не менее чем на трех барабанах или бухтах.
При получении неудовлетворительных результатов при выборочном контроле хотя бы по одному из показателей по этому показателю должен быть проведен повторный контроль удвоенного числа строительных длин или барабанов с кабелем.
Результаты повторного испытания распространяются на всю партию.
(Измененная редакция, Изм. № 2 ).
3.3. Периодические испытания
3.3.1. Периодические испытания на соответствие требованиям пп. 2.5.2 и 2.5.3 должны проводиться один раз в полгода на 5 барабанах с кабелем или бухтах, отобранных методом случайного отбора от партии, выдержавшей приемо-сдаточные испытания, в период между периодическими испытаниями.
Испытания по этим пунктам проводят на одних и тех же 5 образцах, отобранных от разных барабанов или бухт.
3.3.2. При получении неудовлетворительных результатов периодических испытаний проводят повторные испытания на удвоенной выборке.
При получении неудовлетворительных результатов повторного испытания приемку кабелей прекращают.
После устранения причин дефектов и получения положительных результатов периодических испытаний, приемку кабелей возобновляют.
3.4. Типовые испытания
3.4.1. Типовые испытания кабелей на соответствие всем требованиям настоящего стандарта должны проводиться по программе, утвержденной в установленном порядке.
3.5. Испытания на надежность
3.5.1. Испытания по подтверждению наработки проводят прямым и косвенным способами.
При подтверждении наработки косвенным способом в качестве параметра, характеризующего уровень технологии, принимают испытательное напряжение.
Допустимое значение показателя уровня технологии устанавливают в технологической документации на изготовление кабелей.
Испытание по подтверждению наработки (п. 2.6.1) прямым способом проводят при типовых испытаниях и при отрицательных результатах испытаний косвенным способом.
3.5.2. Испытание на сохраняемость проводят методом длительного хранения на 24 образцах (по 12 образцов от партии первого и второго года производства).
3.5.1, 3.5.2. (Измененная редакция, Изм. № 1 ).
3.6. При оценке соответствия кабелей требованиям настоящего стандарта следует руководствоваться:
при входном контроле (в течение 12 мес со времени приемки) - нормами при приемке и поставке;
в процессе эксплуатации и хранения - нормами на период эксплуатации и хранения.
4.1. Все испытания кабелей должны проводиться в нормальных климатических условиях по ГОСТ 20.57.406-81, если не указаны другие условия испытания.
4.2. Проверка на соответствие требованиям к конструкции
4.3. Проверка кабелей на соответствие требованиям к электрическим параметрам
4.3.2. Испытание напряжением (п. 2.3.2) должно проводиться - по ГОСТ 2990-78.
4.4. Проверка стойкости при механических воздействиях
Образцы, свернутые в плоские бухты с внутренним диаметром равным 10 диаметрам кабеля, жестко крепят в горизонтальном положении к платформе вибрационного стенда.
После воздействия вибрации в течение 3 ч образцы кабеля должны выдержать испытание напряжением на соответствие требованиям п. 2.3.2а.
4.4.2. Испытание кабелей на воздействие многократных ударов (п. 2.4.2) должно проводиться по ГОСТ 20.57.406-81 (метод 104-1) без электрической нагрузки на образцах длиной 2,0-1,5мг каждый.
Образцы, свернутые в плоские бухты с внутренним диаметром равным 10 диаметрам кабеля, укрепляют на столе ударного стенда в горизонтальном положении. Испытания проводят при воздействии ударной нагрузки в направлении, перпендикулярном плоскости спиральной бухты.
После воздействия ударной нагрузки образцы кабеля должны выдержать испытание напряжением на соответствие требованиям п. 2.3.2а.
4.4.3. Испытание кабелей на воздействие одиночных ударов и линейных нагрузок (п. 2.4.3) должно проводиться по ГОСТ 20.57.406-81 (методы 106-1 и 107-1 соответственно). Испытания проводят без электрической нагрузки на образцах длиной 1,0-1,5 м каждый, свернутых в плоские бухты, с внутренним диаметром, равным 10 диаметрам кабеля.
После проведения испытаний образцы кабеля должны выдержать испытание напряжением на соответствие требованиям п. 2.3.2а.
4.5. Проверка стойкости при климатических воздействиях
После 96 ч выдержки при температуре (70±2)°C проводят измерение сопротивления изоляции.
Затем образцы извлекают из камеры тепла и выдерживают в нормальных климатических условиях не менее 1 ч, после чего сматывают с цилиндра.
Кабель считают выдержавшим испытание, если при повторном навивании на этот цилиндр в нормальных климатических условиях на его оболочке не будет трещин, видимых без применения увеличительного прибора, а сопротивление изоляции соответствует п. 2.3.3в.
(Измененная редакция, Изм. № 1 ).
4.5.2. Испытание на холодостойкость (п. 2.5.2) должно проводиться двумя способами последовательно на одних и тех же образцах кабеля длиной не менее 0,65 м каждый:
а) образцы, навитые плотно, виток к витку, на цилиндр диаметром 150 мм, помещают в камеру холода при температуре 223±2 К (минус 50±2°С) на 3 ч.
После удаления из камеры холода образцы выдерживают в течение 30 мин при нормальных климатических условиях. При снятии образцов с цилиндра и повторном навивании на этот же цилиндр на их поверхности не должно быть трещин, видимых без применения увеличительного прибора;
б) после пребывания в течение 2 ч в распрямленном состоянии в камере холода при температуре 253±2 К (минус 20±2°С) образцы кабеля подвергают при этой же температуре испытанию на изгиб под углом 180° вокруг цилиндра диаметром, равным 10 диаметрам кабеля.
После этого испытания на поверхности оболочки не должно быть трещин, видимых без применения увеличительного прибора.
Образцы после пребывания в камере при относительной влажности 95-98% и температуре 313±2 К (40±2°С) в течение 48 ч извлекают и выдерживают в нормальных климатических условиях не менее 1 ч.
Затем образцы испытывают на соответствие требованию п. 2.3.3в.
(Введен дополнительно, Изм. № 2 ).
4.5.4. (Исключен, Изм. № 1 ).
4.6. Проверка на соответствие требованиям к надежности
Образцы длиной 1,0-1,5 м каждый свертывают в бухты с внутренним диаметром, равным 10 диаметрам кабеля.
Образцы помещают в камеру тепла и в течение 500 ч выдерживают при температуре 343±2 К (70±2°С) при условиях, указанных в ГОСТ 20.57.406-81 (метод 201-1.1).
После выдержки в нормальных климатических условиях в течение 3 ч образцы осматривают без применения увеличительного прибора и испытывают напряжением на соответствие требованию п. 2.3.2б.
Провода считают выдержавшими испытание, если на поверхности образцов не обнаружено трещин и образцы выдерживают испытание напряжением, указанным в п. 2.3.2б.
(Измененная редакция, Изм. № 1 ).
4.6.2. При испытании на сохраняемость (п. 2.6.2) образцы кабелей длиной не менее 5 м закладывают на хранение в складские помещения.
Перед закладкой на хранение проверяют внешний вид кабелей без применения увеличительного прибора и соответствие их требованиям пп. 2.3.2а и 2.3.3а.
В процессе хранения периодически один раз в два года проверяют внешний вид кабелей и соответствие их требованиям пп. 2.3.2б и 2.3.3б.
Кабели считают выдержавшими испытание, если при периодических испытаниях и по истечении срока сохраняемости на поверхности образцов не обнаружены трещины, а электрические параметры соответствуют требованиям пп. 2.3.2б и 2.3.3б.
(Измененная редакция, Изм. № 1, 2 ).
4.6.3. Качество и правильность маркировки и упаковки (пп. 5.1, 5.2) проверяют внешним осмотром.
(Введен дополнительно, Изм. № 2 ).
5. УПАКОВКА, МАРКИРОВКА, ТРАНСПОРТИРОВАНИЕ И ХРАНЕНИЕ
5.1. Упаковка, маркировка, транспортирование и хранение кабелей должны производиться по ГОСТ 18690-82.
Кабели должны быть намотаны на деревянные барабаны или в бухты.
Диаметр шейки барабана или внутренний диаметр бухты должен быть не менее 100 мм.
Длина нижнего конца кабеля на барабане, выведенного для испытаний, должна быть не менее 0,1 м.
Условия транспортирования и хранения кабелей в части воздействия климатических факторов внешней среды должны соответствовать условиям ОЖ-4 по ГОСТ 15150-69.
(Измененная редакция, Изм. № 2 ).
5.2. На каждом барабане или на ярлыке, прикрепленном к бухте, должны быть указаны:
товарный знак предприятия-изготовителя;
марка кабеля;
число жил;
номинальное сечение в квадратных миллиметрах;
длина в метрах (число отрезков и их длина);
дата изготовления (месяц, год);
обозначение настоящего стандарта.
6.1. Кабели предназначены для эксплуатации при температуре окружающей среды от 223 до 323 К (от минус 50 до плюс 50°С).
6.2. Монтаж кабелей без предварительного нагрева должен производиться при температуре не ниже 258 К (минус 15°С).
7.1. Изготовитель гарантирует соответствие кабелей требованиям настоящего стандарта при соблюдении условий эксплуатации, хранения и транспортирования.
7.2. Гарантийный срок эксплуатации кабелей - 6 лет с момента ввода в эксплуатацию.
Справочное
РАСЧЕТНАЯ МАССА КАБЕЛЕЙ
| Число жил номинальное |
Расчетная масса 1 км кабеля, кг |
|
| сечение, мм2 |
МКШ, MKШM |
МКЭШ |
| 2´0,35 |
37 |
61 |
| 3´0,35 |
40 |
64 |
| 5´0,35 |
57 |
97 |
| 7´0,35 |
73 |
113 |
| 10´0,35 |
108 |
158 |
| 14´0,35 |
137 |
190 |
| 2´0,5 |
44 |
68 |
| 3´0,5 |
48 |
73 |
| 5´0,5 |
70 |
110 |
| 7´0,5 |
90 |
132 |
| 10´0,5 |
133 |
180 |
| 14´0,5 |
171 |
219 |
| 2´0,75 |
55 |
80 |
| 3´0,75 |
60 |
86 |
| 5´0,75 |
88 |
130 |
| 7´0,75 |
115 |
160 |
| 10´0,75 |
170 |
227 |
| 14´0,75 |
220 |
280 |
(Измененная редакция, Изм. № 1, 2 ).
Обязательное
Коды ОКП и контрольные числа монтажных кабелей
| Марка |
Коды ОКП |
Контрольное число |
| МКШ |
35 4833 0100 |
10 |
| МКЭШ |
35 4833 0200 |
07 |
| МКШМ |
35 4833 0600 |
06 |
| МКШ-Т |
35 4833 1600 |
02 |
| МКЭШ-Т |
35 4833 1700 |
10 |
(Введено дополнительно, Изм. № 2).
ГОСТ Р 51330.12-99
(МЭК 60079-13-82)
Группа Е02
ГОСУДАРСТВЕННЫЙ СТАНДАРТ РОССИЙСКОЙ ФЕДЕРАЦИИ
ЭЛЕКТРООБОРУДОВАНИЕ ВЗРЫВОЗАЩИЩЕННОЕ
Часть 13
Проектирование и эксплуатация помещений, защищенных избыточным давлением
Electrical apparatus for explosive gas atmospheres.
Part 13. Construction and use of rooms
or buildings protected by pressurization
ОКС 29.260.20
ОКСТУ 3402
Дата введения 2001-01-01
Предисловие
1 РАЗРАБОТАН Некоммерческой автономной научно-исследовательской организацией “Центр по сертификации взрывозащищенного и рудничного электрооборудования ИГД” (НАНИО ”ЦС ВЭ ИГД”)
ВНЕСЕН Техническим комитетом по стандартизации ТК 403 ”Взрывозащищенное и рудничное электрооборудование”
2 ПРИНЯТ И ВВЕДЕН В ДЕЙСТВИЕ Постановлением Госстандарта России от 9 декабря 1999 г. N 501-ст
3 Настоящий стандарт, за исключением подразделов 6.3.1, 6.4, раздела 9, представляет собой аутентичный текст технического отчета МЭК 60079-13-82 ”Электрооборудование взрывозащищенное. Часть 13. Проектирование и эксплуатация помещений или зданий, защищенных избыточным давлением”
4 ВВЕДЕН ВПЕРВЫЕ
ВВЕДЕНИЕ
Настоящий стандарт входит в комплекс государственных стандартов на взрывозащищенное электрооборудование, разработанных на основе применения международных стандартов МЭК на взрывозащищенное электрооборудование.
Стандарт устанавливает требования к оснащению и эксплуатации помещений, защищенных избыточным давлением, и связанных с ними частей, таких как воздуховоды (газопроводы) защитного газа, вспомогательные контрольные устройства, необходимые для обеспечения удовлетворительной работы системы продувки под давлением и поддержания избыточного давления в помещении.
В стандарте приведены требования к проверкам, необходимым для подтверждения соответствия помещений требованиям настоящего стандарта.
Дополнительные требования, отсутствующие в техническом отчете МЭК 60079-13-82 и отражающие потребности экономики страны, в тексте стандарта выделены курсивом.
1 ОБЛАСТЬ ПРИМЕНЕНИЯ
Настоящий стандарт устанавливает требования к помещениям, защищенным избыточным давлением, оснащению и эксплуатации помещений и связанных с ними частей, таких как воздуховоды (газопроводы), вспомогательные контрольные устройства, необходимые для обеспечения удовлетворительной работы системы продувки под давлением и поддержания избыточного давления.
Стандарт устанавливает условия эксплуатации электрооборудования, находящегося в указанном помещении, способного вызвать воспламенение взрывоопасных газовых смесей.
В стандарте установлены требования к проверкам помещений, необходимым для подтверждения соответствия помещений требованиям настоящего стандарта.
Стандарт распространяется только на помещения, внутри которых нет источников (в том числе потенциальных) горючих газов или паров, которые могут образовать взрывоопасные смеси.
Требования настоящего стандарта являются обязательными.
2 НОРМАТИВНЫЕ ССЫЛКИ
В настоящем стандарте использованы ссылки на следующие стандарты:
ГОСТ Р 51330.5-99 (МЭК 60079-4-75) Электрооборудование взрывозащищенное. Часть 4. Метод определения температуры самовоспламенения
ГОСТ Р 51330.9-99 (МЭК 60079-10-95) Электрооборудование взрывозащищенное. Часть 10. Классификация взрывоопасных зон
ГОСТ Р 51330.11-99 (МЭК 60079-12-99) Электрооборудование взрывозащищенное. Часть 12. Классификация смесей газов и паров с воздухом по безопасным экспериментальным максимальным зазорам и минимальным воспламеняющим токам
3 ОПРЕДЕЛЕНИЯ
В настоящем стандарте применяют следующие термины с соответствующими определениями.
3.1 помещение: Пространство, огражденное со всех сторон стенами (в т.ч. с окнами и дверями), с покрытием (перекрытием) и полом, снабженное кабельными проходами, трубопроводами, воздуховодами (газопроводами), оснащенное электрооборудованием.
Примечание - В настоящем стандарте термин «помещение» относится также к зданиям, комнатам, залам для размещения оборудования.
3.2 отверстие: Любое отверстие, дверь, окно или воздухопроницаемая стационарная панель.
3.3 защитный газ (воздух): Газ, применяемый для поддержания избыточного давления внутри помещения или для его продувки.
3.4 продувка под избыточным давлением: Вид защиты, при помощи которой предотвращается попадание взрывоопасных газов и паров в помещение за счет поддержания в нем защитного газа при более высоком давлении, чем давление окружающей среды.
3.5 помещение, защищенное избыточным давлением: Помещение, в котором давление защитного газа выше, чем давление окружающей среды.
3.6 продувка под избыточным давлением с компенсацией утечки: Вид защиты, при которой подача защитного газа достаточна для поддержания избыточного давления в негерметичном помещении. Подача газа компенсирует неизбежные утечки из помещения и связанных с ним воздуховодов, причем все отверстия на выходе закрыты.
3.7 продувка под избыточным давлением с непрерывным потоком защитного газа: Вид защиты, при помощи которой в помещении и связанных с ним воздуховодах поддерживается избыточное внутреннее давление. Непрерывный и принудительный поток защитного газа проходит через эти воздуховоды, через отверстия контролируемого помещения.
3.8 предварительная продувка: Процесс прохождения определенного количества защитного газа через помещение и связанные с ним воздуховоды для уменьшения концентрации взрывоопасного газа или пара до значения менее 25% нижнего концентрационного предела распространения пламени (НКПР).
4 КЛАССИФИКАЦИЯ ВЗРЫВООПАСНЫХ ЗОН ПОМЕЩЕНИЙ
Классификацию взрывоопасных зон, в которых могут располагаться помещения, следует проводить по ГОСТ Р 51330.9.
Помещение, продуваемое под избыточным давлением, при отсутствии продувки имеет тот же класс взрывоопасной зоны, в которой оно находится и в которую имеет выход.
Помещение под избыточным давлением после предварительной продувки должно допускать применение электрооборудования, которое не имеет какую-либо другую защиту, установленную для взрывоопасной зоны соответствующего класса, в которой расположено защищаемое помещение.
Примечание - Воздушную среду внутри помещения, которое частично расположено во взрывоопасной зоне, но все отверстия которого ведут во взрывобезопасные зоны, считают взрывобезопасной.
5 ТРЕБОВАНИЯ К ВОЗДУХОВОДАМ И КАНАЛАМ ДЛЯ ЭЛЕКТРИЧЕСКИХ КОММУНИКАЦИЙ
5.1 Воздуховоды для защитного газа и их соединения
Воздуховоды для защитного газа и их соединения должны быть механически прочными, стойкими к агрессивной окружающей среде и способными без остаточной деформации выдерживать полуторакратное рабочее избыточное давление защитного газа, но не менее 200 Па. Если при работе возникают избыточные давления, которые способны вызывать опасную деформацию воздуховодов или соединений, то необходимо устанавливать предохранительные устройства.
Расположение, размеры и число воздуховодов от источника защитного газа должны быть достаточными, чтобы обеспечить эффективную продувку. Число воздуховодов следует выбирать в зависимости от конструкции и расположения защищаемой аппаратуры.
Воздуховоды для защитного газа следует рассматривать как составную часть помещения. Там, где воздуховоды проходят через взрывоопасные зоны, в них должно поддерживаться избыточное давление по отношению к окружающей среде.
5.2 Каналы для электрических коммуникаций
Ввод кабелей, электропроводок в трубах и других устройств (для защитного газа, воды и т.д.) непосредственно в помещение следует осуществлять таким образом, чтобы в помещении поддерживалось необходимое избыточное давление и предотвращалось проникновение в него взрывоопасных газов и паров.
5.3 В местах, где выходные отверстия открываются во взрывоопасную зону, следует оснащать их закрывающимися клапанами или заглушками для того, чтобы предотвратить попадание снаружи взрывоопасных газов и паров при повреждении системы продувки под давлением.
6 ЗАЩИТНЫЕ МЕРЫ
Защитные меры должны предотвращать опасность возникновения взрыва от электрооборудования, устанавливаемого в продуваемом помещении, в момент его включения или в случае повреждения системы продувки под избыточным давлением. Эти меры следует принимать исходя из характеристик электрооборудования, условий окружающей среды, наличия средств обеспечения безопасности внутри помещения или применения автоматического отключения источников питания.
Должны приниматься следующие меры.
6.1 При включении или после отключения электрооборудования при любом классе взрывоопасной зоны необходимо перед подачей напряжения на любое электрооборудование, размещенное в помещении и не защищенное каким-либо видом защиты, пригодным для зоны соответствующего класса:
1) произвести предварительную продувку достаточной продолжительности, чтобы внутреннее пространство помещения можно было рассматривать как взрывобезопасную зону (см. примечания);
2) продуть помещение под избыточным давлением.
Примечания
1 Пространство в помещении считают взрывобезопасной зоной, если во всех точках в помещении и связанных с ними воздуховодах концентрация взрывоопасных газов или паров ниже 25% НКПР. Место измерения следует выбирать там, где присутствует самая высокая концентрация взрывоопасного газа.
2 Объем защитного газа, требуемый для предварительной продувки, определяют как пятикратный внутренний объем помещения и его присоединенных воздуховодов.
6.2 Защитные меры при повреждении системы продувки под давлением
6.2.1 Помещение во взрывоопасной зоне класса 1
Зону в помещении (считают взрывобезопасной, когда помещение продувается) следует классифицировать как взрывоопасную зону класса 1 при отсутствии продувки под давлением в соответствии с требованиями раздела 4 (исключительный случай).
6.2.1.1 Если электрооборудование, установленное в помещении, не соответствует взрывоопасной зоне класса 1, то следует предусматривать одновременное действие следующих мер:
- подача сигнала (светового или звукового, или обоих), извещающего об отсутствии продувки под давлением;
- осуществление действий для восстановления системы продувки под давлением;
- автоматическое отключение источников питания с выдержкой времени, нормированной по условиям обеспечения безопасности.
При установлении выдержки времени при автоматическом отключении источников питания необходимо предусмотреть меры предосторожности, исключающие попадание в помещение опасных газовых смесей и возможное влияние конвекции и диффузии газов. Нормируемую выдержку времени при автоматическом отключении электрооборудования можно увеличить при условии подтверждения, что за пределами помещения находится взрывобезопасная зона.
6.2.1.2 Если электрооборудование в помещении соответствует взрывоопасной зоне класса 2, то следует предусматривать одновременное соблюдение следующих мер:
- подача сигнала (светового или звукового, или обоих), извещающего об отсутствии продувки под давлением;
- осуществление действий для восстановления системы продувки под давлением;
- отключение источников питания с выдержкой времени, нормированной по условиям обеспечения безопасности, если систему продувки под давлением невозможно восстановить или если концентрация взрывоопасного газа в помещении повышается до взрывоопасного уровня.
6.2.2 Помещение во взрывоопасной зоне класса 2
Зону в помещении классифицируют как взрывоопасную зону класса 2 при отсутствии продувки под давлением в соответствии с требованиями раздела 4 (наиболее частый случай).
Если электрооборудование, установленное в помещении, по условиям применения не соответствует взрывоопасной зоне класса 2, то следует предусматривать одновременное соблюдение следующих мер:
- подача сигнала (светового или звукового, или обоих), извещающего об отсутствии продувки под давлением;
- осуществление действий для восстановления системы продувки под давлением;
- отключение источников питания с выдержкой времени, нормированной по условиям обеспечения безопасности, если систему продувки под давлением невозможно восстановить или если концентрация взрывоопасного газа в помещении повышается до взрывоопасного уровня.
Перечень защитных мер, принимаемых в случае повреждения системы продувки под давлением, изложенных в настоящем разделе, приведен в таблице 1.
Таблица 1 - Перечень защитных мер, принимаемых в случае повреждения системы продувки под давлением
| Установленное электрооборудование |
||||
| Класс взрывоопасной зоны помещения* |
соответствует взрывоопасной зоне класса 1 |
соответствует взрывоопасной зоне, зоне класса 2 |
общего назначения |
|
| 1 |
Не требуется никаких действий |
Подача сигнала (светового или звукового, или обоих) |
Подача сигнала (светового или звукового, или обоих) |
|
| Осуществление действий для восстановления системы продувки |
Осуществление действий для восстановления системы продувки |
|||
| Отключение источников питания с выдержкой времени, нормированной по условиям обеспечения безопасности, если систему продувки невозможно восстановить или если концентрация взрывоопасного газа повышается до взрывоопасного уровня |
Автоматическое отключение источников питания с выдержкой времени, нормированной по условиям обеспечения безопасности |
|||
| 2 |
Не требуется никаких действий |
Не требуется никаких действий |
Подача сигнала (светового или звукового, или обоих) |
|
| Осуществление действий для восстановления системы продувки |
||||
| Отключение источников питания с выдержкой времени, нормированной по условиям обеспечения безопасности, если систему продувки невозможно восстановить или если концентрация взрывоопасного газа повышается до взрывоопасного уровня |
||||
| _____________ * Классификация в случае отсутствия продувки. |
||||
6.3 Другие защитные меры
Необходимо предусматривать следующие дополнительные меры.
6.3.1 Электрооборудование, которое остается под напряжением при отсутствии продувки (электрооборудование, обеспечивающее продувку, электрические светильники, аппаратура контроля и связи и др.), должно быть взрывозащищенным и соответствовать классу взрывоопасной зоны помещения (раздел 4).
Примечание - Осветительные и телекоммуникационные устройства в помещении могут оставаться в рабочем состоянии.
6.3.2 Источники светового или звукового сигналов должны располагаться так, чтобы в случае повреждения системы продувки обеспечить возможность быстрого принятия ответственным лицом необходимых оперативных действий.
6.3.3 Для контроля работы системы продувки следует применять устройства контроля давления или контроля потока, или же оба устройства.
6.3.4 В случаях, когда необходимо обеспечить непрерывную работу электрооборудования в рабочем режиме, может быть предусмотрена установка двух источников подачи защитного газа для того, чтобы при выходе из строя одного источника можно было переключиться на другой. Каждый источник должен самостоятельно поддерживать в помещении необходимое избыточное давление.
6.4 В части общих требований противопожарной защиты помещений на всех этапах их создания и эксплуатации следует руководствоваться системой нормативных документов в строительстве.
7 ИЗБЫТОЧНОЕ ДАВЛЕНИЕ И РАСХОД ЗАЩИТНОГО ГАЗА
7.1 Система подачи защитного газа должна обеспечивать необходимые значения избыточного давления и расхода, компенсирующего утечки защитного газа через все отверстия помещения, в том числе при условии их одновременного открытия. При этом избыточное давление и расход защитного газа не должны быть чрезмерно большими и должны позволять открывать и закрывать двери.
7.2 Необходимо поддерживать минимальное избыточное давление 25 Па по отношению к наружной среде во всех точках, в которых возможны утечки внутри помещения и связанных с ним проходах; при этом все двери и окна должны быть закрыты.
7.3 Если внутри продуваемого помещения установлено оборудование, потребляющее воздух, то потребление воздуха этим оборудованием должно обеспечиваться потоком воздуха через систему продувки. Если это условие не выполняется, то поток дополнительного воздуха следует подавать по отдельной системе.
Примечания
1 Система продувки под давлением может также содержать нагревательные, вентиляционные устройства, а также устройства кондиционирования воздуха в дополнение к оборудованию, необходимому для выполнения приведенных выше требований.
2 В проекте продуваемого помещения указывают число лиц, которые должны находиться в помещении для обслуживания оборудования, тип установленного в помещении оборудования и его потребность в охлаждающем воздухе, если таковая имеется.
8 ЗАЩИТНЫЙ ГАЗ
Защитный газ не должен содержать химических продуктов или примесей, которые могут оказывать неблагоприятные влияния или способствовать снижению безопасности.
Примечание - Защитный газ можно также применять для других целей, например для охлаждения оборудования.
9 ПРОВЕРКА ПОМЕЩЕНИЯ ПЕРЕД ВВОДОМ В ЭКСПЛУАТАЦИЮ
Перед вводом в эксплуатацию помещения необходимо провести его проверку в следующем объеме:
- осмотр и проверка соответствия помещения технической документации и требованиям стандарта;
- проверка параметров защитного газа;
- определение минимального давления защитного газа и проверка минимального времени предпусковой продувки;
- проверка работы аппаратуры контроля, блокировок, сигнализации и отключения;
- проверка чистоты защитного газа.
10 ПРЕДУПРЕДИТЕЛЬНЫЕ НАДПИСИ И ИНФОРМАЦИОННЫЕ СВЕДЕНИЯ
10.1 На дверях, ведущих в помещение, защищенное избыточным давлением, снаружи наносят следующую надпись: ”Внимание! Помещение, защищенное избыточным давлением. Закрывать дверь”.
10.2 Внутри помещения (при выходе) должны быть таблички, содержащие следующие информационные сведения: минимальное требуемое избыточное давление и расход защитного газа, категория взрывоопасности по ГОСТ Р 51330.11 и группа взрывоопасной смеси по ГОСТ Р 51330.5, находящейся внутри помещения при отсутствии продувки (например, IIAT3).
10.3 Внутри помещения, в хорошо видимом месте, должна быть нанесена надпись с указанием строительной организации, соорудившей помещение, и предприятия, ответственного за его эксплуатацию.
10.4 Внутри помещения должны быть плакаты, содержащие правила, которые необходимо соблюдать при эксплуатации электрооборудования.
а) При включении
В соответствии с требованиями 6.1 вблизи от коммутационного аппарата вентилятора системы продувки под давлением и рядом с главным автоматическим выключателем помещения должна быть следующая или эквивалентная ей надпись: ”Внимание! Вентилятор системы продувки под давлением должен работать в течение ___ мин перед включением электрооборудования”.
Примечание - Указывается время, требуемое для продувки при минимальной скорости потока защитного газа.
б) В случае повреждения системы продувки под давлением
В соответствии с требованиями 6.2 должны быть представлены на плакатах детальные сведения об электрооборудовании, которое следует отключать, о нормированном времени автоматического отключения, допускаемом для каждой операции, и любые другие меры, которые необходимо предпринимать в случае повреждения системы продувки под давлением. Указанные сведения должны располагаться в непосредственной близости от отключаемого электрооборудования.
ГОСТ Р 51137-98
УДК 621.313.333:006.354 Е61
ГОСУДАРСТВЕННЫЙ СТАНДАРТ РОССИЙСКОЙ ФЕДЕРАЦИИ
ЭЛЕКТРОПРИВОДЫ РЕГУЛИРУЕМЫЕ АСИНХРОННЫЕ
ДЛЯ ОБЪЕКТОВ ЭНЕРГЕТИКИ
ОБЩИЕ ТЕХНИЧЕСКИЕ УСЛОВИЯ
Asynchronous controlled variable electric drives for energetics objects.
General specifications
ОКС 29.160.20
ОКСТУ 3300
Дата введения 1998—07—01
Предисловие
1 ПОДГОТОВЛЕН И ВНЕСЕН АО ВНИИЭ
2 УТВЕРЖДЕН И ВВЕДЕН В ДЕЙСТВИЕ Постановлением Госстандарта России от 19 февраля 1998 г. № 19
3 ВВЕДЕН ВПЕРВЫЕ
1 ОБЛАСТЬ ПРИМЕНЕНИЯ
Настоящий стандарт распространяется на регулируемые асинхронные электроприводы (далее — электроприводы), предназначенные для работы на объектах энергетики (тепловых электростанциях и насосных станциях централизованного снабжения).
Вид климатического исполнения по ГОСТ 15150 из числа указанных в ГОСТ 15543.1 устанавливают в технических условиях (далее — ТУ) на электроприводы конкретных типов.
2 НОРМАТИВНЫЕ ССЫЛКИ
В настоящем стандарте использованы ссылки на следующие стандарты:
ГОСТ 2.114—95 ЕСКД. Технические условия
ГОСТ 2.601—95 ЕСКД. Эксплуатационные документы
ГОСТ 8.513—84 ГСИ. Поверка средств измерений. Организация и порядок проведения
ГОСТ 9.005—72 ЕСЗКС. Металлы, сплавы, металлические и неметаллические неорганические покрытия. Допустимые и недопустимые контакты с металлами и неметаллами
ГОСТ 12.1.003—83 ССБТ. Шум. Общие требования безопасности
ГОСТ 12.1.004—91 ССБТ. Пожарная безопасность. Общие требования
ГОСТ 12.2.007.0—75 ССБТ. Изделия электротехнические. Общие требования безопасности
ГОСТ 12.2.007.1—75 ССБТ. Машины электрические вращающиеся. Требования безопасности
ГОСТ 12.2.007.11—75 ССБТ. Преобразователи электроэнергии полупроводниковые. Требования безопасности
ГОСТ 12.3.019—80 ССБТ. Испытания и измерения электрические. Общие требования безопасности
ГОСТ 20.39.312—85 Комплексная система общих технических требований. Изделия электротехнические. Требования по надежности
ГОСТ 183—74 Машины электрические вращающиеся. Общие технические требования
ГОСТ 7217—87 Машины электрические вращающиеся. Двигатели асинхронные. Методы испытаний
ГОСТ 8865—93 Изделия электротехнические. Классы нагревостойкости электрической изоляции
ГОСТ 10434—82 Соединения контактные электрические. Классификация. Общие технические требования
ГОСТ 10683—73 Машины электрические. Номинальные частоты вращения и допускаемые отклонения
ГОСТ 11828—86 Машины электрические вращающиеся. Общие методы испытаний
ГОСТ 12139—84 Машины электрические вращающиеся. Ряды номинальных мощностей, напряжений и частот
ГОСТ 13109—87 Нормы качества электрической энергии у ее приемников, присоединенных к электрическим сетям общего назначения
ГОСТ 14192—96 Маркировка грузов
ГОСТ 14254—96 Степени защиты, обеспечиваемые оболочками (код IP)
ГОСТ 15150—69 Машины, приборы и другие технические изделия. Исполнения для различных климатических районов. Категории, условия эксплуатации, хранения и транспортирования в части воздействия климатических факторов внешней среды
ГОСТ 15543.1—89 Изделия электротехнические. Общие требования в части стойкости к климатическим внешним воздействующим факторам
ГОСТ 16842—82 Радиопомехи индустриальные. Методы испытаний источников индустриальных радиопомех
ГОСТ 16962.1—89 Изделия электротехнические. Методы испытаний на устойчивость к климатическим внешним воздействующим факторам
ГОСТ 16962.2—90 Изделия электротехнические. Методы испытаний на стойкость к механическим внешним воздействующим факторам
ГОСТ 17494—87 Машины электрические вращающиеся. Классификация степеней защиты, обеспечиваемых оболочками вращающихся электрических машин
ГОСТ 17516.1—90 Изделия электротехнические. Общие требования в части стойкости к механическим внешним воздействующим факторам
ГОСТ 18620—86 Изделия электротехнические. Маркировка
ГОСТ 20459—87 Машины электрические вращающиеся. Методы охлаждения. Обозначения
ГОСТ 20815—93 Машины электрические вращающиеся. Механическая вибрация некоторых видов машин высотой оси вращения 56 мм и более. Измерение, оценка и допустимая вибрация
ГОСТ 21130—75 Изделия электротехнические. Зажимы заземляющие и знаки заземления Конструкция и размеры
ГОСТ 22789—94 Устройства комплектные низковольтные. Общие технические требования и методы испытаний
ГОСТ 23216—78 Изделия электротехнические. Хранение, транспортировка, консервация, упаковка. Общие требования и методы испытаний
ГОСТ 24555—81 СГИП. Порядок аттестации испытательного оборудования. Основные положения
ГОСТ 24607—88 Преобразователи частоты полупроводниковые. Общие технические условия
ГОСТ 24682—81 Изделия электротехнические. Общие технические требования в части воздействия специальных сред
ГОСТ 24683—81 Изделия электротехнические. Методы контроля стойкости к воздействию специальных сред
ГОСТ 25953—83 Преобразователи электроэнергии полупроводниковые мощностью 5 кВ · А и выше. Параметры
ГОСТ 26567—85 Преобразователи электроэнергии полупроводниковые. Методы электрических испытаний
ГОСТ 28167—89 Преобразователи переменного напряжения полупроводниковые. Общие технические требования
3 КЛАССИФИКАЦИЯ
3.1 Электроприводы классифицируют по принципу действия на следующие основные группы:
3.1.1 на базе полупроводниковых преобразователей частоты (далее — преобразователи частоты) и асинхронных двигателей (далее — двигателей) с короткозамкнутым ротором со следующими составными частями:
- согласующий трансформатор или реактор,
- системы управления, защиты, диагностики, сигнализации и контроля,
- двигатель,
- фильтро-компенсационное устройство (при необходимости);
3.1.2 на базе преобразователей частоты и двигателей с фазным ротором (контактных или бесконтактных) со следующими составными частями:
- преобразователь частоты с трансформаторным и дроссельным оборудованием,
- системы управления, защиты, диагностики, сигнализации и контроля,
- двигатель.
4 ОСНОВНЫЕ ПАРАМЕТРЫ И РАЗМЕРЫ
4.1 Номинальные параметры электроприводов должны соответствовать значениям, приведенным в таблице 1.
Таблица 1 — Номинальные параметры
| Наименование параметра |
Значение параметра |
| Номинальная мощность на валу двигателя |
По ГОСТ 12139 |
| Номинальное напряжение питающей сети, В |
380, 660, 6000, 10000 |
| Номинальная частота тока питающей сети, Гц |
50 |
| Номинальная частота вращения двигателя синхронная |
По ГОСТ 106831 |
| Примечания 1. Номинальная мощность электроприводов должна обеспечиваться при высоте над уровнем моря до 1000 м и температуре охлаждающею воздуха до 313 К (40 °С) 2. Мощность, ресурс и другие технические требования к электроприводам при работе в условиях, отличающихся от указанных, устанавливаются в ТУ на электроприводы конкретных типов. 3. По согласованию с заказчиком допускается применение номинальных значений напряжения питающей сети, отличающихся от указанных в таблице 1. |
|
4.2 Электроприводы, поставляемые на экспорт, должны изготавливаться также на номинальную частоту тока питающей сети 60 Гц. Номинальные мощности, напряжения и частоты вращения электроприводов частотой 60 Гц определяются по согласованию между изготовителем и потребителем и устанавливаются в ТУ на электроприводы конкретных типов.
4.3 Габаритные, установочно-присоединительные размеры и масса
составных частей электроприводов должны быть указаны в ТУ на электроприводы конкретных типов и ТУ на составные части электроприводов.
5 ОБЩИЕ ТЕХНИЧЕСКИЕ ТРЕБОВАНИЯ
5.1 Технические требования
5.1.1 Электроприводы должны изготавливаться в соответствии с требованиями настоящего стандарта и ТУ на электроприводы конкретных типов по рабочим чертежам, утвержденным б установленном порядке. Электроприводы, работающие в специальных средах, должны изготавливаться в соответствии с требованиями ГОСТ 24682.
5.1.2 Применяемые в электроприводах комплектующие изделия должны соответствовать стандартам и ТУ на них, а также условиям их работы в составе электроприводов.
В качестве приводных двигателей используют серийные двигатели, а также двигатели специального исполнения.
Условия применения двигателей в составе электроприводов должны быть оговорены в ТУ на двигатели конкретных типов.
5.1.3 Питание электроприводов должно предусматриваться от трехфазных сетей переменного тока частоты 50 (60) Гц.
Питание внутренних систем электроприводов должно предусматриваться от трехфазного напряжения переменного тока 380 или 660 В частотой 50 (60) Гц, а также от постоянного тока 220 В.
Работа электропривода не должна приводить к отклонению качества электроэнергии питающей сети от требований ГОСТ 13109.
5.1.4 Электроприводы должны обеспечивать нормальную безаварийную работу с сохранением номинальной мощности при:
- отклонениях напряжения питающей сети от номинального значения до ±10 %;
- отклонениях напряжения питания внутренних систем от +10 до -15 %;
- отклонениях частоты питающей сети до ±2,5 %,
- одновременном отклонении напряжения до ±10 % и частоты до ±2,5 % при условии, что при работе с повышенным напряжением и пониженной частотой или с пониженным напряжением и повышенной частотой сумма абсолютных значений отклонений напряжения и частоты не превышает 10 %.
5.1.5 Электроприводы должны сохранять работоспособность (без поддержания нормируемых параметров) при кратковременном (до 60 с) снижении напряжения питания до 80 % номинального значения при номинальной частоте сети и номинальной нагрузке двигателя. По согласованию с заказчиком допускается снижение напряжения питания до 75 % номинального значения.
5.1.6 Электроприводы должны обеспечивать режим автоматического самозапуска после кратковременного (до 2,5 с) перерыва питания при появлении напряжения на шинах питающей сети и/или собственных нужд в режиме автоматического управления. Начальное значение напряжения должно оговариваться в ТУ на электроприводы конкретных типов.
5.1.7 Электроприводы должны сохранять работоспособность (без поддержания нормируемых параметров) при работе в аварийных режимах со следующими неоднократными отклонениями частоты питающей сети:
- в диапазоне минус (2,5—4,0) % продолжительностью не более 5 мин;
- в диапазоне минус (4,0—6,0) % продолжительностью не более 1 мин;
- в диапазоне минус (6,0—8,0) % продолжительностью не более 10 с.
После прекращения действий указанных условий эксплуатации изделия должны восстанавливать требуемую точность и номинальные параметры.
5.1.8 Маркировка, консервация и упаковка
Маркировка составных частей электроприводов должна соответствовать ГОСТ 18620 и сохраняться в процессе эксплуатации и хранения.
Маркировка тары — по ГОСТ 14192.
Консервация и упаковка — по ГОСТ 23216.
Категория упаковки и внутренняя упаковка должны быть указаны в ТУ на электроприводы конкретных типов.
5.2 Конструктивные требования
5.2.1 Составные части электроприводов, за исключением двигателя, должны размещаться в шкафах. Вне шкафов допускается установка в соответствующих ограждениях трансформаторного и реакторного оборудования.
5.2.2 Степень защиты шкафов должна выбираться по ГОСТ 14254 и устанавливаться в ТУ на электроприводы конкретных типов.
Степень защиты двигателей и их коробок выводов должна выбираться по ГОСТ 17494 и устанавливаться в ТУ на электроприводы конкретных типов.
5.2.3 Элементы и узлы электроприводов могут конструктивно выполняться в виде выемных блоков или съемных панелей. Блоки должны легко вставляться в соответствующие места, при этом должен быть обеспечен надежный электрический контакт силовых цепей и цепей управления.
Одноименные составные части электроприводов одного типа должны быть взаимозаменяемыми. При замене блоков системы управления допускается регулировка параметров (при помощи органов настройки).
5.2.4 Конструкция электроприводов должна быть ремонтопригодной и обеспечивать:
- доступность осмотра и подтяжки мест крепления контактных соединений и составных частей (сборочных единиц) и исключение самоотвинчивания;
- возможность снятия составных частей и сборочных единиц, вышедших из строя и подлежащих замене, без демонтажа других составных частей или с частичным демонтажем при помощи стандартного слесарного инструмента;
- доступность к сборочным единицам, подлежащим регулированию и настройке;
- доступность к контрольно-измерительным приборам для их замены и поверки;
- возможность съема функциональных блоков электроприводов для ремонта и контроля их параметров;
- возможность применения грузоподъемных механизмов.
5.2.5 Вид охлаждения составных частей электроприводов и параметры охлаждающей среды должны быть указаны в ТУ на электроприводы конкретных типов. Вид охлаждения двигателя должен соответствовать ГОСТ 20459.
5.2.6 Защитно-декоративные и лакокрасочные покрытия электроприводов должны обеспечивать сохранность поверхностей и коррозионную стойкость деталей и сборочных единиц при хранении и эксплуатации.
5.2.7 Электрохимически разнородные металлические материалы, применяемые для изготовления соприкасающихся между собой сборочных единиц и деталей, должны быть выбраны в соответствии с требованиями ГОСТ 9.005.
5.2.8 Контактные электрические соединения силовых гоковедущих цепей должны соответствовать требованиям ГОСТ 10434.
5.2.9 Уровень вибрации двигателей на холостом ходу при их работе в составе электропривода должен соответствовать требованиям ГОСТ 20815.
5.2.10 Предельно допустимые превышения температуры нагрева частей двигателей должны соответствовать ГОСТ 183.
Температура нагрева других составных частей электроприводов в наиболее нагретых точках, соприкасающихся с электрической изоляцией, не должна превышать значений, установленных ГОСТ 8865 для соответствующего класса нагревостойкости электрической изоляции.
5.3 Требования к техническим параметрам и режимам
5.3 1 Номинальные токи на выходе преобразователей частоты должны выбираться из ряда по ГОСТ 28167: 4,0; 5,0; 6,3; 10,0; 16,0; 20,0; 25,0; 31,5; 40,0; 50,0; 63,0; 80,0; 100; 125; 160; 200; 250; 315; 400; 500; 630; 800; 1000; 1250; 1600; 2000; 2500 А.
5.3.2 Номинальные напряжения на выходе преобразователей частоты должны выбираться из ряда 380; 660; 6000; 10000 В.
По согласованию с заказчиком допускается применение значений напряжения, отличающихся от указанных.
При коротких линиях допускается за номинальное выходное напряжение преобразователей частоты принимать номинальное напряжение двигателей, входящих в состав электроприводов.
5.3.3 Рабочий диапазон изменения выходного напряжения преобразователей частоты должен быть от 0 до 100 % номинального напряжения.
5.3.4 Рабочие диапазоны регулирования частоты вращения двигателя должны выбираться из ряда: 1:2; 1:5; 1:10; 1:20; 1:30; 1:50; 1:100.
5.3.5 Номинальные частоты на выходе преобразователей частоты должны выбираться из ряда по ГОСТ 25953: 5; 10; 12,5; 16,66; 25; 50; 60; 100 Гц.
5.3.6 Электроприводы должны обеспечивать:
- частотный пуск и регулирование частоты вращения электродвигателей;
- работу при изменении момента нагрузки от 0 до номинального;
- максимальный момент двигателя, определяемый допустимой кратностью перегрузки преобразователя частоты по току. Кратность перегрузки указывается в ТУ на электроприводы конкретных типов.
5.3.7 При отношении максимального тока к номинальному, равному 2,25, электроприводы должны допускать режимы работы, приведенные в таблице 2.
Таблица 2 — Режимы работы
| Режим |
Нагрузка в процентах от номинального тока |
Продолжительность нагрузки, с |
| 1 |
100 |
Длительно |
| 2 |
150 |
120 |
| 3 |
175 |
60 |
| 4 |
200 |
15 |
| 5 |
225 |
10 |
| Примечания 1 Средние квадратичные значения тока в течение цикла не должны превышать номинального за время усреднения не более 10 мин. 2. При других значениях отношения максимального тока к номинальному соответствующие значения нагрузки и ее продолжительности указываются в ТУ на электроприводы конкретных типов. |
||
5.3.8 Значения коэффициента полезного действия и коэффициента мощности электропривода при работе с номинальной нагрузкой должны соответствовать требованиям ТУ на электроприводы конкретных типов.
5.3.9 Радиопомехи, создаваемые при работе электроприводов в сетях низкого напряжения, не должны превышать значений, предусмотренных в «Общесоюзных нормах допускаемых индустриальных радиопомех» (Нормы 8—72).
5.4 Требования к системам управления электроприводов
5.4.1 В электроприводах должна быть предусмотрена возможность местного или дистанционного управления, в том числе и частотой вращения двигателя.
Электроприводы должны иметь возможность управления от автоматической системы управления технологическими процессами (АСУ ТП).
5.4.2 Системы управления электроприводов должны обеспечивать:
- разгон и торможение двигателей с заданным ускорением в пределах допустимой перегрузки преобразователя частоты;
- диапазон времени изменения частоты от минимальной до максимальной в заданных пределах,
- статическую точность поддержания частоты вращения, определяемую наклоном механической характеристики двигателя.
Замкнутые системы управления электроприводов должны обеспечивать:
- заданное статическое отклонение частоты вращения;
- возможность автоматического регулирования значений ускорения и замедления с заданной точностью;
- заданные значения перерегулирования частоты вращения при изменении задания и время отработки сигнала;
- ограничение значений тока двигателя в динамических режимах и при перегрузках на заданном уровне с заданной точностью.
Числовые значения всех величин должны указываться в ТУ на электроприводы конкретных типов.
5.5 Требования к системам зашиты, диагностики, сигнализации и контроля
5.5.1 Электроприводы должны быть термически и динамически устойчивы при всех аварийных режимах в течение времени срабатывания установленных в них систем защиты.
5.5.2 Электроприводы должны иметь следующие виды защиты:
- от коротких замыканий в преобразователе частоты и нагрузке;
- от недопустимых перегрузок по току (с интегрально-зависимой защитой);
- от перегрева преобразователя частоты;
- от внешних и внутренних коммутационных перенапряжений;
- от пробоя тиристоров;
- от нарушения коммутации и сбоев в цепях управления преобразователя частоты;
- от исчезновения вентиляции (в системах с принудительным охлаждением);
- от снижения расхода охлаждающей среды;
- от исчезновения напряжения сети;
- от недопустимого понижения напряжения сети;
- от недопустимого повышения напряжения сети;
- от обратной фазировки питающего напряжения;
- от обратного вращения ротора двигателя;
- от работы на двух фазах;
- от повышения частоты вращения двигателя сверх допустимой (св. 120 %).
Необходимость защиты от перегрева преобразователя частоты, от внешних и внутренних коммутационных перенапряжений и нарушения коммутации и сбоев в цепях управления, от обратной фазировки питающего напряжения, от обратного вращения ротора, интегрально-зависимой защиты и кнопки аварийного отключения электропривода должна быть оговорена в ТУ на конкретные типы электроприводов.
5.5.3 Электроприводы должны иметь систему диагностики, позволяющую определить место возникновения неисправности в электроприводе на уровне его функциональных частей в случае срабатывания систем защиты.
5.5.4 Составные части электроприводов, размещенные в шкафах и имеющие элементы, находящиеся под напряжением св. 1000 В, должны быть снабжены блокировками, препятствующими включению электроприводов при открытых дверях шкафов и воздействующими на отключение питания электроприводов или препятствующими открыванию.
5.5.5 Электроприводы должны иметь сигнализацию:
- о включенном и отключенном состояниях;
- о срабатывании защиты.
Сигналы должны выдаваться в систему дистанционного управления и в АСУ ТП.
5.5.6 В электроприводах должны быть предусмотрены средства контроля и (или) измерения (прямым или косвенным методом) выходного тока и напряжения преобразователя частоты, частоты переменного тока на выходе преобразователя частоты или частоты вращения двигателя при наличии датчика частоты вращения.
Электроприводы должны иметь возможность передачи унифицированных [± 5, ± (4—20) мА] и «сухих» сигналов по системам диагностики, сигнализации и управления в системе АСУ ТП. Электроприводы должны иметь выводы для подключения внешних средств измерения.
5.6 Требования по стойкости к внешним воздействиям
5.6.1 Номинальные значения климатических факторов — по ГОСТ 15150 и ГОСТ 15543.1. Верхнее и нижнее значения рабочей температуры должны указываться в ТУ на электроприводы конкретных типов.
Составные части электроприводов могут иметь разные виды климатического исполнения, что должно быть указано в ТУ на электроприводы конкретных типов.
5.6 2 Электроприводы должны быть механически прочными и устойчивыми в соответствии с требованиями ГОСТ 17516.1. Группу механического исполнения устанавливают в ТУ на электроприводы конкретных типов.
Составные части электроприводов могут иметь разные группы механического исполнения, что должно быть указано в ТУ на электроприводы конкретных типов.
5.6.3 Электроприводы должны допускать эксплуатацию в условиях воздействия пыли.
Допустимая концентрация инертной пыли в окружающей среде устанавливается в ТУ на электроприводы конкретных типов
Уровень запыленности внутри двигателя и остальных составных частей не должен нарушать их нормальной работы.
5.6.4 Составные части электроприводов должны соответствовать ГОСТ 24682 и, если это указано в ТУ на электроприводы конкретных типов, должны быть выполнены в химостойком исполнении по ГОСТ 24682.
5.7 Требования к надежности
5.7.1 Номенклатура показателей надежности должна соответствовать ГОСТ 20.39.312. Значения показателей надежности в зависимости от назначения и условий применения должны устанавливаться в ТУ на электроприводы конкретных типов
5.7.2 Средняя наработка на отказ в условиях, допускаемых по ТУ на электроприводы конкретных типов, — не менее 20000 ч.
5.7.3 Среднее время восстановления — не более 3 ч.
5.7.4 Средний ресурс до капитального ремонта — не менее 6 лет.
5.7.5 Срок службы до списания: двигателя — не менее 20 лет, остальных составных частей — не менее 15 лет.
5.7.6 Срок сохраняемости в упаковке предприятия-изготовителя — два года.
5.7.7 За критерии отказов и предельных состояний принимают несоответствие требованиям настоящего стандарта, ТУ на электроприводы конкретных типов:
- выходных параметров;
- допустимых отклонений выходных параметров,
- пределов регулирования выходных параметров;
- сопротивления изоляции.
Отключение электропривода и восстановление его с помощью одиночного комплекта ЗИП в течение времени восстановления, а также отключение защитами не являются отказом электропривода.
В ТУ на электроприводы конкретных типов допускается устанавливать дополнительные критерии отказов и предельных состояний.
5.8 Комплектность
Требования по комплектности должны быть указаны в ГУ на электроприводы конкретных типов. К электроприводу следует прилагать эксплуатационную документацию по ГОСТ 2.601 в составе, указанном в ТУ на электроприводы конкретных типов.
6 ТРЕБОВАНИЯ БЕЗОПАСНОСТИ
6.1 Требования безопасности электроприводов — по ГОСТ 12.2.007.0, «Правилам устройства электроустановок», утвержденным Главтехуправлением и Госэнергонадзором Минтопэнерго СССР», Правилам эксплуатации электроустановок потребителей», утвержденным Госэнергонадзором Минтопэнерго РФ 31.03.1992 г., «Правилам техники безопасности при эксплуатации электроустановок потребителей», утвержденным Главгосэнергонадзором 21.12.1984 г., а также ТУ на электроприводы конкретных типов.
Двигатели электроприводов должны также соответствовать требованиям ГОСТ 12.2.007.1. преобразователи — требованиям ГОСТ 12.2.007.11, а управляющие устройства — требованиям ГОСТ 22789.
6.2 Электроприводы должны соответствовать требованиям пожарной безопасности по ГОСТ 12.1.004.
6.3 По способу защиты от поражения электрическим током электроприводы должны относиться к классу 01 по ГОСТ 12.2.007.0.
6.4 В ТУ на конкретные типы электроприводов должны быть указаны следующие параметры:
- сопротивление изоляции обмоток статора двигателя относительно корпуса и между обмотками в холодном состоянии и при рабочей температуре;
- сопротивление изоляции обмотки и контактных колец фазного ротора относительно сердечника в холодном состоянии и при рабочей температуре;
- сопротивление изоляции электрических цепей остальных составных частей электроприводов относительно корпуса и сопротивления изоляции между электрически разобщенными цепями в холодном состоянии и при рабочей температуре.
6.5 Все составные части электроприводов должны быть подвергнуты проверке электрической прочности изоляции в соответствии с требованиями нормативной документации на них.
6.6 Двигатели, преобразователи частоты, трансформаторы и реакторы со стальными сердечниками должны иметь заземляющие зажимы. Металлические части конструкции, которые могут оказаться под напряжением, должны быть заземлены посредством специальных конструктивных мер.
Конструкция, размеры заземляющих зажимов и знак заземления должны соответствовать ГОСТ 21130.
Значение сопротивления заземления должно быть не более 0,1 Ом.
6.7 Конструкция выводных устройств составных частей электроприводов должна исключать возможность случайного прикосновения к токоведущим частям, электрических перекрытий, замыканий проводников между собой и на корпус.
6.8 Шумовые характеристики электроприводов не должны превышать требований ГОСТ 12.1.003 и устанавливаться в ТУ на электроприводы конкретных типов.
6.9 Допустимые вибрации двигателя — по 5.2.9.
6.10 Электрические испытания и измерения на электроприводах должны проводиться в соответствии с требованиями безопасности по ГОСТ 12.3.019.
7 ПРАВИЛА ПРИЕМКИ
7.1 Для проверки соответствия электроприводов требованиям настоящего стандарта и технических условий проводят приемочные, квалификационные, приемо-сдаточные, периодические, типовые и сертификационные испытания по ТУ на электроприводы конкретных типов.
Испытания проводят на предприятии-изготовителе или на месте установки электропривода. Отдельные виды испытаний по согласованию между изготовителем и потребителем проводят на составных частях электроприводов по стандартам или ТУ на конкретные типы составных частей.
7.2 Приемочные испытания должны проводиться на опытном или головном образце электропривода по программе, приведенной в таблице 3.
Таблица 3 — Программа приемочных испытаний
| Наименование проверок и испытаний |
Пункты |
|
| технических требований |
методов контроля |
|
| 1 Внешний осмотр, проверка габаритных, установочно-присоединительных размеров и массы |
4.3, 5.1.1, 5.1.2, 5.2.6, 5.2.8, 5.8, 9 |
8.3, 8.4 |
| 2 Измерение сопротивления изоляции |
6.4 |
8.5 |
| 3 Испытание электрической прочности изоляции |
6.5 |
8.6 |
| 4 Проверка заземлений составных частей |
6.6 |
8.13 |
| 5 Проверка электрической блокировки |
5.5.4 |
8.14 |
| 6 Проверка систем защиты, диагностики, сигнализации и контроля |
5.5.2, 5.5.3, 5.5.5, 5.5.6 |
8.14 |
| 7 Проверка рабочего диапазона изменения выходного напряжения преобразователя частоты |
5.3.3 |
8.14 |
| 8 Проверка системы управления электроприводом |
5.4.1, 5.4.2, 5.3.6 |
8.14 |
| 9 Проверка работы при отклонении параметров питающей сети |
5.1.4, 5.1.5, 5.1.7 |
8.14 |
| 10 Проверка самозапуска |
5.1.6 |
8.14 |
| 11 Испытание на нагревание |
5.2.10 |
8.7 |
| 12 Определение КПД и коэффициента мощности |
5.3.8 |
8.14 |
| 13 Проверка перегрузки |
5.3.7 |
8.14 |
| 14 Проверка уровня радиопомех |
5.3.9 |
8.8 |
| 15 Проверка уровня вибрации двигателя |
5.2.9 |
8.9 |
| 16 Проверка уровня шума |
6.8 |
8.10 |
| 17 Проверка конструктивного выполнения и взаимозаменяемости |
5.2.1, 5.2.3 |
8.14 |
| 18 Проверка степени защиты составных частей |
5.2.2 |
8.11 |
| 19 Проверка ремонтопригодности |
5.2.4 |
8.14 |
| 20 Проверка на стойкость к механическим факторам |
5.6.2 |
8.12 |
| 21 Проверка устойчивости при воздействии пыли |
5.6.3 |
8.12 |
| 22 Проверка на стойкость к климатическим воздействиям |
5.6.1 |
8.12 |
| 23 Проверка термической и динамической устойчивости |
5.5.1 |
8.14 |
| 24 Проверка стойкости к воздействию специальных сред |
5.6.4 |
8.15 |
| 25 Испытание на пожарную опасность |
6.2 |
8.16 |
| 26 Проверка надежности |
5.7 |
8.17 |
Программа приемочных испытаний может быть дополнена в зависимости от требований ТУ на электроприводы конкретных типов.
7.3 Квалификационные испытания должны проводиться в объеме программы приемочных испытаний на образцах из установочной серии (первой промышленной партии) электроприводов.
7.4 Приемо-сдаточные испытания
7.4.1 Приемо-сдаточным испытаниям подвергают каждый электропривод по программе, указанной в таблице 4.
Таблица 4 — Программа приемосдаточных испытаний
| Наименование проверок и испытаний |
Пункты |
|
| технических требований |
методов контроля |
|
| 1 Внешний осмотр |
5.1.1, 5.1.2, 5.2.6, 5.2.8, 5.8, 9 |
8.3 |
| 2 Измерение сопротивления изоляции |
6.4 |
8.5 |
| 3 Испытание электрической прочности изоляции |
6.5 |
8.6 |
| 4 Проверка заземлений составных частей |
6.6 |
8.13 |
| 5 Проверка электрической блокировки |
5.5.4 |
8.14 |
| 6 Проверка систем защиты, диагностики, сигнализации и контроля |
5.5.2, 5.5.3, 5.5.5, 5.5.6 |
8.14 |
| 7 Проверка системы управления электроприводом |
54.1, 5.4.2 |
8.14 |
| 8 Проверка рабочего диапазона изменения выходного напряжения преобразователя частоты |
5.3.3 |
8.14 |
| 9 Проверка самозапуска |
5.1.6 |
8.14 |
7.4.2 Программа приемо-сдаточных испытаний может быть дополнена с учетом требовании к электроприводам конкретных типов.
7.5 Периодические испытания
7.5.1 Периодические испытания должны проводиться на одном образце каждого типа электропривода, прошедшем приемо-сдаточные испытания, с целью контроля стабильности качества.
7.5.2 Периодичность проведения испытаний устанавливают в ТУ на электроприводы конкретных типов, но не реже одного раза в три года.
7.5.3 Программу периодических испытаний составляют исходя из объема программы приемочных испытаний и указывают в ТУ на электроприводы конкретных типов.
7.6 Типовые испытания
Типовые испытания должны проводиться при изменении комплектности, конструкции, материалов или технологии изготовления с целью оценки эффективности и целесообразности вносимых изменений.
Типовые испытания проводят по программе, утвержденной в установленном порядке.
По результатам типовых испытаний принимают решение о целесообразности внесения изменений в конструкторскую документацию.
7.7 Если при периодических или типовых испытаниях один образец электропривода не будет соответствовать требованиям ТУ, то допускается проведение повторных испытаний на двух образцах.
Результаты повторных испытаний считают окончательными.
7.8 Сертификационные испытания проводят по отдельной программе.
8 МЕТОДЫ КОНТРОЛЯ
8.1 Испытания проводят в климатических условиях (температура, относительная влажность, барометрическое давление) испытательной станции предприятия-изготовителя или на месте установки электропривода, если иное не предусмотрено особо для отдельных видов испытаний в ТУ на электроприводы конкретных типов.
8.2 Перечень оборудования, необходимого для контроля и испытаний, и класс точности измерительных приборов должен быть приведен в приложениях к ТУ на электроприводы конкретных типов
При испытаниях должны использоваться приборы класса точности не ниже.
0,5 — для измерения всех электрических величин;
1,0 — для измерения частоты вращения.
Средства измерений должны быть поверены в порядке и в сроки, установленные ГОСТ 8.513. Испытательное оборудование должно быть аттестовано в соответствии с ГОСТ 24555.
8.3 Внешнему осмотру подвергают все доступные части электроприводов без разборки, при этом проверяют:
- соответствие изделий сборочным чертежам и электромонтажным схемам,
- качество сборки и монтажа;
- качество окраски и гальванопокрытий;
- наличие зажимов с болтами для заземлений;
- возможность применения грузоподъемных механизмов;
- наличие знака высокого напряжения;
- маркировку.
8.4 Габаритные и установочно-присоединительные размеры составных частей электроприводов измеряют с помощью мерительного инструмента, обеспечивающего необходимую точность измерений. Массу составных частей электроприводов определяют расчетным путем или взвешиванием на весах, обеспечивающих необходимую точность измерения.
8.5 Сопротивление изоляции электроприводов измеряют на составных частях.
Сопротивления изоляции обмоток двигателя относительно корпуса машины и между обмотками измеряют по ГОСТ 11828. Сопротивление изоляции преобразователя частоты измеряют по ГОСТ 26567. Сопротивления изоляции остальных составных частей измеряют по стандартам или техническим условиям на них.
8.6 Электрическую прочность изоляции проверяют на составных частях по ГОСТ 11828 для двигателя, по ГОСТ 26567 — для преобразователя и по стандартам или техническим условиям — для остальных составных частей.
Места приложения испытательных напряжении и их значения должны быть установлены в ТУ на электроприводы конкретных типов.
8.7 Испытания на нагревание проводят методом непосредственной нагрузки в соответствии с требованиями ГОСТ 7217, ГОСТ 11828, ГОСТ 26567 по методике, которая должна быть приведена в ТУ на электроприводы конкретных типов.
8.8 Уровень радиопомех измеряют по ГОСТ 16842.
8.9 Уровень вибрации двигателя при его работе в составе электропривода проверяют по ГОСТ 11828.
8.10 Уровень шума определяют по ГОСТ 12.1.003.
8.11 Степень защиты двигателя проверяют по ГОСТ 17494, остальных составных частей — по ГОСТ 14254.
8.12 Методы испытаний при проверке стойкости к климатическим и механическим внешним воздействиям должны соответствовать требованиям ГОСТ 16962.1 и ГОСТ 16962.2.
8.13 Заземления проверяют на составных частях путем измерения сопротивления между заземляющим болтом и каждой доступной прикосновению металлической нетоковедущей частью, которая может оказаться под напряжением (метод амперметра и вольтметра или двойного моста постоянного тока).
8.14 Электроприводы на соответствие требованиям 5.1.4—5.1.7, 5.2.1, 5.2.3, 5.2.4, 5.3.3, 5.3.6— 5.3,8, 5.4.1, 5.4.2, 5.5.1—5.5.6 проверяют по методике, которая должна быть приведена в ТУ на электроприводы конкретных типов.
8.15 Стойкость к воздействию специальных сред проверяют по ГОСТ 24683.
8.16 Испытание на пожарную опасность проводят по ГОСТ 12.1.004.
8.17 Надежность электроприводов проверяют по методике, установленной в ТУ на электроприводы конкретных типов.
9 ТРАНСПОРТИРОВАНИЕ И ХРАНЕНИЕ
Транспортирование и хранение электроприводов — по ГОСТ 23216. Категория и транспортная тара должны быть указаны в ТУ на электроприводы конкретных типов.
10 УКАЗАНИЯ ПО ЭКСПЛУАТАЦИИ
Электроприводы устанавливают, монтируют и эксплуатируют в условиях и в соответствии с требованиями, указанными в эксплуатационной документации и ТУ на электроприводы конкретных типов.
11 ГАРАНТИИ ИЗГОТОВИТЕЛЯ
11.1 Изготовитель гарантирует соответствие электроприводов требованиям настоящего стандарта и ТУ на электроприводы конкретных типов при соблюдении условий и правил хранения, транспортирования, монтажа и эксплуатации.
11.2 Гарантийный срок эксплуатации — три года со дня ввода в эксплуатацию.
ГОСТ Р 50462-92
(МЭК 446-89)
Группа Е08
ГОСУДАРСТВЕННЫЙ СТАНДАРТ РОССИЙСКОЙ ФЕДЕРАЦИИ
ИДЕНТИФИКАЦИЯ ПРОВОДНИКОВ ПО ЦВЕТАМ ИЛИ ЦИФРОВЫМ ОБОЗНАЧЕНИЯМ
Identification of conductors by
colours or numerals
ОКП 35 0000
Дата введения 1994-01-01
ИНФОРМАЦИОННЫЕ ДАННЫЕ
1. ПОДГОТОВЛЕН И ВНЕСЕН Техническим комитетом по стандартизации ТК 33 “Электротехника”
РАЗРАБОТЧИКИ
Р.Н.Карякин, д-р техн.наук, проф. (руководитель);
С.В.Егоров; Г.Д.Дасько; В.В.Попов
2. УТВЕРЖДЕН И ВВЕДЕН В ДЕЙСТВИЕ Постановлением Госстандарта России от 28.12.92 N 1578
Настоящий стандарт подготовлен методом прямого применения международного стандарта МЭК 446-89 ”Идентификация проводников по цветам или цифровым обозначениям” и полностью ему соответствует
3. ВВЕДЕН ВПЕРВЫЕ
4. ССЫЛОЧНЫЕ НОРМАТИВНО-ТЕХНИЧЕСКИЕ ДОКУМЕНТЫ
| Номер пункта, в котором приведена ссылка |
Обозначение государственного стандарта, на который дана ссылка |
Обозначение соответствующего международного стандарта |
| 3.1.1 |
ГОСТ 12.1.009-76 |
- |
| Приложение |
ГОСТ 12.2.007.0-75 |
- |
| 3.1.1 |
ГОСТ 28763-90 |
МЭК 757-83 |
1. ОБЛАСТЬ РАСПРОСТРАНЕНИЯ
Настоящий стандарт устанавливает требования по применению цветов и цифр для идентификации проводников, используемых в качестве элементов электрических цепей оборудования и установок.
2. НАЗНАЧЕНИЕ
Настоящий стандарт устанавливает правила использования определенных цветов или цифр для идентификации как отдельных изолированных жил в кабелях, так и изолированных или неизолированных проводников, в т.ч. шин, в оборудовании и установках для обеспечения надежной и безопасной эксплуатации последних.
Стандарт не устанавливает границы цветовых оттенков и требований к качеству расцветки и цифровых обозначений.
Примечание. В стандартах и технических условиях на оборудование конкретных видов могут быть приведены дополнительные требования по идентификации.
3. ЦВЕТОВАЯ ИДЕНТИФИКАЦИЯ
3.1. Использование одного цвета
3.1.1. Общие положения
Для идентификации проводников могут быть использованы следующие цвета: черный, коричневый, красный, оранжевый, желтый, зеленый, синий (включая голубой), фиолетовый, серый, белый, розовый, бирюзовый.
Перечень цветов установлен по ГОСТ 28763.
Для большей безопасности желтый и зеленый цвета не должны использоваться, если существует опасность смешивания указанных цветов с комбинацией желтого и зеленого цветов (п.3.2).
В дополнение к комбинации зеленого и желтого цветов, которую используют для нулевого защитного проводника*, предпочтительными для идентификации других проводников являются голубой, черный и коричневый цвета.
________________
* Здесь и далее применен термин "нулевой защитный проводник", установленный ГОСТ 12.1.009 и “Правилами устройства электроустановок”. В МЭК 446 используют термин “защитный проводник”.
Рекомендуется, чтобы идентификация по цвету производилась по всей длине проводника окраской изоляции либо цветовыми метками. Как вариант рекомендуется дополнительная идентификация в выбранных местах.
3.1.2. Использование голубого цвета
Голубой цвет предназначен для нулевого рабочего или среднего проводника.
Если схема содержит нулевой рабочий проводник или средний проводник, идентифицируемый по цвету, то использованный цвет для данного назначения должен быть голубым. В этом случае голубой цвет не следует использовать для идентификации другого проводника, если существует риск смешивания.
Если же нулевой рабочий проводник или средний проводник отсутствует, то голубой цвет в многожильном кабеле может также использоваться и для других видов применения, за исключением применения в качестве нулевого защитного проводника.
Если используют цветовую идентификацию, то неизолированные проводники, применяемые в качестве нулевых рабочих проводников, должны окрашиваться в голубой цвет по всей их длине или полосами голубого цвета шириной от 15 до 100 мм в каждом отсеке или блоке, либо в любом доступном месте.
3.2. Использование двухцветных комбинаций
3.2.1. Общие положения
Могут быть использованы комбинации цветов, перечисленных в п.3.1, если нет опасности их смешивания.
Желтый и зеленый цвета не должны использоваться для других комбинаций, состоящих из двух цветов, кроме зелено-желтой комбинации.
3.2.2. Использование зеленого и желтого цветов
Зелено-желтая комбинация должна использоваться только для идентификации нулевого защитного проводника.
Примечания:
1. Совмещенный нулевой рабочий и нулевой защитный проводник (PEN-проводник) обозначают одним из следующих способов:
- зелено-желтым цветом по всей длине и светло-голубым на концах;
- светло-голубым цветом по всей длине и зелено-желтым на концах.
Неизолированные проводники, используемые в качестве нулевых защитных проводников, должны быть окрашены полосами одинаковой ширины зеленого и желтого цветов шириной от 15 до 100 мм, прилегающими друг к другу, либо по всей длине каждого проводника, либо в каждом отсеке или блоке, или в любом доступном месте. В случае использования клейкой ленты следует применять только двухцветную ленту.
Для изолированных проводников комбинация зеленого и желтого цветов должна быть такой, чтобы для каждого участка длиной 15 мм изолированного проводника один из этих цветов покрывал по крайней мере 30 и не более 70% поверхности проводника, причем другой цвет должен покрывать остальную часть поверхности.
2. Если нулевой защитный проводник можно идентифицировать по форме, конструкции или положению (например, концентрический проводник), то кодирование цветами по всей его длине является необязательным, но концы или доступные места должны быть четко обозначены графическим символом или комбинацией зеленого и желтого цветов.
Примеры идентификации приведены в приложении.
4. ЦИФРОВАЯ ИДЕНТИФИКАЦИЯ
4.1. Общие положения
Систему цифрового обозначения применяют для идентификации проводников, за исключением проводников с обозначением зелено-желтым цветом.
Обозначение должно быть легко распознаваемым и долговечным.
Все цифровые обозначения должны быть хорошо читаемыми, составлять резкий контраст с цветом изоляции. Обозначение выполняют арабскими цифрами.
4.2. Многожильные кабели
Все изолированные жилы многожильного кабеля должны быть пронумерованы в натуральной последовательности чисел.
Цифровые обозначения должны повторяться через равные промежутки d по всей длине жилы, причем последовательные обозначения располагаются ”валетом”.
Расположение цифровых обозначений должно быть по крайней мере таким, как показано на черт.1 при продольной надписи (по пути следования) или на черт.2 при поперечной надписи.

Черт.1

Черт.2
Места размещения цифровых обозначений и их интервал d следует указывать в стандартах и технических условиях на соответствующие изделия.
Для исключения смешивания цифры 6 и 9 или комбинации, содержащие эти цифры, должны быть подчеркнуты.
ПРИЛОЖЕНИЕ
Справочное
ПРИМЕРЫ ИДЕНТИФИКАЦИИ
1. Цветовая идентификация жил кабелей, изолированных поливинилхлоридным пластикатом или изолированных резиной:
- трехжильный кабель: голубой, черный, коричневый либо комбинация зеленого и желтого (нулевой защитный проводник), голубой, черный;
-четырехжильный кабель (включая нулевой защитный проводник): комбинация зеленого и желтого (нулевой защитный проводник), голубой, черный, коричневый.
2. Цветовая идентификация трех одножильных кабелей черного цвета в одном комплекте:
- один кабель с меткой голубого цвета;
- один кабель без метки или с меткой черного цвета;
- один кабель с меткой коричневого цвета.
3. Цветовая идентификация проводников по функциональному назначению цепей, в которых используют (согласно ГОСТ 12.2.007.0):
- для проводников в силовых цепях - черный;
- для проводников в цепях управления, измерения и сигнализации переменного тока - красный;
- для проводников в цепях управления, измерения и сигнализации постоянного тока - синий;
- для нулевых защитных проводников - комбинация зеленого и желтого;
- для проводников, соединенных с нулевым рабочим проводником и не предназначенных для заземления, - голубой.
ГОСТ 2.702-75
УДК 744.43:621.3.062:006.354 Группа Т52
МЕЖГОСУДАРСТВЕННЫЙ СТАНДАРТ
Единая система конструкторской документации
ПРАВИЛА ВЫПОЛНЕНИЯ ЭЛЕКТРИЧЕСКИХ СХЕМ
Unified system for design documentation.
Rules for presentation of electric schemes
Дата введения 01.07.77
Настоящий стандарт распространяется на электрические схемы изделий всех отраслей промышленности, а также электрические схемы энергетических сооружений и устанавливает правила их выполнения вручную или автоматизированным способом.
Виды и типы схем и общие требования к выполнению их — по ГОСТ 2.701.
Обозначения буквенно-цифровые в электрических схемах — по ГОСТ 2.710.
Стандарт соответствует СТ СЭВ 1188 в части разд. 2—4, 6—9 (см. приложение).
(Измененная редакция, Изм. № 2).
1. ПРАВИЛА ВЫПОЛНЕНИЯ СТРУКТУРНЫХ СХЕМ
1.1. На структурной схеме изображают все основные функциональные части изделия (элементы, устройства и функциональные группы) и основные взаимосвязи между ними.
1.2. Функциональные части на схеме изображают в виде прямоугольника или условных графических обозначений.
1.3. Графическое построение схемы должно давать наиболее наглядное представление о последовательности взаимодействия функциональных частей в изделии.
На линиях взаимосвязей рекомендуется стрелками обозначать направление хода процессов, происходящих в изделии.
1.4. На схеме должны быть указаны наименования каждой функциональной части изделия, если для ее обозначения применен прямоугольник.
На схеме допускается указывать тип элемента (устройства) и (или) обозначение документа (основной конструкторский документ, государственный стандарт, технические условия), на основании которого этот элемент (устройство) применен.
При изображении функциональных частей в виде прямоугольников наименования, типы и обозначения рекомендуется вписывать внутрь прямоугольников.
1.5. При большом количестве функциональных частей допускается взамен наименований, типов и обозначений проставлять порядковые номера справа от изображения или над ним, как правило, сверху вниз в направлении слева направо. В этом случае наименования, типы и обозначения указывают в таблице, помещаемой на поле схемы.
1.6. Допускается помещать на схеме поясняющие надписи, диаграммы или таблицы, определяющие последовательность процессов во времени, а также указывать параметры в характерных точках (величины токов, напряжений, формы и величины импульсов, математические зависимости и т. п.).
2. ПРАВИЛА ВЫПОЛНЕНИЯ ФУНКЦИОНАЛЬНЫХ СХЕМ
2.1. На функциональной схеме изображают функциональные части изделия (элементы, устройства и функциональные группы), участвующие в процессе, иллюстрируемой схемой, и связи между этими частями.
2.2. Функциональные части и связи между ними на схеме изображают в виде условных графических обозначений, установленных в стандартах Единой системы конструкторской документации. Отдельные функциональные части допускается изображать в виде прямоугольников.
2.3. Графическое построение схемы должно давать наиболее наглядное представление о последовательности процессов, иллюстрируемых схемой.
2.4. Допускается при выполнении функциональной схемы пользоваться положениями, указанными в пп. 3.6—3.15 и 3.24.
2.5. На схеме должны быть указаны:
для каждой функциональной группы — обозначение, присвоенное ей на принципиальной схеме, и (или) ее наименование; если функциональная группа изображена в виде условного графического обозначения, то ее наименование не указывают;
для каждого устройства, изображенного в виде прямоугольника, — позиционное обозначение, присвоенное ему на принципиальной схеме, его наименование и тип и (или) обозначение документа (основной конструкторский документ, государственный стандарт, технические условия), на основании которого это устройство применено;
для каждого устройства, изображенного в виде условного графического обозначения, — позиционное обозначение, присвоенное ему на принципиальной схеме, его тип и (или) обозначение документа;
для каждого элемента — позиционное обозначение, присвоенное ему на принципиальной схеме, и (или) его тип.
Обозначение документа, на основании которого применено устройство, и тип элемента допускается не указывать.
Наименования, типы и обозначения рекомендуется вписывать в прямоугольники.
2.6. На схеме рекомендуется указывать технические характеристики функциональных частей (рядом с графическими обозначениями или на свободном поле схемы).
2.7. На схеме помещают поясняющие надписи, диаграммы или таблицы, определяющие последовательность процессов во времени, а также указывают параметры в характерных точках (величины токов, напряжений, формы и величины импульсов, математические зависимости и т.д.).
3. ПРАВИЛА ВЫПОЛНЕНИЯ ПРИНЦИПИАЛЬНЫХ СХЕМ
3.1. На принципиальной схеме изображают все электрические элементы или устройства, необходимые для осуществления и контроля в изделии заданных электрических процессов, все электрические связи между ними, а также электрические элементы (соединители, зажимы и т. п.), которыми заканчиваются входные и выходные цепи.
(Измененная редакция, Изм. № 2).
3.2. На схеме допускается изображать соединительные и монтажные элементы, устанавливаемые в изделии по конструктивным соображениям.
3.3. Схемы выполняют для изделий, находящихся в отключенном положении.
В технически обоснованных случаях допускается отдельные элементы схемы изображать в выбранном рабочем положении с указанием на поле схемы режима, для которого изображены эти элементы.
3.4. Элементы и устройства, условные графические обозначения которых установлены в стандартах Единой системы конструкторской документации, изображают на схеме в виде этих условных графических обозначений.
3.5. Элементы или устройства, используемые в изделии частично, допускается изображать на схеме неполностью, ограничиваясь изображением только используемых частей или элементов. 3.4, 3.5.
(Измененная редакция, Изм. № 3).
3.6. Элементы и устройства изображают на схемах совмещенным или разнесенным способом.
3.7. При совмещенном способе составные части элементов или устройств изображают на схеме в непосредственной близости друг к другу.
3.8. При разнесенном способе составные части элементов и устройств или отдельные элементы устройств изображают на схеме в разных местах таким образом, чтобы отдельные цепи изделия были изображены наиболее наглядно.
Разнесенным способом допускается изображать все и отдельные элементы или устройства.
При выполнении схем рекомендуется пользоваться строчным способом. При этом условные графические обозначения элементов или их составных частей, входящих в одну цепь, изображают последовательно друг за другом по прямой, а отдельные цепи — рядом, образуя параллельные (горизонтальные или вертикальные) строки.
При выполнении схемы строчным способом допускается нумеровать строки арабскими цифрами (черт. 1).

Черт. 1
3.9. При изображении элементов или устройств разнесенным способом допускается на свободном поле схемы помещать условные графические обозначения элементов или устройств, выполненные совмещенным способом. При этом элементы или устройства, используемые в изделии частично, изображают полностью с указанием использованных и неиспользованных частей или элементов (например, все контакты многоконтактного реле).
Выводы (контакты) неиспользованных элементов (частей) изображают короче, чем выводы (контакты) использованных элементов (частей) (черт. 2).

Черт. 2
3.8, 3.9. (Измененная редакция, Изм. № 3).
3.10. Схемы выполняют в многолинейном или однолинейном изображении.
3.11. При многолинейном изображении каждую цепь изображают отдельной линией, а элементы, содержащиеся в этих цепях, — отдельными условными графическими обозначениями (черт. 3а ).
|
|
| а — многолинейное изображение |
б — однолинейное изображение |
Черт. 3
3.12. При однолинейном изображении цепи, выполняющие идентичные функции, изображают одной линией, а одинаковые элементы этих цепей — одним условным графическим обозначением (черт. 3б ).
3.11, 3.12. (Измененная редакция, Изм. № 3).
3.13. При необходимости на схеме обозначают электрические цепи. Эти обозначения должны соответствовать требованиям ГОСТ 2.709 или другим нормативно-техническим документам, действующим в отраслях.
3.14. При изображении на одной схеме различных функциональных цепей допускается различать их толщиной линии. На одной схеме рекомендуется применять не более трех размеров линий по толщине. При необходимости на поле схемы помещают соответствующие пояснения.
3.15. Для упрощения схемы допускается несколько электрически не связанных линий связи сливать в линию групповой связи, но при подходе к контактам (элементам) каждую линию связи изображают отдельной линией.
При слиянии линий связи каждую линию помечают в месте слияния, а при необходимости, и на обоих концах условными обозначениями (цифрами, буквами или сочетанием букв и цифр) или обозначениями, принятыми для электрических цепей (см. п. 3.13).
Обозначения линий проставляют в соответствии с требованиями, приведенными в ГОСТ 2.721.

Черт. 3а
Линии электрической связи, сливаемые в линию групповой связи, как правило, не должны иметь разветвлений, т. е. всякий условный номер должен встречаться на линии групповой связи два раза. При необходимости разветвлений их количество указывают после порядкового номера линии через дробную черту (черт. 3а ).
3.16. Каждый элемент и (или) устройство, имеющее самостоятельную принципиальную схему и рассматриваемое как элемент, входящие в изделие и изображенные на схеме, должны иметь обозначение (позиционное обозначение) в соответствии с ГОСТ 2.721.
Устройствам, не имеющим самостоятельных принципиальных схем, и функциональным группам рекомендуется присваивать обозначения в соответствии с ГОСТ 2.710.
3.15, 3.16. (Измененная редакция, Изм. № 2).
3.17. Позиционные обозначения элементам (устройствам) следует присваивать в пределах изделия (установки).
3.18. Порядковые номера элементам (устройствам) следует присваивать, начиная с единицы, в пределах группы элементов (устройств), которым на схеме присвоено одинаковое буквенное позиционное обозначение, например, R l, R 2, R 3 и т. д., C l, C 2, С 3 и т. д.
3.19. Порядковые номера должны быть присвоены в соответствии с последовательностью расположения элементов или устройств на схеме сверху вниз в направлении слева направо.
При необходимости допускается изменять последовательность присвоения порядковых номеров в зависимости от размещения элементов в изделии, направления прохождения сигналов или функциональной последовательности процесса.
При внесении изменений в схему последовательность присвоения порядковых номеров может быть нарушена.
3.20. Позиционные обозначения проставляют на схеме рядом с условными графическими обозначениями элементов и (или) устройств с правой стороны или над ними.
3.21. На схеме изделия, в состав которого входят устройства, не имеющие самостоятельных принципиальных схем, допускается позиционные обозначения элементам присваивать в пределах каждого устройства.
Если в состав изделия входит несколько одинаковых устройств, то позиционные обозначения элементам следует присваивать в пределах этих устройств.
Порядковые номера элементам следует присваивать по правилам, установленным в п. 3.18.
Элементам, не входящим в устройства, позиционные обозначения присваивают, начиная с единицы, по правилам, установленным в пп. 3.17—3.19.
3.22. На схеме изделия, в состав которого входят функциональные группы, позиционные обозначения элементам присваивают по правилам, установленным в пп. 3.17—3.19, при этом вначале присваивают позиционные обозначения элементам, не входящим в функциональные группы, и затем элементам, входящим в функциональные группы.
При наличии в изделии нескольких одинаковых функциональных групп позиционные обозначения элементов, присвоенные в одной из этих групп, следует повторять во всех последующих группах.
Обозначение функциональной группы, присвоенное в соответствии с ГОСТ 2.710, указывают около изображения функциональной группы (сверху или справа).
3.23. При изображении на схеме элемента или устройства разнесенным способом позиционное обозначение элемента или устройства проставляют около каждой составной части (черт. 4).
| Совмещенный способ изображения устройства |
Разнесенный способ изображения устройства |
|
|
|
Черт. 4

Черт. 5
Если поле схемы разбито на зоны или схема выполнена строчным способом, то справа от позиционного обозначения или под позиционным обозначением каждой составной части элемента или устройства допускается указывать в скобках обозначения зон или номера строк, в которых изображены все остальные составные части этого элемента или устройства (черт. 5).
3.21-3.23. (Измененная редакция, Изм. № 2).
3.24. Допускается, если это не усложняет схему, раздельно изображенные части элементов соединять линией механической связи, указывающей на принадлежность их к одному элементу.
В этом случае позиционные обозначения элементов проставляют у одного или у обоих концов линии механической связи.
3.25. При изображении отдельных элементов устройств в разных местах в состав позиционных обозначений этих элементов должно быть включено позиционное обозначение устройства, в которое они входят, например, = А3—С5 — конденсатор С5, входящий в устройство A3.
3.26. При разнесенном способе изображения функциональной группы (при необходимости и при совмещенном способе) в состав позиционных обозначений элементов, входящих в эту группу, должно быть включено обозначение функциональной группы, например, ¹ Т1—С5 — конденсатор С5, входящий в функциональную группу Т1.
3.27. При однолинейном изображении около одного условного графического обозначения, заменяющего несколько условных графических обозначений одинаковых элементов или устройств, указывают позиционные обозначения всех этих элементов или устройств.
Если одинаковые элементы или устройства находятся не во всех цепях, изображенных однолинейно, то справа от позиционного обозначения или под ним в квадратных скобках указывают обозначения цепей, в которых находятся эти элементы или устройства (см. черт. 3).
3.28. На принципиальной схеме должны быть однозначно определены все элементы и устройства, входящие в состав изделия и изображенные на схеме.
Данные об элементах должны быть записаны в перечень элементов. При этом связь перечня с условными графическими обозначениями элементов должна осуществляться через позиционные обозначения.
Допускается в отдельных случаях, установленных в государственных или отраслевых стандартах, все сведения об элементах помещать около условных графических обозначений.
3.27, 3.28. (Измененная редакция, Изм. № 3) .
3.29-3.33. (Исключены, Изм. № 2).
3.34. При сложном вхождении, например, когда в устройство, не имеющее самостоятельной принципиальной схемы, входит одно или несколько устройств, имеющих самостоятельные принципиальные схемы, и (или) функциональных групп, или если в функциональную группу входит одно или несколько устройств и т. д., то в перечне элементов в графе «Наименование» перед наименованием устройств, не имеющих самостоятельных принципиальных схем, и функциональных групп допускается проставлять порядковые номера (т. е. подобно обозначению разделов, подразделов и т. д.) в пределах всей схемы изделия (черт. 9а ). Если на схеме в позиционное обозначение элемента включено позиционное обозначение устройства, или обозначение функциональной группы, то в перечне элементов в графе «Поз. обозначение» указывают позиционное обозначение элемента без позиционного обозначения устройства или обозначения функциональной группы.
(Измененная редакция, Изм. № 2).
3.35. (Исключен, Изм. № 2 ).
3.36. При указании около условных графических обозначений номиналов резисторов и конденсаторов (черт. 11) допускается применять упрощенный способ обозначения единиц измерений:
для резисторов
от 0 до 999 Ом — без указания единиц измерения,
от 1·103 до 999·103 Ом — в килоомах с обозначением единицы измерения строчной буквой к,
от 1·106 до 999·106 Ом — в мегаомах с обозначением единицы измерения прописной буквой М,
свыше 1·109 Ом — в гигаомах с обозначением единицы измерения прописной буквой Г;
для конденсаторов
от 0 до 9999·12-12 Ф — в пикофарадах без указания единицы измерения,
от 1·10-8 до 9999·10-6 Ф — в микрофарадах с обозначением единицы измерения строчными буквами мк.
3.37. На схеме следует указывать обозначения выводов (контактов) элементов (устройств), нанесенные на изделие или установленные в их документации.
Если в конструкции элемента (устройства) и в его документации обозначения выводов (контактов) не указаны, то допускается условно присваивать им обозначения на схеме, повторяя их в дальнейшем в соответствующих конструкторских документах.
При условном присвоении обозначений выводам (контактам) на поле схемы помещают соответствующее пояснение.
При изображении на схеме нескольких одинаковых элементов (устройств) обозначения выводов (контактов) допускается указывать на одном из них.
При разнесенном способе изображения одинаковых элементов (устройств) обозначения выводов (контактов) указывают на каждой составной части элемента (устройства).
Для отличия на схеме обозначений выводов (контактов) от других обозначений (обозначений цепей и т. п.) допускается записывать обозначения выводов (контактов) с квалифицирующим символом в соответствии с требованиями ГОСТ 2.710.
3.38. При изображении элемента или устройства разнесенным способом поясняющую надпись помещают около одной составной части изделия или на поле схемы около изображения элемента или устройства, выполненного совмещенным способом.
(Измененная редакция, Изм. № 2, 3).

Черт. 11*
_________
* Черт. 10. (Исключен, Изм. № 2).
3.39. На схеме рекомендуется указывать характеристики входных и выходных цепей изделия (частоту, напряжение, силу тока, сопротивление, индуктивность и т. п.), а также параметры, подлежащие измерению на контрольных контактах, гнездах и т. п.
Если невозможно указать характеристики или параметры входных и выходных цепей изделия, то рекомендуется указывать наименование цепей или контролируемых величин.
(Измененная редакция, Изм. № 2).
3.40. Если изделие заведомо предназначено для работы только в определенном изделии (установке), то на схеме допускается указывать адреса внешних соединений входных и выходных цепей данного изделия. Адрес должен обеспечивать однозначность присоединения, например, если выходной контакт изделия должен быть соединен с пятым контактом третьего соединителя устройства А, то адрес должен быть записан следующим образом: = А — Х 3:5.

Черт. 12 Черт. 13
Допускается указывать адрес в общем виде, если будет обеспечена однозначность присоединения, например, «Прибор А».
3.41. Характеристики входных и выходных цепей изделия, а также адреса их внешних подключений рекомендуется записывать в таблицы, помещаемые взамен условных графических обозначений входных и выходных элементов — соединителей, плат и т. д. (черт. 12).
Каждой таблице присваивают позиционное обозначение элемента, взамен условного графического обозначения которого она помещена.
Над таблицей допускается указывать условное графическое обозначение контакта — гнезда или штыря.
Таблицы допускается выполнять разнесенным способом.
Порядок расположения контактов в таблице определяется удобством построения схемы.
Допускается помещать таблицы с характеристиками цепей при наличии на схеме условных графических обозначений входных и выходных элементов — соединителей, плат и т. д. (черт. 13).
Аналогичные таблицы рекомендуется помещать на линиях, изображающих входные и выходные цепи и не заканчивающихся на схеме соединителями, платами и т. д. В этом случае позиционные обозначения таблицам не присваивают.
Примечания:
1. При наличии на схеме нескольких таблиц допускается головку таблицы приводить только в одной из них.
2. При отсутствии характеристик входных и выходных цепей или адресов их внешнего присоединения в таблице не приводят графу с этими данными.
При необходимости допускается вводить в таблицу дополнительные графы.
3. Допускается проставлять в графе «Конт.» несколько последовательных номеров контактов в случае, если они соединены между собой. Номера контактов отделяют друг от друга запятой.
3.42. При изображении на схеме многоконтактных соединителей допускается применять условные графические обозначения, не показывающие отдельные контакты (ГОСТ 2.755).
Сведения о соединении контактов соединителей указывают одним из следующих способов:
— около изображения соединителей, на свободном поле схемы или на последующих листах схемы помещают таблицы, в которых указывают адрес соединения [обозначение цепи (черт. 14а ) и (или) позиционное обозначение элементов, присоединяемых к данному контакту (черт. 14б )].
При необходимости в таблице указывают характеристики цепей и адреса внешних соединений (черт. 14а ).
Если таблицы помещены на поле схемы или на последующих листах, то им присваивают позиционные обозначения соединителей, к которым они составлены.
|
а — таблица, помещаемая на свободном поле схемы или на последующих листах схемы |
б — таблица, помещаемая около изображения соединителя |
Черт. 14
В графах таблиц указывают следующие данные:
в графе «Конт.» — номер контакта соединителя. Номера контактов записывают в порядке возрастания;
в графе «Адрес» — обозначение цепи и (или) позиционное обозначение элементов, соединенных с контактами;
в графе «Цепь» — характеристику цепи;
в графе «Адрес внешний» — адрес внешнего соединения;
— соединения с контактами соединителя изображают разнесенным способом (черт. 15).

Черт. 15
Примечания:
1. Точки, соединенные штриховой линией с соединителем, обозначают соединения с соответствующими контактами этого соединителя.
2. При необходимости характеристики цепей помещают на свободном поле схемы над продолжением линий связи.
(Измененная редакция, Изм. № 2, 3).
3.43. При изображении на схеме элементов, параметры которых подбирают при регулировании, около позиционных обозначений этих элементов на схеме и в перечне элементов проставляют звездочки (например R 1* ), а на поле схемы помещают сноску: «* Подбирают при регулировании».
В перечень должны быть записаны элементы, параметры которых наиболее близки к расчетным.
Допускаемые при подборе предельные значения параметров элементов указывают в перечне в графе «Примечание».
Если подбираемый при регулировании параметр обеспечивается элементами различных типов, то эти элементы перечисляют в технических требованиях на поле схемы, а в графах перечня элементов указывают следующие данные:
в графе «Наименование» — наименование элемента и параметр наиболее близкий к расчетному;
в графе «Примечание» — ссылку на соответствующий пункт технических требований и допускаемые при подборе предельные значения параметров.
3.44, 3.45. (Исключены, Изм. № 2).
3.46. Если параллельное или последовательное соединение осуществлено для получения определенного значения параметра (емкости или сопротивления определенной величины), то в перечне элементов в графе «Примечания» указывают общий (суммарный) параметр элементов (например R = 151 кОм).
3.47. (Исключен, Изм. № 2).
3.48. При изображении устройства (или устройств) в виде прямоугольника допускается в прямоугольнике взамен условных графических обозначений входных и выходных элементов помещать таблицы с характеристиками входных и выходных цепей (черт. 18), а вне прямоугольника допускается помещать таблицы с указанием адресов внешних присоединений (черт. 19).
При необходимости допускается вводить в таблицы дополнительные графы.

Черт. 18*
___________
* Черт. 16, 17. (Исключены, Изм. № 2).

Черт. 19
Каждой таблице присваивают позиционное обозначение элемента, взамен условного графического обозначения которого она помещена.
В таблице взамен слова «Конт.» допускается помещать условное графическое обозначение контакта соединителя (см. черт. 19);
— на схеме изделия в прямоугольники, изображающие устройства, допускается помещать структурные или функциональные схемы устройств, либо полностью или частично повторять их принципиальные схемы.
Элементы этих устройств в перечень элементов не записывают.
Если в изделие входит несколько одинаковых устройств, то схему устройства рекомендуется помещать на свободном поле схемы изделия (а не в прямоугольнике) с соответствующей надписью, например: «Схема блоков А1—А4».
(Измененная редакция, Изм. № 2).
3.49-3.51. (Исключены, Изм. № 2).
3.52. На поле схемы допускается помещать указания о марках, сечениях и расцветках проводов и кабелей (многожильных проводов, электрических шнуров), которыми должны быть выполнены соединения элементов, а также указания о специфических требованиях к электрическому монтажу данного изделия.
(Измененная редакция, Изм. № 2).
4. ПРАВИЛА ВЫПОЛНЕНИЯ СХЕМ СОЕДИНЕНИЙ
4.1. На схеме соединений должны быть изображены все устройства и элементы, входящие в состав изделия, их входные и выходные элементы (соединители, платы, зажимы и т. п.), а также соединения между этими устройствами и элементами.
4.2. Устройства и элементы на схеме изображают:
устройства — в виде прямоугольников или упрощенных внешних очертаний;
элементы — в виде условных графических обозначений, прямоугольников или упрощенных внешних очертаний.
При изображении элементов в виде прямоугольников или упрощенных внешних очертаний допускается внутри их помещать условные графические обозначения элементов.
Входные и выходные элементы изображают в виде условных графических обозначений.
Допускается входные и выходные элементы изображать по правилам, установленным в пп. 3.41, 3.42 и 3.48.
4.1, 4.2. (Измененная редакция, Изм. № 2).
4.3. Расположение графических обозначений устройств и элементов на схеме должно примерно соответствовать действительному размещению элементов и устройств в изделии.
Расположение изображений входных и выходных элементов или выводов внутри графических обозначений и устройств или элементов должно примерно соответствовать их действительному размещению в устройстве или элементе.
Допускается на схеме не отражать расположение устройств и элементов в изделии, если схему выполняют на нескольких листах или размещение устройств и элементов на месте эксплуатации неизвестно.
4.4. Элементы, используемые в изделии частично, допускается изображать на схеме неполностью, ограничиваясь изображением только используемых частей.
4.5. На схеме около графических обозначений устройств и элементов указывают позиционные обозначения, присвоенные им на принципиальной схеме.
Около или внутри графического обозначения устройства допускается указывать его наименование и тип и (или) обозначение документа, на основании которого устройство применено.
(Измененная редакция, Изм. № 2).
4.6. (Исключен, Изм. № 2).
4.7. На схеме следует указывать обозначения выводов (контактов) элементов (устройств), нанесенные на изделие или установленные в их документации.
Если в конструкции устройства или элемента и в его документации обозначения входных и выходных элементов (выводов) не указаны, то допускается условно присваивать им обозначения на схеме, повторяя их в дальнейшем в соответствующих конструкторских документах.
При условном присвоении обозначений входным и выходным элементам (выводам) на поле схемы помещают соответствующее пояснение.
При изображении на схеме нескольких одинаковых устройств обозначения выводов допускается указывать на одном из них (например, цоколевку электровакуумных приборов).
4.8. Устройства и элементы с одинаковыми внешними подключениями допускается изображать на схеме с указанием подключения только для одного устройства или элемента.
4.9. Устройства, имеющие самостоятельные схемы подключения, допускается изображать на схеме изделия без показа присоединения проводов и жил кабелей (многожильных проводов, электрических шнуров) к входным и выходным элементам.
(Измененная редакция, Изм. № 2).
4.10. При изображении на схеме соединителей допускается применять условные графические обозначения, не показывающие отдельные контакты (ГОСТ 2.755).
В этом случае около изображения соединителя, на поле схемы или на последующих листах схемы помещают таблицы с указанием подключения контактов (черт. 20).
При размещении таблиц на поле схемы или на последующих листах им присваивают позиционные обозначения соединителей, в дополнение к которым они составлены.
Допускается в таблицу вводить дополнительные графы (например, данные провода).
Если жгут (кабель — многожильный провод, электрический шнур, группа проводов) соединяет одноименные контакты соединителей, то допускается таблицу помещать около одного конца изображения жгута (кабеля — многожильного провода, электрического шнура, группы проводов).
Если сведения о подключении контактов приведены в таблице соединений, то таблицы с указанием подключения контактов на схеме допускается не помещать.
(Измененная редакция, Изм. № 2, 3).

Черт. 20
4.11. На схеме изделия внутри прямоугольников или упрощенных внешних очертаний, изображающих устройства, допускается изображать их структурные, функциональные или принципиальные схемы.
4.12. При отсутствии принципиальной схемы изделия на схеме соединений присваивают позиционные обозначения устройствам, а также элементам, не вошедшим в принципиальные схемы составных частей изделия, по правилам, установленным в пп. 3.16—3.20, и записывают их в перечень элементов.
4.11, 4.12. (Измененная редакция, Изм. № 2).
4.13. На схеме соединений изделия допускается показывать внешние подключения изделия по правилам, установленным в пп. 5.8, 5.9.
4.14. Провода, группы проводов, жгуты и кабели (многожильные провода, электрические шнуры) должны быть показаны на схеме отдельными линиями. Толщина линий, изображающих провода, жгуты и кабели (многожильные провода, электрические шнуры) на схемах, должна быть от 0,4 до 1 мм.
Для упрощения начертания схемы допускается сливать отдельные провода или кабели (многожильные провода, электрические шнуры), идущие на схеме в одном направлении, в общую линию.
При подходе к контактам каждый провод и жилу кабеля (многожильного провода, электрического шнура) изображают отдельной линией.
Допускается линии, изображающие провода, группы проводов, жгуты и кабели (многожильные провода, электрические шнуры), не проводить или обрывать их около мест присоединения, если их изображение затрудняет чтение схемы.
В этих случаях на схеме около мест присоединения (черт. 21) или в таблице на свободном поле схемы (черт. 22) помещают сведения в объеме, достаточном для обеспечения однозначного соединения.
![]()

Черт. 21 Черт. 22
(Измененная редакция, Изм. № 2, 3).
4.15. На схеме изделия, в состав которого входят многоконтактные элементы, линии, изображающие жгуты (кабели — многожильные провода, электрические шнуры, группы проводов), допускается доводить только до контура графического обозначения элемента, не показывая присоединения к контактам.
Указания о присоединении проводов или жил кабеля (многожильного провода, электрического шнура) к контактам приводят в этом случае одним из следующих способов:
у контактов показывают концы линий, изображающих провода или жилы кабеля (многожильного провода, электрического шнура), и указывают их обозначения. Концы линий направляют в сторону соответствующего жгута, кабеля (многожильного провода, электрического шнура), группы проводов (черт. 23);
у изображения многоконтактного элемента помещают таблицу с указанием подключения контактов. Таблицу соединяют линией-выноской с соответствующим жгутом, кабелем, (многожильным проводом, электрическим шнуром) группой проводов (черт. 24).
4.16. Вводные элементы, через которые проходят провода (группа проводов, жгуты, кабели — многожильные провода, электрические шнуры), изображают в виде условных графических обозначений, установленных в стандартах Единой системы конструкторской документации.
Проходные изоляторы, гермовводы, сальники изображают в виде условных графических обозначений, приведенных на черт. 25.
4.15, 4.16. (Измененная редакция, Изм. № 2).

Черт. 23

Черт. 24
|
|
|
|
|||
| Изолятор проходной |
Гермоввод |
Сальник |
a — линия, изображающая провод (группу проводов, жгут, кабель — многожильный провод, электрический шнур)
Черт. 25
4.17. На схеме следует указывать обозначения вводных элементов, нанесенные на изделие.
Если обозначения вводных элементов не указаны в конструкции изделия, то допускается условно присваивать им обозначения на схеме соединений, повторяя их в соответствующей конструкторской документации. При этом на поле схемы помещают необходимые пояснения.
4.18. Одножильные провода, жгуты, кабели (многожильные провода, электрические шнуры) должны быть обозначены порядковыми номерами в пределах изделия.
Провода, жгуты, кабели (многожильные провода, электрические шнуры) следует нумеровать отдельно. При этом провода, входящие в жгут, нумеруют в пределах жгута, а жилы кабеля (многожильного провода, электрического шнура) — в пределах кабеля (многожильного провода, электрического шнура).
Примечания:
1. Допускается сквозная нумерация всех проводов и жил кабелей (многожильных проводов, электрических шнуров) в пределах изделия.
2. Допускается сквозная нумерация отдельных проводов, жгутов и кабелей (многожильных проводов, электрических шнуров) в пределах изделия. При этом провода, входящие в жгут, нумеруют в пределах жгута, а жилы кабеля (многожильного провода, электрического шнура) — в пределах кабеля (многожильного провода, электрического шнура).
3. Допускается не обозначать жгуты, êабели (многожильные провода, электрические шнуры) и отдельные провода, если изделие, на которое составляют схему, войдет в комплекс и обозначения жгутам, кабелям (многожильным проводам, электрическим шнурам) и проводам будут присвоены в пределах всего комплекса.
4. Допускается присваивать обозначения группам проводов.
4.19. Если на принципиальной схеме электрическим цепям присвоены обозначения в соответствии с ГОСТ 2.709, то всем одножильным проводам, жилам кабелей (многожильных проводов, электрических шнуров) и проводам жгутов присваивают те же обозначения. При этом жгуты и кабели (многожильные провода, электрические шнуры) обозначают в соответствии с требованиями п. 4.18.
4.20. На схеме при помощи буквенного (буквенно-цифрового) обозначения допускается определять функциональную принадлежность провода, жгута или кабеля (многожильного провода, электрического шнура) к определенному комплексу, помещению или функциональной цепи.
Буквенное (буквенно-цифровое) обозначение проставляют перед обозначением каждого провода, жгута, кабеля (многожильного провода, электрического шнура), отделяя его знаком дефиса. В этом случае буквенное (буквенно-цифровое) обозначение входит в состав обозначения каждого провода, жгута и кабеля (многожильного провода, электрического шнура).
Дефис в обозначении допускается не проставлять, если это не внесет неясность в чтение схемы.
Если все провода, жгуты, кабели (многожильные провода, электрические шнуры), изображенные на схеме, принадлежат к одному комплексу, помещению или функциональной цепи, то буквенное (буквенно-цифровое) обозначение не проставляют, а на поле схемы помещают соответствующее пояснение.
4.21. Номера проводов и жил кабелей (многожильных проводов, электрических шнуров) на схеме проставляют, как правило, около обоих концов изображений.
Номера кабелей (многожильных проводов, электрических шнуров) проставляют в окружностях, помещенных в разрывах изображений кабелей (многожильных проводов, электрических шнуров) вблизи от мест разветвления жил.
Номера жгутов проставляют на полках линий-выносок около мест разветвления проводов.
Номера групп проводов проставляют около линий-выносок.
Примечания:
1. При обозначении кабелей (многожильных проводов, электрических шнуров) в соответствии с требованиями п. 4.20, а также при большом количестве кабелей (многожильных проводов, электрических шнуров), идущих на схеме в одном направлении, допускается номера кабелей (многожильных проводов, электрических шнуров) проставлять в разрыве линии без окружности.
2. При изображении на схеме проводов, жгутов и кабелей (многожильных проводов, электрических шнуров) большой длины номера проставляют через промежутки, определяемые удобством пользования схемой.
4.22. На схеме должны быть указаны:
для одножильных проводов — марка, сечение и, при необходимости, расцветка;
для кабелей (многожильных проводов, электрических шнуров), записываемых в спецификацию как материал, — марка, количество и сечение жил и, при необходимости, количество занятых жил. Количество занятых жил указывают в прямоугольнике, помещаемом справа от обозначения данных кабеля (многожильного провода, электрического шнура);
для жгутов, кабелей и проводов, изготовляемых по чертежам, — обозначение основного конструкторского документа.
На схеме приводят характеристики входных и выходных цепей устройств и элементов или другие исходные данные, необходимые для выбора конкретных проводов и кабелей (многожильных проводов, электрических шнуров), если при разработке схемы комплекса данные о проводах и кабелях (многожильных проводах, электрических шнурах) не могут быть определены.
Характеристики входных и выходных цепей рекомендуется указывать в виде таблиц (п. 3.41), помещаемых взамен условных графических обозначений входных и выходных элементов.
4.23. Данные (марку, сечение и др.) о проводах и кабелях (многожильных проводах, электрических шнурах) указывают около линий, изображающих провода и кабели (многожильные провода, электрические шнуры).
В этом случае допускается обозначения проводам и кабелям (многожильным проводам, электрическим шнурам) не присваивать.
При указании данных о проводах и кабелях (многожильных проводах, электрических шнурах) в виде условных обозначений эти обозначения расшифровывают на поле схемы.
Одинаковые марку, сечение и другие данные о всех или большинстве проводов и кабелей (многожильных проводов, электрических шнуров) допускается указывать на поле схемы.
4.24. Если на схеме не указаны места присоединений (например, не показаны отдельные контакты в изображении соединителей) или затруднено отыскание мест присоединения проводов и жил кабеля (многожильного провода, электрического шнура), то данные о проводах, жгутах и кабелях (многожильных проводов, электрических шнуров) и адреса их соединений сводят в таблицу, именуемую «Таблицей соединений».
Таблицу соединений следует помещать на первом листе схемы или выполнять в виде самостоятельного документа.
Таблицу соединений, помещаемую на первом листе схемы, располагают, как правило, над основной надписью. Расстояние между таблицей и основной надписью должно быть не менее 12 мм.
Продолжение таблицы соединений помещают слева от основной надписи, повторяя головку таблицы.
Таблицу соединений в виде самостоятельного документа выполняют на формате А4. Основную надпись и дополнительные графы к ней выполняют по ГОСТ 2.104 (форма 2 и 2а).
4.25. Форму таблицы соединений выбирает разработчик схемы в зависимости от сведений, которые необходимо поместить на схеме (черт. 26).
В графах таблиц указывают следующие данные:
в графе «Обозначение провода» — обозначение одножильного провода, жилы кабеля (многожильного провода, электрического шнура) или провода жгута;
в графах «Откуда идет», «Куда поступает» — условные буквенно-цифровые обозначения соединяемых элементов или устройств;
в графе «Соединения» — условные буквенно-цифровые обозначения соединяемых элементов или устройств, разделяя их запятой;
в графе «Данные провода»:
для одножильного провода — марку, сечение и, при необходимости, расцветку в соответствии с документом, на основании которого его применяют;
для кабеля (многожильного провода, электрического шнура), записываемого в спецификацию как материал, — марку, сечение и количество жил в соответствии с документом, на основании которого применяют кабель (многожильный провод, электрический шнур);
в графе «Примечание» — дополнительные уточняющие данные.
Примечания:
1. Размеры граф рекомендуемые.
2. Допускается графы делить на подграфы.
4.26. При заполнении таблицы соединений следует придерживаться следующего порядка:
при выполнении соединений отдельными проводами в таблицу записывают провода в порядке возрастания номеров, присвоенных им;


Черт. 26
при выполнении соединений проводами жгутов или жилами кабелей (многожильных проводов, электрических шнуров) перед записью проводов каждого жгута или жил каждого кабеля (многожильного провода, электрического шнура) помещают заголовок, например: «Жгут 1» или «Жгут АБВГ.ХХХХХХ.032»; «Кабель 3» или «Кабель АБВГ.ХХХХХХ.042»; «Провод 5». Провода жгута или жилы кабеля (многожильного провода, электрического шнура) записывают в порядке возрастания номеров, присвоенных проводам или жилам;
при выполнении соединений отдельными проводами, жгутами проводов и кабелями (многожильные провода, электрические шнуры) в таблицу соединений вначале записывают отдельные провода (без заголовка), а затем (с соответствующими заголовками) жгуты проводов и кабели (многожильные провода, электрические шнуры);
если на отдельные провода должны быть надеты изоляционные трубки, экранирующие оплетки и т. п., то в графе «Примечание» помещают соответствующие указания. Допускается эти указания помещать на поле схемы.
Примечание. При применении схемы соединений только для электромонтажа допускается другой порядок записи, если он установлен в отраслевых стандартах.
4.27. На схеме соединений около обоих концов линий, изображающих отдельные провода, провода жгутов и жилы кабелей (многожильных проводов, электрических шнуров) допускается указывать адрес соединений. В этом случае таблицу соединений не составляют. Обозначения проводам допускается не присваивать.
4.28. На поле схемы над основной надписью допускается помещать необходимые технические указания, например: требования о недопустимости совместной прокладки некоторых проводов, жгутов и кабелей (многожильных проводов, электрических шнуров);
величины минимально допустимых расстояний между проводами, жгутами и кабелями (многожильными проводами, электрическими шнурами); данные о специфичности прокладки и защиты проводов, жгутов и кабелей (многожильных проводов, электрических шнуров) и т. п.
4.18-4.28. (Измененная редакция, Изм. № 2).
5. ПРАВИЛА ВЫПОЛНЕНИЯ СХЕМ ПОДКЛЮЧЕНИЯ
5.1. На схеме подключения должны быть изображены изделие, его входные и выходные элементы (соединители, зажимы и т. п.) и подводимые к ним концы проводов и кабелей (многожильных проводов, электрических шнуров) внешнего монтажа, около которых помещают данные о подключении изделия [характеристики внешних цепей и (или) адреса].
5.2. Изделие на схеме изображают в виде прямоугольника, а его входные и выходные элементы — в виде условных графических обозначений.
Допускается изображать изделие в виде упрощенных внешних очертаний. Входные и выходные элементы изображают в этом случае в виде упрощенных внешних очертаний.
5.1, 5.2. (Измененная редакция, Изм. № 2).
5.3. Размещение изображений входных и выходных элементов внутри графического обозначения изделия должно примерно соответствовать их действительному размещению в изделии.
5.4. На схеме должны быть указаны позиционные обозначения входных и выходных элементов, присвоенные им на принципиальной схеме изделия.
5.5. Вводные элементы (например, сальники, гермовводы, проходные изоляторы), через которые проходят провода или кабели (многожильные провода, электрические шнуры), изображают на схеме по правилам, установленным в п. 4.16.
(Измененная редакция, Изм. № 2).
5.6. На схеме следует указывать обозначения входных, выходных или выводных элементов, нанесенные на изделие.
Если обозначения входных, выходных и выводных элементов в конструкции изделия не указаны, то допускается условно присваивать им обозначения на схеме, повторяя их в соответствующей конструкторской документации. При этом на поле схемы помещают необходимые пояснения.
5.7. На схеме около условных графических обозначений соединителей, к которым присоединены провода и кабели (многожильные провода, электрические шнуры), допускается указывать наименования этих соединителей и (или) обозначения документов, на основании которых они применены.
5.8. Провода и кабели (многожильные провода, электрические шнуры) должны быть показаны на схеме отдельными линиями.
5.9. При необходимости на схеме указывают марки, сечения, расцветку проводов, а также марки кабелей (многожильных проводов, электрических шнуров), количество, сечение и занятость жил.
При указании марок, сечений и расцветки проводов в виде условных обозначений на поле схемы расшифровывают эти обозначения.
5.7-5.9. (Измененная редакция, Изм. № 2).
6. ПРАВИЛА ВЫПОЛНЕНИЯ ОБЩИХ СХЕМ
6.1. На общей схеме изображают устройства и элементы, входящие в комплекс, а также провода, жгуты и кабели (многожильные провода, электрические шнуры), соединяющие эти устройства и элементы.
6.2. Устройства и элементы на схеме изображают в виде прямоугольников. Допускается элементы изображать в виде условных графических обозначений или упрощенных внешних очертаний, а устройства — в виде упрощенных внешних очертаний.
Расположение графических обозначений устройств и элементов на схеме должно примерно соответствовать действительному размещению элементов и устройств в изделии.
Допускается на схеме не отражать расположение устройств и элементов в изделии, если размещение их на месте эксплуатации неизвестно.
В этих случаях графические обозначения устройств и элементов должны быть расположены так, чтобы обеспечивалась простота и наглядность показа электрических соединений между ними.
6.1, 6.2. (Измененная редакция, Изм. № 2).
6.3. На графических обозначениях устройств и элементов входные, выходные и вводные элементы изображают по правилам, установленным в пп. 4.10, 4.16.
Расположение условных графических обозначений входных, выходных и вводных элементов внутри изображений устройств и элементов должно примерно соответствовать их действительному размещению в изделии. Если для обеспечения наглядности показа соединений расположение графических обозначений этих элементов не соответствует их действительному размещению в изделии, то на поле схемы должно быть помещено соответствующее пояснение.
6.4. На схеме должны быть указаны:
для каждого устройства или элемента, изображенных в виде прямоугольника или упрощенного внешнего очертания, — их наименование и тип и (или) обозначение документа, на основании которого они применены;
для каждого элемента, изображенного в виде условного графического обозначения, — его тип и (или) обозначение документа.
При большом количестве устройств и элементов рекомендуется эти сведения записывать в перечень элементов.
В этом случае около графических обозначений устройств и элементов проставляют позиционные обозначения.
(Измененная редакция, Изм. № 2).
6.5. Устройства и элементы, сгруппированные в посты и (или) помещения, рекомендуется записывать в перечень по постам и (или) помещениям.
6.6. На схеме следует указывать обозначения входных, выходных и вводных элементов, нанесенные на изделие.
Если обозначения входных, выходных и вводных элементов в конструкции изделия не указаны, то допускается этим элементам условно присваивать обозначения на схеме, повторяя их в соответствующей конструкторской документации. При этом на поле схемы помещают необходимые пояснения.
6.7. На схеме допускается указывать обозначения документов соединителей на полках линий-выносок, а также число контактов соединителей, используя при этом их следующее условное графическое обозначение (черт. 27).
(Измененная редакция, Изм. № 3).
6.8. Провода, жгуты и кабели (многожильные провода, электрические шнуры) должны быть показаны на схеме отдельными линиями и обозначены отдельно порядковыми номерами в пределах изделия.

Черт. 27
Допускается сквозная нумерация проводов, жгутов и кабелей (многожильных проводов, электрических шнуров) в пределах изделия, если провода, входящие в жгуты, пронумерованы в пределах каждого жгута.
Если на принципиальной схеме электрическим цепям присвоены обозначения в соответствии с ГОСТ 2.709—72, то всем одножильным проводам, жилам кабелей (многожильных проводов, электрических шнуров) и проводам жгутов присваивают те же обозначения.
6.9. Если в состав изделия, на которое разрабатывают схему, входит несколько комплексов, то одножильные провода, кабели (многожильные провода, электрические шнуры) и жгуты следует нумеровать в пределах каждого комплекса.
Принадлежность одножильного провода, жгута, кабеля (многожильного провода, электрического шнура) к определенному комплексу определяют при помощи буквенного (буквенно-цифрового) обозначения, проставляемого перед номером каждого одножильного провода, жгута и кабеля (многожильного провода, электрического шнура) и отделяемого знаком дефис.
6.10. Допускается на схеме при помощи буквенного (буквенно-цифрового) обозначения определять принадлежность провода, жгута или кабеля (многожильного провода, электрического шнура) к определенным помещениям или функциональным цепям по правилам, установленным в п. 4.20.
6.11. Номера одножильных проводов на схеме проставляют около концов изображений; номера одножильных коротких проводов, которые отчетливо видны на схеме, допускается помещать около середины изображений.
6.12. Номера кабелей (многожильных проводов, электрических шнуров) проставляются в окружностях, помещаемых в разрывах изображений кабелей (многожильных проводов, электрических шнуров).
Примечание. При обозначении кабелей (многожильных проводов, электрических шнуров) в соответствии с требованиями пп. 6.9, 6.10, обозначения в окружность не вписывают.
6.8—6.12. (Измененная редакция, Изм. № 2).
6.13. Номера жгутов проставляют на полках линий-выносок.
6.14. На схеме около изображения одножильных проводов, жгутов и кабелей (многожильных проводов, электрических шнуров) указывают следующие данные:
для одножильных проводов — марку, сечение и, при необходимости, расцветку;
для кабелей (многожильных проводов, электрических шнуров), записываемых в спецификацию как материал, — марку, количество и сечение жил;
для проводов, кабелей и жгутов, изготовленных по чертежам, — обозначение основного конструкторского документа.
Если при разработке схемы данные о проводах и кабелях (многожильных проводах, электрических шнурах), прокладываемых при монтаже, не могут быть определены, то на схеме приводят соответствующие пояснения с указанием исходных данных, необходимых для выбора конкретных проводов и кабелей (многожильных проводов, электрических шнуров).
При большом количестве соединений рекомендуется указанные сведения записывать в перечень проводов, жгутов и кабелей (многожильных проводов, электрических шнуров).
6.15. Перечень проводов, жгутов и кабелей (многожильных проводов, электрических шнуров) (черт. 28) помещают на первом листе схемы, как правило, над основной надписью или выполняют в виде последующих листов.

Черт. 28
В графах перечня указывают следующие данные:
в графе «Обозначение» — обозначение основного конструкторского документа провода, кабеля (многожильного провода, электрического шнура), жгута, изготовленных по чертежам;
в графе «Примечание» — кабели (многожильные провода, электрические шнуры), поставляемые с комплексом или прокладываемые при его монтаже;
кабели (многожильные провода, электрические шнуры), прокладываемые при монтаже, допускается в перечень не вносить.
6.14, 6.15. (Измененная редакция, Изм. № 2).
6.16. Общую схему, по возможности, следует выполнять на одном листе. Если схема из-за сложности изделия не может быть выполнена на одном листе, то:
на первом листе вычерчивают изделие в целом, изображая посты и (или) помещения условными очертаниями и показывая связи между постами и (или) помещениями.
Внутри условных очертаний постов и (или) помещений изображают только те устройства и элементы, к которым подводят провода и кабели (многожильные провода, электрические шнуры), соединяющие посты и (или) помещения.
На других листах полностью вычерчивают схемы отдельных постов и (или) помещений или групп постов и (или) помещений;
общую схему каждого комплекса выполняют на отдельном листе, если в состав изделия входит несколько комплексов.
(Измененная редакция, Изм., № 2).
7. ПРАВИЛА ВЫПОЛНЕНИЯ СХЕМ РАСПОЛОЖЕНИЯ
7.1. На схеме расположения изображают составные части изделия, а при необходимости связи между ними, конструкцию, помещение или местность, на которых эти составные части будут расположены.
7.2. Составные части изделия изображают в виде упрощенных внешних очертаний или условных графических обозначений.
7.3. Провода, группы проводов, жгуты и кабели (многожильные провода, электрические шнуры) изображают в виде отдельных линий или упрощенных внешних очертаний.
7.2, 7.3. (Измененная редакция, Изм. № 2).
7.4. Расположение графических обозначений составных частей изделия на схеме должно обеспечивать правильное представление об их действительном размещении в конструкции, помещении, на местности.
7.5. При выполнении схемы расположения допускается применять различные способы построения (аксонометрия, план, условная развертка, разрез конструкции и т. п.).
7.6. На схеме должны быть указаны:
для каждого устройства или элемента, изображенных в виде упрощенного внешнего очертания, — их наименование и тип и (или) обозначение документа, на основании которого они применены;
для каждого элемента, изображенного в виде условного графического обозначения, — его тип и (или) обозначение документа.
При большом количестве устройств и элементов рекомендуется эти сведения записывать в перечень элементов.
В этом случае около графических обозначений устройств и элементов проставляют позиционные обозначения.
(Измененная редакция, Изм. № 2).
Разд. 8. (Исключен, Изм. № 2).
ПРИЛОЖЕНИЕ
Справочное
Информационные данные о соответствии ГОСТ 2.702—75 СТ СЭВ 1188—78
| Номер раздела ГОСТ 2.702—75 |
Номер раздела СТ СЭВ 1188-78 |
Номер раздела ГОСТ 2.702—75 |
Номер раздела СТ СЭВ 1188-78 |
| 1 |
2 |
5 |
8 |
| 2 |
3 |
6 |
7 |
| 3 |
4 |
7 |
9 |
| 4 |
6 |
(Введено дополнительно, Изм. № 2).
ГОСТ Р 51330.6-99
(МЭК 60079-5-97)
Группа Е02
ГОСУДАРСТВЕННЫЙ СТАНДАРТ РОССИЙСКОЙ ФЕДЕРАЦИИ
ЭЛЕКТРООБОРУДОВАНИЕ ВЗРЫВОЗАЩИЩЕННОЕ
Часть 5
Кварцевое заполнение оболочки q
Electrical apparatus for explosive gas atmospheres.
Part 5. Powder filling q
ОКС 29.260.20
ОКСТУ 3402
Дата введения 2001-01-01
Предисловие
1 РАЗРАБОТАН Негосударственным фондом ”Межотраслевой орган сертификации ”Сертиум” (МОС ”Сертиум”)
ВНЕСЕН Техническим комитетом по стандартизации ТК 403 ”Взрывозащищенное и рудничное электрооборудование”
2 ПРИНЯТ И ВВЕДЕН В ДЕЙСТВИЕ Постановлением Госстандарта России от 9 декабря 1999 г. N 497-ст
3 Настоящий стандарт представляет собой аутентичный текст международного стандарта МЭК 60079-5-97 ”Электрооборудование взрывозащищенное. Часть 5. Кварцевое заполнение оболочки q ” с дополнительными требованиями, отражающими потребности экономики страны
4 ВВЕДЕН ВПЕРВЫЕ
ВВЕДЕНИЕ
Настоящий стандарт дополняет ГОСТ Р 51330.0, требования которого применимы к электрооборудованию с взрывозащитой вида ”кварцевое заполнение оболочки”. Дополнительные по отношению к МЭК 60079-5-97 требования, отражающие потребности экономики страны, выделены в настоящем стандарте курсивом.
ГОСТ 22782.2-77 не ограничивал мощность и уровень напряжения взрывозащищенного электрооборудования с кварцевым заполнением оболочки, а его реализация позволяла создавать взрывозащищенное электрооборудование с особовзрывобезопасным и взрывобезопасным уровнями взрывозащиты. Несмотря на это широкого применения взрывозащищенное электрооборудование большой мощности с кварцевым заполнением оболочки не нашло, что было обусловлено необходимостью реализации сложных конструкторских решений, сложностью эксплуатации такого электрооборудования и экономической неэффективностью. Поэтому при разработке настоящего стандарта было принято решение взять за основу концепцию, изложенную в МЭК 60079-5-97, ограничить действие взрывозащиты "кварцевое заполнение оболочки" на электрооборудование, напряжение переменного и постоянного тока которого не превышает 1140 В, ток 16 А, а мощность составляет не более 1000 В·А, а также принять практически без изменений требования и методы испытаний МЭК 60079-5-97, которые в совокупности обеспечивают уровень взрывозащиты электрооборудования ”повышенная надежность против взрыва”.
1 ОБЛАСТЬ ПРИМЕНЕНИЯ
Настоящий стандарт устанавливает требования к конструированию, испытаниям и маркировке взрывозащищенного электрооборудования, составным его частям и Ex-компонентам с взрывозащитой вида ”кварцевое заполнение оболочки”, предназначенным для применения во взрывоопасных средах газа, пара или тумана.
Примечание - Электрооборудование и Ex-компоненты с кварцевым заполнением могут содержать электрические цепи, трансформаторы, защитные предохранители, реле, переключатели, оборудование и т.п., расположенные вне взрывоопасной зоны, но электрически соединенные с электрооборудованием, находящимся во взрывоопасной зоне.
Требования настоящего стандарта распространяются на взрывозащищенное электрооборудование, его составные части и Ex-компоненты:
- номинальный ток которых меньше или равен 16 А;
- мощность которых меньше или равна 1000 В·А и напряжение питания переменного или постоянного тока не более 1140 В.
Требования настоящего стандарта являются обязательными.
2 НОРМАТИВНЫЕ ССЫЛКИ
В настоящем стандарте использованы ссылки на следующие стандарты:
ГОСТ 14254-96 (МЭК 529-89) Степени защиты, обеспечиваемые оболочками (Код IP)
ГОСТ Р 50339.0-92 (МЭК 261-1-86) Низковольтные плавкие предохранители. Общие требования
ГОСТ Р 50537-93 (МЭК 127-1-88) Миниатюрные плавкие предохранители. Терминология для миниатюрных плавких предохранителей и общие требования к миниатюрным плавким вставкам
ГОСТР 51330.0-99 (МЭК 60079-0-98) Электрооборудование взрывозащищенное. Часть 0. Общие требования
3 ОПРЕДЕЛЕНИЯ
В настоящем стандарте используют следующие термины с соответствующими определениями, которые дополняют определения, приведенные в ГОСТ Р 51330.0.
3.1 кварцевое заполнение оболочки q : Вид взрывозащиты, при котором части, способные воспламенить взрывоопасную смесь, фиксируются в определенном положении и полностью окружены заполнителем, предотвращающим воспламенение окружающей взрывоопасной среды.
Примечание - Электрооборудование и Ex-компоненты с кварцевым заполнением оболочки могут содержать электрические цепи, трансформаторы, защитные предохранители, реле, переключатели, оборудование и т.п., расположенные вне взрывоопасной зоны, но электрически соединенные с электрооборудованием, находящимся во взрывоопасной зоне.
3.2 заполнитель: Кварцевые или стеклянные частицы.
3.3 максимальное внешнее приложенное напряжение Um : Максимальное напряжение переменного тока или максимальное напряжение постоянного тока, предписанное изготовителем, которое может быть приложено к зажимам электрооборудования без нарушения вида взрывозащиты ”кварцевое заполнение”.
3.4 рабочее напряжение: Наибольшее значение напряжения постоянного или переменного тока, которое может возникнуть (локально) по любой изоляции при номинальном напряжении питания (колебаниями напряжений можно пренебречь) в нормальных режимах работы или при разомкнутой электрической цепи.
3.5 путь утечки: Кратчайшее расстояние между токоведущими частями разного потенциала или между токоведущей и заземленной частью электрооборудования по поверхности изоляционного материала.
3.6 путь утечки под покрытием: Кратчайшее расстояние между двумя токоведущими частями по поверхности электроизоляционной среды.
3.7 расстояние через заполняющий материал: Кратчайшее расстояние между двумя токоведущими частями через заполняющий материал.
3.8 номинальные значения предохранителя I н : Номинальный ток предохранителя в соответствии с ГОСТ Р 50537 или согласно спецификации изготовителя.
4 КОНСТРУКТИВНЫЕ ТРЕБОВАНИЯ
4.1 Оболочка
4.1.1 Механическая прочность
Оболочки электрооборудования, составных частей электрооборудования и Ex-компонентов с кварцевым заполнением должны соответствовать высокой степени механической прочности согласно требованиям ГОСТ Р 51330.0, а также выдерживать испытания давлением, указанным в 5.1 и 5.2 настоящего стандарта.
Оболочки электрооборудования и Ex-компонентов, предназначенные для установки внутри другой оболочки, удовлетворяющей требованиям ГОСТ Р 51330.0, должны выдерживать только испытание давлением в соответствии с 5.1 и 5.2 настоящего стандарта. Это оборудование должно маркироваться знаком Х согласно ГОСТ Р 51330.0, если оно не относится к Ex-компоненту.
4.1.2 Степень защиты оболочки от внешних воздействий
Оболочки электрооборудования, составных частей оборудования и Ex-компонентов с кварцевым заполнением в нормальных режимах работы (т.е. все отверстия закрыты) должны иметь степень защиты от внешних воздействий не ниже IP54 по ГОСТ 14254. Если степень защиты IP55 или выше, оболочки должны быть снабжены вентиляционными устройствами.
Оболочки с вентиляционными устройствами должны обеспечивать степень защиты от внешних воздействий IP54 по ГОСТ 14254.
Оболочки электрооборудования, составных частей оборудования и Ex-компонентов с кварцевым заполнением, предназначенные для применения только в чистых сухих помещениях, могут иметь степень защиты IP43 по ГОСТ 14254. Маркировка таких оболочек должна иметь знак X.
Если оболочки электрооборудования, составные частей электрооборудования и Ex-компоненты с кварцевым заполнением предназначены для установки внутри другой оболочки, соответствующей требованиям ГОСТ Р 51330.0, то эта наружная оболочка должна иметь степень защиты не ниже IP54. К внутренней оболочке требования по степени защиты не предъявляют.
Максимальный зазор в оболочке должен быть не менее чем на 0,1 мм меньше минимального размера материала заполнителя, но не более 0,9 мм для того, чтобы заполнитель не мог высыпаться.
Подвижные и нормально искрящие части электрооборудования не должны находиться в контакте с заполнителем, а должны быть заключены в самостоятельную оболочку со степенью защиты не ниже IP54 по ГОСТ 14254 и погружены со своей оболочкой в заполнитель.
Смонтированные таким образом части должны быть включены в электрические цепи, не опасные в отношении аварийного дугового разряда. Это требование не относится к размещаемым в заполнителе герметичным вакуумным контактам в собственных оболочках.
4.1.3 Заполнение
Кварцевое заполнение оболочки должно выполняться таким образом, чтобы не оставалось никаких пустот внутри заполняющего материала (например, с помощью принудительной вибрации). Свободное пространство внутри оболочки электрооборудования, составных частей электрооборудования и Ex-компонентов должно быть полностью наполнено заполнителем (см. также 4.3.2).
Токоведущие или находящиеся под напряжением части (в дальнейшем - электрические части) электрооборудования, в том числе общего назначения, встроенного в оболочку с кварцевым заполнением, должны находиться под защитным слоем заполнителя, толщина которого должна быть не менее удвоенного значения соответствующего расстояния заполнителя согласно таблице 1. Для неэлектрических частей слой заполнителя не нормируют.
Заполнение оболочки кварцем должно производиться при принудительной вибрации с частотой от 25 до 50 Гц и амплитудой колебаний (1,0±0,2) мм в течение не менее 5 мин.
Таблица 1 - Расстояния в заполнителе
| Напряжение постоянного или переменного тока, В, не более |
Расстояния в заполнителе, мм, не менее |
|
| U £ 275 |
5 |
|
| 275 < U £ 420 |
6 |
|
| 420 < U £ 550 |
8 |
|
| 550 < U £ 750 |
10 |
|
| 750 < U £ 1000 |
14 |
|
| 1000 < U £ 3000 |
36 |
|
| 3000 < U £ 6000 |
60 |
|
| 6000 < U £ 10000 |
100 |
|
| U - напряжение постоянного или переменного тока. |
||
4.1.4 Средства закрытия
Оболочки электрооборудования, составных частей электрооборудования и Ex-компонентов с кварцевым заполнением должны закрываться изготовителем так, чтобы их открывание было затруднено или приводило к разрушению оболочки или средств закрытия. Заполняющие отверстия должны быть выполнены таким же образом.
Примечание - Приемлемыми средствами являются, например, сварка, пайка, склеивание мест соединений, заклепывание, соединение винтами.
4.1.5 Оболочка должна быть выполнена так, чтобы при снятии крышек или отсоединении сборочных единиц конструкции электрооборудования в его рабочем положении не происходило высыпание заполнителя.
4.1.6 На крышке оболочки с болтовым креплением должно быть не менее двух невыпадающих блокировочных болтов с головками, утопленными впотай (или имеющими охранные кольца), или с опломбированными головками без размещения впотай. В соединениях оболочек электрооборудования группы II выполнение блокировочных болтов невыпадающими не обязательно.
Болтовые соединения оболочки должны быть защищены от самоотвинчивания.
4.2 Заполнитель
4.2.1 Требования к документации
Документация, представленная изготовителем и проверенная испытательной организацией в соответствии с требованиями ГОСТ Р 51300.0 (см. виды проверок документов), должна содержать подробную информацию о заполняющем материале, описание процесса заполнения и средств контроля правильности заполнения.
Описание должно включать:
- наименование и адрес изготовителя заполняющего материала;
- точные и полные технические данные заполнителя;
- размеры гранул (см. 4.2.2).
4.2.2 Требования к заполнителю
Размеры гранул не должны превышать следующих размеров сита согласно ИСО 565 [1]:
- верхний предел - металлопроволочная ткань или перфорированный металлический лист с номинальными размерами отверстий 1 мм;
- нижний предел - металлопроволочная ткань с номинальными размерами отверстий 0,5 мм. Допускаются только сухой кварцевый песок или твердые стеклянные частички, не содержащие металлических примесей.
Испытательная организация не проводит оценку заполнителя в соответствии с 4.2.1 и 4.2.2.
4.2.3 Требования к испытаниям
Заполнитель должен проходить испытания на пробивное напряжение согласно 5.1 и 5.2.
4.3 Расстояния в заполнителе
4.3.1 За исключением специально указанных в настоящем стандарте случаев, минимальные расстояния в заполняющем материале между двумя токопроводящими частями оборудования и изоляционными компонентами, с одной стороны, и внутренними стенками оболочки, с другой стороны, должны удовлетворять требованиям таблицы 1. Эти требования не распространяются на проводники, применяемые для внешних подсоединений, которые проходят через стенки оболочки. Такие проводники должны удовлетворять требованиям 4.3.3.
Рабочее напряжение и аварийные режимы работы в соответствии с 4.8 должны рассматриваться с учетом максимального значения питающего напряжения.
Примечание - Несмотря на то, что требования настоящего стандарта распространяются на электрооборудование на напряжение не более 1140 В, в таблице 1 указаны напряжения св. 1140 В, которые могут развиваться или генерироваться в электрооборудовании.
4.3.2 Следующие требования действуют в случае, если в электрооборудовании находятся компоненты, которые имеют свободный объем, не наполненный заполнителем (например, реле):
- если свободный объем компонента менее 3 см3 , то минимальное расстояние по заполнителю между стенками компонента и внутренней поверхностью оболочки должно удовлетворять требованиям таблицы 1;
- если свободный объем компонента более 3 см3 , но менее 30 см3 , то минимальное расстояние по заполнителю между стенкой компонента и внутренней поверхностью оболочки должно удовлетворять требованиям таблицы 1, но составлять не менее 15 мм;
- компонент должен быть жестко установлен таким образом, чтобы его перемещение в оболочке не допускалось;
- свободный объем более 30 см3 не допускается;
- оболочка компонента должна быть термоустойчивой и механически прочной (в т.ч. в аварийных режимах работы в соответствии с 4.8), т.е. не должно быть никаких ее повреждений или разрушений, которые могли бы привести к снижению защиты, обеспечиваемой заполнителем.
4.3.3 Электрические устройства и компоненты, не удовлетворяющие 4.3.1 или 4.3.2, должны иметь взрывозащиту одного из видов, приведенных в ГОСТ Р 51330.0.
4.4 Применяемые материалы
Материалы, устанавливаемые между токоведущими частями и стенками оболочки (кроме изоляции внешних проводников и заполнителя), в случаях, оговоренных в 4.3, должны удовлетворять требованиям на горючесть, как указано в 5.1.3.
4.5 Вводные устройства
4.5.1 Кабельные вводы и проходные зажимы электрооборудования с кварцевым заполнением оболочки, составных частей электрооборудования и Ex-компонентов не должны ухудшать степень защиты оболочки, предписанную в 4.1.2.
4.5.2 Кабельные вводы и проходные зажимы электрооборудования должны быть защищены и уплотнены, как указано в 4.1.4 настоящего стандарта. Требования ГОСТ Р 51330.0 не распространяются на кабельные вводы и проходные зажимы оболочек, заполненных кварцем и устанавливаемых внутри другой оболочки, отвечающей требованиям 4.1.2 настоящего стандарта.
4.6 Элементы, аккумулирующие электрическую энергию
Энергия всех конденсаторов, установленных в электрооборудовании с кварцевым заполнением оболочки, а также в составных частях электрооборудования и Ex-компонентах, не должна превышать 20 Дж в нормальных режимах работы.
Применение химических источников тока и батарей, которые могут нарушить взрывозащиту данного вида, не допускается.
4.7 Температурные пределы
Электрооборудование, его составные части и Ex-компоненты с кварцевым заполнением оболочки должны быть защищены от таких аварийных повреждений, как короткое замыкание или тепловая перегрузка, таким образом, чтобы допустимые температурные пределы принятого температурного класса не были превышены как на стенке оболочки, так и внутри заполнителя до глубины не менее 5 мм, считая от стенки оболочки.
4.8 Аварийные повреждения
Взрывозащита вида "кварцевое заполнение оболочки" должна сохраняться и в случае перегрузок, оговоренных в стандарте на изделия, и при любом одном электрическом повреждении, которое может вызвать или перенапряжения, или перегрузки по току, например:
- короткое замыкание любого компонента;
- разрыв электрической цепи из-за повреждений какого-либо компонента;
- повреждения печатной платы и т.д.
Если внесенное повреждение может вызвать серию повреждений, например перегрузку элементов, то первичное и последующие повреждения считают как одно повреждение.
В случае если стандарт на изделие отсутствует, перегрузки должны быть регламентированы изготовителем.
При рассмотрении повреждений к клеммам должно подаваться максимальное напряжение питания Um .
4.8.1 Неучитываемые повреждения
Следующие повреждения могут не учитываться:
а) значение сопротивления ниже номинального значения для резисторов пленочного типа, проволочных резисторов и катушек, намотанных в один слой в форме спирали, когда они нагружены не более чем на 2/3 своей номинальной величины по напряжению и мощности, как указано изготовителем;
б) короткое замыкание пластмассовых, керамических и бумажных конденсаторов, когда они нагружены не более чем на 2/3 их номинальной величины по напряжению, регламентируемой изготовителем;
в) пробой изоляции оптронов и реле, предназначенных для разделения различных цепей, если суммарная величина напряжения максимальных значений напряжений двух цепей не превышает 1140 В, а номинальное напряжение компонента между двумя различными цепями превышает U не менее чем в 1,5 раза.
Трансформаторы, катушки и обмотки, удовлетворяющие требованиям взрывозащиты вида e , или трансформаторы, удовлетворяющие требованиям взрывозащиты вида ”искробезопасная электрическая цепь”, не рассматривают как повреждаемые.
Считают, что короткое замыкание не возникнет, если зазоры и пути утечки между оголенными токоведущими частями или печатными дорожками не меньше величин, указанных в таблице 2 (методика измерения зазоров указана в стандартах на взрывозащиту видов e и i ).
Таблица 2 - Пути утечки и расстояния по заполнителю
Размеры в миллиметрах
| Амплитудное значение напряжения, В |
Минимальное значение СИТ |
Путь утечки |
Путь утечки под покрытием |
Расстояния по заполнителю |
| 10 |
- |
1,5 |
0,6 |
|
| 30 |
2,0 |
0,7 |
1,5 |
|
| 60 |
100 |
3,0 |
1,0 |
|
| 90 |
4,0 |
1,3 |
2,0 |
|
| 190 |
8,0 |
2,6 |
||
| 375 |
10,0 |
3,3 |
3,0 |
|
| 550 |
15,0 |
5,0 |
||
| 750 |
175 |
18,0 |
6,0 |
|
| 1000 |
25,0 |
8,3 |
5,0 |
|
| 1300 |
36,0 |
12,0 |
||
| 1575 |
49,0 |
13,3 |
10,0 |
Амплитудные значения напряжений, приведенные в таблице 2, должны рассматриваться как максимальные амплитудные значения напряжения между токоведущими частями. Если части электрически изолированы, то сумма амплитудных значений напряжений двух цепей должна рассматриваться в качестве амплитудного значения напряжения.
Амплитудное значение напряжения должно быть учтено при нормальном режиме работы (переходными процессами можно пренебречь) и при аварийных повреждениях с учетом требований настоящего стандарта.
Пути утечки под покрытием должны соответствовать требованиям таблицы 2, а само покрытие должно:
- быть влагостойким;
- иметь хорошую адгезию с токопроводниками и изоляционным материалом;
- наноситься в два слоя, если используется метод пульверизации;
- быть эффективным и не разрушаться при других разовых способах нанесения, например окунанием, нанесением с помощью кисти, вакуумной пропиткой;
- не повреждаться во время затвердевания;
- твердое покрытие считают как одно покрытие, т.к. оно не повреждается во время нанесения.
Выступающие токопроводящие части (включая штыри) не считают покрытыми, если не предусмотрены специальные средства для получения эффективного неразрушающего покрытия.
При оголенном проводнике сравнительный индекс трекингостойкости (СИТ), указанный в таблице 2, применяют как к изоляции, так и к соответствующему покрытию.
Амплитудные значения напряжения, превышающие 1575 В, всегда рассматривают в качестве основания для признания аварийного повреждения.
Примечание - Индекс СИТ не определяют для изоляционных материалов при напряжении 10 В и менее.
4.8.2 Защитные устройства для ограничения температуры
Ограничение температуры может быть достигнуто внешними или внутренними электрическими или тепловыми защитными устройствами. Устройства не должны быть самовосстанавливающимися.
Если в качестве защитных устройств используют предохранители с плавкими вставками, то плавкий элемент должен быть закрыт, например помещен в стеклянный или керамический корпус.
При напряжениях св. 60 В предохранители должны иметь разрывную мощность в соответствии с ГОСТ Р 50537 или ГОСТ Р 50339.0.
4.8.3 Токи короткого замыкания источников питания
Электрооборудование, составные части электрооборудования и Ex-компоненты с кварцевым заполнением оболочки, предназначенные для подсоединения к источникам питания напряжением не выше 250 В переменного тока, должны быть рассчитаны на ожидаемый ток короткого замыкания 1500 А, если в маркировке не указана допустимая величина тока короткого замыкания. Защита от токов св. 1500 А должна быть предусмотрена в самих установках.
Если необходимо ограничить ток до значения, не превышающего номинальную разрывную мощность предохранителя, то в качестве токоограничительного элемента должен использоваться резистор в соответствии с 4.8.1a, номинальные величины которого должны быть следующими:
- номинальное значение тока 1,5х1,7хI н предохранителя (где I н - номинальный ток предохранителя);
- максимальное значение напряжения питания Um ;
- номинальное значение мощности равно 1,5х1,7хI н R (где R - сопротивление ограничительного элемента).
5 ПРОВЕРКИ И ИСПЫТАНИЯ
5.1 Контрольные проверки и испытания
5.1.1 Контрольные испытания оболочки внутренним избыточным давлением
Независимо от объема оболочка должна выдерживать испытания внутренним избыточным давлением 0,5 бар (50000 Па) в течение 60+5 с без обнаружения остаточной деформации, превышающей 0,5 мм в каком-либо измерении.
Электрооборудование с кварцевым заполнением оболочки без смотровых окон и вентиляционных устройств, содержащее конденсаторы (кроме пластмассовых, бумажных или керамических), объем которых в восемь раз больше объема заполнителя, должны испытываться избыточным давлением 15 бар (1,5 МПа) в течение 60+5 с.
Испытания проводят в нормальном режиме работы оборудования, но могут быть выполнены без заполнителя.
5.1.2 Испытания оболочки на соответствие степени защиты
Испытания оболочки на соответствие степени ее защиты от внешних воздействий требованиям настоящего стандарта проводят на типовом образце электрооборудования по методике ГОСТ 14254. Все вентиляционные устройства должны быть в рабочем состоянии. Эти испытания проводят после испытаний оболочки внутренним избыточным давлением в соответствии с 5.1.1 настоящего стандарта.
5.1.3 Горючесть материалов
Должны выполняться требования по горючести материала, предъявляемые ГОСТ Р 51330.0.
5.1.4 Испытания диэлектрических свойств заполнителя
Диэлектрические свойства заполнителя определяют до процесса заполнения используемого образца заполнителя. Испытания проводят на установке, представленной на рисунке 1. Электроды погружают в заполнитель на глубину не менее 10 мм по всем направлениям.
Испытания проводят в течение 24 ч при температуре (23±2) °С и относительной влажности воздуха 45-55%. К электродам прикладывают напряжение 1140 В постоянного тока (допустимые колебания напряжения +5%).
Заполнитель соответствует требованиям, если ток утечки не превышает 10-6 А. Если заполнитель не выдержал испытаний, то повторно испытания не проводят.
5.1.5 Максимальные температуры
Если в качестве защитных устройств для ограничения температуры используют предохранители с плавкими вставками, то необходимо измерить в аварийном режиме максимальную температуру при длительном токе, не превышающем 1,7-кратный номинальный ток плавкой вставки, протекающий через цепь предохранителя.
Примечание - Чтобы смоделировать аварийные повреждения, которые могут привести к превышению температуры по сравнению с температурой при нормальном режиме работы, допускается применение более мощных компонентов, чем установленные в электрооборудовании, выделяющих необходимую максимальную энергию. Компоненты должны быть выбраны и установлены в оборудовании таким образом, чтобы они по тепловым характеристикам были репрезентативными по отношению к компонентам, вместо которых их устанавливают.

1 - изоляция; 2 - латунные электроды.
Предельные отклонения размеров ±1 мм.
Рисунок 1 - Испытательная установка для определения диэлектрических свойств заполнителя
5.2 Приемо-сдаточные проверки и испытания
5.2.1 Приемо-сдаточные испытания оболочки повышенным давлением
Каждая оболочка объемом св. 100 см3 должна подвергаться индивидуальным испытаниям давлением 0,5 бар (50 кПа) в течение 60+5 с без появления остаточной деформации, превышающей 0,5 мм в каком-либо измерении.
Испытания проводят в нормальном режиме работы оборудования, но могут быть выполнены без заполнителя.
Если оболочка выдержала контрольные испытания четырехкратным давлением 0,5 или 15 бар (50 или 1500 кПа) в соответствии с 5.1.1, то индивидуальные испытания давлением можно не проводить.
5.2.2 Испытания заполняющего материала пробивным напряжением
Диэлектрические свойства заполнителя должны быть проверены на образце до процесса засыпки. Для этого используют испытательную установку, приведенную на рисунке 1. Электроды должны быть погружены в заполняющий материал на глубину не менее 10 мм по всем направлениям. Испытательное напряжение 1140 В постоянного тока (допустимые колебания напряжения +5%) подают при следующих климатических условиях:
- температура окружающей среды (23±2) °С;
- относительная влажность воздуха от 45 до 55%.
Если ток утечки не превышает 10-6 А, то заполнитель считают выдержавшим испытание.
Если заполнитель первоначально не соответствует этим требованиям, то он может быть высушен и переиспытан.
6 МАРКИРОВКА
Маркировка должна соответствовать требованиям ГОСТ Р 51330.0, а также содержать следующую дополнительную информацию;
- предупредительную надпись ”Оболочка опломбирована. Открывать запрещается”;
- каждое присоединяемое устройство (внешние подсоединения) должно иметь маркировку с указанием номинальных значений напряжения и тока (например: ”24 В постоянного тока, 200 мА”, ”230 В, 100 мА”);
- информационные данные внешнего предохранителя, если вид защиты зависит от такого предохранителя, например: ”Требуется внешний предохранитель 315 мА”;
- допустимые значения тока короткого замыкания питающей сети, если оборудование сконструировано для токов короткого замыкания, отличных от 1500 А в соответствии с 4.8.3, например: “Допустимый ток КЗ: 35 А”.
ГОСТ Р 51330.8-99
Группа Е02
ГОСУДАРСТВЕННЫЙ СТАНДАРТ РОССИЙСКОЙ ФЕДЕРАЦИИ
ЭЛЕКТРООБОРУДОВАНИЕ ВЗРЫВОЗАЩИЩЕННОЕ
Часть 7
Защита вида е
Explosionproof electrical apparatus.
Part 7. Type of protection е
ОКС 29.260.20
ОКСТУ 3402
Дата введения 2001-01-01
Предисловие
1 РАЗРАБОТАН Центром сертификации “СТВ”
ВНЕСЕН Техническим комитетом по стандартизации ТК 403 “Взрывозащищенное и рудничное электрооборудование”
2 ПРИНЯТ И ВВЕДЕН В ДЕЙСТВИЕ Постановлением Госстандарта России от 16 декабря 1999 г. N 525-ст
3 ВВЕДЕН ВПЕРВЫЕ
ВВЕДЕНИЕ
Настоящий стандарт разработан на основе третьей редакции проекта МЭК 60079-7(31/284/CD) “Электрооборудование для взрывоопасной газовой атмосферы. Часть 7. Повышенная безопасность вида “е ”, разосланного на рассмотрение странам-членам МЭК 1999-02-26, и представляет собой аутентичный текст указанного проекта стандарта МЭК с незначительными дополнениями, отражающими потребности экономики страны. Дополнения в тексте стандарта выделены курсивом.
В целях удобства обращения к конкретным техническим требованиям в настоящем стандарте сохранена нумерация разделов, подразделов, пунктов, подпунктов и т.п. МЭК 60079-7(31/284/CD).
Из текста настоящего стандарта исключены ссылки информационно-библиографического характера, приведенные в МЭК 60079-7(31/284/CD). Например, из пояснения к термину “рабочее напряжение” (3.11) в настоящем стандарте исключена ссылка на МЭК 60664-1 “Изоляция внутри систем низкого напряжения. Часть 1. Принципы, требования, испытания” или исключено примечание к термину 3.12.6 (“уплотнительный элемент или батарея”), информирующее, что определение взято из европейского стандарта EN 50020 “Электрооборудование для потенциально взрывоопасной атмосферы “Искрозащита вида “i ” и т.п.
Исключение ссылок обусловлено тем, что, во-первых, они не носят нормативного характера, а во-вторых, стандарты, на которые даны ссылки, не гармонизированы с российскими стандартами. Отличительные признаки настоящего стандарта и проекта МЭК 60079-7(31/284/CD) изложены в приложении Л.
Кроме того, в приложении И, К даны извлечения из некоторых стандартов МЭК, не гармонизированных с российскими стандартами и в которых изложены отдельные конкретные требования к электрооборудованию с защитой вида “e ”, на которые в проекте МЭК 60079-7(31/284/CD) дается ссылка.
1 ОБЛАСТЬ ПРИМЕНЕНИЯ
Настоящий стандарт устанавливает требования к конструкции, испытанию и маркировке взрывозащищенного электрооборудования с защитой вида e .
Требования настоящего стандарта распространяются на взрывозащищенное электрооборудование с номинальным действующим значением напряжения питания переменного тока или с номинальным значением постоянного тока не более 11 кВ, в котором приняты дополнительные меры против возникновения дуговых разрядов, искрения или повышенных температур в нормальном или ненормальном режимах работы, указанных изготовителем электрооборудования в нормативно-технической документации.
Требования, установленные настоящим стандартом, дополняют общие требования, изложенные в ГОСТ Р 51330.0 для защиты вида e , если только они не отменяются в каком-либо конкретном случае.
Требования настоящего стандарта являются обязательными.
2 НОРМАТИВНЫЕ ССЫЛКИ
В настоящем стандарте использованы ссылки на следующие стандарты:
ГОСТ Р МЭК 86-1-96 Батареи первичные. Часть 1. Общие положения
ГОСТ Р МЭК 285-97 Аккумуляторы и батареи щелочные. Аккумуляторы никель-кадмиевые герметичные
ГОСТ 2746-90 (МЭК 238-87) Патроны резьбовые для электрических ламп. Общие технические условия
ГОСТ 8865-93* Системы электрической изоляции. Оценка нагревостойкости и классификация
______________
* В стандарт полностью введен международный стандарт МЭК 85-84.
ГОСТ 9806-90 (МЭК 400-87) Патроны для трубчатых люминесцентных ламп и стартеров. Общие технические требования
ГОСТ 14254-96 (МЭК 529-89) Степени защиты, обеспечиваемые оболочками (Код IP)
ГОСТ 17494-87 (МЭК 34-5-81) Машины электрические вращающиеся. Классификация степеней защиты, обеспечиваемых оболочками вращающихся машин
ГОСТ 26367.1-93 (МЭК 285-83) Аккумуляторы и батареи аккумуляторные щелочные никель-кадмиевые герметичные цилиндрические. Общие технические условия
ГОСТ 26615-85 Провода обмоточные с эмалевой изоляцией. Общие технические условия
ГОСТ 27174-86 (МЭК 623-83) Аккумуляторы и батареи аккумуляторные щелочные никель-кадмиевые негерметичные емкостью до 150 А·ч. Общие технические условия
ГОСТ 27473-87 (МЭК 112-79) Материалы электроизоляционные твердые. Методы определения сравнительного и контрольного индексов трекингостойкости во влажной среде
ГОСТ 28173-89 (МЭК 34-1-83) Машины электрические вращающиеся. Номинальные данные и рабочие характеристики
ГОСТ 28203-89 (МЭК 68-2-82) Основные методы испытаний на воздействие внешних факторов. Часть 2. Испытания. Испытание Fc и руководство. Вибрация (синусоидальная)
ГОСТ 28213-89 (МЭК 68-2-27-87) Основные методы испытаний на воздействие внешних факторов. Часть 2. Испытания. Испытание Еа и руководство. Одиночный удар
ГОСТ 28226-89 (МЭК 68-2-42-72) Основные методы испытаний на воздействие внешних факторов. Часть 2. Испытания. Испытание Кс. Испытание контактов и соединений на воздействие двуокиси серы
ГОСТ 28711-90 (МЭК 64-87) Лампы накаливания для бытового и аналогичного общего освещения. Эксплуатационные требования
ГОСТ 28712-90 (МЭК 432-84) Лампы накаливания для бытового и аналогичного общего освещения. Требования безопасности
ГОСТ 28779-90 (МЭК 707-81) Материалы электроизоляционные твердые. Методы определения воспламеняемости под воздействием источника зажигания
ГОСТ 29111-91 (МЭК 95-1-88) Свинцово-кислотные стартерные батареи. Часть 1. Общие требования и методы испытаний
ГОСТ 30331.2-95 (МЭК 364-3-93)/ ГОСТ Р 50571.2-94 (МЭК 364-3-93) Электроустановки зданий. Часть 3. Основные характеристики
ГОСТ Р 50030.1-92 (МЭК 60947-1-88) Низковольтная аппаратура распределения и управления. Часть 1. Общие требования
ГОСТ Р 50043.1-92 (МЭК 998-1-90) Соединительные устройства для низковольтных цепей бытового и аналогичного назначения. Часть 1. Общие требования
ГОСТ Р 50887-95 (МЭК 755-83) Устройства защитные, управляемые дифференциальным (остаточным) током. Общие требования и методы испытаний
ГОСТ Р 51330.0-99 (МЭК 60079-0-98) Электрооборудование взрывозащищенное. Часть 0. Общие требования
ГОСТ Р 51330.1-99 (МЭК 60079-1-98) Электрооборудование взрывозащищенное. Часть 1. Взрывозащита вида “взрывонепроницаемая оболочка”
ГОСТ Р 51330.5-99 (МЭК 60079-4-75) Электрооборудование взрывозащищенное. Часть 4. Метод определения температуры самовоспламенения
ГОСТ Р 51330.10-99 (МЭК 60079-11-99) Электрооборудование взрывозащищенное. Часть 11. Искробезопасная электрическая цепь i
ГОСТ Р 51330.15-99 (МЭК 60079-16-90) Электрооборудование взрывозащищенное. Часть 16. Принудительная вентиляция для защиты помещений, в которых устанавливают анализаторы
ГОСТ Р 51330.16-99 (МЭК 60079-17-96) Электрооборудование взрывозащищенное. Часть 17. Проверка и техническое обслуживание электроустановок во взрывоопасных зонах (кроме подземных выработок)
ГОСТ Р 51330.17-99 (МЭК 60079-18-92) Электрооборудование взрывозащищенное. Часть 18. Взрывозащита “герметизация компаундом (m )”
ГОСТ Р МЭК 61056.1-99 Портативные свинцовые аккумуляторы и батареи (типы, регулирующиеся с помощью клапана). Часть 1. Общие требования, функциональные характеристики, методы испытаний
ГОСТ Р МЭК 61195-99 Люминесцентные лампы с двойными цоколями. Спецификации безопасности
3 ОПРЕДЕЛЕНИЯ
В настоящем стандарте используются некоторые термины и определения из ГОСТ Р 51330.0, а также следующие термины с соответствующими определениями.
3.1 защита вида e : Вид защиты электрооборудования, использующий дополнительные меры против возможного превышения допустимой температуры, а также возникновения дуговых разрядов, искрения в нормальном или ненормальном режимах работы, указанных изготовителем электрооборудования в нормативно-технической документации .
Примечание - Электрооборудование, вызывающее в нормальном режиме работы дуговые разряды или искрение, по определению не может быть отнесено к защите вида e .
3.2 предельная температура: Максимально допустимая температура для электрооборудования или его частей, равная меньшей из двух температур, определяемых по:
а) опасности воспламенения взрывоопасной газовой среды;
б) термической стойкости используемых материалов.
Примечание - В качестве предельной температуры может быть принята максимальная температура поверхности (см. 3.8 и раздел 5 ГОСТ Р 51330.0) или меньшая температура (см. 4.8 настоящего стандарта).
3.3 начальный пусковой ток IA : Наибольшее действующее значение тока, потребляемое заторможенным электродвигателем с короткозамкнутым ротором или магнитом переменного тока, у которого якорь установлен гак, что создается максимальный воздушный зазор при номинальных напряжении и частоте.
Примечание - Переходные процессы не принимают во внимание.
3.4 отношение IA /IN : Отношение начального пускового тока IA к номинальному току IN .
3.5 время tE : Время нагрева начальным пусковым током IA обмотки переменного тока ротора или статора от номинальной температуры в условиях эксплуатации до предельной температуры при максимальной окружающей температуре (см. приложение А, рисунок A.1).
3.6 номинальный термический ток короткого замыкания Ith : Действующее значение тока, требуемое для нагрева проводника от номинальной рабочей температуры до предельной температуры за 1 с при максимальном значении температуры окружающей среды.
3.7 номинальный динамический ток Idyn : Амплитудное значение тока, динамическое воздействие которого электрооборудование может выдержать без повреждения.
3.8 ток короткого замыкания Isc : Максимальное действующее значение тока короткого замыкания, воздействию которого электрооборудование может подвергаться во время эксплуатации.
Примечание - Значение тока короткого замыкания согласно 23.2 ГОСТ Р 51330.0 должно быть указано в нормативно-технической документации.
3.9 путь утечки: Наикратчайшее расстояние между двумя токоведущими частями по поверхности электроизоляционного материала.
3.10 электрический зазор: Наикратчайшее расстояние по воздуху между двумя токоведущими частями.
3.11 наибольшее рабочее напряжение: Наибольшее действующее значение напряжения переменного или постоянного тока, которое может возникнуть (локально) по любой изоляции при номинальном напряжении питания в условиях разомкнутой цепи или в нормальном режиме работы. При этом переходные процессы не принимают во внимание.
3.12 Элементы или батареи
3.12.1 элемент: Система электродов, других деталей и электролит, образующие наименьший электрический блок батареи.
Примечания
1 Если в термине слово, например “батарея”, взято в скобки, то его можно опустить при условии, что это не приведет к разночтению.
2 На рисунке 1 показаны различные части элемента. Схема приведена только для иллюстрации и не отражает каких-либо требований к конструкции.

1 - сепаратор; 2 - положительно заряженная пластина; 3 - контейнер элемента; 4 - уровень электролита (макс./мин.); 5 - свободное пространство; 6 - уплотнение, непроницаемое для электролита; 7 - втулка для залива и слива; 8 - герметизированная оболочка держателя;
9 - соединитель между элементами; 10 - держатель вывода; 11 - уплотнение держателя, непроницаемое для электролита; 12 - стержень; 13 - опора пластины; 14 - отрицательно заряженная пластина; 15 - пространство для конденсата
Рисунок 1 - Части элемента
3.12.2 первичный элемент или батарея: Электрохимическая система, способная вырабатывать электроэнергию путем химической реакции.
3.12.3 аккумулятор или батарея: Электрически перезаряжаемая электрохимическая система, способная накапливать электроэнергию и выдавать ее путем химической реакции.
3.12.4 открытый элемент и батарея: Аккумулятор или батарея, имеющие крышку с отверстием, через которое выходят газы.
3.12.5 элемент или батарея с редуктором давления: Элемент или батарея, закрываемые в нормальных условиях и имеющие устройство выпуска газа, которое срабатывает при превышении установленного значения внутреннего давления. В нормальных условиях подача электролита в элемент невозможна.
3.12.6 уплотнительный элемент или батарея: Элемент или батарея, которые остаются закрытыми и не выпускают газ или жидкость, если не превышаются уровни зарядки или температуры, указанные изготовителем.
Примечание - Такой элемент или батарея могут быть снабжены защитным устройством, предотвращающим опасный рост внутреннего давления. Они не требуют добавления электролита и рассчитаны на работу в течение срока службы в первоначальном уплотненном состоянии.
3.12.7 батарея: Узел из двух или более элементов, соединенных электрически для увеличения напряжения или емкости.
Примечание - Термин “элемент(ы)” означает отдельные элементы, а термин “батарея(и)” - элементы и батареи.
3.12.8 емкость: Количество электричества или электрический заряд, который в обозначенных условиях обеспечивает полностью заряженная батарея.
Примечание - В системе СИ электрический заряд измеряют в кулонах (1 Кл=1 А·с), но на практике емкость батареи выражают в ампер-часах (А·ч).
3.12.9 номинальное напряжение: Напряжение элемента или батарей, указанное изготовителем.
3.12.10 максимальное напряжение разомкнутой цепи: Максимальное напряжение элемента или батареи в нормальном режиме работы, т.е. от нового первичного элемента или аккумулятора сразу же после зарядки (см. таблицы 9 и 10).
3.12.11 зарядка: Пропускание тока через первичный элемент для восстановления первоначально накопленной энергии в направлении, противоположном току, проходящему через первичный элемент в нормальном режиме работы.
3.12.12 обратная зарядка: Пропускание через первичный элемент или аккумулятор (например, через выработавшую свой ресурс батарею) тока, имеющего такое же направление, как и ток в нормальном режиме работы.
3.12.13 глубокая разрядка: Снижение напряжения элемента ниже значения, рекомендованного изготовителем элемента или батареи.
3.12.14 контейнер (элемента): Контейнер узла пластины и электролита из материала, устойчивого к воздействию электролита.
3.12.15 контейнер (батареи): Корпус батареи.
Примечание - Крышка является частью корпуса батареи.
3.12.16 узел пластины: Узел положительных и отрицательных групп с разделителями.
3.12.17 перегородка: Часть контейнера батареи, делящая его на отдельные секции и увеличивающая его механическую прочность.
3.12.18 изолирующий барьер: Электрически изолирующий материал между группами элементов внутри батареи.
3.12.19 соединитель между элементами: Электрический проводник, проводящий ток между элементами.
3.13 Резистивные нагревательные устройства и блоки
3.13.1 резистивное нагревательное устройство: Узел резистивного нагревательного блока, содержащий один или более нагревательных резисторов, которые состоят из металлических проводников или электропроводящего компаунда, соответствующим образом изолированного и защищенного.
3.13.2 резистивный нагревательный блок: Оборудование, содержащее узел из одного или более резистивных нагревательных устройств, соединенных с устройствами, исключающими повышение температуры выше заданной.
Примечание - Если устройство, предотвращающее превышение температуры, находится за пределами взрывоопасной зоны, то оно может не иметь защиту вида e .
3.13.3 рабочий объект: Объект, на котором применяют резистивное нагревательное устройство.
3.13.4 свойство самоограничения: Свойство резистивного нагревательного устройства, которое при номинальном напряжении питания и при повышении окружающей температуры обеспечивает снижение его выходной тепловой мощности до значения, при котором не происходит дальнейшее повышение температуры.
Примечание - Температура поверхности элемента становится равной температуре окружающей среды.
3.13.5 стабилизированная конструкция резистивного нагревательного устройства или блока: Конструкция резистивного нагревательного устройства или блока, при которой его температура благодаря конструктивным особенностям и условиям эксплуатации стабилизируется на уровне ниже предельной температуры при наиболее неблагоприятных условиях без применения защитной системы для ограничения температуры.
3.14 наружные соединения: Соединения, выполняемые в условиях эксплуатации.
3.15 внутренние соединения: Соединения, выполняемые изготовителем в контролируемых условиях.
3.16 нормальный режим работы электродвигателя: Режим, предусматривающий непрерывную работу электродвигателя при номинальных характеристиках, указанных на табличке, включая условия пуска.
3.17 электрическая нагревательная система, питаемая от сети: Система, состоящая из электрических нагревателей, питаемых от сети, кабелей, прокладок, панелей и опорных устройств, предназначенная для повышения и поддержания температуры продуктов, содержащихся в трубопроводах, резервуарах и сопряженном оборудовании, и устанавливаемая снаружи технологического оборудования.
4 ОБЩИЕ КОНСТРУКТИВНЫЕ ТРЕБОВАНИЯ
4.1 Общие положения
4.1.1 Требования данного раздела распространяются, если нет других указаний, на все электрооборудование с защитой вида e . Они дополняют ГОСТ Р 51330.0 и уточняют требования к некоторым видам электрооборудования (см. раздел 5).
4.2 Выводы для наружного соединения
4.2.1 Выводы для подсоединения внешних цепей должны иметь достаточный размер для надежного подсоединения проводов с поперечным сечением, соответствующим номинальному току электрооборудования.
Количество и размер проводов, которые могут подсоединяться к выводам согласно 23.2 ГОСТ Р 51330.0, должны быть указаны в нормативно-технической документации на конкретное электрооборудование.
Примечание - Из-за трудности контроля критических путей утечки и электрических зазоров при использовании антиоксидантов следует обратить особое внимание на алюминиевый провод. Подсоединение алюминиевого провода к наружным выводам можно производить с помощью биметаллических муфтовых соединений, выполненных из меди.
4.2.2 Выводы должны быть подвергнуты испытаниям согласно 6.9.
4.2.3 Выводы должны:
а) быть прочно закреплены на основании таким образом, чтобы исключить возможность их самоослабления;
б) иметь конструкцию, исключающую самоотсоединение и самоослабление провода во время затяжки вывода;
в) обеспечивать хороший контакт без повреждения проводов и нарушения их функциональных характеристик даже в случае, если используются многожильные провода, непосредственно зажимаемые на выводах.
Примечание - Допускается подсоединение путем обжатия жил кабеля при условии соблюдения указанных требований.
4.2.4 Выводы не должны:
а) иметь острых краев, которые могли бы повредить провода;
б) поворачиваться, скручиваться или длительно деформироваться во время нормального затягивания с усилием, указанным изготовителем электрооборудования, которое не должно быть меньше приведенного в ГОСТ Р 50043.1;
в) быть выполнены из алюминия.
4.2.5 Выводы должны быть выполнены таким образом, чтобы контакт, который они обеспечивают, не нарушался температурными изменениями в нормальном режиме работы. Давление контакта не должно передаваться через изолирующий материал.
4.2.6 Выводы для зажима многожильных проводов должны иметь гибкий промежуточный элемент.
4.2.7 Выводы для подсоединения многожильных проводов с номинальным поперечным сечением не более 4 мм2 (12 AWG) должны быть пригодны и для надежного соединения проводов, сечение которых меньше не менее чем на два размера (см. приложение Ж).
Примечания
1 Могут потребоваться специальные меры против вибрации и механического удара.
2 Необходимо принимать меры, исключающие коррозию от электролита.
3 При использовании материалов, содержащих железо, необходимо применять меры против коррозии.
4.3 Внутренние соединения
4.3.1 Внутренние соединения должны быть выполнены так, чтобы исключить возможность воздействия на них механических нагрузок. Допускаются только следующие способы соединения проводов:
а) винтовые крепления с блокировкой;
б) обжатие;
в) пайка, если сами провода не имеют спаянных соединений;
г) пайка угольной дугой;
д) сварка и
е) любые соединения других видов, удовлетворяющие требованиям 4.2.
Примечание - Необходимо принимать меры, исключающие коррозию от электролита.
4.3.2 Выводы должны подвергаться испытаниям в соответствии с 6.9.
4.4 Электрические зазоры
Электрические зазоры между неизолированными токоведущими частями, имеющими различный потенциал, должны соответствовать значениям, указанным в таблице 1. Для наружных соединений минимальное значение электрического зазора принимают равным 3 мм.
Таблица 1 - Пути утечки и электрические зазоры
| Напряжение постоянного тока или |
Минимальные пути утечки, мм |
Минимальный |
||
| действующее значение переменного |
Группа материала |
электрический |
||
| тока (см. примечание 1), В |
I |
II |
IIIa |
зазор, мм |
| 10 (см. примечание 2) |
1,6 |
1,6 |
1,6 |
1,6 |
| 12,5 |
1,6 |
1,6 |
1,6 |
1,6 |
| 16 |
1,6 |
1,6 |
1,6 |
1,6 |
| 20 |
1,6 |
1,6 |
1,6 |
1,6 |
| 25 |
1,7 |
1,7 |
1,7 |
1,7 |
| 32 |
1,8 |
1,8 |
1,8 |
1,8 |
| 40 |
1,9 |
2,4 |
3,0 |
1,9 |
| 50 |
2,1 |
2,6 |
3,4 |
2,1 |
| 63 |
2,1 |
2,6 |
3,4 |
2,1 |
| 80 |
2,2 |
2,8 |
3,6 |
2,2 |
| 100 |
2,4 |
3,0 |
3,8 |
2,4 |
| 125 |
2,5 |
3,2 |
4,0 |
2,5 |
| 160 |
3,2 |
4,0 |
5,0 |
3,2 |
| 200 |
4,0 |
5,0 |
6,3 |
4,0 |
| 250 |
5,0 |
6,3 |
8,0 |
5,0 |
| 320 |
6,3 |
8,0 |
10,0 |
6,0 |
| 400 |
8,0 |
10,0 |
12,5 |
6,0 |
| 500 |
10,0 |
12,5 |
16,0 |
8,0 |
| 630 |
12,0 |
16,0 |
20,0 |
10,0 |
| 800 |
16,0 |
20,0 |
25,0 |
12,0 |
| 1000 |
20,0 |
25,0 |
32,0 |
14,0 |
| 1600 |
23,0 |
27,0 |
32,0 |
20,0 |
| 2000 |
25,0 |
28,0 |
32,0 |
23,0 |
| 2500 |
32,0 |
36,0 |
40,0 |
29,0 |
| 3200 |
40,0 |
45,0 |
50,0 |
36,0 |
| 4000 |
50,0 |
56,0 |
63,0 |
44,0 |
| 5000 |
63,0 |
71,0 |
80,0 |
50,0 |
| 6300 |
80,0 |
90,0 |
100,0 |
60,0 |
| 8000 |
100,0 |
110,0 |
125,0 |
80,0 |
| 10000 |
125,0 |
140,0 |
160,0 |
100,0 |
| Примечания |
||||
| 1 Для всех напряжений фактическое рабочее напряжение может превышать значение, приведенное в таблице, на 10% |
||||
| 2 При напряжениях 10 В и ниже значения сравнительных индексов трекингостойкости (СИТ) недостоверны, и допускается использование материалов, не отвечающих требованиям, предъявляемым к материалам группы IIIa |
||||
Расстояния между выводами для соединений должны соответствовать сечению провода, которое обеспечивает минимальный электрический зазор.
Примечание - Требования к лампам с резьбовыми цоколями изложены в 5.3.3.1.4.
Электрические зазоры зависят от рабочего напряжения, указываемого изготовителем электрооборудования в нормативно-технической документации . Если электрооборудование рассчитано для работы с различными значениями напряжения, за рабочее напряжение принимают наибольшее значение номинального напряжения.
При определении зазоров необходимо учитывать факторы, указанные на рисунке 2.
|
|
|
|||
| Пример 1 |
Пример 2 |
|||
| Условие. |
Данный отрезок содержит паз с параллельными или сходящимися краями любой глубины и шириной менее X |
Условие. |
Паз с параллельными краями глубиной и шириной равной или больше X |
|
| Правило. |
Путь утечки и электрические зазоры измеряют непосредственно поперек паза, как показано |
Правило. |
Электрический зазор находится по линии визирования. Путь утечки повторяет контуры паза |
|
|
|
|
|||
| Пример 3 |
Пример 4 |
|||
| Условие. |
V-образный паз шириной большей X |
Условие. |
Рассматриваемый отрезок имеет форму выступа |
|
| Правило. |
Электрический зазор находится на линии визирования. Путь утечки повторяет контуры паза, но “укорачивает” низ паза за счет отрезка X |
Правило. |
Электрическим зазором является наикратчайшее расстояние через вершину выступа по воздуху. Путь утечки повторяет контуры выступа |
|
| 1 - электрический зазор; 2 - путь утечки; X = 2,5 мм |
||||
| Рисунок 2 - Определение путей утечки и электрических зазоров, лист 1 |
||||
|
|
|
|||
| Пример 5 |
Пример 6 |
|||
| Условие. |
Рассматриваемый отрезок имеет форму выступа |
Условие. |
Негерметизированное соединение с канавками с двух сторон |
|
| Правило. |
Электрический зазор и путь утечки находятся по линии визирования |
Правило. |
Электрический зазор находится по линии визирования. Путь утечки повторяет контуры канавок |
|
|
|
|
|||
| Пример 7 |
Пример 8 |
|||
| Условие. |
Негерметизированное соединение с канавками с двух сторон |
Условие. |
Путь утечки через негерметизированное соединение меньше пути утечки через барьер |
|
| Правило. |
Электрические зазоры и пути утечки - как показано |
Правило. |
Электрический зазор - наикратчайшее прямое расстояние по воздуху через верх барьера |
|
| 1 - электрический зазор; 2 - путь утечки; X=2,5 мм |
||||
| Рисунок 2, лист 2 |
||||
|
|
|
|||
| Пример 9 |
Пример 10 |
|||
| Электрический зазор между головкой винта и стенкой углубления достаточно широкий, и его надо учитывать |
Электрический зазор между головкой винта и стенкой углубления слишком узкий, и его не учитывают. |
|||
| Измерение пути утечки - от винта до стенки, когда это расстояние равно X |
||||
|
|
||||
| Пример 11 |
||||
| Электрический зазор и путь утечки равны d + D . |
||||
| C - изменяемая часть |
||||
| 1 - электрический зазор; 2 - путь утечки; X = 2,5 мм |
||||
| Рисунок 2, лист 3 |
||||
4.5 Пути утечки
4.5.1 Нормируемые значения путей утечки зависят от рабочего напряжения, сопротивления трекингу электроизоляционного материала и профиля его поверхности.
В таблице 2 приведена классификация электроизоляционных материалов по сравнительному индексу трекингостойкости (СИТ).
Таблица 2 - Сопротивление трекингу изоляционных материалов
| Группа материала |
Сравнительный индекс трекингостойкости |
| I |
СИТ ³ 600 |
| II |
400 £ СИТ < 600 |
| IIIa |
175 £ СИТ < 400 |
Неорганические изоляционные материалы, например стекло и керамика, не подвергают трекингу и поэтому определять их индекс СИТ нет необходимости. Эти материалы относят к группе I.
Классификация материалов, приведенная в таблице 2, распространяется на изолирующие части без выступов или углублений. При наличии выступов или углублений согласно 4.5.3 минимальные допустимые пути утечки для рабочего напряжения до 1140 В определяют по следующей более высокой группе материалов, например по группе I вместо группы II.
Примечание - Импульсные перенапряжения не учитывают, поскольку они, как правило, не влияют на трекинг. Однако временные и функциональные перенапряжения следует принимать во внимание, исходя из их длительности и частоты появления.
4.5.2 Пути утечки между неизолированными токоведущими частями, имеющими различный потенциал, должны соответствовать значениям, указанным в таблице 1. Для наружных соединений минимальное значение пути утечки принимают равным 3 мм. Пути утечки зависят от рабочего напряжения, устанавливаемого изготовителем электрооборудования в нормативно-технической документации .
Примечание - Требования к лампам с резьбовым цоколем изложены в 5.3.3.1.4.
4.5.3 При определении путей утечки необходимо учитывать факторы, указанные на рисунке 2, на котором также показаны и соответствующие пути утечки. Выступы и углубления учитывают если:
а) выступы имеют высоту не менее 2,5 мм и минимальную толщину 1,0 мм при соответствующей механической прочности материала и
б) углубления высотой и шириной не менее 2,5 мм. Если суммарный зазор менее 3 мм, то минимальная ширина углубления должна быть снижена до 1,5 мм.
Примечания
1 Все неровности поверхности рассматривают как выступы или углубления независимо от их геометрической формы.
2 Герметизированные конструкции (см. раздел 12 ГОСТ Р 51330.0) рассматривают как неразъемные.
4.6 Твердые электроизолирующие материалы*
________________
* Под этим термином понимают агрегатное состояние материала, в котором он используется. К твердым изолирующим материалам относятся материалы, которые применяют после их затвердевания (лаки, компаунды и т.п.).
4.6.1 Механические характеристики материалов, влияющие на их функциональные свойства, например прочность и твердость, должны сохранять свои значения:
а) при температуре не менее чем на 20 °С превышающей максимальную температуру, достигаемую в номинальных условиях эксплуатации, но не менее чем при 80 °С, или
б) вплоть до максимальной температуры, возникающей в номинальных условиях эксплуатации в изолированных обмотках (см. 4.8.3 и таблицу 3), на внутренней проводке (см. 4.9) и в кабелях, неразъемно подсоединяемых к электрооборудованию (см. ГОСТ Р 51330.0).
4.6.2 Изолирующие части из пластика или слоистого материала, при изготовлении которых снимают верхний слой материала, следует покрыть изоляционным лаком с СИТ не меньшим, чем у первоначальной поверхности. Это требование не распространяют на материалы, обработка которых не меняет СИТ, или на случаи, когда требуемый путь утечки обеспечивается другими частями, не подвергавшимися обработке.
4.7 Обмотки
4.7.1 Изолированные провода должны отвечать требованиям 4.7.1.1 или 4.7.1.2.
4.7.1.1 Провода следует покрыть не менее чем двумя слоями изоляции, при этом только один из слоев может представлять собой эмалевое покрытие.
4.7.1.2 Обмотка из круглых проводов, покрытых эмалью, должна отвечать требованиям, установленным для проводов:
а) типа 1 по ГОСТ 26615 при условии, что в процессе испытаний не происходит их повреждение при минимальном значении напряжения, предписанного для проводов типа 2, и если число точечных повреждений не более шести на длине провода 30 м, независимо от диаметра;
б) типа 2 по ГОСТ 26615.
4.7.1.3 Обмотки следует высушивать после крепления или заключения в оболочку и затем пропитать соответствующим веществом путем погружения или вакуумной пропитки. Покрытие краской или ее распыление не считают пропиткой.
Пропитку следует производить в соответствии с инструкциями изготовителя пропитывающего вещества таким образом, чтобы расстояния между проводами были максимально заполнены и обеспечивалось хорошее сцепление между ними. Это не распространяется на полностью изолированные катушки и провода обмотки, если до их установки в электрооборудование пазы и концевые обмотки катушек и проводов были пропитаны, заполнены наполнителем или изолированы другим путем и если после сборки они больше недоступны для изоляции.
Если используют пропитывающие вещества, содержащие растворитель, пропитку и сушку следует производить не менее двух раз.
4.7.2 Минимальный номинальный диаметр провода для обмоток должен составлять 0,2 мм.
Примечание - Обмотки и провода минимальным номинальным диаметром менее 0,25 мм могут быть защищены другим способом по ГОСТ Р 51330.0.
4.7.3 Чувствительные элементы термометров сопротивления не рассматривают как обмотки. При использовании термопреобразователей сопротивления в обмотках вращающихся электрических машин их следует устанавливать в пазах и пропитывать или уплотнять вместе с обмоткой.
4.8 Предельная температура
4.8.1 Температура ни одной из частей поверхности электрооборудования не должна превышать температуру термостойкости использующихся материалов. Более того, температура ни одной из поверхностей электрооборудования, в том числе поверхностей внутренних частей, в которые может проникать потенциально взрывоопасная среда, не должна превышать максимальную температуру поверхности, указанную в ГОСТ Р 51330.0, за исключением ламп в устройствах освещения, требования к которым изложены в 5.3.4.
Примечание - Должны выполняться оба условия, каждое из которых представляет собой ограничительный фактор для конкретного электрооборудования или его части.
4.8.2 Допустимая температура проводов и других металлических частей ограничивается:
а) недопустимым снижением их механической прочности;
б) недопустимым механическим напряжением за счет теплового расширения;
в) недопустимым повреждением прилегающих электрических изолирующих частей.
При определении температуры проводов следует учитывать их самонагрев и эффект от нагрева, находящихся рядом устройств.
4.8.3 Предельная температура изолированных обмоток не должна превышать значений, указанных в таблице 3, и учитывающих термостойкость электроизоляционных материалов при условии, что электрооборудование удовлетворяет требованиям 4.7.1.
Таблица 3 - Предельная температура изолированных обмоток
| Наименование параметра |
Метод измерения температуры (см. |
Температурный класс изолирующего материала согласно ГОСТ 8865 (см. примечание 2) |
||||
| примечание 1) |
А |
Е |
В |
F |
Н |
|
| Предельная температура в номинальных условиях, °С: |
||||||
| а) обмотка, изолированная одним слоем |
Термометром сопротивления или термометром |
95 |
110 |
120 |
130 |
155 |
| б) другие изолированные обмотки |
Термометром сопротивления |
90 |
105 |
110 |
130 |
155 |
| Термометром |
80 |
95 |
100 |
115 |
135 |
|
| 2 Предельная температура в конце периода tE (см. примечание 3), °С |
Термометром сопротивления |
160 |
175 |
185 |
210 |
235 |
| Примечания |
||||||
| 1 Термометр используют только в случае, когда измерение температуры по изменению сопротивления невозможно. В данном случае термин “термометр” имеет то же значение, что и в ГОСТ 28173 (т.е. термометр с термобаллоном или поверхностная термопара, или термопреобразователь сопротивления). |
||||||
| 2 В качестве предельной температуры для изолирующего материала класса Н принимают температуру, соответствующую самому высокому температурному классу изолирующего материала по ГОСТ 8865. |
||||||
| 3 Эти значения зависят от температуры окружающей среды, повышения температуры обмотки в номинальном режиме работы и увеличения температуры за период времени tE . |
||||||
4.8.4 Обмотки следует защитить с помощью соответствующих устройств, предотвращающих превышение предельной температуры эксплуатации (см. 4.8.1-4.8.3).
Подобные устройства не требуются, когда температура обмоток не превышает предельную температуру в номинальном режиме работы (4.8.3), даже если обмотки подвергаются непрерывной перегрузке (например, в режиме короткого замыкания электродвигателя).
Примечания
1 Защитное устройство может размещаться внутри и/или снаружи электрооборудования.
2 Условием нормальной эксплуатации является отсутствие электрических неисправностей в изолированных обмотках.
4.9 Внутренняя проводка
С целью исключения контакта с токоведущей частью проводку следует защитить механическими средствами, закрепить или расположить так, чтобы избежать повреждения изоляции.
4.10 Степень защиты, обеспечиваемая оболочкой
4.10.1 Степени защиты, обеспечиваемые оболочками по ГОСТ 14254 и ГОСТ 17494, должны быть заданы для:
а) электрооборудования, содержащего находящиеся под напряжением неизолированные токоведущие компоненты, на уровне не ниже IP54, если нет других указаний в 4.10.2, 4.10.3 или разделе 5;
б) электрооборудования, содержащего находящиеся под напряжением только изолированные согласно 4.6 проводящие компоненты, на уровне не ниже IP44, если нет других указаний в. 4.10.2, 4.10.3 или разделе 5.
4.10.2 Если в электрооборудовании имеются дренажные или вентиляционные отверстия, предотвращающие скопление конденсата, то предъявляемые требования зависят от группы взрывозащищенного электрооборудования:
а) для электрооборудования группы I степень защиты, обеспечиваемая оболочкой, должна соответствовать требованиям 4.10.1;
б) для электрооборудования группы II присутствие дренажных или вентиляционных отверстий не должно снижать степень защиты, обеспечиваемую оболочкой, ниже IP44 для случая 4.10.1а или ниже IР24 для случая 4.10.1б.
Если же присутствие таких отверстий снижает степень защиты ниже, чем указано в 4.10.1, то изготовитель согласно ГОСТ Р 51330.0 должен в нормативно-технической документации указать расположение и размеры дренажных и вентиляционных отверстий.
Согласно ГОСТ Р 51330.0 маркировка электрооборудования с дренажными и вентиляционными отверстиями, снижающими степень защиты, должна содержать знак Х и обозначение степени защиты, обеспечиваемой оболочкой этого электрооборудования.
4.10.3 Если внутри оболочки находятся цепи системы с взрывозащитой вида i по ГОСТ Р 51330.10 или части цепей систем, то:
а) на крышке оболочки, обеспечивающей доступ к находящимся под напряжением неискробезопасным цепям, должна быть табличка с надписью:
“НЕ ОТКРЫВАТЬ, КОГДА НЕИСКРОБЕЗОПАСНЫЕ ЦЕПИ ПОД НАПРЯЖЕНИЕМ!”,
б) или все части, находящиеся под напряжением и не имеющие защиты вида i , должны быть снабжены отдельной внутренней оболочкой, обеспечивающей степень защиты не ниже IP30 при открытой оболочке электрооборудования, и табличкой на крышке внутренней оболочки с надписью:
“НЕ ОТКРЫВАТЬ ПОД НАПРЯЖЕНИЕМ!”,
в) или на крышке оболочки электрооборудования должна быть укреплена табличка, соответствующая требованиям ГОСТ Р 51330.0, а также табличка с надписью:
“НЕИСКРОБЕЗОПАСНЫЕ ЦЕПИ ЗАЩИЩЕНЫ ВНУТРЕННЕЙ ОБОЛОЧКОЙ IP30”.
Примечание - Внутренняя оболочка обеспечивает минимально допустимую степень защиты от доступа к находящимся под напряжением неискробезопасным цепям, когда оболочка открывается на короткое время для проверки или настройки находящихся под напряжением искробезопасных цепей.
4.11 Крепежные детали
Для электрооборудования группы I, содержащего находящиеся под напряжением неизолированные компоненты, должны применяться специальные крепежные устройства согласно ГОСТ Р 51330.0.
5 ДОПОЛНИТЕЛЬНЫЕ ТРЕБОВАНИЯ К СПЕЦИАЛЬНОМУ ЭЛЕКТРООБОРУДОВАНИЮ
5.1 Общие положения
Данные требования, дополняющие требования раздела 4, распространяются, если нет других указаний, на специальное электрооборудование (см. 5.2-5.9), а также электрооборудование по 5.10.
5.2 Вращающиеся электрические машины
5.2.1 Степень защиты, обеспечиваемая оболочкой
Как исключение, требования по защите от проникновения твердых инородных частиц и воды (см. 4.10) могут быть обеспечены следующими степенями защиты вращающихся электрических машин (кроме соединительных коробок и неизолированных токоведущих частей), эксплуатирующихся в специальных условиях и регулярно обслуживаемых обученным персоналом:
а) IP23 - для вращающихся электрических машин группы I;
б) IP20 - для вращающихся электрических машин группы II.
Необходимо предотвратить вертикальное попадание твердых инородных предметов через вентиляционные отверстия в оболочке вращающейся электрической машины.
Маркировка вращающихся электрических машин, предназначенных для эксплуатации только в специальных условиях, должна содержать знак Х и обозначение степени защиты (см. 27.2 ГОСТ Р 51330.0).
5.2.2 Внутренние вентиляционные системы
Внутренние вентиляционные системы должны отвечать требованиям к зазорам и материалам для наружных вентиляторов, изложенным в 17.3 и 17.4 ГОСТ Р 51330.0.
5.2.3 Минимальный радиальный воздушный зазор
Минимальный радиальный воздушный зазор между статором и ротором в активной зоне сердечника должен быть не меньше значения, определяемого по формуле
, (1)
где LRmin - минимальный радиальный зазор, мм;
D - диаметр ротора, мм (минимальное значение 75 мм, максимальное - 750 мм);
n - максимальная номинальная частота вращения, об/мин (минимальное значение 1000 об/мин);
b - безразмерный коэффициент, равный 1,0 для машин с подшипниками качения и 1,5 - для машин с подшипниками скольжения;
r - безразмерный коэффициент, имеющий минимальное значение, равное 1.
Определяется по формуле
, (2)
где L - длина сердечника, мм
Примечание - В формулах (1) и (2) минимальный воздушный зазор не имеет прямой зависимости от частоты сети или количества полюсов, что показано па примере двух- или четырехполюсного электродвигателя с подшипниками качения, питаемого напряжением переменного тока частотой 50/60 Гц, имеющего ротор диаметром 60 мм и длину сердечника 80 мм.
Подставляя в формулу (2) значения: L = 80 мм; D = 60 мм; n = 3600 об/мин (максимальное значение); b = 1,0, получим
.
Принимаем r = 1. Затем рассчитываем минимальный радиальный воздушный зазор
мм.
5.2.4 Машины с короткозамкнутым ротором
5.2.4.1 В дополнение к 5.2.1-5.2.3 требования данного подпункта распространяются на машины с короткозамкнутым ротором, включая синхронные машины с короткозамкнутой пусковой или с демпферной обмотками.
5.2.4.2 Стержни короткозамкнутых роторов следует припаивать угольной дугой или приваривать к кольцам, замыкающим их накоротко, если только эти компоненты не выполнены в виде единого блока.
Для предотвращения искрения между стержнями и сердечником ротора их следует плотно вставлять в пазы.
Примечания
1 Плотного прилегания стержней в пазах можно достичь, например, литьем алюминия под давлением или установкой в пазах дополнительных прокладок, расклиниванием или посадкой на шпонку.
2 Стержни и кольца короткозамкнутых роторов не рассматривают как открытые проводящие части (см. 4 4, 4.5, 4.10 и 5.2.1).
5.2.4.3 Конструкцию ротора следует оценить на возможность возникновения искрения в воздушном зазоре. Необходимость проведения функциональных испытаний определяют по таблице 4.
Таблица 4 - Оценка короткозамкнутых роторов на риск образования искрения в воздушном зазоре
| Характеристика |
Значение, вид или соответствие |
Коэффициент фактора риска |
| Конструкция короткозамкнутого ротора |
Собранный цилиндр ротора |
2 |
| Цилиндр ротора из литого алюминия |
0 |
|
| Количество полюсов |
2 |
2 |
| От 4 до 8 |
1 |
|
| Св. 8 |
0 |
|
| Выходная номинальная мощность, кВт на полюс |
Св. 500 |
2 |
| От 200 до 500 |
1 |
|
| £ 200 |
0 |
|
| Радиальные каналы для охлаждения |
Да. L < 200 мм (см. примечание 1) |
2 |
| Да. L ³ 200 мм (см. примечание 1) |
1 |
|
| Нет |
0 |
|
| Перекос ротора или статора |
Да |
2 |
| Нет |
0 |
|
| Лобовая часть обмотки ротора |
Соответствует требованиям примечания 2 |
0 |
| Не соответствует требованиям примечания 2 |
2 |
|
| Температурный класс |
Т1 илиТ2 |
2 |
| Т3 |
1 |
|
| Т4 или Т5, или Т6 |
0 |
|
| Примечания |
||
| 1 L - длина крайнего пакета каналов сердечника. |
||
| 2 Конструкция лобовой части обмотки ротора должна исключать неустойчивый контакт и отвечать требованиям температурной классификации. Этим требованиям соответствует коэффициент фактора риска, равный 0. В противном случае коэффициент фактора риска принимает значение, равное 2. |
||
Если общая сумма коэффициентов превышает 5, то электродвигатель или представительный образец типового ряда необходимо подвергнуть испытанию согласно 6.2.3.
5.2.4.4 Температура на поверхности ротора не должна превышать предельно допустимое значение даже при пуске электродвигателя. Температура на поверхности ротора должна быть менее 300 °С или соответствовать значениям, оговоренным в 4.8.
Примечание - Компоненты короткозамкнутой машины следует выполнять из немагнитного или изолированного материала. В противном случае их температура на поверхности в режиме короткого замыкания электродвигателя может превысить температуру стержней ротора.
К таким компонентам относят удерживающие кольца, уравновешивающие диски, центрирующие кольца, вентиляторы или кожух забора воздуха.
5.2.4.5 При применении электродвигателя с защитным устройством от токов перегрузки, используемым для защиты от превышения предельной температуры, необходимо определить время tE , отношение IA /IN и указать их значения в маркировке электродвигателя.
Длительность времени tE должна быть такой, чтобы до его истечения электродвигатель с заторможенным ротором отключался защитным устройством от токов перегрузки. В целом это возможно, если превышается минимальное значение tE , график зависимости которого от отношения IA /IN представлен на рисунке 3.

Рисунок 3 - График зависимости минимального времени tE от отношения IA /IN
Значения времени tE менее величин, показанных на рисунке 3, допускаются только в случае, если в электродвигателе применено соответствующее защитное устройство от перегрузки, эффективность которого подтверждена испытаниями. Это устройство должно быть указано в маркировке электродвигателя. Ни в коем случае:
- при использовании защитного устройства от токов перегрузки время tE не должно быть меньше 5 с;
- отношение IA /IN не должно превышать 10.
5.2.4.6 При применении в обмотках электродвигателя датчиков температуры, соединенных с защитными устройствами и предотвращающих превышение температуры, необходимо определить отношение IA /IN и указать его значение в маркировке электродвигателя. Время tE определять не требуется. Датчики температуры обмотки, соединенные с защитными устройствами, считают удовлетворяющими требованиям температурной защиты электродвигателя, если выполняются требования 4.8.4 даже в режиме короткого замыкания электродвигателя. Соответствующие защитные устройства следует идентифицировать при маркировке электродвигателя в табличке, устанавливаемой на его корпусе. Значение отношения IA /IN ни в коем случае не должно превышать 10.
5.2.4.7 Электродвигатели, питаемые напряжением от преобразователя переменной частоты, следует либо оценивать согласно 5.2.4.9, либо испытывать вместе с преобразователями, указанными согласно ГОСТ Р 51330.0 в нормативно-технической документации, и в комплекте с предусмотренными защитными устройствами.
5.2.4.8 В электродвигателях на напряжение менее 1 кВ, питаемых от преобразователя, конструкция последнего должна предусматривать ограничение максимального напряжения относительно земли до 1 кВ и скорости повышения напряжения dU /dt 500 В/мкс.
В электродвигателях на напряжение 1 кВ и выше, имеющих намотку по определенной форме и питаемых от преобразователя, конструкция последнего должна предусматривать ограничение максимального напряжения относительно земли до двукратного номинального линейного напряжения и скорости повышения напряжения dU /dt 500 В/мкс.
Ограничение напряжения и скорости повышения напряжения можно достичь присоединением к выходу преобразователя индуктора и фильтра низких частот с шунтирующим конденсатором, подключаемых последовательно.
Преобразователь или преобразователь в сочетании с фильтром, отвечающие требованиям по ограничению максимального напряжения и скорости повышения напряжения, могут использоваться с любым электродвигателем с защитой вида e без ограничений.
Предельные значения параметров для электродвигателя с питанием от преобразователя, включая максимальную частоту вращения и механические характеристики при различных нагрузках, необходимо указывать на маркировочной табличке электродвигателя. Кроме того, в маркировке следует указать пригодность применения электродвигателя с защитой вида e , рассчитанного на заданное напряжение и номинальную выходную мощность, с преобразователем или преобразователем в сочетании с фильтром.
Примечание - Напряжения, превышающие максимальные, в электродвигателе возникают из-за несогласованности “волнового сопротивления” электродвигателя и питающего кабеля. Эта несогласованность приведет к увеличению коэффициента отражения на выводах электродвигателя. При этом импульсы напряжения высокой частоты, генерируемые преобразователем с широтно-импульсной модуляцией, может практически удвоить случайную составляющую напряжения, что отрицательно воздействует на электродвигатель и питающий кабель. При таком уровне напряжения может возникнуть коронный разряд, а это может привести к воспламенению. Чтобы предотвратить коронный разряд и избежать воздействия повышения напряжения, необходимо поддерживать технически обоснованные напряжение относительно земли и скорость повышения напряжения в пределах, установленных для обычного электродвигателя с защитой вида e . Этого можно достичь за счет конструкции преобразователя или использования фильтра низких частот на его выходе.
5.2.4.9 В приложении В приведены рекомендации по тепловой защите короткозамкнутых электродвигателей во время эксплуатации с помощью устройств защиты от перегрузки. Тепловые защитные устройства, за исключением их сенсоров, должны располагаться снаружи электродвигателей.
Примечание - При эксплуатации электродвигателей с питанием от преобразователя следует изучить приложение В.
5.2.5 Требования к обмоткам
5.2.5.1 Если намотка многофазных обмоток, рассчитанных на напряжение 200 В или выше, произведена беспорядочно, то между обмотками необходима дополнительная изоляция (помимо лака). Намотка фазных обмоток, рассчитанных на напряжение св. 1000 В, должна производиться по определенной методике, после чего их следует изолировать путем пропитки под вакуумом или с помощью наполнителя с преобладающим содержанием смолы.
5.2.6 Соединители заземляющих зажимов для вращающихся машин с многосекционными обмотками
5.2.6.1 В соответствии с примененной конструкцией и мощностью электродвигателя изготовитель должен указать площадь поперечного сечения и конструкцию соединителей заземляющих зажимов, установленных в поперечных пазах оболочки, которые расположены симметрично относительно оси вала.
5.2.6.2 Соединители заземляющих зажимов должны быть защищены от коррозии, и должна быть обеспечена прочность их крепления согласно раздела 15 ГОСТ Р 51330.0.
5.2.6.3 Соединители заземляющих зажимов должны быть выполнены таким образом, чтобы в момент пуска электродвигателя они обеспечивали проводимость только через предусмотренные точки соединения. Особую осторожность следует проявлять в отношении неизолированных гибких проводов, расположенных в непосредственной близости от соединяемых частей.
5.2.6.4 Соединители заземляющих зажимов не требуются в случае, когда изоляция обеспечивает защиту от протекающего циркулирующего тока.
Однако необходимо обеспечить соответствующее заземление изолированных открытых проводящих частей. Изоляция между такими частями должна выдерживать действующее значение испытательного напряжения, равное 100 В, в течение 1 мин.
5.2.7 Уплотнения вала
5.2.7.1 Уплотнения вала следует выполнять из материала, обеспечивающего фрикционную искробезопасность.
5.2.8 Выводы обмотки статора
5.2.8.1 Температура выводов обмоток статора не должна превышать предельную температуру (см. 4.6), при этом пусковой ток IA подают в течение времени tE .
5.2.9 Оценка и предварительное испытание электродвигателей на напряжение св. 1 кВ
5.2.9.1 Общие положения
5.2.9.1.1 Все электродвигатели номинальным напряжением св. 1 кВ следует оценивать согласно 5.2.9.2 и, если требуется, испытывать согласно 6.2.3.
5.2.9.1.2 Если требуется испытание электродвигателя во взрывоопасной газовой смеси, то его следует проводить согласно 6.2.3.2.
5.2.9.1.3 Испытания и оценку электродвигателей или опытных образцов следует проводить как на новом оборудовании.
5.2.9.1.4 Маркировка вращающихся электрических машин напряжением св. 1 кВ согласно ГОСТ Р 51330.0 должна содержать знак X. В маркировке также должны быть указаны допустимая частота включения машины и рекомендуемое время между основными ремонтными работами и техническим обслуживанием (разработка и чистка).
5.2.9.2 Система изоляции обмотки статора
5.2.9.2.1 Необходимость проведения функциональных испытаний определяется согласно таблице 5.
Таблица 5 - Оценка факторов риска возможности воспламенения обмотки статора
| Характеристика |
Значение |
Коэффициент фактора риска |
| Номинальное напряжение, кВ |
От 6,6 до 11 |
4 |
| От 3,3 до 6,6 |
2 |
|
| От 1 до 3,3 |
1 |
|
| Средняя частота запуска при эксплуатации |
Больше одного в час |
3 |
| Больше одного в сутки |
2 |
|
| Больше одного в неделю |
1 |
|
| Меньше одного в неделю |
0 |
|
| Промежуток времени между осмотрами (см. ГОСТ Р 51330.15) |
Св. 10 лет |
3 |
| От 5 до 10 лет |
2 |
|
| От 2 до 5 лет |
1 |
|
| Меньше 2 лет |
0 |
|
| Степень защиты |
Ниже IP44* |
3 |
| IР44и IP54 |
2 |
|
| IP55 |
1 |
|
| Выше IP55 |
0 |
|
| ________________ * Только в чистой атмосфере и при регулярном обслуживании обученным персоналом (cм. 5.2.1). |
||
Если суммарный коэффициент фактора риска будет больше 6, то электродвигатель или представительный образец типового ряда электродвигателей следует испытывать согласно 6.2.3.
5.3 Устройства освещения с питанием от сети*
________________
* Данный подраздел не содержит требований к устройствам освещения с сигнальными и аналогичными небольшими лампами (см. 5.10).
5.3.1 Источником света должна быть лампа одного из следующих типов:
а) трубчатые люминесцентные одноштырьковые лампы (Fa6) с холодным катодом и цоколями согласно приложению И;
б) трубчатые люминесцентные двухштырьковые лампы типа G5 или G13 согласно ГОСТ 9806. Штыри должны быть выполнены из латуни. Патроны ламп и гнезда должны отвечать требованиям 5.3.7. Такие лампы подсоединяют к цепи, где они включаются и работают без предварительного нагрева катода;
в) лампы с вольфрамовой нитью общего назначения согласно ГОСТ 28711 и ГОСТ 28712;
г) другие лампы, в которых после повреждения колбы отсутствует опасность повышения температуры частей источника света выше предельной температуры.
5.3.2 Для люминесцентных трубок расстояние между лампой и защитным колпаком должно быть не менее 5 мм, если только защитный колпак не представляет собой наружную трубку, тогда минимальное расстояние составляет 2 мм.
Для других ламп расстояние между лампой и защитным колпаком в зависимости от мощности лампы должно быть не менее значений, указанных в таблице 6.
Примечание - Для ограничения нагрева нейтрального провода генерируемые осветительными устройствами синусоидальные токи (гармоники третьего порядка) следует ограничить до 30% от тока с частотой основной гармоники.
Таблица 6 - Минимальное расстояние между лампой и защитным колпаком
| Мощность лампы P , Вт |
Минимальное расстояние, мм |
| P £ 60 |
3 |
| 60 < P £ 100 |
5 |
| 100 < P £ 200 |
10 |
| 200 < P £ 500 |
20 |
| P > 500 |
30 |
5.3.3 Патроны и цоколи ламп
5.3.3.1 Винтовые патроны и цоколи
5.3.3.1.1 Винтовые патроны с цоколями:
- должны отвечать требованиям 5.3.3.2.1, или
- электрический контакт между патроном и цоколем должен быть таким, чтобы при установке или вывинчивании цоколя лампы замыкание или размыкание электрической цепи согласно ГОСТ Р 51330.1 происходило только в отдельной взрывонепроницаемой оболочке.
5.3.3.1.2 Конструкция винтовых патронов должна исключать несанкционированное вывинчивание лампы после ее установки. Цоколи ламп, кроме лампы типа Е10, подвергают механическим испытаниям согласно 6.3.1.
Примечание - Резьбовая часть патрона должна быть выполнена из материала, устойчивого к коррозии.
5.3.3.1.3 Размыкание контакта должно происходить только после отвинчивания лампы не менее чем на два полных витка резьбы.
5.3.3.1.4 Лампы с винтовыми цоколями могут не соответствовать требованиям 4.4 и 4.5.2 при условии, что в них выдерживаются пути утечки и электрические зазоры, указанные в таблице 7.
Таблица 7 - Пути утечки и электрические зазоры для винтовых ламповых цоколей
| Рабочее напряжение U , B |
Пути утечки и электрический зазор, мм |
| U £ 60 |
2 |
| 60< U £ 250 |
3 |
Изолирующий материал цоколя лампы должен отвечать требованиям для материалов группы II, указанным в таблице 2.
5.3.3.2 Другие ламповые патроны и цоколи
5.3.3.2.1 Оболочка, образуемая патроном и цоколем, при установке и в момент замыкания или размыкания электрического контакта должна соответствовать требованиям испытаний на нераспространение пламени из вышеуказанной оболочки по ГОСТ Р 51330.1 для электрооборудования групп I и II.
Примечание - Допускаются к применению также ламповые патроны и цоколи, которые после установки соответствуют требованиям, предъявляемым к взрывозащите одного из видов по ГОСТ Р 51330.0.
5.3.3.2.2 Размеры патронов для трубчатых люминесцентных ламп типа Fa6 должны соответствовать требованиям приложения И, типа G5 или G13 - ГОСТ 9806.
5.3.3.2.3 Для других ламповых патронов в лампах с цилиндрическими цоколями ширина соединения между патроном и цоколем в момент замыкания или размыкания контакта должна составлять не менее 10 мм.
5.3.3.3 Требования к электрическому контакту между ламповым патроном и цоколем
5.3.3.3.1 Электрический контакт между ламповым патроном и цоколем должен обеспечиваться:
а) для винтовых цоколей:
- контактом с нижней частью цоколя через гибкие или пружинные элементы с усилием не менее 15 Н и
- контактом с цоколем при завинчивании не менее чем на два витка резьбы или через один или более пружинных элементов с общим усилием не менее 30 Н;
б) для цилиндрических штырьковых цоколей - с помощью пружинных элементов с усилием не менее 10 Н;
в) для цилиндрических штекерных цоколей, конструкция которых исключает искрение между цоколем и патроном на самом соединении или за его пределами, - пружинными элементами с усилием не менее 10 Н;
г) для цоколей, в которых при изъятии лампы из патрона прерывание цепи происходит в отдельной взрывобезопасной оболочке (согласно ГОСТ Р 51330.1), - пружинными элементами, имеющими контактное усилие на цоколь в момент размыкания цепи не менее 7,5 Н.
5.3.3.3.2 Приведенные выше минимальные значения контактных усилий относятся к лампам, вставленным в патрон и готовым к эксплуатации.
Примечание - Во время эксплуатации на усилие контактных элементов не должны оказывать сколь-нибудь значительного влияния нагрев и другие внешние воздействия.
5.3.4 Максимальная температура поверхности согласно раздела 5 ГОСТ Р 51330.0 может быть превышена, если наибольшая температура поверхности лампы внутри устройства освещения не менее чем на 50 °С ниже наименьшей температуры воспламенения внутри него в потенциально взрывоопасной среде, для которой оно предназначено. Это должно быть подтверждено испытаниями в наиболее неблагоприятных условиях применения.
Это условие действительно только для газовой среды, предусматриваемой в маркировке.
Примечание - Испытания, проведенные на устройствах освещения существующих типов показали, что температура воспламенения внутри него значительно выше температуры воспламенения, измеренной по ГОСТ Р 51330.5.
5.3.5 Температура на ободке цоколя лампы в точке припоя цоколя не должна превышать предельную температуру. Предельная температура должна быть менее 195 °С или составлять величину, указанную в 4.8.
5.3.6 Предельная температура ламповых пускорегулирующих аппаратов (ПРА) не должна превышаться даже при старении ламп. В частности, необходимо обратить внимание на эффект выпрямления в трубчатых люминесцентных лампах, испытания которых проводят по 6.3.2.
5.3.7 Источники освещения для трубчатых люминесцентных двухштырьковых ламп должны также отвечать следующим требованиям.
5.3.7.1 Установка патронов двухштырьковых ламп в устройство освещения должна производиться с соблюдением нижеследующих условий.
5.3.7.1.1 Условия установки и расстояния определяются с учетом механических характеристик и допусков, указанных в ГОСТ 9806 и ГОСТ Р МЭК 61195.
5.3.7.1.2 Патрон должен отвечать требованиям, предъявляемым к патронам типа G5 или G13 в ГОСТ 9806.
5.3.7.1.3 Штыри в каждом ламповом цоколе следует соединить параллельно или внутри лампового патрона, или в непосредственной близости от проводки осветительного устройства.
Допустимая номинальная боковая нагрузка каждого штырькового соединения должна определяться исходя из величины тока лампы, что позволит обеспечить резервирование.
5.3.7.1.4 Изоляционный материал лампового патрона должен отвечать требованиям, предъявляемым к неметаллическим материалам в разделе 7 ГОСТ Р 51330.0.
5.3.7.2 Если для получения разряда внутри лампы используют повышенное напряжение (например, от электронного зажигающего электрода), то для определения действующего значения (см. таблицу 1) это повышенное напряжение делят на
. Материал кольцевого уплотнения лампы должен иметь такой же электрический потенциал, как и штыри.
Если электронный ПРА лампы обеспечивает прерывание стартовых импульсов с максимальным периодом времени, равным 5 с, и если возврат возможен только после переключения питания устройства освещения, то коэффициент, равный
, можно увеличить до 2,3.
5.3.7.3 Максимальные значения поворотного момента и/или усилия на каждом конце лампы, прилагаемые при установке или снятии ее из осветительного устройства, не должны превышать 50% от предельных усилий, прилагаемых к штырям новой лампы и указанных в таблице 1 ГОСТ Р МЭК 61195.
5.3.7.4 Электрический контакт между каждым штырем лампы и патроном должен оставаться надежным даже в условиях коррозии и вибрации. Методики испытаний на воздействие коррозии и вибрации описаны в 6.3.3 и 6.3.4.
5.3.7.5 Если в соответствии с требованиями ГОСТ Р 51330.0 применен прерыватель цепи, то при снятии защитного колпака он должен обесточивать каждый ламповый патрон. Если прерыватель цепи применен, то:
а) он должен соответствовать требованиям ГОСТ Р 50030.1 и приложения К настоящего стандарта для перенапряжений категории III, или при максимальном напряжении питания 300 В (постоянного тока или действующее значение переменного тока) каждый электрический зазор между контактами на нейтральном проводе и/или на линии подачи питания должен составлять не менее 2,5 мм. Для обеспечения необходимого зазора можно суммировать два электрических зазора, каждый из которых должен быть не менее 1,25 мм;
б) при снятии защитного колпака осветительного устройства контакты должны размыкаться;
в) манипуляции с прерывателем цепи допускаются только при использовании инструмента или его рабочая часть должна иметь степень защиты IP2X по ГОСТ 14254. Так же можно допустить замыкание контакта (после срабатывания) с помощью инструмента;
г) прерыватель цепи должен иметь взрывозащиту требуемого вида.
5.4 Переносные лампы с собственным источником питания
Лампу следует защитить от механического повреждения защитным колпаком. Расстояние между защитным колпаком и лампой, когда последняя плотно вставлена, не должно быть менее 1 мм. Если лампа установлена в пружинном патроне и касается защитного колпака, то ход пружины должен быть не менее 3 мм. Защитный колпак:
а) должен быть защищен сеткой или
б) если его площадь не превышает 50 см2 , то должен быть защищен выступающим бортиком с минимальной высотой 12 мм, или
в) если его площадь больше 50 см2 , то должен выдерживать механические испытания для защитных колпаков и кожухов вентиляторов (см. ГОСТ Р 51330.0).
Переключающие устройства в цепи лампы, которые образуют искру или дуговой разряд в нормальном режиме работы, включая такие устройства, как язычковые реле, в которых искра или дуговой разряд образуются в герметичных корпусах, должны быть механически или электрически блокированы для предотвращения нарушения контакта в опасной зоне, или же их следует защитить одним из стандартных видов взрывозащиты (см. ГОСТ Р 51330.0).
5.5 Измерительные устройства и измерительные трансформаторы
5.5.1 Измерительные устройства и измерительные трансформаторы должны непрерывно выдерживать 1,2-кратный номинальный ток и/или номинальное напряжение без превышения предельной температуры согласно 4.8.
5.5.2 Трансформаторы тока и электрические цепи измерительных устройств (кроме цепей напряжения) должны выдерживать термические и динамические нагрузки тока, значения которого должны быть не менее указанных в таблице 8, в течение времени, приведенного в 6.4. При этом снижение уровня взрывозащиты не допускается.
Таблица 8 - Устойчивость к воздействию токов короткого замыкания
| Ток |
Трансформаторы тока и токоведущие части измерительных устройств |
| Номинальный термический короткого замыкания Ith |
³ 1,1·Isc (см. 3.8 и примечание 2) |
| Номинальный динамический Idyn |
³ 1,25·2,5·Isc (см. примечания) |
| Примечания |
|
| 1 2,5·Isc - это максимальное амплитудное значение тока короткого замыкания. |
|
| 2 Значения 1,1 и 1,25 представляют собой коэффициенты безопасности. Действующее значение допустимого тока короткого замыкания в нормальном режиме работы не должно превышать Ith /1,1. Амплитудное значение тока короткого замыкания не должно превышать Idyn /1,25. |
|
5.5.3 Температура, достигаемая во время прохождения тока, равного номинальному термическому току короткого замыкания Ith , не должна превышать предельную температуру, указанную в 4.8, и ни в коем случае не быть св. 200 °С.
5.5.4 Если токоведущие части измерительных устройств питаются от трансформаторов тока, то значения Ith и Idyn должны быть равны току, проходящему через вторичные короткозамкнутые обмотки трансформатора тока, при этом через первичные обмотки протекают токи Ith и Idyn .
5.5.5 Применение измерительных устройств с подвижными катушками не допускается.
5.5.6 Если вторичная цепь трансформатора тока находится за пределами электрооборудования, то его следует согласно ГОСТ Р 51330.0 маркировать знаком X, а в нормативно-технической документации согласно ГОСТ Р 51330.0 должно быть указано на необходимость защиты от размыкания вторичной цепи во время эксплуатации.
Примечание - В условиях размыкания вторичной цепи трансформаторов тока могут генерироваться напряжения, значительно превышающие номинальное напряжение выводов в цепи трансформатора. Поэтому, исходя из конкретных условий, необходимо принимать меры по обеспечению защиты от возникновения опасного напряжения в условиях размыкания вторичной цепи используемых трансформаторов тока.
При использовании электрооборудования, в котором трансформаторы тока соединены с согласующими трансформаторами с применением коммутационных устройств (например, дифференциальная защитная система), необходимы меры против размыкания любой цепи используемых трансформаторов.
5.6 Трансформаторы других типов, кроме измерительных
Трансформаторы других типов следует испытывать согласно 6.5.
5.7 Батареи
5.7.1 Батареи аккумуляторов емкостью более 25 А·ч
5.7.1.1 Общие положения
Батареи аккумуляторов должны быть свинцово-кислотными, железно-никелевыми или никель-кадмиевыми и отвечать требованиям настоящего стандарта. Методы испытаний батарей аккумуляторов изложены в 6.6.
Примечание - Соответствие нижеуказанным требованиям не обеспечивает безопасность зарядки. Поэтому зарядку следует производить за пределами опасной зоны, если только не предпринимают другие меры защиты.
5.7.1.2 Контейнеры батареи
5.7.1.2.1 Все внутренние поверхности контейнеров батареи и крышек, выполненные из металла, должны быть полностью покрыты изолирующим слоем. Для крышек достаточно покрытие краской. Внутренние поверхности контейнеров должны быть стойкими к воздействию электролита.
5.7.1.2.2 Конструкция контейнеров и крышек батареи должна выдерживать механические воздействия в процессе эксплуатации, включая механические воздействия при транспортировании и обслуживании. С этой целью в контейнере могут быть установлены перегородки.
5.7.1.2.3 Если необходимо, контейнеры батарей следует снабдить изолирующими барьерами. При условии соответствующего конструктивного исполнения перегородки могут выполнять роль изолирующих барьеров. Изолирующие барьеры должны располагаться так, чтобы в любой из секций предотвратить повышение напряжения св. 40 В. Барьеры должны быть выполнены таким образом, чтобы в процессе эксплуатации не произошло недопустимое уменьшение пути утечки. Высота барьеров должна составлять не менее 2/3 высоты элементов. Для расчета путей утечки метод, проиллюстрированный в примерах 2 и 3 рисунка 2, использовать не следует.
Путь утечки между полюсами прилегающих элементов и между этими полюсами и контейнером батареи должен составлять не менее 35 мм.
Если номинальное напряжение между прилегающими элементами батареи превышает 24 В, то путь утечки следует увеличивать не менее чем на 1 мм на каждые 2 В сверх 24 В.
5.7.1.2.4 Крышки контейнеров батареи следует крепить так, чтобы исключить любое случайное открытие или смещение крышки во время эксплуатации. Каждая крышка должна иметь крепежное устройство согласно 9.1 ГОСТ Р 51330.0.
5.7.1.2.5 Элементы следует вставлять в контейнер батареи так, чтобы исключить сколь-нибудь значительное смещение во время эксплуатации. Материал выводов и других встраиваемых устройств (например, уплотнительных и изолирующих барьеров) должен обладать изоляционными свойствами, не иметь пор и быть устойчивым к воздействию электролита, а также быть стойким к действию пламени.
5.7.1.2.6 Жидкость, которая может попасть во внутрь контейнера батареи, не имеющей дренажных отверстий, должна удаляться без изъятия элементов.
5.7.1.2.7 Контейнеры батареи должны иметь вентиляционные отверстия достаточного размера. В данном случае, вопреки требованиям 4.10, достаточна степень защиты IP23 согласно ГОСТ 14254.
Примечание - В отличие от ГОСТ 14254 испытательная организация может провести оценку защиты от доступа к взрывоопасным частям и проникновения твердых инородных объектов и воды на основе анализа нормативно-технической документации. Если согласно ГОСТ 14254 проводят испытания оболочки со степенью защиты IPX3 и если в контейнер батареи попадает вода, то для определения степени вредного воздействия может быть проведена оценка сопротивления изоляции согласно 6.6.1.
Вентиляционные отверстия должны обеспечивать такую вентиляцию, чтобы объемная доля водорода в контейнере батареи во время испытания не превышала 2% (см. 6.6.3).
5.7.1.2.8 Вилки и розетки должны отвечать требованиям раздела 20 ГОСТ Р 51330.0. Это требование не распространяется на розетки и вилки, которые можно разъединить только с помощью инструмента. На них должна быть предупредительная табличка с надписью:
“ПРЕДУПРЕЖДЕНИЕ! РАЗЪЕДИНЯТЬ ТОЛЬКО ВНЕ ВЗРЫВООПАСНОЙ ЗОНЫ”
Положительные и отрицательные штыри вилки, однополярные с соответствующими гнездами розетки, нельзя менять местами.
5.7.1.2.9 Полярность батареи, вилок и розеток должна быть четко маркирована.
5.7.1.2.10 Любое другое электрическое устройство, подсоединяемое или вставляемое в контейнер батареи, должно отвечать требованиям к взрывозащите одного из видов по ГОСТ Р 50330.0.
5.7.1.3 Элементы
5.7.1.3.1 Края элемента следует уплотнить с контейнером элемента, чтобы предотвратить утечку электролита. Не следует использовать легковоспламеняемые материалы.
5.7.1.3.2 Положительные и отрицательные пластины должны быть хорошо закреплены.
5.7.1.3.3 Каждый элемент должен быть снабжен указателем уровня электролита, указатель которого должен находиться между минимальными и максимальными допустимыми значениями уровня. Необходимо предпринимать меры, предотвращающие избыточную коррозию выступов аккумуляторных пластин и шин, когда электролит находится на минимальном уровне.
5.7.1.3.4 В каждом элементе следует оставлять достаточное пространство для предотвращения переполнения элемента при расширении электролита и для отложения осадка. Объем этих пространств следует определять с учетом ожидаемого срока службы батареи.
5.7.1.3.5 Элемент должен содержать отверстия для заполнения и сброса электролита, конструкция которых должна исключать выброс электролита в нормальном режиме работы. Их следует размещать таким образом, чтобы к ним был доступ для обслуживания.
5.7.1.3.6 Между каждым полюсом вывода и краем элемента необходимо установить уплотнение для предотвращения утечки электролита.
5.7.1.3.7 Новые полностью заряженные и готовые к работе батареи должны иметь сопротивление изоляции не менее 1 МОм между частями батареи, находящимися под напряжением, и контейнером батареи.
Примечание - В условиях эксплуатации сопротивление изоляции батарей должно быть не менее 50 Ом на вольт номинального напряжения при минимальном значении 1000 Ом.
5.7.1.4 Соединения
5.7.1.4.1 Внутренние соединения между прилегающими элементами, которые смещаются относительно друг друга, не должны быть жесткими. При использовании нежестких соединений каждый конец соединения должен:
а) быть приварен или припаян к выводу, или
б) обжат медным цилиндрическим элементом, отлитым вместе с выводом, или
в) обжат медным элементом, который завинчивается резьбовым крепежным устройством в вставку, отлитую вместе с выводом. Вставка может быть выполнена из меди или другого материала, если механические, термические и электрические свойства соединения проверены испытанием на крутящий момент согласно 23.4.5 ГОСТ Р 51330.0 и если удовлетворяются требования 5.7.1.4.3.
В случаях, оговоренных в перечислениях б) и в), соединения внутри элемента должны быть из меди.
5.7.1.4.2 При использовании нежестких соединений, обжатых медным элементом в соответствии с 5.7.1.4.1, перечисление в), резьбовые соединения должны быть прочно затянуты. Эффективная площадь контакта между зажимом и выводом элемента должна быть не менее площади поперечного сечения зажима внутри элемента.
Резьбовые соединения следует подвергнуть температурным испытаниям согласно 23.4.6.1 ГОСТ Р 51330.0, при этом ток, проходящий через соединение, равен непрерывному номинальному току провода, указанному изготовителем в нормативно-технической документации. При расчете эффективной площади контакта резьбовые соединения не учитывают.
Примечание - Когда необходимо улучшить механические свойства соединения (например, предотвратить срыв резьбы в винтах в медной ставке), обжатие нежестких соединений (см. 5.7.1.4.1, перечисление в) допускается осуществлять элементом, изготовленным из сплава меди с небольшим количеством другого металла (например, хрома или бериллия). При использовании таких сплавов может понадобиться увеличение площади контакта соединений внутри элемента, чтобы скомпенсировать снижение электропроводности за счет воздействия другого металла.
5.7.1.4.3 Соединения должны проводить необходимый ток без превышения предельной температуры (см. 4.6.1, 4.8.1 и 4.8.2). Если нагрузку определить невозможно, то емкость батареи определяют по скорости разрядки, которую указывает изготовитель.
Если используют два соединителя, то каждый из них должен быть способен проводить весь ток без превышения предельной температуры.
5.7.1.4.4 Все соединения, подвергаемые воздействию электролита, должны быть защищены. Например, в свинцово-кислотных батареях неизолированные соединители из металла, кроме свинца, следует покрыть свинцом. Это положение не распространяется на резьбовые соединения.
5.7.1.4.5 Элементы батареи должны быть изолированы для предотвращения случайного контакта при открытии крышки батареи.
5.7.2 Батареи первичных элементов и аккумуляторные батареи емкостью до 25 А·ч*
________________
* Данные не распространяются на батареи фонарей шахтерских касок.
5.7.2.1 Общие замечания
5.7.2.1.1 Батареи внутри электрооборудования с защитой вида e должны состоять только из элементов, соединенных простейшими рядами.
5.7.2.1.2 Следует использовать только элементы с нормированными характеристиками, указанными в стандартах на элементы. В таблицах 9 и 10 приведены перечни элементов, на которые уже имеются или находятся в процессе разработки соответствующие стандарты.
5.7.2.1.3 Все элементы в батарее должны иметь одинаковую электрохимическую систему, одинаковую конструкцию и равные значения номинальных емкостей.
5.7.2.1.4 Все батареи следует размещать и эксплуатировать таким образом, чтобы не выходить за допустимые пределы, указанные изготовителем элемента или батареи.
5.7.2.1.5 Батареи не должны содержать расположенных хаотично первичных и вторичных элементов.
5.7.2.1.6 Первичные и вторичные элементы или батареи не следует использовать в одной оболочке электрооборудования, если они взаимозаменяемы.
5.7.2.1.7 Первичные батареи перезаряжать не допускается. Если внутри электрооборудования, содержащего первичные батареи, имеется другой источник напряжения и существует опасность их взаимного соединения, то необходимо предпринять меры, предотвращающие пропускание через них тока зарядки.
5.7.2.1.8 В батареях не следует использовать элементы, произведенные разными изготовителями.
5.7.2.1.9 Конструкция и размещение элементов должны быть такими, чтобы предотвратить утечку электролита, что может отрицательно повлиять на вид защиты или элементы, обеспечивающие безопасность.
5.7.2.1.10 Для электрического соединения батареи должны использоваться только методы, рекомендованные изготовителем.
Таблица 9 - Первичные элементы
| Тип элемента по ГОСТ Р МЭК 86-1 |
Положительный электрод |
Электролит |
Отрицательный электрод |
Нормальное напряжение, В |
Максимальное напряжение разомкнутой цепи, В |
| - |
Диоксид марганца* |
Хлориды аммония, цинка |
Цинк |
1,5 |
1,73 |
| А |
Соединения кислорода |
1,4 |
1,55 |
||
| С |
Диоксид марганца |
Органическое соединение |
Литий |
3,0 |
3,7 |
| Е |
Хлорид тионила |
Гидрат неорганического соединения |
3,6 |
3,9 |
|
| L |
Диоксид марганца |
1,5 |
1,65 |
||
| S |
Оксид серебра (Ag2 O) |
Гидроксид щелочного металла |
Цинк |
1,55 |
1,63 |
| Т |
Оксиды серебра (AgO, Ag2 O) |
1,87 |
|||
| ** |
Диоксид серы |
Гидрат органической соли |
Литий |
3,0 |
3,0 |
| ________________ * Элементы из цинка/диоксида марганца описаны в ГОСТ Р МЭК 86-1, но не обозначены по типу. |
|||||
| ** Элемент не используется |
|||||
5.7.2.1.11 Если при установке батареи внутри электрооборудования важна ее ориентация, она должна быть указана снаружи оболочки электрооборудования.
5.7.2.1.12 При необходимости замены элементов или батарей внутри корпуса потребитель должен ознакомиться с соответствующими параметрами, позволяющими произвести технически грамотную их замену. Параметры должны указываться изготовителем элемента или батареи либо на корпусе, либо внутри него, либо в инструкции по эксплуатации. К параметрам, указываемым изготовителем, относятся: реквизиты изготовителя, каталожный номер элемента или батареи, тип электрохимической системы, номинальное напряжение и номинальная емкость.
Таблица 10 - Вторичные элементы типа К
| Обозначение стандарта |
Тип электрохимической системы |
Электролит |
Максимальное напряжение разомкнутой цепи, В |
Номинальное напряжение, В |
| ГОСТ Р МЭК 61056, |
Свинцово-кислотные (мокрые) |
Серная кислота (плотность 1,25 г/см3 ) |
2,67 |
2,2 |
| ГОСТ 29111 |
Свинцово-кислотные (сухие) |
2,35 |
2,2 |
|
| ГОСТ 26367.1,ГОСТ 27174 |
Никель-кадмиевые |
Гидроксид калия (плотность 1,3 г/см3 ) |
1,55 |
1,2 |
| * |
Гидрид никеля |
Гидроксид калия |
1,5 |
1,2 |
| ________________ * Элемент не используется. |
||||
5.7.2.2 Утечка воспламеняющегося газа
Элементы и батареи рассматривают как потенциальные источники утечки воспламеняющегося газа, которым может быть электролитический газ, т. е. водород и кислород, образуемые в результате электролиза в соответствующих количествах.
Учитывая опасность утечки воспламеняющегося газа из элементов и батарей, следует соблюдать следующие правила:
- элементы и батареи должны соответствовать требованиям, указанным изготовителем в нормативно-технической документации на них;
- элементы и батареи должны эксплуатироваться в номинальном режиме работы, указанном изготовителем в нормативно-технической документации;
- выходное напряжение элемента и батареи должно быть в пределах, указанных изготовителем в нормативно-технической документации;
- должны соблюдаться требования безопасности элемента и батареи, устанавливаемые изготовителем в зависимости от примененной взрывозащиты конкретного вида по ГОСТ Р 51330.0 и с учетом конструкции элемента и батареи:
а) с утечкой газа в нормальном режиме работы;
б) без утечки газа в нормальном режиме работы.
5.7.2.3 Допустимая электрохимическая система
Следует использовать только элементы, которые перечислены в таблицах 9 и 10 и на которые имеются стандарты.
5.7.2.4 Классификация элементов и батарей
В зависимости от характеристик электрохимических систем, от конструкции элементов и батарей предпринимают различные меры предосторожности. Исходя из критерия требуемых мер предосторожности, элементы и батареи классифицируют по опасности утечки газа на две группы:
- с утечкой газа в нормальных рабочих условиях. К этой группе относят открытые элементы и уплотненные элементы, снабженные вентилем;
- без утечки газа в нормальном режиме работы.
5.7.2.5 Общие требования
5.7.2.5.1 При герметизации элемента устройства сброса давления не должны закрываться. В условиях наиболее неблагоприятной и предсказуемой утечки из батареи размер отверстия для сброса должен быть достаточным для предотвращения опасного роста давления в герметизированном узле. Для каждой батареи требуется хотя бы одно отверстие для сброса. При герметизации элементов и батарей необходимо учитывать возможное расширение элементов во время зарядки.
Примечания
1 В настоящем стандарте смысл терминов “герметизировать” и “герметизация” не соответствует определениям (смыслу) аналогичных терминов, изложенным в ГОСТ Р 51330.17.
2 Размеры и расположение отверстий для сброса зависят от типа и емкости батарей. Также следует учитывать влияние процессов старения на емкость батареи и, следовательно, на скорость образования газа.
5.7.2.5.2 Имея ввиду возможность потенциальной утечки газа, при определении схемы расположения батарей необходимо принимать во внимание весь диапазон рабочих температур, внутреннее сопротивление батареи и пределы напряжения. При этом предполагается возможность разбаланса батарей. Элементы с незначительным сопротивлением или напряжением можно не учитывать.
5.7.2.5.3 Температура наружной поверхности элемента или батареи не должна превышать значения, указанного изготовителем, или 80 °С в зависимости от того, какое значение температуры меньше.
5.7.2.5.4 Электрические соединения между элементами и с батареями должны соответствовать требованиям 4.3. Рекомендуется применять соединения, тип которых указан изготовителем элемента или батареи.
5.7.2.5.5 Между полюсами элементов необходимо соблюдать следующие электрические зазоры и пути утечки:
- электрические зазоры и пути утечки между полюсами элемента можно не принимать во внимание в случае, когда отдельный элемент выполнен как безопасный, т.е. ток короткого замыкания и максимальная температура поверхности в нем ограничены соответствующими значениями за счет внутреннего сопротивления;
- электрический зазор и путь утечки между полюсами элемента должны составлять не менее 0,5 мм в случае, когда в отдельном элементе максимальное напряжение разомкнутой цепи равно или меньше 24 В, и этот элемент не является частью батареи;
- электрический зазор и путь утечки в зависимости от напряжения должны соответствовать значениям, указанным в таблице 1, в случае, когда напряжение во всех батареях и элементах более 2 В.
5.7.2.5.6 В целях предотвращения неправильного соединения или использования элементов с различным уровнем зарядки, или элементов с разными сроками службы все герметизированные вторичные элементы следует объединять в единый батарейный источник питания.
5.7.2.5.7 Если элементы и батареи не являются неотъемлемой частью электрооборудования, следует предпринять меры для защиты элементов, батареи или зарядного устройства от неправильного подсоединения их к электрооборудованию.
К таким способам защиты относят: применение поляризованных соединителей или маркировку соединителей, показывающую правильное соединение.
Также должны быть выполнены условия для безопасного объединения цепей.
5.7.2.5.8 Если в нормальном или ненормальном режимах работы возможен выброс электролита, необходимо предпринять меры, предотвращающие загрязнение электролитом частей электрооборудования, находящихся под напряжением. Герметизированные элементы этой защиты не требуют.
Элементы или батареи открытого типа или с управлением от ПРА должны быть помещены в отдельный корпус для защиты от электролита других частей электрооборудования. Электрический зазор и путь утечки внутри корпуса элемента или батареи открытого типа или с управлением от ПРА следует увеличить не менее чем до 10 мм.
5.7.2.5.9 Батареи и соединенные с ними защитные устройства должны быть прочно закреплены специальным зажимом или крепежным устройством.
5.7.2.5.10 Батарея и сопряженное защитное устройство или устройства не должны перемещаться относительно друг друга, так как это нарушает требования к защите вида e .
Примечание - Соответствие 5.7.2.5.9 и 5.7.2.5.10 должно быть проверено до и после механического испытания на удар/падение согласно ГОСТ Р 51330.0.
5.7.2.6 Зарядка во взрывоопасной зоне
5.7.2.6.1 Если элементы и батареи требуется перезарядить во взрывоопасной зоне, то заряжающие цепи должны являться частью электрооборудования. Система зарядки должна быть такой, чтобы даже в условиях одной ее неисправности напряжение и ток зарядки не превышали пределов, установленных изготовителем.
5.7.2.6.2 В отсутствии утечки газа в нормальном режиме работы дополнительных требований к зарядке элементов не предъявляют.
5.7.2.6.3 При зарядке элементов с утечкой газа в нормальном режиме работы максимальное содержание водорода в контейнере батареи не должно превышать 0,02 объемных долей (2%). Концентрацию водорода измеряют непрерывно в течение испытаний, описанных в 6.6.4. Для зарядки используют устройство согласно 5.7.2.6.1.
5.7.2.6.4 Зарядка допускается только в безопасных пределах, указанных изготовителем. В инструкции изготовитель должен изложить условия эксплуатации, включая условия транспортировки батарей или элементов во взрывоопасной зоне, исключающие утечку газа.
Если зарядное устройство, являющееся частью электрооборудования, не соответствует одному из требований ГОСТ Р 51330.0, то:
- его следует обесточить и защитить от обратного тока элемента или батареи;
- следует выждать время, по истечении которого температура элемента или батареи становится ниже предельной.
После выполнения указанных требований электрооборудование с зарядным устройством можно транспортировать во взрывоопасную зону.
5.7.2.6.5 Если в том же корпусе имеется другой источник напряжения, то батарею и электрические цепи следует защитить от зарядки другим источником. Например, при возникновении высокого напряжения, способного вызвать повреждение изоляции, обеспечить защиту батареи и цепей можно, отделив их от других источников напряжения и увеличив электрический зазор (см. таблицу 1).
5.7.2.7 Разрядка элементов
5.7.2.7.1 Если токовая нагрузка от батареи может повредить ее в такой степени, что ухудшаются характеристики защиты вида e , то нагрузка или защитное устройство должны указываться изготовителем электрооборудования в нормативно-технической документации.
Если характеристики защиты вида e не ухудшаются, то нагрузку или защитное устройство в нормативно-технической документации можно не указывать.
5.7.2.7.2 В герметизированных элементах должна быть обеспечена защита от глубокой разрядки и реверсирования полярности отдельных элементов.
5.7.2.7.3 При последовательном соединении более трех герметизированных элементов необходимо предпринять меры, исключающие возможность зарядки элементов с обратной полярностью.
Примечание - Фактическая емкость элементов в течение их срока службы может уменьшаться. В этом случае под воздействием элементов, имеющих большую емкость, элементы с меньшей емкостью могут изменить свою полярность.
5.7.2.7.4 Если для предотвращения изменения полярности элементов во время разрядки используют цепь защиты от глубокой разрядки, то минимальное запирающее напряжение должно быть равно значению, указанному изготовителем батареи. После отключения нагрузки ток от батареи должен быть менее 0,001 номинальной емкости.
Примечание - При последовательном соединении большого количества элементов, благодаря допускам напряжений отдельных элементов и наличию цепи защиты от глубокой разрядки, защита батареи может не потребоваться. Как правило, одна цепь защиты от глубокой разрядки может обслуживать не более шести последовательно соединенных элементов.
5.7.2.7.5 При определении и контроле допустимого предела минимальной температуры поверхности необходимо учитывать самый высокий ток разрядки, допускаемый максимальной нагрузкой или защитным устройством (указывается изготовителем электрооборудования).
Когда ни нагрузка, ни защитное устройство не указаны, то ток разрядки может быть, например, определен увеличением в 1,7 раза номинального тока плавкого предохранителя или тока короткого замыкания.
5.7.2.7.6 Защитные устройства в соответствии с требованиями настоящего стандарта являются частью системы управления. Изготовитель должен обеспечить соответствие уровня безопасности всей системы управления требованиям настоящего стандарта.
Примечание - Защитные устройства должны отвечать требованиям, установленным в [1] к оборудованию категории III.
5.7.2.8 Защита других видов
В отсеках вместе с открытыми элементами или батареями, а также вместе с герметизированными элементами и батареями без защитных устройств могут находиться устройства и/или компоненты с защитой видов e и m . Присутствие устройств и/или компонент с взрывозащитой вида d или i не допускается.
5.7.2.9 Отключение и транспортирование
5.7.2.9.1 Если батарею требуется отсоединить от используемого оборудования во взрывоопасной зоне, то необходимым условием является ее безопасное отключение.
5.7.2.9.2 Если компоненты под напряжением имеют степень защиты ниже IP30, то на элементах и батареях должна быть предупредительная надпись о запрете их перемещения во взрывоопасную зону.
5.7.2.10 Дополнительные требования к батареям и элементам специальных типов
5.7.2.10.1 На элементы емкостью 25 А·ч распространяются также требования, изложенные в 5.7.1.1-5.7.1.10; 5.7.2.1-5.7.2.7; 5.7.3.1-5.7.3.5.
5.7.2.10.2 Электрические соединители, вызывающие нагрев элемента или батареи, можно использовать только с разрешения изготовителя элемента (батареи).
5.8 Соединения общего назначения и соединительные коробки
Номинальные характеристики соединений общего назначения и соединительных коробок определяют по методике, изложенной в 6.7, таким образом, чтобы во время эксплуатации предельная температура не превышала значений, установленных в 4.8.
Для соединений общего назначения и соединительных коробок должна устанавливаться одна из двух характеристик:
а) номинальный допустимый предел максимальной мощности рассеивания или
б) ряд величин, содержащих для каждого типа вывода допустимое количество и сечение проводов, а также максимальный ток.
Сведения по определению комбинаций выводов и проводов для соединений общего назначения и соединительных коробок приведены в приложении Д.
5.9 Резистивные нагреватели (кроме электронагревателей, питаемых от сети)
5.9.1 В данном подразделе изложены дополнительные требования к резистивным нагревательным устройствам и блокам, за исключением устройств и блоков сетевого электронагрева (см. 3.13).
Подраздел не распространяется на индукционные нагреватели, нагреватели со скинэффектом, диэлектрические нагреватели или на любую другую систему нагрева, предусматривающую пропускание тока через жидкость, оболочку или трубопровод.
Примечания
1 Требования к электрическим сетевым резистивным нагревательным системам изложены в [2].
2 Согласно требованиям к защите вида e , дополнительные меры по обеспечению безопасности резистивного нагрева включают: применение устройства ограничения температур, герметизацию встроенной системы, измерение остаточного тока (30-300 мА), а также заземление оболочки или применение системы контроля изоляции и испытаний термостабильности системы изоляции.
5.9.2 В настоящем стандарте:
- к нагревательным резисторам не применяют требования 4.7;
- требования раздела 7 ГОСТ 51330.0 не распространяют на электрические изоляционные материалы нагревательных резисторов.
5.9.3 Нагревательный резистор должен иметь положительный температурный коэффициент. Изготовитель должен указать номинальное значение сопротивления резистора при температуре 20 °С и допустимые отклонения от этого значения.
5.9.4 Изоляционные материалы в резистивном нагревательном устройстве следует испытывать согласно 6.8.4.
5.9.5 При испытаниях согласно 6.8.6 пусковой ток холодного резистивного нагревательного устройства не должен превышать значение, указанное изготовителем, более чем на 10% в любой момент времени спустя 10 с после подачи на него электропитания.
5.9 6 Изготовитель должен указать тип защитного устройства для использования с резистивным нагревателем. Защитное устройство должно либо отвечать требованиям, изложенным в приложении Г, либо резистивное нагревательное устройство должно быть механически защищено таким же образом, как в электрооборудовании.
5.9.7 Если электропроводящее покрытие выполняет роль защитного устройства (см. 5.9.6), то оно должно распространяться на всю поверхность изолирующего кожуха и представлять собой равномерно распределенный проводящий слой, покрывающий не менее 70% изолирующей поверхности. Электрическое сопротивление проводящего покрытия должно быть достаточным для обеспечения защиты резистивного нагревателя в соответствии с 5.9.6.
5.9.8 Электрическая изоляция должна обеспечивать неконтактирование нагревательного резистора с потенциально взрывоопасной средой до тех пор, пока температура покрытия не станет ниже предельной температуры.
Примечание - Изоляция, конструктивно выполненная в виде шайб, надеваемых на нагревательный резистор, в данном случае непригодна.
5.9.9 По причинам механической прочности поперечное сечение проводов для подсоединения к резистивному нагревательному устройству должно быть не менее 1 мм2 .
5.9.10 При определении температурного класса резистивного нагревательного устройства следует иметь ввиду, что установку дополнительной термоизоляции нельзя рассматривать как гарантию от доступа потенциально взрывоопасной атмосферы.
5.9.11 При пропускании тока через резистивное нагревательное устройство или блок следует исключить возможность превышения предельной температуры. Это обеспечивается одним из следующих способов:
а) применением резистивного нагревательного устройства, обладающего свойством самоограничения;
б) применением стабилизированной конструкции резистивного нагревательного устройства (в указанных изготовителем условиях эксплуатации);
в) применением электрической защитной системы согласно 5.9.12, которая при достижении заданной температуры поверхности обесточивает все части резистивного нагревательного устройства или блока.
Эта защитная система должна быть полностью независима от системы управления, используемой для регулирования рабочей температуры резистивного нагревательного устройства или блока в нормальном режиме работы.
Для способов б) и в) температура резистивного нагревательного устройства определяется зависимостью между различными параметрами. К таким параметрам относятся:
- выходная тепловая мощность;
- температура среды, окружающей резистивное устройство, - газа и жидкости;
- характеристики теплообмена между резистивным устройством и окружающей его средой.
Необходимая информация об этих зависимостях приводится изготовителем в нормативно-технической документации, предусмотренной ГОСТ Р 51330.0.
5.9.12 Защита с помощью защитной системы обеспечивается:
- измерением температуры резистивного нагревательного устройства или среды, непосредственно окружающей его, или
- путем измерения, помимо температуры, двух или более других параметров.
Примечание - В качестве таких параметров можно назвать: уровень, расход, ток, ток утечки, потребляемую мощность.
Специальные условия безопасной эксплуатации регламентируются соответствующими инструкциями (см. также 27.2 ГОСТ Р 51330.0). Например, если резистивный нагревательный блок поставляется с неполной защитной системой, все средства обработки сигнала (например, средства, обеспечивающие совместимость датчика с приемным устройством) должны быть указаны в нормативно-технической документации.
Защитная система должна обеспечивать прерывание цепи электропитания резистивного нагревательного устройства или блока. После восстановления первоначально заданных условий конструкция защитного устройства должна предусматривать возможность повторного включения только вручную, за исключением случая непрерывного контроля данных от защитной системы.
При неисправности датчика нагревательное устройство следует обесточить до того, как достигнута предельная температура. Повторное включение или замену защитной системы, регулируемой вручную, производят только специальным инструментом. Параметры настройки защитных устройств должны быть заблокированы таким образом, чтобы в дальнейшем в процессе эксплуатации их нельзя было изменить.
Примечание - Плавкие предохранители следует заменять только изделиями, указанными изготовителем.
Защитная система должна срабатывать в ненормальном режиме работы и дополнять функционально независимое регулирующее устройство, используемое в нормальном режиме.
5.9.13 Резистивные нагревательные устройства и блоки должны отвечать требованиям 6.8, а также раздела 7.
5.10 Другое электрооборудование
Другое электрооборудование, не указанное в 5.2-5.9, должно отвечать требованиям раздела 4 и дополнительным требованиям раздела 5.
6 ФУНКЦИОНАЛЬНЫЕ ИСПЫТАНИЯ
Данные требования дополняют требования раздела 23 ГОСТ Р 51330.0, которые также распространяются, если нет других указаний, на электрооборудование с защитой вида e .
6.1 Электрическая прочность изоляции
Электрическая прочность диэлектрика может проверяться одним из следующих методов:
а) испытаниями, указанными в стандарте на конкретные компоненты электрооборудования;
б) или испытаниями при подаче испытательных напряжений U 1 , U 2 или U 3 в течение 1 мин.
1) Для электрооборудования, на которое подают напряжение не более 90 В, действующее значение испытательного напряжения U 1 равно 500 В.
2) Для резистивных нагревательных устройств и блоков, к которым предъявляют дополнительные требования в соответствии с 5.9, действующее значение испытательного напряжения U 2 равно (1000+2Un ), где Un - номинальное напряжение, В. Допускается отклонение испытательного напряжения плюс 5%.
3) Для другого электрооборудования, в котором напряжение превышает 90 В, действующее значение испытательного напряжения U 3 равно (1000+2U ) или 1500 В, в зависимости от того, что больше, где U - рабочее напряжение, В. Допускается отклонение испытательного напряжения плюс 5%.
Как альтернатива указанному напряжению переменного тока можно использовать напряжение постоянного тока, которое:
- для изолированных обмоток должно составлять 170% от указанного действующего значения испытательного напряжения переменного тока или
- для случаев, когда воздушные зазоры или путь утечки выполняют роль изолирующей среды, должно составлять 140% от указанного действующего значения испытательного напряжения переменного тока.
В электрооборудовании с гальванически изолированными частями испытание проводят на каждой части по отдельности при соответствующем напряжении.
6.2 Вращающиеся электрические машины
6.2.1 Испытания электродвигателя с короткозамкнутым ротором для определения отношения IA /IN и времени tE проводят в режиме короткого замыкания. Как альтернатива, если испытание электродвигателя признано нецелесообразным, изготовитель с согласия испытательной организации может представить расчетные данные времени tE и повышения температуры в номинальном режиме работы, а также в режиме короткого замыкания. Желательно, чтобы метод расчета лишь дополнял метод испытания. Методы испытания и расчетов электродвигателя представлены в приложении А, а в приложении Е приведены публикации по расчету температуры заторможенного ротора.
6.2.2 Если условия испытания полностью отражают условия эксплуатации, то испытание электродвигателей можно проводить только при горизонтальном положении оси электродвигателя даже тогда, когда эксплуатация предполагается с другим положением его оси.
6.2.3 Дополнительные испытания электродвигателей на напряжение св. 1 кВ
6.2.3.1 Система изоляции обмотки статора
6.2.3.1.1 Испытания проводят на:
- собранном статоре или
- статоре в корпусе электродвигателя, или
- электродвигателе, или
- статоре с неполной обмоткой, или
- группе катушек.
Во всех случаях испытуемая модель должна представлять собой собранный статор с противокоронной защитой (если требуется), с маркировкой механической нагрузки, с уплотнением и креплением, с пропиткой и проводящими частями, например с сердечником статора. Все открытые проводящие части следует заземлить.
6.2.3.1.2 Кабель, предназначенный для подсоединения к статору, испытывают вместе с ним.
Особое внимание следует уделить размещению кабеля относительно находящихся рядом проводящих частей. Все открытые проводящие части следует заземлить.
6.2.3.1.3 Системы изоляции и соединительные кабели следует испытать в течение 3 мин синусоидальным напряжением промышленной частоты, в 1,5 раза превышающим номинальное действующее значение напряжения сети, во взрывоопасной водородо-воздушной смеси, объемная доля водорода в которой составляет (21±5)%. Максимальная скорость повышения напряжения должна составлять 0,5 кВ/с. Напряжение следует подавать между одной фазой и землей, все другие фазы должны быть заземлены. При этом не должно произойти взрыва.
6.2.3.1.4 Системы изоляции и подсоединяемые кабели следует испытать во взрывоопасной водородо-воздушной смеси, объемная доля водорода в которой составляет (12±5)%, путем подачи 10 импульсов напряжения, амплитуда которых в три раза выше амплитуды фазного напряжения с допуском ±3%. Время повышения напряжения варьируется между 0,2 и 0,5 мкс, а время спада напряжения составляет не менее 20 мкс, но не более 30 мкс. Импульсы следует подавать пофазно и отдельно от фазы к земле. Взрыва не должно произойти.
Примечание - Это нестандартная форма волны. Однако предполагается, что для инициирования разряда нужно использовать короткое время повышения напряжения, а длительность импульса должна быть достаточной для получения энергии воспламенения.
6.2.3.2 Испытание ротора короткозамкнутой машины
6.2.3.2.1 Испытание проводят на электродвигателе, полностью укомплектованном согласно конструкторской документации на него. В испытуемом образце должны быть проходы, центрирующие кольца, кольцевые прокладки под короткозамыкающими кольцами и, если необходимо, уравновешивающие кольца.
6.2.3.2.2 Ротор короткозамкнутой машины следует испытать на износ, для чего проводят как минимум пять испытаний ротора в заторможенном состоянии. Максимальная температура ротора короткозамкнутой машины должна колебаться в пределах между максимальной расчетной температурой и температурой менее 70 °С. Подаваемое напряжение должно составлять не менее 50% от номинального значения.
6.2.3.2.3 После испытания на износ (см. 6.2.3.2.2) электродвигатель следует заполнить или погрузить во взрывоопасную газовую водородо-воздушную смесь, объемная доля водорода в которой составляет (21±5)%. Затем следует провести десять прямых пусков от сети неподсоединенного к нагрузке электродвигателя или провести испытание при заторможенном роторе. Длительность этих испытаний должна составлять не менее 1 с. Взрыва не должно произойти.
6.2.3.2.4 Во время испытаний напряжение на выводах машины не должно быть ниже 90% от номинального. Концентрацию водорода следует проверять после каждого испытания.
6.3 Устройства освещения с питанием от сети
6.3.1 Механические испытания ламповых патронов, кроме патрона типа Е10
Для патронов типов Е14, Е27 и Е40 испытуемый цоколь лампы с размерами согласно ГОСТ 2746 полностью вставляют в патрон с усилием, определенным таблицей 11.
Таблица 11 - Поворотное усилие для завинчивания и минимальное поворотное усилие для вывинчивания лампы
| Тип цоколя лампы |
Поворотное завинчивающее усилие, Н·м ±0,1 |
Минимальное вывинчивающее усилие, Н·м |
| Е14/Е13 |
1,0 |
0,3 |
| Е27/Е26 |
1,5 |
0,5 |
| Е40/Е39 |
3,0 |
1,0 |
Для патронов типов Е13, Е26 и Е39 следует провести эквивалентное испытание исходя из требований, предъявляемых к различным типам цоколя и указанных в ГОСТ 2746, с учетом различий между цоколями ламп.
Испытуемый цоколь лампы частично вывинчивают поворотом на 15°, и прилагаемое затем поворотное усилие для полного вывинчивания лампы не должно быть меньше минимального усилия, приведенного в таблице 11.
6.3.2 Тепловое испытание осветительных устройств с люминесцентными трубками
Последовательно к лампе подсоединяют диод и на лампу подают напряжение, равное 110% от номинального.
В конце испытания температура не должна превышать указанную в ГОСТ Р 51330.0 для соответствующего температурного класса. Затем при подсоединенном диоде на лампу подают номинальное напряжение, при этом не должно произойти превышения предельной температуры, указанной в таблице 3 (пункт 1б, измерение термометром сопротивления).
6.3.3 Испытание ламповых двухштырьковых цоколей на воздействие диоксида серы
Контакты и соединения ламповых двухштырьковых цоколей на воздействие диоксида серы испытывают по ГОСТ 28226 в течение 21 сут. Контакты при этом должны быть полностью собраны. После испытания сопротивление контакта не должно возрасти более чем на 50 % от первоначального значения.
Штыри представительного образца лампового цоколя должны быть выполнены из латуни с последующим шлифованием до шероховатости поверхности не менее 0,001 мм и химическим осветлением. Сами штыри и их расположение должны соответствовать требованиям, предъявляемым к их размерам по ГОСТ 9806.
6.3.4 Испытание на вибрацию осветительных устройств с двухштырьковыми цоколями
Испытания проводят согласно ГОСТ 28203. Собранный образец лампы крепят на жестком испытательном стенде и подвергают воздействию частоты от 1 до 100 Гц.
При частоте от 1 до 9 Гц амплитуда должна составлять 1,5 мм, а при частоте от 9 до 100 Гц испытуемый образец подвергают ускорению 0,5 g. Скорость качания частоты должна составлять 1 октава/мин при воздействии 20 циклов в каждой из ортогональных плоскостей.
После воздействия вибрации не должно быть видимых механических повреждений ни в одной из частей лампы. Далее, последовательно через каждую группу контактов лампы пропускают ток от источника постоянного тока, как показано на рисунке 4.

1 - ламповый патрон; 2 - лампа; 3 - соединение; 4 - осциллограф;
5 - источник постоянного тока на 24 В; 6 – резистор
Рисунок 4 - Схема испытания осветительного устройства на вибрацию
Если контакты лампового патрона механически различны, то испытание следует повторить с реверсированными контактами под напряжением.
Специальную лампу для испытаний получают путем пробоя катодов током высокого напряжения и установки легкого по массе соединения в лампе. Ток во время испытания должен быть равен номинальному действующему значению тока лампы.
Во время испытания не должно быть прерывания тока или изменения напряжения контактов.
6.4 Измерительные приборы и измерительные трансформаторы
6.4.1 Повышение температуры трансформаторов тока с накоротко замкнутой вторичной обмоткой, а также токоведущих частей измерительных приборов при токе Ith , пропускаемом в течение 1 с, можно определить при помощи испытаний или расчетов. При расчетах следует учитывать температурный коэффициент сопротивления, а тепловыми потерями можно пренебречь.
6.4.2 Динамическую прочность токоведущих частей определяют испытанием. Трансформаторы тока подвергают испытанию при замкнутой накоротко вторичной обмотке. Длительность динамического испытания должна составлять не менее 0,01 с, при этом максимальное амплитудное значение тока первичной обмотки должно быть не меньше Idyn . Длительность теплового испытания составляет не менее 1 с при действующем значении тока первичной обмотки не менее чем Ith .
Динамическое испытание можно объединить с тепловым испытанием при условии, что:
- основной первичный максимальный ток испытания не меньше динамического тока Idyn и
- испытание проводят при токе I
в течение времени t
таким образом, что числовое значение I
2
·t
не было бы меньше числового значения
, и при условии, что t
принимает значения от 0,5 до 5 с.
6.4.3 Испытание на перенапряжение между витками следует проводить на трансформаторах тока методом, указанным в [3], при этом действующее значение тока первичной обмотки должно в 1,2 раза превышать номинальный ток первичной обмотки.
6.5 Трансформаторы, кроме измерительных
Повышение температуры трансформаторов определяют испытанием, предусматривающим подсоединение к указанной изготовителем нагрузке. К цепи подсоединяют встроенное или другое защитное устройство, характеристики которого указаны изготовителем в нормативно-технической документации.
Если указанная изготовителем нагрузка не является частью устройства, отвечающего требованиям настоящего стандарта, то трансформатор следует испытывать в наиболее неблагоприятных условиях, включая короткое замыкание вторичной обмотки. При этом к цепи следует подсоединить встроенное или другое защитное устройство, характеристики которого указаны в нормативно-технической документации.
6.6 Батарея аккумулятора
6.6.1 Применимость испытаний
Данным испытаниям подлежат аккумуляторы, на которые распространяются дополнительные требования, изложенные в 5.7.
6.6.2 Сопротивление изоляции
6.6.2.1 Условия испытания:
а) измерительное напряжение применяемого омметра должно составлять не менее 100 В;
б) все соединения между батареей и наружными цепями, батареей и контейнером батареи, если он используется, следует разъединить;
в) элементы заполняют электролитом до максимально допустимого уровня.
6.6.2.2 Сопротивление изоляции считают удовлетворяющим требованиям, если измеренное значение не менее проведенных в 5.7.1.3.7.
6.6.3 Испытание на удар
6.6.3.1 Общие положения
Батареи, подвергаемые механическому воздействию во время нормальной эксплуатации, следует испытывать на механический удар. Батареи других типов не подвергают этому испытанию, но их маркировка согласно ГОСТ Р 51330.0 должна содержать знак X. Испытание следует проводить только на образцах элементов и их соединениях. Если элементы одинаковой конструкции имеют различную емкость, то нет необходимости испытывать каждый элемент, а испытывают достаточное количество элементов, позволяющее произвести оценку всего ряда.
6.6.3.2 Условия испытаний
Испытание проводят на каждом образце, содержащем не менее четырех новых полностью заряженных элементов с межэлементными соединениями и установленных в контейнере. Каждый образец должен быть готов к эксплуатации. Каждый образец устанавливают в нормальном рабочем положении и крепят к монтажной поверхности машины для испытания на удар. Установка должна отвечать требованиям ГОСТ 28213.
Машина генерирует полусинусоидальные импульсы (см. ГОСТ 28213). Допуски на изменение скорости, поперечное перемещение и система измерения должны отвечать требованиям ГОСТ 28213. Максимальное ускорение силы тяжести должно составлять 5 gn согласно ГОСТ 28213.
6.6.3.3 Методика испытаний
Используют следующую методику испытания каждого образца:
а) определяют емкость каждого образца;
б) во время испытания пропускают постоянный ток разрядки в течение 5 ч;
в) по каждому образцу наносят 15 отдельных ударов следующим образом:
- три последовательных удара в вертикальном направлении вверх и
- три последовательных удара в каждом направлении вдоль двух перпендикулярных осей в горизонтальной плоскости. Оси выбирают таким образом, чтобы определить возможные слабые точки;
г) после перезарядки снова определяют емкость.
6.6.3.4 Критерии оценки соответствия установленным требованиям
Образец считают выдержавшим испытание, если отсутствуют:
- резкие изменения напряжения во время испытаний;
- видимая деформация;
- снижение емкости более чем на 5% от номинального значения.
6.6.4 Испытание вентиляции контейнера батареи
6.6.4.1 Испытание вентиляции контейнера батареи проводят для определения максимальной концентрации водорода внутри контейнера батареи и контроля достаточности размеров вентиляционных отверстий. Для этого внутрь контейнера вводят водород.
6.6.4.2 Расход водорода Q , м3 /ч, определяют по формуле
Q = 5 · 10-6 · N · C , (3)
где N - количество элементов;
C - емкость элемента, А·ч.
Примечание - Эта формула действительна только при условии использования чистого водорода. Если водород имеет примеси, то для компенсации примесей расход следует увеличить.
6.6.4.3 При испытании можно использовать один из следующих методов. Выбор метода определяют по соглашению между испытательной лабораторией (центром) и заявителем.
а) Метод 1. Часть контейнера батареи, в которой обычно находятся элементы, устанавливают в закрывающемся боксе. Крышки бокса имеют втулки для заполнения и сброса, идентичные по форме, количеству и месту расположения втулкам элементов. Входные и выходные втулки должны размещаться таким образом, чтобы обеспечить равномерное распределение водорода внутри бокса. Причем бокс устанавливают таким образом, чтобы не изменилась естественная вентиляция между элементами. Через входные втулки в пространство над боксом вводят водород, расход которого определяется конструкцией элементов и их емкостью. Количество водорода определяют по формуле (3).
б) Метод 2. Контейнер батареи содержит батарею из элементов, количество, тип и емкость которых отвечают требованиям эксплуатации. Элементы должны быть новыми, полностью заряженными и подсоединены последовательно. Ток перезарядки пропускают через батарею для обеспечения постоянного расхода водорода в соответствии с количеством, размером, типом конструкции и емкостью элементов.
Количество выводимого водорода определяют по формуле (3). Ток перезарядки I , А, определяют по формуле
. (4)
В начале испытания окружающая температура, температура контейнера, батареи и температура элементов или боксов, моделирующих элементы, не должны отличаться одна от другой более чем на 4 °С. Начальное значение этих температур должно составлять от 15 до 25 °С.
Испытание проводят при барометрическом давлении в испытательной лаборатории (центре), в месте, где нет сквозняков.
6.6.4.4 Испытания проводят до тех пор, пока четыре последовательных измерения не покажут, что увеличение концентрации водорода превышает не более чем на 5% среднее значение четырех измерений.
Если в ходе измерений концентрация водорода снижается, то в расчет принимают максимальное значение измеренной величины. Интервал между последовательными измерениями должен быть не менее 30 мин. Если при непрерывном измерении в течение короткого времени отмечаются высокие значения концентрации водорода, то ими можно пренебречь при условии, что интервал меньше 30 мин.
Концентрацию водорода измеряют в разных точках ниже крышки, чтобы можно было определить координаты и значение самой высокой концентрации в контейнере. Измерение следует проводить в области центра верхней поверхности элементов или закрытых боксов, крышки контейнера батареи. Контрольная точка должна также находиться на некотором удалении от втулок для заполнения и сброса.
6.6.4.5 Испытание следует проводить не менее двух раз.
6.6.4.6 Результаты испытаний считают положительными, если измеренная таким образом концентрация водорода не превышает 0,02 объемных долей (2%).
6.7 Соединения общего назначения и соединительные коробки
Соединения общего назначения или соединительные коробки должны иметь ряд выводов, на которых возникает наибольшее увеличение температуры. К этим выводам присоединяют провода максимального сечения. Длина провода, подсоединяемого к каждому выводу и размещаемого внутри корпуса, должна соответствовать максимальному внутреннему размеру (утроенная длина диагонали) корпуса. Соединение следует выполнять таким образом, чтобы испытательный ток проходил через включенные последовательно вывод и провода.
Для воспроизведения тепловых эффектов от размещения проводов в виде жгутов, а также для моделирования других воздействий при типичных условиях размещения провода следует группировать по 6 шт., при этом длина их за пределами оболочки должна быть не менее 0,5 м.
Измеряют температуру самой нагретой части. Если для какого-либо температурного класса необходимо определить предельное значение максимальной рассеиваемой мощности, то испытание следует проводить на других выводах и повторять его до тех пор, пока не будет достигнута предельная температура. Максимальную рассеиваемую мощность (см. 5.8а и приложение Д) рассчитывают по сопротивлению цепи при температуре 20 °С и току, на который рассчитан вывод.
Примечание - Номинальную рассеиваемую мощность рассчитывают по сопротивлению при температуре 20 °С, что позволяет упростить установление допустимых комбинаций выводов, проводов и токов (см. приложение Д).
6.8 Резистивные нагревательные устройства и блоки
6.8.1 Установленные испытания относят к резистивным нагревательным устройствам и блокам, на которые распространяют дополнительные требования 5.9.
6.8.2 Испытания следует проводить на образце или прототипе резистивного нагревательного устройства. Если нет других указаний, то испытания следует проводить при температуре от 10 до 25 °С.
6.8.3 Проверку электрической изоляции образца или прототипа проводят погружением в водопроводную воду на 30 мин, а затем следующим испытанием.
а) Подаваемое в процессе испытания действующее значение испытательного напряжения должно быть не менее (500+Un ), где Un - номинальное напряжение электрооборудования, В. Допускается отклонение испытательного напряжения плюс 5%. Испытательное напряжение подают в течение 1 мин, при этом электропроводящее покрытие (см. 5.9.7) полностью погружено в воду. Напряжение подают между нагревательным проводом и проводящим покрытием или, при отсутствии последнего, водой.
При наличии двух или более проводов, электрически изолированных один от другого, напряжение подают между каждой парой проводов и затем между каждым проводом и проводящим покрытием или водой.
Соединения между проводами, включая изолированные соединения, при необходимости следует прерывать, например, параллельным нагревательным кабелем.
б) Измеряют сопротивление изоляции с помощью источника постоянного тока с номинальным напряжением 500 В. Напряжение подают между нагревательным проводом и металлическим покрытием, или, при отсутствии последнего, водой. Образец или прототип должны иметь сопротивление изоляции не менее 20 МОм. Однако в резистивных нагревательных устройствах, содержащих кабель или ленту длиной более 75 м, сопротивление изоляции должно быть не менее 1,5 МОм/км (например, для образца длиной 3 м сопротивление изоляции будет равно 500 МОм).
6.8.4 Термостабильность изолирующих материалов резистивных нагревательных устройств проверяют на образце или прототипе путем выдержания их на воздухе при температуре на 20 °С выше максимальной рабочей температуры, но не менее 80 °С, в течение не менее четырех недель и затем при температуре от минус 25 до минус 30 °С в течение не менее 24 ч. Соответствие образца или прототипа проверяют испытанием целостности изоляции.
6.8.5 Испытание на устойчивость к удару проводят на двух новых образцах или прототипах с помощью аппарата, аналогичного представленному в приложении Г ГОСТ Р 51330.0. Для испытания используют ударную головку из закаленной стали полусферической формы, которой наносят удар с энергией 7 или 4 Дж в зависимости от степени механического риска согласно ГОСТ Р 51330.0, если только резистивное нагревательное устройство или блок не защищены оболочкой, отвечающей требованиям ГОСТ Р 51330.0.
6.8.6 Испытание пускового тока проводят на трех образцах или прототипах холодного резистивного нагревательного устройства, которое подсоединяют по соглашению с изготовителем или к термической массе, или к теплоотводу в камере, температура в которой стабилизируется на уровне ±2 °С.
Рабочее напряжение подают на образцы, которые в течение испытания находятся в холодной среде, при этом непрерывно регистрируют ток в течение первой минуты подключения.
6.9 Испытания изоляционного материала выводов
Образец вывода устанавливают как при эксплуатации, и затем проводят испытание материала согласно ГОСТ Р 51330.0. В конце испытания, предусмотренного ГОСТ Р 51330.0, в соответствии с инструкциями изготовителя подсоединяют медный провод максимально допускаемого сечения. К проводу постепенно в течение 1 мин прилагают вытягивающее усилие, соответствующее сечению провода (см. таблицу 12). Провод не должен вытягиваться из зажимного устройства, а выводной узел не должен отделяться от выводного изолятора.
Таблица 12 - Данные для проверки вытягивающего усилия
| Сечение провода в международной системе ИСО, мм2 |
Размер провода по американскому проволочному калибру (AWG) |
Сечение провода в метрических единицах, мм2 |
Вытягивающее усилие, Н |
| 0,50 |
20 |
0,519 |
30 |
| 0,75 |
18 |
0,820 |
30 |
| 1,00 |
17 |
- |
35 |
| 1,50 |
16 |
1,300 |
40 |
| 2,50 |
14 |
2,100 |
50 |
| 4,00 |
12 |
3,300 |
60 |
| 6,00 |
10 |
5,300 |
80 |
| 10,00 |
8 |
8,400 |
90 |
| 16,00 |
6 |
13,300 |
100 |
| 25,00 |
4 |
21,200 |
135 |
| 35,00 |
2 |
33,600 |
190 |
| 50,00 |
0 |
53,500 |
285 |
| 70,00 |
00 |
67,400 |
285 |
| 95,00 |
000 |
85,000 |
351 |
| 120,00 |
250 kcmil |
127,000 |
427 |
| 150,00 |
300 kcmil |
152,000 |
441 |
| 185,00 |
350 kcmil |
177,000 |
503 |
| 240,00 |
500 kcmil |
253,000 |
578 |
| 300,00 |
600 kcmil |
304,000 |
578 |
| 350,00 |
700 kcmil |
355,000 |
645 |
| 380,00 |
750 kcmil |
380,000 |
690 |
| 400,00 |
800 kcmil |
405,000 |
690 |
| 450,00 |
900 kcmil |
456,000 |
703 |
| 500,00 |
1000 kcmil |
507,000 |
779 |
| 630,00 |
1250 kcmil |
634,000 |
966 |
| 750,00 |
1500 kcmil |
760,000 |
1175 |
| 890,00 |
1750 kcmil |
887,000 |
1348 |
| 1000,00 |
2000 kcmil |
1014,000 |
1522 |
| Примечание - 1 circular mil (cmil)=506,71·10-12 м2 ; 1 kcmil=506,71·10-9 м2 . |
|||
7 ПРИЕМО-СДАТОЧНЫЕ ИСПЫТАНИЯ
7.1 Данные требования дополняют требования ГОСТ Р 51330.0, относящиеся к защите вида e .
7.2 Испытание на электрическую прочность изоляции проводят согласно 6.1. Допускается проводить испытания при увеличенном в 1,2 раза испытательном напряжении, но при этом его длительность должна быть не менее 100 мс.
Примечание - В некоторых случаях фактическое время испытаний может быть св. 100 мс, поскольку образцу со значительной распределенной емкостью может понадобиться дополнительное время для достижения фактического испытательного напряжения.
7.3 Испытание электрической прочности изоляции для батареи (согласно 6.1) считают удовлетворительным, если полученное значение отвечает требованиям 5.7.2.7.
7.4 Трансформаторы тока следует испытывать на междувитковое перенапряжение согласно [3] при протекании по первичной обмотке тока, действующее значение которого равно предельно допустимому.
8 МАРКИРОВКА И ИНСТРУКЦИИ
Данные требования дополняют требования ГОСТ Р 51330.0, которые распространяются на защиту вида e . Электрооборудование должно иметь следующую дополнительную маркировку:
а) номинальное значение напряжения и номинальное значение тока или номинальное значение мощности. Для электрооборудования с коэффициентом мощности, не равным единице, следует указать обе величины;
б) для вращающихся электрических машин и, если необходимо, для магнитов переменного тока указывают отношение IA /IN и время tE ;
в) для измерительных приборов с токоведущими частями и измерительных трансформаторов указывают ток короткого замыкания Isc ;
г) для осветительных устройств указывают технические данные об используемых лампах, например их электрические номинальные характеристики и, если необходимо, размеры;
д) для соединений общего назначения и соединительных коробок указывают следующие характеристики:
- максимально допускаемую рассеиваемую мощность,
- допустимое для каждого размера вывода количество проводов, их сечение и максимальный ток;
е) ограничения использования, например, эксплуатация только в чистой среде;
ж) характеристики специальных защитных устройств, если таковые требуются, например, для регулирования температуры или для жестких пусковых условий, а также особые условия питания, например от преобразователей;
и) для батарей согласно 5.7 указывают следующие характеристики:
- тип конструкции элементов,
- количество элементов и номинальное напряжение,
- номинальную емкость и соответствующее время разрядки.
Если меры защиты, предусмотренные в 5.7, не применяют, то на контейнере батареи должна быть следующая табличка с надписью:
“ПРЕДОСТЕРЕЖЕНИЕ! НЕ ЗАРЯЖАТЬ ВО ВЗРЫВООПАСНОЙ ЗОНЕ”.
К каждой батарее должна прилагаться инструкция по эксплуатации и обслуживанию, представляемая на станцию для зарядки батарей. Этa инструкция должна содержать все сведения по зарядке, эксплуатации и обслуживанию батареи. Инструкция по эксплуатации должна как минимум содержать следующую информацию:
- название изготовителя или поставщика, или его торговый знак;
- количество элементов и номинальное напряжение батареи;
- номинальная емкость и время разрядки;
- инструкции по зарядке;
- другие сведения о безопасной эксплуатации батареи, например ограничения открытия крышки при зарядке, минимальное время выдержки до закрытия крышки, учитывая высвобождение газа после завершения зарядки; проверка уровня электролита, характеристики электролита и воды для заполнения, монтажное положение.
Если батарею заряжают не с помощью стандартного зарядного устройства, предназначенного для конкретного электрооборудования, то на контейнере должна быть следующая надпись:
“ПРЕДОСТЕРЕЖЕНИЕ! СМОТРИ РУКОВОДСТВО ПО ЗАРЯДКЕ БАТАРЕИ”;
к) для резистивных нагревательных устройств и блоков, на которые распространяются дополнительные требования 5.9, - рабочую температуру;
л) для выводов:
- характеристики подсоединяемых проводов, номинальный ток и номинальное напряжение. Если пространство для маркировки ограничено, то эти данные приводят в инструкции. Инструкция по монтажу и установке должна как минимум содержать:
- усилия затяжки, если изготовителем указывается значение усилия для затяжки,
- соответствующую маркировку или другие инструкции, дающие разъяснения по подгонке и установке проводов различного сечения, если эти действия не являются очевидными,
- рекомендации по креплению проводов к выводам, когда способ их подсоединения не является очевидным,
- требования к удалению изоляции проводов.
ПРИЛОЖЕНИЕ А
(обязательное)
Методы испытаний короткозамкнутых машин
A.1 Необходимо определить повышение температуры статора и ротора, происходящее в нормальном режиме работы, а также в электродвигателе с заторможенным ротором.
По возможности следует произвести сравнительные измерения на аналогичных электродвигателях и моделях с целью проверки точности расчетов.
А.2 Повышение температуры обмоток статора и ротора в номинальном режиме работы следует определять согласно ГОСТ 28173.
А.3 Повышение температуры в электродвигателях с заторможенным ротором определяют экспериментальным путем следующим образом.
А.3.1 Когда электродвигатель с заторможенным ротором еще находится при температуре окружающей среды, подают номинальное напряжение номинальной частоты.
А.3.2 Ток статора, измеренный через 5 с после пуска, принимают за начальный пусковой ток IA .
А.3.3 Повышение температуры ротора (стержни и кольца) измеряют термопарами и измерительными устройствами, с помощью преобразователей температуры или других средств, постоянная времени которых мала по сравнению со скоростью повышения температуры ротора. Рассматривают наибольшую из измеренных температур.
Примечание - Существующий градиент скорости повышения температуры в отдельных стержнях ротора зависит от их расположения относительно пространственной гармоники фазочастотного диапазона напряжения на обмотках статора. Этот градиент, составляющий не менее 20% для электродвигателей с низкой пространственной гармоникой, может быть значительно больше. Если в электродвигателе поместить термопары всего в два стержня ротора, напряжение на которых смещено по фазе на 90°, то увеличение наибольшего измеренного повышения температуры на 10% позволяет скомпенсировать высокую температуру любого другого стержня ротора.
А.3.4 В качестве величины, характеризующей повышение температуры обмотки, принимают среднее повышение температуры статора, определяемое с помощью термосопротивления.
А.3.5 Если испытание электродвигателя с заторможенным ротором проводят напряжением меньше номинального, измеренные величины следует увеличивать пропорционально отношению этих напряжений, в прямой зависимости от пускового тока (см. А.3.2) и пропорционально квадрату повышения температуры. При этом следует учитывать эффекты насыщения в магнитопроводах статора и ротора, если таковые имеются.
А.4 Повышение температуры в электродвигателях с заторможенным ротором рассчитывают следующим образом.
А.4.1 При расчете температуры короткозамкнутого ротора повышение температуры рассчитывают по общему количеству теплоты с учетом теплоты, поглощаемой стержнями и кольцами, а также теплоемкости короткозамкнутого ротора. Необходимо также учитывать влияние скинэффекта на распределение тепла в стержнях. Возможны допуски на теплообмен железа.
А.4.2 Скорость повышения температуры обмотки статора во времени Dq/t , К/с, в электродвигателе с заторможенным ротором рассчитывают по формуле
, (А.1)
где j - плотность начального пускового тока, А/мм2 ;
b - коэффициент приведения, учитывающий рассеивание тепла от пропитанных обмоток, равный 0,85;
a - коэффициент, учитывающий материал обмоток, К·мм4 /(А2 ·с).
Для меди a = 0,0065 К·мм4 /(А2 ·с).
А.5 Определение времени tE
А.5.1 На рисунке A.1 показана методика определения времени tE . Из предельной температуры С вычитают максимальную окружающую температуру А (обычно 40 °С) и величину, характеризующую повышение температуры в номинальном режиме работы, - отрезок АВ на рисунке A.1. Время tE определяют по полученной разности ВС и скорости повышения температуры в электродвигателе с заторможенным ротором (измеряют или рассчитывают).
Для ротора и статора проводят отдельные расчеты. Наименьшее из двух значений принимают за время tE для электродвигателя соответствующего температурного класса.
А.6 Электродвигатели с жесткими пусковыми условиями или снабженные специальными защитными устройствами (например, устройствами контроля температуры обмоток) следует испытывать с указанными защитными устройствами.
А.7 Электродвигатели, образующие блоки с преобразователями и защитными устройствами, следует подвергнуть испытанию, которое должно показать, что в условиях эксплуатации блока электродвигателя и преобразователя не происходит превышения предельной температуры.

А - наивысшая допустимая окружающая температура; В - температура в номинальном режиме работы; С - предельная температура; t - время; I - повышение температуры в номинальном режиме работы; 2 - повышение температуры статора и ротора при испытании электродвигателя с заторможенным ротором
Рисунок A.1 - График определения времени tE
ПРИЛОЖЕНИЕ Б
(обязательное)
Испытание специальных резистивных нагревательных устройств и блоков
Б.1 Резистивные нагревательные устройства, подвергаемые механическому воздействию
Гибкие резистивные нагревательные устройства, такие как нагревательные кабели и ленты, не защищенные механически оболочкой и отвечающие требованиям к оболочкам, изложенным в ГОСТ Р 51330.0, следует подвергнуть испытаниям на раздавливание и низкотемпературному испытанию на сгибание согласно [2].
Б.2 Погружные резистивные нагревательные устройства и блоки
Образец или часть образца на 14 сут погружают в водопроводную воду на глубину 50 мм. Затем соответствие сопротивления изоляции испытуемых образцов предъявляемым требованиям определяют по методике, изложенной в 6.8.3, перечисления а), б).
Примечание - Это испытание не предназначено для проверки пригодности резистивного нагревательного устройства или блока для использования в другой среде помимо воды или при давлении св. 500 Па.
Б.3 Резистивные нагревательные устройства или блоки с гигроскопическим изолирующим материалом
Части устройства, обеспечивающие герметичность, подвергают воздействию температуры (80±2) °С в течение 28 сут при относительной влажности не менее 90 %. После этого образец насухо вытирают и соответствие сопротивления изоляции предъявляемым требованиям определяют испытанием по методике 6.8.3, перечисления а), б), но без погружения в воду.
Б.4 Проверка предельной температуры резистивных нагревательных устройств за исключением нагревательного сетевого кабеля, блоков, панелей и систем
Б.4.1 Испытание проводят в соответствии с Б.4.2, Б.4.3 или Б.4.4.
Испытание следует проводить после стабилизации мощности нагрева на уровне, который определяется поданным напряжением питания, повышенным на 10 % по отношению к номинальному и уменьшенным на величину, равную допуску (по значению), в омах, на сопротивление резистивного нагревательного блока.
Примечание - Нагревательные блоки с защитной системой согласно 5.9.12, но испытанные без защитной системы, могут быть сертифицированы как электрооборудование только в том случае, если во время испытания проводят моделирование рабочих условий. В противном случае нагревательный блок может рассматриваться только как Ех-компонент, и требует дополнительной сертификации электрооборудования, в котором он используется.
Б.4.2.1 Максимальная температура, допускаемая защитной системой
Максимальную температуру, допускаемую защитной системой, определяют при отключении дополнительных регулирующих устройств. Для обеспечения температурной стабильности следует учитывать постоянные времени датчиков температуры.
Б.4.2.2 Защитная система, измеряющая температуру и не менее одного параметра
Максимальную температуру определяют согласно Б.4.2.1 с учетом наиболее неблагоприятных условий, допускаемых устройством(ми) измерения другого(их) параметра(ов).
Б.4.2.3 Защитная система, измеряющая другой параметр, кроме температуры
Максимальную температуру определяют с учетом наиболее неблагоприятных условий, допускаемых устройствами измерения других параметров.
Б.4.3 Резистивный нагревательный блок стабилизированной конструкции
Образец испытывают в самых неблагоприятных условиях, обозначенных изготовителем и признанных таковыми испытательным ведомством. Условия испытания предусматривают нулевой расход или незаполненный трубопровод или резервуар. Испытание проводят после стабилизации выходной тепловой мощности на уровне, который определяется подаваемым напряжением питания, составляющим
% от номинального и уменьшенным на величину, равную допуску (по значению), в омах, на сопротивление резистивного нагревательного блока (см. Б.4.2). Моделируемые рабочие условия могут быть согласованы испытательной организацией с изготовителем.
Б.4.4 Нагревательное устройство, обладающее свойством самоограничения
Если испытуемый образец представляет собой кабель или ленту, то образец длиной 3-4 м плотно сворачивают в спираль и помещают вовнутрь оболочки из термоизолирующего материала, способного выдерживать развиваемую температуру.
Оболочка должна быть адиабатной. Для измерения максимальной температуры поверхности испытуемого образца к нему крепят термопары. Затем при начальной температуре образца, равной (20±3) °С, на него подают напряжение, составляющее 110% от номинального. После достижения состояния теплового равновесия следует определить максимальную температуру поверхности испытуемого образца.
Другие типы резистивных нагревательных устройств, которым также присуще свойство самоограничения, следует испытывать аналогично в соответствующей оболочке.
ПРИЛОЖЕНИЕ В
(справочное)
Тепловая защита короткозамкнутых машин
B.1 В данном приложении приведена дополнительная информация для потребителя, помогающая при выборе защитных устройств и, в частности, даются рекомендации по их выбору и применению, отличающиеся от общепринятых промышленных методов или дополняющие их.
В.2 При обслуживании для выполнения требований 4.8.4 можно использовать защитное устройство от перегрузки с обратным отсчетом времени запаздывания (например, стартер для прямого пуска с реле от тепловой перегрузки), но при условии, что защитное устройство отвечает рекомендации В.3.
В.3 Защитное устройство от перегрузки с обратным отсчетом времени запаздывания должно обеспечивать не только контроль тока электродвигателя, но и отключение электродвигателя с заторможенным ротором в течение времени tE .
В распоряжении пользователя должны быть графики зависимости “ток-время” с указанием времени запаздывания срабатывания реле от перегрузки как функции отношения IA /IN . График должен отражать времена запаздывания, начиная со значений времени запаздывания для электродвигателя при температуре окружающей среды 20 °С и заканчивая временами запаздывания для не менее чем 3-8 отношений IA /IN .
Время отключения электродвигателя от сети защитным устройством не должно отличаться более чем на ±20% от найденного времени запаздывания.
В.4 Для постоянно обслуживаемых электродвигателей, эксплуатирующихся без перегрузок, не часто запускаемых и не нагревающихся, дополнительно приемлема защита от перегрузки с помощью устройства с обратным отсчетом времени запаздывания.
Электродвигатели с жесткими пусковыми условиями и частыми пусками используют только при наличии соответствующих защитных устройств, предотвращающих превышение предельной температуры.
Пусковые условия считают жесткими в том случае, когда защитное устройство от перегрузки с обратным отсчетом времени запаздывания, выбранное согласно В.3, отключает электродвигатель до того, как он достигает номинальной скорости. Как правило, это происходит, если общее время пуска превышает в 1,7 раза время tE .
ПРИЛОЖЕНИЕ Г
(обязательное)
Дополнительная электрическая защита резистивных нагревательных устройств и блоков
Г.1 Цель
Дополнительной защитой от сверхтока в электротехническом изделии является ограничение эффекта нагрева и исключение возможного дугового пробоя за счет неправильного заземления и токов утечки при заземлении.
Г.2 Метод защиты
Метод защиты зависит от типа системы заземления (см. ГОСТ 30331.2/ГОСТ Р 50571.2).
а) В системах заземления типов ТТ и TN следует использовать защитное устройство, работающее от остаточного тока и имеющее номинальный остаточный рабочий ток не более 300 мА.
Предпочтение следует отдавать защитным устройствам с номинальным остаточным рабочим током, равным 30 мА. У такого защитного устройства максимальное время отключения от сети не превышает 5 с при номинальном остаточном рабочем токе и не превышает 0,15 с при пятикратном номинальном рабочем токе.
Примечания
1 В типовом случае эта система будет прерывать все незаземленные фазы при токе отключения от сети, равном или больше 30 мА.
2 Дополнительная информация о защитных устройствах, работающих от остаточного тока, приведена в ГОСТ Р 50807.
б) В системе заземления типа IT устройство контроля изоляции используют для прерывания питания в случае, когда сопротивление изоляции не более 50 Ом/В номинального напряжения.
ПРИЛОЖЕНИЕ Д
(справочное)
Сведения по определению комбинаций выводов и проводов для соединений общего назначения и соединительных коробок
Д.1 Общие положения
В большинстве типов электрооборудования источником тепла является четко определенная часть электрооборудования.
В соединениях общего назначения и соединительных коробках основным источником тепла, как правило, являются кабели, подсоединяемые к выводам, а не сами выводы. Этот факт следует учитывать при установлении соответствующего температурного класса соединений общего назначения и соединительных коробок.
Максимальное повышение температуры внутри корпуса такой коробки зависит от двух факторов: повышения температуры отдельных выводов и проводов и общего количества выводов и проводов внутри корпуса, что ведет к повышению температуры в корпусе и температуры отдельных выводов выше допустимой. Из всех выводов, расположенных в корпусе, для иллюстрации выбраны: “наихудший вывод”* (см. 6.7), соответствующий провод с максимальными номинальными характеристиками и наибольшее повышение температуры выше допустимой для конкретного соединения.
________________
* Наихудший вывод - это вывод, на котором возникает наибольшее увеличение температуры. К этому выводу подсоединяют провода максимального сечения.
Д.2 Метод определения максимальной рассеиваемой мощности
Максимальную номинальную рассеиваемую мощность определяют согласно 6.7 на “наихудшем выводе”*. Для соответствующего температурного класса корпус может содержать любое, вплоть до максимального количество выводов, допускаемое физическими размерами корпуса, при условии, что не происходит превышения допускаемого предела максимальной рассеиваемой мощности. При этом “наихудший вывод”* может входить или не входить в число этих выводов.
________________
* Наихудший вывод - это вывод, на котором возникает наибольшее увеличение температуры. К этому выводу подсоединяют провода максимального сечения.
Для каждого вывода рассеиваемую мощность рассчитывают по максимальному току, проходящему через него, и по сопротивлению при температуре 20 °С для вывода и соответствующего провода или проводов. Предполагается, что длина каждого провода от кабельного ввода до вывода равна половине максимального внутреннего линейного размера корпуса (утроенная длина диагонали корпуса), т. е. принимаемая во внимание длина провода от кабельного ввода до вывода составляет половину расстояния от вывода до провода вывода, используемого в 6.7.
Сумма рассеиваемых на отдельных выводах мощностей представляет общую рассеиваемую мощность для данной конфигурации и данных условий цепи. Общая рассеиваемая мощность не должна превышать допускаемый предел максимальной рассеиваемой мощности.
Примечание - Для упрощения расчетов изготовитель должен представить таблицу значений сопротивлений при температуре 20 °С для всех выводов и кабелей, используемых внутри корпуса.
Д.3 В качестве альтернативы, максимальную рассеиваемую мощность можно определять для каждого размера вывода по допустимому количеству проводов, сечению провода и по максимальному току. При наличии ряда сочетаний этих величин их удобнее представить в виде таблицы.
ПРИЛОЖЕНИЕ Е
(справочное)
Публикации, используемые при расчете температуры заторможенного ротора
J.H.Dymond, “Stal Time, Acceleration Time, Frequency of Starting: The Myths and the Facts”, IEEE Transactions Industrial Applications, IA-29, no. 1, pp.42-51, January/February 1993
J.H.Dymond, “Время остановки, время ускорения, частота пуска: мифы и факты”, Труды института инженеров электриков и электронщиков. Промышленное применение, IA-29, N 1, с.42-51, январь/февраль 1993
J.Bredthauer, N.Struck, “Starting of Large Medium Voltage Motors - Design, Protection and Safety Aspects”, in Conf Rec 1994 41 st Annual Meeting IEEE Ind. Applications Society Petroleum and Chemical Industries Conference, IA-31, pp.141-151, September/October 1995
J.Bredthauer, N.Struck, “Запуск крупногабаритных электродвигателей со средним напряжением - конструкция защита и безопасность”, Отчет о конференции. - 1994, 41 ежегодное совещание. Конференция по нефтяной и химической промышленности института инженеров электриков и электронщиков, IA-31, с.141-151, сентябрь/октябрь 1995
ПРИЛОЖЕНИЕ Ж
(справочное)
Стандартное поперечное сечение медных проводов
В таблице Ж.1 дано сравнение поперечных сечений медных проводов по американскому проволочному калибру (AWG) с сечениями, установленными международным стандартом ИСО и метрической системой.
Таблица Ж.1 - Сравнение размеров AWG/kcmil и метрических размеров
| Сечение по стандарту ИСО, мм2 |
Сечение по калибру, AWG/kcmil |
Эквивалентное сечение в метрической системе, мм2 |
| 0,20 |
24 |
0,205 |
| - |
22 |
0,324 |
| 0,50 |
20 |
0,519 |
| 0,75 |
18 |
0,820 |
| 1,00 |
- |
- |
| 1,50 |
16 |
1,300 |
| 2,50 |
14 |
2,100 |
| 4,00 |
12 |
3,300 |
| 6,00 |
10 |
5,300 |
| 10,00 |
8 |
8,400 |
| 16,00 |
6 |
13,300 |
| 25,00 |
4 |
21,200 |
| 35,00 |
2 |
33,600 |
| 50,00 |
0 |
53,500 |
| 70,00 |
00 |
67,400 |
| 95,00 |
000 |
85,000 |
| - |
0000 |
107,200 |
| 120,00 |
250 kcmil |
127,000 |
| 150,00 |
300 kcmil |
152,000 |
| 185,00 |
350 kcmil |
177,000 |
| 240,00 |
500 kcmil |
253,000 |
| 300,00 |
600 kcmil |
304,000 |
| 350,00 |
700 kcmil |
355,000 |
| 380,00 |
750 kcmil |
380,000 |
| 400,00 |
800 kcmil |
405,000 |
| 450,00 |
900 kcmil |
456,000 |
| 500,00 |
1000 kcmil |
507,000 |
| 630,00 |
1250 kcmil |
634,000 |
| 750,00 |
1500 kcmil |
760,000 |
| 890,00 |
1750 kcmil |
887,000 |
| 1000,00 |
2000 kcmil |
1014,000 |
| Примечание - 1 kcmil=506,71·10-3 мм2 . |
||
ПРИЛОЖЕНИЕ И
(обязательное)
Одноштырьковые патроны типа Fa6*
________________
* Извлечение из дополнения 12 (МЭК 61-1М-89) к стандарту МЭК 61-1-69 “Цоколи и патроны ламп со средствами контроля взаимозаменяемости и безопасности. Часть 1. Цоколи ламп”.
И.1 В готовых изделиях расстояние поверхностного пробоя над изоляцией между неизолированными компонентами и металлической оболочкой должно быть не менее 6 мм. Контактный штырь и металлический корпус должны быть покрыты никелем или соответствующим образом защищены от коррозии. Верхняя часть запаянного штыря должна быть полукруглой.
И.2 На рисунке И.1 и в таблице И.1 приведены размеры важные для взаимозаменяемости одноштырьковых патронов люминесцентных ламп типа Fa6.

1 - изоляционный материал (вид произвольный);
2 - полированная поверхность для припаивания
Рисунок И.1 - Одноштырьковый патрон типа Fa6
Таблица И.1 - Размеры одноштырькового патрона типа Fa6
| Обозначение размера |
Значения размеров, мм |
|
| Мин. |
Макс. |
|
| E |
5,92 |
6,00 |
| F |
17,50 |
18,00 |
| F 1 (с припоем) |
- |
18,50 |
| G |
14,5 |
|
| Примечания |
||
| 1 Размер G устанавливает минимальную длину, на которой выдерживается размер E . |
||
| 2 Все размеры, кроме максимальных размеров F и G , проверяют калибром. |
||
ГОСТ Р 51379-99
УДК 621.004:002:006.354
Группа Е01
ГОСУДАРСТВЕННЫЙ СТАНДАРТ РОССИЙСКОЙ ФЕДЕРАЦИИ
Энергосбережение
ЭНЕРГЕТИЧЕСКИЙ ПАСПОРТ ПРОМЫШЛЕННОГО ПОТРЕБИТЕЛЯ ТОПЛИВНО-ЭНЕРГЕТИЧЕСКИХ РЕСУРСОВ
Основные положения. Типовые формы
Energy conservation. Power engineering certificate of fuel-energy resources
for industrial consumer. Basic rules. Standard forms
ОКС 01.110 ОКСТУ 3103, 3104, 3403
Введение в действие 2000—09—01
Предисловие
1 РАЗРАБОТАН Временным творческим коллективом при ФГУ «Российское агентство энергоэффективности»
ВНЕСЕН Научно-техническим управлением Госстандарта России
2 ПРИНЯТ И ВВЕДЕН В ДЕЙСТВИЕ Постановлением Госстандарта России от 30 ноября 1999 г. № 471-ст
3 ВВЕДЕН ВПЕРВЫЕ
ВВЕДЕНИЕ
Госэнергонадзором РФ в сотрудничестве с Московским агентством энергосбережения подготовлены типовые формы энергетического паспорта потребителя топливно-энергетических ресурсов, предложенные для опытного внедрения на ряде предприятий. Данные формы позволяют получать в концентрированном виде объективную информацию об уровне и эффективности использования топливно-энергетических ресурсов на производственных предприятиях топливно-энергетического комплекса, промышленности и коммунального хозяйства. Апробация разработанных форм активно проводилась в течение двух лет нижегородским, московским региональными центрами энергосбережения и другими организациями, специализирующимися в области энергоаудита.
Настоящий стандарт, регламентирующий основные положения энергетической паспортизации, устанавливающий формы документов — составных частей паспорта промышленного потребителя топливно-энергетических ресурсов, дополняющих и уточняющих ранее разработанные формы, отражает накопленный опыт в области энергетической паспортизации предприятий и предлагает единый унифицированный подход к его составу и структуре.
1 ОБЛАСТЬ ПРИМЕНЕНИЯ
Настоящий стандарт устанавливает основные требования к построению, изложению и содержанию энергетического паспорта промышленного потребителя топливно-энергетических ресурсов (ТЭР) с целью определения фактического баланса потребления ТЭР, оценки показателей энергетической эффективности и формирования мероприятий по энергосбережению.
Обязательность разработки и ведения энергетического паспорта потребителя ТЭР определяется нормативными правовыми актами, принимаемыми федеральными органами исполнительной власти и органами исполнительной власти субъектов Российской Федерации.
Стандарт используется органами государственного энергетического надзора при энергетических обследованиях потребителей энергоресурсов и оценке эффективности использования ТЭР.
2 НОРМАТИВНЫЕ ССЫЛКИ
В настоящем стандарте использованы ссылки на следующие стандарты:
ГОСТ 8.417—81 Государственная система обеспечения единства измерений. Единицы физических величин
ГОСТ 27322—87 Энергобаланс промышленного предприятия. Основные положения
ГОСТ Р 51387—99 Энергосбережение. Нормативно-методическое обеспечение. Основные положения.
3 ОПРЕДЕЛЕНИЯ
В настоящем стандарте используют следующие термины с соответствующими определениями:
энергосбережение: Реализация правовых, организационных, научных, производственных, технических и экономических мер, направленных на эффективное использование энергетических ресурсов.
топливно-энергетические ресурсы: Совокупность природных и произведенных энергоносителей, запасенная энергия которых при существующем уровне развития техники и технологии доступна для использования в хозяйственной деятельности.
эффективное использование энергетических ресурсов: Достижение экономически оправданной эффективности использования энергетических ресурсов при существующем уровне развития техники и технологий и соблюдении требований к охране окружающей природной среды.
потребитель топливно-энергетических ресурсов: Физическое или юридическое лицо, осуществляющее пользование топливом, электрической энергией (мощностью) и(или) тепловой энергией (мощностью).
энергетический паспорт промышленного потребителя топливно-энергетических ресурсов: Нормативный документ, отражающий баланс потребления и содержащий показатели эффективности использования ТЭР в процессе хозяйственной деятельности объектами производственного назначения, а также содержащий энергосберегающие мероприятия.
организация-энергоаудитор: Юридическое лицо (организация, кроме государственных надзорных органов), осуществляющее энергетическое обследование потребителей ТЭР и имеющие лицензию на выполнение этих работ.
4 ОБЩИЕ ПОЛОЖЕНИЯ
4.1 Энергетический паспорт потребителя ТЭР разрабатывают на основе энергетического обследования, проводимого с целью оценки эффективности использования ТЭР, разработки и реализации энергосберегающих мероприятий.
4.2 Разработку и ведение паспорта обеспечивает потребитель ТЭР.
Методические рекомендации по заполнению и ведению энергетического паспорта разрабатывают энергоаудиторы и согласовывают с федеральными органами исполнительной власти, уполномоченными для государственного надзора за эффективным использованием ТЭР.
4.3 Энергетические обследования эффективности использования ТЭР проводят:
- потребители ТЭР (собственные внутренние обследования);
- энергоаудиторские организации, работающие по контракту;
- органы, осуществляющие надзор и контроль за эффективностью использования ТЭР. Правила проведения энергетических обследований потребителей ТЭР устанавливает федеральный орган исполнительной власти, уполномоченный для государственного надзора за эффективностью использованием ТЭР.
4.4 Объектами энергетического обследования являются:
- производственное оборудование, машины, установки, агрегаты, потребляющие ТЭР, преобразующие энергию из одного вида в другой для производства продукции, выполнения работ (услуг);
- технологические процессы, связанные с преобразованием и потреблением топлива, энергии и энергоносителей;
- процессы, связанные с расходованием ТЭР на вспомогательные нужды (освещение, отопление, вентиляцию).
4.5 Обновление информации в энергетическом паспорте проводят в соответствии с действующими нормативными правовыми актами в области контроля за эффективностью использования ТЭР.
4.6 Ответственность за достоверность данных энергетического паспорта несут лица, проводившие энергетические обследования, административное руководство потребителя ТЭР.
4.7 Энергетический паспорт потребителя ТЭР должен храниться на предприятии, в территориальном органе государственного энергетического надзора и в организации, проводившей энергоаудит.
4.8 Гриф энергетического паспорта определяет руководство потребителя ТЭР в установленном порядке.
5 СТРУКТУРА И СОДЕРЖАНИЕ ЭНЕРГЕТИЧЕСКОГО ПАСПОРТА ПРОМЫШЛЕННОГО ПОТРЕБИТЕЛЯ ТЭР
5.1 Энергетический паспорт состоит из следующих разделов.
5.1.1 общие сведения о потребителе ТЭР;
5.1.2 сведения о потреблении ТЭР:
- общее потребление энергоносителей,
- потребление электроэнергии,
- потребление тепловой энергии,
- потребление котельно-печного топлива,
- потребление моторного топлива;
5.1.3 сведения об эффективности использования ТЭР;
5.1.4 мероприятия по энергосбережению и повышению эффективности использования ТЭР;
5.1.5 выводы.
Заключительный раздел энергетического паспорта потребителя ТЭР должен включать:
- перечень зафиксированных при обследовании потребителя фактов непроизводительных расходов ТЭР с указанием их величины в стоимостном и натуральном выражении;
- предлагаемые направления повышения эффективности использования ТЭР с оценкой экономии последних в стоимостном и натуральном выражении с указанием затрат, сроков внедрения и окупаемости;
- количественную оценку снижения уровня непроизводительных расходов ТЭР за счет внедрения энергосберегающих мероприятий:
- беззатратных и низкозатратных;
- среднезатратных;
- высокозатратных.
5.2 Типовые формы энергетического паспорта промышленного потребителя ТЭР включают:
5.2.1 титульный лист энергетического паспорта потребителя ТЭР (приложение А);
5.2.2 общие сведения о потребителе ТЭР, приведенные в форме (приложение Б), содержащей информацию о наименовании, реквизитах предприятия, объеме производства основной и вспомогательной продукции, численности персонала и другие сведения о предприятии;
5.2.3 сведения об общем потреблении энергоносителей, приведенные в форме (приложение В), содержащей информацию о годовом потреблении и коммерческом учете потребления всех видов энергоносителей, используемых потребителем ТЭР;
5.2.4 сведения о потреблении электроэнергии, приведенные в формах (приложения Г—К), содержащих информацию о трансформаторных подстанциях, установленной мощности электроприемников по направлениям использования с краткой энергетической характеристикой энергоемкого оборудования, содержащих информацию о собственном производстве электрической и тепловой энергии (собственной теплоэлектростанции), а также годовой баланс потребления электроэнергии;
5.2.5 сведения о потреблении (производстве) тепловой энергии, приведенные в формах (приложения Л—П), содержащих информацию о составе и работе котельных (котельных агрегатах, входящих в состав собственной ТЭС), сведения о технологическом оборудовании, использующем тепловую энергию, расчетно-нормативном потреблении теплоэнергии, а также годовой баланс потребления теплоэнергии;
5.2.6 сведения о потреблении котельно-печного и моторного топлива, об использовании вторичных энергоресурсов, альтернативных топлив, возобновляемых источников энергии, приведенные в формах (приложения Р—Ф), содержащих информацию о характеристиках топливоиспользующих агрегатов, об использовании моторных топлив транспортными средствами и др., а также балансы потребления котельно-печного и моторного топлива;
5.2.7 сведения о показателях эффективности использования ТЭР, приведенные в форме (приложение X), содержащей информацию об удельных расходах ТЭР;
5.2.8 сведения об энергосберегающих мероприятиях, приведенные в форме (приложение Ц), содержащей информацию об энергоэффективных мероприятиях по каждому виду ТЭР.
Представленные в стандарте типовые формы энергетического паспорта используют в качестве базовых. В зависимости от принадлежности потребителя к той или иной отрасли экономики, особенностей и специфики производственного оборудования и технологических процессов типовые формы энергетического паспорта по рекомендациям Федерального органа исполнительной власти, осуществляющего государственный надзор за эффективным использованием ТЭР, могут быть дополнены и утверждены в составе соответствующего нормативного документа.
5.3 При заполнении энергетического паспорта промышленного потребителя ТЭР могут быть использованы нормативные и методические материалы, представленные в приложении Ш.
ПРИЛОЖЕНИЕ А
(обязательное)
ЭНЕРГЕТИЧЕСКИЙ ПАСПОРТ №____
промышленного потребителя топливно-энергетических ресурсов
_____________________________________________________________
наименование организации, предприятия
Паспорт разработан
месяц _____________200... г.
_______________________________________
наименование организации-разработчика
_____________________________________________________________
должность руководителя организации-разработчика, подпись, фамилия
__________________________________________
подпись, фамилия, должность ответственного за должность исполнителя,
энергохозяйство потребителя подпись, фамилия
Срок действия до________________________________
пять лет, не считая года разработки
ПРИЛОЖЕНИЕ Б
(обязательное)
Общие сведения о промышленном потребителе топливно-энергетических ресурсов
_____________________________________________________________
(полное наименование потребителя топливно-энергетических ресурсов)
1 Вид собственности _______________________________________
2 Адрес ___________________________________________________
3 Наименование головной (вышестоящей) организации ________________________________
4 Ф.И.О. руководителя ________________________________________
5 Ф.И.О. гл. инженера_____________________________________
6 Ф.И.О. гл. энергетика ___________________________________
7 Факс ______________________________________________
8 Банковские реквизиты _______________________________________
9 Телефоны:
гл. инженера ______________________
гл. энергетика _____________________
для справок _______________________
| Наименование |
Единица измерения |
Базовый год |
Текущий год |
Примечание |
| 1 |
2 |
3 |
4 |
5 |
| 1 Объем производства продукции (услуг, работ) |
тыс. руб. |
|||
| 2 Производство продукции в натуральном выражении |
||||
| 2.1 Основная продукция |
||||
| 2.2 Дополнительная продукция |
||||
| 3 Потребление энергоресурсов |
тыс. т у.т. |
|||
| тыс. руб.1) |
||||
| 4 Энергоемкость производства продукции2) |
тыс. т у.т. |
|||
| тыс. руб. |
||||
| 5 Доля платы за энергоресурсы в стоимости произведенной продукции3) |
||||
| 6 Среднесписочная численность |
чел. |
|||
| 6.1 в т.ч. промышленно-производственный персонал |
чел. |
_________
1) Стоимость ТЭР определяется по предъявленным счетам.
2) Определяется по формуле
Значение п. 3 (числитель )
Значение п. 1
3) Определяется по формуле
Значение п. 3 (знаменатель )
Значение п. 1
ПРИЛОЖЕНИЕ В
(обязательное)
Общее потребление энергоносителей
| Единица |
Потребленное |
Коммерческий учет |
|||
| Наименование энергоносителя |
измерения |
количество в год |
Тип прибора (марка) |
Количество |
Примечание |
| 1 |
2 |
3 |
4 |
5 |
6 |
| 1 Котельно-печное топливо |
т у.т. |
||||
| 1.1 Газообразное топливо |
|||||
| 1.2 Твердое топливо |
|||||
| 1.3 Жидкое топливо |
|||||
| 1.4 Альтернативные (местные) виды топлив |
|||||
| 1.5 Переводные коэффициенты в условное топливо |
|||||
| 2 Электроэнергия |
МВт×ч |
||||
| 3 Тепловая энергия |
Гкал |
||||
| 3.1 Давление |
МПа |
||||
| 3.2 Температура прямой и обратной воды |
°С |
||||
| 3.3 Температура перегрева пара |
°С |
||||
| 3.4 Степень сухости пара |
% |
||||
| 4 Сжатый воздух |
кН×м3 |
||||
| 4.1 Давление |
МПа |
||||
| 5 Моторное топливо: |
л, т |
||||
| 5.1 - бензин |
|||||
| 5.2 - керосин |
|||||
| 5.3 - дизельное топливо |
|||||
ПРИЛОЖЕНИЕ Г
(обязательное)
Сведения о трансформаторных подстанциях
| Производство, цех, номер подстанции |
Год ввода в эксплуатацию |
Тип трансформатора |
Количество трансформаторов |
Суммарная мощность подстанции, кВА |
Напряжение, кВ высшее/ низшее |
Примечание |
| 1 |
2 |
3 |
4 |
5 |
б |
7 |
ПРИЛОЖЕНИЕ Д
(обязательное)
Установленная мощность потребителей электроэнергии
по направлениям использования
| Направление использования |
Количество и суммарная мощность, кВт, электродвигателей (в цехах, участках, производствах и т. п.) |
Приме |
|||||||
| электроэнергии |
Цех №... |
Цех №... |
Цех №... |
Цех №... |
чание |
||||
| Количество |
Мощность |
Количество |
Мощность |
Количество |
Мощность |
Количество |
Мощность |
||
| 1 |
2 |
3 |
4 |
5 |
6 |
7 |
8 |
9 |
10 |
| 1 Технологическое оборудование, в т. ч.: |
|||||||||
| - электропривод, электро-термическое оборудование |
|||||||||
| - сушилки |
|||||||||
| - прочее |
|||||||||
| 2 Насосы |
|||||||||
| 3 Вентиляционное оборудование |
|||||||||
| 4 Подъемно-транспортное оборудование |
|||||||||
| 5 Компрессоры |
|||||||||
| 6 Сварочное оборудование |
|||||||||
| 7 Холодильное оборудование |
|||||||||
| 8 Освещение |
|||||||||
| 9 Прочее, в т. ч. бытовая техника |
|||||||||
| Всего |
|||||||||
ПРИЛОЖЕНИЕ Е
(рекомендуемое)
Сведения о компрессорном оборудовании
| Цех, участок, производство, тип компрессора |
Год ввода в эксплуатацию |
Количество |
Производительность, м3 / мин |
Давление, МПа |
Мощность электропривода, кВт |
Время работы компрессора за год по журналу, ч, год |
Расчетный среднегодовой расход электроэнергии, МВт×ч |
Удельный расход электроэнергии факт./ норм.*, кВт×ч/ 1000 м3 |
Система охлаждения (оборотное, водопроводное и т. п.) |
Примечание |
| 1 |
2 |
3 |
4 |
5 |
6 |
7 |
8 |
9 |
10 |
11 |
__________
· В случае отсутствия нормативных (паспортных) данных рассчитывают по формуле
ПРИЛОЖЕНИЕ Ж
(рекомендуемое)
Характеристика холодильного оборудования
Тип теплоотводящего устройства___________
| Тип |
Год |
Мощность |
Температура в |
Установленная |
Удельный расход электроэн |
Режим работы, летом/ |
Система отвода тепла от конденсатора |
||
| агрегата-источника |
ввода в эксплуа тацию |
по холоду, Гкал/ч |
холодил ьной камере, °С |
мощ ность, кВт |
ергии, факт./ норм., кВт×ч/ Гкал |
зимой, ч/сут |
Расход теплоносителя летом/ зимой, т/ч |
Охлаждение летом/ зимой, от ... до ... °С |
Примечание |
| 1 |
2 |
3 |
4 |
5 |
6 |
7 |
8 |
9 |
10 |
ПРИЛОЖЕНИЕ И
(рекомендуемое)
Сведения о составе и работе основного оборудования теплоэлектростанции*
Топливо: основное ___________
резервное___________
| Год ввода ТЭС в эксплуатацию |
Электрическая мощность ТЭС, проекта./ факт., кВт |
Тепловая мощность ТЭС, проектн./ факт., Гкал |
Тип турбоагрегата |
Количество турбоагрегатов |
КПД турбоагрегата, % |
Годовое использование турбоагрегата, проектн./ факт., ч |
Коэффициент эффективности использования установленной мощности,
|
Удельный расход топлива на производство электроэнергии г у.т./ (кВт×ч) |
Примечание |
| 1 |
2 |
3 |
4 |
5 |
6 |
7 |
8 |
9 |
10 |
__________
* Сведения о составе и работе котельных агрегатов, входящих в состав ТЭС, заполняют по формуле Л.
ПРИЛОЖЕНИЕ К
(обязательное)
Баланс потребления электроэнергии в 200...Г.
МВт×ч (графа 5 — в процентах).
| Статьи прихода/расхода |
Суммарное потребление |
В том числе расчетно-нормативное потребление с учетом нормативных потерь |
Примечание |
|
| 1 |
2 |
3 |
4 |
5 |
| I Приход |
||||
| 1 Сторонний источник (по счетчикам), |
||||
| 2 Собственная ТЭС |
||||
| II Расход* |
||||
| 1 Технологическое оборудование, в т.ч.: |
||||
| - электропривод, электротермическое оборудование |
||||
| - сушилки |
||||
| - прочее |
||||
| 2 Насосы |
||||
| 3 Вентиляционное оборудование |
||||
| 4 Подъемно-транспортное оборудование |
||||
| 5 Компрессоры |
||||
| 6 Сварочное оборудование |
||||
| 7 Холодильное оборудование |
||||
| 8 Освещение |
||||
| 9 Прочие, в т. ч. бытовая техника |
||||
| Итого: производственный расход |
||||
| 10 Субабоненты |
||||
| 11 Потери эксплуатационно неизбежные: |
||||
| - в сетях, суммарные |
||||
| - в трансформаторах |
||||
| 12 Нерациональные потери |
||||
| Итого: суммарный расход |
||||
ПРИЛОЖЕНИЕ Л
(обязательное)
Сведения о составе и работе котельной
Топливо: основное — природный газ
резервное — ________
| Тип котло-агрегата |
Год ввода в эксплуатацию |
Количество |
Произво-дитель-ность, проектн./ факт.*, т/ч, Гкал/ч |
Давле-ние, раб./ факт.*, МПа |
КПД «брутто» по данным последних испыта-ний, % |
КПД по паспорту, % |
Удельный расход топлива на выработку тепла факт./ норм.* кг у.т./Гкал |
Годовой расход топлива по коммерческому учету, тыс. т у.т. |
Годовая выработка тепла по приборному учету, Гкал |
Примечание |
| 1 |
2 |
3 |
4 |
5 |
6 |
7 |
8 |
9 |
10 |
11 |
__________
* Определяется по паспортным данным.
ГОСТ Р 51380-99
УДК 621.002.5:006.354 Группа Е01
ГОСУДАРСТВЕННЫЙ СТАНДАРТ РОССИЙСКОЙ ФЕДЕРАЦИИ
Энергосбережение
МЕТОДЫ ПОДТВЕРЖДЕНИЯ СООТВЕТСТВИЯ ПОКАЗАТЕЛЕЙ ЭНЕРГЕТИЧЕСКОЙ ЭФФЕКТИВНОСТИ ЭНЕРГОПОТРЕБЛЯЮЩЕЙ ПРОДУКЦИИ ИХ НОРМАТИВНЫМ ЗНАЧЕНИЯМ
Общие требования
Energy conservation. Methods of assurance for energy efficiency indicators of energy
consumed products to its normative values. General requirements
ОКСТУ 3103, 3104, 3403
ОКС 01.110
Дата введения 2000—09—01
Предисловие
1 РАЗРАБОТАН Всероссийским научно-исследовательским институтом стандартизации (ВНИИстандарт)
ВНЕСЕН Научно-техническим управлением Госстандарта России
2 ПРИНЯТ И ВВЕДЕН В ДЕЙСТВИЕ Постановлением Госстандарта России от 30 ноября 1999 г. № 472-ст
3 ВВЕДЕН ВПЕРВЫЕ
1 ОБЛАСТЬ ПРИМЕНЕНИЯ
Настоящий стандарт распространяется на энергопотребляющую продукцию производственно-технического назначения и бытового потребления на стадиях ее жизненного цикла и устанавливает требования к методам подтверждения соответствия показателей ее энергетической эффективности их нормативным значениям.
Нормативные значения показателей энергетической эффективности энергопотребляющей продукции устанавливаются в нормативных документах — государственных, отраслевых стандартах, технических регламентах, стандартах научно-технических обществ и ассоциаций, стандартах предприятий.
2 НОРМАТИВНЫЕ ССЫЛКИ
В настоящем стандарте использованы ссылки на следующие стандарты:
ГОСТ Р 8.563—96 Государственная система обеспечения единства измерений. Методики выполнения измерений
ГОСТ Р 51000.1—95 Государственная система стандартизации Российской Федерации. Система аккредитации в Российской Федерации. Система аккредитации органов по сертификации, испытательных и измерительных лабораторий. Общие требования
ГОСТ Р 51000.3—96 Государственная система стандартизации Российской Федерации. Система аккредитации в Российской Федерации. Общие требования к испытательным лабораториям
ГОСТ Р 51000.5—96 Государственная система стандартизации Российской Федерации. Система аккредитации в Российской Федерации. Общие требования к органам по сертификации продукции и услуг
ГОСТ Р 51379—99 Энергосбережение. Энергетический паспорт промышленного потребителя топливно-энергетических ресурсов. Основные положения. Типовые формы
ГОСТ Р 51387—99 Энергосбережение. Нормативно-методическое обеспечение. Основные положения
ГОСТ Р 51541—99 Энергосбережение. Энергетическая эффективность. Состав и классификация показателей
3 ОПРЕДЕЛЕНИЯ
В настоящем стандарте применяют следующие термины с соответствующими определениями:
энергосбережение: Реализация правовых, организационных, научных, производственных, технических и экономических мер, направленных на эффективное использование энергетических ресурсов.
энергоноситель: Вещество в различных агрегатных состояниях (твердое, жидкое, газообразное), либо иные формы материи (плазма, поле, излучение и т. д.), запасенная энергия которых может быть использована для целей энергоснабжения.
топливно-энергетические ресурсы: Совокупность природных и произведенных энергоносителей, запасенная энергия которых при существующем уровне развития техники и технологии доступна для использования в хозяйственной деятельности.
энергопотребляющая продукция: Продукция, которая потребляет топливно-энергетические ресурсы при использовании ее по прямому функциональному назначению.
эффективное использование энергетических ресурсов: Достижение экономически оправданной эффективности использования энергетических ресурсов при существующем уровне развития техники и технологий и соблюдении требований к охране окружающей природной среды.
показатель энергетической эффективности: Абсолютная, удельная или относительная величина потребления или потерь энергетических ресурсов для продукции любого назначения или технологического процесса.
показатель экономичности энергопотребления продукции: Количественная характеристика эксплуатационных свойств продукции (изделия), отражающая ее техническое совершенство, определяемое совершенством конструкции и качеством изготовления, уровнем или степенью потребления ею топливно-энергетических ресурсов при использовании ее по прямому функциональному назначению.
сертификация энергопотребляющей продукции по показателям энергетической эффективности:
Процедура подтверждения соответствия, посредством которой независимая от изготовителя и потребителя организация удостоверяет в письменной форме соответствие показателей энергетической эффективности продукции установленным требованиям.
класс энергетической эффективности продукции: Обозначение установленного нормативным документом уровня энергоэффективности, характеризуемого интервалом значений показателей экономичности энергопотребления для группы однородной (энергопотребляющей) продукции.
4 ОБЩИЕ ПОЛОЖЕНИЯ
4.1 Вновь изготовленная энергопотребляющая продукция подлежит процедуре подтверждения соответствия показателей энергоэффективности (экономичности энергопотребления) нормативным значениям показателей, установленным в государственных стандартах на эту продукцию.
4.2 Необходимость проведения процедуры подтверждения определяется требованиями законодательных, нормативных правовых актов, а также условиями поставки вновь изготовленной продукции (условиями контракта), требованиями федеральных органов исполнительной власти в области надзора за эффективностью использования топливно-энергетических ресурсов.
4.3 Подтверждение соответствия показателей энергетической эффективности (экономичности энергопотребления) вновь изготовленной энергопотребляющей продукции нормативным значениям, установленным в государственных стандартах на эту продукцию, является результатом процедуры оценки соответствия (сертификации), осуществляемой согласно установленному порядку и правилам оценки соответствия, или результатом самодекларации производителя продукции.
Рекомендуемый перечень продукции, подлежащей сертификации по показателям энергетической эффективности, приведен в приложении А.
4.4 По результатам оценки соответствия вновь изготовленную энергопотребляющую продукцию относят к определенному классу энергетической эффективности соответствующей группы однородной продукции.
Диапазоны показателей экономичности энергопотребления, соответствующие определенным классам энергоэффективности, устанавливаются для групп однородной (энергопотребляющей) продукции нормативными правовыми актами уполномоченных федеральных органов исполнительной власти.
4.5 При необходимости (по требованиям органов надзора за эффективным использованием энергоресурсов) подтверждение соответствия показателей энергетической эффективности энергопотребляющей продукции производственно-технического назначения, находящейся в эксплуатации (использовании), значениям, установленным в технической документации, осуществляют методом испытаний продукции (у пользователя) в регламентированных условиях, а также на основе обработки статистических данных по энергопотреблению (энергоэффективности), полученных в ходе эксплуатации продукции, в т. ч. по данным энергетических обследований предприятий (организаций) — потребителей энергоресурсов.
4.6 Нормативные значения показателей экономичности энергопотребления продукции основываются на достижении экономически оправданной эффективности использования топливно-энергетических ресурсов, учета практически достижимого научно-технического уровня, выполнения нормативных требований энергетической эффективности и охраны окружающей среды.
4.7 Номенклатуру показателей энергоэффективности энергопотребляющей продукции устанавливают в соответствии с требованиями ГОСТ Р 51541.
5 ТРЕБОВАНИЯ К МЕТОДАМ ПОДТВЕРЖДЕНИЯ ПОКАЗАТЕЛЕЙ ЭНЕРГЕТИЧЕСКОЙ ЭФФЕКТИВНОСТИ ЭНЕРГОПОТРЕБЛЯЮЩЕЙ ПРОДУКЦИИ
5.1 К методам подтверждения показателей энергетической эффективности энергопотребляющей продукции относят:
- декларацию производителя продукции;
- сертификационные испытания продукции;
- сбор и обработку статистических данных по показателям энергоэффективности.
5.2 Декларация производителя основывается на данных внутренних (производителя) испытаний продукции в регламентированных условиях в соответствии с методом, определяемым нормативным документом.
5.2.1 По положительным результатам испытаний производитель декларирует соответствие продукции нормативным показателям энергоэффективности, внося подтвержденные значения показателей и данные об использованном методе испытаний в техническую (эксплуатационную) документацию на продукцию.
5.2.2 Производитель продукции несет ответственность за достоверность информации о показателях энергетической эффективности продукции, представленной в декларации, в установленном законом порядке.
5.3 Работы по сертификации энергопотребляющей продукции осуществляют в соответствии с «Порядком проведения сертификации продукции в Российской Федерации», а также в соответствии с разработанными и утвержденными в установленном порядке положением и правилами сертификации продукции по показателям энергоэффективности (экономичности энергопотребления).
5.3.1 Методы сертификационных испытаний продукции устанавливают государственными стандартами.
5.3.2 Номенклатуру энергопотребляющей продукции, подлежащей обязательной сертификации, и перечень соответствующих нормативных документов (государственных стандартов), применяемых при этом, определяет федеральный орган исполнительной власти, уполномоченный по вопросам стандартизации, сертификации и метрологии, по предложениям федерального органа исполнительной власти, уполномоченного в области топлива и энергетики. Рекомендуемый перечень такой продукции приведен в приложении А.
5.3.3 Общие требования к органам по сертификации продукции по показателям энергоэффективности — согласно ГОСТ Р 51000.5.
5.3.4 Аккредитация органов по сертификации, испытательных и измерительных лабораторий — согласно ГОСТ Р 51000.1.
5.3.5 Общие требования к испытательным лабораториям — по ГОСТ Р 51000.3.
5.3.6 Методики выполнения измерений при испытаниях должны соответствовать ГОСТ Р 8.563.
5.4 Подтверждение показателей энергоэффективности используемой (эксплуатируемой) продукции производственно-технического назначения нормативным значениям, приведенным в нормативной, технической документации, осуществляют путем сбора и обработки статистических данных о потреблении (потерях) энергии в рамках работ по энергетическому обследованию и энергетической паспортизации предприятия—потребителя энергоресурсов.
5.4.1 По результатам обработки статистических данных оценивают соответствие показателей энергетической эффективности их нормативным значениям.
5.4.2 Состав информации, включаемой в энергетический паспорт потребителя топливно-энергетических ресурсов, определяют согласно ГОСТ Р 51379.
ПРИЛОЖЕНИЕ А
(справочное)
Рекомендуемый перечень продукции, подлежащей сертификации
по показателям энергетической эффективности
| Наименование объекта сертификации |
Код ОКП |
||
| 1 |
Бытовое оборудование |
||
| 1.1 |
Утюги |
51 5531 |
|
| 1.2 |
Холодильники и морозильники |
51 5603 |
|
| 1.3 |
Пылесосы |
51 5611 |
|
| 1.4 |
Стиральные машины |
51 5630 |
|
| 1.5 |
Машины посудомоечные |
51 5641 |
|
| 1.6 |
Кондиционеры |
51 5674 |
|
| 1.7 |
Инвентарь кухонный |
51 5739 |
|
| 2 |
Продукция тяжелого, энергетического и транспортного машиностроения |
||
| 2.1 |
Котлы паровые |
31 1210, 31 1230 |
|
| 2.2 |
Котлы водогрейные стационарные |
31 1280 |
|
| 2.3 |
Дизели и дизель-генераторы |
31 2000 |
|
| 2.4 |
Вентиляторы промышленные |
31 4621 |
|
| 3 |
Машины электрические |
||
| 3.1 |
Двигатели асинхронные |
33 1000 |
|
| 3.2 |
Двигатели синхронные |
33 1100 |
|
| 3.3 |
Двигатели постоянного тока шаговые |
33 1100 |
|
| 3.4 |
Трансформаторы силовые |
34 1100 |
|
| 3.5 |
Электрокалориферы и электроводонагреватели |
34 4242 |
|
| 3.6 |
Электронагреватели трубчатые промышленные |
34 4350 |
|
| 3.7 |
Светильники для аварийного освещения |
34 6100 |
|
| 3.8 |
Светильники для наружного освещения |
34 6120 |
|
| 3.9 |
Светильники для освещения жилых и общественных зданий |
34 6150, 34 6160 |
|
| 3.10 |
Лампы накаливания общего назначения |
34 6610 |
|
| 3.11 |
Лампы люминесцентные |
34 6700 |
|
| 3.12 |
Лампы ртутные высокого и сверхвысокого давления |
34 6700 |
|
| 3.13 |
Печи, плиты электрические |
34 6810 |
|
| 3.14 |
Переносные тостеры, грили, ростеры |
34 6818, 34 6824 |
|
| 3.15 |
Микроволновые печи |
34 6826 |
|
| 3.16 |
Приборы для нагревания жидкостей |
34 6840, 51 5520 |
|
| 3.17 |
Водонагреватели проточные |
34 6842 |
|
| 3.18 |
Погружные нагреватели |
34 6844 |
|
| 3.19 |
Электрокипятильники электродного типа |
34 6845 |
|
| 3.20 |
Обогреватели комнатные |
34 6850 |
|
| 3.21 |
Электронагреватели панельные |
34 6857 |
|
| 3.22 |
Приборы мягкой теплоты |
34 6860 |
|
| 3.23 |
Инструменты и приборы переносные электронагревательные |
34 6870 |
|
| 3.24 |
Электрические сушилки барабанного типа |
34 6879 |
|
| 3.25 |
Трансформаторы и автотрансформаторы для бытовых электроприборов |
34 6882 |
|
| 3.26 |
Кухонные машины |
34 6893, 51 5640 |
|
| 3.27 |
Воздухоочистители для кухонь |
34 6896 |
|
| 3.28 |
Компрессоры |
346897 |
|
| 3.29 |
Стартеры для трубчатых люминесцентных ламп |
34 6922 |
|
| 3.30 |
Электроконфорки для бытовых электронагревательных приборов |
34 6971 |
|
| 4 |
Продукция нефтяного и химического машиностроения |
||
| 4.1 |
Аппараты теплообменные |
36 1200-36 8100 |
|
| 4.2 |
Аппараты сушильные |
36 1300 |
|
| 4.3 |
Электролизеры для сварки, пайки и подогрева |
36 1469 |
|
| 4.4 |
Компрессоры воздушные газовые приводные |
36 4300 |
|
| 4.5 |
Установки холодильные холодопроизводительностью св. 2,5 тыс. станд. ккал/ч |
36 4400 |
|
| 4.6 |
Аппаратура газорегулирующая коммуникационная и запорная |
36 4570-36 4575 |
|
| 4.7 |
Соединения трубопроводов на высокое давление (от 10 до 100 МПа) |
36 4790 |
|
| 4.8 |
Оборудование, используемое при бурении нефтяных и газовых скважин |
36 6100-36 6320 |
|
| 4.9 |
Машины и оборудование для транспортирования нефти |
36 6710 |
|
| 4.10 |
Горелки газовые общего назначения |
36 9610 |
|
| 4.11 |
Горелки газовые специального назначения |
36 9620 |
|
| 4.12 |
Горелки газомазутные |
36 9630 |
|
| 4.13 |
Воздухонагреватели |
36 9650 |
|
| 4.14 |
Арматура промышленная трубопроводная и газовая |
37 0000-49 5000 |
|
| 5 |
Оборудование металлообрабатывающее и деревообрабатывающее |
||
| 5.1 |
Станки металлообрабатывающие |
38 1000 |
|
| 5.2 |
Машины кузнечно-прессовые |
38 2000 |
|
| 5.3 |
Станки деревообрабатывающие |
38 3000 |
|
| 5.4 |
Оборудование технологическое для литейного производства |
38 4000 |
|
| 6 |
Продукция общемашиностроительного применения |
||
| 6.1 |
Насосы объемные (для гидроприводов) |
41 4100 |
|
| 6.2 |
Гидромоторы |
41 4200 |
|
| 6.3 |
Пневмоприводы, пневмоавтоматика и пневмоинструмент |
41 5100 |
|
| 6.4 |
Мотор-редукторы |
41 6170 |
|
| 7 |
Изделия автомобильной промышленности |
||
| 7.1 |
Автомобили грузовые |
45 1100 |
|
| 7.2 |
Автомобили легковые |
45 1400 |
|
| 7.3 |
Мотоциклы, мопеды, мотороллеры |
45 2800, 45 2930 |
|
| 7.4 |
Двигатели автомобильные и мотоциклетные |
45 6000 |
|
| 8 |
Тракторы и сельскохозяйственные машины |
||
| 8.1 |
Тракторы сельскохозяйственные |
47 2200, 47 2400 |
|
| 8.2 |
Тракторы промышленные |
47 2700 |
|
| 8.3 |
Насосы и насосные агрегаты для водоснабжения |
474118 |
|
| 8.4 |
Теплогенераторы |
47 4164 |
|
| 8.5 |
Котлы-парообразователи |
47 4476 |
|
| 8.6 |
Дизели тракторов и сельскохозяйственных машин |
47 5130 |
|
| 9 |
Продукция строительного, дорожного и коммунального машиностроения |
||
| 9.1 |
Экскаваторы одноковшовые на автошасси |
48 1100 |
|
| 9.2 |
Оборудование сваебойное копровое |
48 3220 |
|
| 9.3 |
Лифты |
48 3611 |
|
| 9.4 |
Оборудование прачечное промышленного типа |
48 5500, 48 5600 |
|
| 9.5 |
Аппараты (печи) отопительные и отопительноварочные |
48 5810 |
|
| 9.6 |
Плиты газовые бытовые |
48 5830 |
|
| 9.7 |
Колонки водогрейные для ванн |
48 5840 |
|
| 9.8 |
Водонагреватели на газообразном топливе |
48 5850 |
|
| 9.9 |
Радиаторы к колонкам газовым |
48 5895 |
|
| 9.10 |
Кондиционеры промышленные |
48 6200 |
|
| 9.11 |
Котлы отопительные (малолитражные) тепловой мощностью до 100 кВт |
49 3111,49 3112 |
|
| 9.12 |
Котлы отопительные тепловой мощностью от 0,1 МВт |
49 3121-49 3129 |
|
| 9.13 |
Подогреватели пароводяные и водоводяные |
49 3300 |
|
| 10 |
Оборудование технологическое для легкой и пищевой промышленности |
||
| 10.1 |
Станки ткацкие |
51 1270 |
|
| 10.2 |
Приводы к промышленным швейным машинам |
51 1540 |
|
| 10.3 |
Оборудование технологическое для сахарной промышленности |
51 3111 |
|
| 10.4 |
Оборудование технологическое для хлебопекарной, макаронной, кондитерской промышленности |
51 3121,51 3122, 51 3123 |
|
| 10.5 |
Оборудование технологическое для пивоваренной промышленности |
51 3171 |
|
| 10.6 |
Оборудование технологическое для мясной и мясоперерабатывающей промышленности |
51 3210 |
|
| 10.7 |
Оборудование технологическое для молочной промышленности |
51 3220 |
|
| 10.8 |
Устройства электрические для копчения рыбы, мяса, птицы |
51 3210 |
|
| 10.9 |
Оборудование технологическое для мукомольных предприятий |
51 4200 |
|
| 10.10 |
Оборудование технологическое для крупяной промышленности |
51 4300 |
|
| 10.11 |
Оборудование холодильное |
51 5110 |
|
| 10.12 |
Оборудование тепловое |
51 5120 |
|
| 10.13 |
Котлы стационарные пищеварочные газовые |
51 5121 |
|
| 10.14 |
Машины посудомоечные |
51 5151,51 5194 |
|
| 10.15 |
Холодильное оборудование для торговли |
51 5191 |
|
| 10.16 |
Тепловое оборудование для торговли |
51 5192 |
|
| 10.17 |
Агрегаты компрессорно-конденсаторные фреоновые |
51 5211 |
|
| 11 |
Нефть, нефтепродукты, газ |
||
| 11.1 |
Топливо нефтяное. Мазут |
02 5211,02 5213 |
|
| 11.2 |
Топливо дизельное |
02 5130 |
|
| 11.3 |
Бензины автомобильные |
02 5212 |
|
| 11.4 |
Бензины авиационные |
025111 |
|
| 11.5 |
Топливо для реактивных двигателей |
02 5121 |
|
| 11.6 |
Топливо моторное для среднеоборотных и малооборотных дизелей |
02 5221 |
|
ГОСТ Р 51387-99
УДК 62.1:006.354 Группа Е01
ГОСУДАРСТВЕННЫЙ СТАНДАРТ РОССИЙСКОЙ ФЕДЕРАЦИИ
Энергосбережение
НОРМАТИВНО-МЕТОДИЧЕСКОЕ ОБЕСПЕЧЕНИЕ
Основные положения
Energy conservation. Norm-method securing. Basic concept
ОКС 01.110
ОКСТУ 3103, 3104, 3403
Дата введения 2000—07—01
Предисловие
1 РАЗРАБОТАН ФГУ «Российское агентство энергоэффективности» Минтопэнерго России совместно с ВНИЦ СМВ и ВНИИстандарт Госстандарта России
ВНЕСЕН ФГУ «Российское агентство энергоэффективности» Минтопэнерго России
2 ПРИНЯТ И ВВЕДЕН В ДЕЙСТВИЕ Постановлением Госстандарта России от 30 ноября 1999 г. № 485-ст
3 В настоящем стандарте реализованы нормы и требования:
- Закона РФ «Об энергосбережении»;
- Закона РФ «О стандартизации»;
- Закона РФ «Об обеспечении единства измерений»;
- Закона РФ «Об охране окружающей среды»;
- Закона РФ «О лицензировании отдельных видов деятельности»;
- Федеральной целевой программы «Энергосбережение России» (1998—2005 гг.). Утверждена постановлением Правительства РФ от 24.01.98 № 80 (далее — ФЦП «Энергосбережение России»);
- Постановления Правительства РФ «Положение о Министерстве топлива и энергетики Российской Федерации» от 27.01.96 № 60 (далее — Постановление № 60);
- Постановления Правительства РФ от 13.08.97 № 1009 «Правила подготовки нормативных правовых актов федеральных органов исполнительной власти и их государственной регистрации» (далее — Правила № 1009);
- Постановления Правительства РФ от 12.08.98 № 938 «О государственном энергетическом надзоре в Российской Федерации» (далее — Постановление № 938);
- Правил проведения энергетических обследований организаций. Утверждены Минтопэнерго России от 25.03.98 (далее — Правила от 25 марта 1998 г.)
4 ВВЕДЕН ВПЕРВЫЕ
ВВЕДЕНИЕ
Задачи энергосбережения, определенные в Законе РФ «Об энергосбережении», предполагают реализацию правовых, организационных, научных, производственных, технических и экономических мер, направленных на эффективное использование энергетических ресурсов и вовлечение в хозяйственный оборот возобновляемых источников энергии.
По прогнозам ИСО/МЭК, стандартизация в области энергетических и минеральных ресурсов имеет пятый приоритет из 12 актуальных в период до 2010 г. направлений стандартизации [1].
В поддержку мероприятий по обеспечению энергосбережения на федеральном и региональном уровнях уже принято несколько десятков нормативных актов, нормативных и методических документов (приложение В).
Основное назначение настоящего стандарта — системно упорядочить активно развивающиеся процессы нормативно-методического обеспечения энергосбережения на федеральном, региональном (субъектов Российской Федерации), ведомственном и локальном уровнях с использованием принципов (приложение Б), учитывающих рыночные условия хозяйствования.
1 ОБЛАСТЬ ПРИМЕНЕНИЯ
Настоящий стандарт устанавливает основные понятия, принципы, цели и субъекты деятельности в области нормативно-методического обеспечения энергосбережения, состав и назначение основополагающих нормативных, методических документов и распространяется на деятельность, связанную с эффективным использованием топливно-энергетических ресурсов (далее — ТЭР), на энергопотребляющие объекты (установки, оборудование, продукцию производственно-технического и бытового назначения), технологические процессы, работы, услуги (далее — процессы).
Стандарт не распространяется на объекты военной техники, ядерные, химические и биологические энергопотребляющие объекты.
Положения, установленные в настоящем стандарте, обязательны для применения расположенными на территории РФ предприятиями, организациями, региональными и другими объединениями (далее — предприятия) независимо от форм собственности и подчинения, а также органами управления РФ, имеющими прямое отношение к использованию ТЭР и энергосбережению.
Положения, установленные в настоящем стандарте, применяют в научно-технической, учебной и справочной литературе, при планировании разработок и разработке нормативных, методических документов по энергосбережению и обеспечению эффективного использования ТЭР.
2 НОРМАТИВНЫЕ ССЫЛКИ
В настоящем стандарте использованы ссылки на следующие стандарты:
ГОСТ Р 1.2—92 Государственная система стандартизации Российской Федерации. Порядок разработки государственных стандартов
ГОСТ Р 1.4—93 Государственная система стандартизации Российской Федерации. Стандарты отраслей, стандарты предприятий, стандарты научно-технических обществ и других общественных объединений. Общие положения
ГОСТ Р 1.5—92 Государственная система стандартизации Российской Федерации. Общие требования к построению, изложению, оформлению и содержанию стандартов
ГОСТ 19431—84 Энергетика и электрификация. Термины и определения
ГОСТ 26691—85 Теплоэнергетика. Термины и определения
ГОСТ Р 51379—99 Энергосбережение. Энергетический паспорт промышленного потребителя топливно-энергетических ресурсов. Основные положения. Типовые формы
ГОСТ Р 51380—99 Энергосбережение. Методы подтверждения соответствия показателей энергетической эффективности энергопотребляющей продукции их нормативным значениям. Общие требования
ГОСТ Р 51388—99 Энергосбережение. Информирование потребителей об энергоэффективности изделий бытового и коммунального назначения. Общие требования
3 ОПРЕДЕЛЕНИЯ И СОКРАЩЕНИЯ
3.1 В настоящем стандарте применяют термины, приведенные в ГОСТ 19431, [8—10], государственных стандартах России, указанных в разделе 2, а также основные термины и понятия, приведенные в приложении А.
3.2 В настоящем стандарте применяют следующие сокращения:
ВЭР — вторичные топливно-энергетические ресурсы
ГОСТ Р — Государственный стандарт России
ДСТУ — Государственный стандарт Украины
ЕС — Европейское сообщество
ИСО — Международная организация по стандартизации
МТК — Межгосударственный классификатор стандартов
МЭК — Международная электротехническая комиссия
ОСТ — отраслевой стандарт
РАЭФ — Российское агентство энергоэффективности
Р — рекомендации (по стандартизации)
РД — руководящий документ (по стандартизации)
РЭК — Региональная энергетическая комиссия
СТО — стандарт научно-технического общества
СТП — стандарт предприятия
ТР — технические рекомендации (по стандартизации)
ТЭР — топливно-энергетические ресурсы
ТЭК — топливно-энергетический комплекс
ФЦП — Федеральная целевая программа
ФГУ — Федеральное государственное учреждение
4 ОСНОВНЫЕ ЦЕЛИ, НАПРАВЛЕНИЯ ИСПОЛЬЗОВАНИЯ И ПРИНЦИПЫ НОРМАТИВНО-МЕТОДИЧЕСКОГО ОБЕСПЕЧЕНИЯ ЭНЕРГОСБЕРЕЖЕНИЯ
4.1 Энергосбережение осуществляют путем реализации правовых, организационных, научных, производственных, технических и экономических мер, направленных на эффективное использование ТЭР и на вовлечение в хозяйственный оборот возобновляемых источников энергии (Закон «Об энергосбережении»).
4.2 Целями нормативно-методического обеспечения энергосбережения являются установление в отечественных государственных стандартах, технологических регламентах, технических и методических документах:
- требований эффективного использования и сокращения потерь ТЭР при их добыче, производстве, переработке, транспортировании, хранении, потреблении, утилизации;
- нормативных значений показателей энергетической эффективности энергопотребляющих объектов и процессов, ограничивающих образование загрязняющих окружающую среду биосферозагрязнителей (твердых отходов, жидких сбросов, газообразных выбросов, шламов, смесей; шумов, полей, излучений), как результат использования ТЭР;
- правил проверки соответствия (в т.ч. путем сертификации) энергопотребляющих объектов и процессов нормативным показателям энергетической эффективности;
- порядка осуществления государственного надзора за эффективным использованием ТЭР путем проведения энергетических обследований потребителей ТЭР;
- требований обеспечения точности и единства измерений при учете ТЭР на стадиях добычи, производства, переработки, транспортирования, хранения и потребления;
- правил обеспечения соответствия стандартов, норм и нормативов в области энергосбережения и энергетической эффективности международным, межгосударственным, региональным, зарубежным стандартам, признанным в России;
- ограничения и (или) недопущения разработки, производства, закупки и применения энергопотребляющих объектов с расходами энергоресурсов, превышающими установленные стандартами и регламентами уровни.
4.3 Основные направления использования нормативных и методических документов в области энергосбережения:
- совершенствование федерального и регионального законодательства по обеспечению энергосбережения;
- разработка программ энергосбережения, планирование и реализация энергосберегающих проектов, организация работ по энергосбережению при создании энергопотребляющих объектов и реализации процессов;
- разработка и утверждение общетехнических стандартов, иных нормативных и методических документов по энергосбережению в развитие нормативно-правовых актов и программ;
-установление нормативных показателей энергетической эффективности для энергоемких объектов и типовых технологических процессов;
- проведение энергетических обследований и энергетической паспортизации потребителей ТЭР;
- установление порядка и правил оценки соответствия (сертификации), методов испытаний объектов, потребляющих ТЭР, на соответствие нормативным показателям энергетической эффективности;
- установление норм точности: методов измерений и обеспечение единства измерений: метрологического контроля и надзора за добычей, производством, переработкой, транспортированием и потреблением ТЭР;
- разработка стандартов на возобновляемые, новые источники энергии, вторичные энергоресурсы и альтернативные виды топлива.
4.4 Нормативно-методическое обеспечение энергосбережения базируется на основных принципах (в развитие [2], [3], [12]), представленных в приложении Б.
5 СОСТАВ И НАЗНАЧЕНИЕ КОМПЛЕКСА НОРМАТИВНЫХ И МЕТОДИЧЕСКИХ ДОКУМЕНТОВ ПО ОБЕСПЕЧЕНИЮ ЭНЕРГОСБЕРЕЖЕНИЯ
5.1 Нормативные и методические документы профиля «Энергосбережение» в совокупности должны реализовать системное единство нормативно-методического обеспечения рационального использования и экономного расходования ТЭР энергопотребляющими объектами и процессами.
5.2 Результатами нормативно-методического обеспечения энергосбережения являются:
- нормативные документы в области энергосбережения на межгосударственном (ГОСТ), государственном (ГОСТ Р), отраслевом (ОСТ) уровнях, а также на уровнях стандартов научно-технических обществ (СТО) и предприятий (СТП);
- технические регламенты, правила, руководства и другие нормативные документы по энергосбережению, принятые органами исполнительной государственной власти;
- методические документы по расчетам экономии энергоносителей и обоснованию экономической эффективности энергосберегающих проектов;
- методические документы, в которых изложены полностью или со ссылками на первоисточники рекомендации, методы, способы, схемы, алгоритмы, модели энергосбережения за счет повышения эффективности использования и снижения потерь первичных ТЭР, использования вторичных ТЭР, возобновляемой энергии и альтернативных топлив;
- методические документы, регламентирующие требования к точности методов измерений, обеспечение единства измерений, метрологического контроля и надзора при учете ТЭР на стадиях добычи, производства, переработки, транспортирования, хранения и потребления.
5.3 Нормативные и методические документы профиля «Энергосбережение» устанавливают:
- основные термины и понятия в области энергосбережения (приложение А);
- требования к составу и содержанию нормативных и методических документов по обеспечению энергосбережения, основные принципы и методические основы деятельности в области нормативно-методического обеспечения энергосбережения (приложение Б);
- номенклатурный состав и классификацию показателей эффективности использования ТЭР;
- порядок выбора и внесения показателей в техническую документацию;
- методы расчета энергобалансов потребителей энергоресурсов с последующей их паспортизацией (ГОСТ Р 51379);
- порядок проведения обязательной и добровольной сертификации энергопотребляющей продукции (ГОСТ Р 51380);
- методы испытаний и сертификации объектов по требованиям энергосбережения (ГОСТ Р 51380);
- порядок маркирования энергопотребляющей продукции (ГОСТ Р 51388);
- методы расчета освещенности и эффективности тепловых режимов, требования к теплоизоляции, контролю поддержания температуры, общих энергобалансов зданий с последующей их паспортизацией;
- нормативы расхода топлива и энергии, методы их определения;
- требования к энергосберегающим технологиям, методы расчета энергобалансов промышленных технологических процессов;
- методы расчета и анализа направлений снижения потерь топлива и энергии при создании продукции и ее эксплуатации;
- методы определения экономической эффективности мероприятий по энергосбережению;
- направления привлечения инвестиций для реализации проектов и мероприятий по энергосбережению;
- требования к метрологическому обеспечению энергосбережения;
- требования к использованию вторичных энергетических ресурсов;
- требования к нетрадиционным возобновляемым источникам энергии;
- методы автоматизированного сбора и обработки данных о расходах топлива и энергии;
- требования к информационному обеспечению в области энергосбережения;
- требования к системе обучения в обеспечение энергосбережения.
5.4 Справочные данные о составе действующих нормативных актов, нормативных и методических документов по энергосбережению приведены в приложении В.
5.5 При разработке отраслевых и региональных нормативных и методических документов по энергосбережению необходимо учитывать требования и положения государственных стандартов и методических документов профиля «Энергосбережение» посредством введения соответствующих ссыпок.
6 СУБЪЕКТЫ ДЕЯТЕЛЬНОСТИ ПО НОРМАТИВНО-МЕТОДИЧЕСКОМУ ОБЕСПЕЧЕНИЮ ЭНЕРГОСБЕРЕЖЕНИЯ
6.1 На федеральном уровне упорядочение деятельности в области нормативно-методического обеспечения энергосбережения на всех стадиях энергообеспечения осуществляют органы исполнительной власти, ответственные за реализацию энергосберегающей политики и разработку государственных стандартов, других нормативных и методических документов в соответствии с Законом РФ «Об энергосбережении» и ФЦП «Энергосбережение России».
6.2 К деятельности по обсуждению и согласованию нормативных и методических документов привлекаются уполномоченные федеральные органы исполнительной власти, ответственные за экономическую и финансовую политику, развитие новых технологий и научно-технический прогресс, сохранение природных ресурсов и социальную сферу.
6.3 В соответствии с Постановлением № 60 Минтопэнерго России обеспечивает:
- принятие нормативно-правовых актов, регламентирующих стандарты, нормы и правила эксплуатации, ремонта оборудования и строительства объектов ТЭК, обеспечения промышленной безопасности и охраны труда, методов и средств контроля за их соблюдением;
- финансирование разработки и принятия нормативных, технических документов по обеспечению мероприятий по энергосбережению на предприятиях ТЭК.
6.4 Работы по государственной стандартизации по обеспечению энергосбережения в промышленности и строительстве проводят в соответствии с ГОСТ Р 1.2 и ГОСТ Р 1.5 на базе организаций Госстандарта России и Госстроя России.
6.5 На региональном (субъектов Российской Федерации) уровне деятельность в области нормативно-методического обеспечения энергосбережения осуществляют:
- орган исполнительной власти субъекта РФ;
- региональные энергетические комиссии (РЭК);
- территориальные органы Госэнергонадзора России и Госстандарта России;
- научно-технические центры и агентства по энергосбережению.
6.6 Разработку энергосберегающих стандартов отраслей, предприятий, научно-технических, инженерных обществ и других общественных организаций производят в пределах своей компетенции субъекты деятельности (в т.ч. на территориях субъектов Российской Федерации) с учетом ГОСТ Р 1.4.
6.7 При подготовке нормативных правовых актов и при их государственной регистрации необходимо руководствоваться Правилами № 1009.
6.8 Финансирование работ по стандартизации в области энергосбережения производят за счет финансовых средств федерального и регионального бюджетов, а также за счет привлекаемых внебюджетных средств субъектов деятельности по нормативно-методическому обеспечению энергосбережения.
6.8.1 Финансированию из федерального государственного бюджета подлежат разработка и издание:
- межгосударственных (ГОСТ) и государственных стандартов России (ГОСТ Р);
- утвержденных Минтопэнерго России и Госэнергонадзором России нормативных и методических документов по обеспечению энергосбережения.
6.9 В соответствии с Постановлением № 938, государственный контроль и надзор за рациональным использованием ТЭР осуществляют органы государственного энергетического надзора, а также аккредитованные ими организации, имеющие соответствующие лицензии.
6.9.1 Порядок привлечения организаций к энергетическим обследованиям с использованием действующих нормативных правовых, нормативных и методических документов в обеспечение энергосбережения определяют органы исполнительной власти субъектов Российской Федерации (см. Правила от 25 марта 1998 г.).
ПРИЛОЖЕНИЕ А
(справочное)
Термины и понятия в области энергосбережения
Термины, вводимые настоящим стандартом, устанавливают единый понятийный аппарат и формализованный технический язык в отношении рационального и экономного использования топливно-энергетических ресурсов (ГОСТ 26691, [5], [6]).
Для каждого понятия установлен один термин.
К терминам, отмеченным знаком (*), даются пояснения в разделе А.2.
В стандарте приведен алфавитный указатель терминов на русском языке (раздел А.З).
А.1 Термины и понятия
А.1.1 Общие понятия
1 энергоноситель: Вещество в различных агрегатных состояниях (твердое, жидкое, газообразное) либо иные формы материи (плазма, поле, излучение и т.д.), запасенная энергия которых может быть использована для целей энергоснабжения.
2 природный энергоноситель*: Энергоноситель, образовавшийся в результате природных процессов.
3 произведенный энергоноситель*: Энергоноситель, полученный как продукт производственного технологического процесса.
4 топливо: Вещества, которые могут быть использованы в хозяйственной деятельности для получения тепловой энергии, выделяющейся при его сгорании.
5 топливно-энергетические ресурсы (ТЭР): Совокупность природных и производственных энергоносителей, запасенная энергия которых при существующем уровне развития техники и технологии доступна для использования в хозяйственной деятельности.
6 вторичные топливно-энергетические ресурсы (ВЭР)*: Топливно-энергетические ресурсы, полученные как отходы или побочные продукты (сбросы и выбросы) производственного технологического процесса.
7 первичная энергия: Энергия, заключенная в ТЭР.
8 полезная энергия*: Энергия, теоретически необходимая (в идеализированных условиях) для осуществления заданных операций, технологических процессов или выполнении работы и оказания услуг.
9 возобновляемые топливно-энергетические ресурсы*: Природные энергоносители, постоянно пополняемые в результате естественных (природных) процессов.
10 энергоустановка: Комплекс взаимосвязанного оборудования и сооружений, предназначенных для производства или преобразования, передачи, накопления, распределения или потребления энергии (ГОСТ 19431).
А.1.2 Использование топливно-энергетических ресурсов и энергосбережение
11 рациональное использование ТЭР*: Использование топливно-энергетических ресурсов, обеспечивающее достижение максимальной при существующем уровне развития техники и технологии эффективности, с учетом ограниченности их запасов и соблюдения требований снижения техногенного воздействия на окружающую среду и других требований общества (ГОСТ 30166).
12 экономия ТЭР*: Сравнительное в сопоставлении с базовым, эталонным значением сокращение потребления ТЭР на производство продукции, выполнение работ и оказание услуг установленного качества без нарушения экологических и других ограничений в соответствии с требованиями общества [11].
13 непроизводительный расход ТЭР: Потребление ТЭР, обусловленное несоблюдением или нарушением требований, установленных государственными стандартами, иными нормативными актами, нормативными и методическими документами.
14 энергосбережение*: Реализация правовых, организационных, научных, производственных, технических и экономических мер, направленных на эффективное (рациональное) использование (и экономное расходование) ТЭР и на вовлечение в хозяйственный оборот возобновляемых источников энергии (на основе закона РФ «Об энергосбережении» и [7]).
15 энергосберегающая политика: Комплексное системное проведение на государственном уровне программы мер, направленных на создание необходимых условий организационного, материального, финансового и другого характера для рационального использования и экономного расходования ТЭР.
16 энергетическое обследование: Обследование потребителей ТЭР с целью установления показателей эффективности их использования и выработки экономически обоснованных мер по их повышению.
17 топливно-энергетический баланс* Система показателей, отражающая полное количественное соответствие между приходом и расходом (включая потери и остаток) ТЭР в хозяйстве в целом или на отдельных его участках (отрасль, регион, предприятие, цех, процесс, установка) за выбранный интервал времени.
18 энергетический паспорт промышленного потребителя ТЭР: Нормативный документ, отражающий баланс потребления и показатели эффективности использования ТЭР в процессе хозяйственной деятельности объектом производственного назначения и могущей содержать энергосберегающие мероприятия.
19 энергетический паспорт гражданского здания: Документ, содержащий геометрические, энергетические и теплотехнические характеристики зданий и проектов зданий, ограждающих конструкций и устанавливающий соответствие их требованиям нормативных документов.
20 энергосберегающая технология: Новый или усовершенствованный технологический процесс, характеризующийся более высоким коэффициентом полезного использования ТЭР.
21 сертификация энергопотребляющей продукции: Подтверждение соответствия продукции нормативным, техническим, технологическим, методическим и иным документам в части потребления энергоресурсов топливо- и энергопотребляющим оборудованием.
А.1.3 Показатели эффективности использования топливно-энергетических ресурсов
22 показатель энергетической эффективности: Абсолютная, удельная или относительная величина потребления или потерь энергетических ресурсов для продукции любого назначения или технологического процесса.
23 коэффициент полезного использования энергии: Отношение всей полезно используемой в хозяйстве (на установленном участке, энергоустановке и т.п.) энергии к суммарному количеству израсходованной энергии в пересчете ее на первичную.
24 коэффициент полезного действия: Величина, характеризующая совершенство процессов превращения, преобразования или передачи энергии, являющаяся отношением полезной энергии к подведенной.
25 потеря энергии*: Разность между количеством подведенной (первичной) и потребляемой (полезной) энергии.
26 полная энергоемкость продукции: Величина расхода энергии и (или) топлива на изготовление продукции, включая расход на добычу, транспортирование, переработку полезных ископаемых и производство сырья, материалов, деталей с учетом коэффициента использования сырья и материалов.
27 энергоемкость производства продукции*: Величина потребления энергии и (или) топлива на основные и вспомогательные технологические процессы изготовления продукции, выполнение работ, оказание услуг на базе заданной технологической системы.
28 показатель экономичности энергопотребления изделия*: Количественная характеристика эксплуатационных свойств изделия, отражающих его техническое совершенство, определяемое совершенством конструкции и качеством изготовления, уровнем или степенью потребления им энергии и (или) топлива при использовании этого изделия по прямому функциональному назначению.
А.2 Пояснения к терминам
2 Природный энергоноситель
К природным энергоносителям относят, например, воду гидросферы (при использовании энергии рек, морей, океанов); горячую воду и пар геотермальных источников; воздух атмосферы (при использовании энергии ветра); биомассу; органическое топливо (нефть, газ, уголь и т.д.).
3 Произведенный энергоноситель
К произведенным энергоносителям относятся, например, сжатый воздух, водяной пар различных параметров котельных установок и других парогенераторов; горячую воду; ацетилен; продукты переработки органического топлива и биомассы и т.п.
6 Вторичные топливно-энергетические ресурсы
Наиболее часто встречаются вторичные ТЭР в виде тепла различных параметров и топлива. Например, к ВЭР в виде тепла относят нагретые отходящие газы технологических агрегатов; газы и жидкости систем охлаждения; отработанный водяной пар; сбросные воды; вентиляционные выбросы, тепло которых может быть полезно использовано. К ВЭР в виде топлива относят, например, твердые отходы, жидкие сбросы и газообразные выбросы нефтеперерабатывающей, нефтедобывающей, химической, целлюлозно-бумажной, деревообрабатывающей и других отраслей промышленности, в частности, доменный газ, древесную пыль, биошламы, городской мусор и т.п.
8 Полезная энергия
Примеры определения термина:
а) в освещении — по световому потоку ламп;
б) в силовых процессах:
- для двигательных процессов — по рабочему моменту на валу двигателя;
- для процессов прямого воздействия — по расходу энергии, необходимому в соответствии с теоретическим расчетом для заданных условий;
в) в электрохимических и электрофизических процессах — по расходу энергии, необходимому в соответствии с теоретическим расчетом — для заданных условий;
г) в термических процессах — по теоретическому расходу энергии на нагрев, плавку, испарение материала и проведение эндотермических реакций;
д) в отоплении, вентиляции, кондиционировании, горячем водоснабжении, холодоснабжении — по количеству тепла, полученному пользователями;
е) в системах преобразования, хранения, транспортирования топливно-энергетических ресурсов — по количеству ресурсов, получаемых из этих систем.
9 Возобновляемые топливно-энергетические ресурсы
Возобновляемые ТЭР основаны на использовании возобновляемых источников энергии: солнечного излучения, энергии ветра, рек, морей и океанов, внутреннего тепла Земли, воды, воздуха; энергии естественного движения водных потоков и существующих в природе градиентов температур; энергии от использования всех видов биомассы, получаемой в качестве отходов растениеводства и животноводства, искусственных лесонасаждений и водорослей; энергию от утилизации отходов промышленного производства, твердых бытовых отходов и осадков сточных вод; энергию от прямого сжигания растительной биомассы, термической переработки отходов лесной и деревообрабатывающей промышленности (на основе Закона РФ «Об энергосбережении»).
11 Рациональное использование ТЭР
Понятие «Рациональное использование ТЭР» является более общим по сравнению с понятием «Экономное расходование ТЭР» и включает:
- выбор оптимальной структуры энергоносителей, т.е. оптимального количественного соотношения различных используемых видов энергоносителей в установке, на участке, в цехе на предприятии, в регионе, отрасли, хозяйстве — в зависимости от рассматриваемого уровня энергобаланса;
- комплексное использование топлива, в т.ч. отходов топлива в качестве сырья для промышленности (например, использование золы и шлаков в строительстве);
- комплексное использование гидроресурсов рек и водоемов;
- учет возможности использования органического топлива (например нефти) в качестве ценного сырья для промышленности;
- комплексное исследование экспортно-импортных возможностей и других структурных оптимизаций.
12 Экономия T Э P
Величину экономии определяют через сравнительное сокращение расхода, а не потребления ТЭР. Понятие «потребление» при переходе от отдельного элемента к установке, техпроцессу, цеху, предприятию теряет определенность и физический смысл, поэтому в принятой терминологической системе использовано слово «расход» (латинский аналог «gasto»), корреспондирующееся с расходной частью топливно-энергетического баланса конкретными энергопотребляющими объектами (изделиями, процессами, работами и услугами).
Эталонные значения расхода ТЭР устанавливаются в нормативных, технических, технологических, методических документах и утверждаются уполномоченным органом применительно к проверяемым условиям и результатам деятельности.
14 Энергосбережение
Интересы реализации положений Федерального закона РФ «Об энергосбережении» требуют раскрытия его правовых норм специалистам технического профиля с учетом вхождения в международное понятийное «техническое поле» в области энергетики и энергосбережения (см. термины «Рациональное использование ТЭР», «Экономия ТЭР» и «Экономное расходование ТЭР» в данном документе, а также в [7]).
17 Топливно-энергетический баланс
Термин выражает полное количественное соответствие (равенство) за определенный интервал времени между расходом и приходом энергии и топлива всех видов в энергетическом хозяйстве, включая (где это необходимо) изменение запасов ТЭР. Топливно-энергетический баланс является статической характеристикой динамической системы энергетического хозяйства за определенный интервал времени.
Оптимальная структура топливно-энергетического баланса является результатом оптимизационного развития энергетического хозяйства.
Топливно-энергетический баланс может составляться:
а) по видам ТЭР (ресурсные балансы);
б) по стадиям энергетического потока (добыча, переработка, преобразование, транспортирование, хранение, использование) ТЭР;
в) как единый (сводный) Топливно-энергетический баланс с учетом перетоков всех видов энергии и ТЭР между стадиями и в целом по народному хозяйству;
г) по энергетическим объектам (электростанции, котельные), отдельным предприятиям, цехам, участкам, энергоустановкам, агрегатам и т.д.;
д) по назначению (силовые процессы, тепловые, электрохимические, освещение, кондиционирование, средства связи и управления и т.д.);
е) по уровню использования (с выделением полезной энергии и потерь);
ж) в территориальном разрезе и по отраслям народного хозяйства.
При составлении топливно-энергетического баланса различные виды ТЭР приводят к одному количественному измерению. Процедура приведения к единообразию может производиться:
- по физическому эквиваленту энергии, заключенной в ТЭР, т.е. в соответствии с первым законом термодинамики;
- по относительной работоспособности (эксергии), т.е. в соответствии со вторым законом термодинамики;
- по количеству полезной энергии, которая может быть получена из указанных ТЭР в теоретическом плане для заданных условий.
25 Потеря энергии
Потери энергии можно классифицировать следующим образом:
а) по области возникновения:
- при добыче,
- при хранении,
- при транспортировании,
- при переработке,
- при преобразовании,
- при использовании,
- при утилизации;
б) по физическому признаку и характеру:
- потери тепла в окружающую среду с уходящими газами, технологической продукцией, технологическими отходами, уносами материалов, химическим и физическим недожогом, охлаждающей водой и т.п.,
- потери электроэнергии в трансформаторах, дросселях, токопроводах, электродах, линиях электропередач, энергоустановках и т.п.,
- потери с утечками через неплотности,
- гидравлические — потери напора при дросселировании, потери на трение при движении жидкости (пара, газа) по трубопроводам с учетом местных сопротивлений последних,
- механические — потери на трение подвижных частей машин и механизмов;
в) по причинам возникновения:
- вследствие конструктивных недостатков,
- в результате не оптимально выбранного технологического режима работы,
- в результате неправильной эксплуатации агрегатов,
- в результате брака продукции и т.п.,
- по другим причинам.
27 Энергоемкость производства продукции
Практически при производстве любого вида продукции расходуются ТЭР, и для каждого из видов продукции существует соответствующая энергоемкость технологических процессов их производства. При этом энергоемкость технологических процессов производства одних и тех же видов изделий, выпускаемых различными предприятиями, может быть различна.
28 Показатель экономичности энергопотребления изделия
Показатели экономичности энергопотребления индивидуальны для различных видов изделий. Они характеризуют совершенство конструкции данного вида изделия и качество его изготовления.
В качестве показателей экономичности энергопотребления, как правило, следует выбирать удельные показатели.
А.3 Алфавитный указатель терминов
| Баланс топливно-энергетический |
17 |
| Использование ТЭР рациональное |
11 |
| Коэффициент полезного действия |
24 |
| Коэффициент полезного использования энергии |
23 |
| Обследование энергетическое |
16 |
| Паспорт промышленного потребителя ТЭР энергетический |
18 |
| Паспорт гражданского здания энергетический |
19 |
| Показатель экономичности энергопотребления изделия |
28 |
| Политика энергосберегающая |
15 |
| Показатель энергетической эффективности |
22 |
| Потеря энергии. |
25 |
| Расход ТЭР непроизводительный |
13 |
| Ресурсы топливно-энергетические |
5 |
| Ресурсы топливно-энергетические вторичные |
6 |
| Сертификация энергопотребляющей продукции |
21 |
| Технология энергосберегающая |
20 |
| Топливо |
4 |
| Топливно-энергетические ресурсы возобновляемые |
9 |
| Экономия ТЭР |
12 |
| Энергия первичная |
7 |
| Энергия полезная |
8 |
| Энергоемкость производства продукции |
27 |
| Энергоемкость продукции полная |
26 |
| Энергоноситель |
1 |
| Энергоноситель природный |
2 |
| Энергоноситель произведенный |
3 |
| Энергосбережение |
14 |
| Энергоустановка |
10 |
ПРИЛОЖЕНИЕ Б
(справочное)
Основные принципы стандартизации энергосбережения
1 Стандартизация в области энергосбережения базируется на восьми основных принципах, учитываемых в правовых, организационных и нормативно-методических документах [3]:
1.1 Принцип энергетической системности: все виды энергетических объектов имеют тенденцию к объединению во взаимосвязанные системы, служащие для обеспечения хозяйства страны всеми вилами энергии, топлива и способные выступать как единое и сложное целое, результат функционирования которого не равен сумме результатов функционирования отдельных объектов системы.
Принцип охватывает как уровни иерархии (разукрупнения) систем и объектов, включаемых в энергетическое хозяйство, так и уровни управления этими системами и объектами в рамках действующего законодательства (Закон «Об энергосбережении», другие правовые акты и директивные документы), опираясь на прогнозы, планы, программы (в т.ч. ФЦП «Энергосбережение России» (1998—2005 гг.), стандарты, другие нормативные и методические документы, содержащие конкретные нормативы отечественного (ГОСТ Р), регионального, межгосударственного (ГОСТ) или международного происхождения в обеспечение энергосбережения.
1.2 Принцип стадийной комплексности: все виды энергодобывающих, энергопроизводящих, энергопреобразующих, энергоиспользующих и энергосберегающих процессов базируются на создании и эксплуатации энерготехнологического оборудования, установок, приборов и других объектов, являющихся результатом организованной, регулируемой и установленной в нормативно-методической документации последовательности действий определенного рода, охватываемых стандартами и другими нормативно-методическими, технологическими документами.
Принцип предполагает установление в документации по стадиям жизненного цикла объектов (от маркетинга до ликвидации—утилизации или удаления) гибких, информативных, достоверных, качественных и количественных требований и показателей энергосбережения.
1.3 Принцип рациональности стратегических ограничений на использование ТЭР: нормативно-методическое обеспечение процессов производства, преобразования, транспортирования, хранения, использования, утилизации ТЭР должно быть направлено на предотвращение исчерпания природных топливно-энергетических ресурсов с учетом их разведанных запасов, рационализации способов добычи, вовлечения вторичных энергоресурсов, а также с опорной на тенденции развития технологий по обеспечению заданных уровней качества продукции, процессов, работ и услуг в рамках обязательных стратегических ограничений при воздействии дополнительных регуляторов эффективности деятельности по энергообеспечению и энергосбережению.
Принцип является центральным среди других, предполагая охват нормативно-методическим обеспечением четырех обязательных (для реализации и гармонизации деятельности) групп аспектных стратегий: ресурсных, производственно-технологических, экологических и социальных [2]; четырех видов дополнительных факторов-регуляторов: энерготранспортных, финансово-экономических (товарных), нормативно-метрологических, информационно-управляющих (в т.ч. ориентирующих).
1.4 Принцип функциональной взяимосвязанности: стандартизация требований энергосбережения неотделима от общих проблем нормативно-методического обеспечения ресурсопотребления и ресурсосбережения ([12], [13]), а также от упорядочения (путем стандартизации) усложняющихся энергообъектов, обоснованной регламентации технологических процессов и технических средств энергообеспечения, установления требований энергопаспортизации и энергосбережения, обеспечения совместимости и взаимозаменяемости технических средств, методик контроля, измерений, испытаний, достижения позитивной коммуникативности (взаимопонимания) на уровне субъектов деятельности, экологичности и безопасности (для здоровья и жизни людей) процессов и средств, от необходимости гармонизации отечественных нормативно-методических документов любого уровня с современными международными и региональными требованиями.
Принцип активно проявляется при проектировании (разработке) программ, нормативных и методических документов.
1.5 Принцип неразрывности деятельности: прогнозирование, планирование, реализация, регулирование и оценка (надзор, контроль) результатов нормативно-методического обеспечения требований энергопотребления и энергосбережения должны осуществляться постоянно (в непрерывном или дискретном режимах, обусловленных спецификой функционирования энергоисточников, энергопередатчиков и энергопользователей-потребителей) на стадиях жизненного цикла энергообъектов.
Принцип положен в основу при формировании структуры комплекса документов «Энергосбережение» и может быть использован при стандартизации на региональных, локальных уровнях деятельности.
1.6 Принцип рыночной коньюнктурности: ценовая политика, кредитные и страховые преимущества, налоговые льготы и санкции, другие формы, уровни стимулирования и поддержки энергосберегающих мероприятий должны отражать в совокупности динамичную структуру информационных потоков о запасах ТЭР, возможностях повторного [вторичного] их использования, возможностях получения энергообеспечивающих и энергосберегающих объектов, технологий, нормативно-методических, иных документов из других регионов и стран, о приоритетах развития техники и технологиях энергосбережения, об экологических ограничениях и требованиях безопасности.
Принцип ориентирует на учет при стандартизации стратегических (целеполагающих [таргетинговых], продуктопродвигающих [маркетинговых]) и директивных решений различных уровней, прямо и косвенно стимулирующих процессы энергосбережения в рыночных условиях хозяйствования.
1.7 Принцип обязательности требований: обязательными при нормативно-методическом обеспечении являются стратегические ограничения и положительная динамика уровней, требований, показателей энергосбережения, закладываемых в конструкторско-технологические решения и проявляемых в процессах использования потребляющих ТЭР энергообъектов.
Принцип устанавливает тенденцию развития хозяйства в сторону энергосбережения с учетом того, что статус конкретных показателей энергосбережения определяют в соответствии с действующим техническим законодательством, нормативно-методическими документами, учитываемыми при заключении договоров на поставку, контрактов между производителями (поставщиками) и потребителями ТЭР и энергосберегающего оборудования в условиях действующих рыночных отношений.
1.8 Принцип паритетности: требования и показатели в нормативно-методических документах по энергосбережению не должны предоставлять односторонних преимуществ отдельным субъектам деятельности и объектам федерального, регионального, локального значения независимо от форм собственности, если они связаны внутри страны, региона единой системой добычи, переработки, транспортирования, хранения, производства, распределения, использования, утилизации ТЭР [3, с.5].
Принцип устанавливает порядок, в соответствии с которым требования и показатели энергосбережения, устанавливаемые в нормативно-методических документах ведомствами, организациями и другими, должны соответствовать основополагающим государственным стандартам комплекса «Энергосбережение».
2 Каждый из выделенных восьми принципов предусматривает внесение обязательных и (или) рекомендуемых требований в стандарты, конструкторскую и технологическую документацию, планы и программы деятельности на любом уровне производства ТЭР и управления энергосбережением.
3 Применительно к конкретным энергопотребляющим, энергосберегающим объектам принципы могут быть развиты и выражены дополнительно в аналитической, табличной, графической и других формах с учетом обеспечения информативности в условиях применения средств и методов вычислительной техники.
ГОСТ Р 51388-99
УДК 621:006.354 Группа Е01
ГОСУДАРСТВЕННЫЙ СТАНДАРТ РОССИЙСКОЙ ФЕДЕРАЦИИ
Энергосбережение
ИНФОРМИРОВАНИЕ ПОТРЕБИТЕЛЕЙ ОБ ЭНЕРГОЭФФЕКТИВНОСТИ ИЗДЕЛИЙ БЫТОВОГО И КОММУНАЛЬНОГО НАЗНАЧЕНИЯ
Общие требования
Energy conservation. Informing of consumers about energy efficiency
of equipment in the residential sector. General requirements
ОКС 01.110
ОКСТУ 3103, 3104, 3403
Дата введения 2000—07—01
Предисловие
1 РАЗРАБОТАН ФГУ «Российское агентство энергоэффективности» Минтопэнерго России совместно с ВНИЦ СМВ и ВНИИНМАШ Госстандарта России
ВНЕСЕН ФГУ «Российское агентство энергоэффективности» Минтопэнерго России
2 ПРИНЯТ И ВВЕДЕН В ДЕЙСТВИЕ Постановлением Госстандарта России от 30 ноября 1999 г. № 486-ст
3 В настоящем стандарте реализованы нормы и требования:
Закона Российской Федерации «Об энергосбережении»;
Закона Российской Федерации «О лицензировании отдельных видов деятельности»;
Закона Российской Федерации «О защите прав потребителей»
4 ВВЕДЕН ВПЕРВЫЕ
ВВЕДЕНИЕ
В мировой практике важным инструментом энергосберегающей политики является информирование об энергоэффективности электробытовых приборов, строительных и теплоизоляционных материалов, зданий, коммунального теплоэнергетического оборудования, автотранспорта. Маркировка (этикетирование) являются лучшими для потребителя способами получения информации об энергетической эффективности приобретаемого им оборудования (прибора).
Маркировка (этикетирование) электробытовых приборов в разных странах имеет свои особенности. В странах ЕС и большинстве стран Европы маркировку и этикетки энергоэффективности имеют холодильники, морозильники, стиральные, сушильные, посудомоечные машины, кондиционеры, водоподогреватели, микроволновые печи, плиты, источники света; в США — холодильники, морозильники, стиральные, посудомоечные машины, кондиционеры, водоподогреватели, флуоресцирующие лампы, а также горелки и топочные устройства.
Маркировку и этикетирование строительных и теплоизоляционных материалов, зданий производят в Германии, Англии, Франции, коммунального теплоэнергетического оборудования — в Германии, автотранспорта — во Франции.
Состояние информирования потребителей об энергоэффективности разных типов продукции через основанные на обязательных и рекомендательных стандартах (Ст) системы этикетирования (маркировки — М) и сертификации (Се) представлено ниже.
| Тип продукции |
Страна |
||||||||
| Фран-ция |
Герма-ния |
США, Канада |
Япония |
Англия |
Шве-ция |
Греция |
Италия |
Голлан-дия |
|
| Электробытовое оборудование |
M |
M |
M |
Ст |
M |
M |
M |
M |
M |
| Теплоизоляция зданий, стройматериалы |
Ce, M |
M |
Ст |
Ст |
M |
Ст |
Ст |
Ст |
|
| Теплоэнергетическое оборудование |
Ce, M |
M |
M |
Ст |
Ст |
||||
| Светотехническое оборудование |
M |
M |
Ст |
Ст |
|||||
| Автомобили |
M |
Ст |
|||||||
В российском законе «Об энергосбережении» и федеральной целевой программе «Энергосбережение России» также определена необходимость маркирования производимого бытового оборудования с указанием соответствия его показателей энергопотребления требованиям, установленным государственными стандартами.
Целью настоящего стандарта является установление общих требований и правил предоставления информации об энергозатратах при эксплуатации определенных типов изделий:
- бытовых электрических приборов и устройств, в т.ч. светотехнического оборудования;
- газового оборудования бытового и коммунального назначения;
- теплоизоляционных изделий и материалов;
- автотранспортных средств индивидуального пользования. Данный стандарт является частью комплекса государственных стандартов России профиля «Энергосбережение», охватывающих:
- нормативно-методическое обеспечение энергосбережения;
- состав и классификацию показателей энергетической эффективности продукции и процессов;
- порядок выбора значений показателей энергетической эффективности энергопотребляющей продукции;
- методы подтверждения соответствия показателей энергетической эффективности энергопотребляющей продукции их нормативным значениям.
Установленные в стандарте положения и требования гармонизированы с учетом прогрессивных отечественных, региональных (ЕС) и международных (ИСО, МЭК) подходов ([1]—[22]).
1 ОБЛАСТЬ ПРИМЕНЕНИЯ
Настоящий стандарт устанавливает способы и формы информирования потребителей об энергоэффективности бытовых приборов, теплоизоляционных изделий и материалов, коммунального теплоэнергетического оборудования, индивидуального автотранспорта (далее — энергопотребляющие изделия), общие требования, правила и объем информации по энергоэффективности, которую необходимо доводить до сведения потребителей, классы энергетической эффективности, индексы эксплуатационной энергоэкономичности бытовых приборов и распространяется на энергопотребляющие изделия бытового и коммунального назначения, которые используются массово и/или потребляют значительное количество топливно-энергетических ресурсов.
Стандарт не распространяется на маркировку (этикетирование) объектов военной техники, ядерные, химические и биологические энергопотребляющие объекты.
Стандарт предназначен для использования юридическими и физическими лицами (независимо от форм собственности) в их деятельности по энергосбережению, при разработке новых и пересмотре действующих нормативных документов в части, касающейся нормированных показателей энергетической эффективности, при разработке проектной документации, при изготовлении и реализации на рынке энергопотребляющих изделий и оборудования, проведении энергетической экспертизы, энергообследований и паспортизации потребителей топливно-энергетических ресурсов.
Стандарт может применяться при маркировании (этикетировании) производственно-технических видов энергопотребляющего оборудования при условии расширения объема данных, приводимых в информационном листке.
Требования стандарта к изделиям бытового назначения и любым экспортируемым изделиям являются обязательными.
2 НОРМАТИВНЫЕ ССЫЛКИ
В настоящем стандарте использованы ссылки на следующие стандарты:
ГОСТ Р 1.5—92 Государственная система стандартизации Российской Федерации. Общие требования к построению, изложению, оформлению и содержанию стандартов
ГОСТ 2.102—68 Единая система конструкторской документации. Виды и комплектность конструкторских документов
ГОСТ 2.114—95 Единая система конструкторской документации. Технические условия
ГОСТ 2.601—95 Единая система конструкторской документации. Эксплуатационные документы
ГОСТ 23170—78 Упаковка для изделий машиностроения. Общие требования
ГОСТ 26119—84 Энергоприборы бытовые. Эксплуатационные документы. Общие технические требования
3 ОПРЕДЕЛЕНИЯ И СОКРАЩЕНИЯ
3.1 В настоящем стандарте применяют термины и понятия, установленные в комплексе государственных стандартов России профиля «Энергосбережение», а также следующие термины и определения, гармонизированные с Руководством ИСО/МЭК 2 [15] и ИСО 10012 [19]:
изделие бытового и коммунального назначения: Изделие, предназначенное для удовлетворения индивидуальных и/или социально-бытовых потребностей населения, реализуемых в частном, коммунальном и транспортном секторах экономики.
класс энергетической эффективности (изделия); КЭЭ: Уровень экономичности энергопотребления изделия бытового и коммунального назначения, характеризующий его энергоэффективность на стадии эксплуатации.
Примечание — Например, семь классов (А, В, С, D, Е, F, G) установлены на уровне ЕС [1, 7] и обозначают степени энергетической эффективности от максимальной (А) до минимальной (G) в соответствии с установленными индексами экономичности энергопотребления бытовых электроприборов при их эксплуатации.
индекс экономичности энергопотребления (изделия); ИЭЭ: Соотношение (интервал соотношений) между действительным энергопотреблением конкретного изделия данного вида на стадии его эксплуатации и стандартизованной нормой (N), количественно характеризующее тот или иной класс энергетической эффективности [7].
Примечание — ИЭЭ может менять диапазоны численного распределения по соответствующим КЭЭ для различных групп изделий (раздел 6).
знак соответствия (энергоэффективности): Маркировочный Знак, выданный по правилам сертификации продукции по показателям энергетической эффективности.
упаковка: По ГОСТ 17527.
эксплуатационный документ: По ГОСТ 2.102, ГОСТ 2.601, ГОСТ 26119.
технические условия; ТУ: По ГОСТ 2.102, ГОСТ 2.114.
Примечание — Документ, устанавливающий технические требования, которым должны удовлетворять продукция, работа (процесс) или услуга — Руководство ИСО/МЭК 2 [15]
этикетка энергоэффективности изделия; ЭЭИ: Документ, содержащий гарантированные предприятием-изготовителем упорядоченные данные об основных показателях энергоэффективности и потребительских характеристиках изделия.
Примечание — Заполнение этикетки информационными данными об изделии является этикетированием.
информационный листок; ИЛ: Документ, содержащий гарантированные предприятием-изготовителем систематизированные данные об основных показателях энергоэффективности и потребительских характеристиках изделия бытового, коммунального или промышленного назначения, а также маркировочные данные [17].
поставщик (изделия): Изготовитель или его уполномоченный представитель, или лицо, поставляющее изделие на рынок [17].
дилер: Продавец, торговец или другое лицо, которое предлагает для покупки, продает, выдает напрокат или демонстрирует бытовые электрические приборы перед конечным потребителем [17].
потребитель (изделия): Физическое или юридическое лицо, имеющее намерение заказать или приобрести, либо заказывающее, приобретающее или использующее энергопотребляющее изделие бытового и коммунального назначения
3.2 В настоящем стандарте применяют следующие сокращения:
ЕС — Европейское Сообщество
ЕСКД — единая система конструкторской документации
ИЛ — информационный листок
ИЭЭ — индекс эксплуатационной энергоэкономичности
ИСО — Международная организация по стандартизации
КЭЭ — класс энергетической эффективности
МЭК — Международная электротехническая комиссия
МС — международный стандарт
ОТТ — общие технические требования
ОТУ — общие технические условия
ПЭЭ — показатель экономичности энергопотребления
СРПП — система разработки и постановки на производство
ТК — технический комитет
ТО — техническое описание
ТУ — технические условия
ТЭР — топливно-энергетические ресурсы
ЭЭИ — этикетка энергоэффективности изделия
4 ОСНОВНЫЕ ПОЛОЖЕНИЯ
4.1 Информирование потребителей об энергоэффективности энергопотребляющих изделий бытового и коммунального назначения производят в соответствии с законами Российской Федерации «Об энергосбережении», «О защите прав потребителей», «О лицензировании отдельных видов деятельности».
4.1.1 Информирование потребителей об энергоэффективности энергопотребляющих изделий бытового и коммунального назначения производят в соответствии с положениями и требованиями комплекса государственных стандартов России профиля «Энергосбережение», включающего, наряду с настоящим стандартом, стандарты по составу и классификации показателей энергоэффективности, выбору значений показателей энергетической эффективности энергопотребляющей продукции, методам подтверждения соответствия показателей энергетической эффективности энергопотребляющей продукции их нормативным значениям.
4.2 К энергопотребляющим изделиям, подлежащим информированию об энергоэффективности при эксплуатации, относят следующие:
- бытовые электрические приборы и устройства, в том числе светотехническое оборудование;
- газовое оборудование бытового и коммунального назначения;
- теплоизоляционные изделия и материалы;
- автотранспортные средства индивидуального пользования.
4.2.1 Рекомендуемый перечень групп изделий, подлежащих информированию об эффективности энергопотребления (энергоэффективности) представлен в приложении А.
4.3 Информирование потребителя изделий бытового и коммунального назначения об их энергоэффективности осуществляют следующими способами:
- представлением «Этикетки энергетической эффективности энергопотребляющего изделия бытового назначения» (далее — «Этикетка энергоэффективности») (приложение Б), содержащей показатели энергоэффективности и данные о соответствии этих показателей требованиям соответствующих стандартов;
- нанесением на энергопотребляющее изделие, этикетку и упаковку особого маркировочного Знака, свидетельствующего о соответствии показателей энергоэффективности определенного класса маркируемых изделий требованиям соответствующих стандартов;
- представлением информационного листка (см. приложение В), содержащего показатели энергоэффективности изделия, данные о соответствии этих показателей требованиям соответствующих стандартов.
4.4 При этикетировании маркировка должна содержать информацию о принадлежности данного изделия к определенному КЭЭ (раздел 6), а также, при необходимости, информацию о стоимости энергоресурсов для эксплуатации изделия в течение года, месяца или цикла использования.
4.5 Не являются обязательными маркирование и представление этикеток энергоэффективности, информационных листков, связанных с энергопотребляющими изделиями, производство которых прекратилось до введения в действие настоящего стандарта.
4.6 Настоящий стандарт не отменяет заводскую маркировочную таблицу или ее эквивалент, прикрепленную в целях обеспечения безопасности приборов и оборудования.
5 ОБЩИЕ ТРЕБОВАНИЯ К НОРМАТИВНОМУ И ТЕХНИЧЕСКОМУ ОБЕСПЕЧЕНИЮ ИНФОРМИРОВАНИЯ ПОТРЕБИТЕЛЕЙ ОБ ЭНЕРГОЭФФЕКТИВНОСТИ ИЗДЕЛИЙ БЫТОВОГО И КОММУНАЛЬНОГО НАЗНАЧЕНИЯ
5.1 Изготовитель изделия обеспечивает включение в нормативную и техническую документацию на каждый вид энергопотребляющего изделия бытового и коммунального назначения (см. приложение А):
- полных сведений о показателях энергоэффективности изделия;
- информационного листка энергоэффективности;
- сведений о наличии и характеристиках классов энергетической эффективности, индексов эксплуатационной экономичности изделий данного вида (группы однородной продукции), а также сведений о классе энергетической эффективности и индексе эксплуатационной экономичности конкретного изделия;
- сведений о наличии, содержании, порядке заполнения и местоположении этикетки энергоэффективности (на изделии и/или упаковке);
- сведений о наличии и местоположении маркировочного знака энергоэффективности (на изделии и/или упаковке).
5.2 В подразделе «Маркировка» государственных стандартов, в технических документах (ТУ) дополнительно устанавливают следующие требования к правилам и порядку информирования потребителя об энергоэффективности энергопотребляющих изделий;
- способ информирования потребителя об энергоэффективности изделия;
- содержание информационного листка, этикетки, маркировочного знака.
5.3 Рекомендуемое содержание информационного листка энергоэффективности приведено в приложении Б.
5.4 Сопроводительная «Этикетка энергоэффективности» (приложение Б) должна содержать следующие сведения:
- наименование и торговый знак предприятия-изготовителя;
- наименование изделия и обозначение модели;
- обозначение всех классов энергетической эффективности изделий данного вида (группы однородной продукции) с указанием конкретного класса энергоэффективности данного изделия;
- действительное (номинальное) значение энергопотребления изделием данного вида;
- ссылку на стандарт (другие документы, включая сертификаты соответствия), регламентирующие эффективность.
5.4.1 На обороте листа «Этикетки энергоэффективности» могут быть приведены данные о стоимости потребляемых энергоресурсов при эксплуатации изделия в течение года, месяца, цикла использования и другие сведения, расширяющие информированность потребителя по энергоэффективности.
5.5 Документация по результатам оценки соответствия (в т.ч. при сертификации) показателей энергопотребления требованиям эксплуатационной документации на конкретные изделия с присвоением маркировочного знака энергоэффективности должна включать:
- общее описание изделия;
- результаты выполненных расчетов (там, где это необходимо) энергопотребления изделием данной конструкции;
- протоколы испытаний (при их наличии) действительного потребления энергоресурсов конкретным изделием, включая испытания, проведенные соответствующими уполномоченными органами;
- сведения об испытательной лаборатории;
- класс энергетической эффективности бытового прибора (раздел 6);
- индекс эксплуатационной экономичности энергопотребления при функционировании прибора;
- ссылку на стандарт (другой нормативный документ), технический документ (ТУ), регламентирующий эффективность энергопотребления изделием данного вида;
- Ф.И.О. лиц, ответственных за энергомаркирование и этикетирование изделия.
5.6 Присвоение энергопотребляющему изделию Знака соответствия энергоэффективности производится Органом по сертификации, уполномоченным Госстандартом России.
5.7 Изготовитель совместно с испытательной лабораторией несут ответственность за достоверность информации по энергопотреблению, указанной в документации на прибор.
5.8 Знак соответствия энергоэффективности присваивается энергопотребляющим изделиям на срок до трех лет.
6 Классы энергетической эффективности, индексы эксплуатационной энергоэкономичности и других характеристик изделий
6.1 Для энергопотребляющих изделий массового бытового и аналогичного использования, характеризующихся значительным потреблением энергоресурсов, устанавливают классы (градации) энергетической эффективности.
6.1.1 Класс А, характеризуемый минимальными значениями ИЭЭ, символизирует наибольшую энергоэффективность изделия данного вида (его энергоэкономичность), последний (условно) класс Z, характеризуемый максимальными значениями ИЭЭ, символизирует наименьшую энергоэффективность изделия.
6.1.2 Соответствующую графическую, кодовую и численную информацию о КЭЭ и ИЭЭ конкретного энергопотребляющего изделия изготовитель вносит в ЭЭИ (приложение Б).
6.2 Определение класса, установление кода энергетической эффективности и ИЭЭ осуществляет его изготовитель, руководствуясь правилами и показателями (нормативами), приведенными в стандартах на конкретные виды изделий данного типа, а также — действительными значениями потребления энергоресурсов конкретными изделиями.
6.3 В соответствующей этикетке энергетической эффективности изделия могут быть установлены опорные (минимальное, максимальное, нормированное — соответствующее 100 %-ной эффективности энергоиспользования и конкретное для данного изделия) значения ИЭЭ (приложение Б).
7 ТРЕБОВАНИЯ К ИНФОРМИРОВАНИЮ ПОТРЕБИТЕЛЕЙ ОБ ЭНЕРГОЭФФЕКТИВНОСТИ БЫТОВЫХ ЭЛЕКТРОПРИБОРОВ
7.1 Энергопотребление бытового электроприбора (далее — прибор) должно быть выражено в виде, удобном для оценки экономичности его эксплуатации. Как правило, потребление прибором электроэнергии лучше всего измерять в тех же единицах, в каких учитывают расход электроэнергии в быту, т.е. в киловатт-часах (кВт×ч).
7.1.1 В зависимости от режима работы прибора расход электроэнергии следует определять или за установленный период времени или за цикл, в течение которого начинается и заканчивается процесс выполняемой прибором работы. Там, где это удобно, значение расхода электроэнергии относят к значению основного параметра прибора.
7.2 Устанавливают семь классов энергетической эффективности приборов (6.1): соответственно, от наибольшей (А) до наименьшей (G) энергоэффективности.
7.3 Границы КЭЭ должны быть установлены в стандартах на приборы конкретных видов с учетом функциональных возможностей приборов, определяющих качество произведенной работы и расширяющих номенклатуру выполняемых функций.
7.4 КЭЭ прибора определяет изготовитель, который руководствуется правилами, установленными в стандартах на приборы конкретных видов, и действительным значением расхода электроэнергии прибором.
7.5 Действительный расход электроэнергии прибором должен быть определен экспериментальным путем в независимых испытательных лабораториях, аккредитованных Госстандартом России на проведение такого рода испытаний, по методикам, изложенным в стандартах на приборы конкретных видов.
7.6 Определение класса энергетической эффективности прибора должно быть оформлено изготовителем в виде официального документа, входящего в состав конструкторской документации на прибор.
7.7 На каждый вид приборов, номенклатура которых приведена в приложении Г, должен быть разработан стандарт, в котором устанавливают методы определения КЭЭ и действительного расхода электроэнергии прибором, а также порядок заполнения ЭЭИ.
7.7.1 КЭЭ должен быть количественно идентифицирован для конкретного вида изделий в соответствии со следующим алгоритмом:
а) устанавливают максимальную энергоэффективность в соответствии с классом А;
б) устанавливают минимальную энергоэффективность в соответствии с классом G;
в) вычисляют диапазон (Дз) значений ИЭЭ
G ¾ А = Дз;
г) определяют количественное значение (Кз) одного интервала ИЭЭ
![]()
д) в табличной форме устанавливают односторонние (для А и G) и двусторонние (для других классов) неравенства соответствия каждого КЭЭ определенному ИЭЭ. Например, для посудомоечных машин [7] таблица соответствия представлена в таблице E.1 приложения Е.
7.7.2 Индекс может быть установлен, при необходимости, и для других, кроме эксплуатационной энергоэкономичности, характеристик изделий. При этом название индекса меняют в соответствии с содержанием конкретной характеристики. Например, индекс очищающей способности для посудомоечной машины установлен согласно [7] в таблице Е.2 приложения Е.
7.7.3 Таким образом, дилер и потребитель могут быть достоверно информированы изготовителем обо всех, имеющих место для данного вида изделия, соотношениях КЭЭ и соответствующих индексах.
7.8 На каждый прибор изготовитель оформляет «Этикетку энергоэффективности», содержащую следующие сведения:
- наименование и торговый знак изготовителя;
- наименование прибора и обозначение модели;
- обозначение всех КЭЭ с указанием класса самого прибора;
- действительный расход электроэнергии прибором;
- значение основных функциональных параметров прибора;
- ссылку на стандарт, регламентирующий эффективность энергопотребления данного вида приборов.
7.8.1 Форма этикетки энергоэффективности прибора приведена в приложении Д.
7.9 В эксплуатационных документах прибора должны содержаться следующие сведения, касающиеся эффективности энергопотребления:
- действительный расход электроэнергии прибором;
- класс энергетической эффективности прибора;
- сведения об испытательной лаборатории, где определялся расход электроэнергии, и номер протокола испытаний;
- ссылка на стандарт, регламентирующий эффективность энергопотребления данного вида приборов.
7.10 Документ с определением класса энергетической эффективности прибора и протокол испытаний по определению расхода электроэнергии должны храниться у изготовителя и быть доступными при любой проверке, проводимой территориальными органами Госстандарта России.
7.11 Этикеткой энергоэффективности должен быть снабжен каждый экземпляр прибора.
7.11.1 Этикетку крепят на приборе на видном месте таким образом, чтобы осмотр прибора потенциальным покупателем начинался со сведений об энергопотреблении.
7.11.2 Крепление этикетки должно обеспечивать ее сохранность при транспортировании прибора.
7.11.3 Этикетку можно дополнительно располагать на упаковке прибора.
ПРИЛОЖЕНИЕ А
(справочное)
Перечень видов изделий, информация об эффективности энергопотребления которых должна быть предоставлена потребителям
Таблица А.1
| Наименование группы продукции (соответствующие виды изделий) |
Код ОКП |
Наличие Директив, ТК и др. |
| ОБОРУДОВАНИЕ И МАТЕРИАЛЫ ЭЛЕКТРОТЕХНИЧЕСКИЕ |
34 0000 |
|
| Оборудование специальное технологическое, в т.ч.: |
34 4000 |
|
| электрокалориферы и электроводонагреватели |
34 4242 |
Директива 92/75/ЕЕС |
| оборудование светотехническое и изделия электроустановочные. Лампы электрические. Изделия культурно-бытового назначения и хозяйственного обихода, в т.ч. |
34 6000 |
|
| светильники для освещения жилых и общественных зданий |
34 6150 34 6160 |
ТК 34D МЭК |
| лампы накаливания общего назначения |
34 6610 |
Директива 92/75/ЕЕС |
| лампы люминесцентные |
34 6700 |
|
| печи, плиты электрические |
34 6810 |
[1] |
| переносные тостеры, грили, ростеры |
34 6818 34 6824 |
|
| микроволновые печи |
34 6826 |
|
| приборы для нагревания жидкостей |
34 6840 51 5520 |
Директива 92/75/ЕЕС |
| обогреватели комнатные |
34 6850 |
|
| электронагреватели панельные |
34 6857 |
|
| приборы мягкой теплоты |
34 6860 |
|
| электрические сушилки барабанного типа |
34 6879 |
Директива 92/75/ЕЕС |
| воздухоочистители для кухонь |
34 6896 |
|
| электроконфорки для бытовых электронагревательных приборов |
34 6971 |
|
| источники тока химические, физические, генераторы электрохимические, термоэлектрические и термоэмиссионные (в том числе аккумуляторы, батареи, источники тока, генераторы) |
34 8000 |
|
| ИЗДЕЛИЯ АВТОМОБИЛЬНОЙ ПРОМЫШЛЕННОСТИ |
45 0000 |
|
| Автомобили |
45 1000 |
|
| Автомобили легковые |
45 1400 |
|
| Автомобили легковые с рабочим объемом двигателя до 1,0 дм3 |
45 1410 |
|
| - для индивидуального и служебного пользования |
45 1411 |
|
| Автомобили легковые с рабочим объемом двигателя св. 1,0 дм3 , но не более 1,5 дм3 |
45 1420 |
|
| - для индивидуального и служебного пользования |
45 1421 |
|
| Автомобили легковые с рабочим объемом двигателя св. 1,5 дм3 , но не более 3,0 дм3 |
45 1430 |
|
| - для индивидуального и служебного пользования |
45 1431 |
|
| Автомобили легковые с рабочим объемом двигателя св. 3,0 дм3 |
45 1440 |
|
| - для индивидуального и служебного пользования |
45 1441 |
|
| Мотоциклы, мопеды, мотороллеры |
45 2800 |
|
| 45 2930 |
||
| ТРАКТОРЫ И СЕЛЬСКОХОЗЯЙСТВЕННЫЕ МАШИНЫ |
47 0000 |
|
| Тракторы |
47 2000 |
|
| Машины сельскохозяйственные |
47 3000 |
|
| Машины для животноводства, птицеводства и кормопроизводства |
47 4000 |
|
| ПРОДУКЦИЯ СТРОИТЕЛЬНОГО, ДОРОЖНОГО И КОММУНАЛЬНОГО МАШИНОСТРОЕНИЯ |
48 0000 |
|
| Оборудование технологическое для лесозаготовительной и торфяной промышленности, машиностроение коммунальное, в т.ч.: |
48 5000 |
|
| установки и машины стиральные |
48 5510 |
|
| машины для отжима белья |
48 5520 |
|
| машины сушильно-гладильные |
48 5530 |
|
| прессы (гладильные и манекенные) для одежды |
48 5630 |
|
| аппараты (печи) отопительные: |
48 5810 |
Директива |
| - на газообразном топливе |
48 5811 |
92/75/ЕЕС |
| - на жидком топливе |
48 5812 |
|
| аппараты на твердом топливе |
48 5814 |
|
| аппараты (печи) отопительные варочные |
48 5820 |
|
| плиты газовые бытовые |
48 5830 |
|
| колонки водогрейные для ванн газовые (водонагреватели проточные) |
48 5840 |
[1] |
| водонагреватели газовые (емкостные автоматические) |
48 5850 |
|
| радиаторы к колонкам газовым |
48 5895 |
|
| ОБОРУДОВАНИЕ САНИТАРНО-ТЕХНИЧЕСКОЕ (КРОМЕ ОБОРУДОВАНИЯ ДЛЯ ВЕНТИЛЯЦИИ И КОНДИЦИОНИРОВАНИЯ) |
49 0000 |
|
| Оборудование и приборы для отопления и горячего водоснабжения |
49 3000 |
|
| Котлы отопительные |
49 3100 |
|
| Котлы отопительные (малометражные) теплопроизводительностью до 0,010 МВт |
49 3110 |
|
| Котлы отопительные теплопроизводительностью до 0,10 МВт |
49 3120 |
|
| Котлы отопительные теплопроизводительностью от 0,1 МВт |
49 3121 49 3129 |
|
| Установки теплоутилизационные |
49 3260 |
|
| Водонагреватели |
49 3261 |
|
| Водоподогреватели |
49 3300 |
|
| Колонки водогрейные для ванн (на твердом топливе) |
49 3400 |
|
| ОБОРУДОВАНИЕ ТЕХНОЛОГИЧЕСКОЕ ДЛЯ ЛЕГКОЙ И ПИЩЕВОЙ ПРОМЫШЛЕННОСТИ И БЫТОВЫЕ ПРИБОРЫ |
51 0000 |
|
| Оборудование технологическое для торговли, общественного питания и пищеблоков, холодильное и запасные части к нему; бытовые приборы, в т.ч.: |
51 5000 |
|
| плиты кухонные (на электрическом, газовом обогреве и твердом топливе) |
51 5122 |
|
| аппараты пищеварочные и жарочные тепловые |
51 5123 |
|
| оборудование холодильное и запасные части к нему |
51 5200 |
|
| машины стиральные бытовые автоматические и полуавтоматические |
51 5605 |
|
| приборы бытовые электрические и нагревательные |
51 5500 |
|
| соковарки, включая электрические |
51 5501 |
|
| электроприборы для нагрева жидкостей |
51 5520 |
|
| электрочайники |
51 5521 |
|
| электроприборы для глажения |
51 5530 |
|
| электромашины гладильные бытовые и катки |
51 5532 |
|
| машины и приборы бытовые с электродвигателем и работающие на основе физических эффектов |
51 5600 |
|
| холодильники бытовые компрессионные емкостью холодильной |
51 5603 |
DIN EN 153-90 |
| камеры св. 200 дм3 (в т.ч. морозильники, камеры глубокого охлаждения и замораживания, их комбинации; морозильные камеры; комбинации холодильников и морозильников) |
Директива 86/594/ЕЕС |
|
| Директива 92/75/ЕЕС [1, 13] |
||
| машины стиральные (комбинации стиральных и сушильных машин) |
51 5630 |
Директива 92/75/ЕЕС |
| электроутюги |
51 5631 |
ТК 59Е МЭК |
| машины посудомоечные |
51 5641 |
Директива 92/75/ЕЕС |
| Директива 96/ХХ/СЕ [1, 7] |
||
| кондиционеры |
51 5674 |
Директива 92/75/ЕЕС [1] |
| МАТЕРИАЛЫ СТРОИТЕЛЬНЫЕ, КРОМЕ СБОРНЫХ ЖЕЛЕЗОБЕТОННЫХ КОНСТРУКЦИЙ И ДЕТАЛЕЙ |
57 0000 |
|
| Материалы и изделия строительные керамические |
57 5000 |
|
| Материалы тепло- и звукоизоляционные |
57 6000 |
|
| Материалы отделочные полимерные, кровельные, гидроизоляционные и герметизирующие |
57 7000 |
|
| КОНСТРУКЦИИ И ДЕТАЛИ СБОРНЫЕ ЖЕЛЕЗОБЕТОННЫЕ (ВКЛЮЧАЯ АРМИРОВАННЫЕ ИЗДЕЛИЯ ИЗ БЕСЦЕМЕНТНЫХ БЕТОНОВ) |
58 0000 |
|
| Конструкции и детали каркасов зданий и сооружений |
58 2000 |
|
| Конструкции, детали стен и перегородки |
58 3000 |
|
| Плиты, панели и настилы перекрытий и покрытий |
58 4000 |
|
| Конструкции и детали инженерных сооружений |
58 5000 |
|
| ИЗДЕЛИЯ ИЗ СТЕКЛА, ФАРФОРА И ФАЯНСА |
59 0000 |
|
| Стекло строительное и материалы отделочные из стекла |
59 1000 |
|
| Стекловолокно и изделия из него |
59 5000 |
|
| Изделия из ситаллов и шлакоситаллов |
59 6000 |
ПРИЛОЖЕНИЕ Б
(рекомендуемое)
Этикетка энергетической эффективности изделия,
потребляющего ___________ (вид ТЭР) «ЭНЕРГОГИД»
| Изготовитель: |
Изделие (модель): |
|
| ГОСТ Р (ГОСТ) |
Показатели, характеризующие эффективность энергоиспользования: |
|
| Цена изделия |
||
| КЛАССЫ (А - Z) ЭНЕРГЕТИЧЕСКОЙ ЭФФЕКТИВНОСТИ (изделий данного вида) |
УКАЗАТЕЛЬ ЭНЕРГОПОТРЕБЛЕНИЯ (для конкретного изделия) |
|
| Классы: |
Индексы |
|
| максимально эффективный |
||
| А |
||
| В |
(конкретное изделие) |
|
| С |
||
| D |
(стандартизованная норма) |
|
| Z |
||
| минимально эффективный |
||
| Данные о потреблении ТЭР: - максимально эффективной модели изделий данной гðóïïû _________________________ - минимально эффективной модели изделий данной группы __________________________ |
||
ПРИЛОЖЕНИЕ В
(рекомендуемое)
Информационный листок энергопотребляющего изделия
бытового и коммунального назначения
Полное наименование модели изделия ______________________________________________
Дата изготовления _____Номер партии ___________ Номер изделия _____________________
Предприятие-производитель (страна, регион, знак фирмы) _____________________________
Данные (торговая марка) поставщика (при наличии) __________________________________
Основные потребительские характеристики изделия ___________________________________
Характеристики энергопотребления (на различных режимах работы изделия) _____________
Принадлежность изделия к определенному классу продукции по показателям энергоэффективности (при наличии установленных классов в данной группе однородной продукции) ________________________________________________________________________
Форма, содержание, место крепления этикетки на изделии (упаковке)* ___________________
Утверждение о соответствии показателей энергоэффективности изделия (модели) требованиям государственного (иного) стандарта; технического документа __________________
Ссылочные нормативные, методические документы, в которых может содержаться дополнительная информация об изделии _______________________________________________
Стоимость годового потребления энергии (изделием) при номинальном режиме использования _____________________________________________________________________
Характеристики экологичности изделия (виды и уровни вредного воздействия на окружающую среду на стадиях жизненного цикла) ______________________________________
Адрес, телефон для обращения с претензиями по данным, приведенным в информационном листке ____________________________________________________________________________
_________
* Для изделий бытового назначения.
ПРИЛОЖЕНИЕ Г
(обязательное)
Номенклатура бытовых электроприборов, для которых необходимо определять класс энергетической эффективности
1 Холодильные приборы
2 Автоматические стиральные машины (с подогревом воды)
3 Плиты, жарочные шкафы
4 Кондиционеры
5 Аккумуляционные водонагреватели
6 Сушильные машины
7 Посудомоечные машины
8 Микроволновые печи
ПРИЛОЖЕНИЕ Д
(обязательное)
Форма этикетки энергоэффективности бытового электроприбора
Энергоэффективность
Изготовитель ______ Модель _______
Максимально эффективный

Минимально эффективный
Расход электроэнергии ______________________
Наименование параметров ___________________
Примечание — Размеры этикетки устанавливают в стандартах на приборы конкретных видов.
Используемые на этикетке цвета:
Бирюзовый (сине-зеленый), красный, желтый, черный.
Пример обозначения цвета какого-нибудь элемента этикетки:
07Х0: 0 % бирюзового, 70 % красного, 100 % желтого, 0 % черного.
Цвета стрелок, обозначающие классы энергоэффективности, получаются в результате смешивания красок в соотношениях:
| А |
Х0Х0: |
100% голубой; |
0% красной; |
100% желтой; |
0% черной; |
| В |
70Х0: |
70% голубой; |
0% красной; |
100% желтой; |
0% черной; |
| С |
30Х0: |
30% голубой; |
0% красной; |
100% желтой; |
0% черной; |
| D |
00Х0: |
0% голубой; |
0% красной; |
100% желтой; |
0% черной; |
| Е |
03Х0: |
0% голубой; |
30% красной; |
100% желтой; |
0% черной; |
| F |
07Х0: |
0% голубой; |
70% красной; |
100% желтой; |
0% черной; |
| G |
0ХХ0: |
0% голубой; |
100% красной; |
100% желтой; |
0% черной. |
Цвет контурных линий этикетки энергоэффективности:
Х070: 100 % голубой; 0 % красной; 70 % желтой; 0 % черной.
Цвет текста этикетки энергоэффективности:
000Х: 0 % голубой; 0 % красной; 0 % желтой; 100 % черной.
Фон этикетки энергоэффективности — белый.
ПРИЛОЖЕНИЕ Е
(справочное)
Примеры идентификации и установления индексов
на бытовые посудомоечные машины [7]
Таблица E.I Таблица Е.2
| Класс энергоэффективности |
Индекс энергетической эффективности Е1 |
Класс энергоэффективности |
Индекс очищающей способности С |
| А |
Е1 < 64 % |
А |
С > 1,12 |
| В |
64 % £ El < 76 % |
В |
1,12 ³ С > 1,00 |
| С |
76 % £ El < 88 % |
С |
1,00 ³ C > 0,88 |
| D |
88 % £ El < 100 % |
D |
0,88 ³ C > 0,76 |
| Е |
100 % £ El < 112 % |
Е |
0,76 ³ С > 0,64 |
| F |
112 %< Е1 < 124% |
F |
0,64 ³ С > 0,52 |
| G |
Е1 > 124 % |
G |
0,52 ³ С |
ГОСТ Р 51559-2000
УДК 621.314.222.62.025.3:006.354 Группа Е64
ГОСУДАРСТВЕННЫЙ СТАНДАРТ РОССИЙСКОЙ ФЕДЕРАЦИИ
ТРАНСФОРМАТОРЫ СИЛОВЫЕ МАСЛЯНЫЕ
КЛАССОВ НАПРЯЖЕНИЯ 110 И 220 кВ
И АВТОТРАНСФОРМАТОРЫ НАПРЯЖЕНИЕМ 27,5 кВ
ДЛЯ ЭЛЕКТРИЧЕСКИХ ЖЕЛЕЗНЫХ ДОРОГ ПЕРЕМЕННОГО ТОКА
Общие технические условия
General-purpose oil-immersed power transformers of 110 and 220 kV
and autotransformers of 27,5 kV for electric a.c. railways.
General specifications
ОКС 29.180
ОКП 34 1144
34 1154
34 1164
Дата введения 2001—01—01
Предисловие
1 РАЗРАБОТАН Всероссийским научно-исследовательским институтом железнодорожного транспорта (ВНИИЖТ) Министерства путей сообщения Российской Федерации
ВНЕСЕН Министерством путей сообщения Российской Федерации
2 ПРИНЯТ И ВВЕДЕН В ДЕЙСТВИЕ Постановлением Госстандарта России от 27 января 2000 г. № 18-ст
3 Стандарт соответствует международному стандарту МЭК 76-1 в части общих требований к силовым трансформаторам
4 ВВЕДЕН ВПЕРВЫЕ
1 ОБЛАСТЬ ПРИМЕНЕНИЯ
Настоящий стандарт распространяется на силовые стационарные масляные трансформаторы классов напряжения 110 и 220 кВ и автотрансформаторы напряжением 27,5 кВ, предназначенные для питания тяговых сетей электрических железных дорог переменного тока, электрифицированных по системам тягового электроснабжения 25 и 2x25 кВ.
Объектом стандартизации являются трехфазные трехобмоточные трансформаторы с регулированием напряжения под нагрузкой мощностью от 16000 до 40000 кВ·А, включая трансформаторы с повышенной стойкостью к коротким замыканиям, для системы тягового электроснабжения 25 кВ, однофазные универсальные двухобмоточные и трехобмоточные трансформаторы с регулированием напряжения под нагрузкой мощностью от 16000 до 25000 кВ·А для систем тягового электроснабжения 25 и 2x25 кВ, однофазные автотрансформаторы мощностью от 10000 до 16000 кВ·А для системы тягового электроснабжения 2x25 кВ.
Специфика использования трансформаторов и автотрансформаторов на электрических железных дорогах указана в приложении А.
2 НОРМАТИВНЫЕ ССЫЛКИ
В настоящем стандарте использованы ссылки на следующие стандарты:
ГОСТ 12.1.004—91 Система стандартов безопасности труда. Пожарная безопасность. Общие требования
ГОСТ 12.2.007.0—75 Система стандартов безопасности труда. Изделия электротехнические. Общие требования безопасности
ГОСТ 12.2.007.2—75 Система стандартов безопасности труда. Трансформаторы силовые и реакторы электрические. Требования безопасности
ГОСТ 12.2.024—87 Система стандартов безопасности труда. Шум. Трансформаторы силовые масляные. Нормы и методы контроля
ГОСТ 1516.1—76 Электрооборудование переменного тока на напряжение от 3 до 5 кВ. Требования к электрической прочности изоляции
ГОСТ 7746—89 Трансформаторы тока. Общие технические условия
ГОСТ 11677—85 Трансформаторы силовые. Общие технические условия
ГОСТ 11920—85 Трансформаторы силовые масляные общего назначения напряжением до 35 кВ включительно. Технические условия
ГОСТ 12965—85 Трансформаторы силовые масляные общего назначения классов напряжения 110 и 150 кВ. Технические условия
ГОСТ 14209—85 Трансформаторы силовые масляные общего назначения. Допустимые нагрузки
ГОСТ 14254—96 Степени защиты, обеспечиваемые оболочками (Код IP)
ГОСТ 14255—69 Аппараты электрические на напряжение до 1000 В. Оболочки. Степени защиты
ГОСТ 15150—69 Машины, приборы и другие технические изделия. Исполнения для различных климатических районов. Категории, условия эксплуатации, хранения и транспортирования в части воздействия климатических факторов внешней среды
ГОСТ 15543—70 Изделия электротехнические. Исполнения для различных климатических районов. Общие технические требования в части воздействия климатических факторов внешней среды
ГОСТ 17412—72 Изделия электротехнические для районов с холодным климатом. Технические требования, приемка и методы испытаний
ГОСТ 17544—85 Трансформаторы силовые масляные общего назначения классов напряжения 220, 330, 500 и 700 кВ. Технические условия
ГОСТ 20243—74 Трансформаторы силовые. Методы испытаний на стойкость при коротком замыкании
ГОСТ 23216—78 Изделия электротехнические. Общие требования к хранению, транспортированию, временной противокоррозионной защите и упаковке
ГОСТ 24126—80 Устройства регулирования напряжения силовых трансформаторов под нагрузкой. Общие технические условия
3 ТИПЫ, ОСНОВНЫЕ ПАРАМЕТРЫ И РАЗМЕРЫ
3.1 Типы, номинальные мощности, сочетания напряжений, схемы и группы соединений обмоток трансформаторов и автотрансформаторов должны соответствовать указанным в таблицах 1—3.
Условные обозначения трансформаторов и автотрансформаторов — по ГОСТ 11677 с добавлением в буквенной части обозначения буквы Ж, обозначающей область их применения на электрических железных дорогах, и буквы У — для трансформаторов с повышенной динамической стойкостью при коротких замыканиях.
Таблица 1— Трехобмоточные трехфазные трансформаторы с регулированием напряжения под нагрузкой
| Тип трансформаторов |
Код ОКП |
Номинальное значение напряжения, кВ, обмотки |
Условное обозначение схемы и группы соединения обмоток |
||
| ВН |
СН |
НН |
|||
| ТДТНЖ-16000/110 ТДТНЖУ-16000/110 |
34 1154 34 1154 |
115 |
27,5 |
6,6 |
Ун/Д/Д-11-11 |
| 11,0 |
|||||
| 38,5 |
27,5 |
Ун/Ун/Д-0-11 |
|||
| ТДТНЖ-25000/110 ТДТНЖУ-25000/110 |
34 1154 34 1154 |
115 |
27,5 |
6,6 |
Ун/Д/Д-11-11 |
| 11,0 |
|||||
| 38,5 |
27,5 |
Ун/Ун/Д-0-11 |
|||
| ТДТНЖ-40000/110 ТДТНЖУ-40000/110 |
34 1164 34 1164 |
115 |
27,5 |
6,6 |
Ун/Д/Д-11-11 |
| 11,0 |
|||||
| 38,5 |
27,5 |
Ун/Ун/Д-0-11 |
|||
| TДTНЖ-16000/220 ТДТНЖУ-16000/220 |
34 1154 34 1154 |
230 |
27,5 |
6,6 |
Ун/Д/Д-11-11 |
| 11,0 |
|||||
| 38,5 |
27,5 |
Ун/Ун/Д-0-11 |
|||
| ТДТНЖ-25000/220 ТДТНЖУ-25000/220 |
34 1164 34 1164 |
230 |
27,5 |
6,6 |
Ун/Д/Д-11-11 |
| 11,0 |
|||||
| 38,5 |
27,5 |
Ун/Ун/Д-0-11 |
|||
| ТДТНЖ-40000/220 ТДТНЖУ-40000/220 |
34 1164 34 1164 |
230 |
27,5 |
6,6 |
Ун/Д/Д-11-11 |
| 11,0 |
|||||
| 38,5 |
27,5 |
Ун/Ун/Д-0-11 |
|||
| Примечание — Трансформаторы напряжением 6,6 кВ изготавливают только для существующих сетей. |
|||||
Таблица 2 — Трансформаторы однофазные двухобмоточные и трехобмоточные с регулированием напряжения под нагрузкой
| Тип трансформаторов |
Код ОКП |
Номинальное значение напряжений, кВ, обмотки |
Условное обозначение схемы и группы соединения обмоток |
||
| ВН |
СН |
НН |
|||
| ОРДНЖ-10000/110 ОРДНЖ-16000/110 ОРДНЖ-25000/110 |
34 1144 |
115 |
— |
27,5-27,5 |
1/1-1-0 |
| 34 1154 |
|||||
| 34 1154 |
|||||
| ОРДНЖ-10000/220 ОРДНЖ-16000/220 ОРДНЖ-25000/220 |
34 1144 |
230 |
— |
27,5-27,5 |
1/1-1-0 |
| 34 1154 |
|||||
| 34 1164 |
|||||
| ОРДТНЖ-16000/110 ОРДТНЖ-25000/110 |
34 1154 |
115 |
38,5 |
27,5-27,5 |
1/1/1-1-0-0 |
| 34 1154 |
27,5—27,5 |
11,0 |
|||
| ОРДТНЖ-16000/220 ОРДТНЖ-25000/220 |
34 1154 |
230 |
38,5 |
27,5-27,5 |
1/1/1-1-0-0 |
| 34 1164 |
27,5-27,5 |
11,0 |
|||
Таблица 3 — Автотрансформаторы однофазные двухобмоточные
| Тип автотрансформаторов |
Код ОКП |
Номинальное значение напряжения, кВ, обмотки |
Условное обозначение схемы и группы соединения обмоток |
|
| ВН |
НН |
|||
| АОМЖ-10000/27x2 АОМЖ-16000/27x2 |
34 1144 |
27,5x2 |
27,5 |
1 авто |
| 34 1144 |
||||
3.2 Трехобмоточные трехфазные и однофазные трансформаторы изготавливают с соотношением номинальных мощностей обмоток ВН-СН-НН — 100 %-100 %-100 %.
Допускается изготовление трансформаторов со сниженной мощностью обмоток классов напряжений 35 и 10 (6) кВ до 50 % или 33 % от номинальной.
3.3 Потери холостого хода и короткого замыкания, ток холостого хода трансформаторов и автотрансформаторов должны соответствовать указанным в таблицах 4 — 7. Предельные отклонения параметров — по ГОСТ 11677.
Таблица 4 — Трехобмоточные трехфазные трансформаторы с регулированием напряжения под нагрузкой
| Тип трансформаторов |
Потери, кВт |
Ток холостого хода, % |
||
| холостого хода |
короткого замыкания |
|||
| ТДТНЖ-6000/110 |
21,0 |
100 |
0,80 |
|
| ТДТНЖУ-16000/110* |
— |
— |
— |
|
| ТДТНЖ-25000/110 |
28,5 |
140 |
0,70 |
|
| ТДТНЖУ-25000/110* |
— |
— |
— |
|
| ТДТНЖ-40000/110 |
39,0 |
200 |
0,60 |
|
| ТДТНЖУ-40000/110 |
36,0 |
220 |
0,60 |
|
| ТДТНЖ-16000/220* |
— |
— |
— |
|
| ТДТНЖУ-16000/220* |
— |
— |
— |
|
| ТДТНЖ-25000/220 |
45,0 |
130 |
0,90 |
|
| ТДТНЖУ-25000/220* |
— |
— |
— |
|
| ТДТНЖ-40000/220 |
54,0 |
220 |
0,55 |
|
| ТДТНЖУ-40000/220* |
— |
— |
— |
|
| * Значения параметров трансформатора устанавливают по результатам приемочных испытаний. Примечание — Указанные значения параметров относятся к паре обмоток ВН-27,5 кВ. |
||||
Таблица 5 — Трансформаторы однофазные двухобмоточные
| Тип трансформаторов |
Потери, кВт |
Ток холостого хода, % |
|
| холостого хода |
короткого замыкания |
||
| ОРДНЖ-10000/110* |
— |
— |
— |
| ОРДНЖ-16000/110 |
27 |
84 |
0,5 |
| ОРДНЖ-25000/110* |
— |
— |
— |
| ОРДНЖ-10000/220* |
— |
— |
— |
| ОРДНЖ-16000/220 |
29 |
95 |
0,6 |
| ОРДНЖ-25000/220* |
— |
— |
— |
| * Значения параметров трансформаторов устанавливают по результатам приемочных испытаний. |
|||
Таблица 6 — Трансформаторы однофазные трехобмоточные
| Тип трансформаторов |
Потери, кВт |
Ток холостого хода, % |
|
| холостого хода |
короткого замыкания |
||
| ОРДТНЖ-16000/110* |
— |
— |
— |
| ОРДТНЖ-25000/110 |
26,0 |
135 |
0,5 |
| ОРДТНЖ-16000/220* |
— |
— |
— |
| ОРДТНЖ-25000/220 |
29,0 |
130 |
0,6 |
| * Значения параметров трансформатора устанавливают по результатам приемочных испытаний. Примечание — Указанные значения параметров относят к паре обмоток ВН-27,5 кВ. |
|||
Таблица 7— Автотрансформаторы однофазные двухобмоточные
| Тип автотрансформаторов |
Потери, кВт |
Ток холостого хода, % |
|
| холостого хода |
короткого замыкания |
||
| АОМЖ-10000/27х2 |
6,5 |
26 |
0,5 |
| АОМЖ-16000/27x2 |
9,0 |
33,5 |
0,35 |
3.4 Напряжения короткого замыкания трансформаторов и автотрансформаторов на номинальной ступени регулирования должны соответствовать указанным в таблицах 8—11.
Напряжения короткого замыкания на крайних ответвлениях обмоток трансформаторов с регулированием напряжения под нагрузкой, отнесенные к номинальной мощности трансформатора и напряжениям крайних ответвлений, приведены в приложении Б.
Предельные отклонения напряжений короткого замыкания — по ГОСТ 11677.
Таблица 8 — Трансформаторы трехфазные трехобмоточные
| Тип трансформаторов |
Номинальное значение напряжения, кВ, обмотки |
Напряжение короткого замыкания, %, пары обмоток |
||||
| ВН |
сн |
нн |
ВН - СН |
ВН - НН |
СН - НН |
|
| ТДТНЖ-16000/110 ТДТНЖ-25000/110 ТДТНЖ-40000/110 |
115 |
27,5 |
6,6 |
10,5 |
17,5 |
6,5 |
| 11,0 |
||||||
| 38,5 |
27,5 |
17,5 |
10,5 |
6,5 |
||
| ТДТНЖУ-16000/110 ТДТНЖУ-25000/110 ТДТНЖУ-40000/110 |
115 |
27,5 |
6,6 |
17,5 |
10,5 |
6,5 |
| 11,0 |
||||||
| 38,5 |
27,5 |
10,5 |
17,5 |
6,5 |
||
| ТДТНЖ-16000/220 ТДТНЖ-25000/220 |
230 |
27,5 |
6,6 |
12,5 |
20,0 |
6,5 |
| 11,0 |
||||||
| 38,5 |
27,5 |
20,0 |
12,5 |
6,5 |
||
| ТДТНЖ-40000/220 |
230 |
27,5 |
6,6 |
12,5 |
22,0 |
9,5 |
| 11,0 |
||||||
| 38,5 |
27,5 |
22,0 |
12,5 |
9,5 |
||
| ТДТНЖУ-16000/220* ТДТНЖУ-25000/220* ТДТНЖУ-40000/220* |
230 |
27,5 |
6,6 |
— |
— |
— |
| 11,0 |
||||||
| 38,5 |
27,5 |
|||||
| * Значения параметров трансформатора устанавливают по результатам приемочных испытаний. Примечание — Напряжения короткого замыкания для всех пар обмоток, кроме основной (ВН-27,5 кВ), являются рекомендуемыми. |
||||||
Таблица 9 — Трансформаторы однофазные двухобмоточные
| Тип трансформаторов |
Номинальное значение напряжения, кВ, обмотки |
Напряжение короткого замыкания, %, пары обмоток |
||||
| ВН |
НН1 |
НН2 |
ВН - НН1 |
ВН - НН2 |
НН1 - НН2 |
|
| ОРДНЖ-10000/110 |
||||||
| ОРДНЖ-25000/110 |
115 |
27,5 |
27,5 |
11,0 |
11,0 |
15,0* |
| ОРДНЖ-40000/110 |
||||||
| ОРДНЖ-10000/220 |
||||||
| ОРДНЖ-16000/220 |
230 |
27,5 |
27,5 |
11,5 |
11,5 |
24,0* |
| ОРДНЖ-25000/220 |
||||||
| * Напряжение короткого замыкания пары обмоток НН1 — НН2 отнесено к мощности трансформатора, равной половине номинальной. |
||||||
Таблица 10 — Трансформаторы однофазные трехобмоточные
| Тип трансформаторов |
Номинальное значение напряжения, кВ, обмотки |
Напряжение короткого замыкания, %, пары обмоток |
||||
| ВН |
СН |
НН |
ВН-СН |
ВН - НН |
СН - НН |
|
| ОРДТНЖ-16000/110* |
115 |
27,5 |
6,6 |
— |
— |
— |
| 11,0 |
||||||
| 38,5 |
27,5 |
|||||
| ОРДТНЖ-25000/110 |
115 |
27,5 |
6,6 |
9,6 |
17,0 |
6,0 |
| 11,0 |
||||||
| 38,5 |
27,5 |
17,0 |
9,6 |
6,0 |
||
| ОРДТНЖ-16000/220* |
230 |
27,5 |
6,6 |
— |
— |
— |
| 11,0 |
||||||
| 38,5 |
27,5 |
|||||
| ОРДТНЖ-25000/220 |
230 |
27,5 |
6,6 |
13,2 |
20,7 |
6,5 |
| 11,0 |
||||||
| 38,5 |
27,5 |
20,7 |
13,2 |
6,5 |
||
| * Значения параметров трансформатора устанавливают по результатам приемочных испытаний. Примечание — Напряжения короткого замыкания для всех пар обмоток, кроме основной (ВН-27,5 кВ), являются рекомендуемыми. |
||||||
Таблица 11 — Автотрансформаторы однофазные двухобмоточные
| Тип автотрансформаторов |
Номинальное значение напряжения, кВ, обмотки |
Напряжение короткого замыкания, % |
|
| ВН |
НН |
||
| АОМЖ-10000/27x2 |
27,5x2 |
27,5 |
2,0 |
| АОМЖ-16000/27x2 |
|||
3.5 Расстояния между осями вводов ВН, СН и НН, габаритные размеры и вес трансформаторов устанавливаются предприятием-изготовителем и указываются в технической и эксплуатационной документации на конкретные типы трансформаторов.
3.6 Трансформаторы и автотрансформаторы должны быть снабжены устройствами для перекатки в продольном и поперечном направлении с катками с ребордой.
Ширина колеи для перемещения трансформаторов и автотрансформаторов в продольном направлении должна быть 1520 мм, в поперечном — 1520 или 2000 м.
4 ТЕХНИЧЕСКИЕ ТРЕБОВАНИЯ
4.1 Трансформаторы и автотрансформаторы должны изготовляться в соответствии с требованиями настоящего стандарта, ГОСТ 11677, ГОСТ 12965, ГОСТ 17544, а также по техническим заданиям и рабочим чертежам, утвержденным в установленном порядке.
4.2 Трансформаторы и автотрансформаторы должны изготовляться климатических исполнений У, УХЛ или ХЛ по ГОСТ 15150, ГОСТ 15543 и ГОСТ 17412 по заказу потребителя.
4.3 Требования к электрической прочности изоляции трансформаторов и автотрансформаторов -по ГОСТ 1561.1.
Для обмоток трансформаторов и автотрансформаторов с номинальным напряжением 27,5 кВ испытательное напряжение внутренней и внешней изоляции:
- одноминутное действующее напряжение промышленной частоты 50 Гц — 70 кВ;
- импульсное — амплитуда полного импульса — 170 кВ, амплитуда срезанного импульса — 195 кВ.
4.4 Режимы работы трансформаторов и автотрансформаторов
4.4.1 Нагрузочная способность — по ГОСТ 14209.
4.4.2 Трансформаторы с системой охлаждения Д при отключении электродвигателей вентиляторов допускают нагрузку не менее 50 % номинальной мощности трансформатора.
4.4.3 Режим работы нейтрали обмоток ВН трансформаторов класса напряжения 110 кВ — по ГОСТ 12965, класса напряжения 220 кВ — по ГОСТ 17544.
4.5 Стойкость при коротком замыкании
4.5.1 Требования к стойкости при коротких замыканиях трансформаторов типов ТДТНЖ-110, ТДТНЖ-220, ОРДНЖ-110, ОРДНЖ-220, ОРДТНЖ-110, ОРДТНЖ-220 - по ГОСТ 11677.
4.5.2 Трансформаторы типа ТДТНЖУ-110 и ТДТНЖУ-220 должны выдерживать 100 коротких замыканий в год на стороне 27,5 кВ при питании со стороны высокого напряжения на любом ответвлении РПН, в том числе три коротких замыкания при максимальной кратности по ГОСТ 11677 для двухобмоточного режима, 20 коротких замыканий кратностью 0,7 от максимальной, остальные — при их значениях до 0,5 от максимальной.
4.6 Переключение ответвлений
4.6.1 Трехфазные трансформаторы классов напряжения 110 и 220 кВ должны иметь устройства регулирования напряжения под нагрузкой (РПН) в нулевой точке обмотки высшего напряжения.
4.6.2 Однофазные трансформаторы классов напряжения 110 и 220 кВ должны иметь устройства РПН в обмотке 27,5 кВ.
4.6.3 Устройства РПН трехфазных и однофазных трансформаторов изготавливают по ГОСТ 24126.
Диапазон и число ступеней регулирования трехфазных трансформаторов:
110 кВ — ± 6 %, ± 9 ступеней;
220 кВ — ± 12 %, ± 12 ступеней.
Диапазон и число ступеней регулирования однофазных трансформаторов в каждой секции обмотки 27,5 кВ ± 16 %, ± 8 ступеней.
4.6.4 Обмотки класса напряжения 35 кВ трехфазных и однофазных трансформаторов, кроме трансформаторов типа ТДТНЖУ, должны иметь устройства для переключения напряжения без возбуждения (ПБВ) в пределах ±(2x2,5) %.
Номинальные напряжения ответвлений ПБВ, ступени регулирования при холостом ходе должны соответствовать значениям, указанным в приложениях В и Г.
4.6.5 Автотрансформаторы выполняются с обмотками без регулирования напряжения.
4.7 Трансформаторы тока
4.7.1 Трансформаторы и автотрансформаторы должны быть снабжены встроенными трансформаторами тока согласно ГОСТ 11677 и ГОСТ 7746. Коэффициенты трансформации трансформаторов тока указаны в приложении Д.
4.7.2 На линейных вводах обмоток ВН, СН и нейтрали трехфазных трансформаторов устанавливают по два трансформатора тока, один из которых класса точности не более 0,5.
При любом исполнении трансформатора на вводах напряжением 27,5 кВ должны быть установлены по два трансформатора тока, один из которых класса точности не более 0,5.
4.7.3 На крышку трансформатора должны быть выведены все ответвления трансформаторов тока. В коробку с зажимами должны быть выведены по два ответвления от всех трансформаторов тока.
4.8 Арматура для заливки, отбора пробы, слива и фильтрации масла
4.8.1 Каждый трансформатор и автотрансформатор должен быть снабжен арматурой для заливки, отбора пробы, слива, фильтрации, измерения температуры масла по ГОСТ 11677, трансформаторы класса напряжения 110 кВ — по ГОСТ 12965; класса напряжения 220 кВ — по ГОСТ 17544; автотрансформаторы — по ГОСТ 11920.
4.9 Расположение основных элементов арматуры трансформаторов
4.9.1 Расположение основных элементов арматуры для трансформаторов классов напряжения:
110 кВ - по ГОСТ 12965;
220 кВ - по ГОСТ 17544;
для автотрансформаторов — по ГОСТ 11920.
4.9.2 Шкаф автоматического управления системой охлаждения должен быть, как правило, установлен на баке трансформатора. Допускается установка шкафа автоматического управления системой охлаждения на отдельном фундаменте.
4.10 Комплектность
4.10.1 Комплектность трансформаторов и прилагаемая техническая документация — по ГОСТ 11677, ГОСТ 11920, ГОСТ 12965 и ГОСТ 17544.
4.11 Требования надежности
Для силовых трансформаторов устанавливают следующие показатели надежности:
установленная безотказная наработка — не менее 25000 ч;
вероятность безотказной работы за наработку 8800 ч — не менее 0,995;
срок службы до первого капитального ремонта — не менее 12 лет;
полный срок службы — не менее 25 лет.
5 ТРЕБОВАНИЯ БЕЗОПАСНОСТИ
5.1 Требования безопасности, в том числе пожарной безопасности, должны соответствовать ГОСТ 12.2.007.0, ГОСТ 12.2.007.2 и ГОСТ 12.1.004. Шкафы автоматического управления системой охлаждения трансформаторов должны иметь степень защиты по ГОСТ 14255.
5.2 Оболочка приводного механизма переключающего устройства трансформаторов должна иметь степень защиты по ГОСТ 14254.
На части переключающего устройства, погруженные в трансформаторное масло, степень защиты не устанавливается.
5.3 На корпусе коробки выводов трансформаторов тока должны быть нанесены предупредительные знаки и надписи: «Внимание! Опасно! На разомкнутой обмотке напряжение».
5.4 Трансформаторы должны быть снабжены коробкой зажимов, проводкой от устройств защиты, сигнализации и встроенных трансформаторов тока до коробки зажимов и специальными зажимами, позволяющими замыкать накоротко вторичные цепи трансформаторов тока.
5.5 Краны, вентили, задвижки, пробки должны располагаться в удобном для управления месте. Краны поворотного типа должны иметь метки, указывающие положение заслонки крана.
5.6 Конструкция трансформаторов должна предусматривать меры, уменьшающие опасность возникновения пожара при аварии трансформатора путем направления выхлопа масла из предохранительной трубы или предохранительного клапана в сторону от токоведущих частей, шкафов, управления и конструкций.
5.7 Указатели уровня масла, газовые реле, кран для пробы масла и другие приборы должны быть расположены таким образом, чтобы были обеспечены удобные и безопасные условия для доступа к ним и наблюдения за ними без снятия напряжения.
5.8 Конструкция стационарных лестниц для трансформаторов должна предусматривать возможность установки элементов блокировки, исключающих возможность подъема эксплуатационного персонала на трансформаторы, находящиеся под напряжением.
5.9 Допустимые уровни звука при работе трансформатора и автотрансформатора — по ГОСТ 12.2.024.
6 ПРАВИЛА ПРИЕМКИ
6.1 Трансформаторы типов ТДТНЖ, ТДТНЖУ, ОРДНЖ, ОРДТНЖ, автотрансформаторы типа АОМЖ подвергают приемо-сдаточным, приемочным и периодическим испытаниям по ГОСТ 11677.
6.2 Приемочные испытания всех трансформаторов и автотрансформаторов должны включать испытания на стойкость при коротком замыкании.
6.3 Программа приемочных испытаний трансформаторов типа ТДТНЖУ должна быть согласована с потребителем и организацией, проводящей испытания, и включать испытания на стойкость при коротком испытании.
7 МЕТОДЫ ИСПЫТАНИЙ
7.1 Методы испытаний трансформаторов и автотрансформаторов — по ГОСТ 11677 и ГОСТ 20243.
7.2 Испытания на стойкость к коротким замыканиям и толчкам нагрузки трансформаторов типа ТДТНЖУ следует проводить по методике, согласованной с изготовителем, потребителем и организацией, проводящей испытания.
8 МАРКИРОВКА, УПАКОВКА, ТРАНСПОРТИРОВАНИЕ И ХРАНЕНИЕ
8.1 Маркировка, упаковка, транспортирование и хранение трансформаторов — по ГОСТ 11677, ГОСТ 23216.
9 ГАРАНТИИ ИЗГОТОВИТЕЛЯ
9.1 Изготовитель должен гарантировать соответствие трансформаторов требованиям настоящего стандарта при соблюдении потребителем условий применения, эксплуатации и хранения, установленных стандартом.
9.2 Гарантийный срок на трансформаторы и автотрансформаторы — 3 года.
Гарантийный срок исчисляют со дня ввода трансформаторов и автотрансформаторов в эксплуатацию, но не позднее 6 мес для действующих предприятий или 9 мес для строящихся предприятий.
ПРИЛОЖЕНИЕ А
(справочное)
Специфика использования трансформаторов и автотрансформаторов на электрических железных дорогах переменного тока
Трехфазные трехобмоточные трансформаторы в системе 25 кВ переменного тока служат для одновременного питания тяговой нагрузки, номинальное напряжение которой нестандартно — 27,5 кВ, и других потребителей (железнодорожных нетяговых, промышленных, сельскохозяйственных и т.п.) от обмотки 35 кВ (10 кВ). Однофазные тяговые нагрузки получают питание от двух фаз обмотки трансформатора, соединенной в треугольник (рисунок А.1). Третья фаза обмотки (обычно фаза С) соединяется с рельсами.
Однофазные трансформаторы являются универсальными и могут быть использованы как в системе 25 кВ, так и в системе 2x25 кВ. В системе 25 кВ вторичные обмотки однофазных трансформаторов с номинальным напряжением 27,5 кВ соединяются параллельно (рисунок А.2), начала обмоток присоединяют к контактной сети, концы — к рельсам. В системе 2x25 кВ обмотки с напряжением 27,5 кВ соединяют последовательно (рисунок А.3), начало одной обмотки присоединяют к контактной сети, начало второй обмотки — к питающему проводу, а общую точку обмоток — к рельсам. Таким образом, между контактной сетью и рельсами номинальное напряжение 27,5 кВ, а между контактной сетью и питающим проводом — 55 кВ.
Обмотки 35 кВ (10 кВ) трехобмоточных однофазных трансформаторов в распределительном устройстве 35 кВ (10 кВ) соединяют в треугольник для питания нетяговых потребителей.
Автотрансформаторы, которые включают между питающим проводом и контактной сетью (рисунок А.4), служат для снижения напряжения 55 кВ до напряжения 27,5 кВ между контактной сетью и рельсами.
Характерной особенностью работы трехфазных трансформаторов, питающих тяговую нагрузку, является неравномерность нагрузок фаз, вызывающая несимметрию напряжений на третьей обмотке. Тяговая нагрузка является резко неравномерной нагрузкой, в результате чего трансформаторы во время эксплуатации испытывают неоднократные толчки тока. Кроме того, в тяговой сети, особенно на больших станциях, на которых расположены электровозные депо, наблюдается большое количество коротких замыканий, осложняющих эксплуатацию трансформаторов и автотрансформаторов.
Схемы включения трансформаторов и автотрансформаторов
|
|
|
| Рисунок А.1 |
Рисунок А.3 |
|
|
|
| Рисунок А.2 |
Рисунок А.4 |
ПРИЛОЖЕНИЕ Б
(справочное)
Напряжения короткого замыкания на крайних ответвлениях трансформаторов с регулированием напряжения под нагрузкой, отнесенные к номинальной мощности трансформатора и напряжениям крайних ответвлений
Таблица Б.1 — Трехобмоточные трехфазные трансформаторы типа ТДТНЖ класса напряжения 110 кВ
| Номинальная мощность, кВА |
Ступень регулирования, % |
Напряжение короткого замыкания, %, пары обмоток |
|
| 110 - 27,5 |
110 - 38,5 (10,5) |
||
| 16000 |
- 16 |
10,11 |
17,14 |
| + 16 |
11,28 |
18,57 |
|
| 25000 |
- 16 |
9,95 |
17,49 |
| + 16 |
10,78 |
18,30 |
|
| 40000 |
- 16 |
9,95 |
18,22 |
| + 16 |
11,05 |
18,85 |
|
Таблица Б.2 — Трехобмоточные трехфазные трансформаторы типа ТДТНЖУ класса напряжения 110 кВ
| Номинальная мощность, кВ·А |
Ступень регулирования, % |
Напряжение короткого замыкания, %, пары обмоток |
|
| 110 - 27,5 |
110 - 38,5 (10,5) |
||
| 16000 |
- 16 |
17,14 |
10,11 |
| + 16 |
18,57 |
11,28 |
|
| 25000 |
- 16 |
18,49 |
9,95 |
| + 16 |
18,30 |
10,78 |
|
| 40000 |
- 16 |
18,22 |
9,95 |
| + 16 |
18,85 |
11,05 |
|
Таблица Б.3 — Трехобмоточные трехфазные трансформаторы типа ТДТНЖ класса напряжения 220 к В
| Номинальная мощность, кВА |
Ступень регулирования, % |
Напряжение короткого замыкания, %, пары обмоток |
|
| 220 - 27,5 |
220 - 38,5 (10,5) |
||
| 16000* |
- 12 |
— |
— |
| + 12 |
|||
| 25000 |
- 12 |
13,5 |
20,5 |
| + 12 |
12,5 |
19,5 |
|
| 40000 |
- 12 |
10,1 |
19,3 |
| + 12 |
16,9 |
27,3 |
|
| * Значения параметров трансформаторов устанавливают по результатам приемочных испытаний. |
|||
ПРИЛОЖЕНИЕ В
(справочное)
Напряжения ответвлений ПБВ обмотки 38,5 кВ трехфазных и однофазных трансформаторов при холостом ходе
Таблица В.1
| Ступень регулирования, % |
Номинальное напряжение ответвлений ПБВ, кВ |
| +5 |
40,42 |
| +2,5 |
39,46 |
| Номинальная |
38,50 |
| -2,5 |
37,54 |
| -5 |
36,58 |
ПРИЛОЖЕНИЕ Г
(справочное)
Напряжения ответвлений обмоток трансформаторов с регулированием напряжения под нагрузкой при холостом ходе
Таблица Г.1 — Трехфазные трансформаторы класса напряжения 110 кВ
| Ступень регулирования, % |
Напряжение, кВ |
Ступень регулирования, % |
Напряжение, кВ |
| -16,02 |
96,58 |
+1,78 |
117,04 |
| -14,24 |
98,63 |
+3,56 |
119,09 |
| -12,46 |
100,67 |
+5,34 |
121,14 |
| -10,68 |
102,72 |
+7,12 |
123,19 |
| -8,90 |
104,77 |
+8,90 |
125,23 |
| -7,12 |
106,82 |
+10,68 |
127,28 |
| -5,34 |
108,86 |
+12,46 |
129,33 |
| -3,56 |
110,91 |
+14,24 |
131,37 |
| -1,78 |
112,95 |
+16,02 |
133,42 |
| Номинальная |
115,0 |
— |
— |
Таблица Г.2 — Трехфазные трансформаторы класса напряжения 220 кВ
| Ступень регулирования, % |
Напряжение, кВ |
Ступень регулирования, % |
Напряжение, кВ |
| -12 |
202,4 |
+12 |
257,6 |
| -11 |
204,7 |
+11 |
255,3 |
| -10 |
207,0 |
+10 |
253,0 |
| -9 |
209,3 |
+9 |
250,7 |
| -8 |
211,6 |
+8 |
248,4 |
| -7 |
213,9 |
+7 |
246,1 |
| -6 |
216,2 |
+6 |
243,8 |
| -5 |
218,5 |
+5 |
241,5 |
| -4 |
220,8 |
+4 |
239,2 |
| -3 |
223,1 |
+3 |
236,9 |
| -2 |
225,4 |
+2 |
234,6 |
| -1 |
227,7 |
+1 |
232,3 |
| Номинальная |
230,0 |
— |
— |
Таблица Г.3 — Однофазные трансформаторы классов напряжения 110 и 220 кВ
| Ступень регулирования, % |
Напряжение, кВ |
Ступень регулирования, % |
Напряжение, кВ |
| -16 |
23,10 |
+16 |
31,90 |
| -14 |
23,65 |
+14 |
31,35 |
| -12 |
24,20 |
+12 |
30,80 |
| -10 |
24,75 |
+10 |
30,25 |
| -8 |
25,30 |
+8 |
29,70 |
| -6 |
25,85 |
+6 |
29,15 |
| -4 |
26,40 |
+4 |
28,60 |
| -2 |
26,95 |
+2 |
22,05 |
| Номинальная |
27,5 |
— |
— |
ПРИЛОЖЕНИЕ Д
(справочное)
Номинальные первичные и вторичные токи встроенных трансформаторов тока
Таблица Д.1— Трехфазные и однофазные трансформаторы
| Номинальная мощность, кВА |
Класс напряжения, кВ |
Номинальные первичные и вторичные токи, А |
||
| трансформаторов тока на линейных вводах ВН |
трансформаторов тока на нейтральном вводе ВН |
трансформаторов тока на линейных вводах 27,5 кВ |
||
| 16000 |
110 |
300-200-150-100/5 |
300-200-150-100/5 |
600-400-300-200/5 1000-750-600-400/5 |
| 25000 |
600-400-300-200/5 |
600-400-300-200/5 |
3000-2000-1500-1000/5 |
|
| 40000 |
1000-750-600-400/5 |
|||
| 25000 |
220 |
600-400-300-200/5 |
600-400-300-200/5 |
600-400-300-200/5 |
| 40000 |
1500-1000-750-500/5 3000-2000-1500-1000/5 |
|||
Таблица Д.2 — Автотрансформаторы
| Номинальная мощность, кВ·А |
Номинальные первичные и вторичные токи, А |
|
| трансформаторов тока на вводах A и X |
трансформаторов тока на вводе а |
|
| 10000 |
600-400-300-200/5 |
1000-750-600-400/5 |
| 16000 |
||
ГОСТ Р 51594-2000
УДК 001.4:523.72:006.354 Группа Е00
ГОСУДАРСТВЕННЫЙ СТАНДАРТ РОССИЙСКОЙ ФЕДЕРАЦИИ
Нетрадиционная энергетика
СОЛНЕЧНАЯ ЭНЕРГЕТИКА
Термины и определения
Nontraditional power engeneering.
Solar power engeneering. Terms and definitions
Дата введения 2001-01—01
OKC 27.160
ОКСТУ 3400
Предисловие
1 РАЗРАБОТАН Всероссийским научно-исследовательским институтом электрификации сельского хозяйства, АО ВИЭН, АО ЭНИН им. Г.М. Кржижановского
ВНЕСЕН Управлением научно-технического прогресса Минтопэнерго России
2 УТВЕРЖДЕН И ВВЕДЕН В ДЕЙСТВИЕ Постановлением Госстандарта России от 21 апреля 2000 г. № 119-ст
3 ВВЕДЕН ВПЕРВЫЕ
ВВЕДЕНИЕ
Установленные в настоящем стандарте термины расположены в систематизированном порядке, отражающем систему понятий в области солнечной энергетики.
Для каждого понятия установлен один стандартизованный термин. Применение терминов-синонимов не допускается.
Приведенные определения можно при необходимости изменять, вводя в них произвольные признаки, раскрывая значения используемых в них терминов, указывая объекты, входящие в объем определяемого понятия. Изменения не должны нарушать объем и содержание понятий, определенных в настоящем стандарте.
В стандарте приведены алфавитные указатели содержащихся в нем терминов на русском языке (приложение Б).
В стандарте в качестве справочных приведены эквиваленты стандартизованных терминов на английском языке (приложение В).
Стандартизованные термины в тексте стандарта выделены полужирным шрифтом, их краткие формы — светлым.
1 ОБЛАСТЬ ПРИМЕНЕНИЯ
Настоящий стандарт устанавливает термины и определения понятий в области солнечной энергетики и распространяется на нетрадиционную энергетику.
Термины, установленные настоящим стандартом, обязательны для применения во всех видах документации и литературы в области солнечной энергетики, входящих в сферу работ по стандартизации или использующих результаты этих работ.
2 НОРМАТИВНЫЕ ССЫЛКИ
В настоящем стандарте использована ссылка на ГОСТ 19431—84 Энергетика и электрификация. Термины и определения.
3 ОБЩИЕ ПОНЯТИЯ
| 3.1 солнечная энергетика |
Solar power engineering |
| Область энергетики, связанная с преобразованием солнечной энергии в электрическую и тепловую энергию |
|
| 3.2 солнечная электростанция; СЭС |
Solar power plant |
| Электростанция, предназначенная для преобразования энергии солнечного излучения в электрическую энергию |
|
| 3.3 солнечно-топливная электростанция; СТЭС |
Solar-fuel power plant |
| Электростанция, преобразующая по единой технологической схеме энергию солнечного излучения и химическую энергию топлива в электрическую и тепловую энергию |
|
| 3.4 солнечное теплоснабжение |
Solar heating |
| Использование энергии солнечного излучения для отопления, горячего водоснабжения и обеспечения технологических нужд различных потребителей |
|
| 3.5 солнечное горячее водоснабжение |
Solar water heating |
| Использование энергии солнечного излучения для нагрева воды с целью обеспечения коммунально-бытовых и технологических нужд различных потребителей |
|
| 3.6 солнечное охлаждение |
Solar cooling |
| Использование энергии солнечного излучения для получения холода с целью кондиционирования воздуха, хранения продуктов и т.п. |
|
| 3.7 солнечное тепло- и холодоснабжение |
Solar heating and |
| Использование энергии солнечного излучения для отопления, горячего водоснабжения и получения холода |
cooling |
| 3.8 солнечный элемент |
Solar cell |
| Преобразователь энергии солнечного излучения в электрическую энергию, выполненный на основе различных физических принципов прямого преобразования |
|
| 3.9 солнечный фотоэлектрический элемент |
Solar photovoltaic cell |
| Солнечный элемент на основе фотоэффекта |
|
| 3.10 двусторонний солнечный элемент |
Bifacial solar cell |
| Солнечный элемент с двусторонней фоточувствительностью |
|
| 3.11 термоэлектрический солнечный элемент |
Solar thermoelectric |
| Солнечный элемент на основе термоэлектрических явлений, в котором источником тепла является энергия солнечного излучения |
element |
| 3.12 термоэлектронный солнечный преобразователь |
|
| Солнечный преобразователь на основе явления термоэлектронной эмиссии, в котором источником тепла является энергия солнечного излучения |
Solar thermoionic convertor |
| 3.13 солнечный коллектор |
|
| Устройство для поглощения энергии солнечного излучения и преобразования ее в тепловую энергию |
Solar collector |
| 3.14 концентратор солнечной энергии |
Solar energy |
| Оптическое устройство для повышения плотности потока солнечного излучения, основанное на явлениях отражения и преломления лучей |
concentrator |
4 ПОНЯТИЯ, ОТНОСЯЩИЕСЯ К СОЛНЕЧНЫМ ЭЛЕКТРОСТАНЦИЯ
| 4.1 термодинамическая солнечная электростанция |
Thermodynamic solar |
| Солнечная электростанция, в которой энергия солнечного излучения используется как источник тепла в термодинамическом цикле преобразования тепловой энергии в механическую, а затем в электрическую |
power plant |
| 4.2 фотоэлектрическая солнечная электростанция |
Photovoltaic solar power |
| Солнечная электростанция, в которой используется способ прямого преобразования энергии солнечного излучения в электрическую энергию |
plant |
| 4.3 башенная солнечная электростанция |
Solar tower plant |
| Солнечная электростанция, в которой излучение от оптической концентрирующей системы, образованной полем гелиостатов, направляется на установленный на башне приемник энергии солнечного излучения |
|
| 4.4 двухконтурная солнечная электростанция |
Double-loop solar power |
| Термодинамическая солнечная электростанция, в которой энергия солнечного излучения, поглощенная теплоносителем в первом контуре, передается через теплообменник теплоносителю второго контура |
plant |
| 4.5 модульная солнечная электростанция |
Modular solar power |
| Солнечная электростанция, состоящая из повторяющихся конструктивных элементов-модулей, содержащих однотипные концентраторы и приемники энергии солнечного излучения |
plant |
| 4.6 термохимический цикл преобразования энергии солнечного излучения |
Thermochemical cycle of solar energy conversion |
| Цикл преобразования энергии солнечного излучения, состоящий из последовательно реализуемых обратимых эндо- и экзотермических реакций, в которых солнечная энергия затрачивается на первой стадии цикла — в эндотермических реакциях, а энергия, выделенная при экзотермических реакциях, передается потребителю |
|
| 4.7 приемник солнечной энергии |
Receiver of solar energy |
| Конструктивный элемент, воспринимающий концентрированный поток энергии солнечного излучения |
|
| 4.8 оптическая концентрирующая система |
Optical concentrating |
| Система концентрации прямой энергии солнечного излучения на приемнике солнечной энергии, содержащая один концентратор или совокупность концентраторов |
system |
| 4.9 зеркальный концентратор |
Mirror booster |
| Концентратор солнечного излучения, имеющий зеркальное покрытие |
|
| 4.10 параболоцилиндрический концентратор |
Paraboloic trough |
| Зеркальный концентратор солнечного излучения, форма которого образована параболой, перемещающейся параллельно самой себе |
concentrator |
| 4.11 параболоидный концентратор |
Paraboloid concentrator |
| Зеркальный концентратор солнечного излучения, форма которого образуется при вращении параболы относительно своей оси |
|
| 4.12 зеркальный фацетный концентратор |
Mirror faceted |
| Зеркальный концентратор солнечного излучения, состоящий из отдельных зеркал плоской или криволинейной формы, образующих общую отражающую поверхность |
concentrator |
| 4.13 гелиостат |
Heliostat |
| Плоский или фокусирующий зеркальный элемент оптической концентрирующей системы, имеющий индивидуальное устройство ориентации для направления отраженной прямой энергии солнечного излучения на приемник солнечного излучения |
|
| 4.14 поле гелиостатов |
Heliostat field |
| Оптическая концентрирующая система, состоящая из гелиостатов, размещенных различным образом относительно приемника солнечного излучения |
|
| 4.15 вакуумированный приемник |
Evacuated receiver |
| Приемник солнечного излучения, поглощающая поверхность которого находится в вакуумированном пространстве, ограниченном прозрачной оболочкой |
|
| 4.16 центральный приемник |
Central receiver |
| Приемник солнечного излучения в башенной солнечной электростанции |
|
| 4.17 полостной приемник солнечного излучения |
Cavity receiver of solar |
| Приемник солнечного излучения, тепловоспринимающая поверхность которого имеет форму полости различной конфигурации |
insulation |
| 4.18 солнечный парогенератор |
Solar steam generator |
| Элемент термодинамических солнечных электростанций, в котором происходит генерация пара |
|
| 4.19 солнечный экономайзер |
Solar economizer |
| Элемент термодинамических солнечных электростанций, в котором происходит предварительный нагрев теплоносителя перед его поступлением в солнечный парогенератор |
|
| 4.20 система аккумулирования |
Energy storage system |
| Система накопления тепловой энергии в термодинамических солнечных электростанциях и электрической энергии в фотоэлектрических солнечных электростанциях |
|
| 4.21 система слежения зеркального концентратора |
Solar tracking |
| Система, обеспечивающая вращение концентратора или системы концентраторов в соответствии с движением солнца таким образом, чтобы концентрированное излучение направлялось на приемник энергии солнечного излучения |
system |
| 4.22 оптический датчик |
Optical sensor |
| Элемент системы слежения, подающий сигнал исполнительным механизмам для обеспечения фокусировки оптической концентрирующей системы на приемник солнечного излучения |
|
| 4 23 КПД солнечной электростанции |
Efficiency of solar power |
| Отношение выработанной электрической энергии к поступившей за тот же интервал времени энергии солнечного излучения к поверхности, составляющей проекцию площади солнечной электростанции на плоскость, нормальную к солнечным лучам |
plant |
| 4.24 оптический КПД |
Optical efficiecy |
| Отношение потока прямой энергии солнечного излучения, поступившей на приемник солнечного излучения, к потоку прямой энергии солнечного излучения, поступившей на поверхность, составляющую проекцию площади оптической концентрирующей системы на плоскость, нормальную к солнечным лучам |
|
| 4.25 апертурный угол светового пучка |
Aperture angle |
| Угол между крайними лучами конического светового пучка, отраженного от концентраторов солнечного излучения |
5 ПОНЯТИЯ, ОТНОСЯЩИЕСЯ К ФОТОЭЛЕКТРИЧЕСКИМ УСТАНОВКАМ
| 5.1 фотоэлектрический модуль |
Photovoltaic (PV) |
| Устройство, конструктивно объединяющее электрически соединенные между собой фотоэлектрические солнечные элементы и имеющие выходные клеммы для подключения внешнего потребителя |
module |
| 5.2 фотоэлектрический модуль с концентрацией солнечной энергии |
Concentrating photovoltaic (PV) |
| Устройство, включающее в себя как конструктивное целое концентратор солнечной энергии и фотоэлектрический модуль |
module |
| 5.3 комбинированный фотоэлектрический модуль |
Combined photovoltaic |
| Фотоэлектрический модуль, Снабженный системой отвода тепла от солнечных элементов с целью его полезного использования |
(PV) module for production of heat and electricity |
| 5.4 солнечная фотоэлектрическая батарея |
Solar photovoltaic (PV) |
| Соединенные между собой электрически и механически фотоэлектрические модули |
array |
| 5.5 опорная конструкция |
Support |
| Устройство, поддерживающее пространственное расположение солнечной батареи |
|
| 5.6 устройство слежения за Солнцем |
Solar tracker |
| Устройство, обеспечивающее поворот солнечной батареи для слежения за видимым перемещением Солнца |
|
| 5.7 система слежения фотоэлектрической установки |
Tracking system of |
| Комплекс механизмов и устройств, обеспечивающих работу опорно-поворотного устройства с целью ориентации солнечной батареи определенным образом к потоку солнечного излучения |
photovoltaic plant |
| 5.8 система охлаждения фотоэлектрических солнечных элементов |
Cooling system of solar cells |
| Система отвода тепла от фотоэлектрического солнечного элемента с целью стабилизации его характеристик |
|
| 5.9 КПД солнечного элемента, модуля, батареи |
Efficiency of solar cell, |
| Отношение электрической мощности солнечного элемента, модуля, батареи к произведению плотности потока солнечной энергии на площадь, соответственно, элемента, модуля, батареи |
module, array |
| 5.10 вольт-амперная характеристика солнечного элемента, модуля, батареи |
Voltage-current characteristics of solar |
| Зависимость между током нагрузки и напряжением на клеммах солнечного фотоэлектрического элемента, модуля, солнечной батареи при постоянных значениях температуры солнечных элементов и интенсивности поступающего солнечного излучения |
cell, module, array |
| 5.11 температурный коэффициент тока, напряжения |
Temperature coefficients |
| Значение, характеризующее изменение тока, напряжения солнечного элемента при изменении его температуры на 1 °С |
of current, voltage |
| 5.12 стандартные условия испытаний солнечного элемента, модуля, батареи |
Standard test conditions for solar cell, module, |
| Условия испытаний, регламентированные по плотности потока солнечной энергии 1000 Вт/м2 и температуре фотоэлектрических солнечных элементов (25+2) °С |
array |
| 5.13 пиковая мощность солнечного элемента, модуля, батареи, станции |
Peak power of solar cell, module, array, power |
| Максимальная мощность фотоэлектрического солнечного элемента, модуля, батареи, станции при стандартных условиях испытаний |
plant |
| 5.14 максимальная мощность фотоэлектрического солнечного элемента, модуля, батареи, станции |
Maximum power of photovoltaic solar cell, |
| Мощность фотоэлектрического солнечного элемента, модуля, батареи, станции в точке на вольт-амперной характеристике, где значение произведения тока на напряжение максимально |
module, array, power plant |
6 ПОНЯТИЯ, ОТНОСЯЩИЕСЯ К СОЛНЕЧНОМУ ТЕПЛОСНАБЖЕНИЮ
| 6.1 система солнечного горячего водоснабжения |
Solar hot-water system |
| Система, использующая солнечную энергию для нагрева воды и обеспечивающая частичное или полное покрытие нагрузки горячего водоснабжения данного потребителя |
|
| 6.2 активная система солнечного отопления |
Active heating system |
| Система, использующая солнечную энергию для нагрева теплоносителя в солнечных коллекторах с целью частичного или полного покрытия отопительной нагрузки данного потребителя |
|
| 6.3 пассивная система солнечного отопления |
Passive heating system |
| Система, использующая солнечную энергию для частичного или полного покрытия отопительной нагрузки данного потребителя без применения солнечных коллекторов и специального оборудования, когда приемниками и аккумуляторами солнечной энергии являются конструктивные элементы здания или сооружения |
|
| 6.4 система солнечного теплоснабжения |
Solar heating system |
| Система, использующая солнечную энергию для частичного или полного покрытия нагрузки отопления и горячего водоснабжения данного потребителя |
|
| 6.5 система солнечного охлаждения |
Solar cooling system |
| Система, использующая солнечную энергию для частичного или полного покрытия нагрузки охлаждения данного потребителя |
|
| 6.6 система солнечного тепло- и холодоснабжения |
Solar heating and |
| Система, использующая солнечную энергию частичного или полного покрытия нагрузки отопления, горячего водоснабжения и охлаждения данного потребителя |
cooling system |
| 6.7 одноконтурная система солнечного теплоснабжения |
Direct-heating solar |
| Система, в которой теплоноситель, нагретый в солнечном коллекторе, поступает к потребителю непосредственно или через аккумулятор тепла |
system |
| 6.8 двухконтурная система солнечного теплоснабжения |
Double-loop heating |
| Система, в которой тепло отводится из солнечного коллектора, передается в теплообменнике теплоносителю, поступающему к потребителю непосредственно или через аккумулятор тепла |
system |
| 6.9 термосифонная система солнечного отопления |
Thermosyphon solar |
| Система, в которой отвод тепла от солнечного коллектора осуществляется путем естественной циркуляции теплоносителя |
heating system |
| 6.10 дублер системы солнечного теплоснабжения |
Auxiliary heater of solar |
| Традиционный источник тепловой энергии, обеспечивающий частичное или полное покрытие тепловой нагрузки и работающий в сочетании с системой солнечного теплоснабжения |
heating system |
| 6.11 теплопроизводительность системы солнечного теплоснабжения |
Capacity of solar heating system |
| Количество тепла, отдаваемого потребителю за фиксированный период времени (час, сутки, месяц, год) системой солнечного теплоснабжения |
|
| 6.12 уделывая теплопроизводительность системы солнечного теплоснабжения |
Specific capacity of solar heating system |
| Количество тепла, вырабатываемого системой солнечного теплоснабжения за фиксированный период времени (час, сутки, месяц, год), отнесенное к единице площади солнечных коллекторов |
|
| 6.13 коэффициент замещения тепловой нагрузки потребителя системой солнечного теплоснабжения |
Function of heat load supplied by solar heating |
| Доля тепловой нагрузки потребителя, обеспечиваемой за счет солнечной энергии |
system |
7 ПОНЯТИЯ, ОТНОСЯЩИЕСЯ К СОЛНЕЧНЫМ КОЛЛЕКТОРАМ
| 7.1 плоский солнечный коллектор |
Flat-plate solar collector |
| Солнечный коллектор с поглощающей панелью плоской конфигурации и плоской прозрачной изоляцией |
|
| 7.2 жидкостный солнечный коллектор |
Fluid-type collector |
| Солнечный коллектор, служащий для нагрева жидкого теплоносителя |
|
| 7.3 воздушный солнечный коллектор |
Air-type solar collector |
| Солнечный коллектор, служащий для нагрева воздуха |
|
| 7.4 проточный солнечный коллектор |
Flowing-type solar |
| Солнечный коллектор, в котором нагрев теплоносителя осуществляется при движении его через коллектор |
collector |
| 7.5 солнечный коллектор-аккумулятор |
Collector-storage water |
| Солнечный коллектор, в котором осуществляется нагрев заполняющего коллектор теплоносителя при отсутствии движения его через коллектор |
heater |
| 7.6 вакуумированный трубчатый солнечный коллектор |
Evacuated tube solar |
| Солнечный коллектор, поглощающая панель которого находится в вакуумированном пространстве, ограниченном трубчатой прозрачной изоляцией |
collector |
| 7.7 поглощающая панель солнечного коллектора |
Absorber plate |
| Конструктивный элемент солнечного коллектора, в котором происходит поглощение солнечной энергии и преобразование ее в тепловую энергию |
|
| 7.8 прозрачная изоляция солнечного коллектора |
Transparent cover |
| Покрытие или система покрытий, расположенных над поглощающей панелью, прозрачных относительно солнечной энергии, предназначенных для снижения тепловых потерь в окружающую среду |
insulation of solar collector |
| 7.9 площадь поглощающей панели |
Area of absorber plate |
| Площадь поверхности поглощающей панели, освещаемая солнцем при перпендикулярном падении потока солнечной энергии на ее поверхность |
|
| 7.10 теплопроизводительность солнечного коллектора |
Solar collector heating |
| Количество тепла, отводимого от коллектора за фиксированный период времени (час, сутки, месяц, год) |
capacity |
| 7.11 КПД солнечного коллектора |
Collector efficiency |
| Отношение теплопроизводительности коллектора к поступившей за тот же период времени на его габаритную площадь суммарной солнечной энергии |
|
| 7.12 мгновенный КПД солнечного коллектора |
Collector instantaneous |
| Отношение теплопроизводительности коллектора к поступившей за тот же период времени на его габаритную площадь суммарной солнечной энергии, когда рассматриваемый период времени стремится к нулю |
efficiency |
| 7.13 оптический КПД солнечного коллектора |
Optical efficiency solar |
| Отношение количества поглощенной коллектором солнечной энергии к поступившей за тот же период времени на его полную поверхность суммарной солнечной энергии |
collector |
| 7.14 полный коэффициент тепловых потерь солнечного коллектора |
Collector overall heat-loss coefficient |
| Поток тепла, отдаваемый коллектором в окружающую среду, отнесенный к единице габаритной площади, при разности между средней температурой поглощающей панели и температурой наружного воздуха в 1 °С |
|
| 7.15 коэффициент тепловых потерь через прозрачную изоляцию солнечного коллектора |
Heat-loss coefficient through transparent |
| Поток тепла, отдаваемый коллектором в окружающую среду через прозрачную изоляцию солнечного коллектора, отнесенный к единице габаритной площади, при разности между средней температурой поглощающей панели и температурой наружного воздуха в 1 °С |
cover |
| 7.16 коэффициент эффективности поглощающей панели |
Collector efficiency |
| Значение, характеризующее эффективность переноса тепла от поверхности поглощающей панели к теплоносителю и равное отношению фактической теплопроизводительности солнечного коллектора к теплопроизводительности, которая реализуется при условии, что все термические сопротивления передаче тепла от поверхности поглощающей панели к теплоносителю равны нулю |
factor |
| 7.17 коэффициент отвода тепла от солнечного коллектора |
Solar collector heat |
| Отношение фактической теплопроизводительности солнечного коллектора к теддопроизводительности, которая реализуется при условии, что температура всей поверхности поглощающей панели равна температуре теплоносителя на входе в солнечный коллектор |
removal factor |
| 7.18 удельный расход теплоносителя |
Specific flowrate of heat |
| Количество теплоносителя, протекающего в единицу времени через солнечный коллектор, отнесенное к единице его габаритной площади |
transfer fluid |
| 7.19 равновесная температура |
Equilibrium temperature |
| Температура поверхности поглощающей панели в стационарных или квазистационарных условиях при отсутствии циркуляции теплоносителя через солнечный коллектор |
|
| 7.20 черное поглощающее покрытие |
Black absorptive coating |
| Покрытие поглощающей панели, характеризующееся высокой поглощательной способностью относительно солнечного излучения и высокой степенью черноты |
|
| 7.21 селективное поглощающее покрытие |
Selective absorptive |
| Покрытие поглощающей панели, характеризующееся высокой поглощательной способностью относительно солнечного излучения и низкой степенью черноты при рабочих температурах |
coating |
| 7.22 теплоотражающее покрытие |
Heat reflected coating |
| Покрытие, прозрачное в области солнечного спектра и отражающее в области инфракрасного излучения |
ПРИЛОЖЕНИЕ А
(справочное)
Термины и определения общетехнических понятий,
необходимые для пояснения текста стандарта
| А.1 энергетика |
Power engineering |
| Область народного хозяйства, науки и техники, охватывающая энергетические ресурсы, производство, передачу, преобразование, аккумулирование, распределение и потребление различных видов энергии (ГОСТ 19431) |
|
| А.2 теплоснабжение |
Heating |
| Обеспечение потребителей теплом (ГОСТ 19431) |
|
| A.3 прямая солнечная энергия |
Direct radiation |
| Солнечное излучение, поступающее без изменения направления |
|
| А.4 рассеянная солнечная энергия |
Diffuse radiation |
| Солнечное излучение, поступающее после изменения его направления вследствие отражения и рассеяния атмосферой |
|
| А.5 суммарная солнечная энергия |
Total radiation |
| Солнечное излучение, поступающее в виде прямой и рассеянной радиации |
|
| А.6 поглощательная способность |
|
| Поглощенная поверхностью доля солнечной энергии, падающей на эту поверхность |
Absorbability |
| А.7 пропускательная способность |
Transmittance |
| Пропускаемая телом доля солнечной энергии, падающей на его поверхность |
|
| А.8 отражательная способность |
Reflectance |
| Отражаемая поверхностью доля солнечной энергии, падающей на эту поверхность |
|
| А.9 степень черноты поверхности |
Emittance of surface |
| Отношение интенсивности излучения поверхности к интенсивности излучения черного тела при той же температуре |
|
| А.10 селективное покрытие |
Selective coating |
| Покрытие, характеризующееся резко отличающимися в соседних спектральных интервалах оптическими свойствами |
|
| А.11 показатель селективности |
Selective coefficient |
| Отношение поглощательной способности селективного покрытия к степени черноты при рабочей температуре |
|
| А.12 зеркальное покрытие |
Mirror coating |
| Металлическое покрытие стекол или пленок, обеспечивающее их высокие отражающие свойства |
|
| А.13 атмосферная масса; AM |
Air mass |
| Показатель длины пути солнечных лучей в атмосфере Земли, равный 1/sin h, где h — высота видимого положения Солнца над горизонтом |
ПРИЛОЖЕНИЕ Б
(справочное)
Алфавитный указатель терминов на русском языке
| AM......................................................................................................................................... |
А.13 |
| Батарея солнечная фотоэлектрическая .......................................................................... |
5.4 |
| Водоснабжение горячее солнечное.................................................................................... |
3.5 |
| Гелиостат............................................................................................................................. |
4.13 |
| Датчик оптический ............................................................................................................ |
4.22 |
| Дублер системы солнечного теплоснабжения................................................................. |
6.10 |
| Изоляция солнечного коллектора прозрачная............................................................... |
7.8 |
| Коллектор-аккумулятор солнечный ............................................................................... |
7.5 |
| Коллектор солнечный ....................................................................................................... |
3.13 |
| Коллектор солнечный воздушный .................................................................................. |
7.3 |
| Коллектор солнечный жидкостный ................................................................................. |
7.2 |
| Коллектор солнечный плоский......................................................................................... |
7.1 |
| Коллектор солнечный проточный.................................................................................... |
7.4 |
| Коллектор солнечный трубчатый вакуумнрованный................................................... |
7.6 |
| Конструкция опорная ........................................................................................................ |
5.5 |
| Концентратор зеркальный фацетный ............................................................................. |
4.12 |
| Концентратор параболондный ......................................................................................... |
4.11 |
| Концентратор параболоцилиндрический ........................................................................ |
4.10 |
| Концентратор солнечной энергии..................................................................................... |
3.14 . |
| Концентратор зеркальный ................................................................................................ |
4.9 |
| Коэффициент замещения тепловой нагрузки потребителя системой солнечного теплоснабжения .................................................................................................................. |
6.13 |
| Коэффициент отвода тепла от солнечного коллектора ................................................. |
7.17 |
| Коэффициент тепловых потерь через прозрачную изоляцию солнечного коллектора........................................................................................................................... |
7.15 |
| Коэффициент тепловых потерь солнечного коллектора полный ................................ |
7.14 |
| Коэффициент тока, напряжения температурный .......................................................... |
5.11 |
| Коэффициент эффективности поглощающей панели.................................................... |
7.16 |
| КПД оптический................................................................................................................. |
4.24 |
| КПД солнечного коллектора............................................................................................. |
7.11 |
| КПД солнечного коллектора мгновенный....................................................................... |
7.12 |
| КПД солнечного коллектора оптический ....................................................................... |
7.13 |
| КПД солнечного элемента, модуля, батареи .................................................................. |
5.9 |
| КПД солнечной электростанции ...................................................................................... |
4.23 |
| Масса атмосферная ........................................................................................................... |
А.13 |
| Модуль фотоэлектрический.............................................................................................. |
5.1 |
| Модуль фотоэлектрический с концентрацией солнечной энергии .............................. |
5.2 |
| Модуль фотоэлектрический комбинированный............................................................. |
5.3 |
| Мощность фотоэлектрического солнечного элемента, модуля, батареи, станции максимальная ..................................................................................................................... |
5.14 |
| Мощность солнечного элемента, модуля, батареи, станции пиковая.......................... |
5.13 |
| Охлаждение солнечное ...................................................................................................... |
3.6 |
| Панель солнечного коллектора поглощающая .............................................................. |
7.7 |
| Парогенератор солнечный................................................................................................. |
4.18 |
| Показатель селективности ................................................................................................ |
А.11 |
| Площадь поглощающей панели ....................................................................................... |
7.9 |
| Поле гелиостатов ............................................................................................................... |
4.14 |
| Покрытие зеркальное ........................................................................................................ |
А.12 |
| Покрытие селективное поглощающее.............................................................................. |
7.21 |
| Покрытие поглощающее черное....................................................................................... |
7.20 |
| Покрытие теплоотражающее ............................................................................................ |
7.22 |
| Покрытие селективное ...................................................................................................... |
А.10 |
| Приемник солнечной энергии........................................................................................... |
4.7 |
| Приемник вакуумнроваиный ........................................................................................... |
4.15 |
| Приемник полостной.......................................................................................................... |
4.17 |
| Приемник центральный ................................................................................................... |
4.16 |
| Расход теплоносителя удельный ...................................................................................... |
7.18 |
| Система аккумулирования ............................................................................................... |
4.20 |
| Система солнечного горячего водоснабжения................................................................. |
6.1 |
| Система слежения зеркального концентратора солнечная........................................... |
4.21 |
| Система слежения фотоэлектрической установки......................................................... |
5.7 |
| Система охлаждения фотоэлектрических солнечных элементов ................................ |
5.8 |
| Система солнечного теплоснабжения .............................................................................. |
6.4 |
| Система солнечного отопления активная ....................................................................... |
6.2 |
| Система солнечного отопления термосифоиная ............................................................ |
6.9 |
| Система солнечного охлаждения ..................................................................................... |
6.5 |
| Система солнечного отопления пассивная ..................................................................... |
6.3 |
| Система солнечного тепло- и холодоснабжеиия ............................................................. |
6.6 |
| Система солнечного теплоснабжения двухконтурная ................................................... |
6.8 |
| Система солнечного теплоснабжения одноконтурная ................................................... |
6.7 |
| Система оптическая концентрирующая ......................................................................... |
4.8 |
| Способность поглощающая ............................................................................................... |
А.6 |
| Способность отражательная ............................................................................................. |
А.8 |
| Способность пропускательная .......................................................................................... |
А.7 |
| Степень черноты поверхности ......................................................................................... |
А.9 |
| СТЭС..................................................................................................................................... |
3.3 |
| СЭС....................................................................................................................................... |
3.2 |
| Температура равновесная ................................................................................................. |
7.19 |
| Тепло- и холодоснабжение солнечное .............................................................................. |
3.7 |
| Теплопроизводительиость системы солнечного теплоснабжения ............................... |
6.11 |
| Теплопронзводительность системы солнечного теплоснабжения удельная............... |
6.12 |
| Теплопроизводительность солнечного коллектора........................................................ |
7.10 |
| Теплоснабжение.................................................................................................................. |
А.2 |
| Теплоснабжение солнечное ............................................................................................... |
3.4 |
| Угол светового пучка апертурный .................................................................................. |
4.25 |
| Условия испытаний солнечного элемента, модуля, батареи стандартные................. |
5.12 |
| Устройство слежения за Солнцем .................................................................................... |
5.6 |
| Характеристика солнечного элемента, модуля, батареи вольт-амперная .................. |
5.10 |
| Цикл преобразования энергии солнечного излучения термохимический................... |
4.6 |
| Экономайзер солнечный ................................................................................................... |
4.19 |
| Электростанция солнечная ............................................................................................... |
3.2 |
| Электростанция солнечная башенная.............................................................................. |
4.3 |
| Электростанция солнечная двухконтурная..................................................................... |
4.4 |
| Электростанция солнечная модульная ........................................................................... |
4.5 |
| Электростанция солнечная термодинамическая ........................................................... |
4.1 |
| Электростанция солнечно-топливная.............................................................................. |
3.3 |
| Электростанция солнечная фотоэлектрическая ............................................................ |
4.2 |
| Элемент солнечный............................................................................................................ |
3.8 |
| Элемент солнечный двусторонний .................................................................................. |
3.10 |
| Элемент солнечный термоэлектрический ...................................................................... |
3.11 |
| Элемент солнечный термоэмиссиоиный ........................................................................ |
3.12 |
| Элемент солнечный фотоэлектрический......................................................................... |
3.9 |
| Энергетика .......................................................................................................................... |
А.1 |
| Энергия солнечная ............................................................................................................ |
3.1 |
| Энергия солнечная прямая............................................................................................... |
А.3 |
| Энергия солнечная рассеянная......................................................................................... |
А.4 |
| Энергия солнечная суммарная......................................................................................... |
A.5 |
ПРИЛОЖЕНИЕ В
(справочное)
Алфавитный указатель терминов на английском языке
| Absorbability ....................................................................................................................... |
A.6 |
| Absorber plate ...................................................................................................................... |
7.7 |
| Active heating system .......................................................................................................... |
6.2 |
| Air mass .............................................................................................................................. |
A.13 |
| Air-type solar collector ......................................................................................................... |
7.3 |
| Aperture angle ..................................................................................................................... |
4.25 |
| Area of absorber plate .......................................................................................................... |
7.9 |
| Auxiliary heater of solar heating system................................................................................ |
6.10 |
| Bifacial solar cell ................................................................................................................. |
3.10 |
| Black absorptive coating ...................................................................................................... |
7.20 |
| Cavity receiver of solar insulation......................................................................................... |
4.17 |
| Central receiver ................................................................................................................... |
4.16 |
| Collector efficiency............................................................................................................... |
7.11 |
| Collector efficiency factor..................................................................................................... |
7.16 |
| Collector instantaneous efficiency......................................................................................... |
7.12 |
| Collector overal heat-loss coefficient .................................................................................... |
7.14 |
| Collector-storage water heater .............................................................................................. |
7.5 |
| Combined photovoltaic (PV) module for production of heat and electricity ........................... |
5.3 |
| Cooling system of solar cells ................................................................................................ |
5.8 |
| Diffuse radiation................................................................................................................... |
A.4 |
| Direct-heating solar system .................................................................................................. |
6.7 |
| Direct radiation .................................................................................................................... |
A.3 |
| Double-loop heating system.................................................................................................. |
6.8 |
| Double-loop solar power plant............................................................................................... |
4.4 |
| Efficiency of solar cell, module, array................................................................................... |
5.9 |
| Efficiency of solar power plant.............................................................................................. |
4.23 |
| Emittance of surface............................................................................................................. |
A.9 |
| Energy storage system........................................................................................................... |
4.20 |
| Equilibrium temperature ...................................................................................................... |
7.19 |
| Evacuated receiver ............................................................................................................... |
4.15 |
| Evacuated tube solar collector .............................................................................................. |
7.6 |
| Flat-plate solar collector........................................................................................................ |
7.1 |
| Flowing-type solar collector.................................................................................................. |
7.4 |
| Fluid-type solar collector....................................................................................................... |
7.2 |
| Function of heat load supplied by solar heating system.......................................................... |
6.13 |
| Heating................................................................................................................................. |
A.2 |
| Heat-loss coefficient through transparent cover .................................................................... |
7.15 |
| Heat reflected coating............................................................................................................ |
7.22 |
| Heliostat .............................................................................................................................. |
4.13 |
| Heliostat field....................................................................................................................... |
4.14 |
| Maximum power of photovoltaic solar cell, module, array, power plant................................ |
5.14 |
| Mirror booster ..................................................................................................................... |
4.9 |
| Mirror coating ..................................................................................................................... |
A.12 |
| Mirror faceted concentrator................................................................................................... |
4.12 |
| Modular solar power plant.................................................................................................... |
4.5 |
| Optical concentrating system ............................................................................................... |
4.8 |
| Optical efficiency ................................................................................................................. |
4.24 |
| Optical efficiency of solar collector....................................................................................... |
7.13 |
| Optical sensor ...................................................................................................................... |
4.22 |
| Paraboloic trough concentrator ............................................................................................. |
4.10 |
| Paraboloid concentrator ....................................................................................................... |
4.11 |
| Passive heating system.......................................................................................................... |
6.3 |
| Peak power of solar, cell, module, array, power plant............................................................ |
5.13 |
| Power engineering ............................................................................................................... |
A.1 |
| Solar collector heating capacity ........................................................................................... |
7.10 |
| Capacity of solar heating system........................................................................................... |
6.11 |
| Photovoltaic (PV) module..................................................................................................... |
5.1 |
| Concentrating photovoltaic (PV) module ............................................................................. |
5.2 |
| Photovoltaic solar power plant.............................................................................................. |
4.2 |
| Receiver of solar energy ....................................................................................................... |
4.7 |
| Reflectance .......................................................................................................................... |
A.8 |
| Selective absorptive coating.................................................................................................. |
7.21 |
| Selective coating.................................................................................................................. |
A.10 |
| Selective coefficient ............................................................................................................. |
A.11 |
| Solar cell............................................................................................................................... |
3.8 |
| Solar collector ...................................................................................................................... |
3.13 |
| Solar collector heat removal factor........................................................................................ |
7.17 |
| Solar cooling ........................................................................................................................ |
3.6 |
| Solar cooling system............................................................................................................. |
6.5 |
| Solar economizer ................................................................................................................. |
4.19 |
| Solar energy concentrator .................................................................................................... |
3.14 |
| Solar-fuel power plant. ......................................................................................................... |
3.3 |
| Solar heating ........................................................................................................................ |
3.4 |
| Solar heating system............................................................................................................. |
6.4 |
| Solar heating and cooling ..................................................................................................... |
3.7 |
| Solar heating and cooling system ......................................................................................... |
6.6 |
| Solar photovoltaic (PV) array................................................................................................ |
5.4 |
| Solar power engineering ...................................................................................................... |
3.1 |
| Photovoltaic solar power plant.............................................................................................. |
4.2 |
| Solar photovoltaic cell........................................................................................................... |
3.9 |
| Solar steam generator ........................................................................................................... |
4.18 |
| Solar thermoelectric element................................................................................................. |
3.11 |
| Solar thermoionic converter ................................................................................................. |
3.12 |
| Solar tower plant .................................................................................................................. |
4.3 |
| Solar tracker......................................................................................................................... |
5.6 |
| Solar tracking system ........................................................................................................... |
4.21 |
| Solar water heating............................................................................................................... |
3.5 |
| Solar hot-water system ......................................................................................................... |
6.1 |
| Specific flowrate of heat transfer fluid................................................................................... |
7.18 |
| Specific capacity of solar heating system .............................................................................. |
6.12 |
| Standard test conditions for solar cell, module, array ............................................................ |
5.12 |
| Support................................................................................................................................. |
5.5 |
| Temperature coefficients of current, voltage ......................................................................... |
5.11 |
| Thermochemical cycle of solar energy conversion ................................................................ |
4.6 |
| Thermodynamic solar power plant ....................................................................................... |
4.1 |
| Thermosyphon solar heating system ..................................................................................... |
6.9 |
| Total radiation...................................................................................................................... |
A.5 |
| Tracking system of photovoltaic plant................................................................................... |
5.7 |
| Voltage-current characteristics of solar cell, photovoltaic module, array................................ |
5.10 |
| Transparent cover insulation of solar collector...................................................................... |
7.8 |
| Transmittance ...................................................................................................................... |
A.7 |
ГОСТ Р 51677-2000
УДК 621.313.281:006.354 Е61
ГОСУДАРСТВЕННЫЙ СТАНДАРТ РОССИЙСКОЙ ФЕДЕРАЦИИ
Машины электрические асинхронные мощностью от 1 до 400 кВт включительно
ДВИГАТЕЛИ
Показатели энергоэффективности
Asynchronous electrical machines of power from 1 to 400 kW inclusive.
Motors. Efficiency and power factors
ОКС 29.160.30
ОКСТУ 3320
3330
Дата введения 2001—07—01
Предисловие
1 РАЗРАБОТАН Научно-исследовательским проектно-конструкторским и технологическим институтом электромашиностроения (НИПТИЭМ)
ВНЕСЕН Техническим комитетом по стандартизации ТК 333 «Машины электрические вращающиеся»
2 ПРИНЯТ И ВВЕДЕН В ДЕЙСТВИЕ Постановлением Госстандарта России от 7 декабря 2000 г. № 333-ст
3 ВВЕДЕН ВПЕРВЫЕ
1 ОБЛАСТЬ ПРИМЕНЕНИЯ
Настоящий стандарт распространяется на трехфазные асинхронные двигатели с короткозамкнутым ротором общего назначения мощностью от 1 до 400 кВт включительно (далее — двигатели) для работы от сети переменного тока напряжением до 690 В, изготовляемые для нужд народного хозяйства и экспорта.
Стандарт не распространяется на специальные двигатели, устанавливаемые на средствах наземного, морского и воздушного транспорта, взрывозащищенные двигатели, а также на двигатели, работающие в нестационарных режимах, многоскоростные двигатели и двигатели с повышенным скольжением.
Стандарт устанавливает уровни показателей энергоэффективности (энергетических показателей): коэффициента полезного действия (КПД) и коэффициента мощности, а также методы их определения.
Требования настоящего стандарта являются обязательными.
2 НОРМАТИВНЫЕ ССЫЛКИ
В настоящем стандарте использованы ссылки на следующие стандарты:
ГОСТ 183—74 Машины электрические вращающиеся. Общие технические условия
ГОСТ 7217—87 Машины электрические вращающиеся. Двигатели асинхронные. Методы испытаний
ГОСТ 28330—89 Машины электрические асинхронные мощностью от 1 до 400 кВт включительно. Двигатели. Общие технические требования
3 ОПРЕДЕЛЕНИЯ
В настоящем стандарте применяют следующие термины с соответствующими определениями.
3.1 двигатели с нормальным КПД: Двигатели общепромышленного назначения, КПД которых соответствует уровню, достигнутому в производстве двигателей серии АИ.
3.2 двигатели с повышенным КПД (энергосберегающие двигатели): Двигатели общепромышленного назначения, у которых суммарные потери мощности не менее чем на 20 % меньше суммарных потерь мощности двигателей с нормальным КПД той же мощности и частоты вращения.
КПД энергосберегающего двигателя hэ , %, при различных уровнях снижения суммарных потерь определяют по формуле
, (1)
где h — коэффициент полезного действия двигателя с нормальным КПД, %;
е ³ 0,2 — относительное снижение суммарных потерь мощности в двигателе, о.е.
Минимальные значения КПД энергосберегающего двигателя (для случая снижения суммарных потерь мощности в двигателе на 20 %, т.е. при е = 0,2), hэ м , %, определяют по формуле
, (2)
4 ОСНОВНЫЕ ПАРАМЕТРЫ И РАЗМЕРЫ
Основные параметры и размеры двигателей — по ГОСТ 28330.
5 ТЕХНИЧЕСКИЕ ТРЕБОВАНИЯ
5.1 Показателями энергоэффективности являются:
- коэффициент полезного действия, представляющий отношение полезной мощности на валу двигателя, выраженной в киловаттах, к активной мощности, потребляемой двигателем из сети, выраженной в киловаттах;
- коэффициент мощности, представляющий отношение потребляемой активной мощности, выраженной в киловаттах, к полной мощности, потребляемой из сети, выраженной в киловольтамперах.
5.2 В зависимости от требований к уровню энергоэффективности двигатели подразделяют на:
- двигатели с нормальным КПД;
- двигатели с повышенным КПД (энергосберегающие двигатели).
5.3 Двигатели с нормальным КПД мощностью от 1 до 400 кВт включительно должны иметь номинальные значения КПД и коэффициента мощности не ниже указанных в таблицах 1 и 2.
Таблица 1 — Значения КПД двигателей с нормальным КПД
| Номинальная мощность, кВт |
КПД двигателей, %, при числе полюсов |
|||||
| 2р = 2 |
2р = 4 |
2р = 6 |
2р = 8 |
2р = 10 |
2р = 12 |
|
| 1,10 |
77,0 |
75,0 |
72,0 |
72,0 |
— |
— |
| 1,50 |
79,0 |
77,0 |
77,0 |
73,0 |
— |
— |
| 2,20 |
82,0 |
78,0 |
80,0 |
75,0 |
— |
— |
| 3,00 |
82,0 |
79,0 |
81,0 |
78,0 |
— |
— |
| 4,00 |
83,0 |
83,0 |
82,0 |
82,0 |
— |
— |
| 5,50 |
86,0 |
84,0 |
84,0 |
83,0 |
— |
— |
| 7,50 |
87,0 |
87,0 |
84,5 |
85,0 |
— |
— |
| 11,0 |
88,0 |
88,0 |
87,0 |
87,0 |
— |
— |
| 15,0 |
89,0 |
89,0 |
88,5 |
88,0 |
— |
— |
| 18,5 |
90,0 |
90,0 |
89,0 |
88,5 |
— |
— |
| 22,0 |
90,5 |
90,5 |
90,0 |
89,5 |
— |
— |
| 30,0 |
91,0 |
91,5 |
90,0 |
90,0 |
88,5 |
— |
| 37,0 |
92,0 |
92,0 |
91,0 |
91,0 |
89,0 |
— |
| 45,0 |
92,5 |
92,5 |
92,0 |
92,0 |
91,0 |
90,5 |
| 55,0 |
93,0 |
93,0 |
92,5 |
92,0 |
92,0 |
91,0 |
| 75,0 |
93,0 |
93,5 |
92,5 |
92,5 |
92,0 |
91,5 |
| 90,0 |
93,0 |
94,0 |
93,0 |
93,0 |
92,5 |
92,0 |
| 110,0 |
93,5 |
94,0 |
93,0 |
93,0 |
93,0 |
92,0 |
| 132,0 |
94,0 |
94,0 |
93,5 |
93,5 |
93,0 |
— |
| 160,0 |
94,0 |
94,0 |
94,0 |
93,5 |
— |
— |
| 200,0 |
94,5 |
94,5 |
94,5 |
94,0 |
— |
— |
| 250,0 |
94,5 |
94,5 |
94,5 |
— |
— |
— |
| 315,0 |
95,0 |
95,0 |
— |
— |
— |
— |
| 400,0 |
95,5 |
95,5 |
— |
— |
— |
— |
Таблица 2 — Значения коэффициента мощности двигателей с нормальным и повышенным КПД
| Номинальная мощность, кВт |
Коэффициент мощности двигателей о е , при числе полюсов |
|||||
| 2р = 2 |
2р = 4 |
2р = 6 |
2р = 8 |
2р = 10 |
2р = 12 |
|
| 1,10 |
0,80 |
0,76 |
0,70 |
0,68 |
— |
— |
| 1,50 |
0,82 |
0,78 |
0,70 |
0,70 |
— |
— |
| 2,20 |
0,84 |
0,80 |
0,72 |
0,70 |
— |
— |
| 3,00 |
0,85 |
0,80 |
0,72 |
0,70 |
— |
— |
| 4,00 |
0,84 |
0,81 |
0,75 |
0,70 |
— |
— |
| 5,50 |
0,85 |
0,82 |
0,76 |
0,72 |
— |
— |
| 7,50 |
0,85 |
0,83 |
0,77 |
0,72 |
— |
— |
| 11,0 |
0,86 |
0,83 |
0,80 |
0,73 |
— |
— |
| 15,0 |
0,86 |
0,84 |
0.82 |
0,75 |
— |
— |
| 18,5 |
0,87 |
0,84 |
0,82 |
0,75 |
— |
— |
| 22,0 |
0,87 |
0,84 |
0,82 |
0,75 |
— |
— |
| 30,0 |
0,88 |
0,85 |
0,82 |
0,75 |
0,70 |
— |
| 37,0 |
0,88 |
0,85 |
0,82 |
0,75 |
0,70 |
— |
| 45,0 |
0,88 |
0,85 |
0,82 |
0,75 |
0,72 |
0,70 |
| 55,0 |
0,88 |
0,85 |
0,82 |
0,75 |
0,72 |
0,70 |
| 75,0 |
0,89 |
0,85 |
0,82 |
0,80 |
0,75 |
0,70 |
| 90,0 |
0,89 |
0,86 |
0,83 |
0,80 |
0,75 |
0,70 |
| 110,0 |
0,89 |
0,86 |
0,83 |
0,82 |
0,75 |
0,70 |
| 132,0 |
0,89 |
0,87 |
0,85 |
0,82 |
0,78 |
— |
| 160,0 |
0,89 |
0,87 |
0,85 |
0,82 |
— |
— |
| 200,0 |
0,90 |
0,87 |
0,85 |
0,82 |
— |
— |
| 250,0 |
0,90 |
0,88 |
0,86 |
— |
— |
— |
| 315,0 |
0,90 |
0,88 |
— |
— |
— |
— |
| 355,0 |
0,90 |
0,89 |
— |
— |
— |
— |
| 400,0 |
0,90 |
0,89 |
— |
— |
— |
— |
5.4 Двигатели с повышенным КПД (энергосберегающие двигатели) мощностью от 15 до 400 кВт включительно должны иметь номинальные значения КПД и коэффициента мощности не ниже указанных в таблицах 3 и 2.
Значения КПД, указанные в таблице 3, определены по формуле (2).
Таблица 3 — Значения КПД двигателей с повышенным КПД
| Номинальная мощность, кВт |
КПД двигателей, %, при числе полюсов |
|||||
| 2р = 2 |
2р = 4 |
2р = 6 |
2р = 8 |
2р = 10 |
2р = 12 |
|
| 15,0 |
91,3 |
91,8 |
90,6 |
90,0 |
— |
— |
| 18,5 |
91,8 |
92,2 |
91,0 |
90,6 |
— |
— |
| 22,0 |
92,3 |
92,6 |
91,8 |
91,4 |
— |
— |
| 30,0 |
92,9 |
93,7 |
91,8 |
91,8 |
90,6 |
— |
| 37,0 |
93,5 |
93,7 |
92,7 |
92,7 |
91,0 |
— |
| 45,0 |
93,9 |
93,9 |
93,5 |
93,5 |
92,7 |
92,3 |
| 55,0 |
94,3 |
94,3 |
93,9 |
93,5 |
93,5 |
92,7 |
| 75,0 |
94,6 |
94,7 |
93,9 |
93,9 |
93,5 |
93,1 |
| 90,0 |
95,0 |
95,1 |
94,3 |
94,3 |
93,9 |
93,5 |
| 110,0 |
94,7 |
95,1 |
94,3 |
94,3 |
94,3 |
93,5 |
| 132,0 |
95,1 |
95,1 |
94,7 |
94,7 |
94,3 |
— |
| 160,0 |
95,1 |
95,1 |
95,1 |
94,7 |
— |
— |
| 200,0 |
95,5 |
95,5 |
95,5 |
95,1 |
— |
— |
| 250,0 |
95,5 |
95,5 |
95,5 |
— |
— |
— |
| 315,0 |
96,0 |
96,0 |
— |
— |
— |
— |
| 400,0 |
96,4 |
96,4 |
— |
— |
— |
— |
5.5 Номинальные значения показателей энергоэффективности (КПД и коэффициента мощности) указывают в технических условиях на двигатели конкретных типов.
5.6 Допускаемые отклонения от номинальных значений показателей энергоэффективности — в соответствии с требованиями ГОСТ 183.
6 МАРКИРОВКА
Маркировка двигателей с повышенным КПД — по ГОСТ 28330.
При маркировании в условном обозначении двигателей с повышенным КПД применяют строчную букву е , которую располагают после цифры, обозначающей число полюсов двигателя.
Пример условного обозначения асинхронного двигателя серии 5А высотой оси вращения 180 мм, длиной S, двухполюсного, с повышенным КПД, климатического исполнения Т2:
5 A 180 S 2 eT 2
7 МЕТОДЫ КОНТРОЛЯ
Методы испытаний двигателей — по ГОСТ 7217.
ГОСТ Р 51689-2000
УДК 621.313.33:006.354 Группа Е60
ГОСУДАРСТВЕННЫЙ СТАНДАРТ РОССИЙСКОЙ ФЕДЕРАЦИИ
Машины электрические вращающиеся
ДВИГАТЕЛИ АСИНХРОННЫЕ МОЩНОСТЬЮ ОТ 0,12 ДО 400 кВт ВКЛЮЧИТЕЛЬНО
Общие технические требования
Rotating electrical machines. Asynchronous motors of power from 0,12 to 400 kW inclusive
General technical requirements
ОКС 29.160.30
ОКП 33 1000
33 2000
33 3000
Дата введения 2002-01-01
Предисловие
1 РАЗРАБОТАН Открытым акционерным обществом «Владимирский электромоторный завод», Открытым акционерным обществом «Ярославский электромашиностроительный завод», Автономной некоммерческой организацией по сертификации электротехнической продукции «Центрэлектротест» и Государственным предприятием «Всероссийский научно-исследовательский институт стандартизации и сертификации в машиностроении» (ВНИИНМАШ) Госстандарта России
ВНЕСЕН Техническим комитетом по стандартизации ТК 333 «Машины электрические вращающиеся»
2 ПРИНЯТ И ВВЕДЕН В ДЕЙСТВИЕ Постановлением Госстандарта России от 22 декабря 2000 г. № 396-ст
3 ВВЕДЕН ВПЕРВЫЕ
1 ОБЛАСТЬ ПРИМЕНЕНИЯ
Настоящий стандарт распространяется на асинхронные двигатели мощностью от 0,12 до 400 кВт включительно (далее — двигатели) общего назначения с питанием от сети переменного тока напряжением до 690 В, изготовляемые для поставок внутри страны и на экспорт.
В части двигателей мощностью от 0,12 до 1 кВт включительно требования настоящего стандарта распространяются только на двигатели, выпускаемые на основе типоразмерного ряда.
Стандарт не распространяется на двигатели, устанавливаемые на средствах наземного, морского и воздушного транспорта, взрывозащищенные двигатели.
Требования настоящего стандарта, за исключением пунктов 5.1.2, 5.1.4 и 5.3.4, являются обязательными. Требования пунктов 5.1.2, 5.1.4 и 5.3.4 являются рекомендательными.
2 НОРМАТИВНЫЕ ССЫЛКИ
В настоящем стандарте использованы ссылки на следующие стандарты:
ГОСТ 12.1.004—91 Система стандартов безопасности труда. Пожарная безопасность. Общие требования
ГОСТ 12.2.007.0—75 Система стандартов безопасности труда. Изделия электротехнические. Общие требования безопасности
ГОСТ 12.2.007.1—75 Система стандартов безопасности труда. Машины электрические вращающиеся. Требования безопасности
ГОСТ 27.410—87 Надежность в технике. Методы контроля показателей надежности и планы контрольных испытаний на надежность
ГОСТ 183—74 Машины электрические вращающиеся. Общие технические условия
ГОСТ 2479—79 Машины электрические вращающиеся. Условные обозначения конструктивных исполнений по способу монтажа
ГОСТ 2991—85 Ящики дощатые неразборные для грузов массой до 500 кг. Общие технические условия
ГОСТ 4541—70 Машины электрические вращающиеся. Обозначения буквенные установочно-присоединительных и габаритных размеров
ГОСТ 7217—87 Машины электрические вращающиеся. Двигатели асинхронные. Методы испытаний
ГОСТ 8592—79 Машины электрические вращающиеся. Допуски на установочные и присоединительные размеры и методы контроля
ГОСТ 8865—93 Система электрической изоляции. Оценка нагревостойкости и классификация
ГОСТ 11828—86 Машины электрические вращающиеся. Общие методы испытаний
ГОСТ 11929—87 Машины электрические. Общие методы испытаний. Определение уровня шума
ГОСТ 12139—84 Машины электрические вращающиеся. Ряды номинальных мощностей, напряжений и частот
ГОСТ 13267—73 Машины электрические вращающиеся и непосредственно соединяемые с ними неэлектрические. Высоты оси вращения и методы контроля
ГОСТ 15150—69 Машины, приборы и другие технические изделия. Исполнения для различных климатических районов. Категории, условия эксплуатации, хранения и транспортирования в части воздействия климатических факторов внешней среды
ГОСТ 15543.1—89 Изделия электротехнические. Общие требования в части стойкости к климатическим внешним воздействующим факторам
ГОСТ 15963—79 Изделия электротехнические для районов с тропическим климатом. Общие технические требования и методы испытаний
ГОСТ 16372—93 (МЭК 34-9—90) Машины электрические вращающиеся. Допустимые уровни шума
ГОСТ 16962.1—89 (МЭК 68-2-1—74) Изделия электротехнические. Методы испытаний на устойчивость к климатическим внешним воздействующим факторам
ГОСТ 16962.2—90 Изделия электротехнические. Методы испытаний на стойкость к механическим внешним воздействующим факторам
ГОСТ 17494—87 (МЭК 34-5—81) Машины электрические вращающиеся. Классификация степеней защиты, обеспечиваемых оболочками вращающихся электрических машин
ГОСТ 17516.1—90 Изделия электротехнические. Общие требования в части стойкости к механическим внешним воздействующим факторам
ГОСТ 18620—86 Изделия электротехнические. Маркировка
ГОСТ 18709—73 Машины электрические вращающиеся средние. Установочно-присоединительные размеры
ГОСТ 20815—93 (МЭК 34-14—82) Машины электрические вращающиеся. Механическая вибрация некоторых видов машин с высотой оси вращения 56 мм и более. Измерение, оценка и допустимые значения
ГОСТ 21130—75 Изделия электротехнические. Зажимы заземляющие и знаки заземления. Конструкция и размеры
ГОСТ 23216—78 Изделия электротехнические. Хранение, транспортирование, временная противокоррозионная защита, упаковка. Общие требования и методы испытаний
ГОСТ 24682—81 Изделия электротехнические. Общие технические требования в части воздействия специальных сред
ГОСТ 24683—81 Изделия электротехнические. Методы контроля стойкости к воздействию специальных сред
ГОСТ 25941-83 (МЭК 34-2-72, МЭК 34-2А-74) Машины электрические вращающиеся. Методы определения потерь и коэффициента полезного действия
ГОСТ 27917—88 (МЭК 34-11-2—84) Машины электрические вращающиеся. Встроенная температурная защита. Термодетекторы и вспомогательная аппаратура управления, используемые в системах температурной защиты
ГОСТ 28173—89 (МЭК 34-1—83) Машины электрические вращающиеся. Номинальные данные и рабочие характеристики
ГОСТ 28327—89 (МЭК 34-12—80) Машины электрические вращающиеся. Пусковые характеристики односкоростных трехфазных асинхронных двигателей с короткозамкнутым ротором напряжением до 660 В включительно
ГОСТ Р 50034—92 Совместимость технических средств электромагнитная. Двигатели асинхронные напряжением до 1000 В. Нормы и методы испытаний на устойчивость к электромагнитным помехам
ГОСТ Р 51677—2000 Машины электрические асинхронные мощностью от 1 до 400 кВт включительно. Двигатели. Показатели эффективности.
ГОСТ Р МЭК 60204.1—99 Безопасность машин. Электрооборудование машин и механизмов. Часть 1. Общие требования
3 ОПРЕДЕЛЕНИЯ
В настоящем стандарте используют следующие термины с соответствующими определениями.
3.1 двигатель общего назначения: Двигатель, удовлетворяющий совокупности технических требований, общих для большинства случаев применения.
3.2 базовое (основное) исполнение: Конструкция двигателя, на базе которого разрабатываются модификации для различных случаев применения.
3.3 типоразмер: Совокупность двигателей, имеющих одинаковую высоту оси вращения и одинаковые рабочие свойства: мощность, синхронную частоту вращения и механическую характеристику.
Пример: двигатель АИР160М4.
3.4 габарит: Геометрическая характеристика двигателя, определяющая его размер в поперечном направлении и численно равная высоте оси вращения,
3.5 модификация: Разновидность двигателя, создаваемая на основе двигателя, принятого за базовое исполнение, с целью расширения или специализации сферы его использования.
3.6 относительная кажущаяся пусковая мощность: Отношение кажущейся мощности при заторможенном роторе к номинальной мощности.
3.7 сервис-фактор: Допустимая перегрузка двигателя при номинальном напряжении и частоте. При этом превышение температуры обмотки не должно быть более допустимого, для данного класса нагревостойкости изоляции, на 10 %.
3.8 вариант I : Увязка мощностей с установочными размерами, принятая для выпускаемых в Российской Федерации в настоящее время серий двигателей.
3.9 вариант II : Увязка мощностей с установочными размерами, принятая Европейским комитетом по стандартизации в электротехнике (CENELEK, документ 2В/64).
4 ОСНОВНЫЕ ПАРАМЕТРЫ И РАЗМЕРЫ
4.1 Номинальные мощности двигателей — от 0,12 до 400 кВт по ГОСТ 12139.
4.2 Двигатели изготавливают на номинальные частоты сети 50 и 60 Гц по ГОСТ 12139.
4.3 Двигатели изготавливают на синхронные частоты вращения по ГОСТ 12139:
500, 600, 750, 1000, 1500, 3000 мин- 1 — для частоты сети 50 Гц;
600, 720, 900, 1200, 1800, 3600 мин- 1 —для частоты сети 60 Гц.
4.4 Двигатели изготавливают на напряжения 220, 230, 380, 400, 660, 690 В в соответствии с ГОСТ 12139 и МЭК 60038-1 [1] со схемами соединения обмотки статора «треугольник», «звезда», «треугольник-звезда».
По согласованию изготовителя с потребителем двигатели изготавливают и на другие стандартные напряжения и схемы соединения.
4.5 Энергетические показатели двигателей (коэффициент полезного действия, коэффициент мощности) — по ГОСТ Р 51677. Значения энергетических показателей указывают в технических условиях на двигатели конкретных типов.
4.6 По пусковым характеристикам двигатели могут иметь исполнения N и Н в соответствии с ГОСТ 28327 и МЭК 60034-12 [2]. Пусковые характеристики — в соответствии с ГОСТ 28327 и МЭК 60034-12 [2]. Относительные значения вращающихся моментов, пусковой мощности или пускового тока указывают в технических условиях на двигатели конкретных типов.
4.7 Допустимые значения уровня шума — в соответствии с ГОСТ 16372 и МЭК 60034-9 [3]. Допустимые значения уровня шума указывают в технических условиях на двигатели конкретных типов.
4.8 Допустимые значения вибрации в зависимости от категории двигателя — в соответствии с ГОСТ 20815 и МЭК 60034-14 [4]. Допустимые уровни вибрации указывают в технических условиях на двигатели конкретных типов.
4.9 Двигатели изготавливают со степенями защиты IP23, Р44, IP54, IP55 в соответствии с ГОСТ 17494 и МЭК 60034-5 [5].
По согласованию изготовителя с потребителем двигатели изготавливают и с другими степенями защиты в соответствии с ГОСТ 17494 и МЭК 60034-5 [5].
4.10 Исполнение двигателя по способу монтажа выбирают из ряда:
IM1001, IM1002, IM1081, IM1082, IM1083, IM1084, IM2001, IM2002, IM2081, IM2082, IM2083, IM2084, IM2181, IM2182, IM3001, IM3002, IM3011, IM3012, IM3031, IM3032, IM3081, IM3082, IМ3083, IМ3084, IM3111, IM3131, IM3181, IM3601, IM3681, IM4611, IM5010 в соответствии с ГОСТ 2479 и МЭК 60034-7 [6].
По согласованию изготовителя с потребителем двигатели изготавливают и с другими исполнениями по способу монтажа в соответствии с ГОСТ 2479 и МЭК 60034-7 [6].
4.11 Способ охлаждения двигателей выбирают из ряда:
IC-1, IC06, IC041, IC411, IC416 в соответствии с МЭК 60034-6 [7].
4.12 Двигатели базового (основного) исполнения изготавливают с увязкой мощностей с установочными размерами по варианту I или II в соответствии с приложением А.
Увязку мощностей с установочными размерами модификаций указывают в технических условиях на двигатели конкретных типов.
4.13 Установочные размеры должны соответствовать приведенным в приложении А.
4.14 Буквенные обозначения установочных, присоединительных и габаритных размеров — в соответствии с ГОСТ 4541 и МЭК 60072-1 [8].
4.15 Условные обозначения двигателей указывают в технических условиях на двигатели конкретных типов.
5 ТЕХНИЧЕСКИЕ ТРЕБОВАНИЯ
5.1 Характеристики
5.1.1 Двигатели должны соответствовать требованиям настоящего стандарта и техническим условиям на двигатели конкретных типов, а также ГОСТ 183, ГОСТ 28173.
Специфические требования к модификациям указывают в технических условиях на двигатели конкретных типов.
5.1.2 Двигатели могут иметь сервис-фактор, равный 1,1 или 1,15.
5.1.3 Параметры, приведенные в технических условиях на двигатели конкретных типов, должны соответствовать номинальному режиму работ по ГОСТ 28173 и МЭК 60034-1 [9].
Примечание — В случае применения двигателей в составе частотно-регулируемых приводов в технических условиях на двигатели конкретных типов указывают рабочие диапазоны изменения частот и допустимые нагрузки в этих диапазонах.
5.1.4 Для двигателей устанавливают с учетом требований 5.1.1 и 5.1.2 следующие показатели надежности:
30000 ч, не менее — средний ресурс до капитального ремонта;
23000 ч, не менее — средняя наработка на отказ;
20000 ч, не менее — расчетная долговечность подшипников;
три года, не менее — 90 %-ный срок сохраняемости.
Для невосстанавливаемых двигателей вместо показателей «средний ресурс до капитального ремонта» и «средняя наработка на отказ» устанавливают показатель «вероятность безотказной работы» и указывают его в технических условиях на двигатели конкретных типов.
5.2 Условия эксплуатации
5.2.1 Номинальные значения механических внешних воздействующих факторов для групп механических исполнений двигателей: M1, М3, М4, М7, М8, М9 — по ГОСТ 17516.1.
По согласованию изготовителя с потребителем выбирают другие группы механических исполнений двигателей по ГОСТ 17516.1.
5.2.2 Виды климатических исполнений двигателей: У2, У3, У5, УХЛ2, УХЛЗ, УХЛ4, Т2, Т3, ОМ2, ОМ5, О4, а также У3, У5 (для химических исполнений) — по ГОСТ 15150.
По согласованию изготовителя с потребителем выбирают виды климатических исполнений У1, УХЛ1, Т1 по ГОСТ 15150.
Номинальные значения в части стойкости к климатическим внешним воздействующим факторам по ГОСТ 15543.1 и ГОСТ 15150.
При превышении верхних значений рабочей температуры окружающей среды (воздуха) по сравнению с указанными в этих стандартах, номинальную мощность двигателей снижают на 5% при повышении температуры на 5 °С.
5.2.3 Для работы двигателей на высотах над уровнем моря свыше 1000 до 4300 м среднее, верхнее и эффективное значения температур устанавливают по ГОСТ 15150.
Двигатели должны допускать работу на высотах до 4300 м. Для двигателей, у которых номинальное значение высоты установлено 1000 м, при эксплуатации на высоте свыше 1000 до 4300 м и температуре 40 °С мощности их снижают в соответствии с таблицей 1.
Номинальную мощность с учетом снижения эффективной температуры в зависимости от высоты при необходимости согласовывают с изготовителем.
Таблица 1 — Номинальная мощность двигателя при эксплуатации на высоте
| Высота над уровнем моря, м |
Номинальная мощность, % |
Высота над уровнем моря, м |
Номинальная мощность, % |
| 1000 |
100 |
3000 |
88 |
| 1500 |
98 |
3500 |
84 |
| 2000 |
95 |
4000 |
80 |
| 2400 |
93 |
4300 |
74 |
5.2.4 Двигатели степеней защиты IP23, IP44, IP54 должны допускать работу при значениях запыленности до 2, 10 и 100 мг/м2 соответственно.
5.2.5 Требования по стойкости двигателей к рабочим растворам, в том числе дезинфицирующим, дезактивирующим, в соответствии с ГОСТ 24682, при необходимости, устанавливают в технических условиях на двигатели конкретных типов.
5.2.6 Двигатели должны быть устойчивы к воздействию электромагнитных помех (отклонение напряжения, отклонение частоты, несимметрия питающего напряжения и несинусоидальность питающего напряжения) в соответствии с требованиями ГОСТ Р 50034.
5.2.7 Требования по сейсмостойкости (интенсивное землетрясение в баллах и уровень установки над нулевой отметкой) при необходимости указывают в технических условиях на двигатели конкретных типов.
5.3 Требования к конструкции
5.3.1 Двигатели изготавливают с изоляцией классов нагревостойкости В, F или Н по ГОСТ 8865, исходя из условия обеспечения ресурса двигателей в соответствии с 5.1.4 настоящего стандарта. Допускается применение других классов нагревостойкости по ГОСТ 8865.
5.3.2 Двигатели изготавливают с вводными устройствами следующих исполнений:
K-3-I — с панелью выводов и одним штуцером;
К-3-II — с панелью выводов и двумя штуцерами;
K-3-III — с панелью выводов и тремя штуцерами;
K-3-IV — с панелью выводов и четырьмя штуцерами;
К-З-М — с панелью выводов и удлинителем под сухую разделку кабеля или заливку кабельной массой для одного кабеля;
К-З-М-2 — с панелью выводов и удлинителем для двух кабелей;
K-2-I — без панели выводов с одним штуцером;
К-2-II — без панели выводов с двумя штуцерами.
Возможно применение ввертных штуцеров.
Вводное устройство располагают внутри сектора, ограниченного линией, проходящей через вершину двигателя, и линией, лежащей на 10° ниже горизонтальной оси двигателя, справа, если смотреть со стороны рабочего конца вала.
Вводное устройство должно допускать подсоединение с любой из противоположных боковых сторон двигателя кабелей с медными или алюминиевыми жилами с оболочкой из резины или пластиков, а также гибкого металлического рукава.
По согласованию изготовителя с потребителем допускают изготовление вводного устройства иной конструкции.
Примечание— Двигатели мощностью 30 кВт и выше на напряжение сети 220 (230) В изготавливают с вводным устройством, допускающим подсоединение кабелей только с медными жилами.
Исполнения вводных устройств указывают в технических условиях на двигатели конкретных типов.
5.3.3 Двигатели должны работать в любом направлении вращения. Направление вращения двухполюсных двигателей 280—355 габаритов указывают в технических условиях на двигатели конкретных типов.
Для двигателей с одним допустимым направлением вращения конструктивно предусматривают указание направления вращения стрелкой.
5.3.4 По согласованию изготовителя с потребителем двигатели изготавливают со встроенной температурной защитой в соответствии с ГОСТ 27917 и МЭК 60034-11 [12].
5.4 Требования безопасности
5.4.1 Требования безопасности — по ГОСТ 12.2.007.0 (за исключением требований по ГОСТ 12.1.004), ГОСТ 12.2.007.1 (за исключением требований по ГОСТ 12.1.004), ГОСТ Р МЭК 60204.1, а также по Правилам технической эксплуатации электроустановок потребителей и Правилам техники безопасности при эксплуатации электроустановок потребителей, утвержденным Госэнергонадзором.
5.4.2 Защита от поражения электрическим током — класс I по ГОСТ 12.2.007.0.
5.4.3 Для заземления корпуса двигатели должны иметь зажимы, снабженные устройством от самоотвинчивания.
Зажим заземления располагают внутри вводного устройства.
Двигатели номинальной мощностью более 100 кВт дополнительно должны иметь зажим заземления, расположенный на корпусе.
По требованию потребителя в двигателях мощностью до 100 кВт включительно устанавливают дополнительные зажимы заземления на корпусе.
Для встраиваемых двигателей заземляющие зажимы устанавливают на изделия, в которые встраивается двигатель.
Сопротивление между болтом заземления и любой доступной для прикосновения металлической нетоковедущей частью двигателя, которая может оказаться под напряжением, должно быть не более 0,1 Ом.
Заземляющие зажимы и знаки заземления — по ГОСТ 21130, ГОСТ 12.2.007.0, ГОСТ Р МЭК 60204.1 и МЭК 60034-1 [9].
5.4.4 Сопротивление изоляции обмоток двигателей в холодном состоянии при нормальных климатических условиях испытаний по ГОСТ 15150 должно быть не менее 10 МОм, при температуре двигателей, близкой к рабочей, — не менее 3 МОм, а при верхнем значении влажности воздуха — не менее 0,5 МОм.
5.5 Комплектность
В комплект двигателя входит:
- двигатель со шпонкой;
- шкив, салазки, фундаментальные болты (по требованию потребителя);
- руководство по эксплуатации,
- паспорт.
Количество экземпляров руководства по эксплуатации — в соответствии с заказом потребителя.
5.6 Маркировка
Маркировку двигателей проводят в соответствии с ГОСТ 18620 и МЭК 60034-8 [10] и настоящим стандартом.
На корпусе каждого двигателя укрепляют табличку в соответствии с ГОСТ 28173 и МЭК 60034-1 [9] с дополнением обозначения настоящего стандарта.
На табличке двигателей с повторно-кратковременным режимом работы указывают мощности и токи при одной номинальной продолжительности включения (ПВ).
Для двигателей массой до 10 кг допускается на табличке массу не указывать.
5.7 Упаковка
Упаковка и консервация двигателей —- по ГОСТ 23216.
Конкретные виды упаковки и способы консервации указывают в технических условиях на двигатели конкретных типов.
6 ПРИЕМКА
6.1 Для проверки соответствия двигателей требованиям настоящего стандарта проводят приемочные, квалификационные, периодические, приемосдаточные и типовые испытания.
6.2 Приемочным испытаниям подвергают опытные образцы двигателей. Количество испытываемых образцов двигателей мощностью до 0,55 кВт — не менее четырех каждого типоразмера, мощностью 0,55 кВт и выше — не менее двух образцов каждого типоразмера.
6.3 Испытания проводят по следующей программе.
6.3.1 Измерение габаритных, установочных размеров и массы двигателей. Проверка маркировки.
6.3.2 Измерение сопротивления обмоток при постоянном токе.
6.3.3 Определение тока и потерь холостого хода.
6.3.4 Определение тока и потерь короткого замыкания, начального пускового тока, начального пускового вращающего момента и коэффициента трансформации двигателей с фазным ротором.
6.3.5 Испытание на нагревание.
6.3.6 Определение рабочих характеристик, коэффициента мощности, коэффициента полезного действия и скольжения.
6.3.7 Испытание на кратковременную перегрузку по току.
6.3.8 Испытание при повышенной частоте вращения.
6.3.9 Измерение сопротивления изоляции обмоток относительно корпуса и между обмотками.
6.3.10 Испытание межвитковой изоляции на электрическую прочность.
6.3.11 Проверка электрической прочности изоляции.
6.3.12 Определение кривой вращающего момента, начального пускового, минимального и максимального моментов.
6.3.13 Испытание на устойчивость к электромагнитным помехам.
6.3.14 Проверка встроенной температурной защиты (для двигателей со встроенной температурной защитой).
6.3.15 Определение уровня шума.
6.3.16 Измерение уровня вибрации.
6.3.17 Проверка степени защиты.
6.3.18 Испытание на стойкость к механическим внешним воздействиям.
6.3.19 Испытание на воздействие влажности воздуха.
6.3.20 Испытание на воздействие верхнего и нижнего значений температуры окружающей среды.
6.3.21 Испытание на стойкость к воздействию агрессивных сред (при наличии специальных требований).
6.3.22 Проверка показателей надежности.
6.3.23 Испытания на безопасность.
6.3.24 Испытание упакованных двигателей на хранение и транспортирование (при наличии специальных требований).
6.4 Квалификационным испытаниям подвергают двигатели установочной серии (первой промышленной партии) при остановке двигателей на производство.
6.5 При приемочных и квалификационных испытаниях двигателей климатических исполнений по ГОСТ 15150 электрические испытания по 6.3.2—6.3.16 проводят в объеме приемосдаточных (6.8).
Климатические испытания (6.3.19—6.3.21) проводят на двигателях каждого климатического исполнения, каждого габарита любого типоразмера независимо от электрического и конструкционного исполнений. Допускается распространять результаты климатических испытаний и испытаний на стойкость к воздействию агрессивных сред на другие габариты двигателей, имеющих одинаковые материалы, покрытия и изготавливаемые по единой технологии.
Измерение габаритных и установочных размеров (6.3.1), испытания на стойкость к механическим внешним воздействиям (6.3.18) и проверку степени защиты (6.3.17) проводят на двигателях каждого габарита, каждого исполнения по способу монтажа любого типоразмера независимо от электрического и климатического исполнений.
6.6 Периодические испытания двигателей при массовом и крупносерийном производстве проводят не реже одного раза в три года. Периодические испытания при мелкосерийном и индивидуальном производстве допускается не проводить. Количество испытуемых двигателей — не менее двух каждого типоразмера. Периодические испытания проводят на двигателях основного (базового) исполнения по программе приемочных (6.3), за исключением испытаний по 6.3.13, 6.3.18-6.3.21, 6.3.24.
6.7 Типовые испытания проводят в случаях изменений конструкции и технологии, влияющих на параметры и характеристики двигателей. При этом проверяют соответствующие параметры. Испытания проводят не менее чем на двух двигателях.
6.8 Приемосдаточным испытаниям подвергают каждый двигатель. Испытания проводят по 6.3.2—6.3.4 (в части определения тока и потерь короткого замыкания), 6.3.9—6.3.11, 6.3.16 программы испытаний. При этом измерение вибрации допускается проводить на 1 % суточного выпуска, но не менее чем на двух двигателях.
6.9 При отрицательных результатах приемосдаточных испытаний по одному из пунктов требований настоящего стандарта или технических условий двигатели подлежат возврату для установления причин и устранения дефектов. Допускается предъявлять к испытаниям один и тот же двигатель не более двух раз. При этом проверку электрической прочности изоляции не проводят, за исключением случаев, когда двигатель бракуют по этому признаку. Если при периодических или типовых испытаниях хотя бы один двигатель не будет соответствовать требованиям настоящего стандарта или технических условий, проводят повторные испытания на удвоенном количестве двигателей по параметрам, по которым было обнаружено несоответствие. Результаты этих испытаний являются окончательными.
6.10 Объем, порядок отбора образцов двигателей для сертификационных испытаний, сроки их проведения и программу испытаний устанавливают согласно Системе сертификации продукции в установленном порядке.
7 МЕТОДЫ КОНТРОЛЯ
7.1 Измерение сопротивления обмоток при постоянном токе (6.3.2), определение тока и потерь холостого хода (6.3.3), определение тока и потерь короткого замыкания, начального пускового тока и начального пускового момента (6.3.4) проводят по ГОСТ 7217.
7.2 Испытание на нагревание (6.3.5) проводят в соответствии с ГОСТ 7217, ГОСТ 11828 и МЭК 60034-1 [9]. Для двигателей мощностью более 100 кВт допускается проводить испытание на нагревание в нескольких режимах с определением превышения температуры при номинальном режиме экстраполяцией зависимости превышения температуры от потерь в обмотке.
7.3 Определение рабочих характеристик, коэффициента мощности, коэффициента полезного действия и скольжения (6.3.6) проводят в соответствии с ГОСТ 25941, ГОСТ 7217 и ГОСТ 25941.
7.4 Испытания на кратковременную перегрузку по току (6.3.7), испытания при повышенной частоте вращения (6.3.8) проводят в соответствии с ГОСТ 11828 и МЭК 60034-1 [9].
7.5 Измерение сопротивления изоляции обмоток (6.3.9) и испытание межвитковой изоляции (6.3.10) проводят по ГОСТ 11828.
7.6 Проверку электрической прочности изоляции (6.3.11) проводят в соответствии с ГОСТ 11828, ГОСТ 28173 и МЭК 60034-1 [9].
7.7 Определение кривой вращающего момента (6.3.12) проводят по ГОСТ 7217.
7.8 Испытания на устойчивость к электромагнитным помехам (6.3.13) проводят по ГОСТ Р 50034. Двигатели, имеющие сервис-фактор 1,15, испытаниям на помехоустойчивость не подвергают.
7.9 Проверка встроенной температурной защиты (6.3.14) включает в себя следующие испытания.
7.9.1 Измерение сопротивления изоляции и испытание электрической прочности изоляции цепи терморезисторов — по ГОСТ 11823.
7.9.2 Проверку работы защиты при перегрузке проводят при испытании двигателя на нагревание. После того как двигатель достигнет установившейся температуры, устанавливают перегрузку, при которой скорость нарастания температуры не превышает 1° С за 5 мин. В момент срабатывания защиты измеряют температуру обмотки статора методом сопротивления. Температура обмотки, в зависимости от класса нагревостойкости изоляции двигателя, не должна превышать значений, указанных в таблице 2.
7.9.3 Проверку работы защиты при коротком замыкании проводят на двигателе с заторможенным ротором, включенном на номинальное напряжение с холодного состояния. В момент срабатывания защиты измеряют температуру обмотки двигателя методом сопротивления. Температура обмотки, в зависимости от класса нагревостойкости изоляции двигателя, не должна превышать значений, указанных в таблице 2.
Таблица 2 — Температура обмотки при срабатывании защиты
| Режим |
Температура обмотки, °С, для класса нагревостойкости изоляции |
||
| В |
F |
Н |
|
| Перегрузка |
145 |
170 |
195 |
| Короткое замыкание |
200 |
225 |
250 |
7.10 Измерение уровня шума (6.3.15) проводят в соответствии с ГОСТ 11929, ИСО 3745 [11] и МЭК 60034-9 [3].
7.11 Измерение уровня вибрации (6.3.16) проводят в соответствии с ГОСТ 20815 и МЭК 60034-14 [4]. При приемосдаточных испытаниях вибрацию измеряют в точках, указанных в технических условиях на двигатели конкретных типов.
7.12 Проверку степени защиты (6.3.17) проводят в соответствии с ГОСТ 17494 и МЭК 60034-5 [5].
7.13 Испытания на стойкость к механическим внешним воздействиям (6.3.18) проводят по ГОСТ 16962.2. Степень жесткости и конкретные методы испытаний указывают в технических условиях на двигатели конкретных типов. Двигатели считают выдержавшими испытания, если внешним осмотром не обнаружено механических повреждений, сопротивление изоляции двигателя не менее 10 МОм и они работоспособны при проверке на холостом ходу.
7.14 Испытания на воздействие влажности воздуха (6.3.19) проводят в соответствии с ГОСТ 16962.1 по методу 207.1. Двигатели считают выдержавшими испытания, если сопротивление изоляции между обмотками и относительно корпуса не менее 0,5 МОм, межвитковая изоляция выдерживает повышенное на 30 % напряжение в течение 3 мин. Если при этом ток превышает номинальный более чем на 25 %, то длительность испытаний может быть сокращена до 1 мин.
7.15 Испытания на воздействие верхнего и нижнего значений температур (6.3.20) проводят по ГОСТ 16962.1. Для двигателей исполнений УХЛ 1 и УХЛ 2 дополнительно проводят испытания на воздействие изменения температуры по ГОСТ 16962.1 по методу 205.4, при этом испытание на воздействие влажности, а также верхней и нижней температур не проводят. Испытания на воздействие верхней и нижней температур допускается проводить вне камеры, после испытания на нагревание по ГОСТ 11828. На двигателях устанавливают нагрузку, соответствующую предельно допустимой температуре обмотки статора, и выдерживают их в указанном режиме не менее 2 ч. Двигатели считают выдержавшими испытания, если сопротивление изоляции в конце испытания не менее 1 МОм, а после 12 ч выдержки при нормальной температуре — не менее 10 МОм, напряжение трогания в конце последнего часа выдержки при нижнем значении температуры не превышает 0,8 номинального; при внешнем осмотре не обнаружены нарушения лакокрасочных покрытий и пластмасс, а также недопустимое вытекание пропиточного лака и смазки.
7.16 Испытания на стойкость к воздействию агрессивных сред (6.3.21) и оценку результатов испытаний проводят по ГОСТ 24683. Конкретные методы испытаний стойкости к воздействию агрессивных сред устанавливают в технических условиях на двигатели конкретных типов. При этом испытания проводят по режимам, соответствующим данному химостойкому исполнению двигателя. После испытания двигатели должны выдерживать проверку электрической прочности изоляции напряжением, равным половине испытательного напряжения в соответствии с ГОСТ 28723 и МЭК 60034-1 [9].
7.17 Оценку показателей надежности (6.3.22) при приемочных испытаниях двигателей общепромышленного исполнения проводят путем сопоставления температуры обмотки статора в номинальном режиме с требованиями ГОСТ 28173 и МЭК 60034-1 [9] и определения расчетной долговечности подшипников. При периодических испытаниях показатели надежности подтверждают данными, получаемыми с мест эксплуатации двигателей.
Методы контроля показателей надежности специальных двигателей по ГОСТ 27.410 указывают в технических условиях на двигатели конкретных типов.
7.18 Испытания на безопасность (6.3.23) проводят в соответствии с настоящим стандартом, ГОСТ 12.2.007.0, ГОСТ 12.2.007.1 и ГОСТ Р МЭК 60204.1. Методы испытаний - по 7.5, 7.6 и 7.12.
Измерение сопротивления между болтом заземления и любой доступной для прикосновения металлической нетоковедущей частью двигателя, которая может оказаться под напряжением, проводят методом амперметра и вольтметра. Измерение проводят на переменном токе частоты 50 Гц.
7.19 Методы испытаний упакованных двигателей (6.3.24) — по ГОСТ 23216. После испытаний измеряют сопротивление изоляции двигателей и уровень вибрации, значения которых должны соответствовать указанным в разделах 4 и 5.
8 ТРАНСПОРТИРОВАНИЕ И ХРАНЕНИЕ
8.1 Транспортная тара двигателей — по ГОСТ 23216.
8.2 Условия транспортирования двигателей внутри страны в части воздействия механических факторов — С по ГОСТ 23216, в части воздействия климатических факторов — 5 (ОЖ4) или (ОЖ3) по ГОСТ 15150.
Условия хранения двигателей — 2 (С) по ГОСТ 15150 на срок сохраняемости в соответствии с 5.1.4.
9 УКАЗАНИЯ ПО ЭКСПЛУАТАЦИИ
9.1 Эксплуатация двигателей должна соответствовать требованиям инструкции по эксплуатации.
9.2 Двигатели исполнения N по ГОСТ 28327 и МЭК 60034-12 [2] должны быть рассчитаны на два последовательных пуска (с остановкой между пусками) из холодного состояния или на один пуск из нагретого состояния после работы при номинальной нагрузке.
Момент сопротивления нагрузки при пуске пропорционален квадрату частоты вращения и равен номинальному моменту при номинальной частоте вращения, а значение внешнего момента инерции, I , кг/м2 , не должно превышать рассчитанного по формуле
,
где Р — номинальная мощность двигателя, кВт;
p — число пар полюсов.
Повторный пуск двигателя допускается только при температуре двигателя перед пуском, не превышающей установившейся температуры при номинальной нагрузке.
Примечание — Требования к пуску 10-, 12-полюсных двигателей устанавливают в технических условиях на двигатели конкретных типов.
9.3 Двигатели исполнения Н по ГОСТ 28327 и МЭК 60034-12 [2] должны допускать два последовательных пуска (с остановкой между пусками) из холодного состояния или один пуск из нагретого состояния при работе в номинальных условиях. Момент сопротивления нагрузки предполагается постоянным, равным номинальному моменту и не зависящим от частоты вращения, а значение внешнего момента инерции не должно превышать 50 % значения, получаемого по формуле согласно 9.2.
10 ГАРАНТИИ ИЗГОТОВИТЕЛЯ
10.1 Изготовитель гарантирует соответствие двигателей требованиям настоящего стандарта и техническим условиям на двигатели конкретных типов при условии соблюдения потребителем правил транспортирования, хранения, монтажа и эксплуатации.
10.2 Гарантийный срок эксплуатации — два года со дня начала эксплуатации двигателя при гарантийной наработке 10000 ч.
ПРИЛОЖЕНИЕ А
(обязательное)
Установочные размеры двигателей
А.1 Установочные размеры двигателей исполнения IM1 должны соответствовать приведенным на рисунке А.1 и в таблице А.1.
Обозначения, приведенные в скобках, соответствуют принятым МЭК.

Рисунок А.1
А.2 Установочные размеры двигателей исполнения IM3 должны соответствовать приведенным на рисунке А.2 и в таблице А.2.
Обозначения, приведенные в скобках, соответствуют принятым МЭК.

Рисунок А.2
Таблица А.1
Размеры в миллиметрах
| Габарит |
Установочный размер |
h (Н) |
b 10 (А) |
l 10 (В) |
l 31 (С) |
d 10 (К) |
| 56 |
— |
56 |
90 |
71 |
36 |
5,8 |
| 63 |
— |
63 |
100 |
80 |
40 |
|
| 71 |
— |
71 |
112 |
90 |
45 |
7 |
| 80 |
— |
80 |
125 |
100 |
50 |
10 |
| 90 |
S |
90 |
140 |
56 |
||
| L |
125 |
|||||
| 100 |
S |
100 |
160 |
112 |
63 |
12 |
| L |
140 |
|||||
| 112 |
М |
112 |
190 |
70 |
||
| 132 |
S |
132 |
216 |
89 |
||
| М |
178 |
|||||
| 160 |
S |
160 |
254 |
108 |
15 |
|
| М |
210 |
|||||
| L |
254 |
|||||
| 180 |
S |
180 |
279 |
203 |
121 |
|
| М |
241 |
|||||
| L |
279 |
|||||
| 200 |
М |
200 |
318 |
267 |
133 |
19 |
| L |
305 |
|||||
| 225 |
S |
225 |
356 |
286 |
149 |
|
| М |
311 |
|||||
| 250 |
S |
250 |
406 |
168 |
24 |
|
| М |
349 |
|||||
| 280 |
S |
280 |
457 |
368 |
190 |
|
| М |
419 |
|||||
| 315 |
S |
315 |
508 |
406 |
216 |
28 |
| М |
457 |
|||||
| 355 |
S |
355 |
610 |
500 |
254 |
|
| М |
560 |
|||||
| *Диаметр круглого отверстия или ширина овального отверстия. |
||||||
Таблица А.2
Размеры в миллиметрах
| Обозначение фланца |
d 20 (М) |
d 25 (N) |
d 24 (Р) |
l 39 (R) |
l 20 (Т) |
d 22 (S) |
Число отверстий |
|
| без резьбы FF |
с резьбой FT |
|||||||
| FF54; FT65 |
65 |
50 |
80 |
0 |
2,5 |
5,8 |
М5 |
4 |
| FF75; FT75 |
75 |
60 |
90 |
|||||
| FF85; FT85 |
85 |
70 |
105 |
7 |
М6 |
|||
| FF100; FT100 |
100 |
80 |
320 |
3 |
||||
| FF115; FT115 |
115 |
95 |
140 |
10 |
М8 |
|||
| FF130; FT130 |
130 |
110 |
160 |
3,5 |
||||
| FF165; FT165 |
165 |
130 |
200 |
12 |
M10 |
|||
| FF215, FT215 |
215 |
180 |
250 |
4 |
15 |
М12 |
||
| FF265; FT265 |
265 |
230 |
300 |
|||||
| FF300; FT300 |
300 |
250 |
350 |
5 |
19 |
М16 |
||
| FF350; FT350 |
350 |
300 |
400 |
|||||
| FF400; FT400 |
400 |
350 |
450 |
8 |
||||
| FF500; FT500 |
500 |
450 |
550 |
|||||
| FF600; FT600 |
600 |
550 |
660 |
6 |
24 |
М20 |
||
| FF740; FT740 |
740 |
680 |
800 |
|||||
| Примечания 1 В обозначении фланца указывают размер d20 (М) и буквы: FF — фланец с гладкими крепежными отверстиями; FT — фланец с резьбовыми крепежными отверстиями. 2 Внешний контур крепительных фланцев от FF55 до FF300 может быть некруговым. В этом случае размер d 24 (Р) является диаметром описанной окружности и может отличаться только в сторону отрицательных отклонений. 3 Установочные размеры двигателей исполнения IM20 определяют из таблиц A.1, A.2 как для комбинированного исполнения. 4 Допуски на установочные размеры, указанные в таблицах А.1 и А.2, — по ГОСТ 8592. |
||||||||
А.3 Увязка мощностей к установочным размерам по варианту I для степеней защиты IP44 и IP54 должна соответствовать таблице А.3.
Таблица А.3
| Форма исполнения двигателей |
Номинальная мощность двигателей, кВт, при числе полюсов 2р |
Концы валов цилиндрические d 1 (D)´l 1 (E) мм, при числе полюсов 2р |
Концы валов цилиндрические d 2 (DA)´l 2 (EA) мм, при числе полюсов 2р |
||||||||||
| IM1, IM2 |
IM2, IM3 |
2 |
4 |
6 |
8 |
10 |
12 |
2 |
4, 6, 8, 10, 12 |
2 |
4, 6, 8 10, 12 |
||
| Габа-рит |
Установочный размер |
Обозначение фланца |
|||||||||||
| С резьбой |
Без резьбы |
||||||||||||
| 56 |
— |
FT65; FT85 |
FF115 |
0,18 0,25 |
0,12 0,18 |
— — |
— — |
— — |
— — |
11´23 |
11´23 |
||
| 63 |
— |
FT75; FT100 |
FF130 |
0,37 0,55 |
0,25 0,37 |
0,18 0,25 |
— — |
— — |
— — |
14´30 |
14´30 |
||
| 71 |
— |
FT85; FT115 |
FF165 |
0,75 1,10 |
0,55 0,75 |
0,37 0,55 |
— 0,25 |
— — |
— — |
19´40 |
19´40 |
||
| 80 |
— |
FT100; FT130 |
1,50 2,20 |
1,10 1,50 |
0,75 1,10 |
0,37 0,55 |
— — |
— — |
22´50 |
22´50 |
|||
| 90 |
L |
FT115; FT130 |
FF215 |
3,00 — |
2,20 — |
1,50 — |
0,75 1,10 |
— — |
— — |
24´50 |
24´50 |
||
| 100 |
S М |
FT130; FT165 |
4,00 5,50 |
3,00 4,00 |
— 2,20 |
— 1,50 |
— — |
— — |
28´60 |
28´60 |
|||
| 112 |
S М |
— |
FF265 |
7,50 — |
5,50 — |
3,00 4,00 |
2,20 3,00 |
— — |
— — |
32´80 |
32´80 |
||
| 132 |
М |
— |
FF300 |
— |
7,5 |
5,5 7,5 |
4,0 5,5 |
— — |
— — |
38´80 |
38´80 |
||
| 11,0 |
|||||||||||||
| 160 |
S М |
— |
15,0 18,5 |
11,0 15,0 |
7,5 11,0 |
— — |
— — |
42´110 |
48´110 |
42´110 |
|||
| 180 |
S М |
— |
FF350 |
22,0 30,0 |
— 18,5 |
— 15,0 |
— — |
— — |
48´110 |
55´110 |
48´110 |
||
| 200 |
M L |
— |
FF400 |
37,0 45,0 |
22,0 30,0 |
18,5 22,0 |
— — |
— — |
55´110 |
60´140 |
55´110 |
||
| 225 |
М |
— |
FF500 |
55,0 |
37,0 |
30,0 |
— |
— |
65´140 |
55´110 |
60´140 |
||
| 250 |
S М |
75,0 90,0 |
45,0 55,0 |
37,0 45,0 |
22,0 30,0 |
— — |
65´140 |
75´140 |
65´140 |
70´140 |
|||
| 280 |
S М |
— |
FF600 |
110,0 132,0 |
75,0 90,0 |
55,0 75,0 |
37,0 45,0 |
— — |
70´140 |
80´170 |
65´140 |
||
| 315 |
S М |
— |
160,0 200,0 |
110,0 132,0 |
90,0 110,0 |
55,0 75,0 |
45,0 55,0 |
75´140 |
90´170 |
65´140 |
|||
| 355 |
S М |
— |
FF740 |
250,0 315,0 |
160,0 200,0 |
132,0 160,0 |
90,0 110,0 |
75,0 90,0 |
85´170 |
100´210 |
85´170 |
||
| Примечание — Размеры шпонок и шпоночных пазов — по МЭК 60072-1 [8]. |
|||||||||||||
А.4 Увязка мощностей с установочными размерами по варианту II для степеней защиты IP44 и IP54 должна соответствовать таблице А.4.
Таблица А.4
| Форма исполнения двигателей |
Номинальная мощность двигателей, кВт, при числе полюсов 2р |
Концы валов цилиндрические d 1 (D)´l 1 (E) мм, при числе полюсов 2p |
Концы валов цилиндрические d 1 (DA)´l 1 (EA) мм, при числе полюсов 2p |
|||||||
| IM1, IM2 |
IM2, 1МЗ |
2 |
4 |
6 |
8 |
|||||
| Габа-рит |
Устано-вочный размер |
Обозначение фланца |
||||||||
| С резьбой |
Без резьбы |
2 |
4, 6, 8 |
2, 4, 6, 8 |
||||||
| 56 |
— |
— |
— |
0,09 0,12 |
0,06 0,09 |
__ |
_ |
9´20 |
9´20 |
|
| 63 |
— |
FT115 |
— |
0,18 0,25 |
0,12 0,18 |
__ |
— |
11´23 |
11´23 |
|
| 71 |
М |
FT850 |
FF130 |
0,37 0,55 |
0,25 0,37 |
0,18 0,25 |
0,09 0,12 |
14´30 |
14´30 |
|
| 80 |
М |
FT100 |
FF165 |
0,75 1,10 |
0,55 0,75 |
0,37 0,55 |
0,18 0,25 |
19´40 |
19´40 |
|
| 90 |
S L |
FT115 |
1,50 2,20 |
1,10 1,50 |
0,75 1,10 |
0,37 0,55 |
24´50 |
24´50 |
||
| 100 |
L |
FT130 |
FF215 |
3,00 |
2,20 3,00 |
1,50 |
0,75 1,10 |
28´60 |
28´60 |
|
| 112 |
М |
4,00 |
4,00 |
2,20 |
1,50 |
|||||
| 132 |
S М |
— |
FF265 |
5,50; 7,50 — |
5,50 7,50 |
3,00 4,00 5,50 |
2,20 3,00 |
38´80 |
38´80 |
|
| 160 |
M L |
— |
FF300 |
11,0 15,00 18,50 |
11,00 15,00 |
7,50 11,00 |
4,00; 5,50 7,50 |
42´110 |
42´110 |
|
| 180 |
М L |
— |
FF300 |
22,0 — |
18,5 22,0 |
— 15,0 |
— 11,0 |
48´100 |
42´110 |
|
| 200 |
L |
— |
FF350 |
30,0 37,0 |
30,0 |
18,5 22,0 |
15,0 |
55´110 |
48´100 |
|
| 225 |
S М |
— |
FF400 |
— 45,0 |
37,0 45,0 |
— 30,0 |
18,5 22,0 |
55´110 |
60´140 |
55´110 |
| 250 |
M |
— |
FF500 |
55,0 |
55,0 |
37,0 |
30,0 |
60´140 |
65´140 |
60´140 |
| 280 |
S M |
75,0 90,0 |
75,0 90,0 |
45,0 55,0 |
47,0 45,0 |
65´140 |
75´140 |
65´140 |
||
| 315 |
S M L |
— |
FF600 |
110,0 132,0 160;200 |
110,0 132,0 160; 200 |
75,0 90,0 110; 132 |
55,0 75,0 90; 110 |
65´140 |
80´170 |
65´140 |
| 355 |
S М L |
— |
FF740 |
— 250; 315 — |
— 250; 315 — |
160 200 250 |
132 160 200 |
75´140 |
100´210 |
75´140 |
| Примечание — Размеры шпонок и шпоночных пазов — по МЭК 60072-1 [8]. |
||||||||||
ПРИЛОЖЕНИЕ Б
(справочное)
Библиография*
[1] МЭК 60038-1—83 Стандартные напряжения.
[2] МЭК 60034-12—80 Машины электрические вращающиеся. Пусковые характеристики односкоростных трехфазных асинхронных двигателей с короткозамкнутым ротором напряжением до 660 В включительно.
[3] МЭК 60034-9—97 Машины электрические вращающиеся.
[4] МЭК 60034-14—96 Машины электрические вращающиеся. Механическая вибрация некоторых видов машин с высотой оси вращения 56 мм и более. Измерение, оценка и допустимые значения.
[5] МЭК 60034-5—91 Машины электрические вращающиеся. Классификация степеней защиты, обеспечиваемых оболочками вращающихся электрических машин.
[6] МЭК 60034-7—92 Машины электрические вращающиеся. Условные обозначения конструктивных исполнений по способу монтажа.
[7] МЭК 60034-6—91 Машины электрические вращающиеся. Методы охлаждения. Обозначения.
[8] МЭК 60072-1—91 Машины электрические вращающиеся. Размеры и ряды выходных мощностей. Часть 1. Габариты от 56 до 400 и фланцы от 55 до 1080.
[9] МЭК 60034-1—96 Машины электрические вращающиеся. Номинальные данные и рабочие характеристики.
[10] МЭК 60034-8—72 Машины электрические вращающиеся. Обозначения выводов и направления вращения.
[11] ИСО 3745-77 Акустика. Определение уровней звуковой мощности источников шума. Точные методы для заглушенных и полузаглушенных камер.
[12] МЭК 60034-11—78 Машины электрические вращающиеся. Встроенная температурная защита
______________________
* Международные стандарты МЭК и их переводы находятся во Всероссийском научно-исследовательском институте классификации, терминологии и информации по стандартизации и качеству (ВНИИКИ). Адрес: 103001, Москва, Гранатный пер., 4.
ГОСТ Р 51749—2001
УДК 621.002.5:006.354 Группа Е01, E02
ГОСУДАРСТВЕННЫЙ СТАНДАРТ РОССИЙСКОЙ ФЕДЕРАЦИИ
Энергосбережение
ЭНЕРГОПОТРЕБЛЯЮЩЕЕ ОБОРУДОВАНИЕ ОБЩЕПРОМЫШЛЕННОГО ПРИМЕНЕНИЯ
Виды. Типы. Группы. Показатели энергетической эффективности. Идентификация
Energy conservation. Energy consuming equipment in general industrial application.
Kindes. Types. Groups. Indicators of energy efficiency. Identification
ОКСТУ 3103
3104
3403
3404
ОКС 27.010
Дата введения 2002—01—01
Предисловие
1 РАЗРАБОТАН ФГУ «Российское агентство энергоэффективности» Минэнерго России
ВНЕСЕН ФГУ «Российское агентство энергоэффективности» Минэнерго России
2 ПРИНЯТ И ВВЕДЕН В ДЕЙСТВИЕ Постановлением Госстандарта России от 21 мая 2001 г. № 210-ст
3 ВВЕДЕН ВПЕРВЫЕ
Введение
Энергосбережение является одним из ключевых направлений энергетической политики России в процессе реализации ФЦП «Энергосбережение» [1], разработанной на основе Закона Российской Федерации «Об энергосбережении».
В Статье 4 Закона РФ «Об энергосбережении» установлены принципы энергосберегающей политики государства, к числу которых относятся:
- приоритет эффективного использования энергетических ресурсов;
- осуществление государственного надзора за эффективным использованием энергетических ресурсов;
- включение в государственные стандарты на оборудование, материалы и конструкции, транспортные средства показателей их энергоэффективности.
Соответствие показателей энергоэффективности действующего энергетического оборудования нормативным значениям ПЭЭ подтверждают органы государственного энергетического надзора [8] при сертификации энергооборудования, потребляющего за год более 6000 т условного топлива или более 1000 т моторного топлива (статья 10 Закона РФ «Об энергосбережении»).
В свою очередь, выполнение задания ФЦП «Энергосбережение» в 2000 г. и в последующие годы также должно базироваться на развитой нормативно-методической основе [2], то есть на стандартах, имеющих статус межгосударственных или российских и устанавливающих номенклатуру показателей энергетической эффективности по видам энергопотребляющего оборудования, материалов, конструкций и транспортных средств.
Настоящий стандарт устанавливает:
- виды и подвиды энергопотребляющего оборудования;
- типы энергопотребляющего оборудования;
- группы и подгруппы энергопотребляющего оборудования;
- основные показатели энергетической эффективности потребления топливно-энергетических ресурсов (ТЭР) для оборудования общепромышленного применения.
Следует отметить, что в нормативных правовых актах [3] отсутствует термин «оборудование», в связи с чем его решено установить в настоящем стандарте с идентификацией активно потребляющего, преобразующего ТЭР и пассивно передающего ТЭР оборудования, а также строительных сооружений (в т. ч. материалов и конструкций).
Положения настоящего стандарта позволят целенаправленно и обоснованно вносить показатели энергоэффективности в нормативные документы на энергопотребляющее оборудование и решать большое количество инженерно-технических, научно-исследовательских, технико-экономических задач, направленных на реализацию в сфере народного хозяйства энергетической политики России в отношении:
- повышения энергетической эффективности энергопотребляющего оборудования общепромышленного применения и технологических процессов;
- повышения энергетической эффективности ТЭР, расходующих свой накопленный (природный) или наведенный техногенными способами энергетический потенциал;
- уменьшения потерь ТЭР в народном хозяйстве;
- разработки нормативов энергосбережения ТЭР;
- планирования и управления энергосбережением ТЭР на всех стадиях жизненного цикла энергопотребляющего оборудования.
Настоящий стандарт предназначен для использования специалистами, участвующими в разработке проектной, нормативной и технологической документации, связанной с добычей, производством, хранением, транспортированием, использованием первичных и вторичных энергетических ресурсов, при разработке, эксплуатации, ремонте, списании и ликвидации (как последней стадии жизненного цикла продукции — с утилизацией техногенной и удалением опасной составляющих) энергопотребляющего оборудования, а также специалистами — разработчиками нормативных документов, оборудования, технологий, методов контроля, испытаний, сертификации, лицензирования, страхования в обеспечение энергосбережения в отраслях промышленности.
Настоящий стандарт является одним из комплекса нормативных документов России «Энергосбережение», призванных в дополнение ГОСТ Р 51387 и ГОСТ Р 51541 создать развитую и энергоэффективную нормативную базу для проведения работ по энергосбережению на предприятиях различных отраслей народного хозяйства.
1 Область применения
Настоящий стандарт устанавливает идентифицированные виды и подвиды, типы, группы и подгруппы основного энергопотребляющего оборудования, номенклатуру соответствующих показателей энергетической эффективности и распространяется на энергопотребляющее оборудование общепромышленного применения, используемое при добыче, хранении, транспортировании, передаче, технологическом преобразовании традиционных топливно-энергетических ресурсов (далее — ТЭР) и возобновляемых ТЭР в народном хозяйстве Российской Федерации.
Стандарт не распространяется на энергопотребляющие объекты военной техники, ядерные, химические и биологические энергопотребляющие объекты.
Положения, установленные в настоящем стандарте, предназначены для применения в соответствии с действующим законодательством расположенными на территории РФ предприятиями, организациями, региональными и другими объединениями (далее — предприятия) независимо от форм собственности и подчинения, а также органами управления РФ, имеющими прямое отношение к энергопотреблению и энергосбережению.
Положения настоящего стандарта применяют в научно-технической, учебной и справочной литературе, при планировании разработок энергопотребляющего оборудования и установлении в нормативных документах показателей энергоэффективности потребления ТЭР.
2 Нормативные ссылки
В настоящем стандарте использованы ссылки на следующие стандарты:
ГОСТ 3.1109—82 Единая система технологической документации. Термины и определения основных понятий
ГОСТ 19431—84 Энергетика и электрификация. Термины и определения
ГОСТ Р 51379—99 Энергосбережение. Энергетический паспорт промышленного потребителя топливно-энергетических ресурсов. Основные положения. Типовые формы
ГОСТ Р 51380—99 Энергосбережение. Методы подтверждения соответствия показателей энергетической эффективности энергопотребляющей продукции их нормативным значениям. Общие требования
ГОСТ Р 51387—99 Энергосбережение. Нормативно-методическое обеспечение. Основные положения
ГОСТ Р 51388—99 Энергосбережение. Информирование потребителей об энергоэффективности изделий бытового и коммунального назначения. Общие требования
ГОСТ Р 51541—99 .Энергосбережение. Энергетическая эффективность. Состав показателей. Общие положения
3 Определения и сокращения
3.1 В настоящем стандарте применяют термины с соответствующими определениями, приведенными в ГОСТ 3.1109, ГОСТ 19431, ГОСТ Р 51387, ГОСТ Р 51541, [3], а также следующие:
3.1.1 энергосбережение: По ГОСТ Р 51387.
3.1.2 энергоноситель: По ГОСТ Р 51387.
3.1.3 топливно-энергетический ресурс: По ГОСТ Р 51387.
3.1.4 вторичный энергетический ресурс: По ГОСТ Р 51387.
3.1.5 энергоемкость производства продукции: По ГОСТ Р 51387.
3.1.6 эффективное использование энергетических ресурсов: По ГОСТ Р 51541.
Примечание — Определяют в регламентированных условиях использования энергетических ресурсов.
3.1.7 показатель энергетической эффективности; ПЭЭ: По ГОСТ Р 51387.
3.1.8 показатель экономичности энергопотребления изделия: По ГОСТ Р 51387.
Примечание — В настоящем стандарте термин «энергопотребление» является родовым, а «энергорасходование» и остальные — видовыми.
3.1.9 показатель энергосбережения: По ГОСТ Р 51541.
Примечание — Определяют в регламентированных условиях использования энергетических ресурсов.
3.1.10 возобновляемые топливно-энергетические ресурсы: По ГОСТ Р 51387.
3.1.11 оборудование: Необходимые технические средства для обеспечения изготовления изделий [4].
3.1.12 технологическое оборудование: Орудия производства, в которых для выполнения определенной части технологического процесса размещаются материалы или заготовки, средства воздействия на них и, при необходимости, источники энергии [4].
3.1.13 энергоустановка: По ГОСТ 19431.
3.1.14 экономичность энергопотребления изделия (активного оборудования) при функционировании: Характеристика затрат оборудованием ТЭР в регламентированных режимах функционирования.
3.1.15 показатели энергетической эффективности пассивного оборудования при использовании: Характеристики свойств изоляционных и электропроводящих материалов электрических линий и сетей промышленного, коммунального назначения, изоляционных и конструкционных (несущих) материалов трубопроводов сохранять и передавать электрическую или тепловую энергию, топливо, энергоносители на различные расстояния в регламентированных режимах функционирования; а также характеристика целенаправленно запасенной энергии при изготовлении оборудования и/или содержащейся в нем и определяющей его энергетический потенциал для последующего использования по назначению в регламентированных режимах функционирования.
3.1.16 экономичность сбережения тепловой энергии изделием (сооружением, строительным материалом, конструкцией) при использовании: Характеристика суммарного количества потерь при передаче тепловой энергии в регламентированных условиях применения.
Примечания
1 Эта группа характеризует свойства строительного материала, конструкции, сооружения сберегать (или терять) тепловую энергию в регламентированных условиях применения.
2 К этой группе характеристик относят также показатели теплопроводности (теплосопротивления) ограждающих (строительных) конструкций.
3.1.17 теплотворная способность углеводородных топлив: Суммарное количество энергии, которой обладают природные углеводородные топлива, высвобождая ее в регламентированных условиях.
Примечание — Теплотворную способность топлива выражают в мегаджоулях на килограмм (МДж/кг), в мегаджоулях на кубический метр (МДж/м3 ).
3.1.18 норматив расхода топливно-энергетических ресурсов (технический норматив): Научно и технически обоснованная величина нормы расхода энергии (топлива), устанавливаемая в нормативной и технологической документации на конкретное изделие, характеризующая предельно допустимое значение потребления энергии (топлива) на единицу выпускаемой продукции или в регламентированных условиях использования энергетических ресурсов.
3.1.19 нормативный энергетический эквивалент; НЭЭ: Показатель, характеризующий народнохозяйственный уровень прямых общих затрат первичной энергии или работы на единицу потребляемого энергоресурса (топлива, тепловой, электрической энергии).
3.1.20 топливно-энергетический эквивалент; ТЭЭ: Показатель, характеризующий народнохозяйственный уровень прямых общих затрат первичной энергии или работы на единицу потребляемого топливно-энергетического ресурса.
3.1.21 удельная теплота сгорания (топлива): Суммарное количество энергии, высвобождаемое в регламентированных условиях сжигания топлива.
3.2 В настоящем стандарте применяют следующие сокращения:
ИСО — Международная организация по стандартизации;
КПД — коэффициент полезного действия;
ЛЭП — линия электропередачи;
МЭК — Международная электротехническая комиссия;
ОС — окружающая среда;
ПДВ — предельно допустимые выбросы (опасных газообразных веществ);
ПДК — предельно допустимая концентрация;
ПДС — предельно допустимые сбросы (опасных жидкостей);
ПЭЭ — показатель(и) энергетической эффективности;
ТП — технологический процесс;
ТЭК — топливно-энергетический комплекс;
ТЭР — топливно-энергетические ресурсы;
ТЭС — теплоэлектростанция;
ФЦП — Федеральная целевая программа.
4 Общие положения
4.1 Энергопотребляющее оборудование общепромышленного применения потребляет, преобразует, сохраняет, транспортирует поступающие из окружающей среды следующие виды ТЭР:
- топливо котельно-печное и моторное;
- энергию электрическую (и электромагнитную);
- энергию тепловую;
- энергию возобновляемых источников (ветра, водных потоков, приливов и отливов, а также энергию солнечную, биомассы, геотермальную);
- комбинированные.
4.2 Целью настоящего стандарта является установление:
- видов и подвидов энергопотребляющего оборудования (применительно к характеру обращения с ТЭР и их видам);
- типов (по активной, пассивной или сберегающей формам потребления ТЭР);
- групп и подгрупп (по технологической и отраслевой принадлежности);
- основных показателей энергетической эффективности потребления ТЭР для основного энергопотребляющего оборудования общепромышленного применения, бытового оборудования, а также для сооружений, включая материалы и конструкции.
4.3 Оборудование общепромышленного назначения, относящееся к энергоустановкам, подразделяют на три типа: активно добывающие, расходующие, использующие традиционные (невозобновляемые) ТЭР и нетрадиционные (от возобновляемых источников энергии), пассивно проводящие, передающие (согласно ГОСТ Р 51541), транспортирующие ТЭР, а также сооружения, сберегающие тепловую энергию.
4.4 В настоящем стандарте энергопотребляющее оборудование общепромышленного применения идентифицировано по следующим видам (и соответствующим типам): энергодобывающее (активное), энергорасходующее ТЭР (активное), энергоиспользующее возобновляемые ТЭР (активное), электропроводящее (пассивное), энергопередающее (пассивное), топливотранспортирующее (пассивное), теплосберегающее (сооружения).
4.5 Виды оборудования приведены в соответствии с видами ТЭР.
4.6 Типы оборудования соотнесены с соответствующими типами энергопотребления.
4.7 Основная номенклатура показателей энергоэффективности для оборудования соответствующих видов, типов и групп представлена в приложении А.
5 Идентификация видов и подвидов, типов, групп и подгрупп энергопотребляющих объектов (оборудования, сооружений) общепромышленного применения
5.1 Виды и типы энергопотребляющих объектов, включая оборудование и сооружения, приведены в таблице 5.1.
Таблица 5.1
| Вид энергопотребляющего оборудования |
Тип энергопотребляющего объекта (оборудование и сооружения) |
| 1 Энергодобывающее (для ТЭР, кроме возобновляемых) |
Активное |
| 2 Энергорасходующее ТЭР |
Активное |
| 3 Энергоиспользующее возобновляемые ТЭР |
Активное |
| 4 Электропроводящее |
Пассивное |
| 5 Энергопередающее (тепло, топливо) |
Пассивное |
| 6 Топливотранспортирующее |
Пассивное |
| 7 Теплосберегающее |
Сооружения (конструкции, материалы) |
5.2 Подвиды энергопотребляющего оборудования общепромышленного применения укрупненно идентифицированы в 5.2.1—-5.2.3.
5.2.1 К числу основных потребителей котельно-печного и моторного топлив относят следующие подвиды оборудования общепромышленного применения, подлежащего нормированию по требованиям энергосбережения:
- электростанции;
- котельные установки;
- воздухонагреватели;
- агломерационные машины;
- печи для нагрева (сушилки), крекинга;
- печи (термические, для подогрева шихты, мартеновские, коксовые);
- кауперы;
- автоклавы, установки с кипящим слоем;
- вулканизаторы;
- установки для производства полистирола, полихлорвинила, поливинилацетата, карбамидных полимеров;
- агрегаты (поточные линии) для выработки волокон;
- бытовая техника (плиты, горелки и т. п.);
- газоперекачивающие устройства;
- двигатели внутреннего сгорания;
- двигатели наружного сгорания (паровозные топки, к примеру);
- газогенераторные устройства.
5.2.2 К числу основных потребителей электрической энергии относят следующие подвиды оборудования общепромышленного применения, подлежащего нормированию по требованиям энергосбережения:
- ферросплавные печи;
- станы горячей и холодной прокатки черных и цветных металлов;
- электролизеры;
- установки для плавки;
- электрические печи для плавки (сопротивления, электродуговые сталеплавильные, индукционные, вакуумные индукционные);
- трубопрокатные станы;
- установки для полимеризации, машины для резки;
- установки для производства полистирола, полихлорвинила, поливинилацетата, карбамидных полимеров;
- установки для производства аммиака;
- агрегаты (поточные линии) для выработки волокон;
- установки для производства кислорода;
- установки для варки целлюлозы;
- оборудование для передачи и распределения электрической энергии и/или изменения ее параметров (трансформаторы, статические преобразователи);
- оборудование для электроотопления жилых и общественных зданий;
- оборудование для освещения жилых и промышленных зданий;
- оборудование для уличного освещения;
- электрические двигатели;
- электрогенераторы;
- бытовое и аналогичное электрооборудование (холодильники, плиты, утюги и т. п.).
Примечание — Бытовое оборудование может использоваться в производственных процессах, например на малых предприятиях, в связи с чем оно также идентифицировано в настоящем стандарте.
5.2.3 К подвидам оборудования общепромышленного применения, потребляющего тепловую энергию и подлежащего нормированию по требованиям энергосбережения, относят:
- установки непрерывного коксования;
- автоклавы, установки с кипящим слоем;
- установки полимеризации, машины для резки;
- установки для производства полистирола, полихлорвинила, поливинилацетата, карбамидных полимеров;
- установки синтеза спиртов;
- колонны синтеза и фракционирования;
- агрегаты (поточные линии) для выработки волокон;
- установки для плавки и электролизеры;
- турбины паровые;
- электропечи, агломерационные машины;
- установки для варки целлюлозы;
- машины для производства бумаги и картона;
- жилые здания;
- промышленные здания.
5.3 На предприятиях, как правило, используют подвиды оборудования общепромышленного применения, потребляющие различные виды ТЭР (4.1).
5.4 Для целей энергосбережения различают три типа энергопотребляющего оборудования общепромышленного применения:
- активное оборудование, потребляющее ТЭР в процессах их добычи, преобразования и для изготовления изделий (раздел 5 ГОСТ Р 51541);
- пассивное оборудование, служащее для передачи тепловой, электрической энергии и энергоносителей (раздел 6 ГОСТ Р 51541), включая трубопроводы промышленного и коммунального назначения, предназначенные для транспортирования нефти, газа, теплоносителей; линии электропередач, электрические сети промышленного и коммунального назначения; оборудование для аккумулирования и расходования электрической энергии, а также оборудование, служащее для хранения и транспортирования ТЭР (например, цистерны);
- сооружения, к которым относят ограждающие (строительные) конструкции и материалы.
Примечания
1 Оборудование, активно потребляющее ТЭР, как правило, расходует энергию, накопленную в невозобновляемом углеводородном топливе и/или поступающую от возобновляемых источников энергии.
2 К пассивному оборудованию относят:
- трубопроводы (газо- и нефтепроводы), теплообменники промышленного назначения;
- трубопроводы коммунального назначения (газо- и водопроводы, канализация);
- электропроводящие сооружения (включая материалы) для линий электропередач и электрических сетей промышленного и коммунального назначения;
- естественные (природные) и искусственные хранилища нефтепродуктов, газа.
3 К пассивному оборудованию, накапливающему и расходующему энергию, относят:
- гальванические элементы;
- аккумуляторы;
- электрохимические генераторы.
4 К сооружениям, предотвращающим (в идеале) или сокращающим потери ТЭР, относят конструкции и элементы строительных (ограждающих) конструкций, содержащие теплоизоляционные, диэлектрические (строительные) материалы, способствующие или препятствующие передаче, сохранению тепловой энергии при эксплуатации сооружений по функциональному назначению.
5.5 Основные группы энергопотребляющего оборудования общепромышленного применения взаимоувязаны с технологическими процессами:
а) добычи нефти, газа, угля и др. видов сырья;
б) транспортирования нефти и газа по трубопроводам;
в) получения электрической энергии;
г) передачи и распределения электрической энергии по линиям электропередач и электрическим сетям;
д) выплавки черных и цветных металлов;
е) получения продуктов нефтехимической переработки;
ж) получения химических веществ и соединений;
и) металлообработки;
к) автотранспортных, железнодорожных, речных, морских и воздушных перевозок;
л) получения цемента;
м) сельскохозяйственных работ;
н) получения деловой древесины;
п) получения целлюлозы, бумаги, картона и др.
5.5.1 Наиболее топливоемкими технологическими процессами являются:
- выплавка чугуна;
- дутье в доменных печах.
5.5.2 Наиболее электроемким является технологическое оборудование общепромышленного назначения (станы, установки, электролизеры, печи, агрегаты).
5.5.3 Наиболее теплоемкими являются технологические процессы прокатки черных металлов.
5.6 Для целей кодирования результатов анализа рационального использования оборудованием общепромышленного применения электрической и тепловой энергии использован перечень отраслей [12], представленный в таблице 5.2.
Примечания
1 Под отраслью понимают отрасль экономики, представляющую собой совокупность всех производственных единиц, осуществляющих преимущественно одинаковые или сходные виды производственной деятельности [14].
2 Названия ряда отраслей соотнесены с соответствующими группами оборудования (5.5).
3 Пометка об отношении отраслей промышленности к ТЭК сделана согласно [13].
4 В предпоследней графе таблицы 5.2 произведено сопоставление с данными 5.5.
Таблица 5.2
| Наименование отрасли |
Код отрасли |
ТЭК |
Группа по 5.5 |
Код ОКП |
| 1 Электроэнергетика |
1110 |
+ |
б), ж) |
01 0000 |
| 31 0000 |
||||
| Примечание — Включая передачу, распределение электрической энергии по линиям электропередач и электрическим сетям |
34 0000 |
|||
| 2 Нефтедобывающая промышленность |
1121 |
+ |
а) |
02 4000 |
| 3 Нефтеперерабатывающая промышленность |
1122 |
+ |
е) |
02 5000 |
| 4 Газовая промышленность |
1123 |
+ |
а) |
02 7000 |
| 5 Угольная промышленность |
1130 |
+ |
а) |
03 0000 |
| 6 Прочие виды топливной промышленности |
1171 |
+ |
03 0000 |
|
| 7 Черная металлургия |
1211 |
д) |
08 0000 |
|
| 09 0000 |
||||
| 8 Цветная металлургия |
1220 |
д) |
17 0000 |
|
| 18 0000 |
||||
| 9 Химическая, нефтехимическая |
1300 |
е), |
22 0000 |
|
| промышленность |
ж) |
24 0000 |
||
| 36 0000 |
||||
| 10 Машиностроение и металлообработка |
1400 |
и) |
31 0000 |
|
| 33 0000 |
||||
| 36 0000 |
||||
| 41 0000 |
||||
| 47 0000 |
||||
| 48 0000 |
||||
| 11 Деревообрабатывающая и целлюлозно- |
1500 |
н), |
38 0000 |
|
| бумажная |
п) |
53 0000 |
||
| 54 0000 |
||||
| 12 Промышленность строительных |
1610 |
л) |
57 0000 |
|
| материалов |
58 0000 |
|||
| 59 0000 |
||||
| 13 Легкая промышленность |
1700 |
51 0000 |
||
| 14 Пищевая промышленность |
1800 |
51 0000 |
||
| 15 Другие виды промышленного производства |
1970 |
|||
| 16 Сельское хозяйство |
2000 |
м) |
97 0000 |
|
| 17 Железнодорожный транспорт |
5111 |
к) |
31 8000 |
|
| 18 Трубопроводный транспорт (аппаратура) |
5113 |
б) |
37 0000 |
|
| 19 Связь (в т. ч. продукция кабельная) |
5200 |
г) |
35 0000 |
|
| 65 0000 |
||||
| 66 0000 |
||||
| 20 Строительство |
6000 |
48 0000 |
||
| 21 Жилищно-коммунальное хозяйство |
9000 |
49 0000 |
||
| 22 Прочие отрасли, включая: |
9990 |
|||
| - автотранспорт |
к) |
45 0000 |
||
| - речной и морской транспорт |
к) |
74 0000 |
||
| - воздушный транспорт |
к) |
75 0000 |
5.6.1 Важные для деятельности по документированию с целью энергосбережения подгруппы энергопотребляющих объектов (включая оборудование бытового и промышленного применения, конструкции и материалов) в соотнесении с кодами ОКП [13] представлены в таблице 5.3. Более подробно соответствующие виды оборудования и материалов перечислены в приложении А ГОСТ Р 51388.
Таблица 5.3
| Наименование подгрупп энергопотребляющих объектов (оборудования, конструкций и материалов) по отраслям хозяйства |
Код ОКП |
| 1 Машины электрические |
33 0000 |
| 2 Оборудование и материалы электротехнические |
34 0000 |
| 3 Изделия автомобильной промышленности |
45 0000 |
| 4 Тракторы и сельскохозяйственные машины |
47 0000 |
| 5 Продукция строительного, дорожного и коммунального машиностроения |
48 0000 |
| 6 Оборудование санитарно-техническое (кроме оборудования для вентиляции и кондиционирования) |
49 0000 |
| 7 Оборудование технологическое для легкой и пищевой промышленности и бытовые приборы |
51 0000 |
| 8 Материалы строительные, кроме сборных железобетонных конструкций и деталей |
57 0000 |
| 9 Конструкции и детали сборные железобетонные (включая армированные изделия из бесцементных бетонов) |
58 0000 |
| 10 Изделия из стекла, фарфора и фаянса (включая строительное стекло и стекловолокно) |
59 0000 |
5.7 Группы и подгруппы оборудования, активно потребляющего возобновляемые источники энергии (энергию ветра, водных потоков, приливов и отливов, энергию солнечную, биомассы и геотермальную), а также соответствующие показатели энергоэффективности устанавливают в комплексе стандартов (см. раздел 5 ГОСТ Р 51387).
5.8 К группам потребляющих комбинированные ТЭР при использовании по прямому функциональному назначению относят оборудование:
- для автомобильного, железнодорожного, авиационного, водного, морского и комбинированного транспорта;
- для выплавки черных и цветных металлов, сплавов;
- горнодобывающее и обогатительное;
- бытовое.
5.9 Идентификация и увязка соответствующих видов, типов и групп активно функционирующего оборудования с группами однородной продукции могут быть произведены с помощью «Перечня групп однородной продукции» [15], включая и возможность сопоставления применяемых групп с номером «Руководства по идентификации (описанию) группы однородной продукции в системе каталогизации США» [15]).
6 Показатели энергетической эффективности энергопотребляющих объектов различных видов, типов и групп
6.1 Энергосбережение как определенный вид целенаправленной деятельности характеризуется основными показателями энергетической эффективности, установленными в общем виде в ГОСТ Р 51541, а также рядом конкретных показателей, выражаемых через характеристики энергосодержания, энергосохранения, энергоемкости и экономичности энергопотребления, приведенных в соответствующих нормативных, методических, технологических и других документах (далее — документации) на основе [5—7] и стандартов, в том числе для:
- изделий бытового и коммунального назначения — в ГОСТ Р 51388;
- промышленных потребителей ТЭР — в ГОСТ Р 51379 и настоящем стандарте.
6.2 ПЭЭ относят к группе технического совершенства (уровня) продукции с учетом тенденции достижения экономически оправданной эффективности использования ТЭР на стадиях жизненного цикла: при добыче, переработке, транспортировании (передаче, распределении), преобразовании, хранении, использовании, утилизации — при существующем уровне развития науки и техники.
6.3 Нормируемые ПЭЭ в обеспечение энергосбережения разрабатывают на основе:
- гармонизации с признанными в Российской Федерации международными, региональными техническими регламентами и стандартами с обоснованием, при необходимости, их соответствующими расчетами, экспериментами, испытаниями, согласованиями;
- достижения экономически оправданной эффективности использования ТЭР на стандартизированном мировом уровне техники и технологии с учетом условий применения конкретного оборудования;
- соблюдения нормативных требований по охране окружающей среды;
- использования накопленного отечественного и межгосударственного опыта нормирования ПЭЭ при соблюдении требований безопасности энергопотребления для здоровья и жизни людей.
6.4 Общие положения по документированию ПЭЭ энергопотребляющей продукции установлены в ГОСТ Р 51541.
6.5 Общие требования к методам подтверждения соответствия нормативным значениям ПЭЭ и методические рекомендации по их определению установлены в ГОСТ Р 51379, ГОСТ Р 51380, ГОСТ Р 51388.
6.6 Отрасли, ведомства, организации, предприятия и фирмы — изготовители различных форм собственности могут вносить изменения в действующие стандарты и разрабатывать, при необходимости [9—11], соответствующие новые нормативно-методические документы для регламентирования ПЭЭ действующего и конструируемого энергопотребляющего оборудования на основе настоящего стандарта и других документов комплекса «Энергосбережение».
6.7 Идентификацию и выбор с целями установления в нормативно-методической и технологической документации тех или иных ПЭЭ в обеспечение энергосбережения для различных групп, типов и видов энергопотребляющего оборудования общепромышленного применения производят с учетом разделов 5 и 6 настоящего стандарта.
6.8 Основными группирующими ПЭЭ факторами в настоящем стандарте избраны типы энергопотребляющего оборудования общепромышленного применения.
6.8.1 ПЭЭ энергопотребляющих объектов различных типов, потребляющих ТЭР различных видов, представлены в таблице 6.1.
Кроме того, в этой же таблице приведены в обобщенном виде соответствующие экологические требования к энергопотребляющим объектам различных типов, учитывая, что энергосберегающее оборудование более экологично.
6.8.2 Показатель энергосодержания для разных типов оборудования в зависимости от вида потребляемых при эксплуатации ТЭР принимает различный вид, например емкость аккумулятора и др. (см. таблицу А.6.1).
Таблица 6.1
| Вид потребляемых ТЭР |
Тип энерго-потребляющих |
Показатель энергоэффективности на стадиях жизненного цикла |
Примечание |
|
| объектов (оборудование и сооружения) |
при производстве оборудования |
при эксплуатации (для производства продукции, выполнения работ) |
Экологические требования по защите окружающей среды (ОС) |
|
| Топливо (котельно-печное, |
Активное |
Энергоемкость |
Энергоэкономичность Энергосодержание |
Обязательное выполнение |
| моторное) |
Пассивное |
Потери |
нормативов ПДС, ПДК |
|
| Электрическая энергия |
Активное |
Энергоемкость |
Энергоэкономичность Энергосодержание |
Снижение воздействия |
| Пассивное |
Потери |
электромагнитных полей |
||
| Сооружения |
Электропроводность |
на ОС |
||
| Тепловая энергия |
Активное |
Энергоемкость |
Энергоэкономичность Энергосодержание |
Обязательное выполнение |
| Пассивное |
Потери |
параметров |
||
| Сооружения |
Теплопроводность |
ПДС,ПДВ |
||
| Возобновляемые ТЭР |
Активное |
Энергоемкость |
Энергоэкономичность Энергосодержание |
Снижение зашумленности, |
| Пассивное |
Потери |
предотвращение |
||
| Сооружения |
Электро- и теплопроводность |
инфразвука и т.п. |
||
| Комбинированные ТЭР |
Активное |
Энергоемкость |
Энергоэкономичность Энергосодержание |
Требования устанавливают |
| Пассивное |
Потери |
конкретно по видам ТЭР и |
||
| Сооружения |
Электро- и теплопроводность |
типам оборудования |
||
6.8.2 К обобщенным характеристикам ПЭЭ такого пассивного оборудования, как электрические сети, системы и электроприемники, относят качество электрической энергии и режимные параметры, качество и надежность энергоснабжения потребителей в целом.
6.8.3 К обобщенным характеристикам ПЭЭ такого пассивного оборудования, как тепловые сети и системы, относят качество тепловой энергии и режимные параметры.
6.8.4 ПЭЭ пассивного оборудования для передачи, транспортирования ТЭР характеризуют величинами снижения энергосодержания (тепловой и электрической энергии, топлива, энергоносителя), зависящими от степени теплоизоляции трубопроводов промышленного и коммунального назначения.
6.8.5 В качестве показателя эффективности передачи энергии для системы теплоснабжения используют (раздел 6 ГОСТ Р 51541) величину тепловых потерь (снижение теплосодержания рабочего тела) на заданную длину (100 м, 1 км) теплотрассы.
6.8.6 Для пассивного оборудования типа транспортных емкостей для ТЭР в качестве показателей энергоэкономичности используют отношение энергоемкости изготовления, например железнодорожной цистерны, к ее грузоподъемности (кВт×ч/т).
6.8.7 Для хранилищ ТЭР ПЭЭ является суммарное количество ТЭР, сохраняемое оборудованием в регламентированных условиях хранения за определенный период.
6.8.8 Показателем энергоэкономичности пассивного оборудования при использовании его для аккумулирования и последующей выдачи электрической энергии является показатель его энергосодержания, к которому относят энергетический эквивалент, выражаемый, например, количеством запасенной, выделяемой энергии на единицу массы, объема (МДж/кг, МДж/м3 ).
6.8.9 К показателям энергосодержания относят абсолютные значения выходного напряжения гальванического элемента (электрической батарейки) аккумулятора, электрохимического генератора (топливного элемента), магнитную проницаемость искусственных магнитов и т. п.
6.8.10 Сооружения, конструкции характеризуют показателями сбережения тепловой энергии: фактически для строительных, ограждающих материалов и конструкций определяют теплосопротивление на единицу площади и/или объема (МДж/м2 ; МДж/м3 ).
6.9 ПЭЭ оборудования, активно потребляющего ТЭР, устанавливают в соответствующей нормативно-методической документации с учетом действующих государственных стандартов (ГОСТ Р 51380, приложение В к Р 50-605-89-94 [6]) и методических документов (В.2 ГОСТ Р 51387).
6.10 В приложении А представлены рекомендации по установлению ПЭЭ для трех типов основных видов энергопотребляющего оборудования общепромышленного назначения.
6.10.1 ПЭЭ основного оборудования, активно потребляющего энергию традиционных источников, представлены в таблицах А.1.1—А.1.12.
6.10.2 ПЭЭ оборудования, активно использующего возобновляемые источники энергии, представлены в таблице А.2.1.
6.10.3 ПЭЭ электропроводящего (пассивного) оборудования представлены в таблицах А.3.1, А.3.2.
6.10.4 ПЭЭ энергопередающего (пассивного) оборудования представлены в таблицах А.4.1, А.4.2.
6.10.5 ПЭЭ транспортирующего ТЭР (пассивного) оборудования представлены в таблице А.5.1.
6.10.6 ПЭЭ энергорасходующего накопленный потенциал (пассивного) оборудования представлены в таблице А.6.1.
6.10.7 ПЭЭ теплосберегающих сооружений, включая материалы и конструкции, представлены в таблицах А.7.1, А.7.2.
7 Рекомендации по определению показателей энергетической эффективности энергопотребляющего оборудования
7.1 Определение и документирование состава ПЭЭ для конкретного оборудования основывается на выполнении разработчиком конкретного оборудования (документации) комплекса действий, требований, условий и критериев, необходимых для принятия обоснованного решения по обеспечению задач энергосбережения.
7.1.1 Для принятия обоснованных решений при определении состава ПЭЭ подвергают анализу широкий круг нормативных документов, содержащих информацию о разнородных показателях и характеристиках, описывающих различные аспекты их влияния на энергосбережение в целом, с целью получения объективной оценки ПЭЭ на длительную перспективу, а также для возможности проведения энергетических проверок как потребителей, так и производителей ТЭР.
7.1.2 В зависимости от различий рассматриваемых объектов, ПЭЭ должны описывать энергетические свойства изделий, ТП, зданий, сооружений, трубопроводов, электрических сетей и систем, нетрадиционных источников энергии, малой энергетики, специальные вопросы науки и техники, организации и управления, включая энергетическую составляющую на макроэкономическом уровне управления, планирования и статотчетности.
7.1.3 ПЭЭ, связанные с общеэнергетическими аспектами, должны характеризовать:
- свойства электромагнитной совместимости электрооборудования, приборов и электрических сетей;
- качество электрической энергии и режимные параметры электрических сетей, систем и электроприемников;
- качество тепловой энергии и режимные параметры тепловых сетей, систем и оборудования;
- качество и надежность энергоснабжения потребителей.
7.1.4 ПЭЭ, связанные с внешними ограничениями, должны обеспечивать:
- качество изготавливаемой продукции (выполняемых работ, процессов, услуг);
- охрану окружающей среды без ухудшения экологических характеристик производства;
- экономический рост (не препятствовать планам экономического развития, экономии ресурсов и расширенного воспроизводства);
- научно-технический прогресс (не препятствовать планам повышения качества продукции, обновления оборудования, внедрения новых ТП, автоматизации производства и повышению производительности труда);
- социальную стабилизацию без ухудшения условий труда, баланса рабочих мест и трудовых ресурсов в целом.
7.1.5 При оценке ПЭЭ необходимо проверять их на совместимость с конкретными производственными условиями для отдельного рабочего места, ТП, предприятия, региона в целом. При этом ПЭЭ, характеризующие разные направления совместимости, не должны выходить за их допустимые и предельные значения.
7.2 Требования экономного использования ТЭР выражаются определенными показателями и их значениями, устанавливаемыми согласно разделу 6 настоящего стандарта, при регламентированных режимах применения энергопотребляющего оборудования по его функциональному назначению.
7.3 В стандартах на конкретное оборудование, потребляющее ТЭР, устанавливают ПЭЭ и допустимые предельные значения, а также методы подтверждения этих значений.
7.4 Различные виды изделий и ТП, потребляющих ТЭР, характеризуются различными ПЭЭ вследствие физически различных способов и условий преобразования ТЭР, применяемых в конструкции конкретных изделий и при выполнении различных ТП, поэтому требования энергоэкономичности могут выражаться одним или несколькими ПЭЭ.
7.4.1 ПЭЭ, установленные на продукцию, потребляющую ТЭР при регламентированных условиях ее эксплуатации, являются техническими нормативами (5.7 ГОСТ Р 51541).
7.4.2 В документах, устанавливающих нормативы потребления ТЭР, должны быть оговорены необходимые условия и режимы работы, при которых они достигаются, а также регламентируются методы испытаний по определению значений каждого показателя с указанием, при наличии, ссылки на соответствующий документ.
Примечание — Информация, приведенная в документе, должна быть достаточной для воспроизведения эксперимента с целью проведения проверки и соблюдения установленных значений технических нормативов.
7.5 Определение ПЭЭ следует осуществлять, руководствуясь конкретными особенностями и свойствами данного объекта, потребностью формирования полного объема требований по экономному применению ТЭР, а также потребностью предоставления, при необходимости, полной информации об экономичности рассматриваемого объекта потребителю.
7.5.1 В качестве ПЭЭ предпочтительны удельные показатели (5.2 ГОСТ Р 51541).
7.5.2 Если совершаемая полезная работа не может быть подсчитана непосредственно в физических единицах, то в качестве показателя экономичности энергопотребления следует выбрать удельный показатель, например отношение расхода ТЭР к величине, характеризующей косвенно, но однозначно совершаемую работу.
7.5.3 Ряд объектов характеризуется количеством произведенной полезной работы (полезного эффекта). В этом случае следует предпочесть в качестве ПЭЭ абсолютные показатели (мощность: номинальную, фактическую, установленную, максимальную, общую, суммарную; потери: мощности, при коротком замыкании или холостого хода; тангенс угла потерь; потребляемый ток и др. (приложение В к [7]).
7.5.4 Если потребляемая объектом мощность и развиваемая им полезная мощность, для определенного режима работы, относительно неизменны во времени, то в качестве относительного показателя экономичности энергопотребления предпочтительно выбрать их отношение, т. е. КПД.
7.5.5 Для изделий, потребляющих одновременно различные виды ТЭР, ПЭЭ устанавливают с учетом 5.6 ГОСТ Р 51541.
7.5.6 Для ПЭЭ энергетического оборудования, оцениваемых в составе технологических процессов, показателями, выражающими требования энергетической эффективности расходования ТЭР, являются показатели энергоемкости производства единицы продукции, выполнения работ, оказания услуг.
Примечание — При расчете энергоемкости производства единицы продукции учитывают только ТП основного и вспомогательного производства, без учета потребления ТЭР на отопление, освещение и т. п., напрямую не связанные с изготовлением продукции.
7.5.7 Энергоемкость производства единицы продукции для каждого предприятия отличается в силу различных факторов, приведенных в 4.4, поэтому уровень энергоемкости даже аналогичных ТП с однотипным оборудованием может отличаться друг от друга, в связи с чем показатели энергоемкости устанавливают на уровне предприятий (7.4 ГОСТ Р 51541).
7.5.8 Показатели энергоемкости производства продукции могут быть представлены в виде абсолютных и удельных значений.
Примечания
1 Абсолютные значения ПЭЭ выражают в абсолютных значениях общего количества (объема, массы и т. п.) ТЭР, израсходованных на производство продукции.
2 Удельные значения ПЭЭ выражают отношением абсолютных значений энергоемкости производства всей продукции к ее общему количеству или отношением энергоемкости производства единицы продукции к одному из показателей, характеризующих основные ее свойства.
7.5.9 Установленные в документах значения ПЭЭ следует записывать с указанием допустимых пределов изменения величин по оговоренным критериям (7.8 ГОСТ Р 51541).
7.5.10 Значения показателей энергоемкости производства единицы продукции, выполнения работ и оказания услуг для предприятия в целом могут служить основой расчета плановой нормы для определения лимитов расхода ТЭР, расчета потребности в ТЭР на плановый период времени и в качестве базы для различных форм материального стимулирования предприятия вышестоящими органами управления и энергокомпанией, а также для стимулирования энергосбережения на всех уровнях управления и производства.
7.6 Показатели энергосбережения изделий, расходующих различные виды топлива, энергии, энергоносителей следует, как правило, определять (выбирать) и вносить в нормативно-методическую документацию с учетом особенностей каждого вида топлива, энергии, энергоносителей.
7.7 Для учета потребления ТЭР всех видов необходимо проводить перерасчет, ориентируясь на условное топливо.
7.7.1 Под условным топливом понимают топливо теплотой сгорания 29300 кДж/кг.
7.7.2 Перерасчет натурального топлива на условное проводят по формуле
,
где
—
количество условного топлива, кг;
— количество натурального топлива, кг;
— средняя теплота сгорания натурального топлива, кДж/кг.
7.7.3 Пересчет электрической, тепловой энергии и топлива на условное топливо должен производиться по их физическим (энергетическим) характеристикам на основании следующих соотношений [7, с. 63]:
1 кг у.т. = 29,30 МДж = 7000 ккал;
1 кВт×ч = 3,6 МДж = 0,12 кг у.т.;
1 кг дизельного топлива равен 1,45 кг у.т.;
1 кг автомобильного бензина равен 1,52 кг у.т.;
1 ккал = 427 кг×м = 4,19 кДж = 1,163 Вт×ч;
1 л.с×ч = 2,65 МДж; 1 МДж = 0,278 кВт×ч.
ПРИЛОЖЕНИЕ А
(рекомендуемое)
Основные показатели энергетической эффективности энергопотребляющего
(включая энергодобывающие, энергоиспользующие, электропроводящие,
энергопередающие, топливотранспортирующие и теплосберегающие виды)
оборудования общепромышленного применения
А.1 Показатели энергетической эффективности основного активно энергопотребляющего оборудования
Таблица А.1.1 — Горнодобывающее и горнообогатительное оборудование
| Наименование оборудования |
Показатель энергетической эффективности |
Назначение оборудования |
| Станок буровой скважинный |
Удельный расход электроэнергии при бурении породы (кВт×ч/м3 ) |
Выполнение работ |
| Примечание — Бурение скважин для взрывных работ |
||
| Комбайн врубовой |
Удельный расход электроэнергии на 1 м3 вынутой породы (кВт×ч/м ) |
Выполнение работ |
| Машина забойная ударного действия для бурения скважин |
КПД при номинальной нагрузке Удельный расход рабочего агента [кВт×ч/(Вт×с), м3 /(Вт×с)] |
Выполнение работ |
| Дробилка (мельница) для измельчения горной породы или других объектов |
Удельный расход электроэнергии на размельчение 1 т материала (кВт×ч/т) Удельный расход электроэнергии (кВт×ч/м3 ) |
Выполнение работ |
| Мельница трубная помольных агрегатов |
Удельный расход электроэнергии (кВт×ч/т; МДж/т) |
Выполнение работ |
| Дробилка конусная |
Удельный расход электроэнергии на дробление 1 м3 породы (кВт×ч/м3 ) |
Выполнение работ |
| Мельница |
Удельный расход электроэнергии на размельчение 1 т материала (кВт×ч/т) |
Выполнение работ |
| Барабан дробометный конвейерный |
Удельный расход электроэнергии при регламентированных условиях (кВт×ч/т) |
Выполнение работ |
Таблица А.1.2 — Оборудование для выплавки черных и цветных металлов, печи различного общепромышленного применения
| Наименование оборудования |
Показатель энергетической эффективности |
Назначение оборудования |
| Печь дуговая сталеплавильная |
Удельный расход электроэнергии в период расплавления 1 т металлошихты в регламентированных условиях (кВт×ч/т) |
Производство продукции; выполнение работ (нагрев) |
| Печь сопротивления для плавки алюминия и его сплавов |
Удельный расход электроэнергии на расплавление и выдержку в горячем состоянии 1 т металла в регламентированных условиях (кВт×ч/т) |
Выполнение работ и производство продукции |
| Печь полузакрытая и открытая |
Удельный расход электроэнергии для производства карбида кальция из кокса и извести (кВт×ч/т) |
Выполнение работ и производство продукции |
| Печь индукционная тигельная |
Удельный расход электроэнергии для выплавки 1 т чугуна, алюминия (в зависимости от скорости плавки) (кВт×ч/т) |
Выполнение работ и производство продукции |
| Печь полузакрытая и открытая |
Удельный расход электроэнергии для производства карбида кальция из кокса и извести (кВт×ч/т) |
Производство карбида кальция |
| Печь: - индукционная вакуумная |
Удельный расход электроэнергии на расплавление и перегрев в зависимости от емкости печи |
Расплавление, выполнение работ и производство продукции |
| Удельный расход электроэнергии на расплавление и выдержку в горячем состоянии (кВт×ч/т) |
||
| - плавильная (открытая, полуоткрытая, индукционная) |
Удельный расход электроэнергии на расплавление и выдержку в горячем состоянии 1 т металлошихты (кВт×ч/т) |
|
| - полузакрытая и открытая |
Удельный расход электроэнергии для производства карбида кальция из кокса и извести (кВт×ч/т) |
Производство карбида кальция |
| - плавильная, сушильная |
Удельный расход кокса на выплавку 1 т серого чугуна (кг/т) |
Выполнение работ и производство продукции |
| Удельный расход кокса на выплавку 1 т стали (кг/т) |
путем сушки зерна, древесины, лакокрасочных |
|
| Удельный расход энергии (ГДж/т) |
покрытий, кормов |
|
| Удельный расход электроэнергии на сушку: |
||
| 1 кг зерна (кВт×ч/кг); |
||
| 1 м3 древесины (кВт×ч/м3 ); |
||
| 1 м2 лакокрасочных покрытий (кВт×ч/м2 ) |
||
| Удельный расход тепловой энергии на испарение единицы влаги (ГДж/кг) |
||
| Удельный расход условного топлива на испарение единицы влаги (г у.т./г) |
||
| Удельный расход электроэнергии, на потери тепла внешней поверхности печи при холостом ходе [кВт×ч/м2 ×ч)] |
||
| Удельный расход электроэнергии на сушку 1 м лакокрасочных покрытий (кВт×ч/м2 ) |
||
| Удельный расход электроэнергии для технологической тепловой обработки 1 т стеклотары (кВт×ч/т) |
||
| Удельный расход электроэнергии на расплавление и выдержку в горячем состоянии (кВт×ч/т) |
||
| Допустимый расход электроэнергии в регламентированных условиях (кВт×ч/т) |
||
| Удельный расход энергии на расплавление и выдержку в горячем состоянии (ГДж/т) |
||
| - плавильная, сушильная |
Удельный расход электроэнергии по переменному (постоянному) току выпрямителя (МДж/т) |
|
| Удельный расход энергии пара для подогрева электролита (МДж/т; кВт×ч/т) |
||
| Удельный расход электроэнергии для тепловой обработки стеклотары (кВт×ч/т) |
||
| Расход условного топлива или тепловой энергии на обжиг 1000 шт. кирпичей (кг у.т./1000 шт.) |
||
| Удельный расход тепловой энергии топлива для регламентированных условий (МДж/кг; ГДж/1000 шт.) |
||
| Агрегат печной обжига цементного клинкера |
Удельный расход тепловой или электроэнергии на получение 1 т портландцемента (МДж/т; кВт×ч/т) |
Выполнение работ и производство продукции |
Таблица А.1.3 — Турбинное оборудование
| Наименование оборудования |
Показатель энергетической эффективности |
Назначение оборудования |
| Турбина: - паровая - газовая |
Удельный расход тепла [кДж/(кВт×ч)] КПД при номинальной нагрузке (%) |
Преобразование энергии |
| Примечание — Устанавливают также возможное снижение КПД газовой турбины в процессе нормальной эксплуатации, в течение межремонтного периода, относительно первоначального значения, например не более 3 % |
||
| Установка: |
Удельный расход теплоты (пара) |
Преобразование энергии |
| - паротурбинная стационарная |
[кДж/(кВт×ч); кг/(кВт×ч)] КПД при номинальной нагрузке (%) |
|
| - газотурбинная |
Удельный расход тепла (кДж/кг) |
|
| - маслонапорная для гидравлических турбин |
Общая потребляемая мощность (кВт) |
|
Таблица А.1.4 — Котлы, теплообменники, горелки, испарители, компрессоры, насосы и другое оборудование различного общепромышленного применения
| Наименование оборудования |
Показатель энергетической эффективности |
Назначение оборудования |
| Котел паровой: - отопительный |
КПД для разовых режимов работы котла (%) Теплопроизводительность (кВт) |
Преобразование энергии |
| Расход топлива при номинальной производительности котла |
||
| Расход условного топлива при номинальной производительности котла [кг у.т./(кг×ч)] |
||
| Удельный расход топлива на единицу вырабатываемой энергии |
||
| Удельный расход топлива на испарение единицы влаги |
Преобразование энергии |
|
| Производительность пара (т/ч) |
||
| - отопительный промышленный или бытовой водогрейный |
Расход условного топлива при номинальной производительности котла пара [кг у.т./(кг×ч)] |
|
| Удельный расход топлива на единицу вырабатываемой энергии [г/(кВт×ч)] |
||
| Удельный расход условного топлива на выработку 1 Гкал тепла (кг у.т./Гкал) |
||
| Удельный расход тепловой энергии на единицу продукции (Гкал/. . .) |
||
| КПД брутто (%) |
||
| Котел газовый: |
КПД лучистый (%) |
Преобразование энергии |
| - промышленный; |
||
| - бытовой |
||
| Теплообменник |
Удельная эффективность теплообмена (отношение величины подъема температуры более холодного потока к разности температур, с которыми два потока входят в теплообменник) |
Передача, распределение электроэнергии и преобразование ее параметров |
| Примечание — Отношение величин температур потоков рабочих тел, участвующих в теплообмене |
||
| Горелка газовая: |
КПД лучистый (%) |
Преобразование энергии |
| - промышленная |
Коэффициент избытка воздуха |
|
| Потери полного напора воздуха при номинальной тепловой мощности |
||
| Коэффициент избытка воздуха (в долях) |
||
| Потери тепла от химической неполноты сгорания (%) |
||
| - бытовая |
КПД лучистый (%) |
|
| - инфракрасного излучения |
Коэффициент избытка воздуха в газовоздушной смеси (в долях) |
|
| Горелки |
Коэффициент избытка воздуха (в долях) |
Преобразование энергии |
| промышленные на жидком топливе |
Потери тепла от механической неполноты сгорания (%) |
|
| Потери тепла от химической неполноты сгорания на выходе из камеры горения (%) |
||
| Испаритель поверхностного типа |
Удельные потери тепла с продувкой (МДж/т) |
— |
| Компрессор |
КПД при номинальной нагрузке (%) |
Преобразование энергии |
| Компрессор воздушный |
КПД политропный (в долях) |
Преобразование энергии |
| для доменных печей |
КПД изотермический (в долях) |
|
| Удельный расход электроэнергии на производительность (кВт×ч/1000 м3 ) |
||
| Насос (в т. ч. центробежный) |
КПД при номинальной нагрузке, т.е. отношение мощности насоса к мощности на приводном валу (%) |
Достижение полезного эффекта |
| Вентилятор центробежный дутьевой котельный |
КПД максимальный (%), средневзвешенный (%) |
Выполнение работ |
| Конвейер |
Расход электроэнергии на перемещение 1 т груза на 1 м (кВт×ч×т—1 ×м—1 ) |
Выполнение работ |
Таблица А.1.5 — Энергопотребляющее оборудование для производства продукции
| Наименование оборудования |
Показатель энергетической эффективности |
Назначение оборудования |
| Пресс: |
Удельный расход электроэнергии |
Производство |
| - шнековый горизонтальный |
(кВт×ч/1000 шт.) |
продукции |
| - гидравлический для пластмасс |
Удельный расход электроэнергии |
|
| - кривошипный |
(кВт×ч/цикл) |
|
| горячештамповочный |
Удельный расход электроэнергии |
|
| - элекгрогидравлический |
[Вт×мин/(кН×м)] |
|
| вырубной |
Удельное потребление электроэнергии |
|
| (кВт×ч/кН) |
||
| Станок: |
Расход энергии на выполнение |
Производство |
| - токарный |
регламентированных работ (кВт×ч/кг) |
продукции |
| - ткацкий |
Удельный расход электроэнергии на изготовление 1 м2 ткани (определенного вида) (кВт×ч/м2 ) |
|
| Технологическое потребление электроэнергии (кВт×ч) |
||
| Аппарат для очистки молока |
Удельное потребление электроэнергии (кВт×ч/дм3 ) |
Производство продукции |
| Автомат дозировочно-наполнительный (при консервировании) |
Удельное потребление электроэнергии (кДж/банка; кВт×ч/банка) |
Производство продукции |
| Установка для получения: |
Максимально допустимый удельный |
Производство |
| - газообразного хлора; |
расход электроэнергии (МДж/т) |
продукции |
| - электрической меди |
Удельный расход тепловой энергии (МДж/кг) |
|
| Машина ленточная для хлопка и химических волокон |
Удельное потребление электроэнергии (кВт×ч×м- 1 ×с- 1 ) |
Производство продукции |
| Машина текстильная сушильно-ширильная |
Удельное потребление электроэнергии (тепла) (кДж/кг) Полное удельное потребление энергии (кДж/кг) |
Производство продукции |
| Машина для литья под давлением |
Удельный расход электроэнергии (кВт×ч/кг) |
Производство продукции |
| Резиносмеситель периодического действия |
Удельный расход электроэнергии (кВт×ч/кг) |
Выполнение работ |
| Вращатель сварочный |
Удельная потребляемая мощность [(Вт/(Н×м×с- 1)] |
Выполнение работ |
| Форматор-вулканизатор покрышек |
Удельный расход электроэнергии (кВт×ч/шт.) |
Выполнение работ |
| Холодильник (морозильник) промышленный |
Удельный расход электроэнергии за сутки (при регламентированных условиях) (кВт×ч/сут) |
Преобразование энергии |
| Удельный расход электроэнергии на производство холода (кВт×ч/Гкал) |
Таблица А. 1.6— Транспорт автомобильный
| Наименование оборудования |
Показатель энергетической эффективности |
Назначение оборудования |
| Автомобиль: - грузовой |
Удельный расход топлива при скорости 60 км/ч на 100 км, не более (... л/100 км) |
Выполнение работ |
| Удельный расход топлива на 100 км (л/100 км) |
||
| Удельный расход топлива на перевозку 1 т груза на 100 км пути (по регламентируемой трассе) (л×т- 1 ×100км- 1 ) |
||
| - легковой |
Удельный расход топлива на 100 км (л/100 км) |
|
| Расход топлива на единицу работы |
||
| Примечание — Может быть произведен расчет на 1 км пути |
||
Таблица А. 1.7— Тракторы (сельскохозяйственные машины)
| Наименование оборудования |
Показатель энергетической эффективности |
Назначение оборудования |
| Трактор |
Расход топлива при наибольшей тяговой |
Выполнение работ |
| Сельскохозяйственная |
мощности (л/кВт) |
|
| машина |
Удельный расход топлива на 100 км (л/100 км) |
|
| Удельный расход топлива на холостом ходу (л/ч) |
Таблица А. 1.8— Продукция строительного, дорожного и коммунального машиностроения
| Наименование оборудования |
Показатель энергетической эффективности |
Назначение оборудования |
| Экскаватор: |
Расход топлива на 1 м извлеченной породы (кг/м3 ; |
Выполнение работ |
| - ковшовый |
л/м3 ) |
|
| - роторный |
Расход топлива на один рабочий цикл (по каждому виду работ) (кг/цикл, л/цикл) |
|
| Экскаватор универсальный канатный |
Удельный расход топлива [г/(кВт×ч)] |
Выполнение работ |
| Кран: |
Удельный расход электроэнергии [Вт×ч/(т×цикл)] |
Выполнение работ |
| - мостовой однобалочный |
Контрольный расход топлива в транспортном режиме (л/100 км) |
|
| - стреловой самоходный |
Контрольный расход топлива в крановом режиме (л/ч) |
|
| Кран мостовой электрический |
Удельная потребляемая мощность, определяемая отношением максимально потребляемой мощности к грузоподъемности крана (кВт×ч/т) |
Выполнение работ |
Таблица А.1.9 — Двигатели, генераторы
| Наименование оборудования |
Показатель энергетической эффективности |
Назначение оборудования |
| Двигатель: |
КПД(%) |
Бензиновые, дизельные, |
| - внутреннего сгорания |
КПД при номинальной нагрузке (%) |
газовые, электрические и |
| - газотурбинный |
комбинированные способы |
|
| - электрический |
Отношение энергоемкости изготовления к номинальной мощности (кВт×ч/кВт) |
преобразования энергии |
| Примечание — Данный показатель дает представление, во что обходится в энергетическом смысле производство 1 кВт |
||
| - реактивный |
Количество топлива (расход) на |
|
| - турбовинтовой |
транспортирование 1 кг полезной нагрузки |
|
| - винтовой |
||
| Генератор: |
КПД (%) |
Преобразование энергии |
| - дизельный |
Удельный расход условного топлива на |
|
| - электрический |
единицу выработанной энергии [г/(кВт×ч)] |
|
| КПД при номинальной нагрузке (%) |
||
| Оборудование медицинское |
Расход электроэнергии на регламентированный набор процедур на одного пациента |
Измерения |
| Машина для уборки улиц |
Удельный расход топлива [г/(м2 ×ч)] |
Выполнение работ |
| Холодильник промышленный |
Удельный расход электроэнергии за сутки при регламентированных условиях (кВт×ч/сут) |
Преобразование энергии |
| Примечание — Для заданных значений температур холодильных камер |
||
Таблица А.1.10 — Оборудование торговое, медицинское, коммунальное
| Наименование оборудования |
Показатель энергетической эффективности |
Назначение оборудования |
| Касса-автомат |
Максимальная потребляемая мощность при номинальном режиме работы (Вт) |
Выполнение работ |
| Электрокардиограф |
Потребляемая мощность при номинальном режиме работы (Вт) |
Измерения |
| Рентгеновская установка |
Расход электроэнергии на обслуживание одного пациента (кВт) |
Измерения |
Таблица А.1.11 — Измерительные приборы
| Наименование оборудования |
Показатель энергетической эффективности |
Назначение оборудования |
| Средства измерений с активно-реактивным входом |
Потребляемая мощность при номинальном режиме работы (Вт) |
Выполнение работ (измерения) |
| Прибор электроизмерительный |
Потребляемая мощность при номинальном режиме работы (Вт) |
Измерения |
| Измерительный трансформатор, шунты |
Внутреннее сопротивление для электроизмерительных приборов |
|
| Внутреннее сопротивление для каждого предела измерений (Ом, кОм, МОм) |
||
| Прибор: |
Потребляемая мощность при номинальном |
Измерения |
| - электрический |
режиме работы (Вт×ч; кВт×ч) |
|
| - электронный |
Внутреннее сопротивление для каждого |
|
| - радиотехнический |
предела измерений (Ом, кОм, МОм) |
|
| Счетчик газа и жидкости |
Потери давления на счетчике при номинальном расходе (Па) |
Измерения |
Таблица А.1.12— Бытовое оборудование
| Наименование оборудования |
Показатель энергетической эффективности |
Назначение оборудования |
| Радиоаппаратура бытовая |
Потребляемая мощность при номинальном параметре и качестве приема (Вт) |
Выполнение работы для удовлетворения потребностей |
| Электрокофемолка |
Потребляемая мощность при номинальном режиме работы (Вт) |
Преобразование энергии |
| Машина стиральная бытовая |
Удельный расход электроэнергии (кВт×ч/кг) Потребляемая мощность (Вт) |
Преобразование энергии |
| Вентилятор общего |
КПД максимальный полный (в долях) |
Преобразование энергии |
| назначения: |
КПД максимальный статистический (в долях) |
|
| - осевой |
||
| - радиальный |
||
| Пылесос электрический бытовой |
Удельная потребляемая мощность (Вт×с/м3 ) Расход электроэнергии на достижение регламентированного полезного эффекта |
Преобразование энергии |
| Холодильник бытовой |
Удельный расход электроэнергии за сутки, на единицу объема холодильной камеры (кВт×ч/сут; кВт×ч/л) Отношение энергоемкости изготовления холодильника к емкости его холодильной камеры (кВт×ч/м3 ) |
Преобразование энергии |
| Примечание — Показатель дает представление о прогрессивности конструкции и технологии в сравнении с аналогичными изделиями с точки зрения энергозатрат при изготовлении 1 дм3 холодильного объема |
||
| Холодильник (морозильник): |
Удельный расход электроэнергии за сутки при регламентированных условиях (кВт×ч/дм3 ) |
Преобразование энергии |
| - бытовой компрессионный |
||
| Чайник (самовар) электрический бытовой |
Удельный расход электроэнергии (кВт×ч/л) |
Преобразование энергии |
| Газовая горелка |
КПД термический для номинального режима работы (%) |
Преобразование энергии |
| Ручная сверлильная электрическая машина |
Удельный расход электроэнергии на проходку 1 мм (Вт×с/мм) Потребляемая мощность при номинальном режиме работы (Вт) |
Преобразование энергии |
| Утюг электрический бытовой |
Удельный расход электроэнергии (кВт×ч/°С) Время разогрева подошвы (мин) |
Преобразование энергии |
А.2 Показатели энергетической эффективности оборудования,
активно использующего возобновляемые ТЭР
Таблица А.2.1 — Оборудование, использующее возобновляемые ТЭР
| Наименование оборудования |
Показатель энергетической эффективности |
Назначение оборудования |
| Энергетическая установка |
Количество энергии (электрической, тепловой), получаемое единицей массы, площади, объема энергетической установки за установленный период времени (в регламентированных условиях, в т. ч. с учетом региона, района функционирования) |
Получение, передача, распределение энергии ветра, солнца и других возобновляемых ТЭР |
| Примечание — ПЭЭ устанавливают в документах на соответствующие энергетические установки |
||
А.3 Показатели энергетической эффективности электропроводящего
(пассивного) оборудования
Таблица А.3.1 — ЛЭП, электрические сети промышленного и коммунального назначения
| Наименование оборудования |
Показатель энергетической эффективности |
Назначение оборудования |
| ЛЭП: |
Потеря напряжения на единицу длины (В/м) |
Передача, распределение |
| - высокого напряжения |
электроэнергии, преобразование ее параметров |
|
| - низкого напряжения (токопроводы) |
Электрическое сопротивление постоянному току участка проводника (заданной длины при регламентированных условиях) Величина потерь электроэнергии по пути от производителя к потребителю в регламентированных условиях Допустимые потери энергии в сети (%) Активное сопротивление 1 м токопровода (Ом) |
|
| Блоки энергетические ТЭС |
Удельный расход условного топлива на полезный отпуск электроэнергии [г/(кВт×ч)] |
Преобразование энергии |
Таблица А.3.2 - Оборудование для передачи и распределения электрической энергии
| Наименование оборудования |
Показатель энергетической эффективности |
Назначение оборудования |
| Трансформатор |
Потери холостого хода и короткого замыкания (кВт) |
Передача, распределение электроэнергии, преобразование ее параметров |
| Выпрямитель |
Потеря мощности (кВт) |
Преобразование энергии |
| Трансформатор силовой масляный общего назначения |
Потери холостого хода (кВт) Ток холостого хода (%) Напряжение короткого замыкания (кВт) |
Передача, распределение электроэнергии, преобразование ее параметров |
| Системы электроснабжения самолетов и вертолетов |
Напряжение, частота, мощность (В, Гц, кВт) |
Передача, распределение электроэнергии, преобразование ее параметров |
| Токопровод ЛЭП |
Активное сопротивление 1 м токопровода (Ом) |
Передача электроэнергии |
А.4 Показатели энергетической эффективности энергопередающего тепло,
топливо (пассивного) оборудования
Таблица А.4.1 — Трубопроводы (газопроводы, нефтепроводы), агрегаты
газоперекачивающие
| Наименование оборудования |
Показатель энергетической эффективности |
Назначение оборудования |
| Трубопровод: |
Предельная температура на поверхности |
Передача, распределение, |
| - теплотрасса |
изоляции трубопровода (°С) |
транспортирование и |
| - водопровод |
Величина потерь энергоресурсов по пути |
преобразование тепловой |
| - нефтепровод |
от производителя к потребителю |
энергии, энергоносителей |
| - газопровод |
||
| - пневмопровод |
||
| - воздухопровод (горячий воздух) |
||
| Агрегат газоперекачивающий с газотурбинным приводом |
КПД(%) Потери масла (кг/ч) |
Передача, распределение, транспортирование энергоносителей |
Таблица А.4.2 — Трубопроводы коммунального назначения
| Наименование оборудования |
Показатель энергетической эффективности |
Назначение оборудования |
| Трубопровод: |
Предельная температура на поверхности |
Передача, распределение, |
| - водопровод |
изоляции трубопровода (°С) |
транспортирование и |
| - газопровод |
Величина тепловых потерь (потерь давления) |
преобразование энергии |
| - воздухопровод (горячий воздух) |
на единицу длины теплотрассы (трубопровода сжатого воздуха). |
|
| Примечание — Снижение теплосодержания рабочего тела |
||
| Величина потерь энергоресурсов по пути от производителя к потребителю (или на длине 1 км трассы) |
А. 5 Показатели энергетической эффективности транспортирующего топливо (пассивного) оборудования и емкостей для хранения топлива
Таблица А.5.1— Емкости для транспортирования и хранения топлива
| Наименование оборудования |
Показатель энергетической эффективности |
Назначение оборудования |
| Железнодорожная цистерна, бензовоз и |
Отношение энергоемкости изготовления цистерны для топлива к ее грузоподъемности (кВт×ч/т). |
Доставка топлива |
| т. п. |
Примечание — Показатель дает представление о прогрессивности конструкции и технологии в сравнении с аналогичными с точки зрения энергозатрат при перевозке 1 т |
|
| Потери топлива при загрузке, транспортировании и выгрузке из цистерны и бензовоза (кг/т). |
||
| Примечание — В знаменателе относительного показателя указана первоначальная масса заливки цистерны |
||
| Емкость для хранения ТЭР |
Отношение энергоемкости изготовления емкости для топлива к ее вместимости (кВт×ч/т) Потери топлива при хранении в регламентированных условиях за месяц (в любой другой заданный период времени) [кг/т] |
А.6 Показатели энергетической эффективности энергорасходующего накопленный потенциал (пассивного) оборудования
Таблица А.6.1 — Оборудование, расходующее свой энергопотенциал, наведенный
техногенным способом
| Наименование оборудования (устройства) |
Показатель энергетической эффективности |
Назначение оборудования |
| Аккумулятор, элемент |
Емкость (А×ч) |
Сохранение электрического |
| гальванический |
Мощность (Вт) |
потенциала, накопленного |
| Количество энергии (Вт×ч) |
при зарядке |
|
| Примечание — Абсолютные ПЭЭ |
||
| Удельная энергоемкость при эксплуатации: |
||
| - массовая (Вт×ч/кг); |
||
| - объемная (Вт×ч/л) |
||
| Генератор |
Удельное энергосодержание: |
Поддержание электрического |
| электрохимический |
- массовое (Вт×ч/кг); |
потенциала в |
| - объемное при стандартизованных режимах разряда (Вт×ч/л) |
регламентированных условиях эксплуатации |
|
| Примечания 1 Для электрохимического генератора энергоемкость (при эксплуатации) рассчитывают с учетом массовых и объемных характеристик самого элемента без конструктивных элементов, содержащих реагенты (водород и кислород). 2 К этой же группе, если определять ПЭЭ разрабатываемых залежей, газовой или нефтяной скважины, могут быть отнесены ТЭР, расходующие свой накопленный (аккумулированный природный) энергопотенциал |
||
А.7 Показатели энергетической эффективности теплосберегающих сооружений, включая материалы и конструкции
Таблица А.7.1 — Строительные материалы, элементы строительных (ограждающих)
конструкций и сооружений
| Наименование оборудования (сооружений, конструкций) |
Показатель энергетической эффективности |
Назначение оборудования |
| Стеновые поверхности: |
Величина теплоизлучения (теплосопро- |
Сбережение тепла внутри |
| - кирпичные |
тивления) на 1 м2 площади (ккал/м2 ) |
жилых и иных помещений |
| - бетонные |
Величина теплопотерь на 1 м2 площади |
|
| - оконный проем |
за сутки [ккал/(м2 ×сут)] |
|
| Примечание — С учетом двойного, тройного стеклопакета (в деревянной, пластмассовой рамах) |
||
| Ограждающие конструкции |
Приведенный трансмиссионный коэффициент теплопередачи здания [(Вт/(м2 ×°С)] Удельный расход тепловой энергии на отопление здания за отопительный период [кВт×ч/(м2 ×°С×сут); кВт×ч/(м3 ×°С×сут)] |
|
Таблица А.7.2 — Теплоизоляционные и диэлектрические материалы (ПЭЭ продукции,
сокращающей потери ТЭР)
| Наименование материала |
Показатель энергетической эффективности |
Назначение оборудования |
| Шлаковата |
Разность температур внутри теплоизолятора и снаружи трубы (°С, не более. . .) |
Сбережение тепла (уходящего через крыши, стены, трубопроводы) |
ПРИЛОЖЕНИЕ Б
(справочное)
ГОСТ Р 51750-2001
УДК 339.4.004.018:006.354 Группа Е01
ГОСУДАРСТВЕННЫЙ СТАНДАРТ РОССИЙСКОЙ ФЕДЕРАЦИИ
Энергосбережение
МЕТОДИКА ОПРЕДЕЛЕНИЯ ЭНЕРГОЕМКОСТИ
ПРИ ПРОИЗВОДСТВЕ ПРОДУКЦИИ И ОКАЗАНИИ УСЛУГ
В ТЕХНОЛОГИЧЕСКИХ ЭНЕРГЕТИЧЕСКИХ СИСТЕМАХ
Общие положения
Energy conservation.
Methods for determination of energy capacity on production
of output and rendering of services in technological energy systems.
General principles
ОКС 27.010
ОКСТУ 3103
3104
3403
3404
Дата введения 2002—01—01
Предисловие
1 РАЗРАБОТАН ФГУ «Российское агентство энергоэффективности» Минэнерго России
ВНЕСЕН ФГУ «Российское агентство энергоэффективности» Минэнерго России
2 ПРИНЯТ И ВВЕДЕН В ДЕЙСТВИЕ Постановлением Госстандарта России от 21 мая 2001 г. № 211-ст
3 В настоящем стандарте реализованы нормы и требования:
Закон РФ «Об энергосбережении»,
Закон РФ «О сертификации продукции и услуг»,
Закон РФ «О связи»,
Закон РФ «О почтовой связи»,
Закон РФ «О государственном регулировании внешнеторговой деятельности»,
Закон РФ «Об основах туристской деятельности в Российской Федерации»,
Закон РФ «Об отходах производства и потребления»,
Закон РФ «Об охране атмосферного воздуха»,
а также положения ИСО 13600: 1997 «Энергосистемы технические. Основные понятия»
4 ВВЕДЕН ВПЕРВЫЕ
Введение
Энергосбережение является одним из ключевых направлений энергетической политики России в процессе реализации ФЦП «Энергосбережение» [1], разработанной на основе Закона Российской Федерации «Об энергосбережении» [2].
В свою очередь, выполнение задания ФЦП «Энергосбережение» в 2001 г. и в последующие годы также должно базироваться на развитой нормативно-методической основе [2, 3], т. е. на межгосударственных и российских стандартах, устанавливающих в т. ч. номенклатуру показателей энергетической эффективности технологических энергетических систем (далее — ТЭС) при производстве продукции и оказании услуг.
Целью настоящего стандарта является установление методологии комплексного определения энергоемкости ТЭС различного назначения при производстве продукции и оказании услуг. В большой мере учтены современные системные тенденции энергосбережения, которые «начинаются с учета энергоресурсов и заканчиваются рациональным управлением их расхода» [4].
Характерны тенденции одновременного рассмотрения проблем: «В настоящее время стоимостные оценки не могут служить единственной мерой эффективности объектов энергетики как в России в силу быстрых переходных процессов в народном хозяйстве, так и в промышленно развитых странах. Поэтому все большее внимание обращается на анализ материальных потоков в производственной сфере и окружающей среде в их взаимосвязи.
В топливно-энергетическом комплексе (далее — ТЭК) естественными натуральными измерителями его продукции служат энергетические величины и соответствующие им единицы. Продукцией ТЭК является свободная энергия — та часть общей энергии, заключенной в энергоресурсе, которая может быть направлена на совершение полезной работы или превращена в другие формы энергии» [5].
Примечательно также, что на международном уровне в 1997 г. был принят стандарт ИСО 13600 [7], в котором энергоресурс прямо назван товаром, потребляемым в техносфере, связанной с другими сферами жизни. Международный стандарт ИСО 13600 был подготовлен Техническим комитетом ИСО/ТК 203 «Технические энергетические системы». Знаменательно, что в отечественных документах энергию, топливо также называют продукцией, а в статье [4] электроэнергия прямо названа «товаром номер один». «Энерготовар» [5], «энергоресурс» — таковы современные ключевые понятия.
Следует, однако, отметить, что в отечественных нормативных правовых актах пока отсутствуют термины «техносфера», «биосфера» [6], хотя они уже установлены в ИСО 13600 применительно к функционированию технических энергетических систем [7]. В многочисленных отечественных статьях 90-х годов проблемы энергосбережения рассматриваются также совместно с проблемами охраны окружающей среды. Наиболее четко это направление развития структурировано в докладе [8]: «Эффективным инструментом разработки энергосберегающих систем является функционально-экологическое проектирование (далее — ФЭП), синтезирующее принципы функциональности и экологичности (для природы и человека) систем.
При проведении ФЭП основным критерием адекватности затрат на осуществление требуемых функций является экологичность системы и ее элементов, характеризующихся рядом показателей.»
Кроме того, традиционно при установлении требований к уровню экономичности продукции [9] стремятся обеспечить минимум расходования всех видов материальных, трудовых и финансовых ресурсов, т. е. наряду с собственно техническими (технологическими) и экологическими проблемами в комплексе рассматривают также социальные вопросы затрат труда и ресурсные вопросы затрат материалов, топлива и энергии.
Учитывая важные современные тенденции развития хозяйства и стандартизации в обеспечение ресурсосбережения, решено установить в настоящем стандарте ряд основополагающих терминов, определений и понятий, а также представить соответствующие концептуальные положения, чтобы гармонизировать отечественные и международные представления, а также деятельность в обеспечение энергосбережения при энергопотреблении.
Наряду с этим, в настоящем стандарте частично использованы методические положения документа [10], хотя он перегружен общими макроэкономическими показателями, не содержит терминологического аппарата и нормативных ссылок.
Объектом стандартизации в настоящем документе является технологическая энергоемкость. «Одним из критериев, позволяющих достоверно определить затраты сельскохозяйственного производства, не исключая стоимостных показателей, является энергоемкость. Этот показатель наиболее объективен, не зависит от конъюнктуры рынка и характеризует собой технический уровень развития технологий» [11].
Терминологическое наполнение, концептуальная и библиографическая [1—43] основа, методические положения настоящего стандарта позволят целенаправленно и обоснованно на современном уровне требований определять показатели энергоемкости производства продукции и оказания материальных услуг в ТЭС с учетом обязательных «рамочных» стратегических ограничений устойчивого развития:
- технологических аспектов энергопотребления при производстве продукции и оказании услуг (в товаросфере);
- экологических аспектов воздействия технологических энергетических систем на окружающую среду (в частности, в атмосфере [39]);
- социальных аспектов, в частности трудоемкости производства продукции и оказания услуг с заданными энергоемкостями (в социосфере);
- ресурсных аспектов, включая как традиционные источники топливно-энергетических ресурсов (далее — ТЭР), так и энергию из отходов, сбросов и выбросов (в гео- и гидросферах, а также в атмосфере био- и ресурсосферы).
С учетом названных обязательных «рамочных» стратегических ограничений развития хозяйства основным предметом установления в настоящем стандарте является идентификация технологической энергоемкости производства продукции и оказания услуг, т. е. товарно-финансовая сфера регулирования потребления ТЭР как полноценного энерготовара на рынках сбыта.
При этом предполагается, что традиционные энергоресурсы получают из недр, от водных потоков и др., а охрана окружающей среды включает как мониторинг выбросов в атмосферу, так и процессы ликвидации твердых отходов и жидких сбросов. Кроме того, на структуру и содержание настоящего стандарта оказал влияние тот факт, что в сфере экологического управления во взаимосвязи с энергосбережением активно разрабатывают документы на международном уровне [40].
Настоящий стандарт предназначен для использования различными специалистами, участвующими в разработке нормативной и технологической документации, связанной с добычей, производством, хранением, транспортированием, использованием первичных и вторичных энергетических ресурсов, при разработке, эксплуатации, ремонте, списании и ликвидации (как последней стадии жизненного цикла продукции — с утилизацией техногенных и удалением опасных составляющих) энергопотребляющего оборудования, а также специалистами — разработчиками нормативных документов, оборудования, технологий, методов контроля, испытаний, сертификации, лицензирования, страхования в обеспечение энергосбережения и экобезопасности.
Настоящий стандарт является одним из комплекса нормативных документов России профиля «Энергосбережение», призванных в развитие ГОСТ Р 51387 создать нормативную базу для проведения работ по энергосбережению на предприятиях различных отраслей народного хозяйства с учетом социальных [26] и экологических факторов [40, 43].
1 Область применения
Настоящий стандарт устанавливает общие методические положения по определению энергоемкости производства продукции и оказания услуг, с учетом энергосбережения, экологической безопасности, и распространяется на любые технологические энергетические системы, включая рабочие технологические процессы (Р 50—54—93), связанные с производством продукции и оказанием (исполнением, предоставлением) материальных услуг (ГОСТ 30335/ГОСТ Р 50646).
Стандарт не распространяется на объекты и технологические процессы военной техники, а также на ядерные, химические и биологические энергопотребляющие объекты и процессы.
Положения настоящего стандарта предназначены для применения, в соответствии с действующим законодательством, расположенными на территории Российской Федерации предприятиями, организациями, региональными и другими объединениями (далее — предприятия) независимо от форм собственности и подчинения, а также органами управления, имеющими прямое отношение к энергопотреблению и энергосбережению.
2 Нормативные ссылки
В настоящем стандарте использованы ссылки на следующие стандарты:
ГОСТ 3.1109—82 Единая система технологической документации. Термины и определения основных понятий
ГОСТ 8.395—90 Государственная система обеспечения единства измерений. Нормальные условия измерений при поверке. Общие требования
ГОСТ 12.0.003—74 Система стандартов безопасности труда. Опасные и вредные производственные факторы. Классификация
ГОСТ 14.004—83 Технологическая подготовка, производства. Термины и определения основных понятий
ГОСТ 40.9004—95/ГОСТ Р 50691—94 Модель обеспечения качества услуг
ГОСТ 13109—97 Электрическая энергия. Совместимость технических средств электромагнитная. Нормы: качества электрической энергии в системах электроснабжения общего назначения
ГОСТ 19431—84 Энергетика и электрификация. Термины и определения
ГОСТ. 27322—87 Энергобаланс промышленного предприятия. Общие положения
ГОСТ 30166—95 Ресурсосбережение. Основные положения
ГОСТ 30335—95/ГОСТ Р 50646—94 Услуги населению. Термины и определения
ГОСТ Р 8.563—96 Государственная система обеспечения единства измерений. Методики выполнения измерений
ГОСТ Р ИСО 14050—99 Управление окружающей средой. Словарь
ГОСТ Р 51379—99 Энергосбережение. Энергетический паспорт промышленного потребителя топливно-энергетических ресурсов. Основные положения. Типовые формы
ГОСТ Р 51380—99 Энергосбережение. Методы подтверждения соответствия показателей энергетической эффективности энергопотребляющей продукции их нормативным значениям. Общие требования
ГОСТ Р 51387—99 Энергосбережение. Нормативно-методическое обеспечение. Основные положения
ГОСТ Р 51388—99 Энергосбережение. Информирование потребителей об энергоэффективности изделий бытового и коммунального назначения. Общие требования
ГОСТ Р 51541—99 Энергосбережение. Энергетическая эффективность. Состав показателей. Общие положения
ГОСТ Р 51749—2001 Энергосбережение. Энергопотребляющее оборудование общепромышленного применения. Виды. Типы. Группы. Показатели энергетической эффективности. Идентификация
ПР 50.2.009—94 Государственная система обеспечения единства измерений. Порядок проведения испытаний и утверждения типа средств измерений
Р 50—54—93—88 Классификация, разработка и применение технологических процессов
3 Определения и сокращения
3.1 В настоящем стандарте применяют термины с соответствующими определениями, приведенными в ГОСТ 19431, ГОСТ Р 51379, ГОСТ Р 51380, ГОСТ Р 51387, ГОСТ Р 51388, ГОСТ Р 51541, [2, 6], приложении А, а также следующие:
3.1.1 продукция: Материальный продукт труда, добытый или изготовленный (выработанный) в конкретном производственном процессе и предназначенный для удовлетворения общественной или личной потребности [9].
Примечание — Конкретная продукция — модели (марки, типы) продукции, характеризующиеся определенными конструктивно-технологическими решениями и конкретными значениями показателей ее целевого (функционального) назначения [12].
3.1.2 топливно-энергетические ресурсы; ТЭР: По ГОСТ Р 51387.
Примечания
1 ТЭР, потребляемые в хозяйстве, становятся (являются) энерготоваром, что установлено в ИСО 13600 [7]*.
2 Виды ТЭР, как энерготоваров, установлены в аналогичном ИСО 13600 приложении Б настоящего стандарта.
__________
* Перевод ИСО 13600: 1997 находится во ВНИИКИ Госстандарта России.
3.1.3 вторичные топливно-энергетические ресурсы: По ГОСТ Р 51387.
3.1.4 энергия: Продукция, являющаяся средством труда для выполнения работы, оказания услуги или предметом труда для выработки энергии другого вида [9].
Примечание— Продукция, поставляемая на рынок сбыта, является товаром, т. е. энергия (энергоресурс) — это подлинный энерготовар. При этом может быть определена жесткая связь между денежными и энергетическими единицами [5].
3.1.5 энергоноситель: По ГОСТ Р 51387.
3.1.6 топливо: Продукция, предназначенная для выработки тепловой энергии в процессе ее сжигания [9].
3.1.7 услуга: Результат непосредственного взаимодействия исполнителя и потребителя, а также собственной деятельности исполнителя по удовлетворению потребности потребителя.
Примечание — По функциональному назначению услуги, оказываемые населению, подразделяются на материальные и социально-культурные (по ГОСТ 30335/ГОСТ Р 50646).
3.1.8 материальная услуга: Услуга по удовлетворению материально-бытовых потребностей потребителей услуг.
Примечания
1 Материальная услуга обеспечивает восстановление (изменение, сохранение) потребительских свойств изделий или изготовление новых изделий по заказам граждан, а также перемещение грузов и людей, создание условий для потребления. В частности, к материальным услугам могут быть отнесены бытовые услуги, связанные с ремонтом и изготовлением изделий, жилищно-коммунальные услуги, услуги общественного питания, услуги транспорта и т. д. (по ГОСТ 30335/ГОСТ Р 50646).
2 В Законе РФ [13] под услугами понимают предпринимательскую деятельность, направленную на удовлетворение потребностей других лиц, за исключением деятельности, осуществляемой на основе трудовых правоотношений.
3 Деятельность, осуществляемая на основе трудовых правоотношений, является работой.
4 Стандарты на услугу могут быть разработаны в таких областях, как стирка белья, гостиничное хозяйство, транспорт, автосервис, электросвязь, страхование, банковское дело, торговля [14]и др.
5 Услуги связи установлены в Законе РФ [15].
6 Услуги почтовой связи установлены в Законе РФ [16].
3.1.9 технологический процесс: По ГОСТ 3.1109.
3.1.10 технологический процесс исполнения услуги: Основная часть процесса предоставления услуги, связанная с изменением состояния объекта услуги (по ГОСТ 30335/ГОСТ Р 50646).
3.1.11 система качества: Совокупность организационной структуры, ответственности, процедур, процессов и ресурсов, обеспечивающая осуществление общего руководства качеством (по ГОСТ 40.9004/ГОСТ Р 50691).
3.1.12 обслуживание: Деятельность исполнителя при непосредственном контакте с потребителем услуги (по ГОСТ Р 50691).
3.1.13 оборудование: Необходимые технические средства для обеспечения изготовления изделий [17].
3.1.14 технологическое оборудование: По ГОСТ 3.1109.
Примечание— Орудия производства, в которых для выполнения определенной части технологического процесса размещаются материалы или заготовки, средства воздействия на них и, при необходимости, источники энергии [17].
3.1.15 теплотворная способность углеводородных топлив: Суммарное количество энергии, которой обладают природные углеводородные топлива, высвобождая ее в регламентированных условиях.
Примечание— Теплотворную способность топлива выражают в мегаджоулях на килограмм (МДж/кг).
3.1.16 норматив расхода топливно-энергетических ресурсов (технический норматив): Научно и технически обоснованная величина нормы расхода энергии (топлива), устанавливаемая в нормативной и технологической документации на конкретное изделие, характеризующая предельно допустимое значение потребления энергии (топлива) на единицу выпускаемой продукции или в регламентированных условиях использования энергетических ресурсов.
3.1.17 нормативный энергетический эквивалент: Показатель, характеризующий народнохозяйственный уровень прямых общих затрат первичной энергии или работы на единицу потребляемого (и/или сохраняемого) энергоресурса (топлива, тепловой, электрической энергии).
3.1.18 топливно-энергетический эквивалент; ТЭЭ: Показатель, характеризующий народнохозяйственный уровень прямых общих затрат первичной энергии или работы на единицу потребляемого топливно-энергетического ресурса.
3.1.19 удельная теплота сгорания (топлива): Суммарное количество энергии, высвобождаемое в регламентированных условиях сжигания топлива.
3.1.20 полная энергоемкость продукции: По ГОСТ Р 51387.
3.1.21 технологическая энергоемкость продукции: По ГОСТ Р 51387.
Примечание — В регламентированных условиях использования энергетических ресурсов.
3.1.22 энергосберегающая технология: По ГОСТ Р 51387.
Примечание — В регламентированных условиях использования энергетических ресурсов
3.1.23 основное производство: По ГОСТ 14.004.
3.1.24 вспомогательное производство: По ГОСТ 14.004.
3.1.25 энергосбережение: По ГОСТ Р 51387.
3.1.26 показатель энергосбережения: По ГОСТ Р 51541.
3.1.27 эффективное использование энергетических ресурсов: По ГОСТ Р 51541.
Примечание—В регламентированных условиях использования энергетических ресурсов.
3.1.28 показатель энергетической эффективности; ПЭЭ: По ГОСТ Р 51387.
3.1.29 показатель экономичности энергопотребления изделия: По ГОСТ Р 51387.
Примечание — В регламентированных условиях использования энергетических ресурсов.
3.1.30 возобновляемые топливно-энергетические ресурсы: По ГОСТ Р 51387.
3.1.31 окружающая среда: Внешняя среда, в которой функционирует организация, включая воздух, воду, землю, природные ресурсы, флору, фауну, человека и их взаимодействие.
Примечание—В данном контексте внешняя среда простирается от среды в пределах организации до глобальной системы (ГОСТ Р ИСО 14050).
3.1.33 энергетический эквивалент; ЭЭ: Затраты энергии на производство единицы материала, изделия или выполнения работы данного вида [11].
3.1.34 технологическая энергетическая система; ТЭС: Комплекс технологического оборудования, нормативно-методических и технологических документов, технологических процессов основного и вспомогательных производств, где квалифицированными кадрами используются топливно-энергетические ресурсы для преобразования сырья, веществ, материалов, комплектующих изделий в конечную продукцию с учетом мероприятий по безопасности и экологическому управлению.
Примечание— ТЭС является частью технической энергетической системы.
3.2 В настоящем стандарте применяют следующие сокращения:
ИСО — Международная организация по стандартизации;
КПД — коэффициент полезного действия;
ЛЭП — линия электропередачи;
МЭК — Международная электротехническая комиссия;
ОЦЭЗ — общецеховые затраты;
ОПФ — основные производственные фонды;
ПЭЭ — показатель(и) энергетической эффективности;
ТП — технологический процесс;
ТЭР — топливно-энергетические ресурсы;
ТЭС — технологическая энергетическая система;
ТЭЦ — теплоэлектроцентраль;
ФЭП — функционально-экологическое проектирование.
4 Общие положения
4.1 Основные принципы энергосберегающей политики при осуществлении хозяйственной деятельности, в том числе в технологических энергетических системах, установлены в Статье 4 Закона РФ «Об энергосбережении» и ГОСТ Р 51387.
4.2 Настоящий стандарт применяют для определения, описания, анализа и сравнения технологической энергоемкости при производстве продукции и оказании услуг в технологических энергетических системах в целях обеспечения единой методической основы энергетического выбора при принятии хозяйственных решений любого уровня [7].
4.3 Номенклатуру и значения показателей технологической энергоемкости производства продукции (веществ, материалов, комплектующих изделий, оборудования) выбирают в соответствии с разделом 7 ГОСТ Р 51541 и устанавливают в удельной форме, как правило, в стандартах предприятия и в документации на конкретные технологические процессы.
4.4 Показатели технологической энергоемкости оказания материальных услуг устанавливают в удельной форме в договорах, контрактах и другой документации на услуги с учетом раздела 7 ГОСТ Р 51541.
4.5 Удельный показатель технологической энергоемкости производства продукции и оказания услуги формируется, как правило, под воздействием ресурсно-экономических, технологических, экологических и социальных аспектов деятельности с учетом значений показателей, выраженных, например, в денежном эквиваленте, включая затраты на:
а) используемые топливно-энергетические ресурсы;
б) технологические процессы преобразования сырья, веществ, материалов, комплектующих изделий в конечную продукцию;
в) мероприятия по охране окружающей среды и экологическому управлению;
г) обучение и повышение квалификации кадров, от которых зависят затраты на мероприятия по энергосбережению на рабочих местах и обеспечение безопасности труда.
4.6 В полную энергоемкость технологических процессов основных и вспомогательных производств включают затраты энергоресурсов на хранение, преобразование веществ, материалов, комплектующих изделий, с использованием транспортных средств, для производства продукции и оказания услуг.
4.7 Технология, обеспечивающая наименьшую полную энергоемкость конечных видов продукции и услуг при нормированных удельных энергозатратах на производство продукции, является более энергоэффективной.
5 Место современной технологической энергетической системы в техно-и биосфере
5.1 Современная технологическая энергетическая система (далее — ТЭС) любого уровня (от индивидуального хозяйства до государственного предприятия) реализуется с учетом международных «Требований общества», подвергнутых на рисунке 5.1 «рамочной» структуризации с помощью четырех аспектов деятельности [18]: производственно-технологических, экологических, социальных и ресурсных, установленных на основе принципов, приведенных в приложении Б ГОСТ Р 51387, и с учетом [20, 21—24].
5.2 Каждая ТЭС определяет эффективность функционирования технической энерготехнической системы более высокого уровня, влияющей, в свою очередь, на облик техносферы и качество биосферы [7].
5.3 Облик техносферы в условиях энергосбережения определяют:
- развитая ресурсосфера как инфраструктура деятельности в техносфере, основанная на добыче первичных энергетических ресурсов и пополнении их запасов за счет вторичных ресурсов, использовании возобновляемых ТЭР на основе нетрадиционных источников (солнечной и ветровой энергии, энергии морских приливов, биомассы и др.);
- энергетическая и экономическая эффективность основных и вспомогательных производств как базы для формирования качественной и безопасной среды для производства товаров (далее — товаросферы) в направлениях технически устойчивого и экологически чистого развития [25].
5.3.1 В состав ресурсосферы входят первичные природные материальные и энергетические ресурсы гео-, гидро- и астросферы, согласно [7], и вторичные материальные и энергетические ресурсы, получаемые из отходов, сбросов и выбросов.
5.4 Поддержанию качества биосферы [7] в условиях энергосбережения способствуют:
- обеспечение правово-нормативных условий поддержания жизнеспособности атмосферы;
- соблюдение требований безопасности развития социумов с поддержанием достойного качества и уровня жизни людей в социосфере.
5.4.1 Человечество, образующее социосферу, рассматривается как часть биосферы согласно [7].
5.5 Ресурсосфера и товаросфера, атмосфера и социосфера образуют четыре блока обеспечения устойчивости и реализации «механизма чистого развития» [25], в «рамочном» виде представляющих прямоугольный «портрет» (информационно-графическую модель, аналогичную рисунку 5.1), пригодный для структурирования исходных данных при стратегическом оценивании энергетического объекта и последующего принятия всесторонних энергосберегающих решений в ТЭС.
5.5.1 Ресурсные стратегии на международном уровне не охвачены единой серией стандартов в связи с тем, что меры по сбережению материальных и энергетических ресурсов устанавливают на уровне национальных и фирменных стандартов.
5.5.2 На межгосударственном и отечественном уровнях ресурсные аспекты охвачены межгосударственными стандартами и комплексами российских стандартов «Ресурсосбережение» (ГОСТ 30166), «Энергосбережение» (ГОСТ Р 51387).
5.5.3 Производственные аспекты на международном и отечественном уровнях стандартизованы ИСО серии 9000 (и соответствующими ГОСТ Р ИСО серии 9000) для систем качества.
5.5.4 Экологические аспекты на международном и отечественном уровнях стандартизованы ИСО серии 14000 (и соответствующими ГОСТ Р ИСО серии 14000) для систем управления защитой окружающей среды.
5.5.5 Социальные аспекты охватываются на международном уровне стандартом SA 8000—97, описанном в [26]. Социальными стандартами являются традиционные национальные, географические, личные и иные изустные и документированные установления (правила-ограничения), которые позволяют социуму любого размера существовать с поддержанием на первом этапе достойного уровня жизни (выражаемого в денежных единицах), на втором — стабильности жизни, на третьем — справедливости отношений, на четвертом — устойчивого и чистого развития, на пятом — гармонии развития).
5.6 При определении технологической энергоемкости производимой продукции и оказываемых услуг в ТЭС различных степеней сложности, уровней применения и назначений используют одновременно четыре аспекта (блока) деятельности (5.1, 5.5).
5.7 Общесистемные составляющие технологической энергоемкости производимых видов продукции и оказываемых услуг представлены на рисунке А.1, развивающем и уточняющем основные концептуальные положения и графические модели ИСО 13600 [7].
5.8 В настоящем стандарте принято условие [7], согласно которому изделия, являющиеся выходом одной ТЭС, используются как вход в другие ТЭС для производства продукции и оказания услуг.
5.9 Образуемые в ТЭС отходы, сбросы и выбросы подлежат ликвидации с утилизацией техногенной (инертной) части и удалением опасной части путем захоронения и/или уничтожения.
5.10 Процессы ликвидации отходов, сбросов и выбросов должны также сопровождаться энергосберегающими мероприятиями с обеспечением требований экобезопасности.
6 Основные элементы методики определения энергоемкости производства продукции и оказания услуг в технологических энергетических системах
6.1 Структура и смысловое наполнение элементов методики определения энергоемкости в технологических энергетических системах
6.1.1 Методика включает следующие составные элементы с их наполнением конкретными положениями при каждом отдельном применении:
а) идентификация назначения (с целью обеспечения энергосбережения с учетом обязательных мер по охране окружающей среды);
б) выбор методов (аналитический, инструментальный, расчетный, экспертный, аудиторский);
в) определение основных технических средств технологической энергетической системы (номенклатура основного технологического оборудования) и средств измерений;
г) определение вспомогательных технических средств технологической энергетической системы (номенклатура вспомогательного оборудования и оснастки);
д) установление требований к квалификации кадров (обученность основам инструментального, организационно-технического и нормативно-методического обеспечения энергосбережения во взаимосвязи четырех обязательных аспектов деятельности: производственной, экологической, социальной и ресурсосберегающей);
е) установление последовательности и оценка весомости операций (процедур) выполнения работы по оценке и обеспечению технологической энергоемкости производимой продукции и оказываемых услуг;
ж) выбор конкретного алгоритма получения (в т. ч. вычисления) результатов оценки технологической энергоемкости (на основе общего алгоритма, установленного в настоящем стандарте);
и) определение порядка документирования (оформления) результатов оценки технологической энергоемкости производимой продукции и оказываемых услуг;
к) решение проблемы метрологического обеспечения (с учетом возможных, имеющих место потерь энергоресурсов в технологических процессах изготовления, хранения, транспортирования, потребления оцениваемой продукции и ее ликвидации после использования по назначению);
л) оценка эколого-технологической и социально-экономической эффективности (применительно к конкретному технологическому процессу производства продукции, исполнения услуги).
| Атмосфера |
|||||||||||
| П р |
Защита окружающей среды |
||||||||||
| о |
|||||||||||
| и з в |
Надежность |
Требования общества |
Здоровье, безопасность |
О б щ |
|||||||
| о д |
Другие соображения |
е с |
|||||||||
| с |
т |
||||||||||
| т |
в |
||||||||||
| в а |
Сохранение энергии и естественных ресурсов |
о |
|||||||||
| Запасы природных ресурсов |
|||||||||||
Рисунок 5.1 — Структурирование термина «Требования общества» (согласно ИСО 8402 [19]) внутри ядра информационно-графической модели стандартософии «ОКО ЗЕМНОЕ» [18, 20]
6.1.2 При планировании и обеспечении снижения энергоемкости технологических процессов необходимо учитывать и устранять возможные потери ТЭР, характер которых изложен в 6.2.
6.2 Характер возможных энергопотерь и направления их снижения на стадиях жизненного цикла продукции и исполнения услуги
6.2.1 Потери энергетических ресурсов с увеличением технологической энергоемкости продукции и услуг возможны, как правило, по ряду следующих причин:
- неправильное применение и/или недогрузка основного технологического оборудования;
- нарушение персоналом технологических регламентов производства продукции, оказания услуг и другие бесхозяйственные потери [4];
- несоответствие среды внутри производственных помещений установленным технологическим требованиям по нормальным климатическим условиям функционирования основного оборудования;
- несоблюдение требований по сертификации качества электрической энергии [27] на соответствие ГОСТ 13109;
- методические погрешности расчетов энергобалансов в соответствии с ГОСТ 27322;
- нарушение требований нормативных документов по охране окружающей среды;
- нарушение требований нормативных документов по обеспечению единства измерений и проведения испытаний согласно ПР 50.2.009;
- неквалифицированное документирование результатов оценки технологической энергоемкости;
- неиспользование или недоиспользование вторичных энергетических ресурсов.
6.2.1.1 Неправильное применение и/или недогрузка основного технологического оборудования приводят к потерям в технологических процессах, в особенности при производстве электроэнергии заданного качества [4].
6.2.1.2 Для уменьшения потерь ТЭР в технологическом цикле необходимо подавать их потребителям в строгом соответствии с действительными, а не расчетными нагрузками, что зависит от обученности (компетентности) и добросовестности обслуживающего персонала. Для уменьшения бесхозяйственности необходимо снижать потери ТЭР, скрываемые в допускаемом небалансе (погрешности) учета [4]. Эта погрешность должна быть четко установлена и подтверждена Государственным метрологическим органом в установленном порядке, т. е. бухгалтерские программы расчетов суммарной стоимости объема выпуска электроэнергии должны быть аттестованы в соответствии с ГОСТ Р 8.563 с учетом условий измерений в соответствии с ГОСТ 8.395.
6.2.1.3 К потерям от несоответствия среды внутри производственных помещений установленным технологическим требованиям по нормальным климатическим условиям функционирования основного оборудования относятся перегрузки оборудования и рост технологической энергоемкости.
6.2.1.4 Особое внимание должно быть уделено соблюдению требований к качеству электрической энергии (ГОСТ 13109) применительно к конкретным технологическим энергетическим системам, что должно подтверждаться сертификационными испытаниями.
6.2.1.5 Потери при расчетах энергобаланса ведут к снижению получения возможной эффективности использования энергетических ресурсов при существующем уровне развития техники, технологий и соблюдении требований к охране окружающей техногенной среды потребителем ТЭР (индивидуальным пользователем или юридическим лицом).
6.2.1.6 К потерям от нарушения требований нормативных документов по охране окружающей среды относятся штрафные санкции за превышение значений предельно допустимых выбросов и сбросов, предельного количества отходов, находящихся на территории предприятия, что установлено в действующих природоохранных нормативных документах и документах Госкомсанэпиднадзора России.
6.2.1.7 К потерям от нарушений метрологического характера относятся отсутствие на входе и выходе технологических энергетических систем счетчиков ТЭР, а также превышение погрешностей от заданных в технической документации у имеющихся средств измерений, в т. ч. счетчиков электрической, тепловой энергии (в т. ч. горячей воды).
6.2.1.8 К потерям из-за методических погрешностей расчетов относятся ошибки в определении [4]:
- норм выработки, потребления электроэнергии, тепловой энергии, топлива для производства продукции и оказания услуг;
- норм потерь в технологии производства электроэнергии, тепловой энергии, топлива для производства продукции и оказания услуг;
- назначенных и измеренных общих объемов использования электроэнергии, тепловой энергии, топлива для производства продукции и оказания услуг.
Примечание — Для снижения потерь ТЭР и финансовых ресурсов необходимо следить, чтобы ошибки расчетов норм выработки и технологических потерь ТЭР были равны точности инженерных расчетов и не превышали суммарно 5 %.
6.2.1.9 К потерям от неквалифицированного документирования результатов оценки энергоемкости относится недоучет расхода электроэнергии для собственных нужд ТЭЦ, поскольку их показания вычитаются из общего объема выпуска электроэнергии при вычислении общего коммерческого отпуска электроэнергии ТЭЦ потребителям через цепи передачи [4].
6.2.1.10 Потери от неиспользования или недоиспользования вторичных энергетических ресурсов, которые можно получить с применением современных высоких технологий, например из 1 т мусора, составляют:
- 620 кг топлива, по калорийности соответствующего 300 л мазута;
- 150 кг строительных материалов (песка, щебня, камня, измельченного стекла и др.);
- 20 кг цветных и черных металлов, с использованием которых энергоемкость вторичной продукции из них значительно снижается;
- 65 кг пластмасс;
- 100 кг макулатуры (без 20 % которой в США запрещен выпуск бумаги);
- 5 кг химических солей, используемых в промышленности и лабораториях.
6.3 Обобщенный алгоритм получения результатов определения (оценки) технологической энергоемкости производства продукции и исполнения услуг
6.3.1 Обобщенный алгоритм получения результатов оценки технологической энергоемкости в конкретных условиях производства продукции и исполнения услуг включает следующие процедуры:
1) определяют (качественно и в процентах) структуру энергозатрат по каждому виду выпускаемой продукции и исполняемой услуги, учитывая, в частности:
- прямые затраты в основном производстве по видам ТЭР,
- косвенные энергозатраты, включая вспомогательное производство,
- долю энергозатрат ТЭС в общезаводских расходах,
- долю затрат ТЭС в общецеховых расходах,
- отчисления на амортизацию,
- отчисления на текущий ремонт и обслуживание оборудования,
- энергозатраты на транспортирование веществ, материалов, комплектующих изделий, составных частей при изготовлении продукции, оказании услуг,
- энергозатраты на создание нормальных условий работы в производственных помещениях (освещение, отопление, обеспечение горячей водой, транспортом и другими необходимыми жизненными услугами),
- природоохранные затраты;
2) замеры и/или соответствующее выявление (на основе анализа документации) энергозатрат с последующим определением фактической технологической энергоемкости для конкретного вида продукции и услуг производят службы главного технолога с участием лабораторий и энергослужб:
- в течение суток,
- помесячно,
- поквартально,
- в течение года,
сравнивая и усредняя (суммируя при экспертных оценках) результаты с обоснованием и документированием их;
3) переводят все размерные характеристики энергозатрат в условное топливо (6.3.2);
4) технологическую энергоемкость вычисляют по отдельности для продукции, услуги каждого вида, используя, например, расчетные формулы (6.3.3) [10, 11], учитывающие ресурсозатраты (на вещества, материалы, комплектующие), энергозатраты (в т. ч. на транспортирование и хранение продукции), трудозатраты различного рода;
5) оценивают существенность влияния энергетической нагрузки технологической энергетической системы на окружающую объект среду (раздел 7) и, только если окажется необходимо, при определении энергоемкости учитывают затраты на мероприятия по охране окружающей среды (экозатраты).
6) технологическую энергоемкость продукции, услуги (Эпр,у ) определяют в общем виде по формуле
(1);
7) показатель технологической энергоемкости продукции и услуги может иметь различные размерности, в общем случае принимая вид:
- энергозатраты (ГДж, МДж, кДж)/натуральные единицы по видам продукции, услуг, в частности: МДж/(кВт·ч) и/или МДж/ккал (для ТЭР), МДж/кг,
- МДж/т, МДж/1000 единиц, (МДж/м2 , МДж/м3 , МДж/тыс. руб. (для продукции, услуг), МДж/чел-ч, чел-ч/н.е (для услуг).
6.3.2 Для учета потребления всех видов ТЭР необходимо проводить перерасчет, ориентируясь на условное топливо.
6.3.2.1 Под условным топливом понимают топливо с теплотой сгорания 29300 кДж/кг.
6.3.2.2 Перерасчет натурального топлива на условное проводят по формуле
B y = В н · Q н / 29300. (2)
где B y — количество условного топлива, кг;
В н — количество натурального топлива, кг;
Q н — средняя теплота сгорания натурального топлива, кДж/кг.
6.3.2.3 Пересчет электрической, тепловой энергии и топлива на условное топливо должен производиться по их физическим (энергетическим) характеристикам на основании следующих соотношений [11, с.63]:
1 кг у.т. = 29,30 МДж = 7000 ккал;
1 кВт·ч = 3,6 МДж = 0,12 кг у.т.; (3)
1 кг дизельного топлива равен 1,45 кг у.т.
1 кг автомобильного бензина равен 1,52 кг у.т.;
1 ккал = 427 кг·м = 4,19 кДж = 1,163 Вт·ч;
1 л.с.ч = 2,65 МДж; 1 МДж = 0,278 кВт·ч.
6.3.2.4 При определении расхода автомобильного бензина (1 л на 100 км пробега) на транспортирование грузов линейные нормы увеличивают [11]:
- при работе в зимнее время в южных районах — до 5 %;
- при работе в зимнее время в северных районах — до 15 %;
- при работе в горных условиях — от 5 % до 20 %;
- на дорогах со сложным планом — до 10 %;
- в черте города — до 10 %;
- при перевозке грузов, требующих пониженной скорости, — до 10 %;
- при почасовой работе — до 10 %;
- при работе в карьерах, движении по полю — до 20 %.
6.3.3 Для определения технологической энергоемкости продукции и услуг используют аналитические выражения (4—9) (I вариант);
1) полную энергоемкость продукции или услуг (Э пр,у ) в мегаджоулях на натуральные единицы (МДж/н.е.) измерения (шт., тыс. руб., часов и др.) определяют по формуле) [4]
Э пр,у = Э е + Э м + Э ф + Э р + Э о , (4)
где Э е — полная энергоемкость ТЭР, необходимых для производства продукции, исполнения услуг;
Э м — полная энергоемкость исходных сырья, веществ, материалов, комплектующих изделий, необходимых для производства продукции, исполнения услуг;
Э ф — полная энергоемкость основных производственных фондов (ОПФ), амортизированных при производстве продукции, исполнении услуг;
Э р — полная энергоемкость воспроизводства рабочей силы при производстве продукции, исполнении услуг;
Э о — полная энергоемкость мер по охране окружающей среды при производстве продукции, исполнении услуг.
2) Э е определяют по формуле [5]
Э е = Э n + Э y + Э r + Э и , (5)
где Э n — полная энергоемкость ТЭР, расходуемых непосредственно при производстве продукции, исполнении услуг;
Э y — полная энергоемкость ТЭР, расходуемых при транспортировании исходных сырья, веществ, материалов, комплектующих изделий;
Э r — снижение полной энергоемкости продукции и услуг за счет использования образованных при производстве продукции и исполнении услуг горючих отходов, сбросов и выбросов;
Э и — приращение полной энергоемкости, обусловленное импортом ТЭР (если он имеет место).
3) Э м определяют по формуле [6]
Э м = Э мо + Э ми + Э н , (6)
где Э мо — полная энергоемкость отечественных исходных сырья, веществ, материалов, комплектующих изделий, необходимых для производства одного изделия, исполнения одной услуги;
Э ми — полная энергоемкость импортируемых исходных сырья, веществ, материалов, комплектующих изделий, необходимых для производства единицы продукции, исполнения одной услуги;
Э н — снижение полной энергоемкости продукции и услуг за счет использования образованных при производстве единицы продукции и исполнении одной услуги горючих отходов, сбросов и выбросов.
4) Э ф определяют по формуле [7]
, (7)
где i — индекс вида ОПФ;
аф i — объем i- го вида ОПФ, амортизированных при производстве продукции, оказании услуг (в размерности натуральные единицы ОПФ/н.е. для продукции или услуги);
Эф i — полная энергоемкость ОПФ i -го вида (МДж/н.е. для продукции или услуги).
5) Э р определяют по формуле [8]
Э р = а з · Э з , (8)
где а з — удельные трудозатраты на производство продукции или оказание услуги, с учетом оплаты труда в отрасли, чел-ч/н.е. для продукции или услуги;
Э з — полная энергоемкость трудозатрат, МДж/н.е. для продукции или услуги.
6) Э о определяют по формуле [9]
, (9)
где ао i — коэффициент образования невозвратных (в данное производство) или удаляемых опасных отходов i -го вида, т/н.е. для продукции ;или услуги;
Эо i — полная энергоемкость устранения последствий отрицательного воздействия на окружающую среду 1 т невозвратных (в данное производство) или удаляемых опасных отходов i -го вида, МДж/т.
6.3.4 При определении технологической энергоемкости пищевой, сельскохозяйственной продукции, строительных конструкций, зданий и сооружений, транспортных и других услуг целесообразно использовать формулы, приведенные в методике [11] с учетом энергетических эквивалентов (II вариант определения, стандартизуемый в отраслевых документах).
6.3.5 Значения энергетических эквивалентов для ТЭР и некоторых видов металлов, материалов, сооружений, транспортных средств, а также затрат живого труда для некоторых категорий работ приведены в таблице 6.1 [11].
Таблица 6.1— Энергетические эквиваленты
| Наименование объекта |
Энергетический эквивалент |
Энергосодержание ТЭР, Дж/кг |
| Топливно-энергетические ресурсы (МДж/кг) |
||
| Топливо: |
||
| - дизельное |
10,0 |
42,7 |
| - бензин авиационный |
10.5 |
44,4 |
| - бензин автомобильный |
10,5 |
43,9 |
| - керосин тракторный |
10,0 |
43,9 |
| - биогаз |
— |
36,2 |
| Электроэнергия |
8,7 МДж/(кВт·ч) |
— |
| Тепловая энергия |
0,0055 МДж/ккал |
— |
| Продукция (МДж/кг) |
||
| Тракторы, самолеты, вертолеты |
120 |
— |
| Сельскохозяйственные машины, сцепки |
104 |
— |
| Продукция машиностроения |
144 |
— |
| Кирпич |
8,5 |
— |
| Материалы (МДж/кг) |
||
| Сталь (прокат) |
45,5 |
— |
| Алюминий (из глинозема) |
343 |
— |
| Медь |
83,7 |
— |
| Цемент |
7,0 |
— |
| Известковые материалы |
3,8 |
— |
| Конструкции и сооружения (МДж/м2 ) |
||
| Бетонные конструкции |
8,3 |
— |
| Здания и сооружения (жилые) |
4810 |
— |
| Производственные здания |
5025 |
— |
| Административные и культурно-бытовые здания |
5662 |
— |
| Подсобные помещения |
4180 |
— |
| Ограждения |
383 |
— |
| Овощные продукты растениеводства (МДж/кг) |
||
| Картофель |
8,0 |
— |
| Подсолнечник |
5,0 |
— |
| Кукурузное зерно |
5,0 |
— |
| Пшеница |
6,8 |
— |
| Сахарная свекла |
18,4 |
— |
| Затраты живого труда (МДж/(чел-ч) по категориям работы |
||
| Очень легкая |
0,60 |
— |
| Легкая |
0,90 |
— |
| Средняя |
1,26 |
— |
| Тяжелая |
1,86 |
— |
| Очень тяжелая |
2,50 |
— |
6.4 Формы документирования исходных данных и результатов
6.4.1 При документировании (оформлении) расчетов полной (технологической) энергоемкости продукции и услуг данные сводят в таблицы 6.2 (форма для I варианта определения) и 6.3 (форма для II варианта определения).
Таблица 6.2
| Вид ТЭР, других ресурсов и показателей энергосбережения |
Единицы измерения, натуральные единицы (н.е) |
Затраты ресурса, н.е./т.е. |
Полная энергоемкость ресурса, МДж/н.е. |
Полная энергоемкость продукции, МДж/т |
| 1 |
2 |
3 |
4 |
5 |
| Примечания 1 В графе 1 указывают названия видов ресурсов, работ, затрат, которые определяют энергозатраты на производство продукции и исполнение услуг, а также соответствующих показателей энергосбережения. 2 В графе 2 указывают абсолютные или удельные (на единицу данного вида продукции или услуги) значения расхода названного ресурса. 3 В графе 4 указывают соответствующую величину составляющей полных энергозатрат (при заполнении графы 3 абсолютными значениями расхода ресурса) или полной энергоемкости (при заполнении графы 3 удельными значениями расхода ресурса), обусловленной затратами названного ресурса. 4 Величину полных энергозатрат (в абсолютных единицах) или полной энергоемкости продукции или услуги (в удельных единицах) или полной энергоемкости продукции или услуги (в удельных единицах) определяют как сумму всех составляющих. 5 В приложении Г приведен пример расчета технологической энергоемкости выплавки чугуна без учета затрат на охрану окружающей среды. |
||||
Таблица 6.3
| Виды затрат ТЭР, материальных ресурсов, трудозатрат |
Единицы измерения, натуральные единицы (н.е.) |
Величины энергозатрат, ГДж/тыс. руб. |
Структура энергозатрат, % |
Примечания |
| Прямые затраты в основном производстве по видам ТЭР |
||||
| Косвенные энергозатраты |
||||
| Доля энергозатрат ТЭС в общезаводских расходах |
||||
| Доля затрат ТЭС в цеховых расходах |
||||
| Природоохранные |
||||
| Отчисления на амортизацию |
||||
| Отчисления на текущий ремонт, обслуживание оборудования |
||||
| Энергозатраты на транспортирование веществ, материалов, комплектующих изделий, составных частей, при изготовлении продукции, оказании услуг |
||||
| Энергозатраты на создание нормальных условий работы в производственных помещениях |
||||
| Полные энергозатраты, ГДж, ккал |
Полная энергоемкость ГДж/т, ГДж/тыс. руб. |
|||
7 Индексный метод учета влияния значительности воздействия технологической энергетической системы на окружающую среду
7.1 При производстве продукции и оказании услуг в условиях, например конкретного цеха, учитывают его прямое или косвенное влияние как технологического энергетического объекта, управляемого людьми, на окружающую среду в виде энергоэкологического индекса (J эо c ).
7.2 Общецеховые энергозатраты (ОЦЭЗ) для изготовления заданного количества продукции за месяц, квартал, год и исполнения услуги заопределенный период определяют как сумму расходов энергоресурсов на основные и вспомогательные технологические процессы, тем самым оценивая, во что обходится в энергетическом смысле выполнение, например, месячной производственной программы.
7.3 Как правило, имеет место следующий расход ТЭР на общецеховые нужды:
1) технологические процессы ( основной и вспомогательные);
2) отопление;
3) освещение;
4) вентиляция (с улавливанием выбросов);
5) кондиционирование;
6) транспортирование готовой продукции;
7) транспортирование, хранение отходов;
8) поддержание пожарной системы;
9) перекачка сточных вод;
10) хранение готовой продукции.
Примечание — Перечисления 4), 5), 7), 9) относятся к мероприятиям по охране окружающей техногенной среды.
7.4 Определяют за выбранный период общецеховые энергозатраты, суммируя энергозатраты по перечислениям 1) — 10):
ОЦЭЗ = Э 1 + Э 2 + Э 3 + Э 4 + Э 5 + Э 6 + Э 7 + Э 8 + Э 9 + Э 10 . (10)
7.5 Определяют фактическую долю (в безразмерной «индексной» форме) затрат ТЭР на управление защитой окружающей среды по формуле
. (11)
7.6 При планировании программных мероприятий по энергосбережению устанавливают контрольные цифры по оптимизации значения этого индекса.
7.7 При оценке значительности и планировании допустимости воздействий энергетической нагрузки на окружающую среду с оценкой необходимости затрат финансовых средств на плановые или экстренные экологические мероприятия целесообразно использовать следующую эмпирическую зависимость для определения показателя энергетической нагрузки технологического объекта на окружающую среду:
, (12)
где КОу — класс опасности для потенциального загрязнителя (у);
М (o) — общее количество загрязнителей, потенциально могущих воздействовать на окружающую среду (классы опасности 2; 3; 4) в технологических процессах цеха;
Z — общее количество видов продукции, производимых цехом за рассматриваемый период.
7.8 Необходимо определить значения ПЭНТОос за месяц, квартал, год работы анализируемого цеха и только на этой основе принимать окончательное решение о значительности воздействия технологической энергетической системы на окружающую среду за рассматриваемые периоды.
7.9 Если соблюдается условие (12), то энергетическую нагрузку на окружающую среду за рассматриваемый период следует признать допустимой. При этом специальные положения в экологической политике дополнительно не планируют, но действующие нормативные требования необходимо строго соблюдать.
7.10 Применительно к принятому критерию (12) любое воздействие, выводящее технологическую энергетическую систему за правый предел этого неравенства, должно считаться значительным и приводить к необходимости дополнительных затрат на мероприятия по охране окружающей среды, что должно сказываться на увеличении технологической энергоемкости соответствующих видов выпускаемой продукции и оказываемых услуг.
Примечания
1 Использование числа 0,7 в качестве критериального (опорного) при принятии решений в производимых оценках согласуется с международной и зарубежной практикой, например с практикой фирмы «Вольво», соответствует юридической практике ИСО, где решение принимается при количестве голосов «за проект» не менее 70 % общего числа голосов, поданных при голосовании.
2 Этот критерий непосредственно вытекает также из анализа «функции желательности» (Харрингтона): при балльной оценке 0,7 имеет место точка перегиба «функции желательности» с необратимым сохранением позитивных изменений при оценивании свойств конкретного объекта.
3 Для экологических целей; при разработке методики комплексной оценки экологических решений используется тот же критерий [40].
ПРИЛОЖЕНИЕ А
(справочное)
Термины
А.1 Термины и определения из международного стандарта ИСО 13600
А.1.1 энергоносители: Вещество или явление, которое может быть использовано для производства механической работы или нагрева, или химических реакций, или физических процессов.
А.1.2 энерготовар: Готовый (годный к продаже, предназначенный для продажи) товар, используемый, главным образом, для производства механической работы или тепла, или химических реакций, или физических процессов и приведенный в приложении Б настоящего стандарта.
Примечания
1 Термин « energyware » может быть переведен как «энерготовар», но в русском языке он, как правило, фигурирует как «энергия» не в философском, а в чисто техническом смысле. Для целей настоящего стандарта использованы адекватные термины «энергоресурсный товар», «энергоресурсы».
2 Энерготовар формально, в собственном смысле, относится (является частью) к энергоносителям. В общественном сознании положение энергоносителей является пока подчиненным по отношению к энергии в целом.
А.1.3 система, расходующая энергоресурсы (система энергопотребления): Техническая энергосистема, расходующая энергетические ресурсы, а также другие энергетические носители и производящая продукцию, услуги.
А.1.4 область потребностей в энергоресурсах (энергообеспечение): Часть техносферы, цель которой — производить необходимое количество энергоресурсов и добывать природные ресурсы.
А.1.5 система производства энергоресурсов: Техническая энергосистема, которая преобразует природные ресурсы в энергоресурсы.
А.1.6 система утилизации (возврата, восстановления) энергоресурсов: Техническая энергосистема, которая трансформирует вторичные ресурсы (подлежащие возврату, возвращаемые отходы, сбросы и выбросы — биосферозагрязнители) в энергоресурсы.
А.1.7 система хранения энергоресурсов (энергонакопители): Техническая энергосистема, которая может получать и хранить энергоресурсы, освобождая их позже в том же виде.
А.1.8 нагрузка на окружающую среду: Истощение природных ресурсов, накопление отходов, сбросов и выбросов, эксплуатационные воздействия.
А.1.9 природные ресурсы: Вещества или явления, находящиеся в природе, которые могут использоваться в техносфере для потребления.
А.1.10 продукт: Преднамеренный реальный (материальный) выход (отдача) технической энергосистемы.
А.1.11 услуга: Преднамеренный и неосязаемый (неуловимый, не материальный) продукт технической энергетической системы или польза от применения продукта.
Примечание — Услуга, как правило, реализуется с участием людей (необходимое условие), хотя и не всегда при ее реализации непосредственно участвует энергосистема (достаточное условие), например при устном переводе текста с языка на язык, при обучении на воздухе (вне помещений), как это было, например в Академии Платона и т. д.
А.1.12 техническая энергетическая система: Комбинация оборудования и предприятия (завода), взаимодействующих друг с другом для производства, потребления или, во многих случаях, преобразования, хранения, транспортирования или обработки энерготовара (как энергоресурса).
А.1.13 техносфера: Все технические энергетические системы и продукты, производимые ими, в том состоянии, при котором они не будут считаться выбросами (см. приложение А.2).
А.2 Дополнительные основополагающие термины и понятия в техно- и биосфере
Для более полного понимания терминологического блока A.1 и в целом настоящего стандарта целесообразно использовать следующие термины:
А.2.1 система (греч.): Множество закономерно связанных между собой элементов (предметов, явлений, взглядов и т. д.), представляющих собой целостное образование, единство [28, с.121].
А.2.2 система открытая (традиционно): Система, состав, информация и энергия которой изменяются из-за обмена ими с внешней средой.
Примечания
1 Большинство природных систем — открытые [28, с.124].
2 В теории стандартософии [29] введено понятие «ноосферно-открытых систем», которые обмениваются веществом (в ресурсных стратегиях), энергией (в технологических стратегиях), информацией (в экологических стратегиях и действиями субъектов (в социальных стратегиях).
А.2.3 ноосфера: Сфера разума, мыслящая оболочка, высшая стадия развития биосферы, связанная с возникновением и развитием в ней мыслящего человечества (по В. И. Вернадскому [28]).
Примечание—В системе понятий настоящего стандарта следует говорить о ноосфере как о высшей стадии развития экосферы.
А.2.4 экосфера (от греч. «ойкос» — дом и сфера — шар): Абиотическая среда Земли, создающая условия для жизни.
Примечания
1 Включает в себя тропо- и гидросферы, а также верхнюю часть литосферы [28, с.98].
2 В экологии человека — среда развития хозяйства [28, с.196].
3 Экосфера фактически является понятием, включающим техно- и биосферу.
А.2.5 техносфера: Стратегическое пространство взаимодействия ресурсов ресурсосферы, оборудования и людей социосферы, которые в технологических процессах преобразования сырья, материалов, комплектующих изделий в данное время и в данном месте реализуют заранее поставленные цели хозяйственного развития и выпуска продукции в производственной товаросфере с условием сохранения биосферы.
А.2.6 биосфера (от греч. «биос» — жизнь и сфера — шар): Область распространения жизни на Земле, включающая в себя нижнюю часть атмосферы, всю гидросферу, верхнюю часть литосферы и являющуюся самой крупной экосистемой Земли, населенной живыми организмами («областью существования живого вещества» — по В.И. Вернадскому) [30, 21, с.8].
Примечания
1 Область обитания живых организмов: верхняя граница — до высоты озонового экрана (20—25 км), нижняя — опускается на 1—2 км ниже дна океана и в среднем 2—3 км суши [13, с.51].
2 Оболочка Земли, состав, структура и энергетика которой определяются совокупной деятельностью живых организмов [31, с.51].
3 Термин «биосфера» ввел Э. Зюсс в 1875 г. [31, с.51].
4 Заслуга создания целостного учения о биосфере принадлежит В. И Вернадскому, который изложил его в 1926 г. в книге «Биосфера» [31, с.51].
5 Структуризация понятий приведена на рисунке А. 1.
А.2.7 социосфера: Социальная общность людей, вступающих в различные производственные, культурные и родственные отношения друг с другом и окружающей средой.
А.2.8 ресурсосфера: Содержащиеся в Земле природные залежи полезных ископаемых, используемых для поддержания и развития цивилизации.
А.2.9 ресурсы: Любые используемые и потенциальные источники удовлетворения тех или иных потребностей общества [32].
А.2.10 система управления окружающей средой: Часть общей системы административного управления, которая включает в себя организационную структуру, планирование, ответственность, методы, процедуры, процессы и ресурсы, необходимые для разработки, внедрения, реализации, анализа и поддержания экологической политики (ГОСТ Р ИСО 14050).
А.2.11 биосферозагрязнитель; БСЗ: Электромагнитное излучение, твердые отходы, жидкие сбросы, газообразные выбросы или их сочетания, угнетающе действующие на биоестественную и техногенную среды, а также на живые организмы.
Примечания
1 В международной и отечественной практике стандартизации давно применяют термин «загрязнитель». Но в связи с тем, что загрязнения приняли глобальный характер на уровне современной техногенной действительности, целесообразно ввести понятие БСЗ (по М.Б. Плущевскому, 1998 [41, 42]).
2 Разделение БСЗ на отходы, сбросы и выбросы произведено в соответствии со Статьей 7 Закона РФ «Об охране окружающей природной среды». Расширение понятия «загрязнители» до уровня биосферы произведено в соответствии с современным состоянием и направлениями техногенеза [42, с.28].
3 Возможны радиоактивное, шумовое, психотропное и другие виды излучений (БСЗ) в результате воздействия физических, химических, биологических, психофизиологических (ГОСТ 12.0.003), радиационных опасных и вредных факторов, в том числе информационных.
4 В настоящее время инертные техногенные БСЗ, имеющие ресурсную ценность, рассматриваются в качестве «второй геологии» (по В.А. Улицкому [42]).
5 Рассматривают витаопасные (для живых организмов) и экоопасные (для окружающей среды) воздействия загрязнителей, тормозящие процессы самоочищения биосферы или вовсе лишающие ее этой возможности.
А.2.12 стратегическое оценивание (энергетического объекта): Экспертная оценка энергетического объекта, включая техническое решение, производство, сооружение, энерготовар, процесс, работу, услугу, с учетом четырех групп «Требований общества» [19], в соответствии с которыми на основе теории стандартософии сформирована [20] «рамочная» технология анализа ограничений от четырех обязательных блоков аспектных стратегий [29] любой деятельности, в т. ч. по энергопотреблению, энергосбережению: производственных, экологических, социальных и ресурсных (рисунок А.1), совместная, одновременно учитываемая совокупность которых определяет состоятельность, устойчивость хозяйственно-экономической, организационно-политической, познавательно-образовательной и любой иной деятельности на стадиях жизненного цикла энергетического объекта в настоящее время и в перспективе развития.
А.2.13 аспекты деятельности; аспектные стратегии стандартософии: Четыре обязательных вида деятельности, включая производственно-технологическую, технологическую, экологическую, социальную и ресурсную, обеспечивающие при одновременном учете и реализации надежность изделий, защиту окружающей среды, безопасность людей, сбережение материальных и энергетических ресурсов, что соответствует международным «Требованиям общества» 19].
Примечания
1 Дополнительно к «рамке» аспектов деятельности, в теории стандартософии учитывают четыре группы регуляторов*: энерго-транспортных, товарно-финансовых, нормативно-метрологических, информационно-управляющих (ориентирующих).
2 Стандартософия является общей теорией [35, 43] идентификации, структурирования, систематизации, нацеливания, документирования и прогнозирования проявлений субъектов при обязательных стратегических ограничениях состояния и развития явления, объекта и/или субъекта «рамочными» технологиями с учетом четырех аспектов деятельности, четырех дополнительных групп регуляторов и восьми функций документирования [18, 20].
3 Стандартософия может быть определена как стандартизованная (в прошлом и настоящем) и стандартизуемая (в будущем) мудрость, необходимая для достижения эффективных результатов, а в пределе — гармонии в любой области деятельности путем документируемого и подтверждаемого инструментального сопряжения процессов и результатов познания сущностей любых повторяющихся явлений природы и общества с деятельностью по нормативно-методическому обеспечению всех стадий жизненного цикла продукции, процессов (работ), услуг, подлежащих неоднократному воспроизведению с учетом ограничений — аспектных стратегий: производственных (Маркетинга), экологических (Ойкосинга), социальных (Социуминга), ресурсных (обеспечивающих и сберегающих — Таргетинга [43]).
4 Это целостная система «портретного» описания объекта в прямоугольной «рамке» из четырех блоков аспектных стратегий и последующего нацеливания субъекта в любой области человеческой деятельности для обоснованного нормативно-методического обеспечения качества образа жизни (духовности) и достижения (допустимого уровнем развития цивилизации и практикой общества) уровня обеспеченности жизни (материальности) людей.
5 Принципы теории стандартософии заложены в ГОСТ Р 51387 (приложение Б), а подход к структурированию — в терминологический словарь по отходам [42].
6 На основе теории стандартософии сформирован экологический императив [37].
7 Теория стандартософии поднимает стандартизацию [36] на уровень теории [43] и науки, а практика делает результаты общесистемными, логически совместимыми и значимыми в перспективе непрерывного совершенствования социумов и очищения биосферы, в т.ч. благодаря энергосбережению.
______________
*По А.В. Плотникову, 1998 [6].

Рисунок А.1 — Стратегическая структуризация сфер жизнедеятельности общества
во взаимодействии техносферы с биосферой. (Модель «HOMO-STRATEGIC»
на основе ИСО 13600 [7])
ПРИЛОЖЕНИЕ Б
(рекомендуемое)
Традиционные энергоресурсные продукты (энерготовары) согласно приложению А ИСО 13600
| Б.1 Твердое топливо |
|
| Энергетический уголь |
Весь уголь, извлеченный из земли, за исключением металлургического угля для фильтров |
| Энергетический торф |
Торф, энергетически отличающийся от торфа, используемого для усовершенствованной почвы (грунта) или других целей |
| Коммерческие дрова |
Щепки дерева и тырса - подэлементы коммерческих дров, используемых как энергопродукт (энерготовар) |
| Другая биомасса |
«Энергетические» лес, солома, тростник, высушенный коровий навоз, кустарник, стручки семян, используемые в качестве топлива |
| Топливные брикеты и гранулы |
Горючее вещество ископаемого или биологического происхождения в форме порошка, зерен (гранул) и мелкой щепы, уплотненных в блоки для механизации погрузочно-разгрузочных работ |
| Древесный уголь |
Твердый осадок деструктивной перегонки и пиролиза дерева, кроме древесного угля для фильтров |
| Кокс |
Твердое топливо, полученное из угля путем нагрева в отсутствие воздуха |
| Б.2 Жидкое топливо |
|
| Сырая нефть |
Неизвлеченная нефть, не являющаяся энергопродуктом. Она становится энергопродуктом сразу, как только добывается (извлекается) |
| Нефтепродукты: - моторный газолин - авиационный газолин - другой керосин - дизельное топливо - газойль для отопления - топливная нефть |
Могут быть приведены в группах различных энергопродуктов. Любая из отдельных жидких смесей быстроиспаряющегося углеводородного бутана и пропана |
| LPG (сжиженный нефтяной газ) |
Пребывает в газообразном состоянии при атмосферном давлении и становится жидким при 15 °С и под низким давлением от 0,17 до 0,75 МПа |
| Получистые продукты |
Жидкие углеводороды, включаемые в список энергопродуктов независимо от того, используются ли они для производства топлив или как нефтехимическое исходное сырье. Нефтяной кокс — не энергопродукт, даже если значительное количество используется как топливо |
| Моторные спирты |
Этиловый спирт, метиловый спирт с добавками и смесями из составов и групп органических кислородосодержащих составов (эфиры и спирты) с легкими топливами |
| NGL (газоконденсатные жидкости) |
Жидкие части природного газа, которые восстановлены (регенерированы) в сепараторах, шахтном оборудовании и газогенераторных установках |
| Топлива, производимые из растительных и животных масс |
Растительные и животные масла, извлеченные из различных растений и животных |
| Б.3 Газообразное топливо |
|
| Топливо из природного газа: |
|
| - природный газ |
Метан и газовые смеси |
| - LNG (сжиженный природный газ) |
Природный газ, сжижаемый при низкой температуре для последующего хранения и транспортирования |
| Преобразование (конвертированное) газообразное топливо: |
|
| - газ, извлеченный из угля |
Получаемый из угля |
| - топочный газ - газифицированная биомасса (или биомасса в газообразном состоянии) - газ, получаемый при перегонке (нефтезаводской [неконденсирующийся]) |
Получаемый из металлургического угля |
| - газ бытового назначения (коммунальный или городской) |
Газ, производимый для общественного (коммунального) снабжения |
| - биогаз (биомасса) |
Составленный главным образом из смеси метана и диоксида углерода, произведенной анаэробным вывариванием биомассы; метан, отделяемый вне этой смеси, назван «биометаном». Газ из жидкого навоза, болотный газ, газ от мусора (свалок) и т. д. |
| Б.4 Водород |
|
| В газообразной или жидкой форме, получаемый из ископаемых или возобновляемых источников |
|
| Б.5 Ядерное топливо |
|
| Уран, торий и плутоний — расщепляющиеся и воспроизводящиеся материалы (элементы) |
|
| Б.6 Сетевое электричество (или электричество энергосистемы) |
|
| Энергопродукт, произведенный в силовых установках и распределенный по общественной или подобной сети |
|
| Б.7 Коммерческое тепло, районное тепло |
|
| Горячая жидкость или пар, используемые в коммерческих тепловых распределительных системах, полученные из других энергопродуктов, возобновляемых ресурсов, включая такие, как солнечная радиация и геотермальное тепло |
ПРИЛОЖЕНИЕ В
(справочное)
Пример определения технологической энергоемкости выплавки чугуна
Таблица B.1
| Вид ТЭР, других ресурсов и показателей энергосбережения |
Единицы измерения, натуральные единицы (н. е.) |
Затраты ресурса, емкость (н. е./т) |
Полная энергоемкость ресурса (МДж/н. е.) |
Полная энергоемкость чугуна (МДж/т) |
| 1 Энергозатраты в основном производстве |
||||
| Всего |
20099 |
|||
| В том числе: |
||||
| 1.1 кокс |
кг |
500 |
32,71 |
16355 |
| 1.2 природный газ |
м3 |
110 |
34,0 |
3744 |
| 2 Энергозатраты во вспомогательном производстве |
||||
| Всего |
3461 |
|||
| В том числе: |
||||
| 2.1 котельно-печное топливо |
кг у.т. |
72,5 |
29,34 |
2127 |
| 2.2 электроэнергия |
кВт·ч |
97,2 |
10,68 |
1038 |
| 2.3 тепловая энергия |
Мкал |
60,0 |
4.93 |
296 |
| 3 Снижение полной энергоемкости за счет использования доменного газа |
м3 |
-1800 |
4,2 |
-7560 |
| 4 Полная энергоемкость исходной продукции |
||||
| Всего |
5328 |
|||
| В том числе: |
||||
| 4.1 агломерат |
кг |
1282 |
3,139 |
4024 |
| 4.2 окатыши |
кг |
424 |
2,934 |
1244 |
| 4.3 руда марганцевая |
кг |
22 |
1,364 |
30 |
| 4.4 известняк |
кг |
56 |
0,528 |
30 |
| 5 Снижение полной энергоемкости за счет использования образованных негорючих отходов |
||||
| Всего |
1056 |
|||
| В том числе: |
||||
| 5.1 черных металлов |
кг |
-7,3 |
24,47 |
-179 |
| 5.2 гранулированного шлака |
кг |
-597,0 |
1,22 |
-728 |
| 5.3 щебня |
кг |
-200,0 |
0,59 |
-118 |
| 5.4 пемзы |
кг |
-35,0 |
0,63 |
-22 |
| 5.5 высокоуглеродистого клинкера |
кг |
-1,7 |
5,87 |
-9 |
| 6 Полная энергоемкость основных производственных фондов |
730 |
|||
| 7 Полная энергоемкость транспортирования исходных материалов |
т-км |
55 |
0,244 |
13 |
| 8 Полная энергоемкость трудозатрат |
чел.-ч |
38 |
149,0 |
5662 |
| ВСЕГО |
26677 |
ГОСТ Р 51757-2001
УДК 621.313.333,2.025.3:006.354 Группа Е61
ГОСУДАРСТВЕННЫй СТАНДАРТ РОССИЙСКОЙ ФЕДЕРАЦИИ
ДВИГАТЕЛИ ТРЕХФАЗНЫЕ АСИНХРОННЫЕ НАПРЯЖЕНИЕМ СВЫШЕ 1000 В ДЛЯ МЕХАНИЗМОВ СОБСТВЕННЫХ НУЖД ТЕПЛОВЫХ ЭЛЕКТРОСТАНЦИЙ
Общие технические условия
3-phase induction raptors of voltage over 1000 V for auxiliaries of thermal power stations.
General specifications
ОКС 29.160.30
ОКСТУ 3330
ОКП 33 3672
Дата введения 2002—01—01
Предисловие
1 РАЗРАБОТАН Акционерным обществом «Научно-исследовательский институт электроэнергетики»
ВНЕСЕН Техническим комитетом по стандартизации «Электрические машины» (ТК 333)
2 ПРИНЯТ И ВВЕДЕН В ДЕЙСТВИЕ Постановлением Государственного комитета Российской Федерации по стандартизации и метрологии от 7 июня 2001 г. № 222-ст
3 Стандарт соответствует требованиям ГОСТ 183, ГОСТ 9630 и международного стандарта МЭК 60034-1 (1996) «Вращающиеся электрические машины. Номинальные данные и характеристики»
4 ВВЕДЕН ВПЕРВЫЕ
1 Область применения
Настоящий стандарт распространяется на двигатели трехфазные асинхронные (далее — двигатели) с короткозамкнутым ротором, мощностью 200 кВт и более, напряжением 1000 В и выше, частотой 50 и 60 Гц, односкоростные и двухскоростные, предназначенные для механизмов собственных нужд тепловых электростанций; изготовляемые для нужд электроэнергетики Российской Федерации (РФ) и поставки на экспорт.
Стандарт может быть использован при разработке двигателей мощностью 200 кВт и более напряжением 660 В.
Настоящий стандарт не распространяется на двигатели, предназначенные для применения в особых условиях, например, взрывозащищенные и погружные.
2 Нормативные ссылки
В настоящем стандарте использованы ссылки на следующие стандарты:
ГОСТ 2.601—95 Единая система конструкторской документации. Эксплуатационные документы
ГОСТ 2.602—95 Единая система конструкторской документации. Ремонтные документы
ГОСТ 12.1.003—83 Система стандартов безопасности труда. Шум. Общие требования безопасности
ГОСТ 12.2.007.0—75 Система стандартов безопасности труда. Изделия электротехнические. Общие требования безопасности
ГОСТ 12.2.007.1—75 Система стандартов безопасности труда. Машины электрические вращающиеся. Требования безопасности
ГОСТ 183—74 Машины электрические вращающиеся. Общие технические условия
ГОСТ 7217—87 Машины электрические вращающиеся. Двигатели асинхронные. Методы испытаний
ГОСТ 8865—93 Системы электрической изоляции. Оценка нагревостойкости и классификация
ГОСТ 9630—80 Двигатели трехфазные асинхронные напряжением свыше 1000 В. Общие технические условия
ГОСТ 11828—86 Машины электрические вращающиеся. Общие методы испытаний
ГОСТ 14254—96 (МЭК 529—89) Изделия электротехнические. Степени защиты, обеспечиваемые оболочками (Код IP)
ГОСТ 15150—69 Машины, приборы и другие технические изделия. Исполнения для различных климатических районов. Категории, условия эксплуатации, хранения и транспортирования в части воздействия климатических факторов внешней среды
ГОСТ 15543.1—89: 'Изделия электротехнические. Общие требования в части стойкости к климатическим внешним воздействующим факторам
ГОСТ 16372—93 (МЭК 34-9—90) Машины электрические вращающиеся. Допустимые уровни шума
ГОСТ 17494—87 (МЭК 34-5—81) Машины электрические вращающиеся. Классификация степеней защиты, обеспечиваемых оболочками вращающихся электрических машин
ГОСТ .17516.1—90 Изделия электротехнические. Общие требования в части стойкости к механическим внешним воздействующим факторам
ГОСТ 20459—87 (МЭК 34-6—69) Машины электрические вращающиеся. Методы охлаждения. Обозначения
ГОСТ 20815—93 (МЭК 34-14—82) Машины электрические вращающиеся. Механическая вибрация некоторых видов машин с высотой оси вращения 56 мм и более. Измерение, оценка и допустимые значения
ГОСТ 23216—78 Изделия электротехнические. Хранение, транспортирование, временная противокоррозийная защита, упаковка. Общие требования и методы испытаний
ГОСТ 26772—85 Машины электрические вращающиеся. Обозначение выводов и направление вращения
3 Классификация двигателей по условиям их применения
3.1 Климатическое исполнение двигателей — по ГОСТ 15150 и ГОСТ 15543.1.
3.2 По категории размещения (ГОСТ 15150, ГОСТ 15543.1), степени защиты (ГОСТ 14254) и способу охлаждения (ГОСТ 20459) двигатели должны соответствовать исполнениям, приведенным в таблице 1.
По согласованию*) допускается изготовление двигателей других исполнений и категорий.
________________
*) Здесь и далее под согласованием подразумевается соглашение между изготовителем и основным потребителем или заказчиком.
3.2.1 Двигатели исполнения УХЛ4 должны быть пригодны для работы при температуре окружающей среды от 1 до 45 °С без искусственного регулирования климатических условий.
3.2.2 Степень защиты выводных устройств двигателей всех исполнений — не ниже IP55.
3.3 Двигатели должны быть пригодны для работы в следующих условиях:
- тип атмосферы — II по ГОСТ 15150;
- запыленность окружающего воздуха — не более 10 мг/м3 ;
- температура охлаждающей воды — от 1 до 33 °С (по требованию заказчика допускается устанавливать верхнее значение температуры до 37 °С).
3.4 Условия применения двигателей при воздействии на них абразивной пыли, химических, масляных паров должны быть согласованы.
3.5 Двигатели и их выводные устройства, предназначенные для установки в помещениях с повышенной запыленностью окружающей среды, требующих периодической гидроуборки, должны иметь степень защиты не ниже IP55,
3.6 Двигатели должны соответствовать группе условий эксплуатации в части воздействия механических факторов внешней среды Мб по ГОСТ 17516.1 с ограничением максимальной амплитуды ускорения до 4,9 м/с2 (0,5 g). В технически обоснованных случаях при специальном применении двигателей допускается их соответствие группе Ml.
Двигатели должны выдерживать сейсмическое воздействие до 7 баллов включительно по шкале MSK-64 (т. е. амплитуду ускорения до 0,5 g включительно). Другие требования по сейсмическим воздействиям устанавливают по согласованию.
Таблица 1
| Климатическое исполнение |
Категория размещения |
Степень зашиты |
Способ охлаждения |
| У,УХЛ,Т |
1 и 3 |
IP44, IP55 (по требованию заказчика) |
ICA01A61, ICA01A51 (с воздухо-воздушными охладителями), ICA01A41 (с ребристой станиной) |
| О |
1 |
||
| У |
3 |
IP44, IP55 (по требованию заказчика) |
ICW37A71, ICW37A81 (с водовоздушными охладителями) |
| УХЛ |
4 |
4 Общие технические требования
4.1 Технические характеристики
4.1.1 Двигатели должны соответствовать требованиям настоящего стандарта ГОСТ 183 и ГОСТ 9630.
4.1.2 Номинальный режим работы двигателей — продолжительный 51 по ГОСТ 183.
4.1.3 Двигатели должны сохранять номинальную мощность при длительных отклонениях напряжения и частоты от номинальных значений:
- напряжения — не более +10 %;
- частоты — не более +2,5 %;
- напряжения и частоты (одновременно) — при сумме абсолютных значений отклонений, не превышающей 10 %, если отклонение частоты не превышает 2,5 %.
При длительной работе двигателей при указанных выше отклонениях напряжения и частоты температура активных частей двигателей может быть выше установленной в ГОСТ 183.
4.1.4 Двигатели должны сохранять номинальную мощность при аварийных отклонениях частоты:
- от 49 до 48 Гц — продолжительностью не более 5 мин за один аварийный режим, не более 25 мин — за год и не более 750 мин за срок службы;
- от 48 до 47 Гц — продолжительностью не более 1 мин за один аварийный режим, не более 8 мин — за год и не более 180 мин — за срок службы;
- от 47 до 46 Гц — продолжительностью до 10 с за один аварийный режим и не менее 30 мин — за срок службы.
4.1.5 Двигатели должны быть рассчитаны на кратковременную работу до 60 с с номинальной нагрузкой при номинальной частоте питающей сети и снижении напряжения до 75 % номинального значения.
4.1.6 Двигатели должны сохранять номинальную мощность при работе от сети напряжением:
- содержащим составляющую обратной последовательности, не превышающую 2 % составляющей прямой последовательности;
- имеющим коэффициент несинусоидальности кривой линейного напряжения не более 5 %.
4.1.7 Двигатели должны обеспечивать номинальную нагрузку при температуре охлаждающей воды от 1 до 33 °С.
4.1.8 Номинальные значения кратности начального пускового, минимального и максимального моментов и начального пускового тока двигателей должны соответствовать ГОСТ 9630. При этом минимальное значение кратности максимального момента двигателей для привода насосов должно быть не менее 2,0 о. е.
Для двигателей трактов топливоприготовления и топливоподачи значения кратности пускового и максимального моментов должны соответственно составлять не менее 1,4 и 2,5 о. е., при этом кратности начальных пусковых токов могут превышать значения, приведенные в ГОСТ 9630.
4.1.9 Номинальные значения коэффициента полезного действия и коэффициента мощности должны быть установлены в технических условиях на двигатели конкретных типов.
4.1.10 Двигатели должны выдерживать прямой пуск от полного напряжения сети и обеспечивать пуск механизма как при номинальном напряжении сети, так и при напряжении не менее 80 % номинального в процессе пуска.
В технически обоснованных случаях допускается по согласованию устанавливать более низкое значение напряжения, но не менее 75 % номинального для наиболее мощных двигателей.
Значения моментов сопротивления на валу двигателей при пусках, а также допустимых моментов инерции приводимых механизмов должны быть установлены в технических условиях на двигатели конкретных типов.
4.1.11 Двигатели должны обеспечивать:
- два пуска подряд из практически холодного состояния;
- один пуск из горячего состояния;
- последующие пуски через 3 ч.
4.1.12 Двигатели должны быть рассчитаны на 10000 пусков за срок службы (при мощности до 5000 кВт включительно) или 7500 пусков (при мощности двигателя более 5000 кВт).
4.1.13 В пределах числа пусков по 4.1.12 двигатели должны допускать до шести пусков за сутки (при пусконаладочных работах — до восьми пусков за сутки), а за год:
- насосная группа механизмов — 300—800 пусков;
- питательные насосы — 400—700 пусков;
- тягодутьевые механизмы — 500—700 пусков;
- механизмы топливоприготовления — 800—1000 пусков;
- механизмы топливоподачи — до 2500 пусков, при этом меньшие значения относятся к двигателям мощностью более 5000 кВт.
4.1.14 Вертикальные двигатели, воспринимающие осевую нагрузку на вал, должны соответствовать требованиям 4.1.12 и 4.1.13 при условии замены деталей подшипниковых узлов с периодичностью, указанной в инструкции изготовителя.
4.1.15 Пуск двухскоростных двигателей до большей частоты вращения должен происходить ступенчато через меньшую частоту вращения. В случае необходимости двухскоростные двигатели должны допускать бесступенчатый пуск до большей частоты вращения. Число таких пусков должно быть указано в технических условиях на конкретные двигатели.
Коммутация таких двигателей должна производиться не более чем двумя выключателями.
4.1.16 Двухскоростные двигатели должны допускать шесть переключений схемы соединений обмотки статора (изменений частоты вращения) в сутки.
4.1.17 По условиям крепления обмотки статора двигатели должны допускать повторную подачу питания при векторной сумме остаточного напряжения на шинах собственных нужд, к которым подключен двигатель, и вновь подводимого напряжения питания, не превышающего 180 % номинального.
Двухскоростные двигатели, работающие на большей частоте вращения, при повторной подаче напряжения должны обеспечивать самозапуск на той же частоте вращения.
Количество режимов с повторной подачей питания за срок службы двигателя — не более 500.
4.1.18 Двигатели должны изготовляться с подшипниками качения или скольжения.
Тип смазки подшипников — по ГОСТ 9630.
Подшипники должны быть оснащены датчиками теплоконтроля.
Двигатели мощностью 630 кВт и более, предназначенные для эксплуатации в тяжелых условиях (углеразмольные механизмы, дымососы и т. п.), по согласованию должны быть оснащены датчиками вибрации подшипников.
4.1.19 .Подшипники скольжения с принудительной смазкой под давлением должны работать при температуре подаваемой смазки от 30 до 45 °С. При прекращении подачи смазки подшипники должны допускать работу не менее 2 мин с номинальной частотой вращения и в дальнейшем на выбеге агрегата при согласованных режимах.
4.1.20 Для двигателей с принудительной смазкой подшипников должна быть предусмотрена возможность использования для смазки негорючей жидкости.
4.1.21 В двигателях должен быть предусмотрен тепловой контроль обмотки и сердечника статора, охлаждающего, воздуха и охлаждающей воды на входе и выходе из воздухоохладителя в соответствии с ГОСТ 9630.
4.1.22 Двигатели мощностью 3000 кВт и более должны иметь схему обмотки «звезда» и встроенные трансформаторы тока для дифференциальной защиты, которые выбираются по номинальному значению тока статора.
4.1.23 Допустимые вибрации двигателей — по ГОСТ 20815.
4.1.24 Допустимые уровни шума односкоростных двигателей — по ГОСТ 16372, а двухскоростных двигателей — по ГОСТ 16372 и техническим условиям на двигатели конкретных типов.
4.1.25 Номенклатура и значения показателей надежности должны быть указаны в технических условиях на двигатели конкретных типов, включая:
- срок службы до капитального ремонта — восемь лет;
- расчетный срок службы подшипников качения — не менее 20000 ч — для двухполюсных двигателей, 30000 ч — для вертикальных двигателей и не менее 50000 ч — для остальных типов двигателей.
4.1.26 Комплектность двигателей — по стандартам и техническим условиям на двигатели конкретных типов, включая ремонтную документацию по ГОСТ 2.602.
В комплект поставки двигателя с принудительной смазкой подшипников должна входить маслостанция, если для подшипников приводимого механизма принудительной смазки не требуется.
4.1.27 Маркировка двигателей — по ГОСТ 26772 и техническим условиям на двигатели конкретных ТИПОВ.
4.1.28 Упаковка двигателей — по ГОСТ 23216 и техническим условиям на двигатели конкретных типов.
4.2 Требования к конструкции двигателей
4.2.1 Класс нагревостойкости электроизоляционных материалов, применяемых в двигателях, должен быть не ниже В по ГОСТ 8865.
4.2.2 Выводные устройства двигателей должны быть изготовлены в соответствии с требованиями ГОСТ 9630.
Обмотка статора двигателей должна иметь шесть выводных концов, закрепленных в выводном устройстве: три конца являются выводами трех фаз, а остальные три конца соединяются вместе в нулевую точку. По согласованию соединение выводных концов в нулевую точку может выполняться в отдельной коробке.
4.2.3 Двухскоростные двигатели должны быть оснащены вводными устройствами для каждой частоты вращения.
4.2.4 Класс нагревостойкости изоляции выводных концов должен соответствовать классу нагревостойкости изоляции обмотки статора.
4.2.5 Конструкция выводного устройства должна обеспечивать возможность подключения и уплотнения одного или двух трехжильных питающих кабелей с медными или алюминиевыми жилами. В технически обоснованных случаях по согласованию конструкция выводного устройства должна обеспечивать подключение и уплотнение трех и более трехжильных питающих кабелей.
4.2.6 Двигатели, оснащенные встроенными трансформаторами тока для дифференциальной защиты, должны иметь два выводных устройства: одно — для вывода начала фаз обмотки статора, а второе — для вывода концов обмотки статора, образующих нулевую точку.
4.2.7 Выводные устройства должны допускать разворот с фиксацией через 90° для подвода питающих кабелей с любой стороны. По согласованию выводные устройства двигателей мощностью более 2500 кВт могут допускать разворот с фиксацией через 180°.
4.2.8 Элементы конструкции выводного устройства при токе короткого замыкания 40 кА длительностью 0,5 с и при ударном токе 128 кА не должны разрушаться до степени, угрожающей безопасности обслуживающего персонала.
4.2.9 Выводные устройства должны допускать отгибание отсоединенных кабелей вместе с узлом крепления на период испытаний.
4.2.10 Подшипниковые узлы двигателей должны соответствовать требованиям ГОСТ 9630. Конструкция лабиринтовых уплотнений подшипника должна исключать вытекание жидкой смазки из корпуса подшипника.
4.2.11 Стояковые подшипники скольжения двигателей должны быть установлены на единую фундаментную плиту двигателя.
Стояковые подшипники двигателей мощностью более 1000 кВт должны быть изолированы от фундаментной плиты и маслопроводов со стороны, противоположной присоединенному механизму.
4.2.12 Двигатели не должны иметь вентиляционных устройств с автономным электропитанием («вентиляторов—наездников»).
4.2.13 Двигатели мощностью более 1000 кВт климатического исполнения У, УХЛ, О, Т и способа охлаждения ICA01A61 или IGA01A51 в технически обоснованных случаях по согласованию должны быть оснащены встроенными электронагревателями, собранными из групп однофазных нагревателей на 220 В, подключенных к сети напряжением 380 В. Зажимы нагревателей должны быть выведены на клеммную сборку; изоляция проводки нагревателей не должна поддерживать горение.
Конструкция корпуса должна обеспечивать удобство монтажа и демонтажа нагревателей и защиту персонала от случайного прикосновения.
4.2.14 Двигатели со встроенными водяными воздухоохладителями должны иметь конструкцию, обеспечивающую их работоспособность в случае протекания воды из воздухоохладителя, и должны быть оснащены датчиком наличия воды в корпусе.
Рабочее давление воды в воздухоохладителях должно быть не более 600 кПа.
4.2.15 Двигатели должны быть оснащены дренажным отверстием для отвода конденсата и утечек воды, конструкция которого по степени защиты должна соответствовать ГОСТ 17494.
4.2.16 Соединение двигателей горизонтального исполнения с приводимым механизмом — с помощью муфты, не передающей осевые усилия на вал двигателя. Значения радиальных усилий должны быть установлены в технических условиях на двигатели конкретных типов.
Двигатели вертикального исполнения с фланцевым соединением с приводимым механизмом должны выдерживать осевые и радиальные усилия на валу, передаваемые механизмом, и кратковременное вращение двигателя в обратном направлении. Значения усилий и условия перехода на обратное направление вращения должны быть установлены в технических условиях на конкретные типы двигателей.
5 Требования безопасности
Двигатели должны соответствовать требованиям безопасности ГОСТ 12.2.007.0, ГОСТ 12.2.007.1, ГОСТ 12.1.003, ГОСТ 9630 и [1].
6 Правила приемки
6.1 Для проверки соответствия двигателей требованиям настоящего стандарта проводят приемочные, квалификационные, приемосдаточные, сертификационные, периодические и типовые испытания.
Приемочные, квалификационные, приемосдаточные, периодические и типовые испытания двигателей должен проводить изготовитель по ГОСТ 183, ГОСТ 9630 и настоящему стандарту.
Сертификационные испытания двигателей должен проводить испытательный центр (лаборатория), аккредитованный на право; проведения указанных испытаний в установленном порядке.
В случае невозможности проведения части, испытаний на стенде изготовителя эти испытания должны проводиться на месте установки двигателя изготовителем.
6.2 Приемочные испытания проводят на опытном (головном) образце двигателя в следующем объеме.
6.2.1 Испытания по программе приемочных согласно ГОСТ 9630.
6.2.2 Проверка возможности прямого пуска двигателя от сети
6.2.3 Проверка возможности бесступенчатого пуска двухскоростного двигателя от сети до большей частоты вращения.
6.2.4 Проверка работоспособности подшипниковых узлов скольжения с принудительной смазкой под давлением.
6.2.5 Измерение перепада давления воды в встроенном воздухоохладителе двигателя с замкнутой системой охлаждения.
6.2.6 Испытания на электромагнитную совместимость, т. е. на устойчивость к воздействию электромагнитных помех следующих видов: отклонение напряжения, отклонение частоты, одновременное отклонение напряжения и частоты от номинальных значений, несимметрия и несинусоидальность напряжения питающей сети.
6.2.7 Ресурсные испытания двигателя или его отдельных узлов для определения их работоспособности.
6.3 Приемосдаточные испытания проводят по ГОСТ 9630 в следующем объеме.
6.3.1 Испытания по программе приемосдаточных согласно ГОСТ 9630.
6.3.2 Определение уровня шума.
6.3.3 Проверка целостности воздухоохладителей.
6.4 Квалификационные испытания проводят по ГОСТ.9630 и 6.2 настоящего: стандарта.
6.5 Сертификационные испытания рекомендуется проводить на головном образце двигателя или на типопредставителях серийно выпускаемых двигателей по согласованной программе.
6.6 Периодические испытания проводят на одном двигателе из числа прошедших приемосдаточные испытания не реже одного раза в три года по программе периодических испытаний по ГОСТ 9630 и 6.2 настоящего стандарта, за исключением проверки безопасности выводного устройства и ресурсных испытаний.
6.7 Типовые испытания двигателя проводят по ГОСТ 9630.
7 Методы испытаний
7.1 Методы испытаний двигателей - по ГОСТ 183, ГОСТ 9630, ГОСТ 11828 и ГОСТ 7217 и настоящему стандарту.
7.2 Оценку надежности двигателей проводят один раз в три года по показателям надежности двигателей каждого типоисполнения, полученным путем сбора и статистической обработки данных двигателей, находящихся в эксплуатации, в соответствии с нормативной документацией, утвержденной в установленном порядке. Количество контролируемых двигателей каждого типоисполнения устанавливают по согласованию.
7.3 Проверку возможности прямого пуска двигателя от сети проводят с подсоединенным к двигателю механизмом или маховой массой на валу, соответствующей допустимой маховой массе приводимого механизма. Напряжение при пуске должно соответствовать указанному в 4.1.10.
7.4 Проверку возможности бесступенчатого пуска двухскоростного двигателя до большей частоты вращения проводят путем пуска от сети аналогично 7.3 при схеме соединения обмотки статора двигателя, соответствующей большей частоте вращения.
7.5 Водяной воздухоохладитель испытывают давлением 1,5 Р раб (рабочего давления) в течение 15 мин.
Перепад давления воды в воздухоохладителе и расход воды определяют при помощи манометра и расходомера соответственно.
7.6 Испытания подшипников скольжения с принудительной смазкой под давлением проводят при номинальном расходе масла и при прекращении подачи масла после достижения подшипниками установившейся температуры. В течение 2 мин после прекращения подачи масла и за время выбега двигателя температура вкладышей подшипников не должна превышать предельно допустимой по ГОСТ 183.
7.7 Ресурсные испытания двигателя на допустимое число пусков проводят на одном типопредставителе серии путем пусков двигателя с маховой массой, соответствующей допустимой маховой массе приводимого механизма, по методике, согласованной между изготовителем и потребителем.
7.8 Испытание выводного устройства двигателя на безопасность проводят по методике, согласованной между изготовителем и потребителем.
7.9 Проверку двигателя на устойчивость к воздействию электромагнитных помех проводят по методике, согласованной между изготовителем и потребителем.
7.10 Соответствие двигателей требованиям стойкости к механическим внешним воздействующим факторам и сейсмостойкости должно быть подтверждено расчетами по ГОСТ 17516.1.
8 Транспортирование и хранение
Транспортирование и хранение двигателей — по ГОСТ 23216 и техническим условиям на двигатели конкретных типов.
9 Указания по эксплуатации
9.1 Условия эксплуатации двигателей — по настоящему стандарту, правилам [2], [3], а также по техническим условиям и инструкции по эксплуатации по ГОСТ 2.601 на двигатели конкретных типов.
9.2 Заказчик должен обеспечить эффективную защиту двигателей от многофазных коротких замыканий, неполнофазных режимов, оттоков перегрузки (перегревов), затяжных пусков, перерывов в подаче охлаждающей воды и масла, а также эффективный контроль за тепловым и вибрационным состоянием двигателей по датчикам, установленным изготовителем в соответствии с [2].
Поставляемые с двигателем датчики должны быть пригодны для подключения к автоматическим системам контроля и диагностики.
9.3 При отсутствии разгона двигателя с присоединенным механизмом до установившейся частоты вращения двигатель должен быть отключен от сети защитой:
не более чем через 5 с после включения в случае двухполюсного двигателя;
не более чем через 10 с после включения во всех остальных случаях.
9.4 Двигатели с замкнутой системой вентиляции и встроенными водяными воздухоохладителями должны иметь защиту, действующую на сигнал, при уменьшении потока воды ниже заданного значения и на отключение двигателя, при его прекращении. Кроме того, должна быть предусмотрена сигнализация, действующая при появлении воды в корпусе двигателя.
Водяные воздухоохладители должны быть рассчитаны на нормальную работу при использовании пресной, минеральной и морской воды.
9.5 Вибрация подшипников двигателя, соединенного с механизмом, должна соответствовать требованиям [2].
10 Гарантии изготовителя
10.1 Изготовитель должен гарантировать соответствие двигателя требованиям настоящего стандарта и технических условий на конкретные виды двигателей при условии соблюдения правил транспортирования, хранения, монтажа и эксплуатации.
10.2 Гарантийный срок — три года с начала эксплуатации двигателя.
Гарантийный срок эксплуатации исчисляется со дня ввода двигателя в эксплуатацию, но не позднее 6 мес для действующих и 9 мес для строящихся объектов со дня поступления к заказчику (потребителю).
ГОСТ Р 51757-2001
УДК 621.313.333,2.025.3:006.354 Группа Е61
ГОСУДАРСТВЕННЫй СТАНДАРТ РОССИЙСКОЙ ФЕДЕРАЦИИ
ДВИГАТЕЛИ ТРЕХФАЗНЫЕ АСИНХРОННЫЕ НАПРЯЖЕНИЕМ СВЫШЕ 1000 В ДЛЯ МЕХАНИЗМОВ СОБСТВЕННЫХ НУЖД ТЕПЛОВЫХ ЭЛЕКТРОСТАНЦИЙ
Общие технические условия
3-phase induction raptors of voltage over 1000 V for auxiliaries of thermal power stations.
General specifications
ОКС 29.160.30
ОКСТУ 3330
ОКП 33 3672
Дата введения 2002—01—01
Предисловие
1 РАЗРАБОТАН Акционерным обществом «Научно-исследовательский институт электроэнергетики»
ВНЕСЕН Техническим комитетом по стандартизации «Электрические машины» (ТК 333)
2 ПРИНЯТ И ВВЕДЕН В ДЕЙСТВИЕ Постановлением Государственного комитета Российской Федерации по стандартизации и метрологии от 7 июня 2001 г. № 222-ст
3 Стандарт соответствует требованиям ГОСТ 183, ГОСТ 9630 и международного стандарта МЭК 60034-1 (1996) «Вращающиеся электрические машины. Номинальные данные и характеристики»
4 ВВЕДЕН ВПЕРВЫЕ
1 Область применения
Настоящий стандарт распространяется на двигатели трехфазные асинхронные (далее — двигатели) с короткозамкнутым ротором, мощностью 200 кВт и более, напряжением 1000 В и выше, частотой 50 и 60 Гц, односкоростные и двухскоростные, предназначенные для механизмов собственных нужд тепловых электростанций; изготовляемые для нужд электроэнергетики Российской Федерации (РФ) и поставки на экспорт.
Стандарт может быть использован при разработке двигателей мощностью 200 кВт и более напряжением 660 В.
Настоящий стандарт не распространяется на двигатели, предназначенные для применения в особых условиях, например, взрывозащищенные и погружные.
2 Нормативные ссылки
В настоящем стандарте использованы ссылки на следующие стандарты:
ГОСТ 2.601—95 Единая система конструкторской документации. Эксплуатационные документы
ГОСТ 2.602—95 Единая система конструкторской документации. Ремонтные документы
ГОСТ 12.1.003—83 Система стандартов безопасности труда. Шум. Общие требования безопасности
ГОСТ 12.2.007.0—75 Система стандартов безопасности труда. Изделия электротехнические. Общие требования безопасности
ГОСТ 12.2.007.1—75 Система стандартов безопасности труда. Машины электрические вращающиеся. Требования безопасности
ГОСТ 183—74 Машины электрические вращающиеся. Общие технические условия
ГОСТ 7217—87 Машины электрические вращающиеся. Двигатели асинхронные. Методы испытаний
ГОСТ 8865—93 Системы электрической изоляции. Оценка нагревостойкости и классификация
ГОСТ 9630—80 Двигатели трехфазные асинхронные напряжением свыше 1000 В. Общие технические условия
ГОСТ 11828—86 Машины электрические вращающиеся. Общие методы испытаний
ГОСТ 14254—96 (МЭК 529—89) Изделия электротехнические. Степени защиты, обеспечиваемые оболочками (Код IP)
ГОСТ 15150—69 Машины, приборы и другие технические изделия. Исполнения для различных климатических районов. Категории, условия эксплуатации, хранения и транспортирования в части воздействия климатических факторов внешней среды
ГОСТ 15543.1—89: 'Изделия электротехнические. Общие требования в части стойкости к климатическим внешним воздействующим факторам
ГОСТ 16372—93 (МЭК 34-9—90) Машины электрические вращающиеся. Допустимые уровни шума
ГОСТ 17494—87 (МЭК 34-5—81) Машины электрические вращающиеся. Классификация степеней защиты, обеспечиваемых оболочками вращающихся электрических машин
ГОСТ .17516.1—90 Изделия электротехнические. Общие требования в части стойкости к механическим внешним воздействующим факторам
ГОСТ 20459—87 (МЭК 34-6—69) Машины электрические вращающиеся. Методы охлаждения. Обозначения
ГОСТ 20815—93 (МЭК 34-14—82) Машины электрические вращающиеся. Механическая вибрация некоторых видов машин с высотой оси вращения 56 мм и более. Измерение, оценка и допустимые значения
ГОСТ 23216—78 Изделия электротехнические. Хранение, транспортирование, временная противокоррозийная защита, упаковка. Общие требования и методы испытаний
ГОСТ 26772—85 Машины электрические вращающиеся. Обозначение выводов и направление вращения
3 Классификация двигателей по условиям их применения
3.1 Климатическое исполнение двигателей — по ГОСТ 15150 и ГОСТ 15543.1.
3.2 По категории размещения (ГОСТ 15150, ГОСТ 15543.1), степени защиты (ГОСТ 14254) и способу охлаждения (ГОСТ 20459) двигатели должны соответствовать исполнениям, приведенным в таблице 1.
По согласованию*) допускается изготовление двигателей других исполнений и категорий.
________________
*) Здесь и далее под согласованием подразумевается соглашение между изготовителем и основным потребителем или заказчиком.
3.2.1 Двигатели исполнения УХЛ4 должны быть пригодны для работы при температуре окружающей среды от 1 до 45 °С без искусственного регулирования климатических условий.
3.2.2 Степень защиты выводных устройств двигателей всех исполнений — не ниже IP55.
3.3 Двигатели должны быть пригодны для работы в следующих условиях:
- тип атмосферы — II по ГОСТ 15150;
- запыленность окружающего воздуха — не более 10 мг/м3 ;
- температура охлаждающей воды — от 1 до 33 °С (по требованию заказчика допускается устанавливать верхнее значение температуры до 37 °С).
3.4 Условия применения двигателей при воздействии на них абразивной пыли, химических, масляных паров должны быть согласованы.
3.5 Двигатели и их выводные устройства, предназначенные для установки в помещениях с повышенной запыленностью окружающей среды, требующих периодической гидроуборки, должны иметь степень защиты не ниже IP55,
3.6 Двигатели должны соответствовать группе условий эксплуатации в части воздействия механических факторов внешней среды Мб по ГОСТ 17516.1 с ограничением максимальной амплитуды ускорения до 4,9 м/с2 (0,5 g). В технически обоснованных случаях при специальном применении двигателей допускается их соответствие группе Ml.
Двигатели должны выдерживать сейсмическое воздействие до 7 баллов включительно по шкале MSK-64 (т. е. амплитуду ускорения до 0,5 g включительно). Другие требования по сейсмическим воздействиям устанавливают по согласованию.
Таблица 1
| Климатическое исполнение |
Категория размещения |
Степень зашиты |
Способ охлаждения |
| У,УХЛ,Т |
1 и 3 |
IP44, IP55 (по требованию заказчика) |
ICA01A61, ICA01A51 (с воздухо-воздушными охладителями), ICA01A41 (с ребристой станиной) |
| О |
1 |
||
| У |
3 |
IP44, IP55 (по требованию заказчика) |
ICW37A71, ICW37A81 (с водовоздушными охладителями) |
| УХЛ |
4 |
4 Общие технические требования
4.1 Технические характеристики
4.1.1 Двигатели должны соответствовать требованиям настоящего стандарта ГОСТ 183 и ГОСТ 9630.
4.1.2 Номинальный режим работы двигателей — продолжительный 51 по ГОСТ 183.
4.1.3 Двигатели должны сохранять номинальную мощность при длительных отклонениях напряжения и частоты от номинальных значений:
- напряжения — не более +10 %;
- частоты — не более +2,5 %;
- напряжения и частоты (одновременно) — при сумме абсолютных значений отклонений, не превышающей 10 %, если отклонение частоты не превышает 2,5 %.
При длительной работе двигателей при указанных выше отклонениях напряжения и частоты температура активных частей двигателей может быть выше установленной в ГОСТ 183.
4.1.4 Двигатели должны сохранять номинальную мощность при аварийных отклонениях частоты:
- от 49 до 48 Гц — продолжительностью не более 5 мин за один аварийный режим, не более 25 мин — за год и не более 750 мин за срок службы;
- от 48 до 47 Гц — продолжительностью не более 1 мин за один аварийный режим, не более 8 мин — за год и не более 180 мин — за срок службы;
- от 47 до 46 Гц — продолжительностью до 10 с за один аварийный режим и не менее 30 мин — за срок службы.
4.1.5 Двигатели должны быть рассчитаны на кратковременную работу до 60 с с номинальной нагрузкой при номинальной частоте питающей сети и снижении напряжения до 75 % номинального значения.
4.1.6 Двигатели должны сохранять номинальную мощность при работе от сети напряжением:
- содержащим составляющую обратной последовательности, не превышающую 2 % составляющей прямой последовательности;
- имеющим коэффициент несинусоидальности кривой линейного напряжения не более 5 %.
4.1.7 Двигатели должны обеспечивать номинальную нагрузку при температуре охлаждающей воды от 1 до 33 °С.
4.1.8 Номинальные значения кратности начального пускового, минимального и максимального моментов и начального пускового тока двигателей должны соответствовать ГОСТ 9630. При этом минимальное значение кратности максимального момента двигателей для привода насосов должно быть не менее 2,0 о. е.
Для двигателей трактов топливоприготовления и топливоподачи значения кратности пускового и максимального моментов должны соответственно составлять не менее 1,4 и 2,5 о. е., при этом кратности начальных пусковых токов могут превышать значения, приведенные в ГОСТ 9630.
4.1.9 Номинальные значения коэффициента полезного действия и коэффициента мощности должны быть установлены в технических условиях на двигатели конкретных типов.
4.1.10 Двигатели должны выдерживать прямой пуск от полного напряжения сети и обеспечивать пуск механизма как при номинальном напряжении сети, так и при напряжении не менее 80 % номинального в процессе пуска.
В технически обоснованных случаях допускается по согласованию устанавливать более низкое значение напряжения, но не менее 75 % номинального для наиболее мощных двигателей.
Значения моментов сопротивления на валу двигателей при пусках, а также допустимых моментов инерции приводимых механизмов должны быть установлены в технических условиях на двигатели конкретных типов.
4.1.11 Двигатели должны обеспечивать:
- два пуска подряд из практически холодного состояния;
- один пуск из горячего состояния;
- последующие пуски через 3 ч.
4.1.12 Двигатели должны быть рассчитаны на 10000 пусков за срок службы (при мощности до 5000 кВт включительно) или 7500 пусков (при мощности двигателя более 5000 кВт).
4.1.13 В пределах числа пусков по 4.1.12 двигатели должны допускать до шести пусков за сутки (при пусконаладочных работах — до восьми пусков за сутки), а за год:
- насосная группа механизмов — 300—800 пусков;
- питательные насосы — 400—700 пусков;
- тягодутьевые механизмы — 500—700 пусков;
- механизмы топливоприготовления — 800—1000 пусков;
- механизмы топливоподачи — до 2500 пусков, при этом меньшие значения относятся к двигателям мощностью более 5000 кВт.
4.1.14 Вертикальные двигатели, воспринимающие осевую нагрузку на вал, должны соответствовать требованиям 4.1.12 и 4.1.13 при условии замены деталей подшипниковых узлов с периодичностью, указанной в инструкции изготовителя.
4.1.15 Пуск двухскоростных двигателей до большей частоты вращения должен происходить ступенчато через меньшую частоту вращения. В случае необходимости двухскоростные двигатели должны допускать бесступенчатый пуск до большей частоты вращения. Число таких пусков должно быть указано в технических условиях на конкретные двигатели.
Коммутация таких двигателей должна производиться не более чем двумя выключателями.
4.1.16 Двухскоростные двигатели должны допускать шесть переключений схемы соединений обмотки статора (изменений частоты вращения) в сутки.
4.1.17 По условиям крепления обмотки статора двигатели должны допускать повторную подачу питания при векторной сумме остаточного напряжения на шинах собственных нужд, к которым подключен двигатель, и вновь подводимого напряжения питания, не превышающего 180 % номинального.
Двухскоростные двигатели, работающие на большей частоте вращения, при повторной подаче напряжения должны обеспечивать самозапуск на той же частоте вращения.
Количество режимов с повторной подачей питания за срок службы двигателя — не более 500.
4.1.18 Двигатели должны изготовляться с подшипниками качения или скольжения.
Тип смазки подшипников — по ГОСТ 9630.
Подшипники должны быть оснащены датчиками теплоконтроля.
Двигатели мощностью 630 кВт и более, предназначенные для эксплуатации в тяжелых условиях (углеразмольные механизмы, дымососы и т. п.), по согласованию должны быть оснащены датчиками вибрации подшипников.
4.1.19 .Подшипники скольжения с принудительной смазкой под давлением должны работать при температуре подаваемой смазки от 30 до 45 °С. При прекращении подачи смазки подшипники должны допускать работу не менее 2 мин с номинальной частотой вращения и в дальнейшем на выбеге агрегата при согласованных режимах.
4.1.20 Для двигателей с принудительной смазкой подшипников должна быть предусмотрена возможность использования для смазки негорючей жидкости.
4.1.21 В двигателях должен быть предусмотрен тепловой контроль обмотки и сердечника статора, охлаждающего, воздуха и охлаждающей воды на входе и выходе из воздухоохладителя в соответствии с ГОСТ 9630.
4.1.22 Двигатели мощностью 3000 кВт и более должны иметь схему обмотки «звезда» и встроенные трансформаторы тока для дифференциальной защиты, которые выбираются по номинальному значению тока статора.
4.1.23 Допустимые вибрации двигателей — по ГОСТ 20815.
4.1.24 Допустимые уровни шума односкоростных двигателей — по ГОСТ 16372, а двухскоростных двигателей — по ГОСТ 16372 и техническим условиям на двигатели конкретных типов.
4.1.25 Номенклатура и значения показателей надежности должны быть указаны в технических условиях на двигатели конкретных типов, включая:
- срок службы до капитального ремонта — восемь лет;
- расчетный срок службы подшипников качения — не менее 20000 ч — для двухполюсных двигателей, 30000 ч — для вертикальных двигателей и не менее 50000 ч — для остальных типов двигателей.
4.1.26 Комплектность двигателей — по стандартам и техническим условиям на двигатели конкретных типов, включая ремонтную документацию по ГОСТ 2.602.
В комплект поставки двигателя с принудительной смазкой подшипников должна входить маслостанция, если для подшипников приводимого механизма принудительной смазки не требуется.
4.1.27 Маркировка двигателей — по ГОСТ 26772 и техническим условиям на двигатели конкретных ТИПОВ.
4.1.28 Упаковка двигателей — по ГОСТ 23216 и техническим условиям на двигатели конкретных типов.
4.2 Требования к конструкции двигателей
4.2.1 Класс нагревостойкости электроизоляционных материалов, применяемых в двигателях, должен быть не ниже В по ГОСТ 8865.
4.2.2 Выводные устройства двигателей должны быть изготовлены в соответствии с требованиями ГОСТ 9630.
Обмотка статора двигателей должна иметь шесть выводных концов, закрепленных в выводном устройстве: три конца являются выводами трех фаз, а остальные три конца соединяются вместе в нулевую точку. По согласованию соединение выводных концов в нулевую точку может выполняться в отдельной коробке.
4.2.3 Двухскоростные двигатели должны быть оснащены вводными устройствами для каждой частоты вращения.
4.2.4 Класс нагревостойкости изоляции выводных концов должен соответствовать классу нагревостойкости изоляции обмотки статора.
4.2.5 Конструкция выводного устройства должна обеспечивать возможность подключения и уплотнения одного или двух трехжильных питающих кабелей с медными или алюминиевыми жилами. В технически обоснованных случаях по согласованию конструкция выводного устройства должна обеспечивать подключение и уплотнение трех и более трехжильных питающих кабелей.
4.2.6 Двигатели, оснащенные встроенными трансформаторами тока для дифференциальной защиты, должны иметь два выводных устройства: одно — для вывода начала фаз обмотки статора, а второе — для вывода концов обмотки статора, образующих нулевую точку.
4.2.7 Выводные устройства должны допускать разворот с фиксацией через 90° для подвода питающих кабелей с любой стороны. По согласованию выводные устройства двигателей мощностью более 2500 кВт могут допускать разворот с фиксацией через 180°.
4.2.8 Элементы конструкции выводного устройства при токе короткого замыкания 40 кА длительностью 0,5 с и при ударном токе 128 кА не должны разрушаться до степени, угрожающей безопасности обслуживающего персонала.
4.2.9 Выводные устройства должны допускать отгибание отсоединенных кабелей вместе с узлом крепления на период испытаний.
4.2.10 Подшипниковые узлы двигателей должны соответствовать требованиям ГОСТ 9630. Конструкция лабиринтовых уплотнений подшипника должна исключать вытекание жидкой смазки из корпуса подшипника.
4.2.11 Стояковые подшипники скольжения двигателей должны быть установлены на единую фундаментную плиту двигателя.
Стояковые подшипники двигателей мощностью более 1000 кВт должны быть изолированы от фундаментной плиты и маслопроводов со стороны, противоположной присоединенному механизму.
4.2.12 Двигатели не должны иметь вентиляционных устройств с автономным электропитанием («вентиляторов—наездников»).
4.2.13 Двигатели мощностью более 1000 кВт климатического исполнения У, УХЛ, О, Т и способа охлаждения ICA01A61 или IGA01A51 в технически обоснованных случаях по согласованию должны быть оснащены встроенными электронагревателями, собранными из групп однофазных нагревателей на 220 В, подключенных к сети напряжением 380 В. Зажимы нагревателей должны быть выведены на клеммную сборку; изоляция проводки нагревателей не должна поддерживать горение.
Конструкция корпуса должна обеспечивать удобство монтажа и демонтажа нагревателей и защиту персонала от случайного прикосновения.
4.2.14 Двигатели со встроенными водяными воздухоохладителями должны иметь конструкцию, обеспечивающую их работоспособность в случае протекания воды из воздухоохладителя, и должны быть оснащены датчиком наличия воды в корпусе.
Рабочее давление воды в воздухоохладителях должно быть не более 600 кПа.
4.2.15 Двигатели должны быть оснащены дренажным отверстием для отвода конденсата и утечек воды, конструкция которого по степени защиты должна соответствовать ГОСТ 17494.
4.2.16 Соединение двигателей горизонтального исполнения с приводимым механизмом — с помощью муфты, не передающей осевые усилия на вал двигателя. Значения радиальных усилий должны быть установлены в технических условиях на двигатели конкретных типов.
Двигатели вертикального исполнения с фланцевым соединением с приводимым механизмом должны выдерживать осевые и радиальные усилия на валу, передаваемые механизмом, и кратковременное вращение двигателя в обратном направлении. Значения усилий и условия перехода на обратное направление вращения должны быть установлены в технических условиях на конкретные типы двигателей.
5 Требования безопасности
Двигатели должны соответствовать требованиям безопасности ГОСТ 12.2.007.0, ГОСТ 12.2.007.1, ГОСТ 12.1.003, ГОСТ 9630 и [1].
6 Правила приемки
6.1 Для проверки соответствия двигателей требованиям настоящего стандарта проводят приемочные, квалификационные, приемосдаточные, сертификационные, периодические и типовые испытания.
Приемочные, квалификационные, приемосдаточные, периодические и типовые испытания двигателей должен проводить изготовитель по ГОСТ 183, ГОСТ 9630 и настоящему стандарту.
Сертификационные испытания двигателей должен проводить испытательный центр (лаборатория), аккредитованный на право; проведения указанных испытаний в установленном порядке.
В случае невозможности проведения части, испытаний на стенде изготовителя эти испытания должны проводиться на месте установки двигателя изготовителем.
6.2 Приемочные испытания проводят на опытном (головном) образце двигателя в следующем объеме.
6.2.1 Испытания по программе приемочных согласно ГОСТ 9630.
6.2.2 Проверка возможности прямого пуска двигателя от сети
6.2.3 Проверка возможности бесступенчатого пуска двухскоростного двигателя от сети до большей частоты вращения.
6.2.4 Проверка работоспособности подшипниковых узлов скольжения с принудительной смазкой под давлением.
6.2.5 Измерение перепада давления воды в встроенном воздухоохладителе двигателя с замкнутой системой охлаждения.
6.2.6 Испытания на электромагнитную совместимость, т. е. на устойчивость к воздействию электромагнитных помех следующих видов: отклонение напряжения, отклонение частоты, одновременное отклонение напряжения и частоты от номинальных значений, несимметрия и несинусоидальность напряжения питающей сети.
6.2.7 Ресурсные испытания двигателя или его отдельных узлов для определения их работоспособности.
6.3 Приемосдаточные испытания проводят по ГОСТ 9630 в следующем объеме.
6.3.1 Испытания по программе приемосдаточных согласно ГОСТ 9630.
6.3.2 Определение уровня шума.
6.3.3 Проверка целостности воздухоохладителей.
6.4 Квалификационные испытания проводят по ГОСТ.9630 и 6.2 настоящего: стандарта.
6.5 Сертификационные испытания рекомендуется проводить на головном образце двигателя или на типопредставителях серийно выпускаемых двигателей по согласованной программе.
6.6 Периодические испытания проводят на одном двигателе из числа прошедших приемосдаточные испытания не реже одного раза в три года по программе периодических испытаний по ГОСТ 9630 и 6.2 настоящего стандарта, за исключением проверки безопасности выводного устройства и ресурсных испытаний.
6.7 Типовые испытания двигателя проводят по ГОСТ 9630.
7 Методы испытаний
7.1 Методы испытаний двигателей - по ГОСТ 183, ГОСТ 9630, ГОСТ 11828 и ГОСТ 7217 и настоящему стандарту.
7.2 Оценку надежности двигателей проводят один раз в три года по показателям надежности двигателей каждого типоисполнения, полученным путем сбора и статистической обработки данных двигателей, находящихся в эксплуатации, в соответствии с нормативной документацией, утвержденной в установленном порядке. Количество контролируемых двигателей каждого типоисполнения устанавливают по согласованию.
7.3 Проверку возможности прямого пуска двигателя от сети проводят с подсоединенным к двигателю механизмом или маховой массой на валу, соответствующей допустимой маховой массе приводимого механизма. Напряжение при пуске должно соответствовать указанному в 4.1.10.
7.4 Проверку возможности бесступенчатого пуска двухскоростного двигателя до большей частоты вращения проводят путем пуска от сети аналогично 7.3 при схеме соединения обмотки статора двигателя, соответствующей большей частоте вращения.
7.5 Водяной воздухоохладитель испытывают давлением 1,5 Р раб (рабочего давления) в течение 15 мин.
Перепад давления воды в воздухоохладителе и расход воды определяют при помощи манометра и расходомера соответственно.
7.6 Испытания подшипников скольжения с принудительной смазкой под давлением проводят при номинальном расходе масла и при прекращении подачи масла после достижения подшипниками установившейся температуры. В течение 2 мин после прекращения подачи масла и за время выбега двигателя температура вкладышей подшипников не должна превышать предельно допустимой по ГОСТ 183.
7.7 Ресурсные испытания двигателя на допустимое число пусков проводят на одном типопредставителе серии путем пусков двигателя с маховой массой, соответствующей допустимой маховой массе приводимого механизма, по методике, согласованной между изготовителем и потребителем.
7.8 Испытание выводного устройства двигателя на безопасность проводят по методике, согласованной между изготовителем и потребителем.
7.9 Проверку двигателя на устойчивость к воздействию электромагнитных помех проводят по методике, согласованной между изготовителем и потребителем.
7.10 Соответствие двигателей требованиям стойкости к механическим внешним воздействующим факторам и сейсмостойкости должно быть подтверждено расчетами по ГОСТ 17516.1.
8 Транспортирование и хранение
Транспортирование и хранение двигателей — по ГОСТ 23216 и техническим условиям на двигатели конкретных типов.
9 Указания по эксплуатации
9.1 Условия эксплуатации двигателей — по настоящему стандарту, правилам [2], [3], а также по техническим условиям и инструкции по эксплуатации по ГОСТ 2.601 на двигатели конкретных типов.
9.2 Заказчик должен обеспечить эффективную защиту двигателей от многофазных коротких замыканий, неполнофазных режимов, оттоков перегрузки (перегревов), затяжных пусков, перерывов в подаче охлаждающей воды и масла, а также эффективный контроль за тепловым и вибрационным состоянием двигателей по датчикам, установленным изготовителем в соответствии с [2].
Поставляемые с двигателем датчики должны быть пригодны для подключения к автоматическим системам контроля и диагностики.
9.3 При отсутствии разгона двигателя с присоединенным механизмом до установившейся частоты вращения двигатель должен быть отключен от сети защитой:
не более чем через 5 с после включения в случае двухполюсного двигателя;
не более чем через 10 с после включения во всех остальных случаях.
9.4 Двигатели с замкнутой системой вентиляции и встроенными водяными воздухоохладителями должны иметь защиту, действующую на сигнал, при уменьшении потока воды ниже заданного значения и на отключение двигателя, при его прекращении. Кроме того, должна быть предусмотрена сигнализация, действующая при появлении воды в корпусе двигателя.
Водяные воздухоохладители должны быть рассчитаны на нормальную работу при использовании пресной, минеральной и морской воды.
9.5 Вибрация подшипников двигателя, соединенного с механизмом, должна соответствовать требованиям [2].
10 Гарантии изготовителя
10.1 Изготовитель должен гарантировать соответствие двигателя требованиям настоящего стандарта и технических условий на конкретные виды двигателей при условии соблюдения правил транспортирования, хранения, монтажа и эксплуатации.
10.2 Гарантийный срок — три года с начала эксплуатации двигателя.
Гарантийный срок эксплуатации исчисляется со дня ввода двигателя в эксплуатацию, но не позднее 6 мес для действующих и 9 мес для строящихся объектов со дня поступления к заказчику (потребителю).
ГОСТ Р МЭК 332-1-96
УДК 621.315.2.001.4:006.354 Группа Е46
ГОСУДАРСТВЕННЫЙ СТАНДАРТ РОССИЙСКОЙ ФЕДЕРАЦИИ
ИСПЫТАНИЯ КАБЕЛЕЙ НА НЕРАСПРОСТРАНЕНИЕ ГОРЕНИЯ
Испытание одиночного вертикально расположенного изолированного провода или кабеля
Fest of cables under fire conditions. Fest of a single vertical insulated wire or cable
ОКС 29.060.20
ОКСТУ 3509
Дата введения 1997-01-01
Предисловие
1 РАЗРАБОТАН И ВНЕСЕН Техническим комитетом ТК 46 "Кабельные изделия" при АО Всероссийский научно-исследовательский, проектно-конструкторский и технологический институт кабельной промышленности" (АО ВНИИКП) Росскоммаша
ПРИНЯТ И ВВЕДЕН В ДЕЙСТВИЕ Постановлением Госстандарта России от 8 апреля 1996 г. № 258
2 Настоящий стандарт представляет собой аутентичный текст МЭК 332-1-93 "Испытания кабелей на нераспространение горения. Испытание одиночного вертикально расположенного изолированного провода или кабеля"
3 ВВЕДЕН ВПЕРВЫЕ
1 ОБЩИЕ ПОЛОЖЕНИЯ
1.1 Область применения
Настоящий стандарт устанавливает метод испытания одиночного вертикально расположенного изолированного провода или кабеля на нераспространение горения и требования к оценке результатов испытания.
Примечания
1 Применение провода или кабеля, не распространяющего горение в соответствии с требованиями настоящего стандарта, не гарантирует предотвращение распространения огня при всех способах его прокладки, поэтому в тех случаях, когда риск распространения огня велик, например, при высоких вертикальных пучках кабелей, следует принимать дополнительные меры предосторожности. Если одиночный образец кабеля соответствует требованиям настоящего стандарта, то нельзя делать вывод, что этот кабель в пучках не будет распространять горение.
2 Приведенный метод не применим для испытания проводов небольших размеров (с жилами диаметром менее 0,8 мм или сечением менее 0,5 мм2 ) из-за возможности плавления токопроводящей жилы до окончания испытания.
2 НОРМАТИВНЫЕ ССЫЛКИ
В настоящем стандарте использована ссылка на МЭК 695—2—4/1, 1991 Испытания на пожаробезопасность. Часть 2. Методы испытаний. Раздел 4. Лист. 1. Газовая горелка номинальной мощностью 1 кВт с предварительным смешением газов и указания по эксплуатации.
3 ОБРАЗЕЦ
Образец представляет собой отрезок провода или кабеля длиной (600 ± 25) мм.
4 КОНДИЦИОНИРОВАНИЕ
Перед испытанием образцы выдерживают не менее 16 ч при температуре (23 ± 5) °С и относительной влажности (50 ± 20) %.
Если провод или кабель покрыт краской или лаком, перед кондиционированием образец выдерживают в течение 4 ч при температуре (60 ± 2)°С.
5 ИСПЫТАТЕЛЬНОЕ ОБОРУДОВАНИЕ
Испытательная камера и расположение образца показаны на рисунках 1 и 2, приведенных в приложении А.
Испытательную камеру размещают в помещении, в котором нет сквозняков, но имеются системы удаления токсичных газов, выделяемых при горении. В помещении, где проводятся испытания, должна поддерживаться температура (23 ± 10) °С.
Примечания
1 Если в качестве закрытого помещения используют обычный вытяжной шкаф, то он должен иметь устройство отключения, позволяющее работать при выключенном вытяжном вентиляторе. Некоторые вытяжные шкафы оборудуют таким устройством.
2 Если в качестве места для проведения испытания используют вытяжной шкаф, рекомендуются следующие операции, обеспечивающие безопасность работы:
а) выключить вытяжной вентилятор, наглухо закрыть выходное отверстие;
б) опустить переднюю дверцу вытяжного шкафа, оставив такой зазор, чтобы можно было установить горелку в требуемом положении;
в) убедиться в безопасности работы оператора;
г) не перемещать дверцу вытяжного шкафа во время испытания;
д) в конце испытания перед открытием дверцы вытяжной шкаф следует полностью проветрить.
6 РАСПОЛОЖЕНИЕ ОБРАЗЦА
Образец должен быть закреплен вертикально в двух местах и установлен в трехстенной, без передней стенки металлической камере высотой (1200 ± 25) мм, шириной (300 ± 25) мм и длиной (450 ± 25) мм; верх и дно камеры должны быть закрытыми.
Образец закрепляют при помощи медной проволоки сечением 1 мм2 к двум горизонтальным опорам так, чтобы расстояние между нижним краем верхней опоры и верхним краем нижней опоры составляло (550 ± 5) мм. Кроме того, образец должен быть расположен так, чтобы его нижний конец находился на расстоянии около 50 мм от дна камеры.
7 ИСТОЧНИК ВОСПЛАМЕНЕНИЯ
Источником воспламенения является газовая горелка, соответствующая требованиям стандарта МЭК 695—2—4/1, в котором также приведен метод проверки и регулировки пламени.
8 ПРОВЕДЕНИЕ ИСПЫТАНИЯ
Меры безопасности
Необходимо принять меры, чтобы обезопасить персонал и в процессе проведения испытаний не допустить:
а) возникновения пожара или взрыва;
б) вдыхания дыма и/или токсичных продуктов, особенно если горят галогенные материалы;
в) контакта с токсичными остатками сгорания.
8.1 Воздействие пламени
Откалиброванную горелку, соответствующую разделу 7, включают и устанавливают требуемые скорости потока газа и воздуха. Горелка должна быть расположена так, чтобы кончик внутреннего конуса пламени синего цвета касался поверхности образца на расстоянии (475 ± 5) мм от нижнего края верхней горизонтальной опоры, при этом ось сопла горелки должна быть под углом 45° к вертикальной оси образца (см. рисунок 3, приведенный в приложении А).
Место воздействия пламени для плоских кабелей должно быть в средней части плоской стороны кабеля.
В конце испытания горелку удаляют, а пламя горелки гасят.
8.2 Время воздействия пламени
Пламя должно действовать на образец непрерывно в течение времени, зависящего от диаметра образца, в соответствии с указанным в таблице 1.
Таблица 1
| Наружный диаметр* образца, мм |
Время воздействия пламени, с |
| D<25 |
60 |
| 25 < D £ 50 |
120 |
| 50 < D £ 75 |
240 |
| D<75 |
480 |
________
* При испытании кабелей некрупного сечения (например, плоских кабелей) определяют периметр кабеля и рассчитывают эквивалентный диаметр круглого кабеля.
Примечание — Для плоских кабелей, имеющих соотношение большой и малой осей более 17:1, значения времени воздействия пламени находятся в стадии рассмотрения.
8.3 Оценка результатов
После того как горение полностью прекратится, образец тщательно протирают тканью.
Допускается на поверхности образца после протирки наличие сажи, если поверхность образца осталась без повреждений. Размягчение или какую-либо деформацию неметаллического материала также не учитывают. Расстояние от нижнего края верхней опоры до начала обугленной части образца измеряют с точностью до 1 мм.
Начало обугленной части определяют следующим образом. На поверхность кабеля нажимают острым предметом, например лезвием ножа. Место, где фиксируется изменение упругой поверхности образца на хрупкую (крошащуюся), считают началом обугленной части.
9 НОРМИРУЕМЫЕ ЗНАЧЕНИЯ
Провод или кабель считают выдержавшим испытание, если расстояние от нижнего края верхней опоры до начала обугленной части более 50 мм.
Кроме того, если горение распространилось вниз до точки, отстоящей от нижнего края верхней опоры более чем на 540 мм, провод или кабель считают не выдержавшим испытание.
Если образец не выдержал испытание, проводят еще два испытания. Если в результате двух повторных испытаний получены удовлетворительные результаты, провод или кабель считают выдержавшим испытание.
ПРИЛОЖЕНИЕ А
(обязательное)
ИСПЫТАТЕЛЬНОЕ ОБОРУДОВАНИЕ
|
1 — неметаллическое дно; 2 — открытая передняя сторона Рисунок 1 — Металлическая камера |
1 — образец; 2 — опорный стержень и крепление медной проволокой; А — минимальная длина необугленной части поверхности (50 мм), В — максимальное расстояние до нижней границы обугленной части поверхности (540 мм), С — расстояние от дна камеры до нижнего конца образца (около 50 мм) Рисунок 2 — Расположение образца в испытательной камере |

1 - образец; 2 - горелка
Рисунок 3 - Расположение горелки мощности 1 кВт относительно образца
ГОСТ Р МЭК 332-2-96
ГОСУДАРСТВЕННЫЙ СТАНДАРТ РОССИЙСКОЙ ФЕДЕРАЦИИ
Испытания кабелей на нераспространение горения
ИСПЫТАНИЕ ОДИНОЧНОГО ВЕРТИКАЛЬНО РАСПОЛОЖЕННОГО ИЗОЛИРОВАННОГО ПРОВОДА ИЛИ КАБЕЛЯ НЕБОЛЬШОГО ДИАМЕТРА С МЕДНЫМИ ЖИЛАМИ
Tests on cables under fire conditions. Test on a single small vertical insulated copper wire or cable
Дата введения 1998—01—01
Предисловие
1 РАЗРАБОТАН И ВНЕСЕН Техническим комитетом ТК 46 «Кабельные изделия» при АО «Всероссийский научно-исследовательский, проектно-конструкторский и технологический институт кабельной промышленности» (АО ВНИИКП) Росскоммаша
2 ПРИНЯТ И ВВЕДЕН В ДЕЙСТВИЕ Постановлением Госстандарта России от 23 декабря 1996 г. № 681
3 Настоящий стандарт представляет собой аутентичный текст МЭК 332—2—89 «Испытания кабелей на нераспространение горения. Испытание одиночного вертикально расположенного изолированного провода или кабеля небольшого диаметра с медными жилами»
4 ВВЕДЕН ВПЕРВЫЕ
1 ОБЛАСТЬ ПРИМЕНЕНИЯ
Настоящий стандарт устанавливает метод испытания на нераспространение горения изолированного провода или кабеля небольшого диаметра для тех случаев, когда метод, приведенный в ГОСТ Р МЭК 332—1, не может быть применен из-за того, что при приложении пламени могут плавиться токопроводящие жилы небольшого сечения. Настоящий метод рекомендуется для проводов или кабелей с однопроволочными медными токопроводящими жилами диаметром от 0,4 до 0,8 мм или с многопроволочными токопроводящими жилами сечением от 0,1 до 0,5 мм2 .
Стандарт устанавливает также требования по оценке результатов.
Примечание— Соответствие провода или кабеля настоящему стандарту не гарантирует предотвращение распространения огня в любых условиях его прокладки. Поэтому, если риск распространения огня велик, например при высоких вертикальных пучках проводов или кабелей, нельзя делать вывод о том, что, если одиночный образец соответствует требованиям настоящего стандарта, то и пучок не будет распространять горение.
1.1 Нормативные ссылки
В настоящем стандарте использована ссылка на ГОСТ Р МЭК 332—1—96 Испытания кабелей на нераспространение горения. Испытание одиночного вертикально расположенного изолированного провода или кабеля.
2 ОБЩИЕ ТРЕБОВАНИЯ
Настоящий метод предназначен для типовых или других испытаний, и ссылка на него приводится в нормативных документах на конкретные провода или кабели.
Образец провода или кабеля после испытания в соответствии с разделами 6—8 должен соответствовать следующему требованию:
после прекращения горения расстояние от обугленной части тщательно протертого образца до нижнего края верхнего зажима должно быть более 50 мм.
3 ИСПЫТАТЕЛЬНОЕ ОБОРУДОВАНИЕ
Пропановая горелка в соответствии с рисунком 1.
Если горелка не соответствует рисунку 1, можно применить насадку, чтобы диаметр сопла горелки составлял 8 мм.
Баллон с пропаном с редуктором и манометром.
Металлическая камера следующих размеров: высота — (1200±25) мм; ширина — (300±25) мм; глубина — (450±25) мм.
Передняя часть камеры открыта, верх и низ должны быть закрытыми (см. рисунок 3).
Секундомер
Термостат
4 ОБРАЗЕЦ
Образцы длиной (б00±25) мм отбирают от конца испытуемого провода или кабеля. Подготавливают два образца.
5 КОНДИЦИОНИРОВАНИЕ ПЕРЕД ИСПЫТАНИЕМ
Если провод или кабель покрыт краской или лаком, образцы выдерживают в термостате при температуре (60±2)°С в течение 4 ч, а перед испытанием охлаждают до температуры окружающей среды.
6 УСЛОВИЯ ИСПЫТАНИЯ
Образец выпрямляют и закрепляют в вертикальном положении в центре металлической камеры. К нижней части образца прикладывают усилие 5 Н на 1 мм2 сечения токопроводящей жилы так, чтобы
длина провода или кабеля между нижним и верхним зажимами была (550±25) мм. Чтобы исключить малейший поток воздуха, испытание следует проводить в соответствующем помещении, где исключен сквозняк.
7 ИСТОЧНИК ВОСПЛАМЕНЕНИЯ
Пропановая горелка должна давать светящееся пламя при вертикальном положении и перекрытом доступе воздуха. Расход газа регулируют так, чтобы длина светящегося пламени была (125±25) мм (см. рисунок 2). Для этого на выходе редуктора рекомендуется установить давление 1 бар. Затем горелку располагают в соответствии с рисунком 3. Ось горелки должна составлять угол 45° с осью образца. Расстояние между торцом сопла горелки и поверхностью образца, измеренное вдоль оси горелки, должно быть (10±1) мм. Расстояние от точки пересечения осей горелки и образца до точки приложения усилия 5 Н на 1 мм2 сечения токопроводящей жилы должно быть (100±10) мм. Расстояние от точки пересечения осей горелки и образца до нижней части верхнего зажима должно быть не более 465 мм.
8 ПРОВЕДЕНИЕ ИСПЫТАНИЯ
Пламя прикладывают так, чтобы оно обволакивало образец. К первому образцу его прикладывают в течение (20±1) с. Если образец не разрушился, т.е. если токопроводящая жила не расплавилась, результат испытания определяют в соответствии с требованиями раздела 2. Если провод или кабель расплавился за время Т меньше, чем (20±1) с, испытание повторяют на втором образце с длительностью приложения пламени (7—2) с. В этом случае результат испытания оценивают только по второму образцу.

Рисунок 1 — Горелка

Рисунок 2 — Пламя горелки

1 —трехсторонняя камера; 2— пламя, обволакивающее образец
Рисунок 3 — Расположение горелки
ГОСТ Р МЭК 332-3-96
ГОСУДАРСТВЕННЫЙ СТАНДАРТ РОССИЙСКОЙ ФЕДЕРАЦИИ
Испытания кабелей на нераспространение горения
ИСПЫТАНИЕ ПРОВОДОВ ИЛИ КАБЕЛЕЙ, ПРОЛОЖЕННЫХ В ПУЧКАХ
Tests on cables under fire conditions. Test on bunched wires or cables
Дата введения 1998—01—01
Предисловие
1 РАЗРАБОТАН И ВНЕСЕН Техническим комитетом ТК 46 «Кабельные изделия» при АО «Всероссийский научно-исследовательский, проектно-конструкторский и технологический институт кабельной промышленности» (АО ВНИИКП) Росскоммаша
2 ПРИНЯТ И ВВЕДЕН В ДЕЙСТВИЕ Постановлением Госстандарта России от 23 декабря 1996 г. № 682
3 Настоящий стандарт представляет собой аутентический текст МЭК 332—3—1992 «Испытания кабелей на нераспространение горения. Испытание проводов или кабелей, проложенных в пучках»
4 ВВЕДЕН ВПЕРВЫЕ
Содержание
Предисловие
1. Общие положения
1.1 Область применения
1.2 Нормативные ссылки
2. Общие требования к проведению испытаний
2.1 Требования к образцу и категории испытаний
2.2 Требования к испытательной установке
2.3 Определение числа отрезков
2.4 Крепление образца
2.5 Источник воспламенения
2.6 Расположение источника воспламенения
2.7 Проведение испытания
2.8 Оценка результатов и проведение повторного испытания
2.9 Определение кислородного индекса (КИ)
2.10 Выбор кабеля для испытаний
3. Крепление образцов и время воздействия пламени для испытания категории А, кодовые обозначения F/R и F
3.1 Выбор образцов
3.2 Крепление отрезков
3.3 Расположение образцов
3.4 Время воздействия пламени
4. Крепление образцов и время воздействия пламени для испытания категории В, кодовое обозначение F
4.1 Выбор образцов
4.2 Крепление отрезков
4.3 Расположение образцов
4.4 Время воздействия пламени
5. Крепление образцов и время воздействия пламени для испытания категории С, кодовое обозначение F
5.1 Выбор образцов
5.2 Крепление отрезков
5.3 Расположение образцов
5.4 Время воздействия пламени Приложение А Метод определения кислородного индекса неметаллических материалов кабелей
1 ОБЩИЕ ПОЛОЖЕНИЯ
1.1 Область применения
Настоящий стандарт устанавливает метод испытаний по определению стойкости кабелей или проводов, проложенных в пучках, к распространению горения независимо от их назначения, например, силовые кабели или кабели связи (в т. ч. кабели для передачи информации и оптические кабели) и т д.
Установлены три категории испытаний, которые отличаются продолжительностью испытания и объемом неметаллического материала в образце (таблица 1), они однозначно не связаны с конкретными уровнями обеспечения безопасности при реальных способах прокладки кабелей. Категория А имеет два кодовых обозначения для способов крепления.
1.2 Нормативные ссылки
В настоящем стандарте использованы ссылки на следующие стандарты:
ГОСТ Р МЭК 332—1—96 Испытания кабелей на нераспространение горения. Испытание одиночного вертикально расположенного изолированного провода или кабеля
ГОСТ Р МЭК 332—2—96 Испытания кабелей на нераспространение горения. Испытание одиночного вертикально расположенного изолированного провода или кабеля небольшого диаметра с медными жилами
ГОСТ 12175—90 Общие методы испытаний материалов для изоляции и оболочек электрических кабелей. Методы определения плотности. Испытания на водопоглощение и усадку
2 ОБЩИЕ ТРЕБОВАНИЯ К ПРОВЕДЕНИЮ ИСПЫТАНИЙ
2.1 Требования к образцу и категории испытаний
Образец должен состоять из нескольких отрезков кабеля или провода (в дальнейшем — кабеля) длиной не менее 3,5 м каждый, отобранных от одной строительной длины.
Общее число отрезков кабеля в образце должно быть таким, чтобы общий номинальный объем неметаллического материала в 1 м образца составлял для категорий:
А - 7 л;
В - 3,5 л;
С- 1,5л.
2.2 Требования к испытательной установке
2.2.1 Камера и подача воздуха
Испытательная установка (рисунок 1) представляет собой вертикальную испытательную камеру шириной (1000±100) мм, глубиной (2000±100) мм и высотой (4000±100) мм; пол камеры должен быть приподнят над уровнем земли. Стыки стенок камеры должны быть воздухонепроницаемыми. Воздух должен свободно поступать через отверстие размерами (800±20) х (400± 10) мм, находящееся в полу камеры на расстоянии (150± 10) мм от ее передней стенки.
Объемный расход воздушного потока должен быть предварительно отрегулирован до значения (5000±500) л/мин при температуре (20±10) °С и измеряться на входе или выходе камеры. Эти характеристики должны постоянно контролироваться во время испытания.
Выходное отверстие размерами (300±30) х(1000±100) мм должно быть в задней части верха испытательной камеры. Задняя и боковая стенки камеры должны иметь термоизоляцию, обеспечивающую коэффициент теплопередачи около 0,7 Вт/(м2 · К). Например, для стального листа толщиной 1,5—2,0 мм достаточно покрытие слоем асбестовой ваты толщиной 65 мм (рисунок 1а). Расстояние между лестницей и задней стенкой камеры — (150±10) мм, а от нижней перекладины лестницы до пола — (400±5) мм. Расстояние от самой нижней точки образца до пола камеры должно быть около 100 мм (рисунок 3).
2.2.2 Типы лестниц
Используют два типа лестниц: стандартную шириной 500 мм и широкую шириной 800 мм. Конкретное описание типов лестниц и способы крепления приведены в разделах 3—5 (см. рисунки 2, 2а, 3, За-г).
2.2.3 Дымоочистительное устройство
При необходимости используют устройство для сбора и очистки дыма, выходящего из испытательной камеры. Устройство, обеспечивающее сбор дыма, выходящего из камеры, не должно влиять на скорость потока воздуха, проходящего через испытательную камеру.
2.3 Определение числа отрезков
Для расчета требуемого числа отрезков кабеля определяют объем неметаллического материала в 1 м одного отрезка.
Образец кабеля длиной не менее 0,3 м вырезают так, чтобы поверхности среза были перпендикулярны к оси кабеля, что обеспечивает точное измерение его длины.
Образец разбирают и каждый неметаллический материал взвешивают ( Сi ). Неметаллические материалы, масса которых составляет менее 5 % от общей массы неметаллических материалов, допускается не учитывать.
Если электропроводящие экраны нельзя снять с изоляционного материала, эти компоненты принимают за одно целое при измерении их массы и определении плотности.
Плотность каждого неметаллического материала (включая пористые материалы) определяют соответствующим методом, например по разделу 8 ГОСТ 12175, для получения значений с точностью до второго десятичного знака. Для ленточных и волокнистых материалов значение плотности принимают равным 1.
Объем Vi (л/м длины кабеля) каждого неметаллического материала Сi определяют по формуле
(1)
где Мi — масса материала Сi , кг;
Рi — плотность материала Сi , кг/дм3 ;
l — длина образца кабеля, м.
Общий объем V неметаллических материалов, содержащихся в 1 м кабеля, равен сумме отдельных объемов V1 , V 2 и т. д.
Ближайшее целое число (0,5 и выше округляют до 1) отрезков, формирующих образец, получают делением объема на метр кабеля, указанного в 2.1 для конкретной категории испытаний, на общий объем V.
2.4 Крепление образца
Способы крепления предварительно определенного числа отрезков, формирующих образец, приведены в разделах 3-5
Для категории испытаний А применяют два способа крепления (с кодовым обозначением F/R и F), для категорий испытаний В и С — только один способ (с кодовым обозначением F).
Для идентификации можно использовать следующие обозначения.
— категория А: кодовое обозначение F/R — 332—ЗА F/R;
кодовое обозначение F — 332—ЗА F,
— категория В, кодовое обозначение F — 332—3В F;
— категория С, кодовое обозначение F — 332—ЗС F;
2 5 Источник воспламенения
Источником воспламенения являются одна или две пропановые газовые горелки ленточного типа с индивидуальными расходомерами и смесителями Вентури. Рабочая часть горелки в виде плоской металлической пластины длиной (341±5) мм и шириной (30±5) мм имеет 242 отверстия диаметром (1,32±0,03) мм, расположенных на расстоянии 3,2 мм друг от друга ступенчато тремя рядами по 81, 80 и 81 отверстий в каждом, при этом образуется прямоугольник с номинальными размерами (257±5) х (4,5+0,5) мм, как показано на рисунке 4. Поскольку отверстия в пластине могут высверливаться без применения специального инструмента, допускаются небольшие отклонения от указанного межцентрового расстояния. Кроме того, на каждой стороне пластины могут быть высверлены небольшие вспомогательные отверстия, обеспечивающие поддержание зажженного пламени.
Каждая горелка должна быть снабжена устройством, контролирующим скорости подачи пропана и воздуха. На рисунке 5 показан пример системы контроля Калибровка пропанового ротаметра должна проводиться после монтажа при помощи расходомера для того, чтобы трубопровод и смеситель Вентури не нарушали калибровку.
При изменении температуры и давления по сравнению с установленными для пропанового ротаметра при необходимости должны вноситься поправки.
При данном испытании точка росы должна быть не выше 0 °С, объемный расход на входе должен быть (76,7±4,7) л/мин, скорость
потока пропана должна быть (13,3±0,5) л/мин при давлении 1 атм. и температуре 20 °С для обеспечения интенсивности тепловыделения (73,7±1,68) · 106 Дж/ч или (20,5±0,5) кВт для каждой горелки.
Примечание — По величине интенсивности тепловыделения определена скорость потока пропана.
2.6 Расположение источника воспламенения
При испытании горелка должна быть установлена на расстоянии (75±5) мм от передней поверхности образца и на высоте (600±5) мм над полом испытательной камеры. Точка приложения пламени должна находиться между двумя перекладинами лестницы на расстоянии (500±5) мм от нижнего конца образца (рисунок 3).
Допускается проводить регулировку потока воздуха и газа до испытания без установленной горелки.
Если используют две горелки одновременно для испытания по категории А (с кодовым обозначением F) с применением широкой лестницы (раздел 3), они должны быть расположены так, как показано на рисунке 4а.
2.7 Проведение испытания
2.7.1 Условия испытания
Испытание проводят при скорости ветра, измеренной анемометром, установленным на испытательной камере, не более 8 м/с и при температуре внутри камеры не ниже 5 или не выше 40 °С. Измерение проводят на расстоянии около 1,5 м над уровнем пола, 50 мм от боковой стенки и 1 м от двери. Дверь камеры в течение всего испытания должна быть закрыта.
Кабели или отрезки, образующие образец, должны быть выдержаны перед началом испытания при температуре (23±5) °С не менее 16 ч. Испытательная камера должна быть сухой.
2.7.2 Время воздействия пламени
См. разделы 3, 4 и 5.
2.8 Оценка результатов и проведение повторного испытания
2.8.1 Оценка результатов
После прекращения горения образец тщательно протирают. Если горение продолжается более 1 ч после удаления источника воспламенения, кабели следует потушить.
На протертом образце допускается наличие сажи, если его поверхность не повреждена. Допускается размягчение или деформация неметаллического материала образца. Длину поврежденной части измеряют с точностью до первого десятичного знака от нижнего края горелки до конца обугленной части, который определяют следующим образом.
На поверхность кабеля нажимают острым предметом, например лезвием ножа. Место, где фиксируется изменение упругой поверхности образца на хрупкую (крошащуюся), считают концом обугленной части.
Длина обугленной части образца, измеренная от нижнего края горелки с обоих сторон лестницы, должна быть не более 2,5 м.
2.8.2 Проведение повторного испытания
В случае возникновения разногласий по оценке результатов проводят два дополнительных испытания в соответствии с 2.7. Если оба испытания удовлетворяют требованиям 2.8.1, результаты испытания считают положительными.
2.9 Определение кислородного индекса (КИ)
Если требуется определить КИ всех неметаллических материалов, используют метод, приведенный в приложении А. Компоненты, составляющие менее 5 % массы неметаллических материалов, не учитывают.
Значение КИ, определенное для данной конструкции, используют как основу при контроле качества любой последующей продукции, чтобы гарантировать ее соответствие данному испытанию.
Следует учитывать отсутствие однозначной связи величины КИ материалов с распространением огня по кабелю.
2.10 Выбор кабеля для испытаний
Выбор сечения токопроводящей жилы для испытаний проводят по согласованию между потребителем и изготовителем с учетом следующих требований.
Ограниченная емкость лестниц требует выбора такого сечения токопроводящих жил кабелей, которое обеспечивает необходимый объем неметаллического материала при данном методе крепления. Кроме того, нельзя допускать испытание образца, состоящего из одиночного отрезка.
2.10.1 Категория А, кодовое обозначение F/R Для кабелей с токопроводящими жилами сечением более 35 мм2 выбор кабеля должен обеспечивать на каждой стороне лестницы такое число отрезков, которое необходимо для формирования одного слоя шириной 300 мм на каждой стороне с зазором между кабелями, равным половине диаметра кабеля, но не более 20 мм.
2.10.2 Категория А, кодовое обозначение F Для кабелей с токопроводящими жилами сечением более 35 мм2 выбор кабеля должен обеспечить на одной стороне лестницы такое число отрезков, которое необходимо для формирования одного слоя
шириной 600 мм с зазором между кабелями, равным половине диаметра кабеля, но не более 20 мм.
2.10.3 Категория В, кодовое обозначение F Для кабелей с токопроводящими жилами сечением более 35 мм2 выбор кабеля должен обеспечить на одной стороне лестницы такое число отрезков, которое необходимо для формирования одного слоя шириной 300 мм с зазором между кабелями, равным половине диаметра кабеля, но не более 20 мм.
2.10.4 Категория С, кодовое обозначение F Выбор сечения жил кабеля должен обеспечивать размещение образца, состоящего не менее чем из двух закрепленных на лестнице отрезков.
Для кабелей с токопроводящими жилами сечением более 35 мм2 выбор кабеля должен обеспечить на передней стороне лестницы такое число отрезков, которое необходимо для формирования одного слоя шириной 300 мм с зазором между кабелями, равным половине диаметра кабеля, но не более 20 мм.
2.10.5 Для категорий А, В и С с кодовым обозначением F при сечении жил кабеля до 35 мм2 включ. какие-либо требования по выбору сечения токопроводящей жилы не устанавливаются. Указанные требования не распространяются также на кабели связи, кабели для передачи информации и оптические кабели.
Сводные данные по выбору кабелей приведены в таблице 2.
3 КРЕПЛЕНИЕ ОБРАЗЦОВ И ВРЕМЯ ВОЗДЕЙСТВИЯ ПЛАМЕНИ ДЛЯ ИСПЫТАНИЯ КАТЕГОРИИ А, КОДОВОЕ ОБОЗНАЧЕНИЕ F / R ИЛИ F
3.1 Выбор образцов
Число отрезков кабеля в образце должно быть таким, чтобы номинальный общий объем неметаллических материалов в 1 м образца, рассчитанный в соответствии с 2.3, составлял 7 л. Условия испытания приведены в таблице 1. Сечение токопроводящих жил кабеля должно быть выбрано в соответствии с 2.10 и таблицей 2.
3.2 Крепление отрезков
Для кабелей с токопроводящими жилами сечением более 35 мм2 каждый отрезок кабеля прикрепляют отдельно к каждой перекладине лестницы при помощи проволоки (стальной или медной) диаметром 0,5—1,0мм.
Для кабелей с токопроводящими жилами сечением до 35 мм2 включ. используют тот же способ, если отрезки располагают одним слоем.
Если для формирования образца требуется несколько слоев, отрезки скрепляют в отдельные пучки шириной в пять отрезков при помощи проволоки, каждый пучок крепят к соседнему за крайний в пучке отрезок. Рекомендуется соседние пучки скреплять между собой и крепить к каждой перекладине (рисунок Зг).
3.3 Расположение образцов
3.3.1 Кабели с токопроводящими жилами сечением до 35 мм2
Для таких кабелей применяют только способ крепления с кодовым обозначением F. Отрезки кабеля закрепляют без зазора на передней стороне стандартной лестницы одним или несколькими слоями при ширине образца не более 300 мм. При этом расстояние от края образца до внутренней стороны стойки лестницы должно быть не менее 50 мм.
3.3.2 Кабели с проводящими жилами сечением более 35 мм2
Для таких кабелей применяют два способа крепления (таблица 1)
3.3.2.1 Кодовое обозначение F / R
Отрезки кабеля закрепляют на передней стороне стандартной лестницы одним слоем шириной 300 мм с зазором между кабелями, равным половине диаметра кабеля, но не более 20 мм. Оставшиеся отрезки закрепляют на задней стороне лестницы, начиная от центра (рисунок Зв), до максимальной ширины 300 мм. При этом расстояние от края образца до внутренней стороны стойки лестницы должно быть не менее 50 мм.
3 3.2.2 Кодовое обозначение F
Отрезки кабеля закрепляют на передней стороне лестницы одним слоем с зазором между кабелями, равным половине диаметра кабеля, но не более 20 мм. Лестница может быть стандартной или широкой для обеспечения зазора (не менее 50 мм между краями образца и внутренней стороной стойки лестницы), т. е. максимальная ширина образца для стандартной лестницы должна быть 300 мм, а для широкой лестницы — 600 мм (рисунки За, б).
3.4 Время воздействия пламени
Для кодовых обозначений F и F/R при любом сечении токопроводящих жил кабелей время воздействия пламени должно быть 40 мин.
4 КРЕПЛЕНИЕ ОБРАЗЦОВ И ВРЕМЯ ВОЗДЕЙСТВИЯ ПЛАМЕНИ ДЛЯ ИСПЫТАНИЯ КАТЕГОРИИ В, КОДОВОЕ ОБОЗНАЧЕНИЕ F
4.1 Выбор образцов
Число отрезков кабеля в образце должно быть таким, чтобы номинальный общий объем неметаллических материалов в 1 м образца, рассчитанный в соответствии с 2.3, составлял 3,5 л. Условия испытания приведены в таблице 1. Сечение то ко проводящих жил кабеля должно быть выбрано в соответствии с 2.10 и таблицей 2.
4.2 Крепление отрезков
Для кабелей с токопроводящими жилами сечением более 35 мм2 каждый отрезок прикрепляют отдельно к каждой перекладине лестницы при помощи проволоки (стальной или медной) диаметром 0,5—1,0мм.
Для кабелей с токопроводящими жилами сечением до 35 мм2 включ. используют тот же способ, если отрезки располагаются одним слоем.
Если для формирования образца требуется несколько слоев, отрезки скрепляют в отдельные пучки шириной в пять отрезков при помощи проволоки; каждый пучок крепят к соседнему за крайние в пучке отрезки. Рекомендуется соседние пучки скреплять между собой и крепить к каждой перекладине (рисунок Зг).
4.3 Расположение образцов
4.3.1 Кабели с токопроводящими жилами сечением до 35 мм2
Отрезки кабеля закрепляют без зазора на передней стороне стандартной лестницы одним или несколькими слоями при ширине образца не более 300 мм. При этом расстояние от края образца до внутренней стороны стойки лестницы должно быть не менее 50 мм.
4.3.2 Кабели с токопроводящими жилами сечением более 35 мм2
Отрезки кабеля закрепляют одним слоем на передней стороне стандартной лестницы с зазором между кабелями, равным половине диаметра кабеля, но не более 20 мм. Ширина образца должна быть не более 300 мм (рисунок За). При этом расстояние от края образца до внутренней стороны стойки лестницы должно быть не менее 50 мм.
4.4 Время воздействия пламени
При любом сечении токопроводящих жил кабелей время воздействия пламени должно быть 40 мин.
5 КРЕПЛЕНИЕ ОБРАЗЦОВ И ВРЕМЯ ВОЗДЕЙСТВИЯ ПЛАМЕНИ ДЛЯ ИСПЫТАНИЯ КАТЕГОРИИ С, КОДОВОЕ ОБОЗНАЧЕНИЕ F
5.1 Выбор образцов
Число отрезков кабеля в образце должно быть таким, чтобы номинальный объем неметаллических материалов в 1 м образца, рассчитанный в соответствии с 2.3, составлял 1,5 л. Условия испытания приведены в таблице 1. Сечение токопроводящих жил кабеля должно быть выбрано в соответствии с 2.10 и таблицей 2.
5.2 Крепление отрезков
Для кабелей с токопроводящими жилами сечением более 35 мм2 каждый отрезок прикрепляют отдельно к каждой перекладине лестницы при помощи проволоки (стальной или медной) диаметром 0,5—1,0мм.
Для кабелей с токопроводящими жилами сечением до 35 мм2 включ. используют тот же способ, если отрезки располагаются одним слоем.
Если для формирования образца требуется несколько слоев, отрезки скрепляют в отдельные пучки шириной в пять отрезков при помощи проволоки; каждый пучок крепят к соседнему за крайние в пучке отрезки. Рекомендуется соседние пучки скреплять между собой и крепить к каждой перекладине (рисунок Зг).
5.3 Расположение образцов
5.3.1 Кабели с токопроводящими жилами сечением до 35 мм2
Отрезки кабеля закрепляют без зазора на передней стороне стандартной лестницы одним или несколькими слоями при ширине образца не более 300 мм. При этом расстояние от края образца до внутренней стороны стойки лестницы должно быть не менее 50 мм.
5.3.2 Кабели с токопроводящими жилами сечением более 35 мм2
Отрезки кабеля закрепляют одним слоем на передней стороне стандартной лестницы с зазором между кабелями, равным половине диаметра кабеля, но не более 20 мм. Ширина образца должна быть не более 300 мм (рисунок За). При этом расстояние от края образца до внутренней стороны стойки лестницы должно быть не менее 50 мм.
5.4 Время воздействия пламени
При любом сечении токопроводящих жил кабелей время воздействия пламени должно быть 20 мин.
Таблица 1 — Сводные данные по условиям испытания
| Параметры |
Категория испытания (кодовое обозначение) |
|||||||
| A (F/R) |
А (F) |
В (F) |
С (F) |
|||||
| Диапазон сечений токопроводящих жил, мм2 |
>351) |
£352) |
>351) |
£352) |
>351) |
£352) |
>351) |
|
| Объем неметаллического материала 1 м образца, л |
7 |
7 |
7 |
7 |
3,5 |
3,5 |
1,5 |
1,5 |
| Число слоев: — для стандартной лестницы максимальная ширина образца 300 мм |
2 (передняя и задняя стороны лестницы) |
³1 |
1 |
¾ |
³1 |
1 |
³1 |
1 |
| — для широкой лестницы максимальная ширина образца 600 мм |
¾ |
¾ |
¾ |
1 |
¾ |
¾ |
¾ |
¾ |
| Расположение отрезков |
Не соприкасаются |
Сприкасаются |
Не соприкасаются |
Сприкасаются |
Не соприкасаются |
Сприкасаются |
Не соприкасаются |
|
| Время воздействия ламени, мин |
40 |
40 |
40 |
40 |
20 |
|||
| Число пучков |
1 |
1 |
1 |
2 |
1 |
1 |
1 |
1 |
| 1) Не менее одной токопроводящей жилы сечением св. 35 мм2 . 2) Ни одной токопроводящей жилы сечением св. 35 мм2 . |
||||||||
Таблица 2
Сводные данные по выбору кабелей для испытаний
| Тип кабеля в зависимости от сечения токопроводящей жилы |
Кабели с токопроводящей жилой сечением до 35 мм2 включ. и кабели связи |
Кабели, имеющие не менее одной токопроводящей жилы сечением более 35 мм2 |
|||
| Категория (кодовое обозначение) |
А (F) В (F) С (F) |
А (F/R) |
A(F) |
В (F) |
C(F) |
| Требования по выбору кабеля для обеспечения номинального объема неметаллических материалов |
Не менее двух образцов |
Не более двух слоев (передняя и задняя стороны лестницы). Ширина — 300 мм, включая установленные зазоры |
Только один слой. Ширина — 600 мм, включая установленные зазоры* |
Только один слой. Ширина — 300 мм, включая установленные зазоры. Не менее двух отрезков |
Только один слой. Ширина — 300 мм, включая установленные зазоры. Не менее двух отрезков |
* Примеры для испытания по категории А, кодовое обозначение F:
Пример 1 Одножильный кабель, сечение токопроводящей жилы 70 мм2 , наружный диаметр 17 мм, объем неметаллических материалов в 1 м длины образца кабеля — 0,2 л.
Максимальная ширина образца — 600 мм. Для получения 7 л/м требуется 35 отрезков общей шириной: 35 х 17 мм + 34 х 8,5 мм = 884 мм.
Этот кабель не соответствует требованиям по выбору образца. Поэтому для проведения испытаний между изготовителем и потребителем или испытательной лабораторией должны быть согласованы условия размещения образца.
Пример 2 Трехжильный кабель, сечение токопроводящих жил 3 х 50 мм2 , наружный диаметр 29 мм, объем неметаллических материалов в 1 м длины образца кабеля — 0,55 л.
Максимальная ширина образца — 600 мм. Для получения 7 л/м требуется 12,7 отрезков. 13 отрезков составляют общую ширину: 13 х 29 мм + 12 х 14,5 = 551 мм.
Этот кабель соответствует требованиям по выбору образца.

1 — впускное отверстие для воздуха (800±20)х(400±10);
2 — выпускное отверстие для дыма (300±30)х(1000±100);
3 — установка приподнята над поверхностью
Рисунок 1 — Испытательная установка

1 — стальной лист толщиной 1,5—2,0 мм; 2 — термоизоляция из асбестовой ваты толщиной около 65 мм с внешним покрытием, обеспечивающая коэффициент теплопередачи около 0,7 Вт/ (м2 ·К)
Рисунок 1а — Термоизоляция задней и боковых стенок испытательной камеры

Рисунок 2 — Стандартная трубчатая лестница для испытания кабеля.
Число перекладин — 9

Рисунок 2а — Широкая трубчатая лестница для испытания кабеля.
Число перекладин — 9

1 — круглые стальные перекладины: 2 — крепление металлической проволокой; 3 — центральная линия горелки; 4 — пол; В — максимальная ширина образца
Рисунок 3 — Расположение образца на лестнице

Рисунок За — Несоприкасающиеся кабели, закрепленные на передней стороне стандартной лестницы

Рисунок 3б — Несоприкасающиеся кабели, закрепленные на передней стороне широкой лестницы (A (F) > 35 мм2 )

Рисунок Зв — Несоприкасающиеся кабели, закрепленные на общих сторонах стандартной лестницы (A (F/R) > 35 мм2 )

Рисунок Зг — Кабели небольшого диаметра, закрепленные на передней стороне стандартной лестницы (сформированные в пучки, кодовое обозначение A (F))


1 — смеситель Вентури для воздуха и газа; 2 — вход пропана;
3 — вход сжатого воздуха
Рисунок 4 — Горелка
Примечание — Рабочая часть горелки имеет 242 отверстия диаметром 1,32 мм на расстоянии 3,2 мм друг от друга, расположенные ступенчато в три ряда, по 81, 80 и 81 в каждом. Значения приближенные.

1 — смеситель Вентури для воздуха и газа; 2 — вход пропана;
3 — вход сжатого воздуха
Рисунок 4а — Сдвоенная горелка

а — впуск пропана; б — впуск воздуха; в — редукционный Т -образный клапан; г — открывающий/закрывающий клапан; д — регулятор давления; е — фильтр; ж — манометр, з — контрольный клапан, и — расходомер (ротаметр); к — клапан соленоидного типа; л — контрольная линия (допускается не применять).
Рисунок — 5 Типовая система контроля расхода газа
Примечание — Наружный диаметр трубок, подсоединяемых к расходомеру и горелке контрольной линии, должен быть 8 мм или 1/4 дюйма. Наружный диаметр трубок для воздуха и пропана, подсоединяемых к горелке, должен быть 15 мм. В комплект входят также источник воспламенения и предохранительный выключатель для клапана соленоидного типа.
ПРИЛОЖЕНИЕ А
(справочное)
МЕТОД ОПРЕДЕЛЕНИЯ КИСЛОРОДНОГО ИНДЕКСА НЕМЕТАЛЛИЧЕСКИХ МАТЕРИАЛОВ КАБЕЛЕЙ
А.1 Область распространения
Данный метод позволяет проводить сравнительную оценку возгораемости неметаллических материалов, отобранных от кабелей или используемых в них, путем измерения минимальной концентрации кислорода в смеси кислорода и азота, при которой поддерживается горение пламени. Этот метод используется ограниченно, так как некоторые испытуемые образцы физически недостаточно жестки.
А. 2 Определение
Кислородный индекс (КИ) — это минимальная концентрация кислорода, в кислородно-азотной смеси, выраженная в объемных процентах, при которой будет поддерживаться горение материала в условиях, установленных данным методом.
А.3 Принцип метода
Минимальная концентрация кислорода в смеси кислорода и азота, при которой будет поддерживаться горение, измеряется в условиях равновесия «свечеподобного» горения. При этом устанавливается равновесие между теплом, выделяемым при сгорании образца, и теплом, теряемым в окружающей среде.
А. 4 Аппаратура
А.4.1 Испытательная колонка, которая состоит из жаропрочной стеклянной трубки одного из типов, указанных в таблице А1. Низ колонки или основание, к которому прикрепляется трубка, должен содержать негорючий материал, чтобы смешать и равномерно распределить газовую смесь, поступающую в это основание. Над негорючим материалом помещают проволочную сетку, чтобы задерживать падающие частицы, которые не должны попадать на основание колонки.
Должно быть установлено устройство для проверки или обеспечения того, чтобы температура газовой смеси, входящей в трубку, была (23 ±2) °С. Если устройство имеет внутренний зонд, его положение и конструкция должны быть такими, чтобы свести к минимуму турбулентность в трубке.
А.4.2 Секундомер для отсчета времени не менее 10 мин с точностью до 1 с.
А.4.3 Держатель образца
Может быть использовано любое небольшое устройство, в котором вертикально закрепляют образец у его основания в центре колонки.
Таблица А1
В миллиметрах
| Тип колонки |
Минимальный внутренний |
Высота |
Диаметр входного открытого конца |
||
| диаметр |
минимальная |
максимальная |
минимальный |
максимальный |
|
| А |
75 |
450 |
— |
75 |
— |
| Б |
95 |
210 |
310 |
40 |
50 |
А.4.4 Источники газа
Газовую смесь, необходимую для испытания, приготовляют с использованием кислорода и/или азота торгового сорта (лучше чистотой нс менее 98 %) и/или очищенного воздуха (с концентрацией кислорода 20,9 % объемных).
Содержание влаги в газовой смеси, поступающей в испытательную трубку, должно быть менее 0,1 % по массе.
Примечание — Нет гарантий того, что кислород или азот в баллонах будет всегда содержать воды менее 0,1 % по массе, хотя, как правило, содержание влаги составляет 0,003—0,01 % по массе. Если баллон заряжен при неблагоприятных условиях, газ поступающий из последних 10 % содержимого баллона, может содержать 0,1—0,5 % поды по массе, так как давление газа уменьшается относительно давления водяного пара при температуре окружающей среды Поэтому система подачи газа должна иметь сушильное устройство или должно проводиться измерение содержания влаги.
А.4.5 Измерение концентрации кислорода
Концентрацию кислорода измеряют одним из следующих методов. В спорных случаях используют метод а).
а) Концентрацию кислорода в смешанных газах определяют измерением парамагнетизма кислорода.
б) Используют приборы измерения и контроля состава газа, которые позволяют измерять и контролировать состав смеси газа в испытательной трубке так, чтобы концентрация кислорода в смеси газа была определена с точностью до ±0,5 % по объему смеси.
А.4.6 Источник пламени
Источником зажигания является бутановая горелка (рисунок А.1). Длина пламени от края сопла при измерении на воздухе должна быть около 30 мм.
А.4.7 Вытяжной вентилятор
Для удаления дыма, сажи и вредных выделений аппаратуру размещают в зоне, оборудованной эффективными вытяжными устройствами, при этом они не должны влиять на результаты испытании.
А.5 Образец
А.5.1 Образцы для испытания — это плоские прямоугольные полосы со следующими размерами:
длина 70—150 мм;
ширина (6,5±0,5) мм;
толщина (3,0±0,5) мм
А.5.2 Образцы получают путем формовки, резки или механической обработки из предназначенных для испытания материалов, отобранных с кабеля.
Если такой возможности нет, как, например, для кабеля, содержащего вулканизированный материал, используют формованную и вулканизированную пластину, изготовленную из материала, отобранного во время переработки данной производственной партии.
А. 5.3 Края образцов должны быть гладкими, образцы не должны иметь мелких выступов или заусенцев от механической обработки или краевых подтеков, полученных при формовке.
А. 6 Проведение испытания
А.6.1 Каждый образец маркируют двумя линиями на расстоянии 8 и 58 мм от верха. Для лучшего обзора каждую линию проводят по двум соседним поверхностям. Для белых и цветных образцов можно использовать обычную шариковую ручку. Для черных образцов используют контрастные чернила. Перед испытанием чернила должны высохнуть. Образец зажимают в держателе вертикально приблизительно в центре колонки так, чтобы верх образца был не менее чем на 100 мм ниже верха открытого конца колонки. Если используют колонку с уменьшенным отверстием (А.4.1), то верх образца должен быть не менее чем на 40 мм ниже края отверстия.
А. 6.2 Испытание проводят при температуре (23 ±2) °С, и образцы должны быть предварительно выдержаны при температуре (23±2) °С и относительной влажности (50±5) % в течение 24 ч.
А. 6.3 Устанавливают требуемую начальную концентрацию кислорода, проходящего через колонку. Скорость потока газа в колонке должна быть (40±10) мм/с, которая рассчитывается по общему потоку газа в кубических миллиметрах в секунду, деленных на площадь сечения колонки в квадратных миллиметрах.
А.6.4 Газ пропускают не менее 30 с, чтобы продуть систему.
А.6.5 Источник пламени подводят так, чтобы пламя на длине около 6 мм касалось верха образца. При горении образца источник пламени опускают, чтобы касание пламени удерживалось на длине около 6 мм. После загорания образца концентрацию кислорода не изменяют.
Горение пламени поддерживают до тех пор, пока образец не сгорит до восьмимиллиметровой линии. Затем пламя удаляют и начинают отсчет времени.
А.6.6 Предварительная оценка результатов
а) Если образец горит 3 мин или более, или сгорает на длине 50 мм или более, его следует загасить и зафиксировать концентрацию кислорода для этих условий.
б) Если образец прекращает гореть до истечения 3 мин и на длине менее 50 мм, концентрацию кислорода следует считать низкой. Время, когда пламя погасло, фиксируют.
А.6.7 Закрепляют новый образец (образец можно использовать вторично, если его охладить и отрезать сгоревший конец, при этом он должен отвечать требованиям А. 5.2 и А. 6.2).
Регулируют концентрацию кислорода на основе результатов, полученных в А.6.6. Повторяют испытание в соответствии с А.6.4— А.6.6.
А.6.8 Продолжают испытание согласно А.6.7, проводя только одно испытание при каждой концентрации кислорода до тех пор, пока не будут получены две концентрации, которые будут удовлетворять следующим условиям:
а) при первой концентрации образец горит не менее 3 мин или сгорает на длине не менее 50 мм;
б) при второй концентрации образец затухает за период менее 3 мин и сгорает на длине менее 50 мм;
в) численное различие между концентрациями кислорода по перечислениям а) и б) не превышает 0,25 %.
Концентрацию кислорода по перечислению а) принимают за приблизительное значение КИ на этой стадии.
А. 6.9 Затем продолжают испытание, учитывая следующие требования.
При каждом значении концентрации кислорода наибольший результат испытания трех образцов фиксируют как результат для этой концентрации (с включением результатов из первоначальной серии, полученных в А.6.8).
Начальное значение концентрации кислорода при испытании должно соответствовать значению КИ, полученному в А.6.8. Затем испытание продолжают с шагом не более ±0,25 % концентрации кислорода либо выше, либо ниже начального значения.
Когда будут получены наибольшие результаты, которые удовлетворяют перечислениям а), б) и в) А.6.8, испытание прекращают.
Наибольший результат, соответствующий А.6.8 а, принимают за абсолютное значение КИ испытуемого материала.
А. 7 Протокол испытания
В протокол должно быть включено следующее:
а) абсолютное значение КИ;
б) описание любых отклонении, отмеченных при испытании. А. 8 Подтверждение минимального значения КИ Данную методику применяют для определения абсолютного значения КИ. Если требуется проверить, находится ли значение КИ выше минимально-
го установленного значения, следует использовать методику, указанную в Д.6.3—А.6.5, и требование удовлетворяется, если выполняется требование А.6.6б.

1 — медная трубка диаметром 6,3 мм; 2 — отверстия диаметром 1,6 мм; 3 — место крепления бутановой паяльной лампы
Рисунок А. 1
Примечания
1 Испытательная колонка
Если стеклянная испытательная колонка становится чрезмерно горячей, может быть получено заниженное значение КИ. Поэтому рекомендуется использовать две испытательные колонки.
2 Калибровка
Должны быть обеспечены соответствующие методы калибровки и степень точности оборудования.
3 Расходомеры
Если используются расходомеры, которые откалиброваны для воздуха, следует делать поправку на плотность газов.
ГОСТ Р МЭК 60227-5-2002
УДК 621.315.2:006.354 Группа Е46
ГОСУДАРСТВЕННЫЙ СТАНДАРТ РОССИЙСКОЙ ФЕДЕРАЦИИ
Кабели с поливинилхлоридной изоляцией на номинальное напряжение
до 450/750 В включительно
ГИБКИЕ КАБЕЛИ (ШНУРЫ)
Polyvinyl chloride insulated cables of rated voltages up to and including 450/750 V.
Flexible cables (cords)
ОКС 29.060.20
ОКП 35 5000
Дата введения 2002—07—01
Предисловие
1 РАЗРАБОТАН И ВНЕСЕН Техническим комитетом по стандартизации ТК 46 «Кабельные изделия» при ОАО Всероссийский научно-исследовательский, проектно-конструкторский и технологический институт кабельной промышленности (ОАО ВНИИКП)
2 ПРИНЯТ И ВВЕДЕН В ДЕЙСТВИЕ Постановлением Госстандарта России от 21 января 2002 г. № 21-ст
3 Настоящий стандарт представляет собой полный аутентичный текст международного стандарта МЭК 60227-5—97 «Кабели с поливинилхлоридной изоляцией на номинальное напряжение до 450/750 В включительно. Часть 5. Гибкие кабели (шнуры)» с Изменением № 1 (1997 г.)
4 ВЗАМЕН ГОСТ Р МЭК 227-5-94
1 Общие положения
1.1 Область применения
Настоящий стандарт устанавливает технические требования к гибким кабелям (шнурам) с поливинилхлоридной изоляцией на номинальное напряжение до 300/500 В включ.
Кабели должны соответствовать общим требованиям ГОСТ Р МЭК 60227-1 и конкретным требованиям настоящего стандарта.
1.2 Нормативные ссылки
В настоящем стандарте использованы ссылки на следующие стандарты:
ГОСТ 22483—77 Жилы токопроводящие медные и алюминиевые для кабелей, проводов и шнуров. Основные параметры. Технические требования
ГОСТ Р МЭК 332-1—96 Испытания кабелей на нераспространение горения. Испытание одиночного вертикально расположенного изолированного провода или кабеля
ГОСТ Р МЭК 811-1-1—98 Общие методы испытаний материалов изоляции и оболочек электрических и оптических кабелей. Измерение толщины и наружных размеров. Методы определения механических свойств
ГОСТ Р МЭК 811-1-2—94 Общие методы испытаний материалов изоляции и оболочек электрических кабелей. Методы теплового старения
ГОСТ Р МЭК 811-1-4—94 Общие методы испытаний материалов изоляции и оболочек электрических кабелей. Испытания при низкой температуре
ГОСТ Р МЭК 811-3-1—94 Специальные методы испытаний поливинилхлоридных компаундов изоляции и оболочек электрических и оптических кабелей. Испытание под давлением при высокой температуре. Испытания на стойкость к растрескиванию
ГОСТ Р МЭК 811-3-2—94 Специальные методы испытаний поливинилхлоридных компаундов изоляции и оболочек электрических кабелей. Определение потери массы. Испытание на термическую стабильность
ГОСТ Р МЭК 60227-1—99 Кабели с поливинилхлоридной изоляцией на номинальное напряжение до 450/750 В включительно. Общие требования
ГОСТ Р МЭК 60227-2—99 Кабели с поливинилхлоридной изоляцией на номинальное напряжение до 450/750 В включительно. Методы испытаний
ГОСТ Р МЭК 60719—99 Кабели с круглыми медными токопроводящими жилами на номинальное напряжение до 450/750 В включительно. Расчет нижнего и верхнего пределов средних наружных размеров
2 Плоский шнур с мишурными жилами
2.1 Кодовое обозначение
60227 IEC 41.
2.2 Номинальное напряжение
300/300 В.
2.3 Конструкция
2.3.1 Токопроводящая жила
Число жил — 2.
Токопроводящая жила выполнена из мишурных нитей или групп мишурных нитей, скрученных между собой; при этом мишурная нить состоит из одной или нескольких плющеных проволок из меди или медного сплава, спирально намотанных на нить из хлопка, полиамида или аналогичного материала.
Электрическое сопротивление токопроводящей жилы должно быть не более значений, указанных в таблице 1.
2.3.2 Изоляция
Изоляция токопроводящих жил должна быть из поливинилхлоридного компаунда типа ПВХ/D.
Толщина изоляции должна соответствовать значению, указанному в таблице 1.
Электрическое сопротивление изоляции должно быть не менее значения, указанного в таблице 1.
Таблица 1 — Основные технические характеристики шнура типа 60227 IEC 41
| Установленное значение толщины изоляции, мм |
Средние наружные размеры, мм |
Электрическое сопротивление изоляции на длине 1 км при 70 °С, МОм, не менее |
Электрическое сопротивление токопроводящей жилы на длине 1 км при 20 °С, Ом, не более |
|
| минимальные |
максимальные |
|||
| 0,8 |
2,2-4,4 |
3,5-7,0 |
0,019 |
270 |
2.3.3 Расположение изолированных жил
На параллельно уложенные токопроводящие жилы должна быть наложена изоляция. Для облегчения разделения изолированных жил изоляция должна иметь канавку по обеим сторонам между токопроводящими жилами.
2.3.4 Наружные размеры
Средние наружные размеры должны быть в пределах значений, указанных в таблице 1.
2.4 Испытания
Соответствие требованиям 2.3 должно быть проверено внешним осмотром и испытаниями, указанными в таблице 2.
Таблица 2 — Испытания шнура типа 60227 IEC 41
| Испытание |
Категория испытания |
Стандарт на метод испытания |
|
| Обозначение |
Номер пункта |
||
| 1 Электрические испытания |
|||
| 1.1 Сопротивление токопроводящих жил |
Т, S |
ГОСТ Р МЭК 60227-2 |
2.1 |
| 1.2 Испытание шнура напряжением 2000 В |
Т, S |
ГОСТ Р МЭК 60227-2 |
2.2 |
| 1.3 Сопротивление изоляции при 70 °С |
Т |
ГОСТ Р МЭК 60227-2 |
2.4 |
| 2 Требования к конструкции и конструктивным размерам |
|||
| 2.1 Проверка соответствия требованиям к конструкции |
Т, S |
ГОСТ Р МЭК 60227-1 |
Внешний осмотр и испытания вручную |
| 2.2 Измерение толщины изоляции |
Т, S |
ГОСТ Р МЭК 60227-2 |
1.9 |
| 2.3 Измерение наружных размеров |
Т, S |
ГОСТ Р МЭК 60227-2 |
1.11 |
| 3 Механические характеристики изоляции |
|||
| 3.1 Испытание на растяжение до старения |
Т |
ГОСТ РМЭК 811-1-1 |
9.1 |
| 3.2 Испытание на растяжение после старения |
Т |
ГОСТ РМЭК 811-1-2 |
8.1.3.1 |
| 3.3 Испытание на потерю массы |
Т |
ГОСТ РМЭК 811-3-2 |
8.1 |
| 4 Испытание под давлением при высокой температуре |
Т |
ГОСТ РМЭК 811-3-1 |
8.1 |
| 5 Эластичность при низкой температуре |
|||
| 5.1 Испытание изоляции на изгиб при низкой температуре |
Т |
ГОСТ РМЭК 811-1-4 |
8.1 |
| 6 Испытание на тепловой удар |
Т |
ГОСТ РМЭК 811-3-1 |
9.1 |
| 7 Механическая прочность шнура |
|||
| 7. 1 Испытание на изгиб |
Т |
ГОСТ Р МЭК 60227-2 |
3.2 |
| 7.2 Испытание на растяжение рывком |
Т |
ГОСТ Р МЭК 60227-2 |
3.3 |
| 8 Испытание на нераспространение горения |
Т |
ГОСТ РМЭК 332-1 |
— |
2.5 Указания по применению
Максимальная температура токопроводящей жилы при нормальной эксплуатации 70 °С.
3 Плоский шнур без оболочки
3.1 Кодовое обозначение
60227 IEC 42.
3.2 Номинальное напряжение
300/300 В.
3.3 Конструкция
3.3.1 Токопроводящая жила
Число жил — 2.
Токопроводящие жилы должны соответствовать требованиям ГОСТ 22483 для жил класса 6.
3.3.2 Изоляция
Изоляция токопроводящих жил должна быть из поливинилхлоридного компаунда типа ПВХ/D.
Толщина изоляции должна соответствовать значению, указанному в таблице 3.
Электрическое сопротивление изоляции должно быть не менее значений, указанных в таблице 3.
Таблица 3 — Основные технические характеристики шнура типа 60227 IEC 42
| Номинальное сечение токопроводящей жилы, мм2 |
Установленное значение толщины изоляции, мм |
Средние наружные размеры, мм |
Электрическое сопротивление изоляции на длине 1 км при 70 °С, МОм, не менее |
|
| минимальные |
максимальные |
|||
| 0,50 |
0,8 |
2,4x4,9 |
3,0x5,9 |
0,016 |
| 0,75 |
2,6x5,2 |
3,1x6,3 |
0,014 |
|
3.3.3 Расположение изолированных жил
На параллельно уложенные токопроводящие жилы должна быть наложена изоляция.
Для облегчения разделения изолированных жил изоляция должна иметь канавку по обеим сторонам между токопроводящими жилами.
3.3.4 Наружные размеры
Средние наружные размеры должны быть в пределах значений, указанных в таблице 3.
3.4 Испытания
Соответствие требованиям 3.3 должно быть проверено внешним осмотром и испытаниями, указанными в таблице 4.
Таблица 4 — Испытания шнура типа 60227 IEC 42
| Испытание |
Категория испытания |
Стандарт на метод испытания |
|
| Обозначение |
Номер пункта |
||
| 1 Электрические испытания |
|||
| 1.1 Сопротивление токопроводящих жил |
Т, S |
ГОСТ Р МЭК 60227-2 |
2.1 |
| 1.2 Испытание изолированных жил напряжением 2000В |
Т, S |
ГОСТ Р МЭК 60227-2 |
2.3 |
| 1.3 Испытание шнура напряжением 2000 В |
Т, S |
ГОСТ Р МЭК 60227-2 |
2.2 |
| 1.4 Сопротивление изоляции при 70 "С |
Т |
ГОСТ Р МЭК 60227-2 |
2.4 |
| 2 Требования к конструкции и конструктивным размерам |
|||
| 2.1 Проверка соответствия требованиям к конструкции |
T, S |
ГОСТ Р МЭК 60227-1 |
Внешний осмотр и испытания вручную |
| 2.2 Измерение толщины изоляции |
Т, S |
ГОСТ Р МЭК 60227-2 |
1.9 |
| 2.3 Измерение наружных размеров |
Т, S |
ГОСТ Р МЭК 60227-2 |
1.11 |
| 3 Механические характеристики изоляции |
|||
| 3.1 Испытание на растяжение до старения |
Т |
ГОСТ Р МЭК 811-1-1 |
9.1 |
| 3.2 Испытание на растяжение после старения |
Т |
ГОСТ Р МЭК 811-1-2 |
8.1.3.1 |
| 3.3 Испытание на потерю массы |
Т |
ГОСТ Р МЭК 811-3-2 |
8.1 |
| 4 Испытание под давлением при высокой температуре |
Т |
ГОСТ Р МЭК 811-3-1 |
8.1 |
| 5 Эластичность и стойкость к удару при низкой температуре |
|||
| 5.1 Испытание изоляции на изгиб |
Т |
ГОСТ Р МЭК 811-1-4 |
8.1 |
| 5.2 Испытание изоляции на удар |
Т |
ГОСТ Р МЭК 811-1-4 |
8.5 |
| 6 Испытание на тепловой удар |
Т |
ГОСТ Р МЭК 811-3-1 |
9.1 |
| 7 Механическая прочность шнура |
|||
| 7.1 Испытание на гибкость |
Т |
ГОСТ Р МЭК 60227-2 |
3.1 |
| 7.2 Испытание на разделение изолированных жил |
Т |
ГОСТ Р МЭК 60227-2 |
3.4 |
| 8 Испытание на нераспространение горения |
Т |
ГОСТ Р МЭК 332-1 |
— |
3.5 Указания по применению
Максимальная температура токопроводящей жилы при нормальной эксплуатации 70 °С.
4 Шнур для декоративных осветительных цепей внутри помещений
4.1 Кодовое обозначение
60227 IEC 43.
4.2 Номинальное напряжение
300/300 В.
4.3 Конструкция
4.3.1 Токопроводящая жила
Число жил — одна.
Токопроводящая жила должна соответствовать требованиям ГОСТ 22483 для жил класса 5.
4.3.2 Изоляция
Изоляция токопроводящей жилы должна состоять из двух слоев поливинилхлоридного компаунда типа ПВХ/D, наложенного на токопроводящую жилу методом двойной экструзии.
Наружный слой изоляции должен иметь контрастный цвет по отношению к внутреннему слою и плотно прилегать к нему.
Суммарная толщина внутреннего и наружного слоев изоляции должна соответствовать общей толщине изоляции, указанной в таблице 5; толщина каждого слоя должна быть не менее значений, указанных в таблице 5.
Электрическое сопротивление изоляции при 70 °С должно быть не менее значений, указанных в таблице 5.
Таблица 5 — Основные технические характеристики шнура типа 60227 IEC 43
| Номинальное сечение токопроводящей жилы, мм2 |
Толщина каждого слоя изоляции, мм, не менее |
Общая толщина изоляции, мм, не менее |
Средняя общая толщина изоляции, мм |
Средний наружный диаметр, мм |
Электрическое сопротивление изоляции на длине 1 км при 70 °С, МОм, не менее |
|
| мини-мальный |
макси-мальный |
|||||
| 0,50 |
0,2 |
0,6 |
0,7 |
2,3 |
2,7 |
0,014 |
| 0,75 |
2,4 |
2,9 |
0,012 |
|||
4.3.3 Расцветка шнура
Предпочтительный цвет наружного слоя изоляции — зеленый.
4.3.4 Наружный диаметр
Средний наружный диаметр должен быть в пределах значений, указанных в таблице 5.
4.4 Испытания
Соответствие требованиям 4.3 должно быть проверено внешним осмотром и испытаниями, указанными в таблице 6.
Таблица 6 — Испытания шнура типа 60227 IEC 43
| Испытание |
Категория испытания |
Стандарт на метод испытания |
|
| Обозначение |
Номер пункта |
||
| 1 Электрические испытания |
|||
| 1.1 Сопротивление токопроводящей жилы |
Т, S |
ГОСТ Р МЭК 60227-2 |
2.1 |
| 1.2 Испытание напряжением 2000 В |
Т, S |
ГОСТ Р МЭК 60227-2 |
2.3 |
| 1.3 Сопротивление изоляции при 70 "С |
Т |
ГОСТ Р МЭК 60227-2 |
2.4 |
| 2 Требования к конструкции и конструктивным размерам |
|||
| 2.1 Проверка соответствия требованиям к конструкции |
Т, S |
ГОСТ Р МЭК 60227-1 |
Внешний осмотр и испытания вручную |
| 2.2 Измерение минимальной толщины внутреннего слоя изоляции |
T, S |
ГОСТ Р МЭК 60227-2 |
1.9 |
| 2.3 Измерение минимальной толщины наружного слоя изоляции |
T, S |
ГОСТ Р МЭК 60227-2 |
1.9 |
| 2.4 Измерение общей толщины (см. примечание) |
T, S |
ГОСТ Р МЭК 60227-2 |
1.9 |
| 2.5 Измерение наружного диаметра |
T, S |
ГОСТ Р МЭК 60227-2 |
1.11 |
| 3 Механические характеристики изоляции |
|||
| 3.1 Испытание на растяжение до старения (см. примечание) |
Т |
ГОСТ Р МЭК 811-1-1 |
9.1 |
| 3.2 Испытание на растяжение после старения (см. примечание) |
Т |
ГОСТ Р МЭК 811-1-2 |
8.1.3.1 |
| 3.3 Испытание на потерю массы (см. примечание) |
Т |
ГОСТ Р МЭК 811-3-2 |
8.1 |
| 4 Испытание под давлением при высокой температуре (см. примечание) |
Т |
ГОСТ Р МЭК 811-3-1 |
8.1 |
| 5 Эластичность при низкой температуре |
|||
| 5.1 Испытание изоляции на изгиб (см. примечание) |
Т |
ГОСТ Р МЭК 811-1-4 |
8.1 |
| 6 Испытание на тепловой удар (см. примечание) |
Т |
ГОСТ Р МЭК 811-3-1 |
9.1 |
| 7 Испытание на нераспространение горения |
Т |
ГОСТ Р МЭК 332-1 |
— |
Примечание — Поскольку оба слоя изоляции экструдируют одновременно из одного и того же изоляционного компаунда, полученную комбинированную изоляцию испытывают как однослойную, и соответственно этому оценивают результаты испытаний.
4.5 Указания по применению
Максимальная температура токопроводящей жилы при нормальной эксплуатации 70 °С.
5 Шнур в облегченной поливинилхлоридной оболочке
5.1 Кодовое обозначение
60227 IEC 52.
5.2 Номинальное напряжение
300/500 В.
5.3 Конструкция
5.3.1 Токопроводящая жила
Число жил — 2 и 3.
Токопроводящие жилы должны соответствовать требованиям ГОСТ 22483 для жил класса 5.
5.3.2 Изоляция
Изоляция токопроводящих жил должна быть из поливинилхлоридного компаунда типа ПВХ/D. Толщина изоляции должна соответствовать значениям, указанным в таблице 7. Электрическое сопротивление изоляции должно быть не менее значений, указанных в таблице7.
Таблица 7 — Основные технические характеристики шнура типа 60227 IEC 52
| Число и номинальное сечение токопроводящих жил, мм2 |
Установленное значение толщины изоляции, мм |
Установленное значение толщины оболочки, мм |
Средние наружные размеры, мм |
Электрическое сопротивление изоляции на длине 1 км при 70 °С, МОм, не менее |
|
| мини-мальные |
макси-мальные |
||||
| 2x0,50 |
0,5 |
0,6 |
4,6 или 3,0x4,9 |
5,9 или 3,7x5,9 |
0,012 |
| 2x0,75 |
4,9 или 3,2x5,2 |
6,3 или 3,8x6,3 |
0,010 |
||
| 3x0,50 |
4,9 |
6,3 |
0,012 |
||
| 3x0,75 |
5,2 |
6,7 |
0,010 |
||
5.3.3 Расположение изолированных жил
В круглом шнуре изолированные жилы должны быть скручены между собой.
В плоском шнуре изолированные жилы должны быть уложены параллельно.
5.3.4 Оболочка
На изолированные жилы должна быть наложена оболочка из поливинилхлоридного компаунда типа ПВХ/SТ5.
Толщина оболочки должна соответствовать значению, указанному в таблице 7.
Оболочка может проникать в промежутки между изолированными жилами, образуя заполнение, но не должна иметь адгезии к изолированным жилам. На скрученные или параллельно уложенные жилы может быть наложен сепаратор, который не должен иметь адгезии к изолированным жилам.
Круглый шнур в сечении должен иметь практически круглую форму.
5.3.5 Наружные размеры
Средний наружный диаметр круглого шнура и средние наружные размеры плоского шнура должны быть в пределах значений, указанных в таблице 7.
5.4 Испытания
Соответствие требованиям 5.3 должно быть проверено внешним осмотром и испытаниями, указанными в таблице 8.
Таблица 8 — Испытания шнура типа 60227 IEC 52
| Испытание |
Категория испытания |
Стандарт на метод испытания |
|
| Обозначение |
Номер пункта |
||
| 1 Электрические испытания |
|||
| 1.1 Сопротивление токопроводящих жил |
Т, S |
ГОСТ Р МЭК 60227-2 |
2.1 |
| 1.2 Испытание изолированных жил напряжением 1500 В |
T.S |
ГОСТ Р МЭК 60227-2 |
2.3 |
| 1.3 Испытание шнура напряжением 2000 В |
Т, S |
ГОСТ Р МЭК 60227-2 |
2.2 |
| 1.4 Сопротивление изоляции при 70 °С |
Т |
ГОСТ Р МЭК 60227-2 |
2.4 |
| 2 Требования к конструкции и конструктивным размерам |
|||
| 2.1 Проверка соответствия требованиям к конструкции |
Т, S |
ГОСТ Р МЭК 60227-1 |
Внешний осмотр и испытания вручную |
| 2.2 Измерение толщины изоляции |
Т, S |
ГОСТ Р МЭК 60227-2 |
1.9 |
| 2.3 Измерение толщины оболочки |
Т, S |
ГОСТ Р МЭК 60227-2 |
1.10 |
| 2.4 Измерение наружных размеров |
|||
| 2.4.1 Среднее значение |
Т, S |
ГОСТ Р МЭК 60227-2 |
1.11 |
| 2.4.2 Овальность |
Т, S |
ГОСТ Р МЭК 60227-2 |
1.11 |
| 3 Механические характеристики изоляции |
|||
| 3.1 Испытание на растяжение до старения |
Т |
ГОСТ Р МЭК 811-1-1 |
9.1 |
| 3.2 Испытание на растяжение после старения |
Т |
ГОСТ Р МЭК 811-1-2 |
8.1.3.1 |
| 3.3 Испытание на потерю массы |
Т |
ГОСТ Р МЭК 811-3-2 |
8.1 |
| 4 Механические характеристики оболочки |
|||
| 4.1 Испытание на растяжение до старения |
Т |
ГОСТ Р МЭК 811-1-1 |
9.2 |
| 4.2 Испытание на растяжение после старения |
Т |
ГОСТ Р МЭК 811-1-2 |
8.1 |
| 4.3 Испытание на потерю массы |
Т |
ГОСТ Р МЭК 811-3-2 |
8.2 |
| 5 Испытание под давлением при высокой температуре |
|||
| 5.1 Изоляция |
Т |
ГОСТ Р МЭК 811-3-1 |
8.1 |
| 5.2 Оболочка |
Т |
ГОСТ Р МЭК 811-3-1 |
8.2 |
| 6 Эластичность и стойкость к удару при низкой температуре |
|||
| 6.1 Испытание изоляции на изгиб |
Т |
ГОСТ Р МЭК 811-1-4 |
8.1 |
| 6.2 Испытание оболочки на изгиб |
Т |
ГОСТ Р МЭК 811-1-4 |
8.2 |
| 6.3 Испытание шнура на удар |
Т |
ГОСТ Р МЭК 811-1-4 |
8.5 |
| 7 Испытание на тепловой удар |
|||
| 7.1 Изоляция |
Т |
ГОСТ Р МЭК 811-3-1 |
9.1 |
| 7.2 Оболочка |
Т |
ГОСТ Р МЭК 811-3-1 |
9.2 |
| 8 Механическая прочность шнура |
|||
| 8.1 Испытание на гибкость |
Т |
ГОСТ Р МЭК 60227-2 |
3.1 |
| 9 Испытание на нераспространение горения |
Т |
ГОСТ Р МЭК 332-1 |
— |
5.5 Указания по применению
Максимальная температура токопроводящей жилы при нормальной эксплуатации 70 °С.
6 Шнур в нормальной поливинилхлоридной оболочке
6.1 Кодовое обозначение 60227 IEC 53.
6.2 Номинальное напряжение
300/500 В.
6.3 Конструкция
6.3.1 Токопроводящая жила
Число жил — 2, 3, 4 или 5.
Токопроводящие жилы должны соответствовать требованиям ГОСТ 22483 для жил класса 5.
6.3.2 Изоляция
Изоляция токопроводящих жил должна быть из поливинилхлоридного компаунда типа ПВХ/D.
Толщина изоляции должна соответствовать значениям, указанным в таблице 9.
Электрическое сопротивление изоляции должно быть не менее значений, указанных в таблице 9.
Таблица 9 — Основные технические характеристики шнура типа 60227 IEC 53
| Число и номинальное сечение токопроводящих жил, мм2 |
Установленное значение толщины изоляции, мм |
Установленное значение толщины оболочки, мм |
Средние наружные размеры, мм |
Электрическое сопротивление изоляции на длине 1 км при 70 °С, МОм, не менее |
|
| мини-мальные |
макси-мальные |
||||
| 2x0,75 |
0,6 |
0,8 |
5,7 или 3,7x6,0 |
7,2 или 4,5x7,2 |
0,011 |
| 2x1,00 |
5,9 |
7,5 |
0,010 |
||
| 2x1,50 |
0,7 |
6,8 |
8,6 |
||
| 2x2,50 |
0,8 |
1,0 |
8,4 |
10,6 |
0,009 |
| 3x0,75 |
0,6 |
0,8 |
6,0 |
7,6 |
0,011 |
| 3x1,00 |
6,3 |
8,0 |
0,010 |
||
| 3x1,50 |
0,7 |
0,9 |
7,4 |
9,4 |
|
| 3x2,50 |
0,8 |
1,1 |
9,2 |
11,4 |
0,009 |
| 4x0,75 |
0,6 |
0,8 |
6,6 |
8,3 |
0,011 |
| 4x1,00 |
0,9 |
7,1 |
9,0 |
0,010 |
|
| 4x1,50 |
0,7 |
1,0 |
8,4 |
10,5 |
|
| 4x2,50 |
0,8 |
1,1 |
10,1 |
12,5 |
0,009 |
| 5x0,75 |
0,6 |
0,9 |
7,4 |
9,3 |
0,011 |
| 5x1,00 |
7,8 |
9,8 |
0,010 |
||
| 5x1,50 |
0,7 |
1,1 |
9,3 |
11,6 |
|
| 5x2,50 |
0,8 |
1,2 |
11,2 |
13,9 |
0,009 |
6.3.3 Расположение изолированных жил и заполнителя (если имеется)
В круглом шнуре изолированные жилы и заполнитель (если имеется) должны быть скручены между собой.
В плоском шнуре изолированные жилы должны быть уложены параллельно.
В круглом шнуре с двумя изолированными жилами промежутки между жилами должны быть заполнены или соответствующим заполнителем, или материалом оболочки.
Заполнение не должно иметь адгезии к изолированным жилам.
6.3.4 Оболочка
На изолированные жилы должна бать наложена оболочка из поливинилхлоридного компаунда типа ПВХ/SТ5.
Толщина оболочки должна соответствовать значениям, указанным в таблице 9.
Оболочка может проникать в промежутки между изолированными жилами, образуя заполнение, но не должна иметь адгезии к изолированным жилам. На скрученные или параллельно уложенные жилы может быть наложен сепаратор, который не должен иметь адгезии к изолированным жилам.
Круглый шнур в сечении должен иметь практически круглую форму.
6.3.5 Наружные размеры
Средний наружный диаметр круглого шнура и средние наружные размеры плоского шнура должны быть в пределах значений, указанных в таблице 9.
6.4 Испытания
Соответствие требованиям 6.3 должно быть проверено внешним осмотром и испытаниями, указанными в таблице 10.
Таблица 10 — Испытания шнура типа 60227 IEC 53
| Испытание |
Категория испытания |
Стандарт на метод испытания |
|
| Обозначение |
Номер пункта |
||
| 1 Электрические испытания |
|||
| 1.1 Сопротивление токопроводящих жил |
Т, S |
ГОСТ Р МЭК 60227-2 |
2.1 |
| 1.2 Испытание изолированных жил напряжением |
|||
| 1500 В для изоляции толщиной до 0,6 мм включ. |
Т |
ГОСТ Р МЭК 60227-2 |
2.3 |
| 2000 В для изоляции толщиной св. 0,6 мм |
Т |
ГОСТ Р МЭК 60227-2 |
2.3 |
| 1.3 Испытание шнура напряжением 2000 В |
Т, S |
ГОСТ Р МЭК 60227-2 |
2.2 |
| 1.4 Сопротивление изоляции при 70 °С |
т |
ГОСТ Р МЭК 60227-2 |
2.4 |
| 2 Требования к конструкции и конструктивным размерам |
|||
| 2.1 Проверка соответствия требованиям к конструкции |
Т, S |
ГОСТ Р МЭК 60227-1 |
Внешний осмотр и испытания вручную |
| 2.2 Измерение толщины изоляции |
Т, S |
ГОСТ Р МЭК 60227-2 |
1.9 |
| 2.3 Измерение толщины оболочки |
T,S |
ГОСТ Р МЭК 60227-2 |
1.10 |
| 2.4 Измерение наружных размеров |
|||
| 2.4. 1 Среднее значение |
Т, S |
ГОСТ Р МЭК 60227-2 |
1.11 |
| 2.4.2 Овальность |
Т, S |
ГОСТ Р МЭК 60227-2 |
1.11 |
| 3 Механические характеристики изоляции |
|||
| 3.1 Испытание на растяжение до старения |
Т |
ГОСТ Р МЭК 811-1-1 |
9.1 |
| 3.2 Испытание на растяжение после старения |
Т |
ГОСТ Р МЭК 811-1-2 |
8.1.3.1 |
| 3.3 Испытание на потерю массы |
Т |
ГОСТ Р МЭК 811-3-2 |
8.1 |
| 4 Механические характеристики оболочки |
|||
| 4.1 Испытание на растяжение до старения |
Т |
ГОСТ Р МЭК 811-1-1 |
9.2 |
| 4.2 Испытание на растяжение после старения |
Т |
ГОСТ Р МЭК 811-1-2 |
8.1.3.1 |
| 4.3 Испытание на потерю массы |
Т |
ГОСТ Р МЭК 811-3-2 |
8.2 |
| 5 Испытание на совместимость |
Т |
ГОСТ Р МЭК 811-1-2 |
8.1.4 |
| 6 Испытание под давлением при высокой температуре |
|||
| 6.1 Изоляция |
Т |
ГОСТ Р МЭК 811-3-1 |
8.1 |
| 6.2 Оболочка |
Т |
ГОСТ Р МЭК 811-3-1 |
8.2 |
| 7 Эластичность и стойкость к удару при низкой температуре |
|||
| 7.1 Испытание изоляции на изгиб |
Т |
ГОСТ Р МЭК 811-1-4 |
8.1 |
| 7.2 Испытание оболочки на изгиб |
Т |
ГОСТ Р МЭК 811-1-4 |
8.2 |
| 7.3 Испытание шнура на удар |
Т |
ГОСТ Р МЭК 811-1-4 |
8.5 |
| 8 Испытание на тепловой удар |
|||
| 8.1 Изоляция |
Т |
ГОСТ Р МЭК 811-3-1 |
9.1 |
| 8.2 Оболочка |
Т |
ГОСТ Р МЭК 811-3-1 |
9.2 |
| 9 Механическая прочность шнура |
|||
| 9.1 Испытание на гибкость |
Т |
ГОСТ Р МЭК 60227-2 |
3.1 |
| 10 Испытание на нераспространение горения |
Т |
ГОСТ Р МЭК 332-1 |
— |
6.5 Указания по применению
Максимальная температура токопроводящей жилы при нормальной эксплуатации 70 °С.
7 Шнур нагревостойкий в облегченной поливинилхлоридной оболочке с допустимой температурой на жиле 90 °С
7.1 Кодовое обозначение
60227 IEC 56.
7.2 Номинальное напряжение
300/300 В.
7.3 Конструкция
7.3.1 Токопроводящая жила
Число жил — 2 или 3.
Токопроводящие жилы должны соответствовать требованиям ГОСТ 22483 для жил класса 5.
7.3.2 Изоляция
Изоляция токопроводящих жил должна быть из поливинилхлоридного компаунда типа ПВХ/Е.
Толщина изоляции должна соответствовать значениям, указанным в таблице 11.
Электрическое сопротивление изоляции должно быть не менее значений, указанных в таблице 11.
Таблица 11— Основные технические характеристики шнура типа 60227 IEC 56
| Число и номинальное сечение токопроводящих жил, мм2 |
Установленное значение толщины изоляции, мм |
Установленное значение толщины оболочки, мм |
Средние наружные размеры, мм |
Электрическое сопротивление изоляции на длине 1 км, при 90 °С, МОм, не менее |
|
| мини-мальные |
макси-мальные |
||||
| 2x0,50 |
0,5 |
0,6 |
4,6 или 3,0x4,9 |
5,9 или 3,7x5,9 |
0,012 |
| 2x0,75 |
4,9 или 3,2x5,2 |
6,3 или 3,8x6,3 |
0,010 |
||
| 3x0,50 |
0,5 |
0,6 |
4,9 |
6,3 |
0,012 |
| 3x0,75 |
5,2 |
6,7 |
0,010 |
||
Примечание — Средние наружные размеры рассчитаны по ГОСТ Р МЭК 60719.
7.3.3 Расположение изолированных жил
В круглом шнуре изолированные жилы должны быть скручены между собой.
В плоском шнуре изолированные жилы должны быть уложены параллельно.
7.3.4 Оболочка
На изолированные жилы должна быть наложена оболочка из поливинилхлоридного компаунда типа ПВХ/ST10.
Толщина оболочки должна соответствовать значениям, указанным в таблице 11.
Оболочка может проникать в промежутки между изолированными жилами, образуя заполнение, но не должна иметь адгезии к изолированным жилам. На скрученные или параллельно уложенные жилы может быть наложен сепаратор, который не должен иметь адгезии к изолированным жилам.
Круглый шнур в сечении должен иметь практически круглую форму.
7.3.5 Наружные размеры
Средний наружный диаметр круглого шнура и средние наружные размеры плоского шнура должны быть в пределах значений, указанных в таблице 11.
7.4 Испытания
Соответствие требованиям 7.3 должно быть проверено внешним осмотром и испытаниями, указанными в таблице 12.
Таблица 12 — Испытания шнура типа 60227 IEC 56
| Испытание |
Категория испытания |
Стандарт на метод испытания |
|
| Обозначение |
Номер раздела или пункта |
||
| 1 Электрические испытания |
|||
| 1.1 Сопротивление токопроводящих жил |
Т, S |
ГОСТ Р МЭК 60227-2 |
2.1 |
| 1.2 Испытание шнура напряжением 2000 В |
Т, S |
ГОСТ Р МЭК 60227-2 |
2.2 |
| 1.3 Испытание изолированных жил напряжением 1500 В |
Т |
ГОСТ Р МЭК 60227-2 |
2.3 |
| 1.4 Сопротивление изоляции при 90 "С |
Т |
ГОСТ Р МЭК 60227-2 |
2.4 |
| 2 Требования к конструкции и конструктивным размерам |
|||
| 2.1 Проверка соответствия требованиям конструкции |
T, S |
ГОСТ Р МЭК 60227-1 |
Внешний осмотр и испытания вручную |
| 2.2 Измерение толщины изоляции |
Т, S |
ГОСТ Р МЭК 60227-2 |
1.9 |
| 2.3 Измерение толщины оболочки |
Т, S |
ГОСТ Р МЭК 60227-2 |
1.10 |
| 2.4 Измерение наружных размеров |
|||
| 2.4.1 Среднее значение |
T, S |
ГОСТ Р МЭК 60227-2 |
1.11 |
| 2.4.2 Овальность |
Т, S |
ГОСТ Р МЭК 60227-2 |
1.11 |
| 3 Механические характеристики изоляции |
|||
| 3.1 Испытание на растяжение до старения |
Т |
ГОСТ Р МЭК 811-1-1 |
9.1 |
| 3.2 Испытание на растяжение после старения |
Т |
ГОСТ Р МЭК 811-1-2 |
8.1.3.1 |
| 3.3 Испытание на потерю массы |
Т |
ГОСТ Р МЭК 811-3-2 |
8.1 |
| 4 Механические характеристики оболочки |
|||
| 4.1 Испытание на растяжение до старения |
Т |
ГОСТ Р МЭК 811-1-1 |
9.2 |
| 4.2 Испытание на растяжение после старения |
Т |
ГОСТ Р МЭК 811-1-2 |
8.1.3.1 |
| 4.3 Испытание на потерю массы |
Т |
ГОСТ Р МЭК 811-3-2 |
8.2 |
| 5 Испытание под давлением при высокой температуре |
|||
| 5.1 Изоляция |
Т |
ГОСТ Р МЭК 811-3-1 |
8.1 |
| 5.2 Оболочка |
Т |
ГОСТ Р МЭК 811-3-1 |
8.2 |
| 6 Испытания при низкой температуре |
|||
| 6.1 Испытание изоляции на изгиб |
Т |
ГОСТ Р МЭК 811-1-4 |
8.1 |
| 6.2 Испытание оболочки на изгиб |
Т |
ГОСТ Р МЭК 811-1-4 |
8.2 |
| 6.3 Испытание на удар |
Т |
ГОСТ Р МЭК 811-1-4 |
8.5 |
| 7 Испытание на тепловой удар |
|||
| 7.1 Изоляция |
Т |
ГОСТ Р МЭК 811-3-1 |
9.1 |
| 7.2 Оболочка |
Т |
ГОСТ Р МЭК 811-3-1 |
9.2 |
| 8 Термостабильность |
|||
| 8.1 Изоляция |
Т |
ГОСТ Р МЭК 811-3-2 |
9 |
| 8.2 Оболочка |
Т |
ГОСТ Р МЭК 811-3-2 |
9 |
| 9 Механическая прочность шнура |
|||
| 9.1 Испытание на гибкость |
Т |
ГОСТ Р МЭК 60227-2 |
3.1 |
| 10 Испытание на нераспространение горения |
Т |
ГОСТ Р МЭК 332-1 |
— |
7.5 Указания по применению
Максимальная температура токопроводящей жилы при нормальной эксплуатации 90 °С
8 Шнур нагревостойкий в нормальной поливинилхлоридной оболочке
с допустимой температурой на жиле 90 °С
8.1 Кодовое обозначение
60227 IEC 57
8.2 Номинальное напряжение
300/500 В.
8.3 Конструкция
8.3.1 Токопроводящая жила
Число жил — 2, 3, 4 или 5.
Токопроводящие жилы должны соответствовать требованиям ГОСТ 22483 для жил класса 5.
8.3.2 Изоляция
Изоляция токопроводящих жил должна быть из поливинилхлоридного компаунда типа ПВХ/Е.
Толщина изоляции должна соответствовать значениям, указанным в таблице 13.
Электрическое сопротивление изоляции должно быть не менее значений, указанных в таблице 13.
Таблица 13 — Основные технические характеристики шнура типа 60227 IEC 57
| Число и номинальное сечение токопроводящих жил, мм2 |
Установленное значение толщины изоляции, мм |
Установленное значение толщины оболочки, мм |
Средние наружные размеры, мм |
Электрическое сопротивление изоляции на длине 1 км при 90 °С, МОм, не менее |
|
| мини-мальные |
макси-мальные |
||||
| 2x0,75 |
0,6 |
0,8 |
5,7 или 3,7x6,0 |
7,2 или 4,5x7,2 |
0,011 |
| 2x1,00 |
5,9 |
7,5 |
0,010 |
||
| 2x1,50 |
0,7 |
6,8 |
8,6 |
||
| 2x2,50 |
0,8 |
1,0 |
8,4 |
10,6 |
0,009 |
| 3x0,75 |
0,6 |
0,8 |
6,0 |
7,6 |
0,011 |
| 3x1,00 |
6,3 |
8,0 |
0,010 |
||
| 3x1,50 |
0,7 |
0,9 |
7,4 |
9,4 |
|
| 3x2,50 |
0,8 |
1,1 |
9,2 |
11,4 |
0,009 |
| 4x0,75 |
0,6 |
0,8 |
6,6 |
8,3 |
0,011 |
| 4x1,00 |
0,9 |
7,1 |
9,0 |
0,010 |
|
| 4x1,50 |
0,7 |
1,0 |
8,4 |
10,5 |
|
| 4x2,50 |
0,8 |
1,1 |
10,1 |
12,5 |
0,009 |
| 5x0,75 |
0,6 |
0,9 |
7,4 |
9,3 |
0,011 |
| 5x1,00 |
7,8 |
9,8 |
0,010 |
||
| 5x1,50 |
0,7 |
1,1 |
9,3 |
11,6 |
|
| 5x2,50 |
0,8 |
1,2 |
11,2 |
13,9 |
0,009 |
Примечание — Средние наружные размеры рассчитаны по ГОСТ Р МЭК 60719.
8.3.3 Расположение изолированных жил и заполнителя (если имеется) В круглом шнуре изолированные жилы и заполнитель (если имеется) должны быть скручены между собой.
В плоском шнуре изолированные жилы должны быть уложены параллельно.
В круглом шнуре с двумя изолированными жилами промежутки между жилами должны быть заполнены или соответствующим заполнителем, или материалом оболочки. Заполнение не должно иметь адгезии к изолированным жилам.
8.3.4 Оболочка
На изолированные жилы должна быть наложена оболочка из поливинилхлоридного компаунда типа ПВХ/ST10.
Толщина оболочки должна соответствовать значениям, указанным в таблице 13.
Оболочка может проникать в промежутки между изолированными жилами, образуя заполнение, но не должна иметь адгезии к изолированным жилам. На скрученные или параллельно уложенные жилы может быть наложен сепаратор, который не должен иметь адгезии к изолированным жилам.
Круглый шнур в сечении должен иметь практически круглую форму.
8.3.5 Наружные размеры
Средний наружный диаметр круглого шнура и средние наружные размеры плоского шнура должны быть в пределах значений, указанных в таблице 13.
8.4 Испытания
Соответствие требованиям 8.3 должно быть проведено внешним осмотром и испытаниями, указанными в таблице 14.
Таблица 14 — Испытания шнура типа 60227 IEC 57
| Испытание |
Категория испытания |
Стандарт на метод испытания |
|
| Обозначение |
Номер раздела или пункта |
||
| 1 Электрические испытания |
|||
| 1.1 Сопротивление токопроводящих жил |
Т, S |
ГОСТ Р МЭК 60227-2 |
2.1 |
| 1.2 Испытание шнура напряжением 2000В |
Т, S |
ГОСТ Р МЭК 60227-2 |
2.2 |
| 1.3 Испытание изолированных жил напряжением: |
|||
| 1500 В для изоляции толщиной до 0,6 мм включ. |
Т |
ГОСТ Р МЭК 60227-2 |
2.3 |
| 2000 В для изоляции толщиной св. 0,6 мм |
Т |
ГОСТ Р МЭК 60227-2 |
2.3 |
| 1.4 Сопротивление изоляции при 90 °С |
Т |
ГОСТ Р МЭК 60227-2 |
2.4 |
| 2 Требования к конструкции и конструктивным размерам |
|||
| 2.1 Проверка соответствия требованиям к конструкции |
Т, S |
ГОСТ Р МЭК 60227-1 |
Внешний осмотр и испытания вручную |
| 2.2 Измерение толщины изоляции |
T, S |
ГОСТ Р МЭК 60227-2 |
1.9 |
| 2.3 Измерение толщины оболочки |
Т, S |
ГОСТ Р МЭК 60227-2 |
1.10 |
| 2.4 Измерение наружных размеров |
|||
| 2.4.1 Среднее значение |
Т, S |
ГОСТ Р МЭК 60227-2 |
1.11 |
| 2.4.2 Овальность |
Т, S |
ГОСТ Р МЭК 60227-2 |
1.11 |
| 3 Механические характеристики изоляции |
|||
| 3.1 Испытание на растяжение до старения |
Т |
ГОСТ Р МЭК 811-1-1 |
9.1 |
| 3.2 Испытание на растяжение после старения |
Т |
ГОСТ Р МЭК 811-1-2 |
8.1.3.1 |
| 3.3 Испытание на потерю массы |
Т |
ГОСТ Р МЭК 811-3-2 |
8.1 |
| 3.4 Испытание на совместимость1) |
Т |
ГОСТ Р МЭК 811-1-2 |
8.1.4 |
| 4 Механические характеристики оболочки |
|||
| 4.1 Испытание на растяжение до старения |
Т |
ГОСТ РМЭК 811-1-1 |
9.2 |
| 4.2 Испытание на растяжение после старения |
Т |
ГОСТ РМЭК 811-1-2 |
8.1.3.1 |
| 4.3 Испытание на потерю массы |
Т |
ГОСТ РМЭК 811-3-2 |
8.2 |
| 5 Испытание под давлением при высокой температуре |
|||
| 5.1 Изоляция |
Т |
ГОСТ РМЭК 811-3-1 |
8.1 |
| 5.2 Оболочка |
Т |
ГОСТ РМЭК 811-3-1 |
8.2 |
| 6 Испытания при низкой температуре |
|||
| 6.1 Испытание изоляции на изгиб |
Т |
ГОСТ РМЭК 811-1-4 |
8.1 |
| 6.2 Испытание оболочки на изгиб2) |
Т |
ГОСТ РМЭК 811-1-4 |
8.2 |
| 6.3 Определение относительного удлинения оболочки3) |
Т |
ГОСТ РМЭК 811-1-4 |
8.4 |
| 6.4 Испытание на удар |
т |
ГОСТ РМЭК 811-1-4 |
8.5 |
| 7 Испытание на тепловой удар |
|||
| 7.1 Изоляция |
т |
ГОСТ РМЭК 811-3-1 |
9.1 |
| 7.2 Оболочка |
т |
ГОСТ РМЭК 811-3-1 |
9.2 |
| 8 Термостабильность |
|||
| 8.1 Изоляция |
т |
ГОСТ РМЭК 811-3-2 |
9 |
| 8.2 Оболочка |
т |
ГОСТ РМЭК 811-3-2 |
9 |
| 9 Механическая прочность шнура |
|||
| 9. 1 Испытание на гибкость |
т |
ГОСТ Р МЭК 60227-1 |
3.1 |
| 10 Испытание на нераспространение горения |
т |
ГОСТ Р МЭК 332-1 |
— |
1) См. 5.3.1 ГОСТ Р МЭК 60227-1.
2) Для шнуров средним наружным диаметром до 12,5 мм включ.
3) Для шнуров средним наружным диаметром св. 12,5 мм.
8.5 Указания по применению
Максимальная температура токопроводящей жилы при нормальной эксплуатации 90 °С.
ГОСТ Р МЭК 61037-2001
УДК 621.317.785:006.354 П32
ГОСУДАРСТВЕННЫЙ СТАНДАРТ РОССИЙСКОЙ ФЕДЕРАЦИИ
Учет электроэнергии
ТАРИФИКАЦИЯ И УПРАВЛЕНИЕ НАГРУЗКОЙ
Особые требования к электронным приемникам с импульсным управлением
Electricity metering. Tariff and load control. Particular requirements
for electronic ripple control receivers
ОКС 17.220
ОКП 422800
Дата введения 2003-01-01
Предисловие
1 РАЗРАБОТАН И ВНЕСЕН Техническим комитетом по стандартизации ТК 232 «Аппаратура для измерения электрической энергии и контроля нагрузки»
2 ПРИНЯТ И ВВЕДЕН В ДЕЙСТВИЕ Постановлением Госстандарта Российской Федерации от 24 декабря 2001 г. № 560-ст
3 Настоящий стандарт содержит аутентичный текст международного стандарта МЭК 61037—90 «Учет электроэнергии. Тарификация и управление нагрузкой. Особые требования к электронным приемникам с импульсным управлением»
4 ВВЕДЕН ВПЕРВЫЕ
1 Область применения
Настоящий стандарт распространяется на электронные приемники с импульсным управлением (далее — приемники), применяемые внутри помещений для приема и преобразования импульсов фиксированной звуковой частоты, наложенных на напряжение электрической распределительной сети, а также для выполнения соответствующих операций переключения, и устанавливает требования к типовому испытанию* приемников. В этой системе частота сети используется для синхронизации передатчика и приемников. Управляющая частота и метод кодирования в настоящем стандарте не рассматриваются.
_________________
* Под типовым испытанием понимают контрольные испытания, кроме приемосдаточных.
Стандарт не устанавливает требований к конструктивным деталям, внутренним по отношению к приемнику.
Настоящий стандарт не устанавливает правила проведения приемочных испытаний и испытаний на соответствие техническим требованиям**. Однако в приложении А приведен пример возможных приемочных испытаний приемников.
__________________
** Под приемочными испытаниями понимают приемосдаточные испытания, под испытаниями на соответствие техническим требованиям — периодические испытания. Виды испытаний — по ГОСТ 22261.
Требование к надежности также не рассматривается в настоящем стандарте, так как отсутствуют методики проведения кратковременных испытаний, которые согласовывались бы с документами по типовым испытаниям для проверки этого требования.
Обязательные требования к качеству приемников изложены в 4.1, 4.2, 4.4.2, 4.4.9 и приложении Г.
2 Нормативные ссылки
В настоящем стандарте использованы ссылки на следующие стандарты:
ГОСТ 8865—93 Система электрической изоляции. Оценка нагревостойкости и классификация
ГОСТ 14254—96 (МЭК 529—89) Степени защиты, обеспечиваемые оболочками (Код IP)
ГОСТ 22261—94 Средства измерений электрических и магнитных величин. Общие технические условия
ГОСТ 27483—87 (МЭК 695-2-1—80) Испытания на пожароопасность. Методы испытаний. Испытания нагретой проволокой
ГОСТ 28199—89 (МЭК 68-2-1—74) Основные методы испытаний на воздействие внешних факторов. Часть 2. Испытания. Испытание А: Холод
ГОСТ 28200—89 (МЭК 68-2-2—74) Основные методы испытаний на воздействие внешних факторов. Часть 2. Испытания. Испытание В: Сухое тепло
ГОСТ 28203—89 (МЭК 68-2-6—82) Основные методы испытаний на воздействие внешних факторов. Часть 2. Испытания. Испытание Fc и руководство: Вибрация (синусоидальная)
ГОСТ 28213—89 (МЭК 68-2-27—87) Основные методы испытаний на воздействие внешних факторов. Часть 2. Испытания. Испытание Еа и руководство: Одиночный удар
ГОСТ 28216—89 (МЭК 68-2-30—87) Основные методы испытаний на воздействие внешних факторов. Часть 2. Испытания. Испытание Db и руководство: Влажное тепло, циклическое (12 + 12-часовой цикл)
ГОСТ 29322—92 (МЭК 38—83) Стандартные напряжения
ГОСТ 30012.1—93 (МЭК 51-1—84) Приборы аналоговые показывающие электроизмерительные прямого действия и вспомогательные части к ним. Часть 1. Определения и основные требования, общие для всех частей
ГОСТ Р МЭК 335-1—94 Безопасность бытовых и аналогичных электрических приборов. Общие требования и методы испытаний
ГОСТ Р 50339.3—92 (МЭК 269-3—87) Низковольтные плавкие предохранители. Часть 3. Дополнительные требования к плавким предохранителям бытового и аналогичного назначения
ГОСТ Р 50779.71—99 (ИСО 2859-1—89) Статистические методы. Процедуры выборочного контроля по альтернативному признаку. Часть 1. Планы выборочного контроля последовательных партий на основе приемлемого уровня качества AQL
ГОСТ Р 51317.4.2—99 (МЭК 61000-4-2—95) Совместимость технических средств электромагнитная. Устойчивость к электростатическим разрядам. Требования и методы испытаний
ГОСТ Р 51317.4.3—99 (МЭК 61000-4-3-95) Совместимость технических средств электромагнитная. Устойчивость к радиочастотному электромагнитному полю. Требования и методы испытаний
ГОСТ Р 51317.4.4—99 (МЭК 61000-4-4—95) Совместимость технических средств электромагнитная. Устойчивость к наносекундным импульсным помехам. Требования и методы испытаний
ГОСТ Р 51318.22—99 (СИСПР 22—97) Совместимость технических средств электромагнитная. Радиопомехи индустриальные от оборудования информационных технологий. Нормы и методы испытаний
3 Определения
В настоящем стандарте используют следующие определения.
3.1 Общие определения
3.1.1 электронный приемник с импульсным управлением : Прибор с электронной входной цепью и цепью декодера для приема и преобразования импульсов фиксированной звуковой частоты, наложенных на напряжение электрической распределительной сети, и для выполнения соответствующих операций переключения.
3.1.2 стандартный приемник : Приемник для монтажа на приборной доске, щите с приборами или приборной рейке (или являющийся частью счетчика).
3.1.3 специальный приемник : Приемник, предназначенный для конкретного применения, например для уличного освещения.
3.1.4 номинальное напряжение питания (U ном ): Значение напряжения питания, на которое сконструирован приемник.
3.1.5 номинальная частота питания (f ном ): Значение частоты питания, на которое сконструирован приемник.
3.2 Функциональные элементы
3.2.1 входной элемент : Функциональный элемент, который отделяет управляющие сигналы от напряжения распределительной сети и передает их декодирующему элементу.
3.2.1.1 номинальное управляющее напряжение (U упр ): Напряжение звуковой частоты, наложенное на напряжение электрической распределительной сети. В настоящем стандарте используют его установившееся среднее квадратическое значение и выражают в процентах от номинального напряжения питания приемника.
3.2.1.2 рабочее напряжение (U pa 6 ): Минимальное значение управляющего напряжения, которое при предписанных условиях является достаточным для обеспечения нормальной работы приемников, сообщение же кодируется в соответствии с рассматриваемой системой.
3.2.1.3 нерабочее напряжение (U н.раб ): Максимальное значение управляющего напряжения, при котором при предписанных условиях приемники не работают, сообщение же кодируется в соответствии с рассматриваемой системой.
3.2.1.4 максимальное управляющее напряжение (U макс ): Максимальное значение управляющего напряжения, которое при предписанных условиях обеспечивает нормальную работу приемников, получающих сообщение, кодированное в соответствии с рассматриваемой системой.
3.2.1.5 номинальная управляющая частота (f упр ): Частота управляющего напряжения, на которую приемник сконструирован.
3.2.2 Код и декодирующий элемент
3.2.2.1 код : Последовательность заданного числа положений импульсов, имеющих установленную длительность цикла.
Примечания
1 Примеры временных диаграмм для кодов управляющих импульсов приведены в приложении Б.
2 Каждое положение импульса обозначают номером.
3.2.2.2 декодирующий элемент : Элемент, идентифицирующий из сигналов, полученных с входного элемента, сигналы, соответствующие командам, на которые он настроен, и передающий соответствующую информацию выходному элементу.
Для этой цели декодирующий элемент проверяет присутствие или отсутствие информационных импульсов в положениях, на которые он настроен.
3.2.2.3 положение импульса : Положение в коде управляющих импульсов, когда информационный импульс может присутствовать или отсутствовать.
3.2.2.4 начальный импульс : Первый импульс кода, который предназначен для начала декодирующей операции приемника.
Примечание — Начальный импульс обычно обозначают номером 0.
3.2.2.5 информационный импульс : Импульс, присутствующий на одном из положений в коде после начального импульса. Его обозначают номером своего положения.
3.2.2.6 интервал импульса : Интервал времени между началом начального или информационного импульса и началом следующего информационного импульса в коде управляющих импульсов.
Примечание — Интервал импульса включает в себя длину импульса, соответствующего кодирующей системе, и связанную с ним паузу (при наличии).
3.2.2.7 сообщение : Комбинация начального импульса и определенного числа информационных импульсов, представляющая одну или более команд.
3.2.2.8 команда : Указание приемникам, настроенным на данную команду, выполнить определенную операцию на выходном элементе.
Примечание — Обычно характеризуется наличием или отсутствием одного или более информационных импульсов.
3.2.2.9 длительность цикла : Интервал времени между началом начального импульса и нормальным возвратом приемника в состояние покоя.
3.2.3 выходной элемент : Элемент, включающий один или более переключателей, управляемых в соответствии с информацией, получаемой от декодирующего элемента.
3.2.3.1 номинальное размыкаемое напряжение (U разм ): Значение напряжения, на которое сконструирован выходной переключатель.
3.2.3.2 номинальный размыкаемый ток (I разм ): Значение тока, на которое сконструирован выходной переключатель и который он может замыкать, проводить непрерывно и размыкать при установленных условиях.
3.2.3.3 максимальный суммарный ток (I сум ): Значение суммарного тока, который все выходные переключатели приемника могут проводить непрерывно в одно и то же время при установленных условиях.
3.2.3.4 цикл : Двойное изменение состояния выходного элемента: закрытое, за которым следует открытое, или наоборот.
3.3 Механические элементы
3.3.1 цоколь : Задняя сторона приемника, обычно служащая для крепления как его самого, так и электронной(ых) панели(лей), выходного(ых) элемента(ов), зажимов или зажимной платы и кожуха.
3.3.2 кожух : Крышка на передней стороне приемника, изготовленная либо из прозрачного, либо из непрозрачного материала.
3.3.3 корпус : Цоколь и кожух в комплекте.
3.3.4 доступная для прикосновения проводящая часть: Часть, к которой можно прикоснуться стандартным испытательным пальцем, когда приемник установлен и готов для эксплуатации.
3.3.5 защитный заземляющий зажим : Зажим, соединенный с доступными для прикосновения проводящими частями приемника в целях безопасности.
3.3.6 зажимная плата : Узел из изоляционного материала, в котором сосредоточены все зажимы приемника или часть из них.
3.3.7 крышка зажимов : Крышка, закрывающая зажимы приемника и обычно концы внешних проводов или кабелей, присоединенных к зажимам.
3.3.8 воздушный зазор : Кратчайшее расстояние между двумя проводящими частями по воздуху.
3.3.9 длина пути утечки : Кратчайшее расстояние между двумя проводящими частями по поверхности изоляции.
3.4 Типы изоляции
3.4.1 основная изоляция : Изоляция, применяемая к находящимся под напряжением частям для обеспечения основной защиты от поражения электрическим током.
Примечание — Основная изоляция не обязательно содержит изоляцию, используемую исключительно для функциональных целей.
3.4.2 дополнительная изоляция : Независимая изоляция, применяемая в дополнение к основной изоляции для того, чтобы обеспечить защиту от поражения электрическим током в случае отказа последней.
3.4.3 двойная изоляция : Изоляция, содержащая как основную, так и дополнительную изоляцию.
3.4.4 усиленная изоляция : Одна изоляционная система, примененная к находящимся под напряжением частям, которая обеспечивает степень защиты от поражения электрическим током, эквивалентную двойной изоляции.
Примечание — Термин «изоляционная система» не означает, что изоляция должна быть однородной частью. Она может содержать несколько слоев, которые не могут быть испытаны отдельно в качестве дополнительной или основной изоляции.
3.4.5 изоляция помещенного в корпус приемника класса защиты II : Приемник в корпусе из изоляционного материала, в котором защита от поражения электрическим током обеспечивается не только основной изоляцией, но также и дополнительными мерами безопасности, такими как двойная или усиленная изоляция. Эти меры не содержат защитного заземления и не зависят от условий установки.
3.5 Влияющие величины
3.5.1 влияющая величина : Любая величина, обычно внешняя по отношению к приемнику, которая может оказать влияние на его рабочие характеристики.
3.5.2 нормальные условия : Соответствующий ряд влияющих величин и технических характеристик с нормальными значениями, допускаемыми отклонениями и нормальными областями, по отношению к которым устанавливают рабочие характеристики.
3.5.3 электромагнитные помехи : Наводимые или излучаемые электромагнитные воздействия, которые могут влиять на функционирование приемника.
3.5.4 нормальная температура : Окружающая температура, определяемая техническими требованиями для нормальных условий.
3.5.5 номинальные рабочие условия : Совокупность установленных диапазонов для технических характеристик и установленных рабочих областей для влияющих величин, в пределах которых изменения показаний или рабочие характеристики приемника установлены и определены.
3.5.6 установленная рабочая область : Область значений одной влияющей величины, которая образует часть номинальных рабочих условий.
3.5.7 предельный диапазон работы : Экстремальные условия, которые работающий приемник может выдержать без повреждения и нарушения своих характеристик при соблюдении в дальнейшей работе номинальных рабочих условий.
3.5.8 условия хранения и транспортирования : Экстремальные условия, которые неработающий приемник может выдержать без повреждения и нарушения своих характеристик при соблюдении в дальнейшей работе номинальных рабочих условий.
3.5.9 нормальное рабочее положение : Положение приемника, определенное изготовителем для нормальной эксплуатации.
3.6 Испытания
3.6.1 типовое испытание : Процедура, согласно которой проводят серию испытаний на одном приемнике или небольшом числе приемников одного и того же типа, имеющих идентичные характеристики, выбираемые изготовителем с целью проверки, что приемник этого типа отвечает всем требованиям настоящего стандарта для приемника соответствующего класса.
4 Технические требования
4.1 Стандартные электрические значения
4.1.1 Номинальное напряжение питания (U ном )
Стандартные значения U ном — 120 и 230 В в соответствии с ГОСТ 29322.
4.1.2 Номинальная частота питания (f ном )
Стандартные значения f ном — 50 и 60 Гц.
4.2 Механические требования
Испытание — по 5.2.
4.2.1 Общие требования
Приемники должны быть рассчитаны и сконструированы таким образом, чтобы можно было избежать появления какой-либо опасности при нормальном использовании, а в нормальных условиях — для обеспечения главным образом:
- безопасности персонала от поражения электрическим током;
- безопасности персонала от воздействия чрезмерного повышения температуры;
- защиты от распространения огня;
- защиты от твердых частиц, пыли и воды.
Все части, подвергающиеся коррозии при нормальных условиях, должны быть эффективно защищены. Любое защитное покрытие не должно подвергаться опасности повреждения при обычном обращении или вследствие пребывания на воздухе при нормальном режиме работы.
Приемник должен иметь соответствующую механическую прочность, чтобы выдерживать повышенную температуру, которая может иметь место при нормальном режиме работы.
Части приемника должны быть надежно закреплены, и должна быть предотвращена возможность ослабления соединений.
Конструкция приемника должна сводить к минимуму опасность пробоя изоляции между находящимися под напряжением частями и доступными для прикосновения проводящими частями из-за случайного ослабления соединения или отвинчивания проводов, винтов и т.д.
4.2.2 Корпус
Приемник должен иметь корпус, который может быть опломбирован таким образом, что внутренние части приемника будут доступны только после нарушения целостности пломбы.
Корпус должен быть сконструирован в соответствии с классом защиты I или II.
Конструкция кожуха должна обеспечивать его снятие только с помощью инструмента.
Корпус должен быть сконструирован таким образом, чтобы любая случайная деформация не могла воспрепятствовать удовлетворительной работе приемника.
Если не установлено иное, приемники, предназначенные для присоединения к источнику питания, где напряжение при нормальных условиях превышает 250 В по отношению к «земле», и чей корпус полностью или частично сделан из металла, должны быть снабжены защитным заземляющим зажимом.
4.2.3 Зажимы, зажимная(ые) плата(ы), защитный заземляющий зажим
Зажимы могут быть сосредоточены на зажимной(ых) плате(ах), имеющей(их) необходимые изоляционные свойства и механическую прочность. Для удовлетворения этих требований при выборе изоляционных материалов зажимной платы (плат) должны приниматься во внимание результаты соответствующих испытаний материалов.
Зажимная плата должна быть сконструирована таким образом, чтобы приемник во время любой поломки, возникшей в номинальных рабочих условиях, удовлетворял техническим требованиям к изоляции, воздушным зазорам и путям утечки, установленным в настоящем стандарте.
Отверстия в изолирующем материале, которые представляют собой продолжение отверстий для зажимов, должны иметь достаточные размеры с учетом изоляции проводов.
Способ крепления проводов к зажимам должен обеспечивать надежный и долговечный контакт, чтобы не возникало опасности ослабления соединения или чрезмерного нагрева. Винтовые соединения, передающие контактные усилия, и винтовые крепления, которые могут ослабляться и затягиваться несколько раз в течение срока службы приемника, должны ввинчиваться в металлическую гайку.
Для приемников с номинальными размыкаемыми токами до 25 А, когда применяют зажимы винтового типа, должна быть возможность присоединения к каждому зажиму или одного провода сечением не менее 1,5 мм2 либо двух проводов сечением 1,5 мм2 каждый.
Если для соединения проводов используют иные зажимы (не винтового типа), эта система должна сохранять свою полную работоспособность после 20 соединений и разъединений.
Все части каждого зажима должны быть такими, чтобы свести к минимуму опасность возникновения коррозии при контакте с другими металлическими частями.
Электрические соединения должны быть сконструированы таким образом, чтобы контактное давление не передавалось через изоляционный материал.
Зажимы, расположенные вблизи друг от друга и находящиеся под разными потенциалами, должны быть защищены от случайных коротких замыканий. Защита может осуществляться с помощью изолирующих перегородок. Потенциалы зажимов, относящихся к одной и той же выходной цепи, считают одинаковыми.
Возможность соприкосновения зажимов, винтов крепления проводов или внешних или внутренних проводов с металлическими крышками зажимов должна быть предотвращена.
Защитный заземляющий зажим, если он установлен, должен удовлетворять следующим требованиям:
- иметь электрическое соединение с доступными для прикосновения металлическими частями;
- по возможности составлять часть цоколя приемника;
- устанавливаться предпочтительно вблизи зажимной платы;
- обеспечивать возможность присоединения провода с поперечным сечением, по крайней мере равным поперечному сечению провода выходной цепи самой высокой мощности;
- иметь четко обозначенный символ заземления по ГОСТ 30012.1 (символ F-43).
После установки защитного заземляющего зажима ослабление присоединения его без применения инструмента должно быть невозможно.
4.2.4 Крышка(и) зажимов
Зажимы приемника, если они сосредоточены на зажимной плате и не защищены любыми другими средствами, должны закрываться отдельной крышкой, которая может быть опломбирована независимо от кожуха приемника.
Крышка должна закрывать все зажимы, винты крепления проводов и, если не установлено иное, внешние провода и их изоляцию на достаточной длине.
В приемнике, установленном на щите, должен быть исключен доступ к зажимам без нарушения целостности пломбы (пломб) крышки(ек) зажимов.
4.2.5 Воздушный зазор и длина пути утечки
Воздушные зазоры и длины путей утечки зажимной платы, а также между зажимами и находящимися вблизи металлическими частями кожуха должны быть не менее значений, указанных в таблице 1.
Воздушный зазор между крышкой зажимов, если она изготовлена из металла, и верхней поверхностью винтов, если они установлены на проводе максимально допустимого диаметра, должен быть не менее приведенного в таблице 1.
Таблица 1 — Воздушные зазоры и длины путей утечки для зажимной платы
Размеры в миллиметрах
| Максимальное напряжение между фазой и землей, В |
Минимальный воздушный зазор |
Минимальная длина пути утечки |
| 50 |
0,8 |
1,2 |
| 100 |
0,8 |
1,4 |
| 150 |
1,5 |
1,6 |
| 300 |
3,0 |
3,2 |
| 600 |
5,5 |
6,3 |
Должно быть также проведено испытание импульсным напряжением в соответствии с 5.4.6.2.
4.2.6 Устойчивость к нагреву и огню
Зажимная плата, крышка зажимов и корпус приемника должны обеспечивать достаточную безопасность от распространения огня. Они не должны воспламеняться при тепловой нагрузке в случае контакта с находящимися под напряжением частями.
Для проверки соответствия этому требованию должно быть проведено испытание согласно 5.2.4.
4.2.7 Защита от проникновения пыли и воды
Приемник должен соответствовать степени защиты IP51, установленной в ГОСТ 14254, за исключением проникновения внутрь его пыли и воды.
Для проверки соответствия этому требованию должно быть проведено испытание согласно 5.2.5.
4.2.8 Маркировка приемника
4.2.8.1 Щитки
На каждом приемнике должна быть приведена следующая информация, при необходимости:
- обозначение «Приемник команд управления»;
- наименование или фирменный знак изготовителя и, если требуется, место изготовления;
- обозначение типа;
- заводской номер и год изготовления;
- номинальное напряжение питания (U ном );
- номинальная частота питания (f ном );
- рабочее напряжение (U раб ) в процентах от U ном ;
- номинальная управляющая частота (f упр );
- номинальное размыкаемое напряжение (U разм );
- номинальный размыкаемый ток (I разм );
- максимальный неизменяющийся суммарный ток выходного элемента I сум (если это значение меньше суммы номинальных размыкаемых токов всех выходных переключателей приемника);
- знак
для приемников класса защиты II, помещенных в изолирующий корпус.
Если приемник без кожуха, то на него должен быть нанесен, по крайней мере, заводской номер.
4.2.8.2 Схемы соединений и маркировка зажимов
Каждый приемник должен быть снабжен несмываемой схемой подключений. Допустимо показывать схему подключений с помощью цифрового обозначения.
Если зажимы приемника отмаркированы, эта маркировка должна быть нанесена на схему.
4.2.9 Индикатор состояния работы
Приемник должен иметь индикатор состояния работы. Состояние визуальной сигнализации должно быть различным в зависимости от того, находится ли приемник в покое или принимает сообщение.
4.3 Климатические условия
4.3.1 Диапазон температур
Диапазон температур приемника приведен в таблице 2. Испытание на влияние температуры должно быть проведено в соответствии с 5.3.
Таблица 2 — Диапазон температур
| Вид диапазона температур |
Значение, °С |
| Предельный диапазон работы |
От -20 до +55 |
| Предельный диапазон хранения и транспортирования |
От -25 до +70 |
Примечания
1 Для специального применения могут быть использованы другие значения температур по согласованию между изготовителем и потребителем.
2 Хранение и транспортирование приемника при крайних значениях указанного диапазона температур допускается осуществлять в течение не более 6 ч.
Значения температур для рабочих условий применения, предельных условий транспортирования и хранения должны быть установлены в технических условиях на приемники конкретного типа в соответствии с ГОСТ 22261.
4.3.2 Относительная влажность
Приемник должен соответствовать требованиям по относительной влажности, установленным в таблице 3. Испытание на совместное влияние температуры и влажности должно быть проведено в соответствии с 5.3.3.
Таблица 3 — Относительная влажность
| Относительная влажность |
Значение, % |
| Среднегодовая |
Менее 75 |
| За 30 сут, распределенных естественным образом в течение года |
95 |
| Изредка (случайно) в другие дни |
85 |
Предельные значения относительной влажности в зависимости от температуры окружающего воздуха приведены в приложении В.
4.4 Электрические требования
4.4.1 Потребляемая мощность
Активная и полная мощности, потребляемые приемником при нормальных условиях, должны быть меньше или равны следующим значениям: 2 Вт, 5 В×А (индуктивная) или 15 В×А (емкостная).
Эти значения могут быть превышены на короткое время при изменении состояния выходного элемента. Значения могут быть кратно увеличены пропорционально количеству переключателей в выходном элементе приемника.
Значения влияющих величин при нормальных условиях применения приведены в приложении Г.
Испытание — по 5.4.1.
4.4.2 Диапазон напряжения питания
Диапазон напряжения представлен в таблице 4.
Таблица 4 — Диапазон напряжения
| Условие работы |
Значение |
| Установленные рабочие условия |
От 0,9 до 1,1 U ном |
| Предельные условия |
От 0,0 до 1,15 U ном |
4.4.2.1 Диапазон частоты питания
Приемники должны быть сконструированы для номинальной частоты питания 50 или 60 Гц. Они должны функционировать нормально на всех частотах, соответствующих 0,98 и 1,02 значений номинальной частоты питания.
4.4.3 Влияние длительных прерываний напряжения питания
Переключатель(и) не должен(ны) изменять положений при прерывании напряжения питания, длительность которого должна быть согласована между изготовителем и потребителем, или должен(ны) вернуться в свое первоначальное положение при восстановлении напряжения.
Однако потребитель и изготовитель должны согласовать, что после длительного прерывания напряжения питания контакты должны занять определенное положение.
Испытание — по 5.4.2.
4.4.4 Номинальное размыкаемое напряжение (U разм )
Переключатель(и) должен(ны) быть сконструирован(ы) на номинальные размыкаемые напряжения, указанные в таблице 5, и работать нормально при напряжении, превышающем в 1,15 раза номинальные напряжения.
Таблица 5 — Номинальные размыкаемые напряжения
| Номинальные размыкаемые напряжения U разм , В |
|||
| 30 (постоянный ток) |
120 |
230 |
400 |
Номинальное значение 30 В постоянного тока распространяется лишь на переключатели, которые используют для контроля цепи малой мощности. Рабочий диапазон такого переключателя составляет от 12 до 34,5 В постоянного тока. Эти переключатели могут быть основаны на электромеханической или электронной технологии для использования только с постоянными токами.
4.4.5 Номинальный размыкаемый ток (I разм )
Переключатель(и), номинальные токи которого(ых) выбирают из таблицы 6, должен(ны) быть способен(ны) размыкать, постоянно выдерживать или устанавливать токи, указанные в таблице, при напряжении 1,15 U разм .
Таблица 6 — Номинальные размыкаемые токи
| Ток применения |
Контрольный контакт малой мощности |
Значение, А |
||||||
| Контакты контроля нагрузки |
||||||||
| Номинальный размыкаемый I разм |
0,03 |
2,00 |
10,00 |
16,00 |
25,00 |
31,50 |
40,00 |
80,00 |
| При линейной омической нагрузке и cos j = 1 |
__ |
2,00 |
10,00 |
16,00 |
25,00 |
31,50 |
40,00 |
80,00 |
| При индуктивной нагрузке и cos j = 0,4 |
__ |
1,00 |
5,00 |
8,00 |
10,00 |
10,00 |
10,00 |
10,00 |
| Постоянный |
0,03 |
— |
— |
— |
— |
— |
— |
— |
Номинальное значение 30 мА постоянного тока распространяется только на переключатели, которые используются для контроля цепи малой мощности. Они могут использоваться также с нагрузками, имеющими номинальное размыкаемое напряжение не более 30 В. Эти переключатели могут быть основаны на электромеханической или электронной технологии для использования только с постоянными токами.
В положении «закрыто» переключатели с низкой нагрузкой, подвергаемые воздействию постоянного тока 30 мА, не должны вызывать падение напряжения более чем на 1 В.
Положение «открыто» для электронных переключателей с низкой нагрузкой характеризуется наличием постоянного тока не более 0,2 мА, когда приложенное напряжение достигает 34,5 В (1,15 U разм ).
4.4.6 Число циклов выходного элемента
Каждый выходной элемент должен выполнить нормально 30000 циклов при омической нагрузке или 30000 циклов при индуктивной нагрузке, приведенных в 4.4.5, или 75000 циклов без нагрузки. Для проверки соответствия этому требованию должно быть проведено испытание по 5.4.3 при каждом из трех условий.
4.4.7 Характеристика короткого замыкания выходного элемента
Характеристика короткого замыкания должна быть установлена по характеристикам плавкого предохранителя питания так, чтобы:
- при ожидаемом токе короткого замыкания 7 кА (среднее квадратическое значение) и cos j = 0,5 гарантировалось, что окружающая среда приемника не будет подвергаться опасности и защита от непрямого контакта будет обеспечиваться во всех случаях;
- при ожидаемом токе короткого замыкания 3 кА (среднее квадратическое значение) и cos j = 0,8 выходной элемент продолжал работать при установленных характеристиках.
Характеристики плавкого предохранителя питания должны быть согласованы в каждом отдельном случае.
Защита от непрямого контакта должна также гарантироваться после короткого замыкания от источника с ожидаемым током 7 кА (среднее квадратическое значение) через плавкий предохранитель с номинальным значением, соответствующим номинальному размыкаемому току.
Примечания
1 Номинальный размыкаемый ток выходного элемента часто больше номинального тока плавкого предохранителя, который дает установленную характеристику короткого замыкания. Потребитель может использовать контакты переключателя одним из способов:
- или в соответствии с более высоким номинальным размыкаемым током. В этом случае может произойти повреждение контактов в результате короткого замыкания, хотя вероятность такого повреждения практически мала,
- или в соответствии с характеристикой короткого замыкания, установленной выше.
2 Испытание режима короткого замыкания не распространяется на переключатели постоянного тока низкого уровня (30 В, 30 мА).
Испытание — по 5.4.4.
4.4.8 Нагрев
При нормальных условиях эксплуатации электрические цепи и изоляция не должны нагреваться до температуры, которая может нарушить работу приемника. Повышение температуры внешней поверхности приемника не должно быть более 25 К при окружающей температуре 40 °С.
Изоляционные материалы должны удовлетворять соответствующим требованиям ГОСТ 8865.
Испытание — по 5.4.5.
4.4.9 Изоляция
Приемник должен сохранять соответствующие диэлектрические показатели при нормальных условиях эксплуатации с учетом атмосферных условий и различных напряжений, воздействию которых обычно подвергаются цепи.
Приемник должен выдерживать испытания импульсным напряжением и напряжением переменного тока, установленные в 5.4.6.
4.5 Требования к управляющему напряжению
Испытание — по 5.5.
4.5.1 Рабочее напряжение
Рабочее напряжение должно быть согласовано в каждом отдельном случае с учетом характеристик системы с импульсным управлением и сети питания, допускаемых отклонений и изменений следующих влияющих величин:
- напряжения питания;
- частоты питания;
- температуры;
- гармоник/интергармоник;
- управляющей частоты.
4.5.2 Нерабочее напряжение
Нерабочее напряжение должно быть согласовано в каждом отдельном случае с учетом характеристик системы с импульсным управлением, сети питания, допускаемых отклонений и изменений следующих влияющих величин:
- напряжения питания;
- частоты питания;
- температуры;
- гармоник/интергармоник;
- управляющей частоты.
4.5.3 Максимальное управляющее напряжение
Для управляющих частот ниже 250 Гц максимальное напряжение должно быть, по крайней мере, в восемь раз, а для частот выше 750 Гц — в 15 раз больше, чем рабочее напряжение.
Для промежуточных частот должна быть произведена линейная интерполяция по следующей формуле
(1)
где U раб — рабочее напряжение, В;
f упр — управляющая частота, Гц.
4.5.4 Допуск сообщения
Приемник должен работать нормально вплоть до установленных временных пределов допуска кода. Допуски должны быть согласованы между потребителем и изготовителем.
4.6 Электромагнитная совместимость
Испытание — по 5.6.
4.6.1 Устойчивость к электромагнитным помехам
Приемник должен быть сконструирован таким образом, чтобы наводимые или излучаемые электромагнитные помехи, а также электростатические разряды не вызывали повреждения приемника и не влияли на его работоспособность.
Примечание — Рассматривают помехи следующих типов:
- гармоники;
- интергармоники;
- всплески помех;
- провалы напряжения и кратковременные прерывания;
- переходные явления проводимости;
- магнитные поля постоянного и переменного токов;
- электромагнитные поля;
- электростатические разряды.
4.6.2 Гармоники
Приемники должны быть сконструированы таким образом, чтобы их работа не нарушалась присутствием гармоник напряжения в распределительной сети. Уровни гармоник, которые не должны нарушать функцию приемников, приведены в приложении Д.
В случае приемников, предназначенных для использования в существующих системах с импульсным управлением, имеющих управляющие частоты, очень близкие к гармонике, рассматриваемые гармоники и их уровни должны быть согласованы между потребителем и изготовителем.
Приемники не должны подвергаться возмущающему воздействию во время работы, когда прикладывается нормально кодированное рабочее управляющее напряжение, и не должны подвергаться возмущающему воздействию в нерабочем состоянии, когда прикладывается нормально кодированное нерабочее управляющее напряжение, в диапазоне температур, установленном в 4.3.1, в диапазоне напряжения питания, установленном в 4.4.2, и когда они подвергаются действию следующих гармоник:
а) только гармоники Н а напряжения распределительной сети частотой ниже управляющей частоты, имеющей амплитуду, указанную в приложении Е (или установленную путем согласования);
б) только гармоники Н b напряжения распределительной сети частотой выше управляющей частоты, имеющей амплитуду, указанную в приложении Е (или установленную путем согласования);
в) только гармоники Н с напряжения распределительной сети частотой ниже Н а или выше Н b с амплитудой, указанной в приложении Д. Выбор этой гармоники и, когда целесообразно, ее амплитуда должны быть согласованы между потребителем и изготовителем согласно приложению Ж, рисунок Ж.1;
г) комбинации гармоник Н а , Н b , Н с . Их амплитуды, либо взятые из приложения Д, либо полученные путем согласования между потребителем и изготовителем, должны быть умножены на коэффициент k — 0,6.
4.6.3 Интергармоники (квазиустановившиеся напряжения негармонических частот)
Эти напряжения создаются определенным промышленным оборудованием высокой мощности (например, ионные преобразователи частоты или индукционные печи) или из-за переизлучения от соседствующих передатчиков.
Способность приемника противостоять этим напряжениям представлена «кривой предела помех». Она представляет максимальное значение этих напряжений как функцию частоты, которую приемник может выдержать в присутствии комбинации соседних гармоник, приведенных в 4.6.2, чтобы:
- функционировать правильно при кодированном управляющем напряжении, равном a U раб , где a > 1 (кривая предела помех относится к рабочему состоянию);
- определенно не работать при кодированном управляющем напряжении, равном b U н.раб , где (b < 1 (кривая предела помех относится к нерабочему состоянию).
U раб и U н.раб кодируют в соответствии с сообщением команды, на которую приемник установлен. Поведение приемника при частотах f = f упр + nfn , n = 1 и 2, должно быть также проверено.
Предельные значения кривых предела напряжения помех должны быть согласованы между потребителем и изготовителем.
4.6.4 Всплески помех
Работа приемников в присутствии такого рода импульсов должна быть представлена двумя «кривыми чувствительности». Одна кривая относится к пуску приемника, а другая — к поведению приемника, который запущен в работу. Эти кривые представляют максимальную амплитуду (как функцию длительности) импульса при номинальной управляющей частоте, которая вызывает то же самое действие, что и нормальный начальный или управляющий импульс.
Примечание — Кривые определяются характеристиками входного и декодирующего элементов. При рассмотрении полной чувствительности приемников к всплескам помех должно быть отмечено, что дополнительная защита может быть получена за счет свойств самого кода и что невыполнение команды считают менее важным, чем неправильное срабатывание.
4.6.5 Провалы напряжения и кратковременные прерывания
Когда приемник находится в состоянии покоя, то провалы напряжения или кратковременные прерывания менее 500 мс не должны воздействовать на приемник или вызывать его пуск. При кратковременных прерываниях свыше 500 мс приемник и его таймеры могут остановиться, и затем вводятся вновь.
Когда приемник принимает цикл передачи, провалы напряжения или кратковременные прерывания менее 500 мс не должны препятствовать его работоспособности. Для кратковременных прерываний свыше 500 мс принято, что приемник и его таймеры останавливаются и вновь вводятся.
4.7 Подавление радиопомех
Приемник не должен генерировать наводимые или излучаемые помехи, которые могут повлиять на другую аппаратуру.
Испытание — по 5.7.
5 Испытания и условия испытаний
5.1 Общая методика испытаний
5.1.1 Условия испытаний
Все испытания выполняют при нормальных условиях согласно приложению Г, если нет иных указаний в соответствующем пункте.
5.1.2 Типовые испытания
Типовое испытание, определенное в 3.6.1, должно быть выполнено на одном или нескольких образцах приемника, выбранных изготовителем, для установления его специфических характеристик и подтверждения его соответствия требованиям настоящего стандарта.
В случае модификаций приемника, проведенных после типового испытания и затрагивающих только его часть, будет достаточно провести ограниченные испытания тех характеристик, на которые проведенная модификация может оказать воздействие.
5.2 Проверка механических требований
5.2.1 Испытание пружинным молотком
Механическая прочность корпуса приемника должна быть проверена с помощью пружинного молотка по ГОСТ Р МЭК 335-1.
Приемник устанавливают в нормальное рабочее положение и молотком воздействуют на каждую из наружных поверхностей кожуха приемника и крышку зажимов с кинетической энергией (0,22±0,05) Н×м.
Результат испытания считают удовлетворительным, если корпус приемника и крышка зажимов не повредились, что могло бы повлиять на работу приемника, и если невозможен доступ к частям, находящимся под напряжением. Допустимо небольшое повреждение, которое не ухудшает защиту от непрямого контакта или проникновения твердых частиц, пыли и воды.
5.2.2 Испытание на удар
Испытание должно быть проведено в соответствии с ГОСТ 28213 при следующих условиях:
- приемник в нерабочем состоянии, без упаковки;
- импульс полусинусоидальной волны;
- максимальное ускорение 294 м/с2 (30 g);
- продолжительность импульса 18 мс.
После испытания приемник должен работать нормально и не иметь каких-либо повреждений.
5.2.3 Испытание на вибрацию
Испытание должно быть проведено в соответствии с ГОСТ 28203 при следующих условиях:
- приемник в нерабочем состоянии, без упаковки;
- методика испытания А;
- диапазон частот 10—150 Гц;
- частота перехода 60 Гц;
- f < 60 Гц, постоянная амплитуда перемещения ± 0,075 мм;
- f > 60 Гц, постоянное ускорение 9,8 м/с2 (1 g);
- проверка в одной точке;
- число циклов качания на ось 10.
Примечание— 10 циклов качания составляют 75 мин.
После испытания приемник должен работать нормально и не иметь каких-либо повреждений.
5.2.4 Испытание на устойчивость к нагреву и огню
Испытание должно быть проведено в соответствии с ГОСТ 27483 при следующих условиях:
- температура при испытании зажимной платы (960±15) °С;
- температура при испытании крышки зажимов и корпуса приемника (650±10) °С;
- длительность испытания (30±1) с.
Раскаленную проволоку прикладывают к любому месту приемника. Если зажимная плата выполнена как одно целое с цоколем приемника, достаточно провести испытание только на зажимной плате.
5.2.5 Испытание защиты от проникновения пыли и воды
Испытание должно быть проведено в соответствии с ГОСТ 14254 при следующих условиях.
а) Защита от проникновения пыли:
- приемник должен быть в нерабочем состоянии и установлен на искусственно созданной для этого стене;
- испытание должно быть проведено на кабеле выбранной длины (с запаянными концами), тип которого устанавливает изготовитель;
- одно и то же атмосферное давление поддерживают как внутри приемника, так и снаружи (не должно быть ни разрежения, ни избыточного давления);
- первая характеристическая цифра в обозначении степени защиты 5 (IP5X). Проникновение пыли не должно оказывать влияние на функционирование приемника и его диэлектрические свойства (прочность изоляции).
б) Защита от проникновения воды:
- приемник в нерабочем состоянии;
- вторая характеристическая цифра в обозначении степени защиты 1 (IPX1).
Проникновение воды, допускаемое степенью защиты IPX1, не должно оказывать влияние на функционирование приемника и его диэлектрические свойства (прочность изоляции).
5.3 Климатические испытания
После каждого из приведенных ниже климатических испытаний приемник должен нормально функционировать и не иметь каких-либо повреждений.
5.3.1 Испытание на сухое тепло
Испытание должно быть проведено в соответствии с ГОСТ 28200 при следующих условиях:
- приемник в нерабочем состоянии;
- температура (70±2) °С;
- продолжительность испытания 72 ч.
5.3.2 Испытание на холод
Испытание должно быть проведено в соответствии с ГОСТ 28199 при следующих условиях:
- приемник в нерабочем состоянии;
- температура минус (25±3) °С;
- продолжительность испытания 72 ч.
5.3.3 Циклическое испытание на влажное тепло
Испытание должно быть проведено в соответствии с ГОСТ 28216 при следующих условиях:
- цепи напряжения и вспомогательные цепи при напряжении U ном ;
- ток в выходном(ых) элементе(ах) отсутствует;
- вариант цикла 1;
- верхнее значение температуры (40±2) °С;
- никаких особых мер предосторожности не следует принимать для удаления влаги с поверхности приемника;
- продолжительность испытания — шесть циклов.
Через 24 ч после окончания испытания приемник должен быть подвергнут следующим проверкам:
- испытанию изоляции в соответствии с 5.4.6, за исключением того, что значение испытательного напряжения должно быть умножено на коэффициент 0,8;
- испытанию на функционирование. Приемник должен нормально работать и не иметь каких-либо повреждений.
Испытание на влажное тепло можно также рассматривать и как испытание на коррозию. Результат испытаний оценивают визуально. Не должно быть явных следов коррозии, влияющих на функциональные свойства приемника.
5.4 Проверка электрических требований
5.4.1 Проверка потребляемой мощности
Потребляемая мощность должна быть определена для нормальных значений влияющих величин, приведенных в приложении Г, любым подходящим способом. При этом должна обеспечиваться точность не хуже 5 %.
5.4.2 Испытание влияния длительных прерываний напряжения питания
Испытание состоит в подтверждении того, что после прерывания напряжения питания на согласованное время и его восстановления выходные переключатели остаются или возвращаются в положение, которое они имели перед прерыванием, или что они займут определенное положение, согласованное между потребителем и изготовителем.
Это испытание должно быть выполнено для всех возможных положений выходных переключателей. Напряжение должно быть восстановлено с помощью устройств переключения, без скачков.
5.4.3 Испытание на число циклов выходного элемента
Контакт переключателя приемника должен быть испытан на полностью собранном приемнике при нормальных условиях путем подсоединения к испытательной цепи, состоящей в основном из источника питания, защитного устройства и полного сопротивления нагрузки.
Напряжение питания испытательной цепи должно быть установлено равным номинальному размыкаемому напряжению, умноженному на 1,15, а полное сопротивление нагрузки должно быть установлено таким, чтобы получить ток, указанный в 4.4.5, и должно быть соединено с ней параллельно. При испытании с омической нагрузкой полное сопротивление нагрузки состоит из активного сопротивления, а при испытании с индуктивной нагрузкой (cos j = 0,4) — из сопротивления и индуктивности, соединенных последовательно (если используют катушку индуктивности без железного сердечника, то резистор, через который проходит ток, равный не менее чем 0,6 % тока катушки, должен быть соединен с ней параллельно).
Три испытания должны быть проведены при различных выходных элементах (или наборах контактов переключателя) в соответствии с 4.4.6, а именно:
- 30 000 циклов с омической нагрузкой;
- 30 000 циклов с индуктивной нагрузкой;
- 75 000 циклов без нагрузки.
Время между изменениями состояния должно быть установлено как короткое допускаемое значение.
Испытания считают удовлетворительными, если после них потеря мощности выходных элементов при номинальном размыкаемом токе не превышает 3 Вт или падение напряжения на выходных элементах не превышает 1 В и открытый контакт может выдержать переменное испытательное напряжение 1000 В (среднее квадратическое значение) в течение 1 мин.
5.4.3.1 Переключатели постоянного тока низкого уровня (30 В, 30 мА)
Переключатель должен испытываться с полностью собранным приемником при нормальных условиях и должен включаться в испытательную цепь, которая состоит главным образом из источника питания и резистивной нагрузки. Для испытания цепи напряжение питания должно устанавливаться 34,5 В, а резистивная нагрузка должна быть отрегулирована на ток 30 мА.
Число срабатываний, которое следует произвести, должно быть не менее 400 000.
Изменения состояния должны соответствовать одному срабатыванию в 1 с.
Испытание считают успешным, если после него переключатель отвечает требованиям 4.4.5.
5.4.4 Испытание режима короткого замыкания выходного элемента Требования по короткому замыканию должны быть проверены в испытательной цепи, состоящей из последовательно соединенных следующих элементов:
- источника тока с ожидаемым коротким замыканием 7 кА (среднее квадратическое значение) при cos j = 0,5 или 3 кА (среднее квадратическое значение) при cos j = 0,8;
- плавкого предохранителя;
- переключателя (переход к нулевому напряжению);
- закрытого контакта выходного переключателя.
Климатические условия во время испытания должны иметь нормальные значения, приведенные в приложении Г.
Этап 1. Испытание с плавким предохранителем, соответствующим номинальному размыкаемому току. (Плавкий предохранитель должен соответствовать ГОСТ Р 50339.3, иметь номинальный ток, равный номинальному размыкаемому току переключателя или большему значению).
Три испытания на короткое замыкание должны быть проведены с ожидаемым током короткого замыкания 7 кА (среднее квадратическое значение). Испытания считают удовлетворительными, если защита от непрямого контакта остается обеспеченной. Контакты могут свариваться между собой.
Этап 2. Испытание с плавким предохранителем, соответствующим способности выдерживать короткие замыкания. (Характеристики плавкого предохранителя должны быть согласованы).
Три испытания на короткое замыкание должны быть проведены с ожидаемым током короткого замыкания 3 кА (среднее квадратическое значение). Испытания считают удовлетворительными, если выходной переключатель остается работоспособным. При этом проверка на функционирование должна быть выполнена в одной из последовательностей импульсов, соответствующих его коду, при нормальных условиях согласно приложению Г.
Примечания
1 Если в процессе этапа 1 контакты не свариваются, этап 2 не проводят.
2 Испытание режима короткого замыкания не распространяется на переключатель постоянного тока низкого уровня (30 В, 30 мА).
5.4.5 Испытание на нагрев
Повышение температуры внешней поверхности корпуса и крышки зажимов не должно быть более 25 К при окружающей температуре 40 °С после протекания через выходные элементы приемника максимального суммарного тока (I сум ) в течение 2 ч.
Во время испытания приемники не должны подвергаться воздействию сквозняка или прямого солнечного излучения.
Другие влияющие факторы должны иметь нормальные значения, приведенные в приложении Г, за исключением напряжения питания, которое должно быть равно 1,15 U ном .
После испытаний приемник не должен иметь никаких повреждений и должен соответствовать требованиям испытания изоляционных свойств по 5.4.6.
5.4.6 Испытание изоляционных свойств
5.4.6.1 Общие условия испытаний
Испытания должны быть проведены только на полностью собранном приемнике с кожухом (кроме случаев, указанных ниже) и крышкой зажимов. Винты зажимов закрепляют подводящий провод максимально допустимого сечения к зажимам. Методика испытания — по МЭК 60060-1 [1] и МЭК 60060-2 [2].
Сначала должны быть проведены испытания импульсным напряжением, а затем — напряжением переменного тока.
Типовые испытания изоляции считают удовлетворительными только при таком размещении зажимов приемника, при котором последний выдерживает испытания. Если расположение зажимов иное, все испытания изоляции должны проводиться для каждого способа размещения.
При данных испытаниях термин «земля» имеет следующий смысл:
а) если корпус приемника изготовлен из металла, «землей» считают сам корпус, установленный на плоской проводящей поверхности;
б) если корпус приемника или только его часть изготовлены из изоляционного материала, «землей» считают проводящую фольгу, которой обертывают приемник, соприкасающуюся со всеми доступными проводящими частями и присоединенную к плоской проводящей поверхности с установленным на ней цоколем приемника. В случаях, когда крышка зажимов позволяет, проводящая фольга должна находиться от зажимов и отверстий для проводов на расстоянии не более 20 мм.
Во время испытаний импульсным напряжением и напряжением переменного тока цепи, которые не подвергают испытаниям, присоединяют к «земле», как указано ниже.
Испытания должны проводиться в нормальных условиях эксплуатации. Во время испытания качество изоляции не должно ухудшаться из-за воздействия пыли или влажности в концентрациях, не соответствующих нормальным условиям.
При отсутствии специальных указаний нормальными условиями при испытаниях изоляции являются следующие:
- окружающая температура от 15 до 25 °С;
- относительная влажность 45 % — 75 %;
- атмосферное давление от 86 до 106 кПа.
5.4.6.2 Испытание импульсным напряжением
Испытание должно проводиться при следующих условиях:
- форма кривой импульса: 1,2/50 импульса, установленного в МЭК 60060-1 [1];
- подъем напряжения ±30 %;
- снижение напряжения ±20 %;
- полное сопротивление источника (500±50) Ом;
- энергия источника (0,5±0,05) Дж;
- испытательное напряжение
кВ.
Для каждого испытания импульсное напряжение прикладывают по 10 раз поочередно для каждой полярности. Минимальная пауза между импульсами должна быть 3 с.
а) Испытание изоляции цепей приемника относительно «земли»
Все зажимы приемника должны быть соединены вместе. Импульсное напряжение должно быть приложено между этими зажимами и «землей». Во время испытания не должно возникать искрения, пробивного разряда или пробоя.
б) Испытание на воздействие напряжения всплесков на входные элементы
Импульсное напряжение должно быть приложено между входными зажимами приемника.
Примечание — Для участков, где преобладают воздушные сети питания, может потребоваться максимальное испытательное напряжение свыше 6 кВ.
5.4.6.3 Испытание напряжением переменного тока
Испытательное напряжение должно быть синусоидальной формы, номинальной частоты и прикладываться в течение 1 мин.
Испытательные напряжения 2 и 4 кВ (средние квадратические значения) для приемников классов защиты I и II соответственно должны быть приложены между всеми зажимами, соединенными вместе, и «землей». Во время испытания искрение, пробивной разряд или пробой не допускаются.
Более того, когда выходные цепи не соединены гальванически с входным элементом, испытательное напряжение 2 кВ должно быть приложено между каждой электрически независимой цепью и всеми другими цепями, которые должны быть соединены с «землей».
5.5 Проверка требований по управляющим характеристикам
5.5.1 Общие условия испытаний
Испытуемый приемник устанавливают в нормальное рабочее положение и, если необходимо, в климатическую камеру, позволяющую подвергать его воздействию температуры и относительной влажности согласно приложению Г, обеспечивают его питание от прибора, свободного от кратковременных прерываний и провалов напряжения, поддерживающим в камере заданные условия. Источники соседствующих гармоник должны соответствовать требованиям 5.6.2.1.
5.5.2 Испытание рабочего состояния
Нормальная работа приемника должна быть последовательно проверена для всех комбинаций параметров, приведенных в приложении Е, в соответствии с требованиями 4.6.2, при этом управляющая частота изменяется в пределах, согласованных между потребителем и изготовителем.
Для всех этих комбинаций испытуемые приемники должны работать безотказно и выполнять команды, соответствующие сообщениям, переданным согласно их кодам, как при рабочем напряжении U раб , так и при максимальном управляющем напряжении U макс .
5.5.3 Испытание нерабочего состояния
Для испытания следует применить все комбинации параметров, приведенных в приложении Е, в соответствии с требованиями 4.6.2, причем управляющая частота должна изменяться в пределах, согласованных между потребителем и изготовителем.
Для всех этих комбинаций испытуемые приемники не должны производить переключений в ответ на нормально кодированное сообщение при нерабочем напряжении U н.раб .
5.5.4 Испытание нормальной работы приемника в пределах допуска сообщения
Это испытание должно быть принято и согласовано между потребителем и изготовителем.
5.5.5 Испытание на изменение частоты питания
Приемники должны быть сконструированы для номинальной частоты питания 50 или 60 Гц. Приемники должны работать нормально при всех значениях частоты от 0,98 до 1,02 номинальной частоты питания.
5.6 Испытание электромагнитной совместимости
5.6.1 Общие условия испытаний
Приемник испытывают в нормальном рабочем положении с установленными кожухом и крышкой зажимов. Все части, требующие заземления, должны быть заземлены.
После испытаний приемник должен работать нормально без проявления признаков повреждений.
5.6.2 Испытание влияния взаимных гармоник (квазиустановившихся напряжений помех негармонических частот)
5.6.2.1 Кривая предела помех при рабочем состоянии приемника
Для того чтобы определить пределы напряжений помех, которые все еще позволяют приемнику работать безотказно, должна быть построена кривая предела помех при следующих условиях (см. приложение И).
а) На испытуемый приемник подают управляющее напряжение U упр = a U раб , при a = 1,5. Управляющее напряжение должно быть закодировано согласно сообщению, на которое приемник настроек.
б) Прикладывают одновременно три гармоники, близкие к управляющей частоте, как указано в 4.6.2г. Одна из гармоник может быть подавлена, если влияния ее подавления на результаты испытания являются незначительными по причине ее отдаленности от управляющей частоты. Фазы этих гармоник в системе питания обычно не фиксируются. Этот эффект может быть воспроизведен, если взять гармонические частоты, слегка отличные от их точных значений не более чем на ±0,2 %. Фазы гармоник также не фиксированы между собой, и чтобы смодулировать этот эффект, различия частоты устанавливаются в соотношении друг к другу с помощью смещения приблизительно от ±0,1 % до ±0,3 % (см. приложение Ж).
в) Другие величины должны иметь свои нормальные значения (см. приложение Г).
г) В области частот между гармониками прикладывают напряжение U переменной частоты и амплитуды. Для каждой частоты должен быть определен предел U , при котором приемник нормально функционирует. U не должно превышать U макс .
д) Качество функционирования приемника также должно быть проверено на частотах f = f упр + 1 - nfn , где n = 1 и 2. В этом случае также пределом U будет U макс .
Примечания
1 Биение, не синхронное с кодом, встречается между управляющим, гармоническими и переменным негармоническими напряжениями U . Пределом является значение U , для которого в течение 10 сообщений произошло не более одного ложного срабатывания.
2 Среди ряда приемников порог срабатывания изменяется в определенной области как результат производственных допусков. Отсюда следует, что кривые предела помех группы приемников будут изменяться в определенной полосе даже при однородном производстве.
Изготовитель должен представить объемлющую кривую, которая принимает во внимание производственные допуски.
5.6.2.2 Кривая предела помех в случае нерабочего состояния
Предел напряжений помех, который влияет на нерабочее состояние приемников, определяется аналогично 5.6.2.1, принимая во внимание следующие различия.
а) Испытуемый приемник подвергают воздействию управляющего напряжения U упр = b U н.р , причем b = 0,67. Управляющее напряжение должно быть закодировано согласно сообщению, на которое приемник настроен.
б) Как в 5.6.2.1б.
в) Как в 5.6.2.1в.
г) В области частот между гармониками прикладывают напряжение U переменной частоты и амплитуды. Для каждой частоты определяется предел U , при котором приемник находится в нерабочем состоянии, U не должно превышать U макс .
д) Как в 5.6.2.1д.
5.6.3 Испытание влияния всплесков помех на работу
а) Построение кривой чувствительности относительно запуска приемника
На испытуемые приемники, находящиеся в состоянии покоя, подают импульс на номинальной управляющей частоте, с изменяющимися амплитудой и длительностью. За импульсом спустя приблизительно полцикла следует сообщение, включающее только номер импульсов уровня U раб , необходимого для выполнения команды, на которую приемник настроен.
Другие влияющие величины должны иметь нормальные значения (согласно приложению Г).
Для каждой выбранной длительности всплеска помех должна быть найдена амплитуда, при которой команда уже не выполняется. Это ограничение амплитуды должно быть показано на диаграмме как функция длительности импульса.
б) Построение кривой чувствительности относительно работы приемника после запуска
Приемники, начально находящиеся в состоянии покоя, должны быть подвергнуты воздействию сообщения, в котором не хватает одного из импульсов, необходимых для выполнения приказа, на который они настроены. Отсутствующий импульс должен быть заменен всплеском помех, аналогичным описанному в подпункте а). Этот импульс находится в наиболее благоприятном положении для управления выходным элементом.
Для каждой выбранной длительности всплеска помех должна быть найдена амплитуда, при которой выходной элемент еще выполняет операцию.
Эта амплитуда также должна быть показана на диаграмме как функция длительности импульса.
5.6.4 Испытание влияния кратковременных прерываний питания и провалов напряжения на работу
Цель испытания — проверить, что работа приемника не нарушена при прерывании напряжения длительностью максимум (0,5±0,02) с и ничего другого, кроме возврата в исходное положение приемника, не происходит, когда прерывание напряжения свыше 0,5 с. Должны быть рассмотрены два случая:
- прерывание происходит в то время, как приемник подключен к сети в состоянии покоя;
- прерывание происходит во время цикла передачи.
а) Прерывание на 0,5 с происходит в то время, как приемник находится в состоянии покоя. Следует проверить, что приемник не включается в результате прерывания напряжения и что таймеры все еще функционируют. Для этой цели через 3 с после прерывания напряжения передают сообщение с рабочим напряжением U pa 6 . Выходные элементы должны работать точно в соответствии с командами сообщения.
б) Прерывание на 0,5 с происходит во время цикла передачи. Должно быть проверено, что прерывание не препятствует работоспособности приемника. Для этой цели приемник запускается сообщением с рабочим напряжением U pa 6 , при этом остальные влияющие величины имеют свои нормальные значения. В определенной точке цикла напряжение питания прерывают на 0,5 с, посредством чего эта точка может быть помещена в различные положения в последующих циклах (например, в положение начального, информационного импульса или интервала импульса). Сообщение должно быть составлено таким образом, чтобы команда на изменение состояния выходно-го(ых) элемента(ов) располагалась после прерывания.
Следует проверить, не возникло ли каких-либо неполадок в работе. В случае, когда помеха совпадает со стартовым битом или информационным импульсом, относящимся к этой команде, или близко к нему, считают, что операция не выполняется. Во всех других случаях команда должна выполняться.
5.6.5 Испытание невосприимчивости к электростатическим разрядам
Испытание должно быть проведено в соответствии с ГОСТ Р 51317.4.2 при следующих условиях:
- контактный разряд;
- уровень жесткости 4;
- испытательное напряжение 8 кВ;
- число разрядов 10.
а) Цепи находятся под напряжением U ном — ток в выходных элементах отсутствует.
Электростатический разряд не должен воздействовать на приемник:
- в состоянии покоя приемник не должен запускаться;
- во время цикла передачи выходные элементы должны работать нормально в соответствии с командами сообщения.
б) Приемник в нерабочем состоянии после приложения электростатического разряда не должен иметь повреждений.
5.6.6 Испытание невосприимчивости к высокочастотным электромагнитным полям
Испытание должно быть проведено в соответствии с ГОСТ Р 51317.4.3 при следующих условиях:
- цепи находятся под напряжением U ном ;
- полоса частот от 80 до 1 000 МГц;
- уровень жесткости испытаний 3;
- испытательная напряженность поля 10 В/м.
Приложение высокочастотных электромагнитных полей не должно воздействовать на приемник:
- в состоянии покоя приемник не должен запускаться и функционирование таймеров не должно нарушаться;
- во время цикла передачи выходные элементы должны работать нормально в соответствии с командами сообщения.
5.6.7 Испытание быстрыми переходными всплесками
Испытание должно быть проведено в соответствии с ГОСТ Р 51317.4.4 при следующих условиях:
- цепи находятся под напряжением U ном ;
- испытательное напряжение 2 кВ;
- продолжительность испытания 60 с.
Всплески должны быть приложены только к зажимам питания приемника согласно рисунку 6 ГОСТ Р 51317.4.4 с подсоединенной/отсоединенной сетью согласно рисунку 4.
Приемник должен быть испытан в состоянии покоя и во время циклов передачи, каждый раз в течение 1 мин, а также при положительной и отрицательной полярностях.
Если всплески приложены во время нахождения приемника в состоянии покоя, необходимо проверить, что он не включился под воздействием всплесков. Для этой цели спустя 3 с после приложения всплесков передается сообщение с рабочим напряжением U раб . Выходные элементы должны работать точно в соответствии с командами этого сообщения.
Если всплески приложены во время цикла передачи, то необходимо проверить, что они не препятствуют работоспособности приемника. Для этой цели приемник включается сообщением с рабочим напряжением U pa 6 . Должно быть проверено, что несмотря на приложение всплесков не происходит неправильного срабатывания. В случае, когда помеха совпадает со стартовым битом или информационным импульсом, относящимся к этой команде, или близко к нему, допускается невыполнение операции. Во всех других случаях команда должна выполняться.
Однако в нерабочем состоянии или даже при некоторых видах кодов может допускаться ложное срабатывание, если переходное явление совпадает с положением импульса или близко к нему.
5.6.8 Испытание невосприимчивости к магнитным полям постоянного тока
Испытание на влияние внешних магнитных полей должно быть выполнено с помощью катушки, проводящей постоянный ток, как описано в приложении К, которая движется по всем лицевым поверхностям корпуса. Значение прилагаемой магнитодвижущей силы (в ампер-витках) должно быть согласовано между потребителем и изготовителем.
Во время испытания приемник должен сохранять свою работоспособность (испытание при работе с U раб , испытание нерабочего состояния с U н.раб , при этом управляющее напряжение нормально закодировано, все другие влияющие величины имеют свои значения согласно приложению Г).
5.6.9 Испытание невосприимчивости к магнитным полям переменного тока
Испытание должно быть проведено путем продвижения приемника внутри катушки диаметром 1 м и с магнитодвижущей силой, эквивалентной 400 ампер-виткам (0,5 мТл).
Во время испытания приемник должен сохранять свою работоспособность (испытание при работе с U pa 6 , испытание нерабочего состояния с U н.раб , при этом управляющее напряжение нормально закодировано, другие влияющие величины имеют свои значения согласно приложению Г).
5.7 Измерение радиопомех
Испытание на радиопомехи должно быть проведено в соответствии с разделами 6 и 7 ГОСТ Р 51318.22 для частот от 0,15 до 30 МГц и от 30 до 300 МГц соответственно.
Полученные значения не должны превышать предельных значений, приведенных в разделе 4 и приложениях А и В ГОСТ Р 51318.22.
5.8 Значения влияющих величин для различных испытаний Значения влияющих величин представлены в приложении Л.
ПРИЛОЖЕНИЕ А
(рекомендуемое )
Приемочные испытания
Приемочные испытания должны проводиться потребителем или изготовителем как 100%-ное испытание или как выборочное испытание (по желанию).
При поставке партии менее чем из 50 приемников предпочтительно 100%-ное испытание. Для выборочных испытаний поставляемые партии из более 1200 приемников должны быть подразделены . на частичные партии, состоящие из не более чем 1200 приемников. Приемочные испытания должны включать в себя:
а) испытание в рабочем состоянии:
1) при рабочем напряжении U раб ,
2) для каждого напряжения питания 180, 230 и 255 В (испытание при 230 В может быть опущено),
3) при нормальных значениях других влияющих величин в соответствии с приложением Г;
б) испытание в нерабочем состоянии:
1) при нерабочем напряжении U н.раб ,
2) для каждого из напряжений питания 180, 230 и 255 В (испытание при 230 В может быть опущено),
3) при нормальных значениях других влияющих величин в соответствии с приложением Г;
в) проверка конструктивных требований; визуально проверяют:
1) конструкцию корпуса,
2) размещение электрических соединений,
3) воздушный зазор и длину путей утечки на зажимной плате,
4) маркировку приемников.
А.1 100%-ное испытание
Испытание должно быть проведено на всех приемниках поставляемой партии. Приниматься должны только приемники без повреждений.
А.2 Выборочные испытания
Испытания должны быть проведены на выборке приемников, взятой случайным образом из поставляемой партии.
Выборочные испытания должны быть проведены в соответствии с ГОСТ Р 50779.71 по следующим критериям:
- уровень контроля II согласно таблице I ГОСТ Р 50779.71;
- план контроля — одно- и двухступенчатый согласно таблицам II и III ГОСТ Р 50779.71;
- приемочный уровень дефектности AQL =1,0 для каждого испытания отдельно.
Таблица А.2.1 — Одноступенчатый план
| Размер партии |
Объем выборки |
Приемочное число |
Браковочное число |
| 51-150 |
13 |
0 |
1 |
| 151-500 |
50 |
1 |
2 |
| 501-1200 |
80 |
2 |
3 |
Таблица А.2.2 — Двухступенчатый план
| Размер партии |
Объем первой выборки |
Приемочное число для первой выборки |
Браковочное число для первой выборки |
Объем второй выборки |
Приемочное число для двух выборок вместе |
Браковочное число для двух выборок вместе |
| 5-150 |
13 |
0 |
1 |
— |
— |
— |
| 151-500 |
32 |
0 |
2 |
32 |
1 |
2 |
| 501-1200 |
50 |
0 |
3 |
50 |
3 |
4 |
ПРИЛОЖЕНИЕ Б
(рекомендуемое )
Определения, относящиеся к кодам
Б.1 Код управляющих импульсов
Пример 1

Пример 2

Б.2 Сообщение
Пример 1 — Без паузы между импульсами

Пример 2 — С паузой между импульсами

ПРИЛОЖЕНИЕ В
(обязательное )
Соотношения между температурой окружающего воздуха
и относительной влажностью

- пределы для каждых из 30 сут а течение года;
- пределы, достигнутые случайно в некоторые дни;
- среднегодовое значение
ПРИЛОЖЕНИЕ Г
(обязательное )
Нормальные и предельные значения влияющих величин
Таблица Г.1
| Влияющая величина |
Нормальное значение |
Предельные значения |
|||
| Значение |
Допускаемое отклонение |
Максимальное |
Минимальное |
Допускаемое отклонение |
|
| Напряжение питания, В |
U *ном |
±1% |
1,15 U ном |
0,8 U ном |
±1,0% |
| Частота питания, Гц |
f **ном |
±0,1% |
1,01 f ном |
0,98 f ном |
±0,1% |
| Температура, "С |
+23 |
±3 |
+55 |
-25 |
±2,0 |
| Относительная влажность, % |
65 |
±10 |
95 |
— |
0; -5,0 |
* Возможные значения установлены в 4.1.1.
** Возможные значения установлены в 4.1.2.
ПРИЛОЖЕНИЕ Д
(обязательное )
Уровни гармоник для испытания приемников
Рекомендуемые значения для сетей с частотой 50 Гц*
Таблица Д.1
| Порядок гармоники |
Частота, Гц |
Уровень, % от U ном |
Порядок гармоники |
Частота, Гц |
Уровень, % от U ном |
| 2 |
100 |
2,0 |
13 |
650 |
5,0 |
| 3 |
150 |
7,0 |
15 |
750 |
0,5 |
| 4 |
200 |
1,5 |
17 |
850 |
2,0 |
| 5 |
250 |
8,0 |
19 |
950 |
2,0 |
| 6 |
300 |
1,0 |
23 |
1150 |
1,5 |
| 7 |
350 |
7,0 |
25 |
1250 |
1,5 |
| 8 |
400 |
0,8 |
29 |
1450 |
0,8 |
| 9 |
450 |
1,2 |
31 |
1550 |
0,8 |
| 10 |
500 |
0,7 |
35 |
1750 |
0,7 |
| И |
550 |
5,0 |
37 |
1850 |
0,7 |
__________________
* Для сетей с частотой 60 Гц значения, установленные для частоты, следует умножить на 1,2.
Примечание — Уровень каждой гармоники между 600 и 2000 Гц, не указанный выше, составляет 0,3 % от U ном .
ПРИЛОЖЕНИЕ Е
(обязательное )
Комбинации параметров для испытаний в рабочем и нерабочем состояниях
Таблица Е.1
| Уровень гармоник |
Температура, °С |
Испытание в рабочем состоянии |
Испытание в нерабочем состоянии |
|||||
| Управляющее напряжение |
||||||||
| U раб |
U макс |
U н.раб |
||||||
| Напряжение питания, В |
||||||||
| 180 |
230 |
255 |
230 |
180 |
230 |
255 |
||
| -20 |
0 |
+ |
0 |
0 |
0 |
+ |
0 |
|
| 0 |
+23 |
+ |
+ |
+ |
+ |
+ |
+ |
+ |
| +60 |
0 |
+ |
0 |
0 |
0 |
+ |
0 |
|
| -20 |
0 |
+ |
0 |
0 |
0 |
+ |
0 |
|
| Н а |
+23 |
0 |
+ |
0 |
0 |
0 |
+ |
0 |
| +60 |
0 |
+ |
0 |
0 |
0 |
+ |
0 |
|
| -20 |
0 |
+ |
0 |
0 |
0 |
+ |
0 |
|
| Н b |
+23 |
0 |
+ |
0 |
0 |
0 |
+ |
0 |
| +60 |
0 |
+ |
0 |
0 |
0 |
+ |
0 |
|
| -20 |
0 |
+ |
0 |
0 |
0 |
+ |
0 |
|
| H c |
+23 |
0 |
+ |
0 |
0 |
0 |
+ |
0 |
| +60 |
0 |
+ |
0 |
0 |
0 |
+ |
0 |
|
| -20 |
0 |
+ |
0 |
0 |
0 |
+ |
0 |
|
| (Н а + Н b + H c ) х К |
+23 |
+ |
+ |
+ |
0 |
+ |
+ |
+ |
| +60 |
0 |
+ |
0 |
0 |
0 |
+ |
0 |
|
Примечание — Знак «+» означает комбинации параметров, которые должны быть применены, цифра «0» — комбинации параметров, которые не могут быть применены.
ПРИЛОЖЕНИЕ Ж
(обязательное )
Выбор частот для испытания с гармониками


Рисунок Ж.1 — Примеры выбора частоты Н с

0 < Dа ¹ Db ¹ Dc < ± 0,2 % х f h ;
|Dа - Db |, |Db - Dc |, ||Dc - Dа | @ 0,1, …, 0,3 % х f h ;
f h — частота рассматриваемой гармоники
Рисунок Ж.2 — Отклонения частоты для измерения кривых предела помех
ПРИЛОЖЕНИЕ И
(рекомендуемое )
Пример схемы для испытаний в рабочем и нерабочем состояниях
и измерения кривых предела помех

Для нулевого уровня гармоник допускается остаточный уровень в 10 % от значения по приложению Д или 0,1 % от U ном , причем берут наибольшее из этих значений
ПРИЛОЖЕНИЕ К
(обязательное )
Электромагнит для испытания влияния магнитных полей внешнего происхождения


ПРИЛОЖЕНИЕ Л
(рекомендуемое )
Значения влияющих величин для различных испытаний
Таблица Л.1
| Пункт |
Испытание |
Влияющая величина |
||||||
| Напряжение питания, В |
Управляющее напряжение |
Управляющая частота |
Уровень гармоник |
Кодовое сообщение |
Температура, °С |
Влажность, % |
||
| 5.5.2* |
Испытание рабочего состояния |
180/230/255 |
U раб |
N ± Df |
0/максимальный |
N |
-20/+23/+60 |
N |
| 230 |
U макс |
N |
0 |
N |
+23 |
N |
||
| 5.5.3* |
Испытание нерабочего состояния |
180/230/255 |
U н . раб |
N ± Df |
-20/+23/+60 |
N |
||
| 5.6.2.1 |
Кривая предела помех в случае рабочего состояния |
N |
a U pa6 |
N |
Максимальный (3Н) |
N |
N |
N |
| 5.6.2.2 |
Кривая предела помех в случае нерабочего состояния |
- |
b U н.раб |
- |
- |
- |
- |
- |
| 5.6.3 |
Испытание влияния всплесков помех на работу |
N |
Переменное |
N |
0 |
Переменное |
N |
N |
| N |
U раб |
N |
0 |
N |
N |
N |
||
| 5.6.4 |
Испытание влияния кратковременных прерываний питания и провалов напряжения на работу |
N |
U раб |
N |
0 |
Переменное |
N |
N |
| 5.4.3 |
Испытание на число циклов выходного элемента |
1,15 х U разм |
- |
- |
- |
- |
N |
N |
| 5.4.4 |
Испытание режима короткого замыкания выходного элемента |
- |
- |
- |
- |
- |
N |
N |
| 5.4.2 |
Испытание влияния длительного прерывания напряжения питания |
N |
- |
- |
- |
- |
N |
N |
| 5.4.1 |
Проверка потребляемой мощности |
N |
- |
- |
- |
- |
N |
N |
| 5.4.6** |
Испытание изоляционных свойств |
- |
- |
- |
- |
N |
N |
|
| 5.4.6.1 |
Общие условия испытаний |
N |
U раб |
N |
0 |
N |
15-25 |
45-75 |
| 5.2.5 а) |
Испытание защиты от проникновения пыли |
N |
U раб |
N |
0 |
N |
N |
N |
| 5.2.5 б) |
Испытание защиты от проникновения воды |
N |
U раб |
N |
0 |
N |
N |
N |
| 5.3.1-5.3.3 |
Испытание на сухое тепло, холод, циклическое испытание на влажное тепло |
N |
- |
- |
- |
- |
Переменная |
Переменная |
| 5.3.3 |
Циклическое испытание на влажное тепло |
N |
U разм |
N |
0 |
N |
N |
N |
| 5.4.5*** |
Испытание влияния нагрева |
N |
N |
0 |
N |
+40 |
N |
|
| 5.2.2, 5.2.3 |
Испытание на удар и вибрацию |
N |
U раб /U н.раб |
- |
- |
- |
N |
N |
| 5.6.8 |
Испытание невосприимчивости к постоянным магнитным полям |
N |
U раб /U н.раб |
- |
- |
- |
N |
N |
| 5.2.1 |
Испытание пружинным молотком |
- |
- |
- |
- |
- |
N |
N |
| 5.6.6 |
Испытание невосприимчивости к высокочастотным электромагнитным полям |
N |
U раб |
N |
0 |
N |
N |
N |
| 5.6.5 |
Испытание невосприимчивости к электростатическим разрядам |
N |
U разм |
N |
0 |
N |
N |
N |
| 5.6.7 |
Испытание быстрыми переходными всплесками |
N |
U разм |
N |
0 |
N |
N |
N |
| 5.7 |
Измерение радиопомех |
N |
U раб |
N |
0 |
N |
N |
N |
| 5.6.9 |
Испытание невосприимчивости к магнитным полям переменного тока |
N |
U раб /U н.раб |
N |
0 |
N |
N |
N |
* См. приложение Е.
** Атмосферное давление N .
*** Контакты I сум .
Примечание — Буква «N » означает нормальное значение влияющей величины, т.е. в соответствии с приложением Г, знак «—» — влияющая величина к испытанию не относится, «± Df » — допуск, который следует соблюдать.
ГОСТ Р МЭК 61038-2001
УДК 621.317.785:006.354 П32
ГОСУДАРСТВЕННЫЙ СТАНДАРТ РОССИЙСКОЙ ФЕДЕРАЦИИ
Учет электроэнергии
ТАРИФИКАЦИЯ И УПРАВЛЕНИЕ НАГРУЗКОЙ
Особые требования к переключателям по времени
Electricity metering. Tariff and load control.
Particular requirements for time switches
ОКС 17.220
ОКП 42 2800
Дата введения 2003—01—01
Предисловие
1 РАЗРАБОТАН И ВНЕСЕН Техническим комитетом по стандартизации ТК 232 «Аппаратура для измерения электрической энергии и контроля нагрузки»
2 ПРИНЯТ И ВВЕДЕН В ДЕЙСТВИЕ Постановлением Госстандарта России от 24 декабря 2001 г. № 559-ст
3 Настоящий стандарт содержит аутентичный текст международного стандарта МЭК 61038—90 «Учет электроэнергии. Тарификация и управление нагрузкой. Особые требования к переключателям по времени»
4 ВВЕДЕН ВПЕРВЫЕ
1 Область применения
Настоящий стандарт распространяется на переключатели с резервом работы, применяемые внутри помещений для управления по времени электрическими нагрузками, многотарифными счетными механизмами и показателями максимума в определенные дни или часы (далее — переключатели) в течение года, и устанавливает требования к типовому испытанию* переключателей. В переключателях могут использоваться разные принципы реализации, включая электронные схемы.
___________________
* Под типовым испытанием понимают контрольные испытания, кроме приемосдаточных
Стандарт не распространяется на переключатели, работающие с дистанционным управлением или синхронизируемые радиочастотой.
Настоящий стандарт применяется для переключателей с аналоговыми циферблатами или цифровым отображением:
- синхронного типа;
- с пьезокварцевыми часами.
Стандарт не устанавливает правила проведения приемочных испытаний и испытаний на соответствие техническим требованиям**. Однако в приложении А приведен пример возможных приемочных испытаний переключателей.
___________________
** Под приемочными испытаниями понимают приемосдаточные испытания, под испытаниями на соответствие техническим требованиям — периодические испытания. Виды испытаний — по ГОСТ 22261.
Требование к надежности также не рассматривается в настоящем стандарте, так как отсутствуют методики проведения кратковременных испытаний, которые согласовывались бы с документами по типовым испытаниям для проверки этого требования.
Обязательные требования к качеству переключателей изложены в 4.1, 4.2, 4.2.2, 4.4.9, 4.5 и приложении В.
2 Нормативные ссылки
В настоящем стандарте использованы ссылки на следующие стандарты:
ГОСТ 8865—93 Система электрической изоляции. Оценка нагревостойкости и классификация
ГОСТ 14254—96 (МЭК 529—89) Степени защиты, обеспечиваемые оболочками (Код IP)
ГОСТ 22261—94 Средства измерений электрических и магнитных величин. Общие технические условия
ГОСТ 27483—87 (МЭК 695-2-1—80) Испытания на пожароопасность. Методы испытаний. Испытания нагретой проволокой
ГОСТ 28199—89 (МЭК 68-2-1—74) Основные методы испытаний на воздействие внешних факторов. Часть 2. Испытания. Испытание А: Холод
ГОСТ 28200—89 (МЭК 68-2-2—74) Основные методы испытаний на воздействие внешних факторов. Часть 2. Испытания. Испытание В: Сухое тепло
ГОСТ 28203—89 (МЭК 68-2-6—82) Основные методы испытаний на воздействие внешних факторов. Часть 2. Испытания. Испытание Fc и руководство: Вибрация (синусоидальная)
ГОСТ 28213—89 (МЭК 68-2-27—87) Основные методы испытаний на воздействие внешних факторов. Часть 2. Испытания. Испытание Еа и руководство: Одиночный удар
ГОСТ 28216—89 (МЭК 68-2-30—87) Основные методы испытаний на воздействие внешних факторов. Часть 2. Испытания. Испытание Db и руководство: Влажное тепло, циклическое (12 + 12-часовой цикл)
ГОСТ 29322—92 (МЭК 38—83) Стандартные напряжения
ГОСТ 30012.1—93 (МЭК 51-1—84) Приборы аналоговые показывающие электроизмерительные прямого действия и вспомогательные части к ним. Часть 1. Определения и основные требования, общие для всех частей
ГОСТ Р МЭК 335-1—94 Безопасность бытовых и аналогичных электрических приборов. Общие требования и методы испытаний
ГОСТ Р 50339.3—92 (МЭК 269-3—87) Низковольтные плавкие предохранители. Часть 3. Дополнительные требования к плавким предохранителям бытового и аналогичного назначения
ГОСТ Р 50779.71—99 (ИСО 2859-1—89) Статистические методы. Процедуры выборочного контроля по альтернативному признаку. Часть 1. Планы выборочного контроля последовательных партий на основе приемлемого уровня качества AQL
ГОСТ Р 51317.4.2—99 (МЭК 61000-4-2—95) Совместимость технических средств электромагнитная. Устойчивость к электростатическим разрядам. Требования и методы испытаний
ГОСТ Р 51317.4.3—99 (МЭК 61000-4-3—95) Совместимость технических средств электромагнитная. Устойчивость к радиочастотному электромагнитному полю. Требования и методы .испытаний
ГОСТ Р 51317.4.4—99 (МЭК 61000-4-4—95) Совместимость технических средств электромагнитная. Устойчивость к наносекундным импульсным помехам. Требования и методы испытаний
ГОСТ Р 51318.22—99 (СИСПР 22—97) Совместимость технических средств электромагнитная. Радиопомехи индустриальные от оборудования информационных технологий. Нормы и методы испытаний
3 Определения
В настоящем стандарте используют следующие термины с соответствующими определениями.
3.1 Общие определения
3.1.1 переключатель : Устройство, работающее в масштабе реального времени, которое в соответствии с установленной программой может образовывать, прерывать или изменять состояние цепей в заранее определенные промежутки времени.
3.1.2 переключатель синхронного типа : Переключатель, имеющий в качестве своей времязадающей основы частоту сети.
3.1.3 переключатель с пьезокварцевыми часами : Переключатель, имеющий в качестве своей времязадающей основы генератор с кварцевой стабилизацией частоты.
3.1.4 номинальное напряжение питания (U ном ): Значение напряжения питания, на которое сконструирован переключатель.
3.1.5 номинальная частота питания (f ном ): Значение частоты питания, на которое сконструирован переключатель.
3.2 Функциональные элементы
3.2.1 цепь как функция времени : Часть переключателя, которая имеет выход, пропорциональный времени.
3.2.1.1 ошибка при задании времени : Разница между временем, установленным на переключателе, и фактическим временем переключения или, в случае переключателя синхронного типа, разница между временем, установленным на переключателе, и временем, определенным частотой сети.
3.2.1.2 точность хода часов переключателя : Увеличение или уменьшение ошибки при задании времени в пределах установленного промежутка времени.
3.2.1.3 резерв работы : Максимальный период времени, в течение которого напряжение питания может быть прервано без влияния на нормальное программирование и функционирование времязадающих частей переключателя.
3.2.1.4 время восстановления резерва : Период времени, необходимый для восстановления полного резерва работы с момента, когда резерв работы был полностью исчерпан.
3.2.2 Элементы установки показаний и визуальной индикации
3.2.2.1 циферблат : Аналоговое устройство для облегчения установки и наблюдения за установками показаний переключателя и для визуального отображения отсчитываемого времени. Циферблаты обозначают в соответствии с их периодом вращения (например, суточный циферблат имеет период вращения 1 сут).
3.2.2.2 дисплей : Символьно-цифровое устройство для облегчения установки и наблюдения за установками показаний переключателя и для визуального отображения отсчитываемого времени и состояния переключения.
3.2.3 выходной элемент : Элемент, включающий одну или более цепей, которые управляются в соответствии с информацией, представляющей функцию от времени.
3.2.3.1 цепь управления нагрузкой : Часть переключателя, содержащая контакты или их электронные эквиваленты для переключения нагрузок вместе с частями, непосредственно приводящими в действие контакты.
3.2.3.2 цепь управления тарифного счетного механизма : Часть переключателя, содержащая контакты или их электронные эквиваленты для переключения тарифных счетных механизмов вместе с частями, непосредственно приводящими в действие контакты.
3.2.3.3 цепь показателя максимума : Часть переключателя, содержащая контакты или их электронные эквиваленты для переключения показателей максимума вместе с частями, непосредственно приводящими в действие контакты.
3.2.3.4 номинальное размыкаемое напряжение (U pa зм ): Значение напряжения, на которое сконструирован выходной элемент.
3.2.3.5 номинальный размыкаемый ток (I разм ): Значение тока, на которое сконструирован выходной элемент и который он может замыкать, проводить непрерывно и размыкать при установленных условиях.
3.2.3.6 максимальный суммарный ток (I сум ): Значение суммарного тока, который все выходные цепи переключателя могут проводить непрерывно в одно и то же время при установленных условиях.
3.2.3.7 цикл : Двойное изменение состояния выходного элемента: закрытое, за которым следует открытое, и наоборот.
3.3 Механические элементы
3.3.1 цоколь : Задняя сторона переключателя, обычно служащая для крепления как его самого, так и стойки или электронной(ых) панели(лей), выходного(ых) элемента(ов), зажимов или зажимной платы и кожуха.
3.3.2 кожух : Крышка на передней стороне переключателя, изготовленная либо целиком из прозрачного материала, либо из непрозрачного материала с окном или окнами, через которое(ые) можно снимать показания с циферблата и (или) дисплея.
3.3.3 корпус : Цоколь и кожух в комплекте.
3.3.4 доступная для прикосновения проводящая часть : Часть, к которой можно прикоснуться стандартным испытательным пальцем, когда переключатель установлен и готов для эксплуатации.
3.3.5 защитный заземляющий зажим : Зажим, соединенный с доступными для прикосновения проводящими частями переключателя в целях безопасности.
3.3.6 зажимная плата : Деталь из изоляционного материала, на которой сосредоточены все зажимы переключателя или часть из них.
3.3.7 крышка зажимов : Крышка, закрывающая зажимы переключателя и обычно концы внешних проводов или кабелей, присоединенных к зажимам.
3.3.8 воздушный зазор : Кратчайшее расстояние между двумя проводящими частями по воздуху.
3.3.9 длина пути утечки : Кратчайшее расстояние между двумя проводящими частями по поверхности изоляции.
3.4 Типы изоляции
3.4.1 основная изоляция : Изоляция, применяемая к находящимся под напряжением частям для обеспечения основной защиты от поражения электрическим током.
Примечание — Основная изоляция не обязательно включает в себя изоляцию, используемую исключительно для функциональных целей.
3.4.2 дополнительная изоляция : Независимая изоляция, применяемая в дополнение к основной изоляции для того, чтобы обеспечить защиту от поражения электрическим током в случае отказа основной изоляции.
3.4.3 двойная изоляция : Изоляция, включающая в себя как основную, так и дополнительную изоляцию.
3.4.4 усиленная изоляция : Одна изоляционная система, примененная к находящимся под напряжением частям, которая обеспечивает степень защиты от поражения электрическим током, эквивалентную двойной изоляции.
Примечание — Термин «изоляционная система» не означает, что изоляция должна быть одной однородной частью. Она может содержать несколько слоев, которые не могут быть испытаны отдельно в качестве дополнительной или основной изоляции.
3.4.5 изоляция помещенного в корпус переключателя класса защиты II : Переключатель в корпусе из изоляционного материала, в котором защита от поражения электрическим током обеспечивается не только основной изоляцией, но также и дополнительными мерами безопасности, такими как двойная или усиленная изоляция. Эти меры не содержат защитного заземления и не зависят от условий установки.
3.5 Влияющие величины
3.5.1 влияющая величина: Любая величина, обычно внешняя по отношению к переключателю, которая может оказать влияние на его рабочие характеристики.
3.5.2 нормальные условия : Соответствующий ряд влияющих величин и технических характеристик с нормальными значениями, допускаемыми отклонениями и нормальными областями, по отношению к которым устанавливают рабочие характеристики.
3.5.3 изменение показаний времени, вызываемое влияющей величиной : Разность между погрешностями показаний времени переключателя, когда только одна влияющая величина принимает последовательно два установленных значения, одно из которых является нормальным значением.
3.5.4 электромагнитные помехи : Наводимые или излучаемые электромагнитные воздействия, которые могут влиять на функциональные или метрологические характеристики переключателя.
3.5.5 нормальная температура : Окружающая температура, определяемая техническими требованиями для нормальных условий.
3.5.6 номинальные рабочие условия : Совокупность установленных диапазонов для технических характеристик и установленных рабочих областей для влияющих величин, в пределах которых изменения показаний или рабочие характеристики установлены и определены.
3.5.7 установленная рабочая область : Область значений одной влияющей величины, которая образует часть номинальных рабочих условий.
3.5.8 предельный диапазон работы : Экстремальные условия, которые работающий переключатель может выдерживать без повреждения и нарушения своих характеристик при соблюдении в дальнейшей работе номинальных рабочих условий.
3.5.9 условия хранения и транспортирования : Экстремальные условия, которые неработающий переключатель может выдерживать без повреждения и нарушения своих характеристик при соблюдении в дальнейшей работе номинальных рабочих условий.
3.5.10 нормальное рабочее положение : Положение переключателя, определенное изготовителем для нормальной эксплуатации.
3.6 Испытания
3.6.1 типовое испытание : Процедура, согласно которой проводят серию испытаний на одном переключателе или небольшом числе переключателей одного и того же типа, имеющих идентичные характеристики, выбранные изготовителем с целью проверки, отвечает ли соответствующий тип переключателя всем требованиям настоящего стандарта для переключателей данного типа.
4 Технические требования
4.1 Стандартные электрические значения
4.1.1 Номинальное напряжение питания (U ном )
Стандартные значения для U ном — 120 и 230 В в соответствии с ГОСТ 29322.
4.1.2 Номинальная частота питания (f ном )
Стандартные значения для f ном — 50 и 60 Гц.
4.2 Механические требования
Испытание — по 5.2.
4.2.1 Общие механические требования
Переключатели должны быть рассчитаны и сконструированы таким образом, чтобы можно было избежать появления какой-либо опасности при нормальном использовании, а в нормальных условиях — для обеспечения главным образом:
- безопасности персонала от поражения электрическим током;
- безопасности персонала от воздействия чрезмерного повышения температуры;
- противопожарной безопасности;
- защиты от твердых тел, пыли и воды.
Все части, подвергающиеся коррозии при нормальном режиме работы, должны быть эффективно защищены. Любое защитное покрытие не должно подвергаться опасности повреждения при обычном обращении или вредному воздействию при пребывании на воздухе в нормальном режиме работы.
Переключатель должен иметь достаточную механическую прочность и выдерживать повышенную температуру, которая может возникнуть в нормальном режиме работы.
Части переключателя должны быть надежно закреплены, и должна быть предотвращена возможность ослабления соединений.
Конструкция переключателя должна сводить к минимуму опасность пробоя изоляции между частями, находящимися под напряжением, и проводящими частями, доступными для прикосновения из-за случайного ослабления соединений или отвинчивания проводов, винтов и т.д.
4.2.2 Корпус
Переключатель должен иметь корпус, который может быть опломбирован таким образом, чтобы доступ к внутренним частям переключателя был возможен только после нарушения целостности пломб.
Корпус должен быть рассчитан в соответствии с классом защиты I или II.
Конструкция кожуха должна обеспечивать его снятие только с помощью инструмента.
Корпус должен быть сконструирован таким образом, чтобы любая случайная деформация не могла препятствовать его удовлетворительной работе.
Если не установлено иное, то переключатели, предназначенные для подключения к сети, где напряжение при нормальных условиях превышает 250 В по отношению к «земле», или корпус которых полностью или частично сделан из металла, должны быть снабжены защитным заземляющим зажимом.
4.2.3 Окно (окна)
Если кожух изготовлен из непрозрачного материала, то для отсчета по дисплею и наблюдения за индикатором работы должно(ы) быть предусмотрено(ы) окно(а). Окна должны быть закрыты пластинами из прозрачного материала, которые не могут быть удалены без нарушения целостности пломб.
4.2.4 Зажимы, зажимная(ые) плата(ы), защитный заземляющий зажим
Зажимы могут быть сосредоточены на зажимной(ых) плате(ах), имеющей (их) необходимые изоляционные свойства и механическую прочность. Для удовлетворения этих требований при выборе изоляционных материалов зажимной(ых) платы (плат) должны учитываться результаты соответствующих испытаний материалов.
Зажимная плата должна быть сконструирована таким образом, чтобы переключатель во время любой поломки, возникшей в номинальных рабочих условиях, удовлетворял техническим требованиям к изоляции, воздушным зазорам и путям утечки, установленным в настоящем стандарте.
Отверстия в изолирующем материале, которые представляют собой продолжение отверстий для зажимов, должны иметь достаточные размеры с учетом изоляции проводов.
Способ крепления проводов к зажимам должен обеспечивать надежный контакт, чтобы не возникало опасности ослабления соединения или чрезмерного нагрева. Винтовые соединения, передающие контактные усилия, и винтовые крепления, которые могут ослабляться и затягиваться несколько раз в течение срока службы приемника, должны ввинчиваться в металлическую гайку.
Для переключателей с номинальными размыкаемыми токами до 25 А, если используются зажимы винтового типа, должна быть возможность подключения к каждому зажиму либо одного провода сечением не менее 1,5 мм2 , либо двух проводов сечением 1,5 мм2 каждый.
Если для соединения проводов используют иные зажимы (не винтового типа), эта система должна сохранять свою полную работоспособность после 20 соединений и разъединений.
Все части каждого зажима должны быть такими, чтобы свести к минимуму опасность возникновения коррозии при контакте с другими металлическими частями.
Электрические соединения должны быть сконструированы таким образом, чтобы контактное давление не передавалось через изоляционный материал.
Зажимы, расположенные вблизи друг от друга и находящиеся под разными потенциалами, должны быть защищены от случайных коротких замыканий. Защита может обеспечиваться с помощью изолирующих перегородок. Потенциалы зажимов, относящихся к одной и той же выходной цепи, считают одинаковыми.
Зажимы, винты крепления проводов или внешние или внутренние провода не должны соприкасаться с металлическими крышками зажимов.
Защитный заземляющий зажим, если он установлен, должен удовлетворять следующим требованиям:
- иметь электрическое соединение с доступными для прикосновения металлическими частями;
- по возможности составлять часть цоколя переключателя;
- устанавливаться предпочтительно вблизи зажимной платы;
- обеспечивать возможность присоединения провода с поперечным сечением, по крайней мере, равным поперечному сечению провода выходной цепи самой высокой мощности;
- иметь четко обозначенный символ заземления по ГОСТ 30012.1 (символ F-43). После установки ослабление присоединения защитного заземляющего зажима без применения инструмента должно быть невозможно.
4.2.5 Крышка(и) зажимов
Зажимы переключателя, если они сосредоточены на зажимной плате и не защищены никаким другим способом, должны закрываться отдельной крышкой, подлежащей опломбированию независимо от кожуха переключателя. Крышка должна закрывать все зажимы, винты крепления проводов и, если не установлено иное, внешние провода и их изоляцию на достаточной длине.
Если переключатель монтируют на щите, то доступ к зажимам должен быть невозможен без нарушения целостности пломбы (пломб) крышки(ек) зажимов.
4.2.6 Воздушный зазор и длина пути утечки
Воздушные зазоры и пути утечки по зажимной плате, а также между зажимами и находящимися вблизи металлическими частями кожуха должны быть не менее значений, указанных в таблице 1.
Воздушный зазор между крышкой зажимов, если она изготовлена из металла, и верхней поверхностью винтов, если они установлены на проводе максимально допустимого диаметра, должен быть не менее приведенного в таблице 1.
Таблица 1 — Воздушные зазоры и длины путей утечки для зажимной платы
| Максимальное напряжение между фазой и землей, В |
Минимальный воздушный зазор, мм |
Минимальная длина пути утечки, мм |
| До 50 |
0,8 |
1,2 |
| 100 |
0,8 |
1,4 |
| 150 |
1,5 |
1,6 |
| 300 |
3,0 |
3,2 |
| 600 |
5,5 |
6,3 |
Должно быть также проведено испытание импульсным напряжением в соответствии с 5.4.6.2.
4.2.7 Устойчивость к нагреву и огню
Зажимная плата, крышка зажимов и корпус переключателя должны обеспечивать безопасность от распространения огня. Они не должны воспламеняться при тепловой нагрузке в случае контакта с находящимися под напряжением частями.
Для проверки соответствия этому требованию должно быть проведено испытание согласно 5.2.4.
4.2.8 Защита от проникновения пыли и воды
Переключатель должен соответствовать степени защиты IP51 по ГОСТ 14254, но без проникновения внутрь него пыли и воды.
Для проверки соответствия этому требованию должно быть проведено испытание согласно 5.2.5.
4.2.9 Циферблаты
Для переключателей с аналоговыми циферблатами:
- направление вращения циферблатов должно быть указано стрелкой;
- циферблат часов (при наличии) должен допускать считывание с ошибкой отсчета не более 1 мин;
- если требуется, часы на циферблате суток и дни на циферблате недель должны быть выделены различным цветом;
- вся маркировка должна быть несмываемой и четкой.
4.2.10 Дисплей
Для переключателей с цифровой индикацией:
- индикация должна быть четкой. Если для представления различных величин используют одно и то же устройство, должны быть представлены их идентификационные признаки в виде дополнительных цифр или символов, чтобы иметь возможность различить каждую из величин;
- время представления каждой величины — не менее 6 с.
4.2.11 Установка времени
На циферблате суток или на дисплее показание должно быть установлено таким образом, чтобы фактическое время переключения не отличалось от установленного более чем на ± 7,5 мин. Должна быть возможность проведения двух последовательных переключений в течение 60 мин.
На циферблате недель или на дисплее показание должно быть установлено таким образом, чтобы фактическое время переключения не отличалось от установленного более чем на ± 60 мин.
На годовом циферблате или на дисплее время переключения должно регулироваться так, чтобы фактическое время переключения не отличалось от установленного более чем на ± 2 сут.
Начальная точка работы переключателя показателя максимума должна регулироваться вручную, если она не устанавливается автоматически циферблатом суток. В случае пьезокварцевых переключателей с цифровым устройством визуальной индикации начальная точка должна быть отрегулирована таким образом, чтобы она совпадала с целым числом часов, которые представляются переключателем на дисплее.
4.2.12 Маркировка переключателей
Маркировка должна быть четко видна без снятия кожуха.
4.2.12.1 Щитки
На каждом переключателе должна быть приведена следующая информация, при необходимости:
- обозначение «Переключатель по времени»;
- наименование или фирменный знак изготовителя и, если требуется, место изготовления;
- обозначение типа;
- заводской номер и год изготовления;
- номинальное напряжение питания U ном ;
- номинальная частота питания f ном ;
- номинальное размыкаемое напряжение U pa зм ;
- номинальный размыкаемый ток I разм ;
- время интегрирования переключателя показателя максимума f макс и время разъединения t 0 или (для регулирования переключателя) диапазон регулирования;
- резерв работы;
- максимальный неизменяющийся суммарный ток выходного элемента I сум (если это значение меньше суммы номинальных размыкаемых токов всех выходных переключателей переключателя);
- место для даты смены батарей;
- знак
для переключателей класса защиты II, помещенных в изолирующий корпус.
Если переключатель без кожуха, то на него должен быть нанесен, по крайней мере, заводской номер.
Допускается маркировать U pa зм , I разм и I сум на схеме соединения (4.2.12.2). Информацию о дате смены батарей допускается указывать в месте установки батарей.
4.2.12.2 Схемы соединений и маркировка зажимов
Каждый переключатель должен быть снабжен несмываемой схемой соединений. Допускается показывать схему соединений с помощью цифрового обозначения.
Если зажимы переключателя отмаркированы, то эта маркировка должна быть нанесена на схему.
4.12.13 Особое требование для пьезокварцевого переключателя
Для испытания частоты времязадающего генератора переключателя должен быть предусмотрен поверочный выход.
4.3 Климатические условия
4.3.1 Диапазон температур
Диапазон температур переключателя приведен в таблице 2.
Испытание на влияние температуры должно быть проведено в соответствии с 5.3.
Таблица 2 — Диапазон температур
| Вид диапазона температур |
Значение, °С |
| Рабочие условия |
От минус 10 до плюс 45 |
| Предельный диапазон работы |
От минус 20 до плюс 55 |
| Предельный диапазон хранения и транспортирования |
От минус 25 до плюс 70 |
Примечания
1 Для специального применения могут быть использованы другие значения температур по согласованию между изготовителем и потребителем.
2 Хранение и транспортирование переключателя при крайних значениях указанного диапазона температур допускается в течение не более 6 ч.
3 Предельный диапазон хранения и транспортирования может быть неприемлем для батарей. В этом случае допускаемая температура должна быть четко промаркирована на переключателе.
Значения температур для рабочих условий применения, предельных условий транспортирования и хранения должны быть установлены в технических условиях на переключатели конкретного типа в соответствии с ГОСТ 22261.
4.3.2 Относительная влажность
Переключатель должен соответствовать требованиям по относительной влажности, установленным в таблице 3. Испытание на влияние влажного тепла должно быть проведено в соответствии с 5.3.3.
Таблица 3 — Относительная влажность
| Относительная влажность |
Значение, % |
| Среднегодовая |
Менее 75 |
| За 30 сут, распределенных естественным образом в течение года |
95 |
| Изредка (случайно) в другие дни |
85 |
Предельные значения относительной влажности в зависимости от температуры окружающего воздуха приведены в приложении Б.
Значения относительной влажности для рабочих условий применения, предельных условий транспортирования и условий хранения должны быть установлены в технических условиях на переключатели конкретного типа в соответствии с ГОСТ 22261.
4.4 Электрические требования
4.4.1 Потребляемая мощность
Активная и кажущаяся мощности, потребляемые переключателем при нормальных условиях, должны быть меньше или равны следующим значениям:
3 Вт, 5 В×А при индуктивной нагрузке или
25 В×А при емкостной нагрузке.
Эти значения могут быть превышены на короткое время при изменении состояния переключателя.
Значения влияющих величин при нормальных условиях применения приведены в приложении В.
Испытание — по 5.4.1,
4.4.2 Диапазон напряжений
Диапазон напряжения представлен в таблице 4.
Таблица 4 — Диапазон напряжения
| Условия работы |
Значение |
| Установленные рабочие условия |
От 0,9 до 1,1 U ном |
| Предельные условия |
От 0,0 до 1,15 U ном |
Примечание — Если напряжение питания ниже 0,8 U ном на промежуток времени, превышающий резерв работы, то переключатель необходимо повторно отрегулировать.
4.4.2.1 Диапазон частоты питания
Переключатели должны быть сконструированы для номинальной частоты питания 50 или 60 Гц. Они должны функционировать нормально на всех частотах, составляющих 0,98 и 1,02 от значений номинальной частоты питания.
4.4.3 Влияние длительных прерываний напряжения питания
Во время прерывания напряжения питания, не превышающего резерв работы, переключатель должен поддерживать ход часов с предписанной точностью (см. 4.5). При восстановлении питания выходной(ые) переключатель(и) должен(ы) вернуться в первоначальное состояние.
Испытание — по 5.4.2.
4.4.3.1 Резерв работы
Минимальный резерв работы должен составлять 36 ч.
Время полного восстановления резерва работы не должно превышать трехкратного значения резерва работы.
4.4.3.2 Срок службы батареи
Если резерв работы обеспечивается заряжаемой батареей, то срок ее службы должен составлять не менее пяти лет при нормальных условиях функционирования.
Если резерв работы обеспечивается батареей гальванических элементов, то она должна гарантировать функционирование, по крайней мере, в течение 10000 ч, с момента подсоединения переключателя к резерву (в течение пятилетнего периода).
4.4.4 Номинальное размыкаемое напряжение (U разм )
Выходной(ые) переключатель(и) должен(ы) рассчитываться для номинальных размыкаемых напряжений, указанных в таблице 5, и нормально работать при напряжениях, в 1,15 раза превышающих номинальные напряжения.
Таблица 5 — Номинальные размыкаемые напряжения
| Номинальные размыкаемые напряжения U разм , В |
|||
| 30 постоянного тока |
120 |
230 |
400 |
Номинальное значение 30 В постоянного тока распространяется лишь на переключатели, которые используют для контроля цепи малой мощности. Рабочий диапазон такого переключателя составляет от 12 до 34,5 В постоянного тока. Эти переключатели могут быть основаны на электромеханической или электронной технологии для использования только с постоянными токами.
4.4.5 Номинальный размыкаемый ток (I разм )
Выходной(ые) переключатель(и), номинальный ток которого(ых) выбирают из таблицы 6, должен(ы) быть способен(ны) размыкать, постоянно выдерживать или устанавливать токи, указанные в таблице, при напряжении 1,15 U разм . Таблица 6 касается переключателей основных цепей.
Для переключателей показателя максимума возможность размыкания ограничена наибольшим значением тока 1 А с коэффициентом мощности cos j = 0,5 при индуктивной нагрузке.
Таблица 6 — Номинальные размыкаемые токи
| Ток |
Контрольный контакт малой мощности, А |
Значение, А |
||||||
| Контакты контроля нагрузки |
||||||||
| 1 |
2 |
3 |
4 |
5 |
6 |
7 |
||
| Номинальный размыкаемый I разм |
0,03 |
2,00 |
10,00 |
16,00 |
25,00 |
31,50 |
40,00 |
80,00 |
| При линейной омической нагрузке и cos j = 1 |
— |
2,00 |
10,00 |
16,00 |
25,00 |
31,50 |
40,00 |
80,00 |
| При индуктивной нагрузке и cos j = 0,4 |
— |
1,00 |
5,00 |
8,00 |
10,00 |
10,00 |
10,00 |
10,00 |
| Постоянный |
0,03 |
— |
— |
— |
— |
— |
— |
— |
Номинальное значение 30 мА постоянного тока распространяется только на переключатели, которые используются для контроля цепи малой мощности. Они могут использоваться также с нагрузками, имеющими номинальное размыкаемое напряжение не более 30 В. Эти переключатели могут быть основаны на электромеханической или электронной технологии для использования только с постоянными токами.
В состоянии «закрыто» переключатели с низкой нагрузкой, подвергаемые воздействию постоянного тока 30 мА, не должны вызывать падение напряжения более чем на 1 В.
Состояние «открыто» для электронных переключателей с низкой нагрузкой характеризуется наличием постоянного тока не более 0,2 мА при напряжении 34,5 В (1,15 U pa зм ).
4.4.6 Число циклов выходного элемента
Каждый выходной элемент должен нормально выполнять 30 000 циклов в условиях омической нагрузки либо 30 000 циклов в условиях индуктивной нагрузки, приведенных в 4.4.5, либо 75 000 циклов при отсутствии нагрузки. Для проверки соответствия этому требованию должно быть проведено испытание по 5.4.3 при каждом из этих трех условий.
Контакты переключателей показателя максимума (или их электронный эквивалент) должны выдерживать 400 000 циклов переключения при 20 В×А и коэффициенте мощности 0,5 (при индуктивной нагрузке), когда самый короткий программируемый период интегрирования составляет 15 мин. Число циклов должно пропорционально возрастать при укорачивании периода (т.е. 600 000 или 1 200 000 циклов для периода интегрирования 10 или 5 мин соответственно).
4.4.7 Характеристика короткого замыкания выходного элемента
Характеристика короткого замыкания должна определяться характеристиками плавкого предохранителя питания так, чтобы:
- при ожидаемом среднем квадратическом значении тока короткого замыкания 7 кА и коэффициенте мощности 0,5 гарантировалось, что части, окружающие переключатель, не будут подвергаться опасности и защита от непрямого контакта будет обеспечиваться во всех случаях;
- при ожидаемом среднем квадратическом значении тока короткого замыкания 3 кА и коэффициенте мощности 0,8 выходной элемент продолжал работать при установленных характеристиках;
Характеристики плавкого предохранителя питания должны согласовываться в каждом отдельном случае.
Защита от непрямого контакта должна также обеспечиваться после короткого замыкания от источника с ожидаемым средним квадратическим значением тока 7 кА через плавкий предохранитель питания с номинальным значением, соответствующим номинальному размыкаемому току.
Примечания
1 Номинальный размыкаемый ток выходного элемента часто больше номинального тока плавкого предохранителя питания, который дает установленную характеристику короткого замыкания. Потребитель может использовать контакты переключателя одним из способов:
- либо в соответствии с более высоким номинальным размыкаемым током. В этом случае может произойти повреждение контактов в результате короткого замыкания, хотя возможность такого повреждения практически мала;
- либо в соответствии с характеристикой короткого замыкания, установленной выше.
2 Испытание режима короткого замыкания не распространяется на переключатели постоянного тока низкого уровня (30 В, 30 мА).
Испытание режима короткого замыкания — по 5.4.4.
4.4.8 Нагрев
При нормальном режиме работы электрические цепи и изоляция не должны нагреваться до температуры, которая может нарушить работу переключателя. Повышение температуры внешней поверхности переключателя не должно быть более 25 К при окружающей температуре 40 °С.
Изоляционные материалы должны удовлетворять соответствующим требованиям ГОСТ 8865.
Испытание — по 5.4.5.
4.4.9 Изоляция
Переключатель должен сохранять соответствующие диэлектрические показатели при нормальном режиме работы, учитывая атмосферные условия и различные напряжения, воздействию которых обычно подвергаются цепи.
Переключатель должен выдерживать испытания импульсным напряжением и напряжением переменного тока, установленные в 5.4.6.
4.5 Точность хода часов переключателя
Испытание — по 5.5.
4.5.1 Переключатели синхронного типа
Переключатели синхронного типа должны иметь точность хода при нормальных условиях функционирования лучше 1 мин/год, если частота питания поддерживает свое номинальное значение в среднем. После работы на резерве в течение 36 ч при нормальной температуре точность хода должна быть лучше 180 с, когда резерв работы обеспечивается с помощью пружины, и лучше 1,5 с, когда резерв работы обеспечивается с помощью батареи.
4.5.2 Переключатели с пьезокварцевыми часами
При нормальной температуре переключатели с пьезокварцевыми часами должны иметь точность хода, лучшую чем 0,5 с/сут. После работы на резервном источнике питания в течение 36 ч точность хода должна быть лучше 1,5 с.
Изменение точности хода под влиянием температуры должно быть менее 0,15 с/°С/24 ч.
4.5.3 Переключатель показателя максимума
Действительное время интегрирования переключателя показателя максимума не должно отличаться более чем на 1 % от установленного значения.
Переключатель показателя максимума должен действовать для возврата в исходное положение показателя максимума в течение времени, большего 0,8 % и меньшего 1,2 % от времени интегрирования.
4.6 Электромагнитная совместимость
4.6.1 Устойчивость к электромагнитным помехам
Переключатель должен быть сконструирован таким образом, чтобы наводимые или излучаемые электромагнитные помехи, а также электростатические разряды не вызывали повреждения переключателя и не влияли на его работоспособность.
Примечание — Следует рассматривать помехи следующих типов:
- гармоники;
- провалы напряжения и кратковременные прерывания;
- электростатические разряды;
- электромагнитные поля;
- переходные явления проводимости;
- магнитные поля постоянного и переменного токов.
Испытание — по 5.6.
4.6.2 Подавление радиопомех
Переключатель не должен генерировать наводимые или излучаемые помехи, которые могут повлиять на другую аппаратуру.
Испытание — по 5.7.
5 Испытания и условия испытаний
5.1 Общая методика испытаний
5.1.1 Условия испытаний
Все испытания выполняют при нормальных условиях согласно приложению В, если нет иных указаний в соответствующем пункте.
5.1.2 Типовые испытания
Типовое испытание, определенное в 3.6.1, должно быть выполнено на одном или нескольких образцах переключателя, выбранных изготовителем, для установления его специфических характеристик и подтверждения его соответствия требованиям настоящего стандарта.
В случае модификаций переключателя, проведенных после типового испытания и затрагивающих только его часть, будет достаточно провести ограниченные испытания тех характеристик, на которые проведенные модификации могут оказать воздействие.
5.2 Проверка механических требований
5.2.1 Испытание пружинным молотком
Механическая прочность корпуса переключателя должна быть проверена с помощью пружинного молотка по ГОСТ Р МЭК 335-1.
Переключатель устанавливают в нормальное рабочее положение, и пружинным молотком воздействуют на каждую из наружных поверхностей кожуха и крышку зажимов с кинетической энергией (0,22 ± 0,05) Н×м.
Результат испытания считают удовлетворительным, если корпус переключателя и крышка зажимов не повредились, что могло бы повлиять на работу переключателя, и если невозможен доступ к частям, находящимся под напряжением. Допускается легкое повреждение, которое не ухудшает защиту от непрямого контакта или проникновения твердых частиц, пыли и воды.
5.2.2 Испытание на удар
Это испытание должно проводиться в соответствии с ГОСТ 28213 при следующих условиях:
- переключатель в нерабочем состоянии, без упаковки;
- импульс полусинусоидальной волны;
- максимальное ускорение 294 м/с2 (30 g);
- продолжительность импульса 18 мс.
После испытания переключатель должен работать нормально и не иметь какого-либо повреждения.
5.2.3 Испытание на вибрацию
Испытание должно проводиться в соответствии с ГОСТ 28203 при следующих условиях:
- переключатель в нерабочем состоянии, без упаковки;
- методика испытания А;
- диапазон частот 10—150 Гц;
- частота перехода 60 Гц;
- f < 60 Гц, постоянная амплитуда перемещения плюс 0,075 мм;
- f > 60 Гц, постоянное ускорение 9,8 м/с2 (1 g);
- проверка в одной точке;
- число циклов качания на ось 10.
Примечание — 10 циклов качания составляет 75 мин.
После испытания переключатель должен работать нормально и не иметь какого-либо повреждения.
5.2.4 Испытание на устойчивость к нагреву и огню
Испытание должно проводиться в соответствии с ГОСТ 27483 при следующих условиях:
- температура при испытании зажимной платы (960 ± 15) °С;
- температура при испытании крышки зажимов и корпуса переключателя (650 ± 10) °С;
- длительность испытания (30 ± 1) с.
Раскаленную проволоку прикладывают к любому месту переключателя. Если зажимная плата выполнена как одно целое с цоколем переключателя, то достаточно провести испытание только на зажимной плате.
5.2.5 Испытание защиты от проникновения пыли и воды
Испытание должно проводиться в соответствии с ГОСТ 14254 при следующих условиях.
а) Защита от проникновения пыли:
- переключатель должен быть в нерабочем состоянии и установлен на искусственно созданной для этого стене;
- испытание должно быть проведено на кабеле выбранной длины (с запаянными концами), тип которого определяет изготовитель;
- одинаковое атмосферное давление поддерживают как внутри переключателя, так и снаружи (не должно быть ни разряжения, ни избыточного давления);
- первая характеристическая цифра в обозначении степени защиты 5 (IP5X). Проникновение пыли допускается только в количестве, не влияющем на функционирование переключателя и не ухудшающем его диэлектрические свойства (прочность изоляции).
б) Защита от проникновения воды:
- переключатель в нерабочем состоянии;
- вторая характеристическая цифра в обозначении степени защиты 1 (IPX1).
Проникновение воды допускается только в количестве, не влияющем на функционирование переключателя и его диэлектрические свойства (прочность изоляции).
5.3 Климатические испытания
После каждого из приведенных ниже климатических испытаний переключатель не должен иметь повреждений и должен нормально функционировать.
5.3.1 Испытание на сухое тепло
Испытание должно быть проведено в соответствии с ГОСТ 28200 при следующих условиях:
- переключатель в нерабочем состоянии, без батареи;
- температура (70 ± 2) °С;
- продолжительность испытания 72 ч.
5.3.2 Испытание на холод
Испытание должно быть проведено в соответствии с ГОСТ 28199 при следующих условиях:
- переключатель в нерабочем состоянии;
- температура минус (25 ± 3) °С;
- продолжительность испытания 72 ч.
5.3.3 Циклическое испытание на влажное тепло
Испытание должно быть проведено в соответствии с ГОСТ 28216 при следующих условиях:
- цепи напряжения и вспомогательные цепи при напряжении U ном ;
- ток в выходном элементе (выходных элементах) отсутствует;
- вариант 1;
- верхняя температура (40 ± 2) °С;
- никаких мер предосторожности не должно приниматься для удаления влаги с поверхности переключателя;
- продолжительность испытания — шесть циклов.
Через 24 ч после окончания испытания переключатель должен быть подвергнут следующим проверкам:
- испытанию изоляции в соответствии с 5.4.6, за исключением того, что значение импульсного напряжения должно быть умножено на коэффициент 0,8;
- испытанию на функционирование. Переключатель не должен иметь повреждений и должен нормально функционировать.
Испытание на влажное тепло можно также рассматривать и как испытание на коррозию. Результат испытаний оценивают визуально. Не должно быть никаких видимых следов коррозии, которая могла бы повлиять на функциональные свойства переключателя.
5.4 Проверка электрических требований
5.4.1 Проверка потребляемой мощности
Потребляемая мощность должна определяться для нормальных значений влияющих величин, приведенных в приложении В, любым подходящим методом. При этом должна обеспечиваться точность не хуже 5 %.
5.4.2 Испытание влияния длительных прерываний напряжения питания
Испытуемый переключатель приводят в действие вместе с контрольными часами. Если резерв работы обеспечивается заряжаемой батареей или пружиной, переключатель должен быть приведен в действие по крайней мере за 108 ч до испытания. Если резерв работы обеспечивается батареей гальванических элементов, переключатель должен быть приведен в действие по крайней мере за 1 ч до испытания.
Источник питания испытуемого переключателя выключают на 36 ч. Когда питание восстанавливается, разница во времени между контрольными часами и испытуемым переключателем не должна превышать:
180 с для переключателя с резервом работы, обеспеченным пружиной;
1,5 с для переключателя с резервом работы, обеспеченным батареей, и для пьезокварцевого переключателя.
Должно быть также проверено, что выходные переключатели возвращаются в положение, имеющее место в соответствии с истинным временем, когда питание восстанавливается.
Это испытание должно быть выполнено для всех возможных положений выходных переключателей. Напряжение должно быть восстановлено с помощью устройств переключения, без скачков.
5.4.3 Испытание на число циклов выходного элемента
Контакт(ы) переключателя должен(ы) испытываться на полностью собранном переключателе при нормальных условиях путем подсоединения к испытательной цепи, состоящей в основном из источника питания, защитного устройства и полного сопротивления нагрузки.
Напряжение питания, подаваемое к испытательной цепи, должно быть установлено равным номинальному размыкаемому напряжению, умноженному на коэффициент 1,15, а полное сопротивление нагрузки должно регулироваться таким образом, чтобы получить ток, указанный в 4.4.5. При испытании с омической нагрузкой полное сопротивление нагрузки состоит из активного сопротивления, а при испытании с индуктивной нагрузкой (cos j = 0,4) — из сопротивления и индуктивности, соединенных последовательно (если используют катушку индуктивности без железного сердечника, то резистор, через который проходит ток не менее 0,6 % тока катушки, должен быть соединен с ней параллельно).
Три испытания должны быть проведены при различных выходных элементах (или наборах контактов переключателя) в соответствии с 4.4.6, а именно:
30 000 циклов с омической нагрузкой;
30 000 циклов с индуктивной нагрузкой;
75 000 циклов без нагрузки.
Для испытания контактов переключателя показателя максимума (или их электронного эквивалента) полное сопротивление нагрузки состоит из сопротивления и индуктивности, соединенных последовательно, чтобы получить коэффициент мощности 0,5. Ток в испытательной цепи должен быть отрегулирован так, чтобы при номинальном размыкаемом напряжении кажущаяся мощность была равна 20 В×А. Число циклов, которое должно быть выполнено, должно быть связано с самым коротким программируемым периодом интегрирования, но быть не менее 400 000.
Время между изменениями состояния должно устанавливаться с частотой, не превышающей:
- для переключателей нагрузки и переключателей тарифа — шести циклов переключения в 1 мин;
- для переключателей показателя максимума — одного цикла переключения в 1 с.
Испытания считают удовлетворительными, если потеря мощности выходных элементов при номинальном размыкаемом токе не превышает 3 Вт или падение напряжения на выходных элементах не превышает 1 В и открытые контакты могут выдерживать испытательное напряжение переменного тока 1 000 В (среднее квадратическое значение) в течение 1 мин.
5.4.3.1 Переключатели постоянного тока низкого уровня (30 В, 30 мА)
Выходной переключатель должен испытываться с полностью собранным переключателем по времени при нормальных условиях и включаться в испытательную цепь, которая состоит главным образом из источника питания и резистивной нагрузки. Для испытания цепи напряжение питания должно устанавливаться 34,5 В, а резистивная нагрузка должна быть отрегулирована на ток 30 мА.
Число срабатываний, которое следует провести, должно быть не менее 400 000.
Изменения состояния должны соответствовать одному срабатыванию в 1 с.
Испытание считают успешным, если после него переключатель отвечает требованиям 4.4.5.
5.4.4 Испытание режима короткого замыкания выходного элемента
Требования по короткому замыканию должны проверяться в испытательной цепи, состоящей из последовательно соединенных следующих элементов:
- источника тока с ожидаемым коротким замыканием:
7 кА (среднее квадратическое значение) при cos j = 0,5 или
3 кА (среднее квадратическое значение) при cos j = 0,8;
- плавкого предохранителя;
- переключателя, закрывающего переход к нулевому напряжению;
- закрытого контакта выходного переключателя.
Климатические условия во время испытания должны иметь нормальные значения, приведенные в приложении В.
Этап 1. Испытание с плавким предохранителем, соответствующим номинальному размыкаемому току. (Плавкий предохранитель должен соответствовать ГОСТ Р 50339.3, иметь номинальный ток, равный номинальному размыкаемому току переключателя или большему значению).
Три испытания на короткое замыкание должны быть проведены с ожидаемым током короткого замыкания 7 кА (среднее квадратическое значение). Испытание считают удовлетворительным, если защита от непрямого контакта остается гарантированной. Контакты могут привариваться один к другому.
Этап 2. Испытание с плавким предохранителем, соответствующим способности выдерживать короткие замыкания. (Характеристики плавкого предохранителя должны быть согласованы).
Три испытания на короткое замыкание должны быть проведены с ожидаемым током короткого замыкания 3 кА (среднее квадратическое значение). Испытание считают удовлетворительным, если выходной переключатель остается работоспособным. При этом проверка на функционирование должна проводиться в одной из программируемых последовательностей с нормальными значениями, приведенными в приложении В.
Примечания
1 Если в процессе этапа 1 контакты не свариваются, то этап 2 не проводят.
2 Испытание режима короткого замыкания не распространяется на переключатель постоянного тока низкого уровня (30 В, 30 мА).
5.4.5 Испытание на нагрев
Повышение температуры внешней поверхности корпуса и крышки зажимов не должно более 25 К при окружающей температуре 40 °С после протекания через выходные элементы переключателя максимального суммарного тока (I сум ) в течение 2 ч.
Во время испытания переключатель не должен подвергаться воздействию сквозняка или прямого солнечного излучения.
Другие влияющие факторы должны иметь нормальные значения, приведенные в приложении В, за исключением напряжения питания, которое должно быть равно 1,15 U ном .
После испытания переключатель не должен иметь никаких повреждений и должен соответствовать требованиям испытаний изоляционных свойств по 5.4.6.
5.4.6 Испытание изоляционных свойств
5.4.6.1 Общие условия испытаний
Испытанию должен подвергаться только полностью собранный переключатель с кожухом (за исключением случаев, указанных ниже), с крышкой зажимов и винтами зажимов в положении, соответствующем закреплению проводов максимально допустимого для зажимов сечения.
Методика испытания — по МЭК 60060-1 [1] и МЭК 60060-2 [2].
Сначала должны быть проведены испытания импульсным напряжением, а затем — напряжением переменного тока.
Во время типовых испытаний испытания электрической прочности изоляции считаются имеющими силу только для того размещения зажимов переключателя, при котором последний выдерживает испытания. Если расположение зажимов иное, все испытания электрической прочности изоляции должны проводиться для каждого способа размещения.
Для данных испытаний термин «земля» имеет следующий смысл:
а) если корпус переключателя изготовлен из металла, «землей» считают сам корпус, установленный на плоской проводящей поверхности;
б) если корпус переключателя или только его часть изготовлены из изоляционного материала «землей» считают проводящую фольгу, которой обертывают переключатель, соприкасающуюся со всеми доступными проводящими частями и присоединенную к плоской проводящей поверхности с установленным на ней цоколем переключателя. В случаях, когда крышка зажимов позволяет, проводящая фольга должна находиться от зажимов и отверстий для проводов на расстоянии не более 2 см.
Во время испытаний импульсным напряжением и напряжением переменного тока цепи, которые не подвергают испытаниям, присоединяют к «земле», как указано ниже.
Испытания должны проводиться в нормальных условиях эксплуатации. Во время испытания качество изоляции не должно ухудшаться из-за воздействия пыли или влажности в концентрациях, не соответствующих нормальным условиям.
При отсутствии специальных указаний нормальными условиями при испытаниях изоляции являются:
- окружающая температура от 15 до 25 °С;
- относительная влажность от 45 % до 75 %;
- атмосферное давление от 86 до 106 кПа.
5.4.6.2 Испытание импульсным напряжением
Испытание должно быть проведено при следующих условиях:
- форма кривой импульса — 1,2/50 импульса, установленного в МЭК 60060-1 [1];
- подъем напряжения ± 30 %;
- снижение напряжения ± 20 %;
- полное сопротивление источника (500 ± 50) Ом;
- энергия источника (0,5 ± 0,05) Дж;
- испытательное напряжение
кВ.
Для каждого испытания импульсное напряжение прикладывают по 10 раз поочередно для каждой полярности. Минимальная пауза между импульсами должна быть 3 с.
а) Испытание изоляции цепей переключателя относительно «земли».
Все зажимы переключателя должны быть соединены вместе. Импульсное напряжение должно прикладываться между этими зажимами и «землей». Во время испытания не должно возникать искрения, пробивного разряда или пробоя.
б) Испытание на воздействие напряжения всплесков на входные элементы.
Импульсное напряжение должно быть приложено между входными зажимами переключателя.
Примечание — Для участков, где преобладают воздушные сети питания, может потребоваться максимальное испытательное напряжение свыше 6 кВ.
5.4.6.3 Испытание напряжением переменного тока
Испытательное напряжение должно быть практически синусоидальным, номинальной частоты и прикладываться в течение 1 мин.
Испытательное напряжение 4 кВ (среднее квадратическое значение) для переключателей класса защиты II и 2 кВ (среднее квадратическое значение) для переключателей класса защиты I должно быть приложено между всеми зажимами, соединенными вместе, и «землей». Во время этого испытания искрения, пробивного разряда или пробоя возникать не должно.
Более того, когда выходные цепи не соединены гальванически с входным элементом, испытательное напряжение 2 кВ должно быть приложено между каждой электрически независимой цепью и всеми другими цепями, которые должны быть соединены с «землей».
5.5 Проверка требований к точности хода
5.5.1 Общие условия испытаний
Испытуемый переключатель устанавливают в нормальное рабочее положение и, если необходимо, в климатическую камеру, позволяющую подвергать его воздействию температуры и относительной влажности согласно приложению В, обеспечивают его питание от прибора, свободного от кратковременных прерываний и провалов напряжения, поддерживающим в камере заданные условия.
Перед испытанием переключатель с заряжаемой батареей должен быть приведен в действие за 108 ч для обеспечения восстановления резерва.
5.5.2 Испытание переключателей синхронного типа
5.5.2.1 Испытание переключателя, подключаемого к сети
Переключатель подключают к источнику питания вместе с контрольными часами, синхронизируемыми сетью. Спустя 30 сут разница показаний во времени между эталонными часами и испытуемым переключателем должна быть менее 5 с.
5.5.2.2 Испытание переключателя на резерв работы
См. 5.4.2.
5.5.3 Испытание переключателей с пьезокварцевыми часами
5.5.3.1 Испытание переключателя, подключаемого к сети
Переключатель подключают к источнику питания вместе с контрольными пьезокварцевыми часами. Спустя 30 сут разница показаний между эталонными часами и испытуемым переключателем должна быть менее 15 с.
При наличии поверочного выхода допускается определять точность хода по изменению частоты времязадающего генератора.
5.5.3.2 Испытание переключателей на резерв работы
См. 5.4.2.
5.5.3.3 Испытание точности хода на температуру
Переключатель перемещают в климатическую камеру и измеряют его времязадающую основу при температуре 23 °С.
Устанавливают температуру 45 °С. После достижения теплового равновесия измеряют времязадающую основу, и она не должна отличаться от измеренной при 23 °С более чем на ± 38 х 10-6 .
Затем устанавливают температуру минус 10 °С. После достижения теплового равновесия измеряют времязадающую основу, и она не должна отличаться от измеренной при 23 °С более чем на ± 57 х 10-6 .
5.5.4 Испытание переключателя показателя максимума
Переключатель показателя максимума соединяют со стандартным счетчиком/хронометром. Проводят 100 циклов испытаний. Максимальная погрешность при указанных выше условиях и после 100 циклов не должна быть более одного периода интегрирования (менее 1 %).
5.5.5 Испытание на изменение частоты питания
Переключатели должны быть сконструированы для номинальной частоты питания 50 или 60 Гц. Переключатели должны работать нормально на всех частотах, входящих в область значений, составляющих от 0,98 до 1,02 номинальной частоты питания.
5.6 Испытание электромагнитной совместимости
5.6.1 Общие условия испытаний
Переключатель испытывают в нормальном рабочем положении с установленными кожухом и крышкой зажимов. Все части, требующие заземления, должны быть заземлены.
После испытаний переключатель не должен иметь никаких повреждений и должен работать нормально.
5.6.2 Испытание влияния гармоник
Переключатель подключают к источнику питания вместе с контрольными часами. К источнику питания добавляют 10 % гармоники 3. Испытание проводят в течение 30 сут. В конце испытания точность хода не должна измениться более чем на ± 2 с от результатов, полученных в 5.5.2.1 и 5.5.3.1.
5.6.3 Испытание влияния кратковременных прерываний питания и провалов напряжения
Переключатель подключают к источнику питания вместе с контрольными часами. В сетевую линию переключателя включают специальное оборудование, которое будет способно подвергнуть испытуемое оборудование воздействию программируемых кратковременных прерываний питания и провалов напряжения без каких-либо скачков.
5.6.3.1 Влияние кратковременных прерываний питания на переключатели синхронного типа
Переключатель последовательно подвергают 20 следующим одно за другим прерываниям питания с интервалом по крайней мере 5 с. Значения прерываний, которые должны быть применены, будут составлять 20, 50, 100, 200, 500 мс, 1 и 2 с.
После каждого испытания точность хода испытуемого переключателя должна быть лучше значений, указанных в таблице 7.
Таблица 7 — Максимальная погрешность
| Длительность прерывания питания |
20 мс |
50 мс |
100 мс |
200 мс |
500 мс |
1 с |
2с |
| Максимальная погрешность |
400 мс |
1 с |
2 с |
4 с |
10 с |
10 с |
1 с |
5.6.3.2 Влияние провалов напряжения на переключатели синхронного типа
Переключатель подключают к источнику питания напряжением, равным 50 % его номинального значения, на 1 мин.
После испытания точность хода испытуемого переключателя не должна измениться более чем на 500 мс плюс погрешность вследствие работы на резерве (1 мс для электронных переключателей и 125 мс для переключателей с пружиной).
5.6.3.3 Влияние кратковременных прерываний питания на переключатели с пъезокварцевыми часами
Переключатель подвергают прерыванию питания согласно 5.6.3.1. После каждого испытания точность хода испытуемого переключателя не должна измениться более чем на 400 мс.
5.6.3.4 Влияние провалов напряжения на переключатели с пъезокварцевыми часами
Переключатель подключают согласно 5.6.3.2. После испытания точность хода испытуемого переключателя не должна изменяться более чем на 20 мс плюс погрешность, обусловленная работой на резерве (1 мс).
5.6.4 Испытание на невосприимчивость к электростатическим разрядам
Испытание должно быть проведено в соответствии с ГОСТ Р 51317.4.2 при следующих условиях:
- напряжение в цепи U ном ;
- контактный разряд;
- уровень жесткости испытаний 4;
- испытательное напряжение 8 кВ;
- число разрядов 10.
Приложение электростатического разряда не должно вызывать какого-либо изменения в отсчете времени и в положении контакта(ов) переключателя. Переключатель не должен иметь каких-либо повреждений и должен оставаться в пределах требований к точности.
5.6.5 Испытание на невосприимчивость к высокочастотным электромагнитным полям
Испытание должно быть проведено в соответствии с ГОСТ Р 51317.4.3 при следующих условиях:
- напряжение в цепи U ном ;
- полоса частот от 80 до 1 000 МГц;
- уровень жесткости испытаний 3;
- испытательная напряженность поля 10 В/м.
Наложение высокочастотного электромагнитного поля не должно вызывать какого-либо изменения в отсчете времени и в положении контакта(ов) переключателя.
5.6.6 Испытание быстрыми переходными всплесками
Испытание должно быть проведено в соответствии с ГОСТ Р 51317.4.4 при следующих условиях:
- напряжение в цепи U ном ;
- испытательное напряжение 2 кВ;
- продолжительность испытания 60 с.
Всплески должны быть приложены только к зажимам питания переключателя в соответствии с рисунком 6 ГОСТ Р 51317.4.4 с подсоединенной/отсоединенной сетью согласно рисунку 4.
Переключатель должен испытываться в течение 1 мин при положительной и отрицательной полярностях.
Следует проверять, чтобы всплески не мешали нормальной работе переключателя и чтобы переключатели нагрузки, тарифа и показателя максимума включались и выключались нормально.
5.6.7 Испытание на невосприимчивость к магнитным полям постоянного тока
Испытание на влияние внешних магнитных полей должно быть проведено с катушкой, по которой проходит постоянный ток, как описано в приложении Г, и которая движется по всем поверхностям корпуса. Значение прилагаемой магнитодвижущей силы (в ампер-витках) должно быть согласовано между потребителем и изготовителем.
Во время испытания переключатель должен сохранять свою работоспособность (влияющие величины при этом имеют значения, приведенные в приложении В).
5.6.8 Испытание на невосприимчивость к магнитному полю переменного тока
Испытание должно быть проведено путем продвижения переключателя внутри катушки диаметром 1 м и магнитодвижущей силой, эквивалентной 400 ампер-витками (0,5 мТл).
Во время испытания переключатель должен сохранять свою работоспособность (влияющие величины при этом имеют значения, приведенные в приложении В).
5.7 Измерение радиопомех
Испытание на радиопомехи должно быть проведено в соответствии с разделами 6 и 7 по ГОСТ Р 51318.22 для частот от 0,15 до 30 МГц и от 30 до 300 МГц соответственно.
Полученные значения не должны превышать предельных значений, приведенных в разделе 4 и приложениях А и В ГОСТ Р 51318.22.
ПРИЛОЖЕНИЕ А
(рекомендуемое )
Приемочные испытания
Приемочные испытания должны проводиться потребителем или изготовителем как 100 %-ные испытания или как выборочное испытание (по желанию).
При поставке партии менее чем из 50 переключателей предпочтительно 100 %-ное испытание.
Для выборочных испытаний поставляемые партии из более чем 1200 переключателей должны быть подразделены на частичные партии, состоящие из не более чем 1200 переключателей.
Приемочные испытания должны включать в себя:
а) испытание точности хода.
Номинальное напряжение питания U ном , номинальная частота питания f ном и нормальные значения других влияющих величин (см. приложение В);
б) испытание работы дисплея и переключателей;
в) проверка требований к конструкции. Визуально проверяют:
- конструкцию корпуса;
- размещение электрических соединений;
- установку переключателей;
- воздушный зазор и длину путей утечки по зажимной плате;
- маркировку, наносимую на переключатель.
Приемочные испытания могут включать также испытание изоляции напряжением переменного тока в соответствии с 5.4.6.3.
А.1 100 %-ное испытание
Должно проводиться на каждом переключателе поставляемой партии.
Приниматься должны только переключатели без повреждений.
А.2 Выборочное испытание
Должно проводиться на выборке переключателей, взятой случайным образом из поставляемой партии.
Выборочные испытания должны быть проведены по ГОСТ Р 50779.71 со следующими критериями:
- уровень контроля — II в соответствии с таблицей I ГОСТ Р 50779.71;
- план контроля — одно- и двухступенчатый согласно таблицам II и III ГОСТ Р 50779.71 соответственно;
- приемочный уровень дефектности — AQL = 1,0 для каждого испытания отдельно.
Таблица А.2.1 — Одноступенчатый план
| Размер партии |
Объем выборки |
Приемочное число |
Браковочное число |
| 51-150 |
13 |
0 |
1 |
| 151-500 |
50 |
1 |
2 |
| 501-1200 |
80 |
2 |
3 |
Таблица А.2.2 — Двухступенчатый план
| Размер партии |
Объем первой выборки |
Приемочное число для первой выборки |
Браковочное число для первой выборки |
Объем второй выборки |
Приемочное число для двух выборок вместе |
Браковочное число для двух выборок вместе |
| 5-150 |
13 |
0 |
1 |
— |
— |
— |
| 151-500 |
32 |
0 |
2 |
32 |
1 |
2 |
| 501—1200 |
50 |
0 |
3 |
50 |
3 |
4 |
ПРИЛОЖЕНИЕ Б
(обязательное )
Соотношения между температурой окружающего воздуха
и относительной влажностью

- пределы для каждых из 30 сут в течение года;
- пределы, достигнутые случайно в некоторые дни;
- среднегодовое значение
ПРИЛОЖЕНИЕ В
(обязательное )
Нормальные и предельные значения влияющих величин
Таблица В.1
| Влияющая величина |
Нормальное значение |
Предельное значение |
|||
| Значение |
Допускаемое отклонение |
Максимальное |
Минимальное |
Допускаемое отклонение |
|
| Напряжение питания, В |
U ном * |
±1 % |
1,15 U ном |
0,8 U ном |
±1 % |
| Частота питания, Гц |
f ном ** |
±0,1 % |
1,01 f ном |
0,98 f ном |
±0,1 % |
| Температура, °С |
Плюс 23 |
±3 |
Плюс 55 |
Минус 25 |
±2 |
| Относительная влажность, % |
65 |
±10 |
95 |
— |
0; -5 |
* Возможные значения установлены в 4.1.1.
** Возможные значения установлены в 4.1.2.
ПРИЛОЖЕНИЕ Г
(обязательное )
Электромагнит для испытания влияния магнитных
полей внешнего происхождения


Похожие рефераты:
Оборудование летательных аппаратов
Проект вскрытия и разработки Кадали-Макитской террасы
Разработка мероприятий по совершенствованию технологии ремонта стиральных машин барабанного типа
Конструирование электропривода
Основы электрических измерений
Прибор для измерения скорости кровотока
Электротехника с основами электроники
Основные этапы монтажа аппаратуры автоматического регулирования и управления













































































