| Похожие рефераты | Скачать .zip |
Реферат: Техника и электроника СВЧ (Часть 2)
Лекція 20
Струми і напруги в техніці НВЧ.
![]()
тобто
від полів неможливо
однозначно
перейти до
струмів та
напруг у техніці
НВЧ – нестрога
процедура.
Існує декілька
варіантів цього
переходу.


.
Це – незалежні
визначення,
які не дають
.
Опір хвильовода
теж можна визначити
по-різному:
,
,
.
Ми будемо
користуватись:
.
Бачимо, що додаються
ще параметри
хвильовода
.
Нормовані струми і напруги.
По аналогії
з КМ
,
можна ввести
.
Будемо вважати
- напів-напруга,
напів-струм.
Стоячі хвилі в лініях передачі.
Хвиля у
прямому напрямку
з напругою
:
.
Струм
.
Відбита хвиля:
;
,
(мінус – бо струм
у зворотному
напрямку). Очевидно,
загальні напруга
і струм:
,
.
Повні напруга
і струм складаються
з парціальних
напруг і струмів
хвиль, які існують
в хвильоводі.
У кожній точці
відношення
називається
повним імпедансом
лінії передачі.
Підрахуємо повний імпеданс лінії передачі:
;
.
Таким
чином, повний
опір залежить
від координат.
Опір в точці
(в точці навантаження):
.
Тоді
(**), де
- коефіцієнт
відбиття,
при
.
Підставляючи
(**) в (*), одержимо:
.
Отримали
вираз для опору
в будь-якій
точці. Якщо
, тобто ми розглянули
точку знаходження
навантаження,
маємо опір
.

В залежності від відстані до опору змінюється опір лінії. Це суттєва відмінність НВЧ від звичайної електроніки.
Для того,
щоб взнати опір
в будь-якій
точці, необхідно
знати опір хоча
б в одній точці
лінії передачі.
Якщо лінія
закорочена
в
,
то
.
від точки
КЗ буде на відстанях,
кратних
.
Існує метод визначення опору без КЗ.
Введемо
коефіцієнт
стоячої хвилі.
до хвилі, що
біжить, відбита
хвиля додається
чи віднімається:
,
,
- коефіцієнт
стоячої хвилі.
Визначимо
опір в точці
:
,
.
Очевидно,
:
,
:
.
Отже:
,
.
Нехай
- відстань між
та мінімумом,
тоді буде
,
звідки
(****).
Існує
діаграма з
розрахованими
опорами (див.
Мал.): по куту
відкладається
,
по радіусу -
.
.
![]()




![]()
![]()

![]()
![]()
Однакові
значення
з’єднані лініями
–
![]()
Однакові
значення
з’єднані лініями
–
На цих
лініях вказано
значення активного
та реактивного
опорів. В центрі
кола
.
Лекція 21
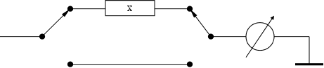
Виявлення сигналів НВЧ.
Звичайний осцилограф використати неможливо – вони працюють на частотах до 1ГГц. Зараз використовують напівпровідникові детектори.
Кристалічні детектори: квадратичний детектор.
Вони реєструють 1011ГГц так само як і 100Гц. Такий детектор (див. Мал.) вставляється одним боком в один хвильовід, а другим у інший (див. Схему):

Еквівалентна схема діода-детектора:

Ідеальна
частота
,
оскільки лише
та
покращити не
можна. Зараз
досягли
.
Залежність
струму НП діоду
від напруги:
.

(нас цікавить квадратичний детектуючий елемент).
Метод комплексних
амплітуд тут
застосувати
не можна, бо
втратимо ефект
детектування.
.
Отримаємо
потужність
.
;
;
;
.
Тоді
.
В результаті
ми можемо зобразити
діод генератором
струму:
.

Звичайне
значення
.
вважається
гарним параметром.
Це і є квадратичний
детектор, оскільки
струм пропорційний
потужності.
Визначимо потужність, яку цей діод може зареєструвати: знайдемо чутливість приймача на базі квадратичного детектора.

- для узгодження
з підсилювачем,
- описує шуми
підсилювача.
Напруга шумів:
,
напруга сигналу:
.
- формула
Найквіста.
Найквіст
довів, що ширина
смуги
пропорційна
кількості
електронних
ступенів вільності.
У відповідності
з цим виведена
формула для
потужності
шумів:
.
Якість детектора
.
.
Визначимо
з того, що
- тоді
Вт.
Лекція 22
Лінійний детектор, змішувач.
;
.
Якщо розписати
квадратний
член, то одержимо:
![]()
- постійний
струм, тобто
.

Принципова схема супергетеродинного приймача НВЧ – діапазону. Відгук пропорційний квадрату сигналу.
Розглянемо характеристики приймача:
Втрати перетворення:
,
бо існують
втрати на дзеркальні
канали, тощо.
У діапазоні
40ГГц типове
значення
.Шум-фактор (класичне визначення):
.

Шум завжди
підсилюється
більше ніж
сигнал, тому
показує, у скільки
разів шум
підсилюється
більше, ніж
сигнал.
,
бо немає схем
в яких
.
,
де
-
шум, згенерований
всередині.
Позначено
-
ми виносимо
джерело струму
за підсилювач.
Погано в формулі
те, що
залежить від
,
тобто від оточуючого
середовища.
Домовились,
що
.
Тоді для добрих
приймачів:
,
де
- еквівалентна
температура
входу (шуму)
приймача. Тоді
.
Знайдемо
мінімальну
потужність,
яку приймає
приймач
- шум-фактор.
Він показує,
у скільки разів
еквівалентні
шуми більше,
ніж зовнішні
шуми.
Визначимо
для змішувача:


- бо це пасивний прилад. Для наступної схеми можна записати:
з
відки
- врахуємо шуми
подальших
каскадів. В
середньому
.
Вт.
,
бо впевнений
прийом при Р
в 2 рази меншій,
ніж максимальній.
Балансний змішувач.
Я
кщо
уявити, що у
генератора
є деякий контур,
то при перекритті
та
може виникнути
биття генератора
з самим собою
навіть при
відсутності
сигналу. Балансний
змішувач бореться
саме з цим –
він знищує
гармоніки
гетеродина.
Розглянемо його схему:

ГГ – гармоніка гетеродина. На двох діодах сигнал має різні полярності. Струм проміжної частоти залежить від фази на діоді. Отже струм від гетеродина буде в один бік, і на котушці приймача перетвориться в нуль. Сигнал струму буде фіксуватися окремо.


Керування параметрами НВЧ за допомогою діодів.
-
діод – використовується
для керування
амплітудою
НВЧ.
Лекція 23
Вимірювання опорів.
Узгодження опорів – задача про проходження хвиль між перешкодами без відбиттів. Однак, спочатку треба виміряти ці опори.

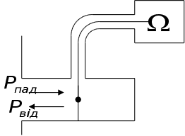
Метод вимірювальної лінії: вимірювальна лінія – це зонд, який переміщується в середині хвильовода і реєструє відповідні струми (пучності чи мінімуми).

Крім того,
визначаються
координати
мінімуму і
вимірюються
відстані від
мінімуму до
навантаження,
звідки:
.
Підключаємо
між генератором
і навантаженням
вимірювальної
лінії, потім
визначаємо
.
Узгодження опорів.
Треба зробити, щоб стержень в хвильоводі забирав максимум енергії. Це можливо при узгодженні опорів.

Н
ехай
в лінію з опором
підключили
навантаження
.
,
тому частина
енергії відбивається.
Можна паралельно
підключити
лінію з закороткою,
яку можна рухати
вздовж лінії.
Це шлейфовий
трансформатор
або тромбон.
Опір шлейфа:
.
Ми ставимо
закоротку на
кінці шлейфу,
,
тоді
.
Таким чином
ми можемо ввести
в лінію будь-який
реактивний
опір (закоротка
не вносить
активного
опору).
Нехай
.
Визначимо опір
лінії у довільній
точці
:
.
На діаграмі
ці опори розташовані
на колі з центром
в (0,0) та радіусом
(опір
)
– це коло відповідає
незмінному
КСХ, він дійсно
постійний для
лінії. В точці
перетину кола
з
маємо
.
Цій точці відповідає
певна точка
на хвильоводі.
Якщо в цій точці
підключити
шлейф, то реактивний
опір можна
міняти як завгодно.
Також можна
зробити так,
що
-
тоді не буде
відбиття.
Фізично шлейф компенсує відбиту хвилю, тобто створює таку ж за амплітудою і протилежну за фазою.
Розглянемо схему з двома шлейфами:

Знайдемо
опір у місці
підключення
першого шлейфу,
зумовлений
.
Для цього
йдемо по пунктирному
колу (див. Діаграму
нижче) на відстані,
відповідній
.
Ми можемо змінювати шлейфом реактивний опір, залишаючи активний постійним.
Знову зсуваємося на відстань між двома шлейфами.

Аналогічно другим шлейфом змінюємо активний опір. В результаті прийдемо в точку А, де КСХ значно менший ніж початковий. Ми не отримали ідеальне узгодження. З теорії: узгодження при фіксованих відстанях між шлейфами можна створити при наявності 3-х шлейфів.
Ми змінювали
опір шлейфа
так, щоб опинитись
на
,
тому, що ми отримаємо
найменший КСХ.
Виявилось, що
можна придумати
метод, яким КСХ
можна створити
ще меншим.
Лекція 24
Чвертьхвильовий трансформатор.
Н
ехай
маємо два хвильоводи:
,
;
та стоїть задача
передати енергію
з одного в інший.
Це можна зробити,
з’єднавши їх
відрізком
хвильоводу
з деяким опором
.
Виявляється,
що
,
для узгодження.
Підрахуємо
це:
.
Тут
,
тоді
,
це фактично
резонансний
пристрій.
Для широкосмугового узгодження роблять багато “східців”:


Або ж плавний перехід (однак він більш довгий):
Узгодження в МЕ.
Потрібно щось увімкнути між генератором та опором, щоб виділялась максимальна потужність. Зробимо так як показано на малюнку:

Підрахуємо
опір в точці
а:
,
,
,
,
тобто
.
Таким чином
маємо коливальний
контур на частоті
.
Тобто,
-
це повинно
дорівнювати
,
тобто
- цим умовам
має задовольняти
контур
.
Таким чином, для узгодження опір необхідно включати в паралельний коливальний контур. Тепер ми знаємо повну теорію узгодження.
Щ
об
збільшити
ширину смуги
пропускання,
використовують
більш складні
ланцюги, це
зв’язані ланцюги,
тут смуга пропускання
ширша:
А що робити,
якщо необхідно
узгодити комбінований
опір, наприклад
.
В таких випадках
включають
послідовно
:
,
а потім узгоджують
так само як і
в попередньому
випадку.
Взагалі, використовують два методи:
Комбінація штирів.
Комбінація
.
Лекція 25
Заміна ліній передачі зосередженими елементами.
Для лінії
передачі:
.
Для чотириполюсника
на зосереджених
елементах:
.

Для того, щоб
можна було
провести заміну
лінії на зосереджений
чотириполюсник,
необхідно, щоб
вирази для їх
були еквівалентні.
Прирівнявши,
одержимо:
,
,
.
Р
озглянемо
схеми які
використовуються
на практиці:
ПФВЧ:
,
.
ПФВЧ:
,
.
З
адача:
Представимо
- трансформатор
у вигляді
зосереджених
елементів ТФВЧ.
,
,
,
,
.
- опір .
трансформатора
Таким чином, конструктивно цей перехід виконується так:

Задача:
Узгодження
транзистора.
,
.
Треба узгодити
з лініями 50 Ом.
1,2
5
10
1,5
![]()
![]()
![]()
![]()
![]()
![]()
Для цього перетворимо еквівалентну схему:

Отже, ця схема - узгоджена.
Лекція 26
Вимірювання потужностей НВЧ.
Н
П
– детектори
не можуть
використовуватись
для вимірювання,
бо з часом вони
самі змінюються,
тобто не існує
однакових НП
– детекторів.
Найбільш точні
методи – калориметричні,
але вони розраховані
на великі потужності
(>1Вт).
Використовують
термістори
і болометри:
•
- НП-бусинка.
Це все поміщують
у термостат.
Але це знову
ж дає мало переваг
у порівнянні
з НП-детекторами.

Тоді можна записати:
,
звідки маємо
.
Перевага
бусинки - в
електроніці.
Намалюємо
вимірювальний
міст:
- з’являється
тому, що НВЧ
нагріває по
поверхні, а
батарейка - по
об’єму.

Спочатку
міст балансується
опором
тобто гальванометр
нічого не показує.
Подаємо НВЧ,
тобто болометр
перегрівається,
баланс порушується.
Для встановлення
балансу опір
збільшуємо
так, щоб загальна
потужність:
.
Для точності
використовують
.
Інколи потрібно
зменшити падаючу
потужність.
Для цього
використовують
атенюатори
(поглинаюча
пластина, що
вставляється
в хвилевід).
Вони можуть
зменшувати
потужність
на 30-40 дБ. Існують
прецизійні
атенюатори,
точність 0,01 дБ:

,
а потужність,
що поглинається,
.
А залежність
кута можна
визначити
точно.
І
снують
направлені
відгалужувачі:
![]()
У
випадку, зображеному
справа, потужність
йде в одному
напрямку:
Лівий відгалужувач реагує лише на відбиту хвилю, правий – на падаючу. Компаратор автоматично рахує Г.

У
мікроелектроніці
використовують
мікросмужкові
шлейфові
відгалуджувачі.
І
снують
розподілені
розгалджувачі
– (для верхньої
смуги пропускання)
– тут випромінює
щілина.

Записуємо
за принципом
Гюйгенса:
,
проінтегрувавши
одержимо:
,
коефіцієнт
направленості
-
можливо таке,
що
.
При
-
це направлений
відгалужувач.
Однак, розміри
цього відгалужувача
пропорційні
довжині хвилі,
що дуже багато.
Тому використовують
відгалужувач
Бете:

Виявляється, що зв’язок цього хвильоводу з трубами існує по ЕМП, і фаза зв’язків по ЕП та МП – різна. Розглянуто зв’язок по ЕП, тепер по МП:

-
тобто хвиля
піде лише у
ліву трубу: від
діелектричного
зв’язку все
“+”, від магнітного
“+” та “-“, тобто
в правій трубці
.
Хвиля піде у
ліву трубу.
Лекція 27
Вимірювання довжини хвилі та частоти.
Найпростіший вимірювач – вимірювальна лінія. Намалюємо її:

Тут максимум та мінімум – нечіткі, тому краще помістити у резонатор:

.
Це – ВСТ, хвильоводи
середньої
потужності.
Для більшої
точності є
гетеродинні
вимірювачі
частоти, котрі
працюють зі
стандартними
генераторами
частот.

Гетеродином
може бути кварц
чи молекулярний
випромінювач
на
(точність 10-12),
також іноді
використовується
ефект Мьосбауера
(точність 10-17).
Випромінювання затухання.
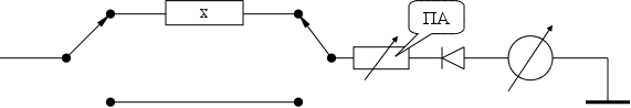
Розглянемо метод відношення потужностей:

Якщо детектор
лінійний, то
,
якщо ж детектор
квадратичний,
то
.
О
днак,
цей спосіб
неточний, він
залежить від
приладу. Тому
існує його
модифікація
– метод еталонного
атенюатора.
Тут використовується
прецизійний
атенюатор:
,
-
незалежно від
властивостей
детектора, бо
на ньому завжди
100 поділок.
Особливості техніки міліметрових та субміліметрових хвиль.
Виготовлення
хвилеводів
під субміліметрові
хвилі проблематичне
бо характерні
розміри хвильоводу
мають порядок
0,1мм. Втрати:
,
.
Тобто такі
хвилеводи
використовувати
неможливо. Межі
застосування:
Смужкові – до 300-400 ГГц.
Мікросмужкові – до 100 ГГц.
Коаксіальні кабелі – до 50 ГГц.
Потреба в освоєнні даного діапазону пов’язана із “забитістю” інших.
Д
іелектричні
хвильоводи
для
теж погані, бо
ці частоти
відповідають
оптичним фотонам
у ТТ – ЕМХ замість
розповсюдження
починає збуджувати
коливання
атомів ТТ. Це
– фундаментальна
проблема, її
не можна “обійти”.
Тому роблять
так звані лінзові
хвильоводи
– чим менше
діелектрика,
тим менше втрати.
Тому намагаються
зменшити кількість
лінз за рахунок
збільшення
фокусної відстані.
Однак, завжди
є дифракція.
Чим більша
фокусна відстань,
тим більші
втрати, пов’язані
з дифракцією.
Фокусна відстань
Релея
- це максимальна
фокусна відстань
лінзи.
Втрати лінзового
хвильоводу
1-1,5
.
Для виготовлення
лінз використовують
тефлон. Для
того, щоб змінити
напрямок
розповсюдження,
можна поставити
дзеркало.
Розглянемо ряд приладів на основі лінзових хвильоводів:
Н
апрямлений
відгалуджувач:
аналог в НВЧ
(див. Мал. Справа):
відгалуджує
хвилю А, не реагує
на хвилю В.
непівпрозоре
дзеркало створює
такий ефект
в оптиці (див.
Мал. Зліва).

Резонатор. Плоскопаралельний дзеркальний резонатор:
.
Служить для
відбору хвиль
певної довжини.

М
ожна
використати
розділення
і злиття хвиль.
Важлива фаза
після проходження
та
.
Лекція 28
Генерування та підсилення НВЧ. Підсилювач на тунельному діоді.
ВАХ
тунельного
діоду має від’ємну
ділянку, де
.
Будь-який діод
можна представити
еквівалентною
схемою:

В
термінах цієї
схеми буде
(тут ми врахували
опір переходу
).
Звичайні значення
.
Підрахуємо
загальний опір
діоду
.
Знехтуємо
паразитичною
ємністю
,
тоді
,
тут введено
позначення:
,
.
У формулі
- по модулю, тобто
його від’ємність
вже враховано.
Графічний
вигляд опору
чи іншої комплексної
величини, де
параметром
є частота,
представляється
годографом.
Зобразимо його:
-
це резонансна
частота діода,
вона відповідає
чисто реактивному
опору.
- гранична частота,
на якій опір
перестає бути
від’ємним.
Може бути
картина, коли
<0,
тоді наступає
самозбудження,
оскільки тут
резонанс і
від’ємний опір.
Щоб запобігти
цьому, вводять
стабілізуючі
ланки для обмеження
смугу частот
від’ємного
опору:

На резонансній
частоті контуру
опір всієї
ланки
,а
на всіх інших
частотах:
.Таким
чином, маємо
два паралельно
з’єднані опори.
Один з них
,
,
тоді сумарний
опір
.
Т
оді
при
буде
,
підсилення
не буде. Тепер
годограф буде
мати інший
вигляд, смуга
буде на частотах
.
Крім цих елементів, у схемі використовуються узгоджуючі трансформатори.
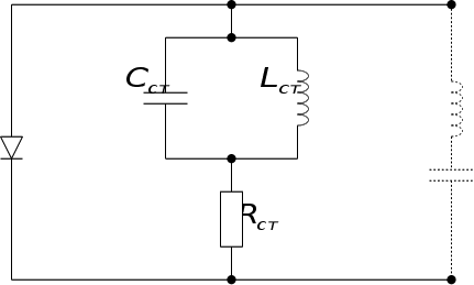
Коефіцієнт
підсилення
підсилювача
на тунельному
діоді
.
При цьому тут
вхід та вихід
не розв’язані,
тому, по суті,
коефіцієнт
підсилення
є коефіцієнтом
відбиття. Такі
підсилювачі
нестійкі, нестабільні
– параметрично
залежать від
навантаження.
Транзистор має розв’язані вхід та вихід (зв’язок порядку МОм). Тому зараз використовують саме транзистори.
Регенеративний підсилювач – це генератор в недозбудженому режимі.
Перевага транзисторів – триполюсна схема ( земля, вхід та вихід), хоча швидкодія гірша чим у діода.
Лекція 29
Параметричний підсилювач на НП-діодах.

![]()
.
Система генерує
,
при
,
якщо ж
то система не
генерує, проте
зовнішній
сигнал не
підсилюється.
- частота накачки.
Інший варіант:
-
сигнал,
-
холостий,
-
накачка.
.
Р
озглянемо
більш сучасний
варіант з претензією
на мікроелектроніку:
В![]()
![]()
![]()
області
існує
(тобто див. область
). Більша частота
може існувати
в , тобто в
. Ще більша
частота
існує
у ще більшому
просторі ( і в
верхньому
хвилеводі).
Умова існування
резонансу на
сигнальній
частоті:
,
.
Тоді змінюючи
та
,
можна регулювати
частоту, змінюючи
умови резонансу.
С
хема
була б “найбільш”
мікроелектронною,
якби можна було
використати
власні частоти
діода. Спробуємо
зробити це:
розглянемо
еквівалентну
схему (див. Мал.):
Тут може бути
послідовний
резонанс
і паралельний
,
,
.
Останнім
часом роблять
малим, отже
дуже велика,
і її не використовують.
Можна використовувати
.
Розглянемо
телевізійний
параметричний
підсилювач.
- позначені
частоти відповідних
резонаторів.

Лекція 30
Транзистори НВЧ.
Ці транзистори є видозміненими звичайними транзисторами. Розглянемо характеристики та фізику роботи звичайного транзистора.

- транзистор
перестає працювати.
- характеристична
частота, зараз
досягли 110 ГГц
і навіть 250 ГГц.
Серійно випуск
до 40 ГГц.
Визначимо
швидкодію:
,
для біполярних
- час на подолання
шляху між емітером
та колектором,
для полярних
– між витоком
і стоком. “
”
виникає у формулах
тому, що в формулах
використовується
,
тому
,
.
Напругу
збільшити ми
не можемо, щоб
не пробити.
Параметри, які
можна змінити
для зменшення
:
Зменшуємо розмір бази, зменшити область між витоком і стоком. Серійно випускають транзистори з
.Використовують матеріали з високою рухливістю, щоб збільшити швидкість. Використовують
- транзистори.
Іноді використовують
транзистори
з гетеропереходами,
де теж досягається
дуже висока
рухливість
(НЕМТ – транзистори).
Розглянемо конкретні схеми:
П
ольовий
транзистор.
Чим більше “-“
на затворі,
тим менша
провідність
транзистора
завдяки області
“+” – заряду
на підкладці.

В
ажливо,
щоб транзистор
був геометрично
включений прямо
в лінію. В мікроелектроніці
немає можливості
створити транзистори,
що будуть “стирчати”
зовні.
Існує й інший, більш високочастотний варіант підключення:

П
ольові
транзистори
на гетеропереходах.
Оскільки різниця
між рівнями
не змінюється,
бо це атомні
рівні, то маємо
розриви на
переході: електрони
накопичуються
в ямі А.
О
скільки
справа є домішки,
а зліва, де
накопичились
електрони,
домішок, на
яких може осісти
електрон, немає,
то електрони
більш вільно
рухаються,
тобто їх рухливість
зростає.
Структура:
Б
іполярні
транзистори.
На НВЧ ці транзистори
гірше. База –
дуже мала за
розмірами. Це
необхідно для
збільшення
частоти, але
при цьому виникають
зворотні струми.
Не тільки
електрони йдуть
у базу
,
але й дірки
йдуть у емітер
.
Це створює
шуми. Максимальний
коефіцієнт
підсилення
.
Звідси видно,
що для кращого
необхідно
мінімальний
потік дірок
в емітер. При
малих шарах
коефіцієнт
підсилення
менший. Проблеми
розв’язують
за допомогою
гетеропереходу
(див. Мал. нижче):
в такому випадку
завада для
дірок більша,
ніж для електронів.

Лекція 31
Підсилювачі на НВЧ - транзисторах.
Підсилювачі НВЧ відрізняються від звичайних тим, що треба узгодити вхід-вихід та каскади.
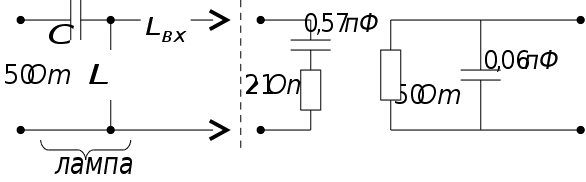
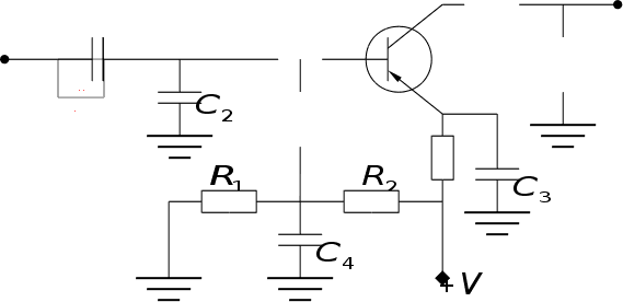
Наприклад розглянемо еквівалентну схему транзистора АП-326А:

Для узгодження
з лінією 50 Ом
підключають
і трансформатор
(лампу).
підбирається
так, щоб узгодити
з опорам 50 Ом.
Аналогічно
створюється
резонанс та
узгодження
по опору на
виході:

Принципова схема підсилювача:

Лекція 32
Невзаємні елементи НВЧ.
Закон Ньютона
каже, що
.
Однак, в загальному
випадку:
,
тобто зв’язок
не векторний,
а тензорний
– напрямок руху
не завжди співпадає
з напрямком
сили. Приклад
– гіроскоп чи
дзига.
В природі
існують середовища,
що працюють
таким чином
– електро- чи
магнітно- гіротропні.
У них намагніченість
-
,
поляризація
-
.
,
,
-
антисиметричний,
.
Ферити мають магнітогіротропні властивості, плазма має електрогіротропні властивості. Зараз використовують магнітогіротропність, тому її й розглядатимемо.
,
бо
.
Тензор магнітної проникності фериту.
Рівняння
Ландау-Лівшица
руху в МП:
.
Ми будемо шукати
в
.
.
Н
ехай
маємо феромагнітне
середовище
в
,
при цьому орієнтація
доменів
,
оскільки це
енергетично
вигідно.
Нехай тепер
,
тобто додали
невелике змінне
поле у перпендикулярному
напрямку. Звичайно,
при цьому зміниться
:
.
Тепер треба
знайти
,
тобто
.
Розглядатимемо
лінійну задачу,
нелінійності
не враховуємо.
Можна представити
.
![]()
.
Ми знехтували
,
прирівнявши
їх відповідно
з
,
.
,
оскільки добутки
мають другу
ступінь малості.
З цієї системи одержимо розв’язок:
.
Тут гіромагнітна
частота
,
тобто маємо
гіромагнітний
ефект у фериті.
Ферит – це магнітний діелектрик.
При
(нескінченності
не буде, оскільки
можна замінити
як
)
буде
.
Нехай
,
тоді
,
.
Таким чином
точка обертається
по годинниковій
стрілці.
Виявляється, магнітний момент, як і спін електрона, може рухатись лише по правому колу.
Таким чином, лівополяризоване поле не буде впливати. На даних властивостях працюють всі прилади.

Лекція 33
Прилади.
Вони бувають трьох основних типів:
Резонансні.
,
характеристика
поглинання
поля:
![]()

![]()
![]()
![]()
Прилади на ефекті зміщення поля.
Помістимо феритову кулю в поле. Хвиля рухається, налітає на кульку. Якщо куля в центрі, то поле на кулі матиме поперечну поляризацію. На стінці поляризація буде повздовжньою. Якщо куля ні в центрі, ні на стінці, то поле буде обертатися, тобто кругова поляризація.

Т
аким
чином у хвилеводі
існують точки
поздовжньої,
поперечної
та кругової
поляризації.
Оскільки моменти в фериті обертаються в одну сторону, то поляризація в різних точках хвилеводу буде різна. Взаємодія буде протилежною при зміні напрямку поля, напрямку хвилі та при симетричній зміні положення зразка у хвилеводі.
При взаємодії
фериту з полем
,
при відсутності
взаємодії
.
У циркуляторі
з феритом хвиля
в одному напрямку
буде взаємодіяти
з феритом сильніше,
ніж у протилежному
(як і в хвилеводі
– див. Мал.). Відповідно
і довжина хвилі,
що обертається
за часовою
стрілкою, буде
,
а для хвилі, що
обертається
проти,
.
Змінюючи радіус
та
,
можна налагодити
прилад так щоб
хвиля повністю
переходила:
,
і не інакше.

Прилади на ефектах Фарадея.
Лекція 34
Плоскі хвилі в гіротропному середовищі.
Нехай
![]()
. Не реагує на
складову
,
а тільки
.
Обертання
магнітного
моменту відбувається
лише у площині
.
.
Розповсюджуюче плоске поле
.
.
Запишемо рівняння Максвела:
Ми розглядаємо
- скаляр, тобто
просто ферит.
Використовуємо
формулу
;
тоді рівняння
Максвела можна
записати в
такому вигляді:
.
Позначимо
- це уповільнення,
оскільки
-
новий хвильовий
вектор,
- хвильовий
вектор без
фериту.

.
Розглянемо прості випадки:
(хвиля розповсюджується
вздовж поля):
.
Тут мають місце пряма і зворотна хвилі:
,
.
Тут буде
.
Крім того, отримаємо
,
де “-“ – права
хвиля, “+” – ліва
хвиля. Це означає,
що при падінні
на ферит лінійна
поляризація
розкладається
на дві зустрічні
кругові поляризації:

Це має місце
і у всіх інших
середовищах,
але там це не
має значення.
Далі права
кругова поляризація
буде обертати
магнітний
момент, і для
неї буде
,
а ліва кругова
поляризація
магнітний
момент обертати
не зможе, ферит
для неї не існує,
тобто стала
розповсюдження
буде
.
Звідси випливає
ефект Фарадея.
(ефект
Катоне-Мутона)
– подвійне
променезаломлення.
Отримаємо дві незалежні системи рівнянь:

.
Знову маємо
дві незалежні
хвилі з різними
.
Р
озглянемо
дві хвилі з
круговою
поляризацією:
Тобто, у
взаємодіючій
хвилі довжина
хвилі буде
менша. Зсунемось
від початку
на період
,
тоді друга
хвиля повернеться
в початковий
стан, а перша
не встигне.
Тоді
дасть вектор
під кутом
до нульової
площини.
-
кут Фарадея
(кут повороту
площини поляризації).
,
ми розглянули
.
Цей кут змінюється
в залежності
від відстані.

Лекція 35
Фарадеївський вентиль і циркулятор.
Ці прилади
працюють
на великих
потужностях.
Вхідна та вихідна
щілини повернуті
на
одна відносно
іншої. Всередині
– ферит, навколо
– електромагнітна
котушка. Підбираємо
параметри так,
щоб хвиля змінювала
поляризаційний
кут на
після проходження
.

Якщо пропустити хвилю з кінця на вхід, то буде:

і хвиля не
піде
,
вона піде в 3,
оскільки тут
буде зв’язок
по МП, таке поле
може вийти в
3, а в 1 – не може.

Отримуємо
циркулятор
,
.
Якщо замість
2 поставити
заглушку, то
отримаємо
вентиль, бо
хвиля піде
.
Мікросмужкові лінії з феритом.
Замість
діелектрику
беремо
,
.

Площина
поляризація
задана металевими
смужками і не
може обертатися.
Можна змінювати
.
Є також три
варіанти намагнічення
[1], [2], [3].
.
,
оскільки в
цьому напрямку
змінне
,
і не може взаємодіяти.
(нас цікавить
).
Лекція 36
Аналіз та синтез НВЧ – елементів.
Хвильові матриці п - полюсника.
Розглянемо
відому матрицю
розсіювання
.
Нехай маємо
-
полюсник, у
нього
входів і виходів.
Для кожного
входу та виходу
є падаюча та
відбита хвилі.
Будемо користуватися
нормованими
величинами:
-
для падаючої
хвилі,
- для відбитої.
,
- амплітуди
падаючої та
відбитої хвиль,
,
-
відповідні
потужності.
Будемо вважати,
що відбита
хвиля зумовлена
всіма хвилями,
що увійшли в
- полюсник:
.
Маємо матрицю:
,
можна записати
в матричному
вигляді:
.
Фізичний
зміст
- коефіцієнт
відбиття від
к – того порту.
- коефіцієнт
передачі з
порту у к – тий.
П
обудуємо
матрицю ідеального
вентиля.
;
;
.
Отже
.
П
обудуємо
матрицю для
циркулятора:
Матриця
не ермітова,
бо враховує
поглинання.
В ермітових
втрат енергії
немає.

Отримаємо матрицю наступного з’єднання хвилеводів:

- коефіцієнт
відбиття від
порту 1.
,
де
.
,
.
Так як
то
,
отже
.
М
атриця
шматку хвильоводу:
тут враховується
фаза;
,
- це враховує
відставання
по фазі на
на
відстані
.
Рівняння інцеденцій.
Матриця розсіювання для з’єднання малополюсників, якщо відомі матриці окремих малополюсників. Нехай маємо довільний набір елементів.
Лекція 37
Метод орієнтованих графів.

![]()
![]()
![]()

Можна виключити
вершину
.
Для цього стрілки
продовжують
так, ніби вузла
і
не було. В діамагнетику
вказується
- коефіцієнт
при виключеній
вершині.
Задача: Знайти за допомогою орієнтованих графів параметри системи.

С
кладемо
графи елементів:
Перепозначимо
входи – виходи
навантаження
через
,
.
Можна записати,
що
,
.
Тепер можна
записати рівняння
і матрицю:
.
Більш того,
нас цікавить
коефіцієнт
відбиття всієї
системи, тобто
безпосередній
зв’язок
.
Виключимо
,
потім
,
послідовно
отримуємо:

Ми отримали коефіцієнт відбиття від навантаження через узгоджувальний трансформатор.
В
ключимо
між
та
відрізок хвильоводу
,
тоді буде три
матриці:
Тоді замість
в попередній
формулі одержимо
.
Лекція 38
Синтез НВЧ – елементів.
Зараз існує синтез лише пасивних елементів.
Фільтри НВЧ.
Існують методи синтезу по Каеру та Форстру. Виходять з характеристик фільтру. Синтезується лише ФНЧ, інші отримують за допомогою нескладних перетворень.
Існує апроксимація
по Баттерворту:
,
де
- нормована
частота. Чим
більше
тим ближче до
прямокутної
характеристики.

Ч
ебишевська
характеристика
складніша, але
результат майже
такий самий.
Наприклаж для
трансформатора:
Розглянемо схему:

Цей фільтр
– п’ятого порядку,
бо на ВЧ:
- розрив,
- закоротка,
тобто маємо
(таких елементів
5). Цей фільтр
дає характеристику
ФНЧ (достатньо
круту).
Спробуємо
створити такий
фільтр для НВЧ,
оскільки розрахунки
дають нереальні
з точки зору
технології
значення ємності
та індуктивності.
Розглянемо
лінію довжиною
та опором
.
Їх можна представити у вигляді:

У
другій схемі
,
.
Тонка довга
лінія має
і є індуктивністю,
широка коротка
лінія представляє
собою ємність.
Тоді вихідну
схему можна
представити
як:
Однак, нам
потрібно розрахувати
зовнішні параметри
хвильоводів.
Нехай
- опір, а
- довжина відповідного
хвильоводу,
тоді запишемо
рівняння:

Звичайно
беруть
,
підбирають
.
Це – перше
наближення,
його досить
для визначення
параметрів
лінії. Наближення
– бо ми вважаємо
опори дуже
великими, чи
дуже маленькими.
Розглянемо друге наближення: ні індуктивності не рівні нулю, і вони впливають на сусідні ділянки. Тоді маємо:

Врахували,
що
.
В НВЧ маємо еквівалентні схеми:
![]()

![]()
![]()
![]()
![]()
![]()
![]()
![]()
![]()
![]()
![]()
![]()
![]()
![]()
![]()
![]()
![]()
![]()
![]()
Паралельний контур:

Ємність:


Похожие рефераты:
Електроніка та мікропроцесорна техніка
Детонометр разработка конструкции
Высокочастотный приемный тракт
История изобретения транзистора
Лекции по твердотельной электронике
СВЧ тракт приёма земной станции спутниковой системы связи
Однокритериальный измеритель частотной избирательности радиоприёмника
Блокнот старшего офицера батареи наземной артиллерии
Перетворювач індуктивність-напруга