| Похожие рефераты | Скачать .docx |
Реферат: Метод меченых атомов
МЕТОД МЕЧЕНЫХ АТОМОВ
Искусственно получаемые радиоактивные элементы нашли широкое применение в науке и технике. Одним из методов, позволяющих на практике использовать свойства радиоактивных элементов, является так называемый метод меченых атомов. Этот метод использует тот факт, что по химическим и многим физическим свойствам радиоактивный изотоп неотличим от устойчивых изотопов того же элемента. В то же время радиоактивный изотоп легко может быть опознан по своему излучению (с помощью, например, газоразрядного счетчика). Добавляя к исследуемому элементу радиоактивный изотоп и улавливая в дальнейшем его излучение, мы можем проследить путь этого элемента в организме, в химической реакции, при плавке металла и т. д.
Меченые атомы, как правило, представляют собой радиоактивные (реже стабильные) нуклиды, которые используются в составе простых или сложных веществ для изучения химического, биологического и других процессов с помощью специальных методов (напр., масс- спектрометрия, радиометрия). Масс- спектрометрия (масс- спектроскопия)- это метод исследования вещества путем определения спектра масс частиц, содержащихся в веществе, и их относительного содержания (распространенности). Данный универсальный аналитический метод, широко применяется в физике, химии, биологии и медицине. Радиометрический анализ заключается в определении качественного и количественного состава вещества, основанный на использовании радионуклидов, обычно вводимых в реагенты или образующихся в анализируемом веществе под действием ядерных частиц или жестких g - лучей. Результаты радиометрического анализа получают по данным измерений радиоактивности продуктов реакции с помощью радиометрических приборов. Для регистрации радиационной активности применяют счетчик Гейгера (назван по имени Х. Гейгера), представляющий собой газонаполненный диод (обычно цилиндрический) с тонкой нитью в качестве анода. Действие основано на возникновении в газе в результате его ионизации (при пролете частицы) электрического разряда (коронного). В последнее время более распространены в силу своих высоких технических характеристик полупроводниковые детекторы, устройство которого показано ниже.
![]() |
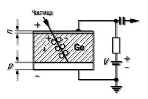
Детектор. Схематическое изображение полупроводникового детектора (штриховкой выделена чувствительная область): n - полупроводник с электронной проводимостью; p - полупроводник с дырочной проводимостью; Ge - германий, имеющий собственную проводимость(i); V - напряжение постоянного источника.
Метод меченых атомов нашел весьма широкое применение в медицине. Значительный вклад в разработку методов ранней диагностики заболеваний с помощью введения в организм меченых атомов внесли наши ученые. Так, Г. Е. Владимиров (1901- 60), известный биохимик, одним из первых применил радиоактивные изотопы (меченые соединения) для изучения обменных процессов в нервной и мышечной тканях. Первые опыты по практическому применению данного метода были осуществлены биологами В. М. Клечковским и В. И. Спицыным. В настоящее время широко используется метод сканирования - метод радиоизотопной диагностики с применением сканеров, или подвижных детекторов излучения, дающих изображение (в виде «штрихов») распределенных в организме радиоактивных изотопов посредством «построчного» обследования всего тела или его части. В качестве радиоактивного изотопа чаще всего применяют изотоп 99mТс , который используют в диагностике опухолей головного мозга, при исследовании центральной и периферической гемодинамики. В частных случаях также используют изотопы золота 198Au (для исследования раковых опухолей в критических ситуациях), йода (диагностика заболеваний щитовидной железы).
![]() |
![]() |

С П И С О К Л И Т Е Р А Т У Р Ы
1. Ландсберг Г. С. Элементарный учебник физики. Том III. – М.: Наука, 1986
2. Селезнев Ю. А. Основы элементарной физики. – М.: Наука, 1964.
3. CD ROM «Большая энциклопедия Кирилла и Мефодия», 1997.

Похожие рефераты:
Концепции современного естествознания
Безкорпусная герметизация полупроводниковых приборов
Особенности работы счетчиков излучения
Российские нобелевские лауреаты
Миграция радионуклидов стронция-90 в почвах различных типов Павлодарской области
Контроль качества сгорания топлива в методических нагревательных печах
Развитие Физики во второй половине ХХ в.
Лазерное излучение в биологических исследованиях
Ответы к экзаменационным билетам по физике 11 класс (ответы к 29 билетам)


