| Похожие рефераты | Скачать .docx |
Дипломная работа: Разработка эффективной системы энергоснабжения на основе возобновляемых источников энергии туристической базы пансионата "Колос"
Введение
Во все времена для обеспечения своей жизнедеятельности, удовлетворения различных потребностей человек создавал, совершенствовал и развивал различные виды производства. Изобретение топливных двигателей, а затем и электрических машин, явилось в свое время значительным событием в развитии энергетики. Оно определило и современное состояние электроэнергетики, в основе которой лежат тепловые электростанции, работающие на различном ископаемом топливе.
Но в последнее время, когда казалось, что перспективы традиционной энергетики на ископаемом топливе достаточно устойчивы, в нарастающем темпе стали проявляться ее негативные стороны - загрязнение окружающей среды в сочетании с быстрым уменьшением легкодоступных запасов угля, нефти, газа. Так, по данным ЮНЕСКО /16/, при сохранении существующих тенденций потребления мировых запасов ископаемого топлива хватит на 40 - 100 лет.
Естественно, что человечество попыталось среагировать на появляющиеся проблемы и было выдвинуто ряд решений по их преодолению. В частности, были найдены возможности использования термоядерных реакций, которые могут обеспечить человечество энергией на многие тысячелетия. Однако, экологические проблемы при этом не снимаются, а наоборот, еще более обостряются из-за необходимости хранения радиоактивных отходов и возможности аварий атомных электростанций. Таким образом, можно полагать, что освоение атомной энергии не устраняет проблем энергообеспечения.
В настоящее время во многих странах Мира (в том числе развитых и обладающих атомной энергией) все большее внимание уделяется возобновляемым источникам энергии (ВИЭ), при этом исследуются возможности использования энергии Солнца, ветра, рек, приливов биотоплива и др. ВИЭ находятся в природе в естественном состоянии, поэтому не создают экологических проблем, и в силу своей возобновляемости являются неисчерпаемыми. Однако, применение ВИЭ для энергоснабжения различных объектов в настоящее время тоже в некоторой степени является проблематичным.
Так, для некоторых ВИЭ характерно непостоянство мощности во времени. Причем график изменения мощности ВИЭ может не совпадать с графиком потребности в энергии (проблема несовпадения).
Кроме того, в настоящее время капитальные затраты на сооружение энергоустановок на основе ВИЭ превышают капитальные затраты на энергоустановки на ископаемом топливе (проблема стоимости). Существуют и еще менее значительные проблемы, связанные в основном с конструкцией энергоустановок на ВИЭ.
Однако, все эти проблемы не являются принципиально неустранимыми, а порождены, на наш взгляд, недостаточной разработкой вопросов использования ВИЭ. Разнообразие ВИЭ, современные достижения науки и техники в области электротехники (включая аккумулирование и повышение к.п.д. электроприемников), а также непрерывный рост стоимости традиционной энергии на фоне снижения стоимости энергоустановок на ВИЭ дают основания надеяться на успешное преодоление основных проблем их использования.
Наиболее крупным потребителем горячей воды является животноводство, которое занимает ведущее место в АПК России по потреблению энергетических ресурсов (18-22 % топлива и электрической энергии от всех энергоресурсов, используемых на производственные цели в сельском хозяйстве).
Системы гелионагрева широко используют для горячего водоснабжения и обогрева на фермах, теплицах, теплоснабжения низкотемпературных производственных и бытовых процессов, сушки сельскохозяйственной продукции, опреснения воды. Это обусловлено тем, что/9/:
- потребность в низкопотенциальной тепловой энергии составляет 30-45% от общего энергопотребления в сельском хозяйстве;
- для выполнения многих производственных и бытовых операций и процессов на объектах животноводства, как правило, необходимы низкотемпературные (до плюс 65 °С) теплоносители в виде жидкости (обычно воды) или воздуха;
- низкотемпературные гелионагреватели имеют достаточно высокий коэффициент преобразования энергии (0,3-0,75), просты по конструкции, могут функционировать без концентраторов и систем непрерывной ориентации и оказывает минимальное воздействие на окружающую среду.
Использование солнечной энергии для теплоснабжения позволит/9/:
-замещать от 20 до 60% тепловой нагрузки объектов сельского хозяйства в зависимости от климатического расположения;
-исключить затраты на доставку органического топлива (что важно для удаленных потребителей);
-предотвратить загрязнение окружающей среды и сельскохозяйственной продукции.
Исходя из изложенного, целью настоящей работы является разработка эффективной системы энергоснабжения на основе ВИЭ туристической базы пансионата «Колос».
1. Производственно-хозяйственная характеристика объекта проектирования «Гостевой Дом» пансионат «Колос»
1.1 Общая характеристика объекта проектирования
Проектом предусматривается строительство 2-х этажного деревянного гостевого дома для отдыха. Помещения гостевого дома состоят: из спальных номеров на 11 посетителей; комнаты кастелянши; общей комнаты отдыха; бильярдной; сауны и бассейна.
Функции помещении гостевого дома — оздоровительные: отдых, психологическая разгрузка, восстановление сил. Помещения оснащены специальным оборудованием - как санитарным так и технологическим.
Площадь первого этажа 137,21м2 .
Площадь второго этажа 143,32м2 .
Общая площадь помещения дома 280,53м2 .
Из них площадь спальных
номеров 101,4Зм2 .
Площадь помещения общего
пользования 179,10м2
Помещение имеет два главных входа они же являются и аварийными выходами, дополнительный аварийный выходпредусмотрен из помещении сауны и бассейна.
Освещение - электрическое централизованное.
Окна – стеклопакеты по Гост 16289-86.
Двери (наружные) - двери главного входа из металлопластика.
Гост 26689-81.
Двери(внутренние) -- по Гост-26689-81;
Балконные двери - по Гост- 16289-86.
Водопровод - питание от скважины.(в подвале.)
Канализация - самотечная , в выгреб.
Горячая вода - водонагреватели.
Отопление - автономное от котельной.
Режим роботы - круглосуточно.
Состав персонала – 1 человек.
Сан. день - последний день недели.
Исходные данные для проектирования:
Расчетная температура воздуха -370 С;
Скоростной напор ветра 38 кгс/м2 ;
Вес снегового покрова 50 кгс/м2 ;
Расчетная сейсмичность 8 баллов.
1.2 Потребляемая мощность электроэнергии
Энергия, потребляемая пансионатом «Колос», расходуется на обогрев, освещение и приведение в действие различных электроприемников. Для обогрева традиционно используется ископаемое твердое или газообразное топливо, реже жидкое топливо. Применение для этих целей электроэнергии скорее является анахронизмом, нежели перспективным направлением.
Если исключить из рассмотрения обогрев, то остальные потребители являются электрическими и требуют электроэнергии. В этой связи, для проектирования электроснабжения необходимо иметь информацию о графиках электропотребления или изменении потребляемой мощности. В таблице 1.1. приведены нагрузки по объектам пансионата «Колос».
Таблица 1.1.Перечень имеющейся установленной мощности по объектам пансионата «Колос»
| 1. | Корпус № 1 | 2 кВт |
| 2. | Тепловая завеса | 4 кВт |
| 3. | Улица | 1 кВт |
| 4. | Корпус №2 | 2 кВт |
| •5. | Корпус №3 | 1,3 кВт |
| 6. | Корпус №4 | 1,5 кВт |
| 7. | Корпус №5 | 0,9 кВт |
| 8. | Корпус №6 | 1,3 кВт |
| 9. | Баня № 1 | 0,5 кВт |
| 10. | Баня №2 | 0,2 кВт |
| 11. | Туалет | 0,2 кВт |
| 12. | Сторожка | 0,2 кВт |
| 13. | Склад | 0,1 кВт |
| 14. | Склад | 0,1 кВт |
| 15. | Гараж | 0,2 кВт |
| 16. | Конференц зал | 0,7 кВт |
| 17. | Юрта | 0.2 кВт |
| 18; | Проходная | 0,1 кВт |
| 19. | Бар | 0,6 кВт, |
| 20. | Столовая освещение | 5,6 кВт |
| 21. | Эл. плита 4 конфорки духовка духовка |
16 кВт 2 кВт 1 кВт |
| 22. | Холодильник | 0,45 кВт |
| 23. | Пекарня шкаф | 8 кВт 2 кВт |
| 24. | Камера холодильная | 1 кВт |
| 25. | Итого | 53,85 кВт |
В руководящих указаниях по проектированию электроснабжения /28/ приведены данные о максимальной нагрузке на вводе в сельский жилой дом, которая составляет 1,5...7,5 кВт в зависимости от наличия газификации местности и уклада жизни. Однако, данных об изменении нагрузки в течение суток не приводится. В то же время, из-за того, что графики поступления энергии от ВИЭ неуправляемы человеком, для выбора варианта электроснабжения необходимо знать графики потребления электроэнергии.
Но так как рассчитываемый «Гостевой дом», является частью базы туристического отдыха, его основные нагрузки приходятся на летне-осенний период, а мощность ТП расходуется в основном на освещение. В таблице 1.2. приведен перечень осветительного и силового оборудования используемого в доме.
Таблица 1.2.Перечень силового и осветительного оборудования
| № п/п | Наименование, техническая характеристика оборудования | Тип, марка оборудования |
Ед. измерения | количество | Масса единицы оборудования |
|||||
| 1 | 2 | 3 | 4 | 5 | 6 | |||||
| 1 Оборудование светотехническое . | ||||||||||
| 1 | светильник люминесцентный защищенного исполнения 2*36Вт | ЛСП18-2*36 | Шт. | 25 | ||||||
| 2 | светильник накаливания зачищенного исполнения 100Вт | НПП02-100 | Шт. | 11 | ||||||
| 3 | светильник люминесцентный защищенного исполнения 4*18Вт | ЛСП18-4*18 | Шт. | 18 | ||||||
| 4 | Лампа люминесцентная 36Вт, 220 В | Шт. | 50 | |||||||
| 5 | Стартер 220В,40Вт | Шт. | 122 | |||||||
| 1 | 2 | 3 | 4 | 5 | 6 | |||||
| 6 | Лампа люминесцентная 20Вт,220 В | Шт. | 72 | |||||||
| 7 | Лампа накаливания 100Вт,220 В | В220-230-100 | Шт. | 11 | ||||||
| 2 Кабельные изделия | ||||||||||
| 1 | Кабель силовой с медными жилами сечением ВВГнгLS4*10 | ВВГнг-LS | м | 15 | ||||||
| 2 | Кабель с медными жилами сечением ВВГнгLS3*l,5 | ВВГнг-LS | м | 100 | ||||||
| 3 | Кабель с медными жилами сечением ВВГнгLS3*2,5 | ВВГнг-LS | м | 200 | ||||||
| 4 | Кабель с медными жилами сечением ВВГнгLS4*6 | ВВГнг-LS | м | 15 | ||||||
| Вспомогательные материалы | ||||||||||
| 1 | Выключатель для открытой установки на одну цепь | А14-100 | Шт. | 21 | ||||||
| 2 | Выключатель для открытой установки на две цепи | А54-001 | Шт. | 3 | ||||||
| 3 | Розетка штепсельная с третьим заземляющим контактом для открытой установки одинарная | РА16-256Н | Шт | 14 |
||||||
| 4 | Розетка штепсельная с третьим заземляющим контактом для открытой установки сдвоенная | РА10-213 | Шт. | 15 |
||||||
| Изделия заводов ГЭМ | ||||||||||
| 1 | Коробка ответлительная | У169 | Шт. | 35 | ||||||
| 2 | Коробка монтажная | КВР-1 | шт | 15 | ||||||
Щиток ШР1 запитывается от существующего ВРУ. Учет выполняется электронным счетчиком 'Меркурии 230'
Установленная мощность 22,8 кВт, расчетная мощность 18,53 кВт, напряжение сети 380/220 В.
Силовыми токоприемниками является сауна проводка осуществляется кабелем ВВГнг – LS проложенным в стене.
Электроосвещение выполнено люминесцентными лампами и лампами накаливания.
В проекте дома предусматривается устройство наружного контура заземления. Заземляющий контур состоит из двух вертикальных электродов, длиной по 3 м каждый, соединенных (сваркой) между собой круглой сталью. К третьей нулевой жиле кабеля подключены наружный контур заземления , металлические корпуса светильников , щитков, третьи защитные контакты штепсельных розеток.
1.3 Обоснование проекта
Организованный туризм имеет большое значение для развития Байкальского региона, особенно в силу объявления его особой рекреационной зоной. Перед республикой стоит задача создать комфортные условия для отдыхающих, а именно обеспечить устойчивое энергоснабжение. Но осуществлять это надо с учетом того, что оз. Байкал относится к участку мирового наследия, по этому использование для энергоснабжения традиционных источников энергии, несущих негативное воздействие на экологическую обстановку в регионе просто недопустимо. Единственным рациональным выходом из данной ситуации служит использование экологически чистых возобновляемых источников энергии – солнца и ветра. К тому же Байкальский регион является перспективным для использования установок на основе ВИЭ.
В дипломном проекте предложено внедрить в пансионате «Колос» фото-ветро установку, пассивную солнечную систему и гелиосистему, для автономного энергоснабжение гостевого дома.
Ни для кого не секрет, что цены на тепловую и электрическую энергию с каждым годом будут только повышаться, а ресурсов становиться все меньше, поэтому направление данной дипломной работы является перспективным и актуальным в сложившейся ситуации, а внедрение экологически чистых, энергоэффективных установок на основе ВИЭ позволит не только значительно снизить затраты на традиционное топливо и электроэнергию, но и получать экологически чистую энергию, сохраняя природу Байкальского региона.
2. Обзор экологически чистых энергопассивных домов
Солнечное теплоснабжение в жилищно-коммунальной и производственной сферах получило в мировой практике наибольшее распространение по сравнению с другими направлениями этого источника, является наиболее приемлемым по экономической эффективности и способно снизить энергопотребление в доме до 60% . В свое время в бывшем СССР было построено несколько десятков опытных индивидуальных жилых домов с различными системами солнечного теплоснабжения. Один из них был построен вблизи г. Ереван в 1981 г. / 18 /: с площадью застройки 89,4 м2 , годовой потребностью 112ГДж тепла, солнечной двухконтурной системой с углом наклона коллекторов 60°. Опытная эксплуатация дома в течение 5 лет показала, что доля покрытий годовых потребностей дома за счет солнечной энергии составила 50-60 %, или 2,8 т у.т. экономии тепла.
Представляет большой интерес опыт скандинавских стран в разработке "солнечных домов", а также стран северных широт от 50° до 60е с.ш. — Великобритании, Дании, Швеции, Германии, Канады.
Так, в Великобритании первый дом с использованием солнечной энергии и теплового насоса для отопления помещения был построен в 1956 г. Кэртисом . Затем было построено здание, получившее наиболее широкую известность в Европе — приставка к школе Св. Георгия в г. Валласей ,
На этом примере доказали, что пассивный сбор солнечной энергии на имеющей двойное остекление, ориентированной на юг, стене большой площади может обеспечить по меньшей мере 30% общей потребности в отоплении.
Из устройств с пассивным сбором солнечной энергии широко известна стена Тромба-Мишеля. Первый "солнечный" дом по проекту Ж. Мишеля и Ф. Тромба был построен в Шовенси-ле-Шанто в 1972 г. (49° 10' с.ш.), а с 1973 г. на Парижской ярмарке представлялись уже различные типы домов с солнечным отоплением.
В бывшей ФРГ первый солнечный дом был построен научно-исследовательской лабораторией Филиппе в 1975 г. в Аахене (50°30' с.ш.) и в этом же году был построен дом, обеспечиваемый солнечной энергией в Копенгагене, Дания (55°43' с.ш.) .
Солнечный дом в Южной Германии (Драмштат-Кранинхтейн) является одним из первых домов в Средней Европе, энергоснабжение которого обеспечивается только за счет солнечной энергии . Хотя интенсивность солнечной радиации в Германии составляет 1000 кВт/ ч/м2 в год, знаменитому Научно-исследовательскому институту Солнечной энергетики им. Фраунгофера удалось реализовать идею создания самодостаточного солнечного дома площадью 145 м2 за счет: современной прозрачной изоляции, энергоэффективных солнечных коллекторов и батарей, повторного использования и сезонного аккумулирования тепла и энергосберегающей бытовой техники. Сезонное хранение энергии обеспечивается за счет запаса сжатого водорода и кислорода, получаемых электролизом воды. Электрообеспечение дома и электролиз воды осуществляется за счет электроэнергии, вырабатываемой солнечными батареями. Таким образом, удалось снизить потребление тепла в год на отопление на 1 м2 до 9,3 кВт*ч, тогда как в жилых домах Германии расходуется 250 кВт*ч/'м2 .
Современные проекты энергоэффективных жилых домов с использованием солнечной энергии для условий Сибири приведены в /9/ , и по мнению специалистов, даже в условиях северных регионов за счет возведения двойной оболочки здания с использованием солнечной энергии можно обеспечить до 40% экономии тепла.
Учитывая развитие технологий возобновляемой энергетики, с должной долей уверенности можно сказать о реальной возможности создания эффективной системы энергоснабжения удаленных от центральной энергосети сельских домов при условии комбинированного использования энергии солнца, ветра и биомассы, говорится в /18/ и здесь же предлагается рациональная схема энергоснабжения автономного сельского жилища.
Специалисты Швеции, приступив к массовому внедрению систем теплоснабжения с использованием солнечной энергии, пришли к выводу о необходимости создания в северных широтах аккумуляторов, способных накопить летом большое количество солнечного тепла и сохранить его на зимний холодный период. В связи с тем, что относительная стоимость теплоизоляции уменьшается при увеличении объема хранения, предлагается создание теплохранилищ на группу зданий или поселок, т.е. создание централизованного теплоснабжения с обслуживанием всей системы специалистами, что повышает надежность ее работы и эффективность.
В 1971 г. впервые в Канаде инженер-электрик Э. Хоффман оборудовал свой дом воздушной системой отопления с солнечными коллекторами, эта система обеспечила 50% нагрев воздуха дляотопления и потребности в горячей воде. Затем интересные архитектурно-конструктивные решения применил инженер Грет Аллен в 1974 г. в штате Онтарио. Дом рассчитан па 50% обеспечения энергией за счет солнца, тепло, вырабатываемое 18 м2 СК, сохраняется в резервуарах с двумя тоннами парафина. В последующие годы было осуществлено строительство нескольких здании с утилизацией солнечной энергии (при финансовой поддержке Правительства Канады) - административные, торговые и жилые здания, причем основным направлением, как и в Швеции, является: пассивная утилизация солнечного тепла и строительство домов с малым потреблением энергии, создание специального оборудования для северных тепловых гелиосистем централизованного теплоснабжения зданий и поселков с аккумуляторами летнего солнечного тепла.
В то время как в России многие специалисты до сих пор воспринимают пассивные дома как фантастику, в США уже много лет проводится очный общенациональный студенческий конкурсу по проектированию и строительству энергопассивных домов.
Требования конкурса: мини-дома должны быть полностью автономными энергетически, причём — в любое время года. Это так называемые "дома нулевой энергии". В их конструкции необходимо по максимуму использовать экологически чистые, легко утилизируемые материалы из возобновимого сырья.
Дома должны генерировать достаточную мощность от Солнца, чтобы в них можно было спокойно включать стиральные и посудомоечные машины, компьютеры и телевизоры, и, разумеется, чтобы обеспечивать дом теплом, светом и вентиляцией.
В конкурсе 2005 года приняло участие 18 команд, построенные дома свозили в "Солнечную деревню", расположенную в Вашингтоне.
Дома оценивались по 10 дисциплинам: удобство для проживания, интерьер; проектная документация; коммуникации; климатический комфорт; приборы, оснащение; горячая вода; освещение; общий баланс энергии; и энергоэкспорт.
Анализируя вышеизложенное можно сказать, что Россия, имея огромный потенциал солнечной энергии, значительно отстает от ведущих стран запада в плане внедрения экологически чистых энергопассивных домов, финансирования и реализации проектов в данной области.
3. Анализ возобновляемых источников энергии
3.1 Солнечное излучение
После энергетического кризиса 1973 г. правительствами стран и частными компаниями были приняты экстренные меры по поиску новых видов энергетических ресурсов для получения электроэнергии. Таким источником в первую очередь стала солнечная энергия. Были разработаны параболо-цилиндрические концентраторы. Эти устройства концентрируют солнечную энергию на трубчатых приемниках, расположенных в фокусе концентраторов. Интересно, что в 1973 г. вскоре после начала нефтяного эмбарго был сконструирован плоский концентратор, явившийся успехом научной и инженерной мысли.
Это привело к созданию первых солнечных электростанций (СЭС) башенного типа. Широкое применение эффективных материалов, электронных устройств и параболо-цилиндрических концентраторов позволило построить СЭС с уменьшенной стоимостью - системы модульного типа. Началось внедрение этих систем в Калифорнии фирмой Луз (Израиль). Были подписаны контракты с фирмой Эдисон на строительство в южной Калифорнии серии СЭС. В качестве теплоносителя использовалась вода, а полученный пар подавался к турбинам.
Первая СЭС, построенная в 1984 г., имела КПД 14,5%, а себестоимость производимой электроэнергии 29 центов/(кВт-ч). В 1994 г. фирма Луз реорганизована в компанию Солел, базирующуюся в Израиле, и продолжает успешно работать над созданием СЭС, ведет строительство СЭС мощностью 200 МВт/18/, а также разрабатывает новые системы аккумулирования энергии. В период между 1984 и 1990 г. фирмой Луз было построено девять СЭС общей мощностью 354 МВт. Последние СЭС, построенные фирмой Луз, производят электроэнергию по 13 центов/(кВт-ч) с перспективой снижения до 10 центов/(кВт*ч). Д. Миле из университета Сиднея улучшил конструкцию солнечного концентратора, использовав слежение за Солнцем по двум осям и применив вакуумированный теплоприемник, получил КПД 25-- 30%. Стоимость получаемой электроэнергии составит 6 центов/(кВт-ч). Строительство первой экспериментальной установки с таким концентратором начато в 1994 г. а Австралийском национальном университете, мощность установки 2 МВт. Считают, что подобная система будет создана в США после 2000 г. и она позволит снизить стоимость получаемой электроэнергии до 5,4 цента/(кВт-ч). При таких показателях строительство СЭС станет экономичным и конкурентоспособным по сравнению с ТЭС.
Другим типом СЭС, получившим развитие, стали установки с двигателем Стирлинга, размещаемым в фокусе параболического зеркального концентратора. КПД таких установок может достигать 29%. Предполагается использовать подобные СЭС небольшой мощности для электроснабжения автономных потребителей в отдаленных местностях.
В перспективе можно использовать для получения электроэнергии разность температуры слоев воды в океане, которая может достигать 20°С. Станции на этой основе (ОТЭС) находятся в разработке. Первый вариант подобной установки мощностью 5 МВт проектируется в Израиле. Меньшие по мощности установки действуют в Австралии, Калифорнии и ряде других стран. Основная сложность перспективы их использования - низкая экономичность и как следствие отсутствие коммерческого интереса.
Начиная с 70-х годов правительства индустриальных стран израсходовали биллион долларов на разработки фотоэлектрических преобразователей. За последние 10 лет стоимость фотоэлектрических преобразователей снижалась и достигла 3,5-4,75 дол/Вт, а стоимость получаемой энергии 25-40 центов/(кВт/ч). Мировой объем производства с 6,5 МВт в 1980 г. увеличился до 29 МВт в 1987 г. и в 1993 г. составил более 60 МВт./р.и./
В Японии ежегодно выпускается 100 млн. калькуляторов общей мощностью 4 МВт, что составляет 7% мировой торговли фотоэлектрическими преобразователями. Более 20 тыс. домов в Мексике, Индонезии, Южной Африке, Шри-Ланке и в других развивающихся странах используют фотоэлектрические системы, смонтированные на крышах домов, для получения электроэнергии для бытовых целей.
Наилучшим примером использования таких систем является Доминиканская республика, где 2 тыс. домов имеют фотоэлектрические установки, сконструированные в последние 9 лет. Стоимость такой установки 2 тыс. дол.
В Шри-Ланке израсходовано 10 млн. дол на электрификацию 60тыс. домов с помощью фотосистем. Стоимость установки мощностью 50Вт, включающая фотопанель, источник света и аккумуляторную батарею, составляет 500 дол.
В будущем стоимость ycтaновки для малых систем будет снижаться, например установки с люминесцентными лампами. В Кении в течение последних лет 20 тыс. домов электрифицировано с помощью фотосистем по сравнению с 17 тыс. домами, где за это же время введено централизованное электроснабжение. В Зимбабве за счет кредита в 7 млн. дол, выделенного в 1992 г., электрифицировано 20 тыс. домов в течение 5 лет. Мировым банком выделен кредит в 55 млн. дол. для электрификации 100 тыс. домов в Индии фотосистемами. В США стоимость 1 км распределительных электросетей составляет 13-33 тыс. дол. Контракт на установку мощностью 500 МВт, включающую электроснабжение дома, освещение, радио, телевидение и компьютер, составляет не менее 15 тыс. дол. (включая аккумуляторную батарею). Уже имеется 50 тыс. таких установок в городах и ежегодно строится около 8 тыс. установок. Среди индустриальных стран кроме США также лидируют в использовании фотосистем в домах Испания и Швейцария.
Если даже ежегодно в мире будет снабжаться фотосистемами 4 млн. домов (1% тех, что электрифицируются ежегодно), то общая установленная мощность фотосистем составит всего 200 МВт, что в 4 раза меньше мирового производства их в 1993 г. Если производство фотосистем достигнет ежегодно 1% общей продажи энергии в мире, то их производство по сравнению с современным уровнем должно возрасти десятикратно, а увеличение до 10% этой продажи приведет к стократному росту производства фотосистем.
Для успешного внедрения фотосистем их удельная стоимость должна быть снижена в 3-5 раз прежде, чем появятся крупные энергосистемы.
Половина продажи кремния приходится на монокристаллы, поликристаллическая модификация также имеет большое будущее. Большое будущее будут иметь тонкопленочные системы, в частности на основе аморфного кремния. Некоторые образцы фотоэлектро-преобразователей на основе аморфного кремния имеют КПД 10%, удельную стоимость 1 дол/Вт, стоимость получаемой электроэнергии 10-12 центов/(кВт/ч) - это ниже, чем была ее стоимость в 1993 г. Имеется перспектива снижения стоимости до 4 центов/(кВт /ч) к 2020 г.
Итак, фотоэнергетика может стать ведущим источником энергии мировой большой индустрии. Это подтверждают сделанные в 1994 г. разработки, считают эксперты. В результате создания новых технологий и повышения технического уровня продукции может быть преодолен барьер для внедрения фотоэлектрических систем, связанный с высокой их стоимостью. Так, по инициативе корпорации Енрон ведется разработка фотоэлектрической станции мощностью 100 МВт для строительства в Неваде, на которой стоимость вырабатываемой электроэнергии составит 5,5 цента/(кВт/ч).
3.1.1 Определение основных параметров солнечной энергетики
Одним из перспективных ВИЭ является солнечное излучение. Так, полная средняя мощность солнечного излучения на Землю составляет 1,2×1017 Вт, т.е. на одного человека приходится около 30 МВт /16/.
Мощность солнечного излучения зависит от широты местности, времени года и суток. Кроме того, мощность солнечного излучения, практически достигающего поверхности Земли (т.е. за вычетом потерь в атмосфере), зависит также и от состояния атмосферы (наличия облаков, тумана, пыли и т. п.). Так как состояние атмосферы зависит от многих случайных факторов, то суточные и годовые графики поступления солнечной энергии имеют сложный характер.
Суммарная солнечная радиация ЭУ Включает в себя излучение, падающее на горизонтальную земную поверхность, двух видов: прямое и диффузное /9 /.
(3.1.)
где Эпр - прямое солнечное излучение, представляет собой поток излучения, поступающего от солнечного диска и измеряемого в плоскости, перпендикулярной солнечным лучом;
Эр -диффузное излучение поступает на Землю от остальной части небесной полусферы, претерпевая рассеяние при прохождении через атмосферу;
- высота Солнца - угол в вертикальной плоскости (угол подъема над горизонтом).
Знать высоту солнца очень важно. При большой высоте Солнца увеличивается число световых часов, во время которых можно аккумулировать солнечную энергию.
Для известных значений месячного прихода суммарной солнечной радиации
на горизонтальную площадь S валовый потенциал солнечной радиации (СР) можно рассчитать по формуле:
(3.2.)
Количество солнечной радиации в различных местностях Западной и Восточной Сибири сильно зависит от их географических характеристик, климата (и даже микроклимата) и трудно прогнозируемых факторов. Анализ многолетних данных поступления солнечной радиации Эпр на территорию Сибири показал, что потенциал гелиоресурсов достаточно высок и не уступает южным регионам (табл.3.1.).
Таблица 3.1.Потенциал гелиоресурсов для различных климатов/9/
| Район | Эпр , МДж/м2 . | Число ясных дней | Продолжительность солнечного сияния |
Очень холодный: -Оймякон |
4449,8 | 137 | - |
Умеренно холодный: -Новосибирск -Улан-Удэ -Чита |
3687,6 4219,6 4324,0 |
86,2 153.0 210,0 |
2077 2472 2353 |
Умеренно влажный: -Владивосток |
3691,5 | 99,0 | - |
Умеренно теплый: -Растов-на-Дону |
3561,5 | 121,0 | - |
Важной характеристикой радиационного режима является продолжительность солнечного сияния, которая к примеру за год для г. Улан-Удэ составляет 2472 ч, в г. Чита- 2353 ч, в г. Новосибирске- 2077ч.
В зависимости от сезонных особенностей суточного хода облачности в том или ином районе региона периоды с непрерывной продолжительностью солнечного сияния могут относится к разным частям дня. Последнее обстоятельство имеет важное значение для оценки поступающей солнечной радиации к приемным поверхностям, поскольку наибольшая интенсивность ее наблюдается в околополуденные часы. Поэтому существенно, чтобы именно на это время приходилась максимальная повторяемость солнечного сияния.
Таблица 3.2Продолжительность эффективной работы гелиоустановок (час) поданным непрерывного солнечного сияния станций Республики Бурятия /9/
| Месяц | Иволгинск | Баргузин | Кяхта | С-Озерск | Нижнеангарск |
| Февраль | 5,9 | 5,4 | 7,3 | 6,8 | 5,6 |
| Март | 7,8 | 8,1 | 8,6 | 7,6 | 5,7 |
| Апрель | 8,41 | 9.5 | 8,9 | 8,8 | 73 |
| Май | 10,0 | 10,8 | 9,4 | 10,0 | 83 |
| Июнь | 10,5 | 10,6 | 10,6 | 10,2 | 9,0 |
| Июль | 9,9 | 9,0 | 9,7 | 9,0 | 9,7 |
| Август | 8,5 | 93 | 8,7 | 8,3 | 8,1 |
| Сентябрь | 7,0 | 6,8 | 6,4 | 6,9 | 6,5 |
| Октябрь | 4,8 | 4,3 | 6,4 | 5,4 | 5,2 |
Важнейшую роль в эффективной работе гелиоустановки, играет так же оптимальная ориентация приемника солнечной энергии, которое определяется тремя основными углами- широтой местоположения приемника
, часовым углом w
, склонением Солнца
(рис. 3.1.)

Рис. 3.1 Схема кажущегося движения Солнца по небосводу
Широта
- это угол между линией, соединяющей точку А с центром Земли 0, и ее проекцией на плоскость экватора. Часовой угол -
это угол, измеренный в экваториальной плоскости между проекцией линии ОА и проекцией линии, соединяющей центры Земли и Солнца. Угол w
=
0 в солнечный полдень; в 1 ч. соответствует 15°. Склонение солнца
- это угол между линией, соединяющей центры Земли и Солнца, и ее проекцией на плоскость экватора. Склонение солнца в течение года непрерывно изменяется: от -23°27' в день зимнего солнцестояния 22 декабря до +23°27' в день летнего солнцестояния 22 июня и равно нулю в дни весеннего и осеннего равноденствия (21 марта и 23 сентября).
Согласно рис.3.1. наибольшая плотность мощности космического солнечного излучения будет при совпадении нормали к площадке и направления на Солнце. Так как положение Солнца относительно Земли непрерывно изменяется в течение года и суток, то для получения максимально возможной плотности мощности солнечного излучения углы должны меняться соответствующим образом, т.е. необходимо непрерывное слежение за Солнцем.
Однако, как показали многочисленные работы при этом сильно увеличивается стоимость солнечной установки, превышая стоимость прибавки мощности от слежения. В этой связи, для маломощных солнечных установок наиболее эффективными являются фиксированные солнечные приемники (коллекторы).
В табл. 3.3. представлена зависимость месячного прихода солнечной радиации на наклонную поверхность от угла наклона СК.
Таблица 3.3 Месячный приход СР в МДж/м2
на наклонную площадку с ориентацией на юг в ясные дни для углов
= 20° , 40° , 50° . 60° , 70° , 90° /
9/.
| Месяц | Кол-во ясн. дн | 20° | 40° | 50° | 60° | 70° | 90° | 0° |
| I | 21,9 | 191,66 | 261,17 | 287,30 | 306,95 | 318,75 | 318,55 | 117,38 |
| II | 22,7 | 320,31 | 418.26 | 453,19 | 478,13 | 491,45 | 452,64 | 217,92 |
| Ш | 22,3 | 466,68 | 544,90 | 608,47 | 529,74 | 579,98 | 523,48 | 363,94 |
| IV | 14,5 | 350,81 | 357,35 | 366,47 | 353,01 | 345,29 | 287,47 | 333,50 |
| V | 10,9 | 299,74 | 285,22 | 281,18 | 266,29 | 246,04 | 189,23 | 304,55 |
| VI | 10,6 | 329,03 | 305,07 | 294,86 | 270,61 | 240,80 | 175,75 | 319,91 |
| VII | 9,0 | 267,69 | 250,92 | 244,19 | 228.22 | 204,14 | 149,20 | 255,06 |
| VIII | 8,9 | 232,96 | 229,74 | 230,00 | 219,53 | 209,08 | 168,50 | 211,29 |
| IX | 9,6 | 194,36 | 209,08 | 226,60 | 221,07 | 228,55 | 194,51 | 169,73 |
| X | 12,8 | 235,09 | 294,69 | 311,38 | 320,92 | 322,11 | 297,07 | 152,83 |
| XI | 12,7 | 151,51 | 204,37 | 223,89 | 237.50 | 244,62 | 240,88 | 84,58 |
| XII | 16,7 | 134,72 | 194,53 | 217,87 | 235,55 | 247,04 | 250,55 | 69,14 |
3.2 Энергия ветра
3.2.1 Обзор ветроустановок
Ветер – один из нетрадиционных источников энергии. Ветер рассматривается специалистами как один из наиболее перспективных источников энергии, способный заменить не только традиционные источники, но и ядерную энергетику.
Выработка электроэнергии с помощью ветра имеет ряд преимуществ:
· Экологически чистое производство без вредных отходов;
· Экономия дефицитного дорогостоящего топлива (традиционного и для атомных станций);
· Доступность;
· Практическая неисчерпаемость.
В ближайшем будущем ветер будет скорее дополнительным, а не альтернативным источником энергии. По оценкам зарубежных специалистов (в частности США, достаточная конкурентоспособность ветроэнергетических установок по сравнению с традиционными типами электростанций может быть обеспечена при сокращении стоимости ВЭУ примерно в два раза и повышении их надежности в 3-5 раз. Во многих странах мира (США, ФРГ, ДАНИЯ, ИТАЛИЯ, ВЕЛИКОБРИТАНИЯ, НИДЕРЛАНДЫ и др.) ассигнуются значительные государственные средства на НИОКР в области создания ВЭУ. Особое внимание при проведении этих работ уделяется повышению надежности установок, их безопасности, снижению шума, уменьшению помех теле- и радиокоммуникаций.
В настоящее время можно выделить следующие сановные направления использования энергии ветра:
· Непосредственная выработка механической или тепловой энергии (ветротепловые, ветронасосные, ветрокомпрессорные, мельничные и т.п. установки);
· Удовлетворение потребностей в электроэнергии мелких предприятий, фирм, учреждений и т.п.
В Дании к примеру в 1994 г. действовало приблизительно 3600 ветровых энергетических установок , обеспечивая 3% общей потребности в электроэнергии. В Калифорнии (США) действует 15 000 ВЭУ, обеспечивающих электроэнергией жителей Сан-Франциско. На конец 1997 г. в мире было приблизительно 20 000 ВЭУ, вырабатывающих 3000 МВт/ч электроэнергии в год. В 80-х годах удельная стоимость ВЭУ составляла 3000 дол/кВт, а стоимость вырабатываемой электроэнергии более 20 центов/(кВт/ч)./р.и./ В дальнейшем за счет усовершенствования ВЭУ удельная стоимость снизилась до 1000-1200 дол/кВт, а стоимость производимой электроэнергии до 7-9 центов/(кВт-ч). Для сравнения на новых ТЭС, работающих на газе и угле, она составляет 4-6 центов/(кВт-ч). Многие американские и европейские компании, многие правительства успешно продвигают ветровую технологию, понимая ее значимость. Так, в Калифорнии в 1987 г. установленная мощность ВЭУ составляла 13% по отношению к общей генерирующей мощности, а в 1990 г. - 24%.
В настоящее время наибольшее распространение получают ВЭУ мощностью 300-750 кВт по сравнению с ранее применявшимися ВЭУ мощностью 100кВт. В новых конструкциях ВЭУ используется аэродинамический профиль ветрового колеса, изготавливаемого из синтетических материалов. Насыщается конструкция многими электронными устройствами, включая контроль за изменением скорости ветра, обеспечивающими эффективность использования ветра. Новые конструкции лучше приспособлены к режиму ветра, в 1994 г. стоимость вырабатываемой электроэнергии уже составила 4-5 центов/(кВт-ч).
В США планируется использовать энергию ветра (кроме Калифорнии) в штатах Миннесота, Монтана, Нью-Йорк, Орегон, Техас, Вермонт, Вашингтон, Висконсин и др. ВЭУ занимают в настоящее время 0,6% площади страны. При использовании ветра в 48 штатах может быть выработано до 20% потребности в энергии США. Теоретические расчеты показывают, что в трех штатах: Северная и Южная Дакота и Техас потребность в электроэнергии может быть полностью обеспечена за счет энергии ветра.
В Северной Германии стоимость вырабатываемой ВЭУ электроэнергии составляет 13 центов/(кВт•ч). Предполагалось к 1995 г. ввести вэу общей мощностью 500 МВт и уже в первой половине 1994 г. установленная мощность ВЭУ составила 95 МВт.
В Индии наибольший ветряной бум, поддержанный правительством, начался в 1994 г. Уже в середине 1994 г. было ведено в эксплуатацию 120 МВт и в течение последующих 12 мес. должно быть введено еще 970 МВт. В результате выполнения этой программы в некоторых регионах Индии располагаемая генерирующая мощность возросла в десятки раз.
В Китае, Новой Зеландии, Швейцарии, Канаде и на Кубе официально приступили к осуществлению проектов строительства ВЭУ.
На Украине с помощью американских фирм предусматривается строительство ВЭУ общей мощностью 500 МВт.
Среди стран, которые еще имеют возможность развития ветроэнергетики, следует указать Аргентину, Канаду, Китай, Россию, Мексику, Южную Америку и Тунис, где возможно за счет энергии ветра покрывать до 20% потребности в электроэнергии.
Наконец, 20 малых субтропических стран, где потребности в электроэнергии удовлетворяются за счет дорогих дизель-генераторных установок, имеют возможность развивать использование ветра.
Развитие ветроэнергетики как источника энергии в некоторых странах сталкивается с противодействием. С одной стороны, ветровые фермы занимают большие площади. С другой стороны, возникают проблемы, связанные с изменением ландшафта при строительстве ВЭУ. Площади, занимаемые ВЭУ, могут быть использованы для сельскохозяйственных нужд. Стоимость 1 га земли в зависимости от регионов может составлять от 100 до 2500 дол. и более. Опыт подсказывает, что требования сохранения эстетики в большинстве случаев могут быть решены.
Другой проблемой, связанной со строительством ВЭУ, возникшей в 1994 г. стала потенциальная возможность гибели птиц на путях их миграции. Орнитологи указывают, что некоторые пути миграции птиц проходят через площади, занимаемые ВЭУ. В связи с этим возникла необходимость провести научные исследования для понимания природы и масштабов проблемы. Эксперты надеются на успешное ее решение.
Немаловажными проблемами также являются влияние уровня шума, создаваемого установкой и влияние работы ВЭУ на системы радиосвязи.
Еще одной из проблем ветроэнергетики является то, что регионы, благоприятные для использования энергии ветра, удалены от крупных индустриальных центров, а строительство новых линий электропередач потребует значительных затрат времени и средств. Так, по расчетам специалистов линия электропередачи для передачи мощностью 2000 МВт на 2000 км может стоить 1,5 биллиона дол.
В СССР, а затем в России, ветроэнергетика отстает от ведущих капиталистических стран, хотя географическое положение нашей страны наиболее благоприятно для использования именно этого вида ВИЭ. Особенно справедливо это для степных районов России, к которым относится Республика Бурятия.
Суммарная кинетическая энергия ветра на Земле оценивается величиной порядка 0,7×1021 Дж /16/. Однако большая часть этой энергии выделяется над океанами. Тем не менее, как уже отмечалось, над равнинами, не покрытыми лесами, энергия ветра также довольно высока. Кроме того в такой местности ветер отличается большей устойчивостью, что особенно важно для работы ветроэнергетических установок.
Ниже приведены некоторые из ветроустановок различных мощностей, используемых в мире.
3.2.2 Определение основных параметров ветроэнергетики
Удельная мощность ветрового потока Nуд i (Vi ), проходящего через 1 м2 поперечного сечения определяется по формуле/8/:
(3.3.)
где:
- заданная плотность воздуха при нормальных условиях ![]()
V - скорость ветра, м/с;
Таким образом мощность ветра пропорциональна его скорости в третьей степени, и для оценки этой мощности достаточно иметь информацию о скорости ветра.
В России имеются метеорологические службы, занимающиеся регистрацией скорости ветра , следовательно имеются достаточно достоверные статистические данные о его скорости. Однако при этом следует помнить, что на метеостанциях скорость ветра измеряется на высоте 10 м над поверхностью Земли в данной местности. Поэтому если ветроколесо находится на другой высоте, то скорость ветра следует пересчитать по следующей эмпирической формуле /16/:
, (3.4.)
где: Vh - скорость ветра на высоте h, м/с;
V - скорость ветра по данным метеостанции, м/с;
h - высота оси ветроколеса, м;
b - эмпирический коэффициент.
Для открытых мест параметр b=0,14 /16/. На основании статистических метеорологических данных определены параметры энергии ветра в течение года (табл.3.3.1.).
Таблица 3.4 Вероятность скорости ветра по градациям (в % от общего числа случаев)/ 9/
Ме- сяц |
Скорость (м/сек) | ||||||||||||||||
| 0-1 | 2-3 | 4-5 | 6-7 | 8-9 | 10-11 | 12-13 | 14-15 | 16-17 | 18-20 | 21-24 | 25-28 | ||||||
| ст. Усть-Баргузин | |||||||||||||||||
| I | 31.5 | 33.2 | 18,2 | 8,7 | 3.0 | 0,9 | 2,0 | 1,0 | 1,3 | 0,2 | |||||||
| II | 44,6 | 32.0 | 12,7 | 5,3 | 2,4 | 0,8 | 1,0 | 0,3 | 0,8 | 0,1 | |||||||
| III | 38,3 | 34.1 | 13,3 | 6,1 | 3,7 | 1.3 | 1,6 | 0.7 | 0,8 | 0.1 | |||||||
| IV | 35,8 | 30.2 | 15,2 | 7,9 | 4,7 | 1,4 | 2.2 | 0,6 | 1,7 | 0,3 | |||||||
| V | 33,8 | 30.7 | 18,4 | 7,8 | 3,8 | 1,6 | 1,7 | 0,8 | 1,2 | 02 | |||||||
| VI | 35,7 | 33,1 | 19,0 | 6,3 | 2,6 | 1,1 | 1,1 | 0,3 | 0,7 | 0,1 | |||||||
| VII | 36,9 | 32,4 | 18,8 | 6,5 | 2,1 | 0,8 | 1,0 | 0,4 | 0,9 | 0,2 | |||||||
| VIII | 33,1 | 31.5 | 19,0 | 7,1 | 3,2 | 1,5 | 2,1 | 0,6 | 1,8 | 0,1 | |||||||
| IX | 33,4 | 30.3 | 17,6 | 7,3 | 4,5 | 1,7 | 2,6 | 0,7 | 1,6 | 0,3 | |||||||
| X | 28,5 | 28,0 | 16,7 | 9,6 | 6,1 | 1,6 | 3,1 | 1,6 | 4.2 | 0.6 | |||||||
| XI | 16,4 | 21,4 | 22,3 | 15,6 | 7,4 | 3,6 | 4,0 | 2,5 | 5,2 | 0.6 | |||||||
| XII | 15,6 | 21,2 | 20,9 | 17,2 | 9,1 | 3,1 | 5,0 | 2.3 | 4,5 | 1.1 | |||||||
| Год | 31.9 | 29,8 | 17,7 | 8,8 | 4,4 | 1,6 | 2.3 | 1,0 | 2,1 | 0.4 | |||||||
Из таблицы 3.4. видно, что наиболее вероятные скорости ветра равны 4 - 12 м/с. Удельная энергия, при этом, определялась с учетом вероятностного характера скорости ветра по формуле :
(3.5.)
где: Nуд - удельная мощность ветра ,Вт/м2 ;
Vi - i-тая скорость ветра, м/с;
ti (Vi ) - вероятность действия i-той скорости ветра во время t.
Для проектирования электроснабжения важным параметром является продолжительность штиля (V£1м/с). Из таблицы 3.4. определяем, что вероятность практического штиля в нашей зоне составляет 0,14 -0,30 в зависимости от времени года, однако максимальное количество идущих подряд штилевых дней для Республики Бурятия равно четырем /8/.Это обстоятельство следует учитывать при проектировании ветроэлектрических установок и определения глубины аккумулирования электроэнергии.
Как видно из данной главы Байкальский регион имеет колоссальный ресурс возобновляемых источников энергии, причем как солнца, так ветра, что позволяет с достаточной эффективностью внедрять установки на основе ВИЭ.
4. Технологическая часть
Как показал опыт эксплуатации экодомов, для отопления зданий в условиях Сибири /9/, использование активных солнечных систем неэффективно. Учитывая тот факт, что Гостевой дом будет использоваться в основном в летнее – осенний период целесообразнее будет использовать комбинированную систему теплоснабжения, т.е. для отопления предлагается использовать пассивную солнечную систему, а для горячего водоснабжения – солнечные коллектора с теплоносителем вода.
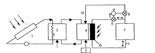
На рис. 4.1. представлена схема системы солнечного теплоснабжения.

Рис. 4.1.Схема системы солнечного теплоснабжения.
1-солнечный коллектор, 2- бак аккумулятор горячей воды, 3- теплообменник, 4- здание с напольным отоплением, 5- дублер, 6- пассивная солнечная система, 7- галечный аккумулятор, 8- заслонки, 9- вентилятор, 10- подача теплого воздуха в здание, 11-подача рециркуляционного воздуха из здания.
4.1 Обзор пассивных систем солнечного отопления
Пассивная система солнечного отопления проста по конструкции и имеет высокую эффективность, система способна обеспечить до 60 % загрузки отапливаемых сооружений /18/.
Сооружение с пассивным использованием теплоты солнечной радиации можно определить как построенную с учетом климатических процессов данной местности систему отопления, использующую строительные элементы, максимально аккумулирующую энергию солнечного излучения для обеспечения микроклимата в помещении, в соответствии с нормами проектирования.
Пассивные гелиосистемы условно разделяют на открытые и закрытые.
В открытых системах лучи солнечного излучения проникают в отопительное помещение через оконные проемы (увеличенных размеров) и нагревают строительные конструкции помещения. Последние при этом являются приемниками и аккумуляторами теплоты.
Такие системы очень просты, но имеют недостатки, а именно: неустойчивость теплового режима; в ряде случаев из-за интенсивной инсоляции возникает некомфортное состояние в помещении; необходимость использования дополнительной нагревательной системы.
В закрытых системах поток солнечной радиации в помещение не проникает, а поглощается приемником солнечной радиации, совмещенного с наружными ограждающими конструкциями. Такая система выполняет как функции основного конструктивного назначения (элементы сооружения), так и функции приема, аккумулирования и передачи теплоты.
Тепловоспринимающая конструкция, как правило, является и аккумулятором теплоты.
Схема сооружения с открытой системой отопления показана на рисунке 4.2. В помещении такого сооружения высока неравномерность суточных температур. При отсутствии инсоляции имеет место резкое охлаждение объема помещения.
Схема закрытой пассивной системы без циркуляции теплоносителя (по проекту А. Е. Моргана) показана на рисунке 4.3. В дневное время поток солнечной радиации нагревает массивную стену сооружения, которая ночью отдает свою теплоту внутреннему объему его. Из-за отсутствия циркуляции воздуха в помещении (или недостаточной циркуляции) внутренний воздух в помещении нагревается неравномерно: около стены теплоприемника воздуха температура наибольшая; при удалении от стены температура его уменьшается значительно.
Аналогично предыдущей является схема пассивного использования теплоты солнечной радиации для отопления, которая спроектирована Г. Хеем. В качестве тепловоспринимающего элемента служит металлическое покрытие, на котором лежат большие черные маты, наполненные водой.
Днем маты с водой открыты для нагрева солнечными лучами. На ночь маты закрываются изолированными панелями с помощью автоматического устройства, которое реагирует на сигнал реостата. Поэтому теплота, аккумулированная матами, передается в основном вниз, т. е. в помещение. Система Г. Хея более эффективно работает в широтах между 45° южной широты и 45° северной широты, в которых солнце находится высоко в небе и где зимы умеренные, а низкие температуры наблюдаются редко.
Примером пассивной закрытой системы с циркуляцией теплоносителя через тепло воспринимающую стену может быть система, приведенная на рисунке 4.4. (солнечный дом Ф. Тромба и Дж. Мишеля). Роль поглотителя и аккумулятора теплоты солнечной радиации играет обращенная на юг массивная бетонная стена дома, покрашенная в темный цвет и отделенная от наружного воздуха одинарным, двойным или тройным остеклением. У верхней и нижней частей стены находятся каналы для циркуляции теплоносителя (воздуха помещения).
Под воздействием солнечного излучения воздух, находящийся в промежутке между стеной и светопроникающим ограждением, нагревается и поступает через верхние каналы в помещение. Этот воздух замещает прохладный, поступающий из помещения через нижние каналы. Тем самым создаются условия для естественной циркуляции воздуха и обеспечивается более равномерная температура в помещении. Ночью, аккумулированная стеной теплота, передается помещению.
В жаркий период года стена Тромба—Мишеля является источником дополнительной теплоты, что создает некомфортные условия для тех, кто находится в помещении. Поэтому целесообразно на наружной поверхности стены уложить тепловую изоляцию, а в межстекольном пространстве — тепловоспринимающий экран из материала с высокой теплопроводимостью, чтобы теплота могла свободно передаваться в пространстве между экраном и стеной. Тепловоспринимающий экран нагревается до температуры 0...120°С и вследствие этого естественная конвекция воздуха становится интенсивной. Тепловые потери при этом сводятся до минимума. В жаркий период тепловая изоляция на наружной поверхности стены предотвращает дополнительное нагревание помещений.
Интенсивное движение воздуха около пола помещения и особенно вблизи канала и стены является источником дискомфорта у людей и может влиять на состояние их здоровья. Поэтому перед выходным отверстием необходимо установить защитный экран.
Заслуживает внимания предложение Д. Шахурди. Пространство между светопроникающим ограждением и стеной рекомендуется выполнить достаточно большим, с тем чтобы использовать его для выращивания растений. Стекла покрыты тонкой пленкой, в которой коэффициент проникновения солнечного луча меняется в зависимости от температуры. При низкой температуре пленка пропускает около 95 % солнечной радиации, если последняя падает на нее под прямым углом. В теплом состоянии она малопрозрачна. В результате солнечная теплота поступает в теплицу не только в солнечную, но и в холодную погоду.
Опыт эксплуатации сооружений с системой отопления Тромба—Мишеля доказал, что поступление теплоты от солнечной радиации на южную и восточную стены в ясный день может покрыть суточные тепловые потери здания. Пассивные гелионагреватели в основном компенсируют тепловые потери сооружения, но для этого необходимо достаточное число ясных дней в отопительный период. Практически пассивная система отопления станет рентабельной при числе ясных дней не менее 60...70 % общего количества дней отопительного периода. В пасмурные дни эффективность пассивной системы уменьшается на 50...60 % относительно номинальной, по сравнению с ясными днями, и в результате этого доля системы в общем балансе энергосбережения незначительна. В этом случае необходимый микроклимат поддерживают или с помощью традиционного источника отопления (например, электрокотельные) или аккумулятора теплоты.
Аккумулирование теплоты значительно повышает эффективность и надежность пассивной системы. Аккумуляторы размещают или в земле (рис. 4.5., а) или внутри сооружения (рис. 4.5., б). В первом случае необходимо наличие вентилятора для подвижности воздуха. Размещение аккумулятора в объеме здания дает больший эффект, так как теплота не теряется в окружающую среду, но такой аккумулятор плохо вписывается в сооружение.
4.2 Расчет отопления
4.2.1 Расчет нагрузки отопления
Исходные данные:
Расчетная нагрузка Рот расч = 30 кВт.
Число градусо-дней отопительного периода. D=7067,9
Тепловую нагрузку отопления дома определяем по формуле /9/:
(4.1.)
где UA – полный коэффициент теплопотерь здания:
(4.2.)
где Тнар расч – расчетная температура наружнего воздуха, принимается -370 С, Твн – внутренняя температура в здании, по нормам СНиП принимается 180 С.

Данные нагрузки отопления по месяцам сводим в табл. 4.1.
Таблица 4.1 Расчет нагрузки отопления
| Месяц | Среднемесячная температура, С0 | Месячная сумма градусодней | Нагрузка отопления, кВт*ч |
Нагрузка отопления, Гкал. |
| I | -22,5 | 1255,5 | 16560 | 14,2 |
| II | -20,8 | 1086,4 | 14340,5 | 12,3 |
| III | -12,9 | 957,9 | 12644,3 | 10,8 |
| IV | -2,6 | 618 | 8157,6 | 7 |
| V | 4,0 | 434 | 5728,8 | 4,9 |
| VI | 10,7 | 219 – | 2890,8 | 2,3 |
| VII | 14,8 | 99,2 – | 1309,4 | 1,1 |
| VIII | 14,4 | 108 – | 1425,6 | 1,2 |
| IX | 8,2 | 294 | 3880,8 | 3,3 |
| X | 0,7 | 536,3 | 7079,16 | 6,1 |
| XI | -8,9 | 807 | 10652,4 | 9,1 |
| XII | -16,8 | 1078,8 | 14240,2 | 12,2 |
| 7067,9 | 93283,7 | 79,9 |
4.2.2 Расчет теплопроизводительности пассивной солнечной системы
Исходные данные: В качестве пассивной солнечной системы используем отдельную оранжерею и расположим ее вдоль стены дома с юга – западной стороны, длинной 13,6 м.
S=13,6*5,1=69,4
70 м2
.
Количество теплоты, поступающей из теплоприемника определяем по формуле:
(4.3.)
где а – длина стены, где расположен теплоприемник;
(mCр )погр – масса пограничного слоя воздуха;
(mCр
)погр
= 3600*
*
* Vср
на 1 м ширины абсорбера (4.4.)
где
- ширина пограничного слоя;
![]()
Vср = 0,9-1 м/с;
С = 1кДж/кг/град;
(mCр )погр =64,8 кДж/м2 * 0 С на 1 м ширины абсорбера.
![]()
Расчетные данные сведены в таблицу 4.2.
Таблица 4.2 Количество полезного тепла, полученного ПСС
Месяц |
Кол-во ясных дней |
Кол-во Qпол , кВт*ч | Кол-во п/ясн. дней | Кол-во Qпол кВт*ч | Qпол всего за месяц |
Нагрузка Отопле-ния |
% замещ |
||
| за ясный день | за ясные дни | За п/ясн. день | В п/ясн. дни |
||||||
| I | 20,8 | 79,5 | 1653,6 | 6,2 | 62,5 | 387,3 | 2040,8 | 16560 | 12,3 |
| II | 23,0 | 141,6 | 3256,8 | 4,4 | 108,3 | 476,5 | 3733,3 | 14340,5 | 26,0 |
| III | 25,2 | 170,7 | 4301,6 | 5,7 | 124,9 | 711,9 | 5013,5 | 12644,3 | 36,6 |
| IV | 18,7 | 199,9 | 3738,1 | 7,9 | 145,7 | 1151,0 | 4889,1 | 8157,6 | 60,0 |
| V | 16,6 | 204,0 | 3386,4 | 7,3 | 170,7 | 1246,1 | 4632,5 | 5728,8 | 80,8 |
| IX | 11,1 | 187,4 | 2080,1 | 9,0 | 108,3 | 974,7 | 3054,8 | 3880,8 | 78,7 |
| X | 10,2 | 183,2 | 1868,6 | 12,9 | 91,6 | 1181,6 | 3068,2 | 7079,16 | 43,3 |
| XI | 7,0 | 108,3 | 758,1 | 16,3 | 66,6 | 1085,6 | 1843,7 | 10652,4 | 17,3 |
| XII | 7,6 | 79,1 | 601,1 | 15,8 | 62,5 | 987,5 | 1588,6 | 14240,2 | 11,2 |
| Всего: | 29864,5 | 93283,7 | 32,0 | ||||||
4.2.3 Определение объема галечного аккумулятора
Результаты математического моделирования работы воздушных систем с галечным аккумулятором, вместимость которого на 1 м2 площади коллектора изменилась в диапазоне от 0,125 от 1 м3 , /9/ показали, что по сравнению с системами нагрева жидкости характеристики воздушных систем несколько слабее зависят от вместимости аккумулятора. Это объясняется тем, что воздушная система может работать в режиме без использования аккумулятора, когда нагретый в коллекторе воздух поступает непосредственно в здание. Более слабая зависимость коэффициента замещения от вместимости аккумулятора также связана с тем, что в галечной засыпке наблюдается сильное расслоение температуры. При увеличении объема засыпки фактически возрастает объем «холодной» части аккумулятора, которая редко нагревается и охлаждается в такой же мере, как и его «горячая часть». Таким образом солнечную воздушную систему теплоснабжения предполагается установить с юго-западной стороны дома под углом 600 к горизонту. Расход воздуха принят равным 10,1 л/ м2 * ч . Вместимость галечного аккумулятора составляет 0,25 м3 гальки на 1 м2 площади системы.
4.3 Расчет горячего водоснабжения
4.3.1 Расчет нагрузки горячего водоснабжения
Нагрузку горячего водоснабжения определяем по формуле /9/ :
(4.5.)
где N – число дней месяца,
n – число жильцов,
Тср - средняя температура горячей воды – 550 С,
Тхол – температура холодной воды, для зимних месяцев – 50 С, для летних – 150 С, осенью и весной – 100 С.
- плотность воды – 1 кг/л.
Ср – теплоемкость – 4190 Дж/кг*К.
Данные нагрузки горячего водоснабжения по месяцам сводим в таблицу 4.3.
Таблица 4.3 Нагрузка горячего водоснабжения
| Месяц | Количество дней | Нагрузка ГВС, МДж |
Нагрузка ГВС, кВт*ч |
Нагрузка ГВС, Гкал. |
| I | 31 | 7793,4 | 2167,2 | 1,9 |
| II | 28 | 7039,2 | 1957,5 | 1,7 |
| III | 31 | 7015,3 | 1950,9 | 1,68 |
| IV | 30 | 6789,0 | 1887,9 | 1,63 |
| V | 31 | 7015,3 | 1950,9 | 1,68 |
| VI | 30 | 6033,0 | 1677,7 | 1,45 |
| VII | 31 | 6234,1 | 1733,6 | 1,49 |
| VIII | 31 | 6234,1 | 1733,6 | 1,49 |
| IX | 30 | 6789,0 | 1887,9 | 1,63 |
| X | 31 | 7015,3 | 1950,9 | 1,68 |
| XI | 30 | 6789,0 | 1887,9 | 1,63 |
| XII | 31 | 7793,4 | 2167,2 | 1,9 |
| 82540,1 | 22953,3 | 19,8 |
4.3.2 Расчет теплопроизводительности солнечного коллектора(СК)
Количество теплоты, поступающей из теплоприемника на 1 м2 солнечного коллектора определяем по формуле:
(4.6.)
где Qпол – полезная тепловая мощность СК, Вт/м2 ,
- плотность потока суммарной солнечной радиации в плоскости коллектора, Вт/м2
.
- пропускательная способность прозрачной изоляции;
- поглощательная способность панели коллектора;
UL – общий коэффициент тепловых потерь, Вт/(м2 *К );
ТТ – средняя температура теплоносителя в коллекторе;
Та – температура окружающего воздуха, К.
- коэффициент эффективности поглощающей панели, учитывающий то обстоятельство, что средняя температура панели всегда выше средней температуры жидкости.
Расчет ведется для СК марки СК-1, со следующими характеристиками: F'R
= 0,94,UL
= 4,12 Вт/м2
* К,
= 1,08.
![]()
Расчетные данные сведены таблицу 4.4..
Таблица 4.4 Помесячное количество теплоты, поступающее из теплоприемника, на 1 м2
СК,
![]()
| Месяц |
МДж/м2 |
Та , К. | Qпол , ГДж. |
| I | 372,3 | 250,5 | 0,076 |
| II | 598,4 | 252,2 | 0,314 |
| III | 622,1 | 260,1 | 0,368 |
| IV | 584,0 | 270,4 | 0,370 |
| V | 523,8 | 277,0 | 0,334 |
| VI | 478,3 | 283,7 | 0,314 |
| VII | 422,8 | 287,8 | 0,273 |
| VIII | 453,0 | 287,4 | 0,303 |
| IX | 517,3 | 281,2 | 0,344 |
| X | 608,4 | 273,7 | 0,407 |
| XI | 520,9 | 264,1 | 0,281 |
| XII | 368,7 | 256,2 | 0,096 |
| 3,48 |
4.3.3 Расчет доли нагрузки горячего водоснабжения, обеспечиваемой за счет солнечной энергии
Доля полной месячной тепловой нагрузки обеспечиваемой за счет солнечной энергии f – есть функция безразмерных комплексов Х и У.
Эти комплексы рассчитываем для всех месяцев года при заданном значении площади коллектора /9/.
Уравнение запишем в виде:
(4.7)
(4.8)
где F'R – коэффициент эффективности отвода тепла, F'R = 0,94
UL – полный коэффициент теплопотерь СК, V = 4,12
F'R /FR – поправочный коэффициент, учитывающий влияние
теплообменника, F'R /FR = 0,97.
Тср – среднемесячная температура наружного воздуха (Табл.4.5.)
Dt – число секунд в месяце (Табл. 4.5)
L – нагрузка горячего водоснабжения (Табл. 4.5)
F'R
·(t
)n
– произведение коэффициента эффективности отвода тепла и приведенной поглощающей способности, F'R
·(t
)n
= 0,97
ta /(ta)n – оптическая характеристика (Табл. 4.5)
– среднемесячный дневной приход солнечной радиации для угла 50° (Табл.4.5)
Таблица 4.5 Данные для определения доли нагрузки горячего водоснабжения
| Месяцы | Число секунд в месяце х 106 | Тср, °С | ta /(ta)n | L, ГДж | D t / L | Qп ГДж х 1м2 | |
I II III IV V VI VII VIII IX X XI XII |
2,68 2,41 2,68 2,59 2,68 2,59 2,68 2,68 2,59 2,68 2,59 2,68 |
-22,5 -20,8 -12,9 -2,6 4,0 10,7 14,8 14,4 8,2 0,7 -8,9 -16,8 |
0,44 0,94 0,94 0,92 0,92 0,90 0,90 0,90 0,94 0,94 0,94 0,94 |
372,3 598,4 622,1 584,0 523,8 478,3 422,8 453,0 517,3 608,4 520,9 368,7 |
7,79 7,04 7,02 6,79 7,02 6,03 6,23 6,23 6,79 7,02 6,79 7,79 |
0,344 0,342 0,382 0,381 0,382 0,429 0,430 0,430 0,381 0,382 0,381 0,344 |
0,076 0,314 0,368 0,370 0,334 0,314 0,273 0,303 0,344 0,407 0,281 0,096 |
I. ![]()
I. ![]()
Для сравнения долю месячной нагрузки определяем для СК площадью S=10 м2 и S=20 м2 из выражения:
(4.9.)
![]()
![]()
Результаты расчетов сведены в таблицу 4.6.
Таблица 4.6 Доли нагрузок горячего водоснабжения, обеспечиваемые за счет солнечной энергии (ориентация – юго-запад , угол 50°)
| Месяцы | Х/А | Y/А | Площади СК 10м2 | Площади СК 20м2 | ||||||
| Х | Y | f | f·L | Х | Y | f | f·L | |||
I II III IV V VI VII VIII IX X XI XII |
0,158 0,156 0,162 0,147 0,138 0,144 0,138 0,138 0,132 0,142 0,156 0,151 |
0,042 0,075 0,078 0,075 0,065 0,067 0,057 0,062 0,067 0,078 0,068 0,042 |
1,58 1,56 1,62 1,47 1,38 1,44 1,38 1,38 1,32 1,42 1,56 1,51 |
0,42 0,75 0,78 0,75 0,65 0,67 0,57 0,62 0,67 0,78 0,68 0,42 |
0,333 0,588 0,606 0,587 0,517 0,529 0,456 0,493 0,530 0,609 0,538 0,332 |
2,59 4,14 4,25 3,99 3,63 3,19 2,84 3,07 3,60 4,28 3,65 2,58 |
3,587 3,439 3,218 2,885 2,646 2,443 2,438 2,444 2,631 2,927 3,309 3,544 |
1,149 1,902 1,721 1,653 1,522 1,447 1,241 1,365 1,521 1,886 1,505 1,224 |
0,231 0,728 0,765 1,023 0,990 1,011 0,916 0,899 0,889 0,949 0,645 0,283 |
4,74 4,72 5,52 6,48 7,18 7,18 6,68 6,54 6,18 6,84 4,5 0,58 |
| ΣfL | 41,8 | 75,59 | ||||||||
Определяем процентное замещение годовой нагрузки для площадей 10 м2 и 20 м2 .
(4.10)
![]()

В нашем случае при отсутствии традиционного горячего водоснабжения дома достаточно коллекторов с площадью А = 10м2 .
4.3.4 Расчет объема бака-аккумулятора
Объем бака-аккумулятора определяем из соотношения /18/:
V = 0,09·А, м3 (4.11)
где А = 10м2
V = 0,09·10=0,9м3 , принимаем V = 1м3 .
4.3.5 Коэффициент полезного действия установки
При расчете ССГВС одной из существенных характеристик является ее КПД, которое определяется по формуле /18/:
(4.12)
где , q – приведенная оптическая характеристика коллектора, q = 0,
v – приведенный коэффициент теплорасхода СК, v=5Вт/м2 ·К
t1 и t2 – температура теплоносителей на входе и выходе из СК, ºС
t1 = tx +5=8+5=13°C
t2 = tг +5=55+5=60°С
Ен – средняя дневная температура наружного воздуха, ºС
QП – табл. 4.4, Вт·ч
А = 10м2



Анализируя расчетные данные установки видим, что наиболее эффективными месяцами эксплуатации являются апрель, май, июнь, июль, август, сентябрь, октябрь.
4.3.6 Проверка правильности выбора площади СК
Потребную площадь коллекторов выбираем по ясному дню самого тёплого месяца года (июль) /18/:
А = N / n ; м2 (4.13)
где, N - суточный расход горячей воды, л.; N = 720 л../29/
n – суточная производительность 1 м2 С.К.
n = QП / m·c·(t гор – tхол ) ; л / м2 ·день. (4.14) /18/
где, QП – количество полезного тепла, вырабатываемого коллектором, кВт·ч/м2 ·сут.; Qп = 3,45 кВт·ч / м2 ·сут.;
m – удельный вес воды, кг/л.; m = 1 кг/л..;
с – теплоёмкость воды, кВт·ч / м2 ·о С.; с = 0,001 кВт·ч / м2 ·о С.;
tгор и tхол –соответственно температура горячей и холодной воды,о С.;
tгор = 55 о С и tхол = 8 о С.
n = 3,45 / 1·0,001· (55-8) = 73,4 л / м2 ·день.
Потребная площадь СК;
А = 720 / 73,4 = 9,8 м2 .
В итоге предлагается внедрить гелиоустановку со следующими параметрами:
- Площадь СК S = 10 м2 .
- Объем бака аккумулятора 1,0 м3 .
- Расход теплоносителя 0,14 кг/сек.
- Теплоноситель – антифриз.
Установку следует расположить на крыше дома, с южной стороны под углом 500 к горизонту.
5. Специальный вопрос
Возобновляемые источники энергии (ветер и Солнце) являются неуправляемыми человеком, поэтому надо стремиться к тому, чтобы потребление электроэнергии было увязано с ее поступлением. Это является особенностью проектирования электроснабжения на основе ВИЭ по сравнению с традиционным электроснабжением.
Проанализировав метеорологические данные и предполагаемые нагрузки дома видим, что зимой, летом и осенью удельная мощность ветра более согласуется с нагрузкой на вводе в дом, чем плотность солнечного излучения, а весной наоборот. На основании этого в качестве основного источника энергии принимается ветер. Так как в течении года наблюдаются штилевые дни, то энергию ветра необходимо дублировать. В этой связи в качестве вспомогательного источника принимается солнечное излучение. Однако прямое солнечное излучение также бывает не каждый день и отсутствует ночью. Это обусловливает необходимость аккумулирования энергии на периоды одновременного отсутствия ВИЭ ветра и Солнца.
Таким образом, для электроснабжения дома принимаются следующие источники энергии:
- ветер
- солнечное излучение
- аккумуляторы (резерв ).
Схема электроснабжения по выбранному варианту показана на листе 5.
Электроснабжение осуществляется следующим образом. Если присутствует ветер, то от ветроколеса приводится во вращение машина постоянного тока, заряжающая аккумуляторы. Если ветра нет или ветроколесо выключено при недопустимо сильном ветре, то аккумулятор питает фотоэнергетическая установка, ВЭУ и ФЭУ могут также работать одновременно.
Из заряженных таким образом аккумуляторов постоянный ток через инвертер преобразуется в переменный и подается к бытовым приборам.
5.1 Определение мощности энергетических установок
Мощность ветроэнергетических установок является одной из наиболее важных характеристик, определяющей надежность системы электроснабжения.
Мощность ветроэнергетической установки (ВЭУ) должна быть достаточной для питания электроприемников дома и зарядки аккумуляторов такой емкости, которой достаточно для питания электроприемников в штилевые дни ( в течении четырех суток ). При этом нужно учитывать, что в период штиля аккумуляторы могут дозаряжаться от фотоэнергоустановки (ФЭУ). Очевидно что суммарная стоимость ВЭУ, ФЭУ и аккумуляторов должна быть при этом минимальной. Таким образом, обоснование мощности энергетических установок является оптимизационной задачей, которую можно сформулировать следующим образом - определить мощность ВЭУ, ФЭУ и емкость аккумуляторов, достаточные для бесперебойного электроснабжения дома и имеющие минимальную стоимость.
5.1.1 Выбор ветроагрегата
Рассчитываем валовой потенциал ветровой энергии на территории пансионата /8/:
(5.1.)
где: NУД – удельная валовая мощность ветрового потока,
V – скорость ветра,
t(V) – дифференциальная повторяемость скорости ветра.
Удельная мощность ветрового потока, проходящего через 1 м2 поперечного сечения находится по формуле:
(5.2.)
где:
- заданная плотность воздуха, при нормальных условиях:
= 1,226 кг/м2
.
Результаты вычислений сводим в таблицу 5.1
Таблица 5.1 Расчет валового потенциала ветровой энергии по станции Усть-Баргузин.
| V, м/с | t(V) % | Nуд Вт/кв.м |
Эуд кВт*ч/м2 *год |
Э s техн ,МВт*ч/км*год при Vn p (м/с). |
|
5 кВт БРИЗ-5000 |
1,5 кВт ВЭУ-1500 |
||||
| 0.5 | 31.9 | 0.0788 | 0.11 | - | - |
| 2.5 | 29.8 | 9.8438 | 64.2 | - | 75,43 |
| 4.5 | 17.7 | 57.409 | 400.5 | 261,3 | 261,3 |
| 6.5 | 8.8 | 173.01 | 866.9 | 391,5 | 391,5 |
| 8.5 | 4.4 | 386.9 | 1267.6 | 437,7 | 437,7 |
| 10.5 | 1.6 | 729.3 | 1073.3 | 285,77 | |
| 12.5 | 2.3 | 1230.5 | 3097.7 | ||
| 14.5 | 1.0 | 1920.6 | 2438.8 | 1198,8 | |
| 16.5 | 2.1 | 2830.0 | 8590 | 1623,6 | |
| 19.0 | 0.4 | 4321.2 | 2876 | ||
| 11659 | 20675 | 2289,3 | 3075,3 | ||
Следовательно средняя удельная валовая мощность ветрового потока составляет
Nуд вал = Эуд вал / Т= 20675/8760=2360 Вт/м2 .
Анализируя вышеизложенное выбираем ветроагрегат мощностью 1,5 кВт. основные технические характеристики которого приведены в таблице 5.2.
Таблица 5.2 Характеристики ветроагрегата ВА-1,5.
| Наименование параметра | ВА-1,5 кВт |
| Мощность на зажимах АБ при скорости ветра 12 м/с | 1,5 кВт |
| Максимальная мощность при скорости ветра 15 м/с | 1,7 кВт |
| Начальная рабочая скорость ветра | 2,5 м/с |
| Буревая скорость ветра | 50 м/с |
| Диаметр ротора | 2,8 м |
| Количество лопастей | 3 |
| Напряжение АБ | 24 В |
| Рекомендуемая емкость АБ | 215 Ач |
| Масса без мачты | 45 кг |
| Высота мачты | 14 м |
| Срок службы | 15лет |
| Температурный диапазон | -40 +60°С |
Рис. 5.1 Зависимость мощности ветроагрегата от скорости ветра.
Конструктивные особенности ветроустановки
| Буревая защита - | вывод ротора из-под ветра |
Ориентация на направление ветра - |
флюгер |
| Материал лопастей - | полиэфирный стеклопластик |
| Соединение генератора с ротором - | без редуктора |
| Генератор - | бесконтактный, синхронный с постоянными магнитами Nd-Fe-B |
| Тип мачты - | стальная труба с растяжками |
Из графика нагрузки видим, что в диапазоне скоростей ветра до 3 м/с и от 25 м/с мощность ВЭУ равна нулю. Суммируя по табл. 5.3 все значения ti
(Vi
) для
и
получаем время простоя ВЭУ в течении года:
tпр = 8760*(0,319)=2794 ч/год.
Выработанная ВЭУ энергия в течении года ЭВЭУ год (кВт*ч) рассчитывается по формуле:
(5.3.)
Результаты расчетов представлены в таблице 5.3.
Таблица 5.3 ЭВЭУ
год
энергетических характеристик ВЭУ:
ВЭУ
(
V
) и
NB
ЭУ
(
V
)
| Vi , м/с | ti, % | NB ЭУ , кВт |
Эi , кВт*ч | NВЭУ под , кВт |
кВт |
|
| 1 | 2 | 3 | 4 | 5 | 6 | 7 |
| 2.5 | 29.8 | 0.05 | 130.5 | 0.07' | 0.02 | 71.4 |
| 4.5 | 17.7 | 0.2 | 310.0 | 0.428 | 0.228 | 46.7 |
| 6.5 | 8.8 | 0.4 | 308.3 | 1.29 | 0.890 | 31.0 |
| 8.5 | 4.4 | 0.95 | 203.23 | 2.45 | 1.50 | 38.8 |
| 1 | 2 | 3 | 4 | 5 | 6 | 7 |
| 10.5 | 1.6 | 1.45 | 203.23 | 5.18 | 3.73 | 28 |
| 12.5 | 2.3 | 1.65 | 332.4 | 9.18 | 7.53 | 18 |
| 14.5 | 1.0 | 1.70 | 312.7 | 14.32 | 12.62 | 11.87 |
| 16.5 | 2.1 | 1.70 | 312.7 | 21.11 | 19.41 | 8.05 |
| 19.0 | 0.4 | 1.70 | 59.16 | 32.23 | 30.53 | 5.27 |
| 2171.7 |
Суммируя все значения Эi получаем, что ЭВЭУ год = 2171,7 кВт*ч/год., тогда число часов использования ВЭУ NВЭУ уст =1,5 кВт будет равно:
h= 2171,7/1,5=1448 ч.
Общее число часов работы ВЭУ в году будет равно:
hВЭУ = Тгод – tпр = 8760 – 2749 = 5965 ч.
Удельная установленная мощность при этом равна:
(5.4.)
![]()
На основании полученных значений Эs техн иNs уст рассчитаем число часов использования удельной установленной мощности ВЭУ на 1 км2
Hр = Эs техн /Ns уст =3075300/3196,8 = 962 ч.
5.1.2 Выбор емкости аккумуляторов
Для расчета емкости аккумуляторов воспользуемся формулой /30/:
, (5.5.)
где: Eа - емкость аккумулятора, А ч;
Uа - напряжение аккумулятора, В.
Wо - суточное расчетное потребление электроэнергии, Вт ч.
![]()
Выбираем свинцовый кислотный аккумулятор марки 6СТ190А;
Определяем необходимое количество аккумуляторов:
N= 1340/190 = 7 шт.
Заряд свинцовых кислотных аккумуляторов ведется двумя ступенями: током
в течении времени t1
до начала газообразования, а затем меньшим током
в течении времени t1
= 2 – 3ч.
Общее время заряда аккумуляторной батареи (АБ):
(5.6.)
Где: САБ = 770 А*ч – емкость АБ
i = 68 А – зарядный ток,
- КПД АБ,

5.1.3 Расчет мощности фотоэлектрической установки
Как уже было сказано выше, ФЭУ является вспомогательным источником энергии и его мощность идет на зарядку АБ, следовательно, зная необходимое время зарядки АБ, можем определить необходимую мощность ФЭУ /30/:
(5.7.)
где: САБ – емкость АБ,
ЕТ – коэффициент разрядки АБ,
U – напряжение АБ,
tзар – время зарядки АБ.
![]()
Определим время, с которым ФЭУ работает с номинальной мощностью:
(5.8.)
где:
- среднесуточный приход солнечной радиации, Вт/ч.
Рпик – приход пиковой мощности Вт на м2 .
tном = 3000/1000 = 3 ч/день.
Теперь можем определить мощность, которую необходимо выработать за день:
![]()
Выбираем фотомодуль марки ФСМ –30-12, с пиковой мощностью 30 Вт.
Отсюда необходимое количество фотомодулей:
n = 370/30
12 шт.
Таким образом, параметры энергосистемы на основе ВИЭ следующие:
Основной источник ВЭУ, Рв = 1,5 кВт;
Дополнительный источник ФЭУ, Рс = 0,36 кВт;
Резерв, аккумуляторы 6СТ190А Еа = 7*190 = 1340 А×ч.
5.1.4 Выбор инвертора
Существует две группы инверторов, которые различаются по стоимости примерно в 1,5 раза.
· Первая группа более дорогих инверторов обеспечивает синосидальное выходное напряжение.
· Вторая группа обеспечивает выходное напряжение в виде упрощенный сигнала, заменяющего синусоиду.
Для подавляющего большинства бытовых приборов можно использовать упрощенный сигнал. Синусоида важна только для некоторых телекоммуникационных приборов.
Выбор инвертора производится исходя из пиковой мощности энергопотребления стандартного напряжения 220В/50Гц. Существует два режима работы инвертора. Первый режим – это режим длительной работы. Данный режим соответствует номинальной мощности инвертора. Второй режим – это режим перегрузки. В данном режиме большинство моделей инверторов в течении нескольких десятков минут (до 30) могут отдавать мощность в 1,5 раза больше, чем номинальная. В течении нескольких секунд большинство моделей инверторов могут отдавать мощность в 2,5-3,5 раза большую чем номинальная. Сильная кратковременная перегрузка возникает, например, при включении холодильника. Как правило, мощность инвертора примерно равна расчетной мощности ВЭУ.
Анализируя вышесказанное принимаем инвертер с напряжением в виде упрощенного сигнала марки МАП 1,5 кВт.
6. Электротехнический раздел
6.1 Выбор аппаратуры управления и защиты
Автоматический выключатель предназначен для защитного отключения цепи управления насосом системы солнечных коллекторов горячего водоснабжения и выбирается из условий :
Uан ³ Uн ;
Iан ³ Iр.mах ; (6.1.)
Iа.откл ³ Iк .
где: Uан , Uн - номинальное напряжение автоматического выключателя и сети соответственно, В;
Iан ,, Iр.mах - соответственно номинальный ток автоматического выключателя и максимальный рабочий ток в сети, А;
Iа.откл - максимальное значение тока короткого замыкания, которое автомат способен отключить, оставаясь в работоспособном положении, А;
Iк - наибольший ток короткого замыкания А.
Принимаем автоматический выключатель АВДТ32 Uн = 230В, Iан =25А./30/
Диоды для предотвращения разряда аккумуляторных батарей ФВУ выбираем исходя из назначения и коммутируемых токов:
принимаем диод VDIном = 100А Uном = 400В./30/
Для контроля температуры выбираем датчики немецкой фирмы Tauchhulse марки ТН100Е SW21.
6.2 Расчет сечения провода
Сечение провода ФВУ определяем по формуле /31/:
(6.2.)
где: l – длинна провода,
Р – мощность установки, кВт,
U – напряжение установки, В,
– удельное сопротивление материала, для меди k = 56 Ом/мм2
.

Принимаем провод марки ПРД-2,5.
6.3 Выбор насоса и вентилятора для системы теплоснабжения
Насос для циркуляции теплоносителя системы горячего водоснабжения выбираем фирмы Grondfos марки GS-25, мощностью 25 Вт.
Вентилятор для циркуляции воздуха в пассивной солнечной системе и комплекс оборудования для открытия и закрытия заслонок принимаем фирмы Resol , марки Deita-501, мощностью 120 Вт.
6.4. Расчет освещения
Несомненно, естественное освещение наиболее ценно и полезно для человека, однако, в зимний период, а также поздней осенью, оно недостаточно. Нормальное освещение помещения обеспечивается при соблюдении нормативов искусственной освещённости.
Искусственное освещение можно рассчитать тремя способами: точечным методом, методом коэффициента светового потока и методом удельной мощности.
Расчёт искусственного освещения помещения производим наиболее точным методом – точечным методом по формуле /7/:
(6.3)
где:
- необходимый световой поток лампы, лм,
ЕМИН – нормированная освещенность, лк,
k – коэффициент запаса,
- коэффициент добавочной освещенности,
- суммарная условная освещенность расчетной точки, лк.
Рассчитаем необходимый световой поток для одной из комнат:

Исходные данные: расчетная высота hР
= 2,5 м, ЕМИН
= 75 лк, k = 1,5,
= 1,2.
На плане намечаем контрольные точки А и Б, в которых освещенность может оказаться наименьшей. Определяем расстояние от этих точек до ближайшей лампы и определяем условную освещенность: ОА=2,54 м, е = 34 лк, ОБ=2,8 м , е = 36 лк.
За расчетную точку принимаем точку Б:
![]()
Выбираем 2 лампы марки БК215-225-100, со световым потоком 1450 лк, и мощностью 100 Вт.
Аналогичный расчет ведем для всего дома, мощность и количество осветительных установок сведены в табл. 6.1.
Таблица 6.1 Перечень осветительных установок.
| № п/п | Наименование, техническая характеристика оборудования | Тип, марка оборудования |
Ед. измерения | количество | Масса единицы оборудования |
| Оборудование светотехническое . | |||||
| 1 | светильник люминесцентный защищенного исполнения 2*36Вт | ЛСП18-2*36 | Шт. | 25 | |
| 2 | светильник накаливания зачищенного исполнения 100Вт | НПП02-100 | Шт. | 11 | |
| 3 | светильник люминесцентный защищенного исполнения 4*18Вт | ЛСП18-4*18 | Шт. | 18 | |
| 4 | Лампа люминесцентная 36Вт, 220 В | Шт. | 50 | ||
| 5 | Стартер 220В,40Вт | Шт. | 122 | ||
| 6 | Лампа люминесцентная 20Вт,220 В | Шт. | 72 | ||
| 7 | Лампа накаливания 100Вт,220 В | В220-230-100 | Шт. | 11 | |
7. Безопасность жизнедеятельности
Использование электроэнергии, парка машин, ядохимикатов, всего того на чем строится работа в современном сельскохозяйственном производстве требует особой осторожности, знаний и умений для сохранения трудоспособности работающего. Поэтому все больше значения приобретают мероприятия по охране труда, обеспечивающие его безопасность и безвредность.
На предприятиях внедряются более современные средства техники безопасности и создаются лучшие санитарно-гигиенические условия, устраняющие травматизм и профессиональные заболевания.
С целью улучшения охраны труда все работники сельского хозяйства должны знать и строго соблюдать нормы и правила по охране труда, правила и инструкции по технике безопасности и производственной санитарии, а также выполнять противопожарные мероприятия.
Условия труда определяются технологией производства с одной стороны и при совершенствовании оборудования появляются все новые правила техники безопасности, а это значит, что на каждом предприятии необходимы специалисты в области охраны труда и техники безопасности
7.1 Анализ охраны труда в пансионате «Колос»
Пансионат «Колос» является базой туристического отдыха основной функцией которого является оздоровление отдыхающих: отдых, психологическая разгрузка, восстановление сил.
Ответственность за организационные мероприятия по охране труда и обеспечение нормальных условий проживания посетителей несет начальник пансионата. Заместитель начальника турбазы отвечает за внедрение мероприятий по техники безопасности, контролирует их выполнение и расход средств, выделяемых для этих целей, проводит вводный инструктаж с вновь прибывшими на работу и инструктаж по техники безопасности и правилах поведения в пансионате со всеми отдыхающими, фиксирует несчастные случай если такие имеются, а также следит за наличием и оформлением уголков по охране труда.
На территории турбазы в летнее время функционирует кабинет первой медицинской помощи.
В пансионате не имеется кабинета по охране труда, в домике обслуживающего персонала имеется стенд по ТБ, на территории пансионата размещены плакаты по соблюдению мер безопасности, предупреждающие надписи.
Не все гостевые комнаты пансионата оснащены огнетушителями и пожарной сигнализацией по требованиям пожарной безопасности. Имеются пожарные щиты.
Проводка в номерах не соответствует современным нормам, и порой проведена прямо по деревянному покрытию алюминиевым 2-х жильным проводом.
Некоторые пешеходные дорожки в вечернее время плохо освещены, местами заросшие густой травой.
Генеральный план пансионата в целом соответствует требованиям техники безопасности.
7.2 Анализ и пути снижения травматизма
7.2.1 Обслуживающий персонал
Основной риск получения травм для обслуживающего персонала связан в основном с опасностью поражения электрическим током, при приготовлении пищи отдыхающим, так как на кухне установлены электроплиты и пекарные шкафы большой мощности (плита 4 конфорки – 16кВт, духовки – 3кВт.).
Необходимые данные для проведения анализа травматизма в пансионате «Колос» выписаны из годовых отчетов хозяйства за последние три года и внесены в табл. 7.1.
Таблица 7.1 Анализ травматизма обслуживающего персонала в пансионате «Колос».
| Показатели | Обозн | Ед.изм | 2004 | 2005 | 2006 |
| Среднесписочное число рабочих | Р | Чел | 10 | 12 | 12 |
| Число травм | Т | - | 1 | 2 | 1 |
| Количество дней нетрудоспособности из-за травм | Д | Дн. | 7 | 12 | 6 |
| Коэффициент частоты травм | Кi | - | 100 | 166,6 | 83 |
| Коэффициент тяжести травм | Кт | - | 7 | 6 | 6 |
| Коэффициент потери рабочего времени | Кпот | - | 700 | 1000 | 500 |
| Ассигнование выделения на охрану труда | Руб. | 15000 | 18000 | 25000 | |
| Фактически израсходовано | Руб. | 12000 | 14500 | 25000 |
Как видно из таблицы 7.1. количество травм обслуживающего персонала в пансионате не велико, это обусловлено хорошей организацией мероприятий по охране труда и техники безопасности, а также достаточным выделением средств на их внедрение.
7.2.2 Отдыхающие
Основной риск получения травм на базе туристического отдыха для посетителей связан в большей мере с принятием водных процедур – купания, так как пансионат находится на побережье оз. Байкал. Существует так же вероятность получения травм вследствии неосторожного обращения с огнем, так как гостевые домики сделаны из дерева, а их посетители прибывают не всегда в трезвом состоянии.
Анализ травматизма отдыхающих за три года приведен в таблице 7.2.
Таблица 7.2 Анализ травматизма отдыхающих в пансионате «Колос».
| Показатели | Обозн | Ед.изм | 2004 | 2005 | 2006 |
| Среднесписочное число отдыхающих | Рот | Чел | 34 | 40 | 41 |
| Число травм | Т | - | 3 | 2 | - |
| Количество дней нетрудоспособности из-за травм | Д | Дн. | 10 | 12 | - |
| Коэффициент частоты травм | Кi | - | 88 | 50 | - |
| Коэффициент тяжести травм | Кт | - | 3,3 | 6 | - |
| Коэффициент потери рабочего времени | Кпот | - | 294 | 300 | - |
| Ассигнование выделения на охрану труда | Руб. | 15000 | 18000 | 25000 | |
| Фактически израсходовано | Руб. | 12000 | 14500 | 25000 |
Как видно из таблицы 7.2. травматизм отдыхающих в пансионате не велик и сводится к ушибам и ссадинам, самый тяжелый случай связан с переломом, вследствие злоупотребления алкоголем. За прошлый год не зафиксировано ни одного тяжелого случая травматизма, это связано с переоборудованием наиболее вероятных мест получения травм отдыхающих, а именно темных заросших травой тропинок, подступов и спусков к воде, а также с усилением контроля за отдыхающими и увеличением финансирования на обеспечение безопасного отдыха.
Анализируя вышеперечисленные риски очевидны и пути снижения травматизма: Во время купания отдыхающих необходимо присутствие на побережье наблюдающего с опытом спасателя, людям не уверенно чувствующим себя в воде предоставлять спасательные жилеты, проводить медицинские осмотры посетителей, ужесточить контроль за соблюдением правил противопожарной безопасности в номерах - в частности курения, в график работы пансионата включить день «безопасности жизнедеятельности», проводить с отдыхающими профилактические беседы о правилах поведения в воде и гостевых номерах.
7.3 Защитное заземление и зануление
Основным электрооборудованием пансионата являются осветительные установки, силовые установки представлены электроплитами и духовками в столовой, электрокотлами и электродвигателями.
Для такого рода потребителей по ПУЭ №6 2006 г. предусмотрено защитное заземление.
Заземление электроустановок следует выполнять при номинальном напряжении 380 В и выше переменного тока 440 В и выше постоянного тока —во всех случаях; при номинальном напряжении от 42 до 380 В переменного тока и от 110 до 440 В постоянного тока при работах в условиях с повышенной опасностью и особо опасных.
Не заземляют установки, работающие при напряжении 42 В и ниже переменного тока и меньше 110 В постоянного тока во всех случаях, за исключением взрывоопасных установок и вторичных обмоток сварочного трансформатора.
Электроплиты и пекарные шкафы в помещении столовой заземлены путем присоединения их нетоковедущих частей сваркой к заземляющему контуру помещения - полосы из стали сечением 4X12 мм.
Насосная установка на водозаборной скважине заземлена путем непосредственного соединения корпуса оборудования с землей.
В случае замыкания фазы на корпуса этих установок электрический ток пройдет в землю через заземлитель, так как сопротивление человека значительно больше, чем сопротивление заземления Rз , которое должно быть не более 10 Ом. Главное назначение заземления — понизить потенциал на корпусе электропотребителя до безопасной величины.
Зануление в пансионате применяется для защиты от поражения электрическим током на силовых и осветительных щитках. Зануление этого электрооборудования осуществляется путем соединения его нетоковедущих частей с заземленной нейтралью питающего трансформатора.
При появлении на корпусе опасного напряжения возникнет однофазное короткое замыкание между фазным и нулевым проводами. По цепи: фаза — корпус — нулевой провод потечет большой ток короткого замыкания, в результате чего сработает плавкий предохранитель или автоматический выключатель. До срабатывания защиты зануление понижает напряжение на корпусе электропотребителя. При наиболее неблагоприятном случае (обрыве нулевого провода) уменьшит опасность поражения устройство повторного заземления нулевого провода, установленное перед вводом в здание.
7.4 Техногенные чрезвычайные ситуации (ЧС), меры профилактики и ликвидации последствий
ЧС – это обстановка, сложившаяся на определенной территории в результате аварии, опасного природного явления, катастрофы, стихийного или иного бедствия, повлекшего или способного повлечь за собой человеческие жертвы, ущерб здоровью людей или окружающей природной среде, значительные материальные потери и нарушение условий жизнедеятельности населения.
ЧС техногенного характера подразумевают: аварии на химически опасных объектах, аварии на радиационно-опасных объектах, аварии на гидродинамически опасных объектах, аварии на транспорте (железнодорожном, автомобильном, воздушном, водном, метро), аварии на коммунально-энергетических сетях, и т.п.
Опасность возникновения техногенной ЧС на территории пансионата могут вызвать трансформаторная подстанция мощностью 63 кВ А и электрокотлы марки РУСНИТ 230, выход из строя и неправильная эксплуатация которых может повлечь за собой взрыв и пожар, что крайне опасно, так как вокруг территории пансионата находится густой лесной массив.
Анализируя ситуацию в пансионате можно предложить следующие меры профилактики техногенных ЧС: проводить плановые осмотры и испытание трансформаторной подстанции и линий электропередач, эксплуатировать котлоагрегаты в условиях установленных заводом изготовителем, вокруг трансформатора установить более эффективное ограждение, вывесить запрещающие плакаты, территорию освещать, помещения где находятся электрокотлы обшить огнестойким материалом, изолировать открытые поверхности котлов температура нагрева которых выше 600 , назначить ответственных за противопожарную безопасность на особо опасных объектах и по гостевым номерам, составить эффективный план эвакуации и четкие меры поведения в ЧС, организовать укрытие для отдыхающих в случаи ЧС, обслуживающий персонал разбить на группы: по эвакуации, по оказанию первой медицинской помощи, по выдачи СИЗ, регулярно проводить учебные пожарные тревоги.
При внедрении данных мероприятий в пансионате значительно улучшится противопожарная безопасность и значительно снизится риск возникновения техногенных ЧС.
7.5 Рекомендации по улучшению состояния охраны труда
1. В гостевых номерах проложить новую проводку в соответствии с СНиП – медным трех жильным проводом, одну жилу которого занулить.
2. Все домики отдыхающих снабдить пожарной сигнализацией ОПС Гранит-2 с датчиками реагирующими на дым, и противопожарными щитами с полной комплектацией.
3. Пешеходные дорожки очистить от травы и снабдить должным освещением.
4. Вести контроль за состоянием здоровья отдыхающих, проводить профилактические беседы по техники безопасности.
5. Руководство пансионата должно обмениваться опытом по безопасности жизнедеятельности и ОТ с руководителями других турбаз.
6. Определить четкие места курения отдыхающих, снабдить их урнами и вывесить таблички «Место для курения».
7. Разработать и внедрить укрытие для отдыхающих в случае возникновения ЧС, а также четкий план эвакуации.
8. Разделить обслуживающий персонал на группы: по эвакуации, по оказанию первой медицинской помощи, по выдачи СИЗ, в случае ЧС.
9. Установить на рабочих местах обслуживающего персонала наглядные пособия по охране труда.
При внедрении этих мероприятий, ситуация по безопасности жизнедеятельности в пансионате должна значительно улучшиться, снизится вероятность получения травм различной тяжести, а следовательно сократится и число полученных травм.
8. Охрана окружающей среды
Одной из главных проблем современности является охрана окружающей среды. Под влиянием деятельности сельскохозяйственного производства изменяются почвы, растительный и животный мир, гидрологические особенности местности качество атмосферного воздуха и др.
Негативные процессы, связанные в основном с экономическими трудностями (зарастание кормовых угодий кустарником, сбитость пастбищ, эрозия почв, заболачивание земель и др.) ведут к снижению уровня качественного состояния земель. Для поддержания плодородия земель необходимо проводить внедрение зональных систем земледелия.
От правильности решения этих проблем в промышленности и сельском хозяйстве зависит успешное развитие экономики, благосостояние современного и будущего поколения. Эта проблема на сегодня начинает занимать главное место во внутренней политике многих стран в сфере международных отношении.
8.1 Экологическая обстановка и значение охраны природной среды в Байкальском регионе
Всем известно, что Байкал является самым большим в мире источником пресной воды, поэтому актуальность сохранения экологического баланса в бассейне озера Байкал и его регионе не вызывает сомнения. Не даром озеро Байкал объявлено «ЮНЕСКО» участком мирового природного наследия, что заставляет нас - жителей Байкальского региона не только чувствовать гордость за то, что мы живем в таком уникальном месте, но и нести огромную ответственность за рациональное использование и сохранение природных ресурсов данного региона.
К великому сожалению, на великом озере далеко не все благополучно. И в прошлом и в настоящем всегда были и есть люди, которые с маниакальной настойчивость стремятся создать противоестественный союз озера Байкал с промышленным комплексом. Позорным памятником их усердию стал пресловутый БЦБК, отравляющий вокруг себя воду, воздух и землю. Странный спор о том, насколько сильно выбросы БЦБК влияют на Байкал, по меньшей мере неуместен, поскольку берега Байкала просто не место для нахождения на них каких-либо промышленных объектов. В нынешних условиях, когда на государственном уровне защита природы принесена в жертву весьма сомнительной экономической выгоде, экологическая ситуация еще более усугубляется, и наш бандитский капитализм, почуяв поживу, начал проявлять нездоровый интерес к заповедным территориям. Горят и вырубаются леса в национальных парках, застроены берега некогда жемчужины западного берега Байкала бухты Песчаной, изувечены турбазами берега Малого Моря, пробурены нефтяные скважины в дельте Селенги. Невиданных размеров достигло браконьерство, полчища вандалов усеивают берега Байкала мусором...
Поэтому мы, как будущие специалисты должны сделать все возможное для сокращения загрязнения окружающей среды, путем внедрения новых экологически чистых технологий, сокращения до минимума использование технологий, оказывающих негативное воздействие на экологическое состояние природы региона, смотреть на расширение сельскохозяйственного производства не только с экономической точки зрения, но и сквозь призму экологических проблем.
8.2 Экологические проблемы Баргузинского района
На территории Баргузинского района находится уникальный заповедник - Баргузинский государственный природный биосферный заповедник одним из старейших заповедников России.
Согласно общепринятой схеме физико-географического районирования Забайкалья, территория заповедника относится к Прибайкальской гольцово-горнотаежной провинции и Байкальской озерной котловине, которые входят в состав Байкало-Джугджурской горнотаежной области. Регион отличается сложностью геологического строения и происхождения.
Колоссальная Байкальская впадина, простирающаяся на стыке Байкальского поднятия и Средне-Сибирского плоскогорья, окружена цепью горных хребтов, среди которых Баргузинский отличается наибольшими абсолютными высотами (до 3000 м).
В Баргузинском районе соприкасаются различные типы зональных ландшафтов. Среднесибирская тайга на западе, восточно-сибирские леса из даурской лиственницы на востоке и северо-востоке, монгольская степь и лесостепь на юге, подступая к Байкалу, нередко образуют пеструю мозаику. Возникает своеобразное переплетение широтной зональности и вертикальной поясности, особенно резко проявляющееся в более южных районах. Такой комплекс формируется под сильным влиянием Байкала. Это особенно заметно там, где Баргузинский хребет вплотную подходит к берегам озера.
На прилегающей территории в альпийском поясе распространены горно-луговые и горно-тундровые почвы, в субальпийском – горно-лесные дерново-перегнойные. В верхней части лесного пояса (до 1400 м) широко развиты горно-лесные подзолистые, отмечены также горно-лесные дерново-подзолистые почвы. В нижней части лесного пояса под пологом лиственнично-сосновых лесов развиты почвы перегнойно-подзолистые, в зеленомошных кедровниках и в лиственных лесах – перегнойно-подзолистые глееватые, на прибайкальской равнине на значительной площади – торфяно-болотные.
Зима на побережье продолжается в среднем 166 дней. Из 134 мм зимних осадков около 80% выпадает до января. Высота снежного покрова на прибрежных равнинах 39-72 см, в среднем около 54 см. В горно-лесном поясе снега выпадает от 62 до 103 см, в субальпийском поясе – от 121 до 189 см, в альпийском – от 158 до 246 см /4/.
Среднесуточные температуры января -22,7°, февраля -22,8°. Продолжительность лета на побережье 79 дней. Безморозный период длится 67 дней. Последние заморозки случаются в июне, первые – в августе. Среднесуточная температура июня 11,8°, августа 12,6". Среднегодовое количество осадков на побережье составляет 407,6 мм. Летом выпадает около 153 мм дождей, большая их часть обычно приходится на вторую половину июля и август.
По наблюдениям М.А.Федоровой, с 1955 г. произошло заметное потепление климата. Зима стала короче и мягче. Количество зимних осадков уменьшилось, а летних – увеличилось. Лето стало длиннее примерно на 25 дней. Среднегодовая температура повысилась на 1 градус, но вместе с тем чаще стали наблюдаться поздне-весенние и летние заморозки. Правда, при выведении средних многолетних показателей за весь период наблюдений эти перемены несколько сглаживаются и выступают не столь рельефно, но тенденция от этого не меняется.
Основными проблемами, оказывающими негативное влияние на экологическую обстановку являются: повсеместная порой несанкционированная вырубка леса, размещение лесопилок в водоохранных зонах рек и водосбора озера Байкал, огромное воздействие на экологию района оказывают неорганизованный туризм и браконьерство.
8.3 Экологическая характеристика пансионата «Колос» Максимиха Баргузинского района
Объектом моего проектирования является туристическая база пансионат «Колос», село Максимиха Баргузинского района, и следовательно находится непосредственно в зоне водосбора озера Байкал. База занимается приемом и размещением туристов, организацией их досуга и отдыха, что оказывает прямое влияние на экологическую обстановку побережья оз. Байкал, так как пансионат находится в 150 метрах от берега озера.
Среднесуточный расход воды в пансионате в летний период колеблется 3000 – 4500 литров в сутки. На территории имеется водозаборная скважина глубиной около 11 метров, оснащенная глубинным насосом, для центрального водоснабжения применяется водонапорная башня с высотой опоры 15 метров и объемом бака 10000 литров. Все объекты водоснабжения, согласно нормам СНиП, имеют зоны санитарной охраны для предотвращения недопустимого ухудшения качества воды по средствам загрязнения и сброса сточных вод.
Канализационные стоки и нечистоты перед сбросом очищаются в специальном накопителе сточных вод.
Горячее водоснабжение осуществляется за счет электрокатлов и водонагревателей марки РУСНИТ 230, теплоснабжение – по средствам автономной котельной, что оказывают воздействие на экологическое равновесие дополнительным нагревом и выделением вредных веществ при сгорании топлива.
Электроснабжение пансионата – центральное, рядом с территорией находится трансформатор мощностью 65 кВ*А, который создает дополнительный шумовой фон, магнитное поле вокруг и вероятность утечки трансформаторного масла при замене и в процессе эксплуатации, что загрязняет почву, а следовательно и воды Байкала.
Не малый вред экологической частоте Байкала наносят и безответственные нерадивые туристы, которые систематически загрязняют побережье пластиковым и другим видом мусора, из-за своего бескультурья вырывают, вытаптывают, вырубают редкие виды растений и деревьев, нанося тем самым непоправимый вред флоре и фауне Байкальского региона. На очистку местности ежегодно БГСХА направляет несколько групп студентов, которые очищают побережье и территорию пансионата, как весной, так и в процессе летнего функционирования турбазы.
8.4 Экологическое обоснование проекта
В ходе разработки дипломного проекта на тему «Автономное энергоснабжение гостевого дома, пансионата «Колос»», мною рассчитаны и предложены к внедрению следующие элементы системы автономного энергоснабжения:
Гибридная фото-ветро установка , для автономного электроснабжения Гостевого дома пансионата «Колос», основным источником энергии, которой является ветер – экологически чистый и неисчерпаемый источник энергии.
Выработка электроэнергии с помощью ветра имеет ряд преимуществ:
· Экологически чистое производство без вредных отходов;
· Экономия дефицитного дорогостоящего топлива;
· Доступность;
· Возобновляемость.
Использование данной установки идеально подходит для туристических баз отдыха находящихся в санитарных и природоохранных зонах, так как такая установка исключает шумовое и электромагнитное воздействие на окружающую природу, решает проблему утилизации отработанного трансформаторного масла.
Пассивная солнечная система и система солнечных коллекторов, для автономного теплоснабжения гостевого дома.
Система преобразует экологически чистую солнечную энергию в необходимую – тепловую, и является альтернативой котельным, электрокотлам и прочим водонагревательным установкам.
Внедрение такой системы позволит значительно снизить выброс в окружающую среду углекислого газа СО2 , выделяемого при сгорании органического топлива, сократить потребление природных ресурсов в частности леса на отопительные нужды, решить вопрос доставки и хранения топлива, значительно уменьшить тепловое воздействие котлоагрегатов на природу побережья.
8.5 Предложения по внедрению перспективных природоохранных мероприятий
Разработка дипломного проекта на тему: «Автономное энергоснабжение гостевого дома, пансионата «Колос»», выполнена с учетом экологических требований.
Ряд предложений по внедрению перспективных природоохранных мероприятий в пансионате «Колос»:
1. Переход от центрального электроснабжения к внедрению экологически чистой фото – ветро установки, что исключает шумовое и электромагнитное воздействие на окружающую природу и вероятность загрязнение почвы трансформаторным маслом.
2. Осуществлять горячее водоснабжение за счет внедрения солнечных коллекторов с теплоносителем – вода, что по экологической безопасности не входит ни в какое сравнение с водонагревателями и электрокотлами.
3. Теплоснабжение помещений осуществлять по средствам пассивной солнечной системы с теплоносителем воздух, которая по сравнению с автономной котельной полностью исключает выброс в атмосферу вредных веществ, выделяемых при сгорании органического топлива.
4. Предлагаю внедрить установку для очистки «серых» стоков «СТОК-2», установка рассчитана на переработку стоков из умывальника, ванны, душа. Очищенные стоки пригодны для повторного использования как техническая вода и вода для полива.
5. Установить на побережье мусоросборники, с последующей регулярной их очисткой и утилизацией.
6. На территории пансионата установить щиты с наглядной агитацией, по сохранению чистоты на побережье, информацией об ответственности за экологическое состояние Байкальского региона.
7. Организовать в летний период студенческие бригады по очистке побережья и прибрежной зоны.
8. В график туристической базы включить день охраны окружающей среды, с привлечением отдыхающих к очистке прибрежной зоны и поощрении наиболее отличившихся.
9. Вовлечь в природоохранную работу местных школьников,
организовав из их рядов Зеленый патруль, занимающийся сбором мусора и предотвращением загрязнения.
10. Руководству пансионата уделять внимание не только экономической выгоде, но и экологической обстановкой побережья после отдыха посетителей турбазы.
На основании вышеприведенного анализа экологической ситуации на побережье оз. Байкал в районе Максимихи можно сделать вывод, что наряду с безответственным поведением отдыхающих немаловажный вред окружающей среде наносят трансформаторные подстанции и автономные котельные, обеспечивающие энергоснабжение туристических баз отдыха расположенных непосредственно в зоне водосбора озера Байкал.
В дипломном проекте мною предложено внедрить экологически чистые гибридную фото-ветро установку, пассивную солнечную систему и систему солнечных коллекторов для автономного энергоснабжения гостевого дома пансионата «Колос», что значительно улучшит экологическую обстановку в масштабах побережья и прибрежной зоны.
9. Экономический раздел
9.1 Экономический анализ деятельности пансионата «Колос»
Пансионат «Колос» является базой туристического отдыха БГСХА, пансионат находится в поселке Максимиха Баргузинского района, в 30 км. от Усть-Баргузина. Его основной вид деятельности - обеспечение отдыха, оздоровления, психологической разгрузки и восстановление сил отдыхающих.
Анализ использования основных средств пансионата «Колос» приведен в табл. 9.1.
Таблица 9.1 Анализ использования основных средств пансионата «Колос».
| Показатели | 2004 г | 2005 г | 2006 г | 2006 г в % к 2004 г |
| 1 | 2 | 3 | 4 | 5 |
| Среднегодовое количество работников, чел. | 10 | 12 | 12 | 120 |
| Стоимость валовой продукции в текущих ценах, всего, тыс. руб. | 3150 | 3420 | 3650 | 116 |
| Площадь территории пансионата, га | 2,73 | 2,73 | 2,73 | 100 |
| Основные производственные фонды, тыс.руб. | 7660 | 7780 | 8245 | 107 |
| Фондоотдача (приходится валовой продукции на 1 руб. стоимости основных фондов), руб | 0,41 | 0,43 | 0,44 | 108 |
| Фондоемкость (приходится основных фондов на 1 руб. валовой продукции), руб. | 2,43 | 2,27 | 2,25 | 93 |
| Фондообеспеченность (приходится основных фондов на 1 га территории), тыс.руб. | 2805,9 | 2850 | 3020 | 107,6 |
| Фондовооруженность (приходится основных фондов на одного среднегодового работника), тыс.руб. | 766,0 | 648,3 | 687,1 | 89,6 |
Из табл.9.1. видно, что стоимость валовой продукции в 2006 году по отношению к 2004 выросло на 13,6 % в связи с увеличением среднемесячного числа отдыхающих, основные производственные фонды выросли на 7 % за счет строительства новых корпусов, соответственно увеличилась фондоотдача и фондообеспеченность.
9.2 Экономическое обоснование проекта
В виду объявления байкальского региона особой рекреационной зоной, туристический бизнес в республики переходит на новый более высокий уровень. В настоящее время в большинстве туристических баз на побережье Байкала техническое состояние гостевых номеров и различного рода оборудования не соответствует современным нормам.
Необходимые средства на обеспечение турбаз новыми гостевыми номерами и оборудованием, будут выделяться с учетом внедрения экологически чистых энергоэффективных источников энергии.
Предложенные к внедрению установки, рассчитанные в данном дипломном проекте обеспечат получение относительно дешевой и экологически чистой тепловой и электрической энергии, что приведет к сокращению текущих годовых затрат пансионата и повышение экономической эффективности производства. Расчет экономической эффективности и срока окупаемости установок приведен ниже.
9.3 Расчет экономической эффективности использования ФВУ
9.3.1 Расчет капитальных затрат
Капитальные затраты на ФВУ для электроснабжения гостевого дома
К3 = СВ + СФ + СА + СОБ + СМ (9.1.)
где СВ , СФ , СА – стоимость соответственно ветроустановки, фотоэлектрической установки и аккумуляторных батарей, руб.
СОБ – стоимость электрооборудования, руб.
СМ – стоимость монтажа, руб.
КЗ = 75000+40800+14175+15300+9000 = 154275 руб.
9.3.2 Расчет текущих затрат
Текущие затраты на проектируемую установку находим по формуле:
ТЗ(ПР) = А+Р+ТО+ТР+ЗП; (9.2)
где: А – амортизационные отчисления, руб.
А=0,12*КЗ = 18513 руб.,
Р – релаксация, руб.
Р=0,05*КЗ = 7714 руб.,
ТО,ТР – затраты на техническое обслуживание и ремонт,
ТО + ТР = 0,08*КЗ = 12342 руб.
ЗП – заработная плата, руб.
ТЗ(ПР) = 18513+7714+12342+9600 = 48169 руб.
Текущие затраты на традиционное электроснабжение:
ТЗ(ТР) = ТО+ТР+Э (9.3)
где Э – затраты на электроэнергию, руб.
Э = W*ЦЭ (9.4.)
где W – годовое потребление электроэнергии, кВт* ч,
ЦЭ – цена 1 кВт*ч, руб.
Э = 32150*2,69 = 86483,5 руб.
ТО = ЦТ,О. * NТ.О. (9.5.)
где ЦТ,О, - цена одного условного текущего осмотра,
NТ.О. – количество текущих осмотров за год.
ТО = 68*12 = 816 руб.
ТР = ЦТ.Р. * NТ.Р. = 1830*0,5 = 915 руб.
ТЗ(ТР) = 86483,5 +816+915 = 88215 руб.
9.3.3 Годовая экономия
СЭК = ТЗ(ТР) - ТЗ(ПР) , руб. (9.6.)
СЭК = 88215 – 48169 = 40045 руб.
9.3.4 Себестоимость 1 кВт*ч
Себестоимость 1 кВт*ч, вырабатываемого ФВУ:
С = ТЗ(ПР) /Q(9.7.)
где Q – годовой отпуск электроэнергии, кВт*ч.
С = 48169/32150 = 1,5 руб.
9.3.5 Рентабельность
R = (CЭК / ТЗ(ПР) )*100 % = (40045/48169)*100 = 83 %. (9.8.)
9.3.6 Срок окупаемости установки
= КЗ
/ СЭК
; год. (9.9.)
= 154275/40045 = 3,8 года.
9.4 Расчет экономической эффективности использования гелиоустановки
9.4.1 Расчет капитальных затрат
Капитальные затраты на гелиоустановку для горячего водоснабжения гостевого дома:
К3 = СКОЛ + СБАК + СМОН + СОБ +СА , руб. (9.10.)
где СКОЛ – стоимость солнечных коллекторов, руб.
СБАК – стоимость бака аккумулятора, руб.
СОБ – стоимость дополнительного оборудования, руб.
СМОН – стоимость монтажа, руб.
СА – стоимость антифриза, руб.
КЗ = 40000+10000+18000+15000+11400 = 94400 руб.
9.4.2 Расчет текущих затрат
Текущие затраты на проектируемую установку находим по формуле:
ТЗ(ПР) = А+Р+ТО+ТР+Э+ЗП; (9.11.)
где: А – амортизационные отчисления, руб.
А=0,12*КЗ = 11328 руб.,
Р – релаксация, руб.
Р=0,05*КЗ = 4720 руб.,
ТО,ТР – затраты на техническое обслуживание и ремонт,
ТО + ТР = 0,08*КЗ = 7552 руб.
Э – затраты на электроэнергию, руб.
Э = W*ЦЭ = 1674*2,69 = 4503 руб.
ЗП – заработная плата, руб.
ТЗ(ПР) = 11328+4720+7552+4503+2400 =30403 руб.
Текущие затраты на традиционное горячее водоснабжение:
ТЗ(ТР) = СГВС +ТО+ТР+ЗП (9.12.)
где: СГВС – затраты на горячее водоснабжение, руб.
СГВС = WГВ *Ц, (9.13.)
где: WГВ – нагрузка горячего водоснабжения, 19,8 Гкал.
Ц – цена 1 Гкал, для электрокотла 1,6 т.руб./Гкал.
СГВС = 19,8 * 1600 = 31680 руб.
ЗП – заработная плата оператора котельной.
ТЗ(ТР) = 31680+4200+24000 = 59880 руб.
9.4.3 Годовая экономия
СЭК = ТЗ(ТР) - ТЗ(ПР) = 59880 – 30403 = 29477 руб.
9.4.4 Себестоимость 1 Гкал
Себестоимость 1Гкал, вырабатываемой гелиосистемой:
С = ТЗ(ПР) /Q, руб. (9.14.)
где Q – годовой отпуск тепловой энергии, Гкал
С = 30403/19,8=1500 руб.
9.4.5 Рентабельность
R = (CЭК / ТЗ(ПР) )*100 % = (29477/30403)*100 = 96 %
9.4.6 Срок окупаемости установки
= КЗ
/ СЭК
= 94400 / 30403 = 3,1 год.
9.5 Расчет экономической эффективности использования пассивной солнечной системы
9.5.1 Расчет капитальных затрат
Капитальные затраты на ПСС для отопления гостевого дома:
К3 = СПСС + СОБ + СМ , руб. (9.15..)
где СПСС – стоимость пассивной солнечной системы, руб.
СОБ – стоимость дополнительного оборудования, руб.
СМ – стоимость монтажа, руб.
КЗ = 98200 + 15000 + 16000 = 129200руб.
9.5.2 Расчет текущих затрат
Текущие затраты на проектируемую установку находим по формуле:
ТЗ(ПР) = А+Р+ТО+ТР+Э; (9.16.)
где: А – амортизационные отчисления, руб.
А=0,12*КЗ = 15504 руб.,
Р – релаксация, руб.
Р=0,05*КЗ = 6460 руб.,
ТО,ТР – затраты на техническое обслуживание и ремонт,
ТО + ТР = 0,08*КЗ = 10336 руб.
Э – затраты на электроэнергию, руб.
Э = W*ЦЭ = 216*2,69 = 581 руб.
ТЗ(ПР) = 15504 + 6460 + 10336 + 581 = 32868 руб.
Текущие затраты на традиционное отопление:
ТЗ(ТР) = СОТ +ТО+ТР (9.17.)
где: СОТ – затраты на отопление, руб.
СОТ = WОТ *Ц, (9.18.)
где: WГВ – нагрузка теплоснабжения, 79,9 Гкал.
Ц – цена 1 Гкал, для теплоснабжения 914,58 руб./Гкал.
СГВС = 79,9 * 914,58 = 73075 руб.
ТЗ(ТР) = 73075 + 8200 = 81 275 руб.
9.5.3 Годовая экономия
СЭК = ТЗ(ТР) - ТЗ(ПР) = 81275 – 32868 = 48407 руб.
9.5.4 Себестоимость 1 Гкал
Себестоимость 1Гкал, вырабатываемой пассивной солнечной системой:
С = ТЗ(ПР) /Q, руб. (9.19.)
где Q – годовой отпуск тепловой энергии, Гкал
С = 32868/79,9 = 411 руб.
9.5.4 Рентабельность
R = (CЭК / ТЗ(ПР) )*100% = (48407/32868)*100 = 147 %
9.5.5 Срок окупаемости установки
= КЗ
/ СЭК
= 129200/ 48407 = 2,7 года.
Заключение
Дальнейшее развитие традиционной энергетики столкнулось с рядом проблем, основными из которых являются:
- экологическая угроза человечеству;
- быстрое истощение запасов ископаемого топлива;
- значительный рост цен на электроэнергию (для России).
В этой связи, перспективным направлением в электроэнергетике может быть применение возобновляемых источников энергии , что подтверждается мировой практикой.
В настоящей работе предложено техническое решение использования ВИЭ для энергоснабжения гостевого дома пансионата «Колос» Максимиха Баргузинского района. В процессе разработки получены следующие научно-практические результаты:
- рассчитана гибридная фото-ветро установка для электроснабжения гостевого дома.
- определены помесячные нагрузки отопления и горячего водоснабжения.
- рассчитаны пассивная солнечная система и гелиоустановка для теплоснабжения дома, определено количество полезного тепла полученного от установок и коэффициент замещения традиционной системы теплоснабжения.
- решены некоторые экономические, экологические задачи и задачи безопасности жизнедеятельности.
По результатам работы можно сделать следующие выводы.
1. В Республике Бурятия наиболее перспективны из известных ВИЭ ветер и солнце.
2.Для надежного автономного электроснабжения гостевого дома с расчетной нагрузкой P=18,5 кВт наиболее целесообразно с экономической точки зрения комплексное использование ветроустановки, солнечной установки и аккумуляторного резерва в сочетании 1,5кВт, 0,36кВт и 1340 А×часов соответственно.
3. Для обеспечения горячего водоснабжения для 11 посетителей гостевого дома достаточно гелиоустановки площадью S=10м2 , расположенной под углом 50 градусов и ориентацией на юг.
4. Подтверждена эффективность и экономичность использования ПСС отопления.
5. При внедрении экологически чистых ВИЭ на побережье оз. Байкал экологическая ситуация в Байкальском регионе значительно улучшится.
6. Установки на основе ВИЭ для энергоснабжения жилого дома достаточно экономичны и имеют низкий срок окупаемости.
Литература
1. А.А. Пястолов, Г.П. Ерошенко «Эксплуатация электрооборудования». – М.,Агропромиздат, 1990. – 286 с.
2. «Аккумуляторные батареи. Эксплуатация, техническое обслуживание и ремонт». / НИИАТ, - М., Транспорт, 1970.
3. Андрианов В. Н. «Электрические машины и аппараты». - М., Колос, 1971.
4. «Атлас Забайкалья». /РГУ, Гл. упр. геодезии и картографии. - М.,1973.
5. Безопасность жизнедеятельности в сельскохозяйственном производстве, Шкрабак В.С., Луковников А.В., и др. – М., Колос, 2002. – 512 с.
6. Б.М. Полуй «Архитектура и градостроительство в суровом климате». – Л., Стройиздат, 1989. – 300 с.
7. В.И. Баев «Практикум по электрическому освещению и облучению». – М., Агропромиздат, 1991. – 175 с.
8. В.Т. Тайсаева, Л.Р. Мазаев «Нетрадиционные возобновляемые источники энергии. Расчет энергетических показателей». – Улан-Удэ, БГСХА, 2002. – 107 с.
9. В.Т. Тайсаева «Солнечное теплоснабжение в условиях Сибири». – Улан-Удэ, БГСХА, 2003. – 200 с.
10. Г.В. Савицкая «Анализ хозяйственной деятельности предприятия». – Минск, 2002. – 704 с.
11. Г.И. Николадзе «Водоснабжение». М., Стройиздат, 1972.- 248 с.
12. ГОСТ 12.1.013 - 78. ССБТ. Строительство. Электробезопасность. Общие требования.
13. ГОСТ 12.1.019 - 79. ССБТ Электробезопасность. Общие требования.
14. ГОСТ 12.1.010 - 76. ССБТ Взрывобезопасность. Общие требования. (СТ СЭВ 3617 - 81)
15. ГОСТ 12.1.030 - 81. ССБТ Электрообезопасность. Защитное заземление, зануление.
16. Дж. Твайделл, А. Уэйр. «Возобновляемые источники энергии» (Пер. с англ.). - М., Энергоатомиздат, 1990.
17. И.Ф. Бородин, Н.И. Кирилин «Основы автоматики и автоматизации производственных процессов». – М., Колос, 1977. – 328 с.
18. Использование солнечной энергии для теплоснабжения зданий. / Э. В. Сарнацкий и др. - Киев, Будевильник, 1985.
19. Пилюгина В.В., Гурьянов В.А. «Применение солнечной и ветровой энергии в сельском хозяйстве». Обзорная инф.-М.: ВАСХНИЛ, 1981.
20. Каганов И. Л. Курсовое и дипломное проектирование. - М., Колос, 1980.
21. Кажинский Б., Перли С. «Ветроэлектростанции». - М., ДОСААФ, 1966.
22. Кораблев А. Д. «Экономия энергоресурсов в сельском хозяйстве». - М., Агропромиздат, 1988.
23. Козюменко В. Ф., Дорощук О. Н. «Методические указания по экономическому обоснованию спец. конструкций, разрабатываемых в дипломных проектах, выполняемых на факультете электрификации». - Зерноград, АЧИМСХ, 1993.
24. «Механизация и электрификация сельскохозяйственного производства»./ А.П. Тарасенко, В.Н. Солнцев и др. – М., Колос, 2004. – 552 с.
25. Низковольтные электрические аппараты. Справочник. Ч.1. Пускатели, контакторы. - М., ВНИИстандартэлектро, 1991.
26. «Правила устройства электроустановок (ПУЭ )»./ Минэнерго СССР. - М., Энергоатомиздат, 1985.
27. «Правила технической эксплуатации электроустановок потребителей и Правила техники безопасности при эксплуатации электроустановок потребителей (ПТЭ и ПТБ )». - М., Энергоатомиздат, 1986.
28. «Руководящие материалы по проектированию электроснабжения сельского хозяйства». - М., Сельэнергопроект, 1981.
29. «Рабочий проект гостевого дома пансионата «Колос», БурятскаяГСХА им. В.Р.Филиппова». – Улан-Удэ, Бурятгражданпроект, 2006.
30. СНиП II-31-74 «Водоснабжение. Наружные сети и сооружения». М., Стройиздат, 1975.
31. «Фотоэлектрическая энергетика сельского хозяйства». Стребков Д.С. и др Техника в с. х., N1, 1988.
32. «Электроснабжение сельского хозяйства»./ Будзко И.А., Лещинская Т.Б. и др. – М., Колос, 2000. – 536 с.
Похожие рефераты:
Продвижение прогрессивных систем энергосбережения в Украине в сегменте (ТН) тепловых насосов
Разработка эффективной системы энергоснабжения на основе ВИЭ
Разработка вопросов энергосбережения за счет использования ветроэнергетической установки
Оценка эффективности инвестиционного проекта строительство парогазовой установки мощностью 410 МВт
Разработка ресурсосберегающих технологий и режимов на городском электрическом транспорте
Реконструкция электротехнической части фермы КРС на 200 голов
Топливно-энергетический комплекс мира
Автоматизация теплового пункта гражданского здания
Проектирование электрической части ТЭЦ 180 МВт
Проектирование адиабатной выпарной установки термического обессоливания воды