| Похожие рефераты | Скачать .docx |
Дипломная работа: Модуль накопления для задач многомерной мессбауэровской спектрометрии
Министерство образования Российской Федерации
Уральский государственный технический университет
Кафедра экспериментальной физики
ДИПЛОМНЫЙ ПРОЕКТ
ПОЯСНИТЕЛЬНАЯ ЗАПИСКА
МОДУЛЬ НАКОПЛЕНИЯ ДЛЯ ЗАДАЧ МНОГОМЕРНОЙ МЕССБАУЭРОВСКОЙ СПЕКТРОМЕТРИИ
Руководитель
к.ф-м.н., с.н.с.О.Б. Мильдер
Студент
Фт–635К.В. Ивановских
СОДЕРЖАНИЕ
РЕФЕРАТ
ВВЕДЕНИЕ
1. МЕССБАУЭРОВСКАЯ СПЕКТРОМЕТРИЯ
1.1 Эффект Мессбауэра
1.2 Мессбауэровский спектрометр
1.3 Многомерная параметрическая мессбауэровская спектрометрия
2. МЕТОДЫ ПОСТРОЕНИЯ СИСТЕМ НАКОПЛЕНИЯ
2.1 Системы сбора и накопления информации
2.2 Особенности создания систем накопления для многомерной мессбауэровской спектрометрии
2.3.Применение микроконтроллеров
2.4 Использование современных электронно-модульных систем
2.5 Разработка устройств сопряжения для магистрали ISA
2.6 Обмен данными с компьютером
3. РАЗРАБОТКА ЦИФРОВЫХ УСТРОЙСТВ НА БАЗЕ ПЛИС
3.1 Современные и перспективные ИС со сложными программируемыми структурами
3.2 Методы и средства проектирования устройств с программируемой логикой
3.3 САПР MAX+PLUSII
4. ПОИСК СХЕМОТЕХНИЧЕСКИХ РЕШЕНИЙ
5. РАСЧЁТНАЯ ЧАСТЬ
5.1 Разработка проекта на базе ПЛИС
5.1.1 Реализация основного алгоритма
5.1.2 Связь с внешними устройствами
5.2 Разработка принципиальной схемы модуля накопления
5.3 Блок-схема программного алгоритма
6. БЕЗОПАСНОСТЬ И ЭКОЛОГИЧНОСТЬ
6.1 Характеристика рабочего места
6.2 Безопасность труда
6.2.1 Радиационная безопасность
6.2.2 Электробезопасность
6.2.3.Защита от шума
6.2.4 Защита от электростатического поля
6.3 Условия труда в лаборатории
6.3.1 Микроклимат помещения
6.3.2 Освещенность рабочего места
6.3.3 Эргономика рабочего места
6.4 Экологичность рабочего места
6.4.1 Состояние воздушного бассейна
6.4.2 Радиационная обстановка
6.4.3 Поверхностные воды
6.4.4 Промышленные и бытовые отходы 6.4.5 Анализ возможных чрезвычайных ситуаций
6.5 Пожарная безопасность
ЗАКЛЮЧЕНИЕ
ПРИЛОЖЕНИЯ
БИБЛИОГРАФИЧЕСКИЙ СПИСОК
РЕФЕРАТ
Пояснительная записка содержит 103 листа, 20 рисунков, 5 таблиц, 7 приложений, 26 библиографических источника.
Проведён анализ основных требований к системам накопления, а также дополнительных, предъявляемых с позиции многомерной мессбауэровской спектрометрии. Рассмотрены различные способы построения систем накопления. Решён вопрос объединения свойств многоканальности и многомерности.
Разработан модуль накопления приспособленный для круга задач многомерной мессбауэровской спектрометрии. Модуль выполняет подсчёт входных импульсов от двух синхронизованных спектрометрических линеек, накопление и хранение 24 бит данных в 4096 каналах (ячейках памяти) для каждой линейки.
Модуль содержит два входных блока, состоящих в свою очередь из счётного блока и схемы промежуточного накопления. Входные блоки образуют систему накопления первого байта спектрометрических данных. Накопление 2-го и 3-го байта информации происходит с использованием программных средств микроконтроллера.
Интерфейс модуля накопления выполнен в стандарте ISA, поэтому он может применяться как плата расширения для систем класса MicroPC или любого персонального компьютера содержащего разъёмы магистрали ISA. Дополнительным внешним интерфейсом является последовательный канал передачи данных микроконтроллера.
Для распределения потоков данных в схеме используется буферное ОЗУ, доступное со стороны системы накопления первого байта, микроконтроллера и 8-разрядной шины ISA в режиме разделяемой памяти. Таким образом задатчик магистрали ISA (например процессор) при доступе к буферному ОЗУ рассматривает её как свою собственную.
Основные функции схемотехнического алгоритма, в том числе интерфейсный блок реализованы в репрограммируемой ПЛИС EPM7256S фирмы Altera. Дизайн ПЛИС разработан средствами специализированной САПР MAX+PLUS II. Проведено тестирование проекта.
Разработанный модуль предназначен для накопления мессбауэровских спектров, а также для снятия амплитудных спектров.
ПЕРЕЧЕНЬ УСЛОВНЫХ СОКРАЩЕНИЙ
| БМК | базовый матричный кристалл |
| БОЗУ | буферное оперативное запоминающее устройство |
| ИС | интегральная схема |
| ПДП | прямой доступ к памяти |
| ПЛИС | программируемая логическая интегральная схема |
| СОЗУ | системное оперативное запоминающее устройство |
| CPLD | complexprogrammablelogicdevice (программируемые коммутируемые блоки) |
| EEPROM | electrically erasable programmable read-only memory (электронно-перепрограммируемая постоянная память) |
| EPROM | erasable programmable read-only memory(стираемая программируемая постоянная память) |
| FPGA | fieldprogrammablegatearray (программируемая пользователем вентильная матрица) |
| ISA | Industry-Standard Architecture |
| PLD | programmablelogicdevice (программируемое логическое устройство) |
| SPI | serialperipheralinterface (протокол последовательного периферийного интерфейса) |
ВВЕДЕНИЕ
Открытый Мессбауэром (Mössbauer) в 1958 году эффект резонансного излучения и поглощения гамма-квантов предоставил физикам качественно новый метод спектрометрии, который нашёл широкое применение в различных областях науки и техники. Наиболее успешное использование этого метода связано с исследованием сверхтонкой структуры ядра.
Развитие спектрометрических методов движется по пути увеличения чувствительности, разрешающей способности, повышения точности восстановления формы спектральной линии и расширения информативности.
Одним из самых перспективных направлений развития метода ядерного гамма-резонанса, является многомерная мессбауэровская спектрометрия. В рамках этого направления, путём синтеза различных гамма-оптических схем, предоставляется возможность проводить динамические эксперименты и получать систему мессбауэровских спектров от одного исследуемого образца, таким образом устанавливая более полную картину изучаемого процесса. В основе метода лежит принцип модуляции и трансформации энергетического спектра и регистрация резонансного излучения в нескольких точках гамма-оптической схемы.
На сегодняшний день сложилась ситуация, когда развитие методологии многомерной мессбауэровской спектрометрии опережает темпы разработки аппаратуры необходимой для этого метода. В конечном итоге отсутствие соответствующей экспериментальной базы, или её неполноценность тормозит многие исследовательские начинания.
В данном контексте неудовлетворёнными остаются многие требования, предъявляемые к системам накопления спектрометрической информации. Здесь особенно остро стоит вопрос о создании многоканальных систем, использование которых позволяет значительно поднять эффективность проведения мессбауэровских экспериментов. Не менее важными являются требования универсальности и гибкости.
Изложенная проблема весьма актуальна для лаборатории мессбауэровской спектрометрии кафедры экспериментальной физики УГТУ, где поставлена программа комплексного переоснащения и модернизации.
Цель данной работы – проектирование модуля накопления адаптированного для решения задач многомерной мессбауэровской спектрометрии.
1. МЕССБАУЭРОВСКАЯ СПЕКТРОМЕТРИЯ
1.1 Эффект Мессбауэра
Эффект Мессбауэра – явление излучения, поглощения и рассеяния гамма–квантов ядрами без передачи энергии внутренним степеням свободы системы, которую образуют атомные ядра [1].
В 1957 г. Мессбауэру (Mössbauer) удалось впервые наблюдать эффект резонансного поглощения гамма–квантов на линиях естественной ширины, не смещенных за счет отдачи и не уширенных за счет теплового движения. Это открытие, отмеченное Нобелевской премией по физике в 1961 г., дало исследователям чрезвычайно прецизионный резонансный метод регистрации изменений энергии ядерных переходов сразрешающей способностью порядка 10–12 –10–15 [1] и привело к созданию нового физического метода изучения конденсированного состояния вещества – мессбауэровской спектрометрии. Впервые оказалось возможным изучение сверхтонкой структуры ядерных уровней, а также влияния электрических, магнитных и гравитационных воздействий на энергию гамма–квантов.
1.2 Мессбауэровский спектрометр
Эффект Мессбауэра дает возможность наблюдать явление ядерного резонанса, которое характеризуется рекордно узким энергетическим распределением. Основная физическая информация заключена в форме резонансной линии, ее особенностях и положении. Для получения этих данных используется метод энергетического сканирования (развертка спектра). Сканирование может осуществляться несколькими способами. Наиболее удобным и простым является способ модуляции энергии резонансного гамма излучения, основанный на эффекте Доплера.
Экспериментальная установка, предназначенная для регистрации интенсивности ядерного гамма–резонансного поглощения и рассеяния, в зависимости от скорости относительного движения в системе источник – анализатор получила название “мессбауэровский спектрометр”.
Функциональная блок-схема спектрометра традиционной конструкции, на основе которой выпускаютсявсе серийно выпускаемые приборы, представлена на рисунке 1.1.
Конструктивно спектрометр состоит из двух частей: аналитического и электронного блоков [2].
Аналитический блок состоит из основания, на котором смонтированы доплеровский модулятор, узел гамма–резонансной пары и криостат.
Электронный блок спектрометра выполняет функции управления системой доплеровской модуляции, регистрации гамма–излучения, накопления данных. Электронный блок состоит из двух систем:
- системы регистрации гамма–излучения;
- системы доплеровской модуляции.
![]() |
Источнику S (или поглотителю А), закрепленному на доплеровском модуляторе DM, сообщается периодическая линейно–изменяющаяся скорость. Блок управления модулятором 1 обеспечивает отработку заданного закона движения и формирует сигналы запуска системы накопления 3 в режиме многоканального пересчета. Движение источника S создает сдвиг энергии резонансного излучения, что вызывает изменение интенсивности гамма–излучения пропущенного или рассеянного поглотителем A и регистрируемого детектором D. Сигналы с детектора D усиливаются, селектируются по амплитуде в спектрометрическом тракте 2 и отправляются в выбранную ячейку памяти системы накопления 3. Накопление происходит в режиме последовательного многоканального пересчёта. Однозначное соответствие скорости движения номеру канала накопления обеспечивается синхронизацией рабочего периода движения с циклом переключения ячеек памяти, отведенных на накопление.
1.3 Многомерная параметрическая мессбауэровская спектрометрия
Традиционная схема регистрации ограничена по своим возможностям. Она не позволяет использовать многие методические достижения эффекта Мессбауэра. Основные способы увеличения чувствительности: использование резонансного детектора (содержащего вещество-конвертор), резонансно-поглощающего фильтра. При всей привлекательности обоих способов сужения спектральной линии для них характерен общий недостаток – возникает необходимость подбора веществ, удовлетворяющим определённым условиям резонансного взаимодействия. Это привело к тому, что до настоящего времени только для изотопа 119 Sn подобраны резонансные пары в качестве конвертора и фильтра [3].
Для расширения возможностей мессбауэровской спектрометрии в работе [3] предложен новый метод – многомерная параметрическая мессбауэровская спектрометрия, в основе которого лежит принцип модуляции и трансформации энергетического спектра резонансного излучения в нескольких точках гамма-оптической схемы эксперимента. Это достигается введением в схему нескольких резонансных преобразователей, установленных на механически не связанных, но электрически синхронизованных модуляторах, и регистрации спектров в одной или нескольких точках этой схемы. При этом конкретный вид преобразования спектральной линии представляет собой параметр, а количество независимых резонансных преобразователей или детекторов – размерность гамма-оптической схемы.
Многомерная параметрическая мессбауэровская спектрометрия вводит новое качество в процесс измерения, предоставляя возможность проводить динамические эксперименты, получать систему мессбауэровских спектров от одного исследуемого образца и, таким образом устанавливать более полную картину изучаемого процесса. Кроме того, развитие получили способы компенсации энергетического сдвига, использование которых позволяет расширить применение принципа резонансного преобразования для любого мессбауэровского изотопа.
Совместное применение различных гамма-оптических схем многомерной параметрической мессбауэровской спектрометрии позволяет получать в оптимальных условиях дополнительное увеличение чувствительности, разрешающей способности и информативности метода [3].
2. МЕТОДЫ ПОСТРОЕНИЯ СИСТЕМ НАКОПЛЕНИЯ
2.1 Системы сбора и накопления информации
Сбор, накопление и хранение мессбауэровских спектров выполняет специальная система накопления информации. Особенностью построения систем накопления для нужд мессбауэровской спектрометрии является необходимость накопления большого объёма данных, в условиях длительного времени проведения эксперимента.
Система накопления мессбауэровского спектрометра традиционного типа должна осуществлять сбор и накопление данных в 4096 каналов с разрядностью данных не менее 24 (для набора необходимой статистики результата). Стоит отметить, что далеко не все существующие спектрометры и не все задачи мессбауэровской спектрометрии требуют такого объёма накопления.
Естественным движением в развитии систем накопления (систем регистрации) является их ориентация на работу в тесной связке с ЭВМ. Такой подход позволяет строить автоматизированные системы сбора данных под управлением ЭВМ с использованием средств программной обработки информации.
За время существования мессбауэровской спектрометрии системы накопленияи обработки информации прошли путь развития от многоканальных анализаторов до многоуровневых систем [3].
В настоящее время наиболее важным требованием к построению систем регистрации является возможность создания многоканальных систем сбора данных, то есть состоящих из нескольких трактов регистрации. Такое требование диктуется возрастающими задачами, встающими перед мессбауэровской спектрометрией, решить которые средствами существующих одноканальных систем невозможно (рис.2.1).
Имеющаяся система регистрации во многом ограничивает возможности мессбауэровского эксперимента. Помимо производительности сюда следует отнести и отсутствие необходимой гибкости и универсальности. Построение гибкой и открытой системы даёт возможность оперативного изменения её конфигурации для нужд эксперимента, кроме того, открытость позволяет развивать и дополнять систему, что является одним из главных принципов при разработке современной экспериментальной техники.
![]() |
Независимо от способа построения системы регистрации в её структуру входят счётный блок, производящий подсчёт импульсов с детектора γ-излучения, и непосредственно блок накопления.
Счётный блок – производит подсчёт приходящих со спектрометрической линейки импульсов и выдачу их в блок накопления. Он входит в любую систему регистрации и его схема может быть везде одинаковой. Он может быть реализован как стандартный модуль. Другое дело блок накопления. Так как его создание вызывает не мало затрат (как в инженерном так и в экономическом плане) необходимо заранее ясно представлять все требования к нему. Здесь имеется несколько подходов. Их различия заключены в степени использования ресурсов компьютера.
Простейший вариант системы накопления реализован с использованием только ЭВМ, которая в данном случае выполняет функции и накопления и хранения. Такую систему принято называть одноуровневой (рис.2.2а).
Одноуровневая система требует для своего создания минимальных аппаратурных затрат. Здесь промежуточное накопление как таковое отсутствует. Данные сразу передаются в компьютер. Очевидно, что компьютер должен быть способен постоянно (каждые 16 микросекунд) принимать информацию со счетного блока. В такой системе компьютер постоянно занят операциями сбора и накопления и другое его использование вряд ли возможно. Кроме того, под вопрос ставится возможность реализации многоканальных систем.
Более эффективной с точки зрения использования временных ресурсов ЭВМ является двухуровневая модель систем накопления. Здесь возможны два варианта построения таких систем: с использованием микроконтроллера или без него (рис.2.2б).
При использовании блока промежуточного хранения электронная часть берет на себя лишь функции сбора и промежуточного хранения данных, а накопления осуществляется в ЭВМ. Промежуточное хранение данных необходимо, как для упрощения обмена данными с компьютером (используя одно прерывание можно передать весь блок информации, собранный за рабочий цикл), так и для более эффективного использования времени компьютера, и его ресурсов [4]. Несмотря на снижение степени загруженности компьютера, его постоянное присутствие в тракте регистрации всёже необходимо.
Другой вариант подразумевает использование, в качестве второго уровня системы накопления, блока промежуточного накопления с применением микроконтроллера. Такое построение требует от микроконтроллера повышенного быстродействия и достаточно большого объема памяти внешнего ОЗУ. В этом случае всю систему можно рассматривать как одноуровневую по отношению к микроконтроллеру. В зависимости от быстродействия микроконтроллера его применение может быть не ограничено только задачами накопления данных: на него могут быть возложены функции управления некоторыми узлами системы регистрации.
Оптимальным способом исполнения одно- и двухуровневых систем можно считать их изготовление в виде встраиваемых плат расширения (адаптеров). Такие системы могут с успехом применятся в одноканальных системах накопления. Допустимо построение и многоканальных систем с небольшим числом трактов в пределах аппаратных возможностей компьютера или микроконтроллера. Однако не все требования, предъявляемые к многоканальным системам накопления, могут быть при этом удовлетворены.
Полноценная многоканальная система накопления с возможностями автономной работы может быть реализована в виде трёхуровневой системы, которая предполагает использование блока промежуточного накопления на первом уровне, с целью снизить требования к быстродействию управляющего микроконтроллера, имеющего статус звена второго уровня. На верхнем (третьем) уровне находится компьютер. Развивая трехуровневую модель, на основе тех же модулей, можно построить многоканальную систему [4]. Снятие повышенных скоростных требований к микроконтроллеру с помощью блока промежуточного хранения данных позволяет реализовать одновременное накопление с нескольких измерительных трактов (рис.2.2в).
Такую систему удобно построить в виде набора самостоятельных модулей (модульная концепция), в этом случае появляется возможность создания системы накопления любой конфигурации. В таких системах компьютер может использоваться только для хранения спектрометрических данных на энергонезависимых носителях и выдачи команд управления для микроконтроллера. Связь с удалённым компьютером может быть организована по последовательному каналу передачи данных (RS-232, RS-485 и др.).
2.2 Особенности создания систем накопления для многомерной мессбауэровской спектрометрии
Принцип модуляции и трансформации энергетического спектра резонансного излучения в нескольких точках схемы эксперимента достигается введением нескольких механически не связанных, но электрически синхронизованных модуляторов и регистрацией спектров в одной или нескольких точках этойсхемы [3].
Использование различных гамма-оптических схем многомерной мессбауэровской спектрометрии или нескольких каналов регистрации в пределах одной схемы даёт возможность получать систему мессбауэровских спектров от одного исследуемого образца.
Последовательное снятие нескольких спектров, в сложных гамма-оптических схемах, приводит к значительному увеличению времени проведения эксперимента.
Таким образом, в многомерной мессбауэровской спектрометрии в целях поднятия эффективности экспериментов существует необходимость создания системы накопления с возможностью одновременного сбора данных от нескольких синхронизованных трактов регистрации (рис.2.2г).
Свойства многомерности и многоканальности должны существовать одновременно, т.е. конструкция многоканальной системы накопления должна удовлетворять требованиям многомерных задач эксперимента.


2.3.Применение микроконтроллеров
Микроконтроллеры в системах накопления применяются, как правило, в качестве промежуточных уровней накопления, с дополнительными функциями управления.
Несмотря на непрерывное развитие и появление всё новых 16- и 32-разрядных микроконтроллеров и микропроцессоров, наибольшая доля мирового микропроцессорного рынка остаётся за 8-разрядными устройствами. Среди всех 8-разрядных микроконтроллеров семейство 8051 является несомненным лидером по количеству разновидностей числу компаний выпускающих его модификации (на сегодняшний день их существует более 200) [5].
Основные элементы базовой архитектуры MSC-51:
- 8-разрядное арифметико-логическое устройство на основе аккумуляторной архитектуры;
- 4 банка регистров, по 8 в каждом;
- встроенная память программ 4 Кбайт;
- внутреннее ОЗУ объёмом 128 байт;
- булевый процессор;
- два 16-разрядных таймера (счётчика);
- контроллер последовательного канала передачи данных;
- контроллер обработки прерываний с 2 уровнями приоритетов;
- четыре 8-разрядных порта ввода-вывода, два из которых используются в качестве шины адреса/данных для доступа к внешней памяти программ и данных [5].
Основными направлениями развития являются: увеличение быстродействия (повышение тактовой частоты и переработка архитектуры ядра), снижение напряжения питания и потребления, увеличение объёма ОЗУ и FLASH-памяти на кристалле с возможностью внутрисхемного программирования, введение в состав периферии микроконтроллера CAN- и USB-интерфейсов. Микроконтроллеры с каналом SPI обеспечивают возможность внутрисхемного программирования FLASH-памяти.
Таким образом, параметры прелагаемых сегодня на рынке клонов микроконтроллера семейства MSC-51 существенно отличают их от базовой конфигурации. Максимальная тактовая частота кристаллов достигает 40 МГц, объём памяти программ 16 Кбайт, оперативной памяти – 1024 байт и более [5].
Полная аппаратная и программная совместимость многих выпускаемых микроконтроллеров 51-й серии позволяет проводить модернизацию устройств на их основе простой заменой кристалла другим с более подходящими характеристиками.
2.4 Использование современных электронно-модульных систем
Универсальная многоканальная система накопления должна иметь возможность быстрой и лёгкой модернизации и конфигурирования для любых экспериментальных задач. Таким требованиям будет удовлетворять система, построенная по модульному принципу.
Перевод классической структуры мессбауэровского спектрометра на базу современных стандартов построения электронно-модульных систем заставляет обратить внимание на возможность использования микро-PC.
Принцип микро-PC подразумевает использование малогабаритных высокопроизводительных процессорных плат и встраиваемых модулей других устройств с большой степенью надёжности. Это делаетмикро-PC незаменимым для применения в условиях требующих безотказной работы систем управления различными процессами как в промышленности, так и в сфере научных исследований.
С позиции мессбауэровской спектрометрии главным фактором в пользу применения микро-PC является большое время проведения эксперимента (до нескольких суток, а то и недель) когда потеря данных вследствие сбоя системы управления заставляет возвращаться к моменту последнего сохранения данных. В таких условиях необходимо постоянное присутствие лаборанта-оператора. Кроме того, повтор накопления влечёт затягивание эксперимента и дальнейший сбой графика анализа образцов в лаборатории, что неприемлемо при использовании дорогостоящих короткоживущих изотопов. Другими словами необходимо добиться максимальной надёжности работы системы при минимальном участии оператора. Необходимо также иметь возможность создания модульной системы с достаточным потенциалом для наращивания и усовершенствования спектрометра, например в целях построения многоканальных систем с несколькими трактами регистрации.
Архитектура IBM РС и лежащая в ее основе шина ISA являются в настоящее время безусловным стандартом в промышленности. Изделия MicroPC представляют собой идеальное сочетание полной (в том числе и конструктивной) совместимости с этой шиной и малого размера плат, обеспечивающего высокие механические характеристики системы и легкое встраивание изделий MicroPC в любое оборудование. Почти всю разработку и отладку программного обеспечения можно производить на обычном персональном компьютере, установив в него платы ввода вывода MicroPC, а затем переносить готовое программное обеспечение в контроллер, где в ПЗУ уже находится ядро операционной системы DOS 6.22. При этом можно использовать практически любое программное обеспечение и средства разработки (например MS-DOS, Microsoft Windows NT/95/98, QNX, Linux и др.), работающие на стандартной IBM PC платформе, или специальные инструментальные пакеты и библиотеки
В качестве микропроцессоров используются микросхемы фирм Intel (i80286, i80386, i80486, IntelPentium), AMD (am5x86) и др.
Все платы вставляются в крейт к системной магистрали ISA. Крейт содержит блок питания. Наличие шины ISA простота и удобства её протоколов позволяют разрабатывать необходимые модули для нужд эксперимента. В этом случае весь электронный блок мессбауэровского спектрометра (система регистрации и система управления доплеровской модуляции) может быть реализован в виде плат расширения. Модульность позволяет свободно конфигурировать систему под определённую задачу, что значительно расширяет экспериментальные возможности (рис.2.3).

Стоит отметить что, применение микро-PC даёт возможность отказаться от использования лабораторного персонального компьютера непосредственно в сборе данных. В этом случае ему может быть отведена роль файл-сервера.
Все элементы на стандартных платах микро-PC выполнены по КМОП-технологии и имеют низкую потребляемую мощность. Таким образом, платы MicroPC не требуют принудительного воздушного охлаждения. Для питания необходим единственный источник напряжения 5 В.
2.5 Разработка устройств сопряжения для магистрали ISA
Магистраль ISA была разработана специально для персональных компьютеров типа IBMPCAT (начиная с процессора i80286) и относится к демультиплексированным (то есть имеющим раздельные шины данных и адреса) 16-разрядным системным магистралям среднего быстродействия [6]. Обмен осуществляется 8- или 16-разрядными данными. На магистрали реализован раздельный доступ к памяти компьютера и к устройствам ввода-вывода (для этого имеются специальные сигналы). Максимальный объём адресуемой памяти составляет 16 Мбайт (24 адресные линии). Максимальное адресное пространство для устройств ввода-вывода – 64 Кбайт (16 адресных линий), хотя практически все выпускаемые платы расширения используют только 10 адресных линий (1 Кбайт). Магистраль поддерживает регенерацию динамической памяти, радиальные прерывания и прямой доступ к памяти. Допускается также захват магистрали.
Разъём магистрали ISA разделён на две части, что позволяет уменьшать размеры 8-разрядных плат расширения. Назначение контактов разъёма ISA в виде таблицы представлено в ПРИЛОЖЕНИИ 1.
В режиме программного обмена информацией на магистрали ISA выполняется четыре типа циклов:
- цикл записи в память;
- цикл чтения из памяти;
- цикл записи в устройство ввода-вывода
- цикл чтения из устройства ввода-вывода.
Циклы различаются используемыми сигналами и протоколами обмена, поэтому при проектировании аппаратуры для сопряжения с ISA необходимо учитывать временные диаграммы используемых циклов обмена. Другими словами должна быть реализована информационная совместимость.
Помимо циклов программного обмена на магистрали ISA могут выполняться также циклы прямого доступа к памяти. Так как на магистрали имеются раздельные стробы чтения и записи для устройств ввода-вывода и для памяти, пересылка данных в режиме ПДП производится за один машинный цикл. То есть если данные необходимо переслать из устройства ввода-вывода в память, то одновременно производится чтение данных из устройства ввода-вывода (по сигналу –IOR) и их запись в память (по сигналу –SMEMW).
При проектировании устройств сопряжения для ISA надо учитывать также электрические характеристики сигналов. Стандарт магистрали определяет требования к входным токам приёмников и источников сигналов каждой из плат расширения. Не соблюдение этих требований может нарушить функционирование компьютера.
Выходные каскады передатчиков магистральных сигналов должны выдавать ток низкого уровня не меньше 24 мА, а ток высокого уровня – не меньше 3 мА. Входные каскады приёмников магистральных сигналов должны потреблять входной ток низкого уровня не больше 0,8 мА, а входной ток высокого уровня – не больше 0,04 мА.
В структуре любого устройства сопряжения можно выделить две части: интерфейсную и операционную (рис.2.4). Интерфейсная часть обеспечивает непосредственное сопряжение данного устройства с ISA, то есть обеспечивает необходимые параметры сигналов с соблюдением протокола обмена. Операционная часть несёт на себе функции, ради которых, собственно, и создавалось устройство сопряжение. Подходы к проектированию этих двух частей имеют принципиальные отличия.

Операционные части различных устройств могут быть самыми разнообразными в зависимости от решаемых задач. Интерфейсные части практически у всех устройств одинаковы или очень похожи между собой, так какинтерфейсные функции жёстко определяются протоколом выбранного стандартного интерфейса (в данном случае ISA).
В соответствии с определением интерфейса, в число главных функций интерфейсной части входит обеспечение информационной, электрической и конструктивной совместимости. Информационная совместимость предполагает точное выполнение протоколов обмена и правильное использование сигналов магистрали. Электрическая совместимость подразумевает согласование уровней входных, выходных и питающих напряжений и токов. Вопрос о конструктивной совместимости в основном касается конечного этапа разработки устройства – проектирования печатной платы и сводится к точному соблюдению всех размеров платы, разъёмов и крепёжных элементов.
К основным функциям интерфейсной части можно отнести:
- буферирование сигналов магистрали;
- селектирование или дешифрация линий адреса;
- выработка внутренних стробирующих сигналов.
Буферирование сигналов применяется для электрического согласования и выполняет две основные функции: электрическая развязка (для всех сигналов) и передача сигналов в нужном направлении (только для двунаправленных сигналов). Иногда с помощью буферирования реализуется также мультиплексирование сигналов [6].
Другой основной функцией интерфейсной части является селектирование и дешифрация адреса. Эту функцию выполняет узел, называемый селектором адреса, который должен выработать сигналы, соответствующие выставлению на шине адреса магистрали кода адреса, принадлежащего данному устройству, или одного из зоны адресов данного устройства. Важно, чтобы адреса проектируемого устройства не перекрывались с адресами, занятыми другими устройствами компьютера. В том случае если устройство сопряжения работает в адресном пространстве памяти селектор адрес должен обрабатывать 20 разрядов адресной шины (при полном объёме памяти до 1 Мбайт) или больше при бóльшем объёме памяти.
Выработка внутренних стробирующих сигналов должна происходить синхронно с магистральными командными сигналами (-IOR, -IOW, -SMEMR, -SMEMW и др.). Для организации асинхронного обмена по шине ISA в низких скоростных характеристик устройства, используется сигнал I/OCHRDY, снятие которого, установка в состояние логического нуля, говорит о неготовности к циклу чтения (записи).
2.6 Обмен данными с компьютером
Существует четыре основных способа обмена данными с компьютером:
- по опросу флага готовности
- в режиме прерывания программы
- в режиме прямого доступа к ОЗУ компьютера
- с использованием автономного контроллера с буферной памятью в качестве накопителя.
Перечисленные способы обмена данными отличаются различными скоростями передачи данных и уровнем сложности аппаратуры, необходимой для их реализации.
Обмен экспериментальных данных с компьютером, работающим по опросу флага готовности внешнего устройства, требует минимальных затрат на разработку и изготовление дополнительной аппаратуры. Данный способ обмена характеризуется достаточно высокой скоростью реакции на обслуживание. Однако это обходится постоянной занятостью процессора тривиальными операциями опроса флага [3].
Если необходимость в обмене возникает достаточно редко, то наиболее приемлемым будет способ обмена с использованием прерывания. Реализация режима прерывания программы требует некоторого усложнения интерфейса связи с объектом, но это позволяет освободить процессор от периодического опроса устройства сопряжения и он в этом случае может заниматься другими задачами. Однако, использование аппаратных прерываний ни в коем случае не увеличивает скорости обмена с устройством сопряжения, наоборот, уменьшает её. Это связано с тем, что реакция на прерывание гораздо медленнее, чем на выставление флага готовности, т.к. чтобы обслужить прерывание процессор должен завершить текущий цикл, сохранить в стеке текущие значения своих регистров и только потом инициализировать контроллер прерываний и перейти на программу обработки прерывания [3,6].
Прямой доступ к памяти предназначен для быстрого обмена данными между устройством ввода-вывода и системной памятью компьютера. Использование режима ПДП весьма специфично. Во-первых, это связано с тем, что максимальный темп выдачи и приёма информации возможен только при передачи большого массива данных и даже в режиме блочной передачипересылка одного байта (слова) требует нескольких тактов SYSCLC и занимает около 1 мкс. Как известно в поле адресов устройств ввода-вывода свободных адресов крайне мало, поэтому на практике возможен только последовательный доступ к буферному ОЗУ устройства ввода-вывода, что дополнительно снижает скорость обмена, и требует усложнения аппаратуры.
Наибольшую скорость выдачи или приёма данных обеспечивают не устройства сопряжения с прямым доступом, а устройства с так называемой разделяемой памятью, в которых быстрая буферная память, расположенная на плате устройства сопряжения доступна как со стороны внешнего устройства, так и со стороны магистрали ISA. При этом процессор рассматривает эту буферную память, как часть системного ОЗУ. В этом случае приём информации в ОЗУ компьютера или выдача её может осуществляться со скоростью до 50 Мбайт/с и выше.
Рассматривая устройства сопряжения имеющие буферные ОЗУ, можно выделить две большие группы:
- устройства сопряжения с непрерывным режимом обмена с внешним устройством. В этом случае буферное ОЗУ непрерывно выдаёт на внешнее устройство или принимает от него данные, а процессор в определённые моменты соответственно записывает или считывает необходимые ячейки этого ОЗУ.
- устройства сопряжения с периодическим режимом обмена. Буферное ОЗУ может находиться в одном из двух режимов: в режиме обмена с компьютером (запись или чтение содержимого ОЗУ) или в режиме обмена с внешним устройством (приём или выдача).
По методу доступа к буферному ОЗУ со стороны компьютера устройства сопряжения могут быть разделены на следующие группы:
- устройства с параллельным доступом к буферному ОЗУ;
- устройства с последовательным доступом к буферному ОЗУ.
Схематически оба метода представлены на рисунке 2.5.

При параллельном доступе каждой ячейке буферного ОЗУ соответствует свой адрес в адресном пространстве компьютера. В этом случае любой задатчик магистрали (процессор, контроллер ПДП и т.д.) может общаться с буферным ОЗУ как с системным, используя для этого все средства, все методы адресации, команды обработки строк. Данные, с точки зрения программиста, накапливаются непосредственно в памяти компьютера.
Естественно это наиболее быстрый метод общения с буферным ОЗУ (а также и с внешним устройством), так как в данном случае не требуется времени для перекачки данных из системной памяти в буферное ОЗУ или наоборот. Адресное пространство устройств ввода-вывода в данном случае использовать нецелесообразно, так как в нем нет достаточно больших непрерывных зон свободных адресов. Кроме того, возможности процессора по работе с памятью гораздо богаче, чем по общению с устройствами ввода-вывода.
При последовательном доступе данные буферного ОЗУ по очереди проецируются в один из адресов в адресном пространстве компьютера (или реже в несколько адресов). То есть задатчик при обращении по одному и тому же адресу в разное время общается с разными ячейками буферного ОЗУ. Главный недостаток этого подхода резкое снижение темпа обмена, а очевидное преимущество – экономия адресов магистрали [6].
3. РАЗРАБОТКА ЦИФРОВЫХ УСТРОЙСТВ НА БАЗЕ ПЛИС
3.1 Современные и перспективные ИС со сложными программируемыми структурами
Размеры плат микро-PC составляют всего 114×124 мм, поэтому для создания крупных систем нужно использовать микросхемы высокой степени интеграции и стараться разметить всю схему в минимальное число корпусов элементов.
Наряду со стандартными, в системе накопления, как и в любой другой системе, присутствуют и нестандартные части, специфичные для данной разработки. Это могут быть различные схемы управления, схемы реализации заданного алгоритма и т.п. Процесс реализации нестандартной части устройства, как правило, связан применением микросхем малой и средней степени интеграции. Применение малых и средних ИС неизбежно приводит к росту числа корпусов ИС, усложнением монтажа и отладки, снижением быстродействия и надёжности схем. Заказать для системы специализированные ИС высокого уровня интеграции затруднительно, т.к. это связано с большими затратами средств и времени. Существующее противоречие может быть разрешено путём применения современных программируемых логических интегральных схем [7].
Первыми представителями программируемых ИС явились программируемые логические матрицы ПЛМ, программируемая матричная логика ПМЛ и базовые матричные кристаллы БМК, называемые также вентильными матрицами. ПМЛ и ПЛМ в английской терминологии часто объединяются терминомPLD, ProgrammablelogicDevices.
Развитие БИС/СБИС с программируемой и репрограммируемой логикой оказалось настолько перспективным направлением, что привело к созданию новых эффективных средств разработки цифровых систем, таких 
какCPLD (Complex PLD), FPGA (Field Programmable Gate Array) иSPGA (System Programmable Gate Array).
Основой программируемых логических матриц служит последовательность элементов И и ИЛИ. В структуру также входят блоки входных и выходных буферных каскадов (рис. 3.1)
Входные буферы, как правило, предназначены дляпреобразования однофазных входных сигналов в парафазные и формирования сигналов необходимой мощности для питания матрицы элементов И.
Выходные буферы обеспечивают необходимую нагрузочную способность выходов, разрешают или запрещают выход ПЛМ на внешние шины с помощью сигнала OE, а иногда выполняют и более сложные действия.
Переменные x1 …xm подаются через входные буферные каскады на входы элементов И, и в матрице И образуют L термов. Терм – это конъюнкция, связывающая входные переменные, представленные в прямой или инверсной форме. Число формируемых термов равно числу выходов матрицы И.
Термы подаются далее на входы матрицы ИЛИ, т.е. на входы дизъюнкторов формирующих выходные функции. Число дизъюнкторов равно числу вырабатываемых функций N. Воспроизводимые функции являются комбинациями из любого числа термов, формируемых матрицей И. Какие именно термы будут выработаны и какие комбинации этих термов составят входные функции, определяется программированием. Таким образом, ПЛМ способна реализовать систему N логических функций от M аргументов, содержащую не более L термов.
Принцип программирования основан на том, что в матрицах имеются системы горизонтальных и вертикальных связей , в узлах которых при программировании создаютсяили ликвидируются связи. В качестве узлов связей используются диоды. До программирования все перемычки целы и диоды связи размещены во всех узлах координатной сетки. При программировании в схеме остаются только необходимые элементы связи, а ненужные устраняются пережиганием перемычек.
Логическая мощность ПЛМ зачастую используется не полностью. Это проявляется, в частности, при воспроизведении типичных функций, не имеющих больших пересечений друг с другом по одинаковым термам. В таких случаях возможность использования выходов любых конъюнкторов любыми дизъюнкторами становится излишним усложнением. Отказ от этой возможности означает использование не программируемой, а заданной матрицы ИЛИ. Структура в которой выходы матрицы И жёстко распределены между элементами ИЛИполучила название ПМЛ.В сравнении с ПЛМ схемы ПМЛ имеют меньшую гибкость, т.к. матрица ИЛИ фиксирована, но их изготовление дешевле и использование проще.
Отдельной ветвью в развитии программируемых интегральных схем являются базовые матричные кристаллы (вентильные матрицы с масочным программированием). Основа первых БМК – совокупность регулярно расположенных на кристалле базовых ячеек (БЯ), между которыми имеются свободные зоны (каналы) для создания соединений. БЯ занимают внутреннюю область БМК, в которой они расположены по столбцам, и содержат группы нескоммутированных элементов (транзисторов, резисторов и др.). В периферийной области размещены ячейки ввода-вывода. Потребитель может реализовать на основе БМК некоторое множество устройств определённого класса, задав тот или иной вариант рисунка межсоединений компонентов. Основной характеристикой БМК помимо числа эквивалентных вентилей является трассировочная способность, которая определяется площадью отводимой для межэлементных связей в ортогональных направлениях. Недостаточная трассировочная способность приводит к уменьшению числа задействованных при построении базовых ячеек. Избыточная трассировочная способность ведёт к нерациональному использованию кристалла, что понижает уровень интеграции БМК и повышает его стоимость. Для решения подобных проблем строятся многослойные БМК, при этом число слоёв межсоединений может составлять от 2 до 6 и более.
Ранее перечисленные архитектуры ПЛИС, содержащие небольшое количество ячеек, к настоящему времени морально устарели и применяются для реализации относительно простых устройств, для которых не существует готовых ИС средней степени интеграции [8]. Для реализации крупных проектов они не пригодны.
Развитие технологий, опыт использования программируемых интегральных логических схем (ПЛИС) приводит к выводу, что это максимально удобная в освоении и применении элементная база, альтернативы которой зачастую не найти. Последние годы характеризуются резким ростом плотности упаковки элементов на кристалле, многие ведущие производители либо начали серийное производство, либо анонсировали ПЛИС с эквивалентной ёмкостью более одного миллиона эквивалентных вентилей на кристалл.
Современные ПЛИС классифицируются по конструктивно-технологическому типу программируемых элементов. Число программируемых двухполюсников (программируемых точек связи ПТС) в ПЛИС зависит от сложности и может доходить до нескольких миллионов. Наиболее характерны следующие виды программируемых ключей:
- перемычки типа antifuse
- ЛИЗМОП транзисторы с двойным затвором
- ключевые транзисторы, управляемые триггерами памяти конфигурации (теневым ЗУ) [7].
Программирование с помощью перемычек antifuse является однократными. Высококачественные перемычки фирмы Actel компактны, имеют очень малые токи в первоначальном (непроводящем) состоянии (порядка10-15 А). Перемычка образована трёхслойным диэлектриком с чередованием слоёв оксид-нитрид-оксид. Программирующий импульс напряжения пробивает перемычку и создаёт проводящий канал из поликремния между электродами. Величина тока, создаваемого импульсом программирования, влияет на диаметр проводящего канала (например ток 5 мА создаёт перемычку с сопротивление 600 Ом, ток 15мА – 100 Ом) [7].
Элементы EPROM и EEPROM на ЛИЗМОП (МОП-структуры с лавинной инжекцией заряда) транзисторах с плавающих затвором используются в ПЛИС, где с помощью программируемой памяти задаётся конфигурация схемы. Стирание старой конфигурации в ПЛИС на основе EPROM требует длительного (около 1 часа) облучения УФ-излучением. Такие микросхемы имеют ограничение количества циклов перепрограммирования из-за деградации свойств полупроводниковых материалов под воздействием ультрафиолета. Технология EEPROM, для обновления не требует извлечения микросхемы, допускает достаточно большое число циклов стирания (104 …106 ). Процесс стирания и обновления конфигурации занимает время порядка миллисекунд. В последнее время схемотехника EEPROM совершенствуется и всё больше вытесняет схемотехнику EPROM. Технология программируемой памяти применяется в ПЛИС типа CPLD.
В качестве программируемого элемента связи в ПЛИС FPGA используется транзисторный ключ, управляемый триггером, показанный на рис.3.2
Ключевой транзистор Т2 замыкает или размыкает участок АВ в зависимости от состояния триггера. При программировании на линию выборки подаётся высокий потенциал, и транзистор Т1 включается. С линии записи-чтения подаётся сигнал, устанавливающий триггер в состояние «1» и «0».
Загрузка соответствующих данных в память конфигурации программирует ПЛИС. Быстрый процесс оперативного программирования может производиться неограниченное число раз. При выключении питания конфигурация теряется. Каждый раз при включении питания необходим процесс инициализации (конфигурирования) схемы - загрузка данных из энергонезависимой памяти [1].
ИС класса ПЛМ и ПМЛ имеющие структуру весьма удобную для построения цифровых автоматов положили начало развития архитектуры программируемых коммутируемых матричных блоков (ПКМБ), которые представляют собой ПЛИС содержащую несколько матричных логических блоков, объединённых коммутационной матрицей. ПЛИС типа ПКМБ, как правило, имеют высокую степень интеграции (до 10 тыс. эквивалентных вентилей). К этому классу относятся ПЛИС семейства MAX5000, MAX7000 фирмы Altera, схемы XC7000, XC9500 фирмы Xilinxи др. ПЛИС класса ПКМБ в зарубежной литературе получили название CPLD (ComplexPLD).
Архитектурно CPLD состоят из центральной коммутационной матрицы, множества функциональных блоков ФБ (макроячеек) и блоков ввода-вывода на периферии кристалла. Система коммутации построена на основе непрерывных связей, что даёт хорошую предсказуемость задержек сигналов в связях. Программируемая матрица соединений (PIA) позволяет соединить выход любого ЛБ с входами других и обеспечить связи с вертикальными и горизонтальными линиями. Как и во всех ПЛИС, логические операции производятся в ЛБ, которые соединяются в единую систему с помощью ПМС. Каждый ЛБ содержит 16 макроячеек. Классическим представителем CPLD являются микросхемы семейства MAX7000, фирмы Altera, имеющими память конфигурации типа EEPROM. В настоящее время выпускаются ПЛИС MAX7000, MAX7000A, MAX7000B, MAX7000E, MAX7000S. Семейства MAX7000A и MAX7000B рассчитаны на работу в системах с напряжением питания 3,3 и 2,5В соответственно, ПЛИС MAX7000S является дальнейшим развитием 5-вольтовогоMAX7000, с возможностью программирования в системе (ISP, In-systemprogrammability) и периферийного сканирования в соответствии со стандартом IEEEStd. 1194.1 JTAG. Фрагмент структуры CPLDMAX7000S дающий достаточно полное представление о ней изображён на рисунке 3.3а.
В отличие от архитектуры MAX7000 ПЛИС MAX7000S имеют дополнительную возможность использования двух глобальных тактовых сигналов GCLK1 и GCLK2 и сброса GCLR, а также сигналы разрешения выходов ОЕ.
Логический блок обеспечивает построение как комбинационных цепей, так и схем с элементами памяти. Одна из макроячеек логического блока изображена на рисунке 3.3б.
При недостатке собственных термов внутри макроячейки, можно воспользоваться дополнительными ресурсами двух типов логических расширителей общего (разделяемого) и параллельного.
Блок ввода-вывода даёт возможность гибкого управления разрешением выходного буфера. ПМС формирует глобальные сигналы разрешения выходов ОЕ, допуская возможность перевода выходов ПЛИС в третье состояние. ПЛИСMAX7000S поддерживают аппаратную эмуляцию выходов с открытым коллектором, кроме того, может программироваться и скорость изменения выходов сигналов с целью предупреждения возможных паразитных колебаний при переключении.
Продолжением линии БМК стали программируемые пользователем вентильные матрицы ППВМ (FPGA). Логические блоки таких ПЛИС состоят из одного или нескольких относительно простых логических элементов (коммутируемых логических блоков КЛБ), в основе которых лежит таблица перекодировки, программируемый мультиплексор, D-триггер и цепи управления. Таких простых элементов может быть достаточно большое количество (у современных ПЛИС ёмкостью до 1 миллиона вентилей число логических элементов достигает нескольких десятков тысяч). Таким образом, архитектуру ППВМ можно представить в виде структуры БМК, где вместо базовых ячеек находятся КЛБ. В английской терминологии данный класс микросхем называется FPGA (FieldProgrammableGateArray).К наиболее известным FPGA относятся ПЛИС семейства XC2000, XC3000, XC4000, XC5000 и Spartan, Virtex фирмы Xilinx, ACT1,ACT2 фирмы Actel, а также семейства FLEX8000 фирмы Altera, некоторые ПЛИС Atmel и Vantis [8].

В качестве КЛБ могут использоваться:
- транзисторные пары, простые логические вентили и т.п.
- логические модули на основе мультиплексоров
- логические модули на основе программируемых ПЗУ
Наиболее важные характеристики КЛБ отражаются двумя параметрами зернистость и функциональность.
Первое свойство связано с тем,какие минимальные единицы логики (транзистор, вентиль, логический модуль) можно применить для составления нужной схемы. Второе свойство показывает насколько велики логические возможности КЛБ. Т.о. оба параметра взаимопротивоположны. Мелкозернистые ЛБ фирмы CrosspointSolution содержат цепочки транзисторов. Между цепочками транзисторов имеются трассировочные каналы, в которых могут быть реализованы необходимые межсоединения. Крупнозернистый блок в микросхемах XC4000E фирмы Xilinx в качестве основы имеет три функциональных логических преобразователя, ряд программируемых мультиплексоров и два триггера. Такой блок способен реализовать более сложные функции, что ведёт к упрощению программируемой части межсоединений. Иными словами, меняя зернистость можно выиграть в одном и проиграть в другом.
Системы межсоединений, как и логические блоки, реализуются в широком диапазоне архитектурных и технологических решений. Линии связи в FPGA как правило сегментированы, т.е. составлены из сегментов различной длины, соединённых программируемыми связями.
Короткие сегменты затрудняют реализацию длинных связей, длинные – коротких. Поэтому применяют иерархическую систему связей с несколькими типами межсоединений для передачи на разные расстояния, такое решение позволяет строить системы с максимальной коммутируемостью КЛБ при минимальном количестве ключей и задержки сигналов, а также предсказуемость последних, что облегчает программирование [7].
Критерий трассировочной способности системы межсоединений отображает возможность создания в FPGA множества схем типового применения (только с помощью программируемых перемычек).
Объединение достоинств FPGA и CPLD привело к созданию ПЛИС смешанной архитектуры (общего названия для этого типа ПЛИС пока не придумано, фирма Altera пользуется термином FieldProgrammableGateArraysFLEX). Микросхемы FLEX содержат реконфигурируемыемодули памяти РМП. Впервые такая встроенная память появилась в семействе FLEX
10K [7] (рис.3.4).

Логические элементы (ЛЭ) объединяются в группы – логические блоки. Внутри логических блоков ЛЭ соединяются посредством глобальной программируемой матрицы соединений. Локальная и глобальная матрицы соединений имеют непрерывную структуру – для каждого соединения выделяется непрерывный канал.
Дальнейшее развитие архитектур идёт по пути создания комбинированных архитектур, сочетающих удобство реализации оперативно реконфигурируемых систем, характерных для FPGA структур и многоуровневых ПЛИС с удобством реализации цифровых автоматов на CPLD архитектурах. В продукции наиболее известных производителей ПЛИС можно выделить микросхемы APEX 20K/KE (рис.3.5) фирмы Altera и Virtex фирмы Xilinx. Стоит отметить, что при всех своих достоинствах такие ПЛИС пока мало популярны из-за высокой стоимости [7].

В таких микросхемах уровень интеграции доведён до нескольких миллионов эквивалентных вентилей, а быстродействие до тактовых частот 500…600 МГц. На таких кристаллах можно поместить целую систему (в зарубежной литературе принят термин System-On-Chip, SOC), включающую процессорную часть, память, интерфейсные схемы и др.
Компоненты этих систем разрабатываются отдельно и хранятся в виде файлов параметризованных модулей. На базе таких виртуальных компонентов с помощью систем автоматизированного проектирования электронных устройств EDA (ElectronicDesignAutomation) создаётся окончательная структура SOC-микросхем.
3.2 Методы и средства проектирования устройств с программируемой логикой
Характер проектирования существенно зависит от вида применяемой элементной базы. Небольшие устройства для реализации которых используются ПЛИС малой степени интеграции разрабатываются, как правило «вручную», когда проектирование сводится к построению таблицы программирования (прошивки), на основании которой обеспечиваются необходимые межсоединения.
Все современные методики проектирования ЦУ на базе схем программируемой логики высокой сложности основаны на применении САПР. Новейшие САПР предоставляют широкий набор инструменты для проектирования на этапах описания, компиляции, отладки, функционального и временного моделирования, конфигурирования, физического моделирования и программирования [7].
В настоящее время к наиболее распространенным универсальным способам описания, применимым для проектов любого уровня относят графический и текстовый. Реже используются непосредственная разводка схем в редакторе топологии, описания в виде требуемых временных диаграмм, а также описания путём построения графов.
Графический способ разработки дизайна подразумевает макетное построение схемы с использованием библиотечных элементов САПР, которые могут быть представлены в виде примитивов, в виде макрофункций в базисе элементов стандартных серий ТТЛ(Ш) или в виде параметризованных модулей. Главное достоинство графического способа – его традиционность и наглядность.
Использование текстового представления проекта допускает описание устройства, как с точки зрения поведения, так и с точки зрения структуры. Удобство текстового описания проявляется при создании систем, содержащих большое количество повторяющих фрагментов. Важными достоинствами являются текстового описания компактность и относительная простота автоматизации любых преобразований, включая начальную генерацию описания проекта.
Использование стандартных универсальных языков описания аппаратуры (HDL, HardwareDescriptionLanguages) обеспечивает простоту переноса проекта с однойаппаратной платформы на другую и переход от одной САПР к другой [7]. Текстовые описания имеют две основные разновидности – языки низкого уровня (аналоги языков программирования типа ассемблера) и высокого уровня. Примерами таких языков могут служить язык AHDL (AlteraHDL) и ABEL (фирмы Xilinx). Языки высокого уровня менее связаны с аппаратными платформами и поэтому более универсальны. Среди них наиболее распространены языки VHDL и Verilog [7].
Описание в виде граф-схемы переходов (диаграммы состояний) является наиболее распространённым вариантом задания цифровых автоматов. Графические редакторы для создания автоматов включаются в состав средств задания исходных проектов современных САПР (например, в САПР Foundation фирмы Xilinx разработки фирмы ALDEC).
После составления описания проекта производится его компиляция. Данная процедура разбивается на ряд последовательных действий: сборка базы данных проекта, контроль соединений, логическая минимизация проекта, формирование загрузочного (конфигурационного) файла и др. Результат компиляции – загрузочный файл.
Тестирования проекта часто производится путём работы с редактором временных диаграмм. В данном варианте анализ производится на основе созданного генератора воздействия. Например в САПР MAX+PLUSII предусмотрено автоматическое вычисление трёх основных классов временных параметров:
- минимальных и максимальных задержек между источниками (входными сигналами) и приёмниками (выходными сигналами), информация о которых выдаётся в виде матрицы задержек;
- максимально возможной производительности устройства (пропускной способности) в виде максимальной частоты тактирования элементов памяти, используемых в проекте.
- времён предустановки и выдержки сигналов, гарантирующих надёжную работу схем при фиксации сигналов в синхронных элементах памяти [7].
Многие САПР позволяют также выделять критические пути передачи и преобразования информации для схемного или топологического представления проекта.
При выборе той или иной элементной базы не маловажным критерием является наличие достаточно развитых и удобных средств разработки проектов на её основе.
Ряд фирм предлагает бесплатные версии САПР, представляющих собой базовый набор инструментов для проектирования ЦУ на базе ПЛИС. Примерами могут служить САПР MAX+PLUSIIBASELINE – среда проектирования устройств на базе ПЛИС фирмы Altera, WebPACKISE – версия САПР для ПЛИС фирмы Xilinx. Среди бесплатных САПР Xilinx следует также выделить систему WebFITTER, первый в своем роде продукт, основанный на использовании Internet.
Многие крупные фирмы-производители САПР интегральных схем активно включились в процесс создания программного обеспечения, поддерживающего ПЛИС различных производителей. Это позволяет проводить разработку алгоритмов, пригодных к реализации на ПЛИС не только разных семейств, но и различных производителей, что облегчает переносимость алгоритма и ускоряет процесс разработки. Примером таких систем являются продукты серии FPGA Express фирмы Synopsys, OrCAD Express фирмы OrCAD, продукты фирм VeryBest, Aldec, Cadence Design Systems и многих других. САПР фирмы Altera поддерживает интерфейс со многими из названных продуктов.
3.3 САПР MAX + PLUS II
Система MAX+PLUSII разработана фирмой Altera и обеспечивает многоплатформенную архитектурно независимую среду создания дизайна, легко приспосабливаемую для конкретных требований пользователя.
Название MAX+PLUSII является аббревиатурой от MultipleArrayMatriXProgrammableLogicUserSystem (пользовательская система программирования логики упорядоченных структур). Система MAX+PLUS II имеет полный спектр возможностей логического дизайна: разнообразные средства описания проектов с иерархической структурой, мощный логический синтез, компиляцию с заданными временными параметрами, разделение на части (использование нескольких кристаллов), функциональное и временное тестирование (симуляцию), тестирование нескольких связанных устройств, анализ временных параметров системы, автоматическую локализацию ошибок, а также программирование и верификацию устройств [8]. Процедуру разработки нового проекта от концепции до завершения можно упрощённо представить следующим образом:
1) создание нового файла проекта или иерархической структуры нескольких файлов проекта с помощью любого сочетания редакторов в системе MAX+PLUS II, то есть графического, текстового и сигнального редакторов;
2) задание имени файла - проекта верхнего уровня в качестве имени проекта;
3) назначение семейства ПЛИС для проекта;
4) компиляция проекта. По желанию пользователя можно подключить модуль извлечения временных параметров проекта Timing SNF Extractor для создания файла, используемого при временном моделировании;
5) в случае успешной компиляции возможен временной анализ в окне Timing Analyzer и симуляция в окне Simulator
6) программирование с использованием программатора MPU (Master Programming Unit) или подключение загрузочных устройств BitBlaster, Byte-Blaster или FLEX Download Cable к устройству, программируемому в системе;
ПО системы MAX+PLUS II содержит 11 приложений и главную управляющую программу. Различные приложения, обеспечивающие создание проекта, могут быть активизированы мгновенно, что позволяет пользователю переключаться между ними щелчком мыши или с помощью команд меню. В это же время может работать одно из фоновых приложений, например, компилятор, симулятор, анализатор синхронизации и программатор. Одни и те же команды разных приложений работают одинаково, что облегчает задачу разработки логического дизайна.
В таблице 1 приведено краткое описание приложений.
В САПР MAX+PLUS II легко доступны все инструменты для создания проекта. Разработка проекта ускоряется за счёт имеющихся стандартных функций, в том числе примитивов, мегафункций, библиотеки параметризованных модулей (LPM) и макрофункций устаревшего типа микросхем 74 серии.
Таблица 1 Приложения системы MAX+PLUSII.
| Приложение | Выполняемая функция |
| Hierarchy Display | Обзор иерархии - отображает текущую иерархическую структуру файлов в виде дерева с ветвями, представляющими собой подпроекты. |
| Graphic Editor | Графический редактор - позволяет разрабатывать схемный логический проект в формате реального отображения на экране WYSIWYG. |
| Symbol Editor | Символьный редактор - позволяет редактировать существующие символы и создавать новые. |
| Text Editor | Текстовый редактор - позволяет создавать и редактировать текстовые файлы логического дизайна, написанные на языках AHDL, VHDL, Verilog HDL. |
| Waveform Editor | Сигнальный редактор - выполняет двойную функцию: инструмент для разработки дизайна и инструмент для ввода тестовых векторов и наблюдения результатов тестирования. |
| Floorplan Editor | Поуровневый планировщик - позволяет графическими средствами делать назначения контактам устройства и ресурсов логических элементов. |
| Compiler | Компилятор - обрабатывает логические проекты. |
| Simulator | Симулятор - позволяет тестировать логические операции и внутреннюю синхронизацию проектируемой логической цепи. |
| Timing Analyzer | Временной анализатор - анализирует работу проектируемой логической цепи после того, как она была синтезирована и оптимизирована компилятором. |
| Programmer | Программатор - позволяет программировать, конфигурировать, проводить верификацию и тестировать ПЛИС фирмы ALTERA. |
| Message Processor | Генератор сообщений - выдает сообщения об ошибках, предупреждающие и информационные сообщения. |
В системе MAX+PLUS II есть три редактора для разработки проекта: графический, текстовый и сигнальный, а также два вспомогательных редактора: поуровневый планировщик и символьный редактор.
Графический редактор (Graphic Editor) обеспечивает проектирование в реальном формате изображения (WYSIWIG). Графические файлы проекта (.gdf) или схемные файлы OrCAD (.sch), созданные в данном графическом редакторе, могут включать любую комбинацию символов примитивов, мегафункций и макрофункций. Символы могут представлять собой любой тип файла проекта (.gdf .sch .tdf .vhd .v .wdf .edf .xnf .adf .smf).
Символьный редактор (Symbol Editor) позволяет просматривать, создавать и редактировать символ. Символьный файл имеет то же имя, что и проект, и расширение “.sym”. Команда CreatDefaultSymbolменю File, которая есть в графическом, текстовом и сигнальном редакторах, создает символ для любого файла проекта. Символьный редактор обладает следующими характеристиками: можно переопределить символ, представляющий файл проекта, создавать и редактировать выводы и их имена, используя входные, выходные и двунаправленные выводы, а также задавать варианты ввода символа в файл графического редактора, задать значения параметров и их значения по умолчанию; сетка и направляющие помогают выполнить точное выравнивание объектов, в символе можно вводить комментарии.
Текстовый редактор (Text Editor) является инструментом для создания текстовых файлов проекта на языках описания аппаратуры: AHDL (.tdf), VHDL (.vhd), Verilog HDL (.v). Все перечисленные файлы проекта можно создавать в любом текстовом редакторе, однако данный редактор имеет встроенные возможности ввода файлов проекта, их компиляции и отладки с выдачей сообщений об ошибках и их локализацией в исходном тексте или в тексте вспомогательных файлов; кроме того, существуют шаблоны языковых конструкций для AHDL, VHDL и Verilog HDL, выполнено окрашивание синтаксических конструкций. В данном редакторе можно вручную редактировать файлы назначений и конфигурации (.acf), а также делать установки конфигурации для компилятора, симулятора и временного анализатора.
Пользуясь данным текстовым редактором, можно создавать тестовые векторы (.vec), используемые для тестирования, отладки функций и при вводе сигнального проекта. Можно также создавать командные файлы (.cmd — для симулятора и .edc — для EDIF), а также макробиблиотеки (.lmf).
Сигнальный редактор (Waveform Editor) служит инструментом создания описания проекта, ввода тестовых векторов и просмотра результатов тестирования. Пользователь может создавать сигнальные файлы проекта (.wdf), которые содержат временные диаграммы, описывающие логику работы проекта, а также файлы каналов тестирования (.scf), которые содержат входные вектора для тестирования и функциональной отладки. Разработка описания проекта в сигнальном редакторе является альтернативой его создания в графическом или текстовом редакторах. Здесь можно графическим способом задавать комбинации входных логических уровней и требуемых выходов. Созданный таким образом файл WDF может содержать как логические входы, так и входы цифрового автомата, а также выходы комбинаторной логики, счётчиков и цифровых автоматов. Способ разработки дизайна в сигнальном редакторе лучше подходит для цепей с чётко определёнными последовательными входами и выходами, то есть для цифровых автоматов, счётчиков и регистров.
Поуровневый планировщик (Floorplan Editor) предназначен для назначения ресурсов физических устройств и просмотра результатов разводки, сделанных компилятором. В окне поуровневого планировщика могут быть представлены два типа изображения:
- Device View (Вид устройства) показывает все контакты устройства и их функции;
- LAB View (Вид логического структурного блока) показывает внутреннюю часть устройства, в том числе все логические структурные блоки (LAB) и отдельные логические элементы.
После выполнения всех назначений и задания проекта приступают к его компиляции. Сначала компилятор извлекает информацию об иерархических связях между файлами проекта и проверяет проект на простые ошибки ввода описания проекта.
Компилятор применяет разнообразные способы увеличения эффективности проекта и минимизации использования ресурсов устройства. Если проект слишком большой, чтобы быть реализованным в одном устройстве, компилятор может автоматически разбить его на части для реализации в нескольких устройствах того же самого семейства, при этом число соединений между устройствами минимизируется. В файле отчёта (.rpt) затем будет отражено, как проект будет реализован в одном или нескольких устройствах.
Кроме того, компилятор создает программирующие файлы, используемые программатором для программирования одного или нескольких устройств. У разработчика также есть возможность настроить обработку проекта. Например, можно задать стиль логического синтеза проекта по умолчанию и другие параметры логического синтеза в рамках всего проекта. Кроме того, можно ввести требования по синхронизации в рамках всего проекта, точно задать разбиение большого проекта на части для реализации в нескольких устройствах и выбрать варианты параметров устройств, которые будут применены для всего проекта в целом. Загрузку готового проекта в ПЛИС или конфигурационное ПЗУ выполняют с помощью программатора (Programmer).
4. ПОИСК СХЕМОТЕХНИЧЕСКИХ РЕШЕНИЙ
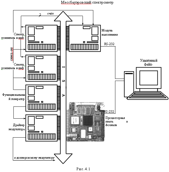
Модульный принцип построения системы накопления подразумевает создание набора встраиваемых плат расширения для персонального компьютера либо систем стандарта микро-PC с магистралью ISA. Развивая и усовершенствуя весь мессбауэровский спектрометр возможно создание полноценного автоматизированного комплекса с реализацией всех узлов электронного блока спектрометра в виде модулей (рис.4.1).

Модульность системы накопления даёт возможность оперативно менять конфигурацию. Путём добавления необходимого числа модулей можно выстроить систему независимых спектрометрических трактов. Таким образом, модульная концепция системы накопления – есть средство реализации многоканальности.
Система, удовлетворяющая многомерным задачам мессбауэровской спектрометрии должна укладываться в критерии многоканальности. Т.е. аппаратура для многомерных задач должна быть также модульной.
Суммируя вышеперечисленные условия (и ряд других) наиболее удобным представляется построение модуля накопления с возможностью сбора данных от двух синхронных трактов регистрации и накопления 24-битного результата. Такой модуль можно успешно применять для снятия данных в многомерных гамма-оптических схемах эксперимента в составе многоканальной системы накопления.
Схема модуля накопления должна содержать микроконтроллер. Это связано, прежде всего, с тем, что модуль накопления является оператором данных большой разрядности (24 бит) и необходимо построить систему с максимально упрощённым алгоритмом доступа к банку данных со стороны магистрали ISA. Другое дело задача об оптимальном (по ряду критериев) распределении функций между аппаратурными средствами и программным обеспечением. При этом в самом общем случае необходимо исходить из того, что перенесение всех функций на аппаратурные средства обеспечивает высокое быстродействие системы в целом, но приводит к значительному усложнению схемы и сопряжено с увеличением стоимости конечного изделия. Кроме того, в данном случае исчезает возможность создания автономной системы. Бóльший удельный вес программного обеспечения позволяет сократить сложность аппаратурных средств, но это приводит к снижению быстродействия и увеличению затрат и сроков разработки и отладки прикладных программ. Время жизни изделия, в котором большая часть функций реализована в программном обеспечении, многократно возрастает за счет того, что срок "морального старения" изделия может быть существенно отодвинут путём совершенствования и перестроения программного обеспечения. Программная реализация основных элементов алгоритма работы накопителя допускает его модификацию относительно простыми средствами. Это и есть главный критерий построения гибких реконфигурируемых систем.
Учитывая широкие возможности микроконтроллера по работе с памятью, предполагается использование его системного ОЗУ (СОЗУ) для хранения и накопления спектрометрических данных. Объём СОЗУ должен быть достаточным для хранения банка 2х24х4096 бит, а также промежуточных данных. Наибольшие скоростные требования предъявляются к той части схемы, где реализуется алгоритм накопления первого байта (счётные блоки, блоки суммирования и т.д.), поэтому данная часть должна быть исполнена аппаратно с использованием быстрой статической памяти. Накопление старших байтов можно производить с использованием программных средств микроконтроллера. Из всех рассмотренных ранее способов обмена с компьютером наиболее подходящим является применение разделяемой памяти. В этом случае трансляция накопленных в СОЗУ данных должна производиться с использованием буферного ОЗУ доступного как со стороны шины ISA, так и со стороны микроконтроллера. Кроме того, БОЗУ может применяться для быстрого (в течение нерабочего режима системы регистрации, составляющего 11 мс) чтения данных собранных в системе накопления первого байта. Такой подход (совместно с другими положениями) позволяет организовать систему с непрерывным процессом накопления. Помимо ISA в качестве внешнего интерфейса может использоваться последовательный порт микроконтроллера (например, в случае автономной работы модуля накопления).
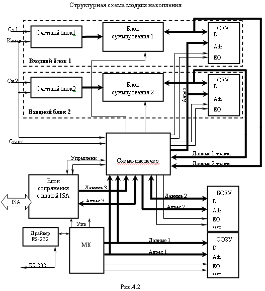
Преследуя принцип минимизации количества корпусов микросхем на малогабаритной плате необходимо предельно использовать возможности ПЛИС. Практически вся аппаратная часть, в том числе схема блока сопряжения, может быть реализована на одном кристалле ПЛИС. Использование наиболее популярных серий ПЛИС с доступными средствами автоматизированного проектирования позволяет строить надёжные устройства при помощи современных методов моделирования на функциональном и физическом уровне. Предлагаемый модуль накопления содержит два входных блока осуществляющих накопление данных первого байта. Каждый блок, в свою очередь, состоит из счётного блока и схемы промежуточного хранения (рис.4.2).

Использование буферного ОЗУ позволяет построить следующий алгоритм работы устройств на схеме модуля накопления. С приходом стартового импульса начинается очередной цикл регистрации данных. Входные импульсы с двух трактов регистрации поступают на входы счётных блоков 1 и 2, где производится их подсчёт за время равное периоду следования канальных импульсов системы регистрации.
По приходу очередного канального импульса происходит выдача данных на входы блоков суммирования и обнуление счётчиков для импульсов следующего временного окна. В тоже время блок выработки адреса схемы-диспетчера осуществляет выборку данных в ячейках ОЗУ соответствующих очередному номеру импульса «Канал». Блоки суммирования производят их сложение с данными, поступившими со счётных блоков. Результаты сложения возвращаются в ОЗУ по тому же адресу.
Так продолжается накопление данных в 4096 каналов после чего следует период нерабочего состояния системы регистрации длительностью 11 мс. За это время может быть произведена быстрая автоматическая трансляция в буферное ОЗУ данных накопленных в ОЗУ1 или ОЗУ2. Процесс передачи данных не обязательно должен производится в конце каждого цикла регистрации. Периодичность обмена определяется степенью загрузки трактов. Даже при высоких параметрах загрузки порядка 106 имп./с чтение ОЗУ необходимо производить в конце каждого десятого цикла регистрации. Таким образом работа с данными в накопительных ОЗУ (ОЗУ1 и ОЗУ2) производится по принципу «чтение-модификация-запись» (рис.4.3) Это относится и к режиму накопления и к режиму автоматической трансляции. В последнем случае на место прочитанных и переданных в буферное ОЗУ данных записывается нуль.

Данные, переданные в буферное ОЗУ, находятся в распоряжении микроконтроллера, который, выполняя подпрограмму суммирования, производит накопление трёхбайтного массива данных в системном ОЗУ.
Результат накопления спектров первого и второго тракта хранятся в системном ОЗУ и могут быть по запросу переданы на шину ISA. Передача данных производится блоками по 4 К байт с использованием буферного ОЗУ доступного со стороны ISA. Компьютер либо другая управляющая система (host) передают команды управления (запросы на доступ к банку данных, параметры накопления) используя либо буферное ОЗУ, либо последовательный порт с протоколом RS-232, либо регистры доступные со стороны магистрали ISA в поле адресов устройств ввода-вывода.
5. РАСЧЁТНАЯ ЧАСТЬ
При разработке модуля накопления необходимо исходить из принципа максимальной простоты эксплуатации. С этой точки зрения схема должна позволять осуществлять программированиемикроконтроллера, как инструмента накопления данных и управления ресурсами, с учётом необходимой и достаточной степени доступа к конечной аппаратуре.

Модуль накопления для задач многомерной мессбауэровской спектрометрии спроектирован с учётом следующих условий:
- Синхронизация накопителя с системой доплеровской модуляции осуществляется внешними тактовыми импульсами “старт” и “канал”, имеющими стандартные ТТЛ уровни (рис.5.1).
- Основным внешним интерфейсом накопителя является магистраль ISA. Доступ к данным осуществляется в режиме разделяемой памяти с использованием буферного ОЗУ.
- Накопление мессбауэровского спектра осуществляется в режиме последовательного многоканального пересчета, при котором количество импульсов, подсчитанное за последовательные равные интервалы времени заносятся в последовательные каналы (ячейки памяти).
- Модуль производит подсчёт входных импульсов, накопление 24-разрядных данных в 4096 каналов и обеспечивает их хранение.
5.1 Разработка проекта на базе ПЛИС
Как уже отмечалось, центральной и наиболее трудоёмкой частью разработки является проектирование ПЛИС. На кристалл размещены практически все функциональные блоки модуля накопления, за исключением микроконтроллера и элементов оперативной памяти.
За основу принята серия MAX7000S фирмы Altera – это ПЛИС класса CPLD с возможностью внутрисистемного программирования, и не требующих внешней памяти конфигурации.
Микросхемы семейства MAX7000 характеризуются высокими параметрами быстродействия: максимальная глобальная тактовая частота не ниже 125 МГц. Матрица соединений имеет непрерывную структуру, что позволяет реализовать время задержки распространения сигнала до 5 нс.
Разработка кристалла ПЛИС осуществлялась в системе проектирования MAX+PLUSII – до последнего времени единственной САПР для большинства ПЛИС фирмы Altera.
Дизайн проекта выполнен в виде иерархической структуры файлов созданных в графическом редакторе системы MAX+PLUSII (рис.5.2). Для тестирования, как отдельных узлов, так и всего проекта использовался сигнальный редактор.
Файлом верхнего уровня (файлом проекта) является файл Sistema.gdf. Этот файл обрабатывается компилятором. Он содержит логику проекта и выполнен в виде иерархической структуры. Структурное разделение в целом соответствует функциональному.

Блок схема отражает наличие лишь наиболее значимых частей (файлов) проекта. Так, например, в схеме часто используются элементы задержки, составленные из соответствующих примитивов MAX+PLUSII. Кроме того, при составлении схем применялись модули параметризованных функций, поставляемые фирмой Altera.
Основные функции работы модуля накопления реализованы в блоке Kern. Он содержит в себе операционный блок (Operator) в котором, совместно с внешними, относительно ПЛИС, элементами ОЗУ выполняется алгоритм накопления первого байта данных. Кроме того, блок Kern включает в себя схему выработки адреса ячеек ОЗУ (Adr), работающую в режиме последовательного пересчёта.
Сопряжение модуля накопления с магистралью ISA производится интерфейсным блоком (файл Interfase), содержащим дешифраторы линий адреса, узел выработки прерываний и регистры доступные в пространстве адресов устройств ввода-вывода компьютера.
Узел Direct используется для выработки сигналов управления доступом к буферному ОЗУ со стороны внешних устройств согласно, установленного микроконтроллером, режима работы, а также для выполнения некоторых интерфейсных функций.
На схеме присутствует несколько регистров доступных со стороны микроконтроллера инеобходимых для управления. Для их адресации выделено три линии порта микроконтроллера (всего 8 адресов). Роль селектора адреса выполняет элемент AS.
5.1.1 Реализация основного алгоритма
Входные блоки модуля накопления выполняют накопление и промежуточное хранение данных первого (младшего) байта. Основными структурными элементами здесь являются счётные блоки, блоки суммирования, и накопительные ОЗУ. Адресация ячеек ОЗУ происходит синхронно канальным импульсам системы регистрации. Накопление происходит непрерывно в каждом цикле регистрации. Число каналов накопления может быть задано. В соответствии с алгоритмом программы микроконтроллера периодически (один раз за несколько циклов регистрации) должна происходить быстрая автоматическая трансляция данных одного из накопительных ОЗУ в буферное ОЗУ.
Описанный механизм реализуется в блоке Kern совместно с внешними микросхемами ОЗУ. В соответствующем схемном файле Kern.gdf объединены счётные блоки, блоки суммирования, адресный блок и необходимые схемы управления.
Для реализации счётного блока с минимальными значениями параметра мёртвого времени на канал используется схема, состоящая из двух буферных счётчиков. Переключение потока входных импульсов между счётчиками производится управляющим триггером синхронно канальным импульсам системы регистрации (рис.5.3).

В то время, когда один из счетчиков находится в режиме счета приходящих на его вход импульсов, данные со второго счетчика через регистр и далее через мультиплексор поступают в последующее устройство обработки информации. Таким образом, мертвое время на канал сокращается до значения равного времени переключения триггерной ячейки внутри ПЛИС. Быстродействие счетчиков характеризуется собственным значением мертвого времени, которое определяет время нечувствительности счетчика, возникающее после регистрации им входного импульса. Параметр регистровой (триггерной) задержки в ПЛИС серии MAX7000S не превышает 2 нс. Это позволяет говорить о том, что предельная входная загрузка может с многократным запасом превышать 107 имп./с.
Счётный блок реализован файлом Count.gdf в графическом редакторе системы MAX+PLUSII. При составлении схемы использованы параметризованные модули (LPM) счётчиков и регистров, а также другие примитивы для комбинационных и последовательных участков схемы. Схемный файл Count.gdf находится в ПРИЛОЖЕНИИ 2.
Суммирование выходных данных счётных блоков с данными ОЗУ выполняется в блоке и одноимённом файле Operator. На рисунке 5.4 представлена функциональная схема сложения данных для одного тракта регистрации. В Operator структурно входит два счётных блока, данные с которых, поступают на входы параметризованных модулей сумматоров. На второй вход сумматоров поступают данные ОЗУ, предварительно зафиксированные в регистрах. Фиксация в регистрах необходима для разделения во времени двунаправленных шин данных внешних микросхем ОЗУ.

Управление регистрами осуществляется от внешнего блока Clocking. Кроме указанных элементов на схеме присутствует логика управления и схема перевода выходов сумматоров в третье (высокоимпедансное) состояние.
Полный вариант схемы в виде файла Operator.gdf представлен в ПРИЛОЖЕНИИ 2.
Выборка ячеек внешних микросхем ОЗУ производится адресным блоком, построенным в схемном файле Adr.gdf. Значение адреса генерируется 12-ти разрядным адресным счётчиком на вход, которого подаются, в зависимости от режима работы, канальные импульсы (в процессе накопления) либо тактовые импульсы с частотой 400 кГц (в режиме быстрой автоматической трансляции данных в буферное ОЗУ). Сброс адресного счетчика происходит по приходу стартового импульса схемы регистрации или по приходу сигнала Hold со стороны триггерного блока Trig. Сигнал Hold устанавливается в начале нерабочего режима системы регистрации в том случае, если микроконтроллер программно установил флаг запроса трансляции данных первого байта в буферное ОЗУ (рис.5.5)

Адресный счёт начинается с 000h. Последним на шину выдаётся пороговый адрес. Далее вырабатывается строб окончания счёта Endcount поступающий на вход триггерного блока. Значение порога для адресного счетчика может быть установлено микроконтроллером. Для этого используются дешифратор значений порогового адреса с входами установки P 0 и P 1 . По умолчанию пороговым является адрес 4095 (FFFh), для нужд эксперимента программно могут быть установлены значения 2047 (7FFh), 1023 (3FF) и 511 (1FF).
Схемный файл адресного блока Adr.gdf находится в ПРИЛОЖЕНИИ 2.
В процессе автоматической трансляции данных в младшие 12 разрядов 13-ти разрядной шины адреса буферного ОЗУ подключается шина адреса накопительных ОЗУ. Сигнал Selram устанавливаемый микроконтроллером и формируемый триггерной схемой Trig определяет выбор микросхем ОЗУ1 или ОЗУ2 для передачи их данных в конце текущего цикла регистрации. Этот же сигнал подаётся на 13-й (старший) разряд шины адреса буферного ОЗУ. Таким образом происходит разделение пространства памяти буферного ОЗУ на два банка, каждый из которых предназначен для временного хранения данных ОЗУ1 и ОЗУ2.
Триггерная схема (файл Trig.gdf) выполняет роль набора регистров управления элементами блока Kern со стороны микроконтроллера. Схема построена из набора D-триггеров и дополнительных примитивов MAX+PLUSII. Непосредственно микроконтроллером устанавливаются сигналы P 0 , P 1 и Selram . Управляющий сигнал Hold устанавливается через определённое время задержки в ответ на сигнал Endcount адресного блока и осуществляет перевод блока Kern и других вышестоящих узлов в режим работы с буферной памятью. Задержка необходима для завершения последней операции записи-чтения ячеек накопительных ОЗУ с пороговым адресом. Функция задержки реализована с использованием четырёхразрядного счётчика, тактируемого внешним сигналом Read .
Файл Trig.gdf графического редактора системы MAX+PLUSII находится в ПРИЛОЖЕНИИ 2.
Корректная работа с микросхемами быстрой статической оперативной памяти невозможна без стогового соблюдения протоколов обмена в соответствии с технической документацией.
Наиболее важным параметром статических ОЗУ является время выборки. Оно характеризует максимальную частоту операций чтения или записи. Современные микросхемы памяти имеют время выборки порядка 30 – 100 нс, что удовлетворяет требованиям проекта. Данный параметр является качественной характеристикой, но наряду с ним существуют и другие параметры, которые необходимо учитывать разработчику при проектировании систем использующих оперативную память. В частности к ним относятся:
- минимальное время удержания активного уровня сигнала CS (выбор кристалла);
- минимальное время удержания активного уровня сигнала WE (разрешение записи) в режиме записи данных;
- минимальное время удержания активного уровня сигнала ОЕ (разрешение выходов) в режиме чтения данных
- минимальное время подачи управляющего сигнала записи с момента установления данных в режиме записи
- минимальное время удержания данных на входах ОЗУ после снятия управляющего сигнала записи в режиме записи
- минимальное время подачи управляющего сигнала чтения с момента установления адреса в режиме чтения и др.
Помимо непосредственного соблюдения протокола обмена синхронных ОЗУ в модуле накопления, нужно учесть и другие особенности их применения. Наличие двунаправленной шины данных между блоками суммирования и микросхемами ОЗУ (рис.4.2) заставляет обратить особое внимание на необходимость правильного разделения во времени потоков данных. Речь идёт о недопустимости одновременного (даже кратковременного) наличия на разделяемой шине данных, двух источников сигналов. То есть между сигналами разрешающими выход данных со стороны двух присутствующих на шине устройств, работающих в режиме непрерывного обмена, должен быть определённый временной интервал.
Всего модуль накопления должен содержать 4 элемента ОЗУ: буферное ОЗУ объёмом 8 Кбайт, системное ОЗУ объёмом 32 Кбайт и два элемента ОЗУ для накопления данных первого байта (ОЗУ1 и ОЗУ2) с объёмом 4 Кбайт каждая. Выработка управляющих сигналов «чтение», «запись» для накопительных ОЗУ в режимах накопления и автоматической трансляции данных, а также сигнала «запись» для буферного ОЗУ в режиме трансляции, происходит в схеме тактирования Clocking (схемный файл Clocking.gdf).
Схема (блок) тактирования производит выдачу управляющих сигналов в соответствии с алгоритмом «чтение-модификация-запись» (рис.4.3) Для соблюдения требуемого протокола обмена, учитывающего все параметры, в схеме организована специальная сетка тактирования с использованием четырёхразрядного счётчика. Определённые выходные значения интерпретируются аналитической схемой как маркерные точки для своевременной установки или снятия сигналов OE, WE, CS микросхем накопительной памяти и сигнал WrBRAM микросхемы буферной памяти. Генератор управляющих стробов выдаёт указанные сигналы синхронно импульсам Canal
или Read
в соответствии с состоянием сигнала Hold
, формируемого триггерной схемой. Помимо перечисленных сигналов блок тактирования генерирует строб приёма данных ClkRG
для регистров операторного блока Operator. Положительный фронт сигнала ClkRG
соответствует времени появления действительных данных на выходах накопительных ОЗУ.
Тактовый, меандровый сигнал с частотой 20 МГц подаётся на счётчик от внешнего, относительно ПЛИС генератора. В режиме накопления сигнал тактирования дополнительно проходит через делитель частоты на 5, выполненный на базе четырёхразрядного счётчика из набора макрофункций системыMAX+PLUSII.
Принцип работы блока тактирования отражён на функциональной схеме (рис.5.6).

Схемный файл блока тактирования Clocking.gdf находится вПРИЛОЖЕНИИ 2.
Тестирование блока проведено в сигнальном редакторе системы MAX+PLUSII. В качестве входных тестовых векторов введены сигналы: с lk (сигнал тактирования частотой 20 МГц), с anal (канальные импульсы системы регистрации), read (сигнал тактирования режима быстрой трансляции) и hold (сигнал перевода в режим быстрой трансляции).
В режиме накопления блок тактирования генерирует сигналы управления eo (enableoutput) и write синхронно импульсам с anal , в режиме быстрой трансляции дополнительно генерируется сигнал записи буферного ОЗУ wrBRAM синхронно импульсам read . Результаты тестирования обоих режимов приведены нарисунке 5.7. Временные интервалы на диаграмме указаны в микросекундах.

Адресный блок вырабатывает значение адреса ячеек накопительного ОЗУ по отрицательному фронту импульса canal или read в зависимости от режима работы. Сигналы разрешения выходов формируются не ранее 120 нс. Выдача сигнала защёлкивания (чтения) данных в обоих случаях происходит не ранее чем через 200 нс после импульса ео . Послестояние данных при операциях записи ОЗУ составляет не менее 19 нс. Такие временные параметры призваны обеспечить устойчивую работу модуля накопления.
В режиме быстрой трансляции необходимо проводить запись нулевых байтов в ячейки накопительного ОЗУ, данные которых, уже перенесены в буферное ОЗУ.
За время нерабочего режима системы регистрации может быть произведена трансляция данных только одной из микросхем накопительного ОЗУ (в соответствии со значением сигнала Selram ). При этом незанятое накопительное ОЗУ должно находится в режиме хранения данных.
Таким образом, необходимо обеспечить раздельную выдачу команд управления (EO, WR) для каждого накопительного ОЗУ.
Функции разделения команд, а также дополнительные функции выдачи сигналов обнуления на формирователи шин данных накопительных ОЗУ реализованы в блоке формирования Form. Соответствующий схемный файл Form.gdf графического редактора MAX+PLUSII находится в приложении 2.
Помимо рассмотренных устройств, в блоке Kern присутствуют дополнительные элементы, не включённые ни в один внутриструктурный файл этого блока. К ним относятся схема формирователя шины данных для буферного ОЗУ, управляемая сигналамиhold иSelram , и триггер разрешения счёта импульсов от внешних трактов регистрации.
Триггер разрешения счёта должен использоваться для работы модуля в режиме снятия амплитудных спектров, для запуска счёта на очередном этапе сканирования.
Файл Kern.gdf графического редактора системы MAX+PLUSII находится в приложении 2.
5.1.2 Связь с внешними устройствами
Наличие буферной памяти, как средства взаимодействия нескольких источников и приёмников данных, требует построения соответствующей системы управления разделяемым ресурсом. Основным устройством управления на схеме модуля накопления является микроконтроллер. Выполняя программу накопления данных, он должен постоянно отслеживать и задавать режимы использования буферного ОЗУ. Всего предполагается 3 режима использования БОЗУ:
- запись-чтение данных со стороны микроконтроллера;
- запись-чтение данных со стороны магистрали ISA;
- запись данных из системы накопления первого байта.
Кроме контроля режимов работы БОЗУ микроконтроллер должен осуществлять конфигурирование и управление схемой, используя:
- триггер разрешения счёта входных импульсов;
- триггер флага трансляции данных в БОЗУ ( используемый для запуска сигнала hold в ближайшем нерабочем режиме системы регистрации);
- триггер выбора банка данных в пространстве БОЗУ;
- триггеры установки порогового адреса.
Алгоритм работы модуля накопления позволяет организовать попарную адресацию триггеров.
Для функций управления предполагается использовать один 8-битный порт микроконтроллера. В этом случае удобно построить двухразрядную шину данных и трёхразрядную шину адреса. Один бит порта необходимо использовать для стробирования данных.
Элементы входящие в систему управления реализованы в ПЛИС.
Обработка адресных линий микроконтроллера производится адресным селектором, выполненным в виде файла Asmc.gdf. По приходу положительного фронта тактирующего сигнала «с» микроконтроллера на выходах селектора формируются стробы защёлкивания данных с линий Dmc 0 и Dmc 1 для соответствующих пар триггеров. Распределение адресов устройств представлено в таблице 2.
Таблица 2 Распределение адресов регистров управления
Адрес Бит данных |
000 | 001 | 010 | 011 | 100 | 101 | 110 | 111 |
| Dmc0 | Установка значений порогового адреса 00 – 511 01–1023 10–2047 11–4095 |
Установка флага hold (выдача в БОЗУ данных 1-го байта) | Установка режимов использования БОЗУ 00 – МК 01 – ISA 10 – система накопления 1-го байта |
триггер разрешения счёта | Флаги в поле адресов ввода-вывода | Резерв | Резерв | Резерв |
| Dmc1 | Установка сигнала Selram | триггер иницициализации запроса прерывания |
Адресный селектор выполнен в виде дешифратора. Схемный файл Asmc.gdf находится в ПРИЛОЖЕНИИ 2. Блок выдачи сигналов управления буферного ОЗУ (управляющий блок) выполнен в файле Direct.gdf. Блок выполняет мультиплексирование входящих сигнальных линий чтения и записи со стороны внешних устройств, исходя из состояния триггеров управления режимом использования БОЗУ (см. таблицу 2). Непосредственно триггеры установки режимов и мультиплексоры сигналов расположены во внутренней структуре в виде блока Muxrg.gdf. Помимо сигналов управления БОЗУ, управляющий блок генерирует сигналы разрешения выходов внешних двунаправленных шинных формирователей, обеспечивающих связь БОЗУ с микроконтроллером, а также с 8-битной шиной данных магистрали ISA. Те же сигналы используются для подключения внешних адресных линий заведённых через ПЛИС, к шине адреса БОЗУ (рис.5.9).

Схемные файлы Direct.gdf и Muxrg.gdf находятся в ПРИЛОЖЕНИИ.
Доступ к буферному ОЗУ со стороны магистрали ISA осуществляется по принципу разделяемой памяти. То есть ячейки буферного ОЗУ находятся в некотором поле адресов памяти компьютера. Для осуществления доступа требуется обработка всех 20 адресных линий шины ISA. 12 младших линий непосредственно адресуют ячейки БОЗУ, другие 8 используются для установки пространства памяти.
Интерфейсный блок Interfase выполняет обработку адресных линий и вырабатывает сигнал AdrE разрешения доступа к БОЗУ, поступающий на вход блока управления Direct.
Для осуществления быстрой связи между микроконтроллером и компьютером в интерфейсном блоке предусмотрено две пары триггеров. Триггера могут выполнять роль флагов, например, для выставления запроса на передачу накопленных данных в компьютер.
Для селектирования адресов пространства памяти, и триггеров расположенных в поле устройств ввода-вывода интерфейсный блок содержит схему дешифрации линий адреса Selectisa . Здесь можно задать селектируемые адреса путём добавления (удаления) примитивов логического отрицания NOT на входах соответствующих линий (см. файл Selectisa.gdf в ПРИЛОЖЕНИИ 2).
Микроконтроллер может инициализировать прерывание в компьютере установив специальный триггер в интерфейсном блоке. Обращение к буферному ОЗУ со стороны магистрали ISA расценивается, как реакция на прерывание и триггер сбрасывается.
Схемный файл Interfase.gdf находится в ПРИЛОЖЕНИИ 2.
Тактирование блока Kern осуществляется сигналами read иclk . Меандровый сигнал clk частотой 20 МГц поступает от внешнего кварцевого генератора на вход глобального тактового сигнала GCLK1 ПЛИС. Для получения меандрового сигнала read с частотой 400 кГц, на базе шестиразрядного счётчика и вспомогательной комбинационной схемы, построен делитель частоты Divisor. Его схема в виде файла Divisor.gdf представлена в ПРИЛОЖЕНИИ 2.
Структура, составленная из блоков Kern, Asmc, Direct, Interfase, Divisor и других элементов представляет собой единый проектный файл Sistema.gdf. Этот файл обрабатывается компилятором MAX+PLUSII, который создаёт загрузочный код для программирования ПЛИС. Проект Sistema может быть размещён на одном кристалле ПЛИС EPM7256SRC208-7 с логической ёмкостью 5000 эквивалентных вентилей. Из 256 макроячеек микросхемы использовано 251, что составляет 98% ёмкости.
5.2 Разработка принципиальной схемы модуля накопления
В модуле накопления используется 8-битный микроконтроллер AT89c51 содержащий 4 Кб FLASH-памяти программ, 128 байт ОЗУ и содержащий 32 программируемые линии ввода-вывода. Линии ввода-вывода объединены в четыре 8-разрядных двунаправленных порта, два из которых используются в качестве шины адреса/данных для доступа к внешней памяти программ и данных. Один из портов имеет дополнительные функции (последовательный порт, входы внешних прерываний, входы счётчиков, выходы стробирующих сигналов записи-чтения во внешнюю память данных).
Использование внешней памяти программ не предполагается.
Накопление и хранение данных производится во внешней памяти данных объёмом 32 Кбайт. Для адресации необходимо 15 линий адреса. При обращении к внешнему ОЗУ младшие 8 разрядов адреса выдаются через порт P0, старшие 7 разрядов через порт Р2. Операции чтения-записи данных стробируются сигналами RD и WR микроконтроллера. Для мультиплексирования порта Р0 используется регистр фиксирующий адрес по спаду сигнала ALE . Регистр КР1533ИР23 производит запись по положительному фронту тактирующего сигнала, поэтому сигнал ALE инвертирован в ПЛИС.
Восьмой бит порта Р2 используется для обращения к буферному ОЗУ. При установке линии в лог.0 микроконтроллер обращается к БОЗУ, как к собственной памяти программ (естественно, что БОЗУ должно находится в режиме доступа микроконтроллера). Адресация происходит 12-ю младшими линиями адреса. На вход 13-го бита адреса с ПЛИС подаётся сигнал SelBANC , равный сигналу SelRAM , который устанавливается микроконтроллером (см. таблицу 1). Таким же образом задаётся 13-й бит адреса во всех других режимах использования БОЗУ.
Для управления внешними регистрами используется порт Р1. Два бита данных Dmc 0 иDmc 1 выдаётся по линиям Р1.0 и Р1.1 (соответственно нулевой и первый бит порта). Трёхбитный адрес – по линиям Р1.2, Р1.3, Р1.4. Стробирование данных происходит положительным фронтом на линии Р1.5.
Направление передачи данных для шинных формирователей КР1533АП6, используемых для доступа к шине данных буферного ОЗУ со стороны микроконтроллера и магистрали ISA (рис. Ф), логическим уровнем на линии Р1.6 (1 – чтение данных БОЗУ, 0 – запись данных из БОЗУ).
На входы Р3.4, Р3.5 таймеров/счётчиков Т0 и Т1 микроконтроллера подаются соответственно сигналы Start и 7 функционального блока мессбауэровского спектрометра. На линию Р3.2 входа внешних прерываний INT0 подаётся сигнал INT интерфейсного блока выполненного внутри ПЛИС.
Модуль накопления имеет четыре ОЗУ: два ОЗУ объёмом 4 Кбайт в системе накопления первого байта, буферное ОЗУ объёмом 8 Кбайт и системное ОЗУ (внешняя память данных) микроконтроллера объёмом 32 Кбайт. Микросхемы ОЗУ с организацией 4Кх8 серийно не производятся, поэтому вместо них использованы более доступные – 8Кх8. Для корректной работы схемы модуля накопления достаточно оперативной памяти с временем выборки 100 нс.
Шины адреса и данных накопительных ОЗУ, шина адреса буферного ОЗУ, а также сигналы управления подключаются непосредственно к ПЛИС, где происходит установка их задатчика в зависимости от выбранного режима.
Для тактирования ПЛИС использована микросхема-кварц Z544-47, частотой 20 МГц.
Передача данных последовательного порта микроконтроллера происходит по средствам интерфейса обмена RS-232C. Для нормального приёма уровень передаваемых сигналов должен составлять не менее±10 В. Применение дискретных элементов для построения приемопередатчика нежелательно и наиболее удобным является использование специализированных интерфейсных интегральных схем. Широкая гамма таких кристаллов выпускается фирмой AnalogDevices. Они содержат преобразователь напряжения +5 В в напряжение +10 В, инвертор (преобразующий напряжение +10 В в –10 В) и собственно преобразователи уровня сигналов последовательного интерфейса. Для данного проекта использована микросхема ADM232A.
Перечень элементов принципиальной схемы приводится в ПРИЛОЖЕНИИ 4, характеристики – в ПРИЛОЖЕНИЯХ 5,6 и 7.
5.3 Блок-схема программного алгоритма
Микроконтроллер в схеме модуля накопления выполняет следующие основные функции:
- обеспечивает накопление и хранение в системном ОЗУ мессбауэровских спектров в виде 24-разрядных массивов данных;
- контролирует режим доступа к буферному ОЗУ;
- задаёт рабочие параметры модуля накопления;
- обеспечивает режим амплитудного анализа во взаимосвязи с управляющей системой.
Перед началом выполнения основной программы накопления микроконтроллер должен выполнить процедуру инициализации – произвести подготовку системы. Во-первых, необходимо обнулить ячейки памяти данных, и буферного ОЗУ, состояние которых является неопределенным после включения питания. Во-вторых, задать пороговый адрес (число каналов накопления). В-третьих, выдать команду разрешения счёта входных импульсов для счётных блоков в системе накопления первого байта.
Накопление спектрометрических данных должно осуществляться путём реализации алгоритма сложения массивов накопленных в системе накопления первого байта, и переданных в буферное ОЗУ, с данными, хранящимися и накапливаемыми в системном ОЗУ микроконтроллера. Трансляцию (передачу) данных накопленных в системе накопления первого (младшего) байта в буферное ОЗУ инициирует микроконтроллер путём установки флага hold . Выбор накопительного ОЗУ (1 или 2) для передачи осуществляется установкой сигнала Selram (см. таблицу 2). При высоких параметрах загрузки порядка 106 имп./с передачу данных первого байта в буферное ОЗУ необходимо производить в конце каждого десятого цикла регистрации.
Согласно установленной периодичности, либо по запросу данных со стороны задатчика шины ISA (при выставлении соответствующего флага или сигнала прерывания), микроконтроллер должен предоставить накопленные данные используя буферное ОЗУ, доступное задатчику ISA в режиме разделяемой памяти.
Блок-схема алгоритма программы микроконтроллера приводится в ПРИЛОЖЕНИИ 3.
6. БЕЗОПАСНОСТЬ И ЭКОЛОГИЧНОСТЬ
6.1 Характеристика рабочего места
В процессе дипломного проектированиябыла осуществлена разработка принципиальной схемы автономной системы накопления мессбауэровскго спектрометра. Работы, проводимые в помещении лаборатории мессбауэровской спектрометрии связаны с измерением гамма-резонансных спектров пропускания исследуемых веществ в твердом состоянии, содержащих стабильные нуклиды железо-57 и олово-119 в диапазонетемператур 4,2K-1200K с использованием стационарно установленной Мессбауэровской лаборатории типа NE-255. Применяются источники гамма-излучения закрытого типа на радионуклидах кобальт-57 и олово-119М. При проектировании системы накопления использовался персональный компьютер.
В процессе проведения работ присутствуют следующие вредные и опасные факторы:
- ионизирующее излучение;
- повышенное напряжение электрического тока;
- воздействие электромагнитного излучения;
- воздействие шума;
- электростатические поля.
6.2 Безопасность труда
6.2.1 Радиационная безопасность
Работы, проводимые в помещении лаборатории мессбауэровской спектрометрии, классифицируются как: "Дозиметрические и радиометрические измерения радиоактивных веществ и ионизирующих излучений, а также градуировка дозиметрической и радиометрической аппаратуры".
В помещении лаборатории мессбауэровской спектрометрии проводятся работы только с радиоактивными источниками ионизирующих излучений закрытого типа. В комнате имеется два рабочих места со стационарным расположением ИИИ. Помещение отвечает всем еобходимым требованиям [23]. Рабочие места оборудованы радиационной защитой. Выход пучков излучений направлен в землю или в помещения без постороннего присутствия людей.
Радиоактивные изотопы являются источниками ионизирующих излучений с энергиями достигающими единиц МэВ, поэтому работа с ними представляет серьезную биологическую опасность. Прииспользовании радиоактивных источников рентгеновского и гамма-излучения исключается возможность радиоактивного загрязнения помещений и попадания радиоактивных веществ в организм человека. Опасность представляет только внешние облучение.
Максимальная мощность дозы при измерениях и испытаниях не превышает 5 мЗв/год, что удовлетворяет дозовым пределам для персонала группы А (НРБ 99 [23]).
Радионуклидные источники хранятся в сейфах типа СН12 в защитных переносных контейнерах типа КТ. Сейфы опечатываются ответственнымза хранение изотопов. На дверях комнат, сейфах, переносных и защитных контейнерах, узлах установок, куда загружаются источники, должны быть установлены знаки радиационной опасности. В лаборатории мессбауэровской спектрометрии используются только закрытые источники.
При работах с закрытыми радионуклидными источниками в соответствие с НРБ–99 [23] должны соблюдаться следующие общие требования:
- исключен доступ посторонних лиц;
- обеспечена сохранность источника;
- направлять излучение предпочтительно в сторону земли или в сторону, где отсутствуют люди;
- ограничивать длительность пребывания людей вблизи источника;
- применять подвижные заграждения и защитные экраны;
- вывешивать плакаты, предупреждающие о радиационной опасности, видимые с расстояния не менее 3м.
Радиационный контроль в лаборатории осуществляется за следующими параметрами:
- мощность дозы гамма-излучения;
- содержание аэрозолей;
- величина загрязненности помещения.
Таблица 3 Контрольные значения для используемых изотопов.
| Радионуклид | КО | ДСА, мкКи | ПДП, мкКи/год | ДКА, Ки/л | МЗА мкКи | Группа токсичности |
| Кобальт-57 | Легкие | 16 | 4*102 | 1,6*10-10 | 10 | В |
| Олово-119М | Легкие | 80 | 3,9*103 | 1,6*10-9 | 10 | В |
КО- критический орган;
ДСА- допустимое содержание радионуклида в КО;
ПДП- допустимое годовое поступление через органы дыхания;
ДКА- допустимая концентрация в воздухе рабочей зоны;
МЗА- минимально значимая активность на рабочем месте.
На рабочем месте оператора ПК источником ионизирующего излучения является электронно-лучевая трубка монитора.
Электронно–лучевая трубка дисплея создает поле низкоэнергетического излучения. При эксплуатации монитор компьютера излучает мягкое рентгеновское излучение. Опасность этого вида излучения связана с его способностью проникать в тело человека на глубину 1-2 см и поражать поверхностный кожный покров. Измерения показывают, что на расстоянии 2 см от экрана его интенсивность составляет не более 30 мкР/ч и убывает с расстоянием. Это означает, что при длительной работе дистанция между оператором и дисплеем должна быть не менее 30 см. В этом случае уровень излучения на рабочем месте не превышает фоновых значений (НРБ 99 [23]). При таких полях средств защиты не требуется.. Кроме того, для защиты от излучения необходимо следовать следующим рекомендациям:
- применять наиболее современные видеоадаптеры с высоким разрешением и частотой обновления экрана не ниже 70-72 Гц;
- применять мониторы соответствующие международному стандарту безопасности MPR II, а также ТСО-92, TCO-95 и TCO-99.
Спектр излучения компьютерного монитора включает в себя рентгеновскую, ультрафиолетовую и инфракрасную области, а также широкий диапазон электромагнитных волн других частот. Опасность этих видов излучения считается в настоящее время пренебрежимо малой, так как эти излучения практически полностью поглощаются веществом экрана монитора.
6.2.2 Электробезопасность
С точки зрения опасности поражения человека электрическим током лаборатория мессбауэровской спектрометрии относится к помещениям с повышенной опасностью [14], так как характеризуется возможностью одновременного прикосновения к корпусу оборудования и заземленной металлической конструкции.
В соответствии с правилами электробезопасности в рабочем помещении должен осуществляться постоянный контроль состояния электропроводки, предохранительных щитов, шнуров, с помощью которых включаются в электросеть компьютеры, осветительные приборы, другие электроприборы.
Электрические установки, к которым относится практически всеэкспериментальное оборудование лаборатории, представляют для человека большую потенциальную опасность. Поражение электрическим токомможет произойти при неправильной эксплуатации оборудования, при проведении ремонтных или профилактических работ. Специфическая опасность электроустановок – токоведущие проводники, корпуса стоек KAMAK, персональных компьютеров и прочего оборудования, оказавшегося под напряжением в результате повреждения (пробоя) изоляции, не подают каких-либо сигналов, поэтому возможность поражения током носит характер скрытой угрозы.
Электропитание большей части аппаратуры обеспечивается от сети переменного тока напряжением 220 В, питание детекторов осуществляется напряжением до 2000 В.
Причины поражения электрическим током: случайное прикосновение или приближение на опасное расстояние к токоведущим частям, находящимися под напряжением; появление напряжения на металлических конструктивных частях электрооборудования; появление напряжения на отключенных токоведущих частях, на которых работают люди, вследствие ошибочного включения; возникновение «шагового» напряжения на поверхности земли в результате замыкания провода на землю.
При прохождении через тело человека ток оказывает термическое, биологическое и электролитическое действия.
Все виды воздействия электрического тока относят к двум типам:
- Электрические травмы – это чётко выраженные местные повреждения тканей организма, вызванные воздействием электрического тока. Различают следующие электрические травмы, электрические знаки, металлизация кожи и механические повреждения.
- Электрический удар – возбуждение живых тканей организма проходящим через него электрическим током, сопровождающееся непроизвольным судорожным сокращением мышц.
Различают три степени электрических ударов: судорожное сокращение мышц с потерей сознания, потеря сознания и нарушение сердечной деятельности или (и) дыхания, клиническая смерть.
При эксплуатации ПК, необходимо соблюдать такие требования:
- все узлы одного персонального компьютера и подключенное к нему периферийноеоборудованиедолжныпитатьсяотоднойфазы электросети;
- корпуса системного блока и внешних устройств должны быть заземлены радиально с одной общей точкой;
- для отключения компьютерного оборудования должны использоваться отдельный щит с автоматами защиты и общим рубильником;
- все соединения ПК и внешнего оборудования должны производится при отключенном электропитании.
Использование этих средств в различных сочетаниях обеспечивает защиту людей от прикосновения к токоведущим частям и от опасности перехода напряжения на металлические нетоковедущие части.
В соответствие с ГОСТ 12.1.030-81 в помещении лаборатории приняты следующие меры защиты от поражения электрическим током. Трехфазная электрическая сеть имеет глухозаземленную нейтраль. В помещении лаборатории проложены шины зануляющего контура и имеются автоматы для защиты от токов короткого замыкания. Силовая электрическая сеть проложена в металлических трубах, которые сварным соединением связаны с контуром зануления.
Для экстренного отключения предусмотрено автоматическое устройство, которое обеспечивает отключение потребителя при возникновении короткого замыкания и при значительном превышении уровня потребляемого тока.
6.2.3.Защита от шума
Шумом принято называть всякий нежелательный для человека звук, мешающий восприятию полезных сигналов. Шум представляет собой беспорядочное сочетание звуков различной интенсивности и частоты.
Действие шума приводит к снижению работоспособности человека, снижается качество восприятия им информации, также шум может вызвать перестройку функционирования определенных физиологических систем организма человека. Его воздействие может привести к заметным сдвигам не только физиологических функций, но и психических. Воздействие шумов приводит к снижению скорости и точности сенсомоторных процессов, особенно заметно страдают сложно - координируемые действия. Под влиянием шума уменьшается скорость решения умственных задач, ухудшается концентрация внимания, возрастает число ошибок.
Основным источником шума в лаборатории является экспериментальное оборудование. Акустический шум производит система вентиляции крейтов КАМАК, механические узлы мессбауэровского спектрометра.
Персональный компьютер также является источником шумов акустического происхождения (шумы дисководов, вентиляторов, винчестеров и др.) и электромагнитных колебаний. рациональное размещение рабочих мест и оборудования (с учетом шумовой карты помещения);
Для защиты от шума необходимо использовать следующие меры:
- рациональное размещение рабочих мест и оборудования, учёт шумовой карты помещения;
- создание шумозащищённых зон;
- применение средств шумоизоляции и шумопоглощения.
Уровень шума на рабочем месте составляет 14 дБ, что удовлетворяет требованиямГОСТа [11].
6.2.4 Защита от электростатического поля
Вследствие воздействия электронного пучка на слой люминофора поверхность экрана приобретает электростатический заряд. Сильное электростатическое поле вредно для человеческого организма. На расстоянии 50 см влияние электростатического поля уменьшается до безопасного для человека уровня /6/. Применение специальных защитных фильтров позволяет свести его к нулю. Но при работе монитора электризуется не только его экран, но и воздух в помещении. Причем он приобретает положительный заряд, а положительно наэлектризованные молекулы кислорода не воспринимаются организмом как кислород, и заставляют легкие работать впустую, а также приносят в них микроскопические частицы пыли.
Для защиты применяется:
- внешний экран, с металлическим напылением, заземленный на общую шину;
- экран монитора, имеющий антистатическую поверхность, что исключает притягивание пыли;
- частое проветривание помещения.
Покрытие пола следует выполнять из гладких, прочных, обладающих антистатическими свойствами материалов, что обеспечивает сток и отвод статического электричества.
6.3 Условия труда в лаборатории
6.3.1 Микроклимат помещения
Общее состояние и производительность труда в значительной степени зависят от микроклимата помещения. Нормы производственного микроклимата устанавливаются в ГОСТ 12.1.005–88 [10].на основании гигиенических и технико–экономических принципов.
Средняя температура воздуха в кабинете составляет +20 о С; колебания температуры воздуха ±3 о С; относительная влажность - 45 %; атмосферное давление - 745 мм. pт. ст.; содержание пыли - не более 10 мг/м3 воздуха рабочего места; максимальные размеры частиц - 3 мкм.
Метрологические условия – оптимальные и допустимые температуры, относительная влажность и скорость движения воздуха – устанавливаются для рабочей зоны помещений в соответствии с требованиями ГОСТ [24]. Сравнение требуемых параметров и полученных значений приведено в таблице 4.
Таблица 4. Микроклимат кабинета.
| Нормируемый параметр. | Значение | ||
| оптимально | допустимое | фактически | |
| Температура, о С | 20 - 22 | 16 - 24 | 20 |
| Влажность, % | 40 - 60 | не более 80 | 50 |
| Скорость ветра, м/с | не более 0,2 | не более 0,3 | 0,01 |
Микроклимат соответствует оптимальным условиям для рабочего помещения ГОСТ 12.1.005-88 [18]. Установлена местная вытяжная вентиляция с 21,5-кратным обменом в час, а также центральная (факультетская) приточная вентиляция с 2,1-кратным обменом в час.
Для поддержания микроклимата в кабинете предусмотрены вентиляция и отопление кабинета в теплое и холодное время года.
6.3.2 Освещенность рабочего места
Одним из важных элементов, влияющих на условия труда работающих, является производственное освещение. Освещение необходимо не только для выполнения производственного задания, оно также влияет на психическое и физическое состояние человека.
Освещенность характеризуется количественными и качественными показателями.
Количественные показатели: освещенность. яркость. световой поток, сила света.
Качественные показатели: фон, контраст объекта с фоном, видимость, показатель ослепленности, коэффициент пульсации освещённости.
Освещение может быть искусственным, естественным и совмещенным.В помещении, где находится рабочее место оператора, используется смешанное освещение, т.е. сочетание естественного и искусственного освещения. В качестве естественного – боковое освещение через окна.
Для расчета естественной и искусственной освещенности в лаборатории в светлое время суток имеются следующие данные:
| Коэффициент естественной освещенности ( КЕО ) | 4%; |
| Коэффициент затенения помещения | 1. ; |
| Размеры помещения : ширина | 6 м; |
| длина | 4 м; |
| высота | 4 м; |
| Коэффициент отражения стен | 4. - 30%; |
| Коэффициент отражения от потолка | 5. - 50%; |
| Площадь окон кабинета | 3,6 м2 . |
Расчет необходимой площади окон производим по формуле:
| So=Sп*КЕО*Кз*No*Кзд/(To*R1), | (1) |
где Sп - площадь пола в кабинете, Sп=24,6 м2 ;
Кз - коэффициент запаса. Его принимаем равным 1,2;
Кзд - коэффициент затенения помещения, Кзд=1,2;
No - световая характеристика окон. Здесь понимается коэффициент световой активности проема, No=0,57;
To - коэффициент светопpопускания, To=0,29;
R1 - коэффициент, учитывающий повышение КЕО при боковом освещении благодаря отражению света от стен и потолка, R1=0,15.
Подставив данные в формулу (1) получим, что необходима площадь окон 18,75 м2 , а имеется всего 3,6 м2 . Возникает необходимость в искусственном освещении.
Для искусственного освещения используются люминесцентные лампы ЛБ-80, мощностью 80 Вт.
Рассчитаем требуемое количество ламп по формуле (2).
N=En*Sп*Z*Кз/(КПД*Фсв*Кт), |
(2) |
где En - нормированная освещенность, En=500 лк;
Sп - площадь пола помещения, Sп=24,6 м2 ;
Z - коэффициент, учитывающий освещение помещения люминесцентными лампами, Z=1,15;
Кз - коэффициент запаса, Кз=1,2;
КПД - коэффициент полезного действия люминесцентной лампы, КПД=35%;
Фсв - световой поток одного светильника. В светильнике находятся 2 лампы ЛБ - 80. Световой поток лампы ЛБ - 80 Фл=12480 лм, поэтому Фсв=2*Фл и получается Фсв=24960 лм;
Кт - коэффициент затенения, Кт=0,9.
Подставив данные в формулу (2) получим, что для освещения помещения достаточно 2 светильника, а в кабинете установлено 4 светильника. Значит, требуемая освещенность достигается и соответствует нормам СНиП [18]. Для проверки правильности расчетаиспользуем неравенство (3):
| N*Lсв < A, | (3) |
где N - число светильников, N=4;
Lсв - длина светильника, Lсв=1,2 м;
A - длина помещения, A=6 м.
Подставив значения в формулу (3) убеждаемся, что неравенство истинно.
6.3.3 Эргономика рабочего места
Эргономика изучает функциональные возможности человека в процессе деятельности с целью создания таких условий, которые делают деятельность эффективной и обеспечивают комфорт для человека. Т.е. речь идет о совместимостях характеристик человека и характеристик среды.
Под рабочим местом условно понимают зону, оснащенную необходимыми техническими средствами, где работник или группа работников постоянно или временно выполняют одну работу или операцию.
Производительность труда оператора ПК главным образом зависит от правильной организации рабочего места.
Организациярабочегоместа на каждоймашинеимеет свои специфические особенности, зависящие от модели машины, метода работы на ней, характера выполняемой работы, квалификации оператора.
Специфика труда оператора ПЭВМ заключается в больших зрительных нагрузках в сочетании с малой двигательной нагрузкой, монотонностью выполняемых операций, вынужденной рабочей позой.
Информационная совместимость обеспечивается интерактивным видом диалога оператора с ЭВМ, так как ЭВМ выполняет действия только после инициирования его оператором, а также требует подтверждения решения оператора в особо ответственных случаях. На рабочем месте оператора имеется специальный стул, позволяющий оператору выбрать наиболее удобное для него положение, а также конструкция стола обеспечивает необходимое расстояние между экраном дисплея и глазами оператора [20]. Для защиты глаз оператора применяются поляризационные экраны. ЭВМ выполнена в строгих формах обеспечивающих техническую эстетику [20].
Оценка эргономики рабочего места по размерам рабочего места включена в таблице 5.
Таблица 5. Размеры рабочего места
| Нормируемая величина | Значение, мм | |
| Необходимое | Фактическое | |
| Высота рабочей поверхности | 680 - 750 | 680 |
| Высота сидения | 430 | 400 |
| Расстояние от сидения до нижнего края рабочей поверхности | 150 | 200 |
Размеры пространства для ног : - высота - ширина - глубина |
600 500 650 |
630 1090 710 |
На рабочем месте оператора достигается выполнение всех эргономических требований которые к нему предъявляет ГОСТ и СНиП [20].
Эргономические характеристики персональных компьютеров основаны на создании максимальных удобств оператору. Монитор лабораторного компьютера имеет размер диагонали видимой части экрана – 15 дюймов, что достаточно для комфортной работы. Подставка монитора позволяет менять угол ориентации экрана на необходимую величину. Клавиатура ПК имеет стандартную раскладку из 104 клавиш. Также имеется манипулятор типа «мышь», с его помощью можно эффективно работать в системах с графическим интерфейсом. Расположение системного блока на столе позволяет беспрепятственно производить смену дискет и компакт-дисков в дисководах.
Таким образом, рабочее место можно охарактеризовать, как удовлетворяющее всем эргономическим требованиям.
6.4 Экологичность рабочего места
Рабочее место находилось в лаборатории “Мессбауэровской спектрометрии”, которая находится в здании Физико-технического факультета УГТУ-УПИ, расположенного в восточной части г. Екатеринбурга. Город лежит на восточных склонах Уральского горного хребта, в верховьях реки Исети.
6.4.1 Состояние воздушного бассейна
Состояние атмосферного воздуха в г.Екатеринбурге имеет большое значение в формировании комплекса факторов , оказывающих влияние на здоровье населения. В настоящее время ситуация с загрязнением атмосферного воздуха складывается следующим образом. Всего в атмосферу поступает более 80% тыс.тонн/год вредных веществ. На долю автотранспорта приходится - 65% , промпредприятий - 35%. Наблюдение за состоянием атмосферного воздуха осуществляется на 8 стационарных постах Уральского территориального управления по гидрометеорологии и мониторингу окружающей среды (УГМС), 1 ведомственном (РТИ).
По данным УГМС общий уровень загрязнения атмосферного воздуха за последние годы по ряду вредных веществ стабилизировался, оставаясь при этом повышенным. Однако отмечается рост загрязнения атмосферного воздуха по веществам , содержащимся в выбросах автотранспорта - диоксиду азота, аммиаку, акролеину, что связано с ростом автомобильного парка.
С учетом токсичности выбрасываемых веществ от стационарных источников наибольшую экологическую опасность представляют процессы сжигания топлива для производственных целей и , особенно, для отопления и горячего водоснабжения на крупнейших теплоэлектростанциях города: Свердловская ТЭЦ, Ново-Свердловская ТЭЦ, АО «Уралмаш», АО «ВИЗ», АО «Турбомоторный завод», АО «Уралэлектротяжмаш», «Шинный завод», АООТ «Резино-технических изделий», «Шабровский тальковый комбинат», «Шарташский каменно-щебеночный карьер».
6.4.2 Радиационная обстановка
Основными факторами, определяющими радиационную обстановку на территории г. Екатеринбурга являются:
Наличие радиационно-опасных объектов (РОО): Белоярская АЭС и Свердловское ПЗРО «Радон».
Вторичная ветровая миграция радиоактивной пыли, образующейся на территориях, загрязненных в результате аварий на ПО «Маяк» в 1957 и 1967 гг.
Глобальные выпадения искусственных радионуклидов - результат медленного процесса выведения из стратосферы продуктов испытания ядерного оружия, проводившихся ранее в атмосфере на полигонах планеты.
Природный (естественный) радиационный фон, обусловленный естественными радионуклидами (U, Th, и продукты их распада; 40 К, 14 С, 3 Н и другие радионуклиды; космическое излучение, γ-излучение почвы.)
Радиационная обстановка в городе в последние годы остается стабильной. Среднее значение радиационного фона местности составляет 10 мкР/час с колебанием в отдельные дни от 8 до 13 мкР/ч, что не превышает норм радиационной безопасности. Исследование содержания естественных радионуклидов (ЕРН) в строительных материалах и продукции, выпускаемой предприятиями стройиндустрии города, не выявили содержания ЕРН выше установленных норм.
Основными источниками шума на территории жилой застройки города являются автомобильный, железнодорожный и авиационный транспорт. Вклад промышленных предприятий в суммарную шумовую нагрузку на население незначителен.
6.4.3 Поверхностные воды
Поверхностные воды на территории г. Екатеринбурга представлены стоком реки Исеть и озерами Шарташ, Шувакиш, Чусовское и др.
Река Исеть на протяжении ряда лет является одной из наиболее загрязненных рек на территории России. Качество воды в р.Исети остается крайне неудовлетворительным и принимает хронически опасный характер. Отмечается систематическое загрязнение соединениями азота, органическими веществами, нефтепродуктами, тяжелыми металлами. Характерным является последовательное увеличение содержания этих ингредиентов от фонового створа, расположенного выше города, к замыкающему, ниже города. Среднегодовые концентрации тяжелых металлов (меди, цинка, железа), нефтепродуктов превышают допустимую норму в десятки раз.
Качество воды ниже города ухудшается в результате поступления сточных вод предприятий, в том числе с загрязненными водами р.Патрушиха и стока с загрязненных почв поймы. В р.Патрушиха среднегодовое содержание меди превышает норму в 18 раз, цинка , железа, нефтепродуктов от 3 до 6 раз.
Общий сброс сточных вод в водные объекты города в 1999 г составил 257,3 млн.м3, в т.ч. недостаточно очищенных 239,4 млн.м3.
На формирование химического состава значительное влияние оказывает зарегулированность реки прудами и водохранилищами. Очевидно, что находящиеся на р. Исеть водоемы выполняют роль отстойников.
6.4.4 Промышленные и бытовые отходы
В городе отмечаются значительные объемы накопления (более 6 млн.т) отходов 4 класса опасности и нетоксичных промышленных отходов. Наибольшую опасность представляют из себя отходы 1, 2 классов опасности, которых ежегодно образуется более десяти тонн, а также отработанные ртутьсодержащие лампы (около 600 тыс.штук в год).
Отходы гальванических производств в течение многих десятков лет загрязняют тяжелыми металлами территорию города. В настоящее время ртутьсодержащие отходы обезвреживаются в муниципальном центре демеркуризации. Для большинства промышленных отходов разрабатываются технологии по утилизации их в цементном производстве (до 95%).
Согласно прогнозам к 2015 г ожидается увеличение количества образованных отходов на 10%.
Около 90% ТБО поступает на 2 полигона города; остальные, в основном, попадают на несанкционированные свалки.
К особому виду отходов относятся медицинские отходы. По предварительным данным, в лечебно-профилактических учреждениях г.Екатеринбурга образуется 7750 тонн отходов в год, в т.ч. :
- неопасные отходы - 76,69%;
- опасные и чрезвычайно опасные отходы - 13,1%;
- отходы, по своему составу близкие к промышленным - 10%;
- радиоактивные отходы - 0,01%.
На сегодняшний день в Екатеринбурге отсутствует план долгосрочной стратегии дальнейшего развития обращения с бытовыми отходами города, который может дать четкое представление на будущее: цели, задачи по улучшению услуг, согласованные меры по их достижению и выполнению, а также определение источников финансирования.
6.4.5 Анализ возможных чрезвычайных ситуаций
Выброс радиоактивных веществ может произойти из-за аварии на Белоярской АЭС, вследствие чего произойдет радиационное загрязнение окружающей среды. В этом случае необходимо оповещение иэвакуация населения. Руководит ликвидацией последствий комиссия ЧС.
Опасность выброса отравляющих веществобусловлена наличием в районе УГТУ опасных в химическом отношении предприятий. При возникновении ЧС необходимо оповестить население. Способ защиты: эвакуация. Руководит ликвидацией последствий комиссияпо ЧС.
Территория Среднего Урала является сейсмоопасной. Вследствие землятресения может произойти полное или частичное разрушение здания.При толчках и других признаках деформаций и разрушений необходимо немедленно покинуть здание, а при полной невозможности выхода - укрыться в дверных проемах или встать к капитальной стене.
На территории Свердловской области могут возникнуть ураганы, смерчи и наводнения. При приближении смерчей и ураганов люди могут укрыться в любых заглубленных помещениях (подполах, погребах, овощехранилищах и т.п.). При угрозе наводнения и затопления население эвакуируют в безопасные районы, а при непосредственной угрозе необходимо укрыться на верхних этажах зданий, крышах, деревьях и др. возвышениях.
6.5 Пожарная безопасность
Пожар – это неконтролируемое горение вне специального очага, которое наносит материальный ущерб и создает угрозу жизни, здоровью людей.
Горение – быстропротекающая химическая реакция соединения горючего вещества с окислителем.
Опасными факторами пожара являются:
- открытый огонь и искры;
- повышенная температура воздуха и окружающих предметов;
- токсичные продукты горения;
- пониженная концентрация кислорода в воздухе;
- обрушение и повреждение зданий, сооружений, установок.
Для тушения пожаров на ранней стадии необходимо использовать огнетушители.
В современной экспериментальной технике и в ПК очень высока плотность размещения элементов электронных схем. В непосредственной близости друг от друга располагаются соединительные провода, коммуникационные соединения. При протекании по ним электрического тока, выделяется значительное количество теплоты, что может привести к повышению температуры отдельных узлов до 80-100°С. При этом возможно оглавление изоляции соединительных проводов, их оголение, и, как следствие, короткое замыкание, сопровождающееся искрением, которое ведет к недопустимым перегрузкам элементов электронных схем. Они, перегреваясь, сгорают, разбрызгивая искры, которые, в свою очередь, могут привести к возгоранию горючих материалов.
Помещение, в котором находится лаборатория мессбауэровской спектрометрии, по категории взрывопожарной опасности к категории Ди характеризуется наличием в помещении только несгораемых веществ и материалов в холодном состоянии [11]. Стены и перекрытия помещения выполнены из бетона и относятся к несгораемым. Противопожарная защита помещения обеспечивается применением автоматической установки пожарной сигнализации, наличием средств первичного пожаротушения (два порошковых огнетушителя ОП-2 модели 01).
При возникновении пожарной ситуации все сотрудники, находящиеся в лаборатории организованно согласно имеющемуся плану эвакуации должны покинуть помещение.
Организационно-технические мероприятия включают организацию обучения сотрудников лаборатории правилам пожарной безопасности.
ЗАКЛЮЧЕНИЕ
В процессе выполнения данного дипломного проекта проведён анализ основных требований предъявляемых к системам накопления с позиции многомерной параметрической мессбауэровской спектрометрии, в результате чего была предложена функциональная и принципиальная схема модуля накопления.
Разработанный модуль позволяет накапливать и хранить мессбауэровские спектры от двух синхронизованных трактов регистрации. Данные накапливаются в виде 24-разрядных массивов, при этом может быть задано необходимое число каналов накопления.
Использование ПЛИС даёт возможность минимизировать количество корпусов микросхем необходимых для реализации готового устройства. Разработка дизайн-проекта ПЛИС осуществлена с помощью специализированной САПР. Проведено тестирование проекта.
Интерфейс модуля выполнен в стандарте ISA, что при соответствующем конструктивном исполнении позволит встраивать его в электронно-модульные системы с магистралью ISA.
Применение модуля накопления позволит значительно расширить экспериментальные возможности.
ПРИЛОЖЕНИЯ
Приложение 1
Назначение контактов разъема 8-разрядной шины ISA
| Контакт | Цепь | I/O | Контакт | Цепь | I/O |
| A1 | -I/O CH CK | I | B1 | GND | - |
| A2 | CD7 | I/O | B2 | RESET DRV | O |
| A3 | CD6 | I/O | B3 | +5B | - |
| A4 | CD5 | I/O | B4 | IRQ9 (IRQ2) | I |
| A5 | CD4 | I/O | B5 | -5B | - |
| A6 | CD3 | I/O | B6 | DRQ2 | I |
| A7 | CD2 | I/O | B7 | -12B | - |
| A8 | CD1 | I/O | B8 | OWS | I |
| A9 | CD0 | I/O | B9 | +12B | - |
| A10 | I/O CH RDY | I | B10 | GND | - |
| A11 | AEN | O | B11 | -SMEMW | O |
| A12 | SA19 | I/O | B12 | -SMEMR | O |
| A13 | SA18 | I/O | B13 | -IOW | I/O |
| A14 | SA17 | I/O | B14 | -IOR | I/O |
| A15 | SA16 | I/O | B15 | -DACK3 | O |
| A16 | SA15 | I/O | B16 | DRQ3 | I |
| A17 | SA14 | I/O | B17 | DACK1 | O |
| A18 | SA13 | I/O | B18 | DRQ1 | I |
| A19 | SA12 | I/O | B19 | -REFRESH | I/O |
| A20 | SA11 | I/O | B20 | SYSCLK | O |
| A21 | SA10 | I/O | B21 | IRQ7 | I |
| A22 | SA9 | I/O | B22 | IRQ6 | I |
| A23 | SA8 | I/O | B23 | IRQ5 | I |
| A24 | SA7 | I/O | B24 | IRQ4 | I |
| A25 | SA6 | I/O | B25 | IRQ3 | I |
| A26 | SA5 | I/O | B26 | -DACK2 | O |
| A27 | SA4 | I/O | B27 | T/C | O |
| A28 | SA3 | I/O | B28 | BALE | O |
| A29 | SA2 | I/O | B29 | +5B | - |
| A30 | SA1 | I/O | B30 | OSC | O |
| A31 | SA0 | I/O | B31 | GND | - |
Приложение 2
БЛОК-СХЕМА ПРОГРАММНОГО АЛГОРИТМА МИКРОКОНТРОЛЛЕРА
Приложение 3
| Позиция | Наименование | Кол | Примечание | ||||||||||
| Конденсаторы | |||||||||||||
| С1 | К50-35-1А-М47-10мкФ±10% | 1 | |||||||||||
| С2,С3 | К10-17-1А-М47-30pФ±5% | 2 | |||||||||||
| С4,С5,С6,С7 | К10-17-1А-М47-0.1мкФ±5% | 4 | |||||||||||
| Микросхемы | |||||||||||||
| DA1 | ADM232A | 1 | |||||||||||
| DD1 | EPM7256SRC208-7 | 1 | |||||||||||
| DD2 – DD4 | UM6264-100 | 3 | |||||||||||
| DD5 | UM62256-100 | 1 | |||||||||||
| DD6 | AT89C51 | 1 | |||||||||||
| DD7 | КР1533ИР23 | 1 | |||||||||||
| DD8,DD9 | КР1533АП6 | ||||||||||||
| Резисторы | |||||||||||||
| R1 | МЛТ – 0.125 – 8,2 кОм ±5% | 1 | |||||||||||
| R1 | МЛТ – 0.125 – 1 кОм ±5% | 1 | |||||||||||
| Прочее | |||||||||||||
| ZQ1 | Кварц. генератор Z544-47-20МHz | 1 | |||||||||||
| ZQ2 | Кварц 24 МHz | 1 | |||||||||||
| 200.600 620000 006 СП | |||||||||||||
| Изм | Лист | № документа | Подпись | Дата | |||||||||
| Студент | Ивановских К.В. | Модуль накопления для задач многомерной мессбауэровской спектрометрии | Лит. | Лист | Листов | ||||||||
| Руковод. | Мильдер О.Б. | 1 | 1 | ||||||||||
| Консул. | Новиков Е.Г. | УГТУ кафедра экспериментальной физики | |||||||||||
| Н. контр | Асеев Н.И. | ||||||||||||
| Зав.каф. | КружаловА.В | ||||||||||||
Приложение 4
СПРАВОЧНЫЕ ДАННЫЕ НА МИКРОСХЕМЫ СЕРИИ КР1533
Справочные данные на КР1533ИР23
Синхронный 8-разрядный регистр хранения информации.
Номинальное напряжение питания 5В
Выходное напряжение низкого уровня <0.5 В
Выходное напряжение высокого уровня >2.5 В
Ток потребления <0.85 мА
Время задержки <12 нс
Справочные данные на КР1533АП6
8-разрядный двунаправленный шинный формирователь с тремя состояниями на выходе.
Номинальное напряжение питания 5В
Выходное напряжение низкого уровня <0.5 В
Выходное напряжение высокого уровня >2.5 В
Ток потребления < 9 мА
Среднее время задержки – 15 нс
Приложение 5
СПРАВОЧНЫЕ ДАННЫЕ НА МИКРОКОНТРОЛЛЕР AT89c51
8-микроконтроллер выполненный по архитектуре MCS-51 фирмы Intel (США).
Основные характеристики:
- 111 базовых команд;
- 8-разрядное арифметико-логическое устройство на основе аккумуляторной архитектуры;
- 4 банка регистров, по 8 в каждом;
- встроенная память программ 4 Кбайт;
- внутреннее ОЗУ объёмом 128 байт;
- булевый процессор;
- два 16-разрядных таймера (счётчика);
- контроллер последовательного канала передачи данных;
- контроллер обработки 5 прерываний с 2 уровнями приоритетов;
- четыре 8-разрядных порта ввода-вывода, два из которых используются в качестве шины адреса/данных для доступа к внешней памяти программ и данных.
Приложение 7
СПРАВОЧНЫЕ ДАННЫЕ НА ПЛИС EPM7256SRC208-7
Микросхема выполнена по архитектуре CPLD и относится к семейству ПЛИС МАХ7000S выпускаемых фирмой Altera. ПЛИС MAX7000S является дальнейшим развитием 5-вольтового MAX7000, с возможностью программирования в системе (ISP, In-systemprogrammability) и периферийного сканирования (boundaryscan) в соответствии со стандартом IEEEStd. 1194.1 JTAG.
Основные характеристики:
| Параметр | Значение |
| Логическая ёмкость, экв. вентилей | 5000 |
| Число макроячеек | 256 |
| Число логических блоков | 16 |
| Число программируемых пользователем выводов | 164 |
| Задержка распростронения сигнала вход-выход, нс | 7,5 |
| Время установки глобального тактового сигнала, нс | 3,9 |
| Задержка глобального тактового сигнала, нс | 3,0 |
| Максимальная глобальная тактовая частота, МГц | 128,2 |
| Комбинационная задержка не более, нс | 1 |
| Регистровая задержка не более, нс | 1 |
| Внутренняя задержка сигнала разрешения, нс | 3,0 |
БИБЛИОГРАФИЧЕСКИЙ СПИСОК
1. Вертхейм Г.К. Эффект Мессбауэра / М. Мир, 1966, 172 с.
2. Экспрессный мессбауэровский спектрометр МС1101Э: Описание и инструкция по эксплуатации / Ростов-на-Дону: MosTec, 1998. – 52с.
3. Иркаев С.М. Многомерная параметрическая мессбауэровская спектрометрия: Диссертация на соискание ученой степени доктора физико-математических наук / СПб.: ИАП РАН, 1994.-228 с.
4. Новиков Е.Г., Семёнкин В.А., Мильдер О.Б., Пикулев А.И. Трёхуровневая система накопления для мессбауэровской спектрометрии // Проблемы спектроскопии и спектрометрии: Межвузовский сборник научных трудов. Екатеринбург: УГТУ, 2001. Вып.6. С. 56-60.
5. Злобин Ю. Микроконтроллеры семейства 8051 / «ChipNews» № 6-7 1998, с.57-65.
6. Новиков Ю.В., Калашников О.А., Гуляев С.Э. Разработка устройств сопряжения для персонального компьютера типа IBMPC. Под общей редакцией Новикова Ю.В.. Практ. пособие – М.:ЭКОМ., 2000 – 224 с.: ил.
7. Угрюмов Е.П. Цифровая схемотехника. – СПб.: БХВ-Петербург, 2001. – 528с.: ил.
8. Стешенко В.Б. ПЛИС фирмы ALTERA: проектирование устройств обработки сигналов. – М.: ДОДЭКА, 2000. – 128 с.: ил.
9. Логические ИС КР1533, КР1554. Справочник. В двух частях. / Петровский И.И., Прибыльский А.В. и др. – М.: ТОО "Бином". 1993. – 496 с.
10. Бирюков С.А. Применение цифровых микросхем серий ТТЛ и КМОП. – 2-е изд., стер. – М.; ДМК, 2000. – 240 с.; ил.
11. ГОСТ 12.1.003-83ССБТ. Шум. Общие требования безопасности. М. Издательство стандартов; 1983.
12. ГОСТ 12.1.004-85. Пожарная безопасность. М. Издательство стандартов; 1988.
13. ГОСТ 12.1.005-88 ССБТ. Общие санитарно-гигиенические требования к воздуху рабочей зоны. М. Издательство стандартов; 1988.
14. ГОСТ 12.1.019-79 ССБТ. Электробезопасность. Общие требования и номенклатура видов защиты. М. Издательство стандартов; 1986.
15. ГОСТ 12.1.038-82.ССБТ. Электробезопасность. Предельно допустимые значения напряжений прикосновений и токов. - М., 1983. - 8 с.
16. ГОСТ 12.2.032-78 ССБТ. Рабочее место при выполнении работ сидя. Общие эргономические требования. М. Издательство стандартов; 1983.
17. Минэнерго СССР. Правила устройства электроустановок. М. Энергоатомиздат; 1987.
18. ГОСТ 12.1.005-88 ССБТ. Общие санитарно-гигиенические требования к воздуху рабочей зоны.
19. НПБ 105-95. Определение категорий помещений и зданий по взрывопожарной безопасности. М. Издательство стандартов; 1995.
20. СанПиН 2.2.2.542-96. Гигиенические требования к видеодисплейным терминалам, персональным электронно-вычислительным машинам и организации работы. М. Госкомэпиднадзор России; 1996.
21. Сибиров Ю.Г., Сколотнев Н.Н., Васин В.К., Начинаев В.Н. Охрана труда в вычислительных центрах. Учебное пособие, М. Машиностроение; 1985.
22. СНиП 23-05-95. Естественное и искусственное освещение. М. Стройиздат; 1987.
23. Нормы радиационной безопасности (НРБ) СП 2.6.1.758-99. Гигиенические нормативы. М. Центр санитарно-эпидемиологического нормирования, гигиенической сертификации и экспертизы Минздрава России;1999.
24. ГОСТ 12.1.005-88. Воздух рабочей зоны. Общие санитарно-гигиенические требования. - М., 1988. - 75 с.
25. СНиП 11-4-79. Строительные нормы и правила. Нормы проектирования. Естественное и искусственное освещение. -М. Стройиздат, 1980.
26. СТП УГТУ-УПИ 1-96. Общие требования и правила оформления дипломных и курсовых проектов. – Екатеринбург. 1996. – 33с.
Похожие рефераты:
Техническая диагностика средств вычислительной техники
Подсистема памяти современных компьютеров
Ответы к Экзамену по Микропроцессорным Системам (микроконтроллеры микрокопроцессоры)
Управление оперативной памятью
Измеритель отношения сигнал/шум ТВ канала
Разработка программы на Ассемблере
Исследование архитектуры современных микропроцессоров и вычислительных систем
8-разрядные КМОП RISC микроконтроллеры с внутрисистемно программируемым Flash ПЗУ

