| Похожие рефераты | Скачать .docx |
Реферат: Тепловые преобразователи
Санкт-Петербургский Государственный Политехнический Университет
Тепловые преобразователи
Работу выполнила
Курашина О.В.
Электромеханический факультет
Группа № 3025/1
2007г.
Оглавление
1. ТЕОРЕТИЧЕСКИЕ ОСНОВЫ РАСЧЕТА ТЕПЛОВЫХ ПРЕОБРАЗОВАТЕЛЕЙ
2. ТЕРМОЭЛЕКТРИЧЕСКИЕ ПРЕОБРАЗОВАТЕЛИ, ИХ ПРИНЦИП ДЕЙСТВИЯ И ПРИМЕНЯЕМЫЕ МАТЕРИАЛЫ
3. УДЛИНИТЕЛЬНЫЕ ТЕРМОЭЛЕКТРОДЫ, ИЗМЕРИТЕЛЬНЫЕ ЦЕПИ, ПОГРЕШНОСТИ ТЕРМОПАР
4. ТЕРМОРЕЗИСТОРЫ, ОСНОВЫ ИХ РАСЧЕТА И ПРИМЕНЯЕМЫЕ МАТЕРИАЛЫ
5. ИЗМЕРИТЕЛЬНЫЕ ЦЕПИ ТЕРМОРЕЗИСТОРОВ
6. РАЗНОВИДНОСТИ ТЕРМОЧУВСТВИТЕЛЬНЫХ ЭЛЕМЕНТОВ
1. ТЕОРЕТИЧЕСКИЕ ОСНОВЫ РАСЧЕТА ТЕПЛОВЫХ ПРЕОБРАЗОВАТЕЛЕЙ
Основным уравнением теплового преобразования является уравнение теплового баланса, физический смысл которого заключается в том, что вся теплота, поступающая к преобразователю, идет на повышение его теплосодержания QTC и, следовательно, если теплосодержание преобразователя остается неизменным (не меняется температура и агрегатное состояние), то количество поступающей в единицу времени теплоты равно количеству отдаваемой теплоты. Теплота, поступающая к преобразователю, является суммой количества теплоты QЭ , создаваемой в результате выделения в нем электрической мощности и количества теплоты QT 0 ,поступающей в преобразователь или отдаваемой им в результате теплообмена с окружающей средой;
Теплосодержание при неизменном агрегатном состоянии вещества зависит от массы т и удельной теплоемкости с материала преобразователя и связано с температурой в преобразователя формулой QTC = тсθ.
Теплообмен осуществляется тремя различными способами.
При теплообмене посредством теплопроводности перенос тепловой энергии происходит только путем взаимодействия частиц, находящихся в непосредственном соприкосновении друг с другом и имеющих различную температуру. Теплообмен путем теплопроводности в чистом виде имеет место только в твердых телах.
Теплообмен посредством конвекции совершается путем перемещения материальных частиц и может иметь место только в жидкостях или газах. Если причиной движения потоков жидкости или газа является неодинаковая плотность среды, вызванная разностью температур, то говорят о естественной конвекции. Движение потоков под действием внешних причин вызывает вынужденную конвекцию
Третьим способом теплообмена является теплообмен посредством излучения. Тепловое излучение представляет собой поток электромагнитных волн, излучаемых телом за счет его тепловой энергии и полностью или частично поглощаемых другими телами.
На практике обычно имеет место комбинация различных способов теплообмена, которые могут быть учтены приводимыми ниже формулами.
Теплопроводность. Распространение теплоты путем теплопроводности определяется законом Фурье q = —К grad в, где q — тепловой поток, представляющий собой коли-чество теплоты, переданной в единицу времени через единицу поверхности, Вт/м2 ;
gradQ = d Q/ dl — градиент температуры; λ— теплопроводность, Вт/(м-К).
Теплопроводность зависит от природы и физического состояния вещества. В анизотропных телах она зависит, кроме того, от направления распространения теплоты. Лучшими проводниками теплоты являются металлы. Наименьшей теплопроводностью обладают газы. Для газов теплопроводность зависит не только от состава газа, но и от температуры и при большом разрежении — от давления.
Полный тепловой поток, создаваемый разностью температур, определяется формулой
, (1)
где GQ — тепловая проводимость среды; R Q - тепловое (или термическое) сопротивление среды.
Тепловая проводимость среды зависит от теплопроводности, определяемой по справочным данным из геометрических соотношений, и для ее расчета можно использовать аналогичные формулы электрической проводимости, заменив удельную проводимость теплопроводностью.
Тепловая проводимость плоской стенки GQ = lS/d, где S — площадь стенки; d — толщина стенки.
Тепловая проводимость цилиндрической стенки
,
где l — длина цилиндра; d 1 , d 2 — диаметры соответственно внешней и внутренней стенок цилиндра.
Конвекция. Полный тепловой поток в результате теплоотдачи определяется формулой Ньютона
, (2)
где x — коэффициент теплоотдачи, Вт/(м2 -К); S — поверхность тела; ΔQ — разность температур окружающей среды и тела. Коэффициент теплоотдачи при естественной и вынужденной конвекции рассчитывается на основании теорий теплового и геометрического подобий.
При искусственной конвекции при поперечном омывании цилиндра (рис. 1, а) коэффициент теплоотдачи для газов выражается формулой
(3)
где d — диаметр цилиндра; υ — скорость движения газа; ν — кинематическая вязкость, равная абсолютной вязкости, отнесенной к плотности вещества; λ— теплопроводность газа; с ип являются функциями скорости газа и размеров цилиндра и определяются по предвари тельно рассчитанной величине, называемой критерием Рейнольдса, Re = vd / v , из табл. 11-1.
а) б)
90° 70° 50° 30° 10°
Рис. 1
| Q,ºC | ν, 1·10-6 м2 /c |
λ, 1·10-2 Вт/(м·К) |
| 0 | 13,70 | 2,33 |
| 20 | 15,70 | 2,56 |
| 100 | 23,78 | 3,02 |
| 500 | 80,40 | 5,46 |
Таблица 1 Таблица 2
| Rе | с | n |
| 5-80 | 0,93 | 0,40 |
| 80-5·103 | 0,715 | 0,46 |
| 5·103 | 0,226 | 0,60 |
При расчете коэффициента теплоотдачи для жидкости в формулу. (3) входит критерий Прандтля Рг:
.
Критерий Прандтля Рг = v / a зависит от кинематической вязкости ν и температуропроводности а, физический смысл которой состоит в том, что она является мерой скорости выравнивания температур различных точек жидкости. Температуропроводность зависит от теплопроводности λ, плотности у и удельной теплоемкости вещества с и определяется формулой а = λ/(су).
Приведенные формулы для теплоотдачи цилиндра в поперечном потоке справедливы только для случая, когда угол ψ, составленный осью цилиндра и направлением потока и называемый углом атаки, равен 90°. Зависимость коэффициента теплоотдачи от угла атаки представлена на рис. 1,б.
В табл. 2 и 3 приведены основные параметры соответственно сухого воздуха при Р = 105 Па и воды, необходимые для расчета коэффициентов теплоотдачи. Температура, при которой определены параметры в табл. 11-2 и 11-3, считается как среднеарифметическая температура тела и среды.
Таблица 3
| Q,ºC | ν, 1·10- 6 м2 /c |
λ, Вт/(м·К) |
а, 1·10- 7 м2 /c |
| 20 | 1,6 | 0,6 | 1,42 |
| 60 | 0,479 | 0,66 | 1,61 |
| 80 | 0,366 | 0,69 | 1,64 |
Тепловое излучение
свойственно всем телам, и каждое из них непрерывно излучает и поглощает энергию. Разность между излучаемой и поглощаемой телом лучистой энергией отлична от нуля, если температура тел, участвующих во взаимном обмене лучистой энергией, различна. По закону Стефана — Больцмана полное количество энергии, излучаемой в единицу времени единицей поверхности, имеющей температуру Q, равно
, где σо
= 5,7- 10-8
Вт/(м2
-К4
) — константа излучения абсолютно черного тела.
В технических расчетах этот закон применяется в более удобной
форме: Ео
= Со
(Q/100)4
, где Со
— коэффициент лучеиспускания абсолютно черного тела: Со
= 5,7 Вт/(м2
-К4
). Закон Стефана — Больцмана применим и к реальным серым телам, но их коэффициент лучеиспускания С
рассчитывается с учетом относительной излучательной
способности или степени черноты тела ε, т. е. С = Со
ε. Значение ε изменяется в пределах от нуля до единицы.
Количество поглощаемой телом лучистой энергии также зависит от степени черноты тела и определяется формулой Е = εEэф , где Езф — извне падающее эффективное излучение окружающих тел. При выводе формул лучистого теплообмена между телами необходимо учитывать, кроме лучеиспускательной, поглощательной и отражательной способности тел, их размеры и направление излучений. Относительно простые формулы могут быть приведены только для теплообмена между плоскими параллельными поверхностями и между двумя поверхностями в замкнутом пространстве, когда одна из поверхностей охватывает другую, обязательно выпуклую поверхность (рис. 1, в).
В первом случае количество теплоты на 1 м2 площади в одну секунду равно
.
Для уменьшения лучеиспускания тела при заданных температурах уменьшают его степень черноты и применяют экран.
Уравнение теплового баланса преобразователей при неизменном агрегатном состоянии среды и постоянной температуре тел определяется как
,
где q э = i 2 R — теплота Джоуля—Ленца, выделяющаяся в преобразователе; q ’тп , q тп , q конв и q л.и — тепловые потоки соответственно в результате теплопроводности через преобра-зователь, через окружающую среду, вследствие конвекции и теплового излучения. Эти тепловые потоки пказаны на рис. 2.
Выражая соответствующими формулами все виды тепловых потерь, уравнение теплового баланса можно представить как

(4)
Qcr
где Qа , Qср , Qст — соответственно температуры внешней среды, окружающей преобразователь, и стенок.
Как видно из этого уравнения, температура преобразователя зависит от температуры окружающей среды, от коэффициента теплоотдачи x, зависящего от скорости движения окружающей среды, от тепловой проводимости среды, определяемой ее свойствами, от геометрической формы окружающих тел и расстояния их до преобразователя.
Подчеркнув соответствующий эффект и сделав пренебрежимо малыми все остальные, тепловые преобразователи можно использовать для измерения температуры среды, скорости ее движения, концентрации вещества, изменяющего теплопроводность среды, и перемещения.
Принцип действия соответствующих преобразователей проиллюстрирован рис. 3.
Устройство датчика термоанемометра, служащего для измерения скорости газового потока, показано на рис. 3, а.
Нить 1 нагревается до 200—800 °С протекающим по ней током и одновременно охлаждается обдувающим ее газовым потоком. Если эффект сноса теплоты превосходит другие охлаждающие факторы, то уравнение теплового баланса (4) может быть представлено в виде
. Поскольку коэффициент теплоотдачи является функцией скорости x = f(υ), то из приведенного уравнения следует, что в режиме заданного тока I = const температура нити Q = f(υ), является функцией скорости, а в режиме заданной температуры Q = const требуемое изменение тока ΔI будет функцией скорости ΔI= j (υ). В датчике, показанном на рис. 3, а,
нить выполнена из платиновой проволоки (диаметр 5—20 мкм, длина 2—10 мм), сопротивление которой меняется с температурой, и припаяна к двум манганиновым стерженькам 2.
Сквозь ручку 3
пропущены выводы 4
для включения датчика в измерительную цепь.
На рис. 11-3, б
дано принципиальное устройство преобразователя газоанализатора. Платиновая проволока 1, подогреваемая протекающим по ней током до температуры Q = 100 ¸ 200 °С, натянута по оси камеры. В камеру через канал поступает с очень малой скоростью исследуемая газовая смесь. Размеры камеры и проволоки и скорость протекания газа выбраны таким образом, чтобы можно было пренебречь всеми тепловыми потерями, кроме тепловых потерь в результате теплопроводности окружающей среды. Тогда уравнение (4) может быть представлено в виде
. Коэффициент теплопроводности газа зависит от состава газа, и, следовательно, при токе I = const температура проволоки и ее сопротивление зависят от состава газа. В частности, для смеси воздуха с углекислым газом, теплопроводность которого меньше теплопроводности воздуха, температура нити будет тем выше, чем больше концентрация углекислого газа.

Рис. 11-3
Переходный процесс нагревания или охлаждения тела описывается уравнением теплового баланса. В стадии регулярного теплового режима в уравнении (4) появляется член, учитывающий дополнительную теплоту, идущую на повышение теплосодержания тела:
(5)
Если пренебречь потерями на излучение, то из уравнения (5) видно, что тепловой преобразователь является апериодическим преобразователем с постоянной времени
Т = mc / x å ,
где x å = G 'е + G Q + x S — суммарный коэффициент теплопередачи, определяемый теплопроводностью и конвекцией. Необходимо обратить внимание на то, что постоянная времени теплового преобразователя зависит от условий охлаждения и будет различной для одного и того же пpeобразователя, находящегося в воздухе и в жидкости, в спокойной жидкости и в движущейся жидкости и т. д. Чем больше x å , тем быстрее протекает переходный процесс. При больших x å и малых постоянных времени Т необходимо учитывать стадию дорегулярного режима, которой при описании переходного процесса обычно можно пренебречь.; В этом случае для оценки переходного процесса нельзя пользоваться уравнением (5) и нужно прибегать к специальной литературе.В стадии регулярного теплового режима температура преобразователя' в операторной форме определяется уравнением
.
Переходный процесс в преобразователе при внезапном скачкообразном изменении температуры на величину ΔQср описывается уравнением
где Q0 — начальная температура преобразователя.
В большинстве случаев при описании переходного процесса пренебрегают статической погрешностью из-за наличия теплопроводности через преобразователь G« и выражают переходный процесс уравнением
(6)
Переходный процесс при внезапном изменении одного из коэффициентов теплоотдачи, например при изменении x вследствие изменения скорости движения окружающей среды, описывается уравнением
где
2. ТЕРМОЭЛЕКТРИЧЕСКИЕ ПРЕОБРАЗОВАТЕЛИ, ИХ ПРИНЦИП ДЕЙСТВИЯ И ПРИМЕНЯЕМЫЕ МАТЕРИАЛЫ
Явление термоэлектричества было открыто в 1823 г. Зеебеком и заключается в следующем. Если составить цепь из двух различных проводников (или полупроводников) А и В, соединив их между собой концами (рис. 4, а), причем температуру Q1 одного места соединения сделать отличной от температуры QО другого, то в цепи потечет ток под действием ЭДС, называемой термоэлектродвижущей силой S: (термо-ЭДС) и представляющей собой разность функций температур мест соединения проводников:
.
Подобная цепь называется термоэлектрическим преобразователем или иначе термопарой; проводники, составляющие термопару, — термоэлектродами, а места их соединения — спаями.
Термо-ЭДС при небольшом перепаде температур между спаями можно считать пропорциональной разности температур: ЕАВ = SAB AQ .
![]()

Опыт показывает, что у любой пары однородных проводников, значение термо-ЭДС зависит только от природы проводников и от температуры спаев и не зависит от распределения температуры вдоль проводников, Термоэлектрический контур можно разомкнуть в любом месте и включить в него один или несколько разнородных проводников. Если все появившиеся при этом места соединений находятся при одинаковой температуре, то не возникает никаких паразитных термо-ЭДС.
Можно разомкнуть контур в месте контактирования термоэлектродов А и В и вставить дополнительный проводник С между ними (рис. 4,6). Значение термо-ЭДС в этом случае определится как Е = ЕАВ ( Q 1 ) + ЕВС ( Q 0 ) + ЕСА ( Q о) = ЕАВ ( Q 1 ) + ЕВА ( Q 0 ) = = ЕАВ (Q1 ) — ЕАВ (Q0 ), так как если два любых проводника А и В имеют по отношению к третьему С термо-ЭДС ЕА с и ЕВ с, то термо-ЭДС термопары А В = ЕАВ = ЕАС + ЕСВ .
Можно разорвать также один из термоэлектродов и вставить дополнительный проводник в место разрыва (рис. 4, в). Значение термо-ЭДС в этом случае будет тем же, что и в предыдущем. Действительно,
Е = ЕАВ (Qх ) Ч- Евс (Q1 ) + ЕС в (Qа ) + ЕВА (Qв ) =
= ЕАВ ( Q1 ) - ЕАВ ( Qв ).
Таким образом, прибор для измерения термо-ЭДС может быть включен как между свободными концами термопары, так и в разрыв одного из термоэлектродов.
Явление термоэлектричества принадлежит к числу обратимых явлений, обратный эффект был открыт в 1834 г. Жаном Пельтье и назван его именем. Если через цепь, состоящую из двух различных проводников или полупроводников, пропустить электрический ток, то теплота выделяется в одном спае и поглощается в другом. Теплота Пельтье связана с силой тока линейной зависимостью в отличие от теплоты Джоуля, и нагревание или охлаждение спая зависит от направления тока через спай.
Во второй половине XIX в. Томсоном был открыт эффект, заключающийся в установлении на концах однородного проводника, имеющего температурный градиент, некоторой разности потенциалов и в выделении дополнительной тепловой мощности при прохождении тока по этому проводнику. Однако ЭДС Томсона и дополнительная тепловая мощность настолько малы, что в практических расчетах ими обычно пренебрегают.
КПД термоэлектрического генератора зависит от разности температур и свойств материалов и для существующих материалов очень мал (при DQ = 300 °С не превышает h= 13%, а при DQ = 100 °С , h = 5%).
КПД термоэлектрического подогревателя или холодильника также очень мал: для холодильника КПД при температурном перепаде 5 °С составляет 9%, а при перепаде 40°С — только 0,6%.
Тепловой баланс охлаждаемого в результате эффекта Пельтье спая определяется уравнением![]()
![]()
где П12 I — теплота, поглощаемая в спае за счет эффекта Пельтье; I — ток через спай; П12 — коэффициент Пельтье, зависящий от материалов спая; I2 R— выделяющаяся в термоэлементе теплота Джоуля, часть которой поступает на холодный спай; G ' e (Qнагр — Q0ХЛ ) — тепловой поток, обусловленный разностью температур нагреваемого и охлаждаемого спаев;' G ' Q — тепловая проводимость термоэлемента;Gе (Qокр — Qохл) — тепловой поток, возникающий в результате теплообмена между, окружающей средой и охлаждаемым спаем.
Как видно из приведенного уравнения, температура холодного спая будет уменьшаться при увеличении тока за счет эффекта Пельтье, в то же время с увеличением тока увеличивается теплота Джоуля, и эффект нагревания при больших токах снижает эффект охлаждения. Поэтому минимальная температура холодного спая достигается при некотором оптимальном токе.
В измерительной технике термопары получили широкое распространение для измерения температур. Кроме того, полупроводниковые термоэлементы используются как обратные тепловые преобразователи, преобразующие электрический ток в тепловой поток.
Таблица 4
| Материал | Термо-, ЭДС, мВ | Материал | Термо-ЭДС, мВ |
| Кремний | +44,8 | Свинец | +0,44 |
| Сурьма | +4,7 | Олово | +0,42 |
| Хромель | +2,4 | Алюминий | +0,40 |
| Нихром | +2,2 | Графит | +0,32 |
| Железо | +1,8 | Уголь | +0,30 |
| Сплав (90% Pt + 10% Ir) | +1,3 | Ртуть | 0,00 |
| Молибен | +1,2 | Палладий | -0,57 |
| Вольфрам | +0,8 | Никель | -1,5 |
| Манганин | +0,76 | Алюмель | -1,7 |
| Медь | +0,76 | Сплав (60%Au + 30%Pd + | -2,31 |
| Золото | +0,75 | 10%Pt) | |
| Серебро | +0,72 | Константан | -3,4 |
| Иридий | +0,65 | Копель | -4,5 |
| Родий | +0,64 | Пирит | -12,1 |
| Сплав (90% Pt + 10%Rh) | +0,64 | Молибденит | от-69 до-104 |
Материалы, применяемые для термопар . В табл. 4 приведены термо-ЭДС, которые развиваются различными термоэлектродами в паре с платиной при температуре рабочего спая Q1 = 100 °С и температуре свободных концов Q0 = 0 °С. Зависимость термо-ЭДС от температуры в широком диапазоне температур обычно нелинейна, поэтому данные таблицы нельзя распространить на более высокие температуры.
При конструировании термопар, естественно, стремятся сочетать термоэлектроды, один из которых развивает с платиной положительную, а другой — отрицательную термо-ЭДС. При этом необходимо учитывать также пригодность того или иного термоэлектрода для применения в заданных условиях измерения (влияние на термоэлектрод среды, температуры и т. д.).
Материалы, применяемые в промышленных термопарах, обусловлены ГОСТ 6616—74. Однако используется и ряд специальных термопар, например при измерениях тепловой радиации, для измерений температуры нагревателей в термоанемометрах и вакуумметра, в термоэлементах термоэлектрических амперметров, вольтметров и ваттметров.
Термопары этого типа работают при сравнительно небольшихтемпературах, но для повышения чувствительности преобразователей мощности в температуру должны обладать минимальной теплоемкостью и минимальным коэффициентом теплоотдачи. Поэтому такие термопары выполняются из тонкой проволоки диаметром d 5 10 мкм.

Для повышения выходной ЭДС используется несколько термопар, образующих термобатарею. На рис. 6 показан чувствительный элемент радиационного пирометра. Рабочие спаи термопар расположены на черненом лепестке, поглощающем излучение; свободные концы — на массивном медном кольце, служащем токоотводом и прикрытом экраном. Благодаря массивности и хорошей теплоотдаче кольца температуру свободных концов можно считать постоянной и равной комнатной.
3. УДЛИНИТЕЛЬНЫЕ ТЕРМОЭЛЕКТРОДЫ, ИЗМЕРИТЕЛЬНЫЕ ЦЕПИ, ПОГРЕШНОСТИ ТЕРМОПАР

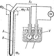
Удлинительные термоэлектроды. Свободные концы термопары должны находиться при постоянной температуре (рис. 7). Однако не всегда возможно сделать термоэлектроды термопары настолько длинными и гибкими, чтобы ее свободные концы размещались в достаточном удалении от рабочего спая. Кроме того, при использовании благородных металлов делать длинные термоэлектроды экономически невыгодно, поэтому приходится применять провода из другого материала. Соединительные провода А1 и В1 (рис. 7), идущие от зажимов в головке термопары до сосуда объемом V , тем пературу в котором желательно поддерживать постоянной, называют удлинительными термоэлектродами. Далее для соединения с измерительным прибором можно использовать обычные провода.
Чтобы при включении удлиниnельных термоэлектродов из материалов, отличных от материалов основных термоэлектродов, не изменилась термо-ЭДС термопары, необходимо выполнить два условия. Первое — места присоединения удлинительных термоэлектродов к основным термоэлектродам в головке термопары должны иметь одинаковую температуру. И второе — удлинительные термоэлектроды должны быть термоэлектрически идентичны основной термопаре, т. е. иметь ту же термо-ЭДС в диапазоне возможных температур места соединения термоэлектродов в головке термопары (примерно в диапазоне от 0 до 200 °С).
Для термопары платинородий — платина применяются удлинительные термоэлектроды из меди и сплава ТП, образующие термопару, термоидентичную термопаре платинородий — платина в пределах до 150 °С. Для термопары хромель — алюмель удлинительные термоэлектроды изготовляются из меди и константана. Для термопары хромель — копель удлинительными являются основные термоэлектроды, но выполненные в виде гибких проводов.
При неправильном подключении удлинительных термоэлектродов возникает весьма существенная погрешность.
Погрешность, обусловленная изменением температуры свободных концов термопары . Градуировка термопар осуществляется при температуре свободных концов, равной нулю. Если при практическом использовании термоэлектрического термометра температура свободных концов будет отличаться от 0 °С на величину + Q0 , то измеренная ЭДС будет меньше и необходимо ввести соответствующую поправку в показания термометра.
Однако следует иметь в виду, что из-за нелинейной зависимости между ЭДС термопары и температурой рабочего спая поправка DQ к показаниям указателя Q', градуированного непосредственно в градусах, не будет равна температуре Q0 свободных концов, что очевидно из рис. 9.

Для определения температуры необходимо воспользоваться градуировочной таблицей для данной термопары, определить ЭДС .Е как Е = Еизм + D Е (Q0 ) и затем по скорректированному таким образом значению Е найти Q. Приближенно значение погрешности может быть определено как
DQ = k Q0 ,
где k — поправочный коэффициент на температуру свободных концов. Значение k различно для каждого участка кривой, поэтому градуировочную кривую разделяют на участки по 100 °С и для каждого участка определяют значение k .
В качестве примера устройства автоматического введения поправки на. температуру свободных концов на рис. 10 схематично показано устройство типа КТ-0,8. В цепь термопары и милливольтметра включен мост, одним из плеч которого является терморезистор RT , помещенный возле свободных концов термопары (остальные плечи моста выполнены из манганиновых резисторов). При температуре в0 мост находится в равновесии и напряжение на его выходной диагонали равно нулю.

При повышении температуры свободных концов сопротивление R , изменяется, мост выходит из равновесия и возникающее напряжение на выходной диагонали моста компенсирует уменьшение термо-ЭДС термопары. Уравновешивание моста при температуре терморезистора, равной нулю, производится изменением сопротивления одного из манганиновых резисторов. Изменение выходного напряжения U вых моста при температуре терморезистора Q до значения, равного уменьшению термо-ЭДС D Е, так, чтобы ивых (0) — — АЕ (0) = 0, производится изменением напряжения питания моста, т. е. сопротивления R . Вследствие нелинейности характеристики термопар полной коррекции погрешности при помощи описываемого устройства получить не удается, однако погрешность значительно уменьшается.
Погрешность, обусловленная изменением сопротивления измерительной цепи . В термоэлектрических термометрах для измерения термо-ЭДС применяют как обычные милливольтметры, так и потенциометры с ручным или автоматическим уравновешиванием на предел измерения до 100 мВ.
В тех случаях, когда термо-ЭДС измеряется милливольтметром, может возникнуть погрешность из-за изменения сопротивлений всех элементов, составляющих цепь термо-ЭДС. Измерительная цепь термопары включает в себя рабочие термоэлектроды, удлинительные термоэлектроды и соединительные провода или линию. Сопротивление рабочих термоэлектродов из неблагородных металлов не превышает 1 Ом, сопротивление рабочих термоэлектродов из благородных металлов больше. Кроме того, термоэлектроды, за редким исключением, выполняются из материалов, имеющих относительно высокий ТКС, и при изменении температуры на несколько сотен градусов внутреннее сопротивление термопары существенно возрастает.
Чтобы уменьшить погрешность от падения напряжения на внутреннем сопротивлении термопары, милливольтметры, как правило, градуируются по температуре в комплекте с термопарой с указанием сопротивления линии (обычно 5 Ом), которое подгоняется изменением сопротивления добавочной катушки непосредственно при монтаже прибора. При соблюдении этих условий погрешность возникает при изменении сопротивления термоэлектродов в результате окисления в процессе эксплуатации, при изменении сопротивления термопары при разных глубинах ее погружения, при изменении сопротивления удлинительных термоэлектродов и соединительных проводов в зависимости от темлературы окружающей среды.
4. ТЕРМОРЕЗИСТОРЫ, ОСНОВЫ ИХ РАСЧЕТА И ПРИМЕНЯЕМЫЕ МАТЕРИАЛЫ
Для измерения температур используются терморезисторы из материалов, обладающих высокостабильным ТКС, линейной зависимостью сопротивления от температуры, хорошей воспроизводимостью свойств и инертностью к воздействиям окружающей среды. К таким материалам в первую очередь относится платина. Благодаря своей дешевизне широко распространены медные терморезисторы, применяются также вольфрамовые и никелевые.
Сопротивление платиновых терморезисторов в диапазоне температур от 0 до +650 °С выражается соотношением RQ = R0 (1 + АQ + ВQ2 ), где R0 — сопротивление при 0 °С; Q— температура, °С. Для платиновой проволоки с отношением R 100 / Ro = 1,385 значения А = 3,90784·10-3 Кг-1 ; В = 5,7841-10-7 К-2 . В интервале температур от 0 до —200 °С зависимость сопротивления платины от температуры имеет вид RQ = R0 [1 + АQ + ВQ2 + С (Q — 100) Q3 ], где С = = —4,482-10-12 К-4 . Промышленные платиновые термометры согласно ГОСТ 6651—78 используются в диапазоне температур от —260 до + 1100 °С.
Миниатюрные высокоомные платиновые терморезисторы изготовляют путем вжигания или нанесения иным путем платиновой пленки на керамическое основание толщиной 1—2 мм. При ширине пленки 0,1—0,2 мм и длине 5—10 мм сопротивление терморезистора лежит в пределах 200—500 Ом. Такого рода термочувствительные элементы при нанесении пленки с обеих сторон используются для измерения температурного градиента и имеют порог чувствительности (1 ¸ 5)10-5 К/м.
При расчете сопротивления медных проводников в диапазоне температур от —50 до +180 °С можно пользоваться формулой RQ = R0 (1 + aQ), где a = 4,26-10-3 К-1 ; R0 — сопротивление при 0 °С. Если для медного терморезистора требуется определить сопротивление R Q , (при температуре Q2 ) по известному сопротивлению R Q 1

(при температуре Q1 ), то следует пользоваться формулой
R Q 2 = R Q 1 (1 + aQ2 )/(1 + aQ1 ).
Медный терморезистор можно применять только до температуры 200°С в атмосфере, свободной от влажности и корродирующих газов. При более высоких температурах медь окисляется. Нижний предел температуры для медных термометров сопротивления равен —200°С, хотя при введении индивидуальной градуировки возможно их применение вплоть до —260 °С.
Погрешности, возникающие при измерении температуры термометрами сопротивления, вызываются нестабильностью во времени начального сопротивления термометра и его ТКС, изменением сопротивления линии, соединяющей термометр с измерительным прибором, перегревом термометра измерительным
током. В частности, В. И. Лахом для определения допустимого измерительного тока через термометр в диапазоне измеряемых температур до 750 °С приводится соотношение
I = 2d1,5 DQ0,5 , где I— ток, А; d— диаметр проволоки термометра, мм; DQ— допустимое приращение показаний термометра за счет его нагревания током. В диапазоне температур от —50 до +100 °С перегрев находящегося в спокойном воздухе провода диаметром d= 0,05 ¸ 0,1 мм определяется из формулы DQ = 5I2 /d2 .
Полупроводниковые терморезисторы отличаются от металлических меньшими габаритами и большими значениями ТКС.
ТКС полупроводниковых терморезисторов (ПТР) отрицателен и уменьшается обратно пропорционально квадрату абсолютной температуры: a = В/Q2 . При 20 °С ТКС составляет 0,02—0,08 К-1 .
Температурная зависимость сопротивления ПТР (рис. 11, кривая 2) достаточно хорошо описывается формулой R Q = АеВ/Т , где Т — абсолютная температура; А — коэффициент, имеющий размерность Сопротивления; В — коэффициент, имеющий размерность температуры. На рис. 11 для сравнения приведена температурная зависимость для медного терморезистора (прямая 1).
Если для применяемого ПТР не известны коэффициенты А и В, Но известны сопротивления R1 и R2 при Т1 и Т2 , то сопротивление и коэффициент В для любой другой температуры можно определить из соотношений:
![]()
Недостатками полупроводниковых терморезисторов, существенно снижающими их эксплуатационные качества, являются нелинейность зависимости сопротивления от температуры (рис. 11) и значительный разброс от образца к образцу как номинального сопротивления, так и постоянной В

CT4-16
Рис. 12
Конструктивно терморезисторы могут быть изготовлены самой разнообразной формы. На рис. 12 показано устройство нескольких типов терморезисторов. Терморезисторы типа ММТ-1 и КМТ-1 представляют собой полупроводниковый стержень, покрытый эмалевой краской, с контактными колпачками и выводами. Этот тип терморезисторов может быть использован лишь в сухих помещениях.
Терморезисторы типов ММТ-4а и КМТ-4а заключены в металлические капсулы и герметизированы, благодаря чему они могут быть использованы при любой влажности и даже в жидкостях, не являющихся агрессивными относительно корпуса терморезистора.
Особый интерес представляют миниатюрные полупроводниковые терморезисторы, позволяющие измерять температуру малых объектов с минимальными искажениями режима работы, а также температуру, изменяющуюся во времени. Терморезисторы СТ1-19 и СТЗ-19 имеют каплевидную форму. Для герметизации чувствительный элемент в них оплавлен стеклом и снабжен выводами из проволоки, имеющей низкую теплопроводность. В терморезисторе СТЗ-25 чувствительный! элемент также помещен в стеклянную оболочку, диаметр которой доведен до 0,5—0,3 мм. Терморезистор с помощью выводов прикреплен к траверсам.
Терморезистор СТ4-16, в котором для герметизации термочувствительный элемент в виде бусинки оплавлен стеклом, обладает повышенной стабильностью и относительно малым разбросом номинального; сопротивления (менее ±5%). Терморезистор СТ17-1 предназначен для работы в диапазоне низких температур (от —258 до +60 °С).' При температуре кипения жидкого азота (—196 °С) его ТКС составляет от —0,06 до
—0,12К-1 при температуре —252,6 °С ТКС возрастает и достигает значения от —0,15 до —0,30 К-1 , постоянная времени при погружении в жидкий азот не превышает 3 с. Терморезистор СТ18-1 рассчитан на работу в температурном диапазоне от +200 до +600 "С, его ТКС при +250 °С составляет —0,034 К-1 , при 600 °С равен —0,011 К-1 "1 .
В табл. 11-5 приведены характеристики для некоторых типов ПТР, взятые из соответствующих стандартов. В графе «номинальное сопротивление» приведены крайние значения рядов номинальных сопротивлений.
Таблица 5
Тип ПТР |
Номинальное сопротивление при 20°С, кОм |
Посто- янная В, 102 К |
Диапазон рабочих температур, °С | Мощность рассеяния | ТКС при 20 °С, К-1 ' |
Постоянная времени, с | ||
| Pmin, мВт | Pmax, Вт |
Pдоп, мВт | ||||||
КМТ-1 КМТ-8 |
22—1000 0,1-10 | 36-72 | —60 ... +180 -45 ... +70 | 1,0 3,0 | 1,0 0,6 | 0,3 1,0 | —0,042...—0,084 | 85 115 |
| ММТ-1 | 1-230 | 20,6—43 | —60 ... +125 | 1,3 | 0,6 | 0,4 | —0,024…—0,05 | 85 |
| ММТ-8 | 0,001-0,047 0.056—0,100 0,120—1,000 | 20,6—27,5 22,3—29,2 22,3-34,3 | -45 ... +70 | 10 | 0,6 |
2,0 |
—0,024…—0,032 —0,024…—0,034 —0,026…—0,04 |
- |
| ММТ-9 | 0,01—4,7 | 20,6-43 | -60 ... +125 | 10 | - | 2,0 | —0,024...—0,05 | |
| СТЗ-23 | 2,2; 2,7; 3,3; 3,9; 4,7 Ом | 26—32 | —0,0305. ..0,0375 | |||||
| СТЗ-17 CT1-I7 | 0,033—0,330 0,330—22 | 25,8-38,6 36—60 | —60 ... +100 | 0.8 0,5 | -. | 0,2 | —0,03 ..—0,045 —0,042... —0,07 |
30 |
Минимальной мощностью рассеяния Рmin называется мощность, при которой у терморезистора, находящегося в спокойном воздухе при температуре (20 ± 1) °С, сопротивление уменьшается от разогревания током не более чем на 1 %. Максимальной называется мощность Ртах, при которой терморезистор, находящийся в тех же условиях, разогревается током до верхней допустимой температуры. Кроме этого, указывается допустимая мощность Рдоп при максимальной допустимой температуре. По стандартам для большинства терморезисторов допускаются отклонения от номинальных значений начальных сопротивлений в пределах ± 20%, при длительной выдержке ПТР при максимальной допустимой температуре допускается изменение сопротивления в пределах ± 3%, при хранении в течение 18 месяцев изменение сопротивления не должно превышать ± (1 ¸ 3)%, при хранении до 10 лет изменение сопротивления может достигать ±30%. Однако опыт работы с ПТР показывает, что стабильность характеристик ПТР оказывается в большинстве случаев значительно выше указываемой в стандартах.
В настоящее время не на все типы выпускаемых ПТР имеются стандарты. Основные характеристики некоторых из этих типов ПТР, не вошедших в табл. 5, даны в табл. 6. В графе «постоянная В» приводятся два диапазона возможных значений В: первая строка относится к низким температурам, а вторая — к высоким. Номинальные сопротивления ПТР типов КМТ-14, СТ1-18, СТ1-19 нормируются для 150 °С, остальные — для 20 °С.
Таблица 6
| Тип ПТР | Номинальное сопротивление, кОм | Постоянная В, 10* К | Диапазон рабочих температур, "С | Коэффициент рассеяния, мВт/К | Постоянная времени (не более), с |
ММТ-6 СТЗ-6 КМТ-10 СТ4-2 СТ4-15 СТ4-17 КМТ-14 СТЗ-14 СТ1-18 СТЗ-19 СТЗ-25 |
10—100 6,8-8,2 100—3300 2,1-3,0 1,5—1,8 1,5—2,2 0,51—7500 1,5-2,2 1,5—2200 2,2—15 3,3-4,5 |
20,6 20,5—24 36 34,7—36,3 36,3—41,2 23,5—26,5 29,3—32,6 32,6—36 41—70 26—33 27,5—36 40,5—90 26—32 |
—60...+125 —90...+125 0...125 —60...+125 —60...+180 —80...+100 —10... +300 —60...+125 —60...+300 —90...+125 —100...+125 |
1,7 1,6 - 36 36 2 0,8 1,1 0,2 0,5 0,08 |
35 35 - - - 30 60 4 1 3 0,4 |
5. ИЗМЕРИТЕЛЬНЫЕ ЦЕПИ ТЕРМОРЕЗИСТОРОВ
Измерительные цепи терморезисторов строят обычно или на основе уравновешенных мостов или используя преобразование сопротивления
в напряжение.
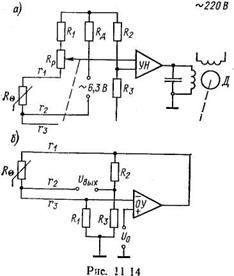
На рис. 13, а показана упрощенная схема измерительной цепи самопишущего термометра типа КС. Металлический терморезистор R Q включается здесь в мост, образованный резисторами Rt R 2 , R 3 и реохордом R р . Мост питается от источника переменного напряжения 6,3 В через добавочный резистор R д . Выходное напряжение моста подается на усилитель неравновесия УН, управляющий работой двигателя Д, связанного с движком реохорда и пером самописца. Вращаясь, двигатель перемещает движок реохорда до тех пор, пока мост не придет в состояние равновесия. „ Перемещение движка пропорционально изменению сопротивления R, и шкала прибора градуируется по температуре.

Как видно из рис. 13, а, терморезистор в данном случае присоединен к мостовой цепи с помощью трехпроводной линии связи. Благодаря этому уменьшается погрешность, вызываемая изменением сопротивления проводов линии. Действительно, сопротивления проводов r1 и r3 включены в соседние плечи моста (последовательно с RQ и R3 ),а сопротивление провода r2 включено последовательно с источником питания. Таким образом, r2 вообще не влияет на состояние равновесия, а влияния сопротивлений r1 и r3 в значительной степени компенсируют друг друга.
Если обозначить буквой ц относительное перемещение движка реохорда от нижнего по схеме зажима, то условие равновесия моста в схеме рис. 11-14, а запишется следующим образом:
![]()
Из этого равенства соответственно найдем
![]()
Последнее соотношение позволяет количественно оценить влияние нестабильности сопротивлений rt и r3 на показания прибора h.
Широкое распространение цифровых вольтметров привело к тому, что в настоящее время получили применение измерительные цепи, основанные на преобразовании сопротивления в напряжение.
На рис. 13,6 показана схема преобразователя сопротивления в напряжение, содержащая неравновесный мост, в одно из плеч которого включен по трехпроводной схеме терморезистор R Q .. Благодаря использованию в цепи операционного усилителя ОУ достигается линейная зависимость выходного напряжения Uвых от сопротивления R Q .. Напряжение на выходе ОУ, которое является напряжением питания моста, равно
U = Uo ( Rt + R Q + r 1 + r 3 )/ R 1
Выходное напряжение моста определяется как
![]()
Если
= R2
= R3
= Rи RQ
= R +DR, то
![]()
Как видно из последнего выражения, сопротивления проводов r1 и r3 компенсируют друг друга и при r1 = r3 выходное напряжение Uвых = 0,5 U0 DR/R. Напряжение питания Uo ограничивается значением допустимого тока через терморезистор, ток через терморезистор определяется формулой I = UO / R 1 .

Рис. 14
Радикальным методом борьбы с влиянием проводов соединительной линии является использование четырехпроводного включения терморезистора. Четырехпроводное включение показано на рис. 14, а. Через терморезистор протекает ток I0 , задаваемый стабилизатором тока или специальным источником с большим внутренним сопротивлением. Таким образом, сопротивления проводов r 1 иr 4 а также изменение сопротивления R Q не влияют на ток I0 . Если для измерения напряжения U вых использовать вольтметр с высоким входным сопротивлением, то сопротивления проводов r 2 иr 3 также не повлияют на результат измерения. Так обеспечивается практически полное исключение погрешностей, вызванных нестабильностью сопротивлений проводов соединительной линии, а напряжение U вых определяется простым соотношением U вых = I0 /RQ
Один из возможных вариантов цепи с источником тока и четырехпроводной соединительной линии показан на рис. 14, б. Источник тока здесь построен на основе операционного усилителя ОУ1 и резисторов с сопротивлениями Rt — R 4 . Как известно [1], если в такой цепи установить R 4 / R 3 — R 2 / R 1 , то ток I0 , поступающий в терморезистор Re (при условии, что R 7 = ¥ ), будет определяться соотношением
I = U 0 / R 3 .
Операционный усилитель ОУ2 обеспечивает поддержание нулевого потенциала на нижнем зажиме терморезистора R Q вне зависимости от сопротивления проводов r 3 и r 4 . Благодаря этому напряжение между проводом r2 и землей оказывается пропорциональным R Q и отпадает необходимость в использовании дифференциального усилителя.
Построенный на основе операционного усилителя ОУЗ неинвертирующий усилитель обеспечивает выходное напряжение, равное
(7)
Если требуется, чтобы при начальном значении сопротивления терморезистора R Q = Ro обеспечивалось равенство выходного напряжения U вых нулю, то отношение R 6 / R 5 следует выбирать в соответствии с равенством R 6 / R 5 = R 0 /( R 3 — R 0 ). Тогда
Uвых =. Uo (RQ - R0 )/( R3 - R0 ).
Вводя в измерительную цепь (рис. 14, б) резистор R 7 , можно скорректировать в некоторых пределах нелинейность преобразования температуры в сопротивление R Q (если таковая нелинейность имеется). При введении R 7 нужно скорректировать значения сопротивлений R1 - R4 так, чтобы выполнялось равенство /?4 ( Ra + #7У(#з#7) — = R ^ Ri - При этом ток I0 оказывается равным I0 = Uo / R 3 + UBbIX / R 7 .
Подобным путем при правильном выборе элементов цепи удается скорректировать погрешность линейности платинового термометра сопротивления и уменьшить эту погрешность в диапазоне измерения О—400 °С до значения 0,1—0,2 °С. Без линеаризации погрешность линейности составляет около 8 С С.
Полупроводниковые терморезисторы имеют весьма нелинейную зависимость сопротивления от температуры (кривая 1 на рис. 15, а). Для полупроводниковых терморезисторов разработаны специальные линеаризующие цепи.
Простейшая из таких цепей образуется при шунтировании полупроводникового терморезистора постоянным сопротивлением, как это показано на рис. 15,6. Линеаризованное сопротивление изменяется в зависимости от температуры в соответствии с кривой 2 на рис. 15, а. Для того чтобы получить точку перегиба кривой 2 при заданной температуре Тп (Тп целесообразно задать в середине диапазона измеряемых температур), нужно выбрать R 1.

Часто одновременно с линеаризацией проводят также унификацию характеристик полупроводниковых терморезисторов, т. е. строят двухполюсники с одинаковыми характеристиками при использовании в них терморезисторов с несколько различающимися параметрами. При этом измерительная цепь, естественно, усложняется. Один из возможных вариантов унифицирующей цепи показан на рис. 15, в.

Рис. 15
Путем подбора сопротивлений резисторов Ru R 2 и R 3 можно совместить реальную характеристику с желаемой в трех точках. При этом средняя точка, соответствующая перегибу зависимости сопротивления от температуры, будет при температуре Тп , если выполнено условие R 1 + R 2 = R тп (В - 2Тп )/(В + 2Тп ).
Для линеаризации при работе с полупроводниковыми терморезисторами можно использовать также нелинейную зависимость напряжения от одного из сопротивлений в резистивном делителе или неравновесном мосте. На рис. 15, г показана цепь подобного рода, содержащая операционный усилитель ОУ. В этой цепи напряжение с делителя R 1 R Q подается на неинвертирующий вход усилителя ОУ
б. РАЗНОВИДНОСТИ ТЕРМОЧУВСТВИТЕЛЬНЫХ ЭЛЕМЕНТОВ
Кроме широко распространенных и описанных выше термочувствительных преобразователей — термопар и терморезисторов, в последние годы в измерительных
устройствах находят применение термочувствительные элементы, основанные на иных физических эффектах.
В высокоточных термометрах и вакуумметрах используются термочувствительные пьезорезонаторы, в преобразователях тепловых излучений — пироэлектрические преобразователи, в приборах температурного контроля — сегнетокерамические емкостные преобразователи. Для измерения сверхнизких температур и для измерения очень высоких температур разрабатываются термошумовые преобразователи, выходной величиной которых является ЭДС шума резистивных элементов.
Термодиоды и термотранзисторы находят применение в датчиках температуры, работающих в диапазоне от —80 до +150 °С. Верхняя граница температурного диапазона ограничивается тепловым пробоем р-n-перехода и для отдельных типов германиевых датчиков достигает 200 °С, а для кремниевых датчиков — даже 500 °С. Нижняя граница температурного диапазона определяется уменьшением концентрации основных носителей и может достигать для германиевых датчиков —(240 ¸ 260) °С, для кремниевых —200°С.
Основными преимуществами термодиодов и термотранзисторов являются малые габариты, возможность взаимозаменяемости и, главное, дешевизна, позволяющая применять их в датчиках одноразового употребления.

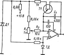
Рис. 16
На рис. 16 представлена схема преобразователя температуры в частоту с диодом ТД типа Д9 в качестве термочувствительного элемента. Диод; ТД подключен к иеинвертирующему входу операционного усилителя, выполняющему функцию интегратора. На инвертирующий вход этого усилителя подается напряжение с делителя R1 . Делитель и термодиод питаются стабильным током (Iтд = 1 мА) от источника опорного напряжения, задаваемого диодом Д1. Интегратор сбрасывается через транзистор Т1, когда конденсатор С1 заряжается до напряжения 10 В. Время заряда конденсатора и, следовательно, частота импульсов на выходе интегратора зависят 6т температуры, так как с увеличением температуры уменьшается напряжение на диоде ТД и увеличивается разность напряжений на входах усилителя. Регулировка чувствительности (S = 10 Гц/К) осуществляется изменением сопротивления R 2 , регулировка нуля — изменением сопротивления R 1 . Диапазон измерений преобразователя 0—100 °С, погрешность не превышает ±0,3 °С.

Позисторы, критезисторы . В настоящее время известен ряд материалов, для . которых наблюдается резкое изменение проводимости в относительно узком диапазоне температур, близком к температуре фазового перехода для данного материала, т е. к температуре точки Кюри. Резисторы, которые характеризуются особенно большим значением ТКС в окрестности критической температуры, в ряде работ получили название критезисторов.

Рис. 17
В зависимости от материала проводимость в критической области температур может как уменьшаться, так и увеличиваться. Так, серия резисторов типа СТ6, разработанных на базе титаната бария ВаТЮ3 , имеет высокие положительные ТКС в области температур 65—150 °С. Полупроводниковые резисторы с положительными ТКС получили название позисторов. Температурные зависимости сопротивления некоторых типов позисторов показаны на рис. 17, а.
Зависимости а от температуры приведены на рис. 17, б. Статические вольт-амперные характеристики, представляющие собой зависимость между током через позистор и напряжением на нем в условиях теплового равновесия с внешней средой, имеют за счет саморазогрева выраженный участок с отрицательным сопротивлением. На рис. 17, в показаны вольт-амперные характеристики 1 , 2 и 3 позистора СТ6-1Б' снятые в спокойном воздухе при температурах 20, 40 и 70 °С соответственно. Там же для сравнения дана вольт-амперная характеристика 4 полупроводникового резистора
Резисторы на основе двуокиси ванадия VO2 имеют отрицательный температурный коэффициент в области температур 60—80 °С. На основе VOa выпускаются резисторы СТ9-1А и СТ9-1Б (критезисторы), выполненные в виде прямоугольных штабиков
Список используемой литературы
1. «Электрические изменения физических величин» Левшина Е.С. Новицкий П.В.
2. «Электрические измерения неэлектрических велечин» Туричи А.М.
3. «Электрические измерения» Фремке А.М.
4. Сведения из internet
Похожие рефераты:
Контроль качества сгорания топлива в методических нагревательных печах
Компенсация реактивной мощности в системах электроснабжения с преобразовательными установками
Автоматизация теплового пункта гражданского здания
Пассивные линейные измерительные преобразователи синусоидальных напряжений и токов
Проектирование электрической части ТЭЦ 180 МВт
Тиристорные устройства для питания автоматических телефонных станций
Ответы к экзаменационным билетам по физике 11 класс (ответы к 29 билетам)
Разработать лабораторный стенд для испытания устройств защиты судовых генераторов
Реконструкция СЭС обогатительной фабрики