| Похожие рефераты | Скачать .docx |
Реферат: Ферромагнитные жидкости
ФЕРРОМАГНИТНЫЕ ЖИДКОСТИ
Учебное пособие
Введение
Глава 1. Магнитодипольное взаимодействие в магнитных жидкостях и особенности их намагничивания.
§1. Общие сведения о магнитных жидкостях
§2. Процессы намагничивания агрегативно-устойчивых полидисперсных магнитных жидкостей.
§3. Магнитная восприимчивость магнитных жидкостей и ее функциональные зависимости.
§4. Магнитодипольное взаимодействие и эффективные поля в магнитных жидкостях.
§5. Современные концепции учета взаимодействия частиц в магнитных коллоидах.
Глава 2. Структурная организация магнитных жидкостей и обусловленные ею электро- и магнитооптические эффекты.
§1. Виды структурных образований в магнитных жидкостях.
§2. Магнитная жидкость с микрокапельной структурой.
§3.Квазитвердые структурные образования в магнитных жидкостях.
§4. Структурная самоорганизация магнитной жидкости в электрическом поле.
Глава 3. Особенности процессов намагничивания магнитных коллоидов с различными структурными образованиями.
§1.Структурные превращения и особенности намагничивания магнитных жидкостей с микрокапельными агрегатами.
§2. Комплексная магнитная восприимчивость магнитной жидкости с микрокапельной структурой.
§3. Магнитная жидкость с микрокапельными образованиями как магниточувствительная жидкая среда.
§4.Намагниченность магнитной жидкости с квазитвердыми структурными образованиями.
§5. Магнитная восприимчивость магнитной жидкости с квазитвердой структурой.
§6. Возможность фазового перехода суперпарамагнетик – дипольное стекло в структурированной магнитной жидкости.
§7. Магнитное упорядочение в квазитвердых агрегатах магнитной жидкости.
Глава 4. Новые дисперсные магнитные среды – композиционные ферроколлоиды, магнитные эмульсии и магниточувствительные аэрозоли.
§1. Магнитные жидкости с немагнитным мелкодисперсным наполнителем.
§2. Магниточувствительные эмульсии и способы их получения.
§3. Особенности намагничивания магнитных эмульсий.
§4. Электрические свойства магнитных эмульсий.
§5.Структурные превращения в магнитных эмульсиях с малым межфазным натяжением на границе микрокапля – дисперсионная среда.
§6. Магниточувствительные аэрозоли.
Введение
Жидкие намагничивающиеся среды – ультрадисперсные коллоиды ферро- и ферримагнетиков, синтезированные в середине 60-х годов и получившие название “магнитные жидкости” до настоящего времени остаются объектом, привлекающим широкий интерес исследователей явлений, связанных с взаимодействием электромагнитного поля со средой. Это объясняется как возможностью применения магнитных жидкостей в машиностроении, приборостроении и медицине, так и возникновением целого ряда фундаментальных проблем физического, физико-химического и гидродинамического характера. Первоначально, при рассмотрении свойств магнитных жидкостей использовалось представление сплошной среды, позволяющее рассматривать магнитный коллоид как систему невзаимодействующих дипольных частиц. Однако впоследствии было установлено, что наблюдающиеся в магнитных жидкостях магнитомеханические, термомагнитные, магнито- и электрооптические эффекты во многом определяются гранулометрическим составом однодоменных магнитных частиц, их взаимодействием и связанной с ним и воздействием внешних полей структурной организацией системы. Структурное состояние магнитных жидкостей может существенно зависеть от сдвиговых напряжений, изменения температуры и электрогидродинамических течений. С определенным типом структуры, возникающей в магнитных жидкостях, связан ряд приложений таких сред в технике и медицине. Поэтому, представилось интересным, уделить большее внимание, чем в ранее изданных пособиях и монографиях, особенностям физических свойств магнитных коллоидов, обусловленных взаимодействием магнитных наночастиц и их структурной организацией при воздействии различных факторов. Кроме того, в настоящем пособии рассмотрены новые магнитные дисперсные среды, созданные на основе магнитных коллоидов – композиционные магнитные жидкости с немагнитным наполнителем, магнитные эмульсии и аэрозоли.
Пособие предназначено для студентов получающих специализацию “Физика магнитных явлений”, кроме того, оно может быть также полезным для научных работников, занимающихся проблемами магнитных коллоидных наносистем.
Глава 1. Магнитодипольное взаимодействие в магнитных жидкостях и особенности их намагничивания
§1. Общие сведения о магнитных жидкостях
Магнитные жидкости (МЖ) представляют собой высокоустойчивые коллоидные растворы однодоменных ферро- и ферримагнитных микрочастиц в некоторой жидкости-носителе (воде, углеводородных средах, минеральных и кремнийорганических маслах и т.п.). На свойства МЖ большое влияние оказывает выбор дисперсного магнетика, в качестве которого используются магнетит (FeO·Fe2 O3 ), ферриты-шпинели (MFe2 O4 ), ферриты-гранаты (MFe5 O12 ), а также переходные металлы, высокодисперсное железо, никель, кобальт. Дисперсные частицы, вследствие малости их размеров (около 100 Е), находятся в интенсивном броуновском движении, что обеспечивает седиментационную устойчивость магнитных коллоидов. Для агрегативной устойчивости коллоидных систем с магнитными частицами необходимо, чтобы сближение частиц вызывало появление сил отталкивания между ними. Это достигается путем введения в МЖ определенного количества стабилизатора – поверхностно-активного вещества (ПАВ). Образованный на поверхности частиц молекулами ПАВ адсорбционный слой создает структурно-механический барьер, препятствующий укрупнению частиц из-за их слипания. Обычно в качестве ПАВ используют вещества, состоящие из полярных органических молекул, строение которых характеризуется наличием короткой функциональной группы (щелочной, кислотной и др.) и длинной хвостовой цепочки (углеводородной, фторуглеродной и др.). Как правило, в качестве классического стабилизатора для магнитных жидкостей используется олеиновая кислота.
Магнитные свойства магнитных жидкостей определяются объемным содержанием твердой фазы, которое может достигать 25 процентов. Намагниченность насыщения таких концентрированных МЖ достигает 100 кА/м в магнитных полях напряженностью 105 А/м при сохранении текучести. Магнитная восприимчивость МЖ на несколько порядков больше, чем у однородных парамагнитных жидкостей и может достигать значения 102 . Ее величина зависит от размера частиц и их объемной концентрации. Тем не менее, увеличение размеров частиц ограничено возможностью слипания частиц вследствие их большого магнитного момента или нарушения условия однодоменности. Поэтому в устойчивых магнитных коллоидах обычно размер частиц не превышает 100 – 150 Е. Наиболее распространенной магнитной жидкостью является МЖ на основе керосина с дисперсными магнетитовыми частицами и олеиновой кислотой в качестве стабилизатора.
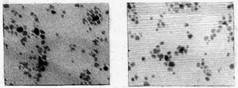
Впервые методика получения стабилизированного коллоидного раствора магнетита была предложена в конце 30-х годов Элмором [1, 2]. В последнее время такие жидкости получают методом конденсации при осаждении магнетита щелочью из водных растворов солей двух- и трехвалентного железа. Подробное описание большинства подобных методик приведено в работе [3]. В результате получают магнитные жидкости, вязкость которых при намагниченности насыщения 50 – 60 кА/м может быть сравнима с вязкостью воды. Полидисперсность магнетитовых частиц, полученных описанным способом, определяется колоколообразной функцией распределения частиц по размерам с шириной распределения порядка среднего размера частиц (около 10 нм). В качестве примера на рисунках 1 и 2 представлены электронные фотографии частиц двух образцов МЖ [4], из которых видно, что дисперсные частицы имеют форму, близкую к сферической.

Рисунок 1. Рисунок 2.
Электронные фотография частиц МЖ
На рисунках 3 и 4 для этих же образцов приведены нормированные гистограммы распределения частиц по размерам с шириной классового интервала 1,2 нм, полученные при анализе микрофотографий на основе нескольких (пяти) тысячи измерений.

Рисунок 3. Рисунок 4.
Распределение частиц по размерам (F – относительное число частиц диаметром d) в МЖ
В столь малых частицах при сохранении в них самопроизвольной намагниченности возрастает вероятность тепловых флуктуаций магнитного момента частицы [5]. В результате этого появляется возможность вращения магнитного момента относительно твердой матрицы. Впервые на этот тип вращения магнитного момента было указано Л. Неелем [6], а такие частицы получили название “суперпарамагнитные” [7]. Время неелевской релаксации магнитного момента определяется выражением [8]:
(1.1)
где σ = K эфф V /kT – константа суммарной анизотропии, V – объем частицы, τ0 = 10- 9 с.
В жидкой среде возможна также вращательная диффузия самих частиц. В этом случае может проявиться броуновский механизм релаксации магнитного момента. Преобладание того или иного механизма релаксации определяется соотношением времен релаксации Нееля τ N и вращательной диффузии τ D = 3 Vη /kT , где η – вязкость дисперсионной среды.
Основным средством управления магнитными жидкостями является магнитное поле. Например, с помощью воздействия на них неоднородного магнитного поля можно достичь объемных пондеромоторных сил на несколько порядков превышающих силу тяжести. Эти силы используются в магнитожидкостных сепараторах, датчиках ускорений и т.д. Вследствие возможности локализации МЖ полем были разработаны магнитожидкостные уплотнения, управляемые смазочные материалы, магниточувствительные жидкости для дефектоскопии и т.п. На практике применяются самые разнообразные магнитные жидкости, среди которых следует особо выделить МЖ на основе минеральных масел и кремнийорганических сред. Вязкость таких магнитных жидкостей при намагниченности насыщения до 60 кА/м может достигать величины порядка 104 Па·с, поэтому их иногда сравнивают с магнитными пастами. Для нужд медицины разрабатываются МЖ на различных пищевых растительных маслах.
§2. Представления о намагничивании агрегативно-устойчивых полидисперсных магнитных жидкостей в рамках одночастичной модели
На начальном этапе исследования магнитных жидкостей было сформировано представление о них как однородной жидкой намагничивающейся среде с термодинамически равновесной поляризацией. В этом случае пондеромоторное воздействие неоднородного магнитного поля на магнитную жидкость рассматривалось на основе наличия в ней объемной плотности сил и объемной плотности импульсов сил.
Возможность представления магнитной жидкости в виде однородного дипольного газа, в котором элементарным носителем магнитного момента является дисперсная частица, позволяет применить для описания намагничивания такой системы закон Ланжевена [9], выведенный им для ансамбля молекул парамагнитного газа. В этом случае выражение для намагниченности магнитной жидкости М в магнитном поле Н может быть представлено в виде:
, (1.2)
,
где М S – намагниченность насыщения исходного диспергированного вещества, φ – объемная концентрация твердой фазы, М∞ – намагниченность насыщения магнитной жидкости, m – магнитный момент дисперсной частицы.
В области слабых полей функция Ланжевена может быть представлена первым членом разложения в ряд Тейлора
(
). В этом случае выражение для начальной магнитной восприимчивости χ
= М/Н
имеет вид:
(1.3)
Анализ последнего выражения с учетом того, что магнитный момент дисперсной частицы определяется величиной ее объема
(
), приводит к выводу о сильной зависимости величины магнитной восприимчивости
магнитной жидкости от диаметра
дисперсных частиц (
). Так, например, увеличение диаметра частиц от 8 до 14 нм должно привести к увеличению магнитной восприимчивости более чем на порядок. Вместе с тем, нетрудно заметить, что увеличение размера частиц при сохранении их числовой концентрации приводит также и к увеличению объемного содержания дисперсной фазы, допустимая величина которого для устойчивых магнитных жидкостей не превышает 20 - 25 объемных процентов. Очевидно, для удобства анализа магнитной восприимчивости магнитных жидкостей нужно использовать для нее другое выражение, в которое кроме размера частиц входил бы параметр, характеризующий их объемное содержание. Предполагая, что форма частиц близка к сферической, с учетом m
= MS
V
для магнитной восприимчивости магнитной жидкости нетрудно получить:
(1.4)
где М∞ = nm – намагниченность насыщения коллоида, d – диаметр частиц, n – число частиц в единице объема.
Как можно видеть, в это выражение входит намагниченность насыщения магнитной жидкости (
), определяемая величиной объемной концентрации магнитной фазы
.
В области сильных полей (ξ >> 1) функцию Ланжевена можно представить в виде L (ξ) = 1 – 1/ξ и тогда уравнение (1.2) принимает вид:
. (1.5)
На основе ланжевеновской зависимости намагниченности от поля возник метод магнитной гранулометрии [10]. С помощью этого метода возможно определение диаметра частиц d 0 частицы по измерениям магнитной восприимчивости в слабых полях и по измерениям намагниченности насыщения d ∞ в области сильных полей. Соответствующие расчеты проводятся по формулам:
. (1.6)
где
в области линейной зависимости М
(1/Н
).
В первых экспериментальных работах, посвященных исследованию намагниченности магнитных жидкостей, указывалось на хорошее согласие кривых намагничивания с функцией Ланжевена [2, 11]. При этом, некоторое их расхождение устранялось путем учета распределения частиц по размерам [11]. Вместе с тем, оказалось, что независимые расчеты объемной концентрации по плотности и магнитным измерениям (намагниченности насыщения) дают несколько отличающиеся значения. Это различие связывают с тем [12], что молекулы олеиновой кислоты могут, вступая в химическую реакцию с магнетитом, образовывать на поверхности частицы слой олеата железа, который является немагнитным соединением. Вследствие этого происходит уменьшение диаметра магнитного керна на некоторую величину, которая, по мнению авторов [13], равна постоянной решетки кристаллического магнетита. В этом случае для намагниченности, с учетом распределения частиц по размерам, можно записать
, (1.7)
где ni – число частиц диаметром di .
В проводившихся магнитогранулометрических расчетах [12-14] было обнаружено, что значение диаметра частицы, найденное по магнитным измерениям в слабых полях, всегда превышает значение, найденное по измерениям в сильных полях. Обычно это объясняется тем, что в слабых полях в намагниченность магнитной жидкости основной вклад вносят крупные частицы, а в сильных полях (в области насыщения) поведение намагниченности определяется ориентацией более мелких частиц, которая до этого была незначительной вследствие их интенсивного броуновского движения. Однако, обнаруженное отличие значений размеров частиц, определенных по результатам магнитных измерений в слабых и сильных полях требует более детального анализа. Действительно, полидисперсность магнитных жидкостей при описании процесса их намагничивания требует введения функции распределения частиц по размерам, одним из важных параметров которой является средний диаметр близких к сферическим сферических частиц. Удачный подбор функции распределения возможен в результате анализа полученных с помощью электронной микроскопии гистограмм распределения частиц по размерам (рис. 3,4).
Намагниченность ансамбля дисперсных однодоменных частиц с учетом их распределения по размерам запишется [14?] в виде:
, (1.8)
и в случае слабых полей
, (1.9)
где
- намагниченность насыщения вещества частиц,
- объемная концентрация дисперсной фазы в образце объемом
.

Рисунок 5. Кривые намагничения магнитных жидкостей, с одинаковой объемной концентрацией, но отличающихся средним размером дисперсных частиц (1-d=14нм, 2-d=9нм)
Таким образом, начальные участки кривых намагничивания магнитных жидкостей, имеющих одинаковую объемную концентрацию дисперсных частиц, должны иметь различную крутизну, определяемую характерным размером дисперсных частиц. На рисунке 5 приведены кривые намагничивания магнитных жидкостей с одинаковой объемной концентрацией магнетита, но различным диаметром частиц (d = 9 нм, d = 14 нм), полученные с помощью вибрационного магнетометра [15 Моя дисс.]. Как и следует из теории Ланжевена, для МЖ с большим магнитным моментом неравенство
начинает выполняться при меньшем значении напряженности поля. Проведение расчетов с целью получения информации о процессе намагничивания из экспериментально полученных кривых
требует знания функции распределения частиц по размером, выбор которой связан с некоторым произволом. Использование получивших в последнее время распространение компьютерных технологий позволяет непосредственное использование гистограмм распределения без аппроксимации их к конкретной функции. В этом случае, законом Ланжевена удобно пользоваться в виде:
, (1.10)
откуда для слабых полей
.
Последнее выражение легко представить [16?] в виде:
, (1.11)
где
- намагниченность насыщения вещества частицы (магнетита),
- намагниченность насыщения магнитной жидкости (
),
- доля частиц с диаметром
. С учетом того, что
, для магнитной восприимчивости магнитной жидкости справедливо выражение:
(1.12)
Как видно из (1.10) зависимость крутизны начального участка кривой намагниченности от размера частиц определяется выражением
, которая может быть найдена из гистограммы распределения дисперсных частиц по размерам. Сравнение (1.12) с (1.4) показывает, что при проведении магнитогранулометрических расчетов в области слабых полей с применением (1.4) в случае полидисперсности системы величина
определяется выражением:
(1.13)
В случае сильных полей функция Ланжевена может быть представлена в виде
и тогда для намагниченности магнитной жидкости с учетом полидисперсности системы справедливо выражение:
(1.14)
При достаточно больших значениях напряженности внешнего поля, зависимость
от
должна быть близка к линейной, что дает возможность для графического определения
. При этом величина тангенса угла наклона зависимости
определяется величиной характерного размера дисперсных частиц. Как следует из (1.14), при одинаковом объемном содержании дисперсной фазы (одинаковом значении намагниченности насыщения) отличие тангенсов угла наклона зависимостей
обусловлено разным для рассматриваемых образцов значением множителя
, что подтверждается экспериментом [15 M. Дисс.]. Отметим также, что сравнение (1.5) и (1.14) показывает, что магнитогранулометрия в сильных полях в случае полидисперсности системы для диаметра частицы дает:
(1.15)
Таким образом, отличие размеров частиц полидисперсных магнитных жидкостей определенных по магнитным измерениям в слабых и сильных полях определяется тем обстоятельством, что в этих случаях по существу определяются разные величины:
и
.
Очевидно, что в первую очередь именно с этим, (а не с особенностями броуновского движения малых и больших частиц в слабых и сильных полях, как это указывается в некоторых работах) и связано различие результатов магнитогранулометрии, полученных при использовании начального участка кривой намагничивания и ее участка, соответствующего насыщению.
Рассмотрим намагничивание магнитных жидкостей с различным средним диаметром частиц, но с их одинаковой числовой концентрацией. Такие жидкости отличаются величиной намагниченности насыщения
, а также тангенса угла наклона начальных участков кривых намагничивания, а именно:
. (1.16)
Кроме того, для МЖ с большими частицами насыщение кривой намагничивания наступает при меньшем значении напряженности поля.
Нетрудно показать, что в области полей, близких к насыщению, зависимость (1.10) с учетом полидисперсности системы может быть представлена также в следующем виде:
,
(1.17)
На рисунке 6 приведены экспериментально полученные кривые намагничивания для двух образцов магнитной жидкости, отличающихся средними размерами частиц (
= 9 нм,
=14 нм), но с одинаковой расчетной концентрацией.

Рисунок 6. Кривые намагничения магнитных жидкостей с одинаковой числовой концентрацией, но с различным средним диаметром дисперсных частиц
На рисунке 7 представлены эти же зависимости в координатах
в области сильных полей.

Рисунок 7. Зависимость намагниченности от обратной величины напряженности поля магнитных жидкостей с одинаковой числовой концентрацией, но с различным средним диаметром дисперсных частиц (l-d=14 нм, 2-d=9 нм).
Как видно из рисунка 7 в области полей, близких к насыщению, представленные зависимости являются линейными с одинаковыми значениями тангенса угла наклона. Следовало ожидать, для МЖ с большим размером частиц зависимость становится линейной при более низких значениях напряженности поля. Однако, экспериментально это не было подтверждено, что возможно связано с проявлением диполь-дипольного взаимодействия, роль которого возрастает при укрупнении частиц.
§3. Магнитная восприимчивость магнитных жидкостей и ее функциональные зависимости
Согласно одночастичной модели, предполагающей возможность описания процессов намагничивания магнитных жидкостей с помощью теории Ланжевена, зависимость их магнитной восприимчивости от концентрации дисперсной фазы должна быть линейной. Однако, в первых же работах, посвященных исследованиям в этой области [16, 17] было показано, что она таковой не является.
На рисунке 8 приведена зависимость магнитной восприимчивости магнитной жидкости с магнетитовыми частицами и керосином в качестве дисперсионной среды от объемной концентрации дисперсной фазы [17], измеренной в переменном поле, частотой 200 Гц, при различных значениях напряженности дополнительно приложенного постоянного магнитного поля.

Рисунок 8. Зависимость относительной величины магнитной восприимчивости магнитной жидкости от объемной концентрации дисперсной фазы при отсутствии внешнего магнитного поля (кривая 1) и при различных значениях его напряженности; 2 - Н=280 А/м, 3- Н=360 А/м, 4 - Н=1200 А/м.
Как видно из рисунка, все графики являются нелинейными, при этом можно констатировать, что наиболее сильное изменение тангенса угла наклона представленных зависимостей наблюдается в области концентраций ![]()
4 -6%. Увеличение внешнего постоянного магнитного поля приводит к уменьшению нелинейности концентрационной зависимости магнитной восприимчивости вплоть до его полного исчезновения при напряженности поля
= 2 кА/м. Аналогичные зависимости получены также и при непосредственном использовании, в качестве измерительного, постоянного магнитного поля (с помощью баллистического метода). В последующем, о получении нелинейной зависимости магнитной восприимчивости магнитных жидкостей на основе керосина от объемного содержания магнетита сообщалось в работах А.Ф. Пшеничникова с соавторами [18,19]. Нелинейный характер зависимости магнитной восприимчивости от концентрации дисперсной фазы был обнаружен также для других типов магнитных жидкостей [20]. На рисунке 9 показана зависимость действительной части комплексной магнитной восприимчивости (частота 200 Гц) от концентрации магнетитовых частиц для магнитной жидкости на основе вакуумного масла, которая, как можно видеть из рисунка, заметно изменяет свою крутизну при концентрации
= 4%. Следует отметить, что во всех случаях, при проведении концентрационных исследований магнитной восприимчивости магнитных жидкостей, изменение концентрации дисперсной фазы, как правило, осуществляется путем последовательного разбавления исходного образца жидкостью, используемой в качестве дисперсионной среды.

Рисунок 9. Зависимость действительной части магнитной восприимчивости (кривая 2, f=200 Гц) и магнитной восприимчивости в постоянном поле (кривая 1) от объемной концентрации дисперсной фазы при напряженности измерительного поля 160 А/м.
Однако, такая процедура может привести к частичному нарушению агрегативной устойчивости магнитной жидкости. Например, разбавление магнитной жидкости чистым керосином при определенных условиях приводит [21Дроздова] к появлению микрокапельных агрегатов, в которых концентрация дисперсных частиц выше, чем в омывающей их среде. Процесс формирования микрокапельных агрегатов (который подробно будет рассмотрен в следующей главе) по-видимому, характерен только для магнитных коллоидов и обусловлен, как магнитодипольным взаимодействием дисперсных частиц, так возникающим дефицитом ПАВ при разбавлении исходного образца. Вследствие этого, интенсивность образования микрокапельных агрегатов может усиливаться на определенном этапе разбавления, соответствующем некоторой области объемных концентраций. В свою очередь, это должно сказываться на характере концентрационной зависимости магнитной восприимчивости среды. Действительно, в работе [17], резкое изменение крутизны концентрационной зависимости магнитной восприимчивости МЖ на основе керосина при концентрациях 4 – 6 % идентифицируется как ее излом, связанный с возникновением агрегатов при достижении этой области концентраций при разбавлении исходного образца керосином. При выдерживании в течение длительного времени приготовленных образцов с различной концентрацией дисперсной фазы, содержащиеся в них микрокапельные агрегаты, могут растворяться или оседать на дно контейнера. В этом случае концентрационная зависимость магнитной восприимчивости должна отличаться от аналогичной зависимости, полученной при измерении
свежеприготовленных образцов. Действительно, зависимость магнитной восприимчивости от концентрации дисперсной фазы, полученная после выдерживания образцов в течение нескольких недель (при определении концентрации дисперсной фазы непосредственно перед измерением) является более сглаженной, без видимых изломов. Связь обнаруженного излома концентрационных зависимостей магнитной восприимчивости МЖ на основе вакуумного масла [20] с процессами возникновения агрегатов подтверждается исследованиями рассеяния света тонкими слоями образцов, использованных при магнитных измерениях. Как можно видеть из рисунка 10, в области концентраций, соответствующей излому концентрационной зависимости магнитной восприимчивости, происходит заметное увеличение изотропного рассеяния света в случае отсутствия внешнего магнитного поля (кривая 1). Дополнительное воздействие постоянного магнитного поля делает рассеяние света анизотропным с существенным ростом в области концентраций, соответствующих указанному излому (кривая 2).

Рисунок 10. Зависимость относительной интенсивности светорассеяния от концентрации дисперсных частиц.
Таким образом, образование агрегатов при разбавлении магнитных жидкостей, может приводить к особенностям концентрационных зависимостей их магнитной восприимчивости. Вместе с тем, как уже указывалось выше, эта зависимости являются нелинейными даже в случае отсутствия видимых структурных превращений. Очевидно, что характер зависимостей магнитной восприимчивости магнитных жидкостей от концентрации дисперсной фазы во многом определяется диполь-дипольным взаимодействием однодоменных дисперсных частиц.
Дипольное взаимодействие должно определять характер и температурной зависимости магнитной восприимчивости магнитных жидкостей. Действительно, в первых работах, посвященных исследованию этих зависимостей [95, 96 Моя дисс.] было показано, что зависимость магнитной восприимчивости от температуры может быть представлена в виде выражения, аналогичного закону Кюри-Вейса, т.е.
![]()
где
,
- температура, определяемая интенсивностью взаимодействия дипольных частиц.
Следует указать на необходимость осторожности при интерполяции, полученной экспериментально зависимости
, какой-либо функцией, вследствие зависимости намагниченности насыщения магнетита от температуры, а также теплового расширения дисперсионной среды. В связи с этим, в работе [95] при расчете
, полученная экспериментально зависимость
перестраивалась с учетом этих факторов, а в работе [96] экспериментальные исследования проводились для концентрированной жидкости на основе толуола, имеющего малый коэффициент теплового расширения (?). Напомним, что в приближении одночастичной модели температурная зависимость магнитной восприимчивости магнитной жидкости должна определяться выражением (?), т.е законом Кюри
.
Проведенный в [95,96]анализ результатов экспериментальных исследований позволил определить значение
, которое, как оказалось, колеблется в пределах 150 – 210 К для различных исследованных образцов.
Таким образом, для магнитной восприимчивости магнитных жидкостей вместо (1.3) может быть использовано выражение:
( )
С учетом этого, для расчета диаметра частиц по магнитным измерениям в слабых полях должна быть использована формула:
(х)
В качестве примера были проведены магнитогранулометрические расчеты для двух образцов магнитной жидкости (
и
). Предварительно была проведена оценка диаметра частиц
по формуле ( ), полученной на основе теории Ланжевена без учета взаимодействия частиц. В результате для первого образца было получено
, для второго -
. Гранулометрические расчеты, выполненные на основе формулы (х), учитывающей взаимодействие частиц дали для образца
(
),
, для образца
(
)
. Таким образом, учет взаимодействия частиц существенно снижает значение диаметра частиц, рассчитанное по магнитным измерениям в слабых полях. В то же время можно заключить, что при магнитогранулометрических расчетах в сильных полях взаимодействием частиц можно пренебречь, вследствие несущественного вклада локальных полей частиц в намагничивающее поле.
Дальнейшие исследования показали, что линейность зависимостей
нарушается при понижении температуры до некоторой температуры
, значение которой увеличивается при дополнительном воздействии постоянного магнитного поля (рис.11).

Рисунок 11. Температурная зависимость обратной величины действительной части магнитной восприимчивости МЖ на основе керосина (р = 1,88*103 кг/м3) при различных значениях напряженности постоянного поля Н(кА/м); 1 - 1,4, 2 - 1,1, 3 - 0,54, 4-0.
В дальнейшем были проведены температурные исследования магнитной восприимчивости устойчивых к агрегированию при нормальных условиях МЖ на основе керосина в области более низких температур, включая точку перехода (![]()
) из жидкого состояния в твердое. На рисунке 12 приведены температурные зависимости эффективных величин обратной действительной и мнимой частей магнитной восприимчивости магнитной жидкости на основе керосина в температурном интервале
, из которых следует, что в окрестности температуры затвердевания МЖ наблюдается минимум
(т.е. максимум
), а также максимум
. В последующих исследованиях аналогичная зависимость для температурной зависимости магнитной восприимчивости получена при измерении
другими методами: баллистическим и с помощью феррометра [121Моя дис.]

Рисунок 12. Температурная зависимость обратной величины действительной (кривая 1) и мнимой (кривая 2) частей магнитной восприимчивости МЖ на основе керосина в интервале температур 170К<Т<273К
Максимум температурной зависимости был обнаружен также О’ Грэди и др. [96]. В дальнейшем, подобные исследования, вследствие возросшего к ним интереса, проводились рядом исследователей ([90, 100] и др.), которыми были получены аналогичные результаты.
При измерении
МЖ на основе керосина, при дополнительном воздействии постоянного магнитного поля, происходит изменение характера этой зависимости (рис.13), а именно, в области температуры затвердевания жидкости минимум
сменяются максимумом (т.е. наблюдается минимум
). Следует указать условия представленной зависимости: образец сначала замораживали при температуре около - 400
С, затем помещали его в постоянное магнитное поле и получали указанную зависимость мостовым методом при частоте 200 Гц путем повышения температуры до 60 – 700
С. Все описанные выше особенности температурных зависимостей магнитной восприимчивости исследованных образцов в области температуры их замерзания можно связать с блокировкой броуновских степеней свободы однодоменных частиц при затвердевании среды. Действительно, понижение температуры приводит к уменьшению вероятности тепловых флуктуаций магнитного момента частицы и затруднению его вращения относительно твердой матрицы. В этом случае, в используемом в качестве измерительного переменном магнитном поле, с периодом меньшим времени неелевской релаксации (определяемой выражением (1.1)) частица ведет себя как магнитожесткий диполь. Поэтому, намагничивание магнитной жидкости происходит за счет вращения твердой матрицы частицы в жидкой среде под воздействием магнитного поля. Естественно, что затвердевание дисперсионной среды приводит к блокировке таких вращений и, как следствие, уменьшению намагниченности и магнитной восприимчивости магнитной жидкости. Тот факт, что уменьшение магнитной восприимчивости при затвердевании среды происходит не скачкообразно, а плавно, по-видимому связано с полидисперсностью системы: в магнитной жидкости присутствуют достаточно малые частицы, сохраняющие неелевский механизм релаксации магнитного момента при достаточно низких температурах. Подтверждение правильности предполагаемых механизмов намагничивания магнитных жидкостей может быть получено с помощью исследования частотной зависимости их комплексной магнитной восприимчивости. Впервые такие исследования были предприняты М.М. Майоровым [].
§4. Магнитодипольное взаимодействие и эффективные поля в магнитных жидкостях
Очевидно, что использование функции Ланжевена для описания процесса намагничивания магнитных жидкостей возможно, когда процентное содержание дипольных частиц в единице объема мало и их взаимодействием можно пренебречь. По оценкам Евдокимова [123,124 Моя Д.], применение уравнения Ланжевена оправдано, если концентрация частиц имеет порядок 0,1 объемных процентов. Объемная концентрация дисперсной фазы магнитных жидкостей достигает 20 – 25 %, в связи с чем возник вопрос о применимости уравнения Ланжевена для описания процесса их намагничивания. В первых работах [10 -13] расхождение экспериментально полученных кривых намагничивания с кривой Ланжевена объяснялось полидисперсностью системы. Однако, для распространенных в настоящее время высококонцентрированных магнитных жидкостей становится необходимым учет межчастичных взаимодействий. Можно предположить, что для этих целей могут быть использованы разработанные ранее теории для учета дипольного взаимодействия молекул при поляризации жидких диэлектриков. Анализ концентрационной зависимости магнитной восприимчивости магнитных жидкостей в слабых полях позволяет судить о применимости таких теорий для учета магнитодипольного взаимодействия в магнитных жидкостях. Сравнение экспериментально полученной концентрационной зависимости магнитной восприимчивости устойчивых магнитных жидкостей с теоретическими кривыми Клаузиса-Моссоти и Дебая-Онзагера [61М .Д.], а также с линейной зависимостью магнитной восприимчивости от концентрации, следующей из теории Ланжевена, иллюстрируется рисунками 14 и 15.

Рисунок 14. Сравнение экспериментально полученной концентрационной зависимости магнитной восприимчивости МЖ на основе керосина (3) с теоретическими кривыми Клаузиса-Моссотти (1), Дебая-Онзагера (2) и Ланжевена (4) .
На рисунке 14 показана экспериментальная зависимость (кривая 3) магнитной восприимчивости от объемной концентрации дисперсной фазы для всего интервала исследуемых концентраций в сравнении с расчетными кривыми 1 и 2, удовлетворяющими теориям Клаузиса-Моссоти
,
и Дебая-Онзагера
. При расчетах теоретических кривых использовалось значение
, определенное как величина, равная угловому коэффициенту начального участка зависимости
(принималось, что вклад взаимодействия частиц на этом участке пренебрежимо мал). На рисунке 15 приведены те же кривые, но в области малых концентраций и в увеличенном масштабе.

Рисунок 15. Сравнение экспериментально полученной концентрационной зависимости МЖ (3) с теоретическими кривыми Клаузиса-Моссотти (1) и Дебая-Онзагера (2) в области малых концентраций дисперсной фазы.
Из рисунков 14 и 15 можно заключить, что экспериментально полученная зависимость
наиболее близка к кривой Дебая-Онзагера, однако, отличается от всех теоретических кривых более резким изменением хода в области концентраций 5 – 6 %, что позволяет сделать вывод о наличии аномалии в концентрационной зависимости
в этой области концентраций. Следует, однако, отметить, что для некоторых исследованных образцов указанной аномалии не наблюдалось, а в работах [] она и вовсе обнаружена не была. Из этих же работ следует, что экспериментальная кривая
хоть и близка к теоретической кривой Дебая-Онзагера, но лежит ниже, а не выше ее, как это показано на рисунках 14 и 15. Вместе с тем, о полном согласии экспериментальных результатов с указанными теоретическими зависимостями ни в одной работе не сообщалось.
Наиболее распространенным способом учета диполь-дипольного взаимодействия является введение так называемого эффективного поля. В случае диэлектриков, поле, реально действующее на один из диполей системы представляется в виде
. Введение этого понятия для расчета дипольного взаимодействия молекул диэлектрика, как известно, дает теория Лоренца, из которой, по-существу, и следует теоретическая кривая Клаузиса-Моссоти. Согласно этой теории значение
, определяющее эффективность диполь-дипольного взаимодействия должно быть равным
. Однако, несмотря на распространение этой теории, ее применимость не подтверждена даже для диэлектриков с неполярными молекулами, для которых она и была разработана. Поэтому, возможность описания с достаточной точностью с помощью этой теории системы магнитных диполей также вызывает сомнение. Вместе с тем, очевидно, что для первоначальных оценок возможно использование общей теории эффективного поля. В этом случае для намагниченности МЖ в приближении монодисперсности может быть записано выражение:
, ()
где m – магнитный момент дисперсной частицы, n – числовая концентрация частиц,
- константа эффективного поля.
Из (0) для
нетрудно получить:
, ()
где
- объемная концентрация дисперсной фазы,
- объем дисперсной частицы.
Последняя формула может быть использована для расчета эффективных полей и оценки эффективности диполь-дипольного взаимодействия дисперсных частиц. При этом для расчета первого члена () может быть использовано известное значение намагниченности насыщения магнетита
и определенный с помощью электронного микроскопа средний объем дисперсных частиц, позволяющие рассчитать момент частицы (
). Однако, намагниченность насыщения магнетита может колебаться в некоторых пределах [125 МД], а определение среднего объема магнитного керна частицы с помощью электронного микроскопа также представляет трудность, так как она может иметь немагнитный слой [13 МД]. В этой связи более корректным является определение величины
как углового коэффициента начального участка зависимости
, где вклад взаимодействия частиц пренебрежимо мал.
Другой подход к определению эффективных полей связан с анализом действующих на дипольную частицу сил [126 МД]. В работе [127 МД] на основании такого анализа получена формула для расчета эффективных электрических полей в жидких диэлектриках. Механический перенос подхода, использованного при ее выводе, возможный благодаря глубокой аналогии между законами электрической поляризации и намагничивании, позволяет получить аналогичную формулу [М статья в МГ] для расчета эффективных магнитных полей в магнитных жидкостях в приближении однородности среды:
()
Как следует из [3], полученное выражение для эффективного поля согласуется с формулой Лоренц-Лоренца при выполнении условия
, (2)
которое непосредственно следует из того, что функция Клаузиса-Моссоти не зависит от плотности (концентрации диполей):
(3)
Выражение (1) для эффективного поля может быть представлено в виде
, т.е.
![]()
,
откуда для параметра эффективного поля
следует:
. (4)
Полученная формула позволяет рассчитать параметр эффективного поля
по экспериментально полученной зависимости
.
Изучение диполь-дипольного взаимодействия однодоменных дисперсных частиц возможно также с помощью анализа температурных зависимостей магнитной восприимчивости магнитных жидкостей. Выражение для расчета эффективного поля можно получить, воспользовавшись подходом, предложенным в [2], возможным благодаря непосредственной связи эффективного поля с действующей на частицу среды силой. При этом, естественно воспользоваться результатами макроскопической теории для объемной плотности сил в магнитном поле. Ранее, выражение для таких сил выводилось во многих работах [3-5] путем приравнивания вариации свободной энергии (при постоянной температуре и векторном потенциале магнитного поля) работе внутренних сил. Вместе с тем авторами работы [6] было показано, что в более общем случае, при вычислении вариации полной (или внутренней) энергии необходимоучитывать вариации температур или энтропий. Если осуществить некоторое виртуальное перемещение элемента магнитной жидкости
, находящейся в магнитном поле Н (например, в поле соленоида) так, что часть жидкости вытиснится из пространства, занимаемого полем, то изменение энергии поля, соответствующее изотермическому процессу может быть записано в виде, аналогичном выведенного в [3] для жидкого диэлектрика:
, (5)
где
- концентрация дипольных частиц.
Можно предположить, что в общем случае, с учетом изменения температуры
это выражение должно быть дополнено слагаемым
, т.е.
. Изменение температуры
определится выражением для магнетокалорического эффекта:
. (6)
Тогда, с учетом предложенного характера виртуального перемещения и выражения для изменения температуры
можно получить:
(7)
Наложим ограничение на процесс виртуального перемещения, предположив, что оно не сопровождается изменением концентрации дипольных частиц. В этом случае, второй член в выражении (5) можно положить равным нулю. Тогда, окончательно, для изменения полной энергии с учетом
получим:
(8)
Приравняем полученное выражение для
работе
пондеромоторных сил, взятой с обратным знаком, т.е.
. С учетом этого, нетрудно получить:
.
Используя соотношения векторного анализа
![]()
(9)
С учетом того, что
, получим:
(10)
В работе [2] для плотности сил в дипольном приближении найдено следующее выражение:
(11)
Приравнивая (10) и (11), с учетом отсутствия в МЖ пространственной дисперсии
и токов проводимости, получим:
(12)
Из формулы (12) видно, что величина эффективного поля связана с магнитной восприимчивостью и ее производной по температуре и может быть рассчитана при использовании зависимости магнитной восприимчивости от температуры. По-видимому, впервые (12) было приведено в работе [7] без вывода.
Условие согласуемости (12) с формулой Лоренц-Лоренца для эффективного поля
имеет вид:
(13)
Соотношение (13) может быть использовано для оценки
в случае применимости формулы Лоренц-Лоренца.
Проверим справедливость полученной формулы (12) для некоторых известных функциональных форм зависимости магнитной восприимчивости от температуры.
В случае парамагнитной жидкости для температурной зависимости магнитной восприимчивости справедлив закон Кюри:
и
(14)
Подставив эти выражения в формулу (12), получим:
, что и следовало ожидать для системы с невзаимодействующими частицами.
Для парамагнитной жидкости, с магнитной восприимчивостью, подчиняющейся закону Кюри-Вейсса,
;
, (15)
где
- температура Кюри. Формула (12) в этом случае дает:
(16)
Приравняв (16) к выражению для эффективного поля записанного в виде
и учитывая, что
, получим:
(17)
Последнее соотношение, с учетом выражения (15) для
дает
, что, как известно, следует также непосредственно из закона Кюри-Вейсса. Проведенный анализ позволяет предположить возможность применения формулы (12) для расчета эффективных полей и при других формах зависимости
, в том случае, когда выполняется поставленное при ее выводе требование однородности среды.
Используя экспериментальные результаты исследования концентрационных и температурных зависимостей магнитной восприимчивости, полученных в [Мои раб.] проведем расчеты эффективных полей в однородных магнитных жидкостях. На рисунке 16 представлены результаты расчета параметра эффективного поля
для магнитной жидкости с исходной плотностью ![]()
, проведенного с помощью формулы (0) при использовании концентрационной зависимости магнитной восприимчивости.

Рисунок 16. Результаты расчета параметра эффективного поля п
Отметим, что в начальном интервале концентраций (
) зависимость
является практически линейной, поэтому расчеты для
дали нулевые значения. Начиная с концентрации
,
становится отличным от нуля и претерпевает интенсивный рост в области отмеченной ранее аномалии в концентрационной зависимости магнитной восприимчивости. В дальнейшем рост
с увеличением концентрации насыщается, а при
этот параметр начинает уменьшаться. Для проведения подобных оценок с помощью другого описанного метода, расчетной формулой которого для оценки
является выражение (?), необходимо экспериментально полученную концентрационную зависимость представить в виде конкретной функциональной зависимости. Анализ результатов концентрационных исследований магнитной восприимчивости позволяет аппроксимировать экспериментальные зависимости, представленные на рис.17 линейно-кусочной зависимостью типа :

Рисунок 17. Зависимость действительной части магнитной восприимчивости (кривая 2, f=200 Гц) и магнитной восприимчивости в постоянном поле (кривая 1) от объемной концентрации дисперсной фазы при напряженности измерительного поля 160 А/м.
![]()
![]()
![]()
( )
![]()
![]()
В этом случае для начального участка зависимости
получим
, вследствие чего первый член в квадратных скобках выражения (3.18) равен 1 и
. Для интервала концентраций, превышающих
, согласно (0)
Использование этой зависимости дает для эффективного поля
и его параметра
следующие выражения:
![]()
.
На рисунке 18 приведены результаты расчета
во всем исследованном интервале концентраций.

Рисунок 18. Результаты расчета параметра эффективного поля по формуле.
Как видно из рисунков ? и ?, расчет для рассматриваемого образца МЖ при некоторой характерной концентрации параметр эффективного поля скачкообразно приобретает ненулевые значения. При дальнейшем увеличении концентрации дисперсных частиц
не сохраняет постоянное значение. Это может указывать на ограниченность применения теории эффективных магнитных полей к магнитным жидкостям, что с одной стороны обусловлено возможностью нарушения однородности среды вследствие предрасположенности ее к структурированию, с другой – недостатками самой теории. Действительно, как уже было указано выше, экспериментальные зависимости
были получены разбавлением исходного образца керосином. В результате этого, при некоторой концентрации
( 5,2 % для данного образца) происходит частичное эмульгирование магнитной жидкости (возникновение микрокапельных агрегатов). Напряженность поля внутри микрокапельного агрегата с учетом размагничивающего поля может быть определена выражением
=
. Значение размагничивающего фактора
для сферической капли близко к
, при этом, в случае деформации микрокапли в магнитном поле, происходит его уменьшение. Можно предположить, что значения
и
имеют близкие значения, в результате чего
, что характерно для систем со слабым взаимодействием частиц. Этим и можно объяснить линейность начального участка экспериментальной концентрационной зависимости магнитной восприимчивости ряда образцов и получение нулевых значений
по расчетным формулам. Зависимость
от концентрации частиц при
связана с известными недостатками самой теории эффективного поля, анализ которых будет проведен ниже. Расчет эффективных магнитных полей возможен также и с помощью температурной зависимости магнитной восприимчивости. С этой целью экспериментально полученные зависимости необходимо аппроксимировать в кюри-вейссовскую функцию. Как можно судить по рис.?, такая аппроксимация возможна в области исследованных температур, превышающих
. В этом случае, для напряженности эффективного поля справедливо выражение ( ), которое для
дает:
( )
(Определение
должно производиться путем экстраполяции зависимости
в область низких температур). В таблице 3.3? приведены результаты расчета
для МЖ с различным объемным содержанием дисперсной фазы по температурной зависимости
(
) и по ее концентрационной зависимости с помощью формулы (3.18?),
. Для расчета
выбирался температурный интервал
, который соответствует температурам, при которых были проведены концентрационные исследования магнитной восприимчивости. При этом, как уже указывалось выше, при определении
осуществлялся учет теплового расширения дисперсионной среды, для чего экспериментальные зависимости перестраивались с учетом изменения магнитной восприимчивости за счет изменения концентрации при тепловом расширении. Указанное изменение магнитной восприимчивости определялось с помощью концентрационных зависимостей этого параметра, полученных в соответствующем температурном интервале. Как видно из представленной таблицы более удовлетворительное согласие между
и
выполняется в области высоких концентраций, где магнитную жидкость можно считать подобной гомогенной среде. Так как, а области температур около
наблюдается изменение угла наклона зависимости
, то формальное использование для расчета напряженности эффективного поля формулы ( ) дает ее скачкообразное изменение в области указанной температуры.
Таким образом, расчеты эффективного поля показали, что
не остается постоянным в исследованном концентрационном интервале. Расчетные значения
изменяются также при понижении температуры до некоторого ее значения. Можно предположить, что это связано с изменением структурного состояния магнитного коллоида при понижении его температуры и в процессе приготовления образцов промежуточной концентрации. Вместе с тем, следует отметить, что отклонение от теории Лоренц-Лоренца непосредственно связано также с повышающейся ролью локальных полей при понижении температуры и увеличении концентрации. Согласно [61 М Д], в дипольных жидкостях диполь испытывает со стороны соседних диполей ориентационное воздействие как при существовании намагничивающего поля, так и при его отсутствии. В результате этого, вращательное движение диполя сводится к вращательным качаниям около некоторой равновесной ориентации. Поворот равновесной ориентации, определяемой локальным полем в сторону намагничивающего (эффективного) поля в значительной мере зависит от соотношения численных значений намагничивающего и локального полей. При этом, новая равновесная ориентация совпадает с направлением результирующего поля. Таким образом, локальное поле, препятствует ориентации моментов частиц по намагничивающему полю, что фактически означает уменьшение эффективного поля. Развитие теории поляризации жидких диэлектриков на основе использования идеи локального поля предпринималось Дебаем, Л.И.Френкелем, А.И. Губановым и др. [61 МД], однако даже в этом случае не удалось полностью избавиться от противоречий, возникающих при применении теории Лоренц-Лоренца для вычисления поляризации и диэлектрической проницаемости дипольных жидкостей. Магнитные жидкости являются более сложным объектом с полидисперсными частицами, способными под воздействия поля или других факторов, связанных с их коллоидным состоянием, образовывать сложные магнито-структурные связи, оказывающие существенное влияние на процессы намагничивания таких систем. Поэтому, применение какой-либо существующей или создание новой теории намагничивания магнитных жидкостей представляет существенные трудности. Тем не менее, такие попытки неоднократно предпринимались в ряде работ, анализ большинства которых проведен А.Ф.Пшеничниковым и А.В. Лебедевым в [?]. В качестве приоритетных теоретических моделей ими были выделены среднесферическое приближение [19], теория возмущений [20], разложение Борна-Майера [21, 22], модифицированный вариант среднего поля [11, 23]. Во всех этих теориях предполагается, что равновесная намагниченность магнитной коллоидной системы является функцией ланжевеновской намагниченности
и ее производных. В этом случае, магнитная восприимчивость концентрированного коллоида может быть представлена в виде ряда по степеням ланжевеновской восприимчивости
:
(1)
По утверждению авторов работы [?], в общем случае начальная восприимчивость системы сферических диполей определяется двумя независимыми безразмерными параметрами: объемной долей частиц
и параметром агрегирования
(
- диаметр коллоидной частицы вместе с защитной оболочкой). При этом,
ими представляется в виде:
, на основании чего делается ошибочный вывод, что параметр
и ланжевеновская восприимчивость
имеют одинаковый смысл отношения энергии диполь-дипольных взаимодействий к тепловой. По их мнению, разность лишь заключается в том, что в первом случае энергия взаимодействий вычисляется при минимальном расстоянии между центрами частиц, равном их диаметру, во втором – по среднему расстоянию, т.е. через числовую плотность
. Далее утверждается, что при малых значениях
количество агрегатов в магнитной жидкости невелико, и они не влияют на намагниченность системы. В этом случае ланжевеновская восприимчивость оказывается единственным безразмерным параметром, определяющим степень влияния магнитодипольных взаимодействий на равновесную намагниченность системы, что и отражает формула (). Второе и третье слагаемые в этой формуле, по мнению авторов в этой формуле учитывают относительный вклад межчастичных взаимодействий в равновесную восприимчивость. Вместе с тем, следует заметить, что выражение для ланжевеновской магнитной восприимчивости получено в случае пренебрежения межчастичными взаимодействиями и на самом деле она может иметь только один смысл - отношения собственной (магнитостатической) энергии ансамбля однодоменных частиц к тепловой энергии. Действительно, магнитостатическая энергия сферической, однородно намагниченной частицы равна произведению ее магнитного момента на собственное размагничивающее поле, равное -
, где
- размагничивающий фактор сферической частицы. Таким образом, по абсолютной величине магнитостатическая энергия
сферической частицы равна ![]()
. Так как
=
, то
, и с учетом этого нетрудно получить
,
где
- объемная концентрация магнитной фазы.
Следует отметить, что, тем не менее, в современных аналитических моделях, описывающих свойства дипольных систем с учетом магнитодипольных и стерических взаимодействий в качестве определяющих параметров достаточно часто используют
и
. Представляя коллоидные частицы твердыми или “мягкими” сферическими диполями энергию их магнитодипольного взаимодействия определяют выражением
,
где
- единичный вектор вдоль магнитного момента частицы,
- радиус-вектор, соединяющий центры частиц, отнесенный к диаметру частицы,
определяется выражением, аналогичным использованному в [], т.е.
, за исключением того, что
в последнем выражении является диаметром равномерно намагниченной сферы, а не диаметром сферической частицы вместе с защитной оболочкой. Выражение для восприимчивости ищут в виде ряда по степеням
и
или
и
, используя различные приемы для отыскания коэффициентов при соответствующих членах разложения. В работах Хуке и Люке [21,22] представлено разложение намагниченности по параметру
. Выражение для магнитной восприимчивости, согласно полученным ими результатов может быть представлено в виде
. (2)
Проведенные расчеты коэффициента
, учитывающего парные взаимодействия и образование агрегатов из двух частиц дали следующее выражение:
![]()
Сравнение (1) и (2) показывает их различие, по крайней мере в пределе малых концентраций выражение (2) не переходит в уравнение (1).
В работах Каликманова [24,25] была предпринята попытка уточнения коэффициента перед третьим слагаемым в правой части (1) в случае магнитной жидкости с высокой концентрацией магнитной фазы. В работе [], результат, полученный Каликмановым с целью сравнения с (1) был представлен в виде
![]()
(3)
, ![]()
В пределе малых концентраций множитель
стремится к единице, и уравнение (3) переходит в (1). Поправка на высокую плотность оказывается существенной для высококонцентрированных жидкостей, например для предельно концентрированных коллоидов коэффициент
увеличивается почти на порядок.
Ивановым А.О. и Кузнецовой О.Б. получено уточненное выражение для восприимчивости [], сходное с формулой (1), но содержащее в правой части слагаемые порядка
и
:
.
Пшеничниковым А.Ф. и Лебедевым А.В. введены поправки в разложение (1) (исскуственным образом) на агрегирование частиц
и высокую плотность коллоидных частиц
. В результате ими предложено выражение для магнитной восприимчивости в виде:
![]()
Сравнение формул, отражающих рассмотренные модели с экспериментальными данными проводилось в []. Анализ результатов этой работы позволяет сделать вывод о необходимости осторожности использования предложенных разложений, так как каждое из них удовлетворительно согласуется с результатами экспериментов только в определенных интервалах температур и концентраций дисперсной фазы. Следует также заметить, что все обсужденные модели разработаны для монодисперсной системы, в случае же полидисперсной среды, их применение становится затруднительным. Это связано с тем, что в этом случае определение параметра
становится некорректным, кроме того, представление ланжевеновской восприимчивости в виде
, являющееся формальным даже в случае монодисперсной среды (квадрат момента частицы заменяется произведением равных моментов двух разных частиц) становится невозможным, так как моменты этих частиц начинают различаться. Очевидно, что все эти затруднения могут быть преодолены в случае отыскания разложения для равновесной намагниченности в виде ряда по параметрам, определяющим магнитостатическую энергию частицы и объемную концентрацию магнитной фазы. Учет взаимодействия частиц в этом случае может быть охарактеризован изменением магнитостатической энергии частицы за счет полей соседних частиц, а при полидисперсности системы никаких сложностей с введением средней магнитостатической энергии частицы не возникает.
Глава 2. Структурная организация магнитных жидкостей и обусловленные ею электро- и магнитооптические эффекты
§1. Структурные образования в магнитных жидкостях
Наличие вокруг дисперсных частиц защитных оболочек, препятствующих необратимой коагуляции не исключает возможности объединения частиц в агрегаты, когда расстояние между ними соответствует второму минимуму энергии взаимодействия при сохранении барьера отталкивания, а также в случае малой глубины первого минимума. Действительно, микроскопические наблюдения показывают наличие даже в наиболее устойчивых к агрегированию МЖ типа магнетит в керосине с олеиновой кислотой структурных образований из исперсных частиц.
Де Жен и Пинкус [33 МД] рассмотрели коллоид, состоящий из идентичных ферромагнитных частиц, взвешенных в пассивной по отношению к магнитному полю жидкости. Для характеристики дипольного взаимодействия, приводящего к агрегированию использован параметр, называемый константой спаривания
. Было предположено, что при условии
происходит агрегирование с образованием для верхнего предела плотности решетки антиферромагнитного типа. Теоретические разработки условия появления агрегатов в магнитных коллоидах также проводились в ряде других работ (например, в [21,34,35]), экспериментальное исследование этого явления предпринималось в работах [37,33, 38, 39,40,41,42,43,44,45] и др. Развитие экспериментальных работ в области физики магнитных коллоидов привело к появлению представления об агрегировании в МЖ как возникновении гетерофазных включений. По-видимому, впервые оно было сформулировано В.В.Чекановым [75] , где образование агрегатов рассматривалось им как появление новой фазы из раствора, близкого к насыщению. В [76] возникновение агрегатов, интерпретированное как фазовый переход в магнитных коллоидах, рассмотрено на основе общих представлений гетерогенных систем. Из условия равновесия свободных частиц с агрегатами получен аналог уравнения Клапейрона-Клаузиса – зависимость напряженности магнитного поля, при которой начинается фазовый переход, от температуры при постоянных давлении и концентрации:
, ( )
где
- теплота растворения, отнесенная к одной частице,
-магнитный момент частицы.
Термодинамическая модель магнитной жидкости, показывающая, что при определенных значениях концентрации, температуры и напряженности магнитного поля появляется возможность расслоения МЖ на высоко- и слабоконцентрированные фазы, построена в работах А.О. Цеберса [77,78].
При этом, как, по-видимому, было впервые указано в [65], агрегаты могут быть разделены на два типа микрокапельные, имеющие упругую оболочку, и квазитвердые, иногда хлопьевидные, реже - напоминающие кристаллические образования.
§2. Магнитная жидкость с микрокапельной структурой
Наиболее распространенными в жидкостях на основе керосина являются микрокапельные агрегаты. По-видимому, образование микрокапельной структуры является уникальным процессом, характерным только для дисперсных систем с магни-тодипольными частицами. Попытка теоретического обоснования физического механизма этого процесса неоднократно предпринималась в ряде работ [38,76,82,138,139], среди которых следует отметить работу А.О. Цеберса [138], где в основу положено явление вытеснительной флокуляции. Вытеснительная флокуляция может иметь место, если дисперсные частицы находятся в растворе достаточно крупных молекул [140]. В этом случае, при сближении дисперсных частиц до расстояний, меньших диаметра растворенных клубков, последние не в состоянии заполнить зазор между частицами, который играет роль своеобразной мембраны, и осмотическое давление раствора создает силу, приводящую к притяжению частиц. При этом, при наличии магнитных межчастичных взаимодействий значение критической концентрации растворенных клубков, соответствующее началу агрегирования уменьшается. Действительно, возникновение микрокпельных агрегатов наблюдается в магнитных жидкостях при разбавлении их чистым ПАВ или его раствором в дисперсионной среде [134] . Вместе с тем, является установленным фактом и возможность возникновения микрокапельной структуры при разбавлении МЖ чистым растворителем. По-видимому, причиной этого являются процессы мицелообразования ПАВ в результате добавления керосина в магнитную жидкость. Как было указано в Гл. 1, именно с возникновением микрокапельной структуры при изменении концентрации магнитной жидкости на основе керосина путем ее последовательного разбавления связаны особенности концентрационной зависимости ее магнитной восприимчивости. В этом случае возникновение микрокапель было рассмотрено в рамках фазового перехода, так как налицо возникновение новой, более концентрированной фазы с наличием межфазной поверхности. Следует отметить, что концентрация частиц в микрокаплях может быть значительно выше, чем в омывающей их среде, а магнитная проницаемость микрокапель достигает нескольких десятков единиц.
Для исследования особенностей физических свойств магнитных жидкостей, обусловленных наличием микрокапельных агрегатов в [141] была разработана методика получения в МЖ на основе керосина хорошо развитой микрокапельной структуры. Это достигалось путем смешивания МЖ с минеральным маслом при различном соотношении их объемов. Смесь подогревалась до температуры 315 - 320 К и перемешивалась в течении 15-20 минут с помощью электромеханической мешалки. В результате этого была получена жидкость, содержащая множество мелких (2-7 мкм) капельных агрегатов, имеющих более высокое содержание магнетита, чем омывающая их среда. Такая магнитная жидкость может быть идентифицирована как магнитная эмульсия, уникальность которой состоит в том, что и эмульгированные капли и омывающая их среда одинаковы по природе и отличаются лишь плотностью. С другой стороны, достаточно высокое объемное содержание микрокапельных агрегатов в полученной таким способом среде приводит к особенностям оптических и магнитных свойств, обусловленных поведением микрокапель в магнитных и электрических полях. Подобные эффекты в той или иной мере могут наблюдаться и в магнитных жидкостях, в которых возможно самопроизвольное возникновение микрокапель под воздействием различных факторов.
2.1 Оптические эффекты в магнитной жидкости с микрокапельной структурой в сдвиговом течении
Деформация микрокапельных агрегатов в магнитном и электрическом полях, а также под действием сдвиговых напряжений приводит к структурной анизотропии в магнитной жидкости. Вследствие соизмеримости поперечных размеров вытянутых агрегатов с длиной световой волны, они становятся причиной дифракционного рассеяния света. Наблюдающееся в этом случае рассеяние света является анизотропным и может быть использовано для изучения характера структуры МЖ и динамики ее изменения [69]. Наличие распределения микрокапель по размерам и отсутствие трансляционного упорядочения вытянутых агрегатов определяет вид индикатрисы рассеяния, характерный для нерегулярной структуры [142]. Анализ экспериментально полученных индикатрис светорассеяния позволяет определить наиболее вероятную толщину агрегатов и ее зависимость от внешних воздействий.
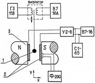
Подобный эффект был обнаружен и при наличии в магнитной жидкости с микрокапельной структурой сдвигового течения [143]. При этом, при дополнительном воздействии магнитного поля, возможно возникновение более упорядоченной структурной решетки, дающей в проходящем свете четкую дифракционную картину. Изучение формирования структурной решетки при таких условиях проводилось с помощью исследования дифракционного светорассеяния, для чего использовалась установка, приведенная на рисунке 19).

Рисунок 19. Схема вибрационного магнетометра для исследования магнитных свойств магнитных жидкостей в сильных магнитных полях (H = 10ч800 кА/м); 1 -контейнер с магнитной жидкостью, 2 - измерительные катушки, 3 - электромагнит ФЛ-1, 4 - вибратор (остальные пояснения в тексте).
Сдвиговое течение создавалось между двумя прозрачными дисками с тонким слоем (30-40 мкм) МЖ между ними. Луч гелий-неонового лазера направлен перпендикулярно дискам с смещением от их центров на расстояние 0,5 см. При вращении одного из дисков в областях, эксцентрично расположенных относительно оси вращения, в плоскости, перпендикулярной оси, течение является куэтовским, а в плоскости, проходящей через нее, близким к куэтовскому (при малых толщинах образцов). Этим составляющим скорости соответствуют две компоненты градиента скорости с преобладанием второй. Результирующий градиент, направленный под непрямым углом к плоскости диска, обеспечивает деформацию сдвига, имеющую вязкостную природу [144]. Под действием сдвигового напряжения происходит деформация капель, величина которой определяется значением скорости сдвига, межфазного натяжения и вязкости среды [144,145]. Как показано в работе [144] в этом случае капля принимает форму вытянутого сфероида, соотношение осей которого удовлетворяет уравнению:
(4.1)
где а - длина главной оси, b - длина короткой оси, h ф - вязкость дисперсной фазы, h с - вязкость дисперсионной среды, G -скорость сдвига, s 0 - коэффициент межфазного натяжения.
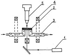
В результате деформации капель структура образца становится анизотропной в любой небольшой области, смещенной относительно оси вращения. Это приводит к изменению характера рассеяния света. При отсутствии вращения на экране, перпендикулярном лучу, наблюдается свечение, имеющее вид ореола, обусловленное дифракционным рассеянием света на полидисперсных каплях, хаотически разбросанных по образцу. При наличии сдвига ореол преобразуется в размытую полосу, простирающуюся в стороны от луча, перпендикулярно большим полуосям деформированных капель. В этом случае система деформированных потоком агрегатов аналогична нерегулярной дифракционной решетке, параметры которой определяет индикатриса рассеяния, т.е. зависимость интенсивности рассеянного света I от угла рассеяния q . На рисунке 20 представлены индикатрисы рассеяния, полученные при различных скоростях сдвига, анализ которых позволяет сделать вывод о характере процесса формирования анизотропной структуры в сдвиговом течении.

Рисунок 20. Индикатрисы рассеяния, полученные при различных значениях скорости сдвига; 1 - 66, 2 -53, 3 - 43, 4 - 36, 5 - 31, 6-27 с-1 .
Следуя [69] где, как уже указывалось, изучались процессы деформации микрокапельных агрегатов в магнитном поле, предположим, что в нашем случае толщина агрегатов также может удовлетворять статистическому распределению Лоренца:
(4.2)
а индикатриса рассеяния имеет вид:
(4.3)
где в0
- наиболее вероятная толщина агрегатов, s
*
- полуширина кривой распределения на половине высоты, n
- показатель преломления жидкости, ![]()
, l
- длина волны света в вакууме. Использование формулы (4.3) позволяет рассчитать структурные параметры деформированных агрегатов по экспериментально найденной зависимости I (
q
)
, а анализ семейства таких кривых, соответствуюших различным скоростям сдвига, позволяет установить зависимость наиболее вероятной толщины агрегата от величины скорости сдвига.
Интерес представляют также прямые исследования зависимости интенсивности анизотропного светорассеяния от скорости сдвига в области, соответствующей фиксированному углу рассеяния. На рисунке 21 показана зависимость относительной величиныI / I 0 интенсивности светорассеяния от градиента скорости при угле рассеяния q = 10°.

Рисунок 21. Зависимость относительной величины интенсивности светорассеяния (I) от скорости сдвига при угле рассеяния 9 = 10°.
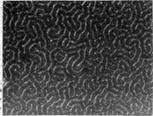
Первоначальный рост интенсивности анизотропного светорассеяния связан с возрастанием вытянутости капель, а наличие максимума и последующих экстремумов с разрывом вытянутых капель при некоторых критических значениях скорости сдвига. Этот вывод качественно подтверждается результатами расчета зависимости толщины агрегата от скорости сдвига с помощью (4.3) по экспериментально полученным индикатрисам рассеяния. Деформация капельного агрегата в некоторых случаях может быть частично компенсирована действием магнитного поля, когда его направление перпендикулярно большой оси слабо деформированного агрегата. В этом случае, характер рассеяния света изменяется: светлая полоса, наблюдаемая на экране трансформируется в дифракционный круг, характерный для рассеяния на сферических включениях. Однако, возможна реализация случая, когда совместное действие магнитного поля и сдвигового течения приводит к большей упорядоченности структурной сетки [143]. На рисунке 22а схематично показана дифракционная картина, характерная для регулярных структур, полученная, когда вектор напряженности магнитного поля сонаправлен с лучом света и перпендикулярен линии скорости потока. При этом обнаруживается зависимость дифракционной картины от напряженности магнитного поля и скорости сдвига. На рисунке 22б показана зависимость интенсивности света от угла дифракции для этого случая при различных значениях напряженности магнитного поля.

Рисунок 22. Дифракционная картина, возникающая при одновременном воздействии магнитного поля и сдвигового течения (а); зависимость интенсивности рассеянного света от угла дифракции при различных значениях напряженности магнитного поля (б).
Теоретический анализ поведения микрокапельного агрегата при одновременном воздействии поля и сдвигового течения может быть проведен с энергетических позиций. Полная энергия деформированного капельного агрегата складывается из магнитной компоненты Wm и энергии поверхностного натяжения W s : W =Wm +W s . Магнитная компонента энергии согласно [129] равна:
(4.4)
,
,
α - угол между вектором напряженности и ориентацией капельного агрегата.
С учетом размагничивающего фактора, для проекций магнитного момента получим:
![]()
![]()
где а , b , с - полуоси эллипсоида вращения, N - размагничивающий фактор.
Угол α
характеризует поворот деформированного агрегата сдвиговым течением и может быть найден из условия равенства моментов магнитных и вязких сил:
. При этом
, а
, где ω
- угловая скорость вращения, L
- коэффициент сопротивления, равный для эллипсоида вращения, согласно [146]:
(4.5)
где h - коэффициент вязкости жидкости.
С учетом этого для магнитной компоненты энергии найдем:
![]()
, где (4.6)
![]()

Энергия поверхностного натяжения равна:
(4.7)
где e - эксцентриситет вытянутой капли, r 0 - радиус невозмущенной капли, s о - коэффициент межфазного натяжения.
Условие устойчивого положения вытянутого эллипсоида может быть найдено путем минимизации его полной энергии W :
![]()
,
или, на основе анализа графической зависимости W (e ) полной энергии от эксцентриситета капли. Наличие минимума на этих зависимостях [?] при относительно небольших значениях напряженности поля может свидетельствовать о возможности такой устойчивости, что и приводит к формированию структурной решетки, дающей характерную для нее дифракционную картину. Существование такой структурной решетки, по-видимому, становится возможным благодаря обеспечению параллельности с помощью сдвигового течения агрегатов, вытянутых вдоль направления поля и обладающих, вследствие его действия, магнитными моментами.
Энергетический подход позволяет также выявить возможность компенсации деформации капель, вызванной сдвиговым течением, с помощью воздействия магнитного поля на начальном этапе деформирования.
При относительно больших скоростях сдвига в магнитной жидкости с микрокапельной структурой, когда происходит разрушение микрокапель до достаточно малых размеров, возможно возникновение двойного лучепреломления и дихроизма. В результате этого, световой луч, прошедший через слой такой анизотропной жидкости перпендикулярно оптической оси является эллиптически поляризованным [147]. Для наблюдения этого эффекта в качестве источника света использовался осветитель, дающий параллельный пучок света, а кювета с образцом помещалась между двумя скрещенными поляроидами. При создании сдвигового течения путем вращения одного из дисков распределение интенсивности света в поле зрения за анализатором изменяется: оно заметно просветляется, кроме двух темных полос, образующих прямоугольный крест, при этом, направления полос совпадают с направлениями плоскостей поляризации поляроидов (рис.23а). Действие магнитного поля, вектор напряженности которого направлен параллельно плоскости слоя МЖ, приводит к изменению характера картины за анализатором. На рис.236 представлена ее фотография для случая, когда направление напряженности поля совпадает с плоскостью поляризации. Необходимо отметить зависимость картины, наблюдаемой за анализатором от взаимной ориентации вектора напряженности поля и плоскости поляризации - так в случае, когда вектор напряженности магнитного поля образует угол с направлением плоскости поляризации, близкий к 45° происходит поворот составляющих креста, так что он становится косоугольным. При достаточно большом значении напряженности магнитного поля происходит исчезновение креста и наблюдается эффект, характерный для явления двойного лучепреломления в магнитных жидкостях в магнитном поле [23].

Рисунок 23. Эффект двойного лучепреломления, возникающий в структурированной МЖ под действием сдвигового движения; а - при отсутствии магнитного поля, б - при дополнительном действии постоянного магнитного поля, направленного параллельно плоскости сдвига (плоскость сдвига совпадает с плоскостью рисунка).
Исследование зависимости эффекта от скорости сдвига проводилось при использовании в качестве осветителя луча гелий-неонового лазера, направленного параллельно оси вращения на расстоянии 0,5 см от нее. Для такого случая была исследована зависимость интенсивности света, прошедшего через анализатор от скорости сдвига при ортогональном расположении плоскостей поляризации лазерного луча и анализатора. При этом, угол между вектором скорости и направлением плоскости поляризации составлял 45°. Как видно из представленного рисунка 4.6, с ростом скорости сдвига первоначально происходит небольшое уменьшение интенсивности света с последующим ее ростом до достижения насыщения. В этом же интервале скоростей сдвига наблюдается гистерезисный эффект, величина которого зависит от скорости изменения частоты вращения. Проведенные эллипсометрические измерения по стандартным методикам [148,149] дали для разности показателей преломления между обыкновенным и необыкновенным лучами величину порядка ∆n ~ 10-3 , а для дихроизма ∆к ~5∙10-3 м. При этом, ∆n с увеличением скорости сдвига возрастает с относительно быстрым достижением насыщения, величина же дихроизма после первоначального роста падает. Одним из возможных объяснений полученных результатов может быть появление оптической анизотропии из-за деформации под действием напряжений сдвига достаточно мелких микрокапельных агрегатов, содержащихся в исследуемой магнитной жидкости. Заметим, что для однородных МЖ на основе керосина явление двойного лучепреломления в сдвиговом течении обнаружено не было.
Для объяснения двойного лучепреломления в структурированной магнитной жидкости в сдвиговом течении можно воспользоваться подходом, ранее применявшимся для построения теории двойного лучепреломления в коллоидных растворах с анизотропными дисперсными частицами [146] . Учтем, что в нашем случае, суммарная поляризация может быть обусловлена наличием дипольного момента: а) у коллоидных частиц; б) у молекул растворителя; в) у деформированных микрокапельных агрегатов.
Согласно [146], дипольный момент, создаваемый молекулами растворителя вдоль выбранного направления может быть представлен в виде:
, ( 4.8)

и
- поляризуемости молекул вдоль осей параллельной и перпендикулярной выбранному направлению, Q
- угол между направлением дипольного момента отдельной молекулы и направлением поля. ε0
-электрическая постоянная, P1
- вектор поляризации.
Для определения дипольного момента, созданного коллоидными частицами воспользуемся выражением, также аналогичным полученному в [146], т.е.:
(4.9)


Q
- угол между выбранным направлением и моментом дипольной частицы,
- поляризуемость внутри анизотропной частицы вдоль ее длинной оси, N
- функция распределения моментов частиц по углам, относительно выбранного направления, s - величина, характеризующая деполяризуемость частицы, определяемая выражением:
(4.10)
где
, а
и b
- длины полуосей коллоидной частицы.
Для определения вклада в поляризацию деформированных микрокапельных агрегатов запишем выражение для дипольного момента агрегата вдоль выбранного направления в виде:
![]()
(4.11)
где а1 - поляризуемость внутри агрегата вдоль его длинной оси, ε1 - величина, характеризующая деполяризуемость эллипсоидального агрегата. Тогда, вклад в дипольный момент всех находящихся в единице объема микрокапельных агрегатов определится следующим выражением:
(4.12)
Как уже указывалось, анизотропия формы микрокапельного агрегата обусловлена его деформацией в сдвиговом течении, при этом, направления длинных полуосей всех агрегатов совпадают (разориентирующим действием теплового движения можно пренебречь). В этом случае, одну из главных осей удобно направить вдоль больших полуосей эллипсоидальных агрегатов, так что Q = 0.
С учетом этого, а так же считая, что для всех агрегатов поляризуемость одинакова, получим:
![]()
(4.13)
![]()
, ![]()
Где
- среднее значение величины, характеризующий деполяризующий фактор микрокапельных агрегатов, распределенных по эксцентриситетам,n
а
- число агрегатов в единице объема.
Учитывая полученное выше, запишем выражения для проекций суммарного вектора поляризации на главные оси, когда электрическое поле направлено вдоль одной из этих осей:
(4.14)
(4.15)
Из (4.14) и (4.15) с учетом известного уравнения для оптического диапазона частот εо (n 2 -1 )Е = Р и в приближении малых концентраций коллоидных частиц и микрокапель можно получить:
(4.16)
(4.17)
Принимая, что молекулы растворителя потоком не ориентируются (или слабо ориентируются), т.е,
, получим:
(4.18)
где
, n
0
-показатель преломления чистого растворителя.
Последнее выражение (4.18) является общим уравнением для оптической анизотропии коллоидного раствора при наличии в нем агрегатов.
Оно учитывает:
а) оптическую анизотропию отдельных коллоидных частиц, характеризуемую разностью
;
б) оптическую анизотропию внутри агрегатов, характеризуемую разностью
;
в) оптическую анизотропию, вызванную продолговатой формой дисперсных частиц, характеризуемую членом с
;
г) оптическую анизотропию, вызванную деформацией в сдвиговом течении микрокапельных агрегатов, характеризуемую членом с Н1 -Н2 .
Так как нет оснований считать, что вещество внутри капли приобретает вследствие ее деформации какую-либо анизотропию, то
и второй член в уравнении (4.18) обращается в нуль. Известно, что в случае создания оптической анизотропии сдвиговым течением за счет продолговатой формы коллоидных частиц, преимущественная ось ориентации будет составлять с вектором скорости некоторый угол, связанный с наличием броуновского движения частиц. В рассматриваемом случае, как показывает эксперимент, оптическая ось анизотропии совпадает с линией скорости течения. На это указывает тот факт, что линии, образующие прямоугольный вихревой крест, совпадают или перпендикулярны направлениям плоскостей поляризации поляроидов. В связи с этим, можно утверждать, что наблюдаемое в эксперименте двойное лучепреломление связано не с ориентацией дисперсных частиц, а с деформацией микрокапельных агрегатов, слабо реагирующих на тепловое движение молекул. (Подтверждением этого может также служит отсутствие для неструктурированных магнитных жидкостей подобных эффектов в сдвиговом течении). Скорректируем с учетом этого уравнение (4.18) (пренебрегая анизотропией, созданной дисперсными частицами):
(4.19)
Так как n 1 - n 2 мало, то:
(4.20)
Подставив последнее выражение в (4.19) получим:
(4.21)
Или, после подстановки выражений для H 1 и Н2 :
(4 .22)
где n α - число агрегатов в единице объема, α - поляризуемость среды внутри микрокапельного агрегата. Разность хода между необыкновенным и обыкновенным лучами δ =l (n 1 -n 2 ), а соответственно разность фаз между ними:
(4.23)
где 1 - толщина слоя магнитной жидкости.
Учитывая, что интенсивность света, прошедшего через скрещенные поляроиды и двулучепреломляющее вещество между ними, оптическая ось которого составляет с осями поляризации угол 45°, определяется [148 ] формулой Ф =Фо sin 2 δ /2 , получим:
(4.24)
где Фо - интенсивность света, вышедшего из поляризатора. Последнее выражение может быть использовано для оценки характера зависимости интенсивности света после анализатора от скорости сдвига. Действительно, считая деформированные агрегаты близкими по форме к эллипсоидам вращения, примем для деполяризующего фактора агрегата известное выражение [129]. В этом случае можно найти средние значения <ε1 i > и <ε2i >, выбрав один из возможных вариантов распределения деформированных агрегатов по эксцентриситетам (например, логнормальный закон). Учитывая, что степень деформации микрокапельного агрегата в сдвиговом течении определяется выражением (4.1), нетрудно установить, что зависимость Ф (G ) является возрастающей на ее начальном участке, тогда как из эксперимента следует первоначальное уменьшение Ф с последующим ее возрастанием вплоть до насыщения (рис. 24).

Рисунок 24. Зависимость интенсивности поляризованного света, прошедшего через слой МЖ, подверженной действию сдвигового течения, и анализатор от скорости сдвига при ее увеличении (1) и последующем уменьшении (2).
По-видимому, это связано с тем, что при деформации достаточно крупных агрегатов усиливается рассеяние света, подтверждением чего может служить полученная ранее зависимость интенсивности рассеянного света от скорости сдвига (рис.4.2).

Рисунок 25. Зависимость относительной величины интенсивности светорассеяния (I) от скорости сдвига при угле рассеяния 0 = 10°.
Двойное лучепреломление начинает проявляться тогда, когда агрегаты разрушаются сдвиговым течением до размеров, меньших длины световой волны. Однако и в этом случае, при теоретическом описании зависимости интенсивности света от скорости сдвига с помощью выражения (4.24) необходимо учитывать не только деформацию микрокапельных агрегатов, но и изменение их числа за счет возможного продолжения процесса дробления. Кроме того, на ход зависимости Ф (G ) оказывает также влияние и имеющий место дихроизм. Наложение всех рассмотренных выше процессов и обуславливает характер реальной зависимости Ф (G ), полученной экспериментально.
2.2 Концентрационные структурные образования в тонких слоях магнитной жидкости и дифракция света
Капля магнитной жидкости, помещенная в однородное магнитное поле, изменяет свою форму. Деформация капли обусловлена зависимостью силы на межфазных границах от ориентации магнитного поля [150]. В формировании баланса сил на межфазных границах участвуют силы поверхностного натяжения, а также силы, обусловленные пространственной неоднородностью давления, возникающей вследствие локальных искажений внешнего намагничивающего поля вблизи поверхности капли. Все это делает количественное описание условий равновесия весьма сложным.
В [150] дано объяснение поведения магнитной капли в немагнитной окружающей жидкости, когда давление вне капли постоянно. Если считать форму капли эллиптической, то благодаря однородности магнитного поля давление также постоянно и внутри капли. В этом случае изменение формы капли осуществляется только за счет скачка давления на межфазных границах, для оценки которого получено выражение:
(4.25)
где μ
i
и μ
a
- магнитные проницаемости соприкасающихся сред, H
in
и Ha
n
- нормальные составляющие напряженностей магнитного поля внутри и вне капли соответственно.
В равновесии имеет место баланс между этим скачком и давлением поверхностного натяжения: P =2δ0 R (R - средняя кривизна нормального сечения в рассматриваемой точке поверхности, δ0 - коэффициент поверхностного натяжения). В областях поверхности, нормальных внешнему полю, пониженное давление внутри капли компенсируется нарастанием кривизны поверхности вдоль намагничивающего поля.
В [150] сделана также попытка математически сформулировать задачу о форме капли магнитной жидкости в поле и получено ее решение в следующем виде:

где
отношение полуосей эллипсоида,
![]()
- функция монотонно убывающая от 1/3 при m = 1 , до нуля при m →∞. Расчет равновесной формы капли может быть также осуществлен с помощью энергетического подхода [151]. Равновесное значение отношений осей агрегата определяется из условия минимума полной энергии:
(4.26)
где W s и W m - поверхностная и магнитная энергия соответственно. При условии эллипсоидальной формы поверхностная энергия может быть определена в виде:
(4.27)
где е - эксцентриситет. Магнитная энергия в случае слабых полей имеет вид:
(4.28)
где Ро =(μ i - μе )/μе , μ i и μe - магнитные проницаемости агрегата и окружающей среды соответственно.
Из (4.26) с учетом (4.27) и (4.28) следует, что отношение магнитной энергии к энергии поверхностного натяжения (магнитное число Бонда) связано с m - соотношением:
(4.29)
Следует отметить, что обсуждаемому вопросу посвящено достаточно большое количество как теоретических [108,152-154], так и экспериментальных [155-156] работ, что позволяет утверждать о хорошей изученности этого явления.
Микрокапельные агрегаты, содержащиеся в магнитной жидкости, вследствие повышенной в них концентрации дисперсных частиц, имеют более высокое значение магниной восприимчивости, чем окружающая их слабо концентрированная фаза. Воздействие на них постоянного магнитного поля приводит к деформационным эффектам, теоретическое описание которых аналогично приведенному выше для капель МЖ, помещенных в немагнитную среду. Интерес в этом случае представляют структурные превращения микрокапельных агрегатов в тонких слоях МЖ, приводящие к дифракционным эффектам при пропускании через них света. Экспериментальное исследование дифракции света позволяет изучить особенности упорядочения и трансформации структурной решетки с ростом магнитного поля. При проведении подобных исследований в качестве источника света использовался луч гелий-неонового лазера, сонаправленный с вектором напряженности поля и перпендикулярный плоскости слоя МЖ. Однородное магнитное поле создавалось четырех секционной кубической катушкой, наблюдение структуры осуществлялось с помощью оптического микроскопа (подробная блок-схема установки приведена на рис.26).

Рисунок 26. Схема установки для визуального наблюдения и фотографирования структуры в тонких слоях магнитных жидкостей; 1 - осветитель, 2 - ячейка с магнитной жидкостью, 3 - термостатирующая рубашка, 4 - катушки Гельмгольца, 5 - микроскоп с фотонасадкой .

Рисунок 27. Зависимость угла рассеяния 0 при первом дифракционном максимуме и параметра гексагональной решетки 1, определенного оптическим микроскопом, от напряженности магнитного поля.
Наблюдения в оптический микроскоп из соотношения
, от напряженности поля. На рис.27 показана зависимость угла рассеяния q
и периода гексагональной решетки от напряженности поля путем обсчета одной из серий экспериментов для образца N
1
.
Из рисунка видно, что в соответствии с ростом радиуса дифракционного кольца происходит уменьшение параметра гексагональной решетки. Интересные особенности в эксперименте наблюдаются при изменении направления поля относительно лазерного луча, а также при его выключении [159]. При изменении направления магнитного поля происходит трансформация дифракционного кольца в систему светлых пятен, которые, при превышении угла между нормалью к слою и направлением поля 10 -15° сливаются в полуокружность. При этом радиус полуокружности с ростом этого угла увеличивается. При выключении магнитного поля наблюдается несколько пульсаций интенсивности дифракционного кольца, полученного при использовании образца N1 (рис.28), после чего оно расплывается к центру и появляются два-три новых, концентрических с первым и превышающих его по диаметру.

Рисунок 28. Пульсации интенсивности первого дифракционного максимума при выключении поля. Напряженность поля в момент его выключения 2,8 кА/м, толщина слоя 3 0 мкм.
Впоследствии дифракционная картина трансформируется в однородное пятно, диаметр которого в течение определенного времени уменьшается до некоторого предельного значения. Для образца N2 такие пульсации как правило отсутствуют, после выключения поля дифракционное кольцо становится ярче и может сохраняться в течение 1-2 минут. И, наконец, в случае наблюдения дифракции при использовании образца N3, после выключения поля происходит уменьшение диаметра дифракционного кольца в течение нескольких секунд, вплоть до его стягивания в светлое пятно.
Как следует из наблюдений в оптический микроскоп, причиной возникновения дифракции света в двух первых образцах является система игольчатых агрегатов, расположенных в узлах гексагональной решетки (Рис.29). В третьем образце дифракционные явления возникают благодаря лабиринтной структуре, аналогичной доменной структуре наблюдающейся в тонких пленках ферромагнетиков (рис.30). Дифракция света в этом случае наблюдается благодаря одинаковой толщине лабиринтных ветвей и расстояний между ними, которые однако хаотически распределены по направлениям.

Рисунок 29. Гексагональная структурная решетка, образующаяся в плоском слое МЖ с микрокапельной структурой в поперечном магнитном поле (образцы №1 и №2).

Рисунок 30. Лабиринтная структурная решетка плоского слоя МЖ с микрокапельной структурой в поперечном магнитном поле (образец №3).
Явление дифракции света на гексагональной структуре рассматривалось ранее в работе [161]. Интенсивность дифрагированного света определяется значениями функций интерференции на сфере Эвальда [162] из построения которых вытекает условие для углового диаметра дифракционного круга q =7 l /2 p l (l - расстояние между соседними агрегатами). Расчет значений 1 при использовании экспериментальных результатов дал значения, удовлетворительно согласующиеся с данными, полученными с помощью оптического микроскопа. Заметим, что минимум на зависимостях радиуса дифракционного кольца от напряженности поля (рис.30, 27) наблюдаются лишь после предварительной "тренировки" образца в магнитном поле с предельным значением напряженности.

Рисунок 30. Зависимость радиуса первого дифракционного кольца от напряженности магнитного поля (расстояние от слоя МЖ до экрана 37 см).
В этом случае после выключения поля в образце наблюдается множество мелких микрокапель размером меньше равновесного, которые при повторном увеличении поля сначала укрупняются за счет объединения (в большинстве случаев попарного). Дальнейшее увеличение углового диаметра кольца связано с увеличением числа агрегатов, а следовательно, с уменьшением 1.
Увеличение числа агрегатов возможно за счет двух процессов: деления агрегатов при определенном значении напряженности поля, или возникновения новых агрегатов из менее концентрированной фазы. Исследование первого процесса при полном отсутствии второго в последующем достаточно подробно проведено в [160], где приведены основные теоретические соотношения, позволяющие описать такое поведение микрокапельных образований. В исследованных нами жидкостях, как правило, наблюдался также рост новых агрегатов из слабо концентрированной фазы. Обсуждение зависимости периода конденсационной структуры от напряженности поля для этого случае проведено нами в работе [163] на основе теоретических представлений А.О. Цеберса, которыми ранее была показана [78,164,165] необходимость учета в подобных ситуациях энергии собственного магнитного поля структурной решетки и поверхностной энергии границы раздела конденсированной и разбавленной фаз. При этом, зависимость периода структуры от магнитного переохлаждения рассмотрена для состояний, далеких от критического фазового расслоения системы. В этом случае толщиной переходного слоя между концентрированной и разбавленными фазами можно пренебречь и поверхностную энергию границы раздела фаз оценивать путем введения коэффициента поверхностного натяжения s
0
.
Рассмотрена полосовая конденсационная структура с периодом 1
и границами раздела фаз, параллельными напряженности поля, расположенная в плоской щели. Доли объема, занятые разбавленной и концентрированной фазами, равны 1г
/1
и 12
/1
соответственно. Тогда средняя напряженность магнитного поля в щели равна
, где
- средняя намагниченность структуры, равная
,
и
-
намагниченности фаз. Помимо поля
вблизи границ щели существует периодическое поле, обусловленное чередованием их участков, смоченных концентрированной и разбавленной фазами, обладающих разными намагниченностями. Вклад в термодинамический потенциал системы
, обусловленный отличием истинной напряженности поля
от средней –
, учтем с точностью до членов второго порядка по д
H
включительно. Тогда условия непрерывности магнитостатического потенциала ![]()
и нормальной компоненты магнитной индукции на границах щели
для членов разложения термодинамического потенциала
, до второго порядка по
включительно дают:
(4..30)
Отсюда видно, что вклад в термодинамический потенциал, обусловленный периодическим распределением напряженности поля вблизи торцов полос концентрированной и разбавленной фаз находится как собственная энергия этого поля.
Отметим, что значения магнитной проницаемости, вообще говоря, различны для каждой из фаз.
Явный вид выражения (4.30) находится путем решения магнитостатической задачи для поля, создаваемого периодическим распределением фиктивных магнитных зарядов на границах слоя. Тогда, пренебрегая магнитными восприимчивостями фаз, что, как показали результаты [164,165] по-видимому, не вносит качественных особенностей в рассматриваемое явление, получаем соотношение для магнитостатической энергии (4.30) на единицу объема структуры
(4.31)
где h - толщина слоя. Так как для наблюдаемых в эксперименте ситуаций h >1 , то соотношение (4.31) можно упростить и энергию магнитного взаимодействия торцов структуры при h > 1 можно записать в виде (h =2 h 1 )
(4.32)
В результате термодинамический потенциал единицы объема полосовой структуры разбавленной и концентрированной фаз с учетом вклада поверхности энергии границ их раздела определяется соотношением
(4.33)
Объемные доли разбавленной и концентрированной фаз l 1 и l2 выражаются через числовую концентрацию ферроколоида n и концентрации фаз n 1 и n 2 согласно правилу рычага
, ![]()
Реализуемая в эксперименте структура вследствие условия постоянства средней магнитной индукции
(м\ соответствует минимуму ее свободной энергии
относительно переменных n
1
, n
2
и 1
. Дифференцирование дает следующую систему уравнений для определения параметров равновесной структуры:
(4.34)
(4.35)
(4.36)
Соотношения (4.34) и (4.35) показывают, что химические потенциалы фаз одинаковы, т.е. j 1 = j 2 = j e . Отсюда из соотношений (4.34) и (4.35) для разности осмотических давлений фаз p = j n-f получаем
(4.37)
Из соотношения (4.37) видно, что в области малых магнитных переохлаждений, когда объемная доля концентрированной фазы l 2/ l мала, осмотическое давление разбавленной фазы меньше, чем концентрированной .
Соотношения (4.36) и (4.37) позволяют связать параметры полосовой структуры с магнитным переохлаждением системы. Так, из условия равновесия фаз
вытекает соотношение для изменения осмотического давления насыщенной разбавленной фазы с напряженностью поля [80]:
(4.38)
Поскольку удельная намагниченность разбавленной фазы М1
/
n
1
меньше концентрированной М2
/
n
2
, то из соотношения (4.38) видно, что давление насыщения разбавленной фазы с ростом напряженности поля уменьшается. В начальной области возникновения структуры условие равенства химических потенциалов фаз
дает соотношение для избыточных по отношению к равновесному осмотических давлений фаз в виде
p 1 – p 2 =δ p 1 –δ p 2 =δ p 1 n 2 (1/ n 2 -1/ n 1 ) (4.39)
Так как р1 - р2 < 0 , то из последнего соотношения видно, что осмотическое давление разбавленной фазы в полосовой структуре больше давления насыщения при данной напряженности поля на величину δ p 1 >0 . Подобное переохлаждение соответствует давлению насыщения при некоторой меньшей напряженности поля, т.е.
рн (Н -δH) = pH (H) + δpl .
Отсюда соотношение (4.38) позволяет связать δp1 с магнитным переохлаждением выражением
(4.40)
Наличие магнитного переохлаждения разбавленной фазы связано с затратами энергии для создания периодического распределения поля в торцевой области полос и образованием границ раздела фаз.
В результате, соотношения (4.36) и (4.37) дают следующую систему уравнений для определения зависимости периода структуры и объемной доли концентрированной фазы от напряженности магнитного поля:
(4.41)
(4.42)
Здесь
характерный масштаб полосовой структуры, который можно выразить через магнитное число Бонда В
m
=μо
(М2
-М1
)
h
1
/2
p
s
0
в виде:
. При нахождении зависимостей параметров полосовой структуры от напряженности поля необходимо учитывать, что при ее возникновении изменяется среднее размагничивающее поле в щели. Вследствие этого, соответствующее магнитному переохлаждению в щели
увеличение напряженности внешнего поля δН
в пренебрежении магнитными восприимчивостями фаз равно
l (4.43)
Тогда, учитывая, что намагниченность концентрированной фазы
для
из (4.41) получаем
(4.44)
Согласно рассчитанной с помощью соотношений (4.42) и (4.43) (при реальном значении параметра p 2 h 1 / l 0 =40 ) зависимости обратной величины периода полосовой структуры от напряженности внешнего поля угол дифракционного светорассеяния, пропорциональный обратной величине периода структуры, увеличивается с ростом напряженности поля, как это и наблюдается в эксперименте (см. рис. 27). Уменьшение периода структуры с ростом напряженности магнитного поля обусловлено увеличением объемной доли концентрированной фазы. Энергия, необходимая для периодического распределения поля в торцевой области полос и новых границ раздела фаз, выделяется при образовании этой структуры.
Как уже было указано выше, представление о дифракционном рассеянии света периодической системой микрокапель конденсированной фазы находится в количественном соответствии с данными эксперимента. Так, угол дифракционного рассеяния света с длиной волны l
= 0,63
мкм, q
= 0,84 10-
1
рад. при Н
= 8
кА/м (см. рис. 27) соответствует определенному по приведенной в работе [159] формуле периода структуры l
»
7
l
/2
p
q
=8,4
мкм, что менее чем вдвое отличается от значения (15 мкм), найденного при данном значении напряженности поля путем наблюдений в оптический микроскоп. Вполне разумным оказался и характерный масштаб напряженностей поля, в котором в эксперименте наблюдается изменение параметра решетки микрокапель. Так, согласно рис. 27, двукратному увеличению первого дифракционного кольца соответствует увеличение напряженности поля примерно на 9,6
кА/м. Подобное увеличение угла дифракции света, согласно теоретическим расчетам при p
2
h
1
/
l
0
=40
соответствует напряженносности поля
, откуда для поверхностного натяжения границы раздела разбавленной и концентрированной фаз получается вполне приемлемое значение s
о
= 4·10-4
н/м (h = 20
мкм) .
Отметим, что экспериментально полученная зависимость радиуса дифракционного кольца от величины напряженности поля имеет на начальном этапе ступенчатый характер. По-видимому, это связано с интенсивным возникновением новых микрокапельных агрегатов при достижении некоторого порогового значения напряженности поля. В последующем пороговые значения напряженности поля, при которых в рассматриваемых МЖ наблюдалось образование агрегатов, в зависимости от концентрации и температуры определялись совместно с К.А.Балабановым и Н.Г.Полихрониди в работе [166]. Ступенчатость зависимости R(H) может быть обусловлена, как показано в [160], и продольными делениями игольчатых агрегатов при достижении некоторой величины напряженности магнитного поля. Однако, в нашем случае кривая R(H) , приведенная на рис. 30 получена для образца, в котором отсутствовало расщепление агрегатов. Для того же образца, где наблюдается указанное явление, выраженной ступенчатости зависимости R(H) не наблюдалось, так как расщепление агрегатов, вследствие их некоторой не идентичности, происходило не при определенном значении напряженности поля, а в некотором его интервале, к тому же на этот процесс накладывается возникновение новых агрегатов. При достаточно большом значении напряженности поля, когда вследствие сильного обеднения слабо-концентрированной фазы возникновение новых агрегатов прекращается, зависимость радиуса дифракционного кольца от напряженности поля становится гладкой, близкой к линейной. Характер структурных изменений естественным образом связан и с интенсивностью дифрагированного света, которая пропорциональна числу рассеивающих частиц. Однако, корреляция зависимостей n (Н) и Ф(Н) , как можно видеть из рисунка 31 наблюдается только в начальном интервале значений напряженности магнитного поля. Последующее уменьшение интенсивности дифракционного кольца при достижении некоторого значения поля, вероятно, связана с зависимостью коэффициента рассеяния света от отношения размера частиц к длине волны проходящего света.

Рис.31. Зависимость радиуса дифракционного кольца R, его интенсивности Ф и концентрации агрегатов от напряженности магнитного поля.
Согласно [145], для коэффициента рассеяния света на сферах, при его незначительном поглощении ими, может быть использовано выражение:
(4.45)
где
-, nC
и n
Ф
- показатели преломления среды и материала сфер соответственно. Анализ выражения (4.45) позволяет также объяснить пульсации яркости дифракционного кольца, наблюдающиеся после выключения магнитного поля (рис.28).

Рисунок 28. Пульсации интенсивности первого дифракционного максимума при выключении поля. Напряженность поля в момент его выключения 2,8 кА/м, толщина слоя 3 0 мкм.
По-видимому, это явление связано с изменением поперечного размера игольчатого агрегата при его стягивании после выключения поля в каплю. Заметим, что время, в течение которого происходит восстановление капли из иголки, определенное с помощью наблюдений в оптический микроскоп, полностью соответствует продолжительности пульсирования яркости дифракционного кольца, а колебания формы капли, вследствие достаточной вязкости вещества капли и омывающей ее среды, отсутствуют .
Таким образом, образование микрокапельной структуры в магнитных жидкостях и возможность управления ею с помощью магнитного поля и сдвиговых напряжений позволяет наблюдать в таких средах эффекты дифракционного рассеяния света и двойного лучепреломления. В свою очередь, исследование последних открывает возможность изучения структуры и структурных превращений в магнитных жидкостях, оказывающих, как будет показано ниже, существенное влияние на поляризационные процессы в таких МЖ.
2.3Динамические процессы в магнитной жидкости с микрокапельной структурой в электрическом и магнитном полях
1. Деформационные эффекты.
Как было указано ранее в 4.1.2, в магнитном поле происходит деформация микрокапельных агрегатов, которая, к настоящему времени достаточно хорошо изучена как для постоянных [155,157], так и для переменных магнитных полей [167] . Однако, изменение формы микрокапель ных агрегатов может происходить также и в электрическом поле, что представляет несомненный интерес с точки зрения управления структурой таких систем с помощью одновременного воздействия магнитного и электрического полей.
Характер воздействия электрического поля определяется электрическими свойствами среды. Когда среда является идеальным диэлектриком, деформацию капли в вытянутый эллипсоид вращения и последующий ее разрыв легко объяснить теоретически, предполагая, что нормальная составляющая тензора электрических напряжений на поверхности капли уравновешена капиллярным давлением, возникающим вследствие неравномерности кривизны капли [168]. Этот же факт был установлен из энергетических соображений [169,170].
Если окружающая каплю среда электропроводна, то к силам поляризационного происхождения добавляются и кулоновские силы, действующие на накапливающиеся на межфазных границах гетерогенной среды свободные заряды [168]. При этом [171], на поверхности капли существует трансверсальное электрическое напряжение, которое генерирует течение внутри и вне капли. В этом случае теория [171] предсказывает образование как сплюснутых, так и вытянутых эллипсоидов в зависимости от отношения диэлектрических постоянных, удельных электрических сопротивлений и коэффициентов вязкости двух жидкостей, а также существование критических значений этих отношений, при которых капля остается сферической. Как показано в [172,173], в подобных ситуациях возможно явление отрицательной эффективной вязкости, колебательной электрогидродинамической неустойчивости .
Экспериментальное изучение деформации микрокапель, содержащихся в магнитных жидкостях проводилось с помощью наблюдений в оптический микроскоп. При этом, использовалась ячейка, представляющая собой предметное стекло, на поверхность которого наклеены две прямоугольные металлические пластины, в зазоре между торцами которых создавалось электрическое поле (подробное описание приведено в гл.2). Для создания однородного электрического поля на электроды подавалось напряжение от источника постоянного напряжения, однако, вследствие того, что наблюдения в постоянных полях связаны с большими трудностями из-за поляризации электродов и электрофоретической миграции структурных образований, исследования проведены в переменных полях в частотном диапазоне 20 Гц -20 кГц. Было установлено, что характер деформации микрокапельных агрегатов в электрическом поле существенно отличается от деформации капли магнитной жидкости, находящейся в глицерине, исследованной в [174]. Так, при низких частотах наблюдается не вытягивание агрегата в эллипсоид, что характерно для капли МЖ в глицерине или воде, а его сплющивание, т. е. ее трансформация в форму диска, плоскость которого перпендикулярна силовым линиям напряженности электрического поля. Оказалось, что в слабом электрическом поле (Е < 50 кВ/м) характер деформации микрокапельного агрегата существенно зависит от частоты поля: при низких частотах (f < 1 кГц) капля сплющивается, а при более высоких - вытягивается вдоль силовых линий электрического поля. Зависимость характера деформации микрокапельных агрегатов от частоты электрического поля проиллюстрировано рисунком 32, из которого видно, что при некоторой частоте поля (около 800 Гц) отношение полуосей а /b агрегата переходит от значений больших единицы к значениям меньше ее. В более сильных полях, начиная с некоторого критического значения напряженности поля (Е >100 кВ/м) в магнитных жидкостях с микрокапельной структурой возникают вихревые течения, приводящие к разрушению микрокапель.

Рис.32. Зависимости деформации микрокапельного агрегата а/b от напряженности переменного электрического поля Е при различных значениях частоты (l-f=0,6, 2-f=0,8, 3-f=l, 4-f=3, 5-f=5 кГц) (а) и От частоты этого поля f (б) при Е=30кВ/м.
Обсуждение обнаруженных явлений проведем на основе теоретического подхода, разработанного Цеберсом А.О. (изложенного в совместной работе [175]) при использовании основных идей работы [168].
Существенной особенностью стационарного поведения капли в электрическом поле по сравнению со случаем магнитного поля является наличие движения жидкости, определяющего ее форму. Оно возникает вследствие действия касательных электрических напряжений на межфазных границах, где накапливаются свободные заряды. По этой причине система уравнений, описывающая поведение капли в электрическом поле, включает уравнения и граничные условия электростатики, гидродинамики, а также закон сохранения заряда. В приближении ползучих течений она имеет вид (индексом "1" обозначены величины, относящиеся к области капли, "2" - к окружающей ее среде:
;
; ![]()
(4.46)
![]()

Граничные условия электростатики и гидродинамики на поверхности капли имеют следующий вид:
; ![]()
![]()
![]()
![]()
(4.47)
![]()
Здесь 1/Rk
- средняя кривизна поверхности, s
0
- поверхностное натяжение.
- тензор электрических напряжений, а индексы "t
" и "n
" обозначают компоненты тангенциальные и нормальные к поверхности. Для замыкания системы (4.46) и (4.47) ее необходимо дополнить уравнением баланса поверхностного заряда, которое в общем случае имеет вид:
(4.48)
Первый член в правой части (4.48) представляет поверхностную дивергенцию конвективного тока, обусловленного переносом заряда движущейся жидкостью.
Плотность тока проводимости определяется законом Ома
. Вдали от капли напряженность электрического поля равна напряженности внешнего поля, а скорость движения окружающей каплю жидкости равна нулю. В начальной области значений напряженности электрического поля, когда скорость индуцированного им движения мала, конвективным переносом заряда можно пренебречь. Тогда, в данном приближении система уравнений (4.46) - (4.47) для малых стационарных отклонений формы капли от сферической в переменном однородном электрическом поле с угловой частотой ω
, уравнение поверхности которой в сферической системе координат имеет вид
, дает
, где
(4.49)
-
максвеловское время релаксации свободного заряда. Соотношение (4.49) позволяет выявить ряд характерных особенностей поведения капли в электрическом поле. В области значений физических параметров капли и окружающей ее жидкости, в которой
(4.50)
капля сплюснута вдоль вектора Е [168]. Критическое значение частоты, при которой происходит восстановление сферической формы капли, определяется из соотношения:
(4.51)
Так как при ε1
/ε2
= γ1
/γ2
(как легко убедиться из соотношения (4.49)), деформация капли от частоты электрического поля не зависит, то при указанном соотношении электрофизических параметров меняется характер частотной зависимости капли. При εl
/ε2
<γ1
/γ2
степень растяжения капли вдоль вектора напряженности поля с ростом частоты уменьшается, а при εl
/ε2
>γ1
/γ2
увеличивается.
Таким образом, полученные результаты показывают, что принципиальную роль в поведении микрокапель магнитной жидкости играют свободные заряды на межфазных границах. Существенное значение при этом имеет и жидкое состояние гетерогенных включений. Действительно, в противоположном случае, вследствие стремления анизотропного тела в электрическом поле ориентироваться в направлении, которому соответствует минимальное значение коэффициента деполяризации, устойчивое состояние тела в виде сплюснутого вдоль электрического поля эллипсоида было бы невозможным. В случае жидких капель подобное положение может оказаться в области достаточно слабых полей устойчивым, благодаря явлению релаксации ее формы. При этом, уравнение для тензора анизотропии для таких сред можно предложить в виде:
![]()
![]()
где ζ0 - равновесное значение тензора анизотропии среды в электрическом поле; τ - время релаксации анизотропии формы капель, равное
![]()
Если характерное время поворота капли в электрическом поле
(
- коэффициент вращательного трения капли) больше времени релаксации ее формы τ
, то может сохранять устойчивость форма в виде расположенного поперек электрического поля диска.
В случае сплющивания капли в низкочастотном диапазоне переменного электрического поля возможна компенсация ее деформации с помощью дополнительного воздействия сонаправленным с электрическим магнитного поля. Это явление определяет ряд свойств магнитных жидкостей с микрокапельной структурой, проявляемых ими в магнитных и электрических полях. Возникающая при совместном действии слабых электрического и магнитного полей анизотропия такой эмульсии, когда степень отклонения формы капель от сферической мала, представляется в виде суперпозиции анизотропии, наводимых каждым из полей в отдельности [175]. Тогда
(4 . 52)
где h - единичный вектор вдоль направления постоянного магнитного поля. Для эксцентриситета слабо деформированной в магнитном поле капли полученное в [152] соотношение в предельном случае малых е дает формулу
(4.53)
которая совпадает с соответствующей формулой для деформации капли в электрическом поле высокой частоты при замене ε
на μ
и значения напряженности электрического поля на его эффективное значение
. В результате для суммарной магнитной анизотропии эмульсии при сонаправленном действии переменного электрического и постоянного магнитного полей имеем:
(4.54)
Из соотношения (4.54) видно, что в случае выполнения неравенства (4.50) существует такая напряженность постоянного магнитного поля, сонаправленного электрическому, при которой результирующая анизотропия эмульсии отсутствует. Это имеет место при напряженности магнитного поля, квадрат которой равен:
(4.55)
Экспериментальное исследование эффекта компенсации деформации капель осуществлялось с помощью наблюдений в оптический микроскоп. При этом, использовалась ячейка для оптических наблюдений деформации микрокапель в электрическом поле, дополненная катушками Гельмгольца в качестве намагничивающей системы. Наблюдения осуществлялись следующим образом. Выбиралась капля для исследования. На электроды ячейки подавалось напряжение, измеряемое с помощью цифрового вольтметра. При этом капля деформировалась (сплющивалась) так, что ее малая полуось совпадала с направлением электрического поля. Затем, медленной регулировкой магнитного поля, сонаправленного с электрическим, капле возвращали ее исходную форму. Повышали электрическое поле и вновь компенсировали вызванную им деформацию капли соответствующим повышением магнитного поля. Исследования продолжали до значений электрического поля, при которых начинали возникать электро-вихревые течения, приводящие к разрушению капли. Было исследовано несколько десятков капель, на основании обработки результатов этих исследований построен компенсационный график в координатах Е2 ~Н2 , приведенный на рис. 33.

Рисунок 33. Компенсационный график анизотропии формы капель в сонаправленных электричеством и магнитном полях.
Анализ графика позволяет сделать вывод о наличии пропорциональности квадрата напряженности постоянного магнитного поля квадрату напряженности электрического поля, вплоть до напряженности электрического поля Е=200 кВ/м и подтверждает результаты теоретических исследований, согласно которым напряженности магнитного и электрического поля при компенсации связаны соотношением (4.55). Тангенс угла наклона прямой на рис. 33, равный 0,5 хорошо соответствует ожидаемой, согласно (4.55), теоретической величине при малых γ1 /γ2 .
2. Динамика структурных изменений и рассеяние света.
Как уже было отмечено, в магнитной жидкости с микрокапельной структурой в электрическое поле помимо сил поляризационного происхождения существенную роль играют кулоновские силы, обусловленные накоплением заряда на межфазных границах. Вследствие этого, в подобных системах возможно развитие специфических электрогидродинамических неустойчивостей, лимитируемых процессами релаксации заряда, а также формой капель. Электрогидродинамические процессы приводят к изменению структуры магнитной жидкости, что в свою очередь оказывает влияние на магнитные и оптические свойства такой МЖ. Так, например, благодаря этим процессам в магнитной жидкости наблюдается дифракционное рассеяние света, имеющее ряд особенностей [175,176].
Исследование характера электрогидродинамических неустойчивостей и рассеяния света проводилось в тонких слоях (20 -40 мкм) магнитных жидкостей, заключенных между прозрачными стеклами с токопроводящим покрытием. Наблюдение микроструктуры осуществлялось с помощью оптического микроскопа. При исследовании дифракционного светорассеяния применялся гелий-неоновый лазер, луч которого пропускали перпендикулярно плоскости ячейки. Характер рассеяния света наблюдали на экране, а относительную величину интенсивности рассеянного света регистрировали с помощью фотоэлемента и цифрового прибора. Кроме описанной, использовалась также измерительная ячейка, позволяющая создавать электрическое поле, перпендикулярное световому лучу, устройство которой аналогично измерительной ячейке, использованной ранее для исследования компенсации формы капель в сонаправленных электрическом и магнитном полях (рис.2.13).

Рис.2.13. Схема ячейки для исследования деформации микрокапельных агрегатов в электрическом поле; 1 - предметное стекло, 2 - металлические пластины, 3 - магнитная жидкость с агрегатами, 4 -покровное стекло.
В достаточно слабых переменных электрических полях низкой частоты (30 - 200 Гц) магнитная жидкость с микрокапельной структурой становится анизотропной. Результаты оптических наблюдений, как уже указывалось ранее, показывают, что в полях достаточно низкой частоты, когда электропроводность капель ниже, чем окружающей их среды капли сплющиваются вдоль направления электрического поля. В результате возникновения анизотропии структуры в МЖ наблюдается анизотропное светорассеяние. Наблюдающееся при отсутствии поля светлое пятно ("гало") трансформируется в широкую размытую полосу, направленную параллельно малым осям сплющенных капель. На рис. 34 показана зависимость относительной величины интенсивности наблюдаемой светлой полосы от напряженности электрического поля.

Рисунок 34. Зависимость относительной величины анизотропного светорассеяния от напряженности переменного электрического напряжения при частоте 50Гц (10 - начальный фон).
Из приведенного графика видно, что первоначально, при повышении электрического поля происходит увеличение интенсивности анизотропного рассеяния света, что соответствует увеличению деформации капельных агрегатов. Однако, начиная с некоторого, критического значения напряженности, в системе развиваются электрогидродинамические течения, достаточные для разрушения капельных агрегатов и созданной слабыми полями анизотропии структуры. В этом случае наблюдается уменьшение относительной величины анизотропного светорассеяния. Таким образом, при возникновении электрогидродинамической неустойчивости происходит уменьшение структурной, а следовательно и магнитной анизотропии магнитных жидкостей с микрокапельной структурой. Возникновение неустойчивости, как уже указывалось, связано с процессами релаксации заряда в слабо проводящей несущей среде. А.О.Цеберсом при анализе подобных явлений [173] было показано, что в достаточно слабых полях, когда характерное время поворота частицы в вязкой среде велико по сравнению с временем релаксации заряда, ее положение в электрическом поле устойчиво. В противном случае свободные заряды, определяющие ориентацию частиц с наименьшим коэффициентом деполяризации вдоль поля, не успевают перераспределиться по ее поверхности, и развивается неустойчивость. При этом неустойчивость имеет колебательный характер и наступает при
(4.56)
где k
0
и k
∞
- статическая и высокочастотная поляризуемость (индексы и ║ и
обозначают направления вдоль и поперек длинной оси эллипсоида). Для угловой частоты возникающих колебаний анизотропии получено выражение
(4.57)
Согласно проведенных нами расчетов [176], соотношение (4.56) в случае непроводящих сферических частиц, взвешенных в среде с вязкостью η=0,1 Па с и характерным временем релаксации заряда τ = 10 с , что соответствует удельному сопротивлению около 0,1 Ом м , для напряженности поля дает величину 400 кв./м В полях такого же порядка наблюдается развитие электрогидродинамической неустойчивости в эксперименте. Изучение характера неустойчивости осуществлялось с помощью наблюдений в микроскоп, которые выявили на поверхности слоя жидкости подвижную сотовую структуру, характерную для неустойчивости Бенарда.
Повышение частоты электрического поля, направленного перпендикулярно плоскости тонкого слоя магнитной жидкости с микрокапельной структурой, приводит сначала к прекращению вихревых течений при f=3 кГц и появлению структурной сетки ветвистого, затем лабиринтного типа. При достаточно высокой частоте (f> 10 кГц) такая структура распадается на отдельные цилиндрические агрегаты, оси которых перпендикулярны плоскостям электродов. Интерес представляют наблюдения трансформации структуры при последующем понижении частоты. В этом случае из цилиндрических образований вновь развивается лабиринтная структура, распадающаяся при продолжении снижения частоты на множество более тонких, на фоне которых образуются крупные гантелеподобные агрегаты. При достижении частоты электрического поля 3 кГц происходит быстрый, взрывоподобный распад агрегатов, после чего во всем объеме слоя МЖ развивается вихревая электрогидродинамическая неустойчивость. Описанные структурные изменения проиллюстрированы на рис. 35.

Рисунок 35. Динамика структурных превращений в магнитной жидкости с микрокапельной структурой в электрическом поле; а - f=20 кГц, б - f=10 кГц, в- f=9 кГц, г - f=6 кГц, д - f=l кГц.
Характер структурных превращений при изменении частоты электрического поля подтверждает их связь с процессами релаксации заряда, ориентации и формы микрокапель. Отметим, что при достаточно большой частоте форма капель определяется только поляризационными эффектами вследствие отсутствия движения свободных зарядов, и в этом случае в тонких слоях МЖ развивается гексагональная структура, теоретическая интерпретация образования которой может быть построена по аналогии с интерпретацией образования подобной структуры в постоянном магнитном поле [163-165] .Структурные превращения в тонких слоях подобных магнитных жидкостей в электрическом поле определяют характер наблюдающегося при этом дифракционного светорассеяния. Изучение этого явления проведено с помощью установки, схема которой приведена на рис.36, при этом использовалась ячейка, представляющая собой два плоских стекла с токопроводящим покрытием.

Рисунок 36. Схема установки для исследования светорассеяния тонкими слоями магнитных жидкостей; 1 -лазер ЛГ-78, 2 - ячейка с магнитной жидкостью, 3-термостатирующая рубашка, 4 - катушки Гельмголь-ца, 5 - фотоприемник.
При достаточно высоких частотах (f > 10 кГц) , когда структура представляет собой лабиринтную, а затем гексагональную систему вытянутых вдоль поля микрокапель, наблюдается дифракционная картина в виде светлого кольца, диаметр которого зависит от величины напряженности и частоты электрического поля. Анализ таких, экспериментально полученных зависимостей позволяет оценить изменение характерного структурного параметра решетки. При понижении частоты кольцо исчезает, а затем появляется вновь при наступлении электрогидродинамической неустойчивости. Однако, природа рассеяния света наблюдающегося благодаря вихревым течениям имеет существенное отличие от дифракционных эффектов на структурных образованиях. Как видно из схематического представления структуры электрогидродинамических вихревых течений (рис.37), скорость жидкости в различных областях слоя жидкости различна и изменяется от максимального значения на окраинах вихрей до нуля в их центрах.

Рисунок 37. Характер вихревого движения МЖ в электрическом поле.
В соответствии с этим изменяется и коэффициент преломления жидкости. А так как размеры вихрей одинаковы (о чем свидетельствует наблюдающаяся на поверхности слоя сотовая структура с одинаковыми размерами сот), то и размеры участков с одинаковым коэффициентом преломления также одинаковы и упорядочены в пространстве. В результате этого, систему микровихрей можно уподобить системе линз, прохождение через которую параллельного пучка света и приводит к наблюдаемому оптическому эффекту. При этом, в соответствии с колебательным характером электрогидродинамической неустойчивости в течение некоторого переходного периода после включения поля наблюдается колебание интенсивности кольца (рисунок 38).

Рисунок 38. Зависимость интенсивности дифракционного кольца, наблюдающегося при прохождении луча лазера через слой МЖ, от времени после включения электрического поля.
Частота пульсаций интенсивности дифракционного кольца существенным образом зависит от величины напряженности электрического поля (рис.39).

Рисунок 39. Зависимость частоты пульсаций дифракционного кольца от напряженности электрического поля .
Анализ полученной функциональной зависимости позволил установить, что в начальном интервале исследованных значений напряженности поля она является квадратичной, однако ее вид изменяется при более высоких значениях Е (свыше 1,5·103 кВ/м) .
Следует отметить, что обнаруженная электрогидродинамическая неустойчивость в структурированной магнитной жидкости имеет отличительную особенность, связанную с возможностью регулирования ее нарастания с помощью дополнительного воздействия магнитным полем. Иллюстрацией этого утверждения может служить график зависимости частоты пульсации дифракционного кольца от напряженности постоянного магнитного поля, приведенный на рис.4.21.

Рисунок 40. Зависимость частоты пульсаций дифракционного кольца от напряженности постоянного магнитного поля (подробные пояснения в тексте).
2.4 Магнитные жидкости с квазитвердыми структурными образованиями
Большинство опубликованных работ в области магнитных жидкостей посвящены исследованию физических свойств "классических" магнитных жидкостей с магнетитовыми частицами на основе керосина, в которых при определенных условиях могут образовываться микрокапельные агрегаты. Однако, на практике, как уже указывалось ранее, применяются в основном МЖ на вязких основах - кремнийорганических и минеральных маслах, триэтаноламине и т.п., дисперсной средой в которых является магнетит, железо и их композиции. Такие магнитные жидкости по своей структуре и более высокой вязкости существенно отличаются от жидкостей на основе керосина. Выбор дисперсионной среды обусловлен малой степенью ее испаряемости, а также стремлением предотвратить вытекание МЖ из рабочих зазоров установок и устройств. Однако, такие несущие среды уменьшают возможность хорошей стабилизации МЖ. По-видимому, в связи с этим, такие магнитные жидкости получаются структурированными уже в процессе технологического приготовления, структурные образования в них бесформенны, часто по внешнему виду напоминают хлопья или квазитвердые слоистые образования. На рис. 41а приведена фотография типичной структуры такой МЖ (композиция железа и магнетита в кремнийорганике при Т — 293 К, увеличение 700).

Рисунок 41. Структурные образования в МЖ повышенной вязкости(дисперсия магнитета в кремнийорганике); а до включения поля, б - при Н = 40 кА/м, в -через 20 минут после выключения поля.
Изменение температуры приводит к изменению формы и конфигурации отдельных агрегатов и структуры в целом. Реакция на внешнее магнитное поле проявляется в виде преимущественной ориентации структурных образований по направлению поля (рис. 416). При этом, изменение направления поля на обратное не приводит к переориентации агрегатов, что указывает на отсутствие у агрегатов собственного магнитного момента, обусловленного упорядочением магнитных моментов дисперсных частиц. Следует отметить, что квазитвердые структурные образования иногда могут реализовываться также и в относительно стабильных жидкостях на основе керосина, однако в этом случае, как будет показано ниже, они могут иметь принципиально иной характер, чем образования в МЖ повышенной вязкости.
1. Релаксация процессов структурообразования в магнитных жидкостях повышенной вязкости.
Формирование структуры в магнитных жидкостях повышенной вязкости под действием магнитного поля происходит в течение нескольких секунд после его включения (например, в поле с напряженностью 40 кА/м это время составляет 5-10 секунд). Структура, созданная полем также сохраняется и после его выключения в течение 5-20 минут (рис.416). Такое поведение структуры в той или иной мере присуще всем исследованным образцам, применяемым или разрабатываемым для магнитожидкостных уплотнений различного типа.
Информация о структуре магнитных жидкостей и кинетике структурных изменений может быть получена с помощью изучения процессов светорассеяния в тонких слоях этих сред. С этой целью было исследовано рассеяние лазерного луча при прохождении им тонкого слоя (30 - 50 мкм) МЖ с помощью экспериментальной установки, схема которой приведена на рис.36 и подробно описана в 2.3. Как и следовало ожидать, воздействие магнитного поля изменяет изотропный характер светорассеяния на анизотропный, при этом на экране, после прохождения луча через образец, после включения магнитного поля, размытое световое пятно меняется на широкую полосу. Исследование интенсивности анизотропного светорассеяния выявило его зависимость от величины напряженности магнитного поля и времени его воздействия, характер которой по существу определяется процессами формирования структуры. На рис. 42 приведена зависимость относительной величины светорассеяния от времени воздействия магнитного поля напряженностью H = 60 кА/м для образца на основе триэтаноламина (кривая 1) .

Рисунок 42 Зависимость относительной величины интенсивности анизотропного светорассеяния(10- начальный фон) от времени в магнитном поле с напряженностью Н = 60 кА/м (1) и после выключения поля (2) для МЖ типа магнетит в триэтаноламине.
Аналогичные кривые получены и для других МЖ этого типа. Как можно заметить из рисунка, формирование структуры МЖ этом поле заканчивается через 3-5 минут. Анизотропное светорассеяние сохраняется (в соответствии с сохранением анизотропной структуры) в течение некоторого времени и после выключения поля. На рис.42 (кривая 2) приведена зависимость интенсивности остаточного светорассеяния от времени после выключения поля.
При нагревании образца МЖ, светорассеяние теряет анизотропный характер, однако, интенсивность его увеличивается, достигая насыщения в области температур 320є - 350є К (рис.43).

Рис.43. Температурная зависимость относительной величины светорассеяния для магнитной жидкости (магнетит в триэталонамине) с остаточной структурой после выключения магнитного поля.
Рост интенсивности светорассеяния свидетельствует об увеличении числа мелких агрегатов и частиц с изотропной формой за счет дробления при увеличении температуры первоначально анизотропной структуры жидкости.
2. Образование спонтанно намагниченных агрегатов в магнитных жидкостях.
При длительном хранении достаточно устойчивых к расслоению магнитных жидкостей на основе керосина в них, при определенных условиях, может реализоваться хорошо развитая система квазитвердых структурных образований, которые даже при отсутствии магнитного поля обладают отличным от нуля магнитным моментом. Как правило, такие агрегаты обладают хорошо выраженной анизотропией формы, достаточно быстро реагируют на включение внешнего магнитного поля, а при его отсутствии ориентируются вдоль силовых линий магнитного поля Земли. В некоторых случаях такие агрегаты имеют нитевидную форму, при этом минимум магнитной энергии при отсутствии магнитного поля осуществляется за счет разветвления и переплетения агрегатов. На рис. 4.25 приведена фотография таких структурных образований в магнитном поле (а) и при его отсутствии (б).

Рис.4.25. Фотография структурных образований, обладающих собственным магнитным моментом; а - в магнитном поле, б при его отсутствии.
Для описания имеющихся экспериментальных результатов в области физических свойств магнитных жидкостей в теоретических работах [17, 18] были выведены уравнения, описывающие движение дисперсной намагничивающейся среды, при использовании методов термодинамики необратимых процессов.
В некоторых работах [19 – 22] магнитная жидкость рассматривалась как однородная жидкость с внутренними моментами вращения и предполагалась жесткая связь магнитного момента частицы и ее твердой матрицы. В этом случае в гидродинамические уравнения входят τD – броуновское время ориентационной релаксации частицы и τS – время затухания собственного вращения частицы, которые зависят от размера частиц с сольватной оболочкой. Экспериментальное определение времени ориентационной релаксации осуществлялось в работах [23 – 25].
Таким образом, до некоторых пор считалось, что магнитная жидкость ведет себя в магнитном поле сплошная однородная суперпарамагнитная среда, в которой элементарным носителем магнетизма являются дисперсные частицы. Однако в дальнейшем, когда стало возможным синтезировать более концентрированные магнитные жидкости, стали появляться работы, указывающие на ограниченность применения модели однородной среды, которая подчиняется классической теории парамагнетизма.
Литература
1.Де Грот С., и Мазур П. Неравновесная термодинамика.-М.: Мир,1964.-456с.
2. Бараш Ю.С. О макроскопическом описании действующего поля в некоторых диэлектриках.// ЖЭТФ.-Т.79, вып.6.-С.2271-2281.
3. Ландау Л.Д., Лифшиц Е.М. Электродинамика сплошных сред.-М.: Наука.-1982.-623 с.
4.Стреттон Д. Теория электромагнетизма.- М.-Л.: Гостехиздат, 1948.-312 с.
5. Пановский В., Филипс М. Классическая электродинамика.- М.: Гостехиздат, 1957.
6. Гогосов В.В., Налетова В.А., Шапошникова Г.А. Гидродинамика дисперсных систем, взаимодействующих с электромагнитным полем.// Механика жидкости и газа.- №3.-1977.- С.62-70.
7. Диканский Ю.И. Экспериментальное исследование эффективных полей в магнитной жидкости.// Магнитнаягидродинамика.- 1982.- №3. – С.33-36.
8. Elmore W. C. Ferromagnetic colloid for studying magnetic structure // Phys. Rev. – 1938. – Vol. 54. – N 4. – P. 309.
9. Elmore W. C. The magnetization of ferromagnetic colloid // Phys. Rev. – 1938. – Vol. 54. – N 12. – P. 1092–1095.
10. Бибик Е.Е., Бузунов О.Е. Достижения в области получения и применения магнитных жидкостей. – М: ЦНИИ, Электроника, 1979. – 60 с.
11. Диканский Ю.И. К вопросу о магнитогранулометрии в магнитных жидкостях // Магнитная гидродинамика.– 1984.– № 1.– С.123–126.
12. ВонсовскийС.В. Магнетизм. – М.: Наука, 1971. – 1032 с.
13. Neel L. Influence des fluctuations thermiques sur l'aimantation de grains ferromagnetiques tres fins // Academic des sciences. Comptes rendus. – 1949. – Vol. 228. – N 8.– P. 1927–1937.
14. Bean C.P. Hysteresis loops of mixtures of ferromagnetic micropowdes // Journal of Applied Physics. – 1955.– Vol.26. – N 11. – P. 1381–1383.
15. Brown W.F., Jr. Thermal fluctuations of a single-domain particle // Phys. Rev. – 1963. – V. 130. – N. 5. – P. 1677 – 1686.
16. Шлиомис М.И. Магнитные жидкости // УФН. – 1974. – Т. 112, вып. 3. – С. 427 – 458.
17. Bean C.P., Jacobs I.S. Magnetic granulometry and superparamagnetism // Journal of Applied Physics. – Vol. 27. – N. 12. – P. 1448 – 1452.
18. Shliomis M.I., Raikher Yu.L. Experimental investigations of magnetic fluids // IEEE Transactions on Magnetic. – 1980. – Vol. MAG-16. – N. 2. – P. 237 – 250.
19. Kaiser R., Miskolczy G. Magnetic properties of stable dispersions of subdomain magnetic particles // Journal of Applied Physics. – 1970. – Vol. 1. – N. 3. – P. 1064 – 1072.
20. Бибик Е.Е., Матыгулин Б.Я., Райхер Ю.Л., Шлиомис М.И. Магнитостатические свойства коллоидов магнетита // Магнитная гидродинамика. – 1973. – № 1. – С. 68 – 72.
21. Мозговой Е.Н., Блум Э.Я. Магнитные свойства мелкодисперсных ферросуспензий, синтезированных электроконденсационным способом // Магнитная гидродинамика. – 1971. – № 4. – С. 18 – 24.
22. Марценюк М.А., Райхер Ю.Л., Шлиомис М.И. К кинетике намагничивания суспензий ферромагнитных частиц // ЖЭТФ. – 1973. – Т. 65, вып. 1(7). – С. 834 – 840.
23. Марценюк М.А., Райхер Ю.Л., Шлиомис М.И. К кинетике намагничивания суспензий однодоменных частиц // Труды Международной конференции по магнетизму МКМ-73 (22 – 28 августа 1973г.). – М.: Наука, 1974. – С.540–544.
Похожие рефераты:
Исследование свойств магнитных жидкостей методом светорассеяния
Изучение возможности применения магнитных жидкостей для синтеза магнитных сорбентов
Влияние магнитных полей на ранние стадии онтогенеза на представителей семейства бобовых
Ответы к экзаменационным билетам по физике 11 класс (ответы к 29 билетам)
Исследование процессов испарения и конденсации жидких капель
Биокерамика на основе фосфатов кальция
Ремонт и обслуживание скважин и оборудования для бурения