| Похожие рефераты | Скачать .docx |
Курсовая работа: Проектирование твердотопливного ракетного двигателя третьей ступени трехступенчатой баллистической ракеты
Омский государственный технический университет
Кафедра «Авиа- и ракетостроение»
Специальность 160302 – Ракетные двигатели
Курсовая работа
по дисциплине «Теория, расчет и проектирование РД»
Проектирование твердотопливного ракетного двигателя третьей ступени трехступенчатой баллистической ракеты
Пояснительная записка
КР *******.**.**.**.**.***.ПЗ
Выполнил: студент гр. _________________
Дата _____________Подпись ___________
Руководитель: ______________________
Дата _____________Подпись ____________
Омск 2006
Омский государственный технический университет
Кафедра Авиа- и ракетостроение
Специальность 160302 – Ракетные двигатели
Задание №
по курсовой работе
по дисциплине Теория, расчет и проектирование РД
Студент ______________ ______ группа ____ _________
(Ф.И.О. полностью)
1. Тема работы Проектирование твердотопливного ракетного двигателя ступени двухступенчатой баллистической ракеты
2. Срок сдачи студентом законченного проекта ______
3. Исходные данные к проекту Тяга ступени = кН;
Время работы ДУ = c ;
Ступень –. _
4. Содержание проекта: ____________________________________
4.1Разделы пояснительной записки (перечень подлежащих разработке вопросов) по содержанию _______________________________
_____________________________________________________________
Перечень графического материала (с указанием обязательных чертежей)
1.Общий вид ракеты с РДТТ – формат А1
2.Ракетный двигатель – формат А1
5. Основная рекомендуемая литература: специальная литература, конспект лекций по курсу «Ракетные двигатели», «Проектирование РДТТ», учебное пособие к курсовому и дипломному проектированию.
6. Дата выдачи задания _________________
Зав. Кафедрой _____________(подпись, дата)
Руководитель ____________________(подпись, дата)
Студент ____________________________________(подпись, дата)
Аннотация
В данном курсовом проекте разработана двигательная установка одноступенчатой баллистической ракеты дальнего действия с основными параметрами:
- Дальность полета = км;
- Масса ступени = кг;
- Масса ГЧ = кг;
- Тяга ступени = кН;
- Время работы ДУ = c;
- Диаметр ракеты = м;
- Длина ракеты = м;
- Топливо.
Курсовой проект состоит из пояснительной записки и графической части.
В данной пояснительной записке приведены проектировочные, тепловые, газодинамические, массовые и оценочные расчеты.
Записка состоит из листов, содержит рисунков и таблиц. Также к записке прилагается задание на курсовой проект. Библиографический список содержит публикаций.
Графическая часть выполнена на трех листах формата А1.
Содержание
Введение.
1. Выбор основных параметров РДТТ.
1.1 Выбор типа заряда.
1.2. Выбор формы заряда.
1.3. Выбор топлива
1.4. Выбор давления в камере сгорания и на срезе сопла
2. Расчет РДТТ
2.1. Проектирование сопла
2.2. Расчет щелевого заряда РДТТ
2.3. Расчет характеристик прогрессивности щелевого заряда РДТТ.
2.4. Расчет звездчатого заряда РДТТ.
2.5. Расчет на прочность корпуса РДТТ.
3.Расчет теплозащитных покрытий РДТТ, выполненного по схеме «кокон»33
3.1. Расчет тепловых потоков в элементах РДТТ.
3.2. Расчет теплозащитного покрытия двигателя
Литература:
Введение
Ракетные двигатели твердого топлива находят широкое применение во многих областях авиационно-космической техники. По энергетическим характеристикам они вполне приблизились к ЖРД, превосходя их по многим параметрам. Они отличаются простотой конструкции и высокой надежностью, что объясняется отсутствием топливных баков, систем подачи и регулирования расхода топлива. РДТТ способны создавать большой суммарный импульс тяги за короткое время, обеспечивать длительный срок хранения в снаряженном виде и, следовательно, постоянную готовность к пуску при незначительном времени на его подготовку. Они просты и недороги в эксплуатации, то есть обладают высокой эксплуатационной технологичностью. При обслуживании и хранении ракет с РДТТ не возникает проблем, связанных с коррозией, токсичностью и испарением топлива. Стоимость разработки и изготовления РДТТ значительно ниже ЖРД (однако стоимость твердого топлива часто оказывается выше стоимости жидкого топлива).
К недостаткам РДТТ относятся: меньший, чем у других двигателей удельный импульс тяги, более сложное регулирование тяги по величине и направлению, трудность осуществления многократного запуска, значительное влияние внешних условий, особенно начальной температуры заряда, на нормальную работу двигателей, чувствительность двигателей к дефектам заряда, следствием которых могут быть срывы пусков и аварийные ситуации.
Основной особенностью РДТТ, отличающей его от других РД, состоит в том, что топливо находится в твердой фазе и располагается непосредственно в камере сгорания в виде специального заряда.
Несмотря на большое многообразие, обусловленное целевым назначением, все РДТТ имеют общие конструктивные элементы. Основными элементами являются: заряд твердого топлива, корпус с теплоизоляцией, переднее и заднее (сопловое) днища, сопловой блок, воспламенитель с электрозапалом. Обечайка, герметично соединенная с сопловым и передним днищами, образуют КС.
Классификация РДТТ
Ракетные двигатели на твердом топливе могут резко отличаться друг от друга:
- по назначению;
- по числу камер сгорания;
- по способу управления величиной и направлением вектора тяги
управляемые;
неуправляемые;
- по форме КС;
- по способу крепления заряда к камере;
- по типу сопла;
- по числу запусков
однократного действия;
многократного действия.
По назначению РДТТ можно разделить на следующие классы:
1. РДТТ ракет, предназначенных для доставки полезного груза с одного места поверхности земного шара в другое, подразделяющиеся в зависимости от дальности действия на следующие группы:
РДТТ ракет ближнего действия;
РДТТ тактических ракет;
РДТТ управляемых и неуправляемых противотанковых ракет;
РДТТ ракет средней дальности;
РДТТ ракет дальнего действия, к которым относятся РДТТ межконтинентальных ракет;
Разгонные и маршевые РДТТ для крылатых ракет.
2. РДТТ ракет, предназначенных для доставки полезного груза с поверхности земного шара в околоземное пространство, подразделяющиеся в зависимости от непосредственного назначения на следующие группы:
РДТТ зенитных ракет;
РДТТ антиракет.
3. РДТТ ракет, устанавливаемых на летательных аппаратах и предназначенных для поражения воздушных целей;
4. РДТТ ракет, устанавливаемых на летательных аппаратах и предназначенных для поражения целей, расположенных на поверхности земного шара или под водой;
5. РДТТ ракет, устанавливаемых на надводных кораблях и предназначенных для поражения подводных целей;
6. РДТТ, используемые в качестве стартовых ускорителей;
7. РДТТ, служащие для резкого увеличения скорости летательного аппарата на траектории или для проведения маневра;
8. индивидуальный РДТТ, служащий для передвижения или маневрирования человека над поверхностью земли или в условиях космоса;
9. РДТТ вспомогательного назначения:
пороховые аккумуляторы давления (ПАД);
бортовые источники питания (БИП);
рулевые двигатели;
РДТТ для ускорения разделения ступеней составных ракет;
тормозные РДТТ, обеспечивающие, в частности, мягкую посадку летательного аппарата;
корректирующие РДТТ, служащие для исправления скорости и направления полета космического корабля при отклонении от расчетной траектории;
РДТТ системы ориентации и стабилизации летательного аппарата;
10. РДТТ ракет, предназначенных для космических кораблей.
Кроме того, ракеты с РДТТ используются в народно- хозяйственных целях, например, для борьбы с градом, бурения скважин, зондирования высоких слоев атмосферы и.д.
1. Выбор основных параметров РДТТ
1.1 Выбор типа заряда
От организации массоприхода от поверхности заряда непосредственно зависят все основные характеристики РДТТ. При этом в процессе горения заряда детерминированное отклонение массоприходной функции с течением времени от заранее запланированного закона возможно лишь для узкого класса регулируемых по уровню тяги ДУ.
На практике к конструкции топливного заряда предъявляют следующую совокупность требований:
- Форма топливного заряда должна обеспечивать заданный закон массоприхода продуктов сгорания топлива (или заданный закон изменения тяги);
- Форма топливного заряда должна обеспечивать максимальное значение удельного импульса ДУ;
- Форма заряда должна обеспечивать заданное время работы ДУ;
- Конструкция заряда должна полностью или частично исключать непосредственное соприкосновение продуктов сгорания со стенками камеры;
- Форма топливного заряда должна способствовать увеличение коэффициента заполнения камеры топливом, не создавая при этом явлений неустойчивого горения, обеспечивая прочность заряда и минимум дегрессивно горящих остатков;
- Конструкция топливного заряда должна обеспечивать минимальное смещение центра масс двигателя по мере выгорания топлива;
- Конструкция заряда должна быть технологична.
По способу крепления заряды РДТТ разделяют на прочноскрепленные и вкладные .
Прочноскрепленные с корпусом РДТТ конструкции применяются в основном для получения зарядов, изготовленных из смесевых топлив. Форма заряда организуется в процессе заливки жидкой неполимеризованной смеси компонентов топлива во внутрикамерный объем. При таком способе изготовления заряда отсутствует зазор между внутренней стенкой корпуса двигателя и наружной поверхностью топливного заряда. Такая конструкция заряда не требует применения узлов крепления, а в случаях, когда до конца работы двигателя фронт пламени не достигнет наружного диаметра топливного заряда — и теплозащитных покрытий. Отсутствие этих узлов приводит к снижению величины коэффициентов массового совершенства α вплоть до 0,05 для лучших современных крупных РДТТ.
Двигатели с прочноскрепленным зарядом обладают следующими преимуществами:
- Более эффективно используется объем КС при заполнении топливом.
- Более простая технология изготовления
-Возможность применения более простого теплозащитного покрытия стенок КС, т к в процессе работы двигателя раскаленные газы не контактируют непосредственно со стенками КС.
- Возможность снизить толщину стенки КС, так как часть нагрузки воспринимается самим зарядом топлива.
Двигатели с вкладным зарядом обладают следующими недостатками:
- Наличие дополнительных устройств, фиксирующих заряд.
- Низкий коэффициент заполнения.
- Контакт горячих газов со стенками камеры сгорания.
К достоинствам двигателей с вкладным зарядом относятся:
- Возможность контроля заряда при хранении.
- Возможность замены заряда при повреждении.
Так как проектируемый двигатель является маршевым (имеет большие габариты), то целесообразно применять заряд прочноскрепленного типа, так как изготовление вложенного заряда большого диаметра технологически сложно.
1.2 Выбор формы заряда
Основными формами зарядов в РДТТ являются: щелевые, бесщелевые, звездообразные и телескопические. Наилучшими характеристиками обладают звездообразные заряды и заряды с щелевым каналом .
Звездообразные заряды применяются в прочноскрепленном варианте.
Достоинства звездообразных зарядов:
- Технология изготовления данных зарядов отработана.
- Они обладают высоким коэффициентом внутрикамерного заполнения.
- Звездообразный профиль может быть выполнен в заряде на всю длину.
- В разных поперечных сечениях РДТТ профили заряда могут не совпадать.
Заряды с щелевым каналом получили широкое распространение как в скрепленном, так и во вкладном валиантах.
Достоинства зарядов с щелевым каналом:
- Высокая технологичность, как при вкладном, так и в скрепленном вариантах.
- Возможность обеспечения постоянной площади горения.
- Возможность регулирования площади горения дополнительными конструктивными мерами (торцы не плоские, заряд блочносекционный, изменение отношения для канального и щелевого участков, прорезание щелей на части диаметральной плоскости).
- Обеспечение высоких коэффициентов заполнения зарядом внутрикамерного объема.
В конечном итоге выбираем заряд с щелевым каналом так как он имеет большую площадь горения (большую тягу) чем звездообразный и обеспечивает более стабильную тягу.
1.3 Выбор топлива
При выборе типа топлива и его марки существенными представляются характеристики, которые оказывают влияние на энергетичность и внутрибалистические параметры РДТТ, на эксплуатационные параметры, а также характеристики, устанавливаемые производством.
Из параметров, определяющих энергетику и внутреннюю баллистику РДТТ, можно отметить плотность топлива, удельный импульс, температуру продуктов сгорания, полное теплосодержание единицы массы топлива, скорость горения топлива, устойчивость горения в заданном интервале давления и температуры, связь характеристик топлива с начальной температурой.
Из эксплутационных характеристик выделяют физическую стабильность, химическую стойкость, механическую стойкость, безопасность в обращении, низкую токсичность продуктов сгорания.
Производственные условия выдвигают такие требования: безопасность производства, низкая стоимость изготовления топлива и зарядов для него.
Современные твердые топлива по химическому составу и физической структуре подразделяются на две группы:
1. баллиститные (двухосновные);
2. смесевые.
Под баллиститными топливами понимают твердые растворы нитратов целлюлозы в специальных растворителях с небольшим количеством добавок. Основой топлива является нитроклетчатка – продукт нитрации целлюлозы. В чистом виде в качестве топлива нитроклетчатка не может быть использована из-за ее пористо-волокнистой структуры, которая вызывает объемное горение вещества, обычно переходящее в детонацию (взрыв). Исключение детонации достигается обработкой нитроклетчатки малолетучим растворителем – вторым компонентом ТРТ (например, нитроглицерином); в результате получают пластифицированную (желатинообразную) массу. Последующей обработкой этой массе придают требуемые термопрочность и форму.
Заряды из баллиститных топлив изготавливаются путем прессования. Основной метод в настоящее время – метод проходного прессования. Отливка топливных зарядов непосредственно в камеру или в специальные формы сопряжена с трудностями вследствие низких литейных свойств двухосновных порохов.
Смесевые топлива. Они представляют собой механические смеси из минеральных окислителей и органических горюче-связующих веществ. В качестве окислителя в современных ТРТ наибольшее применение получил перхлорат аммония
. В качестве горюче-связующих веществ – полиэфирные, фенольные, эпоксидные смолы, пластмассы, синтетические каучуки. Большинство смесевых ТРТ разработано на основе полиуретанового каучука.
Смесевые топлива хорошо отливаются. Формирование заряда производится непосредственно в корпусе двигателя или в специальной изложнице методом свободного литья или литьем под давлением.
Смесевые топлива позволяют создавать весьма большие по размерам двигатели, причем, их снаряжение возможно непосредственно на стартовой позиции.
Выбираем смесевое топливо, так как скрепленные заряды изготавливаются только из него.
Смесевые топлива классифицируются по химическому составу:
- Тиокольные топлива – эластичны, имеют низкую температуру стеклования, но энергетические характеристики не высоки.
- Полиуретановые топлива – один из основных типов смесевых топлив. Они прочны, но эластичность их ниже тиокольных, температура стеклования высокая.
- Полибутадиеновые топлива – имеют примерно такие же механические характеристики, что и полиуретановые. Энергетические характеристики выше.
- Бутилкаучуковые топлива – имеют лучшие механические характеристики, отличаются высокой прочностью.
Параметры выбранного топлива:
Удельный импульс ![]()
;
Потери удельного импульса
;
Плотность топлива
;
Температура горения топлива
;
Газовая постоянная
;
Модуль упругости ![]()
;
Показатель адиабаты
;
Предел прочности ![]()
.
1.4 Выбор давления в камере сгорания и на срезе сопла
Величина рабочего давления в камере РДТТ имеет принципиальное значение и может быть обусловлена следующими факторами:
- Необходимо обеспечить устойчивое горение топливного состава;
- Горение топливного состава должно происходить с максимальным энергетическим эффектом (при максимальном значении удельного импульса топлива);
- Массогабаритные характеристики РДТТ должны обеспечить оптимальность РДТТ и ракеты в целом (должны удовлетворять требованиям оптимальности).
Первое условие обеспечивается при выборе давления в камере выше некоторого минимального допустимого значения, известного для каждого используемого на практике топливного состава. Минимальное давление, гарантирующее устойчивое горение топлива, составляет ![]()
и задается характеристиками топлива.
Согласно рекомендациям давление в камере сгорания:
![]()
- для первой ступени;
![]()
- для второй ступени;
![]()
- для третьей ступени.
Физически требование обеспечения определенных уровней давления в камере обусловлено необходимостью создания условий для полного завершения химических реакций в топливной массе. Зависимость удельного импульса топлива от величины давления, при котором происходит его горение, графически представлена на рис. 1.

Рис. 1. Зависимость удельного импульса топлива
Т. к. в данном случае третья ступень, то принимаем давление в КС рк=4 МПа.
Правильный выбор давления на срезе сопла заключается в том, чтобы при этом давлении ракета получила бы наибольшую скорость в конце активного участка траектории и, следовательно, максимальную дальность при всех прочих равных условиях.
Согласно рекомендациям давление на срезе сопла:
- для первой ступени;
- для второй ступени;
- для третьей ступени.
Принимаем давление на срезе сопла ра=0,012 МПа.
2. Расчет РДТТ
2.1 Проектирование сопла
Сопло является очень важным элементом любого ракетного двигателя. Оно во многом определяет все характеристики ракеты, поскольку именно в нем потенциальная энергия горячих газов превращается в кинетическую энергию истекающей струи газов, которая и создает тягу.
Исходные данные:
- давление в камере сгорания РДТТ (3 ступень)
;
- статическое давление на срезе сопла (3 ступень)
;
- длина образующих конических участков сопла
;
- угол раскрытия сопла, угол на срезе сопла
;
- время работы РДТТ
;
- тяга РДТТ
;
- удельный импульс топлива РДТТ
;
- потери удельного импульса
;
- газовая постоянная
;
- температура горения топлива
;
- показатель адиабаты продуктов сгорания
.
Порядок расчета:
Безразмерная скорость газа на срезе идеального сопла,
,
где
- коэффициент межфазового энергообмена продуктов сгорания при их движении по сопловому тракту
,
где n - показатель изоэнтропы расширения для смесевого топлива с металлическими добавками,
;
- отношение температуры твердых частиц к статической температуре продуктов сгорания;
- коэффициент, учитывающий потери на трение,
= (0.02...0.05),
= 0.03;
- отношение скорости частиц твердой фазы к скорости газа;
- отношение расхода частиц конденсированной фазы к расходу газовой среды;
- относительная удельная теплоемкость продуктов сгорания.
Коэффициент истечения

где
= 9,807 м/с — ускорение свободного падения.
Площадь и диаметр критического сечения сопла:
,
,
где
- приход газов,
,
-масса заряда РДТТ,
,
- переводной коэффициент;
- коэффициент тепловых потерь. Для РДТТ с термоизоляцией:
.
![]()
.![]()
Коэффициент реактивности идеального сопла
.
Коэффициент реактивности реального сопла
,
где
коэффициент, учитывающий потери энергии от диссипативных сил,
- коэффициент, учитывающий потери от радиального расширения газа в сопле.
Безразмерная скорость потока на срезе реального сопла
.
Безразмерная скорость потока в критическом сечении сопла
.
Потребное уширение сопла
.
где
.
Площадь и диаметр выходного сечения сопла
,
.
Длина диффузора соплового тракта (для утопленного сопла)
.
Параметры для построения сверхзвуковой части сопла
;
![]()
;
;
Длина сверхзвуковой части сопла,


Рис.5. Схема сопла
2.2 Расчет щелевого заряда РДТТ
Заряд щелевого типа имеет цилиндрическую форму, внутренний канал диаметром
, четыре щели (пропила) шириной b, высотой
, расположенные в сопловой части заряда. По длине заряд делится на три части, а именно: цилиндрическую (
), переходную (![]()
) и щелевую (
).
Исходные данные:
- число щелей
;
- вид топлива смесевое;
- плотность топлива
;
- тяга двигателя
;
- время работы двигателя
;
- скорость горения топлива
;
- удельный импульс тяги
.
с учетом потерь
Порядок расчета.
Относительная толщина свода заряда
= 0,3...0,5.
Принимаем
.
Толщина свода заряда
.
Наружный диаметр заряда
.
Диаметр канала
.
Ширина щелей
.
Масса топлива РДТТ ![]()
Объем топлива
.
Средняя поверхность горения
.
Диаметр камеры сгорания

где
= 0.8 - плотность заряжания;
L/D
=0,5...1,5. Принимаем L/D
=1,37.
Длина цилиндрического участка РДТТ
.
Общая длина заряда
.
где k = 1.06 - коэффициент, учитывающий наличие щелей.
Длина щелевой части заряда
.
Периметр щелевой части заряда
,
где
- площадь поверхности внутреннего канала;
- площадь поверхности торца заряда;
;
;

Размеры щелей.
Высота щели

Размер перемычки
.
Запас на ТЗП, ЗКС и обечайку
![]()

2.3 Расчет характеристик прогрессивности щелевого заряда РДТТ
Горение заряда твердого топлива называют прогрессивным, если поверхность горения увеличивается. Характеристикой прогрессивности заряда называется отношение площади горящей поверхности заряда к начальной величине площади заряда. Характеристика прогрессивности горения заряда является определяющим фактором для поддержания постоянного давления в камере сгорания, а, следовательно, и для поддержания постоянства тяги двигателя по величине.
Исходные данные:
- Наружный радиус заряда R3 = 0,7285 м;
- Радиус канала rвн = 0,2185 м;
- Полная длина заряда Lз = 1,611 м;
- Длина щелевой части заряда Lщ = 0,113 м;
- Половинная ширина щели δ = 0,0145 м.

Рис. 8. Сектор щелевого заряда
Порядок расчета:
Определяем углы α0 и φ0 в начальный момент горения:


Полная начальная площадь горения заряда:

Определение начального объема заряда:

Определяем граничное значение е=e’, при котором исчезает дуговая часть периметра канала щелевой части (φ=π/4):
.
Определяем максимальное значение lmax:
.
Для ряда значений е[0,lmax] определяем текущую площадь поверхности горения и объем заряда (λ=0,6):


Определяем характеристики прогрессивности σ и ψ для найденных значений S и w, результаты заносим в таблицу:
.
| e, м | 0 | 0,1 | 0,2 | 0,3 | 0,4 |
| 1,14 | 9,043 | 17,124 | 25,576 | 34,679 | |
| 3,8 | 21,069 | 30,833 | 37,341 | 42,08 | |
| S, |
5,695 | 6,228 | 6,494 | 6,488 | 6,189 |
| 2,438 | 2,106 | 1,671 | 1,162 | 0,611 | |
| 1 | 1,094 | 1,14 | 1,139 | 1,087 | |
| 0 | 0,136 | 0,314 | 0,523 | 0,749 |
Вывод:
Постоянство (примерное) значения величины σ говорит о том, что тяга РДТТ остается величиной постоянной при полном выгорании топлива.
2.4 Расчет звездчатого заряда РДТТ
Звездчатые заряды нашли очень широкое применение в современных двигателях твердого топлива, благодаря отработанной технологии изготовления и высокому коэффициенту внутреннего заполнения, однако звездчатые заряды имеют дигрессивные остатки топлива, которые можно устранить профилированием внутренней поверхности камеры сгорания и применением вкладышей из легких материалов.
Также по сравнению со щелевыми зарядами они дают меньшее время работы, а также наличие участков с повышенной концентрацией напряжений.
Исходные данные:
Тяга двигателя Р = 160 кН;
Ускорение свободного падения g = 9,81 м/с2 ;
Время работы двигателя τ = 60 с;
Диаметр заряда Dз = 1,457 м;
Плотность топлива ρт = 1770 кг/м3 ;
Температура горения топлива Тк = 3300 К;
Скорость горения топлива u = 0,0085 м/с;
Удельный импульс тяги с учетом потерь Jуд = 2352 м/с;
Газовая постоянная R = 307 Дж/(кг·К);
Давление в КС рк = 4 МПа;
Порядок расчета:
Величина скорости горения, которую можно допустить в канале заряда, исходя из условия отсутствия эрозионного горения:
,
где
– удельный вес топлива;
– приведенная сила топлива.
Площадь канала при отсутствии эрозионного горения:
,
где
– вес топлива;
– масса топливного заряда;
χ=1 – коэффициент тепловых потерь.
Находим потребный коэффициент заполнения поперечного сечения камеры:
,
где
– площадь КС.
Определяем потребное значение относительной толщины свода заряда:
.
По графикам зависимостей
подбираем число лучей nл и тип заряда, обеспечивающий потребный коэффициент заполнения. Выбираем звездчатый заряд со скругленными углами nл = 6.
По графикам
и
определяем характеристику прогрессивности горения заряда σs и коэффициент дигрессивно догорающих остатков λК. σs = 1,78; λК = 0,09.
Определяем длину заряда:
.
Угол раскрытия лучей:
.
Из технологических соображений выбираем радиус скругления:
.
По таблице определяем значение углов: β = 86,503
; θ = 40,535
.
Определяем толщину свода заряда:
.
L3/D3 = 1,58/1,457 = 1,084 - это значение лежит в диапазоне среднестатистических данных для третьей ступени.

Рис. 1 Схема звездчатого заряда.
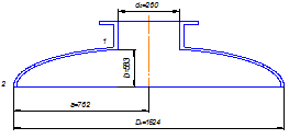
2.5 Расчет на прочность корпуса РДТТ
Расчет позволяет определить толщину элементов корпуса, находящихся под давлением газов в КС. Необходимо, чтобы корпус был прочен и имел минимальную массу и стоимость.
Исходные данные :
| Давление в КС РДТТ | |
| Внутренний диаметр КС | |
| Материал обечайки КС | Сталь; |
| Предел прочности | |
| Модуль упругости |
Порядок расчета:
Толщина металлической обечайки корпуса
м,
Где
- коэффициент запаса прочности;
- временное сопротивление материала обечайки с учетом нагрева, которое равно
;
- коэффициент, учитывающий снижение прочности при нагреве
.
- максимально возможное давление в КС РДТТ при максимальной температуре эксплуатации заряда
;
- максимальное расчетное давление в КС РДТТ;
- коэффициент, учитывающий разброс по давлению и скорости горения заряда,
=1,15.
Принимаем
м.
Расчет силовой оболочки сопловой крышки
Толщина сопловой крышки РДТТ
,
где
- запас прочности сопловой крышки;
- внутренний диаметр силовой оболочки КС;
- предел прочности материала сопловой крышки;
- коэффициент, определяющий высоту днища по отношению к диаметру
.
Для сопловой крышки принимаем тот же материал, что и для обечайки.
Принимаем
.
Расчет переднего днища
Исходные данные:
| Внутренний диаметр камеры | |
| Диаметр заряда | |
| Материал днища | Сталь; |
| Предел прочности | |
| Диаметр отверстия под фланец |
Порядок расчета :
Толщина днища
,
где
- коэффициент, учитывающий снижение прочности днища от отверстия под воспламенитель,
.
Наиболее нагруженными являются точки стыка обечайки корпуса РДТТ и днища, а также стыка днища и воспламенителя.
Главные радиусы кривизны
и
для выбранных расчетных точек (рис. 9).

Рис. 9 Расчетная схема к определению радиусов кривизны днища
и
в расчетных точках днища.
Точка 1.
,
,
где
- текущий радиус
;
а – большая полуось эллиптического днища
;
b – малая полуось эллиптического днища
.
Главные радиусы кривизны в точке 1:
,
.
Толщина днища в точке 1
.
Принимаем ![]()
Точка 2.
Угол
в точке 2, когда
равен
.
Главные радиусы кривизны в точке 2:
,
.
Толщина днища в точке 2

Принимаем ![]()
3. Расчет теплозащитных покрытий РДТТ, выполненного по схеме «кокон»
3.1 Расчет тепловых потоков в элементах РДТТ
Исходные данные :
| Диаметр КС | |
| Диаметр входа в сопло | |
| Диаметр критики сопла | |
| Температура продуктов сгорания в камере | |
| Расход газа через сопло |
Расчет теплового потока у переднего днища
Коэффициент конвективной теплопередачи
![]()
,
Где
- коэффициент теплопроводности продуктов сгорания;
- ускорение полета ракеты;
- коэффициент объемного расширения продуктов сгорания;
- температура поверхности теплообмена;
- коэффициент вязкости продуктов сгорания.
Суммарный коэффициент теплопередачи
,
Где
- коэффициент теплопередачи излучением.
Суммарный тепловой поток от газа к поверхности переднего днища
.
Расчет теплового потока в стенку КС и сопловой крышки
Коэффициент конвективной теплопередачи
,
Где
- теплоемкость продуктов сгорания.
Суммарный коэффициент теплопередачи
.
Суммарный тепловой поток от газа в стенку КС и сопловой крышки
.
Расчет тепловых потоков в стенку сопла
Коэффициент теплопередачи по сечениям сопла:
Сечение на входе в сопло
.
Сечение в критике сопла
.
Сечение сверхзвуковой части сопла ![]()
.
Сечение сверхзвуковой части сопла ![]()
.
Суммарный коэффициент теплопередачи
Для сечения на входе в сопло
.
Для сечения в критике сопла
.
Для сечения ![]()
.
Для сечения ![]()
.
Суммарный тепловой поток от газа в стенку сопла
Для дозвуковой части сопла
.
Для критики сопла
,
Где
- температура газа в критическом сечении сопла (результат предварительных вычислений). Для критики расчет
проводится с помощью таблиц газодинамических функций. В первом приближении можно принять:
.
Для сверхзвуковой части сопла:
;
,
Где
- температура газа в соответствующих сечениях сопла.
также определялась расчетом с помощью таблиц газодинамических функций. В первом приближении можно принять:
;
.
3.2 Расчет теплозащитного покрытия двигателя
Исходные данные :
| Время работы РДТТ | |
| Начальная температура материала | |
| Толщина стенки: переднего днища | |
| обечайки корпуса | |
| сопловой крышки | |
| Коэффициент теплопередачи:переднее днище | |
| обечайка корп. и сопловая крышка | |
| Материал переднего днища и обечайки корпуса | ППН-100 |
| плотность | |
| удельная теплоемкость | |
| допустимая температура нагрева | |
| Материал сопловой крышки | 28Х3СНМВФА (СП-28) |
| плотность | |
| удельная теплоемкость | |
| допустимая температура нагрева |
Расчет толщины теплозащитного покрытия переднего днища
Для переднего днища, работающего в условиях высоких температур, но небольших скоростей движения газов, применяем фенольно-каучуковый материал ИРП-2049 (Р-161) – эластичное резиноподобное покрытие.
Теплофизические характеристики ИРП-2049:
| Плотность | |
| Удельная теплоемкость | |
| Коэффициент теплопроводности |
,
Где
;
- коэффициент аппроксимации;
- константа аппроксимации;
- относительный параметр, равный
;
- коэффициент температуропроводности ТЗП
;
- температурный симплекс (безразмерная температура)
.
Принимаем толщину ТЗП переднего днища ![]()
Расчет толщины ТЗП обечайки корпуса и сопловой крышки
Для обечайки корпуса и сопловой крышки, работающих в условиях высоких температур и скоростей движения газов, применим слоистый материал на основе углеродных тканей, углепластик УПФК-1, имеющий следующие теплофизические свойства:
| Плотность | |
| Удельная теплоемкость | |
| Коэффициент теплопроводности |
Обечайка корпуса

Где
- параметр, равный
![]()
- коэффициент температуропроводности ТЗП
![]()
- температурный симплекс (безразмерная температура)
.
Сопловая крышка

где
- параметр, равный
![]()
- температурный симплекс (безразмерная температура)
![]()
Принимаем: толщину ТЗП оболочки корпуса
; толщину сопловой крышки
.
Расчет длины теплоизолируемой части КС
,
Где
- длина цилиндрической части заряда;
- коэффициент заполнения цилиндрической части КС
,
- для скрепленного заряда;
;
- относительная толщина заряда;
Расчет теплозащитного покрытия сопла
Исходные данные:
| Толщина стенки: входного раструба сопла | |
| выходного раструба сопла | |
| Коэффициент теплопередачи: воротник сопла | |
| сопловой вкладыш в критике | |
| сверхзвуковой раструб сопла |
|
| Материал входного раструба сопла | 30Х2ГСНВМА (ВМ-Д) |
| плотность | |
| удельная теплоемкость | |
| допустимая температура нагрева | |
| Материал выходного раструба сопла | 30ХГСА |
| плотность | |
| удельная теплоемкость | |
| допустимая температура нагрева |
Расчет толщины теплоизолирующего покрытия воротника
Для воротника сопла применяем углепластиковый материал УПФК-1:
| Плотность | |
| Удельная теплоемкость | |
| Коэффициент теплопроводности |
Расчет толщины ТЗП воротника проводим аналогично расчету толщины ТЗП камеры РДТТ. Считаем, что материал воротника работает как пассивное ТЗП.
,
Где
коэффициенты аппроксимации;
- константа аппроксимации;
;
Где
- теплоемкость стали 30ХГСА;
- плотность материала металлической основы конструкции воротника (30ХГСА).
- коэффициент температуропроводности ТЗП.
![]()
- температурный симплекс (безразмерная температура)
.
Принимаем толщину ТЗП воротника
(в радиальном направлении).
Расчет толщины теплозащитного покрытия вкладыша сопла
Для вкладыша сопла применяется материал повышенной жаропрочности и жаростойкости, высокой эрозионной стойкости: графит марки АТ-1, имеющий следующие теплофизические свойства:
| Плотность | |
| Удельная теплоемкость | |
| Коэффициент теплопроводности |

![]()
- коэффициент температуропроводности ТЗП.
![]()
- температурный симплекс (безразмерная температура)
![]()
Где
- температура газа в критическом сечении.
Принимаем толщину ТЗП вкладыша ![]()
Расчет толщины теплозащитного покрытия выходного раструба сопла
Для выходного раструба сопла применяем углепластиковый материал УПФК-1:
| Плотность | |
| Удельная теплоемкость | |
| Коэффициент теплопроводности |
Для сечения сопла ![]()

![]()
- температурный симплекс (безразмерная температура)
![]()
Где
- температура газа в сечении сопла
.
Для сечения сопла ![]()

![]()
- температурный симплекс (безразмерная температура)
![]()
Где
- температура газа в сечении сопла
.
Принимаем толщину ТЗП выходного раструба сопла:
, ![]()
Литература
1. Гречух Л.И., Гречух И.Н. Проектирование РДТТ. Учебное пособие по курсовому и дипломному проектированию. Омск, 2003.
2. Гречух Л.И., Гречух И.Н. Конструкция и проектирование РДТТ. Учебное пособие по курсовому и дипломному проектированию. Омск, 2003.
3. Алиев А.М., Липанов А.М. Проектирование ракетных двигателей твердого топлива. – М.: Машиностроение, 1995. 400с.
4. Ерохин Б.Т. Теория внутрикамерных процессов и проектирование РДТТ. – М.: Машиностроение, 1991. 560с.
5. Голубев И.С., Самарин А.В. Проектирование конструкций летательных аппаратов. – М.: Машиностроение, 1991. 512с.
6. Расчет теплозащитных покрытий РДТТ. Методические указания к курсовому и дипломному проектированию по дисциплине «Ракетные двигатели». Омск, 2004. 27с.
Похожие рефераты:
Жидкостные ракетные двигатели (ЖРД)
Проект реконструкции цеха первичной переработки нефти и получения битума на ОАО «Сургутнефтегаз»
Испытательная станция турбовинтовых двигателей ТВ3–117 ВМА–СБМ1 серийного производства
Модернизация двигателя мощностью 440 квт с целью повышения их технико-экономических показателей
Исследование процесса технической эксплуатации топливных форсунок системы распределённого впрыска
Анализ эффективности работы двигателя внутреннего сгорания
Устройство и принцип работы автомобиля ЗиЛ-130
СОИ (стратегическая оборонная инициатива США)
Баллистические ракеты стратегического назначения
Полные ответы на билеты по автоделу (экзамен 2002)
Научно-технический прогресс газотурбинных установок магистральных газопроводов
Судовой двигатель внутреннего сгорания L21/31
Топливо в структуре энергетических ресурсов
Влияние качества топлива на работу двигателя внутреннего сгорания