| Похожие рефераты | Скачать .docx |
Реферат: Автоматизированное управление в технических системах
Министерство образования Украины
Одесский государственный политехнический университет
Кафедра автоматики и управления в технических системах
Контрольная работа по дисциплине
«Автоматизированное управление в технических системах»
Студент: Лозанов В. В.
Преподаватель: Кузнецов А. А.
Курс: 5
Группа: ЗАТ-962
Шифр: 960277
2000
1. Что дает внедрение АСУ в экономическом аспекте и в социальном?
Современный этап развития промышленного производства характеризуется переходом к использованию передовой технологии, стремлением добиться предельно высоких эксплуатационных характеристик как действующего, так проектируемого оборудования, необходимостью свести к минимуму любые производственные потери. Все это возможно только при условии существенного повышения качества управления промышленными объектами, в том числе путем широкого применения АСУ ТП.
Технико-экономическими предпосылками создания АСУ ТП являются прежде всего рост масштабов производства, увеличение единичной мощности оборудования, усложнение производственных процессов, использование форсированных режимов (повышенные давления, температуры, скорости реакций), появление установок и целых производств, функционирующих в критических режимах, усиление и усложнение связей между отдельными звеньями технологического процесса. В последнее время в развитии многих отраслей промышленности появились новые факторы, связанные не только с повышением требований к количеству и качеству выпускаемой продукции, но и с напряженностью в области трудовых ресурсов. Рост производительности труда, в том числе путем его автоматизации, становится практически единственным источником расширения производства. Указанные обстоятельства предъявляют новые требования к масштабам использования и к техническому уровню АСУ ТП, к обеспечению их надежности, точности, быстродействия, экономичности, т. е. к эффективности их функционирования.
Еще одной важной предпосылкой применения АСУ ТП в промышленности является необходимость реализации значительных потенциальных производственных резервов. Заметим, что техническая база производства в большинстве отраслей промышленности достигла к настоящему времени такого уровня развития, при котором эффективность производственного процесса самым непосредственным и существенным образом зависит от качества управления технологией и организации производства. Поэтому на первый план выдвигается задача оптимального управления технологическими процессами, решить которую без развитой АСУ ТП в большинстве случаев невозможно.
Однако следует иметь в виду, что создание АСУ ТП является сложной научно-технической и организационно-экономической проблемой, решение которой требует значительных и все возрастающих трудовых, материальных и финансовых ресурсов. Вследствие этого в качестве первоочередных выступают задачи наиболее эффективного использования капитальных вложений, правильного выбора направлений, установления очередности и рациональных объемов работ по созданию и применению АСУ ТП. При их решении немаловажную роль играют обоснование, определение и анализ технической рациональности и экономической эффективности автоматизированных систем управления на основе единых и научно обоснованных методических принципов.
Закономерность появления и отличительные признаки АСУ ТП станут более понятными, если рассмотреть хотя бы вкратце в историческом аспекте возникновение и развитие систем автоматизации промышленных объектов. Она прошла через несколько качественно различных этапов. Как правило, переход к каждому из них был связан с появлением новых технических средств. В свою очередь эти средства разрабатывались в ответ на непрерывно растущие требования практики управления, обусловленные усложнением процессов производства и ограниченностью возможностей человека как их непосредственного участника.
Задача управления технологическими процессами возникла одновременно с появлением материального производства, т. е. процессов целенаправленного преобразования материи или энергии. Первоначально всю эту задачу решал человек, который, подавая определенные количества материала и энергии, одновременно «на глаз» оценивал ход процесса, при необходимости корректировал его и устанавливал момент завершения преобразования.
По мере усложнения производства требовалось более развитое и точное управление. В таких условиях ограниченность способностей человека, невозможность «на глаз» и «на ощупь» проконтролировать процесс производства были серьезным препятствием для дальнейшего развития. Поэтому первыми помощниками человека стали различные контрольно-измерительные устройства.
На заре автоматизации человек вел технологический процесс, находясь возле местных контрольно-измерительных приборов, установленных непосредственно на оборудовании и работающих в прямом контакте с материальными потоками. Эти средства давали ему возможность более точно и, главное, объективно оценивать работу технологического объекта и, следовательно, улучшать его использование.
Дальнейший рост мощностей и размеров оборудования заставил задуматься о том, как освободить рабочего от утомительной задачи: все время находясь у работающих машин и аппаратов, следить за показаниями приборов и вручную осуществлять необходимые подстройки и переключения. В этой связи важным техническим достижением явилось создание измерительных, регулирующих и исполнительных устройств с внешним источником энергии, в том числе исполнительных механизмов с пневматическим и электрическим приводом. Это позволило организовать посты контроля и дистанционного управления и широко применить автоматические регуляторы. В результате значительно улучшились условия работы обслуживающего персонала: уменьшилась физическая нагрузка, более удобным стало рабочее место, благоприятнее стала и внешняя среда.
С освоением контрольно-измерительных и управляющих устройств с унифицированным выходным сигналом появилась возможность объединять местные посты в центральные щиты управления. Были разработаны и стали широко применяться так называемые мнемосхемы, на которых в изображение технологической схемы объекта встраивались приборы сигнализации и индикации. Применение мнемосхем значительно улучшило условия работы оператора. В связи с унификацией сигналов открылись новые пути для развития техники автоматизации, что привело к появлению агрегатных комплексов технических средств, а также центральных пунктов управления.
С введением унифицированных измерительных и управляющих сигналов, передаваемых на расстояние, переработка информации была территориально отделена от технологического процесса. Она сконцентрировалась в центральном пункте управления, где были установлены соответствующие приборы: регуляторы, датчики, ключи управления, самописцы и т. д. Этих средств длительное время было вполне достаточно для выполнения алгоритмов контроля и управления, предлагаемых теорией и удовлетворяющих запросам практики.
Таким образом, к концу рассматриваемого периода были достаточно полно автоматизированы действия по получению, сбору и представлению информации о состоянии отдельных технологических переменных объекта и по дистанционному осуществлению на него управляющих воздействий, т. е. два основных функциональных элемента системы управления. Оставался неавтоматизированным третий элемент—принятие решений, без которого эффективное управление любым объектом невозможно: располагая информацией об управляемом объекте, нужно ее использовать для проведения требуемых вычислений, на основании которых необходимо
принять решение и осуществить управление технологическим процессом.
Значительным подспорьем в решении этой задачи для человека-оператора служили автоматические регуляторы; они освобождали его от необходимости ежеминутно принимать решения по управлению большим количеством стабилизируемых технологических переменных. Однако управление процессом в целом оставалось за оператором: практически трудно осуществить правильное автоматическое взаимодействие большого числа регуляторов, обеспечивающих раздельное регулирование параметрами в каждом контуре (участке) процесса, т.е. создать взаимосвязанную систему автоматического управления процессом как единым целым. По-прежнему оператор должен был принимать решения по управлению. относящиеся к взаимодействию многих контуров. Для этого он по показаниям измерительных приборов интуитивно производил необходимые оценки и вычисления, принимал решения и осуществлял управляющие воздействия. Однако по мере усложнения процессов даже самые квалифицированные операторы перестали удовлетворительно справляться с этими задачами.
Чтобы яснее представить себе всю трудность стоящих перед каждым оператором задач, следует учесть, что при управлении современным промышленным объектом к нему надо подходить как к единому целому, а не как к набору различных независимых элементов. Необходимо весь производственный процесс вести в некотором оптимальном режиме, при котором может быть получен надлежащий эффект управления. Важно также отметить, что системы управления, используемые в настоящее время в промышленности, часто принадлежат к так называемым большим системам, т. е. характеризуются участием значительного числа людей, разнообразных машин и аппаратов, наличием связанных между собой достаточно сложных подсистем, обладающих своими частными целями и критериями и, наконец, наличием развитой иерархии уровней управления: агрегат—производство—предприятие.
Анализ подобных промышленных объектов и систем управления показывает, что для них характерны следующие тенденции:
· практически во всех отраслях промышленности наблюдается неуклонное возрастание единичной производительности агрегатов; так, за последнее десятилетие мощность создаваемых энергоблоков тепловых электростанций последовательно повышалась до 300, 500 и 800 МВт, а в последнее время превзошла 1 млн. кВт;
· аналогичная картина укрупнения объектов наблюдается на предприятиях нефтеперерабатывающей, металлургической и других отраслей промышленности; как следствие увеличиваются важность и технико-экономическая результативность управления технологическими объектами;
· соответственно интенсивно возрастает необходимая «мощность» применяемых систем контроля и управления; иллюстрацией этой тенденции может служить рис. B.I, на котором показаны кривые изменения числа точек измерения и числа управляющих воздействий на объектах тепловых электростанций за последние 20 лет (по данным 12 зарубежных электростанций); если 6 1965 г. число измеряемых сигналов не превышало в среднем 500, то в 1975 г. оно уже приближалось к 3000; число управляющих сигналов за этот же период времени возросло с 500 до 2000; эти цифры наглядно показывают изменение масштабов управления крупными технологическим объектами;
· в последнее время коренным образом изменяются взгляды на значение энергетических ресурсов, экономию топлива, роль человека в производстве и на защиту окружающей среды; в результате происходит существенное повышение требований к качеству ведения технологических процессов;
· по мере повышения степени автоматизации производства происходит естественный процесс вовлечения все новых и 'новых агрегатов и участков в сферу действия централизованного управления.
Этот процесс диктуется экономическими соображениями: оптимизация работы отдельного агрегата или отдельной установки не гарантирует максимального экономического эффекта для производства в целом; оптимум для него чаще всего достигается при некотором компромиссе между частными критериями оптимизации. В результате этого растет, однако, степень взаимосвязанности отдельных агрегатов и усложняются алгоритмы управления объектом в целом; возникают задачи создания интегрированных систем управления. Все это приводит к резкому усложнению задач управления.
В таких условиях и возникла проблема автоматизации собственно управления, т. е. процесса принятия решений, которая потребовала привлечения современных математических методов и новых технических средств. В результате появились автоматизированные системы управления, т. е. развитые человеко-машинные системы, реализующие такой автоматизированный процесс сбора и переработки информации, который необходим для принятия решений по управлению объектом (процессом, производством) в целом. При этом роль человека в любой АСУ весьма существенна: так как ряд ответственных задач принятия решений в силу их сложности, многогранности и не изученности не поддается формализации, их выполнение не может быть полностью автоматизировано и остается за человеком.
По мере развития отмеченных выше тенденций стало очевидно, что функциональные возможности традиционных средств автоматизации в сфере переработки информации уже недостаточны. И тогда на первый план вышла электронная вычислительная машина (ЭВМ). Она сразу взяла на себя практически все функции сложной первичной обработки данных и централизованного контроля, а также рутинную задачу ведения отчетности (составления протоколов) о работе технологического объекта, ставшую в усложнившемся производстве обязательной. Но это было только начало. Поскольку ЭВМ стоила слишком дорого, разработчики систем управления старались возложить на нее как можно больше функций. В этой ситуации стремление автоматизировать процессы принятия решений помогло быстро осознать значение новых функциональных возможностей ЭВМ во многих направлениях.
В результате средства вычислительной техники стали не только разгружать человека от выполнения рутинной нетворческой работы, связанной с большим числом простых операций по обработке крупных массивов информации, но и оказывать ему помощь в выполнении творческих задач (принятие решений по распределению ограниченных ресурсов, оптимизации технологического процесса и т. п.).
Важно отметить, что по мере повышения степени автоматизации принятия решений, необходимых для управления отдельными технологическими аппаратами и участками, последние теряют значение самостоятельных объектов управления и сливаются во все более крупные производственные комплексы. В результате появились мощные централизованные системы управления, в которых с помощью ЭВМ концентрируются контроль и управление большим числом агретов. Понятно, что в такой системе оператор-технолог как звено, принимающее наиболее ответственные решения по управлению всем объектом в целом, играет исключительно важную роль.
Как уже отмечалось, основным инструментом для решения современных проблем управления материальным производством служат так называемые АСУ, в которых центральная, главенствующая роль и творческие способности человека сочетаются с широким применением современных математических методов и средств автоматизации, включая вычислительную технику.
В соответствии с государственным стандартом АСУ—это человеко-машинная система, обеспечивающая автоматизированный сбор и обработку информации, необходимой для оптимизации управления в различных сферах человеческой деятельности. Процесс оптимизации предполагает выбор такого варианта управления, при котором достигается минимальное или максимальное значение некоторого критерия, характеризующего качество управления.
Как правило, общий критерий экономической эффективности управления технологическим процессом неприменим из-за сложности определения необходимых количественных зависимостей в конкретных условиях; в таких случаях формируют частные критерии оптимальности, учитывающие специфику управляемого объекта и дополненные условными ограничениями. Такими частными критериями, например, могут быть:
· максимальная производительность агрегата при определенных требованиях к качеству продукции, условиях эксплуатации оборудования и т. д.;
· минимальная себестоимость при выпуске продукции в заданном объеме и заданного качества;
· минимальный расход некоторых компонентов, например дорогостоящих присадок или катализатора.
Чтобы добиться желаемого (в том числе оптимального) хода технологического процесса, в системе управления им необходимо в нужном темпе выполнять множество различных взаимосвязанных действий: собирать и анализировать информацию о состоянии процесса, регистрировать значения одних переменных и стабилизировать другие, принимать и реализовывать соответствующие решения по управлению и т. д. Именно эта «деятельность» системы управления была ранее названа функционированием, т. е. выполнением ею установленных функции.
2. Что такое комплексная задача управления и в чем состоит проблема ее декомпозиции?
Функция управления в сложных системах осуществляется управляющей частью А с которой взаимодействует остальная управляемая часть В (рис. 1)
![]() |
Как видно из структуры система состоитиз управляющих устройств и управляемых объектов. Такое выделение приводит к упрощению исследования системы.
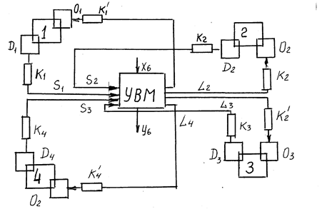
Для управления современными объектами используется большое количество элементов (подсистем). Совокупность элементов, участвующих в управлении называется управляющим комплексом. Типичный управляющий комплекс состоит из элементов следующих типов (рис. 2): D – датчики осведомительной информации; S – средства передачи информации; L- управляющие элементы; O – органы управления;- k, k1 - различные преобразующие и переходные устройства

Рис. 2
Роль элемента каждого типа в процессе функционирования ясна из его названия.
Управление сложной системой может быть централизованным
и децентрализованным. Централизованное управление предполагает концентрацию функций управления в одном центре сложной системы. Такая структура обладает рядом достоинств: I) позволяет достаточно просто реализовать процессы информационного взаимодействия; 2) создает принципиальную возможность глобально-оптимального управления системой в целом; 3) исключает необходимость в пересылках промежуточных результатов; 4) позволяет легко корректировать оперативно-изменяемые данные; 5) дает возможность достигнуть максимальной эксплуатационной эффективности при минимальной избыточности технических средств.
С системотехнической точки зрения основными недостатками структуры с единым управлением являются: необходимость исключительно высокого объема запоминающих устройств, высокой производительности и надежности средств обработки данных для достижения приемлемого качества управления; высокая суммарная протяженность каналов связи при наличии территориально-рассредоточенных объектов управления.
Децентрализованное управление - распределение функций управления по отдельным элементам системы. Построение системы с такой структурой возможно только в случае независимости объектов управления по материальным, энергетическим, информационным ресурсам. Для выработки управляющего воздействия на каждый объект необходима информация о состоянии только этого объекта. Фактически такая система представляет собой совокупность нескольких независимых систем со своей информационной и алгоритмической базой.
Процесс управления значительно упрощается при использовании системы управления с иерархической структурой. Для управления иерархической структуры характерно наличие нескольких уровней. управления. Типичным примером систем такого рода является административное управление. На рис-3 приведены классы структур.
![]() |
3. Приведите примеры систем управления Запасами?
Задачи управления запасами составляют самый распространенный и изученный в настоящее время класс задач исследования операций. Они обладают следующей особенностью. С увеличением запасов увеличиваются расходы на их хранение, но уменьшаются потери из-за возможной их нехватки. Следовательно, одна из задач управления запасами заключается в определении такого уровня запасов, который минимизирует следующий критерий: сумму ожидаемых затрат по хранению запасов, а также потерь из-за их дефицита.
В зависимости от условий задачи управления запасами делятся на следующие три группы:
1. Моменты поставок или оформления заказов на пополнение запасов фиксированы. Определить объемы производимой или закупаемой партии запасов.
2. Объемы производимой или закупаемой партии запасов фиксированы. Определить моменты оформления заказов.
3. Моменты оформления заказов и объемы производимых или закупаемых партий не фиксированы. Определить эти величины, исходя из сформулированного выше критерия.
Задачи управления запасами составляют самый многочисленный класс экономических задач исследования операций, решение которых имеет важное народнохозяйственное значение. Особенно повышается значениеэтих задач в период массового внедрения АСУ. Правильное и своевременное определение оптимальной стратегии управления запасами, а также нормативного уровня запасов, позволяет высвободить значительные оборотные средства, замороженные в виде запасов, что в конечном счете повышает эффективность используемых ресурсов. Достаточно в этой связи упомянуть первую АСУП в нашей стране — систему «Львов», внедренную на Львовском телевизионном заводе, где значительная составляющая экономической эффективности от внедрения АСУП, определялась в результате оптимального управления запасами предприятия.
Элементы системы задачи управления запасами следующие:
1) система снабжения; 2) спрос на предметы снабжения; 3) возможность пополнения запасов; 4) функции затрат; 5) ограничения; 6) принятая стратегия управления запасами.
Рассмотрим подробнее каждый из этих элементов. Системы снабжения бывают: децентрализованные однокаскадные;
централизованные многокаскадные.
Спрос на предметы снабжения бывает: стационарный или нестационарный; детерминированный или случайный.
Различают такие способы пополнения запасов:
мгновенная поставка; задержка поставок на фиксированный интервал времени; задержка поставок на случайный интервал времени.
Функции затрат составляют в совокупности критерий эффективности принятой стратегии управления запасами и учитывают расходы на хранение, стоимость поставок, затраты, связанные с заказом каждой новой партии, затраты на штрафы.
Приведем возможные варианты составляющих функции затрат.
Расходы на хранение бывают: пропорциональные среднему уровню положительного запаса за период времени существования положительного запаса; пропорциональные остатку к концу периода; нелинейная функция среднего положительного запаса и времени его существования.
Стоимость поставки бывает: пропорциональной объему поставки; постоянной; пропорциональной числу номенклатур; пропорциональной необходимому приросту интенсивности производства.
Штрафы бывают таких видов: пропорциональные средней положительной недостаче за период; пропорциональные положительной недостаче к концу периода; постоянные; нелинейные функции от средней недостачи и продолжительности ее существования.
Ограничения в задаче управления запасами бывают: на максимальный объем запасов; на максимальный вес; на максимальную стоимость; на среднюю стоимость; на число поставок в заданном интервале времени; на объем поставки; на вероятность недостачи.
Рассмотрим некоторые модели.
а). Модель управления запасами.
Возникновение задачи управления запасами обусловлено взаимодействием двух сторон: поставщика и заказчика.
Оптимальное управление запасами сводится к решению заказчиком оптимизационной задачи по определению наивыгоднейшего объема и времени (момента) заказа, которые минимизируют расходы на хранение запасов и штраф за срыв поставок потребителю готовой продукции.
В условиях предприятия возможны три основных типа запасов, обусловленных разным содержательным смыслом понятий "поставщик" и "заказчик" в пределах одного предприятия.
Это следующие типы запасов.
1. Запасы сырья, материалов и комплектующих изделий, которые необходимы для производства конечного продукта предприятия.
2. Промежуточные запасы полуфабрикатов, производимых самим предприятием, которые используются на последующих стадиях производства.
3. Запасы готовой продукции предприятия.
При создании запасов первого типа заказчиком является предприятие в целом, а поставщиком внешние организации. Основное назначение этого вида запасов - ослабить зависимость производственного ритма предприятия от сбоев в работе предприятий поставщиков и работы транспорта. Задача управления запасами первого типа решается в подсистеме материально-технического снабжения.
Для запасов второго типа поставщиком и заказчиком являются разные участки самого предприятия. Назначение запасов этого типа обусловлено двумя основными факторами:
а) стремлением ослабить зависимость производственного ритма различных участков производства (например, цехов) при цепочечной структуре предприятия, ибо задержка на одном участке влечет лавинообразное нарастание задержек в последующих участках цепи, что вызывает простои и, как следствие, существенные экономические потери;
б) экономической целесообразностью выпуска продукции данного вида крупными партиями (переход с одного вида продукции на другой связан с переналадкой оборудования или изменением режима технологического процесса). Для запуска в производство очередной партии продукции данного вида необходимо иметь начальный запас.
Задача управления запасами второго типа решается в подсистеме оперативного управления основным производством.
Для запасов третьего типа поставщиком является предприятие в целом, а заказчиком - потребитель готовой продукции предприятия. Необходимость создания запасов этого типа связана с тем, что предприятие в случае срыва плана поставок готовой продукции подвергается штрафу. Поэтому целесообразно иметь некоторый запас готовой продукции, который мог бы компенсировать непредвиденные сбои в производственном ритме предприятия и естественные колебания спроса на готовую продукцию.
Рассмотрим основные понятия, используемые в операционной модели управления запасами:
Q1 - объем пополняемого запаса (объем заказываемой партии),шт.
U - скорость поступления заказанной партии, шт./ед. вр.;
возможно U = ∞, т.е. мгновенное поступление всей партии Q ;
V - скорость расходования запаса, шт./ед. вр.;
tQ - интервал между соседними заказами, ед.вр.;
Т - рассматриваемый (плановый) период времени, ед. вр.
Рассмотрим издержки, связанные с созданием и содержанием запаса. Эти издержки можно сгруппировать следующим образом:
1) затраты на создание Запаса;
2) затраты на закупку партии;
2) затраты на хранение запасов.
Затраты на создание запаса включают расходы на оформление заказа, размещение и заключение договоров, почтовые и телеграфные расходы, расходы по разъездам агентов снабжения, оплату учетных оверашй и т.д. В первом приближении можно считать, что затраты на создание запаса не зависят от объема заказа Q. Обозначим затраты на создание запаса a , руб.
Затраты на закупку партии определяются закупочными ценами единицы запасаемого продукта и объемом партии Q . Затраты этого вида неизбежны в том случае, если необходимый продукт непрерывно поставляется и тут же потребляется без образования запаса. Поэтому эти затраты не участвуют собственно в модели создания и содержания запасов.
3 затраты на хранение запасов входят расходы на складские операции; амортизационные расходы использования складского помещения; потери за счет омертвления средств при хранении запаса; потери за счет порчи и морального старения хранящегося продукта; загрузочно-разгурочные, транспортные расходы и т.д. Пусть расходы на хранение единицы продукта в единицу времени составляют b руб./ед.вр. Обозначим расходы в течение цикла tQ на создание и хранение единицы продукта С. ,руб./шт. Эта величина складывается из затрат на создание в запас единицы продукта (1-я группа) и затрат на хранение единицы продукта (3-я группа).
Пусть за период Т можно произвести несколько заказов на однородный продукт с объемом каждого заказа Q. Если размер разового заказа велик, то число поставок за период Т небольшое, и издержки 1-й группы невелики, но при этом возрастает среднее количество хранимого запаса и возрастают затраты 3-й группы.
Если же делать заказы малыми партиями, то затраты на хранение небольшого запаса будут велики, но зато из-за большого количества поставок в течение периода Т возрастут затраты на оформление большого числа заказов (издержки 1-й группы). Таким образом, задача определения наилучших значений Q и tQ являются оптимизационной и суть ее сводится к отысканию оптимальных значений Q и tQ , минимизирующих суммарные расходы на создание и хранение запасов за весь плановый период Т
Рассмотрим задачу определения значений Qo и tQ - для двух моделей: для модели без страховых запасов и для модели со страховыми запасами.
Модель без страховых запасов
Предполагается, что U и V ( u>V) - постоянные величины, и в момент полного исчерпания запасов начинается новая поставка, т.е. дефицит продукта не допускается. Графически действие такой модели изображено на рис.3.1.
Уровень запасов в течение полного цикла tQ движения запасов, начинающийся в момент времениt = 0 можно описать следующим образом:
![]()
(3.1.)
![]() |
Примем во внимание следующие очевидные соотношения:
(3.2.)
где Q - объем заказа.
С учетом (3.2) выражение (3.1) можно переписать в виде
![]()
(3.3.)
Определим средний объем запаса Q за цикл - tQ :
(3.4.)
Тогда среднее время хранения единицы запасенного продукта равно
![]()
Пусть b , руб./(шт.ед.вр.), есть затраты на хранение единицы продукта в единицу времени. Тогда за цикл tQ удельные затраты на хранение единицы запасенного продукта, руб./шт., составят
(3.5.)
Удельныезатраты на создание в запас единицы продукта,руб./шт., равны
(3.6.)
Тогда суммарные расходы на создание и хранение единицы запаса, руб./шт., в течение цикла tQ составят
(3.7.)

Если изобразить графически зависимость затрат на создание и содержание запасов от объема заказа Q (рис.3.2), то нетрудно убедиться, что суммарная кривая C(Q) имеет экстремум, положение которого определяется соответствующими значениями величин правой части соотношения (3.7). Определим оптимальный объем заказываемой партии Q0 . из условия
(3.8.)
Решая (3.8), получим
(3.9.)
Если постановка осуществляется мгновенно, т.е.l= 0 и U = ¥, оптимальный объем пратии равен
(3.10.)
Из сопоставления (3.10) и (3.9) следует, что при постепенной поставке заказа объем заказываемой партии должен быть больше.
Величина удельных дополнительных расходов при оптимальном объеме заказа q0 равна
(3.11.)
Наконец, оптимальная величина интервала между соседними заказами составляет
(3.12.)
Модель со страховым запасом
Графически действие этой модели изображено на рис.3.3., Привлекая рассуждения, которые использовались при рассмотрении предыдущей модели, нетрудно получить следующие результаты. Средее количество запаса Qср за цикл tQ составит
(3.13)
![]() |
При постоянной скорости расходования запасов V среднее время хранения единицы запасенного продукта равно
(3.14.)
Это выражение отличается от значенияtсp для предыдущей модели наличием постоянного слагаемого Qcp /V . За цикл tQ удельные затраты на хранение единицы запасенного продукта, руб./шт., определяются по формуле
(3.15.)
Удельные затраты за цикл на создание в запас единицы продукта, руб./шт., равны по-прежнему
(3.16.)
В (3.16) не входят расходы на образование QCTP , поскольку страховой запас создается однажды и циклически не возобновляется. Дополнительные расходы на запасание и хранение единицы, руб./шт., для заказа объемом Q составляют
(3.17.)
Переменная С. в (3.17) имеет экстремум по Q и величина экстремального значения C0 , очевидно, отличается от (3.11) на постоя ную величину bQстр /V
Приравняв нулю производную dc/dQ , , получим:
![]()
откуда
(3.18.)
Следовательно, оптимальный объем заказываемой партии в модели со страховым запасом такой же, как и для модели без страхового запаса. Это означает, что и выражение для оптималвного интервала восполнения заказов имеет прежний вид
(3.19.)
Величина удельных дополнительных расходов Cо , соответствую щих Q0 равна
(3.20.)
что отличается лишь постоянным слагаемым b qстр /V от расходов для модели с
нулевым страховым запасом.
В модели страховых запасов весьма существенным является вопрос определения оптимального уровня страхового запаса Qoстр Для определения Qстр необходимы предположения о вероятностном поведении задержек пополнения запасов Dt и потерях заказчика в результате этих задержек.
Предположим, что задержка Dt в выполнении данного заказа не зависит от задержек выполнения других заказов. Кроме того, предположим, что вероятность того, что эта задержка превзойдет время t , выражается экспоненциальной зависимостью, т.е.
Тогда 
Плотность вероятности случаной величины Dt имеет вид
![]()
Для экспоненциального распределения
, ед. вр. и, следовательно, g выражается в 1/ед. вр. Физически параметр g соответствует среднему количеству задержек в единицу времени, а величина 1/
g есть средняя продолжительность задержки Dt
.
Предположим далее, что потери заказчика в единицу времени простоя равны В руб,/ед.вр.
Время, в течение которого хватит страхового запаса для работы с прежним расходом V , равно
![]()
Если задержка Dt > tстр , то заказчик начинает нести потери вследствие простоя. Величина этих потерь равна В(t-tстр ). Величина средних потерь заказчика вследствие простоев определяется математическим ожиданием случайной величины которое можно представить в виде
![]()

Рис. 3.4
Плотность вероятности случайной величины Dt > tстр изображена на рис.3.4. Следовательно, для В можно записать

В расчете на единицу заказанного продукта удельные средние потери, руб./шт., вследствие простоев равны

Дополнительные удельные расходы, руб./шт., на хранение единицы страхового запаса есть
![]()
Таким образом, общие удельные (на единицу продукта) расходы по хранению страхового запаса плюс средняя величина удельных потерь за счет возможных задержек выполнения заказов определяются выражением

Из условия можно найти оптимальную величину страхового запаса

Ясно, что размер потерь от простоя объекта в единицу времени должен превышать расходы на хранение запаса объема Q0 в единицу времени, иначе бы эксплуатация объекта стала делом невыгодным, а величина страхового запаса Qctp 0 получилась бы отрицательной.
Кроме рассмотренных возможны и более сложные модели образования запасов, например: при различных уровнях оптовых закупочных цен; при ограничениях на оборотные средства, размер складов; при необходимости создавать многономенклатурные запасы;
при вероятностном характере спроса и потребления запасаемого, продукта и т.д.
4. Достижение каких целей преследуется при оперативном управлении?
Цели и задачи оперативного управления производством. Эффект от автоматизации оперативного управления. Информационное обеспечение оперативного управления. Постановка задачи оперативного управления как выдачи составления расписаний. Критерии оптимизации расписаний. Задача составления расписаний как комбинаторная задача. Методы решения задачи составлений расписаний.
Оперативное управление представляет собой процесс временной и пространственной организации производства. Структурно-оперативное управление подразделяется на три группы задач, взаимосвязь между которыми образует иерархическую трехуровневую структуру.
На третьем (нижнем) уровне решаются задачи управления отдельными технологическими операциями и их элементами, например, поддержание режимов резания металла в металлообрабатывающих системах, выполнение движения робота, обеспечение заданных параметров движения транспортных средств, конвейерной ленты транспортеры и т.д.
Как правило, в автоматическом режиме эти функции выполняются регуляторами, являющимися элементами систем автоматического управления.
На втором этапе решаются задачи локального управления оборудования, основные функции которых заключаются в выполнении последовательности технологических операций в соответствии с заданной программой (логическое управление). Программа содержит такую информацию о значениях технологических параметров операций, которые используются регуляторами третьего уровня.
На первом (верхнем) уровне решаются задачи управления материальными потоками, проходящими через технологическое подразделение.
Можно выделить три основные задачи оперативного управления: оперативное (календарное) планирование, задача составления расписаний, оперативный контроль и корректировка планов.
5. Как разрешаются конфликты в двухуровневой системе?
Понятие многоуровневой иерархической структуры управления нельзя определить одной сжатой краткой формулировкой. Исчерпывающее определение потребовало бы перечисления всех возможных альтернатив. Поэтому мы отметим лишь несколько существенных характеристик, присущих всем иерархическим системам. К ним относятся: последовательное вертикальное расположение подсистем, составляющих данную систему (вертикальная декомпозиция) ; приоритет действий или право вмешательства подсистем верхнего уровня; зависимость действий подсистем верхнего уровня от фактического исполнения нижними уровнями своих функций.
Существуют три основных вида описания сложных иерархических систем характеризующиеся уровнями абстрагирования:
страта, слой, эшелон. Стратифицированное описание или стратифицированная система задается семейством моделей, каждая из которых описывает поведение системы с точки зрения различных уровней абстрагирования.
Выбор страт, в терминах которых описывается система, зависит от исследователя, его знаний и заинтересованности в деятельности системы. В общем случае стратификация неразрывно связана с интерпретацией производимых системой действий. Аспекты описания функционирования системы на различных стратах в общем случае не связаны между собой, поэтому принципы и законы, используемые для характеристики системы на любой страте, в общем случае не могут быть выведены из принципов, используемых на других стратах. Существует ассимметричная зависимость между условиями функционирования системы на различных стратах. Требования, предъявляемые к работе системы на любой страте, выступают как условия или ограничения деятельности на нижестоящих стратах.
На каждой страте имеется свой собственный набор терминов, концепций и принципов. Понимание системы возрастает при последовательном переходе от одной страты к другой: чем ниже мы спускаемся по иерархии, тем более детальным становится раскрытие системы, чем выше мы поднимаемся, том яснее становится смысл и значение всей системы.
Другое понятие иерархического подхода относится к процессам принятия сложных решений. Почти в любой реальной ситуации принятая сложных решений существуют две предельно простые, но чрезвычайно важные особенности:
- когда приходит время принимать решения, принятие и выполнение решения нельзя откладывать;
- неясность относительно последствий различных альтернативных действий и отсутствие достаточных знаний о имеющихся связях препятствуют достаточно полному формализованному описанию ситуации, необходимому для
рационального выбора действий.
Для решения сложной задачи принятия решения, последняя расчленяется (декомпозируется) на более мелкие подпроблемы, так что решение всех подпроблем позволяет решить исходную проблему. Такая иерархическая структура называется иерерхической структурой слоев принятия решения. Иерархическая структура состоит из трех уровней (слоев).
1. Слой выбора. Задача этого слоя - выбор способа действийm. Принимающий решение элемент на уровне этого слоя получает информацию, применяя тот или иной алгоритм переработки, находит нужный способ действий.
2. Слой адаптации. Задача этого слоя - конкретизация множества неопределенностей U , с которым имеет дело слой выбора. Назначение второго слоя - сужение множества неопределенностей.
3. Слой самоорганизации. На уровне этого слоя происходит выбор структуры, функций и стратегий будущей системы. Многоуровневая организационная иерархия подразумевает, что:
I. Система состоит из семейства четко выделенных взаимодействующих подсистем;
2. Некоторые из подсистем являются принимающими решения, элементами;
3. принимающие решения элементы располагаются иерархически в том смысле, что некоторые из них находятся под влиянием или управляются другими решающими элементами.
Каждая из трех приведенных форм описания иерархических структур имеет свою область.
Применение: концепция страт введена для целей моделирования, концепция слоев - для вертикальной декомпозиции решаемой задачи над подзадачи, концепция эшелонов относится к взаимной связи между образующие систему элементами принятия решения,
Несмотря на различие, существуют и общие для всех трех понятий черты:
1. Элемент верхнего уровня имеет дело с более крупными подсистемами или с более широкими аспектами поведения системы в целом.
2. Период принятия решения для элемента верхнего уровня больше, чем для элементов нижних уровней.
3. .Элемент верхнего уровня имеет дело с более медленными аспектами поведения всей системы.
4. Описания и проблемы на верхних уровнях менее структурированы, содержат больше неопределенностей и более трудны для количественной формализации.
Для теории многоуровневых систем двухуровневая система принятия решений представляет специфический интерес:
1. это простейший тип систем, в котором проявляются все наиболее существенные характеристики многоуровневой системы;
2. более сложные многоуровневые системы могут быть построены из двухуровневых подсистем, как из блоков.
Взаимодействие между вышестоящим элементом и каждым из нижестоящих элементов таково, что действие одного из них зависит от действий другого, причем эти взаимоотношения являются динамическими и изменяются во времени.
Существуют два возможных момента времени для координации нижестоящих элементов:
1. вмешательство до принятия решения;
2. вмешательство после принятия решения и следующие варианты организации взаимодействия элементов нижестоящего уровня:
- координирование путем прогнозирования взаимодействий;
- координирование путем оценки взаимодействий;
- координирование путем "развязывания" взаимодействий;
- координирование типа "наделение ответственностью";
- координирование путем "создания коалиций".
Координация, сама представляющая собой сложную для решения проблему, имеет два сложных направления: направление самоорганизации (изменение структуры) и направление управления (выбор координирующего вмешательства при фиксированной структуре) .
Изменения функции и взаимосвязей в результате самоорганизаций, используемых в процессе координации называется модификацией. Различают два вида модификаций: модификация целей и модификация образов (для выбранного способа координации).
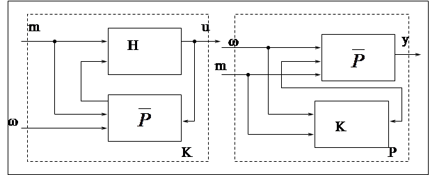
Проблему координации в многоуровневой системе с достаточной общностью можно рассмотреть на примере двухуровневой системы (рис.5.1.), где приняты следующие обозначения.
Рис. 5.1
Р – процесс (управляющая система)
С1…Сn – системы управления нижнего уровня
С0 – управляющая система (координатор)
m(m(M) - управляющие сигналы (входы)
M - множество управляющих сигналов •
w( w Î W ) - сигналы входы, представляющие собой внешние возмущения, поступающие из среды
у( у( Y) - выход процесса Р
У - множество входов процесса Р
g ( g Î j ) - координирующий сигнал
Zi - множество информационных сигналов (сигналов обратной связи).
Тогда в системе выполняются следующие соотношения в виде отображения P:
M x W® Y; Ci : j x Zi ®Mi ; C0 :V®j;
¦i : M x W x Y® Zi ; ¦0 : j x Z x M®w
С учетом полученных отображений можно записать уравнение функции взаимодействия подпроцессов
K(m, w)=H(m,P(m, w))
P(m, w)=(m,k(m, w),w)
Взаимосвязь между процессом Р и "развязанными" подпроцессами, представленными блоком Р и связующими функциями показана на рис.5.2.

Рис.5.2
Сделаем несколько замечаний относительно процесса и его представления через процессы.
1. Каждая локальная управляющая система C1,C2…Cn заинтересована главным образом в каком нибудь одном направлении процесса, хотя окончательный результат ее действий зависит от всего процесса.
2. Связующие функции Hi предопределяют характер декомпозиции процесса, и обычно их следует выбирать по возможности простыми.
3. Функция взаимодействия К отражает весь процесс Р, так как для любого управляющего сигнала m и возмущающего воздействияW, к- определяет (поскольку k(m,w)=U связующие сигналы, которые поступают на вход подпроцессов Pi и кроме того,U =H(m,P(m,w) К может также рассматриваться как отображение подпроцесса. Рис.5.3
![]() |
Рис. 5.3
Управляющая система рассматривается как система, составленная решающих элементов и реализаторов, связанных каскадно и может рассматриваться как задача межуровневой координации. Для рассмотрения данного раздела следует восстановить основные понятия алгебраической теории множеств.
6. Как нумеруются вершины сетевого графика?
Сетевой график - графическое изображение сетевой модели комплекса операций в виде стрелок и кружков.
Порядок построения сетевых графиков определяется принятой технологией и организацией работ.
Сетевые графики только отражают существующую или проектируемую очередность и взаимосвязь выполнения работ. При построении сетевой модели необходимо учитывать определенные требования.
Эти требования являются общими для всех сетевых моделей.
Первое: Никакая работа не может быть начата, пока все предшествующие ей работы не будут завершены.
Второе: в сетевых графиках с ориентацией на события (работы) в каждое событие должно входить и исходить из него не менее одной работы. Не допустимы тупиковые события, из которых не выходит ни одна работа или в которые не входит ни одна работа.
Третье: в сетевом графике не должно быть замкнутых контуров.
Четвертое: для построения параллельных, одновременно выполняемых работ в сетевых графиках с ориентацией на события следует вводить дополнительное событие и фиктивную работу.
Пятое: для изображения двух дифференцированно зависимых работ необходимо в сетях расчленить данные работы путем ввода дополнительного события и указать их точную зависимость от предшествующих работ дополнительной фиктивной работой.
Шестое: в условиях сложной работы, когда выполнение какой/то ее части позволяет начать одну или несколько других работ, следует данную работу разделить на последовательно выполняемые, от которых берут начало другие работы.
Задачи
1. Предприятию требуется в год 56000 деталей определенного типа, используемых как комплектующие изделия. Поставщики могут поставить ежедневно 400 деталей. Расходы на оформление заказов на отдельные партии деталей составляют 650 руб. Стоимость хранения 1000 деталей в месяц — 600 руб.
Требуется определить оптимальный объем затариваемой партии деталей Q0
, дискретность возобновления заказов
и суммарные годовые расходы Сå
за счет создания и содержания запасов
Дано:
А = 56000
В = 400
С = 650
Д = 1000
Е = 600
Решение:
В рассмотренных понятиях условия задачи выглядит следующим образом:
Период Т = 1 год; расходы на хранение одной детали в месяц b = 0,6 руб./дет. мес.; скорость расходования деталей V = 56000/12 = 4666 дет/мес.; скорость поставки деталей
U = 400 * 30 = 12000 дет. мес.
Определим оптимальный размер заказа:
дет.
Оптимальный интервал между соседними заказами:
мес.
Удельные суммарные расходы на создание и удержание запасов:
руб./дет.
Суммарные годовые расходы на оборудование и хранение запасов:
Сå = 0,396 · 56000 = 221 95 руб./год.
2. Предприятие в течение года потребляет «А» комплектующих изделий определенного типа. Поставщик ив течении декады может поставить «Б» изделий, однако в среднем на протяжении квартала допускается «В» отклонений от графика поставок. Суточный простой обходится предприятию в «Г» руб. Содержание «Д» изделий на складе в течение месяца обходится в «Е» руб. Чтобы уменьшить потери от простоев, предприятие создает страховые запасы. Необходимо определить оптимальный объем страхового запаса и суммарные расходы на содержание запасов в течение года, если оформление заказа обходится в «Ж» руб.
Дано:
А = 56000 изд.
Б = 2600 изд.
В = 30 откл.
Г = 10400 руб.
Д = 2 5 изд.
Е = 0,6 руб.
Ж = 80 руб.
Решение:
В приняты обозначениях условие задачи можно представить следующим образом:
Скорость расходования запаса:
шт./мес.
Скорость поставки запаса
шт./мес.
Среднее количество задержек в ед. времени
и ![]()
руб./ мес.
руб./шт. мес.
а = 80 руб.
Определим оптимальный объем заказа:
шт.
Определим оптимальный цикл:
мес.
Определим оптимальную величину страхового запаса:
шт.
Определим величину удельных дополнительных затрат:
руб./ист.
Суммарные затраты за год:
руб.
Похожие рефераты:
Разработка автоматизированной информационной системы учёта товародвижения в торговле
Базовые сведения о надежности информационных технологий управления
Автоматизация работы экономических служб на ОАО "ВСЗ"
Автоматизированная система управления климатом в тепличных хозяйствах
Управление снабжением предприятия
Госэкзамен - шпоры (специальность маркетинг)
Оптимизация материальных и финансовых потоков
Управление закупками на торговом предприятии (на примере отдела «Ультра»)
Автоматизированная система управления санаторным комплексом. Подсистема Диетпитание
Совершенствование рыночных механизмов госзакупок в России
Бухгалтерско-управленческий учет
Билеты на государственный аттестационный экзамен по специальности Информационные Системы




