| Скачать .docx |
Реферат: Расчет редуктора прямозубого
| Содержание |
|
| Введение…………………………………………………………………………… |
5 |
| 1 Выбор электродвигателя. Кинематический и силовой |
|
| расчет привода………………………………………………………………… |
6 |
| 2 Расчет зубчатой передачи редуктора………………………………… |
9 |
| 3 Проектный расчет валов редуктора………………………………… |
15 |
| 4 Конструирование зубчатых колес…………………………………… |
16 |
| 5 Эскизная компоновка редуктора……………………………………… |
17 |
| 6 Проверочный расчет подшипников качения……………………. |
20 |
| 7 проверочный расчет шпоночных соединений…………………. |
24 |
| 8 Проверочный расчет валов редуктора……………………………… |
25 |
| 9 Назначение посадок основных деталей редуктора…………… |
28 |
| 10 Смазка и сборка редуктора……………………………………………… |
29 |
| Список литературы…………………………………………………………… |
30 |
Введение
Заданием на курсовой проект предусмотрена разработка конструкции одноступенчатого цилиндрического прямозубого редуктора привода для цепного конвейера. Привод (рисунок 1) состоит из электродвигателя 1 , одноступенчатого цилиндрического редуктора 3 , цепной передачи 4 и приводного вала 5 . Для соединения вала электродвигателя с быстроходным валом редуктора используется упругая муфта 2 .
Исходными данными для проектирования являются мощность на ведомом валу привода PB = кВт и число оборотов ведомого вала привода nB = об/мин.

Рисунок 1 – Кинематическая схема привода конвейера
Редуктор предназначен для передачи мощности от вала двигателя к приводному валу конвейера, понижения угловых скоростей и, соответственно, повышения вращающегося момента ведомого вала по сравнению с ведущим валом. Редуктор состоит из корпуса в котором помещаются элементы передачи – зубчатые колеса, валы, подшипники и т.д. В корпусе редуктора размещают так же устройство для смазывания зацепления и подшипников.
1 Выбор электродвигателя, кинематический и силовой расчеты привода
1.1 Определение расчетной мощности электродвигателя
Определяем общий КПД привода
, (1)
где ηм – КПД муфты, принимаем ηм = 0,99;
ηзп – КПД зубчатой передачи редуктора, принимаем ηзп = 0,97;
ηоп – КПД открытой цепной передачи, принимаем ηоп = 0,93;
ηп – КПД пары подшипников, принимаем ηп = 0,99;
Определяем расчетную мощность электродвигателя, кВт
, (2)
1.2 Выбор электродвигателя
Подбираем электродвигатели серии 4А с номинальной мощностью P ном = 2,2 кВт. Параметры выбранных электродвигателей сводим в таблицу 1
Таблица 1 – Электродвигатели серии 4А с номинальной мощностью P ном = 2,2 кВт
| Вариант |
Тип двигателя |
Номинальная мощность, кВт |
Частота вращения, об/мин |
|
| синхронная |
номинальная |
|||
| 1 |
4A112MA8 |
2,2 |
750 |
710 |
| 2 |
4A100L6 |
2,2 |
1000 |
960 |
| 3 |
4A90L4 |
2,2 |
1500 |
1425 |
| 4 |
4A80B2 |
2,2 |
3000 |
2865 |
Для окончательного выбора электродвигателя, необходимо определить передаточное число привода и его ступеней для всех типов двигателей.
Определяем передаточное число привода для первого варианта электродвигателя
, (3)
.
Передаточное число редуктора принимаем u ред = 4, тогда передаточное число открытой передачи составит:
, (4)
.
Аналогично определяем передаточные числа для остальных вариантов электродвигателя, оставляя при этом передаточное число редуктора постоянным. Результаты расчетов сводим в таблицу 2
Таблица 2 – Определение передаточного числа привода и его ступеней
| Передаточное число |
Варианты |
|||
| 1 |
2 |
3 |
4 |
|
| Общее для привода u общ |
8,875 |
12 |
17,813 |
35,813 |
| Редуктора u ред |
4 |
4 |
4 |
4 |
| Открытой передачи u оп |
2,219 |
3 |
4,453 |
8,953 |
Окончательного выбираем второй вариант электродвигателя. Характеристики принятого электродвигателя и все параметры, необходимые для дальнейших расчетов, сводим в таблицу 3
Таблица 3 – Результаты энергетического расчета
| Параметр |
Обозн. |
Значение |
| Тип электродвигателя |
– |
4A100L6 |
| Присоединительные размеры, мм |
d 1 l 1 |
28 60 |
| Номинальная мощность электродвигателя, кВт |
Рном |
2,2 |
| Расчетная мощность электродвигателя, кВт |
Рэд |
1,845 |
| Номинальная частота вращения электродвигателя, об/мин |
n эд |
960 |
| Передаточное число привода |
u общ |
12 |
| Передаточное число редуктора |
u ред |
4 |
| Передаточное число открытой передачи |
u оп |
3 |
1.3 Определение кинематических и силовых параметров привода
Расчет элементов привода выполняем по расчетной мощности Рэд электродвигателя. Обозначим валы привода (рисунок 2): 1 – быстроходный вал редуктора; 2 – тихоходный вал редуктора; 3 – приводной вал конвейера. Для каждого вала определяем частоту вращения n , мощность Р и вращающий момент Т.

Рисунок 2 – Обозначение валов привода
Определяем частоту вращения каждого вала:

Определяем мощность на каждом валу:

Определяем крутящий момент на каждом валу:

Результаты расчетов сводим в таблицу 4
Таблица 4 – Кинематические и силовые параметры привода
| № вала |
n , об/мин |
Р , кВт |
Т , Н·м |
| Эд. |
960 |
1,845 |
18,4 |
| 1 |
960 |
1,808 |
18 |
| 2 |
240 |
1,736 |
69,1 |
| 3 |
80 |
1,6 |
191 |
2 Расчет зубчатой передачи редуктора
2.1 Выбор материалов для изготовления шестерни и колеса
Принимаем для шестерни сталь 45, а для колеса сталь 45Л. Механические характеристики материалов представлены в таблице 5
Таблица 5 – Механические характеристики материалов зубчатых колес
| Наименование |
Марка стали |
Вид ТО |
Диаметр заготовки |
Твердость НВ |
Расчетная твердость НВ |
| шестерня |
45 |
У |
60…90 |
207…236 |
210 |
| колесо |
45Л |
Н |
любой |
155…195 |
180 |
Для обеспечения одинаковой долговечности зубьев шестерни и колеса прямозубых передач и ускорения их приработки должно выполняться условие:
, (5)
Поэтому принимаем HB 1 = 210; H B2 = 180.
2.2 Определение допускаемых контактных напряжений
Определяем предел контактной выносливости при базовом числе циклов перемены напряжений для шестерни и колеса
; (6)
![]()
![]()
Определяем допускаемые контактные напряжения для шестерни и колеса
, (7)
где K Н L – коэффициент долговечности, учитывающий влияние срока службы и режима работы; при длительном сроке службы и постоянном режиме работы K Н L = 1;
S Н – коэффициент безопасности; для нормализованных или улучшенных колес S Н = 1,1;


Для прямозубых передач из нормализованных или улучшенных сталей за расчетное допускаемое контактное напряжение принимается меньшее из напряжений, определенных по материалу шестерни [σ H 1 ], и колеса [σ H 2 ].
Принимаем ![]()
2.3 Определение допускаемых напряжений изгиба
Определяем предел выносливости при изгибе, соответствующий базовому числу циклов перемены напряжений для шестерни и колеса
; (8)
![]()
![]()
Определяем допускаемые напряжения изгиба для шестерни и колеса
(9)
где KFL – коэффициент долговечности, при длительном сроке службы и постоянном режиме работы KFL = 1;
SF – коэффициент безопасности; определяется как произведение двух коэффициентов:
(10)
где
– коэффициент, учитывающий нестабильность свойств материала зубчатых колес при вероятности неразрушения 99%; для нормализованных и улучшенных колес
= 1,75;
– коэффициент, учитывающий способ получения заготовки зубчатого колеса: для поковок и штамповок
; для литых заготовок
;



2.4 Проектировочный расчет на контактную выносливость
Определяем межосевое расстояние передачи, мм
, (11)
где Ka – вспомогательный коэффициент, для прямозубых передач Ka = 49,5 МПа1/3 ;
ψ ba – коэффициент ширины венца колеса, принимаем ψ ba = 0,25;
u ред – передаточное число зубчатой передачи редуктора, u ред = 4;
Т 2 – вращающий момент на валу колеса, Т 2 = 69,1 Н∙м;
[σ H ] – допускаемые контактные напряжения, [σ H ] = 390,9 МПа;
K Нβ – коэффициент, учитывающий неравномерность распределения нагрузки по длине зуба, для прирабатывающихся колес K Нβ = 1;
принимаем aw = 120 мм.
По эмпирическому соотношению определяем модуль зацепления, мм
(12)
![]()
принимаем m = 2 мм.
Определяем числа зубьев шестерни и колеса
(13)

![]()
принимаем z 1 = 24; z 2 = 96.
Определяем фактическое передаточное число зубчатой передачи
; (14)
![]()
Определяем расхождение с ранее принятым передаточным числом

Определяем делительные диаметры колес, мм
(15)
![]()
![]()
Уточняем межосевое расстояние
(16)
![]()
Определяем рабочую ширину венца колеса
; (17)
![]()
принимаем b 2 = 30 мм.
Определяем ширину венца шестерни
; (18)
;
принимаем b 1 = 34 мм.
Определяем диаметры вершин зубьев для шестерни и колеса, мм
(19)
![]()
![]()
Определяем диаметры впадин зубьев для шестерни и колеса, мм
(20)
![]()
![]()
Определяем окружную скорость колес, м/с
. (21)
![]()
В зависимости от полученного значения окружной скорости назначаем 8-ю степень точности передачи.
2.5 Проверочный расчет на контактную выносливость
Для обеспечения контактной выносливости должно выполняться условие
, (22)
где KHα – коэффициент, учитывающий неравномерность распределения нагрузки между зубьями, для прямозубых передач KHα = 1;
K Нβ – коэффициент, учитывающий неравномерность распределения нагрузки по длине зуба, для прирабатывающихся колес K Нβ = 1;
KHυ – коэффициент, учитывающий динамическую нагрузку, возникающую в зацеплении, принимаем KHυ = 1,113;
ZH – коэффициент, учитывающий форму сопряженных поверхностей зубьев, для прямозубых передач ZH = 1,76;
Z М – коэффициент, учитывающий механические свойства материалов зубчатых колес, для стальных колес Z М = 275 МПа1/2 ;
Zε – коэффициент, учитывающий суммарную длину контактных линий, для прямозубых передач определяется по формуле:
, (23)
где εα – коэффициент торцевого перекрытия;
; (24)
;
;
.
Недогрузка передачи составляет:
.
2.6 Проверочный расчет на выносливость при изгибе
Определяем для шестерни и колеса коэффициент формы зуба
при z 1 = 24; YF 1 = 3,938;
при z 2 = 96; YF 2 = 3,602.
Определяем отношения:

Дальнейший расчет выполняем по материалу колеса
Выносливость зубьев по напряжениям изгиба обеспечена при выполнении условия:
, (25)
где Yβ – коэффициент, учитывающий наклон зуба, для прямозубых колес Yβ = 1;
KF α – коэффициент, учитывающий неравномерность распределения нагрузки между зубьями, для прямозубых передач KF α = 1;
KF β – коэффициент, учитывающий неравномерность распределения нагрузки по длине зуба, для прирабатывающихся передач KF β = 1;
KF υ – коэффициент, учитывающий динамическую нагрузку, возникающую в зацеплении, принимаем KF υ = 1,274;

Все параметры зацепления передачи сводим в таблицу 6
Таблица 6 – Параметры зацепления зубчатой передачи
| Наименование параметра |
Обозн. |
Единица измерения |
Значения |
|
| шестерня |
колесо |
|||
| Межосевое расстояние |
aw |
мм |
120 |
|
| Модуль зацепления |
m |
мм |
2 |
|
| Степень точности по ГОСТ 1643-81 |
– |
– |
8 |
|
| Передаточное число |
|
– |
4 |
|
| Угол наклона зубьев |
β |
град |
0 |
|
| Число зубьев |
z |
– |
24 |
96 |
| Делительный диаметр |
d |
мм |
48 |
192 |
| Диаметр окружности вершин |
da |
мм |
52 |
196 |
| Диаметр окружности впадин |
df |
мм |
43 |
187 |
| Ширина венца |
b |
мм |
34 |
30 |
3 Проектный расчет валов
Определение размеров ступеней валов приведено в таблице 7
Таблица 7 – Определение размеров ступеней валов
| Ступень вала |
Вал-шестерня |
Вал колеса |
| 1-я под полумуфту и звездочку цепной передачи |
Из расчета на прочность
Из условия установки полумуфты d 1 = 28 мм принимаем d 1 = 28 мм |
Из расчета на прочность
принимаем d 1 = 28 мм |
| По ГОСТ 12080–66 принимаем l 1 = 42 мм |
По ГОСТ 12080–66 принимаем l 1 = 42 мм |
|
| 2-я под уплотнение и подшипник |
d 2 = d 1 + 2t = 28 + 2·3,5 = 35 мм принимаем d 2 = 35 мм |
d 2 = d 1 + 2t = 28 + 2·3,5 = 35 мм принимаем d 2 = 35 мм |
| 3-я для упора подшипника и под колесо |
d 3 = d 2 + 3∙r = 35 + 3·2,5 = 42,5 мм принимаем d 3 = 42 мм |
принимаем d 3 = 38 мм |
| 4-я для упора колеса |
– |
d 4 = d 3 + 3∙f = 38 + 3·1,2 = 41,6 мм принимаем d 4 = 42 мм |

Рисунок 3 – Конструкция быстроходного вала

Рисунок 4 – Конструкция тихоходного вала
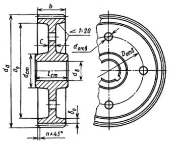
4 Конструирование зубчатых колес
Рисунок 5 – Конструкция зубчатого колеса
Определяем размеры конструктивных элементов зубчатых колес (рисунок 5)
– диаметр ступицы: ![]()
принимаем d ст = 65 мм;
– длина ступицы: ![]()
принимаем l ст = 40 мм;
– толщина обода: ![]()
принимаем δ0 = 8 мм;
– толщина диска: ![]()
принимаем с = 10 мм;
– диаметр окружности отверстий: ![]()
принимаем D отв = 120 мм;
– диаметр отверстий: ![]()
принимаем d отв = 25 мм;
– размер фаски, мм: n ≈ m = 2 мм;
5 эскизная компоновка редуктора
5.1 Определение размеров конструктивных элементов корпуса редуктора
Определяем толщину стенки редуктора (δ ≥ 8 мм):
δ = (0,025∙a w + 1) = (0,025∙120 + 1) = 4 мм.
принимаем δ = 8 мм.
Толщину стенки крышки принимаем δ 1 = δ = 8 мм.
Определяем диаметры болтов, соединяющих:
– редуктор с плитой: d 1 = 2 ∙ δ = 2 ∙ 8 = 16 мм,
принимаем болты М16.
– корпус с крышкой у бобышек подшипников: d 2 = 1,5 ∙ δ = 1,5 ∙ 8 = 12 мм,
принимаем болты М12.
– корпус с крышкой по периметру соединения: d 3 = 1,0∙ δ = 1,0∙ 8 = 8 мм,
принимаем болты М10.
Определяем ширину фланцев редуктора:
Si = δ +2 + к i ,
– фундаментного S 1 = 8 + 2 + 40 = 50 мм;
– корпуса и крышки (у подшипников) S 2 = 8 + 2 + 32 = 42 мм;
– корпуса и крышки (по периметру) S 3 = 8 + 2 + 28 = 38 мм.
Определяем толщину фланцев редуктора:
– фундаментного δ фл1 = 2,3∙δ = 2,3∙8 = 18,4 мм;
принимаем δ фл1 = 20 мм;
– корпуса (соединение с крышкой) δ фл2 = 1,5∙δ = 1,5∙8 = 12 мм;
принимаем δ фл2 = 12 мм;
– крышки (соединение с корпусом) δ фл3 = 1,35∙δ = 1,35∙8 = 10,8 мм;
принимаем δ фл3 = 10 мм;
Для установки крышки относительно корпуса применяем два штифта 8h 7х30 по ГОСТ 9464–79.
5.2 Определение расстояний между элементами редуктора
Толщина стенки корпуса редуктора δ = 8 мм;
Расстояние от внутренней поверхности стенки редуктора до боковой поверхности вращающейся части:
С = (1,0…1,2)∙δ = (1,0…1,2)∙8 = 8…9,6 мм;
принимаем С = 10 мм.
Радиальной зазор от поверхности вершин зубьев до внутренней поверхности стенки редуктора:
С5 = 1,2∙δ = 1,2∙8 = 9,6 мм.
принимаем С5 = 10 мм.
Радиальной зазор от поверхности вершин зубьев до внутренней нижней поверхности стенки корпуса:
С6 = (5…10)∙m = (5…10)∙2 = 10…20 мм.
5.3 Предварительный выбор подшипников качения
Для опор валов принимаем радиальные шариковые подшипники легкой серии. Параметры выбранных подшипников сводим в таблицу 8
Таблица 8 – Параметры подшипников качения
| № вала (рисунок 2) |
Обозн. |
Размеры, мм |
Грузоподъемность С r , кН |
|||
| d |
D |
В |
r |
|||
| 1 |
207 |
35 |
72 |
17 |
2 |
25,5 |
| 2 |
207 |
35 |
72 |
17 |
2 |
25,5 |
5.4 Определение размеров конструктивных элементов крышек подшипников
В зависимости от размера D отверстия в корпусе под подшипник, определяется толщина стенки δ , диаметр d , и число z винтов крепления крышки. Размеры других конструктивных элементов определяются по соотношениям:
Толщина фланца крышки δ1 = 1,2∙δ ;
Толщина цилиндрической части δ 2 = (0,9…1,0)∙δ ;
Диаметр установки винтов D 1 = D + 2,5∙d ;
Диаметр фланца D 2 = D 1 + 2∙d ;

Рисунок 6 – Конструкция крышек подшипников
Размеры конструктивных элементов подшипниковых крышек быстроходного и тихоходного валов сводим в таблицу 9
Таблица 9 – Размеры основных конструктивных элементов крышек
| № вала рисунок 2 |
D , мм |
d , мм |
z |
δ , мм |
δ 1 , мм |
δ 2 , мм |
D 1 , мм |
D 2 , мм |
| 1 |
72 |
М8 |
4 |
6 |
8 |
6 |
92 |
110 |
| 2 |
72 |
М8 |
4 |
6 |
8 |
6 |
92 |
110 |
5.5 Выбор способа смазывания передачи и подшипников
Так как окружная скорость зубчатых колес υ 1 < 10…15 м/с (υ 1 = 2,41 м/с), то смазывание зубчатой передачи осуществляется погружением зубчатого колеса в масляную ванну. Глубина погружения при этом не должна превышать 0,25 радиуса колеса. Объем масляной ванны должен составлять 0,3…0,8 дм3 /кВт, что при известных размерах поперечного сечения редуктора определяет положение его дна.
Так как окружная скорость зубчатых колес υ 1 < 3 м/с, то смазывание подшипников осуществляется пластичным смазочным материалом. С целью предотвращения вымывания смазки из подшипникового узла, устанавливаем мазеудерживающие кольца.
5.6 Выбор уплотнений валов
В качестве уплотнений валов выбираем резиновые армированные манжеты по ГОСТ 8752-79, конструктивные размеры которых сводим в таблицу 10
Таблица 10 – Размеры основных конструктивных элементов манжет
| Вал |
Внутренний диаметр d , мм |
Наружный диаметр D , мм |
Толщина h , мм |
| Быстроходный |
35 |
58 |
10 |
| Тихоходный |
35 |
58 |
10 |
6 Проверочный расчет подшипников качения
6.1 Определение сил, нагружающих валы редуктора

Рисунок 7 – Схема нагружения валов редуктора
Определяем силы в зубчатом зацеплении
Окружная сила:
(26)
![]()
![]()
Радиальная сила:
(27)
где α – угол зацепления передачи; для передач без смещения α = 20˚;
;
![]()
Определяем консольные силы
(28)
на быстроходном валу от муфты
![]()
на тихоходном валу от цепной передачи
![]()
6.2 Проверка подшипников быстроходного вала
6.2.1 Определение реакций опор

Рисунок 8 – Схема нагружения быстроходного вала
Определяем опорные реакции в вертикальной плоскости
![]()
![]()
![]()
![]()
Проверка: Σ Yi = R А y – Fr 1 + R В y = 338,2 – 676,4 + 338,2 = 0.
Определяем опорные реакции в горизонтальной плоскости
![]()

![]()
![]()
Проверка: Σ Х i = R А x + Ft 1 – R В x + F к 1 = 4,7 + 719,8 – 1254,8 + 530,3 = 0.
Определяем суммарные радиальные реакции
![]()
![]()
6.2.2 Определение динамической грузоподъемности подшипников
Исходные данные для расчета:
Частота вращения вала – n = 960 об/мин;
Требуемая долговечность подшипника – Lh = 10000 ч;
Подшипник 207
Базовая динамическая грузоподъемность Cr = 25500 Н;
Коэффициент вращения V = 1 (вращается внутреннее кольцо).
Расчет ведем для опоры В , как наиболее нагруженной
Радиальная реакция Fr = RB = 1299,6 Н;
Определяем эквивалентную динамическую силу
(29)
где КБ – коэффициент безопасности, принимаем КБ = 1,3;
КТ – температурный коэффициент, принимаем КТ = 1,0;
Х – коэффициент радиальной нагрузки, Х = 1;
![]()
Определяем требуемую динамическую грузоподъемность
; (30)
где k – показатель степени; для шариковых подшипн6иков k = 3;

Т.к. С тр < С r , то предварительно выбранный подшипник подходит.
6.3 Проверка подшипников тихоходного вала
6.3.1 Определение реакций опор

Рисунок 9 – Схема нагружения тихоходного вала
Определяем опорные реакции в вертикальной плоскости
![]()

![]()
![]()
Проверка: Σ Yi = R А y –Fr 2 – RBy + F к 2 = 1055,7 – 676,4 – 1422,9 + 1043,6 = 0.
Определяем опорные реакции в горизонтальной плоскости
![]()
![]()
![]()
![]()
Проверка: Σ Х i = – R А x + Ft 2 – R В x = – 359,9 + 719,8 – 359,5 = 0.
Определяем суммарные радиальные реакции
![]()
![]()
6.3.2 Определение динамической грузоподъемности подшипников
Исходные данные для расчета:
Частота вращения вала – n = 240 об/мин;
Требуемая долговечность подшипника – Lh = 10000 ч;
Подшипник 207
Базовая динамическая грузоподъемность Cr = 25500 Н;
Коэффициент вращения V = 1 (вращается внутреннее кольцо).
Расчет ведем для опоры B , как наиболее нагруженной
Радиальная реакция Fr = RB = 1467,7 Н;
Определяем эквивалентную динамическую силу по формуле (29)
![]()
Определяем требуемую динамическую грузоподъемность по формуле (30)

Т.к. С тр < С r , то предварительно выбранный подшипник подходит.
7 Проверочный расчет шпоночных соединений
Принимаем шпонки призматические со скругленными торцами. Размеры сечений шпонки, пазов и длины шпонок – по ГОСТ 23360-78
Материал шпонок - сталь 45 нормализованная.
Допускаемые напряжения [σсм ] = 120 МПа.
Прочность шпоночного соединения обеспечена при выполнении условия:
(31)
где l р – рабочая длина шпонки;
Быстроходный вал, d = 28 мм шпонка 8×7×40, t 1 = 4 мм;

Тихоходный вал, d = 28 мм шпонка 8×7×40, t 1 = 4 мм;

Тихоходный вал, d = 38 мм шпонка 10×8×36, t 1 = 5 мм;

Как видно из расчетов, во всех случаях прочность шпоночных соединений обеспечена.
8 Проверочный расчет валов редуктора
8.1 Построение эпюр внутренних силовых факторов
Расчет будем вести для тихоходного вала, как наиболее нагруженного.
Строим эпюру изгибающих моментов в вертикальной плоскости “M х ”

Строим эпюру изгибающих моментов в горизонтальной плоскости “My ”

Определяем суммарные изгибающие моменты в опасных сечениях
![]()
![]()
Строим эпюру крутящих моментов “T ”


Рисунок 10 – Эпюры внутренних силовых факторов
8.2 Расчет вала на усталостную прочность
Расчет вала на усталостную прочность заключается в определении коэффициентов запаса прочности s для опасных сечений и сравнении их с допускаемыми значениями [s ]. Прочность обеспечена при s > [s ] = 2,5.
Исходные данные:
– Материал вала сталь 45 улучшенная;
– предел прочности σв = 780 МПа;
– предел выносливости стали при симметричном цикле перемены напряжений изгиба σ -1 = 353 МПа;
– предел выносливости стали при симметричном цикле перемены напряжений кручения τ -1 = 216 МПа;
– коэффициенты, характеризующие чувствительность материала к асимметрии цикла изменения напряжения: ψσ = 0; ψτ = 0;
Расчет ведем для сечения вала B (рисунок 10), т.к. в этом сечении возникает наибольший изгибающий момент. Концентрация напряжений обусловлена посадкой подшипника с гарантированным натягом. Диаметр вала d = 35 мм.
Определяем коэффициент запаса прочности по напряжениям изгиба
(32)
где kσ – коэффициент концентрации напряжений при изгибе;
εσ – масштабный фактор, учитывающий влияние размеров сечения валов,
принимаем kσ /εσ = 3,38;
β – коэффициент, учитывающий упрочнение поверхности, применение специальных технологических методов; при отсутствии специального упрочнения или термообработки β = 0,95…0,98 (шлифование); принимаем β = 0,97;
σа – амплитуда напряжений изгиба, МПа;
σ m – среднее напряжение цикла напряжений изгиба, МПа; т.к. осевая нагрузка на вал отсутствует, то принимаем σ m = 0;
Амплитуда напряжений изгиба определяется по формуле:
(33)
где Ми – изгибающий момент в расчетном сечении, Ми = 68,9 Н∙м;
W – осевой момент сопротивления сечения изгибу, мм3 ;
Определяем осевой момент сопротивления сечения изгибу по формуле:
(34)
;
;

Определяем коэффициент запаса прочности по напряжениям кручения
(35)
где k τ – коэффициент концентрации напряжений кручения;
ετ – масштабный фактор, учитывающий влияние размеров сечения валов,
принимаем k τ /ετ = 2,43;
τа – амплитуда напряжений кручения, МПа;
τ m – среднее напряжение цикла напряжений кручения, МПа.
Амплитудное и среднее значение касательных напряжений определяется по формуле:
(36)
где Т – крутящий момент в расчетном сечении, Т = 69,1 Н∙м;
Wp – полярный момент сопротивления сечения кручению, мм3 ;
Определяем полярный момент сопротивления сечения по формуле:
(37)
;


Определяем суммарный коэффициент запаса прочности по напряжениям изгиба и кручения
(38)

Как видно из расчетов, прочность вала обеспечена.
9 Назначение посадок основных деталей редуктора
Посадки основных деталей редуктора представлены в таблице 11
Таблица 11 – Посадки основных деталей передач
| Соединение |
Посадка |
| Зубчатые колеса на вал |
H 7 p6 |
| Распорные кольца |
H 8 k6 |
| Мазеудерживающие кольца на вал |
H7 k6 |
| Сквозные крышки подшипников в корпус |
H7 h8 |
| Глухие крышки подшипников в корпус |
H7 d9 |
| Полумуфта на вал |
H7 n6 |
| Звездочка на вал |
H7 h6 |
| Внутренние кольца подшипников на вал |
L0 k6 |
| Наружные кольца подшипников в корпус |
H7 l0 |
| Манжеты на вал |
отклонение вала h11 |
10 Смазка и сборка редуктора
10.1 Смазка редуктора
Смазывание зубчатого зацепления производится разбрызгиванием жидкого масла. При контактных напряжениях σ Н до 600 МПа и окружной скорости колес u до 5 м/с вязкость масла должна быть приблизительно равна 28∙10-6 мм2 /с. Принимаем масло И–Г–А–32.
Смазывание подшипников производится пластичным смазочным материалом, закладываемым в подшипниковые камеры при сборке.
10.2 С борка и регулировка редуктора
Сборка редуктора производится в соответствии со сборочным чертежом. Перед сборкой внутреннюю полость корпуса редуктора тщательно очищают и покрывают маслостойкой краской.
На быстроходный вал 4 насаживают мазеудерживающие кольца 5 и напрессовывают шарикоподшипники 29 предварительно нагретые в масле до температуры 80 – 100°С.
В начале сборки тихоходного вала закладывают шпонку 26 и напрессовывают зубчатое колесо 10 до упора в буртик вала. Затем надевают распорное кольцо 11, мазеудерживающие кольца 5 и устанавливают шарикоподшипники 29, нагретые в масле.
Собранные валы укладывают в основание корпуса редуктора 2 и надевают крышку корпуса редуктора 3. Для центровки крышку корпуса устанавливают на основание корпуса с помощью двух конических штифтов 27 и затягивают болты 17 и 18.
Затем вставляют в сквозные подшипниковые крышки резиновые манжеты 28 и устанавливают крышки 7 и 8 с прокладками 8, предварительно заложив пластичный смазывающий материал в подшипниковые камеры.
Ввертывают пробку 14 маслоспускного отверстия с прокладкой 15 и крепят маслоуказатель 12 с прокладкой 13. Заливают в редуктор масло и закрывают смотровое отверстие крышкой 1.
Осевой зазор в подшипниках регулируют за счет выбора суммарной толщины набора регулировочных прокладок. Пятно контакта зубчатых зацеплений регулируется осевым перемещением валов с помощью перестановки регулировочных прокладок.
Собранный и отрегулированный редуктор обкатывают и испытывают на стенде по программе испытаний.
Список литературы
1. Тростин В.И. Методика расчетов параметров зацепления закрытых цилиндрических и конических зубчатых передач. – Гомель: ротапринт ГФ БПИ, 1980. – 43 с.
2. Чернавский С.А. Боков К.Н., Чернин И.М., Курсовое проектирование деталей машин: Учеб. Пособие для учащихся машиностроительных специальностей техникумов. – 3-е изд., стереотипное. Перепечатка с издания 1987 г. – М.: ООО ТИД «Альянс», 2005, 416 с.
3. Дунаев П.Ф., Леликов О.П. Конструирование узлов и деталей машин: Учеб. пособие. для техн. спец. вузов – М.: Высшая школа, 2000. – 447с., с ил.
4. Куклин Н.Г., Куклина Г.С. Детали машин: Учеб. для машиностроит. спец. техникумов. – 4-е изд., перераб. и доп. – М.: Высш. шк., 1987. – 383 с.: ил.
5. Иванов М.Н. Детали машин. Учеб. для студентов высш. техн. учеб. завед. – 5-е изд., перераб. – М.: Высш. шк., 1991. – 383 с.: ил.
6. Гулиа Н.В. Детали машин. Учебник для студ. сред. проф. образования. – М.: Издательский центр «Академия», 2004. 416 с.
7. Курсовое проектирование деталей машин: Справ. пособие. Ч 1/ А.В. Кузьмин, Н.Н. Макейчик, В.Ф. Калачев и др. – Мн.: Высшая школа, 1982. – 2085с.
8. Шейнблит А.Е. Курсовое проектирование деталей машин: Учеб. пособие. – Калининград: Янтар. сказ, 2002. – 454с.
9. Курмаз Л.В., Скойбеда А.Т. Детали машин. Проектирование. Учеб. пособие. – Мн.: УП «Технопринт», 2002. – 290 с.
