| Скачать .docx |
Реферат: Устройство электрических стартеров
Устройство электрических стартеров
Содержание
Вступление
1. Устройство электростартеров
1.1. Внутреннее строение стартеров
1.2. Принципиальные электрические схемы
1.3. Крепление стартеров на двигателях
1.4. Защита от посторонних тел и воды
2. Характеристики электростартеров
3. Особенности работы электростартеров и требования к электростартерам
4. Схемы управления электростартерами
Список использованной литературы
Вступление
Двигатели внутреннего сгорания, устанавливаемые на автомобилях, автобусах, тракторах, мотоциклах, не имеют пускового момента. Для начала самостоятельной работы такого двигателя необходимо сообщить ему определенную начальную или пусковую частоту вращения, т. е. запустить двигатель. Пусковая частота вращения зависит от типа двигателя: 40 — 70 об/мин — для карбюраторных двигателей и 100 — 200 об/мин — для дизельных. В качестве пусковых устройств используются преимущественно электрические стартеры прямого действия.
Электрический стартер представляет собой устройство, состоящее из двигателя постоянного тока, механизма сцепления — расцепления, редуктора и аппаратуры управления. Механизм сцепления — расцепления и редуктор обычно называют приводом стартера.
В качестве источника энергии для питания стартера используются аккумуляторные батареи специального исполнения — так называемые стартерные аккумуляторные батареи (ГОСТ 959.0-84).
1. Устройство электростартеров
1. Внутреннее строение стартеров
Автомобильные электростартеры отличаются по способу управления и возбуждения, типу механизма привода, способу крепления на двигателе и степени защиты от проникновения пыли и воды.
По типу и принципу работы приводных механизмов выделяют стартеры с электромеханическим перемещением шестерни привода, которые получили наибольшее распространение, и стартеры с инерционным или комбинированным приводом. Для предотвращения разноса якоря после пуска двигателя в автомобильные электростартеры устанавливают роликовые, храповые и фрикционно-храповые муфты свободного хода.
Стартер состоит из электродвигателя постоянного тока с последовательным или смешанным возбуждением, электромагнитного тягового реле и механизма привода. В стартер может быть встроен дополнительный редуктор.
Узлами и деталями электростартера с электромеханическим включением шестерни являются корпус 22 (рис.10.5) с полюсами 21 и катушками 20 обмотки возбуждения, якорь 24 с обмоткой и коллектором 16, механизм привода муфтой свободного хода 2, шестерней 1 и буферной пружиной 4, электромагнитное тяговое реле с корпусом 8, обмоткой 9, контактными болтами 13 с контактами 12, крышка 6 со стороны привода, крышка 17 со стороны коллектора и щеточный узел с щеткодержателями 15, щетками 19 и щеточными пружинами 14. Корпусы (рис. 10.6) электростартеров изготавливают из трубы или стальной полосы с последующей сваркой стыка.
С целью улучшения герметизации корпус не имеет окон для доступа к щеткам. Длина корпуса в 1,6-2 раза больше длины пакета якоря. Толщина корпуса зависит от диаметра D корпуса и составляет (0,05-0,08) D. В корпусе 2 предусмотрено отверстие для выводного болта 8 обмотки возбуждения. Корпус может иметь установочные прорези на торцах и конусообразные проточки для установки уплотнительных колец.
К корпусу 2 винтами 3 крепят полюсы 12 с катушками 1 обмотки возбуждения. Все автомобильные стартёры выполняют четырехполюсными. Катушки последовательных и параллельных обмоток возбуждения устанавливают на отдельных полюсах, поэтому число катушек равно числу полюсов.

Рис. 1. Корпус стартера в сборе.
1 – катушка, 2 – корпус, 3 – винт полюса, 4 – изоляционная втулка, 5,6 – соответственно уплотнительная изоляционная шайбы, 7 – шайба, 8 – выводной болт, 9 – гайка, 10 – пружинная шайба, 11 – изоляционный материал, 12 – полюс.
Катушки (рис. 1) последовательной обмотки имеют небольшое число витков неизолированного медного провода 3 прямоугольного сечения марки ПММ. Между витками катушки прокладывают электроизоляционный картон толщиной 0,2-0,4 мм. Катушки параллельной обмотки возбуждения наматывают изолированным, круглым проводом марок ПЭВ-2 и ПЭТВ снаружи катушки изолируют лентой из изоляционного материала (хлопчатобумажная тафтяная лента, батистовая лента). Внешняя изоляция после пропитывания лаком и просушивания имеет толщину 1,-1,5 мм. Перспективно применение полимерных материалов при изолировании катушек, с помощью которых можно получить покрытия, равномерные по, толщине, стойкие к воздействию агрессивной среды и повышенной температуры.
Якорь стартера представляет собой шихтованный сердечник, в пазы которого укладываются секции обмотки. В шихтованном сердечнике меньше потери на вихревые токи. Пакет якоря напрессован на вал 4, вращающийся в двух или трех опорах с бронзографитовыми подшипниками, подшипниками из других порошковых материалов, либо с п6дшипниками качения.
В стартерных электродвигателях применяют простые волновые обмотки с одно- и двухвитковыми секциями. Одновитковые секции выполняют из неизолированного прямоугольного провода. Обмотки с двухвитковыми секциями наматывают круглыми изолированными проводами (ПЭВ-2 и ПЭТВ).
Концы секций обмотки якоря укладывают в прорези “петушков” коллекторных пластин. Конец одной секции и начало следующей по ходу обмотки присоединяют к одной коллекторной пластине.
На лобовые части обмотки якоря накладывают бандажи, состоящие из нескольких витков проволоки, xлопчатобумажного шнура или стекловолокнистого материала, намотанных на прокладку из электроизоляционного картона.
Бандаж из стекловолокна менее дорогостоящий, для него можно не применять крепежные скобы. Бандаж может быть изготовлен в виде алюминиевого кольца с изоляционной кольцевой прокладкой из гетинакса или текстолита. Лобовые части секций изолируют друг от друга электроизоляционным картоном.
В электростартерах применяют сборные цилиндрические коллекторы на металлической втулке, а также цилиндрические торцовые коллекторы с пластмассовым корпусом.
Сборные цилиндрические коллекторы, применяемые на стартерах большой мощности, составляют из медных пластин и изолирующий прокладок из миканита, слюдинита или слюдопласта. Пластины в коллекторе закрепляются с помощью металлических нажимных колец 2 и изоляционных корпусов 4 по боковым опорным поверхностям. От металлической втулки 1, которую напрессовывают на вал якоря, медные пластины изолируют цилиндрической втулкой из миканита.
Рабочая поверхность коллектора должна иметь строго цилиндрическую форму. Монолитность конструкции и биение рабочей поверхности сборных цилиндрических коллекторов зависят от точности изготовления сопрягаемых деталей. Вследствие податливости изоляционных прокладок между пластинами первоначальная форма сборного цилиндрического коллектора в процессе эксплуатации может измениться, что приводит к усилению искрения под щётками.

Рис. 2. Строение стартера.
1 – вал якоря, 2 – шестерня привода, 3 –втулка шестерни, 4 – ролик муфты свободного хода, 5 – кожух муфты, 6 – ось рычага привода шестерни, 7 – крышка стартера со стороны шестерни, 9 – якорь тягового реле, 10 – корпус втягивающего реле, 11 – втягивающая обмотка тягового реле, 12 – удерживающая обмотка тягового реле, 13 – шток тягового реле, 14 – сердечник тягового реле, 15 – контактная пластина, 16 – крышка втягивающего реле, 17 – контактные болты, 18 – торцевой коллектор, 19 – щетка, 20 – пружина щетки, 21 – втулка крышки стартера, 22 – кожух, 23 – стяжной болт, 24 – крышка стартера со стороны коллектора, 25 – обмотка якоря, 26 – сердечник якоря, 27 – обмотка статора, 28 – полюс статора, 29 – корпус стартера, 30 – ограничительный диск, 31 - поводковое кольцо, 32 – центрирующий диск, 33 – буферная пружина, 34 – наружное кольцо муфты свободного хода, 35 – спутница муфты свободного хода, 36 – ограничительное кольцо хода шестерни.
В цилиндрических коллекторах с пластмассовым корпусом (рис. 2) пластмасса является формирующим элементом коллектора. Она плотно охватывает сопрягаемые поверхности независимо от конфигурации и точности изготовления коллекторных пластин, изолирует коллекторные пластины от вала и воспринимает нагрузки. В отечественной автопромышленности качестве пресс-материала чаще всего используется пластмасса АГ-4С. Для повышения прочности коллектора применяют армировочные кольца из металла и пресс-материала. При небольших размерах коллектор может быть изготовлен из цельной цилиндрической заготовки, разрезаемой после опрессовки пластмассой на отдельные ламели.
Торцовые коллекторы (рис. 2) по сравнению с цилиндрическими имеют меньшие размеры и металлоемкость. Рабочая поверхность торцового коллектора находится в плоскости, перпендикулярной к оси вращения якоря. При изготовлении торцового коллектора из медной втулки формируется пластина в виде диска с отверстием, прямоугольными пазами по числу требуемых коллекторных пластин и кольцевыми выступами. Диск со стороны выступов опрессовывается пластмассой. В пластмассовом корпусе прошивают внутреннее отверстие для напрессовки коллектора на вал. Для разделения пластин производится обсечка коллектора по наружному диаметру.
Щетки в щеткодержателях должны перемещаться свободно, но без сильного бокового люфта.В электростартерах применяют меднографитные щетки с добавками свинца и олова. Содержание графита выше в щетках для мощных стартеров и стартеров для тяжелых условии-эксплуатации. Плотность тока jщ в щетках электростартеров находится в пределах 40-100 А/см2. От допустимой плотности тока зависят размеры щеток и падение напряжения под щетками Uщ.

Рис. 3. Подетальное строение и внешний вид стартера.
1. Bearing – Подшипник, 2. Armature - Якорь стартера, 3. Bearing – Подшипник, 4. Field frame - Кожух стартера, 5. Spring – Пружина, 6. Brush holder – Щеткодержатель, 7. End cover - Торцевая крышка, 8. Through bolt - Стяжной болт, 9. Magnet switch assembly - Втягивающее реле в сборе, 10. Spring – Пружина, 11. Ball – Шарик, 12. 13. Idle gear - Промежуточное зубчатое колесо, 13. Bearing – Подшипник, 14. Bearing housing - Корпус подшипника, 15. Clutch assembly - Муфта в сборе, 16. Starter housing - Кожух стартера.
Крышки со стороны коллектора изготавливают методом литья из чугуна, стали, алюминиевого или цинкового сплава, а также штампуют из стали. Крышки могут иметь дисковую или колоколообразную форму. В крышках колоколообразной формы предусмотрены окна для доступа к щеткам.
Крышки со стороны привода изготавливают методом литья из алюминиевого сплава или чугуна. Конструкций крышки зависит от материала, из которого она изготовлена, типа механизма привода, способа крепления стартера на двигателе и тягового реле на стартере. Установочные фланцы крышки имеют два или большее число отверстий под болты крепления стартера. Фланцевое крепление стартера к картеру сцепления дает возможность сохранить постоянство межосевого расстояния в зубчатом зацеплении при снятии и повторной установке стартера. В крышке предусмотрено отверстие, которое позволяет шестерне привода входить в зацепление с венцом маховика.
В крышках и промежуточной опоре устанавливают подшипники скольжения. Промежуточную опору предусматривают в стартерах с диаметром кopпyca 115 мм и более. Подшипники смазывают в процессе производства и при необходимости во время технического обслуживания в эксплуатации. В стартерах большой мощности для грузовых автомобилей бобышки подшипников имеют масленки с резервуарами для смазочного материала и смазочными фильцами.
Управляемые дистанционно тяговые реле обеспечивают, ввод шестерни, в зацепление с венцом маховика и подключают стартерный электродвигатель к аккумуляторной батарее. Они отличаются по способу крепления на стартере, количеству обмоток, конструкции контактного устройства и форме стопа электромагнита.
На большинстве стартеров тяговое реле располагают на приливе крышки 27 со стороны привода. С фланцем прилива крышки реле соединяют непосредственно или через дополнительные крепежные элементы.
Реле может иметь одну или две обмотки, намотанные на латунную втулку, в которой свободно перемещается стальной якорь 11, воздействующий на шток 15 с подвижным контактным диском 4. Два неподвижных контакта в виде контактных болтов 2.1 закрепляют в пластмассовой крышке.
В двухобмоточном реле удерживающая обмотка 13, рассчитанная только на удержание якоря, реле 11 в притянутом к сердечнику 16 состоянии, намотана проводом меньшего сечения и имеет прямой, выход на “массу”. Втягивающая обмотка 14 подключена параллельно контактам реле. При включении реле она действует согласно с удерживающей обмоткой и создает необходимую силу притяжения, когда зазор между якорем 11 и сердечником 16 максимален. Во время работы стартерного электродвигателя замкнутые контакты тягового реле шунтируют втягивающую обмотку и выключают ее из работы.
Контактные системы могут быть разделенной или неразделенной конструкции. При неразделенной контактной системе подвижный контакт снабжен пружиной 7. Перемещение подвижного контактного диска в исходное нерабочее положение обеспечивает возвратная пружина 9. В разделенной контактной системе подвижный контактный диск 10 не связан жестко 6 якорем 13 реле.
Контактный диск круглой, фасонной или прямоугольной формы устанавливают между изоляционной втулкой и шайбой на штоке. Это обеспечивает надёжное соединение контактов реле при возможном перекосе и перемещении диска вдоль оси штока за счет сжатия пружин контактной системы.
Тяговое реле рычагом связано с механизмом привода, расположенным на шлицевой части вала. Рычаг воздействует на привод через поводковую муфту. Его отливают из полимерного материала или выполняют составным из двух штампованных стальных частей, которые соединяют заклепками или сваркой.
1. 2. Принципиальные электрические схемы
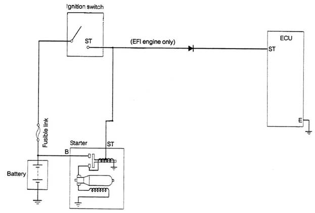
Электрическая схема стартера (рис 4):

1. Battery – аккумулятор, 2. Fusible link - плавкая вставка (фактически предохранитель, выполненый в виде плавкой части в начале провода от аккумулятора на стартер), 3. Ignition switch - Выключатель (точнее "включатель" зажигания, это в нашей стране включатели умудрились обозвать "выключателями", 4. ECU – компьютер, 5. EFI – инжектор, 6. Engine – мотор.

Рис.5 Схема электрической цепи стартера
1 - аккумуляторная батарея; 2 - предохранитель; 3 - замок зажигания; 4 - реле стартера
Работа стартера состоит из трех этапов:
1. Механизм привода стартера вводит шестерню на валу якоря в зацепление с зубчатым венцом маховика.
2. Начинается вращение вала якоря стартера вместе с шестерней, которая проворачивает коленчатый вал двигателя через маховик, тем самым, запуская двигатель.
3. После начала работы двигателя, механизм привода выводит шестерню стартера из зацепления с зубчатым венцом маховика.
1.3. Крепление стартеров на двигателях
Обычно стартер располагают сбоку картера двигателя, при этом крышка со стороны привода обращена в сторону маховика и входит в отверстие картера сцепления.
Стартеры мощностью свыше 4,4кВт с диаметром корпуса 130-180 мм устанавливают в углублениях специальных приливов двигателя. К посадочной, поверхности прилива двигателя корпус стартера прижимается стальными лентами или литыми скобами. От проворота стартер фиксируют шпонками или штифтами. Шестерня механизма привода стартера может быть установлена между опорами под крышкой или консольно за ее пределами.
1.4. Защита от посторонних тел и воды
В эксплуатации стартеры подвержены воздействию влаги, масла, грязи. Конструкция стартера предусматривает защиту от них. Лучше защищены стартеры грузовых автомобилей. Герметизация обеспечивается установкой в местах разъема резиновых колец, применением втулок и уплотнительных прокладок из мягких пластических материалов. Герметизация стартера в местах вывода обмоток тягового реле и стартера обеспечивается установкой резиновых, шайб. Попадание в стартер и тяговое реле грязи, влаги и посторонних тел исключается благодаря установке резинового сильфона 19 (рис. 10.19) и резиновой армированной манжеты 27 в промежуточной опоре 26. Герметизирующий сильфон 19 не должен препятствовать регулированию механизма привода.
2. Особенности работы электростартеров и требования к электростартерам
Электростартер получает питание от аккумуляторной батареи - автономного источника электроэнергии ограниченной мощности. Вследствие внутреннего падения напряжения в батарее напряжение на выводах электростартера не остается постоянным, а уменьшается с увеличением нагрузки и силы потребляемого тока.
Сила тока электростартеров может составлять несколько сот и даже тысяч ампер. При такой силе тока на характеристики стартерного электродвигателя большое влияние оказывает падение напряжения в стартерной сети, т.е. в стартерном проводе и “массе”.
Характеристики стартерных электродвигателей зависят от емкости и технического состояния аккумуляторной батареи. “Семейству” вольт-амперных характеристик батареи (см. рис. 10.33) соответствует “Семейство” рабочих и механических характеристик стартерного электродвигателя.
Для стартерного электропривода двигателя характерна значительная неравномерность нагрузки, обусловленная резким изменением момента сопротивления, от сил давления газов в цилиндрах и сложной кинематикой кривошипно-шатунного механизма. При переменной нагрузке снижается мощности и КПД системы пуска, что необходимо учитывать при выборе мощности стартерного электродвигателя и емкости аккумуляторной батареи.
Режим работы электростартеров - кратковременный с длительностью включения до 10 с при температуре 20°С. При отрицательных температурах допускается, длительность работы до 15 с для стартеров бензиновых двигателей и до 20 с для, стартеров дизелей.
Длительное время по отношению к периоду прокручивания коленчатого вала двигателя стартер может работать в режимах полного торможения и холостого хода. Якорь стартера должен без повреждений в течение 20 с выдерживать нагрузки, возникающие при частоте вращения коленчатого вала, на 20% превышающей частоту его вращения в режиме холостого хода.
Якорь стартера должен иметь надежный привод к коленчатому валу при пуске двигателя и автоматически отключаться от него после осуществления пуска. Конструкция стартерами зубчатая передача должны обеспечивать надежный ввод шестерни в зацепление и передачу коленчатому валу двигателя вращающего момента. Шестерня привода стартера не должна самопроизвольно входить в зацепление с венцом маховика. Муфта свободного хода привода должна защищать якорь от механических повреждении.
Тяговое реле стартера должно обеспечивать ввод шестерни в зацепление и включение стартера при снижении напряжения до 9 В Для Uн=12 В и до 18 В для Uн=24 В при температуре окружающей среды (20±5)°С. Контакты тягового реле должны оставаться замкнутыми при снижении напряжения на выводах стартера до 5,4 и 10,8 В При номинальных напряжениях соответственно 12 и 24 В.
Автомобильные электростартеры имеют степень защиты не ниже IRX4 (по ГОСТ 14254-80), кроме полости механизма привода.
Пусковой цикл (попытка пуска) на двигателе (на стенде) не должен превышать 15 с при температуре окружающей среды (20±5)°С. Допускается не более трех пусковых циклов подряд с перерывам между ними не менее 30 с. После охлаждения стартера до температуры окружающей среды допускается еще один пусковой цикл.
Не допускается нагружать стартер более чем на номинальную мощность. Повышение температуры стартера во время пусковых циклов не должно приводить к изменениям, отрицательно влияющим на его работоспособность.
Рациональному использованию аккумуляторной батареи, имеющей в системе пуска относительно большую массу и в наибольшей степени подверженной влиянию эксплуатационных факторов, способствуют правильное согласование характеристик элементов системы, пуска и обоснованный выбор ее схемы и параметров, при которых расходуется минимальное количество энергии источника тока.
Для уменьшения длины стартерных проводов, габаритных размеров и массы стартера и батареи, а также для удобства их установки и технического обслуживания важно предусмотреть рациональное размещение элементов системы пуска двигателя на автомобиле.
Параметром, определяющим рациональное согласование мощностной характеристики пускового устройства с пусковыми характеристиками двигателя, является передаточное число привода. При изменении передаточного числа привода меняется наклон механической характеристики стартерного электродвигателя, приведенной к коленчатому валу двигателя. С повышением передаточного числа приведенный вращающий момент увеличивается, а приведенная частота вращения вала уменьшается. Максимальное значение мощности электростартера смещается в сторону меньшей частоты вращения коленчатого вала. Для каждого типа двигателя и заданных условий пуска существуют наивыгоднейшие передаточные числа, при которых наилучшим образом используются мощностные характеристики стартерного электродвигателя.
Автомобильные электростартеры должны обеспечивать номинальные параметры при нормальные климатических условиях: температура окружающего воздуха (25±10)°С; относительная влажность (45-80)%; атмосферное давление (84-106) кПа.
3. Характеристики электростартеров
Свойства электростартеров оценивают по рабочим и механическим характеристикам. Рабочие характеристики представляют в виде зависимостей напряжения на зажимах стартера Uст полезной мощности P2 на валу, полезного вращающего момента M2 , частоты вращения якоря nа и КПД стартерного электродвигателя от силы тока якоря Iа .
При вращении якоря в его обмотке индуцируется ЭДС:
Еа = cе na Ф,
где cе - постоянная электрической машины, не зависящая от режима ее работы;
Ф – магнитный поток, пpoxoдящий через воздушный зазор и якорь электродвигателя.
При питании стартера от аккумуляторной батареи ЭДС:
Eа = Uн - D Uщ – Iа Rа D = Uн - D Uщ – Iа (Rб + Rпр + Rа + Rс ),
где D Uщ - падение напряжения в контактах щетки-коллектор;
Rс - суммарное сопротивление цепи якоря;
Ядр - сопротивление стартерной сети;
Rа - сопротивление обмотки якоря;
Rд – сопротивление последовательной обмотки возбуждения. Частота вращения якоря
![]()
С уменьшением нагрузки электродвигателя с последовательным возбуждением магнитный поток Ф падает, а nа быстро возрастает до значения nа0 при силе тока холостого хода Iа0 стартерах смешанного возбуждения частота вращения в режиме холостого хода ограничивается магнитным потоком параллельной обмотки возбуждения. При уменьшении нагрузки магнитный поток, создаваемый последовательной обмоткой, стремится к нулю, тогда как намагничивающая сила параллельной обмотки и создаваемый ею магнитный поток даже немного увеличиваются. Электромагнитный вращающий момент
М = СМIа Ф,
где См - постоянная электрической машины.
В электродвигателях с последовательным возбуждением через обмотку возбуждения проходит весь ток якоря Ia , поэтому магнитный поток возрастает с увеличением нагрузки стартера. При одинаковых номинальных параметрах электродвигателей с параллельным и последовательным возбуждением последние развивают большие полезные моменты М2к режиме полного торможения. Это улучшает их тяговые свойства, облегчает трогание системы стартер-двигатель с места и раскручивание коленчатого вала при пуске двигателя при низких температурах. Подводимая к стартеру мощность за вычетом электрических потерь преобразуется в электромагнитную мощность
![]()
Максимальная электромагнитная мощность
![]()
Зависимость электромагнитной мощности от силы тока представляет собой симметричную параболу с максимальным значением при силе тока Im , равной половине тока Iк полного торможения. Полезная мощность Р2 на валу электродвигателя меньше электромагнитной на величину суммы D Р2 механических потерь в подшипниках, в щеточно-коллекторном узле и магнитных потерь в пакете якоря. Полезный вращающий момент на валу электродвигателя
![]()
Сила тока, потребляемого электродвигателем со смешанным возбуждением
I = Iа + Is ,
где Is = Uc /Rs - сила тока в параллельной обм6тке возбуждения;
Rs - сопротивление параллельной обмотки возбуждения.

Рис. 6. Рабочие характеристики стартерного электродвигателя с последовательным возбуждением.
Подводимая к стартерному электродвигателю мощность
P1 = Ucт I.
КПД стартерного электродвигателя

Рис. 7. Механические характеристики стартерных электродвигателей: 1 – с последовательным возбуждением; 2 – со смешанным возбуждением.
![]()
Механические характеристики электростартеров обычно представляют в виде зависимости вращающего момента M2 от частоты вращения якоря na (рис. 7).
При снижении напряжения на выводах аккумуляторной батареи и стартера, в связи с понижением температуры или увеличением сопротивления стартерной сети при той же силе тока Iа = ЭДС Еа , частота вращения nа и мощность P2 электродвигателя уменьшаются (рис. 8). При той же частоте вращения nа уменьшается вращающий момент М2 (рис.8).
Влияние электросопротивления источника электроснабжения и стартерной сети на рабочие и механические характеристики стартерных электродвигателей требует однозначного указания условии, при, которых определяется номинальная мощность стартера. Номинальной считают наибольшую полезную мощность Рн в кратковременном режиме работы при электроснабжении от аккумуляторной батареи максимально допустимой емкости, установленной в технических условиях на стартер, при степени заряженности батареи 100 %, температуре электролита +20°С, при первой по- пытке пуска двигателя, без учета падения напряжения в стартерной сети. Номинальной мощности соответствуют сила тока Iн частота вращения nн и вращающий момент Мн .

Рис. 8. Характеристики стартерных электродвигателей при различных температурах: а – рабочие; б – механические.
Пусковая мощность Рп определяется как наибольшая полезная мощность в кратковременном режиме работы при электропитании от батареи, заряженной на 75%, при температура -20°С в конце третьей попытки пуска двигателя с учетом падения напряжения в проводке.
Напряжение на выводам стартерного электродвигателя при определении номинальной мощности рассчитывается по формуле:
![]()
где аб - коэффициент, принимаемой равным 0,05 для батарей емкостью
С20<100 Ач , а также 0,038 и 0,046 соответственно для батарей 6СТ-55ЭМ и 6СТ-190ТР.
4. Схемы управления электростартерами


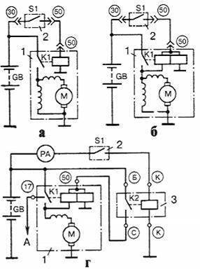
Рис. 9. Наиболее распространенные схемы внутренних соединений электростартеров.
Схемы внутренних соединений электростартеров с последовательным и смешанным возбуждением с использованием одно- и двухобмоточных тяговых реле приведены на рис. 9.
Однообмоточное тяговое реле подключается к аккумуляторной батарее GB (рис. 9, а) переводом ключа выключателя зажигания 2 с контактами S1 в нефиксированное положение “стартер”. Якорь тягового реле втягивается в электромагнит, с помощью рычажного механизма вводит шестерню привода в зацепление с венцом маховика и в конце хода замыкает силовые контакты реле К1 в цепи электродвигателя М.
Силовые контакты замыкаются до полного ввода шестерни в зацепление. Если шестерня упирается в венец маховика, корь реле продолжает перемещаться вследствие сжатия буферной пружины привода и замыкает силовые контакты. Якорь с шестерней начинают вращаться, и шестерня под действием буферной пружины входит в зацепление, когда зуб шестерни устанавливается против впадины зубчатого венца маховика. Использование дополнительного усилия в шлицевом соединении вала и направляющей втулки ведущей обоймы роликовой муфты свободного хода для перемещения шестерни позволяет уменьшить тяговое усилие и ход якоря электромагнита, размеры и массу тягового реле.
Для отключения стартера необходимо снять усилие с ключа выключателя зажигания. Ключ автоматически займет положение “Зажигание”. При этом якорь отключенного от источника тока тягового реле и приводной механизм под действием пружины возвращаются в исходное положение.
В стартерах с двухобмоточными реле (рис. 9, б и в) при замыкании контактов S1 выключателя зажигания 2 ток от батареи проходит через втягивающую и удерживающую обмотки. При замыкании контактов реле К1 втягивающая обмотка замыкается накоротко.
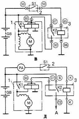
Обмотки тягового реле К1 могут подключаться к источнику тока через контакты вспомогательного реле К2 (рис. 9,в, г и д). Дополнительный контакт 17 в тяговом реле или во вспомогательном реле замыкает накоротко добавочный резистор катушки зажигания. В рассмотренных схемах управление после, пуска двигателя следует немедленно выключить стартер, так как при длительном вращении ведомой обоймы с шестерней привода возможно заклинивание роликовой муфты свободного хода и повреждение якоря. Включение, стартера при работе двигателя может привести к повреждению зубьев шестерни и венца маховика или выходу из строя муфты свободного хода.
Надежность системы пуска и срок службы стартера можно повысить за счет автоматизации отключения стартера после пуска двигателя и блокировки его включения при работе двигателя. Электронное устройство 2612.3747 (рис. 10) автоматического отключения и блокировки включения стартера содержит блок управления и датчик частоты вращения коленчатого вала. Блок управления настроен на частоту вращения, при которой стартер должен отключаться. Частота эта должна быть больше максимально возможной пусковой частоты вращения коленчатого вала электростартером и меньше минимальной частоты вращения коленвала в режиме прогрева двигателя пoслe пуска.
При пуске двигателя выключатель приборов и стартера переводится в положение “стартер”, транзистор VT5 открывается (первое устойчивое состояние триггера на транзисторах VT4 и VT5) и подключает к аккумуляторной батарее вспомогательное реле, которое включает стартер. При вращении коленчатого вала двигателя через вход 4 штекерного разъема на электронное устройство подается синусоидальное напряжение от фазы генератора, которое транзистором VT1 преобразуется в прямоугольные импульсы нормированной амплитуды. С помощью резисторов R1, R2, R3 и конденсатора С1 ограничивается входное напряжение и отфильтровываются импульсные помехи во входных цепях.


Рис. 10. Наиболее распространенные схемы управления электростартерами: 1 – электростартер, 2 – выключатель зажигания, 3 – дополнительное реле, А – к выводу добавочного резистора.
Прямоугольные импульсы заряжают конденсатор СЗ преобразователя частота-напряжение. Чем больше частота входного сигнала (частота вращения коленчатого вала двигателя), тем меньше промежутки времени между импульсами и разряд конденсатора С2. При определенной частоте вращения коленчатого вала напряжение на конденсаторе СЗ превышает опорное напряжение на резисторе R10-R15, транзисторы VT2 и VT3 открываются и триггер переводится во второе устойчивое состояние, когда транзистор VT4 открыт, а транзистор VT5 закрыт. Вспомогательное реле обесточивается и отключает стартер. Диоды VD10, VD13 и конденсаторы С5, С6 обеспечивают надежное закрытие транзисторов VT5 и VT4.
Терморезистор R11 изменяет частоту вращения вала двигателя, при которой стартер должен отключаться, в соответствии с изменением температуры окружающего воздуха. Повторное включение стартера после первой неудачной попытки пуска возможно только после предварительного перевода ключа выключателя зажигания в положение “Выключено”.
Список использованной литературы
1. А.И.Вольдек Электрические машины, – Энергия (Ленинградское отделение), 1978 г., 832 стр.
2. А. Трантер Руководство по электрическому оборудованию автомобилей. ЗАО "Алфамер-Паблишинг", 2001, - 284с.
3. Волков А.В. Руководство по эксплуатации, техническому обслуживанию и ремонту автомобилей УАЗ-31512, УАЗ-3741. АСТ, 2002 г., 224 стр.
4. Кацман М. М. Расчет и конструирование электрических машин: Учеб. пособие для техникумов. - М.: Энергоатомиздат, 1984. - 360 с.