| Скачать .docx |
Курсовая работа: Курсовая работа: Расчет системы электроснабжения участка постоянного тока
Федеральное агентство ж/д транспорта
Уральский государственный университет путей сообщения
Кафедра «Электрическая тяга»
Курсовая работа
по дисциплине
«Электрические железные дороги»
на тему: «Расчет системы электроснабжения участка
постоянного тока»
Проверил
Выполнил
Ветлугина О.И.
студент шифр 00/03-л/к-1416
Слободчиков Д.В.
Екатеринбург
2005
Содержание
Введение.......................................................................................................... 3
1. Исходные данные……………………….....................................................4
1.1Общие данные................................................................................…………….4
1.2 Индивидуальные данные…..........................................................………….4
2 Анализ исходных данных........................................................................... 5
2.1 Схема питания тяговой сети участка и схема соединения рельсовых нитей....………………………………………………………………..................5
2.2 Определение сопротивления тяговой сети................................ ……………7
3 Построение графика движения поездов...................................................….10
4 Выбор сечения графика движения поездов...............................................12
5 Определение токов фидеров и тяговых подстанции.................................14
6 Составление и расчет мгновенных схем...................................................20
7 Расчет мощности тяговой подстанции станции Б......................................30
Заключение.....................……........................................................................32
Список литературы...................................................…….............................33
Введение
Система электроснабжения электрифицированных железных дорог отличается от систем электроснабжения промышленных предприятий тем, что от нее получают питание движущиеся поезда, не тяговые железнодорожные потребители, промышленные, сельскохозяйственные и коммунальные потребители, находящиеся в зоне электрифицированной линии, также отличается по предъявляемым к ним требованиям, условиям работы, используемому оборудованию и устройствам и по задачам, решаемым ими.
Устройства электроснабжения обладают высокой надежностью работы, бесперебойностью электроснабжения, экономичностью. Широко применяются и разрабатываются новые, более совершенные и экономичные методы обслуживания и диагностического контроля элементов системы электроснабжения.
На тяговых подстанциях установлены более экономичные и совершенные преобразовательные агрегаты, коммутационное оборудование, внедрена автоматика и телемеханика, позволяющие повысить надежность работы и сократить численность обслуживающего персонала.
На контактной сети улучшаются конструкции подвесок, методы их контроля, обслуживания и ремонта, снижается износ контактных проводов при токосъеме.
С внедрением электрической тяги высокими темпами развивается транспортная электроэнергетика. Вдоль железных дорог проводится модернизация оборудования;
устройства электроснабжения переводятся на телеуправление.
Все это предопределило особенности теории работы таких систем, методов их расчетов и проектирования и привело к появлению науки об электроснабжении электрифицированных железных дорог.
Целью данной курсовой работы является расчет системы электроснабжения участка постоянного тока методом равномерного сечения графика. Для этого необходимо решить ряд задач:
-построить график поездов;
-определить токи фидеров;
-составить и рассчитать мгновенные схемы;
-рассчитать мощность тяговой подстанции;
-рассчитать коэффициент полезного действия.
1 Исходные данные
1.1 Общие данные
1.1.1 Участок А - Б - В - двухпутный, звеньевой с автоблокировкой длиной l = 24 км.
1.1.2 Тип рельсов и их длина - Р 75 длиной 25 м.
1.1.3 Тип графика движения - параллельный с однотипными поездами.
1.1.4 Схема питания тяговой сети - узловая. Посты секционирования расположены в середине каждой межподстанционной зоны.
1.1.5 Расположение тяговых подстанций на участке - тяговые подстанции расположены на станциях А, Б, В.
1.1.6 Напряжение на шинах тяговых подстанций - 3300 В.
1.1.7 Графики тока, потребляемого электровозом при движении по участку, приведены на рисунках 3 и 4.
1.1.8 Доля трансформаторной мощности тяговой подстанции, приходящаяся на районную нагрузку - 30%.
1.1.9 Типподвески-М-95+2МФ-100+А-185
1.2 Индивидуальные данные
1.2.1 Техническая скорость движения:
- в четном направлении...... .60 км/ч;
- в нечетном направлении... .60 км/ч.
1.2.2 Длина перегона:
- между станциями А и Б – 9,6км;
- между станциями Б и В – 14,4км.
1.2.3 Интервал попутного следования - 10 мин. Остановок поезд не делает.
2 Анализ исходных данных
2.1 Схема питания тяговой сети участка и схема соединения рельсовых нитей
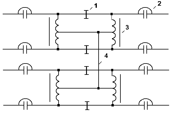
На рисунке 1 представлена принципиальная схема соединения рельсовых нитей на двухпутном участка при двухниточных рельсовых цепях автоблокировки с помощью путевых дросселей.

1 - изолирующий стык; 2 - стыковое соединение; 3 - дроссель-трансформатор;
4 - междурельсовый соединитель.
Рисунок 1 - Принципиальная схема соединения рельсовых нитей на двухпутном участке при двухниточных рельсовых цепях
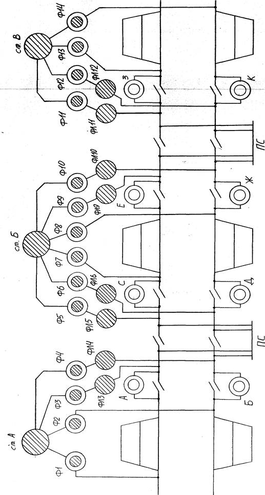
На рисунке 2 представлена схема питания тяговой сети участка.
|
|
![]() |
2.2 Определение сопротивления тяговой сети
Сопротивление контактной сети rкс , Ом/км, определяется по формуле
(2.1)
где Sкс - проводимость контактной сети, которая определяется по формуле
(2.2)
Где
- сопротивление 1км несущего троса при 20° С,
= 0,2 Ом/км;
- сопротивление 1км контактного провода при 20° С,
= 0,177 Ом/км;
![]()
По формуле 2.1 находят сопротивление контактной сети
![]()
Значение сопротивления рельсового пути с рельсовыми звеньями длиной 25м могут быть получены согласно /1, таблица 2.3 / умножением на коэффициент 0,92
![]()
Сопротивление тяговой сети определяется по формуле
(2.3)
![]()
3 Построение графика движения поездов
Наиболее тяжелые условия работы системы электроснабжения будут при пропуске по участку максимального количества поездов, т.е. при движении поездов с минимальным интервалом попутного следования.
Для построения графика движения поездов необходимо знать:
- время отправления каждого поезда с начальной станции;
- время хода по перегонам;
- время стоянки на промежуточных станциях.
Если перегонные времена хода одинаковы у всех поездов, то получается параллельный график движения поездов. В настоящей работе предусматривается движение поездов без остановки на промежуточной станции Б.
Времена хода по перегонам (участку) могут быть получены с помощью тяговых расчетов или по заданной технической скорости движения. В этом случае время хода по участку определяется из выражения
(3.1)
где tx - время хода в мин;
l - длина участка в км;
Vt - техническая скорость движения в км/ч.
![]()
![]()
Прибавляя к времени отправления поезда время хода по участку, получим время прибытия поезда на конечную станцию, отмечая его на графике движения. После этого точки отправления и прибытия поезда соединяются прямой линией, т.е. получается одна нитка графика движения. Остальные нитки получают, проводя параллельные линии со сдвигом по времени на величину интервала попутного следования 10. Такие построения выполняются для четного и нечетного направления движения с указанием у каждой линии номера поезда.
В курсовой работе изображается график движения для интервала времени от 0...1 ч. Время отправления первого четного и нечетного поезда выбирается по усмотрению студента. При этом необходимо обеспечить условие недопустимости одновременного отправления и прибытия поездов на каждую из станций.
При параллельном графике движения и однотипных поездах положение поездов на участке и нагрузке фидеров тяговых подстанций повторяется с периодом, равным интервалу времени между поездами, поэтому можно ограничиться исследованием графика движения на протяжении времени, равному интервалу попутного следования.
На рисунке 5 представлен график движения поездов.
4 Выбор сечения графика движения поездов
Сначала строится график движения поездов (копируется с ранее построенного) для интервала времени, равного интервалу попутному следования.
Затем на оси времени с равным интервалом 1 мин намечаются точки, через которые проводятся вертикальные линии, которые и будут являться сечением графика движения. Точки пересечения вертикальной линии с нитками графика движения определяют положения поездов в фидерной зоне, а токи фидеров находятся по соответствующим кривым
. В результате для каждого сечения графика движения может быть составлена мгновенная схема.
На рисунке 6 представлен график движения поездов с сечениями.
5 Определение токов фидеров и тяговых подстанций
При одинаковых напряжениях на тяговых подстанциях и одинаковых площадях поперечного сечения контактных проводов обоих путей ток каждого электровоза может быть легко разложен на токи фидеров тяговых подстанций следующим образом.
Сначала находится распределение тока электровоза между подстанциями, затем определяются токи фидеров. При наличии нескольких поездов в межподстанционной зоне ток каждого фидера находится методом наложения нагрузок - как сумму токов от каждой нагрузки. Так для схемы на рисунке 7 при расположении поезда левее поста секционирования, который находится посередине межподстанционной зоны, токи фидеров от каждой нагрузки находятся по формулам:
(5.1)
(5.2)
Где
- токи подстанций А и Б соответственно;
- расстояние от левой подстанции до электровоза;
- расстояние фидерной зоны.
При расположении поезда правее поста секционирования токи фидеров будут определяться по формулам:
(5.3)
(5.4)
Аналогичные выражения могут быть получены и для движения поезда по другому пути:
(5.5)
(5.6)
(5.7)
(5.8)
Рисунок 7- Мгновенная схема и токораспределение при узловой схеме питания
Результаты расчетов распределения тока электровоза по фидерам для каждой межподстанционной зоны и каждого направления движения занесены в таблицы 1 и 2.
Таблица 1 – Положение поездов, их нагрузки и токи фидеров в межподстанционной зоне А-Б
| Номер мгновенной схемы |
Момент времени |
Условный номер поезда |
lЭ, км |
IЭ, А |
А1 |
А2 |
Б1 |
Б2 |
| 1 |
2 |
3 |
4 |
5 |
6 |
7 |
8 |
9 |
| 1 |
0 |
2л |
0 |
1000 |
0 |
1000 |
0 |
0 |
| 1 |
0 |
13л |
4,8 |
1180 |
295 |
295 |
295 |
295 |
| всего |
295 |
1295 |
295 |
295 |
||||
| 2 |
1 |
2л |
1 |
1000 |
52 |
844 |
52 |
52 |
| 2 |
1 |
13л |
3,9 |
1100 |
223 |
430 |
223 |
223 |
| всего |
276 |
1273 |
276 |
276 |
||||
| 3 |
2 |
2л |
1,8 |
2000 |
188 |
1438 |
188 |
188 |
| 3 |
2 |
13л |
2,9 |
1040 |
157 |
569 |
157 |
157 |
| всего |
345 |
2006 |
345 |
345 |
||||
| 4 |
3 |
2л |
2,8 |
1920 |
280 |
1080 |
280 |
280 |
| 4 |
3 |
13л |
1,9 |
0 |
0 |
0 |
0 |
0 |
| всего |
280 |
1080 |
280 |
280 |
||||
| 5 |
4 |
2л |
3,8 |
1560 |
309 |
634 |
309 |
309 |
| 5 |
4 |
13л |
0,9 |
0 |
0 |
0 |
0 |
0 |
| всего |
309 |
634 |
309 |
309 |
||||
| 6 |
5 |
2л |
4,7 |
1620 |
397 |
430 |
397 |
397 |
| 6 |
5 |
13л |
0 |
0 |
0 |
0 |
0 |
0 |
| всего |
397 |
430 |
397 |
397 |
||||
| 7 |
6 |
2п |
5,6 |
1520 |
317 |
317 |
317 |
570 |
| 7 |
6 |
15п |
8,6 |
0 |
0 |
0 |
0 |
0 |
| всего |
317 |
317 |
317 |
570 |
||||
| 8 |
7 |
2п |
6,6 |
1440 |
225 |
225 |
225 |
765 |
| 8 |
7 |
15п |
7,7 |
1340 |
133 |
133 |
133 |
942 |
| всего |
358 |
358 |
358 |
1707 |
||||
| 9 |
8 |
2п |
7,5 |
1400 |
153 |
153 |
153 |
941 |
| 9 |
8 |
15п |
6,8 |
1280 |
187 |
187 |
187 |
720 |
| всего |
340 |
340 |
340 |
1661 |
||||
| 10 |
9 |
2п |
8,5 |
0 |
0 |
0 |
0 |
0 |
| 10 |
9 |
15п |
5,8 |
1220 |
241 |
241 |
241 |
496 |
| всего |
241 |
241 |
241 |
496 |
||||
Таблица 2 – Положение поездов, их нагрузки и токи фидеров в межподстанционной зоне Б-В
| Номер мгновенной схемы |
Момент времени |
Условный номер поезда |
lЭ, км |
IЭ, А |
Б3 |
Б4 |
В1 |
В2 |
|
| 1 |
2 |
3 |
4 |
5 |
6 |
7 |
8 |
9 |
|
| 1 |
0 |
16л |
0,1 |
0 |
0 |
0 |
0 |
0 |
|
| 1 |
0 |
15л |
5,7 |
0 |
0 |
0 |
0 |
0 |
|
| 1 |
0 |
14л |
9,4 |
0 |
0 |
0 |
0 |
0 |
|
| всего |
0 |
0 |
0 |
0 |
|||||
| 2 |
1 |
16л |
0,7 |
0 |
0 |
0 |
0 |
0 |
|
| 2 |
1 |
15л |
3,8 |
0 |
0 |
0 |
0 |
0 |
|
| 2 |
1 |
14п |
10,2 |
1300 |
190 |
190 |
190 |
731 |
|
| 2 |
1 |
1п |
14,4 |
1000 |
0 |
0 |
0 |
1000 |
|
| всего |
190 |
190 |
190 |
1731 |
|||||
| 3 |
2 |
16л |
2 |
0 |
0 |
0 |
0 |
0 |
|
| 3 |
2 |
15л |
2,9 |
0 |
0 |
0 |
0 |
0 |
|
| 3 |
2 |
14п |
11 |
1420 |
168 |
168 |
168 |
917 |
|
| 3 |
2 |
1п |
13,4 |
1000 |
35 |
35 |
35 |
896 |
|
| всего |
202 |
202 |
202 |
1813 |
|||||
| 4 |
3 |
16л |
3 |
0 |
0 |
0 |
0 |
0 |
|
| 4 |
3 |
15л |
1,9 |
0 |
0 |
0 |
0 |
0 |
|
| 4 |
3 |
14п |
11,9 |
1560 |
135 |
135 |
135 |
1154 |
|
| 4 |
3 |
1п |
12,4 |
2000 |
139 |
139 |
139 |
1583 |
|
| всего |
274 |
274 |
274 |
2737 |
|||||
| 5 |
4 |
16л |
4 |
0 |
0 |
0 |
0 |
0 |
|
| 5 |
4 |
15л |
0,9 |
0 |
0 |
0 |
0 |
0 |
|
| 5 |
4 |
14п |
12,7 |
0 |
0 |
0 |
0 |
0 |
|
| 5 |
4 |
1п |
11,4 |
1840 |
192 |
192 |
192 |
1265 |
|
| всего |
192 |
192 |
192 |
1265 |
|||||
| 6 |
5 |
16л |
4,9 |
0 |
0 |
0 |
0 |
0 |
|
| 6 |
5 |
15л |
0 |
0 |
0 |
0 |
0 |
0 |
|
| 6 |
5 |
14п |
13,5 |
0 |
0 |
0 |
0 |
0 |
|
| 6 |
5 |
1п |
10,4 |
1600 |
222 |
222 |
222 |
933 |
|
| всего |
222 |
222 |
222 |
933 |
|||||
| 7 |
6 |
16л |
5,9 |
0 |
0 |
0 |
0 |
0 |
|
| 7 |
6 |
14п |
14,4 |
0 |
0 |
0 |
0 |
0 |
|
| 7 |
6 |
1п |
9,5 |
1410 |
240 |
240 |
240 |
690 |
|
| всего |
240 |
240 |
240 |
690 |
|||||
| 8 |
7 |
16л |
6,8 |
440 |
104 |
128 |
104 |
104 |
|
| 8 |
7 |
1п |
8,5 |
1460 |
299 |
299 |
299 |
563 |
|
| всего |
403 |
427 |
403 |
667 |
|||||
| 9 |
8 |
16п |
7,8 |
-460 |
-105 |
-105 |
-105 |
-144 |
|
| 9 |
8 |
1п |
7,5 |
1520 |
364 |
364 |
364 |
428 |
|
| всего |
259 |
259 |
259 |
284 |
|||||
| 10 |
9 |
16п |
8,8 |
0 |
0 |
0 |
0 |
0 |
|
| 10 |
9 |
1л |
6,4 |
1580 |
351 |
527 |
351 |
351 |
|
| всего |
351 |
527 |
351 |
351 |
|||||
Ток тяговой подстанции находится как сумма токов всех её фидеров. Результаты токов фидеров т токов тяговых подстанций представлены в таблице 3.
Таблица 3 – Токи фидеров и тяговых подстанций
| Момент времени сечения графика, мин |
Токи фидера, А |
Ток подстанций, А |
||||||||||
| А1 |
А2 |
Б1 |
Б2 |
Б3 |
Б4 |
В1 |
В2 |
А |
Б |
В |
||
| 0 |
295 |
1295 |
295 |
295 |
0 |
0 |
0 |
0 |
1590 |
590 |
0 |
|
| 1 |
276 |
1273 |
276 |
276 |
190 |
190 |
190 |
1731 |
1549 |
930 |
1921 |
|
| 2 |
345 |
2006 |
345 |
345 |
202 |
202 |
202 |
1813 |
2351 |
1094 |
2015 |
|
| 3 |
280 |
1080 |
280 |
280 |
274 |
274 |
274 |
2737 |
1360 |
1109 |
3011 |
|
| 4 |
309 |
634 |
309 |
309 |
192 |
192 |
192 |
1265 |
943 |
1001 |
1457 |
|
| 5 |
397 |
430 |
397 |
397 |
222 |
222 |
222 |
933 |
827 |
1238 |
1156 |
|
| 6 |
317 |
317 |
317 |
570 |
240 |
240 |
240 |
690 |
633 |
1366 |
930 |
|
| 7 |
358 |
358 |
358 |
1707 |
403 |
427 |
403 |
667 |
715 |
2895 |
1070 |
|
| 8 |
340 |
340 |
340 |
1661 |
259 |
259 |
259 |
284 |
680 |
2518 |
543 |
|
| 9 |
241 |
241 |
241 |
496 |
351 |
527 |
351 |
351 |
483 |
1615 |
702 |
|
| Сред |
316 |
797 |
316 |
633 |
233 |
253 |
233 |
1047 |
1113 |
1436 |
1280 |
|
| эф. Токи |
319 |
974 |
319 |
828 |
255 |
287 |
255 |
1318 |
||||
По данным таблицы 3 строятся зависимости токов фидеров и подстанций от времени. На рисунках 8 и 9 представлены зависимости токов фидеров от времени на участке А-Б и участке Б-В соответственно.
На рисунке 10 представлены зависимости токов подстанций от времени.
6 Составление и расчет мгновенных схем
По данным таблиц 1 и 2 составляются мгновенные схемы, которые оформляются так, как показано на рисунках 11, 12 и 13. Зная токи фидеров, и используя первый закон Кирхгофа, можно легко определить распределение токов по отдельным частям сети.
Для каждой мгновенной схемы необходимо рассчитать потери напряжения до каждого поезда и потери мощности в сети, которые находятся по следующим выражениям:
(6.1)
(6.2)
где ДU - потеря напряжения до i-ого поезда, В;
r - сопротивление тяговой сети. Ом/км;
Iс j - ток, протекающий по участку сети длиной Lj , км;
Ii - ток i-ого поезда, А;
к - число участков сети от ближайшей подстанции до i-ого поезда;
DР - потери мощности, кВт;
n - число поездов в фидерной зоне.
Расчет DU и DР для схемы №1 на рисунке 11 при r = 0,0684 Ом/км
![]()
![]()
Подобные расчеты выполняются для всех мгновенных схем одной и другой межподстанционных зон. Результаты расчетов представлены в таблице 4.
Для каждой потери напряжения до каждого поезда необходимо рассчитать напряжение на токоприёмнике электровоза в четном и нечетном направлений
(6.3)
![]()
Результаты расчетов представлены в таблице 4.
Среднее значение потери мощности в сети в целом для участка определяется по формуле (6.4)
(6.4)

Таблица 4 – Падения напряжения до каждого поезда, потери мощности в сети и напряжение на токоприёмнике электровоза
| № схемы |
№ поезда |
l, км |
Iэ, А |
ДUэ, В |
Uэ, В |
ДU, В |
ДР, кВт |
|
| 1 |
2 |
3 |
4 |
5 |
6 |
7 |
8 |
|
| 1 |
2л |
0 |
1000 |
0 |
3300 |
0 |
0 |
|
| 1 |
13л |
4,8 |
1180 |
387 |
2913 |
387 |
457 |
|
| 2 |
2л |
1 |
1000 |
68 |
3232 |
68 |
68 |
|
| 2 |
13л |
3,9 |
1100 |
293 |
3007 |
293 |
323 |
|
| 3 |
2л |
1,8 |
2000 |
246 |
3054 |
246 |
492 |
|
| 3 |
13л |
2,9 |
1040 |
206 |
3094 |
206 |
215 |
|
| 4 |
2л |
2,8 |
1920 |
368 |
2932 |
368 |
706 |
|
| 4 |
13л |
1,9 |
0 |
0 |
3300 |
0 |
0 |
|
| 5 |
2л |
3,8 |
1560 |
405 |
2895 |
405 |
633 |
|
| 5 |
13л |
0,9 |
0 |
0 |
3300 |
0 |
0 |
|
| 6 |
2л |
4,7 |
1620 |
521 |
2779 |
521 |
844 |
|
| 6 |
13л |
0 |
0 |
0 |
3300 |
0 |
0 |
|
| 7 |
2п |
4 |
1520 |
416 |
2884 |
416 |
632 |
|
| 7 |
15п |
1 |
0 |
0 |
3300 |
0 |
0 |
|
| 8 |
2п |
3 |
1440 |
295 |
3005 |
295 |
426 |
|
| 8 |
15п |
1,9 |
1340 |
174 |
3126 |
174 |
233 |
|
| 9 |
2п |
2,1 |
1400 |
201 |
3099 |
201 |
282 |
|
| 9 |
15п |
2,8 |
1280 |
245 |
3055 |
245 |
314 |
|
| 10 |
2п |
3,8 |
0 |
0 |
3300 |
0 |
0 |
|
| 10 |
15п |
1,1 |
1220 |
92 |
3208 |
92 |
112 |
|
| 11 |
16л |
0,1 |
0 |
0 |
3300 |
0 |
0 |
|
| 11 |
15л |
5,7 |
0 |
0 |
3300 |
0 |
0 |
|
| 11 |
14л |
5 |
0 |
0 |
3300 |
0 |
0 |
|
| 12 |
16л |
0,7 |
0 |
0 |
3300 |
0 |
0 |
|
| 12 |
15л |
3,8 |
0 |
0 |
3300 |
0 |
0 |
|
| 12 |
14п |
4,2 |
1300 |
373 |
2927 |
373 |
486 |
|
| 12 |
1п |
0 |
1000 |
0 |
3300 |
0 |
0 |
|
| 13 |
16л |
2 |
0 |
0 |
3300 |
0 |
0 |
|
| 13 |
15л |
2,9 |
0 |
0 |
3300 |
0 |
0 |
|
| 13 |
14п |
3,4 |
1420 |
330 |
2970 |
330 |
469 |
|
| 13 |
1п |
1 |
1000 |
68 |
3232 |
68 |
68 |
|
| 14 |
16л |
3 |
0 |
0 |
3300 |
0 |
0 |
|
| 14 |
15л |
1,9 |
0 |
0 |
3300 |
0 |
0 |
|
| 14 |
14п |
2,5 |
1560 |
267 |
3033 |
267 |
416 |
|
| 14 |
1п |
2 |
2000 |
274 |
3026 |
274 |
547 |
|
| 15 |
16л |
4 |
0 |
0 |
3300 |
0 |
0 |
|
| 15 |
15л |
0,9 |
0 |
0 |
3300 |
0 |
0 |
|
| 15 |
14п |
1,6 |
0 |
0 |
3300 |
0 |
0 |
|
| 15 |
1п |
3 |
1840 |
378 |
2922 |
378 |
695 |
|
| 16 |
16л |
4,9 |
0 |
0 |
3300 |
0 |
0 |
|
| 16 |
15л |
0 |
0 |
0 |
3300 |
0 |
0 |
|
| 16 |
14п |
0,9 |
0 |
0 |
3300 |
0 |
0 |
|
| 16 |
1п |
4 |
1600 |
438 |
2862 |
438 |
700 |
|
| 17 |
16л |
5,9 |
0 |
0 |
3300 |
0 |
0 |
|
| 17 |
14п |
0 |
0 |
0 |
3300 |
0 |
0 |
|
| 17 |
1п |
4,9 |
1410 |
473 |
2827 |
473 |
666 |
|
| 18 |
16л |
6,8 |
440 |
205 |
3095 |
205 |
90 |
|
| 18 |
1п |
5,9 |
1460 |
589 |
2711 |
589 |
860 |
|
| 19 |
16п |
6,6 |
-460 |
-208 |
3508 |
-208 |
96 |
|
| 19 |
1п |
6,9 |
1520 |
717 |
2583 |
717 |
1090 |
|
| 20 |
16п |
5,6 |
0 |
0 |
3300 |
0 |
0 |
|
| 20 |
1л |
6,4 |
1580 |
692 |
2608 |
692 |
1093 |
|
| Всего |
13013 |
|||||||
| ДРср |
651 |
|||||||
Среднее значение потери мощности в сети в целом для участка составило Д Рср = 651 кВт.
По результатам расчётов строятся зависимости напряжения на токоприемнике электровоза от пути, пройденного поездом, которые представлены на рисунке 14.
На рисунке 15 представлена зависимость потери мощности ДРср от времени.
На дорогах постоянного тока напряжение на токоприемнике электровоза не должно быть меньше 2700 В. Тогда при заданном напряжении на шинах тяговой подстанции – 3300 В, допустимая потеря напряжения составляет
![]()
Наибольшее падение напряжения на токоприемнике электровоза составило DUЭ = 521 В. Это меньше допустимой потери напряжения, т.е. удовлетворяет требованию.
Провода подвески проверяются на возможный их перегрев. Для этого сравнивается значение эффективного тока наиболее загруженного фидера с допустимым для данного типа подвески током, значения которого приведены в таблице 2.5 /2/. Для определения эффективного значения тока наиболее загруженного фидера необходимо рассчитать среднее значение квадрата тока этого фидера
(6.3)
![]()
Допустимый ток заданного типа подвески составляет I = 2370 А. Из этого следует, что данный тип подвески подходит для эксплуатации на данном электрифицированном участке.
Минимальное допустимое значение напряжения на токоприемнике составляет UЭ = 2700 В, а минимальное рассчитанное UЭ = 2779 В.
7 Расчет мощности тяговой подстанции станции Б
Средняя мощность тяговой подстанции, отдаваемая в тяговую сеть, определяется по формуле
(7.1)
Где Uтп - напряжение на шинах тяговой подстанции, UТП = 3300 В;
Iср - средний ток подстанции, Iср = 1436 А.
кВт.
Необходимая трансформаторная мощность для питания тяговой и районной (нетяговой) нагрузки находится по формуле
(7.2)
Где Sт - потребная трансформаторная мощность для питания тяговой нагрузки, кВА;
Sр - потребная трансформаторная мощность для питания районной нагрузки, кВА
Kр -коэффициент, учитывающий несовпадение максимумов тяговой и районной нагрузок, Кр = 0,93.
Районная нагрузка определяется по формуле
(7.3)
Где aр - доля трансформаторной мощности тяговой подстанции, приходящаяся на районную нагрузку aр = 0,30.
Тогда получим
(7.4)
Потребная тяговая мощность для питания тяговой нагрузки определяется по формуле
(7.5)
Где Р - средняя мощность тяговой подстанции, отдаваемая в сеть, кВт;
КЗ - коэффициент, учитывающий повышение потребляемой электровозом мощности зимой за счет увеличения сопротивления движению,
КЗ = 1,08;
Ксн - коэффициент, учитывающий мощность собственных нужд электровоза.
Ксн = 1,05;
соs j - коэффициент мощности подстанции, cos j = 0,93.
![]()
кВА.
Коэффициент полезного действия тяговой сети рассчитывается по формуле
(7.6)
Где iа , iб , iв - средние токи тяговых подстанций А, Б и В, А;
DРср - среднее значение потерь мощности в сети, DРср = 651 кВт.
![]()
Заключение
Заданный тип контактной подвески М-95+2МФ-100+А-185 можно применять в условиях рассчитываемой интенсивности движения, т.к. в результате расчета значения критериев не превышают их допустимых значений.
Так минимальное допустимое значение напряжения на токоприемнике составляет UЭ = 2700 В, а минимальное рассчитанное UЭ = 2779 В.
Значение эффективного тока фидера составило Iэфф = 1318 А, а допустимое значение тока наиболее загруженного фидера равна I = 2370 А, что удовлетворяет требованию. Мощность тяговой подстанции Б равняется S = 7454 кВА. Коэффициент полезного действия тяговой сети получился равным h = 0,948. Из полученных зависимостей токов фидеров и подстанций от времени видно, что нагрузки на них распределяются неравномерно.
Список использованной литературы
1. Марквардт К.Г. Электроснабжение электрифицированных железных дорог. - М.:Транспорт, 1982. - 528 с.
2. Ткачев Ю.В. Расчет системы электроснабжения участка постоянного тока. -Екатеинбург, 2001. - 15 с.
3. Звездкин М.Н. Электроснабжение электрифицированных железных дорог. - М.:Транспорт, 1974. - 168 с.

