| Скачать .docx |
Книга: Книга: GSM сигнализации
GSM сигнализация - блокиратор
Предлагаемая схема блокировки двигателя автомобиля с помощью сотового телефона, проста и не требует больших затрат.
Для этого понадобится любой сотовый телефон с новой “сим” картой, зарядное устройство телефона от бортовой сети автомобиля, небольшое количество радиодеталей для блока коммутатора и кнопка. Всё это можно приобрести на любом радио рынке.
Сотовый телефон ставится в режим /вибратор/ и делаются выводы от вибратора наружу, для чего телефон надо разобрать, удалить сам вибратор, а концы вывести, определив полярность (желательно поставить разъём). Для исключения функции отключения вибратора при зарядке телефона, заряжать надо непосредственно аккумулятор, для чего делается вывод от контактов подключения аккумулятора или ставится шунт.
Обязательно в телефоне должна быть установлена новая “сим” карта чтобы исключить ложные срабатывания, а номер должны знать только вы, на “sms” сообщения схема не реагирует.
При наборе номера телефона находящегося в автомобиле, сработает дежурный режим и загорится индикаторная лампа, после нажатия на педаль тормоза заблокируется двигатель. Кнопка разблокировки устанавливается в потайном месте автомобиля недоступном взору, разблокировка осуществляется при включенном зажигании кратковременным нажатием на кнопку.
Индикатор блокировки выводится на свободный глазок приборной панели, если имеется или устанавливается дополнительно, лучше всего подключится к указателю правого поворота, при таком подключении автомобиль после срабатывания блокировки сразу укажет правый поворот, а индикатор поворота на панели (в некоторых случаях и звуковое сопровождение) укажет на то, что сработала блокировка, естественно только для вас.
Блок коммутатор собирается по схеме “схема блока”, временная цепочка R1, C1 подбирается так чтобы К1 переключался примерно на 5 гудок в телефоне, имейте в виду, что при скором повторном наборе переключение произойдёт раньше т.к. конденсатор не полностью разрядится.
Телефон устанавливается в потайном, но доступном месте, потому что при отключении аккумулятора, он через несколько дней отключится, не забывайте его включать. R5 подбирается таким образом, чтобы не грелся аккумулятор телефона, около 30 Ом.
Питание коммутатора подключается к замку зажигания через предохранитель или к точке уже имеющей слаботочный предохранитель. Реле блокировки устанавливается отдельно и размыкает цепь зажигания или других приборов отвечающих за работу двигателя, в рабочем состоянии реле включено.
В своём телефоне для удобства установите номер на быстрый набор одной кнопкой, а также запомните или запишите номер, на случай если не будет возможности звонить с вашего телефона.
Для включения функции оповещения, используйте схему “схема оповещения”. Телефон, находящийся в автомобиле настройте на вызов одной кнопкой, на ваш номер, к этой кнопке аккуратно припаяйте вывод “ вызов”, а к кнопке отбой вывод “отбой» (определить и подпаятся к разъёму матрицы кнопок). Реле подключите к + сирены. Если на автомобиле нет сигнализации, подключитесь к концевикам дверей, сменив полярность, в случае охраны гаража или квартиры, так же используйте концевик или геркон. На своём телефоне внесите этот номер как “тревога“ и поставьте отдельную мелодию. Если ответить на вызов “тревога”, то можно прослушать происходящие на объекте и принять необходимые меры.
Если отбой и выключение телефона у вас на одной кнопке, подключайте только вызов.
Раз в 4 месяца немного пополняйте баланс, чтобы не заблокировали номер.
Существует также возможность обнаружения местонахождения автомобиля т.к. в нём будет находиться сотовый телефон.

GSM сигнализация для гаража
GSM сигнализация для гаража
Самый простой способ охраны гаража и других объектов, это использовать старый, ненужный сотовый телефон, практически любой модели.
Для этого необходимо, настроить телефон на набор вашего номера одной кнопкой, к примеру “2” и отключить звонок и вибратор. Далее надо аккуратно разобрать телефон и параллельно кнопке “2” в удобном месте подпаять провода, лучше всего подпаяться к разъёму от матрицы кнопок (определить тестером). Для зарядки телефона используйте стандартное зарядное устройство для этого телефона, добавив диод и резистор порядка 30 ом.
Для телефона с отбоем и выключением на одной кнопке используйте схему 1 с нормально сомкнутым герконом, это важно.
Для телефона с раздельным отбоем и выключением используйте схему 2 и геркон с тремя контактами, в телефоне припаяйте ещё один провод к кнопке отбоя, один из проводов будет общий.
Разместите сотовый телефон и зарядное устройство, в скрытом безопасном месте. Установите геркон на косяке, а магнит на двери или воротах. Выключатель установите в потайном месте или закамуфлируйте под выключатель света.
Вместо герконов можно использовать концевые выключатели, но они не надёжны во влажной среде.
Перед выходом включите сигнализацию и закройте дверь, если сигнализация собрана по схеме 1, возможно поступит вызов, просто отбейте его. После входа выключите сигнализацию и также отбейте звонок, если поступит. Возможно это будет полезно в качестве проверки работоспособности. Если сигнализация собрана по схеме 2, звонки не успевают поступить.

Схема имеет существенный недостаток, если ворота будут закрыты сразу после проникновения, то сигнализация не сработает. Поэтому используйте нехитрое приспособление (см. рисунок) на которое устанавливается магнит геркона.

Работает оно следующим образом, перед уходом из гаража планку с магнитом поднимаете вверх и опираете на флажок, когда закроете ворота магнит упрётся в корпус с герконом и отойдёт назад, флажок опустится. Если открыть ворота, опустится и магнит, соответственно, если теперь закрыть ворота геркон не сработает. На оси планки и флажка, желательно поставить осевые пружинки.
Преимущество такого решения в том, что сигнализация работает при отключении электричества, что часто бывает в гаражах.
Незабывайте проверять сигнализацию, перед уходом поднимать магнит и раз в четыре месяца пополнять немного счёт, чтобы не отключили.
Оповещатель на базе старого сотового GSM телефона (Калмыков Борис)
Устройство использовалось на автомобиле, совместно с объёмным датчиком охранной сигнализации (здесь не рассматривается). Самый простой вариант был создан на базе телефона NOKIA 3310 (Рисунок 1), но может быть использован любой, с функцией сокращенного набора длительным нажатием одной кнопки. Ниже будет рассмотрено использование и других сотовых телефонов, с другой логикой работы.
С самого начала скажу, что требуется доработка сотового телефона: несколько проводов (в зависимости от выбранной схемы) подпаиваются к клавиатуре. Будьте осторожны.
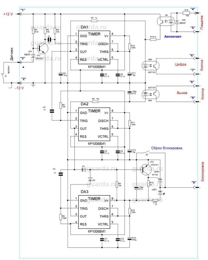
Для NOKIA 3310, на любой цифре сокращенного набора «забиваешь» номер «хозяина» (на схеме кнопка "Любимая кнопка"), отключаешь в телефоне пищалку вызова (для конспирации) и подпаиваешь провода со схемы (вибратор необходимо выключить).

Сигнал тревоги снимается с кнопки, срабатывающей при открывании двери салона автомобиля (S1) или «сухих» контактов Датчика объёма (S2).
Схема работает таким образом: при открывании дверей или в контролируемой зоне появляется посторонний объект, таймер IC (NE555) вырабатывает импульс не менее 1,5 секунды. Имитируется "Нажатие" кнопки сокращенного набора «любимая кнопка» и вызов на сотовый «хозяину» пошел. По высвеченному номеру на экране мобилы "хозяина", он принимает решение бежать или нет к авто и с каким «предметом». Можно "ответить" на вызов и услышать кто или что у микрофона на дальнем конце. Так как схемой реализовано автоподнятие трубки, то при желании, можно позвонить на охраняемый объект и послушать, что там делается.
Используемая элементная база не содержит дефицитных компонентов. Таймеры имеют отечественный аналог К1006ВИ1. Для гальванической развязки создаваемого блока и сотового телефона могут быть использованы любые оптопары. При использовании только нормальноразомкнутых контактов датчика - элементы: R1, VT1, S2 – можно исключить.
Существует возможность при дальнейшей доработке данной схемы приказать "объекту" выполнить команду: взорвать пиропатрон, выключить двигатель и т.д. (об этом расскажу ниже).
Для телефонов с сокращенным набором 2 кнопками, то есть, нажимаем кнопку сокращенного набора и затем кнопку посылки вызова, подойдёт схемное решение, изображенное на Рисунке 2. Здесь дополнительно показано дальнейшее усовершенствование схемы путём ввода узла блокировки двигателем. Примерный вариант получившейся схемы выглядит так:

Логика работы такова:
При звонке на эту мобилу (в автомобиле), срабатывает средний таймер, а затем нижний. Выходной импульс которого около 10-15 сек. Если после первого набора «отбиться» и снова набрать тот же номер, то имеет место одновременное присутствие выходных импульсов на среднем и нижнем таймере. Этот факт фиксирует схема "монтажное "И" выполненная на диодах в базовой цепи транзистора VT2. В итоге тиристор открывается и держит "0" на выходе 9. С него уже можно запускать любые блокировки (Реле и т.д.). О «сработке» блокировки сигнализирует светодиод LED1.
Сброс блокировки производится при кратковременном нажатии кнопки S2.
Устройства опробованы на автомобилях, принадлежащих мне и моим друзьям, использовались они в летнее время при парковках на улице, у дома. Питание блока осуществлялось от автономного источника – малогабаритного аккумулятора резервного источника питания компьютера.
Внешний вид двух полученных устройств с использованием Siemens C25 и C35, представлен на фотографиях.

Радует то, что уже давно валяющийся на полке «не модный» мобильный телефон снова на службе достойной уважения. Да, не иссякнет в нас дух радиолюбителя!
Сигнализация на основе дешевого сотового телефона (без микроконтроллеров и процессоров) (gsm-guard.net)
Принцип действия сигнализатора
После размыкания контактов охранного датчика (конечного выключателя или геркона) мобильный телефон циклически дозванивается по последнему набранному на нём номеру замыканием контактной пары кнопки "Вызов" с помощью электронного реле.
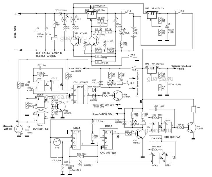
Принципиальная схема устройства изображена на рис. 1. Устройство состоит из трёх функционально законченных узлов: стабилизаторов напряжения с зарядным устройством (DA1, DA2, DA3, VТ1, VТ2), логического узла управления замыканием кнопки "Вызов" (DD1, DD2, VT4) и узла активации (DD3, DD4, VT5, VT6).

Зарядное устройство , выполненное на стабилизаторе DA1 [2] обеспечивает зарядку герметичной кислотно - свинцовой батареи аккумуляторов GB1 напряжением 6 В, емкостью 4 А · ч ( RB640E, RB640BS - китайского производства, имеющиеся в широкой продаже).
После подачи напряжения питания 12 В (такое напряжение питания выбрано для возможности использования устройства как в стационарном, так и в автомобильном варианте без пересчёта элементов схемы, в стационарном же варианте возможно питание устройства от источника напряжением 10…30 В при соответствующем выборе при этом реле К1 и пересчёте резисторов R1-R3) срабатывает реле К1 и своими контактами К1.1 подключает батарею к зарядному устройству. Через резисторы R9 и R10 начинает протекать зарядный ток. Если он превысит значение 0,1 С (0,4 А для указанной батареи), напряжение на резисторе R8 достигнет 0,6 В. Открывшийся транзистор VT2 шунтирует резисторы R6 и R7, что приводит к уменьшению напряжения на выходе зарядного устройства и ограничению зарядного тока на требуемом уровне. Одновременно напряжение на резисторах R9 и R10 открывает транзистор VT1, включается светодиод HL2, свидетельствующий о том, что батарея заряжается. По мере зарядки напряжение на батарее увеличивается и при снижении зарядного тока менее 0,02 С (80 мА) транзистор VT1 закрывается и светодиод гаснет, что свидетельствует об окончании зарядки. В таком состоянии аккумуляторная батарея может быть подключена к устройству неограниченно долго. Светодиод HL1 индицирует подключение устройства к сети. Контакты реле К1.2 исключают влияние элементов устройства на режим заряда аккумуляторной батареи, т.к. общий провод узлов устройства при питании от сети при этом подключается до узла ограничения зарядного тока батареи (транзистор VT2 и резисторы R8-R12) и узлы устройства таким образом не находятся в цепи заряда аккумуляторной батареи. Светодиод HL3 индицирует состояние "Резервное электропитание". Он включается при пропадании сетевого напряжения и подключении к устройству аккумуляторной батареи.
Стабилизатор DA2 необходим для приведения входного напряжения (12 В) к уровню напряжения аккумуляторной батареи (6 В) и обеспечивает питание всего устройства в целом. Стабилизатор DA3 DA3 питает (3,6 В) мобильный телефон - передатчик.
Логический узел управления замыканием кнопки "Вызов" телефона обеспечивает необходимую выдержку времени при выходе из помещения, последовательное двукратное срабатывание электронного коммутатора, приводящее к замыканию кнопки "Вызов" телефона (первое замыкание кнопки вызывает номер из памяти телефона, второе - его вызов) и циклический алгоритм вызова на случай занятости телефона - приёмника вызова.
Срабатывает устройство на размыкание контактов. Как только контакты SF1(дверной датчик) разомкнутся (это произойдёт при открывании двери), устройство переходит в режим сигнализации - начинает звонить по ранее введенному номеру, повторяя серию звонков с периодом примерно в 1 мин. до тех пор, пока не будет выключено питание узлом активации. В момент подачи питания на узел управления замыканием кнопки "Вызов" телефона через контакты реле К3.1, начинается зарядка конденсатора С6 через резистор R17. На эту зарядку уходит примерно 20 с. В течение этого времени RS триггер на элементах DD1.3, DD1.4 принудительно удерживается в нулевом состоянии ( на выходе элемента DD1.3 низкий уровень) и не реагирует на изменение уровня на нижнем по схеме входе элемента DD1.4, а значит на состояние дверного датчика SF1. В течение этого времени необходимо покинуть помещение. Выходной уровень триггера инвертируется транзистором VT3 и на нижний по схеме вход элемента DD1.1 и на вход R счетчика DD2 поступает высокий уровень. В результате счетчик DD2 удерживается в нулевом состоянии, а мультивибратор на элементах DD1.1 и DD1.2 блокируется и импульсов не вырабатывает. В таком состоянии на всех выходах счетчика DD2 будет низкий уровень, транзисторVT4 закрыт, реле К2 обесточено и его контакты разомкнуты. Данное состояние устройства соответствует дежурному режиму.
Предположим, при нахождении устройства в дежурном режиме, дверь открыли. Контакты датчика SF1 разомкнулись и через резистор R16 на нижний по схеме вход элемента DD1.4 поступил высокий уровень. Триггер DD1.3, DD1.4 переключается в единичное состояние, напряжение на коллекторе транзистора VT3 уменьшается почти до нуля. При этом запускается мультивибратор на элементах DD1.1, DD1.2 и на вход С счетчика DD2 поступают импульсы. Период повторения импульсов - 7 с. По окончании 1 и 3 импульса мультивибратора на выходах 1 и 3 счетчика соответственно поочередно появляется высокий уровень, что приводит к открыванию транзистора VT4 и срабатыванию реле К2, которое своими контактами К2.1 дважды, с интервалом в 14 с. замыкает контакты кнопки "Вызов" мобильного телефона. По окончании четвёртого импульса на входе С счётчика, диоды VD4,VD5 закрываются, что приводит к закрыванию транзистора VT4. По окончании одиннадцатого и тринадцатого импульса на входе С счётчика происходит повторное двукратное замыкание контактов кнопки "Вызов" телефона, и.т.д., т.е. замыкания кнопки происходят циклически через каждые 10 импульсов мультивибратора.
Светодиод HL4 индицирует нажатие кнопки "Вызов" телефона ( в принципе, он необходим на этапе налаживания устройства - в дальнейшем его можно исключить).
Узел активации [3] предназначен для управления реле К3 с помощью герконового датчика SF2. Контакты реле замыкаются и размыкаются при каждом замыкании контактов датчика (при каждом поднесении магнитного брелока к месту установки геркона SF2). Узел управляет логическим узлом, осуществляющим замыкание кнопки "Вызов" телефона при входе и выходе из помещения, т.е. при постановке на охрану и снятии с охраны. При этом обеспечивается подача или снятие напряжения питания (6 В) на логический узел управления кнопкой "Вызов" телефона.
Узел активации состоит из одновибратора на триггере DD3.1, триггера DD3.2, транзистора VT5 и реле К3. После подачи питания на устройство, реле К3 обесточено, контакты К3.1 разомкнуты. При замыкании контактов геркона SF2, импульсом дребезга контактов запускается одновибратор и вырабатывает положительный импульс продолжительностью около 0,5 с. На выходе триггера DD3.2 при этом появляется высокий уровень, транзистор VT5 открывается, реле К3 срабатывает и своими контактами К3.1 подаёт питание на логический узел. При следующем замыкании контактов геркона SF2 одновибратор опять вырабатывает одиночный импульс длительностью около 0,5с., который приводит к тому, что триггер DD3.2 изменяет своё состояние - на выходе триггера появляется низкий уровень, транзистор VT5 закрывается, реле К3 обесточивается и контакты К3.1 разрывают цепь подачи питания на логический узел управления кнопкой "Вызов" телефона. Таким образом, каждое замыкание контактов геркона SF2 изменяет состояние реле К3, контакты К3.1 которого в свою очередь подают или отключают питание на логический узел.
Генератор прерывистого сигнала на микросхеме DD4 служит для звукового полусекундного оповещения о режимах активация - деактивация, т.е. каждый раз, кратковременно поднося брелок к месту установки геркона SF2, раздается прерывистый звуковой сигнал. Генератор состоит из двух взаимосвязанных мультивибраторов, один из которых - на элементах DD4.3 и DD4.4, формирует на выходе пачки импульсов с частотой повторения около 2 Гц, а второй - на элементах DD4.1 и DD4.2 импульсы заполнения частотой около 1 кГц. Генератор запускается подачей на нижний по схеме вход элемента DD4.3 управляющего напряжения высокого уровня с выхода одновибратора на триггере DD3.1. Свечение светодиода HL5 сигнализирует дополнительно об активации.
Общий алгоритм работы системы следующий:
1. Выходя из помещения, подносим кратковременно магнитный брелок к месту установки геркона SF2. Полусекундный звуковой сигнал и свечение светодиода HL5 свидетельствуют о постановке системы на охрану;
2. Выйти из помещения необходимо примерно в течение 20 с., в течение этого времени система не будет реагировать на открывание - закрывание двери;
3. При несанкционированном открывании двери в помещение, примерно через 25 с. (это время зависит как от частоты импульсов мультивибратора на элементах DD1.1 и DD1.2, так и скоростью дозвона, определяемой самой сетью GSM) происходит дозвон по номеру телефона, набранного последним на мобильном телефоне - передатчике;
4. Непрерывный дозвон до абонента происходит примерно в течение 45… 50 с., в это время звонит телефон - приемник, затем через 50…60 с. паузы происходит повторный сорокапятисекундный дозвон и.т.д. циклически;
5. После получения оповещения о взломе телефоном - приемником, нажав на нем кнопку "Вызов", возможно осуществить прослушивание охраняемого объекта в течение 45… 50 с.;
6. Для разблокирования системы необходимо после открывания двери в течение примерно 20 с (это время зависит от частоты импульсов мультивибратора на элементах DD1.1 и DD1.2) кратковременно поднести магнитный брелок к геркону SF2. При этом звучит короткий звуковой сигнал и гаснет светодиод HL5.
В устройстве применены реле РЭС22, паспорт РФ 4.500.129 (К1); РЭС 49, паспорт РС 4.569.026 или РС 4.569.032 (К2, К3). Можно применить и другие реле с соответствующим числом контактных групп. К1 - на напряжение срабатывания 12 В; К2, К3 - на напряжение срабатывания 4…6 В. Диоды VD1, VD2 заменимы любыми, выдерживающими ток, вдвое больше зарядного (400 мА).
Указанные на схеме транзисторы допустимо заменить на любые из серий КТ 315 (VT1, VT3, VT6), КТ 3102 (VT2), КТ 815 (VT4, VT5).
Телефонный капсюль BF1 используется от самого же телефона, используемого в устройстве. Его необходимо аккуратно демонтировать из корпуса телефона. Стабилизаторы DA1, DA2, DA3 размещены на трёх игольчатых теплоотводах размерами 45 х 20 мм.
Все детали , за исключением дверного датчика, геркона узла активации, телефонного капсюля и светодиодов, смонтированы на печатной плате из одностороннего фольгированного стеклотекстолита толщиной 1,5 мм размерами 125 мм х 60 мм.
Телефон соединяют с печатной платой двумя парами проводов. Одну пару припаивают непосредственно к печатным проводникам, идущим к контактам кнопки "Вызов", вторую - к печатным проводникам питания телефона. Кроме того, из телефона выносится наружу экранированным проводом микрофон, который используется для прослушивания помещения.
Правильно собранное устройство требует минимального налаживания.
При отключенной аккумуляторной батарее подают питание и, подбирая резистор R6, устанавливают на выходе зарядного устройства напряжение 6,75 В. Вместо батареи кратковременно подключают резистор сопротивлением 10 Ом мощностью 2 Вт и измеряют протекающий через него ток. Он не должен превышать 0,4 … 0,45 А. Измеряют напряжение 6 В и 3,6 В на выходе стабилизаторов DA2 и DАЗ соответственно, в крайнем случае подбирают резисторы R15 и R26 для корректировки этих значений.
Для проверки работоспособности всего устройства включают телефон -передатчик и набирают номер телефона, по которому надо будет дозвониться.
Плата охранной сигнализации, телефон и аккумуляторная батарея установлены в общем прочном пластмассовом корпусе. Светодиоды (5 штук) вынесены на лицевую панель корпуса (для скрытности светодиоды можно и не устанавливать). Геркон SF2 может быть расположен как внутри корпуса так и снаружи в скрытном месте. Датчик SF1 располагают на косяке дверного проема, если сигнализация используется в помещении, или используют штатный дверной выключатель, если это автомобиль. В автоварианте желательно использовать совместно с описываемым сигнализатором уже имеющуюся охранную автомобильную сигнализацию, подав высокий уровень при срабатывании имеющейся сигнализации на нижний по схеме вход элемента DD1.4 логического узла управления замыканием кнопки "Вызов" телефона (при этом отключают датчик SF1 и резистор R16 ) .
Также внутри корпуса закрепляют микрофон и телефонный капсюль, извлеченные из корпуса телефона. В корпусе просверливают два небольших отверстия и изнутри приклеивают к этим отверстиям микрофон и телефонный капсюль. Питание 12 В подают на блок через разъем, расположенный на боковой поверхности корпуса. В авторском варианте к базовому варианту охранной сигнализации (рис. 1), добавлены два узла: датчик движения (на схеме не показан) и речевой модуль (рис.2).

Цифровой выход датчика движения подключен к нижнему по схеме входу элемента DD1.4 (при этом отключают датчик SF1 и резистор R16). При возникновении движения в зоне действия датчика, на входе RS триггера появляется высокий уровень, что приводит к запуску мультивибратора и счетчика логического узла.
Речевой модуль (рис.2) предназначен для произношения фразы "Система активирована, пожалуйста покиньте помещение" при активации системы (поднесении брелока к геркону при выходе из помещения). Впрочем, можно записать для воспроизведения и любую другую фразу, по желанию. Речевой модуль [4] состоит из микросхемы записи - воспроизведения речи DD1 и усилителя мощности DA1. Методика записи речи в микросхему ISD 1416Р представлена в [4]. При выходе из помещения, поднеся магнитный брелок к геркону SF2, на выводе 12 триггера DD3 появляется высокий уровень. При этом на выводе 24 DD1 речевого модуля появляется низкий уровень, что приводит к воспроизведению голосовой фразы, записанной ранее в микросхему DD1.
Датчик движения и речевой модуль установлены также в общий корпус системы.
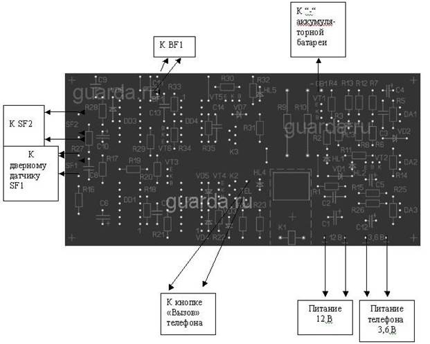
Вид печатной платы приведен на рис.3 и рис.4.


Точки подключения показаны на рис.5.
