| Похожие рефераты | Скачать .docx |
Курсовая работа: Трансмиссия автомобиля ИЖ 21251
Оглавление
ВВЕДЕНИЕ. 3
1. ТРАНСМИССИЯ АВТОМОБИЛЯ ИЖ - 21251. 4
1.1. Краткая техническая характеристика автомобиля, назначение, устройство и работа трансмиссии. 4
1.2. Сцепление. 4
1.3. Коробка передач. 6
1.4. Карданная передача. 8
1.5. Ведущий мост. 10
2. РАСЁТ ТЯГОВО – СКОРОСТНЫХ ПОКАЗАТЕЛЕЙ ТРАНСМИССИИ 14
3. ХОДОВАЯ ЧАСТЬ АВТОМОБИЛЯ ИЖ – 21251. 20
3.1. Кузов автомобиля. 20
3.2. Передняя подвеска. 20
3.3. Задняя подвеска. 22
3.4. Шины, колёса и ступицы.. 23
ЗАКЛЮЧЕНИЕ. 26
ИСТОЧНИКИ.. 27
ПРИЛОЖЕНИЯ.. 28
ВВЕДЕНИЕ
Автомобильный транспорт имеет большое значение в общей транспортной системе РФ, не его долю приходится свыше 2\3 всех грузовых перевозок в народном хозяйстве.
Основными направлениями экономического и социального развития страны, предусматривается освоение и расширение производства грузовых и специализированных автомобилей и автобусов, в первую очередь дизельных, увеличение выпуска малотоннажных грузовых автомобилей и электромобилей для внутригородских перевозок, значительное увеличение производства прицепов и полуприцепов для обеспечения перевозок автопоездами. В последнее время запланировано увеличение грузооборота автомобильного транспорта общего пользования в 1,3…1,4 раза, а пассажирооборота автобусов – на 16…18%
Транспорт важнейший элемент инфраструктуры, под который понимают отрасли народного хозяйства, создающие общие его функционирования. Транспорт оказывает активное влияние на процесс расширенного воспроизводства, величину запасов, сырья, топлива и промышленной продукции, производственную мощность складов, т.е. на эффективность функционирования различных отраслей народного хозяйства.
В связи с этим становятся более востребованными инженеры – механики автотранспортной специальности, которые в соответствии с квалификационной характеристикой должны знать устройство автотранспортных средств и тенденции развития конструкции автомобиля в целом и основных узлов и агрегатов.
Целью данной работы является закрепление знаний и навыков, приобретённых на лекциях, лабораторных занятиях и при самостоятельной работе; познание автомобиля как сложной технической системы.
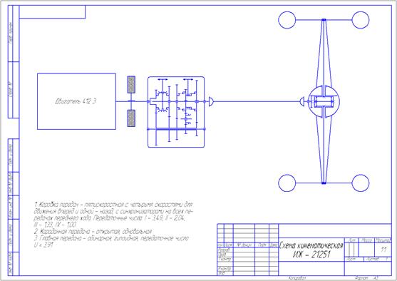
1. ТРАНСМИССИЯ АВТОМОБИЛЯ ИЖ - 21251
1.1 Краткая техническая характеристика автомобиля, назначение, устройство и работа трансмиссии
Автомобиль ИЖ – 21251 – легковой автомобиль с кузовом типа "комби", число мест, включая место водителя – 5. Масса снаряжённого автомобиля - 1040 кг, полная масса автомобиля – 1440 кг, грузоподъёмность – 400 кг. Максимальная скорость движения на высшей передаче составляет 140 км/ч.
На автомобиль установлен двигатель 412 Э, с рабочим объёмом 1,58 л. Это четырёхтактный, четырёхцилиндровый, карбюраторный двигатель, с рядным расположением цилиндров. Номинальная мощность двигателя при частоте вращения 5800 об/мин составляет 75 л. с. или 55,2 кВт. Максимальный крутящий момент составляет 114,2 Н·м при частоте вращения 3000 об/мин.
Трансмиссия автомобиля представляет собой совокупность механизмов, передающих вращающий момент от коленчатого вала двигателя к ведущим колёсам и изменяющих вращающий момент и частоту вращения ведущих колёс по значению и направлению. Трансмиссия автомобилей ИЖ – 21251 состоит из следующих элементов:
сцепление;
коробка передач;
карданная передача;
ведущий мост.
1.2 Сцепление
Сцепление необходимо для кратковременного отъединения вала двигателя от коробки перемены передач при переключении передач и для плавного их соединения при трогании.
На автомобилях ИЖ – 21251 установлено сухое однодисковое сцепление с центральной нажимной пружиной и гасителем крутильных колебаний (демпфером), смонтированном на ведомом диске, и гидравлическим приводом выключения сцепления.
Сцепление является неразборным узлом: в нём не предусмотрены какие-либо регулировки при сборке узла и в процессе эксплуатации.
Сцепление состоит из двух основных частей: нажимного диска с кожухом в сборе и ведомого диска, заключённых в литой из алюминиевого сплава картер, имеющий форму колокола.
Схема сцепления автомобиля ИЖ – 21251 представлена на рисунке 1.1.
Рисунок 1.1. Сцепление автомобиля ИЖ – 21251
1 – картер сцепления, 2 – шайба; 3 – гайка; 4 – шпилька крепления картера сцепления; 5 – кожух в сборе с нажимным диском; 6 – подшипник выключения сцепления; 7 – обойма подшипника; 8 – соединительное звено; 9 – сальник в сборе; 10 – болт крепления кожуха; 11 – шайба; 12 – установочный штифт кожуха сцепления; 13 – маховик; 14 – гайка; 15 – шайба; 16 – шпилька крепления картера сцепления; 17 – штифт установочный трубчатый картера сцепления; 18 – гайка; 19 – шпилька крепления стартера и картера сцепления; 20 – чехол грязезащитный; 21 – винт крепления кронштейна вилки; 22 – ось вилки; 23 – кронштейн вилки; 24 – втулка вилки; 25 – вилка выключения сцепления; 26 – пружина оттяжная вилки; 27 – щиток в вентиляционный; 28 – штифт: 29 – гайка пластинчатая крепления вентиляционного щитка; 30 – шайба; 31 – болт крепления грязезащитного щитка; 32 – ведомый диск в сборе; 33 – щиток грязезащитный.
1.3 Коробка передач
Коробка передач служит для изменения силы тяги и скорости движения автомобиля в зависимости от условий работы. С помощью коробки передач можно изменить направление движения на задний ход и отключить работающий двигатель от трансмиссии при остановке.
Действие коробки передач основано на том, что вращение от коленчатого вала двигателя передаётся на ходовую часть через зубчатые шестерни с определённым передаточным числом на каждой передаче.
Число, показывающее, во сколько раз изменяется частота вращения ведомого вала по сравнению с ведущим или во сколько раз ведомая шестерня больше (меньше) ведущей по числу зубьев, называется передаточным числом. Если в передаче участвует несколько пар шестерён, то общее передаточное число получается умножением передаточных чисел всех пар шестерён, участвующих в передаче.
На автомобилях ИЖ – 21251 установлена пятискоростная коробка передач с четырьмя скоростями для движения вперёд и одной – назад.
Все шестерни коробки передач имеют косые зубья, кроме шестерен заднего хода и соответствующего венца блока промежуточных шестерен. Коробка снабжена синхронизаторами для включения первой, второй, третьей и четвертой передач. Первичный вал, шестерни первой, второй и третьей передач находятся в постоянном зацеплении с блоком промежуточных шестерен. Ведомая шестерня заднего хода скользящая на шлицах ступицы. Шестерни первой, второй и третьей передач установлены на вторичном валу на стальных втулках. В промежуточную шестерню заднего хода запрессована бронзовая втулка. Механизм переключения передач смонтирован на боковой крышке.
В картере на неподвижном стержне установлены две скользящие вилки включения передних передач. Вилка заднего хода вынесена с помощью поперечного валика на сторону, противоположную боковой крышке.
Стальной кронштейн задней опоры двигателя размещен на фланце в средней части удлинителя.
Коробка управляется рычагом переключения передач, смонтированным на напольном механизме.
Схема коробки передач автомобиля ИЖ – 21251 представлена на рисунке 1.2.
Рисунок 1.2. Коробка передач автомобиля ИЖ – 21251
1 – вал первичный; 2 – кольцо стопорное; 3 – подшипник роликовый; 4 – кольцо; 5 – гайка; 6 – шайба пружинная; 7 – шайба стопорная; 8 – шестерня III передачи; 9 – шайба распорная; 10 – шестерня II передачи; 11 – шестерня заднего хода (муфта включения I и II передач); 12 – сухарь синхронизатора: 13 – шестерня I передачи; 14 – шестерня – ведущая привода спидометра; 15 – шарик стопорной шестерни; 16 – вал вторичный: 17 – удлинитель; 18 – втулка биметаллическая; 19 – сальник внутренний: 20 – сальник наружный; 21 – вилка скользящая; 22 – кронштейн задней опоры двигателя; 23 – редуктор спидометра; 24 – шайба упорная; 25 – втулка шестерен; 26 – ступица; 27 – пружина; 28 – трубка распорная: 29 – ось блока: 30 – блок шестерен промежуточного вала: 31 – муфта включения III и IV передач; 32 – кольцо блокирующее; 33 – иглы блока: 34 – кольцо упорное игл; 35 – шайба передняя упорная блока; 36 – шестерня паразитная заднего хода; 37 – ось паразитной шестерни; 38 – рычаг переключения; 39 – переключатель передач; 40 – пружина фиксатора вилок; 41 – шарик фиксатора; 42 – стержень вилок; 43 – вилка переключения передач; 44 – стопор осей: 45 – валик переключения заднего хода; 46 – вилка включения заднего хода; 47 – крышка люка шестерни заднего хода; 48 – картер.
Применение синхронизаторов в коробке передач облегчает управление автомобилем, обеспечивает бесшумность включения передач и повышает долговечность зубчатых муфт шестерён. Передаточные числа:
I – 3,49; II – 2,04; III – 1,33; IV – 1,00; задний ход – 3,39.
1.4 Карданная передача
При размещении одного агрегата относительно другого на некотором расстоянии вращающий момент передаётся через карданные передачи.
Они предназначены для передачи вращающего момента между агрегатами, оси валов которых могут смещаться при движении. Их применяют главным образом на автомобилях для соединения ведомого вала коробки передач с валами раздаточной коробки и ведущих мостов. Простая карданная передача состоит из карданных шарниров и вал. Карданные шарниры обеспечивают угловое перемещение карданного вала (до 24°), а свободные шлицевые соединения вилок карданного шарнира с валом – изменение расстояния между шарнирами. Валы карданной передачи изготавливают из тонкостенных стальных труб. На концах к трубе приварены вилки карданных шарниров (или с одной стороны – вилка, а с другой - шлицевая втулка).
На автомобиле установлена карданная передача состоящая из одного вала и двух карданных шарниров с игольчатыми подшипниками, скользящей и фланцевых вилок.
Схема карданной передачи представлена на рисунке 1.3.
Рисунок 1.3. Карданная передача
1 – удлинитель картера коробки передач; 2 – вал вторичный; 3 – грязеотражатель удлинителя; 4, 5 – резиновые сальники; 6 – грязеотражатель скользящей вилки; 7 – вилка скользящая; 8 – пластина балансировочная; 9 – труба карданного вала; 10 – вилка; 11 – вилка фланцевая; 12 – болт; 13 – фланец ведущей шестерки заднего моста; 14 – шайба пружинная; 15 – гайка; 16 – мост задний; 17 – корпус игольчатого подшипника; 18 – проушина вилки; 19 – игла; 20 – кольцо стопорное пружинное; 21 – шайба уплотняющая с тормозным торцем; 22 – сальник карданного подшипника резиновый; 23 – крестовина кардана.
1.5. Ведущий мост
Ведущим называют мост, механизмы которого передают вращающий момент от коробки передач колёсам. Он включает в себя корпус (картер), главную передачу, дифференциал и полуоси.
Главная передача – это механизм трансмиссии, увеличивающий вращающий момент после коробки передач. В автомобилях вращающий момент в главной передаче передаётся под прямым углом. Главная передача может быть одинарной, состоящей из одной пары шестерён, и двойной, состоящей из двух пар шестерён.
Одинарная передача может быть обычной и гипоидной. Гипоидная (сокращённо от гиперболоидная) передача осуществляется коническими шестернями со скрещивающимися осями. Преимущество гипоидной передачи в том, что ось её ведущей шестерни расположена ниже оси ведомой (оси заднего моста). Поэтому центр масс автомобиля ниже и устойчивость его лучше.
Гипоидная передача более надёжна и бесшумна, чем передача с обычными коническими шестернями со спиральными зубьями.
Ведущие шестерни выполняют заодно с валом или съёмными. Ведомые шестерни в основном изготавливают в виде съёмных венцов, прикрепляемых болтами или заклёпками к корпусу дифференциала. В двойной главной передаче имеются одна пара конических и одна пара цилиндрических шестерён. Для обеспечения бесшумной работы конические шестерни выполняют со спиральными зубьями.
Во время движения автомобиля ведущий вал вместе с малой конической шестернёй приводит во вращение ведомую коническую шестерню, закреплённую на корпусе дифференциала.
Дифференциал – это механизм трансмиссии, распределяющий подводимый к нему вращающий момент между полуосями ведущих колёс и позволяющий им вращаться с различными скоростями. Когда автомобиль движется прямо и по ровной дороге, оба ведущих колеса встречают одинаковое сопротивление качению. При этом ведомая шестерня главной передачи вращает вокруг своей оси корпус дифференциала с крестовиной и сателлитами. Сателлиты, находясь в зацеплении с правой и левой полуосевыми шестернями, зубьями приводят их во вращение с одинаковой частотой. В этом случае сателлиты вокруг собственной оси не вращаются.
Полуоси. Полуосевые шестерни шлицованными отверстиями насажены на полуоси. Другие концы полуосей соединены фланцами со ступицами ведущих колёс.
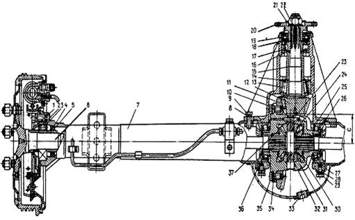
На автомобиле установлен гипоидный задний мост с гипоидной главной парой, состоящий из следующих трех основных частей:
1. Картер заднего моста (балка) - собран из двух штампованных из листовой стали половинок и двух кованных фланцев, приваренных дуговой сваркой к трубчатым концам балки.
Средняя расширенная часть балки имеет сквозной проем, к задней стороне которого герметично приварен (усиливающий картер) штампованный из листовой стали сферический колпак, в котором размещается выступающая из редуктора часть ведомой шестерни с дифференциалом. Передний торец, обработанный и усиленный внутри стальными накладками, служит для крепления редуктора заднего моста.
На расстоянии приблизительно 455 мм от центра картера привариваются опорные площадки-подушки для крепления рессор.
2. Редуктор заднего моста с гипоидными шестернями главной передачи, имеет передаточное отношение – 3,91.
Характерной конструктивной особенностью гипоидного редуктора является смещение оси шестерни и горловины картера относительно оси ведомой шестерни вниз на 32 мм и 11 мм вправо относительно продольной оси автомобиля.
3. Полуоси (полуразгруженного типа) в сборе представляют собой узел, собранный с маслоуловителем, с радиальным шариковым подшипником, напрессованным и запертым па полуоси запорной втулкой, напрессовываемой в нагретом (до 250 – 300°С) состоянии.
Подшипник полуоси – закрытого типа с одноразовой смазкой, заложенной туда на весь срок службы до капитального ремонта автомобиля.
Свободный конец полуоси имеет эвольвентные шлицы и сопрягается с шестерней полуоси, установленной в коробке дифференциала редуктора.
Второй конец полуоси с фланцем, опирающийся па подшипник, удерживается в гнезде фланца картера с помощью стальной пластины, прижимающей наружное кольцо подшипника, по наружному диаметру которого центрируется тормозной щит с колодками. Пластина вместе с тормозным щитом крепится к торцу фланца с помощью четырех болтов.
Схема заднего моста автомобиля представлена на рисунке 1.4.
Рисунок 1.4. Задний мост автомобиля ИЖ – 21251
1 – пластина крепления подшипника; 2 – втулка упорная; 3 – подшипник заднего колеса; 4 – втулка запорная подшипника; 5 – манжета полуоси; 6 – полуось; 7 – картер заднего моста; 8 – шайба пружинная; 9 – болт крепления редуктора; 10 – картер редуктора; 11 – шестерня ведомая: 12 – шестерня ведущая; 13 – подшипник ведущей шестерни задний; 14 – прокладки регулировочные; 15 – втулка распорная; 16 – прокладки регулировочные; 17 – подшипник ведущей шестерни передний; 18 – шайба маслоотражательная; 19 – манжета ведущей шестерни; 20 – фланец крепления карданного вала с грязеотражателем в сборе; 21 – шайба; 22 – гайка; 23 – штифт пальца сателлитов; 24 – коробка дифференциала; 25 – подшипник дифференциала; 26 – гайка регулировочная; 27 – стопор; 28 – шайба пружинная; 29 – болт крепления стопора; 30 – шестерня полуоси; 31 – сателлит; 32 – палец сателлитов; 33 – пробка маслоналивного отверстия; 34 – шайба пружинная; 35 – болт крепления ведомой шестерни; 36 – крышка подшипников дифференциала; 37 – шайба опорная.
2. РАСЧЁТ ТЯГОВ-СКОРОСТНЫХ ПОКАЗАТЕЛЕЙ ТРАНСМИССИИ
В этой части работы проведём расчёт крутящих моментов и частот вращения на всех выходных валах агрегатов трансмиссии (коробка передач, главная передача) и на всех режимах.
Для этого необходима внешняя скоростная характеристика (ВСХ) двигателя автомобиля, представленная на рисунке 2.1.

Рисунок 2.1. Внешняя скоростная характеристика двигателя 412 Э
За исходные параметры принимаются две точки на ВСХ двигателя:
максимальный крутящий момент и соответствующая ему частота вращения – Тe max и nт;
максимальная мощность и соответствующая частота вращения – Ne max и nN.
Таким образом, получаем:
1) Тe max = 114,2 Н·м при nт = 3000 об/мин;
2) ТN = 75 л. с. = 55,2 кВт при nN = 5800 об/мин.
Передаточные числа коробки передач:
U1 = 3,49;
U2 = 2,04;
U3 = 1,33;
U4 = 1,00 (прямая).
Передаточное число главной передачи U0 = 3,91.
Определяем величину крутящего момента при максимальной мощности по формуле:

где: ТN – величина крутящего момента при максимальной мощности, Н·м;
Ne max – максимальная мощность двигателя, кВт, Ne max = 55,2 кВт;
nN – частота вращения двигателя при максимальной мощности, об/мин, nN = 5800 об/мин.

Проверяем соответствие кривых мощности и крутящего момента по нескольким точкам по формуле:
![]()
где: Te – крутящий момент при выбранной частоте вращения, Н·м;
ω – угловая скорость вращения коленчатого вала двигателя, рад/с;
n – частота вращения двигателя, об/мин.
1) При n = 3400 об/мин и Te = 114 Н·м:
![]()
2) При n = 2200 об/мин и Te = 112 Н·м:
![]()
Таким образом, кривые мощности и крутящего момента на ВСХ соответствуют друг другу.
Определяем литровую мощность двигателя по формуле:

где: Vh – литраж двигателя – сумма рабочих объёмов всех цилиндров, выраженная в литрах, Vh = 1,58.

Определяем коэффициенты приспосабливаемости двигателя:
по крутящему моменту:

по частоте вращения:

Общий (полный) коэффициент приспосабливаемости двигателя определяется следующим образом:
![]()
Определяем диапазон коробки передач:

где: UН – передаточное число низшей передачи, UН = 3,49;
UВ – передаточное число высшей передачи, UВ = 1,00.

Определяем интервалы:
между I и II передачей: U1/U2 = 3,49/2,04=1,71;
между II и III передачей: U2/U3 = 2,04/1,33=1,53;
между III и IV передачей: U3/U4 = 1,33/1,00=1,33.
Средний интервал:
![]()
где: n – число ступеней коробки передач.
Определяем тягово-скоростные характеристики двигателя. Для этого определяем крутящие моменты и частоту вращения валов на выходе коробки передач и главной передачи на каждой передаче при максимальном крутящем моменте (то есть при Те max = 114,2 Н·м и nТ = 3000 об/мин), и при максимальной мощности двигателя (то есть при ТN = 90,9 Н·м и nN = 5800 об/мин).
1) Первая точка:
крутящий момент на I передаче на вторичном валу КП:
Т1 = 114,2·3,49 = 398,5 Н·м;
на выходе главной передачи:
Т0.1 = 398,5·3,91 = 1558,1 Н·м;
частота вращения соответственно:
nТ.1 = 3000/3,49 = 859,6 об/мин;
nТ0.1 = 859,6/3,91 = 219,8 об/мин.
Вторая точка:
крутящий момент на I передаче на вторичном валу КП:
ТN.1 = 90,9·3,49 = 317,2 Н·м;
на выходе главной передачи:
ТN0.1 = 317,2·3,91 = 1240,2 Н·м;
частота вращения соответственно:
nN.1 = 5800/3,49 = 1661,9 об/мин;
nN0.1 = 1661,9/3,91 = 425,0 об/мин.
2) Первая точка:
крутящий момент на II передаче на вторичном валу КП:
Т2 = 114,2·2,04 = 232,9 Н·м;
на выходе главной передачи:
Т0.2 = 232,9·3,91 = 910,6 Н·м;
частота вращения соответственно:
nТ.2 = 3000/2,04 = 1470,6 об/мин;
nТ0.2 = 1470,6/3,91 = 376,1 об/мин.
Вторая точка:
крутящий момент на II передаче на вторичном валу КП:
ТN.2 = 90,9·2,04 = 185,4 Н·м;
на выходе главной передачи:
ТN0.2 = 185,4·3,91 = 724,9 Н·м;
частота вращения соответственно:
nN.2 = 5800/2,04 = 2843,1 об/мин;
nN0.2 = 2843,1/3,91 = 727,1 об/мин.
Аналогичным образом проводим расчёты для III и IV передач. Результаты расчётов сводим в таблицы 1 и 2.
Таблица 1
Крутящие моменты и частоты вращения выходных валов агрегатов
трансмиссии при исходных Te max и nT
| n |
UКП |
КП |
ГП U0 = 3,91 |
||
| Т, Н·м |
n, об/мин |
Т0, Н·м |
n0, об/мин |
||
| 1 |
3,49 |
398,5 |
859,6 |
1558,1 |
219,8 |
| 2 |
2,04 |
232,9 |
1470,6 |
910,6 |
376,1 |
| 3 |
1,33 |
151,9 |
2255,6 |
593,9 |
576,8 |
| 4 |
1,00 |
114,2 |
3000 |
446,5 |
767,2 |
Таблица 2
Крутящие моменты и частоты вращения выходных валов агрегатов
трансмиссии при исходных TN и nN
| n |
UКП |
КП |
ГП U0 = 6,33 |
||
| ТN, Н·м |
nN, об/мин |
Т0N, Н·м |
n0N, об/мин |
||
| 1 |
3,49 |
317,2 |
1661,9 |
1240,2 |
425,0 |
| 2 |
2,04 |
185,4 |
2843,1 |
724,9 |
727,1 |
| 3 |
1,33 |
120,9 |
4360,9 |
472,7 |
1115,3 |
| 4 |
1,00 |
90,9 |
5800 |
355,4 |
1483,4 |
Проверка расчётов:
1) По коэффициентам приспосабливаемости для I передачи:
КТ = 1558,1/1240,2 = Тe max/TN = 1,25;
KN = 425/219,8 = nN/nT = 1,93.
2) По мощности:
для IV (прямой) передачи по таблице 1:
Ne = 0,105·Те·n = 0,105·114,2·3000 = 35,97 кВт;
для I передачи: 0,105·1558,1·219,8 = 35,96 кВт.
Для таблицы 3 проверку проводим соответственно:
0,105·90,9·5800 = 55,36 кВт;
0,105·1240,2·425 = 55,34 кВт.
Полученные результаты в пределах погрешностей совпадают с рассчитанными ранее.
По результатам расчётов строим график: по оси ординат – крутящий момент, по оси абсцисс – частота вращения. Две точки, принадлежащие одному режиму из разных таблиц, соединяем пунктирной линией и обозначаем около этой линии режим работы.
3. ХОДОВАЯ ЧАСТЬ АВТОМОБИЛЯ ИЖ – 21251
3.1. Кузов автомобиля
Кузов автомобиля - несущей конструкции, состоит из корпуса кузова и съемных деталей.
Несущая часть кузова, корпус, состоят из отдельных узлов и деталей, соединенных между собой посредством сварки (точечной, дуговой, газовой).
К съемным деталям кузова относятся передние крылья, грязезащитные щитки передних крыльев, брызговик у переднего буфера, стойки под фару (к которым крепятся облицовка радиатора и фары), капот, двери, декоративные детали передка, крышка вентиляционного люка. Крепление съемных деталей к кузову осуществляется посредством болтов или винтов.
Детали внутренней отделки кузова также съемные и крепятся к. кузову, как правило, при помощи специальных пружинных пистонов и шурупов по металлу, а в некоторых случаях (обивка потолка в передней и задней частях) - при помощи клея.
3.2. Передняя подвеска
Передняя подвеска - независимая, рычажно-пружинная, агрегатированная в самостоятельный узел.
Подвеска собрана на штампованной и сварной поперечине и крепится к лонжеронам рамы через резиновые прокладки. На поперечине подвески устанавливается двигатель.
Нижние рычаги подвески – цельноштампованные корытообразной формы. Рычаги соединены с поперечиной с помощью резино-металлических шарниров – сайлент-блоков, состоящих из двух металлических обойм, между которыми установлена с предварительным натягом резиновая втулка.
Верхние рычаги - штампованные с вварными втулками. Соединены с поперечиной посредством оси с сайлент-блоками, наружная обойма которых представляет собой три отдельных сектора, а резина привулканизирована к внутренней и наружной обоймам.
Верхние рычаги в сборе с осью крепятся на опоре поперечины болтами. Между осью и опорой размещены регулировочные скобы и прокладки. Изменением количества скоб регулируется угол продольного наклона оси поворота колеса (кастер), изменением количества прокладок - развал колес (камбер). Стойка подвески – кованная. Верхний шарнир стойки имеет регулировку осевого зазора для устранения износа сферических поверхностей вкладышей и пальца.
Нижнее шарнирное соединение сгонки с рычагом (шаровая опора) регулировок не имеет, так как зазоры в нем выбираются весом автомобиля.
Схема передней подвески изображена на рисунке 3.1.

Рисунок 3.1. Передняя подвеска
1 – поперечина подвески; 2 – пружина; 3 – прокладка пружины; 4 – амортизатор; 5 – рычаг верхний; 6 – верхняя чашка; 7, 26, 31 – гайки; 8 – подушка амортизатора; 9 – чашка средняя; 10 – чашка нижняя; 11 – буфер отбоя; 12 – шарнир шаровой; 13 – стойка передней подвески; 14 – тормоз передний; 15 – шплинт; 16 – опора шаровая; 17 – гайка корончатая; 18 – стяжка транспортная; 19 – буфер сжатия; 20, 33, 27 – болты; 21, 25 – шайбы; 22 – рычаг нижний; 24 – шайба распорная; 28 – втулка амортизатора; 29 – втулка распорная; 30 – кронштейн амортизатора.
3.3. Задняя подвеска
Рессоры автомобилей с кузовом "седан" и "комби" собраны с применением пластмассовых межлистовых прокладок и резиновых прокладок на хомутах и не нуждаются в смазке.
Рессора автомобиля "фургон", не имеющая прокладок, для устранения скрипа листов нуждается в межлистовой смазке.
Схема задней подвески автомобиля представлена на рисунке 3.2.
Рисунок 3.2. Задняя подвеска
1 – рессора ИЖ – 2715 – 01; 2 – Рессора ИЖ – 21251; 3 – кронштейн передний; 4 – втулка резиновая ушков рессоры; 5 – шайба сферическая; 6, 17, 25 – шайбы пружинные; 7 – палец передний рессоры; 8, 10, 26 – гайки; 9 – щека серьги с пальцами в сборе; 11 – щека серьги; 12 – втулка заднего кронштейна; 13 – буфер задней подвески; 14 – картер заднего моста; 15 – стремянка; 16 – пластина стремянки; 18,20 – обоймы; 19 – втулка резиновая; 21 – гайка прорезная; 22 – шплинт; 23 – амортизатор; 24 – кронштейн амортизатора; 27, 29 – болты; 28 – втулка распорная.
Передние и задние амортизаторы - гидравлические, телескопического типа двустороннего действия, двухтрубные предназначены для гашения колебаний подвесок.
Передние амортизаторы установлены внутри пружины подвески, верхняя их часть закрыта поперечиной подвески, поэтому они не имеют кожуха. Для защиты от коррозии шток хромирован. Задние амортизаторы установлены открыто и поэтому снабжены защитным кожухом. Передние и задние амортизаторы различаются также креплением штока, габаритной длиной и усилиями отбоя.
3.4. Шины, колёса и ступицы
Шины. Гравировкой пресс-формы отмечается товарный знак или наименование завода-изготовителя, размер и номер модели шины. Оттиском специального жетона на шине наносится месяц и год изготовления, а также серийный номер покрышки (рисунок 3.3).
Красной краской отмечается легкое место покрышки.
Рисунок 3.3. Маркировка шины
а – товарный знак или наименование завода-изготовителя; b – месяц изготовления; с – год изготовления; d – серийный номер покрышки; е – метка легкого места покрышки; f – размер шины.
Колёса. Маркировка колеса, нанесенная на внутренней поверхности обода, включает обозначение размера обода, завод-изготовитель, месяц и год выпуска (рисунок 3.4).
Рисунок 3.4. Маркировка колеса
а – месяц изготовления; b – год изготовления; с – завод-изготовитель; d – размер обода.
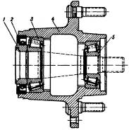
Ступицы. В ступицах передних колес (рисунок 3.5) установлены конические подшипники. Сальник 2 ступицы работает по упорному кольцу 1, напрессованному на цапфу. Правильно собранная и отрегулированная ступица должна обеспечивать легкое вращение колеса, не нагреваться при езде и иметь осевой люфт 0,02-0,12 мм.
Рисунок 3.5. Ступица переднего колеса
1 – кольцо упорное; 2 – сальник; 3 – подшипник внутренний; 4 – ступица; 5 – болт ступицы; 6 – подшипник наружный.
ЗАКЛЮЧЕНИЕ
В данной работе мы рассмотрели и изучили технические характеристики и функциональный состав трансмиссии автомобиля ИЖ - 21251. Описали назначение и устройство основных агрегатов трансмиссии.
На эксплуатационные свойства автомобиля в значительной степени влияет содержание и состав трансмиссии.
По исходным данным автомобиля ИЖ – 21251 были рассчитаны и построены графики скоростных характеристик агрегатов трансмиссии автомобиля.
Анализируя произведённые расчёты, можно сделать вывод, что зависимость частоты вращения коленчатого вала двигателя и тягово-скоростных характеристик автомобиля изменяются не прямо пропорционально. Максимальные характеристики крутящего момента находятся в пределах от 2800 до 3200 оборотов в минуту и при дальнейшем увеличении частоты вращения коленчатого вала снижаются.
ИСТОЧНИКИ
1. Автомобиль: Основы конструкции/Н.Н. Вишняков и др. – М.: Машиностроение, 1986. – 304 с.
2. Автомобили: Конструкция, конструирование и расчёт. Трансмиссия: Учеб. пособие/ Под общ. ред.А.И. Гришкевича. – Мн.: Выш. шк., 1985. – 240 с.
3. Краткий автомобильный справочник НИИАТ. – М.: Транспорт, 1984. – 220 с.
4. Краткий автомобильный справочник. – М.: АО "Трансконсалтинг", НИИАТ, 1994. – 779 с.
5. Литвинов А.С. и др. Шасси автомобиля. Конструкция и элементы расчёта. – М.: Машгиз, 1963. – 504 с.
6. Тур и др. Устройство автомобилей. – М.: Машиностроение, 1990. – 352 с.
7. Кондрашкин А.С. Автомобили ИЖ – 21251, ИЖ – 2715 – 01, ИЖ – 27151 – 01, ИЖ – 27156, Москвич 412 ИЭ и их модификации. Практическое руководство по ремонту, техническому обслуживанию и эксплуатации автомобилей.
ПРИЛОЖЕНИЯ


Похожие рефераты:
Полные ответы на билеты по автоделу (экзамен 2002)
Проект автотранспортного парка для техобслуживания автомобилей
Общее устройство коробки передач автомобиля
Анализ конструкции и методика расчета автомобиля ВАЗ-2108
Трансмиссия и привод передних колёс
Расчет внешних скоростных характеристик двигателя внутреннего сгорания
Трансмиссия автомобиля УАЗ-31512
Трансмиссия автомобиля ЗИЛ-133ГЯ
Характеристика автобуса малого класса сельского сообщения ПАЗ-3205
Машинно-тракторные агрегаты для внесения удобрений
Трансмиссия и ходовая ГАЗ-3102