| Похожие рефераты | Скачать .docx |
Реферат: Технічне обслуговування та ремонт рульового керування автомобіля ГАЗ-53А
ТО та ремонт рульового керування автомобіля ГАЗ-53А
1. ПРИЗНАЧЕННЯ, БУДОВА ТА РОБОТА РУЛЬОВОГО КЕРУВАННЯ АВТОМОБІЛЯ ГАЗ-53А
2. ОЗНАКИ НЕСПРАВНОСТЕЙ РУЛЬОВОГО КЕРУВАННЯ
3. ТЕХНІЧНЕ ОБСЛУГОВУВАННЯ ТА РЕМОНТ РУЛЬОВОГО КЕРУВАННЯ АВТОМОБІЛЯ ГАЗ-53А
ПЕРЕЛІК ВИКОРИСТАНОЇ ЛІТЕРАТУРИ
1. ПРИЗНАЧЕННЯ, БУДОВА ТА РОБОТА РУЛЬОВОГО КЕРУВАННЯ АВТОМОБІЛЯ ГАЗ-53А
Рульове керування - сукупність механізмів автомобіля, що забезпечують його рух по заданому водієм напрямку автомобіля шляхом повороту керованих коліс. Поворот коліс повинний здійснюватися навколо одного центра, що знаходиться в крапці перетинання осей усіх коліс, повернених на заданий кут, і називаного центром повороту. Тільки при цьому умові колеса будуть котитися без прослизання. На автомобілях вітчизняного виробництва кермове колесо встановлюється з лівої сторони, тому що в СРСР прийняте правобічний рух Я це забезпечує водію кращу оглядовість.
Рульове керування автомобіля ГАЗ-53А (рис. 1.1. а) складається з рульового механізму (типу глобоїдальний черв'як - трьохгребневий ролик) і рульового приводу. Рульовий механізм 1 розташований у картері 10, закріпленому на рамі автомобіля. У картері на валу 2 на роликових конічних підшипниках 15 установлений глобоїдальний черв'як 14. На другому кінці цього вала мається кермове колесо 4, що знаходиться в кабіні. Вал проходить у кермовому стовпчику 3. З черв'яком у постійному зачепленні знаходиться трехгребневий ролик 12, установлений на голчастих підшипниках на осі 13, закріпленої на валу 11 сошки. Картер через маслозаливное отвір 16 заповнюється рідкою трансмісійною олією і закривається пробкою.
Рульовий привід складається з рульової сошки 5, жорстко змонтованої на валу 11. Другим кінцем сошка за допомогою кульового пальця з'єднується з подовжньою рульовою тягою 6, а вона своїм другим кінцем шарнірно з верхнім важелем 7 поворотної цапфи. До цієї ж цапфи і цапфи правого колеса жорстко кріпляться нижні поворотні важелі 9, шарнірно з'єднані з поперечною рульовою тягою 8 з різьбовими наконечниками, що мають праве і ліве різьблення для регулювання сходження коліс [2].
Працює рульове керування так. При обертанні рульового колеса черв'як 14 повертає ролик 12, а тому що вісь 13 ролика жорстко закріплена на валу 11 сошки, то повертається і вал сошки, а разом з ним і сошка 5, передаючи зусилля через поздовжню кермову тягу 6 на верхній поворотний важіль 7. Ліве колесо повертається в ту чи іншу сторону. Одночасне зусилля передається через нижні поворотні важелі і поперечну кермову тягу на праве колесо. Обидва колеса повертаються на заданий кут, причому кут повороту внутрішнього колеса буде більшим, ніж зовнішнього [1].
![]() |
Рис. 1.1. Рульове керування автомобіля ГАЗ-53А: а - загальний вигляд; б - рульовий механізм.
2. ОЗНАКИ НЕСПРАВНОСТЕЙ РУЛЬОВОГО КЕРУВАННЯ
Технічне обслуговування рульового керування. Основні ознаки несправностей: збільшений вільний хід рульового колеса; туге обертання рульового вала; осьовий люфт рульового вала й рульового колеса; теча оливи з картера рульового механізму; стук у рульовому керуванні.
Збільшення вільного ходу рульового колеса може спричинятися:
- послабленням кріплень або спрацюванням шарнірних з'єднань рульових тяг;
- послабленням кріплення картера рульового механізму та рульової сошки;
- спрацюванням ролика й черв'яка та їхніх підшипників;
- порушенням регулювання рульового механізму.
Для перевірки слід:
- передні колеса поставити в середнє положення ( рух автомобіля по прямій);
- повертати рульове колесо ліворуч до упора, але не порушуючи положення передніх коліс;
- помітити положення рульового колеса за якою-небудь точкою на щитку приладів;
- повернути рульове колесо праворуч, також не порушуючи положення коліс;
- виміряти відстань, пройдену якою-небудь точкою на ободі колеса. Це й буде вільний хід.
Точніше вільний хід можна визначити за допомогою спеціального приладу – люфтоміра.
Щоб визначити несправність, потрібно перевірити оглядом кріплення деталей рульового привода та люфт у шарнірних з'єднаннях. Перевірку слід виконувати вдвох: одному робити різкі рухи рульовим колесом праворуч і ліворуч, а другому знизу оглядати всі кріплення та з'єднання. Усувають несправність підтягуванням кріплень та заміною спрацьованих шарнірів [3].
Якщо в рульовому приводі несправностей не виявлено, а вільний хід рульового колеса перевищує норму, то треба відрегулювати зачеплення ролика з черв'яком у такій послідовності:
- від'єднати тяги від рульової сошки й установити рульовий механізм у середнє положення. Для цього повернути рульове колесо до відмови в одне з крайніх положень і підрахувати, скільки обертів воно зробить до іншого крайнього положення. Цю кількість обертів розділити навпіл і на це значення повернути рульове колесо від крайнього положення;
- похитуванням рульової сошки за головку в радіальному напрямі визначити, чи є люфт у зачепленні;
- відкрутити контргайку регулювальної муфти або контргайку регулювальних гвинтів і вкручувати регулювальну муфту (гвинти) до повного усунення переміщення сошки, після чого перевірити легкість обертання рульового вала; якщо заїдань немає, закрутити контргайку й приєднати рульову тягу до сошки.
Туге обертання рульового вала може спричинятися:
- деформацією деталей рульового привода;
- відсутністю оливи в картері рульового механізму;
- неправильним регулюванням зачеплення або спрацюванням підшипників черв'яка та ролика;
- неправильним установленням кутів передніх коліс.
Перевіряють наявність оливи, а також доливають її в картер рульового механізму крізь отвір, що закривається пробкою. Решту несправностей усувають регулюванням і заміною спрацьованих деталей.
Основний показник технічного стану рульового керування – вільний хід (люфт) рульового колеса. Великий вільний хід утруднює керування автомобілем, оскільки при цьому збільшується час, потрібний для повороту керованих коліс, що особливо небезпечно за високої швидкості руху. Тому щоденно перед виїздом необхідно перевіряти вільний хід рульового колеса.
Через перші 2...З тис. км, а потім через кожні 10 тис. км пробігу автомобіля слід перевіряти кріплення рульової колонки, рульового механізму, рульової сошки, маятникового важеля й поворотних важелів, а також шплінтування гайок кульових пальців, стан захисних гумових чохлів шарнірних з'єднань рульових тяг і наявність оливи в картері рульового механізму. Порвані або потріскані гумові чохли треба негайно заміняти новими, інакше через потрапляння бруду шарніри швидко вийдуть із ладу. Для перевірки якості оливи слід викрутити пробку заливного отвору картера й, повертаючи рульове колесо, спостерігати за вкриванням нарізки черв'яка оливою; якщо середня частина черв'яка не вкривається, то оливу треба долити [2].
3. ТЕХНІЧНЕ ОБСЛУГОВУВАННЯ ТА РЕМОНТ РУЛЬОВОГО КЕРУВАННЯ АВТОМОБІЛЯ ГАЗ-53А
Рульове керування перевіряють при підвищеному люфті рульового колеса і регулюють у такій послідовності: спочатку перевіряють технічний стан передніх коліс та сходження і кут їхнього повороту, а потім зазори в підшипниках і зачепленнях передавального механізму.
Поворотом рульового колеса знаходять положення коліс, при якому їхні бічні сили будуть однакові за значенням і протилежні за напрямком. Якщо значення бічних зусиль вищі від допустимих, на стенді регулюють сходження коліс. Якщо значення бічних зусиль на барабанах коливаються, потрібно перевірити розміри зазорів рульового механізму.
Для оцінки технічного стану рульового керування визначають зусилля на ободі колеса, що характеризує тертя в рульовому механізмі. Для цього від'єднують поздовжню рульову тягу від рульової сішки [3].
Таблиця 1. Контрольовані й регульовані дані рульових коліс автокранів
| Діагностований параметр |
КС-2571, КС-3575, КС-2561, КС-4572 |
КС-3562, КС-3577, КС-3571 |
КС -4562, КС-4561, КС-4571 |
| Крутний момент на ободі рульового колеса для подолання тертя в рульовому механізмі, Нм |
- |
1,3...3,5 |
2,0...2,8 |
| Вільний хід рульового колеса, град |
15 |
10...15 |
10...15 |
| Зусилля, необхідне для повертання рульового колеса без вивішування коліс, Н |
60 |
200 |
200 |
| Крутний момент на ободі рульового колеса для повертання рульового вала в підшипниках, Нм |
- |
1,2... 0,25 |
0,8...1,2 |
Перед перевіркою й регулюванням зусилля обертання рульового механізму перевіряють і в разі потреби регулюють тиск повітря в шинах передніх коліс, стан сполучень рульових тяг і шарнірів карданного вала рульового керування, сходження коліс і кути їх повороту, рівень і чистоту оливи в бачку насоса гідравлічного підсилювача, натяг його паса. У разі потреби регулюють підшипники передніх коліс. Установлюють передні колеса в положення, що відповідає руху по прямій, від'єднують поздовжню рульову тягу від рульової сішки й вимірюють зусилля на ободі рульового колеса в трьох положеннях: спочатку повертають рульове колесо більш як на 2 оберти від середнього положення - зусилля має становити 6... 16 Н; потім повертають рульове колесо на 3/4...1 оберт від середнього положення - зусилля не повинно перевищувати 23 Н, а коли колесо перейде через середнє положення, зусилля має перевищувати значення, виміряне при другому положенні, на 4...6 Н, але не бути більшим за 28 Н.
Якщо зусилля, виміряні в трьох положеннях, не відповідають наведеним значенням, то треба відрегулювати рульовий механізм. Для цього виконують поздовжнє зміщення вала біля рульової сішки за допомогою регулювального гвинта.
Перевищення встановленого зусилля в другому положенні може спричинитися пошкодженням деталей вузла кулькової гайки (зношенням кульок і поверхонь їх кочення або заклинюванням кульок у напрямних гайках), а в першому - тим самим або неправильним попереднім натягом упорних підшипників.
Щоб усунути зазначені недоліки, треба зняти рульовий механізм, розібрати його й перевірити сполучені деталі та в разі потреби замінити зношені. Під час складання для нормального обертання гайки на рульовому валу треба встановити кульки: більшого діаметра - при вільному обертанні гайки, меншого діаметра - при тугому обертанні. Правильним вважають регулювання, при якому для прокручування кулькової гайки в середній частині рульового вала треба прикласти крутний момент 0,3...0,8 Нм. Після складання рульового механізму перевіряють правильність його регулювання за крутним моментом на ободі рульового колеса.
Люфт рульового колеса, який перевищує номінальне значення, свідчить про підвищене зношення деталей шарнірів рульових тяг або наднормативне зношення підшипників черв'яка і черв'ячної пари рульового механізму, а також про послаблення кріплення картера рульового механізму і поворотних важелів до цапф.
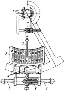
Вільний хід рульового колеса і зусилля на його ободі визначають універсальним приладом КИ-402 (рис. 3.1.), який складається з двох самостійно діючих пристроїв - динамометра для вимірювання зусиль на ободі і люфтоміра для визначення вільного ходу рульового колеса. Динамометр встановлюють на ободі рульового колеса, а стрілки люфтоміра - на рульовій колонці.

Рис. 3.1. Прилад КИ-402 для визначення вільного ходу та зусилля на ободі рульового колеса: 1 - кріпильний вузол; 2 - стрілка покажчика люфту; 3 - шкапа покажчика люфту; 4 - вузол кріплення на ободі рульового колеса; 5- ручка динамометра; 6 - пружина динамометра.
Номінальний люфт рульового колеса машин на базі автомобілів має становити 10... 15°.
Рульове керування не потребує регулювання, якщо вільний хід рульового колеса в положенні для руху по прямій не перевищує значень, наведених у табл. 1. Експлуатація автокранів з вільним ходом рульового колеса понад 25° не допускається.
Вільний хід рульового колеса автокранів з гідропідсилювачами рульового керування перевіряють, коли двигун працює на холостому ходу. У разі збільшення вільного ходу рульового колеса слід затягнути кріплення черв'яка й золотника на валу рульового механізму й відрегулювати кульові з'єднання зворотного зв'язку з сішкою рульового механізму й вушком задньої частини рами. Якщо вільний хід рульового колеса знову виявиться дуже великим, потрібно перевірити й відрегулювати зачеплення черв'як-сектор рульового механізму.
Перевірку й регулювання зачеплення черв'як - сектор рульового механізму виконують індикатором гайкового типу і приладом КИ-4850.
Щоб перевірити й відрегулювати зачеплення, виконують такі операції:
встановлюють індикаторний штатив і ніжку індикатора впирають в торець вала сектора;
ставлять сектор у середнє положення, орієнтуючись на збіг риски на валу з рискою на корпусі рульового механізму;
переміщуючи вал сектора в осьовому напрямку в обидва боки, за показами індикатора приладу для визначення зазорів КИ-4850 визначають розмір цього переміщення;
аналогічно перевіряють осьове переміщення вала при крайніх положеннях сектора.
При середньому положенні сектора осьове переміщення вала повинно дорівнювати 0,05 мм, а при крайніх - 0,25...0,6 мм. Якщо осьове переміщення більше за наведені значення, потрібно від'єднати тягу зворотного зв'язку, зняти кришку і встановити нову шайбу більшої товщини, щоб відновити осьове переміщення вала сектора в його середньому положенні. Потім треба
поставити на місце кришку й перевірити ще раз правильність регулювання. Якщо переміщення вала сектора в середньому положенні нормальне (0,05 мм), а при крайніх положеннях воно дорівнює 0,25 мм, то це свідчить про граничне зношення черв'ячної пари, яку потрібно замінити.
Регулювання осьового зазору підшипників черв'яка виконують, затягуючи регулювальну гайку або зменшуючи кількість прокладок під кришкою картера рульового механізму. Осьовий зазор вала рульової сішки і зачеплення ролика з черв'яком регулюють обертанням гвинта. В автокранів КС-3562, КС-3577, КС-3571, КС-4562, КС-4561 і КС-4571 закручують регулювальну гайку, добиваючись, щоб крутний момент, прикладений до обода рульового колеса й потрібний для обертання рульового вала в підшипниках (при встановленій на місце і затягнутій кришці), відповідав наведеному в табл. 1. Зачеплення рульової пари встановлюють регулювальним гвинтом при від'єднаному кінці рульової сішки від тяги. Якщо переміщення нижнього кінця рульової сішки при положенні для їзди по прямій для автокранів КС-2571, КС-2561 і КС-3575 не перевищує 0,3 мм, то зазор у зачепленні робочої пари допустимий. Для автокранів КС-3562, КС-3577, КС-3571, КС-4562, КС-4561 і КС-4571 вільний хід гвинта при закріпленій сішці в середньому положенні не повинен перевищувати 6°.
Якщо для заміни черв'ячної пари був знятий рульовий механізм, то його потрібно встановити, сумістивши риски на торці вала сектора, корпусі рульового механізму та на сішці.
Після регулювальних робіт слід перевірити плавність зачеплення черв'як-сектор при від'єднаній тязі зворотного зв'язку. Сектор повинен обкочуватися по черв'яку з одного крайнього положення в інше без прихвачувань і заїдань.
Перевірку й регулювання тяги слідку вального пристрою рульового керування виконують в такій послідовності:
похитуючи рульове колесо в різні боки, визначають наявність зазорів у головках кульових пальців слідкувального пристрою; якщо такі зазори є, регулюють шарніри регулювальними пробками, для чого вкручують пробку до відказу й відкручують до найближчого шплінтового отвору;
перевіряють співвісність піврам машини за довжиною виступної частини штоків силових циліндрів гідравлічної системи керування поворотом (різниця в їхній довжині при встановленні коліс у положення, що відповідає руху по прямій, не повинна перевищувати 5 мм);
перевіряють збіг рисок на сішці з рисками на кришці, для чого зупиняють двигун, знімають килимок і відкривають люк у підлозі кабіни; якщо риски не збігаються, регулюють довжину поздовжньої тяги слідкувального пристрою регулювальними стяжками, ще раз перевіряють роботу слідкувального пристрою і змащують шарніри його тяг.
Нечітка робота механізму керування поворотом (самочинний поворот машини, поштовхи в шарнірах піврам, неоднакове зусилля повороту рульового колеса в той чи інший бік) може бути також наслідком послаблення гайки золотника або зриву на ній різьби.
Якщо після виконання зазначених операцій зберігається "важке" рульове керування, перевіряють стан гідравлічної системи.
Під час загального діагностування керованих коліс в експлуатаційних умовах потрібно враховувати, що зменшення шляху кочення і прискорене зношення протектора шин передніх коліс свідчать про порушення кута сходження, а биття коліс при великих швидкостях руху машини - про порушення їх балансування.
Сходження передніх коліс перевіряють спеціальною лінійкою КИ-650 (рис. 3.2.), яка являє собою металеву штангу, що складається з чотирьох телескопічних труб, вставлених одна в одну. Довжину лінійки змінюють, висуваючи труби відповідно до вимірюваної відстані між колесами. Труби фіксуються між собою пружними штифтами з гострими наконечниками [4].
Між колесами лінійка утримується конічними наконечниками під дією сили спіральної пружини. Для правильного встановлення по висоті лінійка має на кінцях два ланцюжки. На рухомій трубі закріплена шкала, а на нерухомій - стрілка-покажчик для відліку показів шкали.

Рис. 3.2 Лінійка КИ-650 для перевірки сходження коліс: 1 - рухома труба; 2 - гвинт; 3 - шкала; 4 - зовнішня труба; 5 - проміжна труба; 6 - фіксатор; 7 - подовжувач; 8 - контактний накінечник; 9 - пружина; 10 - ланцюжок.
Щоб виміряти сходження коліс, виконують такі операції:
встановлюють машину на рівний майданчик з твердим покриттям так, щоб колеса перебували в положенні руху "прямо";
розсувають лінійку КИ-650 так, щоб вона була трохи довшою, ніж відстань між передніми колесами, і встановлюють її спереду так, щоб наконечники впиралися в опуклу частину покришок і були на однаковій відстані від дороги (підлоги) на рівні осі обертання коліс;
встановлюють нульову поділку шкали навпроти стрілки-покажчика й перекочують машину на відстань, яка дасть змогу розмістити лінійку позаду осі на тому самому рівні;
визначають сходження коліс за позначкою шкали, що навпроти стрілки-покажчика, й порівнюють результат визначення з нормативними значеннями (табл. 2);
перекочують машину у вихідне положення так, щоб лінійка знову розташовувалася спереду (нульова поділка шкали повинна збігатися зі стрілкою-покажчиком).
Таблиця 2. Значення кутів встановлення керованих коліс автокранів
| Контрольований параметр |
КС-2571, КС-2561, КС-3575, КС-4572 |
КС-3562, КС-3577, КС-3571, КС-4571 |
КС-3563, КС-3572 |
| Сходження передніх керованих коліс, мм |
2...1 |
3.5 |
0.2 |
| Кут розвалу керованих коліс, град |
1 |
1 |
0°30'...0°45' |
| Кут поздовжнього нахилу шворня, град |
1°15'...1°30' |
0 |
5 |
| Кут поперечного нахилу шворня, град |
8 |
8 |
9°30' |
| Максимальні кути повороту, град: |
|||
| праворуч |
34 (45) |
32 |
- |
| ліворуч |
36 (45) |
32 |
- |

Рис. 3.3. Визначення кутів встановлення коліс: а - схема ватерпаса; б - схема визначення кута розвалу коліс; в - схема визначення кута поздовжнього нахилу шворня; г - схема визначення кута поперечного нахилу шворня; 1 - кріпильний пристрій; 2 - корпус ватерпаса; 3 - рівень для визначення поздовжнього нахилу шворня; 4 - рівень для визначення поперечного нахилу шворня; А - початкове положення ватерпаса; Б - кінцеве положення ватерпаса.
Якщо сходження коліс виявиться більшим або меншим за допустимі значення, його треба відрегулювати, замінивши довжину поперечних рульових тяг.
У процесі експлуатації кути встановлення керованих коліс можуть суттєво змінюватися внаслідок зношування та пружних і залишкових деформацій деталей підвіски коліс, балки переднього моста й рами. Це призводить до погіршення керованості, зниження швидкості й економічності машини та збільшення інтенсивності зношування сполучених деталей підвіски й шин.
Контроль кутів сходження, розвалу, поперечного й поздовжнього нахилу шворня та різниці між кутами повороту керованих коліс за геометричними параметрами виконують, використовуючи оптичний стенд ГАРО-1119, прилад ОПТИМЕТ-11 (ОПТИКОН) або ватерпас (рис. 3.3.).
Найбільш точними стендами для перевірки кутів встановлення керованих коліс є оптичні (рис. 3.4). На цих стендах кути розвалу, сходження, поздовжнього нахилу шворня та співвідношення кутів повороту коліс вимірюють оптичним методом, а кут поперечного нахилу шворня - за рівнем, змонтованим на дзеркальному відбивачі.
До комплекту стенда входять: оптична головка з окуляром, коректуючим дзеркалом і шкалою; дзеркальний відбивач з центральним і двома боковими дзеркалами, встановленими під кутом 20° до центрального дзеркала, з рівнем і штативом, за допомогою якого дзеркальний відбивач кріпиться до колеса машини; юстирувальна штанга; поворотні диски; домкрат.
Стенд монтується на двох поздовжніх балках, встановлених на оглядовій канаві.
Принцип вимірювання кутів полягає у визначенні положення дзеркального відбивача стосовно осі стенда. При цьому центральне дзеркало відбивача має бути обов'язково перпендикулярне до осі обертання колеса, а машина встановлена вздовж осі стенда. Зображення шкали, відбиваючись від дзеркала, потрапляє на корегувальне дзеркало, а потім - в окуляр. Нахил дзеркала сприймається спостерігачем як сходження або розвал [3].
При зміні кутів встановлення коліс на оптичному стенді визначають кути нахилу дзеркального відбивача, встановленого паралельно площині обертання колеса, і реєструють зміну цих кутів при повертанні колеса на 20° (для вимірювання поздовжнього нахилу шворня і співвідношення повертання коліс). У разі відсутності розвалу і сходження коліс зображення шкали будуть стійкими. Якщо колесо має розвал, то шкала зміститься стосовно нерухомого перехрещення окуляра по вертикалі (вверх або вниз), а за наявності сходження - по горизонталі (праворуч або ліворуч). Ці зміщення дають відповідно кути розвалу і сходження коліс.
У машин з нерозрізною передньою віссю кути розвалу коліс і нахилу шворнів не регулюються, а в автомобілів з незалежною підвіскою їх регулюють повертанням ексцентрикових втулок. Максимальні кути повороту передніх коліс регулюють обмежувальними болтами, закрученими в поворотні важелі. При залежній підвісці болти упираються в кулаки переднього моста, а при незалежній - у виступи стояків підвіски.

Рис. 3.4. Перевірка кутів встановлення коліс машини з використанням оптичного стенда: а - схема визначення розвалу коліс; б - схема визначення сходження коліс; в - схема визначення співвідношення кутів повороту коліс; 1 - дзеркало мікроскопа; 2 - окуляр мікроскопа; 3 - шкапа мікроскопа; 4 - площина обертання колеса; 5 - площина дзеркала колеса; 6 - площина шкали.
Щоб отримати точні результати вимірювань, потрібно перед перевіркою кутів встановлення керованих коліс довести тиск повітря в шинах до нормативного, відрегулювати підшипники маточин коліс, усунути люфти в шворневому зчленуванні та рульовому керуванні.
Підготувавши стенд до роботи, машину встановлюють так, щоб вона була розміщена вздовж його осі, а передні колеса розміщувалися на центрах поворотних дисків. Після закріплення дзеркальних відбивачів на дисках домкратом вивішують колесо, а потім, використовуючи дистанційний стрижень, встановлюють нормальну відстань між шкалою й дзеркальним відбивачем. Положення дзеркального відбивача регулюють гвинтами та обертанням колеса доти, доки зображення шкали перестане зміщуватися. Таке регулювання виконують і для іншого колеса. Після цього машину знімають з домкрата і вимірюють значення кутів встановлення коліс.
Балансування коліс характеризується статичною та динамічною зрівноваженістю. За статичної зрівноваженості центр тяжіння колеса не збігається з його віссю, а за динамічної - маса колеса розподіляється нерівномірно по його ширині і дисбаланс проявляється лише при обертанні колеса.
Статичну незрівноваженість можна встановлювати як на спеціальних стендах, так і безпосередньо на машині, обертаючи колесо в різні боки до повного зупинення і позначаючи крейдою низькі точки. Найбільш важливе місце колеса - між позначеними точками.
Динамічне балансування виконують на спеціальних стендах із зніманням або без знімання коліс.
Для діагностування підвісок в експлуатаційних умовах вимірюють:
провисання ресор, надмірне значення якого (при ударах рами кузова об балки мостів під час руху з повним навантаженням) вказує на втрату ресорами пружності;
нахил кузова, який свідчить про несправність пружин або корінного моста ресори;
коливання машини під час їзди через перешкоди, тривалість яких свідчить про несправність амортизаторів.
Радіальні зазори у сполученнях поворотних цапф втулками та осьові зазори в підшипниках передніх коліс пневмоколісних машин перевіряють пристроєм КИ-4850 (рис. 3.5.), до складу якого входять стояк з електромагнітом для кріплення приладу, важіль, з'єднаний із стояком приладу, та індикатор годинникового типу ИЧ-10.
Радіальний і осьовий зазори шворнів оцінюють приладом КИ-4892 (рис. 3.6.), який прикріплюється на балці переднього моста.
Щоб визначити розмір радіального зазору, за допомогою домкрата або гідравлічного підйомника вивішують колеса, вибираючи люфт одного напрямку, і закріплюють прилад на балці біля перевірюваного колеса так, щоб шток індикатора торкався нижньої частини опорного диска з натягом 2...З мм.
Під час опускання колесо вибирає люфт в іншому напрямку, що фіксується індикатором. При цьому розмір люфтового зазору повинен дорівнювати 0,5...0,7 мм. Прилад дає змогу визначати розмір осьового зазору в підшипниках маточини колеса, прокручуючи й похитуючи його вручну.

Рис.3.5. Пристрій КИ-4850 для вимірювання радіальних і осьових зазорів: 1 - індикатор годинникового типу ИЧ-10; 2 - важіль; 3 - стояк; 4 - електромагніт.
Кути поперечного й поздовжнього нахилів шворнів перевіряють з достатньою точністю приладом КИ-1752 або КИ-2183 , який складається з ватерпаса і вимірювача кутів повороту коліс.
Ватерпас має чотири рівні: два безшкальні (з тильного боку) в горизонтальній площині, призначені для точного встановлення ватерпаса, і два зі шкалами, призначені для вимірювання кутів нахилу шворня і розвалу коліс. Ватерпас прикріплюється затискачем на маточині колеса на рівні його осі.
Вимірювач кутів повороту коліс має шкалу зі стрілкою-покажчиком; через стрижень він з'єднаний з колесом. Прилад комплектується двома поворотними дисками для зниження опору повороту коліс.
Кути нахилу шворнів визначають при встановленні передніх коліс на поворотні диски і при повороті коліс праворуч і ліворуч на 20°. Кути повороту фіксують за вимірювачем. Поперечний нахил шворня визначають за рівнем, паралельним площині колеса, поздовжній - за рівнем, перпендикулярним до площини колеса.
Точніші, повніші й комплексні показники технічного стану переднього керованого моста з меншою трудомісткістю отримують на стендах, які за принципом дії поділяються на механічні, оптичні, електрооптичні й електричні. Застосовують площадкові й барабанні стенди.
Найбільшого поширення набули стенди, які оцінюють геометричні параметри переднього моста за силовою дією. Барабани стенда приводяться в обертання вмонтованими електродвигунами; при цьому імітується перекочування коліс зі швидкістю 15 км/год. Барабани підвішені на місткових важелях до рами стенда, що уможливлює їх переміщення вздовж осі під дією бічних сил коліс. Переміщення осі барабана вимірюють датчиком, електричні сигнали якого передаються на пульт керування.
Під час діагностування положення машини фіксують на стенді пристроєм для утримування балки передньої осі, який складається з двох затискачів, що рухаються від двох пневмоциліндрів [4].

Рис. 3.6 Пристрій КИ-4892 для визначення осьових і радіальних зазорів: 1 - штатив з механізмом кріплення; 2 - штанга; 3 - з'єднувальний затискач; 4 - затискний гвинт; 5 - індикатор годинникового типу; 6 - гвинт; 7 - губки затискача для закріплення пристрою на балці передньої осі автомобіля; 8 - рукоятка затискача; 9 - гальмовий диск колеса; 10 - балка переднього моста.
ПЕРЕЛІК ВИКОРИСТАНОЇ ЛІТЕРАТУРИ
1. Бабушко С.М. Ремонт тракторов и автомобилей. – К.: Высшая школа. 1982. – 344с.
2. Дзюба П.Я. Программированное пособие по устройству автомобиля. – К.: Урожай, 1985. – 576с.
3. Кисликов В.Ф., Лущик В.В. Будова і експлуатація автомобілів: Підручник. – К.: Либідь, 2002. – 400с.
4. Лауш П.В. Техническое обслуживание и ремонт машин. – К.: Высшая школа, 1989. – 350с.
5. Полянський С.К. Будівельно-дорожні та вантажопідіймальні машини. – К.: Техніка, 2001. – 624с.
6. Родичев В.А., Родичева Г.И. Тракторы и автомобили – М.: Высш. школа, 1982. – 320с.
7. Токаренко В.М. Практикум по устройству, техническому обслуживанию и ремонту автотранспорта. – К.: Урожай, 1989. – 350с.
Похожие рефераты:
Ділянка діагностики та ремонту ДВС у АТП на 350 автомобілів
Диагностические и регулировочные работы по ходовой части грузового автомобиля
Технічне обслуговування рульового механізму ЗИЛ-130
Технічне обслуговування рульового керування автомобілів КамАЗ
Ремонт муфты автоматического опережения впрыскивания топлива
Система технічного обслуговування сільськогосподарських машин
Оборудование летательных аппаратов
Техническое обслуживание и ремонт автомобилей
