| Скачать .docx |
Реферат: Технічне обслуговування та ремонт бульдозера ДЗ-37
ТО та ремонт бульдозера ДЗ-37
ЗМІСТ
Вступ
1 Будова робочого устаткування бульдозера ДЗ-37
2 Організація технічного обслуговування
3 Ремонт бульдозерів
4 Вимоги безпеки при технічному обслуговуванні
Перелiк використаної лiтератури
Вступ
Залежно від потужності й конструкції бульдозери можуть працювати на різних ґрунтах: від болотистих і піщаних до розбірних, висаджених або розпушених порід і руд. Економічно вигідна дальність переміщення ґрунту бульдозером залежить від класу базового трактора, виду й міцності ґрунту й експлуатаційних розумів. Звичайно вона не перевищує 60 м.
При можливості перекосу відвала й достатнім тяговому зусиллі бульдозерами з неповоротним відвалом можна розробляти до 70% всіх видів ґрунтів, включаючи мерзлі й гірські породи, для яких звичайно потрібне попереднє розпушування. Бульдозери з поворотним відвалом мають обмежену область застосування. Їх в основному використовують для нарізки терас на косогорах, засипання траншів поперечними ходами й прокладки піонерних доріг. При цьому повернений у плані відвал дає деякі переваг. Положення центра тиску базових тракторів не дозволяє використовувати відвал, повернений у плані на кут менш 60° від поздовжньої осі. У зв'язку із цим безперервний схід ґрунту убік не забезпечується й тому робота безперервними поздовжніми ходами практично не дає ефекту. До 90-95% години такі бульдозери працюють із прямою установкою відвала.
Бульдозери класифікують по призначенню, номінальному тяговому зусиллю й різним конструктивним ознакам.
Робоче устаткування більшості бульдозерів і всіх скреперів оснащено гідравлічним приводом. Він служить для керування положенням елементів робочого устаткування при виконанні технологічних операцій.
1 Будова робочого устаткування бульдозера ДЗ-37
Робочим устаткуванням бульдозера називають землерійно-транспортний орган, що навішується попереду базової машини і керований за допомогою канатного або гідравлічного приводу.
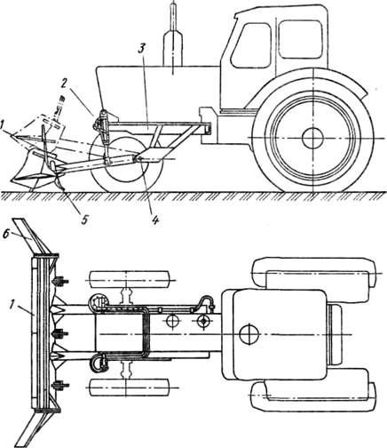
У робочому устаткуванні бульдозера ДЗ-37 на колісному тракторі "Бєларусь" відвал жорстко прикріплений до штовхаючи брусів прямокутного перетину. Відвал 1 криволінійної форми позаду посилений балками. У нижній частині відвала встановлені змінні ножі. Торці відвала закриті бічними щоками, у яких пророблено ряд отворів для кріплення знімних поширювачів 6. Вони виконані у вигляді криволінійних листів, установлених до відвала під кутом 30° і посилених листовими косинками. Позаду до відвала шарнірно приєднані три відкидних розпушувальних зуби 5. При розробці ґрунту відвалом під час переднього ходу машини зуби сковзають тильною стороною на його робочій поверхні; при відході бульдозера назад вони можуть розпушувати ґрунт. Зуби зроблені знімними і можуть бути демонтовані. Штовхаючі бруси, установлені на підрамниках 3 за допомогою двох запряжних шарнірів 4. На машині застосовано два підрамники, що на болтах прикріплені до трактора. Бульдозерне устаткування піднімають і опускають за допомогою двох гідроциліндрів подвійної дії 2. Однією стороною вони шарнірно закріплені на підрамниках, іншою - на штовхаючих брусах.
Ножі бульдозерів ріжуть ґрунт у процесі його розробки. Від конструкції ножа, форми ріжучої кромки, збереження загострення її у процесі роботи, зносостійкості залежить продуктивність машини. Застосовують два типи ножів: середні й бічні.

Рис. 2.1. Робоче обладнання бульдозера ДЗ-37:
1 - відвал з жорсткими штовхаючими брусами, 2 - гідроциліндр, 3 - підрамник, 4 - шарнір, 5 – розпушувальні зуби, 6 - поширювачі
Середній ніж виготовляють зі смугового прокату. Виконані по його краях паралельні кромки скошені під кутом 30°. Для підвищення довговічності ріжучі кромки ножів наплавляють сормайтом або сталінітом. Два ряди квадратних отворів ножа із двох сторін роззенковані під кутом 90°. Отвори втримують кріпильні болти із квадратним оголовником від провертання при нагвинчуванні гайок. Конічна головка болта входить в отвір таким чином, що виявляється на рівні із плоскою робочою поверхнею ножа й не заважає руху ґрунту по ньому. Отвори розташовані на відстані а й б.
Схема зсуву й перестановки середніх ножів показана на мал. 2.2, а. На заводі середній ніж 1 прикріплюють до подножевої плити 3 болтами 2 з гайками в нижньому ряді отворів (положення І). Після зношування ріжучої кромки на міжцентрову відстань б гайки відвертають, ніж опускають до сполучення верхнього ряду отворів (положення II) і свердлінь у плиті 3 і затягують ніж болтами. Коли ріжуча кромка знову зношується, ніж знімають з відвала, розвертають на 180° і закріплюють у нижньому ряді отворів (положення III). Після подальшого зношування його знову зміщають і кріплять на верхньому ряді отворів (положення IV).
Якщо ріжуча кромка виступає на 15...25 мм над нижнім краєм підножевої плити, то ніж заміняють новим. Чотириразова перестановка середнього ножа значно підвищує строк його служби.
На бульдозерний відвал установлюють два-три середніх ножі для полегшення їхньої перестановки.
Лівими й правим бічними ножами 4 (мал. 2.3, б) захищають краї відвала. Відлито ножі зі зносостійкої сталі. Кожний ніж являє собою плоску пластину, бічні й нижня зовнішні кромки якої стовщені для підвищення строку їхньої служби.

Рис. 2.2. Ріжучі ножі бульдозерного відвала:
а - середній, б – бічний
Нижні й бічні кромки скошені під заднім кутом 60°. Верхній край ножа зрізаний під кутом 45°, щоб зменшити залипание ґрунту. У ножі зроблені чотири ряди квадратних отворів з конічної зенковкой із зовнішньої сторони для установки конічних голівок кріпильних болтів. Ножі прикріплені до подножевої плити 3 двома рядами болтів 2 (положення V). Два інших ряди використовують для зсуву ножів долілиць після їхнього зношування (положення VI).

Рис. 2.3. Схеми перестановки ріжучих ножів бульдозера:
а - середнього, б - бічного; 1,4 — ножі, 2 - болт, 3 – плита
2 Органiзацiя технічного обслуговування
У процесі експлуатації бульдозерів і скреперів виникають несправності й ушкодження, обумовлені виробничими, конструктивними або експлуатаційними причинами.
Виробничі причини - це результат порушення технології виготовлення деталей і складальних одиниць, використання матеріалів із прихованими дефектами, неякісного зварювання або зборки.
Конструктивні причини викликають несправності внаслідок призначення розмірів або матеріалу деталей, що не відповідають діючим навантаженням, неправильного вибору сполучення деталей або виду термічної обробки і т.п.
Експлуатаційні причини виникають головним чином у результаті неправильного керування машиною, її перевантаженням, несвоєчасного або неякісного Технічного устаткування і ремонту.
Найбільш розповсюджена несправність - зношування сполучених деталей. Воно виникає в результаті тертя женных деталей. Тертям називають опір відносному переміщенню дотичних тіл, що виникає в місці їхнього контакту. У залежності від характеру цього переміщення розрізняють тертя ковзання і качения.
Тертям ковзання називають тертя руху, при якому швидкості тіл у точці торкання різні по величині і напрямкові або по величині або напрямкові.
Тертя катання характеризує ТО, що швидкості двох твердих тіл у точках торкання однакові по величині і напрямкові.
У залежності від наявності мастильного матеріалу в зоні контакту двох тіл розрізняють два види тертя: без мастильного матеріалу і з мастильним матеріалом.
Найбільш поширене механічне зношування, що виникає в результаті механічних впливів.
Для бульдозерів і скреперів характерно механічне зношування від тертя ковзання, що виникає на поверхнях фрикціонів муфт зчеплення і гальм, шийок валів і підшипників, зчіпних пристроїв, шарнірів робочого устаткування, а також зношування від тертя катання в шарико- і роликопідшипниках. Результатом одночасного впливу тертя ковзання і качения є знос зубів шестірень коробка передач і редукторів.
Різновидом цього виду зношування є абразивним, обумовленим улученням між поверхнями Тертя деталей абразивних часток. Воно характерно для деталей бульдозерів і скреперів, що працюють у ґрунтових умовах, при високої запыленности повітря.
При роботі землерійно-транспортних машин виникають атмосферна і ґрунтова корозії, викликані вологістю повітря і ґрунту.
На характер і величину зносу впливають багато факторів, основними з яких є матеріали деталей, якість поверхні після механічної обробки, зазори і натяги в сполученнях деталей, якість змазування, умови експлуатації.
Метали, застосовувані для виготовлення деталей машин, розрізняються зносостійкістю. Для сполучених пар деталей не рекомендують брати однакові матеріали з рівною твердістю. Складну деталь виготовляють з більш міцного матеріалу. У цьому випадку швидше зношується проста і, отже, дешева деталь, що легше замінити при ремонті.
Неправильно задана термічна обробка матеріалу знижує зносостійкість деталей. Так, наприклад, перегріті зуби шестірень стають тендітними, а недогартовані швидко зношуються.
Висока зносостійкість деталей може бути отримана тільки за умови витримування необхідної шорсткості їхніх поверхонь після механічної обробки. При цій обробці на поверхні деталі залишаються гребінці і шорсткості, що у процесі приробляння інтенсивно стираються і діють як абразив, збільшуючи знос. Шорсткуваті поверхні деталей, крім того, погіршують умови змазування поверхонь Тертя, тому що порушують безперервність масляної плівки між ними.
Зазори, менші допуска мінімально, різко погіршують умови змазування деталей і приводять до їхнього інтенсивного зношування. При збільшених зазорах мастильний матеріал видавлюється зі сполучення і також підвищує знос.
Нерухомі сполучення характеризуються заданим натягом. У процесі експлуатації під дією переданих навантажень натяги зменшуються і сполучення слабшає, викликаючи зношування поверхонь деталей. Цьому значною мірою сприяють перепрессовки деталей при зборці і розбиранні.
Використовувані для змазування матеріали повинні відповідати необхідним фізичним властивостям по в'язкості, хімічній стійкості, відсутності механічних домішок і кислот. При недотриманні цих вимог в умовах високих температур, що виникають у поверхнях Тертя, утворяться смоли і нагары, що погіршують змазування. В'язкість мастильного матеріалу впливає на товщину плівки, що змазується. При підвищеній в'язкості швидше утвориться плівка і зменшується знос деталей в абразивному середовищі.
Оскільки зношування в процесі експлуатації машини неминуче, дуже важливо визначати ступінь зносу деталі й установити необхідність її ремонту. Відомо, що первісний знос з'являється в період приробляння двох деталей. Цей знос незначний і залежить від зазорів і шорсткості поверхонь. Надалі нарастание зносу відбувається за тривалий період експлуатації і, нарешті, знос досягає величини, коли настає значне порушення сполучення деталей. Тому в техніку прийняті поняття про припустимий і граничний знос.
Припустимим зносом називається знос, при якому виріб зберігає працездатність.
Граничний знос відповідає граничному станові деталі, що зношується.
Найбільш поширені наступні методи визначення зносу деталей: візуальний, мікрометричним виміром, визначенням часток в олії.
Візуальний метод дозволяє виявити износы, видимі неозброєним оком. До них відносяться тріщини, вигини, порушення зварених швів, корозія. Метод мікрометричних вимірів полягає у визначенні розмірів деталей після відпрацьовування на машині і зіставленні їх з первісними розмірами. Продуктами зношування деталей є дрібні металеві частки, що знаходяться в зваженому стані в мастильному маТОріалі. При доборі проб з нього можна зробити висновок про наявність металу і, отже, зношуванні деталей.
Запобігти цілком зношування деталей не можна, але сповільнити його поява, продовжити ТОрмін служби машини можна при правильній експлуатації механізмів. Точне дотримання вимог інструкції з експлуатації, своєчасне виявлення й усунення виникаючих несправносТОй можуть забезпечити рішення цієї задач. Основні положення системи планово-попереджувального Технічного обслуговування і ремонту машин
Система планово-попереджувального технічного обслуговування і ремонту машин являє собою комплекс організаційно-технічних заходів, проведених у плановому порядку для забезпечення працездатності і справності машин протягом усього терміну їхньої служби, при дотриманні заданих умов і режимів експлуатації.
Плановий характер системи дозволяє заздалегідь визначити потреба в маТОріалах, запасних частинах, устаткуванні і штаті робітників, необхідних для обслуговування і ремонту. Система називається попереджувальної, тому що обов'язкове Технічне обслуговування і ремонт спрямовані на запобігання несправносТОй машин, а також причин їхнього виникнення.
Технічне обслуговування. Технічне обслуговування являє собою комплекс операцій по підтримці працездатності або справності машини при використанні по призначенню, збереженні і транспортуванні.
Технічне обслуговування містить у собі наступні основні елементи: зовнішнє обслуговування (огляд, мийку, збирання); кріпильні роботи; контроль і регулювання; виявлення й усунення несправностей; змазування складальних одиниць; заправлення систем.
Технічне обслуговування бульдозерів по періодичності й обсягам робіт підрозділяють на наступні види: щозмінне обслуговування (ЩО), планове Технічне обслуговування (ТО), сезонне технічне обслуговування. Періодичність Технічного обслуговування вказують в інструкціях з експлуатації.
Для бульдозерів і причіпних скреперів на базі гусеничних і колісних тракторів проводять наступні періодичні технічні обслуговування: ТО-1 - через кожні 60 ч роботи; ТО-2 - через кожні 240 ч; ТО-3 - через кожні 960 ч; для самохідних скреперів на базі одноосьових тягачів: ТО-1 - через кожні 100 ч і ТО-2 - через 500 ч. Відхилення від установленої періодичності Технічних обслуговуванні допускається не більш 10%. Щозмінне технічне обслуговування виконується в межсменное час (перед початком або після робочої зміни) для забезпечення безперебійної роботи протягом зміни і містить у собі наступне: зовнішній відхід (мийку і збирання машини); перевірку технічного стану і готовності машини до роботи (перевірку кріплення основних складальних одиниць, наявності течі, кількості палива й охолодної рідини); змазування відповідно до інструкції; очищення і промивання повітряних фільтрів; випробування машини вхолосту і на ходу. Виявлення несправності при ЩТО повинні бути усунуті.
Планові технічні обслуговування призначені для зниження інтенсивності зношування сполучених деталей машини шляхом планового проведення Технологічних заходів. Періодичні технічні обслуговування містять у собі роботу з щозмінного обслуговування, а також діагностичної, кріпильної, регулювальні і мастильні роботи.
Сезонне технічне обслуговування проводять два рази в рік з метою підготовки машини до зимової або літньої експлуатації, а також до збереження.
Технічне обслуговування, як правило, виконують за допомогою комплекту інструментів, прикладеного до кожної нової машини. Наприклад, комплект до трактора Т-130М містить у собі набір стандартних гайкових, торцевих ключів і спеціальні інструменти загального призначення, призначені для виконання конкретних операцій (голку для прочищення форсунок, ключ для зливальних пробок). Крім того, у комплект входять такі приналежності, як лійка, шприц, переносна лампа.

Рис. 3.1. Інструменти і приладдя для технічного обслуговування трактора:
1 - лійка, 2 - свічковий ключ, 3 - шприц, 4 - манометр, 5 - набір напилків, 6 - голка, 7 - зубило, 8 - борідок, 9 - ломик, 10 - молоток, 11 - пассатижи, 12 - термос, 13 - викрутка, 14 - рукав високого тиску, 15 - перенесення, 6 - нагнітач оливи,11 - розривна муфта, 18 - 25 - торцеві ключі, 26 - 28 - спеціальні ключі, 29 - 37 - гайкові ключі
Засоби технічного обслуговування і ремонту. Кожна експлуатуюча організація повинна мати ремонтно-эксплуатациону базу, що дозволяє виконувати роботи з ТО і ремонту. Планове технічне обслуговування машин проводять у позазмінний час. Щозмінне технічне обслуговування виконує машиніст бульдозера.
Планові технічні обслуговування (включаючи заправлення машин) і ремонти бульдозерів проводять централізовано спеціалізовані бригади (ланки) ділянок обслуговування і ремонту бази. Для машин, що наприкінці зміни повертаються на базу або знаходяться в радіусі до 20 км, Технічне обслуговування проводять такі бригади в централізованих майстернях. Для машин, що залишаються після зміни на місці роботи, організують пересувні бригади.
Для проведення технічного обслуговування, а також поточного ремонту на місці роботи використовують майстерні (агрегати) на автошасі, обладнані необхідним комплектом інструментів, пристосувань і запасних частин. Агрегати для виконання технічного обслуговування оснащені емностями для дизельного палива, води, мастильних матеріалів, насосом для зовнішньої мийки машин і компресором, що приводиться в дію від двигуна автомобіля. Агрегати обладнані пневматичними солідолонагнітачем, рідинним підігрівником води, рукавами для подачі і забору мастильного матеріалу і робочих рідин. У кузові агрегатів передбачені слюсарні тиски, відсіки для інструментів, приладів і пристосувань, деталей обмінного фонду.
Пересувні майстерні на базі шасі автомобіля, призначені для проведення поточних ремонтів, оснащені генератором перемінного струму, краном, лебідкою, зварювальним агрегатом, гідравлічним пресом.
Ремонтно-експлуатаційні бази укомплектовані також паливодливозаправниками на базі автошасі і транспортними засобами для проведення заправних робіт на місці експлуатації машин.
Планування технічного обслуговування і ремонту. Організації, що експлуатують бульдозери, повинні розробляти річні плани і місячні плани-графіки технічного обслуговування і ремонту.
За річним планом визначається число ТО і ремонтів по кожній машині, розраховується потреба в запасних частинах і трудових ресурсах. На підставі даних про проведення капітального ремонту складають заявку на ремонт і кошторис витрат.
Місячним планом-графіком ТО і ремонтів установлюють дату зупинки машини і тривалість її простою в днях.
Вихідними даними для розробки планів служать дані про фактичний наробіток у годинник на початок планованого року з часу проведення відповідного виду ТО і ремонту або з початку експлуатації (для нової машини); планований наробіток машини на рік у годинник; показники періодичності ТО і ремонтів кожної марки машин.
Дані про фактичний наробіток машин беруться на основі обліку, що організації зобов'язані вести систематично.
Наробіток машин визначається за показниками лічильника мото-часов або за даними обліку змінного часу роботи машин.
3 Ремонт бульдозерів
Ремонт являє собою комплекс операцій по відновленню справності або працездатності машини і відновленню ресурсу машини або її складової частини. Ресурс машини - це наробіток її від початку експлуатації до граничного стану, тобто стану, при якому подальше застосування машини по призначенню неприпустимо або недоцільно.
Ремонт бульдозерів проводять для усунення несправностей, що виникають у процесі експлуатації машини, а виявляються також у плановому порядку. Ремонт містить у собі очищення і мийку машини, розбирання, складання відомості дефектів, заміну зношених або ушкоджених деталей і складальних одиниць нову або відремонтованими, зборку, стендові і ходові іспити складальних одиниць і всієї машини, фарбування. До ремонтних робіт відносять також операції по відновленню деталей - зварювання, нанесення покрить, слюсарні і верстатні роботи.
Обсяг ремонтних робіт залежить від технічного стану машини і кількості годин наробітку в експлуатації.
Проводять два види планового ремонту: поточний і капітальний.
Поточний ремонт (ПТ) - ремонт, виконуваний для забезпечення або відновлення працездатності машини шляхом заміни або відновлення окремих складальних одиниць і деталей. Плановий поточний ремонт повинний забезпечити гарантовану
При поточному ремонті машини розбирають тільки складові частини, що вимагають ремонту, усувають несправності і заміняють окремі складальні одиниці і деталі новими або заздалегідь відремонтованими. Частково розбирають двигун із системами для заміни быстроизнашиваемых деталей, очищення від нагару і шумовинь, регулюють паливну апаратуру, гідропривід і електроустаткування, регулюють елементи силової передачі, заміняють диски муфти зчеплення. При необхідності правлять і заварюють деталі металоконструкції, кабін і капотів. Поточний ремонт за часом сполучають з ТО-3
Капітальний ремонт (КР) - ремонт, виконуваний для відновлення справності і повного ресурсу машини з заміною або відновленням будь-яких його складових частин, включаючи базові.
При капітальному ремонті машини розбирають цілком, усі механізми відновлюють відповідно до технічних умов на ремонт, зношені заміняють новими або заздалегідь відремонтованими. Після зборки окремі складальні одиниці піддають стендовим дослідженням, а всю машину – досліду холостого ходу і під навантаженням.
Терміни проведення ремонтів визначаються заводською документацією і директивними нормами. Періодичність проведення поточних ремонтів бульдозерів і скреперів складає 960... 1000 ч і для машин на базі тракторів збігається з ТО-3, тому них проводять одночасно.
Ресурс бульдозерів і скреперів до капітального ремонту складає 6000...8000 ч.
Поточні і капітальний ремонти доцільно робити агрегатним методом, при якому несправні агрегати заміняють новими або заздалегідь відремонтованими. Перевага агрегатного методу полягає в тім, що їм можна ремонтувати машини як в умовах експлуатації, так і на ремонтних заводах. При цьому значно скорочується простої машини. Оборотний фонд створюється зі складальних одиниць, одержуваних від заводів-виготовлювачів машин, а також з відремонтованих заздалегідь.
Поточний ремонт виконують на місці роботи машини або на ремонтно-эксплуатащюнных базах; капітальний, як правило,- на спеціалізованих ремонтних заводах.
Ремонт робочого устаткування і елементів гідроприводу
Робоче устаткування. До характерних несправностей металоконструкцій робочого устаткування відносяться деформація лонжеронів, балок і стінок, порушення зварних швів, тріщини і розриви основного металу, зношування робочих поверхонь отворів шарнірних і різьбових з'єднань, отворів, ножів.
Лонжерони рам, балки і стінки правлять в холодному або нагрітому стані за допомогою гвинтових або гідравлічних розпорок, стягувань. Після правки елементи часто підсилюють накладками. На подовжніх балках забороняється приварювати накладки поперечними швами.
Місця значних порушень зварних швів в стиках деталей іноді вирубують і заварюють накладками. У цілих стінках тріщини вирубують і заварюють. Заварені місця зміцнюють наклепом, використовуючи пневмомолоток з роликовим бойком. Пошкоджені поривами або значною корозією ділянки вирізують і на їх місце приварюють знов виготовлені елементи металоконструкції. Зношені внутрішні поверхні отворів ремонтують наплавленням з подальшим розточуванням. Металоконструкції великих габаритів не можуть бути встановлені на розточувальному верстаті. Отвори в них розточують за допомогою переносних пристосувань. В деяких випадках зношені вварені зв'язані деталі з отворами вирізують і на їх місце за допомогою оправок приварюють нові. Пошкоджені різьбові отвори розсвердлюють під більший розмір або заварюють з подальшим свердленням під номінальний розмір.
Зношені ножі бульдозерів і скреперів правлять і наплавляють на ріжучих кромках шар твердого сплаву.
Гідропривод. У гідравлічній системі виходять з ладу насоси, гідророзподільники, гідроциліндри, а також рукави високого тиску і трубопроводи.
У насосах зношуються гумові кільця ущільнювачів, поверхні торців втулок і шестерень. Якщо сумарний знос торців втулок і шестерні перевищує 0,2 мм, то під нижні втулки підкладають набір прокладок з фольги так, щоб верхні втулки виступали на 0,1...0,2 мм над площиною торця корпусу насоса. Корпуси ремонтують постановкою гільз або розточуванням під збільшений ремонтний розмір.
Зношені гідро розподільники замінюють новими. В окремих випадках відновлюють золотники, наприклад, хромуванням з подальшим притиранням до корпусу розподільника.
Дефекти гідроциліндрів - овальність, задираки і подряпини на дзеркалі гідроциліндра і поверхні штока, пошкодження гумових ущільнень. Незначні пошкодження поверхонь деталей гідроциліндрів усувають шліфуванням і притирковою пастою, що складається з 75...90% окису хрому, 10% стеарину, 5...10% жиру і 2% гасу. При ремонті гідроциліндра його корпус розточують під збільшений ремонтний розмір і хонінгують. Поршень відновлюють залізненням або ставлять новий ремонтного розміру. При ремонті гідроциліндрів перевіряють прогинання штока, який не повинен бути більше 0,15...0,2 мм по всій довжині.
Пошкоджені рукави високого тиску замінюють новими, а теча в трубопроводах усуває їх паянням. Якщо у трубопровода пошкоджений різьбовий наконечник, муфта, то їх акуратно зрізають, очищають кінці від іржі, припаюють або приварюють нові наконечники.
4 Вимоги безпеки при технічному обслуговуванні
До Технічного обслуговування допускаються машиністи, слюсарі, зварники, електрики й інші робітники, що пройшли навчання і знають пристрій ремонтируемых машин, а також вимоги безпеки виконання ремонтних робіт.
Щообслуговується або ремонтируемую машину перед початком робіт надійно загальмовують, підклавши під гусениці або колеса упори, робочі органи опускають на підкладки або встановлюють на фіксатори. Знаходитися під робочими органами або складовими частинами машини, піднятими вантажопідйомним засобом, своїм гідравлічним або канатним приводом, забороняється.
Під час мийки машин, що передує обслуговуванню і ремонтові, робітник повинний бути одягнений у непромокальний костюм, гумові рукавички і чоботи. При ручній мийці джерела висвітлення і силових двигунів повинні бути герметично ізольовані.
Забороняється робити обслуговування й усувати несправності машини при працюючому двигуні. Виключення складають тільки регулювання системи харчування, електроустаткування двигуна і випробування гальмів.
Приступаючи до роботи, необхідно переконатися в справності інструментів, пристосувань, піднімальних механізмів. Не допускається застосовувати ключі, зевы яких не відповідають розмірам гайок, а також нарощувати ключі іншим ключем або трубою. Не можна вдаряти по ключі при отвертывании або загортанні щільно затягнутих болтів і гайок. Користуючись різними знімачами, необхідно перевіряти надійність захоплення деталі лапами.
Якщо неможливо застосовувати знімачі або преси для демон-тажных операцій, то використовують вибивача з мідними наконечниками і молотки з мідними бойками. Проводити ці роботи кувалдами не допускається.
Для кріпильних робіт доцільно використовувати ручні машини. Включати їхній можна тільки після установки в робоче положення. Інструменти не можна направляти убік руки, що підтримує оброблювану деталь.
Для безпечного монтажу і демонтажу складальних одиниць зі стиснутими пружинами необхідно застосовувати спеціальні пристосування, щипці, або стяжні болти.
Перед демонтажом гідравлічної, мастильної й іншої систем необхідно злити робочу рідину і паливо в спеціальну ємність, не допускаючи расплескивания їх, особливо в гарячому стані.
При підйомі важких деталей або складових частин необхідно переконатися у відповідності вантажопідйомних засобів і ча-лочных пристосувань. Забороняється користування зрощеними канатами або ланцюгами, з'єднаними за допомогою болтів. Піднімати або опускати вантаж випливає строго вертикально, плавно без ривків. Необхідно стежити за тим, щоб чалочные канати не перекручувалися.
При роботі з електроінструментом, що знаходиться під напругою 220 В и вище, необхідно користуватися діелектричними рукавичками, чоботями, ковриками. Інструмент повинний бути заземлений.
Свердла, голівки ключа допускається заміняти в ручній машині тільки після її повної зупинки.
Працювати з акумуляторною батареєю можна тільки в гумових рукавичках. Доливати електроліт необхідно гумовою грушею.
При заправленні машин або перевірці рівня палива забороняється курити і користуватися відкритим вогнем.
На ділянці Технічного обслуговування і поточного ремонту машин повинне бути встановлене протипожежне устаткування відповідно до норм пожежної безпеки. Забороняється захаращувати доступ до цього устаткування і використовувати його в інших цілях.
Не допускається підтікання нафтопродуктів. Пролиті вогненебезпечні рідини варто негайно забирати. Забороняється курити біля місць збереження нафтопродуктів.
ПЕРЕЛІК ВИКОРИСТАНОЇ ЛІТОРАТУРИ
1. Бабушко С.М. Ремонт тракторов и автомобилей. – К.: Высшая школа. 1982. – 344с.
2. Захарчук Б.З. Телушкин В.Д. Шлойдо Г.А. Яркин А.А. Бульдозеры и рыхлители – М.: Машиностроение, 1987. – 240 с.: ил.
3. Забегалов Г.В., Ронінсон Є.Г. Бульдозеры и скреперы: Учебное пособие для сред. ПТУ. – М.: Высш. Школа., 1986.-303 с.
4. Лауш П.В. Техническое обслуживание и ремонт машин. – К.: Высшая школа, 1989. – 350с.
5. Полянський С.К. Будівельно-дорожні та вантажопідіймальні машини. – К.: Техніка, 2001. – 624с.