| Скачать .docx |
Реферат: Назначения и особенности конструкции гондол и пилонов самолета
Министерство образования Украины
Государственная летная академия Украины
Контрольная работа
по дисциплине
основы конструкции авиационной техники
на тему:
«Назначения и особенности конструкции гондол и пилонов самолета»
Выполнил курсант 662 к/о
Никашин В.Н.
Проверил преподаватель:
Соболь О.Ю
Кировоград 2008
Содержание:
1. Размещение двигателей в фюзеляже;
2. Размещение двигателей на крыле;
3. Размещение двигателей на горизонтальных пилонах по бокам хвостовой части фюзеляжа;
4. Гондолы и пилоны;
5. Силовые схемы гондол;
6. Прочность гондол, пилонов;
7. Литература.
Компоновка двигателей на самолете весьма разнообразна. Выбор той или иной схемы определяется типом двигателей, их числом игабаритами, а также типом самолета, его летно-техническими данными и условиями базирования. Некоторые возможные схемы размещения двигателей на самолете показаны на рис. 1
1.Размещение двигателей в фюзеляже (рис. 1, а —д) обеспечивает самолету минимальное дополнительное сопротивление от двигательной установки и небольшое влияние на устойчивость и управляемость самолета. При этом практически отсутствует влияние струи выхлопных газов на хвостовое оперение. Вес конструкции узлов крепления двигателя получается небольшим.
Воздух к двигателю подается по каналам от воздухозаборников, которые могут быть расположены в носовой части фюзеляжа (а), по бокам фюзеляжа (б), в корневых частях крыла (в) или сверху фюзеляжа (г, д).
Наиболее высокую степень использования скоростного напора обеспечивает лобовой воздухозаборник (рис. 1, а), так как он обтекается невозмущенным потоком. При большой длине фюзеляжа могут оказаться более выгодными боковые, крыльевые или верхние воздухозаборники. Применение таких входных устройств способствует уменьшению длины воздушных каналов. При этом также упрощается размещение агрегатов оборудования и вооружения в носовой части фюзеляжа и улучшается обзор экипажу.
Для снижения потерь на входе в воздухозаборник предусматривают систему отсоса пограничного слоя.
К недостаткам крыльевых и верхних заборников следует отнести дополнительные потери скоростного напора на поворот струи и утяжеление конструкции, связанное с компенсацией вырезов, образованных в крыле и фюзеляже для прохода воздушных каналов.
2. Размещение двигателей на крыле (рис. 1, г —з, к).
Двигатели могут располагаться в корневой части крыла или на консоли. К достоинствам расположения двигателей в корневой части крыла (е, ж) следует отнести сравнительно небольшое дополнительное сопротивление, обусловленное их установкой, и малое влияние на балансировку самолета отказа одного из двигателей. При этом двигатели могут располагаться либо позади основного силового набора крыла (е), либо внутри силового кессона (іт)- В последнем случае они лучше вписываются в обводы крыла, но вес конструкции получается большим, главным образом, из-за необходимости создания монтажных люков в силовых панелях, крыла.
К недостаткам расположения двигателей в корне крыла следует отнести значительные вибрационные нагрузки обшивки фюзеляжа от реактивной струи, высокий уровень шума в кабине, опасность распространения пожара от двигателей на кабину и топливные отсеки.
При расположении двигателей в средней части и на конце крыла (з) эти недостатки частично устраняются. Двигатели, разнесенные по размаху крыла, обеспечивают разгрузку крыла в полете, благодаря чему вес конструкции крыла снижается.
Широкое распространение получила схема с расположением двигателей на пилонах под крылом (к). К достоинствам такой схемы можно отнести следующее:
—высокое аэродинамическое качество крыла;
—малые потери на всасывании (лобовой воздухозаборник) и на выхлопе (нет удлинительной трубы);
—увеличение критической скорости флаттера за счет смещения вперед центров тяжести сечений крыла, в которых размещены двигатели;
—удобные подходы к двигателю.
В то же время размещение двигателей на пилонах имеет и недостатки:
— увеличивается сопротивление самолета;
—тяга двигателей оказывает влияние не только на путевую, но и на продольную устойчивость самолета;
—увеличивается высота шасси, особенно на самолетах со стреловидным крылом, имеющим отрицательное поперечное V ;
—увеличивается вероятность выхода из строя двигателей из-за попадания в воздухозаборники твердых частиц с поверхности аэродрома.
3. Размещение двигателей на горизонтальных пилонах по бокам хвостовой части фюзеляжа(рис. 1 и).
Эта схема имеет следующие достоинства:
—отсутствие на крыле гондол способствует повышению его аэродинамического качества и более эффективному использованию механизации;
—близость двигателей к плоскости симметрии самолета облегчает, полет при отказе одного из них;
—объем крыла освобождается для размещения топлива;
—снижается уровень шума и вибраций в кабине;
—снижается возможность попадания в двигатель частиц грунта во время пробега и разбега самолета.
Вместе с тем, эта схема приводит к некоторому увеличению веса конструкции фюзеляжа и веса крыла, которое в этом случае не имеет разгрузки от массовых сил двигателей.
![]() |
Рис.1 Схемы размещения двигателей на самолете.
4. Гондолы и пилоны.
Для уменьшения лобового сопротивления двигатели и присоединенные к ним агрегаты заключаются в обтекаемые гондолы. Гондолы предохраняют двигатель и его агрегаты от коррозии, загрязнения и механических повреждений. Воздухозаборник гондолы обеспечивает использование кинетической энергии набегающего потока и подвод к двигателю воздуха с выравниванием поля скоростей для нормальной работы компрессора ВРД
илиохлаждения поршневого двигателя.
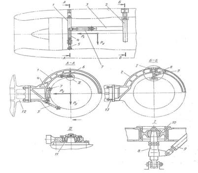
Рис. 2. Схема нагружения стержневого крепления ТВД:
Px
,
Py
,
Pz
— нагрузки, действующие на ДУ;
Р1
x
,
P
1
y
,
P
1
z
— силы, воспринимаемые передними
узлами фермы; Рг
— сила, воспринимаемая задними узлами фермы;
My
г
М
z
г
— гироскопи
ческие моменты; М
x
д
— реактивный момент
Рис. 3. Конструкция несимметричного крепления двигательных установок к фюзеляжу (Ту-154):
2 — силовые шпангоуты гондолы; 3— продольная балка; 4, 5, б — подкосы передней плоскости крепления двигателя; 7— продольный подкос; 8, 9—подкосы задней плоскости крепления двигателя; 10 — шаровой шарнир заднего крепления; Il — шаровой шарнир креп ления подкоса к цапфе двигателя; 12, 13 — узлы крепления силовых шпангоутов гондолы к фюзеляжу. Конструкция, непосредственно закрывающая двигатель, называется капотом. Гондолы должны обеспечивать удобный доступ к двигателю и агрегатам, расположенным на нем, для осмотра, замены и технического обслуживания. Для этого они имеют системы легко-съемных или откидных крышек. Гондолы двигателей представляют собой тонкостенные конструкции, аналогичные конструкции фюзеляжа.
5. Силовые схемы гондол могут быть двух типов.
Гондола полумонококовой конструкции состоит из жестких панелей, образующих замкнутую силовую оболочку. Такая конструкция воспринимает воздушные нагрузки и массовые силы и крепится к планеру или подвеске двигателя. Нагрузки же от двигателя передаются на планер (непосредственно на крыло, фюзеляж или пилон).
Каркасная конструкция отличается тем, что имеет силовой каркас. Гондола такой конструкции воспринимает также нагрузки от двигателя и передает их на планер.
На рис. 4 показана гондола ТРД на вертикальном пилоне под крылом. На рисунке видно сходство конструкций гондолы и фюзеляжа, пилона и крыла.
Особенностью конструкции и компоновки гондол ТВД является специфическая конфигурация передней части, обусловленная наличием обтекателя втулки винта и редуктора.
6. Прочность гондол, пилонов и креплений оборудования силовых установок.
Гондолы двигателей, воздухозаборники, которые нагружаются в основном аэродинамическими силами, особенно значительными при действии скоростного напора qmax max в случаях нагружения А' и D '. Поэтому их конструкция сходна с конструкцией фюзеляжа. Для глушения шума от двигателя используется трехслойная обшивка с сотовым заполнителем.
Конструкции пилонов имеют те же внутренние силовые элементы, что и конструкция крыла, достаточно сильные для восприятия больших нагрузок от двигательной установки и гондолы и передачи их на крыло или фюзеляж.
Прочность конструкции и креплений оборудования силовых установок (баки, трубопроводы, агрегаты) проверяется в соответствии со случаями нагружения по НЛГС частей планера ЛА, где они установлены.
Поскольку гондолы, пилоны и части оборудования силовых установок непосредственно соединяются с двигателем, они испытывают
значительные вибрационные воздействия, что может сказаться на состоянии конструкции (ослабление затяжки болтов и заклепок, образование люфтов и трещин) и ресурсе. Поэтому необходимо принимать меры защиты от вибраций.

Рис. 4. Гондола ТРД на вертикальном пилоне под крылом
Литература:
1. Конструкция и прочность самолетов, В.Н.Зайцев , Г.Н. Ночевкин – Киев 1974 г.
2. Конструкция и прочность летательных аппаратов гражданской авиации , К.Д. Миртова, Ж.С. Черненко – Москва 1991г.
3. Конструкция самолетов, Г.И.Житомирский – Москва «Машиностроение» 1991 г.
