| Похожие рефераты | Скачать .docx |
Реферат: Проектирование автомобильных дорог
Министерство образования и науки Российской Федерации
Федеральное агентство по образованию
Государственное образовательное учреждение
высшего профессионального образования
« Государственный технический университет»
МЕТОДИЧЕСКИЕ УКАЗАНИЯ
по выполнению курсового проекта по дисциплине
«Пути сообщения, технологические сооружения»
для студентов специальности
190702 (240200) Организация и безопасность движения
Ставрополь, 2007
Методические указания по выполнению курсового проекта по дисциплине «Пути сообщения, технологические сооружения» предназначены для студентов специальности 190702 (240200) Организация и безопасность движения, содержат методики расчетов основных элементов автомобильных дорог, положения по обустройству, содержанию, эксплуатации автомобильных дорог, требования по обеспечению безопасности движения. Составлены в соответствии с требованиями государственного образовательного стандарта высшего профессионального образования и основной образовательной программы подготовки.
СОДЕРЖАНИЕ
1. Цели и задачи курсового проекта
2. Формулировка задания и его объем
3. Основное содержание курсового проекта по разделам, последовательность и порядок их выполнения
3.1 Характеристика природных условий района расположения дороги
3.2 Назначение категории и расчетное обоснование основных технических нормативов
3.2.1 Установление технической категории дороги и назначение расчетной скорости движения автомобилей
3.2.2 Определение продольных уклонов
3.2.3 Определение нормативных радиусов для проектирования кривых в плане
3.2.4 Определение расстояний видимости
3.2.5 Определение наименьших радиусов вертикальных кривых для сопряжения переломов продольного профиля
3.2.6 Определение пропускной способности и уровня загрузки дороги
3.2.7 Определение ширины проезжей части дороги и земляного полотна
3.2.8 Сравнение расчетных параметров с нормативными
3.3 Проектирование плана трассы автомобильной дороги
3.4 Проектирование дополнительных устройств на кривых малого радиуса
3.4.1 Проектирование переходной кривой
3.4.2 Проектирование виража
3.4.3 Проектирование уширения проезжей части на кривых
3.5 Проектирование дороги в продольном профиле
3.6 Проектирование поперечного профиля дороги
3.7 Проектирование дорожных одежд
3.8 Оценка транспортно-эксплуатационного состояния дороги
3.8.1 Оценка скорости движения транспортного потока
3.8.2 Оценка пропускной способности дороги
3.8.3 Оценка безопасности движения на участке дороги
3.9 Содержание участка автомобильной дороги
3.10 Обустройство участка автомобильной дороги
3.11 Определение экономической эффективности мероприятий по совершенствованию участка автомобильной дороги
4. Общие требования к курсовому проекту
5. Рекомендации по организации работ над проектом, примерный календарный план его выполнения
6 Порядок защиты и ответственность студента за выполнение задания по курсовому проекту
Список рекомендуемой литературы
Развитие дорожно-транспортной сети является приоритетной задачей каждой страны, регионов и отдельных территориальных единиц. Кроме требований осуществления бесперебойной работы автотранспорта и обеспечения безопасности движения к автомобильным дорогам необходимо предъявлять высокие архитектурно-эстетические требования как и к любому инженерному сооружению массового использования.
Проектирование, эксплуатация и содержание автомобильных дорог подразумевает наличие у специалиста по безопасности движения системных знаний, обобщающих как фундаментальные общеобразовательные, так и узкоспециальные дисциплины, входящие в общую программу подготовки. Он должен владеть приёмами выбора трассы дороги на местности; уметь назначать конструктивные элементы дорог, обеспечивающие удобство, безопасность и экономичность грузовых и пассажирских перевозок; обладать знаниями методов технико-экономической оценки и сравнения вариантов. Кроме того, необходимо не только четко ориентироваться в нормативно-правовой базе по проектированию дорог и базовых принципах проектирования, но и стремиться дополнять их собственным опытом и наблюдениями.
Содержание курсового проекта определяет базовый комплекс знаний о путях сообщения и технологических сооружениях, необходимых специалисту по безопасности движения.
1. ЦЕЛИ И ЗАДАЧИ КУРСОВОГО ПРОЕКТА
Курсовое проектирование ставит своей целью обобщение и закрепление знаний, полученных студентами при изучении дисциплины «Пути сообщения, технологические сооружения».
Курсовое проектирование должно научить студентов грамотно производить технические расчеты, освоить навыки и методы проектирования автомобильных дорог, их эксплуатации и содержанию, а также творчески подходить к решению конкретных инженерных задач и широко использовать в своей работу техническую, нормативную и справочную литературу.
При выполнении проекта студент должен учитывать новейшие достижения в области проектирования дорог, как в нашей стране, так и за рубежом, в частности, по возможности использовать программные продукты автоматизированного проектирования.
К выполнению курсового проекта следует приступить лишь после тщательного изучения разделов дисциплины «Пути сообщения, технологические сооружения».
2. ФОРМУЛИРОВКА ЗАДАНИЯ И ЕГО ОБЪЕМ
Курсовой проект предусматривает расчет технических показателей и основных элементов плана, продольного и поперечного профилей автомобильных дорог. В задании на выполнение курсового проекта содержаться следующие данные: район расположения участка автомобильной дороги; интенсивность движения на перспективу, состав транспортного потока и расчетные автомобили, схемы плана и продольного профиля с заданными углами поворота и величинами продольных уклонов; категория существующей дороги.
Выполненный курсовой проект должен содержать следующие материалы:
1) пояснительную записку с необходимыми расчетами – объемом 50 – 70 страниц;
2) графический материал на двух листах формата А1:
– план трассы (по заданию);
– один из углов поворота с обозначениями и сводную ведомость углов поворота, прямых и кривых;
– продольный профиль трассы (по заданию);
– поперечные профили земляного полотна дороги;
– схему принятой конструкции дорожной одежды;
– схему отгона виража и уширения на кривых;
– схему обустройства дороги сооружениями обслуживания движения.
3. ОСНОВНОЕ СОДЕРЖАНИЕ КУРСОВОГО ПРОЕКТА ПО РАЗДЕЛАМ, ПОСЛЕДОВАТЕЛЬНОСТЬ И ПОРЯДОК ИХ ВЫПОЛНЕНИЯ
3.1 Характеристика природных условий района расположения дороги
При описании природных условий следует указать в какой дорожно-климатической зоне расположена дорога, и дать краткую характеристику района расположения дороги.
Климат. Приводится общая характеристика климата, максимальная и минимальная температуры воздуха, глубина промерзания грунтов, высота снежного покрова, направление и скорость ветра и т. д.
Рельеф. Дается характеристика общих сведений о рельефе местности. Наличие характерных изменений и высотных препятствий (возвышенности, овраги, котлованы и т. д.).
Растительность. Следует указать наличие лесов, парков и земель, занятых ценными угодьями (сады, пашни).
Грунтово-геологические и гидрологические условия. Дается описание грунтово-геологических условий (типы грунтов, наличие оползней, устойчивости склонов), гидрологических условий (заболоченные участки и участки с необеспеченным поверхностным стоком, глубину залегания грунтовых вод).
Дорожно-строительные материалы. Приводятся данные о наличии местных каменных материалов и отходов промышленности, которые можно использовать в различных конструктивных слоях дорожных одежд и других инженерных сооружениях.
Также даются краткие данные об экономике района.
Характеристика природных условий составляется на основе данных [10 – 15].
3.2 Назначение категории и расчетное обоснование основных технических нормативов
Технические нормативы на проектирование элементов плана, продольного и поперечного профилей назначаются по расчетной скорости, принимаемой для дороги данной категории в зависимости от рельефа местности. Следует помнить, что на участках автомобильных дорог на подходах к городам в случаях пересечения дорогами территорий, занятых особо ценными сельскохозяйственными культурами и садами, допускается принимать значения расчетных скоростей, установленные для трудных участков пересеченной местности.
Отдельные величины технических нормативов следует обосновать расчетами. Расчеты технических нормативов следует выполнять для основной расчетной скорости и для трудных участков пересеченной местности и сопоставляться с рекомендуемыми [13] для данной технической категории дороги.
3.2.1 Установление технической категории дороги и назначение расчетной скорости движения автомобилей
Техническая категория дороги устанавливается по [13, табл. 1] на основе данных об интенсивности и составе движения, приведенных в задании на выполнение курсового проекта.
Используя данные о составе потока и коэффициенты приведения различных транспортных средств по [13, табл. 2], рассчитываем приведенную интенсивность движения по формуле:
, (1)
где
– интенсивность движения транспортного средства i-ой марки;
– коэффициент приведения транспортного средства i-ой марки.
В соответствии со значением определенной интенсивности движения транспортных единиц на перспективный год эксплуатации дороги по [13, табл. 1] определяется техническая категория автомобильной дороги.
Интенсивность движения на автомобильных дорогах неравномерна в течение суток. Для определения пиковых периодов максимальной интенсивности (для использования в последующих расчетах) необходимо рассчитать распределение суточной интенсивности движения по часам, используя формулу 2 и таблицу 1.
Интенсивность движения за искомый час:
, (2)
гдеNi – интенсивность движения за искомый час суток, пр. авт./ч;
Ki – коэффициент, соответствующий искомому часу суток;
N – замеренная интенсивность движения, пр. авт. /ч;
К – коэффициент, соответствующий часу суток, когда был произведен замер интенсивности движения.
Таблица 1 – Коэффициенты распределения интенсивности движения по часам суток
| Часы | 0–1 | 1–2 | 2–3 | 3–4 | 4–5 | 5–6 | 6–7 | 7–8 |
| Коэффициент | 0,083 | 0,025 | 0,009 | 0,023 | 0,059 | 0,144 | 0,270 | 0,32 |
| Часы | 8–9 | 9–10 | 10–11 | 11–12 | 12–13 | 13–14 | 14–15 | 15–16 |
| Коэффициент | 0,52 | 0,68 | 1,0 | 0,84 | 0,74 | 0,75 | 0,83 | 0,97 |
| Часы | 16–17 | 17–18 | 18–19 | 19–20 | 20–21 | 21–22 | 22–23 | 23–0 |
| Коэффициент | 1,05 | 0,95 | 0,9 | 0,47 | 0,26 | 0,24 | 0,19 | 0,12 |
По полученным расчетам строиться график распределения интенсивности по часам суток (рисунок 1).

Рисунок 1 – График распределения интенсивности движения по часам суток
Расчетная скорость движения автомобилей принимается в зависимости от установленной технической категории дороги и рельефа местности (таблица 2).
Таблица 2 – Расчетные скорости движения автомобилей
| Автомобили | Расчетная скорость для данной категория дороги, км/ч | ||||
| I | II | III | IV | V | |
| легковые | 150 | 120 | 100 | 80 | 60 |
| грузовые | 75 | 60 | 50 | 40 | 30 |
| автобусы | 75 | 60 | 50 | 40 | 30 |
Для определения остальных технических нормативов автомобильной дороги необходимо для указанных в задании расчетных автомобилей составить таблицу технических характеристик [4, 6, 7, 17] по форме таблицы 3.
Таблица 3 – Основные технические характеристики расчетных автомобилей
| Параметры | Ед. изм | Обозначения | Автомобиль | |
| грузовой | легковой | |||
| 1. Число осей | шт | |||
| 2. Число ведущих осей | шт | |||
| 3. Полный вес автомобиля с нагрузкой | кН | G | ||
| 4. Полный вес автомобиля | кН | Gсц | ||
| 5, Грузоподъемность | кН | Г | ||
| 6. Ширина колеи задних колес | м | К | ||
| 7. Ширина автомобиля | м | а | ||
| 8. Длина автомобиля | м | L | ||
| 9. Высота автомобиля | м | h | ||
| 10. Максимальная мощность автомобиля | кВт | N | ||
| 11. Число оборотов коленчатого вала | об./мин | n | ||
| 12. Передаточное число в коробке передач | - | |||
| I передача | - | ik1 | ||
| И передача | - | ik2 | ||
| Ш передача | - | ik3 | ||
| IV передача | - | ik4 | ||
| V передача | - | ik5 | ||
| 13. Передаточное число главной передачи | - | io | ||
| 14. Максимальная скорость | км/ч | V | ||
| 15. Механический КПД | - | h | ||
| 16. Радиус качения колес | м | rк | ||
3.2.2 Определение продольных уклонов
Наибольший продольный уклон, преодолеваемый автомобилем, определяется из условия его движения на подъем на III передаче. При этом принимается допущение, что движение автомобиля происходит с равномерной (расчетной) скоростью. Наибольший продольный уклон при этих условиях:
, (3)
гдеДmax – динамический фактор;
f – коэффициент сопротивления качению;
imax – продольный уклон дороги, ‰.
Динамический фактор:
, (4)
гдеG – вес автомобиля, Н.
Ра – сила тяги, кН;
РW – сила сопротивления воздуха, Н.
Сила тяги при скорости автомобиля на III передаче:
, (5)
Кр – коэффициент размерности (Кр =9,55);
η – механический коэффициент полезного действия трансмиссии автомобиля (для грузовых двухосных автомобилей принимается равным 0,9, для трехосных – 0,80, для легковых автомобилей – 0,92);
nv – частота вращения коленчатого вала, об./мин.
Расчет наибольшего продольного уклона для расчетного грузового автомобиля выполняется с использованием математической зависимости эффективной мощности двигателя от частоты вращения коленчатого вала, предложенной С. Д. Лейдерманом:
, (6)
гдеNe m ах – максимальная мощность двигателя, кВт;
λ – отношение частоты вращения коленчатого вала двигателя при движении автомобиля со скоростью V к частоте вращения при максимальной скорости;
a, b, c – эмпирические
коэффициенты уравнения, значения которых для грузовых автомобилей:
– с карбюраторными двигателями – а=b=c=1;
– с дизельными двигателями – а=0,87; b=1,13; с=1.
Наибольший продольный уклон при движении грузового автомобиля на III передаче определяется в следующей последовательности:
По графикам динамических характеристик автомобилей [4, 6, 7] находится скорость автомобиля на III передаче VIII .
Далее определяется частота вращения коленчатого вала двигателя при скорости автомобиля VIII по формуле:
, (7)
гдеnv – частота вращения коленчатого вала, об./мин;
VIII – скорость движения автомобиля, км/ч;
i0 и ik 3 – передаточные числа главной передачи и коробки передач;
rk – радиус качения колес автомобиля, м.
Определяется максимальная частота вращения коленчатого вала при движении автомобиля на прямой передаче по формуле:
, (8)
гдеnmax – максимальная частота вращения коленчатого вала двигателя при движении автомобиля на прямой передаче, об./мин;
Vmax – максимальная скорость движения автомобиля на прямой передаче, км/ч;
i0 и ik 4(5) – передаточные числа главной передачи и прямой передачи;
rk – радиус качения колес автомобиля, м.
Находится отношение частоты вращения коленчатого вала двигателя при скоростях VIII и Vmax :
, (9)
Определяется частота вращения коленчатого вала двигателя NV по формуле (6).
Определяется необходимая для вычисления динамического фактора сила тяги при скорости автомобиля на III передаче по формуле (5).
Сила сопротивления воздуха:
, (10)
гдеF – лобовая площадь автомобиля, F=0,77∙В∙Н;
В – ширина автомобиля, м;
Н – высота автомобиля, м;
К – коэффициент обтекаемости автомобиля, кг/м2 (для легковых автомобилей K=0,05 – 0,30, для грузовых – K=0,5 – 0,7).
Далее определяется наибольший продольный уклон, который обеспечит движение автомобиля с постоянной скоростью на III передаче:
, (11)
, (12)
гдеf0 – коэффициент сопротивления качению, принимается для дорог I и II категории 0,01 – 0,02, III и IV категории – 0,015 – 0,025;
fV – то же, при скорости движения автомобиля от 50 до 150 км/ч.
Полученное значение уклона проверяется по условию сцепления. Динамический фактор при мокром и грязном покрытии определяется по формуле:
, (13)
гдеφ – коэффициент сцепления колеса с покрытием (φ =0,2);
Gсц – давление на заднюю ось (тележку), Н.
. (14)
Для движения автомобиля без пробуксовки необходимо, чтобы выполнялось условие:
. (15)
Для расчета максимальных продольных уклонов, преодолеваемых легковым автомобилем, используются графики динамических характеристик легковых автомобилей [4, 6, 7]. Находится максимальное значение динамического фактора и скорости движения легкового автомобиля на каждой передаче.
По формуле (3) вычисляются максимальные значения продольных уклонов. Результаты расчетов записываются в таблицу 4.
Таблица 4 – Результаты расчетов максимальных продольных уклонов, преодолеваемых легковым автомобилем
| Передачи | Значение Дmax | Величина fV | Скорость км/ч | |
| I | 0,042 | 0,02 | 25 | 0,042-0,02=0,022=22 ‰ |
| II | ||||
| III | ||||
| IV |
Полученные расчетом величины imax для грузового и легкового автомобилей сравниваются с imax для данной технической категории дороги, приведенными в СНиП 2.05.02-85 (табл. 10).
3.2.3 Определение нормативных радиусов для проектирования кривых в плане
Радиус кривой в плане, при котором возможно движение автомобиля с расчетной скоростью при условии устройства виража, переходных кривых и уширения проезжей части, определяется по формуле:
, (16)
гдеV – расчетная скорость движения для данной категории дороги, км/ч;
iв – поперечный уклон проезжей части на вираже (принимается в соответствии с требованиями СНиП 2.05.02-85, табл. 8);
μ – коэффициент поперечной силы, принимаемый по графику (рисунок 2).

Рисунок 2 – График зависимости коэффициента поперечной силы от скорости движения автомобиля [1]
Значение коэффициента поперечной силы µ должно удовлетворять одновременно условиям устойчивости автомобиля против опрокидывания, устойчивости против заноса, удобства пассажиров при проезде по кривой и экономичности работы автомобиля.
Рекомендуется для определения радиуса, не требующего переходных кривых и виража, принимать для дорог I и II категорий µ=0,05 и для дорог III категории (и ниже) – µ=0,1.
При определении наименьшего радиуса, применяемого на трудных участках, в зависимости от сложности вписывания кривой может быть допущена величина μ=0,15 – 0,20. При сравнительно простых условиях проектирования следует принимать μ=0,10, особенно для дорог высокой категории.
По условию видимости в ночное время минимальный радиус кривой вычисляется по формуле:
, (17)
гдеS1 – расстояние видимости поверхности дороги, определенное по СНиП 2.05.02-85 (табл. 10) для заданной расчетной скорости движения, м;
α – угол расхождения пучка света фар (α ≈ 2°).
Наименьшие радиусы кривых в плане без устройства виража рассчитываются по формуле:
, (18)
гдеi1 – поперечный уклон проезжей части, ‰ (определяется по СНиП 2.05.02-85, табл. 7).
Вычисленные радиусы кривых в плане сравниваются с приведенными в СНиП 2.05.02-85.
3.2.4 Определение расстояний видимости
В теории проектирования дорог предложено несколько схем видимости по условиям движения автомобилей и расположению автомобилей и препятствий на дороге. Принципиально различают следующие группы:
1. Схемы, предусматривающие остановку автомобиля перед препятствием или встречным автомобилем.
Расчетное расстояние видимости поверхности дороги находится из выражения:
. (19)
гдеV – расчетная скорость движения по проектируемой автомобильной дороги;
Кэ – коэффициент, учитывающий эффективность тормозов (для легкового автомобиля принимается К=1,3; для грузовых и автобусов – К=1,85);
φ1 – коэффициент продольного сцепления, принимается равным 0,50;
l0 – зазор безопасности, принимаемый равным 5 – 10 м.
Расчетное расстояние видимости встречного автомобиля находится по формуле:
. (20)
2. Схемы, исходящие из объезда автомобилем препятствия или обгона попутного автомобиля с заездом на смежную полосу движения.
Расстояние видимости из условия обгона:
. (21)
гдеV1 и V2 – соответственного скорости обгоняющего и обгоняемого автомобиля. Для расчетов принимаются расчетные скорости для легкового и грузового автомобилей при принятой технической категории;
lа – средняя длина автомобиля, м, принимается 5 – 7 м.
На пересечениях дорог в городских условиях необходимо обеспечение достаточной боковой видимости придорожной полосы.
Минимальное необходимое расстояние боковой видимости:
, (22)
гдеVп – скорость движения пешехода или транспортного средства по пересекающей дороги, км/ч, для пешехода – 7 – 10 км/ч, для транспортного средства – 20 – 30 км/ч.
Расстояния боковой видимости на пересечении дорог сравнивают с расчетными, которые определяют с учетом скоростей движения на пересекающихся дорогах, продолжительности ориентирования водителя и времени его реакции:
, (23)
гдеV – скорость движения;
tор – продолжительность ориентирования водителя, с;
tр – время реакции водителя, равное 1,5 с;
Кэ – характеристика эксплуатационного состояния тормозной системы автомобиля (принимается не менее 1,4);
j – коэффициент продольного сцепления;
i – продольный уклон (при спуске – с минусом);
D – расстояние от остановившегося автомобиля до кромки проезжей части пересекаемой дороги: D = 5 м.
Продолжительность ориентирования рассчитывают с учетом местных условий движения:
, (24)
гдеto – наименьшая продолжительность ориентирования в оптимальных условиях (для автомобильных дорог to = 1,4 с, для населенных пунктов 1,8 с);
К1 – коэффициент, учитывающий наличие стоящих на обочинах пересекаемой дороги автомобилей (если остановка или стоянка автомобилей в пределах пересечений разрешена, то К1 =0,32; при запрещении остановки К1 =0);
К2 – коэффициент, учитывающий плотность движения на пересекаемой дороге:
| Интенсивность движения по пересекаемой дороге, авт./ч | до 50 | 75 | 200 | 500 |
| К2 | 0,15 | 0,22 | 0,35 | 0,53 |
К3 – коэффициент, учитывающий интенсивность движения на дороге, с которой определяется расстояние боковой видимости:
| Интенсивность движения, aвт./ч | до 30 | 50 | 100 | 300 |
| К3 | 0 | 0,12 | 0,20 | 0,22 |
Вычисленные расстояния видимости сравниваются с приведенными в СНиП 2.05.02-85.
3.2.5 Определение наименьших радиусов вертикальных кривых для сопряжения переломов продольного профиля
Радиусы вертикальных выпуклых кривых определяются из условия обеспечения видимости поверхности дороги:
, (25)
гдеh – возвышение глаза водителя легкового автомобиля над поверхностью дороги, в расчетах принимается равным 1,2 м.
Обеспечение видимости встречного автомобиля:
. (26)
Радиусы вертикальных вогнутых кривых определяются из условия обеспечения видимости проезжей части в ночное время при свете фар. Расчет ведется по формуле:
, (27)
гдеhф – высота фар легкового автомобиля над поверхностью проезжей части, (hф =0,75 м);
а – угол рассеивания пучка света фар (а=2°).
Величина радиуса вертикальной кривой с учетом самочувствия пассажиров и перегрузки рессор определяется из выражения:
, (28)
гдеа0 – центробежное ускорение, принимаемое равным: 0,3 – 0,4 м/с2 для дорог I – III технических категорий, 0,5 – 0,7 м/с2 для дорог IV – V технических категорий.
При обосновании радиусов вертикальных кривых следует учитывать рекомендации СНиП 2.05.02-85. Если имеется возможность по местным условиям и не ведет к удорожанию строительства, применять радиусы вертикальных выпуклых кривых не менее 70000 м (длина кривой более 300 м) и вогнутых кривых – 8000 м (длина кривой не менее 100 м).
В зависимости от сложности условий рельефа в пределах одной категории дороги допускается изменение радиусов в весьма широких пределах. Так, например, для дорог II категории радиусы выпуклых кривых принимают от 15000 до 2500 м.
3.2.6 Определение пропускной способности и уровня загрузки дороги
Пропускная способность одной полосы движения при условии отсутствия обгонов определяется по формуле:
, (29)
гдеP – пропускная способность одной полосы движения, авт./ч;
L – динамический габарит автомобиля (наименьшее расстояние между движущимися автомобилями), м:
, (30)
гдеlа – средняя длина автомобиля, м;
К – коэффициент снижения скорости движения автомобиля в потоке, принимаемый равным 0,3 – 0,5.
Величина продольного уклона i принимается на спуске со знаком «-» на подъеме со знаком «+». На ровном участке i = 0.
Пропускная способность одной полосы движения вычисляется отдельно для грузового и легкового расчетного автомобиля.
Количество полос движения (n) определяется по формуле:
, (31)
гдеN – суточная интенсивность движения, авт./сут.;
t – коэффициент для приведения суточной интенсивности движения к часовой (принимается по таблице 5).
Таблица 5 – Значение коэффициента перехода от суточной интенсивности движения к часовой
| Категория дорог | I | II | III | IV | V |
| Значение коэффициента | 0,09 – 0,12 | 0,12 – 0,15 | 0,15 – 0,18 | 0,28 – 0,2 | 0,2 |
Обычно по расчету число полос движения оказывается меньше, чем требуется по нормам. Для дорог II, III и IV категорий следует принимать две полосы движения.
Полная пропускная способность дороги определяется по формуле:
. (32)
Практическая пропускная способность дороги из-за неравномерности движения автомобилей составляет 0,3 – 0,5 от ее теоретического значения.
Для оценки состояния потока автомобилей, эмоционального напряжения водителей, удобства работы и экономической эффективности работы дороги используют коэффициент загрузки дороги движением, вычисляемый по формуле:
. (33)
Определение уровня загрузки дороги движением характеризует ряд показателей включающих уровень удобства, состояние потока, коэффициент обеспеченности скоростью. Данные характеристики представлены в [1, 3]. Определенные оценочные параметры уровня загрузки дороги движения необходимо указать в расчетно-пояснительной записке к курсовому проекту.
3.2.7 Определение ширины проезжей части дороги и земляного полотна
Необходимая ширина полосы движения складывается из ширины кузова автомобиля, расстояний от кузова до края смежной полосы движения и от колеса до кромки проезжей части. Эти расстояния зависят также от индивидуальных особенностей водителей и их значения могут быть установлены только на основе большого числа наблюдений.
В данном курсовом проекте ширина полосы движения определяется по методу С. М. Замахаева.
Для двухполосной дороги с двухсторонним движением ширина одной полосы определяется по формуле:
, (34)
гдеа – ширина кузова автомобиля, м;
К – ширина колеи автомобиля, м;
х – расстояние от кузова автомобиля до оси проезжей части, м;
у – ширина предохранительной полосы – расстояние до кромки покрытия, м.
Для двухполосной дороги величина:
. (35)
Окончательно формула для расчета имеет вид:
. (36)
Для четырехполосной проезжей части расчет производится для одного направления при попутном движении с обгоном. Ширина одной полосы движения в этом случае определяется по формуле:
. (37)
Вычисления производятся отдельно для грузовых и легковых автомобилей. Общая ширина проезжей части одного направления:
. (38)
Вычисления производятся согласно рисунку 3.

Рисунок 3 – Схема к определению ширины полосы движения
Ширина земляного полотна для двухполосной проезжей части ширина земляного полотна вычисляется по формуле:
, (39)
гдеd – ширина обочины, м (принимается по СНиП 2.05.02-85).
Для четырехполосной проезжей части:
, (40)
гдес – ширина разделительной полосы.
3.2.8 Сравнение расчетных параметров с нормативными
В заключении этого раздела курсового проекта составляется сравнительная таблица технических нормативов проектируемой дороги по форме, приведенной в таблице 6.
Таблица 6 – Сравнительная таблица основных технических нормативов проектируемой дороги
| Наименование показателей | Ед. изм. | Показатель | Примечания | ||
| по расчету | по СНиП 2.05.02-85 | принят для дальнейших расчетов | |||
| 1. Расчетная скорость | км/ч | ||||
| 2. Ширина полосы движения | м | ||||
| 3. Число полос движения | шт. | ||||
| 4. Ширина проезжей части | м | ||||
| 5. Ширина земляного полотна | м | ||||
| 6. Минимальный радиус кривой в плане | м | ||||
| 7. Максимальный продольный уклон | ‰ | ||||
| 8. Минимальный радиус кривой в плане | м | ||||
9. Минимальные радиусы вертикальных кривых: выпуклых вогнутых |
м м |
||||
При сравнении в качестве расчетного принимается лучший параметр, то есть больший минимальный радиус, меньший продольный уклон и т. д.
Расхождение с нормами объясняются тем, что последние приняты для средних условий. В эти нормы можно вводить поправки, если они обоснованы технико-экономическими расчетами.
3.3 Проектирование плана трассы автомобильной дорог
В проектах новых автомобильных дорог одним из основных документов является план трассы (вид сверху) или горизонтальная проекция дороги. Для лучшей ориентировки трассу делят на километры и на стометровые отрезки, называемые пикетами. Пикеты и километры последовательно нумеруют.
При проложении трассы дороги по карте в горизонталях необходимо учесть, что нормируемыми элементами трассы в плане являются наименьшие радиусы кривых, наименьшие параметры переходных кривых и длина прямолинейных участков.
Длину прямолинейных участков трассы назначают исходя из условия недопущения притупления внимания водителей и прогрессирующей их усталости при движении по длинным прямым, особенно в условиях монотонного ландшафта. Поэтому прямые участки трассы рекомендуется ограничивать длиной 4 – 6 км.
Следует избегать и очень коротких прямых вставок между кривыми. Водитель должен иметь возможность оценить закругление, принять решение о необходимости изменения режима движения и осуществить это изменение.
Во всех случаях, когда по условиям местности представляется возможность, следует принимать [13]:
– радиусы кривых в плане не менее 3000 м;
– радиусы вогнутых кривых не менее 70000 м;
– радиусы вогнутых кривых не менее 8000 м.
Между односторонними (направленными в одну сторону) кривыми прямые вставки короче 300 – 450 м допускать не следует, так как короткие вставки в подобных случаях водитель воспринимает как неприятный для взгляда излом, нарушающий плавность дороги, и старается резко снизить скорость движения, хотя этого не требуется по условиям безопасности движения.
В настоящих методических указаниях применяется так называемый традиционный метод трассирования автомобильных дорог (полигонное трассирование), а по сути последний его этап – вписывание кривых расчетного радиуса в переломы магистрального хода. Начальные и конечные точки участка автомобильной дороги, расположение магистрального хода, величины углов поворота, начальный румб – указаны в задании к курсовому проекту. Студенту требуется только определить основные параметры кривых и выполнить разбивку пикетажа.
Проектирование плана трассы выполняется в следующей последовательности:
1. По ходу трассы последовательно нумеруются углы поворота – угол между продолжением направления трассы и новым ее направлением (ВУП-1, ВУП-2 и т. д.).
2.

Рисунок 4 – Схема разбивки закругления
2. Ориентируют трассу относительно сторон света. Для этого вычисляют румб начала трассы (например,
означает, что участок длиной 260,3 м, расположен под углом 87 градусов 30 минут к меридиану). Румбы последующих прямых участков трассы определяются расчетом.
3. Далее по углу поворота и расчетному значению радиуса определяют основные элементы кривой и в точки перелома магистрального хода вписываются кривые. Различают следующие геометрические элементы закруглений (рисунок 4): угол α, радиус R, кривая К, тангенс Т, биссектриса Б, а также домер Д – разность между тангенсами кривой и длиной кривой. Данные параметры рассчитывают по формулам:
(41)
гдеR – принятый радиус вписываемой круговой кривой, м;
α – величина угла поворота, град.

Рисунок 5 – Схема угла поворота трассы
4. Разбивку пикетажа ведут от начала трассы до вершины первого угла поворота, и устанавливают его пикетажное значение. Например, вершина угла поворота, (ВУП 1) имеет пикетажное значение ПК 9+50 (рисунок 4). Для того чтобы продолжить разбивку пикетажа, необходимо определить значения начала (НК) и конца (КК) закругления, вынести пикеты на кривую и продолжить разбивку пикетажа до вершины следующего угла поворота.
Пикетажное значение начала закругления (НК) и конца закругления (КК) определяются по схемам:


Геометрическое положение точки начала кривой (НК) на трассе легко определить, если отложить от вершины угла поворота величину тангенса назад по ходу пикетажа, а положение точки конца кривой (КК) – вперед по ходу трассы (рисунок 4). Пропущенные пикеты в пределах закругления расставляются по кривой с учетом масштаба карты.
5. При заполнении ведомости углов поворота, прямых и кривых (таблица 7) величины Р – длина прямой вставки и S – расстояние между вершинами углов определяют по схемам:
Р1 = ПК НК – ПК НТ,
Р2 = ПК НК2 – ПК КК1, (42)
Р3 = ПК КТ – ПК КК,
Где ПК НТ, ПК КТ – пикетажные положения начала и конца трассы;
ПК НК, ПК КК, ПК НК2, ПК НК1 – пикетажные положения начала и конца закруглений.
S1 =ПК ВУП 1 – ПК НТ,
S2 = (ПК ВУП2 – ПК ВУП 1) + Д1, (43)
S3 = (ПК КТ – ПК ВУП 1) + Д1,
гдеПК ВУ1, ПК ВУ2 – пикетажные положения вершин углов, полученные при разбивке пикетажа по трассе;
Д1 – величина домера для соответствующего угла поворота, м.
Пример разбивки пикетажа
Исходные данные:
Начало трассы(НТ) – ПК 250;
S1 = 718,0 м
Тангенс кривойТ1 = 328,46 м
Длина кривойК1 =634,72 м
Пикетаж начала (НК):
.
Пикетаж конца кривой (КК):
.
Правильность заполнения ведомости углов поворота, прямых и кривых, а также разбивки пикетажа по трассе проверяется путем выполнения проверок:
Разность между удвоенной суммой тангенсов и суммой кривых должна равняться сумме домеров:
. (44)
Разность между суммой правых и суммой левых углов поворота должна равняться разности дирекционных углов конечной и начальной сторон трассы:
. (45)
Сумма длин прямых и кривых должна равняться пикетажной длине трассы. Этой же длине должна равняться разность между суммой расстояний между вершинами углов поворота и суммой домеров:
. (46)
К проекту прилагаются ведомости углов поворота, длин прямых и кривых с контрольными проверками по форме, приведенной в таблице 7.
Таблица 7 – Сводная ведомость углов поворота, прямых и кривых
| № угла пово-рота | Поло-жение ВУП ПК+ | Углы поворота | R, м | L, м | T0 , м | Б0 , м | К0 , м | Д0 , м | β | γ | t | ρ | Tп , м | Бп , м | Кп , м | НК ПК + | СК ПК + | КК ПК + | Длина прямой вставки | Румбы линий | ||||||||||||
| лево | право | измерен-ный | вычислен-ный | |||||||||||||||||||||||||||||
| НТ | ||||||||||||||||||||||||||||||||
| 1 | ||||||||||||||||||||||||||||||||
| 2 | ||||||||||||||||||||||||||||||||
| … | ||||||||||||||||||||||||||||||||
| КТ | ||||||||||||||||||||||||||||||||
3.4 Проектирование дополнительных устройств на кривых малого радиуса
3.4.1 Проектирование переходной кривой
Переходные кривые на автомобильных дорогах проектируют при радиусах менее 2000 м независимо от категории дороги. Рекомендуется следующая последовательность проектирования переходных кривых:
1. По заданной величине угла поворота (α) и радиуса кривой (R) определяются элементы круговой кривой (Т, К, Б, Д).
2. Определяется длина переходной кривой по формуле:
, (47)
гдеV – расчетная скорость движения для данной технической категории, км/ч;
J – нарастание центробежного ускорения, принимается J=0,5 м/с3 ;
3. Вычисляется угол φ, образованный касательной в конце переходной кривой и осью абсцисс (рисунок 6), по формуле:
. (48)

Рисунок 6 – Схема закругления с переходными кривыми
4. Определяется возможность разбивки переходных кривых, т. е. соблюдение условия α ≥ 2φ, если α < 2φ, то увеличивается радиус кривой R или уменьшается длина переходных кривых LПК .
5. Вычисляются величины основных элементов закругления с переходными кривыми (рисунок 6):
– параметр переходной кривой С определяется по формуле:
;(49)
– координаты конца переходной кривой Хк , Ук :
(50)
– величина сдвижки:
; (51)
– расстояние от начала переходной кривой до середины круговой кривой:
; (52)
– тангенс переходной кривой:
; (53)
– составная длина круговой кривой:
; (54)
– полная длина закругления:
; (55)
– домер переходной кривой:
; (56)
– биссектриса переходной кривой:
; (57)
– сокращение трассы за счет вписывания переходных кривых:
. (58)
6. Устанавливается пикетажное положение характерных точек составной кривой:


Разбивка переходных кривых производится способом абсцисс и ординат. Для этого всю длину переходной кривой разделяют на участки и определяют необходимые для разбивки координаты X и У. Координаты кривой записываются в таблицу 8.
Таблица 8 – Координаты для разбивки переходных кривых
| Номер точек | Пикет, + | Расстояние от начала переходной кривой | Координаты для разбивки, м | |
| Х | У | |||
3.4.2 Проектирование виража
Для повышения устойчивости автомобиля на кривых устраивают односкатный поперечный профиль – вираж – с уклоном проезжей части и обочин к центру кривой. Виражи устраивают на всех кривых с радиусами, меньшими 3000 м на дорогах I категории и 2000 м – на остальных.
Вираж устраивают в пределах основной круговой кривой.
Постепенный переход от двухскатного к односкатному поперечному профилю дороги осуществляется в пределах переходных кривых. Этот участок называется отгоном виража.
Проектирование виража производится в следующей последовательности:
– определяется поперечный уклон виража согласно СНиП 2.05.02-85 или по формуле:
; (59)
– длина отгона виража вычисляется по формуле:
, (60)
гдеLотг – длина отгона виража, м;
b – ширина проезжей части, м;
iв – поперечный уклон виража, ‰;
iдоп – дополнительный поперечный уклон наружной кромки проезжей части на участке отгона виража (принимается для дорог I – III технических категорий не более 5 ‰, для дорог Ш – IV технических категорий не более 10 ‰, а в горной местности – не более 20 ‰).
Как правило, отгон виража устраивают на всей длине переходной кривой, тогда:
, (61)
гдеiотг – продольный уклон наружной кромки проезжей части в пределах отгона виража; LПК – длина переходной кривой;
– вычисляется высота кромок и оси проезжей части относительно бровок земляного полотна (рисунок 7):
, (62)
гдеа – проектируемая ширина обочин, м;
i2 – поперечный уклон обочины, ‰;
i1 – поперечный уклон проезжей части, ‰;
b – ширина проезжей части, м.

Рисунок 7 – Схема изменения поперечного профиля на вираже
Проектирование отгона виража ведется в следующей последовательности:
1. За 10 м до начала отгона виража внешняя обочина разворачивается вокруг кромки проезжей части до тех пор, пока уклон не будет равен уклону проезжей части (рисунок 7). При этом бровка внешней обочины поднимается на высоту:
. (63)
2. Внешняя полоса проезжей части и обочина вращением вокруг оси дороги поднимаются до тех пор, пока будет достигнут уклон внутренней полосы проезжей части. Внешняя кромка проезжей части поднимается на высоту:
. (64)
Расстояние, на котором внешняя полоса проезжей части принимает уклон внутренней полосы, равно:
, (65)
внешняя бровка земляного полотна поднимается на высоту:
. (66)
3. Увеличивается уклон односкатного поперечного профиля дороги за счет вращения вокруг внутренней кромки проезжей части до тех пор, пока не будет достигнут требуемый уклон виража. При этом внешняя кромка проезжей части поднимается на высоту:
, (67)
внешняя бровка (
) и ось проезжей части (h0
) – на высоту:
. (68)
В том случае, если уклон виража больше, чем уклон обочин (iв > i2 ), внутренняя бровка опустится на:
, (69)
расстояние, на котором может опускаться внутренняя бровка земляного полотна:
. (70)
Полные превышения характерных точек поперечного профиля в конце отгона виража вычисляются:
– для оси: Н0 = h0 ;
– для внешней кромки:
;
– для внешней бровки земляного полотна:
.
Продольные уклоны, с которыми поднимается в пределах отгона вираж:
– внешняя кромка проезжей части:
; (71)
– внешняя бровка земляного полотна:
; (72)
– ось проезжей части:
. (73)
4. Вся длина отгона виража Lотг делится на несколько равных участков по 10 – 20 м, для каждого сечения определяются превышения характерных точек поперечного профиля (бровок земляного полотна, кромок проезжей части и оси дороги) относительно нулевого сечения.
5. Расчеты оформляются в табличном виде. Результаты подсчета превышений над уровнем бровок заносятся в таблицу 9, а результаты подсчета абсолютных характерных точек отгона виража – в таблицу 10.
Таблица 9 – Расчет превышений над уровнем бровки
| Номера сечений | Пикет, + | Расстояние от начала отгона виража, м | Превышение над уровнем бровки, м | ||||
| внешняя | ось | внутренняя | |||||
| бровка | кромка | кромка | бровка | ||||
Таблица 10 – Расчет абсолютных отметок отгона виража
| Номера сечений | Пикет, + | Отметка бровки без учета виража (абсолютная), м | Абсолютные отметки точек, м | Величина уширения проезжей части | ||||
| внешняя | ось | внутренняя | ||||||
| бровка | кромка | кромка | бровка | |||||
Примечание: при устройстве отгона виража на дорогах I технической категории вращение следует вести не вокруг внутренней кромки проезжей части, а вокруг оси дороги.

Рисунок 8 – Схема отгона виража
План отгона виража вычерчивается на листе ватмана. Вначале строится переходная кривая на оси дороги, равная длине отгона виража, она делится на n равных участков. На каждом сечении в соответствии с расчетами строятся поперечные профили. Для наглядности масштаб поперечных измерений принимают произвольно. Рядом с планом отгона виража располагается продольный профиль характерных точек отгона виража.
3.4.3 Проектирование уширения проезжей части на кривых
При движении по кривой автомобилю требуется большая ширина проезжей части, чем при движении на прямолинейном участке дороги. Величину необходимого уширения проезжей части на кривых рассчитывают по формуле:
, (74)
гдеl1 – длина автомобиля, м;
R – радиус кривой в плане, м;
V – расчетная скорость движения автомобиля для данной категории дороги, км/ч.
При повороте автомобиля каждое колесо его движется по самостоятельной траектории, в результате чего ширина занимаемой автомобилем: полосы проезжей части увеличивается. Чтобы условия движения по кривой были аналогичны условиям движения на прямом участке, проезжую часть на кривых малых радиусов необходимо уширять.
СНиП 2.05.02-85 предусматривает при радиусах кривых в плане менее 1000 м, уширение проезжей части с внутренней стороны за счет обочин, с тем чтобы ширина обочин была не менее 1,5 м для дорог I и II категорий и не менее 1 м для дорог остальных категорий [13, табл. 9].
Отгон уширения устраивают в пределах переходных кривых.
3.5 Проектирование дороги в продольном профиле
Продольный профиль представляет собой изображение в уменьшенном масштабе проекции дороги на вертикальную поверхность, проходящую через её ось [1, 3, 4].
Места, где поверхность дороги в результате срезки грунта расположена ниже поверхности земли, называют выемками, а участки, где дорога проходит выше поверхности земли, по искусственно насыпанному грунту, насыпями. Разница между отметкой поверхности земли и отметкой бровки дороги, определяющая высоту насыпи или глубину выемки, называется рабочей отметкой.
На продольном профиле отображают:
– линию поверхности земли (или оси дороги) до постройки (черная линия);
– линию отметок земли по оси дороги (проектная или красная линия);
– разрез грунтовой толщи по оси дороги, показывающий чередование и мощность отдельных напластований;
– около проектной линии выписывают рабочие отметки: выше – высоту насыпи; ниже – глубину выемки в метрах;
– уклоны проектной линии (продольный уклон не должен превышать максимально допустимого для дорог данной категории);
– развёрнутый план трассы;
– типы поперечных профилей для участков автомобильной дороги;
– значения и пикетажное положение элементов вертикальных кривых;
– значения элементов и пикетажное положение кривых в плане;
– уклоны, расстояния, высотные отметки и типы укрепления правого и левого кюветов.
Для наглядности продольного профиля вертикальные расстояния (отметки) откладывают в большем масштабе, чем горизонтальные. Для дорог, проходящих в равнинной местности, принят вертикальный масштаб 1:500 (5 м в 1 см) и горизонтальный масштаб 1:5000 (50 м в 1 см). При вычерчивании продольного профиля применяют условные обозначения [1, рисунок II.8].
Тонкую линию на продольном профиле, соединяющую отметки поверхности земли, называют линией поверхности земли или черной линией. Более жирную линию, соответствующую отметкам бровки дороги, называют проектной.
На продольном профиле ниже линии поверхности земли на 2 см и параллельно ей наносят грунтовый профиль, на котором выписывают наименование грунтов, а в шурфах и буровых скважинах при помощи условных обозначений показывают виды грунтов и их консистенцию [1, рисунок II. 9]. При составлении грунтового профиля принимают вертикальный масштаб 1:50 (50 см в 1 см).
Установление положения полотна дороги в продольном профиле по отношению к поверхности земли называется проектированием продольного профиля, или нанесением проектной линии.
При нанесении проектной линии необходимо обеспечить:
– плавность пути и допускаемую величину продольных уклонов, позволяющие автомобилям развивать высокие скорости;
– отвод воды от земляного полотна и осушение полосы отвода;
– прохождение дороги через контрольные точки, имеющие заданные высотные отметки — примыкания к существующим дорогам в начале и конце трассы, пересечения с дорогами более высоких категорий и с железными дорогами, отметки проезжей части мостов, отметки полотна над уровнем высоких вод в затопляемых местностях и др.;
– удобство механизированного выполнения земляных работ.
Проектирование дороги в продольном профиле осуществляется в следующей последовательности:
– вычерчивается продольный профиль поверхности земли по оси дороги. Высота каждого пикета определяется по условному продольному профилю земли, заданному в задании к курсовому проекту методом интерполяции;
– на «черном» профиле наносятся также: грунтовый профиль, положение уровня грунтовых вод в шурфах и скважинах, расчетные горизонты воды у проектируемых мостов и труб (величину отверстий труб и мостов студенты в данном проекте принимают ориентировочно, без расчета), отметка головки рельсов пересекаемых железных дорог и отметки оси дорожной одежды пересекаемых автомобильных дорог;
– для данных грунтовых условий и с учетом снегозаносимости дороги устанавливается величина руководящей рабочей отметки насыпи;
– определяются наименьшие допустимые отметки проектной линии у каждого отдельного моста, путепровода, водопропускной трубы и т. д. (контрольные точки);
– наносится проектная линия, отнесенная к оси проезжей части, с учетом максимального и минимального уклона, в точках ее перелома вписываются вертикальные кривые;
– вычисляются и записываются на продольном профиле: проектные отметки (красные отметки), рабочие отметки, пикетажное положение точек перехода насыпи в выемку (нулевых точек);
– проектируется водоотвод из кюветов, резервов и нагорных канав.
Проектная линия может наноситься по обертывающей, что обусловливает расположение дороги в насыпи, либо по секущей, когда имеет место чередование насыпей и выемок. Выбор того или иного метода нанесения проектной линии определяется технической категорией дороги и совокупностью местных природных условий.
При проектировании продольного профиля дороги следует придерживаться рекомендуемой рабочей отметки насыпи, которая устанавливает возвышение поверхности покрытия дорожной одежды над поверхностью земли или расчетным горизонтом воды. Этот горизонт зависит, прежде всего, от климатической зоны, которая определяется по карте дорожно-климатического районирования, [12] и грунтовых условий (СНиП 2.05.02-85 таблица 21) [13].
Уровень грунтовых вод и другие гидрологические данные в курсовом проекте можно принимать по указанию руководителя. Толщину дорожной одежды можно принять ориентировочно 0,4 – 0,6 м.
При значительной глубине залегания грунтовых вод величина руководящей рабочей отметки назначается из условий снегонезаносимости дороги. Следует принимать возвышение бровки земляного полотна насыпи над расчетным уровнем снежного покрова не менее:
– 1,2 м для дорог I технической категории,
– 0,7 – для дорог II технической категории,
– 0,6 – для дорог III технической категории,
– 0,5 – для дорог IV технической категории,
– 0,4 – для дорог V технической категории.
В зависимости от типа местности по характеру увлажнения определяют величину рекомендуемой рабочей отметки:
– по наименьшему возвышению поверхности покрытия над поверхностью земли (для первого типа местности по характеру увлажнения):
, (75)
гдеhпокр. над пов. – наименьшее возвышение поверхности покрытия над поверхностью земли для данного грунта и дорожно-климатической зоны, м;
– по наименьшему возвышению поверхности покрытия над уровнем грунтовых вод или длительно стоящих вод (для второго типа местности по характеру увлажнения):
, (76)
гдеhпокр. над угв – наименьшее возвышение покрытия над уровнем грунтовых вод или длительно стоящих вод (определяется по СНиП 2.05.02-85), м;
– по наименьшему возвышению бровки насыпи над расчётным уровнем снегового покрова (для третьего типа местности по характеру увлажнения):
, (77)
гдеhбр. над ур. снега – наименьшее возвышение бровки насыпи над расчётным уровнем снегового покрова, м;
b – ширина обочины, м;
iоб – уклон обочины, ‰.

Рисунок 9 – Расчет рекомендуемой рабочей отметки
Наносить проектную линию следует, не превышая наибольшие продольные уклоны и руководствуясь значением рекомендуемой рабочей отметки.
При технической возможности и экономической целесообразности рекомендуется принимать: продольные уклоны < 30 ‰; расстояние видимости > 450 м; R вып. кривых > 70 000 м; Rвогн. кривых > 8000 м; L вып. кривых > 300 м; L вогн. кривых > 100 м.
В места переломов проектной линии вписываются вертикальные кривые методом тангенсов (рисунок 10).

Рисунок 10 – Расчет элементов вертикальных кривых
Рассчитываются высотные отметки пикетов и плюсовых точек для прямых участков проектной линии автомобильной дороги:
1. Определяются высотные значения точек перелома красной линии:
, (78)
гдеHi – высотная отметка расчётной точки, м;
Hi -1 – высотная отметка предыдущей точки с известной высотной отметкой, м;
ii – уклон проектной линии (с учётом знака), ‰;
li – расстояние между расчётной точкой и предыдущей точкой с известной высотной отметкой, м.
Разбивка вертикальных кривых производится по таблицам или упрощенным формулам.
Длина вертикальных кривых:
, (79)
где(i1 -i2 )– алгебраическая разность уклонов. Уклоны выражаются дробью.
Тангенс кривой:
. (80)
Биссектриса:
. (81)
Ордината любой точки, откладываемая от касательной (тангенса), или продолжения уклона для выпуклой кривой – вниз, для вогнутой – вверх:
, (82)
гдеX – расстояние от начала кривой, м.
Для облегчения проектирования вертикальных кривых созданы специальные шаблоны (пользование ими значительно ускоряет работу).
2. Определяется пикетажное положение точек начала и конца вертикальной кривой.
3. Определяются высотные значения точек начала и конца вертикальной кривой (по значениям уклонов и расстояниям ломанной проектной линии).
4. Рассчитываются высотные отметки вершины кривой, пикетажное положение вершины кривой, высотные отметки вертикальной кривой на каждом пикете и высотные отметки плюсовых точек (начал, середин и концов круговых кривых, начал и концов переходных кривых);
5. Определяются чёрные отметки точек начал, вершин и концов вертикальных кривых.
6. Определяются рабочие отметки:
. (83)
Положительные рабочие отметки записываются над проектной линией, отрицательные – под проектной линией.
На продольный профиль наносятся точки перехода из выемки в насыпь (нулевые точки).
Расчёт пикетажного положения нулевых точек производится по формуле:
, (84)
гдеxлев – расстояние от ближайшей точки, лежащей на прямом участке красной линии слева от точки пересечения красной и чёрной линий продольного профиля, м;
hлев – рабочая отметка точки, лежащей на прямом участке красной линии слева от точки пересечения красной и чёрной линий продольного профиля, м;
hпр – рабочая отметка точки, лежащей на прямом участке красной линии справа от точки пересечения красной и чёрной линий продольного профиля, м;
l – расстояние между точками с известными рабочими отметками, лежащими на прямом участке красной линии справа и слева от точки пересечения красной и чёрной линий продольного профиля, м.
В случае, если точка пересечения проектной линии с чёрной линией продольного профиля лежит на вертикальной кривой, её пикетажное положение определяется путём совместного решения системы уравнений вертикальной кривой и прямого участка чёрной линии с известными высотными отметками и продольным уклоном.
Графическое изображение продольного профиля является одним из основных проектных документов, на основе которых строится дорога. Чертеж продольного профиля оформляют в строгом соответствии с установленными правилами. Продольный профиль вычерчивается в соответствии с требованиями ГОСТ Р 21.1701-97 [18].

Рисунок 11 – Продольный профиль трассы автодороги
3.6 Проектирование поперечного профиля дороги
Поперечным профилем называется изображение в уменьшенном масштабе сечения дороги вертикальной плоскостью, перпендикулярной к оси дороги (рисунок 12).
Поперечные профили земляного полотна принимают на основе решений по продольному профилю с учетом типовых поперечных профилей для наиболее характерных точек трассы (высокая насыпь, глубокая выемка, раскрытая выемка, низкая насыпь, полунасыпь-полувыемка и т. д.) [8], требований СНиП 2.05.02-85, рельефа местности, почвенно-грунтовых, геологических, гидрологических и климатических условий, а также дорожно-климатического районирования территории РФ и типа местности по характеру увлажнения.

Рисунок 12 – Поперечные профили земляного полотна: а) в насыпи; б) в выемке); в) на косогоре
В пояснительной записке дается характеристика каждого применяемого поперечного профиля земляного полотна, его местоположение (указывается пикет и плюс) и привязываются к продольному профилю.
Отдельные, наиболее характерные поперечные профили земляного полотна, необходимо вынести на лист графической части проекта. В этом случае на чертеже поперечного профиля должны быть указаны: «красная» и «черная» отметки, уклоны и ширина обочин и проезжей части, заложение откосов насыпей и выемок, кюветов, резервов и т. д. Поперечные профили вычерчиваются в масштабе 1:100 или 1:200.
3.7 Проектирование дорожных одежд
Дорожной одеждой называется конструкция проезжей части, выполненная в виде одного или нескольких слоев для создания ровной и прочной поверхности. Верхние слои дорожной одежды, в которых возникают значительные напряжения сжатия и сдвига от тяжелых автомобилей, устраиваются из материалов, обладающих достаточной прочностью при всех колебаниях температуры и влажности. В нижних слоях можно максимально использовать местные каменные материалы.
Расчет нежестких дорожных одежд при кратковременном действии нагрузки следует выполнять по трем критериям прочности: упругому прогибу всей конструкции, сопротивлению сдвигу в грунте и в слабосвязных слоях одежды, растяжению при изгибе слоев одежды из грунтов и каменных материалов, обработанных неорганическими вяжущими.
Расчет нежестких дорожных одежд на длительное действие нагрузки следует выполнять по сдвигу в грунте и в слабосвязных слоях одежды.
В данном проекте необходимо выполнить расчет по допустимому упругому прогибу всей конструкции.
Тип дорожного покрытия выбирается по категории в соответствии с [13, табл. 27].
Расчет выполняется согласно методики представленной в [19], в следующей последовательности:
1. Вычисляем суммарное расчетное количество приложений расчетной нагрузки за срок службы:
, (85)
гдеNр – приведённая интенсивность на каждый год срока службы, авт./сут. Величина приведенной интенсивности на последний год срока службы Np определяется по формуле:
, (86)
гдеfпол – коэффициент, учитывающий число полос движения и распреде-ление движения по ним, определяемый по таблице 11 (при числе полос 4 и более fпол =0,25);
Таблица 11 – Значение коэффициента, учитывающего число полос движения
| Число полос движения | Значение коэффициента fпол для полосы (от обочины) | ||
| 1 | 2 | 3 | |
| 1 | 1,00 | - | - |
| 2 | 0,55 | - | - |
| 3 | 0,5 | 0,5 | - |
| 4 | 0,35 | 0,2 | - |
| 6 | 0,3 | 0,2 | 0,05 |
Примечания:
– порядковый номер полосы считается справа по ходу движения в одном направлении;
– для расчета обочин принимают fпол = 0,01;
– на многополосных дорогах допускается проектировать одежду переменной толщины по ширине проезжей части, рассчитав дорожную одежду в пределах различных полос в соответствии со значениями Np , найденными по формуле (86);
– на перекрестках и подходах к ним (в местах перестройки потока автомобилей для выполнения левых поворотов и др.) при расчете одежды в пределах всех полос движения следует принимать fпол = 0,50, если общее число полос проезжей части проектируемой дороги более трех.
n – общее число различных марок транспортных средств в составе транспортного потока;
Nm – число проездов в сутки в обоих направлениях транспортных средств m– й марки;
Sm c ум – суммарный коэффициент приведения воздействия на дорожную одежду транспортного средства т-й марки к расчетной нагрузке Qрасч , определяемый в соответствии с таблицей 12.
Таблица 12 – Суммарный коэффициент приведения воздействия на дорожную одежду транспортного средства
| Типы автомобилей | Коэффициент приведения к расчётной нагрузке, Sm сум |
| Легкие грузовые автомобили грузоподъёмностью от 1 до 2 т | 0,005 |
| Средние грузовые автомобили грузоподъёмностью от 2 до 5 т | 0,2 |
| Тяжёлые грузовые автомобили грузоподъёмностью от 5 до 8 т | 0,7 |
| Очень тяжёлые грузовые автомобили грузоподъёмностью более 8 т | 1,25 |
| Автобусы | 0,7 |
| Тягачи с прицепами | 1,5 |
Tрдг – рекомендуемое количество расчётных дней в году, соответ-ствующее определённому состоянию деформируемости конструкции (таблица 13, рисунок 13);
Таблица 13 – Рекомендуемые значения Трдг в зависимости от местоположения дороги
| Номера районов на карте | Примерные географические границы районов | Рекомендуемое количество расчётных дней в году, Трдг |
| 1 | 2 | 3 |
| 1 | Зона распространения вечномёрзлых грунтов севернее семидесятой параллели | 70 |
Продолжение таблицы 13
| 1 | 2 | 3 |
| 2 | Севернее линии, соединяющей Онегу – Архан-гельск – Мезень – Нарьян-Мар – шестидесятый меридиан, до побережья Европейской части | 145 |
| 3 | Севернее линии, соединяющей Минск – Смоленск – Калугу – Рязань – Саранск – сорок восьмой меридиан, до линии, соединяющей Онегу – Архангельск – Ме-зень – Нарьян-Мар | 125 |
| 4 | Севернее линии, соединяющей Львов – Киев – Белгород – Воронеж – Саратов – Самару – Оренбург – шестидесятый меридиан, до линии районов 2 и 3 | 135 |
| 5 | Севернее линии, соединяющей Ростов-на-Дону – Элисту – Астрахань, до линии Львов – Киев – Белгород – Воронеж – Саратов – Самара | 145 |
| 6 | Южнее линии Ростов-на-Дону – Элиста – Астрахань для Европейской части, южнее сорок шестой парал-лели – для остальных территорий | 205 |
| 7 | Восточная и Западная Сибирь, Дальний Восток (кроме Хабаровского и Приморского краев, Камчатской области), ограниченные с севера семидесятой парал-лелью, с юга – сорок шестой параллелью | 130 – 150 (меньшие значения для центральной части) |
| 8 | Хабаровский и Приморский края. Камчатская область | 140 |
Примечания: значения величины Трдг на границах районов следует принимать по наибольшему из значений.
Рисунок 13 – Карта районирования по количеству расчетных дней в году, Трдг
Kn – коэффициент, учитывающий вероятность отклонений суммарного движения от среднего ожидаемого (таблица 14);
Таблица 14 – Значения коэффициента, учитывающего вероятность отклонений суммарного движения от среднего ожидаемого
| Тип дорожной одежды | Значение коэффициента kn при различных категориях дорог | ||||
| I | II | III | IV | V | |
| Капитальный | 1,49 | 1,49 | 1,38 | 1,31 | - |
| Облегченный | - | 1,47 | 1,32 | 1,26 | 1,06 |
| Переходный | - | - | 1,19 | 1,16 | 1,04 |
Kc – коэффициент суммирования (таблица 15),
Таблица 15 – Значение коэффициента суммирования
| Показатель изменения интенсивности движения по годам, q | Значение Кс при сроке службы дорожной одежды Тсл в годах | |||
| 8 | 10 | 15 | 20 | |
| 0,90 | 5,7 | 6,5 | 7,9 | 8,8 |
| 0,92 | 6,1 | 7,1 | 8,9 | 10,1 |
| 0,94 | 6,5 | 7,7 | 10,0 | 11,8 |
| 0,96 | 7,0 | 8,4 | 11,4 | 13,9 |
| 0,98 | 7,5 | 9,1 | 13,1 | 16,6 |
| 1,00 | 8,0 | 10,0 | 15,0 | 20,0 |
| 1,02 | 8,6 | 10,9 | 17,2 | 24,4 |
| 1,04 | 9,2 | 12,0 | 20,0 | 29,8 |
| 1,06 | 9,9 | 13,2 | 23,2 | 36,0 |
| 1,08 | 10,6 | 14,5 | 27,2 | 45,8 |
| 1,10 | 11,4 | 15,9 | 31,7 | 67,3 |
или определяется по формуле:
, (87)
гдеТсл – расчетный срок службы конструкции (таблица 16);
q – показатель изменения интенсивности движения данного типа автомобиля по годам.
Таблица 16 – Рекомендуемый расчетный срок службы конструкции
| Категория дороги | Тип дорожной одежды | Срок службы в дорожно-климатических зонах, Тсл , лет | ||
| I, II | III | IV, V | ||
| I | Капитальные | 14 – 15 – 18 | 15 – 19 | 16 – 20 |
| II | Капитальные | 11 – 15 | 12 – 16 | 13 – 16 |
| III | Капитальные | 11 – 15 | 12 – 16 | 13 – 16 |
| Облегченные | 10 – 13 | 11 – 14 | 12 – 15 | |
| IV | Капитальные | 11 – 15 | 12 – 16 | 13 – 16 |
| Облегченные | 8 – 10 | 9 – 11 | 10 – 12 | |
| V | Облегченные | 8 – 10 | 9 – 11 | 10 – 12 |
| Переходные | 3 – 8 | 3 – 9 | 3 – 9 | |
2. Определение требуемого модуля упругости.
В соответствии с полученным значением суммарной приведенной интенсивности движения, категории и дорожной одежды определяем требуемый модуль упругости конструкции.
Конструкция дорожной одежды в целом удовлетворяет требованиям прочности и надежности по величине упругого прогиба при условии:
гдеЕоб – общий расчетный модуль упругости конструкции, МПа;
Ет i п – минимальный требуемый общий модуль упругости конструк-ции, МПа;
– требуемый коэффициент прочности дорожной одежды по критерию упругого прогиба, принимаемый в зависимости от требуемого уровня надежности (таблица 17).
Величину минимального требуемого общего модуля упругости конструкции вычисляют по эмпирической формуле (формулой следует пользоваться при SNр > 4×104 ):
где с – эмпирический параметр, принимаемый равным для расчетной нагрузки на ось 100 кН – 3,55; 110 кН – 3,25; 130 кН – 3,05.
Таблица 17 – Требуемые минимальные коэффициенты прочности при заданных уровнях надежности для расчета дорожных одежд по различным критериям прочности
| Тип дорожной одежды | Капитальный | |||||||||||||||||||||||||||
| 1 | 2 | 3 | 4 | 5 | ||||||||||||||||||||||||
| Категория дороги | I | II | III | IV | ||||||||||||||||||||||||
| Предельный коэффициент разрушения, |
0,05 | 0,10 | ||||||||||||||||||||||||||
| Заданная надежность, Кн | 0,98 | 0,95 | 0,98 | 0,95 | 0,98 | 0,95 | 0,90 | 0,95 | 0,90 | 0,85 | 0,80 | |||||||||||||||||
| Требуемый коэффициент прочности, |
упругого прогиба | 1,50 | 1,30 | 1,38 | 1,20 | 1,29 | 1,17 | 1,10 | 1,17 | 1,10 | 1,06 | 1,02 | ||||||||||||||||
| сдвига и растяжения при изгибе | 1,10 | 1,00 | 1,10 | 1,00 | 1,10 | 1,00 | 0,94 | 1,00 | 0,94 | 0,90 | 0,87 | |||||||||||||||||
| Тип дорожной одежды | Облегченный | |||||||||||||||||||||||||||
| Категория дороги | III | IV | V | |||||||||||||||||||||||||
| Предельный коэффициент разрушения, |
0,15 | |||||||||||||||||||||||||||
| Заданная надежность, Кн | 0,98 | 0,95 | 0,90 | 0,95 | 0,90 | 0,85 | 0,80 | 0,95 | 0,90 | 0,80 | 0,70 | |||||||||||||||||
| Требуемый коэффициент прочности, |
упругого прогиба | 1,29 | 1,17 | 1,10 | 1,17 | 1,10 | 1,06 | 1,02 | 1,13 | 1,06 | 0,98 | 0,90 | ||||||||||||||||
| сдвига и растяжения при изгибе | 1,10 | 1,00 | 0,94 | 1,00 | 0,94 | 0,90 | 0,87 | 1,00 | 0,94 | 0,87 | 0,80 | |||||||||||||||||
| Тип дорожной одежды | Переходный | |||||||||||||||||||||||||||
| Категория дороги | IV | V | ||||||||||||||||||||||||||
| Предельный коэффициент разрушения, |
0,40 | |||||||||||||||||||||||||||
| Заданная надежность, Кн | 0,95 | 0,90 | 0,85 | 0,80 | 0,95 | 0,90 | 0,80 | 0,70 | ||||||||||||||||||||
| Требуемый коэффициент прочности, |
упругого прогиба | 1,17 | 1,10 | 1,06 | 1,02 | 1,13 | 1,06 | 0,98 | 0,90 | |||||||||||||||||||
| сдвига и растяжения при изгибе | 1,00 | 0,94 | 0,90 | 0,87 | 1,00 | 0,94 | 0,87 | 0,80 | ||||||||||||||||||||
Для дорог в 5 дорожно-климатической зоне требуемые модули, определенные по формуле (89), следует уменьшить на 15 %.
Независимо от результата, полученного по формуле (89), требуемый модуль упругости должен быть не менее указанного в таблице 18.
Таблица 18 – Требуемый модуль упругости
| Категория дороги | Суммарное минимальное расчетное число приложений расчетной нагрузки на наиболее нагруженную полосу | Требуемый модуль упругости для типа дорожной одежды, МПа | ||
| капитальной | облегченной | переходной | ||
| I | 750000 | 230 | - | - |
| II | 500000 | 220 | 210 | - |
| III | 375000 | 200 | 200 | - |
| IV | 110000 | - | 150 | 100 |
| V | 40000 | - | 100 | 50 |
3. Конструирование дорожной одежды.
Используя полученное значение модуля упругости и дорожно-климатическую зону расположения автомобильной дороги, выбирается модуль упругости и вид подстилающего грунта (таблица 19).
Расчетные значения модулей упругости грунтов и материалов допускается принимать в соответствии с указаниями таблиц 19, 20, 21.
Таблица 19 – Нормативные значения модулей упругости грунтов
| Грунт | Модуль упругости, при относительной влажности W/Wm , МПа | |||||||||
| 0,5 | 0,55 | 0,60 | 0,65 | 0,70 | 0,75 | 0,80 | 0,85 | 0,90 | 0,95 | |
| Пески: | ||||||||||
| – крупные | 130 | |||||||||
| – средней крупности | 120 | |||||||||
| – мелкие | 100 | |||||||||
| – однородные | 75 | |||||||||
| – пылеватые | 96 | 90 | 84 | 78 | 72 | 60 | 60 | 54 | 48 | 43 |
| Супеси: | ||||||||||
| – легкая | 70 | 60 | 56 | 53 | 49 | 45 | 43 | 42 | 41 | 40 |
| – пылеватая, тяжелая пылеватая | 108 | 90 | 72 | 54 | 46 | 38 | 32 | 27 | 26 | 25 |
| – легкая крупная | 65 | |||||||||
| Суглинки: | ||||||||||
| – легкий, тяжелый | 108 | 90 | 72 | 50 | 41 | 34 | 29 | 25 | 24 | 23 |
| – легкий пылеватый, тяжелый пылеватый | 108 | 90 | 72 | 54 | 46 | 38 | 32 | 27 | 26 | 25 |
| Глины | 108 | 90 | 72 | 50 | 41 | 34 | 29 | 25 | 24 | 23 |
Таблица 20 – Щебеночные основания, устраиваемые методом заклинки, соответствующие ГОСТ 25607-94
| Материал слоя | Нормативные значения модуля упругости, Е, МПа |
| Щебень фракционированный 40 – 80 (80 – 120) мм с заклинкой: | |
| – фракционированным мелким щебнем | 450 350 |
| – известняковой мелкой смесью или активным мелким шлаком | 400 300 |
| – мелким высокоактивным шлаком | 450 400 |
| – асфальтобетонной смесью | 500 450 |
| – цементопесчаной смесью М75 при глубине пропитки 0,25 – 0,75 h слоя | 450-700 350-600 |
Примечание: для слоя: в числителе – из легкоуплотняемого щебня; в знаменателе – из трудноуплотняемого щебня.
Таблица 21 – Конструктивные слои из смесей щебеночно-гравийно-песчаных, соответствующих ГОСТ 25607-94 и ГОСТ 3344-83
| Материал слоя | Размер зерен, мм | Нормативные значения модуля упругости, Е, МПа |
| Щебеночные/гравийные смеси (С) для покрытий (ГОСТ 25607) | ||
| С1 – 40 | 300/280 | |
| С2 – 20 | 290/265 | |
| Смеси для оснований | ||
| С3 – 80 | 280/240 | |
| С4 – 80 | 275/230 | |
| С5 – 40 | 260/220 | |
| С6 – 20 | 240/200 | |
| С7 – 20 | 260/180 | |
| Шлаковая щебеночно-песчаная смесь из неактивных и слабоактивных шлаков (ГОСТ 3344) | ||
| C1 – 70 | 275 | |
| С2 – 70 | 260 | |
| С4 – 40 | 250 | |
| С6 – 20 | 210 | |
Значения модулей упругости материалов, содержащих органическое вяжущее, необходимо принимать во всех климатических зонах при температуре +10 °С по таблице 22.
Таблица 22 – Нормативные значения кратковременного модуля упругости асфальтобетонов различных составов (при расчете конструкции по допускаемому упругому прогибу и по условию сдвигоустойчивости)
| Материал | Марка битума | Кратковременный модуль упругости Е, МПа, при температуре покрытия, °С | ||||
| +10 | +20 | +30 | +40 | +50 (60) | ||
| 1 | 2 | 3 | 4 | 5 | 6 | 7 |
| Плотный асфальтобетон и высокоплотный асфальтобетон | Вязкого БНД и БН: 40/60; 60/90; 90/130 130/200; 200/300 |
4400; 3200; 2400 1500; 1200 |
2600; 1800; 1200 800; 600 |
1550; 1100; 550 670; 500 |
850; 650; 550 460; 420 |
520; 460; 420 380; 360 |
Жидкого: БГ-70/130; СГ-130/200 СГ-70/130; МГ-70/130 |
1000; 1000 800; 800 |
420; 420 360; 360 |
400; 400 350; 350 |
350; 350 350; 350 |
350; 350 350; 350 |
|
| Пористый и высокопористый асфальтобетон | Вязкого БНД и БН: 40/60; 60/90; 90/130 130/200; 200/300 |
2800; 2000; 1400 1100; 950 |
1700; 1200; 800 600; 450 |
900; 700; 510 400; 350 |
540; 460; 380 340; 330 |
390; 360; 350 340; 330 |
| Плотный дегтебетон | - | 3800 | 1500 | 800 | 500 | 350 |
| Пористый дегтебетон | - | 2000 | 300 | 400 | 350 | 300 |
| Асфальтобетоны холодные Бх | - | 1300 | - | - | - | - |
| Вх | - | 1100 | - | - | - | - |
| Гх | - | 900 | - | - | - | - |
| Дх | - | 750 | - | - | - | - |
Конструкцию дорожной одежды можно принять для соответствующего типа по рисунку 14.

Рисунок 14 – Примеры конструкций дорожных одежд:
а – цементобетонное покрытие; б – асфальтобетонное покрытие на гравийном основании; в – трехслойное асфальтобетонное покрытие на бетонном основании (применяется в городах); г – асфальтобетонное покрытие на основании из щебня, обработанного в установке органическими вяжущими, и грунта, укрепленного битумом и цементобетоном; д – асфальтобетонное покрытие на гравийном основании; е – покрытие из щебня, обработанного органическими вяжущими, на щебеночном основании; ж – покрытие из щебня, обработанного органическими вяжущими на основании из цементо-грунта; з – покрытие из щебня, обработанного органическим вяжущим, на щебеночном основании; и – покрытие из гравийной смеси, обработанной органически-ми вяжущими, на гравийном основании; к – покрытие из щебня, укрепленного 6 % цемента, на основании из щебня, укрепленного 4 % цемента; л – покрытие из грунта, обработанного неорганическими вяжущими материалами; м – щебеночное покрытие; н – гравийное покрытие; о – покрытие из гравия, обработанного малыми дозами вяжу-щих материалов; п – булыжная мостовая; р – покрытие из оптимальной грунтовой смеси; с – покрытие из грунта, укрепленного добавками щебня, гравия, шлаков;
1 – цементобетон; 2 – прослойка из песка, обработанного органичес-кими вяжущими материалами; 3 – щебеночный слой; 4 – дополнительный (морозозащитный, дренирующий) слой основания из песка, гравия, шлака или морозоустойчивых местных каменных материалов; толщина его назначается по расчету; 5 – среднезернистый, мелкозернистый или песчаный асфальтобетон; 6 – крупнозернистый пористый асфальтобетон; 7 – щебень, обработанный органическими вяжущими методом пропитки; 8 – гравийная смесь; 9 – щебень, обработанный органическими вяжущими материалами в установке; 10 – гравийная смесь с добавками щебня, обработанная вяжущими в установке; 11 – цементогрунт; 12 – щебеночное покрытие, обработанное органическими вяжущими методом пропитки с последующей поверхностной обработкой); 13 – щебень, укрепленный добавками цемента (верхний слой 6 %, нижний 4 %); 14 – грунт, укрепленный добавками неорганических вяжущих; 15 – гравийные покры-тия из некондиционных каменных материалов, укрепленных малыми дозами цемента. На покрытии двойная поверхностная обработка; 16 – бу-лыжная мостовая; 17 – грунт, укрепленный песчано-глинистыми добав-ками; 18 – грунт, укрепленный щебнем, шлаком, гравием или дресвой.
4. Расчет по допускаемому упругому прогибу ведется послойно, начиная с подстилающего грунта. Рекомендуется подсчет вести используя таблицу 23.
Таблица 23 – Расчет дорожной одежды нежесткого типа
| № слоя | Материал слоя | hi | Модуль упругости слоя, Еi , МПа | ![]() |
|||
| 1 | 2 | 3 | 4 | 5 | 6 | 7 | 8 |
| 1 | h5 | Е5 | ![]() |
||||
| 2 | h4 | Е4 | ![]() |
||||
| 3 | h3 | Е3 | ![]() |
||||
| 4 | h2 | Е2 | ![]() |
||||
| 5 | h1 | Е1 | |||||
| 6 | Подстилающий грунт | - | Егр |
В столбец 5 заносятся рассчитанные значения отношения
, где D– диаметр расчетного отпечатка шины, который принимается равным для расчетной нагрузки на ось 100 кН – 37 см; 110 кН – 39 см; 130 кН – 42 см.
В столбец 8 заносятся рассчитанные значения отношения
.
По итогам подсчета по данным столбца из номограммы (рисунок 15) выбирается Еобщ
, после чего в столбце 7 производиться подсчет модуля упругости единого нижнего слоя
.
Рисунок 15 – Номограмма для определения общего модуля упругости двухслойной системы, Еобщ
Конструктивные слои дорожной одежды должны быть представлены на листе графической части проекта с обозначениями и толщиной конструктивных слоев (рисунок 16).

Рисунок 16 – Конструктивные слои дорожных одежд:
1 – смесь асфальтобетонная горячая плотная с минеральным порошком марки III; 2 – щебеночная смесь, обработанная жидким битумом смешением на дороге; 3 – щебень фракционированный III класса проч-ности, уплотненный по способу заклинки; 4 – песок, удовлетворяющий требованиям ГОСТ 8736-93, крупный. Применяется как дренирующий и морозозащитный слой дорожной одежды
3.8 Оценка транспортно-эксплуатационного состояния дороги
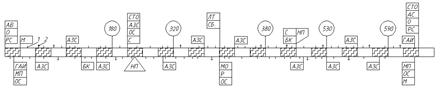
В данном разделе необходимо провести расчет и сравнение скорости движения транспортного потока, пропускной способности и коэффициентов аварийности до и после реконструкции дороги. При оформлении результатов расчета все значения промежуточных коэффициентов и итоговые характеристики заносятся в соответствующие таблицы. Строятся эпюры скорости потока, пропускной способности и коэффициентов аварийности.
При сравнении пропускной способности отмечаются участки с минимальной пропускной способностью до и после реконструкции и выявляются, какие элементы отвечают за снижение пропускной способности. Приводятся максимальные значения коэффициентов загрузки до реконструкции, на первый год после реконструкции (при той же интенсивности) и на перспективу в 20 лет.
Сравнение коэффициентов аварийности осуществляется по максимальным их значениям до и после реконструкции. Отмечаются элементы дороги, способные вызвать увеличение количества дорожно-транспортных происшествий. Максимальные значения коэффициентов аварийности после реконструкции сравнивают с предельно допустимыми значениями.
3.8.1 Оценка скорости движения транспортного потока
Для оценки соответствия размеров отдельных элементов дороги и их сочетаний требованиям безопасности и удобства движения строят эпюру изменения скорости транспортного потока.
Скорость движения транспортного потока рассчитывается в соответствии с «Указаниями по обеспечению безопасности движения на автомобильных дорогах» ВСН 25-86. Средняя скорость смешанного потока автомобилей для сухого покрытия в летнее время года при коэффициенте загрузки от 0,1 до 0,85 с учетом влияния дорожных условий и интенсивности движения на двухполосных дорогах определяется по формуле:
, (90)
гдеV0 – средняя скорость свободного движения легковых автомобилей при малом значении коэффициента загрузки на прямолинейном горизонтальном участке автодороги II технической категории (принимается равной 90 км/ч);
– итоговый коэффициент, учитывающий влияние геометрических элементов дороги, состав потока и средств организации движения на скорость свободного движения легкового автомобиля. Он является произведением отдельных коэффициентов:
, (91)
– коэффициент, учитывающий влияние продольного уклона (принимается по таблице 24);
– коэффициент, учитывающий влияние состава потока (принимается по таблице 25);
– коэффициент, учитывающий влияние дорожных условий и средств организации движения (принимается по таблицам 26 и 27);
– коэффициент, зависящий от состава потока (таблица 25);
– поправочный коэффициент к интенсивности движения, учитывающий влияние разметки (таблица 26), кривых в плане (таблица 28) и продольных уклонов (таблица 29);
N – максимальная часовая интенсивность, авт./ч, принимаются равной 6,6 % от суточной интенсивности.
Таблица 24 – Значения коэффициентов ![]()
| Продольный уклон | 0 | 20 | 30 | 40 | 50 | 60 | 70 | 80 |
| Коэффициент, |
1,0 | 0,92 | 0,84 | 0,76 | 0,68 | 0,56 | 0,45 | 0,34 |
Таблица 25 – Значения коэффициентов
и ![]()
| Количество легковых автомобилей в потоке, % | 100 | 70 | 50 | 40 | 20 | 10 | 0 |
| Коэффициент |
1,0 | 0,9 | 0,8 | 0,78 | 0,75 | 0,67 | 0,62 |
| Коэффициент |
0,007 | 0,010 | 0,012 | 0,013 | 0,016 | 0,018 | 0,020 |
Таблица 26 – Значения коэффициентов
и
в зависимости от типа разметки
Тип разметки |
Коэффициент
|
Коэффициент |
||||
| 6 | 7 | 7,5 | 9 | 10,5 | ||
| 1 | 2 | 3 | 4 | 5 | 6 | 7 |
| Без разметки | 1,0 | 0,70 | 0,90 | 1,00 | 1,05 | 1,10 |
| Краевая | 0,82 | 0,64 | 0,87 | 0,98 | 1,08 | 1,15 |
| Осевая прерывистая | 0,76 | 0,68 | 0,89 | 1,00 | 1,05 | 1,10 |
| То же в сочетании с краевой | 0,70 | 0,55 | 0,74 | 0,92 | 1,08 | 1,15 |
Продолжение таблицы 26
| 1 | 2 | 3 | 4 | 5 | 6 | 7 |
| Сплошная разделительная линия | 0,62 | 0,59 | 0,75 | 0,78 | 1,04 | 1,10 |
Примечание: значение
дано для горизонтальных участков, подъемов и спусков с уклоном менее 20 ‰.
Таблица 27 – Значения коэффициентов
, в зависимости от дорожных условий
| Учитываемый фактор | Коэффициент |
Учитываемый фактор | Коэффициент |
| Дорожные условия в конце спуска (уклон более 30 ‰): | Малые и средние мосты (длина до 100 м) с шириной проезжей части: | ||
| последующий подъем | 1,2 | менее ширины проезжей части дороги на 1 м | 0,5 |
| кривая в плане R=l000 м | 0,8 | равной ширине проезжей части дороги | 0,7 |
| малый мост | 0,85 | больше ширины проезжей части дороги на 1 м | 0,85 |
| большой (средний) мост | 0,7 | то, же на 2 м | 1,0 |
| Большие мосты (длина более 100 м) | 0,7 | ||
| Дорожные условия перед подъемом (уклон более 30‰): | Пересечение в одном уровне: | ||
| горизонтальный участок | 1,1 | простые | 0,75 |
| спуск | 1,2 | канализированные | 0,9 |
| малый мост | 0,9 | Ширина обочины, м: | |
| сужение проезжей части на 2 м | 0,8 | 3,75 и более | 1,0 |
| Участки с ограниченной видимостью, м: | 2,5 | 0,9 | |
| 1,5 | 0,85 | ||
| в плане 600 – 700 | 1,0 | 1,0 | 0,75 |
| 300 – 400 | 0,95 | 0,0 | 0,60 |
| 200 – 250 | 0,9 | Препятствия на обочине при расстоянии от кромки проезжей части, м: | |
| 100 – 150 | 0,8 | ||
| менее 100 | 0,75 | ||
| в профиле | 0,0 | 0,7 | |
| более 150 | 1,0 | 0,5 | 0,8 |
| 100 | 0,95 | 1,5 | 0,9 |
| 50 | 0,75 | 2,0 и более | 1,0 |
| менее 50 | 0,6 | Населенные пункты при расстоянии до застройки: |
|
| Кривые в плане радиусом, м: | 15 – 20м | 0,9 | |
| более 600 | 1,0 | 6 – 10 м | 0,8 |
| 400 | 0,92 | 5 м (имеются тротуары) | 0,7 |
| 200 | 0,8 | 5 м (тротуары отсутствуют) | 0,6 |
| 100 | 0,75 | ||
| 50 | 0,7 | ||
| менее 50 | 0,6 |
Таблица 28 – Значения коэффициентов kа в зависимости от радиусов кривых в плане
| Радиус кривой в плане, м | менее 150 | 200 | 300 | 400 | 500 | более 600 |
| Коэффициент kа | 1,92 | 1,15 | 1,11 | 1,10 | 1,02 | 1,00 |
Таблица 29 – Значения коэффициентов kа в зависимости от продольных уклонов
| Длина подъема, м | Коэффициент kа при уклонах, ‰ | |||
| 30 | 40 | 50 | 60 | |
| Менее 200 | 1,10 | 1,15 | 1,21 | 1,30 |
| 350 | 1,11 | 1,20 | 1,25 | 1,32 |
| 500 | 1,19 | 1,25 | 1,30 | 1,36 |
| Более 800 | 1,22 | 1,32 | 1,38 | 1,45 |
Расчет средней скорости смешанного потока производят в табличной форме, значения отдельных коэффициентов и итоговой средней скорости по отдельным участкам заносятся в соответственные графы таблицы 30 через дробь (числитель – в прямом направлении, знаменатель – в обратном).
Таблица 30 – Таблица результатов расчета средней скорости смешанного потока
| Расчет скорости потока | Параметры | Номера участков | ||||
| 1 | 2 | 3 | … | n | ||
| Средняя скорость смешанного потока, км/ч | ||||||
Эпюра средней скорости смешанного потока вычерчивается в прямом направлении сплошной линией, в обратном – пунктирной.
3.8.2 Оценка пропускной способности дороги
Определение пропускной способности дороги производится с целью выявления участков возможных заторов, оценки экономичности и выбора методов и средств по улучшению условий движения. Пропускная способность автомобильных дорог зависит от ее основных параметров (ширины и состояния проезжей части и обочин, радиусов кривых в плане, продольных уклонов, расстояния видимости, наличия пересечений и примыканий), состава транспортного потока, наличия средств организации движения, условий въезда на элементы сервиса, а также времени года и погодно-климатических факторов.
В практических расчетах, согласно «Руководству по оценке пропускной способности автомобильных дорог», определение пропускной способности основано на использовании коэффициентов снижения максимальной пропускной способности в зависимости от конкретных дорожных условий. Соответственно практическая пропускная способность будет определяться по формуле:
, (92)
где
– максимальная практическая пропускная способность для легковых автомобилей, авт./ч, принимается для автодорог в зависимости от полос движения: двухполосные дороги – 2000 авт./ч в оба направления, трехполосные – 4000 авт./ч в оба направления, магистрали с 4-мя полосами движения – 2000 авт./ч по одной полосе, магистрали с 6-ю полосами движения – 2200 авт./ч по одной полосе.
В – итоговый коэффициент снижения пропускной способности, принимается как произведение частных коэффициентов:
. (93)
Частный коэффициент снижения пропускной способности представляет отношение пропускной способности на рассматриваемом элементе дороги (Рi
) к пропускной способности эталонного участка (
):
. (94)
За эталонный участок принимается прямолинейный горизонтальный участок дороги без пересечений при благоприятных погодных условиях с определенным транспортным потоком из легковых автомобилей, шероховатым покрытием с шириной полосы движения 3,75 м, укрепленными полосами по 0,75 м, укрепленными обочинами шириной 3,0 м.
Значения частных коэффициентов снижения пропускной способности приведены в [2, 3, 20].
В соответствии с заданием, в зависимости от конкретных дорожных условий для каждого участка дороги определяются частные и итоговый коэффициент снижения пропускной способности, а также практическая пропускная способность. Затем производится расчет пропускной способности с учетом фактического состава движения и построение эпюры изменения пропускной способности по длине участка дороги.
Пропускная способность с учетом фактического состава движения определяется по формуле:
, (95)
гдеР – практическая пропускная способность, легк. авт./ч;
Pi – доля i-го транспортного средства в потоке;
– величина коэффициента приведения i-го транспортного средства в соответствии со СНиП 2.05.02-85 (табл. 2).
Расчет пропускной способности выполняется в табличной форме путем заполнения соответствующих граф таблицы 31.
Таблица 31 – Таблица результатов расчета пропускной способности участка дороги
| Эпюра пропускной способности | Номера участков | ||||
| 1 | 2 | 3 | … | n | |
| Пропускная способность с учетом фактического состава | |||||
| Практическая пропускная способность | |||||
| Коэффициент снижения пропускной способности | Итоговый коэффициент снижения пропускной способности | ||||
| β1 | от ширины проезжей части | ||||
| β2 | от ширины обочин | ||||
| β3 | от расстояния до препятствия | ||||
| β4 | от состава потока | ||||
| β5 | от продольного уклона | ||||
| β6 | от расстояния видимости | ||||
| β7 | от радиуса кривых в плане о | ||||
| β8 | от ограничения скорости знаком | ||||
| β9 | от влияния пересечений | ||||
| β10 | от состояния обочин | ||||
| β11 | от состояния покрытия | ||||
| β12 | от въезда на элементы сервиса | ||||
| β13 | от разметки проезжей части | ||||
| … | |||||
| βn | |||||
В пояснительной записке отражаются исходные формулы для определения пропускной способности и наименования частных коэффициентов пропускной способности. Анализ пропускной способности осуществляется на основе определения коэффициента загрузки отдельных отрезков и среднего коэффициента загрузки для участка дороги. Коэффициенты определяются по формулам (96) и (97).
, (96)
где
– коэффициент загрузки отдельного отрезка дороги;
– фактическая часовая интенсивность движения, авт./ч;
Рф – фактическая пропускная способность, авт./ч.
, (97)
где
–длина отрезка дороги с ki
коэффициентом загрузки;
L – общая протяженность участка дороги.
При анализе отражаются отрезки, имеющие максимальное значение коэффициента загрузки и параметры дороги, особо снижающие пропускную способность.
3.8.3 Оценка безопасности движения на участке дороги
Важнейшим показателем, характеризующим транспортно-эксплуатационное состояние автомобильной дороги, является безопасность движения.
В качестве критерия оценки безопасности движения принят итоговый коэффициент аварийности, который представляет собой произведение частных коэффициентов аварийности, учитывающих относительное влияние интенсивности движения, элементов плана и продольного профиля на количество дорожно-транспортных происшествий:
, (98)
где
–частные коэффициенты аварийности, равные отношению количества ДТП на участке дороги с различными элементами плана и продольного профиля к количеству ДТП на эталонном, горизонтальном прямом участке дороги с проезжей частью шириной 7,5 м, шероховатым покрытием и укрепленными обочинами шириной 3,5 м [2, 3, 20].
Оценка безопасности движения на участке дороги производится по эпюрам итоговых коэффициентов аварийности. При построении эпюр коэффициентов аварийности, первоначально для разных участков определяют частные коэффициенты аварийности, значения которых не интерполируют, а принимают ближайшие из приведенных.
Таблица 32 – Зона влияния элементов дороги
| Элементы дороги | Зона влиянии |
| Подъемы и спуски | 100 м за вершиной подъема, 150 м после подошвы спуска |
| Пересечения в одном уровне | в каждую сторону по 50 м |
| Кривые в плане с обеспеченной видимостью при R>400 | то же 50 м |
| Кривые в плане с необеспеченной видимостью R<400 | 100 м |
| Мосты и путепроводы | 75 м |
| Участки в местах влияния боковых препятствий и с глубокими обрывами у дороги | 50 м |
| Участки подходов к тоннелям | 150 м |
Таблица 33 – Таблица результатов расчета итогового коэффициента аварийности
| Эпюра коэффициентов авариности | Номера участков | ||||
| 1 | 2 | 3 | … | n | |
| Коэффициент снижения аварийности | Итоговый коэффициент снижения пропускной способности | ||||
| K1 | Интенсивность движения тыс. авт./сут. | ||||
| К2 | Ширина проезжей части, м | ||||
| К3 | Ширина обочины, м | ||||
| К4 | Продольный уклон, ‰ | ||||
| K5 | Радиусы кривых в плане, м | ||||
| К6 | Видимость, м | ||||
| К7 | Ширина проезжей части мостов по отношению к проезжей части дороги | ||||
| К8 | Длина прямых участков, км | ||||
| К9 | Тип пересечения | ||||
| К10 | Пересечение в одном уровне, интенсивность движения по основной дороге, авт./сут. | ||||
| К11 | Видимость пересечения в одном уровне с примыкающей дороги, м | ||||
| К12 | Расстояние проезжей части от застройки и ее характеристики | ||||
| К13 | Длина населенного пункта, км | ||||
| К14 | Длина участков на подходах к населенным пунктам, м | ||||
| K15 | Характеристика покрытий | ||||
Определение итоговых коэффициентов аварийности и построение эпюр производится вручную. При построении эпюры коэффициентов аварийности дорогу анализируют по каждому показателю, выделяя однородные по условиям участки. Частные коэффициенты определяются с учетом того, что влияние опасного места распространяется на прилегающие участки, где возникают ощутимые помехи для движения (таблица 32).
В пояснительной записке производится анализ безопасности движения по коэффициентам аварийности. Приводятся значения минимальных и максимальных коэффициентов аварийности. Выделяются участки с максимальными значениями коэффициентов аварийности и определяются элементы дороги и их значения, которые вызывают снижение безопасности движения. Участки с коэффициентом аварийности, превышающим 15 – 20, подлежат перепроектированию при разработке проекта реконструкции.
3.9 Содержание участка автомобильной дороги
Из всех работ по содержания автомобильных дорог наиболее трудоемкими и дорогостоящими являются работы, выполняемые в зимний период, который имеет целый ряд особенностей.
В системе мероприятий по зимнему содержанию одно из важнейших мест занимает снегоочистка автомобильных дорог, так как не всегда и не везде возможно проведение мероприятий по защите дорог от снега.
Основные задачи, которые ставят при снегоочистке, зависят от характера снежных отложений, условий, в которых они образуются, и затруднений, создаваемых для движения на дороге.
Выполняют следующие виды снегоочистительных работ: патрульная очистка; удаление валов; расчистка снегопадных отложений и снежных заносов небольшой толщины; расчистка снежных заносов значительной толщины; расчистка лавинных завалов. Для каждого вида работ применяют соответствующие типы машин и разрабатывают целесообразную технологию.
Патрульная снегоочистка автомобильных дорог
Патрульной снегоочисткой называется систематические проезды (патрулирование) машин по обслуживаемому участку в течение всего времени, пока продолжается метель или снегопад. В зависимости от скорости накопления снега на дорожном полотне и ширине проезжей части необходимо так рассчитывать количество снегоочистительных машин, чтобы образующиеся снежные отложения были удалены в самом начале их формирования.
При небольшой толщине снегоотложений, когда в течение 1 часа толщина снегоотложений не превышает 3 – 5 см, допустимо применять одиночные машины. При интенсивных метелях и снегопадах, а также на дорогах с интенсивным движением работы ведут отрядом снегоочистителей.
Число машин для патрульной очистки:
, (99)
гдеL – длина обслуживаемого участка дороги, км;
nпр – количество снегоочистителей в звене, необходимое для полной уборки снега с половины ширины дорожного полотна. Количество снегоочистителей в звене зависит от ширины очищаемой поверхности и марки снегоочистителя:
, (100)
Vp – средняя рабочая скорость снегоочистителя (Vp =40 – 60), км/ч;
Ки – коэффициент использования снегоочистителя (Ки =0,75 – 0,85);
lc – ширина захвата снегоочичтителя, lc = 2,5 м;
В – ширина очищаемой поверхности;
tn – время между предыдущими и последующими проходами, определяется по формуле:
, ч, (101)
гдеhдоп – допустимая толщина снега на покрытии, накапливающегося на покрытии, мм (таблица 34);
iн – интенсивность накопления снега на покрытии, мм/ч.
Таблица 34 – Максимальная толщина слоя рыхлого снега на покрытии
| Группа дороги. Категория дороги | Интенсивность движения на дороге данной категории, авт./сут. | Максимальная толщина слоя рыхлого снега на покрытии, мм, (при уровне содержания) | Нормативный срок ликвидации зимней скользкости и окончания снегоочистки, ч | ||
| допустимом | среднем | высоком | |||
| А – I, II | более 3000 | 40 | 30 | 20 | 4 |
| Б – III | 1000-3000 | 50 | 40 | 30 | 5 |
| В – IV,V | менее 1000 | 60 | 50 | 40 | 6 |
Обычно патрулирование начинается при hдоп = 30 мм, однако на дорогах I, II категорий целесообразно накапливать снег до hдоп = 10 – 15 мм, а на дорогах IV категории можно до hдоп = 60 мм.
Интенсивность накопления снега hн обычно составляет 5 – 12 мм/ч и редко 40 мм/ч.
Ликвидация снежных заносов на участках автомобильной дороги
Количество машин, необходимых для ликвидации снежных заносов, рассчитывается по формуле:
, (102)
гдеtd – директивное время очистки, ч;
Директивное время очистки дороги зависит от эксплуатационной категории дороги и уровня ее содержания. Например, для категории Iэ дороги директивный срок очистки в зависимости от уровня содержания (допустимый, средний, высокий) колеблется в пределах от 4 до 3 ч, а для дороги категории IVэ – от 6 до 4,5 ч.
Wуб – количество снега, подлежащего уборке, м. Определяется по формуле:
, (103)
гдеhо m – толщина снеговых отложений, м [14];
L– длина участка, м;
b– ширина очищаемой поверхности, м;
g– плотность снега, т/м.
Для снегоочистки при толщине снеговых отложений hom и плотности снега gвыбирается вид снегоочистителя с технической производительностью Пm .
Эксплуатационная производительность определяется по формуле:
, (104)
гдеПm – техническая производительность по паспортным данным, м3 (если в паспорте производительность дана в тоннах, то нужно разделить ее на плотность снега, которую можно принять: для снежных заносов 0,35, для лавинных завалов 0,55 т/м3 );
Ки – коэффициент использования машины в течение смены (Ки = 0,7).
При расчистке снегоотложений небольшой толщины (0,3 – 0,7 м) и плотности снега до 0,3 г/см3 используются одноотвальные плужные снегоочистители. Очистку снегозаносов средней толщины (0,4 – 0,8 м) при плотности снега до 0,4 г/см3 ведут двухотвальными плужными снегоочистителями. Двухотвальные тракторные снегоочистители применяются при прокладке снегозащитных траншей, при прокладке колонных путей на участках, защищенных лесом, также удаляют большие снеговые отложения 1,0 – 1,2 м при плотности 0,6 г/см3 . Роторные и фрезеророторные снегоочистители используются при расчистке снежных заносов или снегопадных отложений большой толщины при плотности снега 0,7 г/см3 . За один проход разрабатывается слой снега толщиной 1,5 м; при послойной разработке толщина не ограничивается. При расчистке снежных отложений средней толщины и удалении снега плотностью до 0,6 г/см3 используются автогрейдеры. Толщина удаляемого снега 0,5 – 0,6 м. Бульдозеры рекомендуется использовать при расчистке снежных отложений большой толщины при плотности снега до 0,7 г/см3 . Толщина разрабатываемого снега за один проход до 1 м. При послойной разработке толщина не ограничивается. Валоразбрасыватели применяются для удаления снежных валов, расчистке снежных завалов при толщине снега до 1,5 м и плотности до 0,6 г/см3 .
3.10 Обустройство участка автомобильной дороги
Автомобильная дорога может не обеспечить функциональную надежность, если ее обустройства не предоставят надлежащих удобств для движения. Служба ремонта и содержания дороги должна обеспечивать полное обустройство дороги, необходимое для лучшей организации движения всех видов транспорта.
К обустройствам по обслуживанию транспортных средств относят заправочные станции (АЗС), станции технического обслуживания (СТО), смотровые эстакады, моечные пункты и площадки для стоянки.
К обустройствам для обслуживания проезжающих по дороге относятся: автобусные павильоны, вокзалы и автостанции, площадки отдыха, пункты питания (столовые, рестораны, буфеты, кафе, ларьки для продуктов) и пункты длительного отдыха (общежития, гостиницы, мотели, кемпинги).
В данном разделе необходимо выполнить мероприятия по обустройству участка автомобильной дороги, по требованиям СНиП [13]. При размещении сооружений обслуживания движения, необходимо учесть:
– процентный состав транспортного потока (грузовые и пассажирские);
– категорию автомобильной дороги;
– протяженность автомобильной дороги при размещении сооружений и объектов сервиса (принимается как 100 кратная протяженности участка по заданию).
Организация грузовых перевозок
Обустройства для организации и обеспечения удобств грузового движения необходимы для лучшей организации грузовых перевозок, для обеспечения нужд подвижного состава и водителей (рисунок 17).
При разработке схемы обустройства дороги для грузового движения помимо основных требований необходимо учесть следующее: наиболее крупные грузовые станции размещают в населенных пунктах, при товарных станциях железных дорог, в местах перегрузки; на всем протяжении автомобильной дороги должен быть специализированный комплекс сооружений для обслуживания грузового движения; в конечных пунктах маршрута размещают грузовые станции со складами, пункты ремонта подвижного состава, пункты питания и отдыха водителей и служебные помещения для складских и экспедиционных операций.

Рисунок 17 – Схема обустройства автомобильной дороги для грузового движения: 1 – площадка отстоя автомобилей; ГС – грузовая станция; КПД – контрольно-диспетчерский пункт; ПП – перецепной пункт; АЗС – автозаправочная станция; СТО – станция технического обслужива-ния; ГАИ – пост ГАИ; М – моечный пункт; О – общежитие; БК – буфет, кафе; НП – населенный пункт; С – столовая
На протяжении каждого маршрута автомобильной дороги предусматривают сооружения, перечисленные ниже:
– грузовые автостанции по СНиП 2.05.02-85 [13] предусматривают в пунктах с суточным грузооборотом не менее 150 т, установленным на
10-летнюю перспективу;
– перецепные пункты через 200 – 250 км для передачи грузов или прицепов;
– контрольно-диспетчерские пункты (КДП) – вблизи мест получения грузов и в местах загрузки попутным грузом;
– станции технического обслуживания (СТО) – для осмотра и ремонта подвижного состава. На дорогах I категории – двухсторонние СТО, на дорогах II и III категории – односторонние. На дорогах I категории СТО рассчитывают на 5, 7 или 10 постов для ремонта и осмотра. Согласно СНиП [13] при интенсивности движения от 7 до 25 тыс. автомобилей в сутки СТО размещают на расстоянии от 50 до 200 км;
– автозаправочные станции (АЗС) – по нормам СНиП [13] количество заправок АЗС в сутки устанавливают от 250 до 1000. При интенсивности движения по дороге до 25 тыс. автомобилей в сутки АЗС предусматривают на расстоянии 30 – 80 км.
– моечные пункты – на въездах в города на станциях обслуживания и автозаправочных станциях с необходимыми подъездами и площадками для ожидающих транспортных средств;
– площадки оборудованные канавами для осмотра автомобилей, организуют через 5 – 10 км.
С учетом вышеперечисленного и по требованиям СНиП [13], составить схему расположения на дороге обустройств для обслуживания только грузового движения по примеру, представленному на рисунке 17.
Организация пассажирских перевозок
Обустройства для организации и обеспечения удобств пассажирского движения, включая общественный пассажирский транспорт и автомобили индивидуального пользования, предусматривают на всем протяжении автомобильных дорог для предоставления необходимых удобств пассажирам и водителям, а также для проведения осмотра и мелкого ремонта автомобилей (рисунок 18):
– автовокзалы размещают на конечных пунктах автомобильных дорог и в крупных транспортных узлах (1000 пассажиров дальнего следования в сутки и более;
– автостанции различных размеров создают в промежуточных населенных пунктах;
– для отдыха и ночлега водителей и пассажиров оборудуют придорожные гостиницы (отели), кемпинги, кафе, павильоны для ожидания автобусов, уборные, уширения проезжей части и площади для остановки автобусов;
– заправочные станции для снабжения всех автомобилей топливом, смазочными материалами, водой и сжатым воздухом;
– остановочные пункты вблизи населенных пунктов предусматривают не чаще, чем через 3 км, а в курортных и густонаселенных районах – через 1,5 – 2 км. Автобусные остановки на дорогах I категории располагают одну против другой, и на дорогах остальных категорий их смещают на расстояние не менее 30 м для обеспечения безопасного перехода пассажиров. Остановки устраивают преимущественно на прямых участках дорог с устройством съезда к автопавильону.

Рисунок 18 – Схема обустройства автомобильной дороги для пас-сажирского движения: 1 – площадка отдыха; 2 – автобусные павильоны; АВ – автовокзал; О – общежитие; ГАИ – пост ГАИ; МП – медицинская помощь; АЗС – автозаправочная станция; БК – буфет, кафе; РС – ресторан, столовая; КПД – контрольно-диспетчерский пункт; ПП – перецепной пункт; НП – населенный пункт; ЛТ – кемпинг; ОС – отделение связи;
МО – мотель; М – моечный пункт; АС – автостанция; СТО – станция технического обслуживания
С учетом вышеперечисленного и по требованиям СНиП [13] составить схему расположения на дороге обустройства для обслуживания водителей, пассажиров и туристов по примеру, представленному на рисунке 18.
3.11 Определение экономической эффективности мероприятий по совершенствованию участка автомобильной дороги
Эффективность капитальных вложений определяется сопоставлени-ем эффекта и затрат. Общая величина народнохозяйственного эффекта oт совершенствования дороги включает:
– экономический эффект, получаемый на автомобильном транспорте от снижения себестоимости перевозок в результате улучшения дорожных условий, сокращения расстояния перевозки грузов и времени пребывания пассажиров в пути;
– косвенный экономический эффект от снятия короткопробежных грузов с железной дороги; от предприятий не автотранспортных отраслей, расположенные в районе тяготения; от развития в районе тяготения дороги новых или реконструируемых предприятий; от улучшения культурных и административных связей и увеличения отчислений в государственный бюджет.
При отсутствии достоверных исходных данных размер косвенных эффектов рекомендуется принимать ориентировочно в размере 30 % от экономического эффекта, получаемого на транспорте.
Снижение транспортных издержек происходит благодаря:
– снижению себестоимости перевозок;
– сокращению времени нахождения грузов и пассажиров в пути при увеличении скорости движения автомобилей.
Экономия от снижения транспортно-эксплуатационных расходов
Ежегодные транспортные расходы определяют на основе данных о перспективном объеме перевозок или интенсивности движения и себестоимости 1 ткм или 1 авт.-км перевозок.
Таблица 35 – Средние укрупненные показатели транспортных и дорожно-эксплуатационных расходов
| Категория дороги | Себестоимость, руб | |||
| транспортная составляющая | дорожная составляющая | |||
| 1 т∙км, sт | авт.-км, sт | 1 т∙км, sд | авт.-км, sд | |
| I | 4,2 | 8,0 | 0,1 | 0,18 |
| II | 4,7 | 8,6 | 0,28 | 0,5 |
| III | 5,4 | 9,5 | 0,6 | 1,0 |
| IV | 6,4 | 11,0 | 1,86 | 3,0 |
| V | 8,0 | 13,3 | 8,2 | 13,0 |
В таблице 35 приведены средние укрупненные показатели транспортных и дорожно-эксплуатационных расходов, отнесенных к 1 км дороги.
При вычислении транспортно-эксплуатационных расходов в зависимости от интенсивности движения используют формулу:
, (105)
гдеN – среднегодовая суточная интенсивность движения, автомобилей в сутки;
L– протяженность дороги, км;
s = sT + sд , – себестоимость перевозок, руб./авт.-км;
sт и sд – соответственно транспортная и дорожная составляющие себестоимости перевозок, руб./авт.-км.
. (106)
Экономия от изменения стоимости времени, затрачиваемого транспортными средствами на участке дороги определяется по формуле:
, (106)
где
– экономия затрат времени всего потока автомобилей i-го типа, ч;
n – число типов автомобилей, принятых к рассмотрению;
Sч i – стоимость авточаса для определенного типа автомобилей, руб.
, (107)
где
– соответственно время, затрачиваемое автомобилями i-го типа на участке до и после внедрения мероприятия, ч.
Расчеты могут вестись в среднем по всему транспортному потоку.
Поэтому затраты времени на перегонах дорог можно определить исходя из средней скорости сообщения и длины участка L, км:
, (108)
гдеR – корреляционный коэффициент связи – 0,01;
V – средняя скорость сообщения на участке дорог (принимается 0,85 от расчетной для технической категории), км/ч.
Экономия от изменения затрат времени пребывания в пути пассажиров (социальный эффект) определяется на основе времени, теряемого транспортными средствами за год:
, (109)
где∆Ттр – снижение временных потерь на задержки всех видов транспорта за год, ед./ч;
Sп – средняя величина потерь, приходящаяся на 1 ч пребывания в пути пассажиров и пешеходов, рассчитывается на основе среднего заработка, руб;
dа и dл – доля соответственно автобусов и легковых автомобилей;
hа и hл – средние коэффициенты наполнения соответственно автобусов и легковых автомобилей, принять 70 % от общей пассажировместимости.
Экономический эффект за счет снижения потерь от ДТП
Потери народного хозяйства от дорожно-транспортных происшест-вий рассчитываются методом использования графиков коэффициентов аварийности.
Средние потери от одного дорожно-транспортного происшествия (Сi ) выбираются по величине потерь на момент выполнения проекта.
Подсчет потерь от происшествий основан на зависимости их количества (на 1 млн. авт.-км) от размера итогового коэффициента аварийности (рисунок 19). При этом рекомендуется подсчитывать потери для участков, где КИТ ≥10. При значении КИТ <10 принимают 0,27 происшествий на 1 млн. авт.-км пробега.

Рисунок 19 –Зависимость числа дорожно-транспортных происшествий (на 1 млн. авт.-км) от итогового коэффициента аварийности
Экономическую эффективность реконструкции дороги за счет уменьшения потерь народного хозяйства от происшествий определяют по двум вариантам: при неизменных дорожных условиях (за исключением роста интенсивности движения) и с учетом изменения дорожных условий после реконструкции дороги. Разница потерь от происшествий за 20 лет покажет эффективность реконструкции за счет снижения количества происшествий.
При подсчете потерь необходимо учесть рост интенсивности движения и изменение в связи с этим частного коэффициента аварийности К1 и итогового коэффициента аварийности КИТ .
После реконструкции интенсивность движения возрастет и К1 измениться.
Вероятное число происшествий (zi ) в зависимости от итогового коэффициента аварийности (КИТ ), выбираем по рисунку 19 до и после реконструкции.
Зная ежегодный пробег для каждого участка:
, (110)
определяем вероятное количество происшествий в год до и после реконструкции:
. (111)
Далее с учетом средних потерь от одного происшествия (Сi ), определяем суммарные потери:
. (112)
Экономический эффект за счет снижения потерь народного хозяйства от происшествий определяется как разность потерь до и после.
Определение общей экономической эффективности
При определении экономической эффективности капитальных вложений и обосновании вариантов различают общую (абсолютную) и сравнительную экономическую эффективность.
Общую экономическую эффективность капитальных вложений Е подсчитывают на стадиях планирования и проектирования и в качестве показателя принимают отношение экономии на годовых транспортно-эксплуатационных расходах к вызвавшим эту экономию капитальным вложениям, т. е. первоначальным затратам:
, (113)
гдеЭсущ и Эпр – годовые суммарные расходы до и после осуществления капитальных вложений;
К – капитальные затраты на строительство или реконструкцию дороги (в проекте принимаются студентом исходя из стоимости материалов и объемов работ по усовершенствованию участка дорог, примерно по ценам на момент выполнения).
. (114)
Сроки окупаемости общего объема капитальных вложений вычисляют по формуле:
. (115)
При определении экономической эффективности строительства (реконструкции) сети или отдельных дорог в процессе планирования нормативный коэффициент экономической эффективности принимается не менее ЕH = 0,12 или нормативный срок окупаемости не более Тн = 8 лет.
4. ОБЩИЕ ТРЕБОВАНИЯ К КУРСОВОМУ ПРОЕКТУ
При оформлении пояснительной записки необходимо выдерживать структуру основного раздела методических указаний с включением обязательных элементов в следующей последовательности:
Титульный лист
Задание
Аннотация
Содержание
Введение
Основная часть по содержанию раздела 3 настоящих методических указаний
Заключение
Список литературных источников
При оформлении материалов курсового проекта должны быть учтены требования ГОСТов, Единой системы конструкторской документации (ЕСКД).
Пояснительная записка должна быть выполнена с соблюдением общих требований к текстовым документам, установленным ГОСТ 2.105-95.
Текст работы может быть выполнен одним из следующий способов: машинописным (ЭВМ); рукописным на страницах белой бумаги формата А4.
Поля: слева – 30 мм, справа – 10 мм, сверху и снизу – 20 мм.
При рукописном способе текст пишут чернилами или шариковой ручкой синего, фиолетового или черного цвета с высотой букв и цифр не менее 2,5 мм.
При компьютерном наборе текста используют текстовый редактор MicrosoftWord, шрифт – Times New Roman, размером – 14.
В работах, выполненных машинописным способом, не допускается вписывать формулы и условные обозначения чернилами или шариковой ручкой, необходимо использовать редактор формул.
Абзацный отступ начинают, отступая 1,25 см от границы текста. Расстояние между строками должно быть 7 – 10 мм при рукописном варианте и 1,5 межстрочный интервал при компьютерном наборе.
Пояснительную записку необходимо оформлять четко и аккуратно, без исправлений и поправок. Опечатки, описки, графические неточности, обнаруженные в процессе выполнения работы, допускается исправлять подчисткой или закрашиванием белой краской и нанесения на том же месте исправленного текста.
Текст пояснительной записки разбивается на разделы и подразделы, которые оформляются согласно ГОСТ 2.105-95. Каждый раздел работы рекомендуется начинать с нового листа (страницы). Наименование разделов и подразделов должны быть краткими.
Разделы и подразделы должны быть пронумерованы. Порядковые номера разделов в пределах всей работы обозначаются арабскими цифрами без точки. Номера подразделов в пределах каждого раздела образуются из номеров раздела и подраздела, разделенных точкой, в конце номера подраздела точка не ставится. Разделы как и подразделы, могут состоять из одного или нескольких пунктов (1; 1.1; 1.1.1).
Если раздел или подраздел состоит из одного пункта, он также нумеруется. Пункты при необходимости могут быть разбиты на подпункты, которые нумеруются в пределах каждого пункта. Перечисление требований, указаний, положений в пункте или подпункте начинается с дефиса или при необходимости ссылки в тексте на одно из перечислений или строчной буквы, после которой ставится скобка. Для дальнейшей детализации необходимо использовать арабские цифры со скобкой.
Каждый пункт, подпункт записывают с абзацного отступа. Разделы и подразделы должны иметь заголовки. Пункты, как правило, заголовков не имеют. Заголовки разделов вместе с их порядковыми номерами записывают прописными буквами симметрично тексту. Высота цифр порядкового номера и букв в наименовании должна быть одинаковой.
Наименование подразделов записывают в виде заголовков (с абзаца) строчными буквами (кроме первой прописной). Переносы в словах в заголовках не допускаются, точку в конце заголовка не ставят. Если заголовок состоит из двух предложений, их разделяют точкой.
Страницы пояснительной записки нумеруют арабскими цифрами без точек, включая список использованной литературы и приложения. Номер страницы проставляют в правом верхнем углу. Нумерация страницы должно быть сквозная. Первой страницей является титульный лист, на котором номер страницы не ставят.
Общее оформление и содержание пояснительной записки рекомендуется выполнять по образцу настоящих методических указаний.
Графическая часть проекта должна содержать выполненные в масштабе детали проекта, перечисленные в пункте 2 настоящих методических указаний.
Продольные профили, чертежи деталей проекта, поперечных профилей земляного полотна, конструкции дорожной одежды вычерчиваются на миллиметровой бумаге формата А1 или с использованием графических редакторов «Autocad», «MicrosoftVisio», «CorelDraw» и т. п. в масштабах, удобных для рассмотрения.
На всех чертежах приводятся ссылки на действующие ГОСТы и технические нормы.
5. РЕКОМЕНДАЦИИ ПО ОРГАНИЗАЦИИ РАБОТ НАД ПРОЕКТОМ, ПРИМЕРНЫЙ КАЛЕНДАРНЫЙ ПЛАН ЕГО ВЫПОЛНЕНИЯ
Задание на выполнение курсового проекта выдаются ведущим преподавателем на 1 – 2 неделе семестра.
Студент, получивший задание, выполняет работу по структуре методических указаний в сроки, установленные в таблице 36.
Студент выполняет основную часть курсового проекта, посещает консультации и представляет промежуточные результаты в соответствии с календарным планом.
При затруднениях в освоении дисциплины студентам рекомендуется обратиться за консультацией на кафедру.
Таблица 36 – Примерный календарный план выполнения курсового проекта
| Этап выполнения | Недели | |||||||||
| 1 – 2 | 3 – 4 | 5 – 6 | 7 – 8 | 9 – 10 | 11 – 12 | 13 | 14 | 15 | 16 | |
| Получение задания | ||||||||||
| Характеристика природных условий и обоснование основных технических нормативов | ||||||||||
| Проектирование плана трассы и доп. устройств на кривых | ||||||||||
| Проектирование дороги в продольном и поперечном профиле | ||||||||||
| Проектирование дорожных одежд | ||||||||||
| Оценка транспортно-эксплуатационного состояния дороги | ||||||||||
| Содержание и обустройство участка автомобильной дороги | ||||||||||
| Определение экономической эффективности мероприятий | ||||||||||
| Оформление курсового проекта и сдача на проверку | ||||||||||
| Защита проекта | ||||||||||
6. ПОРЯДОК ЗАЩИТЫ И ОТВЕТСТВЕННОСТЬ СТУДЕНТА ЗА ВЫПОЛНЕНИЕ ЗАДАНИЯ ПО КУРСОВОМУ ПРОЕКТУ
Выполненный курсовой проект представляется ведущему преподавателю для проверки на 15 – 16 неделе семестра (согласно календарному плану). При правильном выполнении и оформлении проекта студент допускается к защите. Защита проводиться в присутствии комиссии, в составе: заведующего кафедрой, руководителя проекта и других преподавателей кафедры.
В процессе защиты студент должен кратко, в форме доклада (3 – 5 минут) изложить основные положения, алгоритмы расчетных методик применяемых в проекте, ответить на заданные вопросы. Результаты выполнения и защиты курсового проекта оцениваются комиссией дифференцированной оценкой по пятибалльной системе.
Незачтенный курсовой проект дорабатывается в соответствии с замечаниями преподавателя. При повторном представлении на проверку необходимо приложить первоначальную работу.
Курсовой проект, выполненный по неправильному варианту, возвращается студенту без проверки. Студент обязан повторно выполнить его по соответствующему варианту.
СПИСОК РЕКОМЕНДУЕМОЙ ЛИТЕРАТУРЫ
Основная литература
1. Бабков, В.Ф. Проектирование автомобильных дорог. Ч. I [Текст] / В. Ф. Бабков, О.В. Андреев – М. : Транспорт, 1987. – 367 с.
2. Бабков, В.Ф. Проектирование автомобильных дорог. Ч. II [Текст] / В. Ф. Бабков, О.В. Андреев – М. : Транспорт, 1987. – 367 с.
3. Бабков, В.Ф. Автомобильные дороги [Текст] : учебник для вузов / В. Ф. Бабков. – М.: Транспорт, 1983. – 280 с.
4. Автомобильные дороги (примеры проектирования) [Текст] : учебное пособие для вузов / под редакцией В.С. Порожнякова. – М. : Транспорт, 1983. – 301с.
Дополнительная литература
5. Сильянов, В.В. Теория транспортных потоков в проектировании дорог и организации движения [Текст] / В.В. Сильянов. – М.: Транспорт, 1977. – 308 с.
6. Бортников, П.М. Тягово-скоростные качества автомобилей [Текст] / П. М. Бортников, В.И. Задорожный. Киев : Высшая школа, 1978.
7. Литвинов, А.С. Автомобиль. Теория эксплуатационных свойств [Текст] / А. С. Литвинов, Я.Е. Фаробин – М. : Транспорт, 1992.
8. Земляное полотно автомобильных дорог общего пользования. Типовые материалы для проектирования. Серия 503-0-48.87. – М.: Союздорпроект, 1987. – 55 с.
9. Дорожные одежды автомобильных дорог общей сети СССР. Типовые проектные решения. Серия 503-0-11. М.: Минтрансстрой ССCР, 1976. – 67 с.
10. Большая Советская энциклопедия [Текст] / под редакцией
С. И. Вавилова. – М.: Советская энциклопедия, 1976. – 689 с.
11. Проектирование автомобильных дорог [Текст]: справочник инженера-дорожника / под редакцией Г.А. Федотова. – М.: Транспорт, 1989. – 436 с.
12. Ремонт и содержание автомобильных дорог: [Текст]: справочник инженера-дорожника / под редакцией А.П. Васильева – М.: Транспорт, 1989.
13. СНиП 2.05.02-85. Строительные нормы и правила. Автомобильные дороги [Текст]. – М.: Госстрой СССР, 1985. – 68 с.
14. СНиП 23.01.99. Строительные нормы и правила. Строительная климатололгия [Текст]. – М.: Госстрой России, 2001. – 67 с.
15. СНиП 2.01.07-85 Строительные нормы и правила. Нагрузки и воздействия [Текст]. – М. : Госстрой России, 2001. – 82 с.
16. Понизовкин, А. Н. Краткий автомобильный справочник [Текст] / А.Н. Понизовкин, Ю.М. Власко, М.Б. Ляликов. – М.: АО «Трансконсалтинг». НИИАТ, 1994. – 779 с.
17. ГОСТ 25607-94. Смеси щебеночно-гравийно-песчаные для покрытий и оснований автомобильных дорог и аэродромов. Технические условия [Текст]. – М.: Госстрой России, 1995. – 9 с.
18. ГОСТ Р 21.1701-97. Система проектной документации для строительства. Правила выполнения рабочей документации автомобильных дорог [Текст]. – М.: Госстрой России, 1997. – 29 с.
19. Проектирование нежестких дорожных одежд [Текст]: отраслевые дорожные нормы : ОДН 218.046-01: Утверждены и введены в действие Государственной службой дорожного хозяйства Министерства Транспорта РФ 20.12.00 г. – М., 2001. – 144 с.
20. Указания по обеспечению безопасности движения на автомобильных дорогах [Текст]. ВСН 25-86 Минавтодора РСФСР. – М.: Транспорт, 1988. – 183 с.
21. ГОСТ 3344-83. Щебень и песок шлаковые для дорожного строительства. Технические условия [Текст]. – М.: Государственный комитет СССР по делам строительства, 1983.
22. ГОСТ 8736-93. Песок для строительных работ. Технические условия [Текст]. – М.: Минстрой России, 1995.
23. ГОСТ 2.105-95. Единая система конструкторсокой документации. Общие требования к текстовым документам [Текст]. – М.: Госстандарт РФ, 1995. – 25 с.
Похожие рефераты:
Организация дорожного движения на перекрестке ул. Карла Маркса и ул. 10 лет Независимости Казахстана
Технико-экономическое сравнение вариантов трассы
Организация перевозок и управление на транспорте
Проект автомобильной дороги Ильинка - Дружба
Разработка программы совершенствования организации международных перевозок
Совершенствование пассажирских перевозок в городе Речица
Технология и техника разработки карьера
Проектирование и расчет водопропускных труб
Автомобильные и железные дороги






