| Скачать .docx |
Реферат: Механізми повороту та ходовий пристрій одноковшових екскаваторів з гідроприводом
Тема:Механізми повороту та ходовий пристрій одноковшових екскаваторів з гідроприводом
ЗМІСТ
ВСТУП
1. МЕХАНІЗМИ ПОВОРОТУ
2. МЕХАНІЗМИ ПЕРЕСУВАННЯ
3. ЕКОНОМІЧНА ЕФЕКТИВНІСТЬ МАШИН
4. ТЕХНІКА БЕЗПЕКИ
ПЕРЕЛІК ВИКОРИСТАНОЇ ЛІТЕРАТУРИ
ВСТУП
На сьогоднішній день наша держава без власного виробництва сучасної високопродуктивної, економічно обґрунтованої будівельної техніки не може конкурувати на світовому ринку.
Одним із напрямків розвитку будівельної галузі є використання раціональної техніки та прогресивних технологічних процесів.
Тому технічне переоснащення машинобудівної галузі економіки повинне забезпечувати виконання сучасних вимог до технологій виробництва.
Насамперед це дотримання оптимальних строків та якісного виконання технологічних операцій досягнення високої продуктивності агрегатів та зменшення питомих енергетичних витрат на виконання будівельних робіт за рахунок розширення використання ресурсоощадних технологій виробництва, збалансованих технологічних комплексів машин, альтернативних джерел енергії та зниження технологічного навантаження на довкілля, створення комфортних умов для роботи працівників.
Трактори є основними енергетичними засобами виконання технологічних операцій у різних галузях виробництва. Вони широко використовуються в будівництві, землеробстві, тваринництві.
З кожним роком вони стають усе складнішими, а їх парк - різноманітнішим. Водночас удосконалюються методи й засоби їх обслуговування та ремонту.
Поряд з випуском простих засобів діагностування збільшується виробництво електронних приладів, розробляються перспективні автоматизовані системи та пристрої.
Діагностика, технічне обслуговування та ремонт систем і механізмів, а також прогнозування ресурсу - найважливіші фактори керування роботою та надійністю.
Машиніст бульдозера повинен досконало знати конструкцію трактора, його вузлів, кваліфіковано та своєчасно виконувати регулювальні роботи і технічне обслуговування, вміло виявляти та усувати несправності в процесі експлуатації машин. Тому, мета цієї роботи вивчити конструкцію механізмів повороту та ходовий пристрій екскаваторів.
1. МЕХАНІЗМИ ПОВОРОТУ
Поворот робочого устаткування до місця вивантаження ковша й зворотній поворот до розроблювального вибою здійснюються у повно-поворотних екскаваторів шляхом обертання поворотної платформи. Поворот займає приблизно 60-70% часу робочого циклу й суттєво впливає на його загальну тривалість. Для скорочення часу повороту (тобто скорочення тривалості циклу і підвищення продуктивності екскаватора) інтенсивність повороту повинна бути максимальною. Вона обмежується припустимим навантаженням (крутним моментом) і максимальною швидкістю повороту, при якій екскаватор зберігає стійкість. Для задоволення цих умов параметри механізму приводу повороту вибирають такими, щоб при роботі з найбільше що часто зустрічається кутом повороту платформи (90-100°) відбувалися тільки розгін до максимальної швидкості і гальмування платформи без рівномірного руху зі сталою швидкістю.
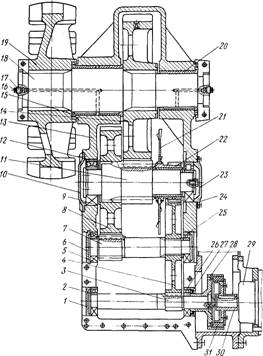
Коли привод здійснюють від низкомоментного гідромотора (як на екскаваторах ЭО-5123 і ЭО-6122), збільшують створюваний ним крутний момент, за допомогою редуктора з трьома парами циліндричних шестірень, що зв'язує вали гідромотора й шестірні.

Рис. 1.1. Механізм повороту екскаватора ЭО-5123:
1, 9 - шайби, 2, 7, 8, 10 - болти, 3 - редуктор, 4 - кронштейн, 5, 13 - клини, 6 - планка, 11 - гайка, 12 – штовхач
Вал гідромотора 42 (Рис. 1.2) з'єднаний пружною сполучною муфтою з валом-шестірнею 29 редуктора. Обертання на вал-шестірню 29 передається через напівмуфту 22 і гумові пальці 25. Від ведучої вала-шестірні 29 обертання через зубчасті колеса 30,17 і 10 передається вихідному валові 2. Обігаюча шестірня 1 за допомогою шліців закріплена на консольній частині вала 2 і входить у зачеплення з зубцюватим вінцем опорно-поворотного кола. При включенні механізму повороту Обігаюча шестірня обкатується щодо зубцюватого вінця і приводить в обертання поворотну платформу екскаватора. Усі вали редуктора встановлені на підшипниках кочення.

Рис. 1.2

Рис. 1.3. Механізм повороту екскаваторів ЭО-6122: 1 - корпус, 2 - трубка, 3, 4, 39- манжети, 5 - кільце, 6, 20, 34 - кришки, 7, 28 - вали, 8 - штифт, 9,15,19, 35, 38 - підшипники, 10, 26 - п'яти, 11, 18 - сателіти, 12, 16 - осі, 13, 27 - водила, 14 - оливниця, 17 - щуп, 21 - кулька, 22 - сапун, 23 - гідромотор, 24 - гайка, 25, 40 - шестірні, 29, 33 - зубцюваті вінці, 30, 32 - болти, 31 - прокладка, 36 - втулка, 37 – напівкільце яке встановлюють у корпусі водила 27. Роликопідшипник 38 змазується за допомогою масельнички 14. Відпрацьована олива з корпуса редуктора зливають через трубку 2.
ОПОРНО-ПОВОРОТНІ ПРИСТРОЇ
Опорно-поворотний пристрій передає навантаження від поворотної платформи рамі ходового пристрою і забезпечує вільне обертання поворотної платформи щодо ходового пристрою.
На екскаваторах ЭО-5123 і ЭО-6122 опорно-поворотний пристрій являє собою уніфіковані роликові опорно-поворотні кола (Рис. 1.4).
Коло складається з двох скріплених один з одним болтами напівобойм 4 і 5 і зубцюватогоого вінця 2, поверхні яких служать доріжками кочення для циліндричних роликів 3. Торці будь-яких двох сусідніх роликів звернені убік різних пар доріжок кочення (на вінці дві доріжки, на напівобоймах - по однієї). Таким чином, напівобойми 4 і 5 можуть вільно повертатися щодо кільця 1.

Рис. 1.4. Роликове опорно-поворотне коло:
а - розріз роликового кола, б - розташування роликів;
1 - внутрішнє кільце-вінець, 2 - зубцюватий вінець, 3 - ролик,
4, 5 - нижня і верхня напівобойми; У, Г - доріжки катання роликів
Вінець з'єднують болтами з ходовою рамою, а напівобойми - з поворотною платформою, тому платформа може повертатися щодо ходової рами на будь-який кут. Між напівобоймами встановлюють комплект прокладок (однакові форми і розмірів) в один шар по всій окружності суміжних торців напівобойм із приблизно рівними інтервалами між ними.
Ролики, що котяться по доріжках У, сприймають спрямовані вниз навантаження, ролики, що котяться по доріжках Г, працюють як загарбні, передаючи зусилля від напівобойми 4 до кільця 1 і утримуючи поворотну платформу від перекидання. Ролики змазуються через спеціальні масельнички в напівобоймі 5. Роликові кола сприймають горизонтальні зусилля, що зрушують поворотну платформу щодо ходової частини, тому немає необхідності в центральній цапфі.
На екскаваторах ЭО-5123 і ЭО-6122 застосовують зубцюватий вінець 2 із внутрішніми зубами, що знаходяться в постійному зачепленні із шестірнею механізму повороту.
2. МЕХАНІЗМИ ПЕРЕСУВАННЯ
Механізм пересування екскаваторів ЭО-5123 і ЭО-6122 оснащений індивідуальним приводом кожної гусеничної стрічки від низкомоментного гідромотора через триступінчастий редуктор з циліндричними зубчастими передачами.
На Рис. 2.1. показані деталі правої гусеничної стрічки екскаватора.

Рис. 2.1. Редуктор (а) механізму повороту екскаваторів ЭО-5123 і його деталі (б): 1 - Обігаюча шестірня, 2 - вал, 3, 9, 11, 28, 34 - втулки, 4, 14, 19, 21, 33, 38 - кришки, 5, 13, 26, 32, 35, 39 - підшипники, 6 -і кільце, 7, 23 - склянки, 5 - манжета, 10, 17, 30 - зубчасті колеса, 12 - корпус, 15 - рим-болт, 16, 41 - масельнички, 18, 20, 29 - вали-шестірні, 22 - напівмуфта, 24 - фланець, 25 - палець, 27, 31 - кільця розрізні, 36 - шайба, 37 - спускний кран, 40 - щуп, 42 - гідромотор
Через отвір, закритий щупом 40, у редуктор заливають олива, рівень його перевіряють цим щупом.
Зубчасті передачі змазуються при зануренні в масляну ванну редуктора, а також розбризкуванням. Верхня пара зубчастих коліс і підшипник 26 змазуються розбризкуванням олії через трубки в зубчастому колесі 30.
При монтажі змащення набивають у верхні підшипники редуктора, а при експлуатації їх змазують через масельнички 16, укручені в кришки 14, 19, 21.
Нижні підшипники редуктора працюють у масляній ванні. Щоб уникнути влучення в них сторонніх предметів їх закривають зверху кришкою, втулкою 34 і шайбою 36. Сферичний роликопідшипник 5 змазують через масельничку 41, укручену в кришку 4. Для запобігання від витікання олії через підшипниковий вузол і влучення в його порожнину рідкого мастила встановлена склянка 7, заповнений при монтажі густим мастилом, втулка 9, кришка 4, кільце 6 і манжети 8. Олію, що відробила, зливають через спускний кран 37.
Екскаватор ЭО-6122А. На відміну від механізму повороту екскаваторів ЭО-5123 у механізмі повороту екскаватора ЭО-6122А застосований двоступінчастий планетарний редуктор (Рис. 2.2.).

Рис. 2.2.
На вихідному валові гідромотора 23 жорстко закріплена сонячна шестірня 25, що знаходиться в постійному зачепленні із сателітами 18. Сателіти 18 установлені на шарикоподшипниках 19 на осях 16 і обкатуються по внутрішніх зубах вінця 29, приводячи в обертання водило 27, жорстко зв'язане з осями 16 і валом 28 другої ступіні редуктора. Вал 28 спирається на п'яту 10, розташовану в розточенні вала 7.
Заодно з валом 28 виготовлена сонячна шестірня, що знаходиться в постійному зачепленні із сателітами 11 другої ступіні редуктора. Сателіти 11 установлені на двох шарикоподшипниках 15 на осях 12 і обкатуються по внутрішніх зубах вінця 33, приводячи в обертання водило 13, жорстко зв'язане з осями 12 сателітів 11, і вихідний вал 7 механізму повороту.
Вал 7 встановлений у корпусі 1 редуктора на роликопідшипнику 38 і шарикоподшипнике 35. На кінці вала жорстко закріплена Обігаюча шестірня 40, що, обкатуючи по зубцюватому вінці опорно-поворотного кола, установленого на рамі ходового візка екскаватора, змушує обертатися поворотну платформу в ту або іншу сторону в залежності від напрямку обертання вала гідромотора 23. Корпус редуктора зверху закритий кришкою 20, що прикріплюється болтами 30.
Механізм повороту в зборі встановлюють у розточення поворотної платформи, кріплять болтами 32 і фіксують штифтами. Через отвір для сапуна 22 у редуктор заливають олива, рівень якого контролюють щупом 17. Зубчасті передачі і підшипники редуктора другої ступіні працюють у масляній ванні. Для змазування елементів зубчастих передач і підшипників редуктора першої ступіні олива подається з ванни по трубках швидкісного напору.

Рис. 2.3. Механізм приводу правої гусеничної стрічки екскаватора ЭО-6122: 1, 6, 10, 23 - кришки, 2, 5, 9, 25, 26 - підшипники, 3, 7, 11 - вала-шестірні, 4, 8, 14 - зубчасті колеса, 12 - кільце, 13 - рама гусенична, 15, 20 - підшипники ковзання, 16 - пробка, 17 - маслюка, 18 - вал, 19 - ведуче колесо, 21 - крильчатка, 22 - шестірня, 24 - прокладка, 27 - манжета, 28, 30 - напівмуфти, 29 - гідромотор, 31 - гумовий палець
Від гідромотора 29 через напівмуфту 30 і гумові пальці 31 обертання передається напівмуфті 28, а далі ведучій валові-шестірні 3 редуктори.
Основними деталями редуктора є вали-шестірні 3, 7, 11 і зубчасті колеса 4, 8, 14. Опорами валів-шестірень служать підшипники кочення 2, 5, 9, 25, 26, а опорами вала 18 - підшипники ковзання 15, 20. Ведуче колесо 19 приводу гусеничної стрічки жорстко закріплено на консольній частині вала 18. Олію заливають у корпус редуктора через верхні кришки, для контролю рівня олії маються два отвори, закриті пробками. Зливають олива через спускний отвір, також закрите пробкою.
Зубчасті передачі змазуються шляхом опускання коліс у масляні ванни і розбризкування олії за допомогою крильчатки 21. Підшипники 15 і 20 змазують через масельнички 17, встановлені в торцях вала 18.
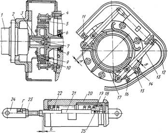
Для стопоріння гусеничного ходу під час роботи і стоянки служать два нормально замкнутих колодкових гальма, кожний з яких змонтований у склянці 17 (Рис. 2.4.), прикріпленому болтами до редуктора і гідромотора 1. У звичайному стані гальмо включене пружиною 22, розташованої усередині гідроциліндра 20. Для вимикання гальма подають рідина під тиском у гідроциліндр, при цьому поршень 19 зі штоком 21 переміщаються і через сергу 24 виключають гальмо - екскаватор може вільно пересуватися. При з'єднанні поршневої порожнини гідроциліндра зі зливом пружина, що знаходиться в стиснутому стані, переміщає поршень у колишнє положення і гальмо знову включається.

Рис. 2.4. Установка гідромотора з гальмом механізму пересування екскаватора ЭО-6122: 1 - гідромотор, 2 - фланець, 3 - напівмуфта, 4, 7, 16 - болти, 5 - гальмова колодка, 6 - стопорна шайба, 8 - шайба, 9- гумовий палеи, 10, 18, 25- кільця, 11, 14 - гвинти, 12 - кожух, 13 - важіль, 15 - планка, 17 - склянка, 19 - поршень, 20 - гідроциліндр, 21 - шток, 22 - пружина, 23 - гайка, 24 - серга
Для захисту від улучення бруду й інших посторонни* иргдмр тов гальма закриті кожухами 12.
Як відзначалося вище, на екскаваторах застосований гусеничний хід тракторного типу, тому ведуче колесо 1 має іншу конструкцію. На відміну від екскаваторів ЭО-612'2 для приводу ведучого колеса крім редуктора мається додаткова зубчаста передача (шестірня 3 і колесо 7), змонтована в картері гусеничної рами.

Рис. 2.5. Гусеничний візок екскаватора ЭО-5123:
1 - гусенична рама, 2, 4 - підтримуючі й опорний ковзанки, 3 - направляюче колесо з натяжним пристроєм, 5 - амортизатор, 6 - опорно-поворотне коло, 7,9 - механізми приводу правих і лівої гусеничних стрічок, 8 - трубопроводи гусеничного візка, 10-гусеничний стрічка, 11 - ведуче колесо, 12 - центральний колектор
Облік і контроль за витратою палив-мастильних і інших експлуатаційних і ремонтних матеріалів організують у такий спосіб. Кожна екскаваторна бригада має особовий рахунок, у якому зазначене кількість матеріалів, необхідних для виконання робіт, перерахованих в убранні. Бригадир у межах установлених лімітів одержує на складі потрібні йому матеріали.
При закритті убрань порівнюють кількість фактично отриманих матеріалів з тією кількістю, що було покладено по нормі. Якщо бригада допустила перевитрату матеріалів на виконаний обсяг робіт, то в дальшейшем вона одержує них зі складу тільки з дозволу виконавця робіт.
3. ЕКОНОМІЧНА ЕФЕКТИВНІСТЬ МАШИН
Забезпечення показників і правильна експлуатація є основою досягнення гарних техніко-економічних показників роботи будівельних машин.
Вартість робіт, зроблених за допомогою машини, складається з ряду витрат, які умовно підрозділяються на постійні, одноразові й експлуатаційні.
Постійні витрати Пр включають три групи відрахувань: на погашення вартості машини; на капітальний ремонт; на зміст бази механізації, гаражів, а також на зміст і ремонт шляхів і доріг у межах будівельного майданчика. Перші дві групи називаються амортизаційними
Постійні витрати підраховують на рік роботи машини
Одноразові витрати Ер ураховують витрати, вироблені в разовому порядку й призначені для підготовки машини до роботи на її робочім місці, а також для демонтажу всього встаткування по закінченню робіт
У загальному випадку одноразові витрати включають:
* доставку машини із заводу або з бази механізації, переміщення машини на майданчику до робочого місця, підготовку тимчасових подорожніх і будівельних конструкцій для машинної установки (фундаменти, естакади, навіси й т.п.);
* монтаж машини, включаючи підводку й приєднання мереж для подачі електроенергії, трубопроводів для води й т.п.;
* пробний пуск і випробування змонтованої машини;
* демонтаж машини й розбирання тимчасових будівельних конструкцій;
* зворотну доставку машини на базу механізації
Сюди ставляться також витрати по перестановках машини, якщо вона повинна працювати на декілька робочих місцях будівельного майданчика, причому перестановка вимагає у свою чергу демонтажних, транспортних і монтажних робіт
Одноразові витрати підраховують за час роботи машини на даному майданчику. Для автомобілів, тракторів, скреперів і подібних самохідних машин, які не вимагають монтажу й демонтажу, одноразові витрати невеликі.
В експлуатаційні витрати Ер входять: заробітна плата робітників, керуючих машиною, витрати на всі ремонти машини ( крім капітального); вартість енергії або палива, води, мастильних і обтиральних матеріалів; витрати по заміні зношеного робочого інструмента, тросів і т. п.
Усі витрати підраховують для однієї години змінного робочого часу машини (машино-година) або для однієї робочої зміни, машини ( машиноозміна).
Застосування сучасних високопродуктивних будівельних машин вимагає, щоб інженерисбудівельники особлива увага приділяли підвищенню ефективності експлуатації: збільшенню використання машин у часі і їх корисного навантаження, удосконалюванню технологічного обслуговування й ремонту, зменшенню трудових і матеріальних витрат.
4. ТЕХНІКА БЕЗПЕКИ
Для безпечного ведення усіх видів робіт обслуговуючий персонал повинний строго дотримувати правила техніки безпеки при експлуатації, технічному обслуговуванні і ремонті екскаваторів і встановлюваних на них комплектуючих виробів. Порушення цих правил може привести до нещасних випадків - одержанню різних травм (забитих місць, поранень, опіків кислотою, лугом, від впливу електричного струму і т.д.) і втраті працездатності.
До роботи на екскаваторах допускаються особи, що мають відповідну кваліфікацію і пройшли інструктаж з техніки безпеки.
До керування й обслуговування екскаваторів ЭО-6122 допускаються особи, що мають допуск на обслуговування електроустановок напругою до 1000 В.
Стажуються учні під безпосереднім спостереженням майстра або машиніста. Обслуговуючий персонал повинний працювати в спеціальному одязі, що відповідає кліматичним умовам. На машині повинна бути аптечка першої медичної допомоги.
1. Перед початком роботи усі підземні комунікації повинні бути відзначені знаками.
2. У вечірній і нічний час фронт роботи екскаватора у вибої, місце розвантаження ґрунту і під'їзних колій повинні бути добре освітлені.
3. У населеній місцевості вибої і ділянки роботи екскаватора обгороджують і встановлюють щити з попереджувальними написами. У нічний час огородження висвітлюють.
4. Обслуговуючий персонал повинний одержувати точні вказівки про порядок виконання нового завдання, а також про дотримання необхідних запобіжних заходів .
5. Перед пуском двигуна машиніст уважно оглядає екскаватор і переконується в повній його справності. При виявленні несправностей робота на екскаваторі забороняється. Про всі несправності машини або ненормальних умов експлуатації, що можуть привести до аварії, машиніст негайно повідомляє адміністрації підприємства.
Забороняється робота екскаваторів ЭО-6122 при несправностях захисного заземлення або електроустаткування.
6. Всі обертові деталі обгороджують кожухами. Пуск у дію механізмів при знятих кожухах не дозволяється.
7. Перед пуском двигуна і механізмів машиніст дає сигнал попередження.
8. При пуску двигуна важелі керування встановлюють у нейтральне положення, а насоси виключають (якщо це передбачено конструкцією).
9. На екскаваторі дотримують чистоти, весь необхідний інвентар і інструмент зберігають у призначеному для них місці. Сторонні предмети, що знаходяться на поворотній платформі, можуть послужити причиною аварії.
Робота екскаватора у вибої. 1. Під час роботи перебування на екскаваторі або в радіусі його дії сторонніх осіб забороняється. Небезпечної є зона, що представляє коло, описаний з центра обертання поворотної платформи максимальним радіусом копання, збільшеним у 1,2-1,5 рази (більше значення для зворотної лопати).
Для забезпечення безпечної роботи екскаватора необхідно вибирати глибину і мінімальний радіус копання з урахуванням стану ґрунту (кут природного укосу, в'язкість і ін).
У випадку зупинки на ухилі або підйомі вживають заходів, що виключають мимовільний рух екскаватора (опускають ківш, при необхідності під гусениці підкладають упори-башмаки) .
2. У період роботи двигуна і механізмів екскаваторів не дозволяється кріпити які-небудь частини, змазувати їх і оглядати вузли, розташовані в небезпечних місцях.
3. При роботі екскаватор повинний стояти на горизонтальній площадці, що вирівнюють до початку роботи. У процесі копання ведучі колеса повинні знаходитися позаду або збоку робітника органа.
4. При розробці високого вибою видаляють знаходяться зверху вибою великі камені й інші предмети, тому що ґрунт може обсипатися, зашкодити екскаватор і бути причиною нещасного випадку. Якщо сипучий ґрунт за якимись причинами не обсипається під кутом природного укосу, цей кут створюють штучним шляхом. Щоб уникнути нещасного випадку не дозволяється підкопувати ґрунт лопатою, коштуючи в напрямку сповзання його, тому що ґрунт може обрушитися. Працювати у вибої, що має "козирок", забороняється.
5. При навантаженні ґрунту в автомашини забороняється проносити ківш екскаватора над людьми і кабіною шофери. При завантаженні автомашини, що не має над кабіною запобіжного броньованого щита, шофер повинний виходити з кабіни і знаходитися на безпечній відстані.
6. Рухомий склад дозволяється завантажувати тільки після сигналу про його готовність під навантаження. Рухомий склад під час навантаження повинний переміщатися тільки по сигналі машиніста екскаватора. Не можна допускати перевантаження і нерівномірне завантаження транспортних засобів.
7. Щоб уникнути ушкодження робочого устаткування платформу екскаватора з наповненим ковшем повертають тільки після висновку ковша з вибою.
8. При роботі зворотною лопатою варто не допускати ударів ковша об стрілу.
9. При перебуванні ковша прямої лопати в крайнім положенні в кабіни машиніста не роблять підйом ковша рухом стріли - це може привести до ушкодження кабіни ковшем.
10. Під час підривних робіт у вибої екскаватор відводять на безпечну відстань і повертають до місця вибуху задньою частиною кабіни, а обслуговуючий персонал зобов'язаний піти в укриття.
11. Перед зупинкою машини стрілу розташовують уздовж осі екскаватора, а ківш опускають на землю.
12. Ківш чистять опущеним на землю з ведена і дозволу машиніста.
13. Знайшовши в ґрунті електричний кабель, підземний трубопровід і т.п. , негайно припиняють роботу і сповіщають про це адміністрацію.
14. При роботі поблизу будинків і споруджень припустима відстань від цих об'єктів до екскаватора встановлює технічне керівництво будівництва. Встановлювати екскаватор і працювати на ньому під проводами діючих ліній електропередач будь-якої напруги забороняється.
15. Забороняється працювати в нічну зміну з несправним електроосвітленням і з неповним заправленням палива, олії і води.
16. Якщо дизель перегрітий, заливну горловину радіатора щоб уникнути опіку відкривають у рукавицях, а особу тримають далі від горловини. Спочатку кришку послабляють, випускають пару і тільки потім знімають неї з горловини.
17. У випадку аварійної обстановки негайно зупиняють двигун: виключають подачу палива.
18. Забороняється залишати працюючий двигун без догляду.
19. Забороняється випускати повітря із системи через з'єднання трубопроводів і через інші елементи гідроприводу, не призначені для цього. Робота гідроприводу в режимах, параметри яких перевищують значення, встановлені інструкцією з експлуатації, не допускається.
20. Щоб уникнути падіння робочого устаткування не можна одночасно включати рукоятку стовпчика керування на опускання стріли і педаль опускання стріли.
При заїданні золотника педалі опускання стріли варто включити рукоятку стовпчика на підйом і включенням повороту платформи вивести ківш із небезпечної зони.
21. Для забезпечення безпечної роботи при копанні котлованів зворотною лопатою необхідно враховувати стан ґрунту (кут природного укосу, в'язкість і ін.) і вибирати глибину і максимальний радіус копання, виходячи з цих умов.
22. При роботі гідромолотом забороняється присутність людей поблизу екскаватора в радіусі до 15 м.
23. Персонал, що передає змінникам машину, зобов'язаний попереджати них про всі несправності екскаватора, замічених під час роботи.
Пересування екскаватора. 1. Стрілу встановлюють строго по осі руху, а ківш опускають на висоту не більш 0,5-0,7 м від землі. При пересуванні екскаватора строго дотримують Правила дорожнього руху.
2. Забороняється пересування екскаватора з наповненим ковшем.
3. Гусеничний екскаватор переміщається веденими колісьми вперед; при подоланні підйомів і полоїв на гусеничні ланки встановлюють шпори.
4. Перехід екскаватора через залізничні переїзди і штучні спорудження (мости, труби) допускається тільки після одержання дозволу від відповідних органів.
5. Через багнисті або заболочені місця екскаватор може переміщатися своїм ходом тільки по заздалегідь покладених шпалах, брусам або щитам.
6. Проїзд екскаватора під лініями високовольтних електропередач дозволяється при дотриманні наступних співвідношень:
Напруга ЛЕП, кв до 1 1-20 35-100 154-220 330 550
Відстань по вертикалі між верхньоюкрапкою екскаватора інайближчим до неї проводом ЛЕП, м 1 2 3 4 5
7. У випадку зупинки на ухилі або підйомі необхідно приймати міри, що виключають рух екскаватора (опустити ківш, при необхідності підкласти иод гусениці упори башмаки).
ПРОТИПОЖЕЖНІ ЗАХОДИ
1. У кабіні машини повинний знаходитися вогнегасник. Без
справного вогнегасника експлуатувати екскаватор забороняється.
2. Паливо і мастильні матеріали зберігають з дотриманням усіх протипожежних правил.
3. Відкриті склади пального повинні знаходитися на відстані не менш 20 м від місця роботи екскаватора.
4. Зберігати в кабіні екскаватора бензин, гас і інші легкозаймисті речовини забороняється.
5. Масляні ганчірки й обтиральні кінці складають у спеціальні залізні шухляди з кришками, у міру наповнення шухляди звільняють.
6. Категорично забороняється підігрівати двигун внутрішнього згоряння узимку відкритим вогнем. Розігрівають двигун, заливаючи в радіатор гарячу воду, а в картер - підігріта олива.
7. Курити при заправленні паливом і мастилами і при контрольному огляді паливних баків і двигуна забороняється.
8. Іспити й експлуатація гідравлічного приводу і пристроїв повинні вироблятися при строгому дотриманні мір протипожежної безпеки.
9. При використанні підігрівника ПДЖ-44 необхідно пам'ятати, що неуважне звертання з ним, а також його несправність можуть служити причиною пожежі. Робота підігрівника без антифризу або води в казані забороняється. Не допускайте підтікання палива в підігрівнику. Під час роботи підігрівника машиніст не повинний відлучатися від машини.
ПЕРЕЛІК ВИКОРИСТАНОЇ ЛІТЕРАТУРИ
1. Полянський С.К. Будівельно-дорожні та вантажопідіймальні машини. – К.: Техніка, 2001. – 624с.
2. Строков О.П. Технічне обслуговування та ремонт вантажних і легкових автомобілів, автобусів. – К.: Грамота, 2005
3. Токаренко В.М. Практикум по устройству, техническому обслуживанию и ремонту автотранспорта. – К.: Урожай, 1989. – 350с.