| Скачать .docx |
Курсовая работа: Механический привод конвейера
СОДЕРЖАНИЕ КУРСОВОГО ПРОЕКТА
ВВЕДЕНИЕ
1 Энергетический и кинематический расчёт привода
1.1 Выбор электродвигателя
2 Расчёт клиноременной передачи.
3 Расчёт зубчатой передачи.
3.1 Выбор материалов и допускаемых напряжений
3.2 Проектный расчёт зубчатой передачи.
3.3 Проверочный расчёт зубчатой передачи
4 Конструирование основных деталей зубчатого редуктора.
4.1 Конструирование валов.
4.2 Расчёт шпонок
4.3 Конструирование зубчатого колеса.
4.4. Компоновка цилиндрического редуктора.
5. Проверочный расчет валов
5.1. Расчет валов на статическую прочность.
5.2. Расчет валов на усталостную прочность
6. Проверка долговечности подшипников
6.1. Определение эквивалентной нагрузки для роликовых подшипников.
ВВЕДЕНИЕ
«Детали машин» являются первым из расчетно-конструкторских курсов, в котором изучают основы проектирования машин и механизмов.
Любая машина (механизм) состоит из деталей, т.е. таких частей машины, которые изготовляют без сборочных операций. В свою очередь детали объединяют в узлы, т.е. законченные сборочные единицы, состоящие из ряда деталей, имеющих общие функциональные назначения.
Среди большого разнообразия деталей и узлов выделяют такие, которые применяют практически во всех машинах (болты, валы и т.д.) и называются деталями общего назначения, и детали, применяющиеся только в одном или нескольких типах машин. Детали общего назначения применяются в очень больших количествах.
При расчете и проектировании деталей машин необходимо учитывать, что детали должны удовлетворять требованиям надежности, чтобы избегать лишних затрат на внеплановый ремонт машины при утрате работоспособности последних, и экономичности. Высокая стоимость ремонта обусловлена значительными затратами ручного высококвалифицированного труда, который нужно механизировать и автоматизировать. Помимо этого деталь должна быть прочной, жесткой, износостойкой, теплостойкой и виброустойчивой, для чего необходимо выполнять отдельные специальные расчеты.
Ответственным этапом проектирования является также выбор материалов деталей машин. При этом учитывают в основном такие факторы как: соответствие свойств материала главному критерию работоспособности (прочность, износостойкость и др.); требования к массе и габаритам детали и машины в целом; соответствие технологических свойств материала конструктивной форме и намечаемому способу обработки детали; стоимость и дефицитность материала.
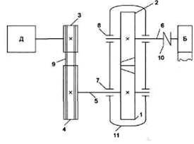
Схема конвейера приведена на рис. 1.

Рис. 1. Схема конвейера
На этой схеме:
Д - двигатель;
Б - приводной барабан;
1 -косозубая шестерня;
2-косозубое колесо;
3-ведущий шкив ременной передачи;
4-ведомый шкив ременной передачи;
5-ведущий вал зубчатого редуктора;
6-ведомый вал зубчатого редуктора;
7-подшипники ведущего вала;
8-подшипники ведомого вала;
9-клиновый ремень;
10-соединительная муфта;
11-корпус редуктора
1. ЭЛЕКТРИЧЕСКИЙ И КИНЕМАТИЧЕСКИЙ РАСЧЁТ
ПРИВОДА
1.1. Выбор электродвигателя
Определим мощность на барабане конвейера:
,
Требуемая мощность электродвигателя с учётом потерь в элементах привода:
,
где
- К.П.Д.
=0,99
0,97 0,962
=0,913.
Мощность электродвигателя:
= 0,95
9,179 = 8,72 кВт .
По полученным результатам и количеству заданных полюсов выбираю электродвигатель 4А132М2УЗ со следующими техническими данными: диаметр вала dB = 38 мм, скольжение S = 2,3%, номинальная мощность Рн = 11 кВт.
1.2. Кинематический расчёт привода
Определим асинхронную частоту вращения электродвигателя:
![]()
где
=3000 об/мин - синхронная частота вращения.
Общее передаточное число привода
разбивают на числа ступенейпривода
. Пусть
= 5, тогда
. Причём
.
Определим частоту вращения валов редуктора:
об/мин - ведущий вал;
- ведомый вал.
Определяем крутящий момент на валах привода.
Для ведомого вала:
,
для ведущего вала:
,
для электродвигателя:
.
2. РАСЧЁТ КЛИНОРЕМЕННОЙ ПЕРЕДАЧИ
Наибольший расчетный момент на ведущем шкиве рассчитывается
,
где Кд - коэффициент динамичности, определяемый в зависимости откоэффициента перегрузки Ктак ;
Ксм - коэффициент режима работы, определяемый в зависимости от числа смен всутки.
Согласно заданию К тах =1.12, число смен в сутки равно 3. Этим даннымсоответствуют К д = 1,47, К см = 0,35. Тогда:
.
В зависимости от максимального крутящего момента выбираем сечение ремня «Б». Этому сечению соответствует минимальный диаметр ведущего шкива dmin = 125 мм, т.е. тот диаметр, при котором напряжения изгиба обеспечивают долговечность ремня на 1000 часов работы. Так как нет никаких дополнительных требований к диаметру шкива, с целью уменьшения ремней и напряжений в них из ряда R40 выбираем расчетный диаметр ведущего шкива d1 на несколько размеров больше.
Так, d1 = 135мм.
Определим диаметр ведомого шкива:
d2
=
=
,
где ир - передаточное отношение ременной передачи.
По стандартному ряду R40 выбираем ближайшее к расчетному значение диаметра ведомого шкива d2 = 500 мм.
Ввиду отсутствия жестких требований к габаритам передачи назначаем минимальное межцентровое расстояние аmin = d2 =500 мм (рис. 2.1).
Определяем требуемую минимальную длину ремня:
![]()
По стандартному ряду длин выбираем длину ремня lр , исходя из условия lp >lmin . Таким образом lр =2500мм. Так как минимальное расчетное и стандартноезначение длины ремня различаются, необходимо уточнить межцентровое расстояние:
а = атт
+ 0,5
(lp
- lmin
) = 500 + 0,5
(2500 - 2064) = 718 мм.
Определим угол охвата ведущего шкива ремнем:
![]()
Определим линейную скорость
,
где пд = 2931 об/мин - асинхронная частота вращения электродвигателя.
Долговечность ремня косвенно оценивают через число пробегов:
![]()
Полезная окружная сила
![]()
где Тэ
= 29,93
- крутящий момент на валу привода электродвигателя.
Требуемое число ремней определяется из соотношения
,
где
- номинальная мощность электродвигателя;
Ро - мощность кВт, передаваемая одним ремнем длиной l0 при стандартных условиях работы в зависимости от скорости ремня vи диаметра ведущего шкива d1 . По скорости v = 20,7м/с приближенно определяем Ро = 3,83 кВт;
Ср = 1 - коэффициент нагрузки, определяется в зависимости от Ктах ;
CL — коэффициент длины ремня, определяется:
![]()
где l0 = 2240 мм - сечение ремня;
Са - коэффициент, учитывающий угол охвата ведущего шкива ремнем,определяется как
= 1-0,15-(
)=0,924,
Ci
1,16 — коэффициент, учитывающий передаточное число ременной передачи, указан в зависимости от ир
;
- коэффициент, учитывающий неравномерность распределения нагрузки между ремнями (т.к. все ремни одинакового размера быть не могут, даже если выбран один тип). Но т.к. оно еще не известно, подсчитаем Z без учета Cz
:
![]()
Округляем до большего целого Z = 4. Этому значению соответствует Сz = 0,9.
Пересчитаем теперь число ремней с учетом этого коэффициента:
![]()
Округляем до большего целого Z = 4.
Определяем силу предварительного натяжения ремня:
![]()
Рассчитаем силу давления на валы (рис. 2.2).
![]()
3. РАСЧЁТ ЗУБЧАТЫХ ПЕРЕДАЧ
3.1. Выбор материалов, термообработки и допускаемых
напряжений
Зубчатые колеса редукторов в основном изготавливают из сталей, подвергнутых термическому или химико-термическому упрочнению. Вид термообработки выбирается в зависимости от номинальной нагрузки на барабан Tб . Для нашего случая целесообразно как вид термообработки использовать закалка ТВЧ.
Выбираем марку стали 40Х и назначаем твёрдость по Бринеллю 460 (НВ):
Определяем допускаемые контактные напряжения.
![]()
где SH = 1,2 - коэффициент запаса прочности;
базовый предел контактнойвыносливости.
КHL - коэффициент долговечности, определяется как

здесь
- базовое число циклов длительного предела контактнойвыносливости, определяется из графика.
NHE — фактическая длина цикла, определяется по формуле:
![]()
п1 = 800 об/мин - частота вращения ведущего вала;
L = 18 тыс. ч. - срок службы редуктора;
l1 - 0,6, l2 = 0,2, l3 = 0,1 - относительная продолжительность нагрузки;
Ктак =1,12 - перегрузка;
- относительные величины нагрузок;
=0,005.
Тогда ![]()
Так как NHO < NHE , то принимаем KHL = 1.
Отсюда
.
Определяем допускаемые контактные напряжения:
![]()
Определяем допускаемые напряжения изгиба:
![]()


![]()
![]()
- частота вращения ведущего вала;
L = 18 тыс. ч. — срок службы редуктора;
l = 0,6, l2 = 0,2, l3 = 0,1 - относительная продолжительность нагрузки;
Кmax = 1,12 - перегрузка;
относительные величины нагрузок;
lm ах = 0,005.
Тогда NFE =60·800·18000·(l,129 ·0,005 + 19 ·0,6 + 0,69 ·0,2 + 0,49 ·0,l)= 5.327·108
Принимаем KFL
= 1, т. к. NFG
NFE
.
Отсюда ![]()
3.2 Проектный расчет цилиндрической зубчатой передачи
Определяем межцентровое расстояние

Ка = 430 для косозубых передач;
T2 - крутящий момент на колесе;
= 787,5 МПа- допускаемые контактные напряжения,
=5
= 0,3 для косозубых колес
![]()
По графику находим
= 1.1
![]()
Принимаем aw = 140 мм
Назначаем модуль зацепления тп = 4
Назначаем угол наклона зубьев
= 15
Определяем суммарное число зубьев шестерни и колеса:
![]()
Округляем:
69
Уточняем угол наклона:
,
;
Определяем число зубьев шестерни:

Уточняем передаточное число:
![]()
Определяем минимальное число зубьев, которое можно нарезать без смещения:
![]()
![]()
Принимаем Х1 = 0,45
![]()
Определяем начальные (делительные) диаметры зубчатых колес и шестерни:
для шестерни ![]()
для зубчатого колеса ![]()
Проверка: ![]()
Диаметры окружностей выступов:
для шестерни
;
для зубчатого колеса
.
Диаметры окружностей впадин:
для шестерни
;
для зубчатого колеса
.
Определим ширину шестерни и зубчатого колеса:
![]()
Округляем в большую сторону по стандартному ряду R40: b2
=45мм. Тогда
.
Определим окружную скорость:
![]()
Определяем степень точности зубчатых колес, но при v< 4 принимаем степень точности 8.
Определяем силы в зацеплении шестерни и колеса:
окружные силы
;
радиальные силы
;
осевые силы ![]()
3.3. Проверочный расчёт зубчатой передачи
Фактические контактные напряжения будут равны

где Zm = 275 — коэффициент, учитывающий свойства материала для колес из стали;
Zн
=
коэффициент, учитывающий формусопряженных поверхностей зубьев;
- для косозубых колес - коэффициент, учитывающий суммарную длину контактных линий;
- коэффициент торцевого перекрытия,
![]()
тогда
;
Кна = 1,09 - коэффициент неравномерности распределения нагрузки междузубьями;
Кн v =1,01 - коэффициент динамической нагрузки;
=1,13 - коэффициент неравномерности распределения нагрузки по ширине зуба.
![]()
<![]()
![]()
Проверку зубьев на выносливость при изгибе начинают с определения коэффициента формы зуба
шестерни и колеса в зависимости от эквивалентных чисел зубьев:
![]()
![]()
Тогда ![]()
Фактическое напряжение изгиба определяют по формуле:
,
где
=1,01 – динамичность нагрузки;
=1,13 – неравномерность распределения нагрузки по ширине зуба;
=1,09 – неравномерность распределения нагрузок между зубьями;
- угол наклона зубьев.
Тогда
![]()
![]()
4. КОНСТРУИРОВАНИЕ ОСНОВНЫХ ДЕТАЛЕЙ ЗУБЧАТОГО
РЕДУКТОРА
4.1. Конструирование валов
4.1.1. Ведущий вал
Ориентировочно определяют диаметр хвостовика вала из расчёта на кручение:
![]()
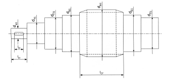
Эскиз ведущего вала представлен на рис.4.1.

Рис. 4.1. Эскиз ведущего вала редуктора
Для удобства монтажа деталей, располагаемых на валу, вал выполняют ступенчатым, причем диаметры ступеней выбирают из конструктивных соображений.
Назначают диаметры под уплотнение:
![]()
По диаметру под уплотнение можно выбрать манжеты: ГОСТ 8752-79. Размеры: d= 30 мм , D = 52 мм , h =10 мм
Диаметры под подшипники качения, причем при
20мм dП1
должен быть кратным 5:
![]()
диаметры под зубчатое колесо:
![]()
диаметры упорных буртиков:
![]()
После определения диаметра под подшипники можно выбрать сам подшипник: ГОСТ 831-75 легкая серия, обозначение 36207, ![]()
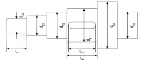
4.1.2. Ведомый вал
Для ведомого вала определяем те же величины, что и для ведущего. Определяют диаметр хвостовика вала из расчёта на кручение:
![]()
Теперь определим крутящий момент муфты в зависимости от крутящего момента на валу:
![]()
По величине крутящего момента и по диаметру хвостовика выбираем муфту М12 с размерами: 
Эскиз ведомого вала представлен на рис.4.2.

Рис. 4.2. Эскиз ведомого вала редуктора
Для удобства монтажа деталей, располагаемых на валу, вал выполняют ступенчатым, причем диаметры ступеней выбирают из конструктивных соображений.
Назначают диаметры под уплотнение:
![]()
По диаметру под уплотнение можно выбрать манжеты: ГОСТ 8752-79. Размеры: ![]()
диаметр под подшипники качения, причем при
должен бытькратным 5:
![]()
После определения диаметра под подшипники можно выбрать сам подшипник: ГОСТ 831-75 легкая серия, обозначение 36210, ![]()
диаметр под зубчатое колесо:
![]()
диаметр упорных буртиков:
![]()
4.2. Расчет шпонок
4.2.1. Ведущий вал
Шпоночные соединения применяются для передачи крутящих моментов. Шпонки устанавливаются на хвостовиках валов и под ступицы зубчатых колес. Габариты шпонки выбирают в зависимости от диаметра хвостовика:
. Длина шпонки определяется из расчета насмятие:
![]()
где
- допускаемые напряжения смятия, МПа.
Общая длина шпонки:
![]()
Стандартную длину шпонки выбирают из ряда стандартных значений. Таким образом ![]()
4.2.1. Ведомый вал
Для ведомого вала расчет такой же, как и для ведущего. Габариты шпонки выбирают в зависимости от диаметра колеса:
Длина шпонки:
![]()
Общая длина шпонки:
![]()
Стандартную длину шпонки выбирают из ряда стандартных значений. Таким образом
.
4.3 Конструирование зубчатых колес
У цилиндрических зубчатых колес высота головки зуба ha
= m =4, высотаножки
, высота зуба
.
Диаметры вершин и впадин зубьев колеса и шестерни:

начальный делительный диаметр зубчатого колеса и шестерни:
![]()
Определим расстояние к до шпоночного паза шестерни
![]()
Т. к.
, то шестерню изготавливают в виде одной детали с ведущим валом.
Диаметр ступицы колеса
.
Длинна ступицы
l
, но не менее чем длинна соответствующей шпонки. Толщина обода колеса
, но не менее 8 мм. Толщина диска колеса
, но не менее 8 мм. Диаметр центровой окружности
.
Диаметр отверстий ![]()
4.4. Компоновка цилиндрического редуктора
Последовательность действий при выполнении компоновки следующая:
1. Откладывается межцентровое расстояние между зубчатым колесом и шестерней aw =140мм и намечаются оси колес.
2. Откладываются диаметры начальных окружностей шестерни и колеса dW 1 и dW 2 .
3. Откладывается ширина зубчатого колеса в2 шестерни в1 .
4. Определяют толщину стенки корпуса редуктора
, принимаем
= 10. Толщина крышки корпуса
= 10 мм.
5. Откладывают зазоры между стенками корпуса и торцами шестерни,
, расстояние от оси зубчатого колеса до стенки корпуса
и намечаем внутреннюю стенку корпуса.
Наружную стенку корпуса намечаем на расстоянии
от внутренней стенки корпуса.
6. Находят диаметры болтов крепления фланцев и крышки редуктора
, но если это значение получается менее 10 мм, то принимают
. Назначают ширину фланца
и откладывают это значение от внешней стенки корпуса редуктора.
7. На расстоянии Х2 = 6 мм от внутренней стенки корпуса симметрично относительно осей колес устанавливают выбранные подшипники качения, габариты которых известны.
8. На расстоянии Х3 =15мм от внешнего торца располагают хвостовики валов,диаметры которых известны.
Положение точек приложения сил к валу определяется следующим образом. Точки а3 и а7 находятся на оси вала в центрах зубчатого колеса и шестерни. Точки а2 , а4 ,а6 и а8 приложения опорных реакций при использовании радиальных и радиально-упорных шариковых подшипников находятся на оси вала в центрах подшипников. Точка а5 прикладывается к концу хвостовика ведомого вала, а точка а1 располагается на расстоянии В/2 от конца хвостовика ведущего вала.
5. ПРОВЕРОЧНЫЙ РАСЧЕТ ВАЛОВ
5.1. Расчет валов на статическую прочность
5.1.1. Ведущий вал
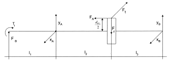
При расчете валов на статическую прочность необходимо составить расчетную схему вала, определить неизвестные опорные реакции, построить эпюры изгибающих и крутящих моментов, найти опасные сечения и определить фактические напряжения, возникающие в опасных сечениях. Внешними нагрузками, действующими на валы, являются:
1. крутящие моменты
и
, (Н
м)
2. сила давления на вал от ременной передачи
, (Н)
3. сила от зубчатой передачи Ft ,Fr ,Fa , (H)
4. сила давления муфты FM , (Н).
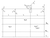
На рис.5.1. и 5.2. показаны схема ведущего вала и эпюры моментов в соответствии со схемой задания.

Рис.5.1. Схема нагружения ведущего вала редуктора
На расчетной схемах в горизонтальной плоскости XZдействуют сила Ft
и опорные реакции ХА
,ХВ
, в вертикальной плоскости YZ -
, Fr
,Fa
и опорные реакции YA
,YB
. Для определения опорных реакций при решении имеем 6 уравнений статики. Сумма моментов относительно опор в горизонтальной и вертикальной плоскости равна нулю и сумма сил на оси X и Y равна нулю. Причем
![]()
Определим опорные реакции в горизонтальной плоскости XZ:
![]()
В плоскости YZ:
![]()

![]()

Проверка:
![]()
Если при решении полученных уравнений результат получился с отрицательным знаком, то на расчетной схеме направление соответствующей реакции необходимо поменять на противоположное.

С учетом этого построим эпюры изгибающих и крутящих моментов:

Рис.5.2. Схема нагружения и эпюры ведущего вала редуктора.
Опасными сечениями вала могут быть сечение (1) или (2).рассмотрим каждое сечение в отдельности.
Сечение (1):
изгибающий момент:
;
эквивалентный момент:
;
предел текучести материала вала:
МПа;
эквивалентное напряжение в опасном сечении:
.
Сечение (2):
изгибающий момент:
;
эквивалентный момент:
;
эквивалентное напряжение в опасном сечении: ![]()
сравнив
, получим, что опасное сечение находится в точке (2) так как
.
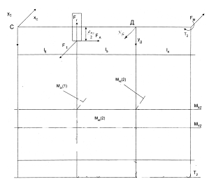
5.1.2 Ведомый вал
На рисунках 5.3 и 5.4 показаны схема ведомого вала и эпюры моментов в соответствии со схемой задания.

Рис. 5.3. Схема нагружения ведомого вала редуктора
- сила давления муфты.
Определим опорные реакции в горизонтальной плоскости XZ:
![]()
![]()
![]()
![]()
В плоскости YZ:
![]()

![]()

Проверка: ![]()
![]()
![]()
![]()

С учетом этого построим эпюры изгибающих и крутящих моментов:

Рис .5.4. Схема нагружения и эпюры ведомого вала.
Опасными сечениями вала могут быть сечения (1) или (2), рассмотрим каждое сечение в отдельности.
Сечение (1):
изгибающий момент:
.
эквивалентный момент:
.
предел текучести материала вала:
.
эквивалентное напряжение в опасном сечении:
.
Сечение (2):
изгибающий момент
.
эквивалентный момент:
.
эквивалентное напряжение в опасном сечении:
.
Сравнив
, получим, что опасное сечение находится в точке (2), так как
.
5.2. Расчет валов на усталостную прочность
5.2.1. ведущий вал
Коэффициент запаса прочности вала в опасном сечении определяют:
![]()
где,
- коэффициент запаса прочности по нормальным напряжениям;
- коэффициент запаса прочности по касательным напряжениям;
Определим коэффициент запаса прочности по нормальным напряжениям
:

где,
- предел выносливости материала для легированных сталей;
- амплитуда напряжений в рассматриваемом опасном сечении;
- среднее напряжение в опасном сечении;
- коэффициент ассиметрии цикла;
- коэффициент концентрации нормальных напряжений;
- масштабный коэффициент;
- коэффициент, учитывающий чистоту обработки поверхности вала.
Тогда
.
Определим коэффициент запаса прочности по касательным напряжениям
:

где,
- предел выносливости материала вала;
;
- коэффициент централизации касательных напряжений;
- масштабный коэффициент;
- коэффициент ассиметрии цикла;
.
Таким образом, 
Тогда 
5.2.2. Ведомый вал
Опасное сечение ведомого вала располагается в точке (2), диаметр вала в заданном сечении
.
Определим коэффициент запаса прочности по нормальным напряжениям
:

где,
- предел выносливости материала для легированных сталей;
- амплитуда напряжений в рассматриваемом опасном сечении;
- среднее напряжение в опасном сечении;
- коэффициент ассиметрии цикла;
- коэффициент концентрации нормальных напряжений;
- масштабный коэффициент;
- коэффициент, учитывающий чистоту обработки поверхности вала.
Тогда
.
Определим коэффициент запаса прочности по касательным напряжениям
:

где,
- предел выносливости материала вала;
;
- коэффициент централизации касательных напряжений;
- масштабный коэффициент;
- коэффициент ассиметрии цикла;
.
Таким образом,
.
Тогда
.
6. ПРОВЕРКА ДОЛГОВЕЧНОСТИ ПОДШИПНИКОВ
6.1. Определение эквивалентной нагрузки для роликовых
подшипников
6.1.1. Ведущий вал

Определим радиальный силы в опорах:

Определяем дополнительные осевые нагрузки:
![]()
Значение
приведены в таблице П30
![]()
Результирующие осевые нагрузки действующие на подшипники
, определяем с учетом осевой силы
, при этом должны выполниться условия:
![]()
составляем уравнение равновесия
, используя одно из условий 1) или 2).
Используя условие 1)
. Тогда:
![]()
Условие 2) выполняется – расчет произведен, верно.
Определим эквивалентные нагрузки, действующие на подшипники:
![]()
Коэффициент
определяется по формуле:
![]()
По циклограмме определяем значение коэффициента перегрузки К и значения относительной продолжительности нагрузки
:

Рассчитаем значение
:
![]()
Значение температурного коэффициента принимаем:
![]()
А значение коэффициента нагрузки берем из таблицы П27:
![]()
![]()
Чтобы выбрать параметры Х и Y, нужно проверить два условия:

условие не выполняется, то:
Х=0,45, Y=1.46 – выбираются по таблице П30:
![]()
Долговечность подшипников в млн. об.:

где, С=23500 – определяется по таблице П21
q = 3
![]()
![]()
Долговечность подшипника в часах:
![]()
6.1.2. Ведомый вал

Определим радиальный силы в опорах:

Определяем дополнительные осевые нагрузки:
![]()
Значение
приведены в таблице П30
![]()
Результирующие осевые нагрузки действующие на подшипники
, определяем с учетом осевой силы
, при этом должны выполниться условия:
![]()
составляем уравнение равновесия
, используя одно из условий 1) или 2).
Используя условие 1)
. Тогда:
![]()
Условие 2) выполняется – расчет произведен, верно.
Определим эквивалентные нагрузки, действующие на подшипники:
![]()
Коэффициент
определяется по формуле:
![]()
По циклограмме определяем значение коэффициента перегрузки К и значения относительной продолжительности нагрузки
:

Рассчитаем значение
:
![]()
Значение температурного коэффициента принимаем:
![]()
А значение коэффициента нагрузки берем из таблицы П27:
![]()
![]()
Чтобы выбрать параметры Х и Y, нужно проверить два условия:

условие не выполняется, то:
Х=0,45, Y=1.62 – выбираются по таблице П30:
![]()
Долговечность подшипников в млн. об.:

где, С=41900 – определяется по таблице П21
q = 3
![]()
![]()
Долговечность подшипника в часах:
![]()