| Похожие рефераты | Скачать .docx |
Курсовая работа: Кондиционирование воздуха в пассажирских вагонах
МПС РФ
Уральский государственный университет
путей сообщения
Кафедра «Вагоны»
"ПАССАЖИРСКИЙ МЯГКИЙ КУПИРОВАННЫЙ ВАГОН"
к курсовой работе по дисциплине
«Холодильное оборудование вагонов и кондиционирование воздуха»
Екатеринбург, 200 1
Введение
Основные задачи транспорта – своевременное, качественное и полное удовлетворение потребностей народного хозяйства и населения в перевозках, повышение экономической эффективности его работы.
Установки кондиционирования воздуха, применяемые на пассажирских вагонах имеют большую массу. Это связано с тем, что одна часть аппаратов расположена под рамой вагона, другая в потолочном пространстве, а это требует большого количества трубопроводов для соединения этих частей. Так же все холодильные установки в пассажирских вагонах с кондиционированием воздуха обладают недостаточно высокими технико-экономическими показателями.
Для совершенствования установок кондиционирования воздуха необходимо работать над путями снижения массы, улучшения условий ремонта и содержания, решать задачи по применению плавного регулирования и автоматического поддержания постоянной температуры воздуха в вагоне, улучшению герметичности системы. Дальнейшее развитие техники, получение необходимых температурно-влажностных условий в вагонах направлено на совершенствование конструкции холодильных машин, приборов отопления и повышение теплотехнических характеристик кузова вагона.
В связи с электрификацией многих участков железных дорог созданы условия для широкого применения электрического отопления пассажирских вагонов и централизованного электроснабжения установок кондиционирования воздуха и других электропотребителей. Это позволяет улучшить не только комфортные условия для пассажиров, но и уменьшить затраты человеческого труда на обслуживание оборудования вагонов.
1. Состояние вопроса по системам кондиционирования воздуха
В настоящее время все холодильные установки в пассажирских вагонах с кондиционированием воздуха, имеющие подвагонную компоновку, обладают недостаточно высокими технико-экономическими показателями.
Основные недостатки:
· большие масса и габариты;
· значительный расход электроэнергии;
· недостаточная надежность и долговечность;
· трудность обеспечения полной герметизации системы из-за разбросанности агрегатов и длинных трубопроводов с большим количеством разъемов.
Снижение массы холодильных установок можно осуществлять за счет интенсификации теплообмена и соответствующего уменьшения поверхности аппаратов, как наиболее тяжелой части холодильных установок.
Применение плавного регулирования холодопроизводительности и автоматического поддержания стабильной температуры воздуха в вагоне можно осуществлять путем поочередного включения цилиндров компрессора. Такой способ регулирования, несомненно, прогрессивен, так как благодаря этому сводится к минимуму количество пусков и остановок компрессора и обеспечивается более устойчивая температура в вагоне. Примером установки с широким диапазоном регулирования является установка фирмы «Стоун» холодопроизводительностью – 31.4 кВт.
Весьма целесообразно изменять температуру воздуха по желанию пассажиров отдельно в каждом купе. В вагонах поездов «Рейнгольд» эксплуатируемых с 1962 г. в ФРГ, применены аппараты «Жетэйр» устанавливаемые в каждом купе. В них происходит вторичная тепловая обработка воздуха, поступившего из нагнетательного воздуховода, и пассажиры могут сами устанавливать в купе желаемую температуру.
Улучшение технико-экономических показателей вагонных холодильных установок может быть достигнуто за счет повышения частоты вращения коленчатого вала компрессора, например, до 3000 об/мин.
Улучшение герметичности системы является одним из наиболее существенных факторов, влияющих на надежность работы холодильной установки.
Первым шагом по улучшению герметичности системы было создание полугерметичных компрессоров, смонтированных в одном корпусе с бесколлекторным электродвигателем переменного тока (например, компрессор ФУБС 15) Полностью же герметичную систему можно создать только при агрегатировании установки, т.е. применении автономного кондиционера с питанием переменным током.
Автономный кондиционер представляет собой единый агрегат отдельные части которого соединены с помощью сварки. Это позволяет ликвидировать один из основных недостатков подвагонных установок, имеющих фланцевые и резьбовые соединения.
Агрегат удобен в обслуживании, легко монтируется на вагоне и при необходимости может быть быстро заменен другим не только на пунктах оборота поезда, но и во время его стоянок.
Автономные кондиционеры появились на транспорте около двадцати лет назад, но уже сейчас находят широкое применение во многих странах.
Кондиционеры, работающие в цикле теплового насоса, весьма экономичны и целесообразны для применения на железнодорожном транспорте. Они могут обеспечить не только охлаждение воздуха, но и подогрев без применения специальных подогревателей путем реверсирования в холодильной системе направление потока хладагента в зависимости от наружных температурных условий.
Применение теплового насоса позволяет значительно расширить возможности использования установок кондиционирования воздуха. В южных направлениях с умеренным климатом, где температура воздуха бывает -5 градусов даже в зимнее время года, такая установка может обеспечить круглогодичное кондиционирование воздуха, не нуждаясь в дополнительном применении приборов системы отопления.
При более холодном климате может потребоваться добавочный подогрев воздуха приборами отопления. И лишь при сильных морозах такая установка оказывается экономически невыгодной.
Таблица 1.1 – Техническая характеристика
Характеристика установки кондиционирования воздуха |
Мягкий с двух и четырехместными купе | мягко-жесткий с четырехместными купе («Микст ») |
жесткий с четырехместными купе |
| Завод-изготовитель | Им. Егорова | Им. Вильгельма Пика (ВНР) | В г. Аммендорфе (ГДР) |
| Система электроснабжения | Индивид. | Индивид. | Смешанная |
| Ток и номинальное напряжение | Постоянный 110В | Постоянный 110В | Постоянный 110В Переменный 300В |
| Мощность генератора, кВт. | 26 | 26 | 28 |
| Емкость аккумуляторной батареи, А×ч. | 400 | 390 | 300 |
| Отопление | Водяное | Смешанное | Смешанное |
| Теплопроизводительность котла, кВт (ккал/ч.) | 38 (33000) | 38 (33000) | 46 (40000) |
| Мощность электропечей, кВт | – | 5 | 20 (300В) |
| Мощность электрокалориферов, кВт. | 16 | 5 | 6 (110В) |
| Количество подаваемого воздуха, м3 /ч. | 5000/3000/2000 | 3200 | 5000/4000 |
| Тип холодильной установки | КЖ‑25П | «СТОУН-КЭРРИЕР» | МАВ-II |
| Холодопроизводительность установки, кВт (ккал/ч.) | 29 (25000) | 25 (21000) | 31 (27000) |
| Тип компрессора | ФУ‑15 | 5F‑40 | «5» |
| Число цилиндров, шт. | 4 | 4 | 4 |
| Диаметр цилиндров, мм. | 76 | 63.3 | 80 |
| Ход поршня, мм. | 40 | 50 | 58 |
| Характеристика установки кондиционирования воздуха | Мягкий с двух и четырехместными купе | мягко-жесткий с четырехместными купе («Микст ») | жесткий с четырехместными купе |
| Частота вращения вала компрессора, 1/сек. (об/мин) | 20 (1200) | 26 (1560) | 24 (1410) |
| Количество ступеней и способ регулирования холодопроизводительности | Три ступени, изменением частоты вращения вала | Четыре ступени, отжатие клапанов | Три ступени, отжатие клапанов |
| Установленная суммарная мощность электродвигателя холодильной установки (без вагонного вентилятора), кВт. | 13,2 | 10,6 | 14,7 |
| Масса холодильной установки, т. | 1,43 | 1,30 | 1,41 |
| Удельный расход мощности, кВт./1000 ккал/ч. | 0,44 | 0,50 | 0,60 |
| Удельная масса, кг/1000 ккал/ч. | 57,5 | 62 | 52,2 |
2. Разработка конструкции теплоизоляционных ограждений и определение расчетной площади и расчетного коэффициента теплопередачи ограждения кузова вагона
2.1 Определение расчетной площади ограждения кузова вагона
Расчетная площадь теплопередающей поверхности кузова определяется по формуле
, м2
/3, с. 31/
где
и
соответственно, наружная и внутренняя площади поверхностей ограждения.
Рассчитаем площадь наружной поверхности
1) Площадь пола: ![]()
2) Площадь боковых стен: ![]()
3) Площадь торцовых стен: ![]()
4) Площадь крыши:
/5, с. 49/
![]()
5) Площадь больших окон:
,
где
длина окна /4, с. 386/;
ширина окна /4, с. 386/;
количество окон /4, с. 386/
6) Площадь малых окон:
,
где
;
;
/4, с. 386/
![]()
Рассчитаем площадь внутренней поверхности
1)
;
2)
;
3)
;
4)
;
Тогда
;
(без площади окон).
Общая площадь кузова вагона: ![]()
2.2 Определение расчетного коэффициента теплопередачи ограждения кузова вагона
Определение приведенного коэффициента теплопередачи будем вести по формуле:
, /3, с. 28/
где
коэффициент теплопередачи.
, Вт/м2
×К /3, с. 24/
где
коэффициент теплоотдачи от наружной поверхности стенки к наружному воздуху (или от наружного воздуха к поверхности стенки), Вт/(м2
×К);
коэффициент теплоотдачи от воздуха к внутренней поверхности стенки (или наоборот), Вт/(м2
×К).
Таблица 2.1 – Характеристики материалов теплоизолирующих поверхностей элементов ограждения кузова вагона /3, с. 86/
Материал |
Позиция | Толщина однородного слоя |
Коэффициент слоя материала |
Площадь |
|||
I . Крыша: Стальная обшива Мастика Мипора Пленка Фанерная обшивка |
1 2 3 4 5 |
0,002 0,001 0,074 0,005 0,005 |
58,0 0,23 0,027 0,35 0,35 |
|
|||
II . Боковые и торцовые стены: Фанера ДВП Пенополеуретан Мастика Стальная обшива |
1 2 3 4 5 |
0,004 0,02 0,063 0,001 0,002 |
0,25 0,055 0,035 0,23 58,0 |
![]() |
|||
III . Пол: Линолеум ДВП Пенополеуретан Сталь |
1 2 3 4 |
0,003 0,02 0,088 0,002 |
0,16 0,055 0,035 58,0 |
|
|||
IV . Окна: Стекло Воздух Стекло |
1 2 3 |
0,004 0,08 0,004 |
0,65 0,02 0,65 |
|
|||
I. Ограждение крыши, мм:

II. Боковые и торцовые стены, мм:

III. Пол, мм:

IV. Окна, мм:

Рисунок 2.1¾Сечения теплопередающих поверхностей:
1¾ стальная обшива; 2¾ пластик; 3¾ пенополиуретан; 4¾ ДВП; 5¾ павинол; 6¾ мастика; 7¾мипора; 8¾ пленка; 9¾ фанера; 10¾ линолеум; 11¾ стекло; 12¾воздух.
Найдем коэффициенты теплопередачи:
I. Крыша:

/1, с. 30/;
/1, с. 31/.
II. Боковая и торцовая стены:

III. Пол:

IV. Окна:
V.

Определим приведенный коэффициент теплопередачи ограждения кузова вагона

,
где
для пассажирских вагонов /6, с. 15/.
Учитывая увеличение коэффициента в процессе эксплуатации из-за «старения» изоляции и увлажнения, получим:
,
где
для пассажирских вагонов /6, с. 15/.
, /1, с. 34/
отвечает требованиям ГОСТ12406–66.
3. Теплотехнический расчет вагона в летнее время
Расчет теплопритоков в вагоне в летнее время производится для определения производительности системы охлаждения.
Общий теплоприток в вагон
определяется по следующей формуле /1, с. 47/:
,
где
теплоприток в вагон поступающий через ограждение кузова в следствии перепада температур воздуха снаружи и внутри вагона, кВт;
теплоприток от инфильтрации воздуха, кВт;
теплоприток от солнечной радиации, кВт;
теплоприток от тепловыделения пассажиров, кВт;
тепловыделение работающего в вагоне оборудования, кВт;
приток наружного воздуха, подаваемого в вагон вентиляцией, кВт.
Находим каждый вид теплопритоков:
, /1, с. 43/
где ![]()
наружная температура воздуха летом (по заданию);
температура воздуха в вагоне.
Принимаем
.
![]()
Теплоприток от инфильтрации:
, /1, с. 43/
где
числовой коэффициент.
![]()
Теплоприток от солнечной радиации через непрозрачные ограждения:
/1, с. 44/
Через прозрачные ограждения:
,
где А – коэффициент теплопоглащения, зависит от состояния поверхности, рода материала и цвета.
Акр =0,5 – для крыши; Аст =0,7 – для стен /1, с. 44/
Кпр – коэффициент пропускания лучей окнами
Кпр =0,48 /1, с. 44/; Ккр =1,3Вт/(м2 ×К); Кст =1,4Вт/(м2 ×К);
I – интенсивность солнечной радиации /1, с. 45/:
· для горизонтальных поверхностей: Iг =950Вт/м2 ;
· для вертикальных поверхностей: Iв =540Вт/м2 .
Теплоприток через крышу:
Qкр =(950×0,5×1,3×81,5)/67=751Вт /1, с. 45/
Через стены:
Qст. =(540×0,7×1,4×46,2)/67=365Вт /1, с. 45/
Через окна:
Qо =540×0,48×9,15=2372Вт /1, с. 45/
Суммарный теплоприток от солнечной радиации:
Q3 =Qкр +Qст. +Qо /1, с. 45/
Q3 =751+365+2372=3488Вт»3,49кВт
Тепловыделение пассажиров:
Q4 =q×n, /1, с. 45/
где q=115Вт – суммарное тепло, выделяемое одним пассажиром
/1, с. 13/;
n=23 – число пассажиров.
Q4 =115×23=3680Вт=2,65кВт
Тепловыделение работающего в вагоне оборудования равно суммарной мощности постоянных потребителей:
Q5 =1,7+0,4=2,1кВт, /1, с. 46/
где 1,7кВт – мощность электродвигателя вентилятора;
0,4кВт – мощность регулирующей аппаратуры.
Теплоприток от подаваемого в вагон наружного воздуха:
Q6 =G×g×(iн -iв ) /1, с. 46/
где g =1,2 кг/м3 – плотность воздуха /1, с. 46/;
G=0,4м3 /с – объем подаваемого воздуха.
По диаграмме i-d определим /3, с. 10/:
· для
и j=65% Þiн
=71кДж/кг;
· для
и j=55% Þiв
=48кДж/кг.
Q6 =0,4×1,2×(71–48)=11,04кВт
Общий теплоприток в вагон, и следовательно, холодопроизводительность холодильной установки составят:
Qобщ. =1,5+0,45+3,49+2,65+2,1+11,04=21,23кВт
Вывод: применяемая на вагоне холодильная установка, с холодопроизводительностью 29кВт, КЖ‑25П удовлетворяет условиям.
4. Построение процесса обработки воздуха в системе кондиционирования в летний период
Основные параметры:
т. Н
;
т. В
;
т. С. Смесь Н и В
;
т. М – мультивент
;
т. П- у поверхности ИВО
.
Определим тепловлажностные отношения /2, с. 116/:
eтепло. =åQi /åWi , кДж/кг
где åQi – теплоизбытки в салоне вагона, складываются из следующих теплопритоков: теплоприток через ограждение кузова, от солнечной радиации, от инфильтрации, от работающего оборудования, расположенного в вагоне, от пассажиров;
åQi =1,5+0,45+3,49+2,65+2,1=10,19кВт
åWi =Wпасс. +Wинф. – влага и теплопритоки, которые поступают с инфильтрационным воздухом, а также выделяются пассажирами.
Wинф. =Gинф. ×(dН -dВ )×10-3 ,
где Gинф =(0,0417¸0,1111) кг/с – количество инфильтрационного воздуха;
dН и dВ – с диаграммы (влагосодержание).
Wинф =0,1×(16,5–10)×10-3 =0,65×10-3 кг/с
Wпасс. =qпасс. ×n,
где n=23 – число пассажиров;
qпасс. =2,7×10-6 – количество влаги выделяемое одним пассажиром летом.
Wпасс. =23×2,7×10-6 =0,062×10-3 кг/с
Тогда Wi =0,65×10-3 +0,062×10-3 =0,71×10-3 кг/с;
eтепло. =10,19/0,71×10-3 =14310кДж/кг.
Мощность испарителя-воздухоохладителя определяем по следующей формуле:
QИВО =G×(iС - iМ ), кВт
где G – общий расход воздуха, кг/с;
iС иiМ –соответственно, энтальпии точек С и М, кДж/кг;
G=25×n=25×23=575м3 /ч,
где 25м3 /ч – количество наружного воздуха на одного пассажира
/2, с. 117/;
n=23 – количество пассажиров.
QИВО =575×(57–42)=8625 Вт=8,6 кВт
В мягком вагоне с двух- и четырехместными купе постройки завода им. Егорова были осуществлены некоторые новые для отечественного вагоностроения конструктивные решения. В частности, изменено расположение вентиляционного агрегата, впервые опробована новая холодильная установка типа КЖ‑25П, широко использованы синтетические материалы и алюминиевые сплавы. Вагон длиной 23,6 м рассчитан на перевозку 24 пассажиров в четырех двухместных и четырех четырехместных купе. В вагоне имеется два туалета, из которых один оборудован душевым устройством. Основное освещение осуществляется люминесцентными лампами на 220 В с питанием через машинный преобразователь. В вагоне применено горячее и холодное водоснабжение, предусмотрен электрообогрев головок наливных труб, имеются электрокипятильник и охладитель питьевой воды.
Система кондиционирования воздуха состоит из систем вентиляции, водяного отопления, электрического подогрева вентилирующего воздуха и охлаждения. Управление работой агрегатов автоматизировано.
Система вентиляции этого вагона существенно отличается от подобных систем вагонов других типов тем, что вентиляционный агрегат в ней расположен не со стороны служебного помещения, а с противоположной, некотловой стороны вагона. Это обеспечивает ряд преимуществ: удаление наружных жалюзи от дымовой трубы котла; облегчение доступа к вентилятору, воздухоохладителю, калориферу и фильтрам; возможность увеличения живого сечения рециркуляционного канала; улучшение условий монтажа, эксплуатации и ремонта оборудования. Вентилятор снабжен приводным электродвигателем постоянного тока мощностью 1,5 кВт.
Воздух подается в купе вагона из нагнетательного воздуховода через щелевые воздухораспределительные решетки, расположенные у потолка купе вдоль поперечных перегородок так, что встречные потоки воздуха, выходя из перфорированных панелей, резко уменьшают свои скорости. Из купе воздух выходит в коридор через решетки в продольной перегородке, расположенные под диванами. Рециркуляционный воздух засасывается из вагона вентилятором через решетку в потолке большого коридора с некотловой стороны вагона, а наружный воздух – через жалюзи на боковой стене вагона со стороны рециркуляционной решетки. За жалюзи установлена Заслонка, Которой можно регулировать количество засасываемого наружного воздуха, изменяя живое сечение решетки. Из вагона воздух удаляется в основном через дефлекторы в туалетах.
Система вентиляции имеет три ступени регулирования производительности, что достигается изменением частоты вращения вала электродвигателя вентилятора.
При работе системы кондиционирования воздуха в летнем режиме используются две скорости вращения колеса вентилятора: высокая при работе системы охлаждения и средняя при работе системы электроподогрева. При работе установки в зимнем режиме, когда действует водяное отопление, также используются две скорости: средняя и низкая.
Количество подаваемого в вагон воздуха при работе системы вентиляции на высокой скорости составляет 5000 м3 /ч, на средней – 3000 м3 /ч и на низкой – 2200 м3 /ч. Во время стоянок поезда при питании электродвигателя от аккумуляторной батареи количество подаваемого воздуха снижается.
Система отопления вагона имеет верхнюю разводку труб от типового котла с совмещенным прямоугольным расширителем. С купейной стороны вагона проложены две гладкие обогревательные трубы, а с коридорной – одна труба с ребрами в зоне оконных проемов.
Подогрев воздуха, подаваемого в вагон в зимнее и переходное время года, производится трубчатым электрокалорифером мощностью 16 кВт, расположенным в канале системы вентиляции. Электрокалорифер состоит из двух секций, которые могут включаться при питании от генератора напряжением 145 В обе одновременно или только одна секция мощностью 9,5 кВт. При питании от аккумуляторной батареи может включаться лишь одна, меньшая по мощности секция.
В более поздней модификации этого вагона для подогрева воздуха, кроме электрокалорифера, применен калорифер водяного отопления мощностью 13 кВт. В этом случае использован односекционный электрокалорифер мощностью 4 кВт.
5. Описание конструкции и работы системы охлаждения
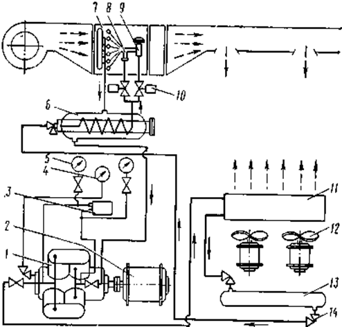
Система охлаждения оборудована холодильной установкой типа КЖ‑25П с номинальной холодопроизводительностью 29кВт. Установка объединяет три основных агрегата: компрессорный и конденсаторный, расположенные под рамой вагона, и испаритель-воздухоохладитель, вмонтированный в канал системы вентиляции. Все агрегаты соединены между собой медными трубами, часть труб покрыта изоляцией. На щите приборов контроля за работой установки, мановакууметр и манометр, масляный манометр и реле давления.
Компрессорный агрегат объединяет компрессор ФУ15 и электродвигатель постоянного тока мощностью 12,5кВт при напряжении 135В.
Конденсаторный агрегат состоит из: конденсатора, изготовленного из медных труб с насаженными на них дюраллюминевыми ребрами, ресивера и двух вентиляторов для охлаждения компрессора.
Воздухоохладитель представляет собой трубчатую оребренную батарею. Жидкий хладагент поступает в регулирующее устройство и через распределитель расходится по трубам воздухоохладителя. Испарившийся хладагент отсасывается компрессором из вертикального газового коллектора, объединяющего все трубы.
Теплообменник совмещен с фильтром-осушителем, предназначенным для удаления из жидкого хладагента механических примесей и влаги.
Регулирование холодопроизводительности установки КЖ‑25П осуществляется за счет применения дроссельно-регулирующего устройства.
Сток сжиженного хладагента происходит в ресивер. ИВО оборудован дроссельно-регулирущим устройством и терморегулирующим вентилем. На входе в ИВО стоят два электромагнитных вентиля.
Работа при различных частотах вращения происходит следующим образом. На низкой частоте открывается один соленоидный вентиль перед дроссельно-регулирующим устройством и подача хладагента в ИВО происходит через сопло, являющееся частью этого устройства. При работе компрессора на средней или высокой частотах открываются оба соленоидных вентиля и хладагент поступает в ИВО по объединенному распределительному устройству через сопло дроссельно-регулирующего устройства и терморегулирующий вентиль.
Достоинством такого метода регулирования является автоматически устанавливающаяся связь между тепловой нагрузкой и температурой испарения хладагента, что благоприятно сказывается на изменении влажности воздуха в вагоне.

| 1 – компрессор; | 8 – дроссельно-регулирующее устройство; |
| 2 – электродвигатель; | 9 – терморегулирующий вентиль; |
| 3 – реле давления; | 10 – соленоидные вентили; |
| 4 – масляный манометр; | 11 – конденсатор; |
| 5 – мановакууметр; | 12 – вентилятор; |
| 6 – теплообменник; | 13 – ресивер. |
| 7- ИВО; |
Рисунок 6.1 – схема холодильной установки КЖ‑25П
1
2
6. Расчет и построение холодильного цикла работы установки вагона
Для искусственного охлаждения воздуха в вагоне применения системы охлаждения, которые являются непременной составной частью вагонной установки кондиционирования воздуха. Сама система охлаждения состоит из холодильной установки и устройств для распределения охлажденного воздуха по пассажирскому помещению.
Порядок построения:
Определение температуры кипения хладагента.
Температура испарения (кипения) хладагента to (o C) определяется по следующей формуле /6, с. 18/:
,
где
средняя температура воздуха отделения пассажирского вагона, продуваемого через испаритель, о
С;
разность температур воздуха и испарения хладагента, о
С.
Принимаем tВ =23о С.
Dtо =12¸18о С /6, с. 18/. Принимаем Dtо =15о С.
Тогда
.
В области влажного пара изотерма и изобара совпадают. По изотерме tо проводим изобару Pо , на пересечении изобары pо и кривой паросодержания x=1 получим точку 1.
Определение температуры конденсации.
Температуру конденсации tк (о С) определяем по следующей формуле:
,
где
температура наружного воздуха;
приращение температуры конденсации;
/6, с. 18/;
![]()
По изотерме tк строим изобару Pк соответственно точки 3 и 2¢ получим пересечение изобары tк с кривой паросодержания x=0.
Построение точки 1¢.
ti =tвсас. +Dtвсас.
где Dtвсас =(15¸25)о С.
Тогда ti =8+20=28о С
Точка 1¢ располагается в области перегретого пара на пересечении изобары Pо и изотермы tвсас. .
Построение точки 2.
Точка 2 получается в результате пересечения адиабаты, проведенной из точки 1¢, с изобарой Pк .
Построение точек 3¢ и 4.
Температуру переохлаждения хладагента на ходим по формуле:
,
где
изотерма конденсации;
;
.
В области влажного воздуха находим изотерму
. Проводим до пересечения с кривой паросодержания
. Восстановив перпендикуляр до изобары
, получаем точку 3¢. Если провести из точки 3¢ и изобары
перпендикуляр на изобару
получим точку 4.
Данные с графика:![]()
![]()
i1 =555кДж/кг; i1 ¢ =567кДж/кг;
i2 ¢ =568кДж/кг; i2 =585кДж/кг;
i3 =440кДж/кг; i3 ¢ =i4 =425кДж/кг.
удельный объем всасываемых компрессором паров;
температура перегрева пара в точке 2.
Таблица 6.1 – Результаты расчета
| Определяемый параметр | Расчетная формула | Хладон‑12 |
| Холодопроизводительность 1 кг. хладагента (удельная масса), кДж/кг | qо =i1 -i4 |
qо =555–440=115 |
| Теоретическая работа сжатия хладагента в компрессоре, кДж/кг | l=i2 -i1 |
l=585–555=30 |
Тепло, отданное 1 кг. Хладагента, кДж: · в конденсаторе · в переохладителе |
qк =i2 -i3 qи =i3 -i3 ¢ |
qк =585–440=145 qи =440–425=15 |
| Холодильный коэффициент | e=qо /l. | e=115/30=3,83 |
| Объемная холодопроизводительность хладагента, кДж/м3 | qV =qо /Vуд. | qV =115/0,06=1916,67 |
| Объем паров хладагента, всасываемых компрессором, м3 /ч | V=3600×Qо /qV |
V=3600×29/1916,67= =54,47 |
| Масса циркулирующего хладагента, кг/ч | G=3600×Qо /qо | G=3600×29/115= =907,83 |
Теоретическая мощность компрессора, кВт: · в зависимости от холодопроизводительности: Qо · в зависимости от массы циркулирующего хладагента: G |
NТ =Qo /e NT =G×l/3600 |
NT =29/3,83=7,57 NT =907,83×30/3600= =7,57 |
| Тепловая нагрузка на переохладитель, кВт | Qи =G×qи /3600 | Qи =907,83×15/3600= =3,78 |
| Тепловая нагрузка на конденсатор, кВт | Qк =Qо +NT = =(Qo /e)×(e+1) |
Qк =(29/3,83)×4,83= =36,57 |
7. Приборы автоматики холодильной установки вагона
Холодильные установки обычно работают в автоматическом режиме с помощью специальных приборов, обеспечивающих стабильность процессов и сохранность оборудования. Назначение автоматического регулирования холодильной установки состоит в следующем: обеспечить правильное заполнение испарителя хладагентом; обеспечить включение или отключение соответствующих аппаратов или секций в зависимости от тепловой нагрузки; защитить линию нагнетания от чрезмерного повышения давления; защитить линию всасывания от понижения давления; не допускать снижения давления масла ниже заданной величины; защитить электродвигатели от чрезмерного перегрева; обеспечить заданную температуру воздуха в вагоне. В системе автоматического регулирования применяются приборы, к которым относятся: регуляторы заполнения испарителя – термо- или барорегулирующие вентили; защитные приборы–реле давления и температуры; исполнительные приборы – соленоидные вентили; приборы контроля–манометры, сигнальные указатели.
Регуляторы заполнения испарителя предназначены для автоматического регулирования подачи хладагента в испаритель и действуют в зависимости или от температуры всасываемых паров (терморегулирующие вентили), или от давления этих паров (барорегулирующие вентили).
Принцип действия терморегулирующего вентиля (ТРВ) заключается в изменении размера его проходного отверстия в зависимости от величины перегрева всасываемого пара. При этом происходит дросселирование проходящего через ТРВ хладагента от давления конденсации до давления испарения с одновременным понижением температуры. Для этого ТРВ имеет специальный термочувствительный баллон, который укреплен на отходящей от испарителя трубе и воспринимает температуру поверхности этой трубы. При увеличении перегрева всасываемого пара из-за недостаточного поступления в испаритель хладагента термочувствительный баллон подает сигнал исполнительному механизму ТРВ и сечение проходного отверстия увеличивается, при уменьшении перегрева всасываемого пара – наоборот. Терморегулирующие вентили бывают сильфонные и мембранные. Первые широко применяются в холодильной технике, однако конструкция их довольно сложна. При плохом исполнении и небрежном уходе в эксплуатации сильфонные вентили становятся ненадежными в работе, а главное недостаточно герметичными.

![]()

Более простыми по конструкции, компактными и надежными являются мембранные терморегулирующие вентили (рис. 8.1). Термочувствительный баллон 6 этого вентиля частично заполнен легко испаряющейся жидкостью (обычно хладоном-12). Давление со стороны баллона, меняющееся с изменением температуры на поверхности трубопровода, действует через капиллярную трубку 5 на мембрану 4 сверху, а давление хладагента в системе действует на мембрану снизу. Небольшое усилие, создаваемое пружиной 1, удерживает клапан 3 вентиля в закрытом положении до тех пор, пока давление на мембрану сверху не преодолевает усилия пружины и давления хладагента в системе (давление кипения). Изменение усилия пружины для настройки вентиля на определенную величину перегрева производят винтом 2. После регулировки винт закрывают колпачком, который служит и регулировочным ключом.
В барорегулирующем вентиле (рис. 8.2) корпус 1 внутри разделен на две части: нижняя часть, расположенная под сильфоном 2, заполнена хладагентом, верхняя сообщается с атмосферой. Поддержание необходимой величины давления в испарителе происходит следующим образом. Хладагент поступает в нижнюю часть вентиля и давит на сильфон, стремясь сжать его. Этому препятствует пружина 3, жесткость которой можно изменять при помощи регулировочного винта 4 с гайкой. Если давление испарения будет больше усилия пружины, то сильфон сожмется и тягой 5, ввернутой в его донышко, через палец кривошипа 6 повернет золотник 7, который прикроет проходное сечение и уменьшит поступление хладагента. После того как давление в испарителе уменьшится и соответственно понизится давление в нижней части корпуса, пружина растянет сильфон и золотник откроет канал поступления хладагента в испаритель. Бывают и несколько иные по конструкции барорегулирующие вентили, но принцип действия их такой же.
Преимуществом барорегулирующего вентиля является надежность его работы. Однако этот вентиль более грубо осуществляет регулировку подачи хладагента в испаритель, что может приводить к неэкономичной работе установки при частых изменениях тепловой нагрузки.
Реле давления применяется для поддержания необходимого давления в системе и защиты холодильной установки от аварий. Используются реле минимального давления (прессостат) для автоматического отключения компрессора при падении давления всасывания ниже допустимого и реле максимального давления (мано-контроллер), которое останавливает компрессор при чрезмерном повышении давления конденсации. Реле низкого и высокого давления обычно объединяют в один прибор.


Одним из наиболее распространенных приборов этого типа, применяемых в вагонных холодильных установках, является реле давления типа РД (рис. 8.3). При повышении давления хладагента во всасывающей линии компрессора сжимается сильфон низкого давления, который отводит рычаг 2 и, преодолевая усилие пружины 3, перемещает тягу 4. Последняя отжимает пластину 5 и замыкает электрические контакты 6, благодаря чему компрессор включается. При понижении давления хладагента во всасывающей линии сильфон под действием пружины 3 разжимается, тяга и рычаг перемещаются в исходное положение и контакты размыкаются, отключая компрессор. Чтобы размыкание происходило без искрения, магнит 7 удерживает пластину 5 до тех пор, пока усилие пружины не будет достаточным для резкого отрыва пластины от магнита.
Сильфон реле высокого давления по конструкции аналогичен сильфону реле низкого давления, но меньше его по диаметру. При чрезмерном повышении давления конденсации сильфон 8 отводит рычаг 9, который с помощью пружины 10 и планки 11 поднимает пластину 5, размыкая контакты независимо от реле низкого давления. Во всех случаях при размыкании контактов компрессор отключается. На срабатывание при соответствующем давлении прибор настраивается с помощью регулировочной гайки.
Электромагнитные запорные вентили относятся к исполнительным приборам и представляют собой соленоидные вентили двухпозиционного (открыт–закрыт) действия. В зависимости от диаметра трубопровода они изготовляются с различным размером проходного отверстия.
Соленоидный вентиль (рис. 8.4) состоит из клапана 4, помещенного в корпусе /, и электромагнитной катушки (соленоида) 7. При прохождении электрического тока в катушке возникает магнитное поле и якорь 8, втягиваясь в катушку, полностью открывает клапан для прохода хладагента. При прекращении электропитания якорь опускается вниз и клапан закрывает проходной канал вентиля.

Рисунок 8.4 – Соленоидный вентиль:
1 – корпус; 2 – колпачок; 3 – отжимной винт; 4 – клапан; 5 – крышка клеммной коробки; 6 – зажимы; 7 – катушка электромагнита; 8 – якорь
8. Тепловой расчет холодильной машины
Основными данными для теплового расчета холодильной машины являются: нагрузка на компрессор, температурный режим работы машины (температура кипения, конденсации, перед регулирующим вентилем, переохлаждения, всасывания), вид применяемого хладагента.
Температура: конденсации – 39о С, испарения – 8о С, переохлаждения – 34о С, всасывания – 28о С, перегретого пара – 62о С.
Давление: нагнетания – Pк =1,00МПа, всасывания – Pо =0,38Мпа.
Теплосодержание в точках 3¢ и 4: i3 ¢ = i4 ¢ =440 кДж.
Удельный объем всасываемого пара:
.
Холодильный цикл изображен на рис. 7.1.
Таблица 8.1¾ Результаты расчетов
| Определяемый параметр | Формула | Хладон‑12 |
| Термоэлектрическая мощность компрессора, кВт |
|
![]() |
| Действительная мощность компрессора, кВт | ||
| Эффективная мощность, кВт | ||
| Тепловой поток в конденсаторе, кВт |
Остальные параметры приведены в таблице 7.1.
9. Расчет основных параметров компрессора
Определим основные параметры транспортного хладонового компрессора холодопроизводительностью 29 кВт с описываемым поршнями объемом
/см. табл. 7.1., с. 29/.
Принимаем четырехцилиндровый, с V – образным расположением цилиндров, компрессор.
Скорость поршня:
/5, с. 110/.
Диаметр цилиндра компрессора:
; 
Ход поршня:
/5, с. 110/;
Частота вращения коленчатого вала:
/5, с. 110/
Вывод: по данным расчета принимаем компрессор ФУ15, работающий при 1200 об/мин и имеющий 4 цилиндра диаметром – 76 мм, ход поршня – 40 мм. Холодопроизводительность – 29 кВт /1, с. 122/.
10. Расчет теплообменных аппаратов установки
10.1 Испаритель-воздухоохладитель (ИВО)
Холодильная установка КЖ‑25П имеет ИВО с поверхностью испарения 84 м2 /1, с. 167/.
Определим поверхность испарителя:
/1, с. 136/
где
холодопроизводительность установки, кВт;
коэффициент теплопередачи испарения с учетом влагоотделения. Принимаем
/1, с. 136/.
разность между температурой испарения хладагента
и температурой охлажденного воздуха на входе
и выходе
испарителя.

В результате расчетов принимаем ИВО с поверхностью охлаждения 84 м2 /1, с. 167/.
10.2 Конденсатор
Площадь поверхностей конденсатора:
/1, с. 134/
где
холодопроизводительность установки по конденсатору, кВт;
;
- индикаторная мощность /табл. 7.1., с./;
коэффициент теплопередачи конденсатора /1, с. 136/.
разность температур конденсируемого хладагента и охлаждающего воздуха /6, с. 18/.

Количество охлажденного воздуха:
, /5, с. 33/
где
удельная теплоемкость воздуха;
плотность воздуха, /5, с. 33/.
![]()
Вывод: в результате расчетов принимаем конденсатор с теплопередающей поверхностью 80 м2 , с количеством воздуха, продуваемого через конденсатор 8000 м3 /ч
/1, с. 135/
11. Вопросы охраны труда и техники безопасности при эксплуатации холодильных установок
К обслуживанию холодильных установок допускаются лица не моложе 18 лет, специально обученные и знающие инструкцию по обслуживанию данной установки.
Помещение для ремонта холодильного оборудования должно быть оборудовано приточно-вытяжной вентиляцией, обеспечивающей достаточный воздухообмен и исключающий опасную концентрацию хладагента в воздухе.
Запрещается наполнять хладагентом баллоны, у которых неисправны вентили, поврежден корпус, окраска и надписи не соответствуют марке данного хладагента. Принимая партию баллонов, необходимо проверить паспорт о проведенных испытаниях, который доложен прилагаться заводом-изготовителем.
Запрещается перевозить и хранить хладон-12 в какой-либо другой таре или баллонах, помещенных у источника тепла, а также без специального укрытия, защищающего баллоны от солнечных лучей. Вне специального хранилища не разрешается держать для работы более одного баллона с хладагентом.
Перед заполнением системы необходимо прежде всего убедиться, что в баллоне находится именно хладон-12. Затем проверить не загрязнены ли аппараты, нет ли влаги и воздуха в системе. Открывать колпачковую гайку на штуцере вентиля баллона следует в очках, при этом выходное отверстие баллона надо направить в сторону от себя.
В процессе заполнения системы хладагентом запрещается нагревать баллон любым способом. Нельзя оставлять баллон с хладагентом присоединенным к системе холодильной установки больше времени, необходимого для непосредственного ее заполнения или для удаления из нее хладагента.
При перекачке в баллон хладагента из системы разрешается использовать лишь те баллоны, срок проверки которых не истек. Норма заполнения баллона хладоном-12 не должна превышать 1,1 кг/л, фреоном-22 – 1 кг/л.
Демонтаж и вскрытие компрессоров и аппаратов холодильной установки можно производить только после того, как хладагент будет полностью удален из них, а давление понижено до атмосферного и останется таким некоторое время.
Во время осмотра и ремонта холодильного оборудования и особенно внутренних частей компрессора и аппаратов нельзя пользоваться для освещения открытым огнем, так как под действием пламени хладон-12 выделяет ядовитые вещества. Разрешается применять переносные электрические лампы напряжением не выше 12 В или электрические аккумуляторные фонари.
Следует обращать особое внимание на исправность манометров и автоматических приборов регулирования. Нельзя эксплуатировать холодильные установки, если на манометрах нет пломб, истек срок их проверки или на их шкале не нанесена красная черта предельно допустимого рабочего давления. При повышении давления более допустимого по паспорту установка немедленно должна быть выключена.
Запрещается эксплуатировать холодильное оборудование при снятых или неисправных устройствах, ограждающих приводные ремни, движущиеся и вращающиеся части. Нельзя крепить соединения трубопроводов и аппаратов и затягивать болты компрессора во время работы установки, а также оставлять запорные вентили компрессора и других аппаратов со снятыми колпачками. Запрещается проверять нагрев внутренних подшипников на ходу, т.е. при работающем двигателе.
Работники, ремонтирующие и обслуживающие холодильное оборудование, должны работать в специальной хорошо защищенной одежде и защитных очках.
12. Технико-экономическое обоснование применения холодильной установки вагона
На основании технико-экономического сравнения установок кондиционирования воздуха различных типов можно сделать вывод, что отечественные установки КЖ‑25П по основному показателю – удельной холодопроизводительности являются лучшими на наших дорогах. Но все применяемые на пассажирских вагонах установки имеют довольно большую массу. Расположение одной части аппаратов под рамой вагона, а другой в потолочном пространстве, требует большого количества соединительных трубопроводов и этим затрудняется обслуживание и ремонт агрегатов.
Совершенствование установок кондиционирования воздуха должно идти по пути снижения их массы, а также улучшения условий ремонта и содержания.
Улучшение герметичности системы является одним из наиболее существенных факторов, влияющих на работу холодильных установок.
Применение плавного регулирования холодопроизводительности и автоматического поддержания стабильной температуры воздуха в вагоне можно осуществить путем поочередного включения цилиндров компрессора с одновременным использованием безопасной заслонки на линии подачи в вагон рециркуляционного воздуха. Улучшение технико-экономических показателей вагонных холодильных установок, в частности увеличение их срока службы, может быть достигнуто за счет повышения частоты вращения коленчатого вала компрессора с сохранением или незначительным увеличением средней скорости поршня, а также применение устройств, обеспечивающих автоматизацию работы компрессора и широкого применения термостатических масел.
Также следует применять винтовые компрессоры бесклапанной конструкции, которые отличаются компактностью, высокой надежностью и возможностью экономического регулирования холодопроизводительности магистралями питания.
Заключение
В курсовом проекте рассмотрены следующие пункты:
· состояние вопроса по системам кондиционирования воздуха в пассажирских вагонах;
· определена расчетная площадь теплопередающих поверхностей кузова вагона;
· найден расчетный коэффициент теплопередачи ограждения помещения вагона;
· произведен теплотехнический расчет вагона для летнего периода;
· построен процесс обработки воздуха в системе кондиционирования;
· описание конструкции и системы охлаждения вагона;
· приведена схема установки с приборами автоматики;
· рассчитан и построен холодильный цикл работы установки;
· произведен тепловой расчет холодильной машины;
· расчет основных параметров компрессора;
· расчет теплообменных аппаратов установки: испарителя-воздухоохладителя и конденсатора;
· рассмотрены вопросы охраны труда и техники безопасности при эксплуатации холодильной установки.
Список использованных источников
1. Зворыкин М.Л., Черкез В.М. Кондиционирование воздуха в пассажирских вагонах. – М.: Транспорт, 1977. – 288 с.
2. Осадчук Г.И., Фарафонов Е.С. Холодильное оборудование вагонов и кондиционирование воздуха. – М.: Транспорт, 1974. – 304 с.
3. Фаерштейн Ю.О., Китаев Б.Н. Кондиционирование воздуха в пассажирских вагонах. – М.: Транспорт, 1984. – 272 с.
4. Вгоны. Под редакцией Л.А. Шадура. – М.: Транспорт, 1973. – 440 с.
5. Постарнак С.Ф., Зуев Ю.Ф. холодильные машины и установки. – М.: Транспорт, 1982. – 335 с.
6. Лунев Б.П., Вишняков Б.И., Сергеев К.А. Энергохолодильные системы вагонов и их техническое обслуживание. Задание на курсовой проект с методическими указаниями. – М.: ВЗИИТ, 1991. – 25 с.
7. Орлов М.В., Сенаторов С.А., Смольянинов А.В. Основные требования к содержанию и оформлению дипломных проектов. Для специальности 17.10 «Вагоны». Методические указания. – Екатеринбург: УЭМИИТ, 1993. – 30 с.
Похожие рефераты:
Продвижение прогрессивных систем энергосбережения в Украине в сегменте (ТН) тепловых насосов
Автоматизированная система управления компрессорной установки
Совершенствование метрологического обеспечения измерений в турбокомпрессорном цехе Узюм-Юганской ГКС
Проектирование адиабатной выпарной установки термического обессоливания воды
Разработка автоматизированной системы управления установкой кондиционирования воздуха
Отопление, вентиляция, водоснабжение пассажтрских вагонов
Организация перевозок скоропортящихся грузов на направлении Унгены-Москва
Организация железнодорожных пассажирских перевозок
Автоматизация холодильного оборудования
Финансирование охраны труда на предприятии
Применение компрессоров в промышленности
Вакуумная сублимационная установка для фермерского хозяйства



