| Скачать .docx |
Реферат: Проект станции технического обслуживания и ремонта ходовой части автомобилей
![]()
![]()
![]()
НА ТЕМУ: Проект станции технического обслуживания и ремонта ходовой части автомобилей
/ /
А Н Н О Т А Ц И Я
В данном дипломном проекте произведен проект станции технического обслуживания автомобилей по ремонту ходовой части.
Основное содержание проекта составляют:
- Маркетинговая часть , в которой представлены маркетинговые исследования для необходимости постройки этого проекта, а также его конкурентоспособности и эффективности работы среди конкурентов.
- Технологическая часть , в которой представлены технологические процессы ремонта ходовой части автомобилей на основе применения соответствующего оборудования;
-Конструкторско-планировочная часть , в которой представлена планировка СТО, технология и последовательность застройки, размещение оборудования.
- Раздел охраны труда и техники безопасности ,
- Экономическая часть , в которой оцениваются затраты на организацию и эксплуатацию спроектированных участков, оценивается стоимость услуг, рентабельность и сроки окупаемости затрат.
СОДЕРЖАНИЕ
Аннотация __6___
Содержание __7___
Введение __8___
1. Маркетинговая часть __13___
1.1. Сущность маркетинговых исследований __13___
1.2. Маркетинговые исследования на рынке автотранспортных услуг __17___
2. Технологическая часть __22___
2.1.Организация технологических процессов ТО и ТР автомобилей __22___
2.2.Организация работ ТО и ТР автомобилей на участке ремонта ходовой части __23___
2.3.Организация диагностирования автомобилей __31___
2.4 Организация работ на участке мойки автомобиля __36___
3. Конструкторско-планировочная часть __39___
3.1.Генеральная планировка СТО __39___
3.2. Производственный корпус СТО, мойка, кафе и склад __40___
3.3.Конструкция зданий __47___
4. Охрана труда, техническая и пожарная безопасность __50___
4.1 Общие положения __50___
4.2 Опасные и вредные производственные факторы СТО __65___
5. Экономическая часть __69___
5.1 Расчёт затрат на строительство, текущие расходы __69___
5.1.1 Затраты на строительство и оборудование бокса __69___
5.1.2 Расчёт годовых текущих затрат __71___
5.2 Расчет доходов __72___
5.3 Оценка рентабельности и сроков окупаемости __73___
Заключение __74___
Список использованной литературы __75___
ВВЕДЕНИЕ
Поддержание автомобильного парка в работоспособном состоянии в значительной степени зависит от уровня развития и функционирования производственно – технической базы (ПТБ) предприятий автомобильного транспорта и, соответственно, совокупности зданий, сооружений, оборудования, оснастки и инструмента, предназначенных для технического обслуживания (ТО), текущего ремонта (ТР) и хранения подвижного состава.
Наряду с развитием общественного автотранспорта растет и число автомобилей личного пользования, что значительно опережает рост производственно – технической базы, которая не может полностью обеспечить потребность в техническом обслуживании и ремонте транспорта.
Помимо тех неоспоримых удобств, которые легковой автомобиль создает в жизни человека, очевидно общественное значение массового пользования личными автомобилями:
увеличивается скорость сообщения при поездках;
сокращается число штатных водителей;
облегчается доставка городского населения в места массового отдыха, на работу и т. д.
Однако процесс автомобилизации не ограничивается только увеличением парка автомобилей. Быстрые темпы развития автотранспорта обусловили определенные проблемы, для решения которых требуется научный подход и значительные материальные затраты. Основными из них являются: увеличение пропускной способности улиц, строительство дорог и их благоустройство, организация стоянок и гаражей, обеспечение безопасности движения и охраны окружающей среды, строительство станций технического обслуживания автомобилей, складов, автозаправочных станций и других предприятий.
Город развивается, растет как численность людей, так и численность автомобилей, происходит увеличение дорожно-транспортных происшествий (ДТП), изнашивание деталей приводят к необходимости обращения на предприятия автосервиса, что и сопровождается ростом необходимости создания различных станций технического обслуживания, а также расширенного перечня оказываемых услуг.
Сейчас в Калининграде много различных пунктов, реализуемых как автосервис, но при этом во многом они не соответствует тем параметрам, требуемым при разработке и проектировании СТО.
Соответствующие услуги оказывают люди, не имеющие специального образования, используются некачественные запасные части.
Необходимо создать станцию технического обслуживания, чтобы в ней было все, что будет соответствовать высокому качеству работы при выполнении услуг.
Предприятие ОАО «А-Центр-2», проектирование производственно – технической базы которого является целью дипломного проекта, планируется в Московском районе г.Калининграда, где состояние дорог оставляет желать лучшего, не только в центре города, но и за городом, что и рождает множество дорожно-транспортных происшествий (ДТП).
Станция Технического Обслуживания легковых автомобилей производит ремонт и диагностику ходовой части.
Создание развитой СТО требует привлечения больших капиталовложений на основе технико-экономического обоснования.
Строительство новых СТО должно отвечать современным требованиям научно – технического прогресса. Развитие ПТБ должно обеспечивать реализацию достижений науки и техники в проектах, чтобы вновь построенные и реконструированные предприятия были технически передовыми и обеспечивали качество ТО и ТР автомобилей в соответствии с научно-обоснованными нормативами по затратам труда, сырья, материалов и энергетических ресурсов.
Они должны обеспечивать:
- высокую эффективность капиталовложений;
- рациональное использование земли;
При строительстве новых автотранспортных предприятий одним из главных условий технического прогресса является: сокращение трудоемкости работ, оснащение рабочих мест и постов высокоэффективным и производительным оборудованием и приспособлениями.
Опираясь на вышесказанное и пожелания руководства предприятия, на базе которого проходилась преддипломная практика, наиболее целесообразной и интересной является тема:
«Разработка проекта станции технического обслуживания по ремонту ходовой части».
Общая площадь проектируемой сервисной станции составляет 3000 м2. На территории планируется парковка для легковых автомобилей, мойка, кафе, склад. Вся территория сервиса будет огорожена металлическим профилем, высотой 2метра въездными механизированными воротами.
По структуре станция технического обслуживания включает в себя линии ТО и ремонту ходовой части автомобиля, а также диагностика ТС и мойку. Организация технического центра позволит обслуживать авто-технику в 8 часовом режиме, расширять технологию услуг и соответственно повышать качество и ассортимент выполняемых работ на данном сегменте рынка.
Сервисный центр будет производить ремонт автомобилей, обладая возможностью обслуживания и ремонта до 4 единиц техники одновременно.
Участки должны быть оснащены необходимым оборудованием для выполнения этих работ.
Ввод данного участка в действие пойдет по схеме, исходящей из маркетингового исследования и факторов экономичности. Исходя из направленности деятельности предприятия, можно судить о его обеспеченности специалистами и некоторой строительной техникой, что в большой мере сэкономит средства на строительство и материалы.
После постройки помещения участка и оснащения его необходимой энергетической частью планируется обустроить его необходимым оборудованием и инструментом для ремонта и диагностики ходовой части автомобиля.
На данной площади (3000м2) будут размещены:
- сервисный центр ремонта,
- склад запчастей,
- парковка для автомобилей,
- КПП.
- автомобильная мойка,
- кафе.
Все перечисленные участки представлены на рисунке 1 в виде схемы.
![]() |
|
Рисунок 1. План предприятия.
1. Маркетинговая часть.
1.1. СУЩНОСТЬ МАРКЕТИНГОВЫХ ИССЛЕДОВАНИЙ
Маркетинговое исследование основывается на сборе и анализе информации о выбранном объекте исследования. Маркетинговые исследования можно классифицировать следующим образом:
Исследование конкурентов - данные для обеспечения конкурентного преимущества на рынке, возможность сотрудничества, кооперации.
Изучение фирменной структуры рынка - получение сведений о возможных посредниках, дистрибьюторах.
Исследование цены - изучение уровня цен, поиск оптимального уровня цен.
Исследование рекламы.
Исследование внутренней среды предприятия.
Перед началом любого исследования создается план, в котором описываются последовательные действия по организации и выполнению исследования. Основными пунктами плана маркетингового исследования являются:
1. Определение проблемы.
2. Постановка целей исследования.
3. Определение того, какая информация необходима для исследования.
4. Поиск исполнителей.
5. Определение размеров и источников финансирования исследования.
6. Сбор необходимой информации.
7. Анализ полученной на предыдущем этапе информации.
8.
Разработка рекомендаций для фирмы.
Главным этапом в маркетинговом исследовании является этап определения проблемы, который в свою очередь разбивается на несколько последовательных шагов:
1. Выявление симптомов текущего состояния предприятия;
2. Четкое изложение возможных причин или базовых проблем, лежащих в основе симптомов;
3. Выявление полного списка альтернативных действий, которые может предпринять управляющий маркетингом для решения проблемы.
Таким образом, маркетинговое исследование – любая исследовательская деятельность, обеспечивающая потребности маркетинга, то есть система сбора, обработки, сводки, анализа и прогнозирования данных, необходимых для конкретной маркетинговой деятельности предприятия. Цель проведения подобного исследования – уменьшение неопределенности, сопутствующей принятию маркетинговых решений.
Стратегия маркетинга – это генеральная программа маркетинговой деятельности на целевых рынках. Она включает главные направления маркетинговой деятельности фирмы и инструментарий комплекса маркетинга (маркетинг-микс), с помощью которого разрабатывают и осуществляют маркетинговые мероприятия для достижения поставленных целей, т.е. стратегия маркетинга представляет собой способ использования фирмой собственного потенциала и достижения успеха в окружающей ее среде. Она является основным способом достижения маркетинговых целей и конкретизируя соответствующую структуру маркетинга-микс.
В основе стратегии маркетинга лежат пять концепций:
· сегменты для рынка, то есть выделение конкретных задач целевых рынков в рамках совокупного дохода;
· выбор целевых рынков;
· выбор методов выхода на рынок;
· выбор методов и средств маркетинга;
· выбор времени выхода на рынок.
Сегментация рынка . Эта концепция основана на признании того, что каждый рынок (областной, районный и т.д.) состоит из отдельных частей, включающих покупателей с различными потребностями, что является причиной вариации спроса. Не существует в мировой практике такого предложения продукции или способа выхода на рынок, который бы удовлетворял всех покупателей. Каждый сегмент рынка, отличается разными возможностями сбыта. Перед тем, как начать разрабатывать стратегию маркетинга, предприятие должно их исследовать. Каких-либо общепринятых способов сегментации рынка не существует. Более высокого результата, как правило, добивается то предприятие, которое творчески подходит к решению этой задачи.
Выбор целевых рынков - это выбор направления деятельности на них, которое предоставило бы предприятию максимальные возможности для достижения намеченной им цели. Для этого сегмент рынка должен отвечать четырем условиям:
· быть достаточно емким;
· предоставлять возможности для дальнейшего роста производства и сбыта;
· не быть объектом коммерческой деятельности конкурирующих предприятий;
·
иметь некоторые неудовлетворенные потребности, которые данное предприятие может успешно удовлетворить.
Выбор способа выхода на рынок . На современном этапе различные предприятия АПК, производящие и реализующие свою продукцию, не имеют достаточно опыта в этом деле. Зарубежная практика показывает, что добиться намеченной цели можно с помощью приобретения акций других предприятий или фирм. Это наиболее простой способ выхода на новый рынок.
Выбор маркетинговых средств, основан на определении способа выхода фирмы на конкретный сегмент рынка и классифицируется на :
1. услуга
2. цена услуги
3. качество оказываемых услуг
4. месторасположение
5. участие клиента
6. физическое оказание услуг
7. непосредственно сам процесс оказания услуг
Таким образом, подчеркивается, что на потребителя воздействуют именно эти факторы.
Выбор времени выхода предприятия на рынок играет большую роль в стратегии маркетинга. Итак, предприятие определило свои перспективные возможности, наметило цель, разработало стратегию маркетинга. Однако не следует начинать активную деятельность.
При обосновании маркетинговой деятельности особое место необходимо уделить разработке плана маркетинга, основу которого составляют цели и проектируемые задания.
На каждой стадии перед предприятием стоят определенные проблемы. Определив, на какой стадии находится продукция, разрабатывают оптимальный план маркетинга. На рынке можно выделить четыре стадии: внедрение, рост, зрелость, спад.
Для решения различных задач маркетинга предприятие разрабатывает общую смету расходов на него. Под издержками при этом понимают средства, затрачиваемые производителями продукции на стимулирование ее реализации, то есть на транспортировку, хранение, переработку, рекламу, кредитование, скидку цен, сбор и анализ данных.
Предприятие или объединение, как правило, использует различную классификацию затрат на маркетинг: по видам затрат (зарплата, налоги, отопление, электроэнергия) и по выполненным функциям (планирование, рекламная деятельность, исследования и т.д.). Наконец предприятие должно проанализировать те мероприятия в области маркетинга, которые необходимо осуществить для достижения требуемого объема реализации, и затем оценить уровень затрат на них.
1.2. МАРКЕТИНГОВЫЕ ИССЛЕДОВАНИЯ НА РЫНКЕ АВТОТРАНСПОРТНЫХ УСЛУГ
Сейчас в Калининградской области автосервисов, обслуживающих автотранспортные средства, очень много и все они отличаются друг от друга только качеством обслуживания и оказания услуг.
Преимущество в том что наш проект будет находиться в центре города, куда доступ есть почти со всех улиц, то есть доехать можно из любого района.
Для реализации этого проекта необходимо провести маркетинговое исследование по выявлению конкурентов и также близлежащих предприятий и уровню качества оказываемых ими услуг.
Наше предприятие будет находиться на ул.Дзержинского,249. Местоположение хорошее, расположено рядом с таможенным терминалом «Инмар», что дает возможность большей проходимости. Рассмотрим одного из наших конкурентов, которым является «Оригинал-Танагра», которое располагается на ул. И.Земнухова.
Здесь располагается сервисный центр автомобилей, которые оказывают все услуги по ремонту автомобилей иностранного производства. Здесь работают специалисты своего дела. Используют только качественные детали для ремонта автомобилей, используется хорошее оборудование, но при этом оно было установлено четыре года назад, а за эти года, как известно научно-технический прогресс идет вперед, сейчас есть много разных приспособлений для улучшения качества и скорости, как ремонта автомобилей, так и технического обслуживания. Но данное местонахождение этого сервиса имеет свои минусы, хотя бы тем, что оно намного больше по площади занимаемой, чем наш автосервис. Еще одним минусом может быть то, что на именных сервис центрах ремонтируются в основном машины тех марок, на которые и специализируется этот автосервис.
Следующим конкурентом, недалеко находящимся от проектируемой СТО является сервисный центр, расположенный по ул.Черниговской.
Этот центр не является, каким либо именным, а обычным центром, где работают обычные специалисты, а также люди, просто имеющие навыки, но не имеющие образования в данной области.
Подъезд тоже очень хороший, но находится почти в конце города, район не очень людный. Качество оказываемых услуг можно оценить как среднее. Оборудование обычное, используемый материал, не высшего качества и низкий уровень специалистов в общем числе работников, отсутствие автомойки.
Теперь все рассматриваемые признаки в сведем в таблицу.
Таблица 3.1.Признаки конкурентоспособности.
| Критерии |
«Оригинал-Танагра» |
Автоцентр на ул.Черниговской |
ОАО «А-Центр-2» |
| Уровень квалификации работников |
Высокое |
Среднее |
Высокое |
| Оборудование, используемое предприятием |
Высокое |
Обычное |
Высокое |
| Материалы для ремонта и окраски |
Качественные |
Обычные |
Качественные |
| Перечень оказываемых услуг |
Основной |
Основной |
Основной |
| Месторасположение в городе |
Не очень удобное |
Плохое |
Отличное |
Из таблицы, видно, что по основным характеристикам наше предприятие выигрывает.
Для анализа были выбраны два конкурента, если рассматривать весь город, то конкурентов очень много, но некоторые либо оказывают качественные услуги, но для определенных марок машин, и находятся на краю города (Мерседес центр, БМВ центр и т.д.), или они располагаются в каких-то непонятных помещениях и ремонтом там занимаются не специалисты своего дела.
Как известно, водитель готов заплатить хорошую сумму, если будет уверен в качестве оказываемых услуг и качестве запчастей.
Так же был проведен устный опрос, где основным моментом было появление нового сервисного центра по ул.Дзержинского. Основными требованиями водителей были:
- квалифицированные специалисты,
- широкий перечень оказываемых услуг,
- использование новой техники диагностики и ремонта,
- использование качественных материалов,
- удобство расположения сервисного центра наличие хороших подъездных путей.
И для того, чтобы выяснить насколько соответствует наше предприятие и требования водителей, объединяем их запросы и нашу оценку в таблицу и сводим всё в диаграмму, где будет наглядно видно, какое предприятие наиболее конкурентно по отношению к своему назначению.
На диаграмме 1 представлена балльная оценка конкурентов и данного предприятия, где видно главным конкурентом будет ОАО «А-Центр-2», средний балл которого составил 13, далее за ним идет «Оригинал-Танагра» средний балл – 12, и на последнем месте Автоцентр на ул.Черниговской средний балл которого – 8 баллов.
Так, что можно сделать вывод о том, что этот проект целесообразен, а также, является конкурентным на данном рынке, и поэтому он будет приносить соответствующую прибыль.


Но также для постоянного обеспечения конкурентоспособности необходимо создать рекламную компанию, а также различные рекламные носители, которые доходили бы до соответствующего потребителя.
Необходимо разработать программу гарантийного обслуживания, а также для привлечения клиентов и обеспечения постоянства клиентов систему обслуживания постоянных клиентов и различные предложения по уходу за автомобилем (например: накопительные карты, сроки гарантийные и т.д.).
В данном проекте СТО имеется мойка автомобилей, что также можно использовать в качестве привлечения клиентов. Допустим, если клиент ремонтирует свой автомобиль на данной станции и его ремонт не менее 1000 рублей, то после ремонта мойка машины будет бесплатной. Если же это постоянный клиент, то ему предлагается карта скидок на 10 % на ремонт и мойку автомобиля.
Для удобства клиентов, им предлагается во время, пока ремонтируют их автомобиль, посидеть в кафе, посмотреть телевизор, как только автомобиль отремонтировали, к клиенту подходит мастер-приёмщик и информирует их о готовности автомобиля, стоимости работы и заменённых частей. Клиент производит оплату прямо в кассе кафе, отдавая накладную о проделанной работе ремонтников.
2. Технологическая часть
2.1. ОРГАНИЗАЦИЯ ТЕХНОЛОГИЧЕСКИХ ПРОЦЕССОВ ТО И
ТР ЛЕГКОВЫХ АВТОМОБИЛЕЙ
Основой организации работ на СТО является Положение о техническом обслуживании и ремонте легковых автомобилей. Данное положение обязательно для всех СТО производящих ТО и ремонт этих автомобилей.
Техническое обслуживание автомобилей представляет собой комплекс работ, направленных на предупреждение отказов и неисправностей, поддержание автомобилей в исправном состоянии и обеспечение надежной, безопасной и экологичной их эксплуатации. Техническое обслуживание включает следующие виды работ: контрольно-диагностические, крепежные, регулировочные, электротехнические, работы по системе питания, заправочные, смазочные и другие.
По периодичности, перечню и трудоемкости выполнения работы по ТО
легковых автомобилей подразделяются на следующие виды: ежедневное техническое обслуживание (ЕО); периодическое техническое обслуживание (ТО), сезонное обслуживание (СО).
ЕО включает заправочные работы и контроль, направленный на каждодневное обеспечение безопасности и поддержание надлежащего внешнего вида автомобиля. Большей частью ЕО выполняется владельцем автомобиля перед выездом, в пути или по возвращении на место стоянки.
ТО предусматривает выполнение определенного объема, работ через установленный эксплуатационный пробег автомобиля. В соответствии с нормативами ТО легковых автомобилей по периодичности ЕО один раз в сутки, ТО-1 через 4000 км, ТО-2 через 16000 км пробега.
СО предусматривает выполнение ТО и дополнительных операций по подготовке автомобиля к зимней или летней эксплуатации согласно рекомендациям заводов-изготовителей.
Ремонтом называется комплекс работ по устранению возникших неисправностей и восстановление работоспособности автомобиля в целом или агрегата. Ремонт автомобиля осуществляется по необходимости и включает контрольно-диагностические, разборочно-сварочные, слесарные, механические, сварочные, жестяницкие, окрасочные, электротехнические работы. Для качественного выполнения ТО и ТР СТО оснащается необходимыми постами, устройствами, приборами, приспособлениями, инструментом и оснасткой, технической документацией .
2.2. ОРГАНИЗАЦИЯ РАБОТ ТО И ТР АВТОМОБИЛЕЙ НА УЧАСТКЕ РЕМОНТА ХОДОВОЙ ЧАСТИ .
На проектируемом участке ТО и Р легковых автомобилей все работы выполняются на двух постах основного корпуса (рис.2.2) , оснащённого двумя подъёмниками двухстоечными C-2.30 фирмы "CASCOS" (Испания) (рис.2.2.а) также участок оснащён настольным прессом MEGA KSC-10A (рис.2.2.в), компрессором электропоршневым Сер. ADVANCED - MK103-200-3, сварочный аппарат BIMAX 182. Помимо этого ремонтный участок имеет два ремонтных поста, оснащённых самым современным и новым оборудованием. Каждый пост имеет верстак слесарный В-1 однотумбовый с тисками слесарными Т2 (рис.2.2.с), шкаф для приборов и инструментов, стеллаж для инструментов. Каждый пост обслуживается специалистом по ремонту автомобилей отечественного и иностранного производства. Всего на участке работает четыре специалиста: два ремонтника, специализирующихся по ремонту ходовой части автомобилей, мастер-диагност, работающий непосредственно на компьютерном стенде развал-схождения колёс, мастер-приёмщик.


Рис.2.2а Подъемник двухстоечный C-2.30 фирмы "CASCOS" (Испания)
Рис.2.2в. Настольный пресс MEGA KSC-10A

Рис.2.2с Верстак слесарный В-1 однотумбовый с тисками слесарными Т2 и набором стальных ключей
Ходовая часть – это совокупность узлов и деталей, обеспечивающих комфорт, динамику и управляемость вашего автомобиля во время движения. Любой водитель, профессионал он или нет, интуитивно или на слух чувствует свой автомобиль. И когда, при движении на разных скоростях, он вдруг начинает слышать какие-то посторонние звуки, появляется вопрос, а что это может быть. И очень часто причина посторонних шумов кроется в неисправности ходовой части автомобиля.
В процессе эксплуатации в подвеске автомобиля могут возникнуть неисправности, связанные с износом и поломками деталей. Техническое состояние ходовой части может быть оценено по отклонениям размеров деталей от обеспечиваемых при сборке на заводе и допустимым износам к зазорам в основных сопряженных деталях, а также по состоянию рабочих поверхностей деталей подвески. Возможные неисправности ходовой части автомобиля.
Большая часть неисправностей подвески автомобиля возникает либо неожиданно, например, после езды по плохой дороге или проявляются постепенно, в течение иногда довольно длительного периода времени. О приближающемся выходе какой-либо детали из строя и соответственно ремонте ходовой начинают предупреждать посторонние звуки, исходящие со стороны неисправного механизма.
Шум и стук при движении автомобиля могут быть вызваны:
1. Неисправностью амортизаторов;
2. Износом резинометаллических шарниров рычагов;
3. Износом шаровых шарниров рычагов;
4. Повышенным зазором в подшипниках колес;
5. Деформацией дисков колес.
Подтекание жидкости из амортизаторов происходит в результате:
1. Износа или разрушения сальника штока;
2. Попадания на уплотнительные кромки сальника посторонних механических частиц;
3. Забоины, риски, задиры на штоке;
4. Чрезмерное количество жидкости в амортизаторе.
Недостаточное сопротивление амортизатора при ходе сжатия обычно вызвано:
1. Не герметичностью клапана сжатия;
2. Недостаточным количеством жидкости из-за утечки;
3. Износом направляющей втулки и штока;
4. Загрязнением жидкости механическими примесями;
5. Износом или разрушением дисков клапана сжатия.
Стуки и скрипы амортизаторов подвески свидетельствуют о:
1. Износе резиновых втулок в проушинах;
2. Деформации кожуха в результате удара;
3. Недостаточном количестве жидкости из-за утечки;
4. Ослабления гаек крепления амортизаторов;
5. Поломке деталей амортизаторов.
Для увеличения срока службы, надёжности работы и, в первую очередь, для обеспечения безопасности рекомендуется своевременно проводить диагностику и ремонт износившихся узлов и деталей подвески автомобиля. Квалифицированные специалисты точно определят ту или иную неисправность в ходовой части автомобиля.
При обслуживании автомобилей на СТО особое внимание уделяют неисправностям, которые могут повлиять на безопасность движения. При этом обязательно устраняют выявленные неисправности и ослабление крепления следующих деталей, узлов, агрегатов и систем:
-- при регулировочных работах - накладок колодок и тормозных барабанов, педали тормоза, стояночной тормозной системы, рулевого управления, подшипников колес, передних колес;
-- при контрольно-диагностических и крепежных работах - сошки и маятникового рычага рулевого управления, рулевого привода, рулевых тяг на шаровых пальцах и шаровых пальцев в гнездах, шаровых опор, шкворней, поворотного кулака, дисков колес, карданной передачи или приводов, рессор и пружин, амортизаторов, рычагов подвески, трубопроводов, шлангов гидравлического тормозного привода, главного тормозного привода, регулятора давления тормозного привода.
ТО-1 проводится через указанную выше периодичность, но не менее 2-х раз в год для выполнения следующих работ:
--крепежных - крепление двигателя к кузову, коробки передач и удлинителя, картера рулевого механизма и рулевой сошки, рулевого колеса и рулевых тяг, поворотных рычагов, соединительных фланцев карданного вала, дисков колес, приборов, трубопроводов и шлангов смазочной системы и системы охлаждения, тормозных механизмов и гидравлического привода выключения сцепления, приемной трубы глушителя;
-- регулировочных - регулировка свободного хода педали сцепления и тормоза, действия рабочей и стояночной тормозных систем, свободного хода рулевого колеса и зазора в соединениях рулевого привода, натяжение ремня вентилятора и генератора; доведение до нормы уровня тормозной жидкости в питательных бачках главного тормозного цилиндра и привода выключения сцепления.
ТО-2 рекомендуется проводить с периодичностью, указанной выше, но не менее 1-го раза в год. Перед выполнением ТО-2 или в процессе его целесообразно проводить углубленное диагностирование всех основных агрегатов, узлов и систем автомобиля для установления их технического состояния , определения характера неисправностей, их причин, а также возможности дальнейшей эксплуатации данного агрегата, узла и системы.
При этом устанавливают следующее:
--коробка передач - наличия стуков и шумов в рабочем состоянии, самопроизвольное выключение под нагрузкой, наличие течи масла в местах разъёма деталей коробки передач, величину зазора при переключении передач;
--задний мост - наличие стуков и шумов в рабочем состоянии, наличие течи масла в местах разъёма деталей заднего моста, величину суммарного зазора в главной передаче и дифференциале;
-- карданный вал и промежуточная опора - зазоры в карданных сочленениях, шлицевых соединениях и в промежуточной опоре карданного вала;
-- рулевое управление - усилие, необходимое для вращения рулевого колеса, зазор вала рулевой сошки во втулках, надежность крепления пружин и рычагов передней подвески, а также штанг и стоек стабилизатора поперечной устойчивости;
-- рессоры и элементы подвески - наличие поломок листов или пружин, зазоры в соединениях рессорного пальца с втулкой рессоры и с проушиной кронштейнов подвески, параллельность переднего и заднего мостов и их расположение относительно кузова автомобиля;
Кроме того, необходимо проверить и отрегулировать углы установки управляемых колес, эффективность действия и одновременность срабатывания тормозных механизмов, балансировку колес, работу системы зажигания автомобиля, зазор между контактами прерывателя, установку и действие фар, направление светового потока, состояние всего тормозного привода, состояние радиатора, резиновых подушек, подвески двигателя.
При ТО-2 кроме объема работ по ТО-1 выполняют ряд дополнительных операций:
-- подтяжку гаек крепления фланца к ведущей шестерне главной передачи заднего моста и шарнирных пальцев крепления проушин амортизатора;
-- регулировку усилия поворота рулевого колеса, натяжение цепи привода механизма газораспределения двигателя, зазора между тормозными колодками и дисками колес, зазора в подшипниках ступиц передних колес.
ТО-1,ТО-2 и СО выполняется в зоне ТО и ТР на тупиковых постах, оборудованных подъемниками.
Сварочные работы являются неотъемлемой частью на СТО. Почти все ремонтные операции требуют применения сварки в том или ином объеме. Сварку при ремонте применяют при удалении поврежденного участка, правочных работах, установке частей или новых участков кузова и дополнительных деталей, а также заварке трещин, разрывов и пробоин с наложением или без наложения заплат, вставок в зависимости от площади и состоянии поврежденной поверхности кузова, для снятия закипевших механизмов.
На структурной схеме организации технологического процесса на участке по ремонту и диагностированию легковых автомобилей (рис.2.3)
показано движение автомобиля с момента его прибытия на участок и до окончательного действия, постановки отремонтированного автомобиля на стоянку.
|
Рис. 2.2 Структурная схема организации технологического процесса на участке по ремонту и диагностированию легковых автомобилей 2.3.ОРГАНИЗАЦИЯ ДИАГНОСТИРОВАНИЯ АВТОМОБИЛЯ
При диагностировании и техническом обслуживании ходовой части выполняют следующие операции:
- проверяют и регулируют углы установки передних управляемых колес;
- проверяют установку задней оси;
- проверяют балансировку колес (при необходимости балансируют их);
- проверяют амортизаторы.
Для диагностирования ходовой части автомобилей применяют различные стенды для проверки и регулировки углов управляемых колес, станки для динамической балансировки колес и стенды для проверки амортизаторов.
На участке диагностирования амортизаторы проверяют непосредственно на автомобиле, для чего применяют специальные стенды различной конструкции.
Техническое диагностирование является составной частью технологических процессов приема, ТО и ремонта автомобилей в СТО и представляет собой процесс определения технического состояния объекта диагностирования с определенной точностью и без его разборки и демонтажа.
Основными задачами диагностирования на СТО являются следующие:
общая оценка технического состояния автомобиля и его отдельных систем, агрегатов, узлов; определение места, характера и причин возникновения дефекта; проверка и уточнение неисправностей и отказов в работе систем и агрегатов автомобиля, указанных владельцем автомобиля в процессе приема автомобиля на СТО, ТО и ремонта; выдача информации о техническом состоянии автомобиля, его систем и агрегатов для управления процессами ТО и ремонта, т. е. для выбора маршрута движения автомобиля по производственным участкам СТО; определение готовности автомобиля к периодическому техническому осмотру в ГАИ; контроль качества выполнения работ по ТО и ремонту автомобиля, его систем, механизмов и агрегатов; создание предпосылок для экономичного использования трудовых и материальных ресурсов.
При определении действительной потребности в тех или иных видах работ на СТО исходят, как правило, из следующих факторов: имеет ли автомобиль неисправности в настоящий момент, какие агрегаты и узлы находятся на стадии отказа и каков их остаточный ресурс. Последнее определяется не во всех случаях из-за сложности.
Все неисправности и отказы, возникающие в процессе эксплуатации автомобилей, сопровождаются шумом, вибрациями, стуками, пульсациями давления, изменениями функциональных показателей мощности, тягового усилия, давления и так далее. Этим сопутствующим неисправностям и отказам признаками могут служить диагностические параметры. Диагностический параметр косвенно характеризует работоспособность элемента или агрегата, системы автомобиля.
Одним из основных требований, которым должна отвечать организация работ на СТО, является обеспечение гибкости технологических процессов в зонах ТО и ремонта, возможность различных сочетаний производственных операций. Роль связующего элемента управления выполняет диагностирование.
В процессе производства на СТО выполняются следующие виды диагностирования: заявочное диагностирование; техническое диагностирование при ТО и ремонте автомобиля, связанное с регулировками; контрольное диагностирование.
Заявочное диагностирование, получившее на СТО наибольшее распространение, проводится по заявке владельца автомобиля. Этот вид диагностических работ проводится в присутствии владельца автомобиля для получения подробной и объективной информации о состоянии технического средства. Осуществляется заявочное диагностирование непосредственно на посту диагностирования оператором-диагностом. В отдельных случаях здесь же производится устранение неисправностей: замена свечи зажигания, регулировка карбюратора.
Диагностирование автомобилей при ТО и ремонте в основном используется для проведения контрольно-регулировочных работ, уточнения дополнительных объемов работ по ТО и ремонту автомобилей, корректировке маршрута перемещения автомобиля к рабочим постам производственных участков СТО. Применение диагностирования при ТО и ремонте автомобиля позволяет существенно снизить трудоемкость проведения многих контрольно-регулировочных работ, повысить их качество за счет исключения разборочно-сборочных работ, связанных с необходимостью непосредственного измерения структурных параметров автомобиля (зазора между контактами прерывателя, рычагами и толкателями клапанов). Экономия времени может быть получена и за счет сокращения подготовительно-заключительных операций, например, при проверке тяговых качеств автомобиля.
Контрольное диагностирование проводится для оценки качества выполненных на СТО работ по ТО и ремонту автомобиля, его систем и агрегатов. Качество выполненных работ может быть проверено на диагностическом оборудовании поста диагностики.
На посту диагностирования в порядке исключения допускается устранение мелких неисправностей, включая замену отдельных деталей. Если в процессе диагностирования выявляются неисправности, которые препятствуют его дальнейшему проведению и не могут быть оперативно устранены на месте, то процесс прерывается, автомобиль направляется на соответствующий участок или зону для устранения дефекта, а затем возвращается для окончательного диагностирования.
На посту диагностирования допускается проведение некоторых работ ТО и ТР, если их выполнение не затрудняет процесс диагностирования и без них диагностирование не может быть проведено или если перемещение автомобиля на другой пост нецелесообразно из-за технологической родственности операции.
Технологический процесс диагностирования определяет перечень и рациональную последовательность выполняемых операций, их трудоемкость, квалификацию оператора-диагноста, технические условия на выполнение работ. Перечень операций включает подготовительные, контрольно- диагностические и регулировочные операции.
На СТО с ограниченным уровнем специализации применяется комплексное, многоцелевое использование диагностического оборудования во избежание простоя рабочих постов. Комплексное диагностирование - это проверка всех параметров автомобиля в пределах технических возможностей диагностического оборудования. Частным случаем комплексного диагностирования является экспресс-диагностирование, при котором объем работ ограничен в первую очередь деталями, узлами и агрегатами, влияющими на безопасность движения.
Использование диагностического оборудования позволяет на основании достоверной информации о техническом состоянии автомобиля рационально организовать технологический процесс ТО и ремонта, правильно распределять материальные и трудовые ресурсы и получать значительный экономический эффект. Систематическое диагностирование и оптимальное регулирование агрегатов и систем автомобилей с использованием диагностического оборудования обеспечивают уменьшение расхода топлива, шин, запасных частей и трудовых затрат.
На проектируемой станции технического обслуживания и ремонта автомобилей диагностирование производится непосредственно на участке ТО и Р. В некоторых случаях, когда не требуется подъём автомобиля на подъёмнике, ремонтник может продиагностировать автомобиль прямо на стоянке и уже после этого решать, необходимо ремонтировать автомобиль или нет.
При отсутствии специальных стендов для проверки действия амортизаторов передней и задней подвесок рекомендуется проводить так: установить автомобиль на эстакаду или смотровую канаву и раскачать его за передний или задний бампер, прикладывая усилие 400…500 Н. При исправных амортизаторах число колебаний кузова не должно превышать трех. Выявленные в процессе осмотра изношенные резиновые втулки крепления амортизаторов и буферы сжатия необходимо заменить.
Для контроля и регулировки углов установки колес легковых автомобилей с диаметром дисков 10-17" имеется отечественное регулировочно-диагностическое оборудование стенд для схода-развала на 4 колеса СТЕНД КДС-5К компьютерный с инфракрасным пультом дистанционного управления. База данных - более 5 тыс. моделей автомобилей, указания оператору по регулировке, архив клиентов. Протокол результатов содержит измеренные и нормативные величины. Четыре измерительных блока, 6 датчиков, незамкнутый контур. Механическая связь между блоками. Четыре платформы: передние поворотные, задние - сдвижные. Полный набор измеряемых параметров. Технические данные: погрешность измерений +5', 220 В, 250 Вт, 125 кг.
Для обслуживания данного стенда работает один мастер-диагност.
2.4.ОРГАНИЗАЦИЯ НА УЧАСТКЕ МОЙКИ АВТОМОБИЛЯ
Оборудование для мойки автомобилей подразделяются на общие и специальные.
К общему относятся площадки различного типа канавы, эстакады и подъемники. Посты подразделяются водонепроницаемой перегородкой. Дверной проем может иметь гибкую занавесу для автоматического ограждения моечной камеры после въезда и выезда автомобиля.
Наиболее распространенной в настоящее время является установка М-130 (рис.2.4а) для мойки легковых автомобилей всех классов, технические характеристики приведены в таблице 2.4
УСТАНОВКА M-130 для мойки легковых автомобилей и микроавтобусов , стационарная, автоматическая. Установка оснащена четырьмя вертикальными щетками для обмыва передних, боковых и задних плоскостей автомобиля, рамками смачивания и ополаскивания. Производительность до 30 авто/ч, максимальная высота автомобиля 2000 мм, расход воды до 100-150 л/авто,
давление подводимой воды 0,3-0,6 МПа, напряжение питания 380/3ф В, мощность 7,5 кВт, габариты 6500х3750х3350 мм, масса 3200 кг.
Таблица 2.4.1. Технические характеристики установки М-130
| показатели |
Модель установки |
| тип |
Стационарная, автоматическая |
| Производительность, авто/ч. |
До 30 |
| Расходы воды, л на 1 авто. |
100….150 |
| Давление воды, МПа |
0,3….0,6 |
| Общая мощность электродвигателей, кВт |
45 |
| Габаритные размеры, мм |
6500*3750*3350 |
| Масса, кг |
3200 |


Рис. 2.4.а УСТАНОВКА M-130 для мойки легковых автомобилей
стационарная, автоматическая
Дополнительным устройством в проектируемой мойке является моечная установка Elite-1910M (рис.2.4.в) Установка предназначена для мойки струей воды высокого давления автомобилей, дисков и двигателей, а также для сушки.
Установка профессионального класса серии ELITE оснащена насосом с тремя металлокерамическими поршнями, кривошипно-шатунным механизмом и кованными латунными головками.
Система управления насосом у данной модели Delayed Total Stop (сразу же выключающийся двигатель).
Все двигатели с термопредохранителем.
Форма струи воды и давление регулируется на пистолете.
Установки оборудованы устройством подачи моющихся химических веществ.
| Модель |
Серия ELITE |
|||
| 1910M |
2360Т |
2840T |
DSHH 2840T |
|
| Напряжение питания, В |
220 |
380 |
380 |
380 |
| Максимальное давление на выходе, атм |
30 – 130 |
30 – 160 |
30 – 190 |
30 – 190 |
| Расход воды, л/ч |
300 – 600 |
450 – 900 |
360 – 780 |
360 – 780 |
| Потребная мощность, кВт |
3 |
5,3 |
5,3 |
5,3 |
| Температура воды на входе, С |
0 – 50 |
0 – 50 |
0 – 50 |
0 – 50 |
| Емкость бака для шампуня, л |
7,5 |
7,5 |
7,5 |
7,5 |
| Длина шланга, м |
8 |
8 |
8 |
8 |
| Масса, кг |
44 |
44 |
44 |
44 |
| Габариты, см |
74х43х81 |
74х43х81 |
74х43х81 |
74х43х81 |
Таблица 2.4.2. Характеристики моющих установок серии ELITE

Рис.2.4в Моечная установка Elite-1910M
3.
Конструкторско-планировочная часть
3.1.ГЕНЕРАЛЬНАЯ ПЛАНИРОВКА СТО
Генеральный план разработан в соответствии со СНиП. Основной въезд и выезд на территорию СТО предусмотрен с одной стороны в механизированные ворота. Запасной выезд автомобилей не предусмотрен .
Основные показатели генерального плана:
Площадь территории 3000 м²
площадь застройки 1200 м²
площадь озеленения 1023 м²
плотность застройки 40%
протяженность ограждения 220м
площадь асфальто-бетонного покрытия 1100 м²
Генеральный план с разметкой площадей строящихся корпусов показан на рисунке 3.1
Рис. 3.1 Генеральный план с разметкой площадей строящихся корпусов
3.2. ПРОИЗВОДСТВЕННЫЙ КОРПУС СТО, МОЙКА, КАФЕ И СКЛАД
Строящийся производственный корпус СТО на 2 поста включает в себя:
-зону ТО и ТР;
-участок диагностики.
В производственном корпусе (рис.3.2а) будут одни ворота, всё под одной крышей, установлено два подъемника двухстоечных C-2.30 фирмы"CASCOS" (Испания), стенд для схода-развала компьютерный на 4 колеса СТЕНД КДС5, компрессор электропоршневой Сер. ADVANCED - MK103-200-3, настольный пресс MEGA KSC-10A и другое оборудование.
![]() |
Рисунок 3.2а Участок ремонта ходовой части автомобиля
На данном участке располагается такое оборудование:
1. стеллаж для деталей.
2. ларь для обтирочных материалов.
3. подъемник двухстоечный C-2.30 фирмы "CASCOS" (Испания)
4. подъемник двухстоечный C-2.30 фирмы "CASCOS" (Испания)
5. верстаки слесарные В-1 однотумбовые с тисками слесарными Т2.
6. шкаф для приборов и инструментов.
7. стенд для схода-развала компьютерный на 4 колеса СТЕНД КДС-5
8. противопожарный щит с ящиком для песка, огнетушителем и противопожарным инвентарём.
9. сварочный аппарат BIMAX 182.
10. компрессор электропоршневой Сер. ADVANCED - MK103-200-3
11. стеллаж для инструментов.
12. настольный пресс MEGA KSC-10A
13. раковина для мытья рук.
14. электрический рукосушитель.
15. ларь для отходов.
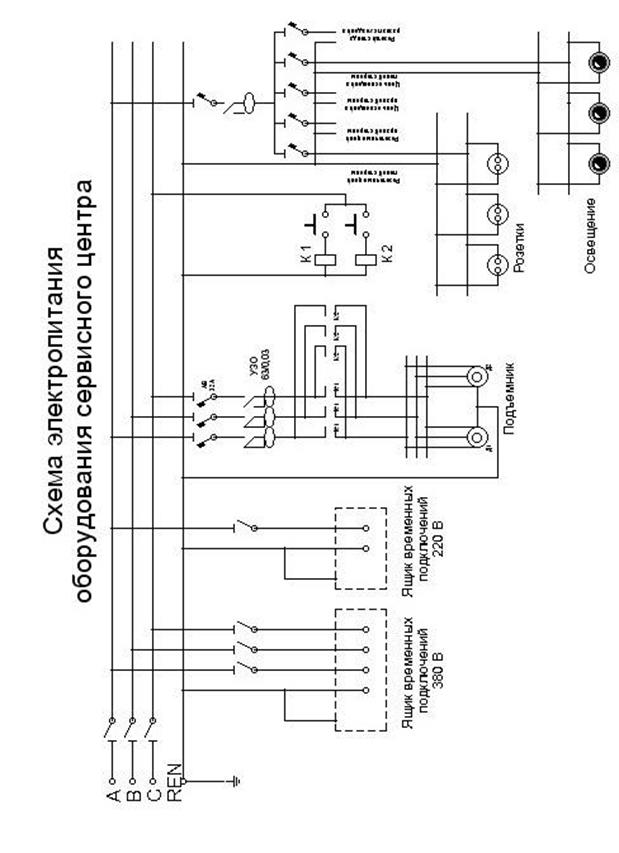
На схеме 3.2а показано электропитание оборудования сервисного центра
![]()

Схема 3.2а Электропитание оборудования сервисного центра
Мойка автомобилей на генеральном плане расположена отдельно.
Участок мойки планируется построить напротив производственного корпуса. Заезд и выезд также будет тупиковый, в одни механические ворота. Оборудован участок будет стационарной, автоматической установкой M-130 для мойки легковых автомобилей, а также передвижной моечной установкой Elite-1910M.
Расположение оборудования на автомобильной мойке представлено на рисунке 3.2б
Планировка поста уборки и мойки автомобиля:
1 - мусорный контейнер;
2 - УСТАНОВКА M-130 для мойки легковых автомобилей и микроавтобусов
3- установка создания воздушной завесы;
4- пульт управления;
5- противопожарный щит с ящиком для песка,
огнетушителем и противопожарным инвентарём.
6- ларь для обтирочного материала;
7 - барабан с самонаматывающимся шлангом и с пистолетом для воды;
8- ворота механизированные
9- Моечная установка Elite-1910M
10 - автоматическая установка;
11 - воздухораздаточная колонка;
![]()
![]()
Рисунок 3.2б Расположение оборудования на автомобильной мойке
![]()
Схема 3.2б Схема электропитания оборудования мойки
Схема электропитания оборудования мойки стандартно
и показано на схеме 3.2б.
Склад планируется построить смежно на общую стену с производственным корпусом. Это позволит сэкономить место, затраты на строительство в общем всей СТО. В помещении склада будут вмонтированы полки на металлических уголках, перекрытия из досок толщиной 20 мм
Кафе планируется построить также на территории СТО. На схеме 3.2с показана схема электропитания оборудования.
Планировка зон и участков произведена на основе СНиП.
![]()
Схема 3.2с Схема электропитания оборудования кафе
3.3 КОНСТРУКЦИЯ ЗДАНИЙ
Первым этапом строительства СТО является планировка и подготовка строительной площадки. В планировку площадки входит ряд инженерных мероприятий: нивелирование, обозначение территории застройки на местности. Также необходимо произвести очистку территории строительной площадки от различного мусора и т.д.
Закончив вышеперечисленные мероприятия, необходимо приступить к производству фундаментных работ.
Начальная стадия работ включает: отрывку котлована. Периметр котлована в соответствии с моим проектом равен Р = 220 м, а площадь S = 1130 м². Выбранный грунт, считаю возможным, применить в последствии для благоустройства территории.
Фундаменты металлические свайные из стальных труб длиной 3-8 м. После погружения полость свай заполняется пескобетоном. Выполнив эти мероприятия, необходимо установить железо-бетонные колонны прямоугольного сечения, после чего производится выравнивание и нивелирование колонн. Связка их осуществляется методом сварки закладных деталей. Закончив ряд вышеперечисленных работ, считаю возможным, перейти к строительству основной, надземной части сооружения.
Наружные стены выполнены из шлако-бетонных блоков марки ШБ. Они представляют собой отливаемые из бетона марки М-250 и шлака, блоки размером 350×150×150 мм . Выбор мой не случаен, т.к. производство их не требует больших материальных вложений, отсюда – низкая себестоимость материала .
С учетом дверных и оконных проемов необходимое для сооружения наружных стен количество составляет 6340 блоков. При выполнении этого вида работ необходимо применять отвес вертикальный, кладка шлакоблоков осуществляется на бетонный раствор марки М-300.
Завершив работу по возведению, нужно выполнить работы по монтажу восемнадцатиметровых двускатных, облегченных железо-бетонных балок-ферм в количестве 8 штук.
Монтаж этих балок осуществляется при помощи крана, путем установки их на колонны и последующей сваркой закладных деталей с соблюдением всех норм техники безопасности.
Кровля состоит из: металлической формы, железобетонной плиты, мин.плиты у=125кг/м, асфальтовой стяжки 10 мм, три слоя рубероида на битумной мастике, защитный слой гравия.
Полы в зоне ТО и ТР, кузовном, сварочном, жестяницком участках, участке диагностики, складе запасных частей :
покрытие бетон м 300 со щебнем , 25 мм;
подстилающий слой-бетон м 300-120 мм;
гидроизоляционный слой-слой щебня с подпиткой битума-50 мм; основание грунт.
В кафе покрытие линолеум.
В душевой туалетной покрытие керамическая плитка, шлифованный бетон.
Двери размером 1400х2000; 1000x2000 мм.
Ворота распашные, открываются наружу, размером 2400х2400 мм.
Высота здания 7200 мм, шаг колонн 5000 мм, пролет 5000 мм.
Оконные проемы - с одинарными переплетами в количестве 14шт.
Стены здания ограждают помещение от внешних температурных и атмосферных воздействий, несут нагрузку от перекрытия крыши к фундаменту. Стены должны обеспечивать нормальный температурно-влажный режим. СТО. Внутри здания стены выполнены из железобетонных плит толщиной 250 мм и габаритными размерами 1200х6000 мм. Крыша здания состоит из несущей и ограждающей частей. Несущая часть представляет собой конструктивные элементы, воспринимающие все нагрузки, в станции это металлическая ферма и теплоизоляционные плиты из армированных легких бетонов ГОСТ 7741-88. Ограждающей частью крыши является верхний водонепроницаемый слой, то есть кровля и основание. Кровля - верхний элемент покрытия, предохраняющий здание от проникновения атмосферных осадков. Основание под кровлю – поверхность теплоизоляции, по которой наклеивают слои водоизоляционного ковра рулонного, состоящего из трех слоев рубероида антисептированного дегтевого марки РМ-350 и битумной мастики МБЕ-Г-65 ТУ 21-27-28-71 и ТУ-21-27-16-88. Кровля станции состоит из пенополиуретановых плит ТУ 34-4827-75 и теплоизоляционных плит из армированных легких бетонов ГОСТ 7741-88.
Карниз - горизонтальный выступ стены, служит для отвода от поверхностей стен атмосферных осадков. Величина, на которую карниз выступает за поверхность стены, называется выносом карниза и равна 800 мм.
Карниз СТО выполнен из сборных железобетонных блоков 600х600 мм заводского изготовления.
Окна служат для освещения и проветривания помещения. Двери служат для сообщения между смежными помещениями. Ворота устраивают в здании для въезда и выезда легковых автомобилей. Полотна ворот, как правило состоят из металлического каркаса. По конструкции ворота станции распашные, а размер проема 2400х2400 мм.
Полы. Покрытие - верхний слой пола, непосредственно подвергающийся эксплуатационным воздействиям. На СТО покрытие выполнено из цементобетона. Подстилающий слой - слой пола, распределяющий нагрузки на грунт. Бетон М300 служит гидроизоляционным слоем, препятствующим проникновению через пол сточных вод и других жидкостей. Основанием пола является уплотненный грунт. Стяжка - слой пола, служащий для выравнивания поверхности нижележащего пола, придания покрытию пола заданного уклона. На станции стяжка - из шлакобетона 40 мм или цементного раствора толщиной 20 мм.
В соответствии с нормами СНиП и требованиями ГОСТа к строительству промышленных зданий и сооружений в заключение всех строительных работ, необходимо производить благоустройство близлежащей территории, посадка деревьев и газонов.![]()
![]()
![]()
![]()
4. Охрана труда, техническая и пожарная безопасность
4.1 ОБЩИЕ ПОЛОЖЕНИЯ
Охрана труда представляет собой комплекс законодательных, технических, санитарно-гигиенических и организационных мероприятий, направленных на обеспечение здоровых и безопасных условий труда.
Этот комплекс состоит из трех составляющих:
- правовой основы, т.е. основы законодательства о труде;
- технической и пожарной безопасности;
- производственной санитарии.
Общие нормы трудового законодательства изложены в Конституции РФ, а также Основах законодательства о труде. Этими документами регламентированы:
- трудовые соглашения на производстве;
- режим рабочего времени и отдыха трудящихся;
- условий труда женщин и подростков;
- другие положения.
Согласно Основам законодательства РФ о труде рабочие и служащие обеспечиваются:
- заработной платой, соразмерной количеству затраченного труда;
- правом на отдых в соответствии с законами об ограничении рабочего дня и рабочей недели;
- правом на здоровые и безопасные условия труда и т.д.
Трудовые права граждан охраняются законом. Защита рабочих прав осуществляется государственными органами, а также профессиональными союзами и другими общественными организациями.
В нашем случае для регулирования трудовых отношений заключается трудовой договор (контракт). Контракт – это соглашение между работником и предприятием, по которому первый обязуется выполнять работу по определенной специальности, квалификации или должности с подчинением внутреннему трудовому распорядку, а предприятие обязуется выплачивать заработную плату и обеспечить условия труда, предусмотренные законодательством о труде и соглашением сторон.
Право на отдых обеспечивается установлением для рабочих и служащих рабочей недели продолжительностью не более 41 часа. Для рабочих, занятых вредными работами устанавливаем сокращенное рабочее время – 36 часов в неделю, т.е. семичасовой рабочий день.
Рабочие данного предприятия заняты на работах, связанных с вредными условиями труда, поэтому устанавливается обязательное прохождение предварительного и периодического медицинских осмотров в сроки, установленные Министерством здравоохранения РФ. В данном случае запрещается применять труд женщин, лиц моложе восемнадцати лет, а также лиц, которым указанные работы противопоказаны по состоянию здоровья.
Техника безопасности при работе с подъемно-транспортным оборудованием или с опрокидывателем, связана со специфическими мероприятиями. В рабочем положении упорные лапы опрокидывателя должны быть надежно зафиксированы металлическим упором, который должен исключить самопроизвольное опрокидывание ремонтируемого автомобиля и т.д.
Производственная санитария – часть медицинской науки о гигиене труда, посвященная изучению и предупреждению профессиональных заболеваний. Профессиональными называются заболевания, которые получены в результате длительного воздействия на организм рабочего различных, вредных производственных факторов.
В качестве учебно-методического центра пропаганды техники безопасности и производственной санитарии на предприятии будет организован уголок техники безопасности, оборудованный наглядными пособиями.
В соответствии с действующими правилами, вновь поступающие рабочие обязаны пройти обучение техники безопасности при выполнении данного вида работ. Они будут допущены к работе только после прохождения:
- вводного (общего) инструктажа по технике безопасности;
- инструктажа по технике безопасности непосредственно на рабочем месте, который должен производиться также при каждом переходе на другую работу или при изменении условий работы.
Вводный инструктаж проводит инженер по технике безопасности или главный инженер предприятия. Во время этого инструктажа рабочих знакомят с характером данного предприятия, основными причинами несчастных случаев, обязанностями по соблюдению правил техники безопасности, разновидностями индивидуальных защитных средств и порядком пользования ими, а также со способами оказания первой помощи при несчастных случаях. Также рабочим сообщают правила электробезопасности, противопожарные правила и мероприятия, порядок проезда и прохода по территории предприятия. О проведенном инструктаже по технике безопасности делают запись в журнале. Выписка из журнала должна находиться в личном деле работника.
Инструктаж на рабочем месте (производственный инструктаж) проводит непосредственный руководитель работ, в подчинение которого направлен рабочий. При этом рабочему сообщают обязанности на рабочем месте, устройство и обслуживание машин и механизмов, требования правильного и безопасного обращения с электрооборудованием и электрофицированным инструментом, приемы безопасной эксплуатации имеющихся грузоподъемных механизмов, правила пользования индивидуальными защитными средствами, а также правила личной гигиены. Инструктаж заканчивается практическим выполнением безопасных приемов работы непосредственно на рабочем месте. Вновь принятого инструктированного рабочего прикрепляют на 2 - 3 дня к опытному рабочему-наставнику.
Кроме того, должны проводиться периодические и внеочередные инструктажи при изменении технологии и оборудования.
При сдаче производственного объекта к эксплуатации проводится обязательная его сертификация по соблюдению норм и правил охраны труда на производстве и каждое рабочее место должно быть аттестовано по условиям труда.
Большое значение для предупреждения производственного травматизма на предприятии имеет правильная организация рабочего места. Организация рабочего места исходит из следующих основных требований:
- на пост разборки ремонтный фонд должен поступать тщательно вымытый и очищенный;
- рабочие места – специализированы, т.е. каждый рабочий выполняет определенный вид работ, что позволит сократить время на подготовку к работе и более полно использовать инструмент и приспособления;
- рабочее место предусматривает максимальную экономию движений рабочего;
- рабочее место оснащено средствами механизации основных и вспомогательных работ, необходимой документацией, специализированной тарой.
Пожар – это неконтролируемое горение, развивающееся во времени и пространстве. Он наносит большой ущерб и нередко сопровождается несчастными случаями с людьми. Поэтому этому вопросу уделяется большое внимание на предприятиях автосервиса и, соответственно, в нашем предприятии.
По степени пожарной опасности помещения участков кузовного ремонта и окраски автомобилей относятся к категории «Г», «А», «Б».
В производственных помещениях предполагается установка системы пожарной безопасности, которая в данном случае будет состоять из ручных средств тушения пожара (пожарные шланги, огнетушители, химические порошки, ящики с сухим просеянным песком в расчете – 0,5м³ на 100м², в количестве 4-х штук и т.д.) и информационно – запрещающих знаков, типа «Не курить!».
На территории предприятия от всего персонала будет требоваться безукоризненное исполнение всех правил пожарной безопасности: курение разрешено только строго в отведенных местах, запрещено пользоваться открытым огнем и т.д. Особое внимание обращается на хранение легковоспламеняющихся материалов, чистоту помещений, исправность электропроводки и электроприборов, а также производство сварочных и малярных работ.
При проектировании генерального плана предприятия по обслуживанию автомобилей, кроме требований настоящих ВСН, должны соблюдаться требования СНиП II-89-80 и СНиП 2.07.01-89.
На территории АТП и ПАТО следует предусматривать две функциональные зоны - эксплуатационную и производственную. Эксплуатационная зона предназначается для организации приема, выпуска и межсменного хранения, производства работ ЕО и других сопутствующих им работ. Производственная зона предназначается для размещения зданий и сооружений для производства ТО-1, ТО-2 и ТР автомобилей. Взаимное расположение эксплуатационной и производственной зоны на территории предприятия должно обеспечивать разделение потоков персонала (водителей и производственных рабочих) при движении от административно-бытовых помещений к рабочим местам и обратно.
Территория предприятия должна иметь ограждение в соответствии с требованиями СН 441-72.
Ворота основного въезда на территорию предприятия следует размещать с отступом от “красной линии” на расстояние не менее наиболее длинной модели автомобиля.
Въезд на территорию предприятия должен предшествовать выезду, считая по направлению движения по проезду общего пользования.
На территории предприятия, независимо от его мощности, допускаются встречные и пересекающиеся движения автотранспорта при их интенсивности не более 5 автомобилей в час.
Расстояние от площадок и навесов для хранения и ожидания автомобилей до жилых и общественных зданий должно приниматься в соответствии с требованиями СНиП 2.07.01-89.
Расстояние от гаражей-стоянок, открытых площадок для стоянки легковых автомобилей, а также станции технического обслуживания до жилых домов и общественных зданий следует принимать по СНиП 2.07.01-80.
Расстояние от предприятий по обслуживанию грузовых автомобилей и автобусов (от границ их земельных участков) до жилых домов и общественных зданий следует принимать легковых автомобилей – 50м
Производственные здания предприятий по обслуживанию автомобилей должны проектироваться в соответствии с требованиями СНиП 2.09.02-85 и настоящих ВСН.
Производственно-складские помещения ТО и ТР предприятий по обслуживанию автомобилей I, II и III категории следует размещать в одном здании. Допускается размещение в отдельном здании помещений комплекса ТО, окрасочных, кузовных, шиномонтажных и сопутствующих им работ.
Помещения хранения подвижного состава допускается размещать совместно с производственно-складскими помещениями ТО и ТР в одном здании предприятия категорий В, Г и Д.
Помещения хранения подвижного состава должны отделяться от других помещений противопожарными стенами 2-го типа и перекрытиями 3-го типа.
Пристроенные помещения хранения подвижного состава должны отделяться от остальной части здания противопожарными глухими стенами I-го типа.
Для пристроенных к общественным зданиям и встроенных в общественные здания помещений хранения подвижного состава следует предусматривать устройство самостоятельных инженерных коммуникаций (вентиляции, водопровода, электросетей и т.п.).
В случае транзитной прокладки инженерных коммуникаций (за исключением сетей водопровода и теплоснабжения) через пристроенные и встроенные помещения хранения подвижного состава, они должны быть заключены в глухие строительные конструкции с пределом огнестойкости 2,5 часа.
Над проемами ворот встроенных и пристроенных помещений хранения подвижного состава следует предусматривать козырьки с пределом огнестойкости не менее 0,75 часа шириной не менее 1 м для обеспечения расстояния от края козырька до низа оконных проемов общественного здания не менее 4 м, расстояние от верха оконного проема встроенного и пристроенного помещения хранения подвижного состава до низа оконного проема в общественном здании должно быть не менее 4 м.
Эвакуационные выходы из помещений вентиляционных камер, расположенных на антресолях и вставках (встройках) в одноэтажных зданиях I, II, III степени огнестойкости, при отсутствии в них масляных и других сгораемых фильтров, допускается предусматривать на внутренние открытые стальные наклонные лестницы, размещаемые в помещениях хранения, постов ТО и ТР и в помещениях категорий В, Г и Д пожарной опасности.
Эвакуационные выходы из помещений таких вентиляционных камер, расположенных в многоэтажных зданиях, допускается предусматривать через указанные помещения.
Для выполнения отдельных видов или группы работ ТО и ТР, устанавливаемых технологической частью проекта, с учетом их противопожарной опасности и санитарных требований, следует предусматривать отдельное помещение, выделенное противопожарными перегородками и перекрытиями в зависимости от степени огнестойкости здания согласно СНиП 2.09.02-85.
Шиномонтажные работы допускается производить в помещении постов ТО и ТР.
На СТОА с количеством постов ТО и ТР до 10 включительно в помещении постов ТО и ТР допускается размещать посты для ремонта кузовов с применением сварки при условии, что указанные посты должны быть ограждены сплошными несгораемыми экранами высотой 2,5 м от пола и обеспечены централизованным газоснабжением.
Проемы между помещениями моечных работ комплекса ЕО и смежными с ними помещениями хранения, постов ТО и ТР допускается заполнять водонепроницаемыми шторами.
Камеры для мойки автомобилей I категории допускается размещать в помещении постов ТО и ТР.
Для хранения запасных частей и материалов, указанных ниже в каждом подпункте, следует предусматривать отдельное помещение, выгороженное противопожарными перегородками и перекрытиями в зависимости от степени огнестойкости здания:
а) двигателей, агрегатов, узлов, деталей, непожароопасных материалов, металлов, инструмента, ценного утиля (цветной металл и т.п.);
б) автомобильных шин (камер и покрышек);
в) смазочных материалов;
г) лакокрасочных материалов;
д) твердых сгораемых материалов (бумага, картон, ветошь).
При проектировании административных и бытовых помещений предприятий по обслуживанию автомобилей, должны соблюдаться требования СНиП 2.09.04-87 и настоящих ВСН.
При проектировании водоснабжения и канализации предприятий по обслуживанию автомобилей должны соблюдаться требования СНиП 2.04.02-84, 2.04.03-85, 2.04.01-85 и настоящих ВСН.
Расходы воды на хозяйственно-питьевые нужды для водителей и кондукторов следует определять из расчета явочной численности персонала и нормы расхода на одного человека.
При определении расчетного расхода воды на пожаротушение, расходы воды на мойку подвижного состава, деталей и технологического оборудования, прием душа, мытье полов и поливку территории учитывать не следует.
Расчетный расход воды на наружное пожаротушение площадок хранения автомобилей следует принимать.
При хранении на открытой площадке расход воды на наружное пожаротушение следует определять для общего количества автомобилей по среднеарифметической норме, установленной для автомобилей каждой категории.
При размещении производств под навесом расход воды на наружное пожаротушение следует принимать из расчета общего количества рабочих постов или мест хранения, приравнивая их к количеству мест открытого хранения автомобилей. Устанавливать пожарные краны при этом не требуется.
Для технологических процессов с одинаковыми требованиями к качеству воды и близкими по характеристике загрязнениями, вносимыми в воду, следует предусматривать системы оборотного водоснабжения в виде отдельных замкнутых циклов для мойки подвижного состава, мойки агрегатов, узлов и деталей, окраски подвижного состава.
Стабилизационную обработку воды в системах оборотного водоснабжения допускается не предусматривать.
Использование для производственного водоснабжения воды питьевого качества допускается в виде исключения при отсутствии технического водопровода и при технико-экономическом обосновании нецелесообразности устройства системы оборотного водоснабжения.
Потери воды при производстве моечных процессов следует принимать в размере 10-15% от общей потребности воды, определяемой в технологической части проекта.
При применении системы оборотного водоснабжения для мойки легковых автомобилей и автобусов на заключительной стадии моечного процесса следует предусматривать обмыв наружных поверхностей их кузовов свежей технической водой или, при отсутствии технического водопровода, водой питьевого качества.
Для очистки сточных вод от постов санитарной обработки автомобилей, перевозящих пищевые продукты, следует предусматривать самостоятельные очистные сооружения оборотного водоснабжения со сбросом излишков воды при ополаскивании водой питьевого качества в сеть бытовой канализации.
Для очистки сточных вод от мойки автомобилей, перевозящих фекальные жидкости и мусор, ядовитые материалы и инфицирующие материалы, следует предусматривать отдельные для каждого типа подвижного состава очистные сооружения со сбросом сточных вод после очистки в сеть бытовой канализации.
Очистные сооружения производственных сточных вод предприятий автомобильного транспорта могут быть отдельно-стоящими или размещаться внутри производственных зданий.
Расстояние от отдельно стоящих подземных очистных сооружений для сточных вод, не содержащих горючих и легковоспламеняющихся веществ, до зданий и сооружений предприятий автомобильного транспорта не нормируется.
Допускается предусматривать в составе производственного здания предприятия отдельные помещения для размещения оборудования закрытого типа (без открытой поверхности) для очистки:
- сточных вод от мойки автомобилей и сточных вод, содержащих моющие растворы, производительностью не более 30 л/с с удельным содержанием уловленных нефтепродуктов не более 10 кг с 1 м2 водной поверхности и общей площади поверхности закрытых резервуаров не более 120 м2;
- краскосодержащих сточных вод;
- кисло-щелочных сточных вод;
- сточных вод, содержащих механические примеси.
Указанные помещения должны отделяться от других производственных помещений противопожарными перегородками 1-го типа и перекрытиями 2-го типа.
Приемные резервуары закрытого типа (без открытой поверхности) для производственных сточных вод вместимостью не более 10-минутной производительности насоса, откачивающего эти сточные воды на очистные сооружения, и местные очистные сооружения производительностью до 20 м3/сут. допускается размещать в производственных помещениях непосредственно у технологического оборудования, являющегося источником сбросной воды.
На трубопроводах, подающих производственные сточные воды (нефтесодержащие, краскосодержащие и содержащие моющие растворы) на местные очистные сооружения, следует предусматривать гидрозатворы.
Сточные воды от мытья полов помещений хранения, постов ТО и ТР, включая посты заправки автомобилей маслами, следует направлять на подпитку очистных сооружений системы оборотного водоснабжения мойки подвижного состава или в дождевую канализацию.
При проектировании отопления и вентиляции предприятий по обслуживанию автомобилей должны соблюдаться требования СНиП 2.04.05-86 и настоящих ВСН.
Отопление помещений хранения, постов ТО и ТР, как правило, следует предусматривать воздушное, совмещенное с приточной вентиляцией.
Отопление местными нагревательными приборами с гладкой поверхностью без одобрения допускается в помещениях хранения автомобилей в одноэтажных зданиях, объемом до 10000 м3 включительно, а также в помещениях хранения автомобилей в многоэтажных зданиях независимо от объема.
Для обеспечения требуемых условий воздушной среды в помещениях хранения, постов ТО и ТР следует предусматривать общеобменную приточно-вытяжную вентиляцию с механическим побуждением с учетом режима работы предприятия и количества вредных выделений, устанавливаемых в технологической части проекта.
В помещениях хранения подвижного состава, включая рампы, удаление воздуха, следует предусматривать из верхней и нижней зон помещения поровну; подача приточного воздуха в помещение должна, как правило, осуществляться сосредоточенно вдоль проездов.
Воздуховоды для удаления воздуха из нижней зоны этажа допускается располагать в колесоотбойных устройствах (тротуарах).
В помещениях постов ТО и ТР удаление воздуха системами общеобменной вентиляции следует предусматривать из верхней и нижней зоны поровну с учетом вытяжки из смотровых канав, а подачу приточного воздуха - рассредоточено в рабочую зону и в смотровые канавы, а также в приямки, соединяющие смотровые канавы, и в тоннели, предусматриваемые для выхода из проездных канав, расположенных на потолке. Расположение вентиляционных труб показано на рисунке 4.1.
![]()
![]()
Рисунок 4.1 Расположение вентиляционных труб
Температура приточного воздуха в смотровые канавы, приямки и тоннели в холодный период года должна быть не ниже +16°С и не выше +25°С.
Количество приточного и вытяжного воздуха на один кубический метр объема смотровых канав, приямков и тоннелей следует принимать из расчета их десятикратного воздухообмена.
Системы вентиляции воздушного отопления для помещений хранений подвижного состава следует проектировать отдельными от аналогичных систем другого назначения.
В производственных помещениях, имеющих сообщение через двери и ворота без тамбура с помещениями хранения и постов ТО и ТР, объем приточного воздуха следует принимать с коэффициентом 1,05.
При этом, в помещениях хранения и постов ТО и ТР объем приточного воздуха должен быть соответственно уменьшен.
При размещении в помещении не более пяти постов для ТО и ТР автомобилей допускается проектировать местные отсосы с естественным удалением для автомобилей с мощностью не более 130 кВт (180 л.с.)
В помещениях хранения подвижного состава без естественного освещения или при расстоянии от окон до наиболее удаленной точки помещения, превышающем 30 м, следует предусматривать вытяжные шахты или открываемые окна в верхней части помещения для дымоудаления общей площадью не менее 0,2% от площади пола помещения.
Конструкция вытяжных шахт должна исключить возможность проникновения дыма с одного этажа на другой за счет устройства огнезадерживающих клапанов с управлением от системы противопожарной автоматики и дистанционным ручным управлением, расположенных у выходов из помещения.
4.2 ОПАСНЫЕ И ВРЕДНЫЕ ПРОИЗВОДСТВЕННЫЕ ФАКТОРЫ СТО
Условия труда на СТО - это совокупность факторов производственной среды, оказывающих влияние на здоровье и работоспособность человека в процессе труда. Эти факторы различны по своей природе, формам проявления, характеру действия на человека. Среди них особую группу представляют опасные и вредные производственные факторы. Их знание позволяет предупредить производственный травматизм и заболевания, создать более благоприятные условия труда, обеспечив тем самым его безопасность. В соответствии с ГОСТ 12. О. 003-74 опасные и вредные производственные факторы подразделяются по своему действию на организм человека на следующие группы: физические, химические, биологические и психофизиологические.
Физические опасные и вредные производственные факторы подразделяются на: движущиеся машины и механизмы; подвижные части производственного оборудования и технической оснастки ; передвигающиеся изделия, детали, узлы, материалы; повышенную запыленность и загазованность воздуха рабочей зоны; повышенную или пониженную температуру поверхностей оборудования, материалов; повышенную или пониженную температуру воздуха рабочей зоны; повышенный уровень шума на рабочем месте; повышенный уровень вибрации; повышенный уровень ультразвука и инфразвуковых колебаний; повышенное или пониженное барометрическое давление в рабочей зоне и его резкое изменение; повышенную или пониженную влажность воздуха, ионизацию воздуха в рабочей зоне; отсутствие или недостаток естественного света; недостаточную освещенность рабочей зоны; пониженную контрастность; повышенную яркость света; острые кромки, заусенцы и шероховатость на поверхностях заготовок, инструментов и всего оборудования.
Химические опасные и вредные производственные факторы подразделяются по характеру воздействия на организм человека на токсические, раздражающие, сенсибилизирующие, канцерогенные, мутагенные, влияющие на репродуктивную функцию, а по пути проникновения в организм человека - на проникающие через органы дыхания, желудочно-кишечный тракт, кожные покровы и слизистые оболочки.
Биологические опасные и вредные производственные факторы включают следующие биологические объекты: патогенные микроорганизмы бактерии, вирусы, грибы и продукты их жизнедеятельности; микроорганизмы (растения и животные).
Психофизиологические опасные и вредные производственные факторы по характеру действия подразделяются на физические и нервно-психические перегрузки на человека. Физические перегрузки подразделяются на статические и динамические, а нервно-психические на умственное перенапряжение, перенапряжение анализаторов, монотонность труда, эмоциональные перегрузки.
При техническом обслуживании и текущем ремонте автомобилей возникают следующие опасные и вредные производственные факторы: движущихся автомобилей, незащищенных подвижных элементов производственного оборудования, повышенной загазованности помещений отработавшими газами легковых автомобилей, опасности поражения электрическим током при работе с электроинструментом и др.
Требования безопасности при ТО и ремонте автомобилей установлены ГОСТ 12. 1. 004-85, ГОСТ 12. 1. 010-76, Санитарными правилами организации технологических процессов и гигиеническими требованиями к производственному оборудованию, правилами по охране труда
на автомобильном транспорте и правилами пожарной безопасности для станций технического обслуживания.
Технологическое оборудование должно отвечать требованиям ГОСТ 12. 2. 022-80, ГОСТ 12. 2. 049-80, ГОСТ 12. 2. 061-81 и ГОСТ 12. 2. 082-81.
В зоне ТО и в зоне ТР для обеспечения безопасной и безвредной работы ремонтных рабочих, снижения трудоемкости, повышения качества выполнения работ по ТО и ТР легковых автомобилей работы проводят на специально оборудованных постах, оснащенных электромеханическими подъемниками, которые после подъема автомобиля крепятся специальными стопорами. Автомобиль на подъемнике должен быть установлен без перекосов.
Для предупреждения поражения работающих электрическим током подъемники заземляют. Для работы ремонтных рабочих "снизу" автомобиля применяется индивидуальное освещение 220 вольт, которые оборудованы необходимыми средствами безопасности. Снятие агрегатов и деталей, связанное с большими физическими напряжениями, неудобствами, производят с помощью съемников. Агрегаты, заполненные жидкостями, предварительно освобождают от них, и лишь после этого снимают с автомобиля. Легкие детали и агрегаты переносят вручную, тяжелые агрегаты массой более 20кг снимают с приспособлениями и транспортируют на передвижных тележках.
Ремонтные рабочие должны пользоваться исправным инструментом и оснасткой, так как автомобили сами заезжают на посты ТО и ремонта, зона ТО и ТР снабжена принудительно-вытяжной вентиляцией.
Все рабочие места в зонах ТО и ТР должны содержаться в чистоте, не загромождаться деталями, оборудованием, приспособлениями. На рабочем месте слесаря по ремонту автомобиля должны быть необходимые оборудование, приспособления и инструмент. Все оборудование и инструмент, запасные части, приспособления располагают в непосредственной близости в пределах зоны досягаемости.
При сварочных работах основную опасность представляет видимое и инфракрасное излучение, повышенная температура, расплавленный металл и вредные газы. Сварочные работы выполняются по ГОСТ 12. 3. 003-86, а также на основании Правил техники безопасности и производственной санитарии при электросварочных работах и других.
Место, где установлен сварочный аппарат окрашено в светло серый цвет краской с добавлением в нее окиси цинка для поглощения ультрафиолетовых лучей. Все оборудование электросварочных установок должно иметь исполнение, соответствующее условиям окружающей среды. Корпуса электросварочных установок и другие металлические нетоковедущие части оборудования заземляют.
Для предохранения глаз сварщиков от лучей электрической дуги применяются сварочные шлемы с защитными стеклами. Все рабочие должны быть оснащены спецодеждой и исправным оборудованием.
Организацию и проведение работ, размещение и эксплуатацию оборудования следует проводить в соответствии с требованиями ГОСТ 12. 3. 002-75, Правил и норм техники безопасности, пожарной безопасности и производственной санитарии. Помещение станции по ремонту автомобилей и мойку в частности дополнительно оборудовали механической приточно-вытяжной вентиляцией и средствами пожаротушения. В ремонтном цехе установлено четыре, а на мойке и в кафе по одному противопожарных щита с противопожарным инвентарём, углекислотными огнетушителями ОУ-8 и ОУ-25 и ящиками с песком. Также на улице имеется ящик с песком и противопожарный щит.
5. Экономическая часть.
5.1 РАСЧЁТ ЗАТРАТ НА СТРОИТЕЛЬСТВО, ТЕКУЩИЕ РАСХОДЫ
5.1.1 ЗАТРАТЫ НА СТРОИТЕЛЬСТВО И ОБОРУДОВАНИЕ БОКСА
Капитальные затраты на строительство рассчитываются по формуле:
Кс = Кф + Кст + Котд + Коб , руб. (5.1),
где Кф – затраты на возведение фундамента;
Кст – затраты на строительство надземной части сооружения;
Котд – затраты на отделочные работы;
Коб – затраты на оборудование;
1) Расчет затрат на возведение фундамента под строительство:
- Выкапывание котлована – 30000 руб;
- Песок – 12000 руб;
- Ж/б фундаменты с доставкой и установкой – 42040 руб;
- Ж/б колонны с доставкой и установкой – 49680 руб;
- Фундаментные плиты с доставкой и установкой – 31760 руб;
- Стяжка М-300 – 35000 руб.
Кф = 200480 руб.
2) Расчет затрат на строительство надземной части сооружения:
- Шлакоблоки по 22 руб/шт – 125360 руб;
- Кладка шлакоблоков по 4 руб/шт – 25360 руб;
- Кирпич с доставкой и кладкой – 48888 руб;
- Кровля с доставкой и установкой – 140320 руб;
- Балки с доставкой и установкой – 58500 руб;
- Рамы оконные с доставкой и установкой – 45000 руб;
- Ворота с доставкой и установкой – 31000 руб;
- Двери с доставкой и установкой – 24000 руб;
- Выравнивание стен и заливка пола – 31100 руб.
Кст = 529528 руб
3) Расчет затрат на отделочные работы:
- Окрашивание – 10000 руб;
- Краска – 4500 руб;
- Плитка с кладкой – 60600 руб.
Котд = 75100 руб.
4) Затраты на оборудование:
Из них на пост ремонта ходовой части
- Подъемник 2-хстоечный(2шт)– 80000руб*2=160000руб
- Верстаки слесарные В-1 однотумбовые с тисками слесарными Т2(2шт) – 12900руб*2=25800
- сварочный аппарат BIMAX 182 –15500руб
- компрессор электропоршневой Сер. ADVANCED - MK103-200-3 –28000руб
- настольный пресс MEGA KSC-10A–13800руб
- Шкаф инструментальный(2шт) – 5050руб*2=10100руб
- Наборы инструментов(3шт) – 1950руб*3= 5850руб
Пост мойки автомобилей
- УСТАНОВКА M-130 для мойки ТС– 364500руб
- Моечная установка ELITE 191OM –23400руб
- Оборудование для химчистки и уборки а/м – 12000руб
- Полировочное оборудование – 10000руб
- Компрессор – 15900руб
Оборудование кафе – 15000руб
Коб = 700000руб
Значит, затраты на строительство по формуле (5.1) составляют:
Кс = 200480 + 529528 + 75100 + 700000 = 1505108 руб.
5.1.2 РАСЧЁТ ГОДОВЫХ ТЕКУЩИХ ЗАТРАТ
Годовые затраты рассчитываются по формуле:
Зг = За + Кн · Ззп + Зэ + Зар + Зпр , руб. (5.1.2),
где За – амортизационные отчисления с основных фондов;
Ззп – затраты на заработную плату;
Зэ – затраты на энергообеспечение;
Зар – затраты на аренду земли;
Зпр – прочие расходы;
Кн – коэффициент отчислений на заработную плату,
Кн = 1,6.
За = 1/15 Кс = 1/15 · 1505108 = 100340,53 руб.
Количество рабочих – 6 человек.
Заработная плата одного рабочего будет составлять – 7000 руб/месяц.
Ззп = 7000 · 6 · 12 = 504000 руб.
Для освещения помещения в рабочее время задействованы 17 ламп. Принимаем, что работа светильников – 8 часов в день.
Тогда, потребляемая электроэнергия в день в среднем равна: 12,8 кВт·ч.
Годовая потребляемая электроэнергия освещением – кВт·ч.
Потребление энергии оборудованием участков составляет:
7,5 кВт·ч = 52,5 кВт·ч за день.
Годовая потребляемая электроэнергия оборудованием – 18375 кВт·ч.
Остальные энергозатраты принимаем – 1000 кВт·ч в год.
Стоимость 1кВт·ч = 1,3 руб.
Зэ = ( Плг + Побг +Ппрг ) · С
, где Плг – годовая потребляемая электроэнергия освещением;
Побг – годовая потребляемая электроэнергия оборудованием;
Ппрг – прочие годовые энергозатраты;
С – стоимость единицы электроэнергии.
Зэ = (4352+18375+1000) * 3,1 = 73553,7 руб.
Затраты на аренду земли рассчитываем с учетом того, что арендная плата составляет 100 руб. за 1м² в год.
Площадь проектируемой СТО S = 3000м².
Зар = 3000·100 = 300000 руб.
К прочим затратам можно отнести:
- премии работникам, в размере 15000 руб;
- непредвиденные обстоятельства, в размере 5000 руб.
Зпр = 15000+5000 = 20000 руб.
Зг = 1300294.23 руб.
5.2 РАСЧЁТ ДОХОДОВ
Годовая выручка станции рассчитывается по формуле:
Вг = Аа · Дг · Су · Ку , руб. (5.2)
, где Аа – количество а/м одновременно обслуживаемых за один день;
Дг – количество рабочих дней в году;
Су – стоимость услуги;
Ку – коэффициент использования рабочих постов.
Ремонт ходовой части:
3·355·1500·0,75 = 1198125руб.
НДС (20%) составит – 239625 руб.
Налог на прибыль (24%) – 287550 руб.
Автомойка:
22*355*350*0,75 = 2050125 рублей.
НДС – 410025 рублей.
Налог на прибыль – 492030 рублей.
Кафе:
10*355*250*0,75 = 665625 рублей.
НДС – 133125 рублей.
Налог на прибыль – 159750 рублей.
Вг = 1198125 + 2050125 + 665625 = 3913875 рублей.
5.3 ОЦЕНКА РЕНТАБЕЛЬНОСТИ СРОКОВ ОКУПАЕМОСТИ
Расчет коэффициента рентабельности производится по формуле:
Кпр = (Вг · 0,8 · 0,95 - Зг) ·0,76 / Зг (5.3)
Кпр = (3913875 · 0,8 · 0,95 – 1300294.23 ) ·0.76 / 1300294.23 = 0,98
Годовой экономический эффект рассчитывается по формуле:
Э = Вг – Зг = 3913875 – 1300294,23 = 2613580,77руб.
Срок окупаемости получаем по формуле:
Ос = (Зг + Кс) / Пг, лет. (5.3.1),
где Пг – чистая годовая прибыль, вычисляемая:
Пг = (Вг·0,8·0,95-Зг)0,76 ;
Пг = 1272430,59рублей.
Ос = 1300294,23 + 1505108/354840,8 = 2,2 года.
Отсюда следует, что данный проект участков ремонта ходовой части и автомойки, а также кафе примерно за 2,2 года.
Заключение
В данной дипломной работе разработан проект станции технического обслуживания и ремонта ходовой части ООО «Калининград СТО». Представлены технологический процесс работы СТО по ремонту и диагностированию ходовой части автомобиля. В проекте выполнены планировки участков, подбор необходимого оборудования для выполнения данных видов работ.
В маркетинговой части были проведены исследования работы конкурентов на базе двух близлежащих предприятий, и была проведена балльная оценка нового предприятия по сравнению с ними.
Также указаны планы реализации требований по охране труда, производственной санитарии, пожарной и технической безопасности на предприятии.
В экономической части представлены оценка рентабельности работ и срока окупаемости проекта, равного примерно 2,2 года.
В дальнейшем можно расширить спецификацию выполняемых работ на предприятии, за счет чего можно будет увеличить прибыль данной станции.
Список используемой литературы:
1. Техническое обслуживание и ремонт автомобилей: Учебник, /В.М. Власов, 2-е изд. – М.: «Академия», 2004.
2. Волгин В.В. Автомобильный дилер: Практическое пособие по маркетингу и менеджменту сервисных услуг и запасных частей. – М. : Ось, 1997.
3. Котлер Ф. Основы маркетинга. – М. : Прогресс, 1990.
4. Колесник П.А. Техническое обслуживание и ремонт автомобилей: Учебник. – М.: Транспорт, 1982.
5. Напольский Г.М. Обоснование спроса на услуги автосервиса и технологический расчет СТО легковых автомобилей. – М.: МАДИ, 2000.
6. Фастовцев Г.Ф. Автотехобслуживание. – М.: Машиностроение, 1985.

