| Скачать .docx |
Реферат: Система управления подвижным составом
Лабораторная работа № I.
ИЗУЧЕНИЕ МЕТОДОВ И СХЕМ ИСПЫТАНИЙ ТЯГОВЫХ ЭЛЕКТРИЧЕСКИХ МАШИН
Цель работы:
Изучить и сравнить между собой различные методы и схемы испытаний ТЭМ, получить практические навыки управления испытательными стендами, ознакомиться с принципами их анализа и расчета.
Объем работы:
· Изучить виды и программы испытаний ТЭМ.
· Усвоить принципы построения схем испытаний методами непосредственного и взаимного нагружения, методику их пуска и регулирования.
· На основе экспериментальных данных произвести сравнительную оценку расхода электроэнергии сети при испытаниях ТЭМ по методу непосредственного и взаимного нагружения.
· Выполнить теоретический расчет параметров ВДМ и ЛГ для испытательной станции по заданным параметрам испытуемого двигателя.
Порядок работы:
· Исходя из наличия двух идентичных по конструкции машин и двух управляемых источников питания, разработать электрические схемы испытаний ТЭМ по методу непосредственного и взаимного нагружения с указанием приборов, необходимых для регистрации расхода мощности сети и полезной мощности испытуемого двигателя.
· Собрать схему для испытаний ТЭД методом непосредственного нагружения, произвести пуск на заданном преподавателем напряжении и осуществить пробное регулирование режимов работы двигателя, удостоверившись в правильности работы схемы.
· Изменяя нагрузочный момент на валу испытуемого двигателя, снять зависимость расходуемой электрической мощности сети от мощности, реализуемой двигателем, в пределах шкал используемых приборов.
· Собрать схему испытаний ТЭМ по методу взаимного нагружения, произвести пробный пуск на заданном напряжении и пробное регулирование режимов работы двигателя, удостоверившись в правильности работы схемы.
· Изменяя нагрузочный момент на валу испытуемого двигателя, получить зависимость расходуемой электрической мощности сети от мощности, реализуемой двигателем, в том же диапазоне нагружений, что и по методу непосредственного нагружения.

Рисунок №1 Схема испытаний методом непосредственного нагружения.

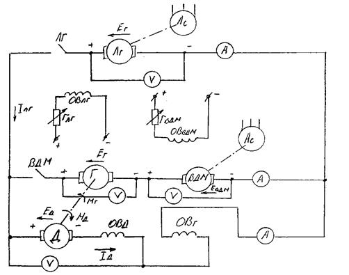
Рисунок №2. Принципиальная электрическая схема испытаний методом взаимного нагружения.
Таблица №1
Результаты испытаний методом непосредственного нагружения.
| Uд , В |
Iд , А |
Uг , В |
Iг , А |
Uов , В |
Iов , А |
n, об/мин. |
| 100 |
2,9 |
46 |
2,5 |
5 |
3 |
25 |
| 100 |
5,8 |
70 |
4,2 |
10 |
7,5 |
15 |
| 100 |
7,2 |
85 |
4,6 |
20 |
15 |
12 |
| 100 |
7,9 |
75 |
5,5 |
20 |
15 |
10 |
| 100 |
8,8 |
63 |
6,7 |
20 |
15 |
10 |
| 100 |
10 |
59 |
8,1 |
20 |
15 |
9 |
Таблица №2 Результаты испытаний методом взаимного нагружения.
| Uд , В |
Iд , А |
Uвдм , В |
Iвдм , А |
Uлг , В |
Iлг , А |
n, об/мин. |
| 100 |
2,4 |
20 |
1 |
105 |
1,5 |
27 |
| 100 |
4,5 |
30 |
3 |
109 |
1,2 |
16 |
| 100 |
6 |
37 |
5 |
111 |
1,1 |
14 |
| 100 |
8,4 |
50 |
7 |
114 |
1,1 |
10 |
| 100 |
10 |
60 |
9 |
119 |
1,1 |
8 |
Па основе экспериментальных данных произведём сравнительную оценку расхода электроэнергии при испытании ТЭМ методом непосредственного и взаимного нагружения.
Метод взаимного нагружения.
![]()
![]()
![]()
![]()
![]()
Метод непосредственного нагружения.
![]()
![]()
![]()
![]()
![]()
Таблица №3
Расчетные данные для построения графика зависимости Рсети и Рдв .
| Метод непосредственного нагружения |
Р1сети |
305 |
655 |
1020 |
1090 |
1180 |
1300 |
| Р1дв |
202,5 |
437 |
555,5 |
601,25 |
651,05 |
738,95 |
|
| Метод взаимного нагружения |
Р2сети |
177,5 |
220,8 |
307,1 |
475,4 |
670,9 |
- |
| Р2дв |
158,25 |
355,35 |
481,3 |
653,6 |
762,55 |
- |
% экономии электроэнергии равен (Р1сети -Р2сети )/Р1сети *100%
1 – кривая зависимости Рсети от Рдв при непосредственном нагружении.
2 – кривая при взаимном нагружении.
3 – процентная кривая экономии сети.
Вывод: При испытании методом взаимного нагружения экономия электроэнергии может составлять до 8%, в нашем случае может составлять до 60% т. к. это зависит и от мощности машины.

Лабораторная работа№2
Снятие электромеханических и регулировочных характеристик тягового электродвигателя
Цель работы: Изучить методику экспериментального измерения и теоретического расчета электромеханических характеристик тягового электродвигателя.
![]() |
Схема для снятия электромеханических и регулировочных характеристик тягового электродвигателя собрана по методу взаимного нагружения и изображена на рисунке №1
Рисунок №1 - схема для снятия электромеханических и регулировочных характеристик тягового электродвигателя.
Результаты экспериментальных замеров и теоретического расчета запишем в таблицу №1.
Таблица №1
Результаты экспериментальных замеров и теоретического расчета.
| Режим возбуждения |
Uд , В |
Iа , А |
Na , об/мин |
Uвдм , В |
Iвдм , А |
Uлг ,В |
Iлг , А |
|
Мв , кгм |
| ПВ |
90 |
10 |
350 |
5 |
7 |
90 |
6 |
0,681 |
1,672 |
| 90 |
30 |
320 |
15 |
24 |
90 |
6,2 |
0,830 |
6,691 |
|
| 90 |
60 |
300 |
21 |
55 |
90 |
8 |
0,826 |
14,212 |
|
| 90 |
80 |
280 |
25 |
75 |
90 |
11,2 |
0,800 |
19,649 |
|
| 90 |
120 |
180 |
30 |
103 |
90 |
16,5 |
0,788 |
45,183 |
|
| ПВ |
120 |
10 |
480 |
5 |
2,5 |
120 |
6,5 |
0,670 |
1,600 |
| 120 |
30 |
435 |
12 |
25 |
120 |
7 |
0,842 |
6,655 |
|
| 120 |
70 |
400 |
22 |
64 |
120 |
11,2 |
0,836 |
16,777 |
|
| 120 |
90 |
340 |
25 |
76 |
120 |
12,5 |
0,843 |
25,571 |
|
| 120 |
120 |
300 |
28 |
100 |
120 |
17,8 |
0,829 |
38,000 |
|
| ОВ |
120 |
10 |
525 |
5 |
2 |
120 |
7 |
0,646 |
1,410 |
| 120 |
30 |
495 |
12 |
22 |
120 |
7,3 |
0,842 |
5,848 |
|
| 120 |
70 |
430 |
20 |
60 |
120 |
11,5 |
0,846 |
15,798 |
|
| 120 |
90 |
370 |
22 |
78 |
120 |
15,5 |
0,834 |
23,271 |
|
| 120 |
120 |
310 |
25 |
90 |
120 |
19,5 |
0,841 |
37,307 |
КПД двигателя можно рассчитать по формуле
![]()
Где: Рпол. дв. - полезная мощность двигателя, Вт;
Рдв - подведённая мощность двигателя, Вт.
Полезная мощность двигателя, Вт.
![]()

Подведенная мощность двигателя, Вт.
![]()
![]()
Порядок работы:
· Ознакомится со схемой и пультом управления стендом для испытания тяговых двигателей по методу взаимного нагружения.
· Запустить испытуемые машины при номинальном значении тока якоря и половинном значении номинального напряжения на зажимах двигателя. Для исключения температурного дрейфа характеристик машин прогреть в этом режиме 10…15мин.
· Произвести снятие характеристик двигателя в рабочем диапазоне тока якоря (0,5-1,5)Iн , для заданных преподавателем уровней напряжения.
· Включив режим ослабленного возбуждения повторить измерения характеристик двигателя.
Паспортные данные:
Uн – 1450B;
Pн – 600кВт;
Iн – 515A;
nа час – 155об/мин.;
ήн – 0,924;
Р∞ – 550кВт;
I∞ – 410A;
N0∞ – 525об/мин.;
ή∞ – 0,924.
Сопротивление обмоток при t 0 C , равной 200 С
Rя =0,31Ом;
Rв =0,0401Ом;
Rдп =0,0212Ом.
Момент на валу двигателя, Мв , кгм.;
![]()
Где: ωдв - угловая частота вращения вала двигателя , рад./с.
Угловая частота вращения вала двигателя:
![]()
Где: nдв – частота вращения вала двигателя.
Электромеханические характеристики двигателя показаны на рисунке №2
Вывод: Из полученных характеристик видим, что величина напряжения двигателя в значительной мере влияет на обороты двигателя и скорость движения локомотива. Так при одном и том же значении якоря, но при разном приложенном напряжении обороты разные.
Увеличением напряжения пользуются в случае, когда нужно резко увеличить скорость движения для быстрого разгона.
Применение ослабление возбуждения в меньшей степени приводит к увеличению оборотов двигателя. Ослаблением возбуждения пользуются для расширения диапазона скоростей при заданном уровне напряжения двигателя.


