| Скачать .docx |
Курсовая работа: Оказание транспортно-экспедиционных услуг по организации оптимальной доставки грузов автомобильно-водным
Задание на курсовую работу
Оказать транспортно-экспедиционные услуги по организации оптимальной доставки грузов автомобильно - водным транспортом в международном сообщении.
Исходные данные
1. Начальным пунктом маршрута является Россия г. Москва.
2. Конечным пунктом является Германия г.Гамбург
3. В экспортном и импортном направлении перевозятся тарно-штучные грузы на поддонах в контейнере.
4. АТС: автомобиль тягач МАЗ-МАN; полуприцеп-контейнеровоз МАЗ
5. Средняя техническая скорость на маршруте 55 км/ч.
Выбор груза. Характеристики. Упаковка
В качестве груза к перевозке предъявлены :
В экспортном направлении жесть оцинкованная:
Сталь тонколистовая оцинкованная.
Толщина – 1,5 мм
Длина – 1600 мм
Ширина – 1200 мм
Продукция формируется в пачки, которые обертываются полиэтиленовой пленкой, укладывая один лист на другой. Сформированные пачки укладываются на деревянные поддоны (1200*1600, масса 80 кг), торцовые и боковые поверхности пачки обкладывают швеллерами, изготовленными из отожженного стального листа толщиной не менее 0,4 мм по нормативно-технической документации, укрепляются деревянными брусками (по ГОСТ 8486-86 и ГОСТ 2695-83) и стягиваются металлической упаковочной лентой. При необходимости продукция может дополнительно упаковываться в деревянные ящики. Данная упаковка надежно защищает сталь от повреждения при погрузочно-разгрузочных работах и транспортировке.
Масса одной пачки – 3 т. Поэтому загружаем в автопоезд 8 поддонов с грузом.
В импортном направлении станки:
Фрезерный станок по дереву PROMA TFS -90/30.
Габариты станка 760 * 600 * 1140 мм
Масса станка 195 кг
Станок перевозится в специальной коробке, соответствующей размерам станка. Коробки располагаются на паллетах размером 800*1200. Ящики со станками укладываем вертикально в 2 уровня по 66 коробок в каждом. Автотранспортная перевозка станков осуществляется с помощью специального транспорта - полуприцепов-тяжеловозов, или так называемых "низкорамных платформ". Низкорамная платформа - полуприцеп, высота платформы которого не превышает 60-80 сантиметров.
Масса брутто поддона с грузом mп = 195*2*66+40=25780 (кг)
Упаковка груза
При перевозке всех тарно-штучных грузов используем европоддоны размером 800*1200 мм и массой 40 кг.

Контейнер — многооборотное средство, предназначенное для хранения или перевозки чего-либо. Может быть выполнено из различных материалов и иметь разнообразные формы. На транспорте наибольшее применение получили так называемые универсальные контейнеры.
Таблица 1
| 20 фут. контейнер |
40 фут. контейнер |
40 фут. контейнер «High-Cube» |
45 фут. контейнер «High-Cube» |
||||||
| английская |
метрическая |
английская |
метрическая |
английская |
метрическая |
английская |
метрическая |
||
| внешние размеры |
длина |
20′ 0″ |
6.096 m |
40′ 0″ |
12.192 m |
40′ 0″ |
12.190 m |
45′ 0″ |
13.716 m |
| ширина |
8′ 0″ |
2.438 m |
8′ 0″ |
2.438 m |
8′ 0″ |
2.438 m |
8′ 0″ |
2.438 m |
|
| высота |
8′ 6″ |
2.591 m |
8′ 6″ |
2.591 m |
9′ 6″ |
2.896 m |
9′ 6″ |
2.896 m |
|
| внутренние размеры |
длина |
18′ 10 5 ⁄16 ″ |
5.758 m |
39′5 45 ⁄64 ″ |
12.032 m |
39′ 4″ |
12.000 m |
44′ 4″ |
13.556 m |
| ширина |
7′ 8 19 ⁄32 ″ |
2.352 m |
7′ 8 19 ⁄32 ″ |
2.352 m |
7′ 7″ |
2.311 m |
7′ 8 19 ⁄32 ″ |
2.352 m |
|
| высота |
7′ 9 57 ⁄64 ″ |
2.385 m |
7′ 9 57 ⁄64 ″ |
2.385 m |
8′ 9″ |
2.650 m |
8′ 9 15 ⁄16 ″ |
2.698 m |
|
| дверной проем |
ширина |
7′ 8 ⅛″ |
2.343 m |
7′ 8 ⅛″ |
2.343 m |
7′ 6" |
2.280 m |
7′ 8 ⅛″ |
2.343 m |
| высота |
7′ 5 ¾″ |
2.280 m |
7′ 5 ¾″ |
2.280 m |
8′ 5″ |
2.560 m |
8′ 5 49 ⁄64 ″ |
2.585 m |
|
| объем |
1,169 фут³ |
33.1 м³ |
2,385 фут³ |
67.5 м³ |
2,660 фут³ |
75.3 м³ |
3,040 фут³ |
86.1 м³ |
|
| максимальный вес брутто |
66,139 фунт |
30,400 кг |
66,139 фунт |
30,400 кг |
68,008 фунт |
30,848 кг |
66,139 фунт |
30,400 кг |
|
| собственный вес |
4,850 фунт |
2,200 кг |
8,380 фунт |
3,800 кг |
8,598 фунт |
3,900 кг |
10,580 фунт |
4,800 кг |
|
| масса груза |
61,289 фунт |
28,200 кг |
57,759 фунт |
26,600 кг |
58,598 фунт |
26,580 кг |
55,559 фунт |
25,600 кг |
|
Таблица 2
| Допускаемое смещение общего центра тяжести груза в контейнерах |
||||
| Типоразмер контейнера |
Масса брутто, т |
Погрузочная площадь, м2 |
Смещение общего центра массы груза, мм, |
|
| По длине от середины |
По ширине от середины |
|||
| IA, IAA |
30,48 |
27,96 |
1200 |
100 |
| IB,IBB |
25,4 |
20,81 |
900 |
100 |
| IC |
20,42 |
13,67 |
600 |
100 |
| ICC |
24,0 |
13,67 |
600 |
100 |
| IDX |
10,08 |
6,53 |
300 |
100 |
Укрупнение грузовой единицы
В соответствии с ГОСТ 21391-84 «Средства пакетирования. Термины и определения» под транспортным пакетом понимают укрупненную грузовую единицу, сформированную из нескольких грузовых единиц в результате применения средств пакетирования.
Способы укладки единичных грузовых мест в контейнере.


Контейнерные перевозки используя мультимодальные перевозки (несколько видов транспорта) стали самым современным видом доставки грузов. Данные перевозки требует организации многих участников. Взаимодействие всех участников перевозки организуют операторы и агенты морских линий при самом тесном взаимодействии с экспедиторскими компаниями. Четкая работа возможна благодаря организации контейнерных перевозок агентами морских линий, в части организации морской составляющей и экспедиторских компаний в дальнейшей организации наземных контейнерных перевозок.
Такое легкое сочетание как морского, так и наземных видов транспорта стало возможным благодаря технологии контейнерных перевозок. Которая подразумевает возможность легкой перегрузки и фиксации контейнеров. Это достигается четкой стандартизацией и унификацией контейнерного оборудования и специальных креплений - фитингов. Таким образом, контейнерные перевозки являются самым современным видом доставки груза. Которые дали толчок развитию новых методов менеджмента.
Наземные контейнерные перевозки практически всегда являются неотъемлемой частью морских контейнерных перевозок. Поэтому очень трудно отделить их друг от друга, но все-таки это разные виды доставки грузов. Объединяет их четкая стандартизация и унификация контейнерного оборудования
Сочетание этих двух видов придают перевозкам - морские дешевизну, а наземные мобильность и возможность доставки груза от двери до двери клиента. Ведь до портов доставка груза осуществляется наземными перевозками. А это может быть два вида – железнодорожные контейнерные перевозки и автотранспортные контейнерные перевозки.
Выбор подвижного состава
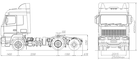
Для перевозки данного груза по заданному маршруту используем автопоезд в составе автомобиля-тягача МАЗ-МАN 64226-020 6x4 и полуприцепа контейнеровоза МАЗ

Колесная формула 6х4
Полная масса автопоезда, кг 44000 (48000)
Полная масса автомобиля, кг 24100 (26500)
Распределение полной массы
на переднюю ось, кг 6100 (6500)
на тележку, кг 18000 (20000)
Нагрузка на седло, кгс 14700 (16800)
Масса снаряженного автомобиля, кг 9150
Двигатель MAN D2866LF15
Мощность двигателя, кВт (л.с.) 272 (370)
Максимальный крутящий момент, Нм (кгсм) 1520 (155)
Коробка передач ZF16S-151
Число передач КП 16
Передаточное число мостов 3.97
Размер шин 11,00R20
Максимальная скорость, км/ч 100
Тип кабины большая
Седельный тягач МАЗ-64226-020 — предназначен для перевозки различных грузов в составе автопоезда
Полуприцепы – контейнеровозы являются высоко востребованной техникой в индустрии грузовых перевозок. Традиционно контейнеровозами называют морской грузовой транспорт, предназначенный для перевозки грузов, заранее упакованных в специальные большегрузные ящики – контейнеры, массой от 10 до 40 тонн. Однако конечные пункты прибытия груза находятся на значительных расстояниях от портовых контейнерных площадок (терминалов) контейнеры транспортируются до места назначения уже с помощью специализированных автомобильных контейнеровозов.
Автомобильным контейнеровозом называют полуприцеп, составляющую грузового автомобиля, который используется для транспортировки контейнеров, в основном по магистральным дорогам. Контейнеровоз может перевозить не только контейнеры, но любой груз,под который можно подобрать и зафиксировать платформу.
МАЗ-938920-011**
|
|
||
| Параметр |
Показатель |
|
| Допустимая масса перевозимого груза, кг |
33000 |
|
| Допустимая масса снаряженного прицепа, кг |
6000 |
|
| Допустимая масса прицепа, кг |
39000 |
|
| Допустимая нагрузка на седло |
15000 |
|
| Допустимая масса на тележку, кг |
24000 |
|
| Длина платформы |
||
| Ширина платформы |
- |
|
| Высота платформы |
- |
|
| Объем платформы, м3 |
- |
|
| Площадь платформы м2 |
- |
|
| Подвеска |
рессорно-балансирная |
|
| Размер шин |
11,00R20 |
|
| Количество колес |
10+2 |
|
| Третья ось: самоустанавливающаяся с блокировкой из кабины тягача *) Для обеспечения перевозок контейнеров 1AA или 1CC без превышения габаритной высоты 4м **) При поставке в страны, где установка АБС необязательна Комплектация МАЗ-938920-011 с АБС, МАЗ-938920-010** без АБС |
||
Средства контроля режимов труда и отдыха водителей
Для контроля режимов труда и отдыха водителей на автотранспортном средстве устанавливаются тахографы - бортовое техническое средство измерения, предназначенное для непрерывной индикации и регистрации в автоматическом режиме скорости движения, пробега автомобиля, периодов времени труда и отдыха водителей.
Регистрационные листки
(в соответствии с дополнением №I к Европейскому соглашению о режиме труда и отдыха водителей (ЕСТР)
Согласно требованиям ЕСТР, касающегося работы экипажей транспортных средств, производящих международные автомобильные перевозки, с 24 апреля 1995 года грузовые автомобили общей массой более 3,5 тонн и автобусы с числом мест более 9, совершающие международные перевозки, должны быть в обязательном порядке оборудованы тахографами, для записи на специальных регистрационных листках (тахограммах) данных о движении автотранспортных средств и об определенных периодах работы водителей. Члены экипажей автотранспортных средств должны обеспечивать своевременное включение, правильную эксплуатацию тахографов, всегда иметь при себе регистрационные листки за текущую неделю и за последний день предыдущей недели, во время которого они управляли автотранспортным средством и предъявлять их для проверки контролерам.
Регистрационные листки должны иметь следующие зоны записи:
· зону, предназначенную исключительно для данных, касающихся скорости;
· зону, предназначенную исключительно для данных, касающихся пройденного расстояния;
· одну или несколько зон для данных, касающихся времени управления, других периодов работы и нахождения на рабочем месте, перерывов в работе и периодов отдыха водителя.
Каждый листок должен содержать следующую инф. в печатной форме:
· название и адрес или фирменное название завода изготовителя;
Лицевая сторона тахограмного диска:
· знак официального утверждения типа или типов контрольных устройств, на которых может использоваться данный листок;
· верхний предел диапазона измерения скорости, указанный в километрах в час.
На листках должно иметься такое свободное пространство, чтобы водители могли вписать, как минимум, следующие данные:
· фамилию и имя водителя;
· дату и место начала использования листка и дату и место завершения его использования;
· регистрационный номер или номера транспортного средства или транспортных средств, для работы на которых назначается водитель в период использования листка;
· показания одометра транспортного средства или транспортных средств, для работы на которых назначается водитель в период использования листка;
· время любой-смены транспортных средств.
В случае выхода из строя тахографа водитель должен нанести режимы труда и отдыха на тахограмму в ручную.
Разработка маршрута движения[1]
Вариант № 1. Москва→Усть-луга→Киль→Гамбург
| Пункт маршрута |
Трасса |
Расст.от начала |
|
Время в пути |
|
Длина участка |
Время участка |
Доп. Инф. |
|||||||
|
|
0 км |
00:00 |
|
|||||||||||
| |
|
|
19 км |
01:01 |
|||||||||||
|
|
Московская область |
||||||||||||||
|
|
19 км |
01:01 |
|
|||||||||||
| |
|
|
2 км |
00:16 |
|||||||||||
|
|
21 км |
01:18 |
|
|||||||||||
| |
|
|
16 км |
00:42 |
|||||||||||
|
|
37 км |
02:60 |
|
|||||||||||
| |
|
|
8 км |
00:24 |
|||||||||||
|
|
45 км |
02:24 |
|
|||||||||||
| |
|
|
17 км |
00:25 |
|||||||||||
|
|
62 км |
02:49 |
|
|||||||||||
| |
|
|
28 км |
00:39 |
|||||||||||
|
|
90 км |
03:28 |
|
|||||||||||
| |
|
|
19 км |
00:26 |
|||||||||||
|
|
109 км |
03:54 |
|
|||||||||||
| |
|
|
8 км |
00:12 |
|||||||||||
|
|
Тверская область |
||||||||||||||
|
|
117 км |
04:06 |
|
|||||||||||
| |
|
|
4 км |
00:08 |
|||||||||||
|
|
121 км |
04:14 |
|
|||||||||||
| |
|
|
9 км |
00:13 |
|||||||||||
|
|
130 км |
04:27 |
|
|||||||||||
| |
|
|
27 км |
00:28 |
|||||||||||
|
|
157 км |
04:55 |
|
|||||||||||
| |
|
|
41 км |
00:40 |
|||||||||||
|
|
198 км |
05:35 |
|
|||||||||||
| |
|
|
27 км |
00:28 |
|||||||||||
|
|
225 км |
06:03 |
|
|||||||||||
| |
|
|
31 км |
00:32 |
|||||||||||
|
|
256 км |
06:35 |
|
|||||||||||
| |
|
|
50 км |
00:53 |
|||||||||||
|
|
306 км |
07:28 |
|
|||||||||||
| |
|
|
40 км |
00:44 |
|||||||||||
|
|
346 км |
08:12 |
|
|||||||||||
| |
|
|
20 км |
00:22 |
|||||||||||
|
|
366 км |
08:34 |
|
|||||||||||
| |
|
|
7 км |
00:11 |
|||||||||||
|
|
Новгородская область |
||||||||||||||
|
|
373 км |
08:45 |
|
|||||||||||
| |
|
|
23 км |
00:27 |
|||||||||||
|
|
396 км |
09:13 |
|
|||||||||||
| |
|
|
53 км |
00:53 |
|||||||||||
|
|
449 км |
10:05 |
|
|||||||||||
| |
|
|
29 км |
00:30 |
|||||||||||
|
|
478 км |
10:35 |
|
|||||||||||
| |
|
|
21 км |
00:23 |
|||||||||||
|
|
499 км |
10:58 |
|
|||||||||||
| |
|
|
32 км |
00:45 |
|||||||||||
|
|
531 км |
11:43 |
|
|||||||||||
| |
|
|
97 км |
01:43 |
|||||||||||
|
|
Ленинградская область |
||||||||||||||
|
|
628 км |
13:26 |
|
|||||||||||
| |
|
|
13 км |
00:19 |
|||||||||||
|
|
641 км |
13:45 |
|
|||||||||||
| |
|
|
58 км |
01:03 |
|||||||||||
|
|
699 км |
14:48 |
|
|||||||||||
| |
|
|
16 км |
00:21 |
|||||||||||
|
|
715 км |
15:09 |
|
|||||||||||
| |
|
|
16 км |
00:21 |
|||||||||||
|
|
731 км |
15:30 |
|
|||||||||||
| |
|
|
22 км |
00:27 |
|||||||||||
|
|
753 км |
15:57 |
|
|||||||||||
| |
|
|
6 км |
00:10 |
|||||||||||
|
|
759 км |
16:07 |
|
|||||||||||
| |
|
|
17 км |
00:20 |
|||||||||||
|
|
776 км |
16:27 |
|
|||||||||||
| |
|
|
3 км |
00:08 |
|||||||||||
|
|
779 км |
16:34 |
|
|||||||||||
| |
|
|
8 км |
00:12 |
|||||||||||
|
|
787 км |
16:46 |
|
|||||||||||
| |
|
|
24 км |
00:29 |
|||||||||||
|
|
811 км |
17:15 |
|
|||||||||||
| |
|
|
508 км |
27:31 |
|||||||||||
|
|
Калининградская область |
||||||||||||||
|
|
1319 км |
44:47 |
|
|||||||||||
| |
|
|
690 км |
37:35 |
|||||||||||
|
|
24 Германия |
||||||||||||||
|
|
2009 км |
82:22 |
|
|||||||||||
| |
|
|
30 км |
00:22 |
|||||||||||
|
|
2039 км |
82:44 |
|
|||||||||||
| |
|
|
67 км |
00:50 |
|||||||||||
|
|
2106 км |
83:34 |
|
|||||||||||
Время и расстояние доставки контейнера по маршруту составит (без учета простоя под погрузкой – разгрузкой, и таможенных пунктах) 83часа 34 минуты и 2106км.
Вариант № 2. Москва → Зилуппе (Латвия) →Гамбург
Время и расстояние доставки контейнера по маршруту составит (без учета простоя под погрузкой – разгрузкой, таможенных пунктов и пограничных постов) 55часов 01 минута и 1998км.
Выбираем маршрут № 1 по критерию расстояние и минимум затраченного времени на доставку груза, с учётом геополитического положения в мире и минимизазии прохождения границ и таможенных постов.
На данном маршруте имеется автомобильный маршрут Москва→Усть-луга, Киль→Брюссель, и морской маршрут между городами Усть-луга→Киль.
График движения автопоезда в соответствии с требованиями ЕСТР[2]
Предположим, что в данный рейс отправляется один водитель.
Максимальное время управления автомобилем в день:

Не более двух раз в течении одной недели:


С учетом средней скорости V = 55 км/ч водитель может без отдыха проехать максимальное расстояние S=V*t, S=55*4,5 = 247,5 км.
График движения контейнера на маршруте Москва - Гамбург
| Дата |
Населенный пункт |
Пройденное расстояния, км |
Время прибытия (Московское) |
Время убытия (Московское) |
Примечания |
|
| За сутки |
Общее |
|||||
| 16.04 |
Москва |
0 |
--- |
700 |
ЕПУ = 1000 ЕДО = 11 |
|
| Зайцево |
484 |
484 |
1700 |
400 17.04 |
||
| 17.03 – 20.04 |
Усть - Луга |
333 |
817 |
1040 |
1240 |
ЕПУ = 1000 ЕДО = 11; ПП |
| Киль(Германия) |
1198 |
2015 |
547 20.04 |
747 20.04 |
||
| 20.04 |
Гамбург(Германия) |
91 |
2106 |
952 20.04 |
--- |
ЕПУ = 1000 ЕДО=11; |
ЕПУ- Ежедневный период управления; ЕДО- Ежедневный отдых; ПП- Погранпереход (+2.00 часа) ;
- Морской участок пути.
Время доставки груза составит 57часов 01минута.
Скорость доставки груза (Средняя эксплуатационная скорость) составит 36,95 км/ч
Расчет осевых нагрузок
Поскольку, мы перевозим тарно-штучный груз, равномерно-распределенную нагрузку заменяем сосредоточенной (находим центр тяжести груза).
1) Масса груза брутто (для жести в экспортном направлении) :
М= 3000х8+80 = 24080 кг
Сила тяжести груза:
G= M
9,8 =24080
= 235984 Н
Расстояние А= (11
1200)/2 - 1700= 4900мм
2) Масса груза брутто (для станков в импортном направлении) :
М= 195х2х66+40 = 25780 кг
Сила тяжести груза:
G= M
9,8 =25780
= 252644 Н
Расстояние А= (11
1200)/2 - 1700= 4900мм

|
Полуприцеп.
Составим уравнение моментов относительно точки М(1)
![]()
=![]()
Составим уравнение моментов относительно точки N:
= 85812 Н
= 85812 Н
С учетом массы полуприцепа:
- на сцепное устройство приходится:
-на строенную ость приходится:
кг
Тягач.
В результате сцепки тягача с полуприцепом на осях тягача возникают дополнительные нагрузки от распределения полной массы полуприцепа.
Сила тяжести на сцепное устройство тягача:
![]()
Составим уравнение моментов относительно точки F :
![]()
=![]()
Составим уравнение моментов относительно точки R :
![]()
=![]()
- на переднюю ось приходится: ![]()
- на заднюю ось приходится:
Фактические нагрузки на оси автопоезда и допустимые осевые нагрузки в странах, по территории которых проходит маршрут, представлены в табл.11
Фактические нагрузки на оси автопоезда и допустимые осевые нагрузки в странах, по территории которых проходит маршрут [3]
Таблица 11
| Фак. Нагр. на ось, т. |
Допустимые нагрузки на ось, т. |
||
| Россия |
Германия*4 |
||
| Передняя ось тягача |
6,23 |
10 |
10/ 10/ 8 |
| Ведущая ось тягача |
9,96 |
10 |
11,5/ 10/ 9*5 |
| Строенная тележка *1 полупр. |
18,27 |
16,5/24*1 |
21/24 |
| Полная масса автопоезда |
35,11 |
38 |
40*3 |
*1- Расстояние между крайними осями свыше 2,60 м до 3,20 м включительно (расстояние между соседними осями более 1,3м).
*2 - На магистральных дорогах.
*3 - 5-ти осный автопоезд.
*4- Европейские реконструированные дороги/ Европейские дороги/ Европейские модернизированные дороги.
*5 - При осуществлении международных перевозок нагрузка на ведущую ось (оси) должна быть не менее 25% от общего веса транспортного средства с грузом.
*6 – Дороги категории Е/ Прочие дороги.
Вывод:
Автопоезд в составе автомобиля-тягача МАЗ-МАN 64226-020 6x4и полуприцепа МАЗ– 938920-011, с контейнером собственной массой 9,4 т, груженый жестью листовой, массой брутто 24,08 тонн, или станками массой брутто 25,78 при данной схеме загрузки, укладывается в нормативы осевых нагрузок и полной массы автопоезда стран, через которые проходит маршрут доставки.
Допустимые габаритные размеры[4]
Выбранный автопоезд имеет следующие габаритные размеры: 16,5![]()
Допустимые габаритные размеры автопоезда (тягач+ полуприцеп - контейнеровоз) в странах, по территории которых проходит маршрут, представлены в табл.12
Таблица 12
| Допустимые габаритные размеры автопоезда, м. |
||
| Россия |
Германия |
|
| Длина |
20,00 |
16,50 |
| Ширина |
2,55 |
2,55 |
| Высота |
4,00 |
4,00 |
Максимальная скорость движения [5]
Максимально разрешенная скорость движения автопоезда в странах, по территории которых проходит маршрут.
Таблица 13
| Максимальная скорость движения автопоезда, км/ч |
||
| Россия |
Германия |
|
| В городах и населенных пунктах |
60 |
50 |
| Автомобильные дороги вне населенных пунктов |
70 |
70 |
| 4-х полосные автодороги вне населенных пунктов |
70 |
80 |
| Автомагистрали |
90 |
90 |
Ставки за превышение габаритных размеров и осевых нагрузок в странах, по территории которых проходит маршрут
РОССИЯ
Приложением № 1 к "Положению о порядке компенсации ущерба, наносимого тяжеловесными автомобильными средствами при проезде по федеральным автомобильным дорогам" установлены следующие временные ставки платы за провоз тяжеловесных грузов по федеральным автомобильным дорогам (табл.14).
Плата за разовый провоз тяжеловесного груза по федеральным автомобильным дорогам рассчитывается исходя из вида транспортного средства, перевозящего тяжеловесный груз, размеров превышения предельно допустимых значений полной массы указанного транспортного средства и (или) каждой осевой массы, протяженности маршрута и рассчитывается по формуле:
Пр = [Рпм + (Рпом1 + ... + Рпомi)] x S,[6]
где:
Пр - плата за разовый провоз тяжеловесного груза автотранспортным средством;
Рпм - размер платы за превышение полной массы автотранспортного средства предельно допустимых значений (в первом столбце табл.14 указана разница между фактической массой АТС и максимально разрешенной массой)
Рпомi - размер платы за превышение каждой осевой массой автотранспортного средства предельно допустимых значений.
S - протяженность маршрута тяжеловесного автотранспортного средства (в сотнях км).
Значения Рпм и Рпомi (в рублях) определяются путем умножения соответствующих размеров ставок на установленный законом на момент расчета минимальный размер оплаты труда в Российской Федерации.
Таблица 14
| Характеристики автотранспортных средств, превышающих предельно допустимые значения |
Размеры ставок (в единицах от установленного законом минимального размера оплаты труда в Российской Федерации) |
||
| за каждые 100 километров пути |
за каждый день работы(300 км) |
за месяц работы (18 дней) |
|
| Превышение полной массы автотранспортного средства: |
|||
| до 5 тонн включительно |
1,1 |
3,3 |
59,4 |
| от 5 до 7 тонн включительно |
1,1 - 1,5 |
3,3 - 4,5 |
59,4 - 81,0 |
| от 7 до 10 тонн включительно |
1,5 - 2,1 |
4,5 - 6,3 |
81,0 - 113,4 |
| от 10 до 15 тонн включительно |
2,1 - 2,9 |
6,3 - 8,7 |
113,4 - 156,6 |
| от 15 до 20 тонн включительно |
2,9 - 4,0 |
8,7 - 12,0 |
156,6 - 216,0 |
| от 20 до 25 тонн включительно |
4,0 - 5,4 |
12,0 - 16,2 |
216,0 - 291,6 |
| от 25 до 30 тонн включительно |
5,4 - 7,0 |
16,2 - 21,0 |
291,6 - 378,0 |
| от 30 до 35 тонн включительно |
7,8 - 8,7 |
- |
- |
| от 35 до 40 тонн включительно |
10,9 - 13,4 |
- |
- |
| от 40 до 45 тонн включительно |
13,4 - 16,2 |
- |
- |
| свыше 50 тонн |
по отдельному расчету |
||
| Превышение осевой массы автотранспортного средства: |
|||
| до 10% включительно |
4,2 |
12,6 |
226,8 |
| свыше 10 до 20% включительно |
4,2-5,98 |
12,6-17,94 |
226,8-322,92 |
| свыше 20 до 30% включительно |
5,98-12,2 |
17,94-36,6 |
322,92-658,8 |
| свыше 30 до 40% включительно |
12,2-16,2 |
36,6-48,6 |
658,8-784,8 |
| свыше 40 до 50% включительно |
16,2-21,1 |
48,6-63,6 |
874,8-1144,8 |
| свыше 50 до 60% включительно |
21,1-26,3 |
- |
- |
| свыше 60% |
по отдельному расчету |
||
Туннель Kil (Dordrecht - Gravendeel) Для транспортных средств полной массой более 12 т стоимость проезда составляет 1,5 евро.
Расчёт расхода топлива[7]
Для автопоездов нормативное значение расхода топлива рассчитывается по формуле:
Qн
= 0,01
(Нsan
S + HW
W)
(1 + 0,01
D), л/100км,
где Нsan –норма расхода топлива на пробег автопоезда в снаряженном состоянии без груза, л/100км;
S- пробег автопоезда, км;
HW – норма расхода топлива на транспортную работу, л/100ткм.
W – транспортная работа, ткм;
D – поправочный коэффициент (суммарная относительная надбавка или снижение) к норме, %.
В свою очередь, норма расхода топлива на пробег автопоезда в снаряженном состоянии без груза рассчитывается по формуле:
Нsan
= Нs
+Hg
Gпр
, л/100км,
где Нs – базовая норма расхода топлива на пробег автомобиля-тягача в снаряженном состоянии, л/100км;
Gпр – собственная масса полуприцепа, т;
Hg – норма расхода топлива на дополнительную массу полуприцепа, л/100ткм.
На автомобиле-тягаче МАЗ-МАN 64226-020, выбранном для перевозки, установлен двигатель MAN D2866LF15,272кВт/37 л.с Н s = 17л/100км
Собственная масса полуприцепа МАЗ– 938920-011Hg = 6 тонн
Расстояние перевозки по выбранному маршруту Москва-Гамбург S = 2106км , так как часть маршрута проходит морским путём, рассчитываем расстояние по территории России, Москва – Усть-Луга(Санкт-Петербургской обл.) S = 817км.
Масса груза «брутто» G гр = 24,08 тонн.
Норма расхода топлива на дополнительную массу полуприцепа Hg = 1,3 л/100ткм
Норма расхода топлива на транспортную работу HW = 1,3л/100ткм.
При движении по территории РФ (Московская, Калужская, Брянская обл.) до 31.03 действует «зимняя» надбавка к нормативу расхода топлива (10%). При работе на дорогах общего пользования 1, 2 и 3 категорий за пределами пригородной зоны на равнинной, слабохолмистой местности (высота над уровнем моря до 300 м) норма расхода топлива может быть снижена на 15 %. Устанавливаем общее снижение норматива на 10 %, тогда норма расхода топлива на пробег автопоезда в снаряженном состоянии без груза:
Нsan = 17+1,3×6= 24,8л/100км
Нормативный расход топлива для груженого автопоезда составит:
Qн = 0,01×(24,8×817 + 1,3 ×(24,08×817))×(1-0,01×10) = 395, 5 л
Эксплуатационная норма расхода топлива составит:
395, 5 /817×100 = 48,41 л/100км
При обратном холостом пробеге, норма расхода топлива за оборот составит: (24,8+48,6)/2= 36,7л/100км.
Список документов, необходимых для осуществления международных контейнерных перевозок грузов
По договору прямой смешанной (комбинированной) перевозки грузов – договор, заключенным оператором смешанной перевозки или другим перевозчиком с грузовладельцем (либо экспедитором) на доставку грузов двумя или более видами транспорта по единой транспортной накладной, доставляем груз до терминала в морском порту Усть – Луга (Ленинградской области) где груз проходит таможенную очистку и согласно договору о встрече и дальнейшей доставке к получателю с немецким партнёром, морским путём отправляем груз до порта Киль (Германия). Далее из терминала порта Киль контейнеровозом к получателю груза г.Брюссель (Бельгия).
· Оригиналы коносамента (3 экземпляра);
· Ордер - письмо-распоряжение отправителя (для ордерного коносамента)
· Оригинал коммерческого инвойса (с переводом);
· Доверенность на экспедирование (оригинал);
· Упаковочный лист (если инвойс не указывает кол-ва мест);
· Сертификат происхождения (оригинал);
· Сертификат качества (для грузов, подлежащих сертификации);
· Сертификат соответствия (для грузов, подлежащих сертификации);
· Сертификат ветеринарный, оригинал (если груз животного происхождения);
· Фитосертификат, оригинал (если груз растительного происхождения);
· Сертификат фумигационный, оригинал (если груз подлежит фумигации);
· Письмо о готовности принять груз (если коносамент не индоссированный);
· Копию коммерческого контракта (при необходимости);
· Копию карточки аккредитации (при необходимости);
· Письмо - открепление из региональной таможни (при необходимости);
Коносамент (bill of lading) - документ, выдаваемый перевозчиком грузоотправителю в удостоверение принятия груза к перевозке морским транспортом с обязательством доставить груз в порт назначения и выдать его законному держателю коносамента. Коносамент является одним из основных документов, применяемых при таможенном оформлении и таможенном контроле товаров, перемещаемых морским транспортом.
С юридической точки зрения коносамент выполняет три основные функции:
1) Является официальной квитанцией судовладельца (перевозчика), подтверждающей, что товары, которые предположительно находятся в указанном виде, количестве и состоянии, отправлены в указанное место назначения на конкретном судне или, по крайней мере, получены под охрану судовладельца для цели отправки. Обязанность перевозчика выдать отправителю после приема груза коносамент установлена ст. 123 КТМ СССР.
2) Удостоверяет заключение договора морской перевозки, который фактически заключается до подписания коносамента, и повторяет в деталях его содержание. В соответствии со ст. 120 КТМ СССР наличие и содержание договора морской перевозки могут быть доказываемы среди прочих документов коносаментами. Согласно ст. 121 КТМ СССР правоотношения между перевозчиком и получателем груза определяются коносаментом.
3) Является товарораспорядительным документом на товары, позволяющим покупателю распорядиться ими путем передаточной надписи и предоставления коносамента. Таким образом, коносамент предоставляет право собственности на товары.
Представительства Российской Федерации
Посольство Российской Федерации в ФРГ
Адрес:
Botschaft der Russischen Foederation in der Bundesrepublik Deutschland, Unter den Linden, 63-65, 10117 Berlin
Тел.: (+49-30) 229-11-10, 229-11-29, (визовые вопросы - 229-12-07)
Факс: (+49-30) 229-9397
Консульский отдел
Адрес:
Behrenstr. 66, 10117 Berlin
Тел.: 030/22-65-11-84 (по-немецки)
Тел.: 030/22-65-11-83 (по-русски)
Факс: (0190) 773313
Интернет: www.russische-botschaft.de
Эл. почта: posolstvo@russische-botschaft.de (общая)
infokonsulat@rusbotschaft.de (Консульский отдел)
Посольство Российской Федерации в Королевстве Бельгия
Адрес:
Avenue de Fré 66, 1180, Bruxelles
De Freelaan 66, 1180 Brussel
телефоны:
02/374-34-00
02/374-68-86
02/375-39-18
02/374-57-38
факс: 02/374-26-13
е-mail: amrusbel@skynet.be
Посольство Российской Федерации в Нидерландах
Andries Bickerweg 2, The Hague 2517 JP
Tel.: +31(0)70 346-88-88, 345-13-00
Fax: +31(0)70 361-79-60
e-mail: ambrusnl@euronet.nl
Заключение
На сегодняшний день морские перевозки являются наиболее перспективным видом транспортировки товаров. Низкие транспортные издержки, гибкие логистические системы привлекают все большую часть мирового бизнеса к использованию комбинированных (мультимодальных) схем доставки. В то же время мультимодальная перевозка предполагает не просто использование нескольких видов транспорта: автомобильного, морского, железнодорожного, воздушного. Она включает в себя всю транспортную инфраструктуру: терминалы, консолидационные склады, порты, аэропорты и др. Мультимодальная перевозка предполагает высочайшую степень координации действий для ее осуществления. Мировой опыт доказал, что этого можно добиться только с использованием специального оператора – экспедитора и лишь на основе доверительных деловых отношений со всеми участниками транспортной схемы, включая судоходные линии, агентские, сюрвейерские фирмы, операторов складов и терминалов, администрации портов и морских линий и других участников. Цены на рынке морских перевозок грузов отличаются особой динамичностью и меняются как минимум каждый месяц. Нужно учитывать, что ставка морской грузовой перевозки включает следующие основные параметры: BOF ("basic ocean freight") – непосредственно морской фрахт; OTHC ("origin terminal handling charges") – расходы по погрузке в порту отправления; DTHC ("destination terminal handling charges") – расходы по выгрузке в порту назначения; CAF ("currency adjustment factor") – поправка на курсы валют, исчисляемая в процентах от BOF; BAF ("bunker adjustment factor") – надбавка за бункерное топливо, исчисляемая в USD за TEU (эквивалент 20-футового контейнера); ISPS или SEC ("security charges") – портовый сбор за безопасность; DOC FEE – оформление "Bill of Lading" (коносамента). В зависимости от региона, времени года, морской линии могут возникать иные расходы. Так, в летнее-осенний период вводится надбавка PSS ("peak season surcharge") в связи с возрастающим объемом перевозок или PCS ("port congestion surcharge") – в связи с перегрузкой контейнерных площадей порта, WNS ("winter surcharge") – надбавка за ледовую проводку в портах с замерзающими акваториями (например, Санкт-Петербург) – вводится, как правило, с 1 декабря по 31 марта и др. Необходимо также учитывать, что каждая линия определяет максимальный срок пользования контейнером ("demurrage") после его выгрузки с борта судна. Он варьируется и, как правило, составляет от 2 до 21 дней. Это значит, что за это время нужно успеть доставить контейнер "до двери" и вернуть обратно в порт. При превышении срока ежедневно начисляется штраф (как правило, 10-30 EUR/сутки). Эти сроки важны, так как порой необходимый транспорт может быть перегружен и сумма штрафа может свести те или иные преимущества на нет.
Литература
1. Беляев В.В. Доманов В.Н., Клейнерман А.Л., Поздеев Г.В. Грузоведение. Учебник- Тула: Издательство ТулГУ,2003.
2. Нормы расхода топлив и смазочных материалов на автомобильном транспорте: Введены в действие 14.03.2008. – Ростов н/Д: Феникс,2008.
3. Положение о порядке компенсации ущерба, наносимого тяжеловесными автомобильными средствами при проезде по федеральным автомобильным дорогам.
4. ГОСТ 16337-77. Полиэтилен высокого давления. Технические условия.
5. ГОСТ 9557-87. Поддон плоский деревянный размером 800 × 1200 мм. Технические условия.
6. ГОСТ 2226-88. Мешки бумажные. Технические условия.
7. ГОСТ 14192 Транспортная маркировка.
8. Европейское соглашение, касающееся работы экипажей транспортных средств, производящих автомобильные перевозки (ЕСТР)
9. WWW. AVTOTRANSINFO.RU
10. WWW. PODDON.RU
11. WWW.ZREMB.com
12. WWW. IVECO-truck-center.ru
13. WWW.lardi-trans.com
[1] http//ati.su/Trace
[2] Европейское соглашение, касающееся работы экипажей транспортных средств, производящих международные автомобильные перевозки.
[3] WWW.ASMAP.RU «Справочник МАП»
[4] WWW.ASMAP.RU «Справочник МАП»
[5] WWW.ASMAP.RU «Справочник МАП»
[6] Приложение № 2 к "Положению о порядке компенсации ущерба, наносимого тяжеловесными автомобильными средствами при проезде по федеральным автомобильным дорогам"
[7] Расчет проводится на основании: «Нормы расхода топлив и смазочных материалов на автомобильном транспорте». Введены в действие 14.03.2008
