| Скачать .docx |
Реферат: Проект автодорожного моста
Министерство образования и науки Российской Федерации
Федеральное агентство по образованию
Марийский государственный технический университет
Кафедра "Автомобильные дороги"
Курсовой проект
на тему:
"Проект автодорожного моста"
Выполнил: студент группы АДз-5 Волков С.
Проверил: ст. преподаватель
Васюнин С.А.
Йошкар-Ола
2010
Содержание
Глава 1. Вариантное проектирование схем моста. 4
1.1 Описание вариантов схем моста. Чертеж вариантов моста. 4
1.2. Сравнение вариантов моста. 11
Глава 2. Расчет плиты проезжей части. 16
2.1 Определение усилий в плите проезжей части. 16
2.2 Подбор арматуры плиты проезжей части. 24
2.2.1 Нижний ряд (по сеч. I-I). 24
2.2.2 Верхний ряд (по сеч. III-III). 25
2.3.1 Проверка на изгибающий момент по нормальному сечению. 26
2.3.2 Проверка на поперечную силу по наклонным сечениям. 27
2.4 Проверка плиты по второй группе предельных состояний. 28
2.4.1 Расчет на образование продольных трещин. 28
2.4.2 Расчет на ограничение раскрытия трещин. 29
Глава 3. Расчет пролетного строения моста. 30
3.1 Определение усилий в главных балках пролетного строения. 30
3.1.1 Нахождение коэффициентов поперечной установки. 30
3.1.2 Нахождение усилий в главных балках. 36
3.2 Определение количества рабочей арматуры. 40
3.3. Расчет по предельным состояниям первой группы.. 41
3.3.1. Расчет по прочности нормального сечения на действие изгибающего момента. 41
3.3.2. Расчет по прочности наклонного сечения на действие поперечной силы.. 42
3.4 Расчет по предельным состояниям второй группы.. 44
3.4.1. На стадии создания предварительного напряжения. 44
3.4.2. На стадии эксплуатации. 46
Мостовой переход является составной часть дороги, поэтому при его проектировании необходимо, прежде всего, учитывать основное требование – наилучшее обслуживание перевозок по дороге. Выбор места перехода реки должен быть подчинён этому требованию. Однако мостовой переход представляет собой комплекс сложных и дорогостоящих сооружений, затраты на постройку которых существенно зависят от места расположения перехода на реке. При выборе наилучшего места перехода необходимо учитывать весь комплекс характеристик того или иного участка реки, влияющих на стоимость строительства и эксплуатации сооружений. К таким характеристикам относят: геологические условия, определяющие тип и глубину заложения мостовых опор; топографические условия, определяющие объёмы работ по устройству подходов к мосту; гидрологические условия, в частности ширина разлива и русла, изменчивость берегов русла, амплитуда изменения уровня и скорость течения воды, определяющие длину моста и объёмы работ по регулированию реки и защите пойменных насыпей; ледовый режим, т.е. интенсивность ледохода, возможность образования ледяных заторов и зажоров шуги, навала на сооружения больших массивов льда, грозящих им повреждениями, особенно при прорыве заторов и т.д.
Для достижения основной цели – наилучшего обслуживания перевозок- необходимо прежде всего обеспечить непрерывность движения по дороге. Поэтому сооружения мостового перехода должны быть запроектированы и построены таким образом, чтобы оставаться устойчивыми и выполнять свои функции при любых условиях, которые могут за длительный срок их службы. Иначе говоря, сооружения перехода должны прочно противостоять действию текущей воды и русловым деформациям, предвычисленным в прогнозах.
Глава 1. Вариантное проектирование схем моста.
На начальной стадии проектирования разрабатываются три варианта схемы моста, различающимися пролетными строениями, опорами и т.д. Затем путем сравнения из трех вариантов выбирается лучший, для которого ведутся дальнейшие расчеты.
Длина моста: 68 м.
Габарит моста: 11,5 м.
1.1 Описание вариантов схем моста. Чертеж вариантов моста
Вариант № 1.
Мост запроектирован по схеме: 15×2+21×2.
Конструкция дорожного полотна:
– выравнивающий слой – 3 см
– слой гидроизоляции – 1 см
– защитный слой – 4 см
– асфальтобетон – 7 см
Полная длина моста Lм складывается из длин всех балок, зазоров между ними, расстоянием между крайним пролетом и шкафной стенкой устоя козлового типа, ширины шкафных стенок.
– расстояние между торцами балок разрезной системы 50мм
– расстояние между крайним пролетом и шкафной стенкой 50мм
– ширина шкафной стенки 200 мм
Lмоста =15×2+21×2+2×0,4+5×0,05=73,05 м.
Вариант № 2.
Мост запроектирован по схеме: 5×15.
Конструкция дорожного полотна:
– выравнивающий слой – 3 см
– слой гидроизоляции – 1 см
– защитный слой – 4 см
– асфальтобетон – 7 см
Полная длина моста Lм складывается из длин всех балок, зазоров между ними, расстоянием между крайним пролетом и шкафной стенкой устоя козлового типа, ширины шкафных стенок.
– расстояние между торцами балок разрезной системы 50мм
– расстояние между крайним пролетом и шкафной стенкой 50мм
– ширина шкафной стенки 200 мм
Lмоста =5×15+2×0,40+4×0,05=76,10 м.
Габарит -11,5м
Соответственно сборочный чертеж пролетного строения с металлическим барьерным ограждением будет выглядеть следующим образом.
Рис.1.8 Сборочный чертеж пролетного строения с металлическим барьерным ограждением.
Таблица 1.2
| Количество балок |
Ширина тротуара |
Ширина ПЧ |
Ширина ПБ |
Расстояние между балками |
Расстояние между крайними балками |
Расстояние между осью балок и габаритом |
Ширины стыка |
| № |
Т |
ПР |
ПБ |
а |
А |
g |
b |
| 5 |
0,75 |
7,5 |
2 |
2,4 |
12 |
0,25 |
1.0 |
Барьерные ограждения
Барьерные ограждения металлические по ГОСТ 26804–86. Конструкция барьерного ограждения:
| 17 – цоколь ЦМа; 18 – стойка мостовая СМ; 20 – консоль амортизатор КА; 22 – секция балки СБК–2; 23 – секция балки СБ–2; 24 – секция балки СБ–4; 26,29,32 – блок водоотвода; 27 – уголок 100×63×7, l=6000; 28 – уголок 100×63×7, l=9000; 33 – лист 4×50, l=20; 35 – болт М20–6д×70,58; 36 – болт М16×15–8д×30,58; 37 – болт М16×45,58; 38 –гайка II М16; 39 –гайка М16; 40 – шайба 16. |
Рис.1.9. Барьерное ограждение
Деформационные швы
Деформационные швы привязываются при конкретном проектировании и назначаются при компоновке схемы сооружения в зависимости от величины перемещений.
Закрытый деформационный шов с заполнением резинобитумной мастикой и пеньковым канатом. Перемещения до 15 мм.
Рис.1.10. Конструкция деформационного шва.
1 – асфальтобетонное покрытие;
2 – защитный слой с металлической сеткой;
3 – резинобитумная мастика;
4 – гидроизоляция из стеклосетки, пропитанная битумной мастикой;
5 – выравнивающий слой первой очереди (цементная смазка);
6 – выравнивающий слой второй очереди;
7 – пеньковый канат d=29–33 мм;
8 – латунный компенсатор d=2 мм, промазан 2-мя слоями битумного лака;
9 – анкерная латунная пластина;
10 – анкерный стержень d=12 мм;
11 – закладная деталь, устраиваемая в балках. ЗД–1;
Опорные части
Опорные части служат для передачи усилий с пролётных строений на опоры, фиксируя при этом положения реакций, а так же для обеспечения свободы деформаций пролётных строений.
Неподвижная опорная часть:
1 – подушка П–1 (масса ед. – 34,7 кг); 2 – подушка П–2 (масса ед. – 28,9 кг).
Рис.1.11 Конструкция неподвижной опорной части.
Подвижная опорная часть:
1 – подушка П–1 (масса ед. – 34,7 кг); 2 – подушка П–2 (масса ед. – 28,3 кг).
Рис.1.12 Конструкция подвижной опорной части.
Водоотвод
Для обеспечения отвода воды с проезжей части, мосты следует располагать на продольном уклоне не менее 5 ‰. Поперечный уклон проезжей части должен быть не менее 20 ‰.
При привязке пролётного строения необходимо предусмотреть отвод воды с проезжей части: вдоль ограждения или через водоотводные устройства.
Тип водоотвода и места установки водоотводных устройств назначаются при привязке пролётных строений. Водоотводные устройства необходимо располагать в пределах полос безопасности в монолитных участках пролётного строения.
Рис.1.13 Схема водоотводного устройства.
Таблица 1.3
| № |
Наименование |
Кол–во |
Обозначение документа |
Масса ед. кг |
Масса, кг |
| 1 |
Водоотводная трубка dвн =150 мм, l=450–1000 мм |
1 |
3.503.1-81.3-1-19 |
13,5–24,0 |
42,0–52,5 |
| 2 |
Воронка |
1 |
3.503.1-81.3-1-20 |
12,5 |
|
| 3 |
Решетка |
1 |
3.503.1-81.3-1-21 |
16,0 |
1.2. Сравнение вариантов моста
Таблица 1.4
| Наименование показателей |
Ед. изм |
Варианты |
|
| I |
II |
||
| Полная длина моста |
м |
73,05 |
73,10 |
| Наибольший пролет |
м |
21 |
15 |
| Расход материалов: бетона |
м3 |
1880 |
1419 |
| Сметная стоимость |
тыс.руб. |
23483 |
23816 |
| Соотношение стоимости |
% |
87,6 |
100 |
| Эксплуатационные показатели: |
|||
| а) количество дефор-х швов |
шт |
5 |
6 |
| б) жесткость пролетных строений |
баллы |
||
| в) удобство тех.осмотров и ремонтов |
+/- |
||
| г) эстетические качества |
баллы |
||
Расчет расхода ж/б и сметной стоимости:
Таблица 1.5
Исходные данные
| Балка Б1800.174.123-ТВ.АII-5: крайняя |
|||||||
| Размеры, мм |
Марка бетона |
Расход материала на изделие |
Масса ед., т |
||||
| е |
b |
бетон, м3 |
А–I, кг |
А–II, кг |
Прокат, кг |
||
| 700 |
2020 |
В35 |
11,91 |
504 |
1173 |
90 |
29,8 |
| Балка Б1800.140.123-ТВ.АII-5 (6.7): промежуточная |
|||||||
| Размеры, мм |
Марка бетона |
Расход материала на изделие |
Масса ед., т |
||||
| е |
b |
бетон, м3 |
А–I, кг |
А–II, кг |
Прокат, кг |
||
| 700 |
1960 |
В35 |
10,81 |
475 |
1420 |
62 |
27,0 |
| Балка Б2100.174.123-ТВ.АII-5: крайняя |
|||||||
| Размеры, мм |
Марка бетона |
Расход материала на изделие |
Масса ед., т |
||||
| е |
b |
бетон, м3 |
А–I, кг |
А–II, кг |
Прокат, кг |
||
| 700 |
2020 |
В35 |
15,76 |
590 |
1519 |
97 |
34,60 |
| Балка Б2100.140.123-ТВ.АII-5 (6.7): промежуточная |
|||||||
| Размеры, мм |
Марка бетона |
Расход материала на изделие |
Масса ед., т |
||||
| е |
b |
бетон, м3 |
А–I, кг |
А–II, кг |
Прокат, кг |
||
| 700 |
1960 |
В35 |
12,55 |
567 |
1684 |
65 |
31,38 |
| Балка Б2400.174.123-ТК7.АII-5: крайняя |
|||||||
| Размеры, мм |
Марка бетона |
Расход материала на изделие |
Масса ед., т |
||||
| е |
b |
бетон, м3 |
А–I, кг |
А–II, кг |
Прокат, кг |
||
| 700 |
2020 |
В35 |
15,78 |
682 |
1750 |
124 |
39,4 |
| Балка Б2400.140.123-ТВ.АII-5 (6.7): промежуточная |
|||||||
| Размеры, мм |
Марка бетона |
Расход материала на изделие |
Масса ед., т |
||||
| е |
b |
бетон, м3 |
А–I, кг |
А–II, кг |
Прокат, кг |
||
| 700 |
1960 |
В35 |
14,29 |
654 |
1942 |
88 |
35,73 |
| Балка Б3300.174.153-ТВ.АII-5: крайняя |
|||||||
| Размеры, мм |
Марка бетона |
Расход материала на изделие |
Масса ед., т |
||||
| е |
b |
бетон, м3 |
А–I, кг |
А–II, кг |
Прокат, кг |
||
| 700 |
2020 |
В40 |
23,93 |
998 |
2438 |
148 |
59,8 |
| Балка Б3300.140.153-ТВ.АII-5 (6.7): промежуточная |
|||||||
| Размеры, мм |
Марка бетона |
Расход материала на изделие |
Масса ед., т |
||||
| е |
b |
бетон, м3 |
А–I, кг |
А–II, кг |
Прокат, кг |
||
| 700 |
1960 |
В40 |
21,9 |
954 |
2703 |
102 |
54,77 |
Вариант №1
Объем железобетона:
Vж/б = Vкозл.устоя +Vпр б. +Vкр б. +ΣVопор
Vкозл. устоя – объём козлового устоя
Vпр б. – объём промежуточных балок
Vкр б. – объём крайних балок
Vопор – объём опор
Vкозл.устоя =10*28,1=281м3 ;
10 – количество козловых устоев на мосту (5шт*2стороны)
28,1 – расход материала на один козловой устой (табл.2.11. – Катцын)
Vпр б. 21м = 4*4*12,55=200,8м3 ;
Vкр б.21м = 4*2*15,78=126,2м3 ;
Vпр б. 15м = 4*8*14,29=457,3м3 ;
Vкр б.15м = 4*4*15,78=252,5м3 ;
Vопор = 20*28,1=562м3 (табл.2.15. – Катцын);
Vж/б = 281+1037+562=1880м3
Сметная стоимость:
K=ΣEi *Vi
Ei -укрупненная расценка
Vi -объем материала
К = 393,4*14,5+21,0*(200.40+123.04) +19,5*(82.96+42.28)+604.26*12,5 = 23483,01 тыс.руб.
K=281*14,5+658,1*21+378,7*19,5+562*12,5=32304,22 тыс.руб.;
Стоимость работ – фундамента, опор и пролетного строения (табл.2.4)
К1 =ΣKi *Vi ;
К1 =281*11,25+37,5*1037+9,5*562=47380,25 тыс.руб.;
Стоимость мостового полотна (табл.2.4)
К2 =ΣKi *Vi ;
К2 =73,05*11,5*1,4=1176 тыс.руб.;
Полная стоимость
С = К+К1 +К2 =32304,22+47380,25+1176,105=80860,575 тыс.руб.;
Вариант №2
Объем железобетона:
Vж/б = Vкозл.устоя +Vпр б. +Vкр б. +ΣVопор
Vкозл. устоя – объём козлового устоя
Vпр б. – объём промежуточных балок
Vкр б. – объём крайних балок
Vопор – объём опор
Vкозл.устоя =10*28,1=281м3 ;
10 – количество козловых устоев на мосту (5шт*2стороны)
28,1 – расход материала на один козловой устой (табл.2.11. – Катцын)
Vпр б. 15м = 4*8*14,29=457,3м3 ;
Vкр б.15м = 4*4*15,78=252,5м3 ;
Vопор = 15*28,1=421,5м3 (табл.2.15. – Катцын);
Vж/б = 281+709,8+421,5=1412м3
Сметная стоимость:
K=ΣEi *Vi
Ei -укрупненная расценка
Vi -объем материала
К = 393,4*14,5+21,0*(200.40+123.04) +19,5*(82.96+42.28)+604.26*12,5 = 23483,01 тыс.руб.
K=281*14,5+457,3*21+252,5*19,5+421,5*12,5=23869,49 тыс.руб.;
Стоимость работ – фундамента, опор и пролетного строения (табл.2.4)
К1 =ΣKi *Vi ;
К1 =281*11,25+37,5*709,8+9,5*421,5=33781,5 тыс.руб.;
Стоимость мостового полотна (табл.2.4)
К2 =ΣKi *Vi ;
К2 =76,1*11,5*1,4=1225 тыс.руб.;
Полная стоимость
С = К+К1 +К2 =23869,49+33781,5+1225,21=58876,2 тыс.руб.;
На основании данных по табл. 1.4. делаем вывод, что наиболее экономичным является первый вариант.
Глава 2. Расчет плиты проезжей части
1этап – Определяется изгибающий момент и поперечная сила в сечениях плиты в середине пролета и на опоре от временной нагрузки (местное приложение временной нагрузки). Постоянная нагрузка здесь не учитывается.
2этап – Определяются усилия в тех же сечениях плиты только от пространственной работы пролетного строения. При этом учитываются постоянная и временная нагрузки. При этом усилия определяются путем загружения линии влияния изгибающего момента и поперечной силы.
3этап – Усилия, найденные из предыдущих этапов расчета, складываются и являются расчетными для дальнейшего расчета и конструирования плиты.
2.1 Определение усилий в плите проезжей части.
При расчете по методу, в котором плиту рассматривают как неразрезную балку на упругих опорах, усилия в плитах без диафрагменных пролетных строений определяют с некоторым запасом исходя из двух случаев загружения:
1. От местной нагрузки, как для плит, опертых двумя сторонами.
2. От участи плит всего пролетного строения в целом.
В соответствии с ТП 3.503.1-81.0-4 стр.8 т.2 применим следующую схему омоноличивания балок пролетного строения моста.

Рис.2.1. Схема омоноличивания балок
Покрытие состоит из следующих слоев дорожной одежды:
– выравнивающий слой – 3 см
– слой гидроизоляции – 1 см
– защитный слой – 4 см
– асфальтобетон – 7 см
Усилия от местных нагрузок
Приложение нагрузки АК (А):
|
|
b=0,6м. c=1,1м. hдо =0,15м. hпл =0,18м. a=0,2м. P=70 кН. K=14. RA =RB =q∙b1 |
Рис.2.2. Схема приложения нагрузки АК.
Таблица 2.1
| № |
Название слоя |
Толщина, h, м |
Нормативный удельный вес, |
Коэффициент надежности по нагрузке, |
| 1 |
Асфальтобетон |
0,07 |
22,6 |
1,5 |
| 2 |
Защитный слой |
0,04 |
24,5 |
1,3 |
| 3 |
Гидроизоляция |
0,01 |
17,8 |
1,3 |
| 4 |
Выравнивающий слой |
0,03 |
23,5 |
1,3 |
| 5 |
Плита |
0,18 |
24,5 |
1,1 |
Ml/2 =Mп +Mвр
Ширина распределения нагрузки вдоль расчетного пролета плиты:
b1 =b+2∙hдо =0,6+2∙0,15=0,9 м.
Длина распределения колесной нагрузки поперек расчетного пролета плиты:
a1 =a+2∙hдо +LР /3≥2∙LР /3
а – размер площадки опирания колеса с наибольшим давлением (0,2 м).
a1 =0,2+2∙0,15+2,24 /3=1,25<2∙LР /3=1,49 м.
Условие не выполняется. Принимаем
a1 =1,493 м.
Для колесной нагрузки:
qP =P /(a1 ∙b1 )=70,0 /(1,493∙0,9)=52,1кН/м
Для равномерно распределенной нагрузки:
qV =0,5∙K /b1 =0,5∙14,0 /0,9=7,8кН/м
Ml/2,V б =qV ∙b1 ∙(LР -С) /2=7,8∙0,9∙(2,24-1,1) /2=3,99кНм
Ml/2,P б =qP ∙b1 ∙(LР -С) /2=52,1∙0,9∙(2,24-1,1) /2=26,7кНм
Максимальный балочный изгибающий момент в сечении:
Ml/2 б =(1+μ)∙(Ml/2,V б ∙γfv +Ml/2,P б ∙γfp )
Динамический коэффициент:
(1+μ)=1+(45-2,24)/135=1,317
Коэффициенты надежности по нагрузкам согласно СНиП 2.05.03-84∙ по табл.14:
γfv =1,2
γfp =1,5
Ml/2 б =1,317∙(3,99∙1,2+26,719∙1,5)=59,1кНм
Момент от постоянной нагрузки в середине плиты:
Mп =QI ∙Lр 2 /8=9,65∙5,018 /8=6,0499кНм
QI =(0,07∙22,6∙1,5+0,04∙24,5∙1,3+0,01∙17,8∙1,3+0,03∙23,5∙1,3+0,18∙24,5∙1,1)=9,65кНм
Ml/2 =59,08+6,05=65,13 кНм.
Приложение нагрузки НК:
|
|
b=0,8м. c=3,6м. hдо =0,15м. hпл =0,18м. a=0,2м. P=126 кН. RA =RB =q∙b1 |
Рис.2.3. Схема приложения нагрузки НК.
Ml/2 =Mп +Mвр
Ширина распределения нагрузки вдоль расчетного пролета плиты:
b1 =b+2∙hдо =0,8+2∙0,15=1,1 м.
a1 =a+2∙hдо +LР /3≤1,2
а – размер площадки опирания колеса с наибольшим давлением (0,2 м).
a1 =0,2+2∙0,15+2,24 /3=1,25>1,2 м.
Условие не выполняется. Принимаем
a1 =1,2 м.
Для колесной нагрузки:
q=9∙К /(a1 ∙b1 )=9∙14,0 /(1,2∙1,1)=95,5кН/м
Величина балочного момента:
Mб =γfK (1+μ)∙Mб =1∙1,238∙44,4=54,9кНм
Mб =qK ∙b1 ∙(LР -0,5∙b1 ) /4=95,45∙1,1∙(2,24-0,5∙1,1) /4=44,4кНм
Динамический коэффициент:
(1+μ)=1,35-0,05∙2,24=1,238
Ml/2 =54,92+6,05=60,97 кНм.
Расчетное значение изгибающих моментов в сечениях плиты:
Ml/2 P =α1 ∙Ml/2 б
Mоп P =α2 ∙Ml/2 б
α1 =0,5
α2 =-0,7 – переменные, определяются в зависимости от коэффициента n
АК:
по I п.с.
Ml/2 P =0,5∙65,13=32,56кНм
Mоп P =-0,7∙65,13=-45,6кНм
по II п.с.
Ml/2 б =1,317∙(3,99+26,72)=40,4кНм
Mп =QII ∙Lр 2 /8=6,84∙5,018 /8=4,2922кНм
QII =(0,07∙22,6+0,04∙24,5+0,01∙17,8+0,03∙23,5+0,18∙24,5)=6,84кНм
Ml/2 =4,29+40,44=44,73 кНм.
Ml/2 P =0,5∙44,73=22,36кНм
Mоп P =-0,7∙44,73=-31,3кНм
НК:
по I п.с.
Ml/2 P =0,5∙60,97=30,49кНм
Mоп P =-0,7∙60,97=-42,68кНм
по II п.с.
Ml/2 =54,92+4,292=59,21 кНм.
Ml/2 P =0,5∙59,21=29,61кНм
Mоп P =-0,7∙59,21=-41,45кНм
Максимальные моменты получились по АК.
Определение поперечной силы ( Q )
Нагрузка АК:

Рис.2.4. Схема приложения нагрузки АК.
Qоп =Qп +Qвр
Поперечную силу в сечениях плиты определяют, как для свободно опертой балки.
a1 ' =0,2+2∙hдо ≥2∙LР /3
a1 ' =0,2+2∙hдо =0,5<LР /3=0,75 м.
Условие не выполняется. Таким образом
a1 ' =0,747 м.
a1 =0,2+2∙0,15+2,24 /3=1,25<2∙LР /3=1,49 м.
Условие не выполняется. Таким образом
a1 =1,493 м.
Ширина распределения нагрузки вдоль расчетного пролета плиты:
b1 =b+2∙hдо =0,6+2∙0,15=0,9 м.
Определим ординаты по линии влияния Qоп по рис.2.4.:
y1 =(2,24-0,9 /2)/2,24=0,8
y2 =(2,24-0,9 /2-1,1)/2,24=0,31
Qвр I =(1+μ)∙[0,05∙K∙(γfv ∙y1 +γfp ∙y2 )+P∙(y1 ∙γfp /aP +y2 ∙γfp /a1 )]
Qвр I =1,317∙[0,05∙14,0∙(1,2∙0,799+1,2∙0,308)+70,0∙(0,799∙1,5/1,493+0,308∙1,5/1,493)]=104 кН
Qвр II =(1+μ)∙[0,05∙K∙(y1 +y2 )+P∙(y1 /aP +y2 /a1 )]
Qвр II =1,317∙[0,05∙14,0∙(0,7991+0,308)+70,0∙(0,7991 /1,493+0,308 /1,493)]=69,4 кН
Qп I =QI ∙Lр /2=9,65∙2,24 /8=2,70кНм
Qп II =Qп II ∙Lр /2=6,84∙2,24 /8=1,92кНмQI =Qп I +Qвр I =106,43 кН (по I .с.).
QII
=Qп
II
+Qвр
II
=71,27 кН (по II п.с.).
Нагрузка НК:
|
|
b=0,8м. b1 =1,1 м. a1 =1,493 м. a1 ' =0,747 м. P=126 кН. |
Рис.2.5. Схема приложения нагрузки НК.
y =(2,24-1,1 /2)/2,24=0,75
Qвр I,II =(1+μ)∙P∙(y∙γfp /a1 )
Qвр I,II =1,238∙126,0∙(0,7545∙1 /1,493)=78,8 кН.
QI =Q п I +Qвр I =81,51 кН (по I п.с.).
QII
=Q
п
II
+Qвр
II
=80,72 кН (по II п.с.).
2.2 Подбор арматуры плиты проезжей части.
Армирование плиты проводится двумя сетками: верхней и нижней.
Для армирования плиты принимаем арматуру класса АII и диаметром 16 мм (в соответствии с табл.29 СНиП 2.05.03-84 "Мосты и трубы").

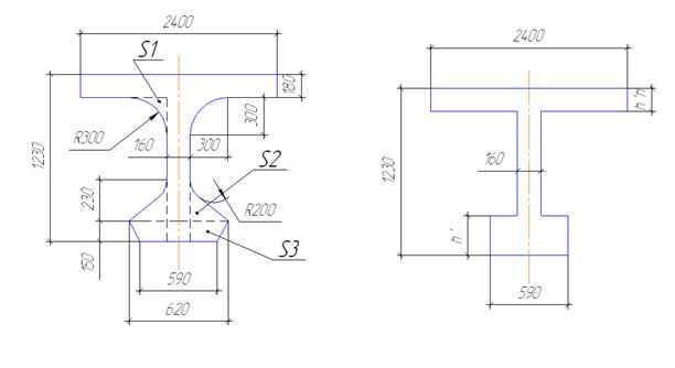
Рис.2.6. Схема рассматриваемых сечений.

Рис.2.7. Схема расположения рабочей арматуры.
м.
hзс – толщина защитного слоя бетона.
d – диаметр арматуры.
2.2.1 Нижний ряд (по сеч. I-I).
Необходимая площадь ненапрягаемой арматуры:
AS =Ml/2 I /(RS ∙z)
RS – расчетное сопротивление арматуры растяжению (т.31 СНиП 2.05.03-84 "Мосты и трубы"), для ненапрягаемой арматуры класса АII диаметром 16 мм
RS =265 МПа.
z – плечо внутренней пары сил.
h0 – рабочая высота сечения.
h0 =h-hзс -d /2=0,18-0,03-0,02 /2=0,14 м.
h – толщина плиты (по сеч. I-I).
z=0,875∙h0 =0,875∙0,142=0,12 м.
AS =30,49 /(265∙103 ∙0,12)=0,93∙10-3 м2 =9,26см2
Площадь одного стержня:
acr =П∙d2 /4=3,14∙2,56 /4=2,01 см2
Количество стержней:
n=AS /acr =9,259 /2,01=4,61≈5 шт.
Минимальное количество стержней по ТП 5 шт. Принимаем 5 стержней класса AII площадью всех стержней
AS =5∙2,01=10,05 см2
2.2.2 Верхний ряд (по сеч. III-III).
h0 =h-hзс -d /2=0,28-0,03-0,02 /2=0,24 м.
z=0,875∙h0 =0,875∙0,242=0,21 м.
AS =42,68 /(265∙103 ∙0,21)=0,76∙10-3 м2 =7,61см2
n=AS /acr =7,606 /2,01=3,78≈4 шт.
Минимальное количество стержней по ТП 5 шт. Принимаем 5 стержней класса AII площадью всех стержней
AS =5∙2,01=10,05 см2 .
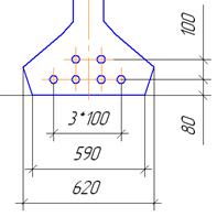
Рис.2.8. Сетка арматуры
2.3 Проверка плиты по первой группе предельных состояний.
2.3.1 Проверка на изгибающий момент по нормальному сечению.
Условие:
, кН м
– предельный момент.
МПа – сопротивление на осевое сжатие (табл.23 СНиП "МиТ", в зависимости от класса бетона, В40).
x – высота сжатой зоны.
![]()
см
Проверка нижнего ряда
|
Рис.2.8. Сечение I-I. |
x=265∙10,048 /(20∙1)=0,01 MP I <20∙1∙0,013∙(0,142-0,01/2)=36,04 30,49<36,04-Условие выполняется.
|
Проверка верхнего ряда
|
Рис.2.9. Сечение III-III. |
x=265∙10,048 /(20∙1)=0,01 MP I <20∙1∙0,013∙(0,242-0,01/2)=62,67 42,68<62,67 Условие выполняется.
|
2.3.2 Проверка на поперечную силу по наклонным сечениям.
Условие:
![]()
МПа – сопротивление бетона на осевое растяжение (табл. 23 СНиП 2.05.03-84 "МиТ").
С – проекция возможной трещины на горизонтальную ось (не более 2h0 ).
|
Рис.2.10. Сечение III-III с наклонной трещиной. |
Qоп P ≤1,5∙1,15∙1∙0,0586 /0,24 106≤417,5 Условие выполняется. |
2.4 Проверка плиты по второй группе предельных состояний.
2.4.1 Расчет на образование продольных трещин.
|
Рис.2.11. Схема расположения рабочей арматуры. |
Арматура класса АII и диаметром 16 мм.
|
Условие:
σbx =MP II ∙yв /Ired ≤Rbmc2
σbx – нормальное напряжение в бетоне вдоль продольной оси.
Rbmc2 =19,6 МПа (т. 23 СНиП "МиТ") – расчетное сопротивление на осевое сжатие для расчетов по предотвращению образования в конструкции продольных трещин.
Ired – приведенный момент инерции.
MP II =31,86 кНм – момент по второму предельному состоянию в плите.
nS =ES /Eb =2,06∙105 /36∙103 =5,722
ES =2,06∙105 МПа – модуль упругости напрягаемой арматуры (т.34 СНиП).
Eb =36∙103 МПа – модуль упругости бетона (т.28 СНиП).
Приведенная площадь сечения:
Ared =h∙b +(nS -1)∙(AS +AS ' )=18∙100 +(5,722-1)∙(10,05+10,05)=1895 см2
Статический момент инерции относительно нижней грани: см.
Sred =b∙h∙h /2 +(nS -1)∙(AS ∙aS +AS ' ∙(h-aS ' ))
Sred =100∙18∙18 /2 +(5,722-1)∙(10,05∙3,8+10,05∙(18-3,8))=17054 см3
yнижн =Sred /Ared =17054 /1895=9 см.
yверх =h-yнижн =18-9=9 см.
Момент инерции приведенного сечения:
Ired =b∙h3 /12+b∙h∙(h /2-yн )2 +(nS -1)∙(AS ∙(yн -aS )2 +AS ' ∙(yв -aS ' )2 )
Ired =100∙5832 /12+18∙100∙(18 /2-9)2 +(5,722-1)∙(10,05∙(9-3,8)2 +10,05∙(9-3,8)2 )=51166 см4
Тогда:
σbx =22,36∙9 /51166<19,6
3,934<19,6 МПа
Условие выполняется. Продольные трещины не образуются.
2.4.2 Расчет на ограничение раскрытия трещин.
Условие:
acr =Ψ∙σS /ES ≤Δcr
acr – величина раскрытия трещин.
ES =2,06∙105 МПа – модуль упругости.
σS – напряжение в крайнем ряду растянутой арматуры.
Δcr =0,02 см – допустимая величина раскрытия трещины (табл.39 СНиП).
Ψ – коэффициент раскрытия трещин.
Ψ=1,5∙Rr
Rr – радиус армирования.
Rr =Ar /(Σβ∙n∙d)
n=5 – количество стержней.
d=16мм – диаметр стержня.
β – коэффициент, учитывающий степень сцепления арматурных элементов с бетоном (табл. 41 СНиП "МиТ"), принимаем равным 1.
Ar – площадь зоны взаимодействия для нормальных сечений.
Ar =yн ∙b=9∙100=900 см2
Rr =900 /(1∙5∙1,6)=113 см.
Ψ=15,91
z=h-aS -x /2=18-3,8-1,33 /2=13,5 см.
σS =M∙(h-x-aU )/(AS ∙z∙(h-x-a))
σS =22,36∙(18-1,331-3,8)/(10,05∙13,53∙(18-1,33-3,8))=164 МПа.
x – величина сжатой зоны (из проверки нижнего ряда по нормальным сечениям – I п.с.).
acr =15,91∙164,45 /2,06∙105 <0,02 см.
0,01<0,02 см.
Условие выполняется.
Глава 3. Расчет пролетного строения моста
3.1 Определение усилий в главных балках пролетного строения.
3.1.1 Нахождение коэффициентов поперечной установки.
К расчету принята балка пролетного строения длиной 18 м. Расчетный пролет составляет 20,4 м.

Рис.3.1. Схема расчетного и приведенного сечения.
Определим параметры приведенного сечения:
Определим приведенную толщину плиты:
![]()
см2
м2
.
см.
Определим высоту
:
см.
![]()
см2
.
см2
– площадь треугольника.
см2
– площадь трапеции.
Момент инерции плиты:
м4
Прогиб в середине пролета главной балки от равномерно-распределенной нагрузки,
т/м.п.
![]()
Е – модуль упругости.
I' – момент инерции плиты.
d – расстояние между балками.
![]()
![]()
L – расчетная длина пролета.
Площадь приведенного сечения плиты:
м2
Статический момент инерции относительно нижней грани:
м3
м.
м.
Момент инерции главной балки по приведенному сечению:

м4
α=384∙d3 ∙Iб /(30∙I'∙p∙L4 )=0,408
L – расчетная длина пролета.
По полученному значению строим ординаты линий влияния (табл. 5 приложения В.А. Российского).
D=105+1744α+3690α2 +1776α3 =1552
Линия влияния нулевой балки
R0 :
R00 P =(55+1364α+3348α2 +1720α3 )/D=0,829
R01 P =(40+567α+676α2 +127α3 )/D=0,253
R02 P =(25+30α+-283α2 +-90α3 )/D=-0,010
R03 P =(10-172α+-114α2 +24α3 )/D=-0,050
R04 P =(-5-114α83α2 +6α3 )/D=-0,024
R05 P =(20+69α-20α2 +1α3 )/D=0,029
Ординаты консоли:
dконс =1,04
d=2,4
R0,конс левое =R00 P +dконс ∙R00 M /d=1,108
R00 M =(15+847α+3052α2 +1953α3 )/D=0,645
R0,конс правое =R05 P +dконс ∙R50 M /d=0,04
R50 M =(-15+203α-172α2 +27α3 )/D=0,026
Линия влияния первой балки
R1 :
R10 P =(40+567α+676α2 +127α3 )/D=0,253
R11 P =(31+584α+2040α2 +1432α3 )/D=0,455
R12 P =(22+435α+1162α2 +331α3 )/D=0,268
R13 P =(43+228α+5α2 -114α3 )/D=0,083
R14 P =(4+44α-276α2 +36α3 )/D=-0,014
R15 P =(-5+-114α+83α2 -6α3 )/D=-0,025
Ординаты консоли:
dконс =1,04
d=2,4
R0,конс левое =R10 P +dконс ∙R00 M /d=0,122
R10 M =(9-57α-1931α2 -1981α3 )/D=-0,303
R0,конс правое =R15 P +dконс ∙R50 M /d=-0,013
R50 M =(-15+203α-172α2 +27α3 )/D=0,026
Линия влияния второй балки
R2 :
R20 P =(25+30α-283α2 -90α3 )/D=-0,010
R21 P =(22+435α+1162α2 +331α3 )/D=0,268
R22 P =(19+668α+1992α2 +1288α3 )/D=0,458
R23 P =(16+555α+928α2 +367α3 )/D=0,272
R24 P =(13+228α+5α2 -144α3 )/D=0,063
R25 P =(10-172α+-114α2 +24α3 )/D=-0,050
Ординаты консоли:
dконс =1,04
d=2,4
R0,конс левое =R20 P +dконс ∙R00 M /d=-0,13
R20 M =(3-430α-1475α2 -138α3 )/D=-0,275
R0,конс правое =R25 P +dконс ∙R50 M /d=-0,039
R50 M =(-15+203-172α2 +27α3 )/D=0,026


а). Нулевая балка. Определение коэффициента поперечной установки
КТ =Sэпюры =0,5∙(0,874+1,076)=0,975
КP =0,5∙(0,228+0,019+-0,024+-0,046)=0,088
КV =0,5∙(0,228+0,019+0,600∙(-0,024+-0,046)=0,102
б). Первая балка.
КТ =Sэпюры =0,5∙(0,231+0,137)=0,184
КP =0,5∙(0,437+0,289+0,204+0,070)=0,500
КV =0,5∙(0,437+0,289+0,600∙(0,204+0,070)=0,445
в). Вторая балка.
КТ =Sэпюры =0,5∙(-0,030+-0,116)=-0,073
КP =0,5∙(0,286+0,437+0,394+0,243)=0,680
КV =0,5∙(0,286+0,437+0,600∙(0,394+0,243)=0,552
Для расчетов по нагрузке АК принимаем максимальный коэффициент поперечной установки:
КP =0,680
КV =0,552
1. Нагрузка НК:
а). Нулевая балка.
КНК =0,5∙(0,24419+-0,015)=0,115
б). Первая балка.
КНК =0,5∙(0,44893+0,246)=0,348
в). Вторая балка.
КНК =0,5∙(0,2741+0,436)=0,355
Для расчетов по нагрузке НК принимаем максимальный коэффициент поперечной установки:
КНК =0,355
3.1.2 Нахождение усилий в главных балках.

Рис.3.2. Схема нагрузки АК
Нагрузка АК:
Ординаты линий влияния
Lp =17,4
y1 =Lp /4=4,35
y2 =(8,7-1,5)∙4,35 /8,7=3,6
y3 =1
y4 =(17,4-1,5)∙1 /17,4=0,914
y5 =(8,7-1,5)∙0,5 /8,7=0,414
y6 =0,5
ωM =Lр 2 /8=37,85
ωQ оп =Lp /2=8,7
ω=Lр /8=2,175
Таблица 3.1
Таблица 3.1
| № |
Название слоя |
Толщина, h, м |
Нормативный удельный вес, |
Коэффициент надежности по нагрузке, |
| 1 |
Асфальтобетон |
0,07 |
22,6 |
1,5 |
| 2 |
Защитный слой |
0,04 |
24,5 |
1,3 |
| 3 |
Гидроизоляция |
0,01 |
17,8 |
1,3 |
| 4 |
Выравнивающий слой |
0,03 |
23,5 |
1,3 |
| 5 |
Плита |
0,18 |
24,5 |
1,1 |
| 6 |
УМС |
0,18 |
24,0 |
1,1 |
1. Определение изгибающего момента
Ml/2 =Mп +Mвр
(1+μ)=1+(45-17,4)/135=1,204
γfv =1,2
γfp =1,5-0,01∙17,4=1,326
γf – коэффициент надежности по нагрузке.
Mвр =γff ∙КПУ Т ∙qТ ∙ωM +(1+μ)∙γfv ∙КПУ V ∙qV ∙ωM +(1+μ)∙γfp ∙КПУ P ∙PΣY=
1,204∙1,2∙0,552∙14∙37,845+1,204∙1,326∙0,680∙140∙(4,35+3,6)=
1631 кНм.
Момент от постоянной нагрузки в середине пролета:
Mп =Mсоб.вес +Mпч +Mогр +Mперил
Момент от собственного веса балки:
Mсоб.вес =γf ∙qсв ∙ωM =694,80 кНм.
qсв =16,69 кН/м (Катцын, т.3.1)
qаб =22,6∙0,07∙2,4=3,7968 кН/м
qзс =24,5∙0,04∙2,4=2,352 кН/м
qги =17,8∙0,01∙2,4=0,4272 кН/м
qвс =23,5∙0,03∙2,4=1,692 кН/м
qогр =2∙1,2 /6=0,4 кН/м кН/м (Катцын, т.3.2).
qперил =2∙0,8 /6=0,2667 кН/м (Катцын, т.3.2).
qомон =24∙0,18∙1=4,32 кН/м
Mпч =(1,3(1,692+0,427+2,352)+1,5∙3,797+1,1∙4,32)∙37,85=615,4 кНм.
Mогр =γf ∙qогр ∙ωM =16,652 кНм.
Mперил =γf ∙qперил ∙ωM =11,101 кНм.
Mп =694,8+615,35+16,652+11,101=1337,90 кНм.
Ml/2 =1337,90+1631=2969,12 кНм.
2. Определение поперечной силы в опорном сечении от нагрузки АК:
Qоп =Qп +Qвр
Qвр =QV +QP +Qt
Qвр =(1+μ)∙γfv ∙КПУ V ∙qV ∙ωQ +(1+μ)∙γfp ∙КПУ P ∙PΣY+γft ∙КПУ T ∙PТ ∙ωQ =
1,204∙1,2∙0,552∙14∙8,7+1,204∙1,326∙0,680∙140∙(1+0,914)+1,2∙0,975∙3,579∙8,7=
424,5 кН.
PТ =3,92-0,02∙17,4=3,579>1,96
QV - поперечная сила от равномерно-распределенной нагрузки.
QP - поперечная сила от сосредоточенной нагрузки.
Qt - поперечная сила от толпы.
Qп =Qсв +Qпч +Qогр +Qперил
Qсв =γf ∙qсв ∙ωQ =1,1∙16,69∙8,7=159,7 кН.
Qпч =(1,3(0,427+2,352+1,692)+1,5∙3,797+1,1∙4,32)∙8,7=141,5 кН.
Qперил =1,1∙0,2667∙8,7=2,552 кН.
Qогр =1,1∙0,4∙8,7=3,828 кН.
Qп =159,72+141,5+2,552+3,828=307,56 кН.
Qоп =307,56+424,5=732,10 кН.
2. Определение поперечной силы в среднем сечении от нагрузки АК:
Ql/2 п =Ql/2 п +Ql/2 вр
Ql/2 вр =(1+μ)∙γfv ∙КПУ V ∙qV ∙ωQ +(1+μ)∙γfp ∙КПУ P ∙PΣY=
1,204∙1,2∙0,5524∙14∙2,175+1,204∙1,326∙0,68∙140∙(0,5+0,414)=
163,2 кН
Ql/2 п =Qсв +Qпч +Qогр +Qперил
Qсв =γf ∙qсв ∙ωQ =1,1∙16,69∙2,175=39,93 кН.
Qпч =(1,3(0,427+2,352+1,692)+1,5∙3,797+1,1∙4,32)∙2,175=35,4 кН.
Qперил =1,1∙0,2667∙2,175=0,638 кН.
Qогр =1,1∙0,4∙2,175=0,957 кН.
Qп =39,931+35,4+0,638+0,957=76,89 кН.
Ql/2 п =76,89+163,2=240,08 кН.

Рис.3.3. Схема нагрузки НК
Нагрузка НК:
Lp =17,4
y1 =y3 =(8,7-1,2)∙4,35 /8,7=3,75
y4 =(8,7-2,4)∙4,35 /8,7=3,15
y1 =1
y2 =(17,4-1,2)∙1 /17,4=0,931
y3 =(17,4-2,4)∙1 /17,4=0,862
y4 =(17,4-3,6)∙1 /17,4=0,793
y1 =0,5
y2 =(8,7-1,2)∙0,5 /8,7=0,431
y3 =(8,7-2,4)∙0,5 /8,7=0,362
y4 =(8,7-3,6)∙0,5 /8,7=0,293
ωM =Lр 2 /8=37,85
ωQ оп =Lp /2=8,7
ω=Lр /8=2,175
1.Ml /2 =Mп +Mвр
Mп =1337,90 кНм.
(1+μ)=1,35-0,05∙17,4=0,48<1,1
Mвр =(1+μ)∙γf ∙КПУ НК ∙PК ΣY=1,1∙1∙0,355∙126,0∙(4,35+2∙3,75+3,15)=
738,5 кНм.
Ml
/2
=1337,90+738,5=2076,39 кНм.
2.
Qоп =Qп +Qвр
Qп =307,6 кН.
Mвр =γff ∙КПУ Т ∙qТ ∙ωM +
Qвр =(1+μ)∙γf ∙КПУ НК ∙PК ΣY=1,1∙1∙0,355∙126∙(1+0,931+0,862+0,793)=
176,6 кН.=
Qоп =307,56+176,6=484,12 кН.
3.
Ql /2 п =Ql /2 п +Ql /2 вр
Ql/2 п =76,89 кН.– не учитываем
Ql/2 вр =(1+μ)∙γf ∙КПУ НК ∙PК ΣY=1,1∙1∙0,355∙126∙(0,5+0,431+0,362+0,293)=
78,09 кН.
Ql/2 п =78,09 кН.
Расчетный момент в середине пролета балки принимаем наибольший:
Ml/2 =2969,12 кНм.
3.2 Определение количества рабочей арматуры.
Площадь рабочей арматуры:
AP =Ml/2 /(RP ∙z)
Ml/2 – расчетный изгибающий момент .
RP – расчетное сопротивление рабочей арматуры (табл.31 СНиП "Мосты и трубы"), принимаем высокопрочную гладкую проволоку диаметром 5 мм, B-II, МПа.
RP =1055Мпа
Z=h-hпл /2-ap =1,23-0,18 /2-0,1=1,04 м.
Z– расстояние от более растянутой грани сечения до равнодействующей усилия в рабочей арматуре.
h – полная высота балки.
hпл – толщина плиты.
AP =2969,12 /(1055∙1,04)=27,06 см2
Принимаем пучок из 24проволок диаметром 5 мм.
Диаметр пучка составляет:
AP' =24∙П∙d2 /4=4,71 см2
Тогда, необходимое количество пучков составит:
nP =AP /AP' =27,061 /4,71=5,745=6 пучков.
Принимаем армирование предварительно напряженной арматурой из 6 пучков по 24шт диаметром5 мм с площадью армирования
Aр факт =n∙AP' =6∙4,71=28,26 см2
Расстояние до центра тяжести арматуры (
ap =yцт =(4∙4,71∙8+2∙4,71∙18)/(6∙4,71)=11,33 см.

3.3. Расчет по предельным состояниям первой группы
3.3.1. Расчет по прочности нормального сечения на действие изгибающего момента
Ml/2 Iпс ≤Rб ∙x∙bпл ∙(h0 -x/2)
h0 =hб -ap =1,23-0,1133=1,117м.
bпл =2,4=240 см.
Rб =20 МПа (табл.23 СНиП "М и Т").
x=RP ∙AP /(Rб ∙bпл )=0,062 м =6,211 см.
AP =Aр факт =28,26 см2
Ml/2 Iпс =2969,12 кНм.
2969,12 кНм.≤3237 кНм.
Условие выполняется
3.3.2. Расчет по прочности наклонного сечения на действие поперечной силы

Рис.3.5. Расчетная схема
Расчет наклонных сечений элементов с поперечной арматурой на действие поперечной силы следует производить из условия:
Qоп Р ≤Qпред
Qпред =Qw +Qb
Q≤ΣRsw ∙Asw +Qb
ΣRsw ∙Asw – сумма проекций усилий всей пересекаемой (наклонной и нормальной к продольной оси элемента) арматуры.
Rsw =265 МПа (табл.31 СНиП "Мосты и трубы", для ненапрягаемой арматуры).
При расчете растянутой поперечной арматуры в наклонных сечениях на действие поперечной силы к расчетным сопротивлениям растяжению арматурной стали вводят коэффициент условий работы арматуры.
Qпред =ma 4 ∙Rsw ∙Asw ∙nsw +2∙Rbt ∙b∙h0 2 /c
ma4 =0,8 – коэффициент условий работы сечения (п.3.40 СНиП "МиТ").
nsw =8 – количество хомутов (по ТП 3.503.01-81).
Qb – поперечное усилие, передаваемое в расчете на бетон сжатой зоны под концом наклонного сечения.
Asw – площадь ненапрягаемых вертикальных хомутов.
Asw =2∙F=2,2608 см2
b=0,23 м – ширина ребра балки.
Rbt =1,15 МПа – сопротивление бетона на осевое растяжение (табл. 23 СНиП 2.05.03-84 "МиТ")
С – проекция возможной трещины на горизонтальную ось (не более 2h0 ).
c=(h-x/2)/tg60=(1,23-0,031)/1,73=0,693 м.
Qпред =0,8∙265∙2,2608∙8∙ 10 -1 +2∙1,15∙0,23∙1,247 ∙10 3 /0,693=1335 кН.
Qоп Р =Qоп -(Qоп -Ql/2 )/(L/2-0,3)∙(0,15+c)
Qоп Р =732,10-(732,10-240,08)/(9-0,3)∙(0,15+0,693)=684,42 кН
Ql/2 =240,08 кН
Qоп =732,10 кН
Qоп Р ≤Qпред
684,42<1335,24 кН. Условие выполняется.

Рис.3.6. Расчетная схема
3.4 Расчет по предельным состояниям второй группы
3.4.1. На стадии создания предварительного напряжения
1. Определение приведенных геометрических характеристик сечения
Определим приведенную толщину плиты:
hпл ' =S1 /240+hпл
2S1 =2R2 (1-0,25П)=2∙900∙(1-0,25∙3,14)=387 м2 .
Определим высоту
hпл ' =387 /240+18=19,61 см.
h1 =S' /21,5=598,3 /21,5=27,83 см.
S' =Sтреуг +Sтрап =264,5+333,75=598,3 см2 .
Sтреуг =0,5∙23∙23=264,5 см2 – площадь треугольника.
Sтрап =0,5∙(21,5+23)∙15=333,8 см2 – площадь трапеции.
Площадь приведенного сечения плиты
Ared I =0,16∙1,23+(2,4-0,16)∙0,196+(0,59-0,16)∙0,278=0,756 м2 :
np =Ep /Eb – коэффициент приведения площади арматуры к эквивалентной площади бетона.
Ep =1,96 ∙10 5 МПа – модуль упругости для преднапряженной арматуры (т.34 СНиП "МиТ").
Eb =36 ∙10 3 МПа – модуль упругости бетона (т.28 СНиП "МиТ").
np =1,96 ∙10 5 /36 ∙10 3 =5,44
Aр факт =28,26 см2 см2
Статический момент инерции приведенного сечения:
Sred =0,16∙1,23∙0,615+(2,4-0,16)∙0,196∙(1,23-0,196 /2)+
(0,59-0,16)∙0,27826∙0,278 /2=0,635 м3
yнижн цт =S/A=0,63496 /0,756=0,8402 м.
yверх цт =h-yнижн цт =1,23-0,8402=0,39 м.
Момент инерции приведенного сечения:
Ired I =0,16∙0,84015 .3 /3+0,16∙0,39 .3 /3+(2,4-0,16)∙0,196 .3 /12+
(2,4-0,16)∙0,196∙(0,3898-0,098 )2 +(0,59-0,16)∙0,278 .3 /12+
(0,59-0,16)∙0,278∙(0,8402-0,139 )2 +(5,44-1)∙0,003∙(0,84-0,113 )2 =
0,156 м4
2. Определение усилий от предварительного натяжения арматуры

Рис.3.8. Расчетная схема
Сила предварительного напряжения:
NP I =σкон ∙AP
σкон =σP -Σσпот
σкон – напряжение в арматуре после её натяжения и анкеровки.
σP =RP =1055 МПа – расчетное сопротивление арматуры на стадии предварительного напряжения (табл.31. СНиП "Мосты и Трубы").
Σσпот – потери напряжений в арматуре первой группы, т.е. потери, проявляющиеся в момент натяжения и закрепления арматуры.
Σσпот =0,5σ1 +σ3
σ1 – релаксация напряжений арматуры при механическом способе натяжения арматуры.
σ3 – деформация анкеров, расположенных у натяжных устройств при натяжении на упоры.
σ1 =(0,22∙σP /RP , ser -0,1)∙σP =(0,22∙1055 /1335-0,1)∙1055=77,92 МПа.
RP,ser =1335 МПа – нормативное сопротивление растяжению (табл.31. СНиП "МиТ").
σ3 =EP ∙Δl /l=1,96 ∙10 5 ∙2 ∙10 -3 /24=16,33
Δl – сжатие опресованных шайб, принимаемое равным 2 мм на каждый анкер.
l – длина натягиваемого арматурного элемента.
EP – модуль упругости напрягаемой арматуры (1.96∙105 МПа).
Тогда
Σσпот =0,5∙77,92+16,33=55,29 МПа.
σкон =1055-55,29=999,71 МПа.
NP I =999,71 ∙10 3 ∙0,003=2825 Кн
MP =NP ∙zP
zP – расстояние равнодействующих усилий в пучках от ц.т. приведенного сечения.
zP =yнижн цт -aP =0,8402-0,1133=0,727 м.
MP =2825,2∙0,7268=2053,4 кН м.
3. Расчет на образование нормальных трещин
σbv в I =NP I /Ared I -MP I ∙yв /Ired +Mсв ∙yв /Ired ≤0,8*Rbt , ser
Mсв II =mбалки ∙g∙lP 2 /(8∙LБ )=39,83∙9,81∙75,69 /(8∙18)=205,4 кН м.
σbv вI =2825,2 /0,7558-2053,4∙0,3898 /0,156+694,80∙0,39 /0,156=0,352
0,352<2,10 МПа
4. Расчет на образование продольных трещин
σн =NP I /Ared I +MP ∙yн /Ired -Mсв ∙yн /Ired ≤0,8∙Rb мс1
σн – сжимающее напряжение.
Rbмс1 =23 МПа – сопротивление бетона при расчете на появление продольных трещин (табл.23 СНиП "МиТ").
σн =2825,2 /0,7558+2053,4∙0,8402 /0,156-694,80∙0,84 /0,156=11,04
11,04<18,4 МПа
1. Определение усилий
Сила предварительного напряжения:
NP II =(σP -Σσпот )∙AP
Σσпот =0,5∙σ1 +σ7 +σ8 – потери напряжений в арматуре в процессе эксплуатации сооружения.
σ1 – релаксация напряжений арматуры при механическом способе натяжения арматуры.
σ7 =50 МПа – усадка бетона (прил.11 СНиПа "Мосты и трубы").
σ8 – от ползучести бетона.
Потери предварительного напряжения от ползучести бетона определяются по формуле:
σ8 =150∙α∙σвр /Rвр
при σвр /Rвр ≤0,75
σвр определяется по формуле:
σвр =NP /Ared II +Mp ∙zP /Ired II -Mсв ∙zP /Ired II
Mp =2053,4 кН м.
NP =2825,2 кН.
Mсв =694,80 кН м.
σвр =2053,4 /0,7558+2053,4∙0,7268 /0,156-694,80∙0,727 /694,80=12259 кПа
Rвр =19,6 МПа (по табл.23. СНиП "Мосты и Трубы").
σвр /Rвр =12259 /19600=0,6255<0,75
Таким образом:
σ8 =150∙1∙12259 /19600=93,82 МПа
α=1 - коэффициент, принимающийся для бетона естественного твердения.
Суммарные потери напряжения в арматуре в процессе эксплуатации сооружения:
Σσпот =0,5∙77,92+50+93,82=182,8 МПа.
σкон =1055-182,78=872,22 МПа.
NP II =872,22 ∙10 3 ∙0,003=2465 Кн
MP II =2464,9∙0,7268=1791,5 кН м.
MII =Mпост +Mвр
(1+μ)=1
γfv =1
γfp =1
γf – коэффициент надежности по нагрузке.
Mвр =γff ∙КПУ Т ∙qТ ∙ωM +(1+μ)∙γfv ∙КПУ V ∙qV ∙ωM +(1+μ)∙γfp ∙КПУ P ∙PΣY=
1∙1∙0,552∙14∙37,845+1∙1∙0,680∙140∙(4,35+3,6)=
1049 кНм.
Момент от постоянной нагрузки в середине пролета:
Mп =Mсоб.вес +Mпч +Mогр +Mперил +MТ
Момент от собственного веса балки:
Mсоб.вес =γf ∙qсв ∙ωM =694,80 кНм.
qсв =16,69 кН/м (Катцын, т.3.1)
qаб =17,8∙0,01∙2,4=0,4272 кН/м
qзс =23,5∙0,03∙2,4=1,692 кН/м
qги =2∙1,2∙2,4=5,76 кН/м
qвс =2∙0,8∙2,4=3,84 кН/м
qогр =24∙1,2 /6=4,8 кН/м кН/м (Катцын, т.3.2).
qперил =2∙0,8 /6=0,2667 кН/м (Катцын, т.3.2).
qомон =24∙0,18∙1=4,32 кН/м
Mпч =(1,692+0,427+2,352+3,797+4,32)∙37,85=476,39 кНм.
Mогр =γf ∙qогр ∙ωM =181,66 кНм.
Mперил =γf ∙qперил ∙ωM =10,092 кНм.
Mп =694,8+476,39+181,66+10,092=1362,94 кНм.
MII =1362,94+1049=2412,12 кНм.
2. Расчет на образование продольных трещин в нижней зоне.
σвз II =NP II /Ared II +MP II ∙yн /Ired II -MII ∙yн /Ired II ≤1,4∙Rbt , ser
σbv вI =2464,9 /0,7558+1791,5∙0,8402 /0,156-2412,12∙0,84 /0,156=-0,072
-0,072<2,94 МПа
Условие выполняется.
3. Расчет на образование продольных трещин в верхней зоне.
σнз II =NP II /Ared II -MP II ∙yв /Ired II +MII ∙yв /Ired II ≤Rb , mc 2
σнз II =2464,9 /0,7558+1791,5∙0,3898 /0,156-2412,12∙0,39 /0,156=1,715
Rb,mc2 =19,6 МПа – расчетное сопротивление бетона осевому сжатию (табл.23 СНиП "Мосты и трубы").
1,715<19,6 МПа
Условие выполняется.
3.4.3. Расчет балки по общим деформациям. Определение прогибов.
Прогиб балок пролетного строения необходимо вычислить в стадии изготовления балки и в стадии эксплуатации. При этом, на стадии изготовления прогиб слагается из обратного прогиба (выгиба балки) от действия сил предварительного напряжения и прогиба от собственного веса балки.
1. На стадии изготовления.
Обратный прогиб
на стадии изготовления балки при действии момента от сил предварительного напряжения в арматуре и при отсутствии трещин в зоне, сжатой при эксплуатации:
fв = -NН ∙l0 ∙l2 /(8∙B1 )
NН – равнодействующая нормативных усилий в напрягаемой продольной арматуре.
NН =σкон ∙AP =2825,2 кН.
l0 – эксцентриситет усилия относительно центра тяжести сечения:
l0 =yнижн цт -aP =0,8402-0,1133=0,727 м.
B1 – жесткость элементов:
B1 =k∙Eб ∙Ired I =0,8∙36 ∙10 6 ∙0,156=4,5042 ∙10 6 кН м2
k=0,8 – коэффициент, принимаемый при вычислении обратного прогиба.
fв =-2825,2∙0,7268∙324 /(8∙4,504)=-0,018 м.
Прогиб в середине пролета от собственного веса балки:
fсв =5∙ MН ∙l2 /(48∙k∙Eб ∙Ired I )=
5∙694,80∙324 /(48∙0,85∙36∙0,1564)=0,005 м.
k=0,85 – коэффициент, учитывающий влияние неупругих деформаций бетона при кратковременном приложении нагрузки (СНиП "Мосты и трубы", прил.13).
MН =694,80 кН м.
Суммарный прогиб на стадии изготовления:
f=fсв +fв =-0,014 м.
Следовательно, балка после её изготовления под влиянием сил предварительного напряжения арматуры и собственного веса получает выгиб вверх.
2. На стадии эксплуатации.
Прогиб балки на стадии эксплуатации должен быть определен от сил предварительного напряжения в арматуре с учетом всех потерь (1-й и 2-й групп) от собственного веса и от дополнительной части постоянной нагрузки.
fв = -NН ∙l0 ∙l2 /(8∙B1 )
NН – равнодействующая нормативных усилий в напрягаемой продольной арматуре.
NН =σкон ∙AP =2464,9 кН.
l0 – эксцентриситет усилия относительно центра тяжести сечения:
l0 =yнижн цт -aP =0,8402-0,1133=0,727 м.
B1 – жесткость элементов:
B1 =k∙Eб ∙Ired I =0,8∙36 ∙10 6 ∙0,156=4,5042 ∙10 6 кН м2
k=0,8 – коэффициент, принимаемый при вычислении обратного прогиба.
fв =-2464,9∙0,7268∙324 /(8∙4,504)=-0,016 м.
Прогиб от собственного веса балки и от дополнительной части постоянной нагрузки:
fсв =5∙ MН ∙l2 /(48∙k∙Eб ∙Ired I )=
5∙2412,12∙324 /(48∙0,85∙36∙0,1564)=0,017 м.
k=0,85 – коэффициент, учитывающий влияние неупругих деформаций бетона при кратковременном приложении нагрузки (СНиП "Мосты и трубы", прил.13).
MН =2412,12 кН м.
Суммарный прогиб на стадии изготовления:
f=fсв +fв =0,00090 м.
Следовательно балка имеет прогиб 0,09см.
Прогиб балки от временной нагрузки НК:
fвр =5∙ MН ∙l2 /(48∙k∙Eб ∙Ired I )=
5∙1631,22∙324 /(48∙0,85∙36∙0,1564)=0,002 м.
Прогиб от временной нагрузки составляет =1/579,52∙l<1/400∙l
, т.е. требования по общим деформациям выполнено.
Список литературы.
1. СНиП 2.05.03-84 "Мосты и трубы".
2. Якобсон К.К. "Расчёт ж/б мостов".
3. Устинов, Власов "Расчёт ж/б мостов".
4. Катцын П.А. "Проектирование и расчёт ж/б балочных пролетных строений автодорожных мостов".
5. "Принципы проектирования сборных ж/б мостов", по ред. Б.А. Российского.
6. ТП 3.503-81 Выпуск 7.
7. ТП 3.503-81 Выпуск 4.







