| Скачать .docx |
Реферат: Строительные машины 2 Подготовительные работы
Перечислите основные строительные машины, применяемые при подготовительных работах в строительстве. Приведите примеры их использования
Подготовительные работы включают:
· очистку будущей строительной площадки от леса и кустарников,
· вывозку древесины, корчевку и уборку пней, удаление валунов,
· устройство временных дорог и мостов через естественные и искусственные препятствия,
· понижение уровня грунтовых вод и т. п.
При разработке грунтов к подготовительным работам относят предварительное рыхление прочных и мерзлых грунтов рыхлителями или зарядами взрывчатых веществ, закладываемых в пробуренные скважины (шпуры). Для механизации этих работ применяют различные строительные и специальные машины, из которых ниже будут рассмотрены кусторезы, корчеватели и рыхлители.
Кусторезы и корчеватели . Кусторезы применяют для расчистки подлежащих застройке площадей от кустарника и мелких деревьев, а корчеватели — для корчевки пней диаметром до 50 см, расчистки участков от крупных камней, сваленных деревьев и кустарника, а также для рыхления плотных грунтов. Эти машины изготовляют как навесное рабочее оборудования на гусеничные тракторы. По устройству, принципу работы и управлению они сходны с бульдозерами и отличаются от последних рабочим органом, который в случае кустореза представляет собой отвал клинообразной формы с гладкими или пилообразными ножами в его нижней части и колуном для раскалывания пней и раздвигания сваленных деревьев. Отвал корчевателя в нижней части снабжен зубьями. У обеих машин отвалы с помощью сферического шарнира смонтированы на универсальной раме, толкающие брусья которой шарнирно закреплены на продольных балкахтележек базового трактора. Поднимают и опускают рабочие органы гидроцилиндрами. В зависимости от условий работы соответствующим переключением гидрозолотников отвалы могут принудительно заглубляться в грунт посредством гидроцилиндров или скользить по поверхности земли без принудительного заглубления. У некоторых моделей корчевателей отвал может поворачиваться в вертикальной плоскости относительно рамы с помощью дополнительных гидроцилиндров, чем облегчается разгрузка отвала, а при корчевке пней обеспечивается хорошая избирательность по направлениям прилагаемых к пню усилий. Силовая установка и кабина машиниста кустореза защищены от возможного падения деревьев ограждающим каркасом.
Для работы кусторезом его отвал опускают на грунт и, перемещаясь вперед на рабочей скорости, срезают кусты и мелкие деревья, отодвигая их боковыми поверхностями отвала в стороны. В зависимости от местных условий выполняют повторный проход по прежнему следу или переходят на смежную полосу. При больших длинах расчищаемых полос следующую проходку начинают после разворота машины для движения в обратном направлении, а на коротких участках производительнее расчистки по челночной схеме. Для этого задним ходом возвращают машину на исходную позицию, после чего начиняют новый рабочий цикл.
Для работы корчевателем его отвал опускают на грунт и, перемещаясь вперед на рабочей скорости с одновременным заглублением отвала, погружают средние зубья под пень, выдергивая иго из земли целиком или частично после нескольких попыток. Сопротивление пней корчеванию находится в прямой зависимости от диаметра пня и составляет от 18...20 до 180... 210 кН при диаметрах от 10 до 50 см соответственно. Полное тяговое усилие корчевателя в рабочем режиме складывается из усилий, затрачиваемых на корчевание пня, сопутствующее ему разрыхление грунта и самопередвижение.
Рыхлители . Их применяют для послойной разработки прочных грунтов, включая мерзлые, многолетнемерзлые и скальные, с последующей их уборкой землеройными, землеройно-транспортными или погрузочными машинами. Рыхлители применяют при отрывке котлованов и широких траншей, устройстве выемок в гидротехническом строительстве, корыт под дорожное полотно, разработке мерзлых россыпей полезных ископаемых, проведении вскрышных работ.
Различают рыхлители основные и вспомогательные. Основные рыхлители изготовляют как навесное оборудование к гусеничным или пневмоколесным тракторам, а вспомогательные агрегатируют с основным оборудованием ЗТМ и погрузчиков для рыхления плотных грунтов и слежавшихся материалов. Вспомогательные рыхлители позволяют повысить производительность и расширить область применения основного оборудования. В последнее время сменным рыхлительным оборудованием оснащают универсальные строительные гидравлические экскаваторы. В строительстве применяют также бульдозерно-рыхлительные агрегаты, у которых используют как бульдозерное, так и рыхлительное рабочее оборудование. Эффективность работы основных рыхлителей зависит от тягово-сцепных свойств базовых тракторов. Наиболее выгодно их использовать для разработки многолетне-мерзлых грунтов, трещиноватых и выветренных слоистых или низкопрочных горных пород (сланцев, ракушечников, бурых углей, апатитов, фосфоритов, песчаников, легких и средних известняков и т. п.).
Разрыхляют грунт заглубленными в него зубьями тяговым усилием перемещающегося на рабочей скорости трактора. Для работы в плотных грунтах выгоднее использовать однозубые рыхлители с жестким креплением зуба на поперечной балке, которые по сравнению с многозубыми рыхлителями реализуют большие усилия на одном зубе.
Отдельные модели рыхлителей оборудуют дистанционными системами регулирования угла резания и изменения вылета зуба из кабины машиниста. Первое решение позволяет выбирать рациональный угол резания в зависимости от категории разрабатываемых грунтов, а также сокращает время внедрения наконечников в прочные грунты. Изменением вылета зуба можно обеспечить оптимальный режим рыхления и сократить за счет этого число проходок при послойном рыхлении грунта.
Вычертите схему передвижного бетоносмесителя. Опишите его устройство и работу
Автобетоносмесители применяют для приготовления бетонной смеси в пути следования от питающих отдозированными сухими компонентами специализированных установок к месту укладки, для приготовления бетонной смеси непосредственно на строительном объекте, а также для транспортирования готовой качественной смеси с побуждением ее при перевозке. Они представляют собой гравитационные реверсивные бетоносмесители с грушевидным смесительным барабаном, установленные на шасси грузовых автомобилей, специальных шасси автомобильного типа или на полуприцепах, агрегатируемых с трехосными тягачами.
Смесительные барабаны имеют постоянный угол наклона оси (10...15°) к горизонту. Внутри смесительных барабанов установлены двухзаходные винтовые лопасти, обеспечивающие загрузку и перемешивание бетонной смеси при вращении барабана в одну сторону и выгрузку готовой смеси при вращении барабана в обратном направлении (реверсе).
Привод вращения смесительного барабана может быть механическим с отбором мощности от автономного двигателя через систему механических передач, включающих реверсивный редуктор и цепную передачу с зубчатым венцом, закрепленным на барабане, и гидромеханическим с отбором мощности через гидромеханическую передачу от автономного двигателя, двигателя базового шасси или от коробки отбора мощности трансмиссии шасси.
Гидромеханическая передача включает гидронасос с регулируемой подачей, реверсивный гидромотор и планетарный редуктор. Гидронасос нагнетает рабочую жидкость в гидромотор, который через планетарный редуктор приводит во вращение смесительный барабан. Гидромеханический привод позволяет бесступенчато плавно регулировать частоту вращения барабана. Рабочее давление в гидросистеме составляет 18...22 МПа.
Для загрузки смесительного барабана компонентами смеси или бетонной смесью, а также выгрузки смеси из смесительного барабана на место укладки автобетоносмесители оборудуются лотковыми загрузочно-погрузочными устройствами. Для обеспечения технологического процесса приготовления бетонной смеси из сухих компонентов, предварительно загруженных в смесительный барабан, а также промывки барабана и узлов автобетоносмесителя от остатков бетонной смеси автобетоносмеситель снабжен системой водопитания с баками для воды, аппаратурой для подачи воды под давлением и ее дозирования.
Технологическое оборудование отечественных автобетоносмесителей имеет мало различий и максимально унифицировано. Автобетоносмесители способны работать при температуре окружающего воздуха - 30°...+ 40 °С. Максимальная скорость загруженных автобетосмесителей при движении по дорогам в технологическом режиме составляет не более 60 км/ч.
Главным параметром автобетоносмесителей является вместимость смесительного барабана по выходу готовой смеси (м3 ).
На рынок автобетоносмесителей России и СНГ свою продукцию поставляют: ЗАО «КОМЗ-Экспорт» (г. Каменск-Шахтинский, Ростовская обл.), ОАО «Туймазинский завод автобетоновозов» (Башкортостан), ЗАО «Пушкинский машиностроительный завод» («ПМЗ»), Могилевский автомобильный завод (МоАЗ) (Беларусь), ООО «Дизель-ТС» (Нижегородская обл.).
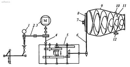
Автобетоносмеситель 581412 объемом готового замеса 5 м3 смонтирован на шасси 1 грузового автомобиля КамАЗ-55111. Рабочее оборудование автобетоносмесителя включает раму 9, смесительный барабан 4 с загрузочно-разгрузочным устройством, механизм 3 вращения барабана, дозировочно-промывочный бак 2, водяной центробежный насос, систему управления оборудованием с рычагами 10, 12 и контрольно-измерительные приборы 11. Смесительный барабан имеет три опорные точки и наклонен к горизонту под углом 15°. Загрузочно-разгрузочное устройство состоит из загрузочной 5 и разгрузочной 6воронок, складного лотка 7 переменной длины и поворотного устройства 8. Лоток может поворачиваться при разгрузке в горизонтальной плоскости на угол до 180° и в вертикальной плоскости на угол до 60°.

Кинематическая схема автобетоносмесителя
На внутренней поверхности барабана укреплены две спиральные лопасти 11, угол наклона которых подобран таким образом, что при вращении в одном направлении компоненты смеси попадают в нижнюю часть барабана, где происходит их гравитационное перемешивание, а при вращении в обратную сторону лопасти подают готовую смесь к приемному лотку, соединенному с поворотным разгрузочным желобом. Вращение барабану 9 сообщается от индивидуального дизельного двигателя 3 через реверсивный зубчатый редуктор 5 и цепную передачу 6, ведомая звездочка к которой жестко прикреплена к сферическому днищу барабана, опирающегося спереди на раму шасси центральной цапфой 7, а сзади - гладким бандажом 10 на опорные ролики 12, установленные на шарикоподшипниках. Привод обеспечивает две частоты вращения барабана в обе стороны при загрузке, перемешивании и разгрузке. Частоту вращения при загрузке выбирают в зависимости от производительности питающей установки. Приготовление смеси в пути следования производят при дальности транспортировки не более 10...15 км, при этом отдозированые компоненты в смесительный барабан загружают одновременно. При перевозках на большие расстояния в барабан загружают сначала сухие компоненты (цемент и заполнители), а подачу воды и приготовление смеси производят непосредственно на объекте. Заданная порция воды подается в смесительный барабан из дозировочно-промывочного бака центробежным насосом 1 через сопло в загрузочной воронке. Через то же сопло производится промывка барабана водой после разгрузки. Привод насоса осуществляется от двигателя 3 через карданный вал 4 и клиноременную передачу 2. При транспортировке готовой бетонной смеси во избежание ее расслаивания барабан вращается с пониженной частотой, непрерывно перемешивая смесь.
Приведите примеры использования оборудования при устройстве полов здания
1. Машины Laser Screed компании Somero, используемые для создания бетонных полов большой площади с идеальной ровностью и гладкостью.Система автоматического лазерного контроля позволяет получатьособо гладкую бесшовную поверхность полов, что невозможно при обычных методах производства работ. Два лазерных приемника, размещенных с каждого конца разравнивающего бруса, сканируют поверхность и передают данные на бортовой компьютер, через который автоматически производится контроль за положением бруса. Сигнал поступает от передатчика 10 раз в секунду, что обеспечивает тотальный автоматический контроль за поверхностью пола.
2. Затирочные машины. Предназначены для создания горизонтальной и ровной поверхности бетонных полов. Грубая затирка осуществляется диском. Лопастями выполняется чистовая отделка.
3. Паркетно-шлифовальные машины. Предназначены для шлифования паркетных полов и других деревянных полов, а также для очистки от краски, лака после предварительной строжки.
4. Мозаично-шлифовальные машины. Предназначены для выравнивания, шлифования и придания требуемой шероховатости отделочным и конструкционным материалам покрытий полов и дорожного полотна, полирования покрытий из природного камня.
Вычертите принципиальную схему одноковшового экскаватора с гидравлечиским приводом. Опишите его устройство и работу. Приведите технико-экономические данные экскаваторов, используемых на строительных площадках

Принципиальная гидравлическая схема экскаватора ЕК-8
Одноковшовый экскаватор состоит из следующих основных частей: ходового устройства 1 поворотной части 3 и рабочего оборудования 2.

Ходовое устройство воспринимает и передает на основание (грунт) нагрузки от массы машины и нагрузки, возникающие при работе, а также обеспечивает передвижение экскаватора. Ходовое устройство экскаваторов бывает следующих типов: Г - гусеничное с минимально допустимой опорной поверхностью гусениц; ГУ - гусеничное с увеличенной опорной поверхностью гусениц, предназначенное для работы на грунтах с низкой несущей способностью; П - пневмоколесное, позволяющее увеличить мобильность экскаватора, облегчить и ускорить его переброску собственным ходом с одного строительного объекта на другой; Ш - специальное шасси автомобильного типа, отличающееся от типа П тем, что, кроме двигателя, установленного на поворотной части экскаватора, на шасси установлен более мощный двигатель, обеспечивающий передвижение экскаватора с большой скоростью; ходовое устройство типа Ш имеет прочную и низкую специальную раму, отличающуюся по конструкции от рамы шасси грузового автомобиля; А - шасси грузового автомобиля; Тр - тракторное (обычно используют пневмоколесные тракторы). Поворотная часть состоит из поворотной платформы с механизмами и силовым оборудованием и рабочего оборудования. Поворотная платформа опирается через специальное роликовое опорно-поворотное устройство на раму ходового устройства и может поворачиваться относительно него в горизонтальной плоскости. Одна и та же поворотная платформа может быть установлена на ходовые устройства различных типов. В зависимости от угла поворота поворотной платформы в горизонтальной плоскости экскаваторы называют полноповоротными или неполноповоротными. Поворотная часть полноповоротного экскаватора может вращаться вокруг вертикальной оси на неограниченный угол.
По виду конструктивного исполнения рабочего оборудования экскаваторы бывают с гибкой подвеской, жесткой и телескопической стрелой. У экскаваторов с гибкой подвеской стрела, а иногда и рабочий орган (например, ковш) подвешены на канатах, которыми приводятся в действие. У экскаваторов с жесткой подвеской стрела и остальные элементы рабочего оборудования соединены шарнирно друг с другом и приводятся в действие гидроцилиндрами. С телескопической стрелой выпускают экскаваторы-планировщики, у которых выдвижение и втягивание стрелы являются рабочими движениями.
Универсальный строительный экскаватор имеет обычно несколько видов рабочего оборудования, которыми он может работать в зависимости от условий эксплуатации. Эти виды рабочего оборудования могут легко заменяться одно другим, поэтому они называются сменными. Рабочее оборудование с жесткой подвеской (шарнирно-рычажное) и с телескопической стрелой применяют только на гидравлических экскаваторах. Рабочий орган к рабочему оборудованию также крепят гибкой или жесткой связью. Рабочий процесс одноковшового экскаватора состоит из рабочего цикла, т. е. разработки и перемещения грунта, и передвижения экскаватора к забою, после того как с места стоянки экскаватора станет неудобно или невозможно продолжать дальнейшую разработку грунта. Во время передвижения экскаватора работа не производится, поэтому время, затрачиваемое на передвижки, следует максимально сокращать. Рабочий цикл экскаватора состоит из следующих операций: 1. Собственно копание грунта (срезание грунта и заполнение им ковша). 2. Выведение ковша с грунтом из забоя, чтобы обеспечить возможность беспрепятственного поворота платформы. 3. Перемещение заполненного грунтом ковша к месту разгрузки, для чего или поворачивают платформу с рабочим оборудованием (у полноповоротных), или только рабочее оборудование (у неполноповоротных машин). 4. Разгрузка грунта из ковша в отвал или в транспортное средство. 5. Перемещение ковша (поворот платформы) к забою. 6. Опускание ковша для подготовки к следующей операции копания. До конца 60-х годов в нашей стране в основном выпускали полноповоротные экскаваторы с механическим приводом и гибкой подвеской рабочего оборудования.
Основной рабочий орган экскаватора - ковш - предназначен для копания, удерживания при перемещении и разгрузки грунта или другого материала. Копанием называется одновременное срезание грунта и заполнение им ковша. Срезаемая часть грунта называется стружкой.
Задайтесь исходными данными и выполните расчёты по определению производительности валковой дробилки
![]()
П – производительность валковых дробилок (м3 /ч);
- ширина разгрузочной щели (м);
- длина и диаметр валка (м);
- окружная скорость валков (м/с);
– коэффициент, учитывающий использование длины валков, степень разрыхления материала, неравномерность его подачи (
)
Возьмём следующие данные:
Грунт – мягкий ![]()
мм = 0,025м
![]()
![]()
м3
/ч
Задача. Определите грузоподъёмность крана и скорость подъёма груза, если кратность грузового полиспаста равна 2, мощность двигателя лебедки равна 16 квт, частота вращения вала двигателя равна 690 об/мин, диаметр барабана – 320 мм, передаточное число редуктора – 32
Решение:
Крутящий момент на валу электродвигателя:

Частота вращения барабана
![]()
Скорость навивания каната на барабан
![]()
Скорость подъёма груза
м/с
Крутящий момент на барабане при КПД передачи ![]()

Усилие в канате, навиваемом на барабан
Вес поднимаемого груза при КПД полиспаста п=0,94
Грузоподъёмность крана 4 тонны.
Ответ: Грузоподъёмность – 4 т;
Скорость подъёма груза – 0,18 м/с
Список литературы
1. Универсальные одноковшовые строительные экскаваторы, И.Л. Беркман; А.В. Раннев; А.К. Рейш. Москва, 1977 г.
2. Строительные машины и оборудование, В.С. Заленский, МОСКВА СТРОЙИЗДАТ 1979