| Скачать .docx |
Курсовая работа: Проектирование консольного поворотного крана на неподвижной колонне
Федеральное агентство по образованию
Государственное образовательное учреждение высшего профессионального образования
«Тульский государственный университет»
Кафедра «подъемно-транспортные машины и оборудование»
ПОЯСНИТЕЛЬНАЯ ЗАПИСКА
к курсовому проекту по дисциплине «ПТ и ПМ»
«Проектирование консольного поворотного крана на неподвижной колонне»
Тула 2008
Содержание:
Введение
1. Режимы работы ГПМ
2. Расчет механизма подъема
3. Расчет механизма поворота крана
4 Расчёт приводной тележки электротали
Список литературы
Приложение
Введение
Грузоподъёмные и транспортирующие машины являются неотъемлемой частью совершенного производства, так как с их помощью осуществляется механизация основных технологических процессов и вспомогательных работ. В поточных и автоматизированных линиях роль подъёмно - транспортных машин возросла, и они стали органической частью технологического оборудования, а влияние их на технико-экономические показатели предприятия стало весьма существенным.
Увеличение производительности и улучшение технико-экономических показателей подъёмно - транспортных машин, повышение их прочности, надёжности и долговечности неразрывно связано с применением новейших методов расчёта и конструирования.
Современное производство грузоподъёмных машин основывается на создание блочных и унифицированных конструкций. Применение блочных конструкций позволяют выпускать узел механизмов в законченном виде, что приводит отдельных цехов и заводов.
Применение блочных конструкций позволяет легко отделить от машины узел, требующий ремонта, без разборки смежных узлов.
Принцип унификации и блочности создаёт основу для серийного производства подъёмно - транспортных машин.
Грузоподъёмные машины по назначению и конструктивному исполнению весьма разнообразны.
В данном курсовом проекте рассмотрен поворотный кран-стрела с электроталью.
Данный вид крана широко используется на машиностроительных предприятиях для разгрузки и погрузки, передачи изделий с одной технологической операции на другую и многое другое.
Исходные данные:
Стреловой полуповоротный кран.
,
,
, коэффициент использования крана по времени – 0.4.
1. Режимы работы ГПМ
1. Тип ГПМ стреловой полноповоротный кран. Срок службы 15 лет, число рабочих смен в сутки - 1, продолжительность рабочей смены – 7 часов. Характер обрабатываемых грузов – штучные грузы.
2. График загрузки механизма во времени.
| Масса груза, т |
Время работы с грузом, % |
|
| 1 |
0.5 |
30 |
| 2 |
1 |
40 |
| 3 |
2 |
20 |
| 4 |
4 |
10 |

График использования механизма по времени.
Класс использования зависит от общего времени работы механизма за весь срок его службы.
Время работы механизма:
, (1.1)
где
- коэффициент использования механизма (крана) во времени,
- число рабочих смен в сутки,
- продолжительность работы смены,
- количество дней работы крана за год,
- срок службы крана лет.
.
В соответствии с таблицей 1.3 [1] класс использования данного механизма А4.
Класс нагружения характеризуется коэффициентом нагружения, который вычисляется по формуле:
, (1.2)
где
- номинальная грузоподъёмность крана т,
- продолжительность времени работы крана с грузом час,
- суммарное время работы крана % час.

В соответствии с таблицей 1.4 [1] класс нагружения В1 (работа при нагрузках значительно меньших номинальных и в редких случаях номинальных).
В соответствии с таблицей 1.2 [1] класс использования 3М .
Режим работы механизма по ГОСТ 25835-83 – Т.
2. Расчёт механизма подъёма груза
В качестве механизма подъема используется электроталь. Они предназначены для выполнения погрузочно-разгрузочных работ. Перемещаются по нижней полке двутаврового монорельса. Электротали выполняют грузоподъемностью 0,25; 0,5; 1; 2; 3; 5; 8 тон.

Рис. Электроталь
Общий расчёт механизма подъёма груза включает выбор крюковой подвески, полиспаста, двигателя, редуктора, муфт, тормоза; выбор и расчёт каната, расчёт барабана и крепления концов каната.
Исходные данные:
,
,
,
, срок службы - 15 лет.
2.1 Выбор кинематической схемы механизма
Кинематическая схема механизма подъёма груза.
Схема подвески груза выбирается в зависимости от типа крана, его грузоподъемности, высоты подъема груза, типа подвесного грузозахватного устройства и кратности полиспаста.
Используя табл. 2.1[1], выбираю – тип полиспаста сдвоенный.
Кратность полиспаста
, (2.1)
где
- число ветвей на которых висит груз,
- число ветвей каната навиваемых на барабан.
Для кранов стрелового типа при грузоподъемности от 2000 до 6000 кг кратность полиспаста i П = 2. Учитывая тип крана и необходимость обеспечения подъема груза без раскачивания и равномерного нагружения всех сборочных единиц механизма подъема принимаем подвеску груза через одинарный полиспаст и изображаем схему подвески груза на рис. 1.1.

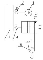
Рис. 1.1 Схема механизма подъёма
1 – электродвигатель;
2 – тормоз,
3 – редуктор,
4 – муфта,
5 – барабан;
6 – крюковая подвеска.
2.2 Выбор каната
Усилие в канате набегающем на барабан при подъёме груза:
, (2.2)
где
- номинальная грузоподъёмность крана,
- число полиспастов в системе
- кратность полиспаста,
- общий КПД полиспаста и обводных блоков,
; 2.3)
- кпд полиспаста,
- кпд обводных блоков.
, (2.4)
табл. 2.1[2],
,
, где z число обводных блоков,
,
,
.
2.2.1 Расчёт канатов на прочность
Расчёт стальных канатов на прочность производиться согласно правилам Госгортехнадзора. Расчётное разрывное усилие каната: произведение максимального усилия в канате на коэффициент запаса прочности не должно превышать разрывного усилия каната в целом:
, в соответствии с классом использования 3М
табл.2.3 [2],
(2.5)
![]()
Выбор типа каната. Выбираю шестипрядный стальной канат двойной свивки с органическим сердечником тип ЛК-Р
о.с. ГОСТ 2688-80.
Диаметр каната13,0 мм
, Расчётная площадь сечения проволок 61
, ориентировочная масса 1000м смазанного каната 596,6 кг
, маркировочная группа 1764 Мпа.
разрывное усилие ![]()
2.2.2 Проверка типоразмера каната
- должно выполняться соотношение между диаметром выбранного каната и диаметром блока крюковой подвески:
. (2.6)
,
по табл.2.7 [2],
.
- фактический коэффициент запаса прочности каната не должен превышать табличного:
![]()
Данные условия выполняются.
2.3 Выбор крюковой подвески
Используя приложение 1 [1], выбираю крюковую подвеску:
ГОСТ 24.191.08-81 Типоразмер по стандарту 1-5-406,
,
,
,
,
, В=138мм
,
,
,
,
,
,
,
, масса 47,8кг,
, режим работы Т, диаметр каната
.

Рис. 1.2 Крюковая подвеска
2.4 Определение основных размеров сборочной единицы «Установка барабана»

Схема установки барабана.
Выбираю тип установки барабана, предназначенного для одинарного полиспаста.
Диаметр барабана
, измеряемый по средней линии навитого каната, принимаем на 15%, меньше чем
.
Принимаю диаметр барабана
,
Определение диаметра барабана по дну канавок:
,
,
Уточнённый диаметр барабана
.
Определение диаметра максимальной окружности описываемой максимальной точкой установки барабана,
,
.
Определение длины барабана:
, (2.7)
где
- длина нарезного участка,
,
,
- число рабочих витков для навивки половины полной рабочей длины каната,
, (2.8)
- число неприкосновенных витков, требуемых правилами ГГТН для разгрузки деталей крепления каната на барабане,
,
- число витков для крепления конца каната,
,
.
Длина гладкого концевого участка, необходимого для закрепления заготовки барабана в станке при нарезании канавок определяется:
.
Длина барабана: ![]()
Определение высоты оси барабана относительно основания вершины опоры:
,
,
Определение толщины стенки барабана. Толщина стенки литого чугунного барабана должна быть не менее
,
Принимаю толщину стенки барабана ![]()
Проверку стенки барабана от совместного сжатия, изгиба и кручения выполняют, если lб
≥3D в нашей работе
, значит, проверка не требуется.
2.4.1 Расчет крепления каната к барабану
Принимаем конструкцию крепления каната к барабану прижимной планкой, имеющей трапециевидные канавки. Канат удерживается от перемещения силой трения, возникающей от зажатия его между планкой и барабаном двумя болтами.
Натяжение каната перед прижимной планкой:
![]()
где е=2,72
φ=0,1…0,16 – коэффициент трения между канатом и барабаном, принимаем φ=0,15;
α – угол обхвата канатом барабана, принимаем α=4π
Усилие растяжения в каждом болте:
![]()
![]()
Суммарное напряжение в болте при затяжке крепления с учетом растягивающих и изгибающих усилий:

d1 – внутренний диаметр болта М12, изготовленного из стали Ст.3;
![]()
l=26 мм – длина болта от барабана до гайки.
![]()
![]()
n – коэффициент запаса надежности крепления каната к барабану, n≥1.5;
принимаем n=1.5; z=2 – количество болтов.
усилие изгибающее болты:
![]()
2.5 Выбор двигателя
2.5.1 Определение максимальной статической мощности:
, (2.10)
где
- предварительное значение КПД механизма,
,
.
2.5.2 Выбор серии двигателя
Номинальную мощность двигателя можно принять равной или на 20-30% меньше статической мощности ![]()
По таблице III.3.7 [2] выбираю – крановый электродвигатель серии MTK 111-6 с короткозамкнутым ротором 50Гц
220/380В
, имеющего при ПВ=15% мощность 4,5кВт
и частоту вращения 825
, максимальный пусковой момент
, момент инерции ротора
, масса электродвигателя 70кг
.
2.5.3 Выбор типа редуктора
Скорость наматывания каната на барабан:
![]()
Определение частоты вращения барабана:
,
, (2.11)
Общее передаточное число привода механизма:
,
,
Для редукторов, расчётная мощность на быстроходном валу равна:
, (2.12)
где
- коэффициент, учитывающий условия работы редуктора,
- наибольшая мощность, передаваемая редуктором при нормально протекающем процессе работы механизма.
Редуктор типа ЦЗУ-200, для него
табл. П.5.10 [1],
.
Выбираю по табл.П.5.8 [1] цилиндрический трехступенчатый редуктор типа ЦЗУ-200. Техническая характеристика:
,
,
,
L=775мм, L1
=650 мм, l=236 мм, A=580 мм, H=425 мм, B=250 мм,
,
, dтих
=70 мм, dбыст
=25 мм.
Крутящий момент на входе в редуктор:
![]()

2.5.4 Выбор соединительной муфты
Расчётный момент муфты:
, (2.13)
где
- номинальный момент, передаваемый муфтой,
- коэффициент, учитывающий степень ответственности механизма, 1.3
- коэффициент, учитывающий режим работы механизма, 1.3,
Момент статического сопротивления, в период пуска с учётом того, что на барабан навивается две ветви каната, определяется по формуле:
, (2.14)
где
- усилие в грузоподъёмном канате,
- число полиспастов в системе,
- диаметр барабана лебёдки подъёма,
- общее передаточное число привода механизма,
- КПД барабана, 0.95 табл. 1.18 [2]
- КПД привода барабана, табл. 0.96 5.1 [2].
,
Номинальный момент, передаваемый муфтой, принимается равным моменту статического сопротивления
.
.
Определение номинального момента на валу двигателя:
, (2.16)
По табл. 3.5.1 [2], подбираю муфту: ГОСТ 20761-80,
.
2.5.5 Выбор тормоза

Рис. Расчетная схема тормоза.
Момент статического сопротивления на валу двигателя при торможении механизма определяется:
, (2.17)
где
- общее передаточное число между тормозным валом и валом барабана,

![]()
По правилам Госгортехнадзора момент, создаваемый тормозом, выбирается из условия:
, (2.18)
где
- коэффициент запаса торможения, 2.0 табл. 2.9 [2],
![]()
По таблице 3.5.12 [2], выбираю тормоз ТКТ-300, имеющего характеристики: диаметр тормозного шкива 300мм
, Наибольший тормозной момент 500
, масса тормоза, 84кг
.
2.5.6 Проверка двигателя на время пуска
У механизма подъёма груза фактическое время пуска при подъёме груза:
, (2.19)
где
- средний пусковой момент двигателя,
- момент статического сопротивления на валу двигателя при пуске,
- частота вращения вала двигателя,
- коэффициент, учитывающий влияние вращающихся масс привода механизма (кроме ротора двигателя и муфты), 1.36 [2],
- момент инерции ротора двигателя,
- масса груза,
- КПД механизма.
Для двигателей фазным ротором:
, (2.20)
,
, 1.89 [2],
![]()
,
Фактическая частота вращения барабана:
,
Фактическая скорость подъёма груза:
(2.21)
![]()
Время пуска, должно соответствовать значениям, приведённым в таблице 1.19 [2], для механизма подъёма при скоростях более 0.2
время пуска должно составлять 1…2с.
У механизма подъёма груза фактическое время торможения при опускания груза:
, (2.22)
,
Время торможения механизма, должно соответствовать значениям, приведённым в таблице 1.19 [2], для механизма подъёма при скоростях более 0.2
время торможения должно составлять не более 1.5с.
Определение ускорения механизма при пуске механизма:
, (2.23)
,
Проверка ускорения производиться по таблице 1.25 [2], наибольшие допускаемые ускорения механизмов подъёма составляют 0.2..0.6
.
| Наименование |
Обозн. |
Ед.изм. |
Результаты расчёта, при |
|||
| 3000 |
2000 |
1000 |
500 |
|||
| КПД |
|
- |
0.85 |
0.77 |
0.7 |
0.6 |
| Натяжение каната барабана |
|
Н |
14.848 |
9,898 |
4,949 |
2.47 |
| Момент при подъёме груза |
|
Нм |
97,79 |
65,35 |
32,3 |
16,32 |
| Время пуска при подъёме |
|
с |
1.002 |
0.89 |
0.75 |
0.7 |
| Натяжение каната при оп-е груза |
|
Н |
12.4 |
6.7 |
2.6 |
0.736 |
| Момент при опускании груза |
|
Нм |
125.1 |
104.1 |
47.2 |
19.1 |
| Время пуска при опускании |
|
с |
0.5 |
0.59 |
0.64 |
0.68 |
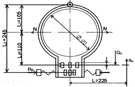
3. Механизм поворота крана
Выбор и расчет колонны.
вес тали: 4,9 кН
Вес поворотной части крана Тлов =mуд *Q*L
mуд – удельная металлоёмкость =0,25Т/(Тм)
Тлов =0,25*2,5*6=3,75
Слов =3,75*9,8=36,75 кН
![]()
М4 =(GT +G)(Gпов -Gт )*1,8=176,4+57,33=233,73
Диаметр колонны
![]()
В качестве материала для колонны выбираем сталь 20, для которой [G]=40
![]()
принимаем Dк =0,5м
Выбор и расчет зубчатой передачи.
Принимаем модуль з.п.т.=5, число зубьев ведущей шестерни z=8,тогда диаметр делительной окружности D=40*22.75=910мм
число зубьев венца:182
Межцентровое расстояние Rн =1/2(DB +Dm )=475мм
Расчет механизма поворота.
Определим действующие нагрузки и реакции в опорах:
1. Вертикальная реакция:
V=Q+G =4000кг =4т
Расчетная нагрузка на подшипник:
Qp =k*V=1.4*5000=7000кг
где к- коэф. безопасности
По расчетной нагрузке(ГОСТ 6874,75)выбираем упорный шарикоподшипник 8216 с допускаемой статической грузоподъемностью Q=7990кг, внутренним диаметром d=40мм, наружным диаметром D=125мм.
2. Горизонтальная реакция:
Горизонтальную реакцию H определяем из равенства суммы моментов всех действующих сил относительно точки В.
H= QA+GC
![]()
Расчетная нагрузка на подшипник:
По расчетной нагрузке на подшипник выбираем однорядный подшипник статической грузоподъемностью 11,1 т внутренним диаметром d=95мм, наружным диаметром D=200мм, высотой В=45мм.
3. Общий статический момент:
Общий статический момент сопротивлению равен сумме моментов сил действующих на кран:
где:
-сумма моментов сил трения в подшипниках опор,
=Мтр
(d1)+Mтр
(d2)+ Mтр
(d3)
Момент сил трения в верхнем подшипнике
Мтр (d1)=Нf*d1/2=7500*0.015*0.1475/2=8.3 кг*м
где: f=0.015...0.02- приведенный коэф. трения шарикоподшипника.
d1=0.1475м- средний диаметр подшипника
Момент сил трения в упорном подшипнике:
Mтр (d3) = Vf*d3/2=5000*0,015*0,054/2=2,025кг*м
Момент сил трения в нижнем радиальном подшипнике:
т.к. d1=d2, то Мтр (d2)=Нf*d2/2=8,3кг*м
Момент сил, возникающих от наклона крана:
Му (QF+Gc )*sin a=(2.5*6+2.5*1.5)0.02=0.375м
где а- угол наклона, принимаем а=1
Общий статический момент:
=8,3+8,3+2,025+375=393,6 кг*м
4. Момент сил инерции, при пуске привода:
![]()
где: Iв - суммарный момент инерции масс груза, крана, механизма поворота, приведенной к оси вращения крана.
Iв =δ(Iтр +Iкр )= 1,2(9172,8+573,3)=11695кг*м*с2
Iтр = mгр* А2 =254,8*62 =9172,8 кг*м*с2
Iкр = mкр* ε2 = 254,8*1,52 =573,3 кг*м*с2
mкр =Gкр /s =2500/9,81=254,8 кг*с*м*с2
ωк - угловая скорость поворота
ωк = π*nкр /30= 3,14*1/30=0,105 рад/с
Расчетная мощность двигателя

где ψср =1,5....1,8- средний коэф. перегрузки асинхронных двигателей с фазным ротором принимаем 1,65
По каталогу выбираем электродвигатель МТF 112-6 мощностью N=1,7 кВт при ПВ= 25%, n=910 мин-1 , Ми мах =4кг*с*м, Iр = 0,00216 кг*с*м*с2 =0,021кг*м2
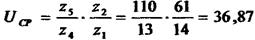
Общее передаточное число механизма поворота:
Vоб =n/nкр =910/1 =910
Принимаем передаточное число зубчатой передачи Vв =20, тогда передаточное число червячного редуктора
![]()
Выбираем стандартный редуктор РУУ- 160-40 и уточняем Vв
Vв =910/40=22.75
Проверку выбранного двигателя по условиям нагрева выполняем с использованием метода номинального режима работы.
Суммарный момент статического сопротивления повороту приведенный к валу двигателя:
![]()
Номинальный момент выбранного двигателя:
![]()
Коэф. загрузки двигателя при установившемся режиме:
![]()
При α=0,28 находим относительное время пуска t=1,2. Определяем время разгона привода при повороте крана с номинальным грузом:
![]()
где : Inp- суммарный момент инерции вращающихся масс механизма поворота крана, массы груза и массы вращающейся части крана, приведённый к валу двигателя
![]()
где:
Iмех - момент инерции вращающихся масс механизма поворота крана
![]()
Iгр - момент инерции массы груза, приведённой к валу двигателя

I кр = момент инерции массы вращающейся части крана, приведенной к валу двигателя.

Тогда:
![]()
Время разгона привода:
![]()
Ускорение конца стрелы при пуске :
![]()
Время рабочей операции при среднем угле поворота а = 90° (1/4 оборота)
![]()
Определяем отношение
![]()
Находим
![]()
Необходимая мощность:
![]()
Эквивалентная мощность:
![]()
Номинальная мощность:
![]()
Следовательно, выбранный электродвигатель MTF 112-6
удовлетворяет условиям нагрева.
При перегрузке двигатель должен удовлетворять условию нагрева:
![]()
где:
Мл и Мн - пусковой и номинальный моменты двигателя.
Пусковой момент:
![]()
где:
М'ст - суммарный статический момент сопротивления вращению
Мд динамический момент от вращательно движущихся масс механизма и крана
Мд - динамический момент от вращательно движущейся массы груза
![]()
тогда ![]()
Коэффициент перегрузки двигателя при пуске
![]()
Определение максимальной нагрузки в упругих связях механизма
поворота.
Максимальный момент в упругой связи в период пуска:
![]()
где :
- статический момент сопротивления повороту, приведённый к валу двигателя.
![]()
![]()
![]()
Коэффициент динамичности:

Определение тормозного момента и выбор тормоза. Принимаем время торможения tr = 6с,
Линейное замедление конца стрелы : а = εт -А = 0,021-6 = 0,105м/с2
![]()
Тормозной момент:
![]()

![]()
![]()
Тогда
![]()
Выбираем двух колодочный тормоз ТКТ - 200/100 с тормозным моментом Мт = 4 кгс-м, который обеспечивает торможение крана за более короткое время. Следовательно, его нужно отрегулировать на нужный тормозной момент.
Расчёт муфты предельного момента
Максимальный крутящий момент:
![]()
где:
Мп = 2,02 - пусковой момент
Vp = 40 - передаточное число редуктора
ηp = 0,8 . к.п.д. червячной пары
Рис Расчётная схема фрикциона
Расчётный момент фрикциона:
Mp = R-Mmax = 11,6 кгс*м
где: R = 1,2..1,4 - коэффициент расчётной силы динамической нагрузки при работе червячной пары.
Руководствуясь ориентировочными данными по расчёту червячных передач, принимаем средний диаметр D = 300мм, угол при вершине β=16° Необходимое усилие пружины:
где: f- коэффициент трения бронзы по стали в условиях смазки f = 0,06 Предельное усилие пружины:
Рпредел = (1,3..1,6)р = 1,3-600 = 780 кгс
Коэффициент 1,3... 1,6 учитывает возможные изменения величины
момента при регулировках.
Диметр прутка пружины рассчитываем на кручение :

где:
R =1,4 - коэффициент кривизны витка, зависящий от отношения диаметра витка пружины к диаметру прутка.

- отношение среднего диаметра пружины к диаметру прутка.
Средний диаметр пружины:
![]()
Рабочая длина пружины:
![]()
Наименьший допустимый зазор между витками пружины:
![]()
Число рабочих витков пружины:
![]()
где: t = d + s = 14,5мм - шаг ненагруженной пружины.
Предельная длина пружины:
![]()
Определяем усадку пружины при её нагружении из соотношения :

Длина пружины в рабочем состоянии :
![]()
Наибольший и наименьший диаметры конусов:
![]()
![]()
Давление на рабочей поверхности конуса:
![]()
4. Расчёт приводной тележки электротали

Имеются два редуктора - правый и левый, соединённых между собой тремя стяжками. На правом редукторе, являющимся ведущим, закреплён электродвигатель механизма передвижения. Колёса тележки установлены на выходных валах редукторов. Приводная и холостая тележка присоединены шарнирно к траверсе, образуя механизм передвижения тали.
Полное сопротивление передвижению электротали, складываются из сопротивлений от трения при движении и от уклона пути. Груз перемещается электроталью по двутавровой балке на расстояние см. Допустимый местный уклон, отношение стрелы прогиба к расстоянию между двумя опорами d = 0,003
Сопротивление движению от трения
![]()
Go = 470 кгс - вес электротали
Dk = 17,5 см - диаметр ходового колеса
d = 4 см - диаметр цапфы
μ = 0,04 см
f = 0,015 - коэффициент трения в шарикоподшипниках опоры
Rτ = 2,5...3 - коэффициент учитывающий дополнительные
сопротивления от трения реборд и торуов ступени ходовых колёс.
Сопротивление движению от уклона пути:
![]()
Статическая мощность для перемещения тележки с грузом
![]()
ηm = 0,85 - кпд передачи при полной нагрузке
Принимаем электродвигатель типа АОЛ - 22 - 4мощностью N = 0,4 кВт
n = 1410 мин-1 ω = 147,6 рад/с
Mmax/Мн = 2,2 J1 = 0,000201 кгс • м • с2
Частота вращения ходового колеса:
![]()
Передаточное число редуктора:
![]()
Фактическое передаточное число редуктора:
![]()
Фактическая скорость движения тележки:
![]()
Номинальный момент двигателя:
![]()
Статический момент при нагружение тележки:
![]()
Момент электродвигателя при пуске:
![]()
Максимальный момент электродвигателя при пуске принимают равным наибольшему значению, указанному в каталоге, с учётом падения напряжения в сети до 10%, т.е.
![]()
Средний момент электродвигателя при пуске:
![]()
Приведённый момент инерции тележки механизма передвижения с грузом:
![]()
где:
![]()
J ш = 0,00005 кгс-м-с2 - момент инерции шестерни, закреплённой на валу электродвигателя.
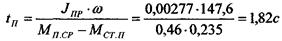
Время пуска двигателя:
![]()
Путь тележки с грузом за время её разгона:
![]()
Сила сопротивления передвижению электротали без груза:
![]()
Момент сопротивления передвижению электротали без груза:
![]()
Приведённый момент инерции механизма передвижения без груза:
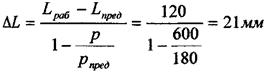
![]()
Время пуска электродвигателя при незагруженной электротали:
![]()
Путь тележки без груза за время её разгона:
![]()
Среднее ускорение при пуске механизма передвижения с грузом и без груза:
![]()
![]()
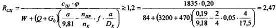
Коэффициент запаса сцепления нагруженной электротали:

где:
Сш =1835 кгс - суммарная сила давления двух приводных колёс на рельсы электротали с грузом
φ = 0,20 - коэффициент сцепления колеса с рельсом механизмов, работающих в закрытых помещениях
nk - общее число колёс
nпр - число приводных колёс
Список литературы
1. Курсовое проектирование грузоподъемных машин, под редакцией Казака С.А, 1989
2. Металлургические подъемно-транспортные машины: Методические указания к курсовому проектированию /Ю.В. Наварский. Екатеринбург: УГТУ, 2001. 84 с.
3. Подъемно-транспортные машины: Атлас конструкций: Учебное пособие для студентов втузов /В.П. Александров, Д.Н. Решетов, Б.А. Байков и др.; Под. ред. М.П. Александрова, Д.Н. Решетова.-2-е изд., перераб. и доп. – М: Машиностроение, 1987.-122 с., ил.
4. Справочник конструктора машиностроителя: В 3-х т.-5-е изд., перераб. и доп. – М: Машиностроение, 1987.-557 с., ил.