| Скачать .docx |
Реферат: Устройство автомобиля UAZ Patriot
Содержание
Введение
Технические характеристики
Кузов UAZ Patriot
Ведущие мосты
Сцепление и его устройство
Тормозная система
Список использованных источников
Введение
Меняется менталитет россиян. Мы хотим не только проезжать там, где застрянет импортный «паркетник», но и делать это в комфорте.
Бескомпромиссный внедорожник.
Компромиссы на российских дорогах исключаются по причине качества наших дорог. Нашим дорогам нужна особая машина. Бескомпромиссная. Как УАЗ «Патриот». Этот внедорожник рамной конструкции оснащен полноприводной трансмиссией. В городских условиях будет задействован только задний мост (кстати, 100 120 км/ч по трассе – нормальная крейсерская скорость «Патриота»), но на бездорожье себя зарекомендовало самостоятельное подключение водителем переднего моста с межосевым дифференциалом. Ну, так и дороги у нас не мягкие. И передняя, и задняя подвеска «Патриота» зависимая. Это позволяет конструкции выдерживать серьезные нагрузки в условиях тяжелого российского бездорожья. В нагрузку к 5-ступенчатой КПП УАЗ получил и 2-ступенчатую раздатку. Стоит отметить, что «Патриот» – это единственный российский внедорожник, который комплектуется системами ABS.
Обновленный «Патриот».
Вот и дождались мы официального объявления от «Северсталь-авто» о начале серийного производства УАЗ «Патриот» комплектации 2008-го модельного года. Что это нам дает?
С момента начала производства наш бескомпромиссный внедорожник претерпел целый ряд качественных изменений, которые значительно улучшили показатели его безопасности, управляемости и комфорта. Особое внимание уделили усовершенствованию тормозной системы, также водитель нового «Патриота» заметит экономию усилий на органах управления, пассажиры улучшение эргономики салона, а любители внешних эффектов по достоинству оценят люк. Но главным изменением в комплектации внедорожника можно назвать появление системы кондиционирования марки Delphi
, усовершенствование системы отопления и вентиляции, а так же оптимизацию воздушных потоков в салоне, новое рулевое Delphi
и новую систему охлаждения (увеличенный радиатор, два дополнительных электровентилятора).
По словам руководителя департамента продаж УАЗ, Антона Карпова, «произведенные изменения и появление в комплектации УАЗ «Патриот» кондиционера являются ярким примером модернизации автомобиля в сторону улучшения его потребительских качеств, и позволяют говорить о том, что УАЗ «Патриот» на сегодняшний день является лучшим предложением на рынке отечественных внедорожников».
Новости с конвейера . Совсем недавно на базе «Патриота» вышла новая модель – комфортный грузовой внедорожник. Новый пикап имеет удлиненную колесную базу – 3000 мм, двухместную кабину и металлическую грузовую платформу с открывающимся задним бортом. Пикап способен «взять на борт» до 800 кг, а выпускаться будет в двух комплектациях: с тентом и без него. Максимальная заявленная скорость – 140 км/ч, расход топлива – при скорости 90 км/ч 10,8 л/100 км, в городском цикле – 14,6 л/100 км.
Вне конкуренции . УАЗ «Патриот» доступен в девяти комплектациях, отличающихся друг от друга наличием таких опций, как электропакет, литые диски колес, реллинги на крыше, люк... Гарантия на «Патриот» составляет 2 года или 50 000 км пробега. Если искать бюджетный внедорожник, максимально учитывающий суровые условия России, и, более того, бескомпромиссно приспособленный к ним, то можно смело сказать, что у «Патриота» по-прежнему нет конкурентов. Тем более что по сравнению с ближайшим конкурентом, его цена в 4 раза ниже. Автомобиль для «патриотичного техосмотра» предоставлен «Патриот Центром» единственным официальным дилером УАЗ в Ставропольском крае. Автомобили УАЗ «Патриот» и запасные части к ним в наличии!
Технические характеристики
| Размеры и масса | ||
| Длина,мм | 4647 | |
| Ширина, мм | 2080 | |
| Высота, мм | 1900 / 2000 (с дугами на крыше) | |
| Колесная база, мм | 2760 | |
| Колея передних/задних колес, мм | 1600 / 1600 | |
| Дорожный просвет, мм | 210 | |
| Угол въезда, град. | 35 | |
| Угол съезда, град. | 35 | |
| Снаряженная масса, кг | 2070 | 2170 |
| Полная масса, кг | 2670 | 2770 |
| Грузоподъемность, кг | 600 | 600 |
| Вместимость | 5 (9) человек | |
| Дигатель | ||
| Тип | бензиновый, ЗМЗ-409.10 | дизельный, Iveco F1A |
| Рабочий объем, л | 2.7 | 2.3 |
| Максимальная мощность, л.с.(кВт) | 128 (94.1) при 4400 об/мин | 116 (85) при 3900 об/мин |
| Максимальный крутящий момент, Н.м (кгс*м) | 217.6 (22.2) при 2500 об/мин | 270 (27.5) при 2500 об/мин |
| КПП | ||
| Коробка передач | механическая, 5-ступенчатая | |
| Трансмиссия | ||
| Раздаточная коробка | 2-ступенчатая с понижающей передачей | |
| Привод | постоянный задний, с жестко подключаемым передним | |
| Рулевое управление | ||
| травмобезопасное, с регулируемой рулевой колонкой, тип "винт-шариковая гайка" с гидроусилителем | ||
| Подвеска | ||
| Передняя подвеска | зависимая, пружинная со стабилизатором поперечной устойчивости | |
| Задняя подвеска | зависимая, на двух продольных полуэллиптических малолистовых рессорах | |
| Тормоза | ||
| Передние тормоза | дисковые, вентилируемые | |
| Задние тормоза | барабанного типа | |
| Колеса | ||
| Шины | 225/75 R16 или 245/70 R16 | |
| Эксплуатационные показатели | ||
| Максимальная скорость, км/ч | 150 | 135 |
| Расход топлива, л/100 км пути: | ||
| Загородный цикл | 10.4 | 9.5 |
| Городской цикл | 14.5 | 12.5 |
| Емкость топливных баков, л | 87 | |
| Топливо | АИ-92 | дизельное |
Кузов UAZ Patriot
|
Ведущие мосты
На автомобилях УАЗ применяют два типа ведущих мостов: ведущие мосты с одноступенчатой главной передачей — устанавливаются на грузопассажирские автомобили УАЗ-31512 и автомобили вагонной компоновки УАЗ-3741, УАЗ-3303, УАЗ-3962 н УАЗ-2206; П—образные ведущие мосты с бортовой передачей — устанавливаются на грузопассажирские автомобили УАЗ-3151.
Установка П—образных ведущих мостов (комплектно переднего и заднего) на автомобили УАЗ-31512 возможна с одновременной установкой карданных валов автомобиля УАЗ-3151. Установка П—образных мостов с бортовой передачей на семейство автомобилей вагонной компоновки требует значительной доработки конструкции мостов, сошки, тяги сошки, подвески автомобиля, изготовления карданных валов, укороченных на 10 мм, и не может быть выполнена вне завода (без его рекомендаций).
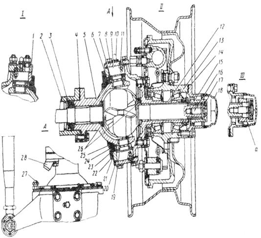
Ведущее мосты с одноступенчатой главной передачей. Средняя часть передних и задних мостов имеет одинаковое устройство (рис. 1).

Рис. 1. Задний мост 1 — предохранительный клапан; 2 — подшипник дифференциала; 3 — регулировочные прокладки; 4 — задний подшипник ведущей шестерни (однорядный ро ликовый); 5 — регулировочное кольцо; 6 — маслоотгонное кольцо; 7 — гайка; 8 — пакет регулировочных прокладок; 9 — ведущая шестерня; 10 — передний подшипник ведущей шестерни (роликовый конический двухрядный); 11 — упорная шайба; 12 — ведомая шестерня.
Картер — литой разъемный в вертикальной плоскости. В обе половины картера запрессованы кожуха полуосей и дополнительно закреплены электрозаклепками. Ведущая шестерня главной передачи установлена на двух подшипниках сдвоенном коничecком роликовом подшипнике 10, расположенном в горловине картера, и роликовом цилиндрическом 4, расположенном в приливе картера. Между торцом наружного кольца сдвоенного коннческого подшипника и картером установлено регулировочное кольцо 5 положения ведущей шестерни. Сдвоенный конический подшипник регулируется пакетом 8 прокладок. Ведомая шестерня крепится к фланцу коробки сателлитов специальными болтами. Дифференциал конический с четырьмя сателлитами. Коробка сателлитов разъемная, состоит из двух половин, соединенных болтами. Шестерни полуосей дифференциала имеют сменные упорные шайбы 11. Дифференциал установлен на двух конических роликовых подшипниках 2, между торцами коробки сателлитов и внутренними кольцами подшипников дифференциала установлены регулировочные прокладки. Между фланцем ведущей шестерни и сдвоенным коническим подшипником установлено маслоотгонное кольцо 6.
На левых кожухах полуосей расположены предохранительные клапаны 1, предотвращающие повышение давления в картерах мостов.
К наружным концам кожухов полуосей задних мостов приварены стыковой сваркой цапфы с фланцами для крепления тормозных щитов (рис. 2).

Рис. 2. Ступица заднего колеса.1 — тормозной барабан; 2 — диск колеса;3 — манжета; 4 — замочная шайба; 5 — контр-гайка; 6 — полуос; 7 — цапфа; 8 — прокладка; 9 — подшипник; 10 — ступица.
Ступицы колес передних и задних мостов одинаковые (см. рис. 2). На автомобилях УАЗ-31512 и УАЗ-3151 ступицы колес невзаимозаменяемые. Подшипники и детали их крепления взаимозаменяемые. На автомобилях вагонной компоновки устанавливают ступицы автомобиля УАЗ-31512. Каждая ступица установлена на двух одинаковых конических подшипниках 9. Наружные кольца подшипников запрессованы в ступицы и от осевых перемещений удерживаются упорными кольцами. Внутренние кольца подшипников установлены на цапфе свободно. Подшипники затягивают двумя гайками и стопорят замочной шайбой 4, установленной между гайками. Между внутренним кольцом наружного подшипника и гайкой установлена упорная шайба с выступом, входящим в паз на цапфе.
Чтобы предотвратить вытекание смазки из ступицы и попадание в нее пыли, грязи и воды, со стороны внутреннего торца устанавливают армированные резиновые манжеты 3 с пружинами в сборе. Между манжетой и внутренним подшипником устанавливают упорную шайбу для предотвращения повреждения рабочей кромки манжеты при снятии ступицы.
Наружные концы кожухов полуосей передних мостов заканчиваются фланцами, к которым болтами крепятся шаровые опоры 3 (рис. 3).

Рис.3. Поворотная цапфа переднего моста автомобиля УАЗ 31512
1 — рычаг поворотной цапфы; 2 — кожух полуоси; 3 — резиновая манжета в металлическом кожухе; 4 — прокладки; 5 — шаровая опора; 6 — корпус поворотной цапфы; 7 —& nbsp;опорная шайба; 8 — накладка шкворня; 9 — шкворень; 10 — пресс масленка; 11 — стопорный штифт; 12 — цапфа; 13 — ступица колеса; 14 — ведущий фланец; 15 — муфта отключения колес; 16 — болт муфты; 17 — шарик фиксатора; 18 — защитный колпак; 19 — втулка шкворня; 20 — прокладки; 21 — внутреннее кольцо сальника; 22 — кольцо-перегородка; 23 — наружное кольцо; 24 — резиновая манжета; 25 — наружное уплотнительное войлочное кольцо; 26 — упорные шайбы; 27 — регулировочный болт ограничения поворота колеса; 28 — упор-огранитель поворота колеса; I — правый поворотный кулак; II — левый поворотный кулак; III — ступицы передних котес отключены; а — сигнальная канавка.
На шаровых опорах, на шкворнях 9 установлены корпуса 6 поворотных цапф, к торцам которых болтами крепятся цапфы 12 и тормозные щиты. Внутри шаровых опор находятся шарниры равных угловых скоростей, на наружных концах которых установлены устройства, позволяющие соединять или разъединять по необходимости
Сцепление и его устройство

Рис.4. Сцепление. 1 - палец оттяжного рычага; 2 - оттяжной рычаг; 3 - палец; 4 - ролик оттяжного рычага; 5 - вилка оттяжного рычага; 6 - упорный болт; 7 - оттяжная пружина муфты;8 - муфта выключения сцепления; подшипник выключения сцепления;10 - нажимная пружина;11 - кожух сцепления;12 - теплоизолирующая шайба;13 - нижняя часть картера сцепления;14 - маховик;15 - ведомый диск; 16 - нажимной диск; 17 - передний подшипник первичного вала коробки передач; 18 - коленчатый вал;19 - первичный вал коробки передач;20 - игольчатый подшипник; 21 - картер сцепления.
Сцепление автомобилей УАЗ однодисковое, сухое, состоит из нажимного диска 16 с кожухом, оттяжных рычагов 2 выключения сцепления, опорных вилок 5 и нажимных пружин 10 и ведомого диска 15 с фрикционны ми накладками и гасителем крутильных колебании.

Рис.5. Ведомый диск. 1 - фрикционные накладки; 2 - заклепки;3 - пружина ведомого диска; 4 - пластина демпфера;5 - демпферная пружина;6 - ступица; 7 - фрикционные кольца;8 - регулировочные кольца;9 - ведомый диск;10 - упорный палец;11 - балансировочный грузик;
Ведомый диск (рис.5) сцепления имеет две фрикционные накладки 1, приклепанные к диску независимо одна от другой через пластинчатые пружины 3, и при помощи пальцев 10 соединен с пластиной 4 демпфера. Цилиндрические демпферные пружины расположены одновременно в окнах фланца ступицы, ведомого диска и пластины демпфера. При передаче крутящего момента от фрикционных накладок к ступице пружины сжимаются и обеспечивают плавную передачу крутящего момента от двигателя к трансмиссии. Поворот фрикционных накладок с дисками относительно ступицы ограничен упором пальцев в края U-образных вырезов, выполненных во фланце ступицы. Фрикционный гаситель колебаний ведомого диска состоит из двух фрикционных шайб, установленных с обеих сторон фланца ступицы, и регулировочных колец. Наружный диаметр фрикционной накладки ведомого диска равен 254 мм, внутренний 150 мм, толщин, а накладки 3,5 мм. Размерность шлицев ступицы 5,4 х 28,5 х 35, число шлицев 10. Сцепление включается при помощи вилки, установленной на картере сцепления, которая перемещает муфту с упорным шариковым подшипником. Подшипник нажимает на головки регулировочных винтов рычагов выключения сцепления. Рычаги, проворачиваясь на осях, отводят нажимной диск и выключают сцепление. После снятия усилия с вилки оттяжные пружины отводят муфту с подшипником в исходное положение.

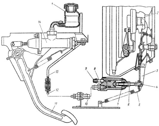
Рис.6. Гидропривод выключения сцепления грузопассажирских автомобилей: 1 - крышка; 2 - ось педали; 3 - вилка; 4 и 12 - оттяжные пружины; 5 - педаль выключения сцепления; 6 - муфта; 7 - пружина; 8 - шаровая опора; 9 - вилка выключения сцепления; 10 - гидравлический шланг; 11 - рабочий цилиндр; 13 и 18 - колпачки; 14 - клапан прокачки; 15 - манжета; 16 - поршень; 17 - толкатель; 79 - контргайка; 20 - ввертная часть толкателя; 21 - толкатель главного цилиндра; 22 - защитный колпак; 23 - н аружная манжета; 24 - поршень; 25 - возвратная пружина; 26 - штуцер; 27 - внутренняя манжета; 28 - шайба; 29 - компенсационное отверстие; 30 - перепускное отверстие; 31 - главный цилиндр сцепления; 32 - гидравлическая трубка; 33 - бачок; 34 - сетчатый фильт.
Привод выключения сцепления гидравлический (рис.6, рис.7). Состоит привод из подвесной педали, главного цилиндра, трубопровода и рабочего цилиндра. На автомобилях вагонной компоновки питательный бачок для улучшения к нему доступа вынесен под панель приборов, а на панели приборов имеется легкосъемная крышка. На грузопассажирских автомобилях бачок установлен непосредственно на корпусе главного цилиндра. При нажатии на педаль сцепления происходит перемещение поршня и перекрытие компенсационного отверстия 29 (см. рис. 6), после чего рабочая жидкость вытесняется из главного цилиндра и перемещает поршень и толкатель рабочего цилиндра, передавая усилие от педали на вилку выключения сцепления. При плавном отпускании педали сцепления происходит падение давления в системе и возвращение вытесненной жидкости в главный цилиндр. При резком отпускании педали жидкость, вытесняемая из системы в главный цилиндр, не успевает заполнить освобожденное поршнем пространство и в главном цилиндре перед головкой поршня создается разрежение. Под его действием жидкость из питательного бачка через перепускное отверстие в головке поршня проходит в полость перед головкой поршня, отодвигая при этом пружинную пластину и сжимая края уплотнительной манжеты. В дальнейшем эта избыточная жидкость вытесняется через компенсационное отверстие обратно в питательный бачок. Пружина постоянно отжимает поршень в крайнее заднее положение до упора в шайбу.
Между головкой толкателя и сферической впадиной на поршне предусмотрен постоянный зазор 0,3…0,9 мм, благодаря которому обеспечивается наличие гарантированного свободного хода педали выключения сцепления. Полный ход "Б" педали, обеспечивающий выключение сцепления, равен 200 мм. Для нормальной работы сцепления требуется, чтобы зазор между головками болтов рычагов выключения сцепления и подшипником находился в пределах 2,5…3,5 мм. Это соответствует ходу внешнего конца вилки выключения сцепления 3,5…5,0 мм и свободному ходу "А" педали сцепления в пределах 35…55 мм, замеренному по площадке педали.

Рис.7. Привод выключения сцепления автомобилей вагонной компоновки:
1 - бачок; 2 - муфта выключения сцепления; 3 - вилка выключения сцепления; 4 - толкатель; 5 - оттяжная пружина; 6 - контргайка; 7 - рабочий цилиндр; 8 - клапан прокачки; 9 - колпачок; 10 - гидравлический шланг; 11 - педаль; 12 и 13 - гидравлические трубки; 14 - главный цилидр.
Тормозная система

Рис.8. Вакуумный усилитель от ГАЗ-2401
http://www.uazbuka.ru/img/gaz24vut.jpgОписание схемы гидравлического привода тормозов:
1. главный тормозной цилиндр;
2. аварийный сигнализатор;
3. рукав диаметром 12 х 26, подсоединяемый к впускному коллектору двигателя;
4. гидровакуумный усилитель (24-3550010);
5. разделитель тормозов (24-3575010);
6. штуцер прокачки гидровакуумного усилителя;
7. контрольная лампа;
8. тормозные цилиндры задних колес;
9. тормозные цилиндры передних колес;
10.воздушный фильтр гидровакуумного усилителя.
Прокачка системы тормозов с установленным гидровакуумным усилителем тормозов ГАЗ-24. Заливаем в главный тормозной цилиндр жидкость "БСК" или "Росу" ("Неву" не лить, она не совместима с тормозами ГАЗ-24, так же не допускается смешивать БСК и Росу), вывернув на 2-2,5 оборота клапан в разделителе тормозов, прокачиваем поочередно тормоза задних и передних колес, затем гидровакуумный усилитель. Клапан прокачки разделителя заворачиваем при отпущенной педали тормоза. Как всегда, выполняя эту работу, доливаем жидкость в главный тормозной цилиндр, чтобы в систему не попадал воздух. Если все тормоза и их привод отрегулированы правильно и в системе нет воздуха, тормозная педаль, когда нажимаешь на нее ногой, не должна опускаться более чем на половину своего хода, а лампа аварийного сигнализатора при включенном зажигании не должна загораться.
Список использованных источников
1. Свободная энциклопедия – Википедия;
2. www.gaz-tranzit.ru
3. catalog.auto-perm.com
4. www.uaz-online.ru
5. www.patriot.uaz.ru
