| Скачать .docx |
Реферат: Электрические аппараты и электрические схемы тепловозов
Министерство транспорта Российской Федерации
Федеральное агентство железнодорожного транспорта
Государственное образовательное учреждение высшего профессионального образования
САМАРСКИЙ ГОСУДАРСТВЕННЫЙ УНИВЕРСИТЕТ ПУТЕЙ СООБЩЕНИЯ
Кафедра «Локомотивы»
Курсовой проект
по дисциплине: «Электрические аппараты и электрические схемы тепловозов»
Выполнил: ст. гр. 7
Проверил:
Иванов В.В.
Самара 2008
Реферат
В данной курсовой работе изложены методы расчета контактов электрического аппарата, определения сечения проводов, разработка алгоритма проверки работоспособности аппаратов.
Курсовая работа содержит 14 листов, 3 рисунка, библиографический список содержит 3 пункта.
Содержание
стр.
Реферат
Введение…………………………………………………………………………4
Задание на выполнение курсовой работы……………………………………..5
Реле управления…………………………………………………………………6
Бесконтактный тахометрический блок………………………………………...8
Расчет реле управления……….………..…………………………………….....9
Разработка схемы электрических аппаратов привода реверсора тепловоза ТЭМ2…………………………..………..……………………………………….10
Расчет сечений проводов электрической схемы тепловоза………………….11
Разработка алгоритма проверки работоспособности аппаратов,
входящих в разработанный участок цепи управления……………………….12
Заключение……………………………………………………………………...13
Библиографический список……………..……………………………….……14
Введение
Электрические аппараты работают на тепловозах в тяжелых условиях, поэтому они должны удовлетворять не только общим (надежность, простота конструкции, взаимозаменяемость, стабильность характеристик), но и особым требованиям: выдерживать вибрации, значительные колебания температуры (от -50 °С до +70 °С ) и напряжения, воздействия влаги, пыли, грязи, масла. Напряжение в силовой цепи меняется от 0 до 900 В , а в цепи управления снижение напряжения допускается до 80% номинального. Колебание давления сжатого воздуха допускается от 75 до 135% номинального. Вибрации вызывают колебания (в основном вертикальные) деталей аппаратов, которые могут вызвать ослабление болтовых соединений, обрыв проводов и ложное срабатывание аппаратов. Чтобы этого не произошло, все крепежные детали – болты, винты, гайки, шпильки – ставят с пружинными шайбами; на ряде аппаратов устанавливают шплинты, контргайки, шайбы с отгибающимися концами и др.
Ложное срабатывание аппаратов исключается тем, что подвижные части, имеющие слабые пружины, балансируют, т. е. подбирают так, чтобы масса подвижных частей относительно оси вращения распределялась равномерно. Часть аппаратов устанавливают на амортизаторах. Наиболее чувствительные и точные аппараты закрывают кожухами (регулятор напряжения, реле давления масла, реле ограничения тока). Надежный электрический контакт обеспечивается путем пайки токоведущих частей припоями и монтажа проводов таким образом, чтобы исключалась возможность их перемещения при вибрации (небольшие припуски, прибандажировка к неподвижным частям).
Детали из меди или медных сплавов покрывают оловом или красят эмалями и лаками, за исключением рабочих контактов. Детали, изготовленные из черных металлов, оцинковывают или окрашивают, а иногда хромируют или никелируют. Стальные оси шарнирных соединений, как правило, выполняют без покрытий, но в отверстие соединения запрессовывают втулку из латуни или бронзы.
Задание на выполнение курсовой работы
Контактный аппарат – реле управления (ЧМЭ3)
Бесконтактный аппарат – бесконтактный тахометрический блок (М62)
Участок электрической цепи – электрические аппараты привода реверсора (ТЭМ2)
Реле управления.
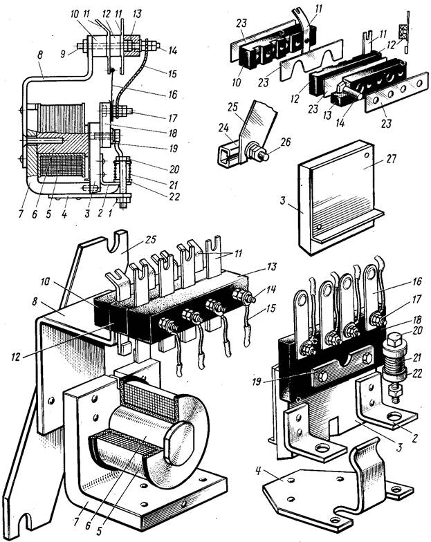
Реле типа RA 441 (рис. 1) применены в цепях дистанционного управления дизелем и возбуждения возбудителя. К стальному Г-образному ярму 7 прикреплен винтом М6 сердечник 6 с катушкой 5. Сзади к ярму приклепан держатель 8, а снизу — фигурная ограничительная скоба 4, на которую опирается своей острой кромкой якорь 3. К верхней части якоря прикреплена двумя болтами М6 текстолитовая планка 18 с четырьмя контактными пальцами 16, выполненными в виде медных пластин толщиной 0,5 мм, на концах которых с обеих сторон имеются серебряные напайки. Контактные пальцы прикреплены к планке 18 контактными болтами 17 (М5). Головки болтов вставлены в расточки с внутренней стороны планки и закрыты гетинаксовой пластинкой, укрепленной между планкой и якорем.
К нижней части якоря приклепаны стальные угольники 2, служащие упорами для отключающих пружин 21, установленных вместе с тарельчатыми шайбами 22. Пружины стянуты болтами 20, проходящими через отверстия в угольниках и ввернутыми в ограничительную скобу. Стяжные болты дополнительно закреплены контргайками 1 . Внизу якорь имеет вырез под цилиндрический штифт, запрессованный в торец ярма и предотвращающий перекос якоря.
К верхней части держателя двумя винтами 9 (М6) прикреплены три текстолитовые колодки. К колодкам 10 и 12 приклепаны четыре пары неподвижных латунных контактов 11, снабженных серебряными напайками. Вверху контакты имеют вырезы для крепления проводов. На передней колодке 13 укреплены четыре контактных болта 14 (М5), соединенных медными шунтами 15 с болтами 17. Между текстолитовыми колодками, а также спереди и сзади их поставлены гетинаксовые прокладки 23.
Для установки реле в аппаратной камере тепловоза к ярму (через держатель) прикреплена двумя болтами М6 стальная планка 25, в которой сделаны вырезы под крепежные болты 26. Головки болтов вставляют внутрь желобка 24, приваренного к каркасу аппаратной камеры. После крепления реле провода из цепей управления присоединяют к неподвижным контактам 11 и контактным болтам 14.
При возбуждении катушки якорь притягивается к сердечнику, т. е. контактные пальцы замыкаются с задними неподвижными контактами. При обесточивании катушки отключающие пружины 21 возвращают якорь в первоначальное положение (контактные пальцы размыкаются с задними неподвижными контактами и замыкаются с передними). Следовательно, данное реле имеет четыре пары замыкающих и четыре пары размыкающих контактов. Когда реле выключено, якорь упирается в отогнутый язычок скобы 4 стальной накладкой 19, чем предотвращается износ планки 18 (для крепления накладки используются болты, соединяющие текстолитовую планку с якорем).

Рис. 1. Реле управления типа RA441:
1 — контргайка; 2 — угольник; 3 — якорь; 4 — фигурная ограничительная скоба; 5 — катушка; 6 — сердечник; 7 — ярмо; 8 — держатель; 9 - винт; 10, 12, 13 — текстолитовые колодки; 11 — неподвижный контакт; 14, 17 — контактные болты; 15 — шунт; 16 — контактный палец; 18, 25 — планки; 19 — накладка; 20, 26 — болты; 21 — отключающая пружина; 22 — тарельчатая шайба; 23 — гетинаксовая прокладка; 24 — желобок; 27 — латунная пластинка
Бесконтактный тахометрический блок.
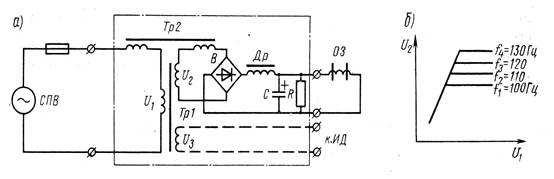
Бесконтактный тахометрический блок предназначен для выработки напряжения, пропорционального частоте вращения коленчатого вала двигателя. Тахометрическое устройство включает в себя: насыщающийся трансформатор Тр1 (рис.2а), компенсирующий трансформатор Тр2 , выпрямительный мост В , сглаживающий фильтр (состоящий из дросселя Др и конденсатора С ) и резистор R . Тороидальный сердечник Тр1 выполнен из пермаллоя, а сердечник Тр2 - из альсифера с малой магнитной проницаемостью. Обмотки трансформаторов залиты эпоксидным компаундом.
Напряжение от синхронного подвозбудителя СПВ подается на первичные обмотки трансформаторов Тр1 и Тр2 , включенные последовательно и согласно. Среднее значение напряжения вторичной обмотки U 2 трансформатора Тр1 зависит только от частоты питающего напряжения (рис.2б), так как сердечник этого трансформатора имеет прямоугольную петлю гистерезиса. Практически кривая намагничивания насыщающегося трансформатора из-за петли гистерезиса отклоняется от идеальной, вследствие чего образуются погрешности при изменении частоты. Для снижения погрешности применен трансформатор Тр2 ; вторичные обмотки Тр1 и Тр2 включены последовательно и встречно. Электродвижущая сила вторичной обмотки Тр2 компенсирует ту часть э.д.с. вторичной обмотки Тр1 , которая вызывается изменением намагничивающего тока при насыщении сердечника.

Рис 2. Схема бесконтактного тахометрического блока БА-420 (а) и статическая характеристика (б)
Конденсатор С и мост В смонтированы на изоляционной панели. Трансформаторы установлены друг на друге и стянуты шпилькой. Дроссель Др имеет Ш -образный сердечник, дающий возможность регулировать воздушный зазор. Блок снабжен штепсельным разъемом.
Расчет реле управления.
Для расчета контактов заданного электрического аппарата необходимо определить силу конечного нажатия главных контактов, Н .
![]()
где Jp =300 – расчетное значение тока, протекающего по главным контактам, А ;
С1 =0,28 – коэффициент, зависящий от режима работы аппарата и материала главных контактов, Н/А .
![]()
Определим зазор главных контактов, мм
![]()
где – Up =40 расчетное значение напряжения, приложенное к разомкнутым контактам, В ;
С2 =0,3 – коэффициент, зависящий от режима работы аппарата и материала контактов, мм/В .
![]()
Контактное сопротивление определяется из выражения, Ом .
![]()
где JH =300 – номинальный ток, проходящий через замкнутый контакт, А ;
U д =0,12 – допустимое значение падения напряжения, В .
Откуда:
![]()
![]()
Разработка схемы электрических аппаратов привода реверсора тепловоза ТЭМ2.
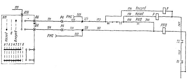
При постановке реверсивной рукоятки контроллера в положение «Вперед» замыкаются первые снизу (с левой стороны) контакты реверсивного барабана контроллера, через которые ток от провода 139 по контактам А4 штепсельного разъема контроллера, проводу 171, контактам штепсельного разъема Р4, проводу 123, клемме 2/7 и проводам 173 и 174 поступит в катушку вентиля «Вперед» привода реверсора.
В положении «Назад» реверсивной рукоятки замыкаются первые снизу (с правой стороны) контакты реверсивного барабана, образуя цепь: контакты Б4 штепсельного разъема контроллера, провод 164, контакты штепсельного разъема Р4, провод 124, клемма 2/6, провод 166, катушка реле РУ10, общий минус. После включения реле РУ10 ток от плюсовой клеммы катушки реле по проводу 344, замыкающему контакту реле РУ10 и проводам 610 и 170 поступит в катушку вентиля «Назад» привода реверсора. От катушек вентилей ток по проводу 263, размыкающему контакту контактора П2, проводу 723, размыкающему контакту контактора П1, уходит на общею минусовую клемму 3/13.

Рис. 3. Схема электрических аппаратов привода реверсора тепловоза ТЭМ2
Расчет сечений проводов электрической схемы тепловоза
Сечение проводов рассчитываем по формуле:
![]()
где JН – номинальное значение тока;
ρпр – допустимая плотность тока.
![]()
Разработка алгоритма проверки работоспособности аппаратов, входящих в разработанный участок цепи управления
Для поиска отказавшего элемента применяем метод «средней точки».
Цепь катушки контакторов привода реверса проверяем на двух зажимах 1/1 и 1/2 . Отрицательный результат проверки цепи на зажиме 1/1 укажет на отказ катушки вентиля реверсора Вперед . Отрицательный результат проверки на зажиме 1/2 укажет на отказ в катушке реле РУ10 , положительный – на отказ в катушке вентиля реверсора Назад .
Заключение
В данной курсовой работе была описана конструкция и принцип действия контактного и бесконтактного электрических аппаратов тепловозов ЧМЭ3 и М62 (реле управления, бесконтактный тахометрический блок), произведен расчет реле управления, разработана схема электрических аппаратов привода реверсора, произведен расчет сечений проводов электрической схемы тепловоза и разработан алгоритм проверки работоспособности аппаратов, входящих в разработанный участок цепи управления.
Библиографический список
1. Методические указания к выполнению курсовой работы по дисциплине «Электрические аппараты и электрические схемы тепловозов» для студентов специальности 1903001 дневной и заочной формы обучения/ Составители: Валиуллин Р.Г., Балакин А.Ю., Панченко В.Н., - Самара: СамГАПС, 2005. 12с.
2. Рудая К.И., Логинова Е.Ю. Тепловозы. Электрическое оборудование и схемы. Устройство и ремонт: Учеб. Для техн. шк. – М.: Транспорт, 1991. 303с.
3. Бородин А.Л. Проверка цепей управления тепловозов типа ТЭ10. – М.: Транспорт, 1991. – 286 с.