| Скачать .docx |
Реферат: Детали машин 3
Содержание
Техническое задание…………………………………………………………….....2
Введение…………………………………………………………………………….3
1. Кинематический и силовой расчет привода. Выбор
электродвигателя и редуктора…………………………………………………..4
1.1. Определение мощности на валу исполнительного органа………….....4
1.2. Определение расчетной мощности на валу электродвигателя………...4
1.3. Определение частоты вращения вала исполнительного
органа и двигателя………………………………………………………..4
1.4. Выбор электродвигателя…………………………………………………6
1.5. Определение передаточного отношения привода расчет силовых и кинематических параметров привода выбор редуктора…………………….8
2. Выбор муфты…………………………………………………………..………..11
3. Проектирование открытой передачи…………………………………….….....12
4. Проектирование исполнительного органа………………………………....….14
4.1. Проектный расчет вала……………………………………....…………..14
4.2. Подбор подшипников и шпонок……………………………………… ..14
4.3. Проверочный расчет вала на статическую прочность
по эквивалентному моменту………………………………………….....16
4.4. Проверочный расчет подшипников на долговечность………………...18
4.5. Проверочный расчет шлицевых или шпоночных соединений………..19
Список использованных источников……………………………………………..20
|
|
Введение
В данной курсовой работе выполнено проектирование привода ленточного конвейера по заданным параметрам: окружной скорости, окружного усилия и диаметра барабана исполнительного органа, а также параметров режима работы, срока службы и кратковременных пиковых перегрузок в приводе. В ходе курсовой работы по расчетным вращающим моментам, частотам вращения и мощностям на волах были выбраны стандартные: электродвигатель, редуктор и компенсирующая муфта. Так же были выполнены проектировочные расчеты исполнительного органа, и расчет ременной передачи.
1. Кинематический и силовой расчет привода.
Выбор электродвигателя и редуктора
1.1. Определение мощности на валу исполнительного органа
Мощность P3, кВт, на валу исполнительного органа определяется по формуле:
|
где Ft – окружное усилие, Н;
vt – окружная скорость, м/с (см. рис. 1).
1.2. Определение расчетной мощности на валу двигателя
Расчетная мощность на валу двигателя Р1, кВт, определяется с учетом потерь в приводе:
|
,
|
![]()
η1
– КПД открытой ременной передачи, η1
= 0,95
[1, табл. 1];
η2
– КПД цилиндрического двухступенчатого редуктора , η2
=
;
![]()
При этом:

1.3. Определение частоты вращения вала исполнительного механизма и двигателя
Частота n3 , мин-1 , вращения вала:
|
где D – диаметр барабана ленточного конвейера,450 мм;

![]() |

1 – электродвигатель;
2 – ременная передача;
3 – двухступенчатый коническо-целендрический редуктор;
4 – компенсирующая муфта;
5 – узел барабана.
Рисунок 1 – Кинематическая схема
привода ленточного конвейера
Частота n1
, мин-1
, вращения вала электродвигателя вычисляется по формуле:
|
|
i1 – передаточное отношение открытой ременной передачи, i1 =2…3 [1, табл. 1];
i2 – передаточное отношение цилиндрического двухступенчатого редуктора, i2 =3…6;
По формуле (1.5) получим интервал оптимальных частот вращения вала двигателя:
![]()
![]()
Выбираем частоту вращения вала электродвигателя примерно в 1,2…1,3 раза больше среднего значения интервала:
мин-1
Исходя из необходимой мощности и интервала оптимальных частот вращения, выбираем электродвигатель – АИР71А4(рис.2). Мощность РДВ = 0,55 кВт с синхронной частотой вращения равной 1500 мин-1 .
|
![]()
где nc – синхронная частота вращения, мин-1 , nc =1500 мин-1 [2];
S – относительное скольжение вала, %, S=9,5%;
![]()
Проверим условие работоспособности при пуске:
|
где
– кратность пускового момента двигателя
;
– кратковременных пиковых перегрузок в приводе,
=1,5;
2,4 > 1,5 – условие выполняется.
![]() |

![]() |
Рисунок 2 – Эскиз электродвигателя АИР71А4
1.5. Определение передаточного отношения привода
расчет силовых и кинематических параметров привода выбор редуктора
Передаточное отношение привода i вычисляется по формуле:
|
, Подставив, значения получим:

Назначаем передаточное отношение i1 открытой передачи таким образом, чтобы оно делило табличное значение интервала передаточных отношений в том же соотношении, в каком частота вращения выбранного электродвигателя делит интервал оптимальных частот вращения. Для этого составим пропорцию:
|
Подставив значения, находим i1 :
i1 =2.
Таким образом, передаточное отношение редуктора ip вычисляем следующим образом:

Округляем значение передаточного отношения редуктора до ближайшего значения в таблице стандартных коническо-цилиндрических редукторов по ГОСТ 27142-86 ip = 14. Тогда передаточное отношение клиноременной передачи равно:

|
j = 1, 2…k–1,
где k – порядковый номер исполнительного механизма на кинематической схеме привода (см. Рисунок 1);
![]()
![]()
Связь между частотой вращения предыдущего и последующего валов выражаются зависимостью:
|
j = 1, 2…k–1,
Тогда частота вращения 2-го вала будет равна:

Вращающие моменты вычислим по формуле:
|
j = 1,2…k, Вычислим вращающие моменты на всех валах:



Вычисленные параметры запишем в таблицу.
Таблица 1 – Силовые и кинематические параметры привода
| Номер вала |
Мощность Р, кВт |
Частота вращения n, мин-1 |
Вращающий момент Т, Нм |
| 1 |
0,52 |
1355,13 |
3,66 |
| 2 |
0,5 |
677,7 |
7 |
| 3 |
0,46 |
23.9 |
183,8 |
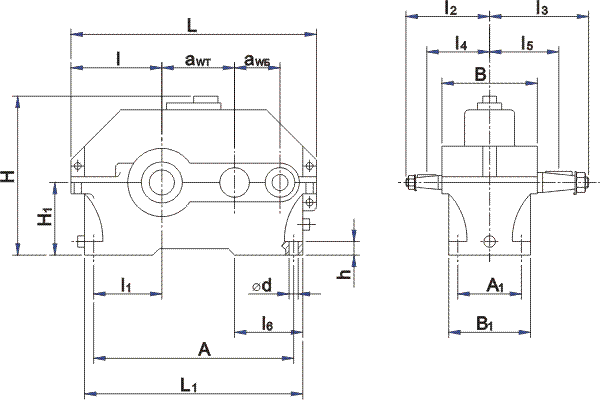
Исходя из рассчитанных вращающего момента на выходном валу и частоты вращения на входном валу, выбираем стандартный коническо–цилиндрический редуктор по ГОСТ 27142-86 типоразмера Ц2У-100 Твых =250 Нм при nвх = 677,7 мин-1 .
![]() |


| Типоразмер редуктора |
L |
L1 |
L2 |
L3 |
L4 |
L5 |
B |
B1 |
B2 |
H |
H1 |
H2 |
d |
| Ц2У-100 |
390 |
325 |
290 |
85 |
136 |
165 |
155 |
145 |
109 |
230 |
112 |
20 |
15 |
Рисунок 3 – Эскиз редуктора
2. Выбор муфты.
Муфта зубчатая серии МЗ является подвижной муфтой, она способна компенсировать угловое и радиальное смещение и перекосы осей валов. Муфта зубчатая серии МЗ состоит из двух зубчатых обойм, соединенных болтами, и двух зубчатых втулок, вставленных в обоймы. На обоймы устанавливаются крышки с манжетами.
Соединяемые муфтой зубчатой валы запрессовываются в отверстия зубчатых втулок. Зубья втулок входят в зацепление с зубьями обойм. Благодаря форме зуба втулок возможно незначительное смещение в любых направлениях. Зубчатые муфты изготавливаются в соответствии по ГОСТ 50895-96, ГОСТ 5006-83 или по ТУ заказчика.
Муфты зубчатые общемашиностроительного применения используются для соединения валов и передачи крутящего момента от 1000 до 63000 Н*м и специальных от 71000 до 250000 Н*м при угловых, радиальных и осевых смещений валов.
Компенсация смещений валов достигается относительным перекосом втулок и обойм за счет боковых зазоров между зубьями и выполнения поверхности выступов зубьев втулок сферической. Перекос оси каждой втулки относительно оси обоймы - не более 1°30'.
Муфты зубчатые



1- втулка, 2- обойма, 3- фланцевая полумуфта, 4- промежуточный вал.
Рисунок 4 – Эскиз муфты.
3. Проектирование ременной передачи.
Результаты расчета ременной передачи
По сравнению с другими видами передач ременные имеют ряд существенных преимуществ: возможность передачи движения на сравнительно большие расстояния без особого увеличения массы передачи; простота конструкции и эксплуатации; плавность хода и бесшумность работы; эластичность привода, смягчающая колебания нагрузки и предохраняющая от значительных перегрузок за счет скольжения; меньшая начальная стоимость.
Следует отметить и недостатки, присущие ременным передачам: сравнительно небольшие передаваемые мощности (обычно до 50 кВт); непостоянство передаточного отношения; значительные габариты; повышенные нагрузки на валы и опоры; необходимость натяжения ремня в процессе эксплуатации; малая долговечность ремней, особенно быстроходных передачах.
4. Проектирование исполнительного органа
4.1. Проектный расчет вала
Валы – детали, которые служат для поддержания других вращающихся деталей, а сами опираются на подшипники.
На этапе эскизного проектирования ориентировочно была намечена конструкция валов, определены диаметры отдельных участков. Теперь следует уточнить эти размеры, согласовать их с деталями, устанавливаемыми на вал, учесть вид и расположение опор, конструкцию уплотнения, технологию изготовления. Перед отработкой конструкции вала должны быть решены такие важные вопросы, как способ передачи вращающего момента в соединении вал - ступица и способ крепления деталей на валу от осевого перемещения.
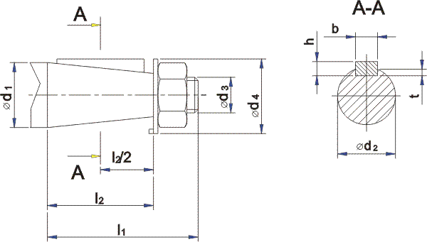
1) Рассчитываем значение диаметра выходного конца вала:
;
где Mk = Т - крутящий момент, Н·мм;
- допускаемое напряжение на кручение,
;
=10…30 МПа; Т=184000 Нм – берём из предварительного расчёта привода.
мм.
Из стандартного ряда принимаем: d1=45 мм; L1=70 мм.
2) Далее по значению диаметра вала выбираем и устанавливаем шпонку.
Шпонка, выбранная по длине и диаметру конца вала, имеет размеры, ГОСТ 23360-78:
| b |
h |
t |
t1 |
| 14 |
9 |
5 |
3,3 |
где b – ширина, h – высота шпонки, t – глубина паза в вале, t2 – глубина паза в ступице, Lш – длина шпонки.
Длина шпонки: Lш=L1-20=70-10=50 мм.
Из стандартного ряда длину шпонки берём: Lш=50 мм.
4.2. Подбор подшипников и шпонок.
Исходя из геометрических параметров вала, в месте соединения его с барабаном определяем размеры шпонки вала под барабаном.
Шпонка призматическая для диаметра вала d = 55 мм:
- высота шпонки h = 10 мм;
- ширина шпонки b = 16 мм;
- длина шпонки l = 100 мм;
- глубина паза вала t1 = 7 мм;
- глубина паза ступицы t2 = 10 мм.

Рисунок 6 – Эскиз шпоночного соединения.
![]() |
Для опор вала исполнительного органа применим шариковые радиальные сферические двухрядные подшипники (ГОСТ 28428 – 90), из-за возможных перекосов опор подшипников. Назначаем подшипники легкой серии № 1311.
- диаметр отверстия dП = 55 мм;
- диаметр внешнего кольца D = 120 мм;
- ширина подшипника В = 29 мм;
- координата фаски r = 3 мм;
- динамическая радиальная грузоподъёмность Cr = 51,0 кН;
- статическая радиальная грузоподъёмность C0 r = 24,0 кН.
Рисунок 7 – Эскиз подшипника.
На этом этапе подбирается корпус подшипника, крышки подшипника и манжетные уплотнения.
Корпус подшипника выбирается по диаметру наружного кольца подшипника.

Рис.4. Корпус подшипника.
Корпус подшипника УМ 100. ГОСТ 13218.3-80, размеры, мм
| D |
D1 |
d |
d1 |
d2 |
d3 |
A |
B |
B1 |
L |
L1 |
l |
H |
H1 |
h |
r |
r1 |
| 90 |
120 |
11 |
17 |
8 |
22 |
180 |
40 |
48 |
230 |
135 |
142 |
139.5 |
74 |
24 |
85 |
12.5 |
Крышки подшипника выбирается по диаметру вала.
Крышка подшипника торцевая с манжетным уплотнением
МН 100*65 ГОСТ 13219.5-81
![]() |

Рис.5. Крышка подшипника торцевая с манжетным уплотнением.
| D |
dвала |
d |
D1 |
D2 |
d1 |
d2 |
B |
b |
H |
h |
h1 |
h2 |
r |
r1 |
| 100 |
55 |
66 |
120 |
90 |
11 |
20 |
135 |
13.6 |
21 |
5 |
7 |
9 |
85 |
12.5 |
Крышка подшипника торцевая глухая низкая ГН 100 ГОСТ 13219.2-81

Рис.6. Крышка подшипника торцевая глухая низкая.
| D |
D1 |
D2 |
B |
d |
d1 |
n |
H |
h |
h1 |
h2 |
l |
s |
r |
r1 |
| 90 |
120 |
90 |
135 |
11 |
20 |
4 |
16 |
5 |
7 |
4 |
10 |
6 |
85 |
12 |
![]() |
4.3. Проверочный расчет вала на статическую прочность
по эквивалентному моменту
Окружная сила действующая на барабан со стороны ремня задана в техническом задании:
Ft = 1150 Н
|
S2 = 0,25. Ft =0,25. 1150 =287,5 Н
|
S1 = Ft + S2 = 1150 + 287,5 = 1437,5 Н
|
Q = S1 + S2 = 287,5 + 1437,5 = 1725 Н
Из уравнения моментов найдем силы FA и FВ :
![]()

Так как схема нагружения симметричная то FA = FВ = 862,5 Н.
|
![]()
Из расчетной схемы (Рисунок 8) видно, что опасным сечением является сечение D, так как в этом сечении одновременно приложены максимальные крутящий и изгибающие моменты.
ТD = 638,94 Нм
МD = 0,111. 862,5 = 291,38 Нм
Тогда:
|
![]()
Максимальное эквивалентное напряжение равно:
|
где dD – Диаметр вала в сечении D,мм.
Тогда:



Рисунок 8 – Расчетная схема вала исполнительного органа
Допускаемое напряжение [σ], МПа:
|
где Kр – коэффициент режима работы, Kр = 1,8;
[σи ] – допускаемое напряжение изгиба, МПа.
|
где σТ – предел текучести материала (Сталь 40Х), σТ = 640 МПа;
[n] – коэффициент запаса, [n] = 2.
Тогда:
![]()

25,57 МПа ≤ 177,78 МПа, – условие выполняется.
4.4. Проверочный расчет подшипников на долговечность
Fr = FA = FВ = 2625 Н;
Х – коэффициент радиальной нагрузки, Х = 1;
е – коэффициент осевого нагружения, е = 0,19;
Определим эквивалентную динамическую нагрузку:
|
Pr = VXFr KБ KТ ,
где V – коэффициент внутреннего кольца, V = 1;
КТ – температурный коэффициент, КТ = 1;
КБ – коэффициент безопасности, КБ = 1,3.
Pr = 1. 1. 2625. 1,3. 1 = 3412,5 Н.
Определяем по уровню надёжности и условиям применения расчётный ресурс подшипника:
|
где a1 – коэффициент долговечности, a1 = 1;
a23 – коэффициент, учитывающий влияние на долговечность особых свойств материала, a23 = 0,3;

Сравниваем с требуемым ресурсом
= 9500, ч:

![]()
Условие выполняется, следовательно подшипник 1212 – годен.
4.5. Проверочный расчет шпоночного соединения
4.5.1. Проверочный расчет шпонки вала под муфту:
Условие работоспособности шпонки вала:
|
где Т – передаваемый момент, Т = 638.94Нм;
d – диаметр вала, d = 45 мм;
lр – рабочая длина шпонки, мм:
lр = l – b = 70 – 14 = 56 мм;
k – глубина врезания шпонки, мм:
k = h – t1 = 9 – 5,5 = 3,5 мм.
[σсм ] –допускаемое напряжение смятия, [σсм ]<180 МПа.

144,5 МПа < 180 МПа
условие выполняется.
4.5.2. Проверочный расчет шпонки вала в месте соединения вала с барабаном:
Условие работоспособности шпонки вала:
|
где Т – передаваемый момент, Т = 638.94Нм;
d – диаметр вала, d = 60 мм;
lр – рабочая длина шпонки, мм:
lр = l – b = 100 – 18 = 82 мм;
k – глубина врезания шпонки, мм:
k = h – t1 = 11 – 7 = 4 мм.
[σсм ] –допускаемое напряжение смятия, [σсм ]<180 МПа.

64,9 МПа < 180 МПа – условие выполняется.
Шпоночное соединение показано на рисунке 6.
Список использованных источников
1. Устиновсий Е.П., Шевцов Ю.А., Яшков Ю.К., Уланов А.Г. Многовариантное проектирование зубчатых цилиндрических, конических и червячных передач с применением ЭВМ: Учебное пособие к курсовому проектировании по деталям машин. – Челябинск: ЧГТУ, 1992.
2. Справочник конструктора - машиностроителя: В 3 т. – 8-е изд., перераб. и доп. Под ред. И. Н. Жестковой. – М.: Машиностроение, 2001.
3. Дунаев П.Ф., Леликов О.П. конструирование узлов и деталей машин: Ученое пособие для техн. спец. вузов. – 6-е изд., исп. – М.: Высш. шк., 2000. – 477с., ил.
4. Ряховский О.А., Иванов С.С. Справочник по муфтам. – Л.: Политехника, 1991. – 384 с.: ил.
5. Сохрин П.П., Устиновский Е.П., Шевцов Ю.А. Техническая документация по курсовому проектировании по деталям машин и ПТМ: Ученое пособие. – Челябинск: Ид. ЮУрГУ, 2001. – 67 с.
6. Чурюкин В.А., Яшков Ю.К. Обозначение конструкторской документации: Ученое пособие. – Челябинск: ЧГТУ, 1986. – 61 с.
7. Сохрин П.П., Кулешов В.В. Проектирование валов: Учебное пособие. Челябинск: Изд. ЮУрГУ, 2000. – 94 с.
8. Сохрин П.П. Проектирование ременных передач: Ученое пособие: Челябинск: ЧГТУ, 1997. – 94 с.






