| Скачать .docx |
Дипломная работа: Разработка стенда для вывешивания и сдвига рельсошпальной решетки
Сибирский государственный университет путей сообщения
Дипломный проект
по специальности «Подъемно-транспортные, строительные, дорожные машины и оборудование»
Тема: Разработка стенда для вывешивания и сдвига рельсошпальной решетки
Пояснительная записка
ДП.21.00.00.00 ПЗ
2010
Содержание
Введение
1 Анализ конструкций оборудования для вывешивания и сдвига рельсошпальной решетки
2 Разработка стенда
2.1 Геометрическая компоновка рабочего оборудования на раме
2.2 Расчет усилий вывешивания и сдвига бесстыкового пути
2.3 Конструирование элементов стенда
3 Порядок проведения работ
4 Экономический расчет
5 Охрана труда
Заключение
Список использованных источников
Приложение А Распечатка усилий в опасных сечениях стержней
Приложение Б Напряжения в узлах стержней
Приложение В Перемещение в узлах стержней
ВВЕДЕНИЕ
Для механизации балластировочных, щебнеочистительных и выправочно-подбивочных работ используют специализированные машины непрерывного и циклического действия. Одними из основных операций при выполнении указанных путевых работ, является подъемка и выправка пути, производимые с помощью специальных рабочих органов - подъемно-рихтующих устройств (ПРУ).
ПРУ позволяет производить вывешивание путевой решетки на высоту Hвыв в продольном профиле, сдвиг на величину Sсдв в плане и перекос hвоз по уровню (возвышение небазового рельса над базовым в кривых участках пути) [4].
Технологический процесс подъемки и выправки путевой решетки представлен на рисунке 1.

Рисунок 1 – Технологический процесс подъемки и выправки путевой решетки
На балластировочных машинах (ЭЛБ-3МК, ЭЛБ-3ТС, МПП-5) подъемно-рихтовочное устройство производит вывешивание путевой решетки, для обеспечения подачи и разравнивания балласта под шпалами с помощью других рабочих органов.
На щебнеочистительных машинах (ЩОМ-4М, СЧ-600, СЧУ-800РУ) с помощью подъемно-рихтовочного устройства производится вывешивание решетки, для размещения под ней элементов щебнеочистительного оборудования. Кроме того, осуществляется постановка решетки в положение, обеспечивающее возможность пропуска других машин по реконструируемому пути.
На выправочно-подбивочных машинах (ВПО-3000, ВПО-З-3000, ВПР-1200, ВПР-02, ВПРС-500, ПМ-600, ВПМА-01) с помощью контрольно-измерительной системы происходит измерение положения путевой решетки и последующее формирование команд управления подъемно-рихтующим устройством, которое переместит и установит путевую решетку в требуемое (проектное) положение. Решетка в выправленном положении закрепляется посредством подачи балласта под шпалы и его уплотнения с помощью других рабочих органов машины.
Машины с путеподъемными и выправочными устройствами используют в комплекте с другими машинами или как самостоятельные средства. При работе в комплекте балластировочные и щебнеочистительные машины находятся в голове цепочки машин, а выправочно-подбивочные выполняют заключительные работы. К последним предъявляют более жесткие требования. Это связано с тем, что работы этих машин на заключительном этапе предшествуют открытию перегона для движения поездов [13].
Производительность машин, используемых при комплексной механизации путевых работ, определяется производительностью головной машины. В свою очередь для машин, у которых операции по перемещению решетки совмещены по времени с выполнением других операций, производительность определяется наиболее энергоемким процессом. Путеподъемные и выправочные устройства не должны снижать производительность машины. При современных технологиях она должна быть не ниже 2,5...3 км/ч для машин непрерывного и 0,3...0,5 км/ч для машин циклического действия. В случае выполнения работ только по смещению решетки производительность существенно повышается и составляет 5...10 км/ч и 1,5...2 км/ч соответственно для машин непрерывного и циклического действия.
На балластировочных и щебнеочистительных машинах путеподъемные устройства обеспечивают условия для эффективного выполнения основных операций (подведение балласта под решетку, его очистка). Здесь не требуются высокие скорости изменения положения решетки и высокая точность ее постановки в требуемое положение [4].
Рабочие скорости вывешивания и сдвига решетки составляют 0,005...0,01 м/с. С большей скоростью работают выправочные устройства, особенно на машинах циклического действия. Опыт эксплуатации машин непрерывного действия показывает, что скорости должны быть повышены до 0,015...0,03 м/с.
Важными параметрами для балластировочных машин являются величины вывешивания и сдвига решетки. Для современных условий производства работ они должны составлять 0,3....0,45 м. Увеличение вывешивания и сдвига дает возможность более эффективно использовать машины. Например, при производстве балластировочных работ, подъемку пути на требуемую высоту можно осуществить за один проход.
На выправочно-подбивочных машинах различают суммарные величины вывешивания и сдвига решетки и величины вывешивания и сдвига при выправке пути. Для более эффективного использования машин по выправке пути и расширения сфер их применения величины вывешивания решетки должны составлять 100...150 мм. Существенное сглаживание неровностей пути достигается уже при вывешивании решетки на 30...50 мм. Поэтому вывешивание и сдвиг решетки при выправке пути должны быть не менее 50 мм.
Наиболее жесткие требования к выправочным устройствам предъявляют по точности постановки решетки в требуемое положение и продолжительности отработки команд. Точность постановки решетки по уровню должна быть ±2 мм. Время отработки команд - 1,5...3 с.
Применение в балластировочных машинах автоматических систем с целью более точной постановки решетки в требуемое положение дает заметный эффект, если применяются устройства для закрепления решетки в смещенном положении.
Точность постановки решетки в требуемое положение во многом зависит от конструкции рельсовых захватов. Они должны обеспечивать надежный захват и удержание решетки на всех участках пути. Зона захвата рельса при этом должна быть минимальной длины.
1 АНАЛИЗ КОНСТРУКЦИЙ ОБОРУДОВАНИЯ ДЛЯ ВЫВЕШИВАНИЯ И СДВИГА РЕЛЬСОШПАЛЬНОЙ РЕШЕТКИ
По ряду важных технических показателей машины с путеподъемными и выправочными устройствами не полностью соответствуют производственно-техническим требованиям эксплуатационников. Основными причинами этого являются несовершенство конструкций устройств и недостаточно полная изученность процессов выправки пути. Такие показатели машин, как производительность и точность постановки решетки в требуемое положение, можно повысить за счет изменения компоновки узлов и привода механизмов выправочного устройства, совершенствования рельсового захвата и его подвески [4].
Для расширения сферы применения машин и более точной постановки решетки в требуемое положение на некоторых машинах путеподъемные устройства должны перемещаться вдоль фермы машины. Расположение ПРУ в пролете машины зависит от вида путевых работ. Так, путеподъемные устройства балластировочных и щебнеочистительных машин устанавливают в местах, где необходимо наибольшее вывешивание решетки, обеспечивающее работу других устройств (например, щебнеочистительного), или где требуемое вывешивание достигается наименьшей силой. Устройства выправки на выправочно-подбивочных и рихтовочных машинах располагают ближе к задней тележке с целью фиксации решетки в требуемом положении.
Также, от расположения ПРУ зависит точность постановки решетки при входе машины в кривую и при выходе из нее.
На балластировочных машинах, вследствие большой загрузки балластом передней части решетки, напряжения в рельсах выше, чем в той части, которая находится за захватом. Поэтому путеподъемное устройство целесообразно располагать не по центру свободного пролета, а со смещением к задней тележке. Соотношение расстояний между передней тележкой и захватом l1 и между захватом и задней тележкой l2 рекомендуется принимать l1 : l2 = 1 : 0,83.

Рисунок 2 – Схема расположения ПРУ в пролетах машин
а – двухпролетный балластер; б – выправочно-подбивочно-рихтовочная машина
Путеподъемные устройства работают с опиранием на ферму машины или на балластную призму (рисунок 3).

Рисунок 3 – Виды опор ПРУ
а - ПРУ с опорой на ферму машины; б – ПРУ с опорой на балластную призму
На машинах применяют маятниковые (рисунок 4) и консольные подвески (рисунок 5) рельсовых захватов с электромеханическим и гидравлическим приводами.
При электромеханическом приводе в многочисленных соединениях элементов устройства появляются износовые зазоры. Кроме того, для предотвращения заклинивания подвески захватов при переносе решетки предусмотрены технологические зазоры между контактными роликами механизма сдвига и вертикальной тягой. В электромагнитных рельсовых захватах имеется зазор между ребордой опорно-рихтующего ролика и головкой рельса.
Высокая инерционность системы и наличие многочисленных зазоров снижают точность постановки решетки в требуемое положение и вызывают необходимость снижения рабочей скорости машины.
С целью повышения быстродействия системы на выправочно-подбивочных машинах непрерывного действия используют реверс-редукторы с электромагнитными муфтами. В электромагнитных захватах применяют специальные рихтующие ролики. Применение гидропривода повысило эффективность работы выправочных и путеподъемных устройств.


Рисунок 4 – Кинематическая схема ПРУ ВПО-3000
1, 10 – параллелограммная подвеска; 2 – указатель; 3, 8, 14 – червячный редуктор подъема и сдвига; 4, 7, 13 – реверс-редуктор; 5, 6, 12, 16 – электродвигатель; 9, 25 – ходовой ролик; 11 – каретка; 15 – ходовой винт; 17 – червячный редуктор рихтующих роликов; 18 – двуплечий рычаг; 19, 28, 29 – направляющая; 20 – рихтующий ролик; 21, 23 – электромагнит; 22 – опорный ролик; 24 – поперечная балка; 26 – упорный каток; 27 – квадрат; ЭМП, ЭМЛ, ЭМТ – электромагнитные муфты реверса и тормозов
Используемые на машинах маятниковые и консольные подвески рельсовых захватов имеют и другие недостатки. Так, при маятниковой подвеске (по типу ВПО-3000) изображенной на рисунке 4, механизм сдвига решетки расположен по высоте на значительном расстоянии от рельсового захвата. Это увеличивает время выбора зазоров и мощность на сдвиг и вывешивание решетки. Более удачной является подвеска на машине ВПО-3-3000, кинематическая схема которой приведена на рисунке 6. Консольная подвеска захватов по типу ВПР-1200 работает эффективно лишь при малых величинах вывешивания и сдвига решетки (30...50 мм).
Важным узлом в путеподъемных и выправочных устройствах является рельсовый захват. На машинах применяют в основном электромагнитные (рисунок 7) и роликовые (рисунок 8) захваты. От надежности захвата и удержания решетки в процессе работы существенно зависит производительность и точность постановки решетки в требуемое положение. При сбросе захватом решетки требуется дополнительное время на перезарядку рабочих органов и устранение перекосов решетки. В результате снижаются производительность и точность постановки решетки.

Рисунок 5 – Кинематическая схема ПРУ ВПР-02
1 – гидроцилиндр подъема пути; 2 – вертикальная направляющая; 3 – кронштейн; 4 – гидроцилиндр привода захватов; 5 – балансир; 6 – захватные ролики; 7 – рихтующий гидроцилиндр

Рисунок 6 – Кинематическая схема ПРУ ВПО-3-3000
1 – гидроцилиндр подъема пути; 2 – реактивный кронштейн; 3 – гидроцилиндр сдвига пути; 4 – электромагнитные роликовые захваты; 5 – рихтующие ролики; 6 – траверса; 7 – центральная балка; 8 - шарнирный узел крепления центральной балки и реактивного кронштейна
Сброс решетки электромагнитным захватом происходит по нескольким причинам. На пути с асбестовым балластом происходит налипание металлических включений к магниту. Электромагнитное поле рассеивается, подъемная сила захвата уменьшается. Необходима очистка пространства в зоне рельса от балласта.

Рисунок 7 – Электромагнитный рельсовый захват
1 – электромагнитная катушка; 2 – опорный ролик; 3 – корпус электромагнита

Рисунок 8 – Роликовый рельсовый захват
1 – гидроцилиндр привода захвата; 2 – рихтующий ролик; 3 – захватный ролик
Одной из причин сброса решетки является также неравномерность нагрузок на катушки по длине захвата. При изгибе решетки наибольший ее прогиб смещается в сторону более длинного свободного пролета и практически может находиться вне рельсового захвата. В результате задние катушки нагружаются больше, чем передние и это способствует отрыву от рельса всего магнита. Отрыву захвата способствует также неравномерность зазоров по его длине между нижней пластиной магнита и головкой рельса. По концам захвата они больше, чем в середине. Выравнивание нагрузок на катушки и равномерность зазоров можно обеспечить использованием секционных рельсовых захватов небольшой длины. При односекционном захвате эти недостатки можно устранить применением одноконсольного захвата. Консоль у захвата должна быть только с задней стороны.
Отрыв захвата от рельса происходит также вследствие неудачной конструкции подвески корпуса захвата к поперечной балке. Усилие на перемещение захвата вдоль рельса передается в верхней части его корпуса. При увеличении сопротивления перемещению захвата (особенно на стыках) создается дополнительный момент, разворачивающий магнит в вертикальной плоскости относительно переднего ролика. Это способствует отрыву захвата от рельса. Указанный недостаток можно устранить присоединением подвески к нижней части его корпуса. При такой конструкции существенно уменьшается момент, разворачивающий магнит. С этой же целью можно использовать захват с несимметричным расположением катушек относительно его подвески. Повышает надежность работы электромагнитного захвата также использование дублирующих рельсозахватных роликов.
Роликовые захваты используются в основном на машинах циклического действия. Они приводятся в действие при остановке машины во время рабочего цикла. В настоящее время делается попытка использования этих захватов на машинах непрерывного действия. Однако разработанные конструкции имеют ряд недостатков. В частности, не отработана конструкция, надежно удерживающая решетку в вывешенном состоянии при проходе рельсовых стыков. Не предусмотрены устройства для регулировки зазоров между роликами и рельсами в случае использования машин на путях с различным типом рельсов или при износе роликов. Как и в электромагнитных захватах, наиболее нагруженными являются ролики со стороны меньшего свободного пролета. В конструкции захвата должны быть предусмотрены устройства, выравнивающие нагрузки по его длине на захватных и рихтующих роликах. Нагрузки на один захватный ролик находятся в пределах 25...30 кН, на рихтующий ролик - 10...15 кН [10].
Надежность работы роликов зависит от их конструкции и взаимного расположения. Для свободного прохода захватами кривых участков пути и наибольшего вывешивания решетки с меньшим усилием необходимо захватывать рельс на небольшой длине. Однако сближение роликов может привести к тому, что оба комплекта захватных роликов будут находиться на рельсовой накладке. Надежность захвата и удержания решетки при этом резко снижается.
Конструкции захватов должны обеспечивать возможность прохода машиной кривых участков пути и участков с изменением ширины колеи, без заклинивания роликов. Особенно это важно в устройствах с электромеханическим приводом [4].
Следует отметить, что усовершенствование захватов делается с учетом типа машины и условий производства работ. Так, многосекционные захваты целесообразно применять на машинах с большими свободными пролетами (балластировочные и щебнеочистительные машины). На машинах с малой базой захваты должны быть небольшой длины и иметь дублирующие элементы.
2 РАЗРАБОТКА СТЕНДА
2.1 Геометрическая компоновка рабочего оборудования на раме
Основу стенда составляет удлиненная рама грузовой платформы (рисунок 9), состоящая из двух боковых балок и двух хребтовых изготовленных из двутавра № 60 с переменным по высоте сечением.
Рисунок 9 – Грузовая платформа
Длина рамы стандартной платформы была увеличена на 10250 мм и составляет 23650 мм, для того чтобы обеспечить базу стенда Lм =19950 мм.
ПРУ взято с выправочно-подбивочной машины ВПР-02 и смонтировано с опорой на раму стенда Кинематическая схема ПРУ представлена на рисунке 5.
Как уже говорилось в аналитическом обзоре, расположение подъемно-рихтовочного устройства в пролете путевых машин зависит от типа машины и ее назначения. У щебнеочистительных и балластировочных машин ПРУ расположено в середине пролета, а у выправочно-подбивочных машин ПРУ находится ближе к задней тележке. Схема компоновки подъемно-рихтовочного устройства на раме стенда изображена на рисунке 10.
Рисунок 10 – Общая схема компоновки лабораторного стенда
Проектируемый мной в дипломном проекте лабораторный стенд будет иметь переднюю стационарную тележку и заднюю перемещаемою вдоль рамы стенда.
Задняя тележка фиксируется в одном из трех возможных положений, для этого на раме стенда дополнительно находятся еще две шкворневых балки. При максимальной базе платформы Lм = 19950 мм, ось ПРУ находится в середине пролета как у щебнеочистительных и балластировочных машин. При минимальной базе платформы Lм =14570 мм, ось ПРУ расположена на расстоянии 4595 мм, что равнозначно расположению ПРУ у машины ВПР-02.
2.2 Расчет усилий вывешивания и сдвига бесстыкового пути
2.2.1 Расчет усилий вывешивания
2.2.1.1 Расчетный случай №1
Исходные данные: длина защемленного рельса в пролете стенда L: 18,1м; расстояние от оси ПРУ до ближайшей точки защемления рельса колесной парой передней тележки ар : 9,05 м; расстояние от оси ПРУ до ближайшей точки защемления рельса колесной парой задней тележки bp : 9,05 м; величины вывешивания путевой решетки Hвыв , м: 0,01; 0,05; 0,1; 0,15; 0,2; 0,25.
Расчетная схема изображена на рисунке 11.
Рисунок 11 – Расчетная схема №1 к определению усилия вывешивания РШР
Суммарное усилие вывешивания Рсум , Н [10]:
, (1)
где Р - основное усилие вывешивания путевой решетки Р, Н [10]; Рдоп - дополнительное усилие вывешивания путевой решетки Рдоп , Н [10].
, (2)
где q - погонное сопротивление подъему путевой решетки q, Н/м [10]; Е – модуль упругости рельсовой стали,
Н/м2
[10]; Ix
– момент инерции поперечных сечений двух рельсов относительно главных горизонтальных осей, Iх
=
м4
[10].
, (3)
где qпр – погонный вес путевой решетки, qпр = 6500 Н/м [10]; qб – погонное сопротивление балласта подъему, qб = 9500 Н/м [10]; к – коэффициент, зависящий от типа верхнего строения пути, к = 196 Н/м [10].
Н/м.
Н.
, (4)
где кд
– поправочный коэффициент, кд
= 1,2 [10]; дополнительные изгибающие моменты Мда
и Мдб
,
[10].
, (5)
, (6)
где Рпр
- продольное усилие растяжения двух рельсовых нитей, Н [10];
- угол поворота рельсов, рад [10].
, (7)
.
, (8)
где М1
- реактивный изгибающий момент ,
[10]; R1
- реактивное усилие, Н [10].
, (9)
, (10)



.
.
.
.
Реактивное усилие R2 , Н [10]:
, (11)
Н.
Расчет усилий вывешивания рельсошпальной решетки по формулам (1) – (11) при различных величинах Hвыв сведен в таблицу 1.
Таблица 1 – Усилия вывешивания РШР при величине L=18,1 м
| Величина вывешивания решетки Hвыв , м |
0,05 |
0,1 |
0,15 |
0,2 |
0,25 |
| Погонное сопротивление подъему q, Н/м |
15990,2 |
15980,4 |
15970,6 |
15960,8 |
15951 |
| Основное усилие подъема решетки Р, Н |
168376,8 |
191953,7 |
215530,5 |
239107,4 |
262684,2 |
| Реактивное усилие R1 , Н |
-60522,9 |
-48645,8 |
-36768,7 |
-24891,5 |
-13014,4 |
| Реактивное усилие R2 , Н |
-60522,9 |
-48645,8 |
-36768,7 |
-24891,5 |
13014,4 |
| Граничный реактивный момент M1 , Н м |
-55593,2 |
1983,1 |
51627,2 |
105237,3 |
158847,5 |
| Угол поворота рельсов в, рад |
0 |
0 |
0 |
0 |
0 |
| Продольное усилие растяжения Рпр, Н |
86328 |
184428 |
282528 |
380628 |
478728 |
| Дополнительный изгибающий моментМда, Н м |
4316,4 |
18442,8 |
42379,2 |
76125,6 |
119682 |
| Дополнительный изгибающий момент Мдб, Н м |
4316,4 |
18442,8 |
42379,2 |
76125,6 |
119682 |
| Дополнительное усилие подъема Рдоп, Н |
1144,7 |
4890,9 |
11238,7 |
20188 |
31738,9 |
| Суммарное усилие вывешивания Рсум, Н |
169521,5 |
196844,6 |
226769,2 |
259295,4 |
294423,1 |
Вывод: из расчетов, приведенных в таблице 1, видно, что при базе платформы 19950 мм, подъемно-рихтовочное устройство сможет произвести вывешивание решетки на величину меньше 200 мм при максимальном усилии на штоках гидроцилиндров вывешивания – 250 кН.
2.2.1.2 Расчетный случай №2
Исходные данные: длина защемленного рельса в пролете стенда L: 15,41 м; расстояние от оси ПРУ до ближайшей точки защемления рельса колесной парой передней тележки ар : 9,05 м; расстояние от оси ПРУ до ближайшей точки защемления рельса колесной парой задней тележки bp : 6,36 м; величины вывешивания путевой решетки Hвыв , м: 0,01; 0,05; 0,1; 0,15; 0,2, 0,25.
Расчетная схема изображена на рисунке 12. Расчет усилий вывешивания рельсошпальной решетки сведен в таблицу 2.
Расчет усилий вывешивания Рсум произведен по формулам (1) – (11) и сведен в таблицу 2.
Рисунок 12 – Расчетная схема №2 к определению усилия вывешивания РШР
Рисунок-12. Расчётная схема №3.для определения усилий вывешивания
Таблица 2 – Усилия вывешивания РШР при величине L=15,41 м
| Величина вывешивания решетки Hвыв , м |
0,01 |
0,05 |
0,1 |
0,15 |
0,2 |
0,25 |
| Погонное сопротивление подъему q, Н/м |
15998,1 |
15990,2 |
15980,4 |
15970,6 |
15960,8 |
15951 |
| Основное усилие подъема решетки Р, Н |
135554,8 |
169155,5 |
211156,4 |
253157,3 |
295158,2 |
337159 |
| Реактивное усилие R1 , Н |
-49391,5 |
-31019,8 |
-187385,3 |
14909,7 |
37874,5 |
60839,2 |
| Реактивное усилие R2 , Н |
-135580 |
-170542,3 |
-217081,6 |
266772,7 |
319615,5 |
375609,9 |
| Граничный реактивный момент M1 , Н м |
-36238,3 |
33407,9 |
-20202,2 |
207523,6 |
294581,4 |
381639,3 |
| Угол поворота рельсов в, рад |
-0,019 |
-0,028 |
-0,673 |
-0,048 |
-0,059 |
-0,069 |
| Продольное усилие растяжения Рпр, Н |
7848 |
86328 |
184428 |
282528 |
380628 |
478728 |
| Дополнительный изгибающий момент Мда, Н м |
1446,9 |
25838,2 |
1058199,9 |
165722,5 |
277911,2 |
418240,9 |
| Дополнительный изгибающий момент Мдб, Н м |
-883,2 |
-10808,3 |
-712259,4 |
-44301,8 |
-65681,8 |
-90133,9 |
| Дополнительное усилие подъема Рдоп, Н |
25,2 |
1386,8 |
5925,3 |
13615,4 |
24457,3 |
38450,9 |
| Суммарное усилие вывешивания Рсум, Н |
135580 |
170542,3 |
217081,6 |
266772,7 |
319615,5 |
375609,9 |
Вывод: из расчетов, приведенных в таблице 2, видно, что при базе платформы 17260 мм, подъемно-рихтовочное устройство сможет произвести вывешивание решетки на величину меньше 150 мм при максимальном усилии на штоках гидроцилиндров вывешивания – 250 кН.
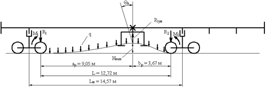
2.2.1.3 Расчетный случай №3
Исходные данные: длина защемленного рельса в пролете стенда L: 12,72 м; расстояние от оси ПРУ до ближайшей точки защемления рельса колесной парой передней тележки ар : 9,05 м; расстояние от оси ПРУ до ближайшей точки защемления рельса колесной парой задней тележки bp : 3,67 м; величины вывешивания путевой решетки Hвыв , м: 0,01; 0,05; 0,1; 0,15; 0,2, 0,25.
Расчетная схема изображена на рисунке 13. Расчет усилий вывешивания рельсошпальной решетки Рсум произведен по формулам (1) – (11) и сведен в таблицу 3.
Рисунок 13 – Расчетная схема №3 к определению усилия вывешивания РШР
Таблица 3 – Усилия вывешивания РШР при величине L=12,72 м
| Величина вывешивания решетки Hвыв , м |
0,01 |
0,05 |
0,1 |
0,15 |
0,2 |
0,25 |
| Погонное сопротивление подъему q, Н/м |
15998 |
15990,2 |
15980,4 |
15970,6 |
15960,8 |
15951 |
| Основное усилие подъема решетки Р, Н |
148548 |
247019,8 |
370109,5 |
493199,2 |
616288,9 |
739378,6 |
| Реактивное усилие R1 , Н |
-73520,2 |
-60547,1 |
-44330,8 |
-28114,5 |
-11898,2 |
4318,1 |
| Реактивное усилие R2 , Н |
18573,1 |
104171,6 |
211169,6 |
318167,6 |
425165,7 |
532163,8 |
| Граничный реактивный момент M1 , Н м |
-109026,4 |
-55666,3 |
11033,8 |
77733,9 |
144433,9 |
211134,1 |
| Угол поворота рельсов в, рад |
0,003 |
0 |
-0,004 |
-0,008 |
-0,012 |
-0,016 |
| Продольное усилие растяжения Рпр, Н |
7848 |
86328 |
184428 |
282528 |
380628 |
478728 |
| Дополнительный изгибающий момент Мда, Н м |
-231,8 |
4298,7 |
25168,2 |
63042,3 |
117920,7 |
189802,8 |
| Дополнительный изгибающий момент Мдб, Н м |
172,5 |
4323,6 |
15715,5 |
33999,8 |
59176,6 |
91246,3 |
| Дополнительное усилие подъема Рдоп, Н |
25,661 |
1983,7 |
8475,8 |
19476,3 |
34985,2 |
55002,5 |
| Суммарное усилие вывешивания Рсум, Н |
148573,7 |
249003,5 |
378585,3 |
512675,5 |
651274,1 |
794381,1 |
Вывод: из расчетов, приведенных в таблице 3, видно, что при базе платформы 14570 мм, подъемно-рихтовочное устройство сможет произвести вывешивание решетки на величину около 50 мм при максимальном усилии на штоках гидроцилиндров вывешивания – 250 кН.
2.2.2 Расчет усилий сдвига
2.2.2.1 Расчетный случай №1
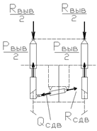
Исходные данные: длина защемленного рельса в пролете стенда L: 18,1 м; расстояние от оси ПРУ до ближайшей точки защемления рельса колесной парой передней тележки ар : 9,05 м; расстояние от оси ПРУ до ближайшей точки защемления рельса колесной парой задней тележки bp : 9,05 м; величины сдвига путевой решетки Sсдв , м: 0,01; 0,03; 0,06; 0,09; 0,12; 0,15.
Расчетная схема изображена на рисунке 14.
![]() |
Рисунок 14 – Расчетная схема №1 к определению усилия сдвига РШР
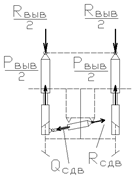
Суммарное расчетное усилие сдвига путевой решетки Qсум , Н [10]:
, (12)
где Q - расчетное усилие на сдвиг путевой решетки, Н [10]; Qдоп
- дополнительное усилие сдвига путевой решетки в плане
, Н [10].
, (13)
где
- опытный коэффициент учитывающий повышение поперечной жесткости путевой решетки, обусловленное скреплениями рельсов со шпалами, для железобетонных шпал и рельсов Р65,
[10]; Е - модуль упругости рельсовой стали,
[10];
- момент инерции поперечного сечения двух рельсов относительно вертикальной оси,
м4
[10].

, (14)
где кд
- поправочный коэффициент,
[10];
,
- дополнительные изгибающие моменты,
.
, (15)
, (16)
где
- дополнительное продольное усилие растяжения, Н [10];
- угол поворота поперечного сечения рельса в горизонтальной плоскости, рад [10].
, (17)
где F - площадь поперечного сечения одного рельса Р65,
м2
[10].
.
, (18)
где
- граничный реактивный момент,
[10];
- граничное реактивное усилие, Н [10].
, (19)
, (20)
.
.
.
.
.
.
Н.
Расчет усилий сдвига путевой решетки по формулам (12) – (20) при других величинах Sсдв сведен в таблицу 4.
Таблица 4 – Усилия сдвига РШР при величине L=18,1 м
| Величина сдвига решетки Sсдв , м |
0,03 |
0,06 |
0,09 |
0,12 |
0,15 |
| Расчетное усилие сдвига Q, H |
8880,9 |
17761,9 |
26642,9 |
35523,9 |
44404,9 |
| Продольное усилие растяжения Рпр , Н |
20567,7 |
82270,7 |
185109 |
329082,8 |
514191,9 |
| Граничное реактивное усилие R1 , Н |
4440,5 |
8880,9 |
13321,5 |
17761,9 |
22202,5 |
| Граничный реактивный момент M1 , Н м |
20093,2 |
40186,4 |
6027964,568 |
80372,8 |
100466,1 |
| Угол поворота рельсов г , рад |
0 |
0 |
0 |
0 |
0 |
| Дополнительный изгибающий момент Мда, Н м |
617 |
4936,2 |
16659,8 |
39489,9 |
77128,8 |
| Дополнительный изгибающий момент Мдб, Н м |
617 |
4936,2 |
16659,8 |
39489,9 |
77128,8 |
| Дополнительное усилие сдвига Qдоп, Н |
163,6 |
1309,1 |
4418,1 |
10472,5 |
20454,1 |
| Суммарное усилие сдвига Qсум, Н |
9044,6 |
19071 |
31061 |
45996,4 |
64858,9 |
Вывод: из расчетов, приведенных в таблице 4, видно, что при базе платформы 19950 мм, подъемно-рихтовочное устройство сможет произвести сдвиг решетки на величину 150 мм при максимальном усилии на штоках гидроцилиндров вывешивания – 170 кН.
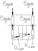
2.2.2.2 Расчетный случай №2
Исходные данные: длина защемленного рельса в пролете стенда L: 15,41 м; расстояние от оси ПРУ до ближайшей точки защемления рельса колесной парой передней тележки ПРУ ар : 9,05 м; расстояние от оси ПРУ до ближайшей точки защемления рельса колесной парой задней тележки bp : 6,36 м; величины сдвига путевой решетки Sсдв , м: 0,01; 0,03; 0,06; 0,09; 0,12; 0,15.
![]() |
Рисунок 15 – Расчетная схема №2 к определению усилия сдвига РШР
Расчетная схема изображена на рисунке 15. Расчет усилий сдвига рельсошпальной решетки по формулам (11) – (19) при других величинах Sсдв и сведен в таблицу 5.
Таблица 5 – Усилия сдвига РШР при величине L=15,41 м
| Величина сдвига решетки Sсдв , м |
0,01 |
0,03 |
0,06 |
0,09 |
0,12 |
0,15 |
| Расчетное усилие сдвига Q, H |
5263,6 |
15790,9 |
31581,8 |
47372,8 |
63163,7 |
78954,6 |
| Продольное усилие растяжения Рпр , Н |
3152,7 |
28375,1 |
113500,3 |
255375,8 |
454001,4 |
709377,1 |
| Граничное реактивное усилие R1 , Н |
1949,7 |
5849,1 |
9008,4 |
17547,3 |
1949,7 |
1949,7 |
| Граничный реактивный момент M1 , Н м |
8114,2 |
24342,5 |
40570,8 |
73027,5 |
32672,5 |
39370,3 |
| Угол поворота рельсов г , рад |
-0,003 |
-0,008 |
-0,001 |
-0,025 |
0,092 |
0,118 |
| Дополнительный изгибающиймомент Мда, Н м |
109,5 |
2957,5 |
4167,1 |
79846,8 |
-323285,4 |
-648927,5 |
| Дополнительный изгибающий момент Мдб, Н м |
-23,29 |
-628,9 |
6274,4 |
-16977,3 |
319959,6 |
637227 |
| Дополнительное усилие сдвига Qдоп, Н |
10,1 |
273,5 |
1736,4 |
7384,1 |
17503,2 |
34185,9 |
| Суммарное усилие сдвига Qсум, Н |
5273,8 |
16064,4 |
33318,2 |
54756,9 |
80666,9 |
113140,5 |
Вывод: из расчетов, приведенных в таблице 3, видно, что при базе платформы 17260 мм, подъемно-рихтовочное устройство сможет произвести вывешивание решетки на величину 150 мм при максимальном усилии на штоках гидроцилиндров вывешивания – 170 кН.
2.2.2.3 Расчетный случай №3
Исходные данные: длина защемленного рельса в пролете стенда L: 12,72 м; расстояние от оси ПРУ до ближайшей точки защемления рельса колесной парой передней тележки ПРУ ар : 9,05 м; расстояние от оси ПРУ до ближайшей точки защемления рельса колесной парой задней тележки bp : 3,67 м; величины сдвига путевой решетки Sсдв , м: 0,01; 0,03; 0,06; 0,09; 0,12; 0,15.
Рисунок 16 – Расчетная схема №4 к определению усилия сдвига РШР
Расчет усилий сдвига путевой решетки по формулам (11) – (19) при других величинах Sсдв сведен в таблицу 6.
Таблица 6 – Усилия сдвига РШР при величине L=12,72 м
| Величина сдвига решетки Sсдв , м |
0,01 |
0,03 |
0,06 |
0,09 |
0,12 |
0,15 |
| Расчетное усилие сдвига Q, H |
15406,8 |
46220,4 |
92440,9 |
138661,3 |
184881,7 |
231102,1 |
| Продольное усилие растяжения Рпр , Н |
4627,3 |
41645,5 |
166582,1 |
374809,6 |
666328,2 |
1041137,9 |
| Граничное реактивное усилие R1 , Н |
3107,5 |
9322,6 |
18645,2 |
27967,8 |
37290,4 |
46613 |
| Граничный реактивный момент M1 , Н м |
11606,9 |
34820,9 |
69641,8 |
104462,8 |
139283,8 |
174104,7 |
| Угол поворота рельсов г , рад |
-0,009 |
-0,028 |
-0,057 |
-0,085 |
-0,114 |
-0,142 |
| Дополнительный изгибающиймомент Мда, Н м |
443,1 |
11962,2 |
95662,7 |
322666,9 |
764194,3 |
1490946 |
| Дополнительный изгибающий момент Мдб, Н м |
-114,6 |
-3094,9 |
-24745,5 |
-83437,1 |
-197514,8 |
-385113,9 |
| Дополнительное усилие сдвига Qдоп, Н |
21,3 |
574,2 |
4593,4 |
15502,7 |
36747,1 |
71771,7 |
| Суммарное усилие сдвига Qсум, Н |
15428,1 |
46794,6 |
97034,3 |
154163,9 |
221628,8 |
302873,9 |
Вывод: из расчетов, приведенных в таблице 6, видно, что при базе платформы 14570 мм, подъемно-рихтовочное устройство сможет произвести сдвиг решетки на величину между 90 и 120 мм при максимальном усилии на штоках гидроцилиндров вывешивания – 170 кН.
2.3 Конструирование элементов стенда
2.3.1 Прочностной расчет боковых и хребтовых балок рамы стенда
Исходные данные: материал: сталь 09Г2; тип сечения: двутавр №60; усилие вывешивания решетки Рвыв : 150 кН; усилие сдвига Qсдв : 170 кН.
Цель расчета: проверка несущей способности боковых и хребтовых балок.
![]() |
|
![]() |
|
![]() |
|
Рисунок 17 – Расчетная схема для базы стенда 19950 мм
![]() |
|
![]() |
|
![]() |
|
Рисунок 18 – Расчетная схема для базы стенда 17260 мм
![]() |
![]() |
![]() |
Рисунок 19 – Расчетная схема для базы стенда 14570 мм

h – высота сечения, м; h1 – расстояние между полками, м; b – ширина сечения, м; tст – толщина стенки, м; tп – толщина полки, м; 1, 2, 3 – рассматриваемые в расчете точки
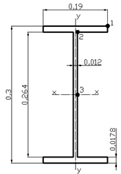
Рисунок 20 – Сечение рамы
Металлоконструкция стенда была спроектирована и рассчитана в программе APM WinMachine. Результаты расчетов приведены в Приложениях А и Б.
На металлоконструкцию действуют реакции от усилий вывешивания и сдвига рельсошпальной решетки, а также вес конструкции.
Вес металлоконструкции стенда Gп , Н:
, (21)
где mмк – масса металлоконструкции, mмк = 10600 кг; g – ускорение свободного падения, g = 9,8 м/с2 .
Н.
Расчет на прочность металлоконструкции стенда произведен по методу допускаемых напряжений.
Из Приложений А и Б были выбраны наиболее нагруженные стержни, их расчет приведен ниже. Расчетные схемы приведены на рисунках 17 – 19.
2.3.1.1 Проверка прочности сечения стержня Rod 57
Таблица 7 – Исходные данные для стержня Rod57
| Продольное усилие N, Н |
Поперечное усилие Qу , Н |
Поперечное усилие Qx , Н |
Момент кручения Т, Н м |
Изгибающий момент Му , Н м |
Изгибающий момент Мх , Н м |
| -105192,73 |
-9142,98 |
-24310,09 |
-951,838 |
16813,796 |
99509,169 |

Рисунок 21 – Геометрические характеристики сечения стержня Rod57
Условие прочности [5]:
, (22)
где
- эквивалентные напряжения, МПа [5];
- допускаемые напряжения, МПа [5].
, (23)
где
- суммарные нормальные напряжения, МПа [5];
- суммарные касательные напряжения, МПа [5].
, (24)
где
- предел текучести стали,
=305 МПа [3]; n0
– коэффициент запаса прочности стали, n0
=1,4 [3].
МПа.
, (25)
где А - площадь сечения, м2 [5] ; Iх - момент инерции относительно главной центральной оси х-х, м [5]; у – расстояние от главной центральной оси х-х до рассматриваемой точки, м [5]; Iу - момент инерции относительно главной центральной оси у-у, м4 [5] ; х – расстояние от главной центральной оси у-у до рассматриваемой точки, м [5].
, (26)
где b – ширина сечения, b=0,19 м [5]; tп – толщина полки, tп = 0,0178 м [5]; h1 – расстояние между полками, h1 =0,264 м [5]; tст – толщина стенки, tc т =0,012 м [5].
м2
.
, (27)
где h – высота сечения, h=0,3 м.
м4
.
, (28)
м4
.
, (29)
где
- касательные напряжения от действия поперечной силы Qy
, МПа [5];
- касательные напряжения от действия поперечной силы Qх
, МПа [5];
- касательные напряжения от действия момента кручения Мкр
, МПа [5].
, (30)
где
- статический момент отсеченной части, м3
[5]; bx
– ширина рассеченной части, м [5].
, (31)
где Аотс – площадь отсеченной части сечения для рассматриваемой точки, м2 [5]; ус – расстояние от оси х-х до центра тяжести отсеченной части, м [5];.
Схемы для определения статического момента приведены на рисунках 21 и 22.
Рисунок 22 - Схема к определению статического момента для точки 2
![]() |
Рисунок 23 - Схема к определению статического момента для точки 3
, (32)
где h – высота рассматриваемого сечения, м [5]; у – расстояние от главной центральной оси х-х до рассматриваемой точки, м [5].
Касательные напряжения
, так как величина действующего момента кручения Мкр
в рассматриваемых стержнях имеет весьма малое значение.
2.3.1.2 Расчет эквивалентных напряжения для точки 1
Суммарные нормальные напряжения по формуле (25) при y=0,15 м, x = 0,095 м:
МПа.
Статический момент по формуле (31) Sотс =0 при Аотс = 0.
Касательные напряжения по формуле (32) при tст =0,012 м, h=0,3 м, y=0,15 м:
МПа.
Суммарные касательные напряжения по формуле (29)
МПа.
Эквивалентные напряжения по формуле (23):
МПа.
2.3.1.3 Расчет эквивалентных напряжения для точки 2
Суммарные нормальные напряжения по формуле (25) при y=0,132 м, х=0,006 м:
МПа.
Площадь отсеченной части:
м2
.
Статический момент по формуле (31) при ус =0,1411м:
м3
.
Касательные напряжения по формуле (30) при
м,
МПа.
Касательные напряжения по формуле (32) при tст =0,012 м, h=0,3 м, y=0,15 м:
МПа.
Суммарные касательные напряжения по формуле (29):
МПа.
Эквивалентные напряжения по формуле (23):
МПа.
2.3.1.4 Расчет эквивалентных напряжения для точки 3
Суммарные нормальные напряжения по формуле (25) при y=0 м, х=0,006 м:
МПа.
Площади отсеченных частей:
м2
;
м2
.
Статический момент по формуле (31) при ус 1 =0,1411 м; ус 2 =0,066 м:
м3
.
Касательные напряжения по формуле (32) при
м:
МПа.
Касательные напряжения по формуле (33) при tст =0,012 м, h=0,3 м, y=0:
МПа.
Суммарные касательные напряжения по формуле (29):
МПа.
Эквивалентные напряжения по формуле (23):
МПа.
В результате расчетов, выяснилось, что самая нагруженная точка 1.
Проверка выполнения условия прочности (22):
.
Условие прочности соблюдается.
2.3.1.5 Расчет эквивалентных сечений
Опасные сечения, сходные по геометрическим параметрам с сечением стержня Rod57 рассчитаны по формулам (22) – (32).
Расчетные схемы для соответствующих значений базы платформы изображены на рисунках (17) – (19). Максимальные усилия в стержнях взяты из Приложения А и приведены в таблице 8. Результат расчетов сведен в таблицу 9.
Таблица 8 – Максимальные нагрузки в стержнях
| База платформы, мм |
№стержня |
Продольная силаN, Н |
Поперечная силаQy , Н |
Поперечная силаQх , Н |
Момент кручения Т, Н |
Изгибающий моментМу , Н м |
Изгибающий моментМх , Н м |
| 19950 |
Rod 255 |
-165042,34 |
145698,02 |
43840,19 |
-170,081 |
15908,952 |
104908,623 |
| Rod 256 |
165601,65 |
-122180,82 |
42870,2 |
-54,389 |
15790,903 |
17669,732 |
|
| Rod 60 |
106781,8 |
3998,43 |
-21633,22 |
-350,903 |
16476,509 |
-2350,193 |
|
| Rod 7 |
-20948,75 |
10451,56 |
9440,72 |
-117,110 |
13000,354 |
-36412,762 |
|
| Rod 19 |
4337,22 |
35802,81 |
10555,23 |
-116,439 |
14248,421 |
-87636,728 |
|
| Rod 42 |
-4077,96 |
16541,56 |
10554,4 |
-115,248 |
14247,396 |
-60584,774 |
|
| Rod 31 |
20865,7 |
-11253,67 |
9424,35 |
-106,613 |
12373,128 |
-29522,795 |
|
| 17260 |
Rod 8 |
-27803,68 |
23481,7 |
12457,97 |
-104,609 |
-16968,97 |
-59521,467 |
| Rod 20 |
9653,56 |
34670,43 |
13612,46 |
-113,933 |
18418,393 |
-81600,983 |
|
| Rod 43 |
-9180,53 |
15523,11 |
13611,44 |
-115,655 |
18417,137 |
-55092,658 |
|
| Rod 32 |
27594,71 |
-5211,29 |
12439,18 |
-114,529 |
16516,358 |
-20730,946 |
|
| 14570 |
Rod 153 |
-32552,78 |
39017,92 |
14042,31 |
-107,930 |
16850,350 |
-68720,585 |
| Rod 151 |
26433,39 |
35250,03 |
22106,31 |
-122,770 |
21796,373 |
-76632,068 |
|
| Rod 149 |
-25997,98 |
25128,07 |
22096,52 |
-121,130 |
21790,087 |
-55007,484 |
|
| Rod 147 |
32351,75 |
-1518,03 |
14030,34 |
-113,574 |
9085,604 |
-10073,357 |
Таблица 9 – Результаты расчетов
| № стержня |
Рассматриваемая точка сечения |
Суммарные нормальные напряжения |
Касательные напряжения |
Касательные напряжения |
Суммарные касательные напряжения |
Эквивалентные напряжения |
| Rod 255 |
1 |
191,7 |
0 |
1,91 |
1,91 |
191,8 |
| 2 |
110,8 |
37,5 |
2,14 |
39,6 |
39,6 |
|
| 3 |
21,2 |
45,7 |
3,83 |
49,5 |
88,4 |
|
| Условие прочности выполняется: 191,7 МПа < 217,9 МПа |
||||||
| Rod 256 |
1 |
106,6 |
0 |
1,87 |
1,87 |
106,7 |
| 2 |
36,4 |
31,4 |
2,09 |
33,5 |
68,5 |
|
| 3 |
21,3 |
38,3 |
3,74 |
42,1 |
75,9 |
|
| Условие прочности выполняется: 106,6 МПа < 217,9 МПа |
||||||
| Rod 60 |
1 |
88,9 |
0 |
0,944 |
0,944 |
88,9 |
| 2 |
17,6 |
0,771 |
1,056 |
1,83 |
17,8 |
|
| 3 |
15,6 |
0,94 |
1,89 |
2,83 |
16,3 |
|
| Условие прочности выполняется: 88,9 МПа < 217,9 МПа |
||||||
| Rod 7 |
1 |
94,5 |
0 |
0,412 |
0,412 |
94,6 |
| 2 |
36,8 |
2,69 |
0,461 |
3,15 |
37,2 |
|
| 3 |
5,72 |
3,28 |
0,824 |
4,1 |
9,11 |
|
| Условие прочности выполняется: 94,5 МПа < 217,9 МПа |
||||||
| Rod 19 |
1 |
151,2 |
0 |
0,488 |
0,488 |
151,2 |
| 2 |
79,4 |
9,2 |
0,515 |
9,73 |
81,2 |
|
| 3 |
4,84 |
10,3 |
0,975 |
11,3 |
20,1 |
|
| Условие прочности выполняется: 151,2 МПа < 217,9 МПа |
||||||
| Rod 42 |
1 |
124,9 |
0 |
0,461 |
0,461 |
124,9 |
| 2 |
56,3 |
4,3 |
0,515 |
4,77 |
56,9 |
|
| 3 |
4,85 |
6,27 |
0,975 |
7,24 |
13,5 |
|
| Условие прочности выполняется: 124,9 МПа < 217,9 МПа |
||||||
| Rod 31 |
1 |
87,7 |
0 |
0,436 |
0,436 |
87,7 |
| 2 |
28,1 |
1,94 |
0,488 |
2,42 |
28,4 |
|
| 3 |
6,04 |
2,36 |
0,872 |
3,23 |
8,24 |
|
| Условие прочности выполняется: 87,7 МПа < 217,9 МПа |
||||||
| Rod8 |
1 |
137,9 |
0 |
0,61 |
0,61 |
137,9 |
| 2 |
50,6 |
4,61 |
0,678 |
5,29 |
51,4 |
|
| 3 |
8,61 |
5,62 |
1,21 |
6,83 |
14,6 |
|
| Условие прочности выполняется: 137,9 МПа < 217,9 МПа |
||||||
| Rod20 |
1 |
167,9 |
0,664 |
0,664 |
0,664 |
167,9 |
| 2 |
70,5 |
8,01 |
0,743 |
8,75 |
72,1 |
|
| 3 |
6,99 |
9,76 |
1,33 |
11,1 |
20,4 |
|
| Условие прочности выполняется: 167,9 МПа < 217,9 МПа |
||||||
| Rod43 |
1 |
150,8 |
0 |
0,664 |
0,664 |
150,8 |
| 2 |
55,4 |
4,72 |
0,743 |
5,47 |
56,2 |
|
| 3 |
6,99 |
5,76 |
1,33 |
7,09 |
14,1 |
|
| Условие прочности выполняется: 150,8 МПа < 217,9 МПа |
||||||
| Rod32 |
1 |
104,9 |
0 |
0,61 |
0,61 |
104,9 |
| 2 |
23,4 |
0,343 |
0,677 |
1,02 |
23,5 |
|
| 3 |
8,46 |
0,418 |
1,21 |
1,63 |
8,91 |
|
| Условие прочности выполняется: 104,9 МПа < 217,9 МПа |
||||||
| Rod153 |
1 |
160,7 |
0 |
0,869 |
0,869 |
160,7 |
| 2 |
63,3 |
8,9 |
0,972 |
9,87 |
65,6 |
|
| 3 |
10 |
10,9 |
1,74 |
12,6 |
23,9 |
|
| Условие прочности выполняется: 160,7 МПа < 217,9 МПа |
||||||
| Rod151 |
1 |
189,6 |
0 |
1,073 |
1,073 |
189,6 |
| 2 |
77,2 |
9,68 |
1,2 |
10,9 |
79,5 |
|
| 3 |
10,9 |
11,8 |
2,15 |
13,9 |
26,5 |
|
| Условие прочности выполняется: 189,6 МПа < 217,9 МПа |
||||||
| Rod149 |
1 |
175,4 |
0 |
1,07 |
1,07 |
175,4 |
| 2 |
64,7 |
7,32 |
1,2 |
8,52 |
66,4 |
|
| 3 |
10,9 |
8,92 |
2,15 |
11,7 |
22,1 |
|
| Условие прочности выполняется: 121,2 МПа < 217,9 МПа |
||||||
| Rod147 |
1 |
121,2 |
0 |
0,869 |
0,869 |
121,2 |
| 2 |
28,6 |
1,95 |
0,972 |
2,92 |
29 |
|
| 3 |
9,99 |
2,38 |
1,74 |
4,11 |
12,3 |
|
Вывод: расчеты показывают, что прочность боковых и хребтовых балок рамы в рассматриваемых сечениях достаточна.
2.3.1.6 Проверка прочности сечения стержня Rod 211
Таблица 10 – Максимальные усилия в стержне Rod211
| Продольное усилие N, Н |
Поперечное усилие Qу , Н |
Поперечное усилие Qx , Н |
Момент кручения Т, Н м |
Изгибающий момент Му , Н м |
Изгибающий момент Мх , Н м |
| 145325,8 |
-74261,9 |
-27000,75 |
31,4 |
15506,135 |
303142,386 |

Рисунок 24 – Геометрические характеристики сечения стержня Rod211

Рисунок 25 – Схема к определению статического момента для точки 2

Рисунок 26 – Схема к определению статического момента для точки 3
Площадь сечения по формуле (26):
м2
.
Момент инерции относительно главной центральной оси х-х по формуле (27):
м4
.
Момент инерции относительно главной центральной оси у-у по формуле (28):
м4
.
2.3.1.7 Расчет эквивалентных напряжения для точки 1
Суммарные нормальные напряжения по формуле (25) при y=0,3 м, x=0,095 м:
МПа.
Статический момент по формуле (31) Sотс =0 при Аотс = 0.
Касательные напряжения по формуле (32) при tст =0,012 м, h=0,6 м, y=0,3 м:
МПа.
Суммарные касательные напряжения по формуле (29)
МПа.
Эквивалентные напряжения по формуле (23):
МПа.
2.3.1.8 Расчет эквивалентных напряжения для точки 2
Суммарные нормальные напряжения по формуле (25) при y=0,282 м, х = 0,006 м:
МПа.
Площадь отсеченной части:
м2
.
Статический момент по формуле (31) при ус =0,291м:
м3
.
Касательные напряжения по формуле (30) при
м:
МПа.
Касательные напряжения по формуле (32) при tст =0,012 м, h=0,6 м, y=0,282 м:
МПа.
Суммарные касательные напряжения по формуле (29):
МПа.
Эквивалентные напряжения по формуле (23):
МПа.
2.3.1.9 Расчет эквивалентных напряжения для точки 3
Суммарные нормальные напряжения по формуле (25) при y=0 м, х=0,006 м:
МПа.
Площади отсеченных частей:
м2
;
м2
.
Статический момент по формуле (31) при ус 1 =0,291 м; ус 2 =0,141 м:
м3
.
Касательные напряжения по формуле (30) при
м:
МПа.
Касательные напряжения по формуле (32) при tст =0,012 м, h=0,6 м, y=0:
МПа.
Суммарные касательные напряжения по формуле (29):
МПа.
Эквивалентные напряжения по формуле (23):
МПа.
В результате расчетов, выяснилось, что самая нагруженная точка 1.
Проверка выполнения условия прочности (22):
.
Условие прочности соблюдается, т.к. в металлоконструкции машин допускается превышение допускаемых напряжений на 5%. В данном случае превышение напряжений составляет 2,6 МПа, что составляет 1,19%.
2.3.1.10 Проверка прочности эквивалентных сечений
Максимальные усилия в рассматриваемых стержнях взяты из Приложения А и сведены в таблице 11
Таблица 11 – Максимальные усилия в стержнях
| База платформы, мм |
№ стержня |
Продольная сила N, Н |
Поперечная сила Qy , Н |
Поперечная сила Qх , Н |
Момент кручения Т, Н |
Изгибающий момент Му , Н м |
Изгибающий момент Мх , Н м |
| 19950 |
Rod 209 |
262671,56 |
-43378,06 |
-38010,15 |
31,687 |
25246,176 |
-235392,396 |
| Rod 207 |
-263328,77 |
-33375,21 |
-38011,61 |
32,330 |
25247,478 |
-152626,651 |
|
| Rod 205 |
-144492,37 |
-5294,56 |
-27002,8 |
34,074 |
12844,988 |
-34289,368 |
Опасные сечения, сходные по геометрическим параметрам с сечением стержня Rod211 рассчитаны по формулам (21) – (31). Максимальные усилия в стержнях приведены в таблице 11. Результат расчетов сведен в таблицу 12.
Таблица 12 – Результат расчетов
| № стержня |
Рассматриваемая точка сечения |
Суммарные нормальные напряжения |
Касательные напряжения |
Касательные напряжения |
Суммарные касательные напряжения |
Эквивалентные напряжения |
| Rod 209 |
1 |
210,6 |
0 |
3,31 |
3,31 |
210,6 |
| 2 |
97,3 |
4,69 |
3,51 |
8,19 |
98,3 |
|
| 3 |
26,7 |
6,96 |
6,62 |
13,6 |
35,6 |
|
| Условие прочности выполняется: 210,6 МПа < 217,9 МПа |
||||||
| Rod 207 |
1 |
195,9 |
0 |
3,31 |
3,31 |
195,9 |
| 2 |
83,5 |
3,61 |
3,51 |
7,12 |
84,4 |
|
| 3 |
26,8 |
5,36 |
6,62 |
11,9 |
33,9 |
|
| Условие прочности выполняется: 195,9 МПа < 217,9 МПа |
||||||
| Rod 205 |
1 |
93,4 |
0 |
2,34 |
2,34 |
93,4 |
| 2 |
25,9 |
0,572 |
2,49 |
3,064 |
26,4 |
|
| 3 |
13,5 |
0,849 |
4,71 |
5,56 |
17,9 |
|
| Условие прочности выполняется: 93,4 МПа < 217,9 МПа |
||||||
Вывод: расчеты показывают что прочность боковых и хребтовых балок рамы в рассматриваемых сечениях достаточна.
2.3.2 Прочностной расчет поперечных балок рамы стенда
Исходные данные: материал: сталь 09Г2; тип сечения: квадратная труба 150 х 8; усилие вывешивания решетки Рвыв : 150 кН; усилие сдвига Qсдв : 170 кН.
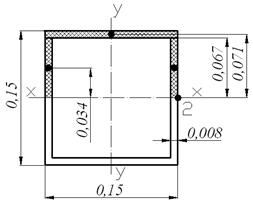
h – высота сечения, м; t – толщина стенки, м; 1, 2 – рассматриваемые в расчете точки.
Рисунок 27 – Сечение поперечной балки
2.3.2.1 Проверка прочности сечения стержня Rod 177
Таблица 13 – Исходные данные для стержня Rod177
| Продольное усилие N, Н |
Поперечное усилие Qу , Н |
Поперечное усилие Qx , Н |
Момент кручения Т, Н м |
Изгибающий момент Му , Н м |
Изгибающий момент Мх , Н м |
| 826,28 |
-112090,98 |
-103401,97 |
2496,069 |
19179,242 |
24469,752 |

Рисунок 28 – Геометрические характеристики сечения
Площадь сечения А, м2 :
, (33)
где h – высота сечения, h=0,15 м; t – толщина стенки, t=0,008 м.
м2
.
Моменты инерции относительно главных центральных осей Iх и Iу м4 :
, (34)
м4
.
2.3.2.2 Расчет эквивалентных напряжения для точки 1
Суммарные нормальные напряжения по формуле (25) при y=0,075 м, x = 0,075 м:
МПа.
Касательные напряжения
, МПа:
, (35)
где b – расстояние между стенками, b=0,142 м; y – расстояние от горизонтальной оси х-х до рассматриваемой точки, y=0,075 м.
МПа.
Касательные напряжения
рассчитаны по формуле (30) при bx
=2t=0,016 м:
.
Касательные напряжения
, МПа:
, (36)
МПа.
Суммарные касательные напряжения по формуле (29):
МПа.
Эквивалентные напряжения по формуле (23):
МПа.
2.3.2.3 Расчет эквивалентных напряжения для точки 2
Суммарные нормальные напряжения по формуле (25) при y=0 м, х=0,075 м:
МПа.

Рисунок 29 – Схема к определению статического момента
Площади отсеченных частей:
м2
.
м2
.
Статический момент по формуле (31) при ус1 =0,071м, ус2 =0,034м:
м3
.
м3
.
м3
.
Касательные напряжения по формуле (30) при
м:
МПа.
Касательные напряжения по формуле (35) при b=0,142 м, y=0:
.
Касательные напряжения по формуле (36):
МПа.
Суммарные касательные напряжения по формуле (29):
МПа.
Эквивалентные напряжения по формуле (23):
МПа.
В результате расчетов, выяснилось, что самая нагруженная точка 1.
Проверка выполнения условия прочности (22):
226,4 МПа > 217,9 МПа.
Условие прочности соблюдается, т.к. в металлоконструкции машин допускается превышение допускаемых напряжений на 5%. В данном случае напряжения превышают на 8,5 МПа, что составляет 3,9%.
2.3.2.4 Проверка прочности эквивалентных сечений
Таблица 14 – Максимальные нагрузки в стержнях
| № стержня |
Продольная сила N, Н |
Поперечная сила Qy , Н |
Поперечная сила Qх , Н |
Момент кручения Т, Н |
Изгибающий момент Му , Н м |
Изгибающий момент Мх , Н м |
| Rod 176 |
35713,19 |
-22335,33 |
-12042,44 |
-221,439 |
6840,504 |
24568,793 |
| Rod 175 |
-32973,87 |
15231,19 |
-12112,64 |
587,806 |
6822,876 |
-16998,083 |
| Rod 139 |
3547,89 |
-12559,52 |
23660,26 |
-998344,29 |
13197,838 |
14201,142 |
| Rod 140 |
238,56 |
-57257,1 |
82663,57 |
-5509,96 |
15318,196 |
14154,841 |
| Rod 138 |
-2757,7 |
6184,6 |
23786,9 |
-1668,535 |
13240,038 |
-7039,849 |
Опасные сечения, сходные по геометрическим параметрам с сечением стержня Rod177 рассчитаны по формулам (22) – (32). Максимальные усилия в стержнях взяты из приложения А и приведены в таблице 14. Результат расчетов сведен в таблицу 15.
Таблица 15 – Результаты расчетов
| № стержня |
Рассматриваемая точка сечения |
Суммарные нормальные напряжения |
Касательные напряжения |
Касательные напряжения |
Касательные напряжения |
Суммарные касательные напряжения |
Эквивалентные напряжения |
| Rod 176 |
1 |
161,6 |
4,19 |
0 |
0,617 |
4,802 |
161,9 |
| 2 |
41,4 |
0 |
11,1 |
0,617 |
11,7 |
46,01 |
|
| Условие прочности выполняется: 161,6 МПа < 217,9 МПа |
|||||||
| Rod 175 |
1 |
123,9 |
4,21 |
0 |
1,64 |
5,85 |
124,3 |
| 2 |
40,7 |
0 |
7,56 |
1,64 |
9,19 |
43,7 |
|
| Условие прочности выполняется: 123,9 МПа < 217,9 МПа |
|||||||
| Rod 139 |
1 |
134,9 |
8,22 |
0 |
2,78 |
11,01 |
136,3 |
| 2 |
65,4 |
0 |
6,23 |
2,78 |
9,01 |
67,2 |
|
| Условие прочности выполняется: 134,9 МПа < 217,9 МПа |
|||||||
| Rod 140 |
1 |
144,4 |
28,7 |
0 |
15,4 |
44,1 |
163,3 |
| 2 |
75,1 |
0 |
28,4 |
15,4 |
43,8 |
106,7 |
|
| Условие прочности выполняется: 99,9 МПа < 217,9 МПа |
|||||||
| Rod 138 |
1 |
99,9 |
8,27 |
0 |
4,65 |
12,9 |
102,4 |
| 2 |
65,4 |
0 |
3,069 |
4,65 |
7,72 |
66,8 |
|
Вывод: расчеты показывают что прочность боковых и хребтовых балок рамы в рассматриваемых сечениях достаточна.
2.3.3 Проверка жесткости боковых и хребтовых балок рамы стенда
Исходные данные: номера стержней в месте максимального прогиба и их узлов, а также величина максимального перемещения в пролете взяты из Приложения В и приведены в таблице 16.
Таблица 16 – Исходные данные
| № стержня |
№ узла |
Расстояние L, мм |
Перемещение f, мм |
| Rod57 |
87 |
17100 |
37 |
| Rod 255 |
86 |
24,2 |
|
| Rod 256 |
85 |
18,6 |
|
| Rod 60 |
84 |
3,71 |
|
| Rod 57 |
87 |
14410 |
27,5 |
| Rod 255 |
86 |
17,5 |
|
| Rod 256 |
85 |
12,9 |
|
| Rod 60 |
84 |
0,727 |
|
| Rod 57 |
48 |
11720 |
16,5 |
| Rod 255 |
114 |
9,95 |
|
| Rod 256 |
115 |
6,34 |
|
| Rod 60 |
84 |
1,98 |
Цель расчета: проверка жесткости рамы стенда.
Условие расчета: в APM WinMachine установлено, что на раму стенда воздействуют самые неблагоприятные нагрузки при вывешивании путевой решетки на 20 мм и сдвиг на 150 мм. Усилие вывешивание 150 кН, усилие сдвига 170 кН.
Рисунок 30 – Расчетная схема
Проверка жесткости заключается в сравнении допустимого прогиба с относительным расчетным прогибом.
Условие жесткости:
, (37)
где f – максимальный прогиб, м; L – расстояние между заделками балки, м;
– относительный прогиб;
– допускаемый прогиб,
0,005.
Результаты расчетов приведены в таблице 17.
Таблица 17 – Результаты расчетов
| № стержня |
Расстояние L, мм |
Перемещение f, мм |
|
|
| Rod57 |
17100 |
37 |
0,0022 |
0,0022 < 0,002 |
| Rod 255 |
24,2 |
0,0014 |
0,0014 < 0,002 |
|
| Rod 256 |
18,6 |
0,0011 |
0,0011 < 0,002 |
|
| Rod 60 |
3,71 |
0,0002 |
0,0002 < 0,002 |
|
| Rod 57 |
14410 14410 |
27,5 |
0,0019 |
0,0019 < 0,002 |
| Rod 255 |
17,5 |
0,0012 |
0,0012 < 0,002 |
|
| Rod 256 |
12,9 |
0,0009 |
0,0009 < 0,002 |
|
| Rod 60 |
0,727 |
0,00005 |
0,00005 < 0,002 |
|
| Rod 57 |
11720 |
16,5 |
0,0014 |
0,0014 < 0,002 |
| Rod 255 |
9,95 |
0,0008 |
0,0008 < 0,002 |
|
| Rod 256 |
6,34 |
0,0005 |
0,0005 < 0,002 |
|
| Rod 60 |
1,98 |
0,0002 |
0,0002 < 0,002 |
Вывод: из таблицы 17 видно, что относительный прогиб меньше допускаемого, следовательно, жесткость балок рамы достаточна.
3 Порядок проведения работ на стенде
1. Провести инструктаж по технике безопасности со студентами под их личную роспись.
2. Перед началом работы, учитель обязан осмотреть и проверить техническое состояние узлов и деталей стенда и убедиться в их исправности.
3. Если стенд исправен, то можно приступать к выполнению лабораторных работ на нем.
4. Для работы на стенде необходимо запустить двигатель насосной станции.
5. Вывешивание и сдвиг рельсошпальной решетки производится подъемно-рихтовочным устройством, управление которым осуществляется с помощью сервоуправления насосной станции.
6. Величину вывешивания или сдвижки рельсошпальной решетки определяют визуально по стационарно установленным вертикальной и горизонтальной линейке.
7. Усилие на штоках гидроцилиндров вывешивания и сдвига вычисляют, зная диаметр поршня и давление в напорной линии трубопровода определяемое по манометрам с помощью известных формул по дисциплине «Гидропривод».
6. Вывешивание и сдвиг рельсошпальной решетки можно производить при трех различных положениях задней тележки стенда.
Для изменения положения тележки необходимо:
а) с помощью сервоуправления насосной станции привести в работу аутригеры и поднять раму стенда на величину необходимую для того чтобы вывести из соединения шкворень тележки из шкворневой балки рамы стенда;
б) убедиться что шкворень вышел из соединения и соблюдая технику безопасности произвести вручную перекатывание задней тележки в одну из двух дополнительных позиций;
в) визуально убедиться, что шкворень тележки расположен соосно с отверстием в
шкворневой балке и произвести опускание рамы стенда с помощью аутригеров;
г) произвести лабораторные испытания при новом положении задней тележки;
д) для установки задней тележки в другое положение и проведение новых испытаний, произвести операции указанные в пунктах а – г.
4 ЭКОНОМИЧЕСКИЙ РАСЧЕТ
Целью экономического расчета является определение затрат на изготовление металлоконструкции стенда для вывешивания и сдвига рельсошпальной решетки.
Основными затратами на изготовление являются затраты на приобретение материалов, проектно - конструкторские работы, а также на оплату труда производственного персонала и накладные расходы.
К покупным изделиям относятся: сортовой прокат (двутавры, квадратные трубы, уголки), листовой прокат, гидроцилиндры и тележки.
Стоимость покупных изделий сведена в таблицу 18.
В расчетах цены приведены 2010 года.
Таблица 18 - Стоимость покупных комплектующих
| Наименование |
Размеры, мм |
Количество, шт |
Стоимость, руб |
| Двутавр №60 |
23650 |
4 |
447704 |
| Квадратная труба |
150 х 8 х 2668 |
7 |
22550,7 |
| Квадратная труба |
150 х 10 х 2830 |
1 |
4451,3 |
| Квадратная труба |
60 х 5 х 790 |
4 |
6988,3 |
| Квадратная труба |
60 х 5 х 710 |
4 |
|
| Квадратная труба |
60 х 5 х 725 |
2 |
|
| Квадратная труба |
60 х 5 х 2620 |
2 |
|
| Квадратная труба |
60 х 5 х 670 |
3 |
|
| Квадратная труба |
60 х 5 х 1070 |
3 |
|
| Квадратная труба |
60 х 5 х 640 |
6 |
|
| Квадратная труба |
100 х 9 х 790 |
2 |
8008 |
| Квадратная труба |
100 х 9 х 560 |
2 |
|
| Квадратная труба |
100 х 9 х 450 |
6 |
|
| Квадратная труба |
100 х 9 х 130 |
8 |
|
| Квадратная труба |
100 х 9 х 784 |
2 |
|
| Уголок |
50 х 50 х 3000 |
1 |
285,3 |
| Уголок |
100 х 7 х 400 |
1 |
124,8 |
| Лист |
1000 х 1000 х 10 |
1 |
2362 |
| Лист |
1000 х 1000 х 20 |
1 |
4969 |
| Палец |
44 х 100 |
2 |
762,3 |
| Палец |
32 х 60 |
2 |
510,4 |
| Тележка |
- |
2 |
180000 |
| ПРУ |
- |
1 |
100000 |
| Насосная станция |
- |
1 |
90000 |
| ВСЕГО: |
868716,1 |
||
Таблица 19 - Стоимость узлов
| Узел |
mi ,т |
Цена, руб |
| Стоимость сварных конструкций |
7,1 |
298200 |
| Стоимость узлов подлежащих механической обработке |
3,5 |
140000 |
| Итого |
10,6 |
438200 |
Основная заработная плата производственных рабочих на изготовление сварных конструкций Зпл1 , руб:
Зпл1 = Cтч ∙ ti 1 ∙ mi 1 ∙ kp ∙ kпр ∙ kнач , (37)
где Cтч - часовая тарифная ставка 4 разряда, Cтч = 60 руб./ч; ti 1 - трудоемкость изготовления 1 т сварной конструкции, ti 1 = 100 чел. – ч [14]; mi 1 - масса сварных узлов, mi 1 = 7,1 т; kp - районный коэффициент, kp = 1,25 [14]; kпр - коэффициент премирования, kпр = 1,5 [14]; kнач - коэффициент, учитывающий начисления на заработную плату, kнач = 1,262 [14].
Зпл1 = 60 ∙ 100 ∙ 7,1∙ 1,25 ∙ 1,5 ∙ 1,262 = 100802,3 руб.
Основная заработная плата производственных рабочих на механическую обработку Зпл2 , руб:
Зпл2 = Cтч ∙ ti 2 ∙ mi 2 ∙ kp ∙ kпр ∙ kнач , (38)
где Cтч - часовая тарифная ставка, Cтч = 60 руб.; ti 2 - трудоемкость изготовления узлов подлежащих механической обработке, ti 2 = 300 чел. – ч [14]; mi 2 - масса узлов, механической обработки, mi = 3,5 т; kp - районный коэффициент,
kp = 1,25 [14]; kпр - коэффициент премирования, kпр = 1,5 [14]; kнач - коэффициент, учитывающий начисления на заработную плату, kнач = 1,262 [14].
Зпл2 = 60 ∙ 300 ∙ 3,5 ∙ 1,25 ∙ 1,5 ∙ 1,262 = 149073,8 руб.
Основная заработная плата производственных рабочих на сборку Зпл3 , руб:
Зпл3 = Cтч ∙ ti 2 ∙ mi 2 ∙ kp ∙ kпр ∙ kнач , (39)
где Cтч - часовая тарифная ставка, Cтч = 60 руб.; ti 2 - трудоемкость прочих узлов,
ti 2 = 80 чел. – ч [14]; mi 2 - масса узлов сборки, mi = 2 т; kp - районный коэффициент, kp = 1,25 [14]; kпр - коэффициент премирования, kпр = 1,5 [14]; kнач - коэффициент, учитывающий начисления на заработную плату, kнач = 1,262 [14].
Основная заработная плата производственных рабочих на сборку Зпл3 :
Зпл3 = 60 ∙ 80 ∙ 2 ∙ 1,25 ∙ 1,5 ∙ 1,262 =22716 руб.
К перечисленным выше расходам необходимо добавить расходы на проектно-конструкторские работы Зпр-кон , тыс. руб.:
Зпр-кон = ТРп-к ∙ Ст ∙ kp ∙ kпр ∙ kнач , (40)
где ТРп-к - трудоемкость, ТРп-к = 80 ч; Сm - часовая оплата, Сm = 150 руб/ч [14]; kp - районный коэффициент, kp = 1,25 [14]; kпр - коэффициент премирования, kпр = 1,5 [14]; kнач - коэффициент, учитывающий начисления на заработную плату, kнач = 1,262 [14].
Зпр-кон = 80 ∙ 150 ∙ 1,25 ∙ 1,5 ∙ 1,262 = 28395 руб.
Итого основная заработная плата производственных рабочих Зпло , руб.:
Зпло = Зпл1 + Зпл2 + Зпл3 +Зпр-кон , (41)
Зпло = 100802,3 +149073,8+22716+28395 = 300987,1 руб.
Дополнительная заработная плата производственных рабочих ЗПЛД :
ЗПЛД = Зпло ∙ НДЗ , (42)
где НДЗ - норматив дополнительной заработной платы, НДЗ = 0,15 [14].
ЗПЛД = 300987,1 ∙ 0,15 = 45148,1 руб.
Накладные расходы Нр , руб.:
Нр = Зпло ∙ ННР , (43)
где ННР - норматив накладных расходов, ННР = 0,3 [14].
Нр = 300987,1 ∙ 0,3 = 90296,1 руб.
Полная себестоимость изготовления Сп , руб.:
Сп = См + СКОМ + Зпло + ЗПЛД + НР , (44)
где СКОМ - суммарные затраты на комплектующие, руб.
Сп = 438200 + 868716,1+ 300987,1 + 45148,1 + 90296,1 = 1743347,4 руб.
Для учета в составе себестоимости прибыли в размере 35 % определим себестоимость за вычетом материальных затрат:
Свм = Сп - См -СКОМ , (45)
Свм = 1743347,4 – 438200 – 868716,1 = 436431,3 руб.
Прибыль П, руб:
П = 0,35∙Свм , (46)
П = 0,35 ∙ 436431,3 = 152750,9 руб.
Капитальные затраты на изготовление рабочего оборудования для удержания установки К, руб:
К = Сп + П, (47)
К = 1743347,4 + 152750,9= 1896098,3 руб.
Таким образом, расчетная себестоимость изготовления стенда для вывешивания рельсошпальной решетки составит 1896098,3 руб.
5 ОХРАНА ТРУДА
5.1 Состояние условий труда при стендовых испытаниях
При испытании на стенде в ряде случаев возникают условия, неблагоприятные для исполнителей работ. Опасности, имеющие место на рабочем месте, при испытании подразделяются на импульсные и аккумулятивные [1].
Источниками импульсных опасностей являются подвижные массы, потоки газов и жидкостей, неправильное размещение оборудования на рабочем месте. Импульсная опасность, приводящая к травме, мгновенно реализуется в случайные моменты времени и может быть представлена дискретной случайной функцией производственного процесса.
Источниками аккумулятивных опасностей являются: повышенный шум, загрязненность воздушной среды газами и парами. В результате действия этих факторов организм человека переутомляется, нарушается координация движений, притупляется реакция организма на внешние раздражители. Аккумулятивная опасность реализуется на протяжении всего производственного процесса, представляя его непрерывную функцию и приводит к повышенному утомлению, заболеваниям.
5.2 Анализ вредных и опасных факторов
Таблица 20 – Анализ вредных и опасных факторов при работе на стенде
| № п/п |
Опасные и вредные факторы |
Характеристика опасных и вредных факторов |
| 1 |
Шум |
Шум как физиологическое явление представляет собой неблагоприятный фактор Внешней среды и определяется как звуковой процесс, неблагоприятный для восприятия и мешающий работе и отдыху. По физической природе шум, создаваемый стендом, обусловлен процессами механического воздействия деталей. |
| 2 |
Освещенность |
Свет является естественным условием жизнедеятельности человека и играет большую роль в сохранении здоровья и высокой работоспособности. Недостаточная освещенность требует не только постоянного напряжения глаз, что приводит к переутомлению и снижению работоспособности, но также может привести к тому, что будут незамечены некоторые изменения в работе стенда. |
| 3 |
Опасность травмирования при работе с подъемно-рихтовочным устройством |
При работе подъемно-рихтовочного устройства есть вероятность получения травмы конечностей, врезультате защемления их элементами устройства или рельсошпальной решетки |
| 4 |
Опасность травмирования при работе аутригеров |
При осуществлении подъема рамы с помощью аутригеров, стенда есть вероятность получения травмы при возникновении аварийной ситуации |
| 5 |
Пожароопасность |
В ходе разборки, ремонта, масло может быть разлито, и при небрежном отношении к мерам пожарной безопасности могут привести к возникновению пожара. |
5.3 Требования нормативно-технической документации по охране труда
Таблица 21 – Требования нормативно-технической документации по охране труда.
| № п/п |
Требования |
Нормативный документ |
| 1 |
Рабочее место, его оборудование и оснащение, применяемые в соответствии с характером работы, должны обеспечивать безопасность, охрану здоровья и работоспособность работающих |
ГОСТ 12.2.061-81. Оборудование. |
| 2 |
Шум на рабочем месте не должен превышать 80 дБА. |
ГОСТ 12.1.003-83. Шум. Общие требования безопасности. |
| 3 |
Производственное оборудование должно иметь встроенное устройство для удаления выделяющихся в процессе работы вредных веществ непосредственно от места их образования и скопления. |
ГОСТ 12.2.003-74. |
| 4 |
Приводные части стенда, а также передачи, к которым возможен доступ людей, должны быть ограждены. |
ГОСТ 12.2.002-80. Ограждения. Общие требования. |
| 5 |
Движущиеся элементы оборудования, к которым возможен доступ обслуживающего персонала, должны быть ограждены со всех сторон и по всей длине, независимо от высоты расположения и скорости движения. |
ГОСТ 12.2.027-80. Оборудование гаражное и авторемонтное. |
| 6 |
Органы управления, связанные с определенной последовательностью их применения, должны группироваться таким образом, чтобы действия работающего осуществлялись слева направо и сверху вниз. |
ГОСТ 12.2.064-81. Органы управления производственным оборудованием. |
| 7 |
В конструкциях органов управления, предназначенных для включения оборудования, должны быть предусмотрены средства защиты от случайного включения. |
ГОСТ 12.2.027-80. |
5.4. Мероприятия по защите работающих от опасных и вредных факторов
Для того чтобы уменьшить или исключить вообще влияние опасных и вредных факторов на человека необходим целый комплекс мер по охране труда .
Методы борьбы с шумом.
Одним из методов борьбы с шумом является применение наушников снижающих уровень звукового давления от 3 до 36 дБ [2].
Освещение.
Проводить испытания на стенде только в дневное время.
Предотвращение возникновения пожара.
Необходимо строгое выполнение требований безопасности при хранении и использовании горюче-смазочных материалов. Необходимо оборудовать противопожарный щит средствами пожаротушения. На рабочем месте запрещается пользоваться открытым огнем и курить. Обтирочный материал хранить только в металлических закрытых ящиках.
Мероприятия по защите работающих при подъемно-рихтовочных работах.
Перед пользованием подъемно-рихтовочного устройства, необходимо проверить его состояние и в случае необходимости провести ремонт.
Для безопасной эксплуатации подъемно-рихтовочного устройства, необходимо находится на расстоянии не менее 3 – 5 м от стенда, во избежание получения травм в результате вывешивания и сдвига рельсошпальной решетки .
Мероприятия по защите работающих при работе аутригеров.
Во избежание травмы необходимо находится на безопасном расстоянии (3-5 м)
5.5.1 Общие требования
1. Не допускаются к управлению стендом лица, не прошедшие обучение и не аттестованные по профессии стропальщика и станочника, а также лица, моложе 18 лет [1].
2. Запрещается разборка и ремонт гидросистемы, находящейся под давлением.
3. Запрещается работа на неисправном гидроприводе, при неисправном манометре, а также на не рекомендуемой жидкости.
5.5.2 Требования перед началом работы
1. Перед началом работы учитель обязан осмотреть и проверить техническое состояние узлов и деталей стенда и убедиться в их исправности.
2. Проверке на исправность и надежность подлежат: ограждения и защитные кожухи перемещающихся узлов стенда, а также их крепление; трубопроводы и соединения гидросистемы; система управления стендом.
3. Работать на стенде, имеющем неисправности, запрещается.
4. Необходимо убедиться в наличии на рабочем месте средств индивидуальной защиты, средств пожаротушения и средств оказания первой медицинской помощи.
5.5.3 Требования во время работы
1. При появлении во время работы стенда посторонних шумов, стуков и т.д. необходимо отключить стенд и проверить откуда исходят данные признаки неисправности.
2. Во время работы стенда запрещается:
- отвлекаться от выполнения прямых обязанностей;
- передавать управление стендом лицам, не имеющим на это разрешение.
5.5.4 Требования по окончании работ
1. По окончании работ учитель обязан:
- перевести подъемно-рихтовочное устройство в транспортное положение;
- заглушить двигатель насосной станции;
5.5.5 Требования в аварийной ситуации
При возникновении аварийной ситуации учитель обязан заглушить двигатель насосной станции.
Заключение
В разработанном мной дипломном проекте стенд стоимостью 1993368,3 рублей, получился вполне работоспособным и готовым к проведению лабораторных работ на нем. Прочностной расчет и расчет на жесткость показывают, что металлоконструкция стенда сможет выдержать те нагрузки, которые возникают при вывешивании и сдвиге рельсошпальной решетки на требуемые в задание величины (вывешивание на 250 мм и сдвиг на 150 мм) с помощью подъемно-рихтовочного устройства.
Данный дипломный проект требует доработок по уменьшею металлоемкости не в ущерб прочности и жесткости, а также снижение денежных затрат на изготавление данного лабораторного стенда.
Список использованных источников
1. Безопасность жизнедеятельности. Производственная безопасность и охрана труда / П.П. Кукин, В.Л. Лапин, Н.Л. Пономарев и др. М., 2001. 431 с.
2. Васильев И.В., Хальзов В.Л., Петриченко Н.А. Вопросы чрезвычайных ситуаций и гражданской обороны в дипломных проектах: учебно-методическое пособие. Новосибирск. 2001. 130 с.
3. Глотов В.А. Выбор сталей для металлоконструкций машин: Учеб. пособие. Новосибирск: Изд-во СГУПСа. 1997. 20 с.
4. Задорин Г.П. Путеподъемные и выправочные устройства: Учеб. пособие. Новосибирск: Из-во СГУПСа. 1998. 52 с.
5. Краснов Л.А. Справочник для решения задач по сопротивлению материалов: Учеб. пособие. Новосибирск: Изд-во СГУПСа. 2004. 118 с.
6. Машина выправочно-подбивочно-рихтовочная: ВПР-02: Техническое описание и инструкция по эксплуатации / Министерство путей сообщения РФ. М., 1995. 415 с.
7. Машины и механизмы для путевого хозяйства / Соломонов С.А., Хабаров В.П., Малицкий Л.Я., Нуждин Н.М. М., 1984. 440 с.
8. ООО "Склад металла" // http://www.skladmetalla.ru/ .
9. Раздорожный А.А. Охрана труда и производственная безопасность: учебно-методическое пособие. М., 2006. 512 с.
10. Соломонов С.А., Попович М.В., Бугаенко В.М. Путевые машины: Учебник. Москва: Изд-во Желдориздат. 2000. 756 с.
11. СТО СГУПС 1.01 – 2007. Курсовой и дипломный проекты. Требования к оформлению. Новосибирск. 2007. 59с.
12. СТО СГУПС 1.02 – 2008. Система управления качеством. Работа выпускная квалификационная по специальности «Подъемно-транспортные,
строительные, дорожные машины и оборудование». Новосибирск. 2007. 28с.
13. Сырейщиков Ю.П. Новые путевые машины : подбивочно-выправочные и рихтовочная ВПР-1200, ВПРС-500 и Р-2000. М., 1984. 319 с.
14. Экономическая эффективность внедрения новой (модернизированной) техники / Ядрошникова Г.Г., Хекало О.Ю., Шаламова О.А., Юркова Е.О. Новосибирск: Изд-во СГУПСа. 2004. 12 с.
Приложение А Распечатка усилий в опасных сечениях стержней
Индекс стержня 44 (Rod 57)
| Узел |
Сила [Н] |
Момент [Н*мм] |
||||
| Fx (осевая) |
Fy |
Fz |
Mx (кручения) |
My |
Mz |
|
| 48 |
-105192.73 |
-9142.98 |
-24310.09 |
-951838.15 |
9520770.04 |
96766275.91 |
| 87 |
-105192.73 |
-9142.98 |
-24310.09 |
-951838.15 |
16813795.80 |
99509169.35 |
Индекс стержня 156 (Rod 255)
| Узел |
Сила [Н] |
Момент [Н*мм] |
||||
| Fx (осевая) |
Fy |
Fz |
Mx (кручения) |
My |
Mz |
|
| 114 |
-165042.34 |
145698.02 |
43840.19 |
-170081.88 |
15908952.57 |
104908623.23 |
| 86 |
-165042.34 |
145698.02 |
43840.19 |
-170081.88 |
3633700.65 |
64113179.03 |
Индекс стержня 157 (Rod 256)
| Узел |
Сила [Н] |
Момент [Н*мм] |
||||
| Fx (осевая) |
Fy |
Fz |
Mx (кручения) |
My |
Mz |
|
| 115 |
165601.65 |
-122180.82 |
42870.20 |
-54389.10 |
15790903.44 |
17669732.44 |
| 85 |
165601.65 |
-122180.82 |
42870.20 |
-54389.10 |
3787248.59 |
51880362.05 |
Индекс стержня 45 (Rod 60)
| Узел |
Сила [Н] |
Момент [Н*мм] |
||||
| Fx (осевая) |
Fy |
Fz |
Mx (кручения) |
My |
Mz |
|
| 51 |
106781.80 |
3998.43 |
-21633.22 |
-350903.56 |
9986541.97 |
-1150664.31 |
| 84 |
106781.80 |
3998.43 |
-21633.22 |
-350903.56 |
16476509.14 |
-2350193.38 |
Индекс стержня 4 (Rod 7)
| Узел |
Сила [Н] |
Момент [Н*мм] |
||||
| Fx (осевая) |
Fy |
Fz |
Mx (кручения) |
My |
Mz |
|
| 8 |
-20948.75 |
10451.56 |
9440.72 |
-117110.28 |
12395174.05 |
-8298065.56 |
| 7 |
-20948.75 |
10451.56 |
9440.72 |
-117110.28 |
-13000354.74 |
-36412762.38 |
Индекс стержня 14 (Rod 19)
| Узел |
Сила [Н] |
Момент [Н*мм] |
||||
| Fx (осевая) |
Fy |
Fz |
Mx (кручения) |
My |
Mz |
|
| 21 |
4337.22 |
35802.81 |
10555.23 |
-116439.59 |
14145145.27 |
8672825.94 |
| 19 |
4337.22 |
35802.81 |
10555.23 |
-116439.59 |
-14248421.59 |
-87636728.21 |
Индекс стержня 34 (Rod 42)
| Узел |
Сила [Н] |
Момент [Н*мм] |
||||
| Fx (осевая) |
Fy |
Fz |
Mx (кручения) |
My |
Mz |
|
| 45 |
-4077.96 |
16541.56 |
10554.40 |
-115248.13 |
14143931.65 |
-16087985.99 |
| 43 |
-4077.96 |
16541.56 |
10554.40 |
-115248.13 |
-14247396.63 |
-60584774.32 |
Индекс стержня 24 (Rod 31)
| Узел |
Сила [Н] |
Момент [Н*мм] |
||||
| Fx (осевая) |
Fy |
Fz |
Mx (кручения) |
My |
Mz |
|
| 33 |
20865.70 |
-11253.67 |
9424.35 |
-106613.20 |
12373128.25 |
-29522795.67 |
| 31 |
20865.70 |
-11253.67 |
9424.35 |
-106613.20 |
-12978378.71 |
749581.55 |
Индекс стержня 130 (Rod 211)
| Узел |
Сила [Н] |
Момент [Н*мм] |
||||
| Fx (осевая) |
Fy |
Fz |
Mx (кручения) |
My |
Mz |
|
| 3 |
145325.80 |
-74261.93 |
-27000.75 |
31350.99 |
-12844648.66 |
-381117408.69 |
| 99 |
145325.80 |
-74261.93 |
-27000.75 |
31350.99 |
15506135.16 |
-303142386.08 |
Индекс стержня 128 (Rod 209)
| Узел |
Сила [Н] |
Момент [Н*мм] |
||||
| Fx (осевая) |
Fy |
Fz |
Mx (кручения) |
My |
Mz |
|
| 14 |
262671.56 |
-43378.06 |
-38010.15 |
31687.60 |
-14664479.66 |
-235392396.85 |
| 98 |
262671.56 |
-43378.06 |
-38010.15 |
31687.60 |
25246176.90 |
-189845434.62 |
Индекс стержня 126 (Rod 207)
| Узел |
Сила [Н] |
Момент [Н*мм] |
||||
| Fx (осевая) |
Fy |
Fz |
Mx (кручения) |
My |
Mz |
|
| 38 |
-263328.77 |
-33375.21 |
-38011.61 |
32330.95 |
-14664707.93 |
-187670621.64 |
| 97 |
-263328.77 |
-33375.21 |
-38011.61 |
32330.95 |
25247478.30 |
-152626651.12 |
Индекс стержня 124 (Rod 205)
| Узел |
Сила [Н] |
Момент [Н*мм] |
||||
| Fx (осевая) |
Fy |
Fz |
Mx (кручения) |
My |
Mz |
|
| 26 |
-144492.37 |
-5294.56 |
-27002.80 |
34074.02 |
-12844988.05 |
-34289368.52 |
| 96 |
-144492.37 |
-5294.56 |
-27002.80 |
34074.02 |
15507954.89 |
-28730085.54 |
Индекс стержня 5 (Rod 8)
| Узел |
Сила [Н] |
Момент [Н*мм] |
||||
| Fx (осевая) |
Fy |
Fz |
Mx (кручения) |
My |
Mz |
|
| 9 |
-27803.68 |
23481.70 |
12457.97 |
-104609.41 |
16542948.94 |
3644305.02 |
| 8 |
-27803.68 |
23481.70 |
12457.97 |
-104609.41 |
-16968977.73 |
-59521467.13 |
Индекс стержня 15 (Rod 20)
| Узел |
Сила [Н] |
Момент [Н*мм] |
||||
| Fx (осевая) |
Fy |
Fz |
Mx (кручения) |
My |
Mz |
|
| 17 |
9653.56 |
34670.43 |
13612.46 |
-113933.27 |
18199116.50 |
11662486.23 |
| 21 |
9653.56 |
34670.43 |
13612.46 |
-113933.27 |
-18418393.89 |
-81600983.31 |
Индекс стержня 35 (Rod 43)
| Узел |
Сила [Н] |
Момент [Н*мм] |
||||
| Fx (осевая) |
Fy |
Fz |
Mx (кручения) |
My |
Mz |
|
| 41 |
-9180.53 |
15523.11 |
13611.44 |
-115655.87 |
18197630.58 |
-13335499.00 |
| 45 |
-9180.53 |
15523.11 |
13611.44 |
-115655.87 |
-18417137.74 |
-55092658.37 |
Индекс стержня 25 (Rod 32)
| Узел |
Сила [Н] |
Момент [Н*мм] |
||||
| Fx (осевая) |
Fy |
Fz |
Mx (кручения) |
My |
Mz |
|
| 29 |
27594.71 |
-5211.29 |
12439.18 |
-114529.71 |
16516358.81 |
-20730946.96 |
| 33 |
27594.71 |
-5211.29 |
12439.18 |
-114529.71 |
-16945022.59 |
-6712587.46 |
Индекс стержня 89 (Rod 153)
| Узел |
Сила [Н] |
Момент [Н*мм] |
||||
| Fx (осевая) |
Fy |
Fz |
Mx (кручения) |
My |
Mz |
|
| 79 |
-32552.78 |
39017.92 |
14042.31 |
-107930.75 |
9092821.02 |
3365019.03 |
| 9 |
-32552.78 |
39017.92 |
14042.31 |
-107930.75 |
-16850350.75 |
-68720585.66 |
Индекс стержня 87 (Rod 151)
| Узел |
Сила [Н] |
Момент [Н*мм] |
||||
| Fx (осевая) |
Fy |
Fz |
Mx (кручения) |
My |
Mz |
|
| 78 |
26433.39 |
35250.03 |
22106.31 |
-122770.45 |
19045028.00 |
-11507644.44 |
| 17 |
26433.39 |
35250.03 |
22106.31 |
-122770.45 |
-21796373.14 |
-76632068.71 |
Индекс стержня 85 (Rod 149)
| Узел |
Сила [Н] |
Момент [Н*мм] |
||||
| Fx (осевая) |
Fy |
Fz |
Mx (кручения) |
My |
Mz |
|
| 77 |
-25997.98 |
25128.07 |
22096.52 |
-121130.34 |
19033235.80 |
-8583371.87 |
| 41 |
-25997.98 |
25128.07 |
22096.52 |
-121130.34 |
-21790087.44 |
-55007484.25 |
Индекс стержня 83 (Rod 147)
| Узел |
Сила [Н] |
Момент [Н*мм] |
||||
| Fx (осевая) |
Fy |
Fz |
Mx (кручения) |
My |
Mz |
|
| 76 |
32351.75 |
-1518.03 |
14030.34 |
-113574.84 |
9085604.65 |
-10073357.71 |
| 29 |
32351.75 |
-1518.03 |
14030.34 |
-113574.84 |
-16835449.95 |
-7268803.97 |
Индекс стержня 102 (Rod 177)
| Узел |
Сила [Н] |
Момент [Н*мм] |
||||
| Fx (осевая) |
Fy |
Fz |
Mx (кручения) |
My |
Mz |
|
| 85 |
826.28 |
-112090.98 |
-103401.97 |
2496069.10 |
-19079486.01 |
-17003910.73 |
| 86 |
826.28 |
-112090.98 |
-103401.97 |
2496069.10 |
19179242.80 |
24469752.12 |
Индекс стержня 100 (Rod 175)
| Узел |
Сила [Н] |
Момент [Н*мм] |
||||
| Fx (осевая) |
Fy |
Fz |
Mx (кручения) |
My |
Mz |
|
| 84 |
-32973.87 |
15231.19 |
-12112.64 |
587806.61 |
-7167226.25 |
593940.63 |
| 85 |
-32973.87 |
15231.19 |
-12112.64 |
587806.61 |
6822876.71 |
-16998083.61 |
Индекс стержня 101 (Rod 176)
| Узел |
Сила [Н] |
Момент [Н*мм] |
||||
| Fx (осевая) |
Fy |
Fz |
Mx (кручения) |
My |
Mz |
|
| 87 |
35713.19 |
-22335.33 |
-12042.44 |
-221439.99 |
-7068519.23 |
-1228507.11 |
| 86 |
35713.19 |
-22335.33 |
-12042.44 |
-221439.99 |
6840504.66 |
24568793.35 |
Индекс стержня 79 (Rod 138)
| Узел |
Сила [Н] |
Момент [Н*мм] |
||||
| Fx (осевая) |
Fy |
Fz |
Mx (кручения) |
My |
Mz |
|
| 55 |
-2757.70 |
6184.57 |
23786.92 |
-1668535.20 |
14233848.59 |
103326.62 |
| 73 |
-2757.70 |
6184.57 |
23786.92 |
-1668535.20 |
-13240038.51 |
-7039849.30 |
Индекс стержня 80 (Rod 139)
| Узел |
Сила [Н] |
Момент [Н*мм] |
||||
| Fx (осевая) |
Fy |
Fz |
Mx (кручения) |
My |
Mz |
|
| 53 |
3547.89 |
-12559.52 |
23660.26 |
-998344.29 |
14129759.26 |
-305102.29 |
| 72 |
3547.89 |
-12559.52 |
23660.26 |
-998344.29 |
-13197838.68 |
14201142.48 |
Индекс стержня 81 (Rod 140)
| Узел |
Сила [Н] |
Момент [Н*мм] |
||||
| Fx (осевая) |
Fy |
Fz |
Mx (кручения) |
My |
Mz |
|
| 73 |
238.56 |
-57257.10 |
82663.57 |
-5509960.17 |
15267323.78 |
-7030285.52 |
| 72 |
238.56 |
-57257.10 |
82663.57 |
-5509960.17 |
-15318196.86 |
14154841.64 |
Приложение Б Напряжения в узлах стержней
Название документа: Рама платформы-19.FRM
Напряжение в стержне (макс.) [Н/мм^2] (Загружение 1)
| N |
Название |
Узлы |
Экв. напряжение |
| 0 |
Rod 0 |
0,6 |
2.88 |
| 1 |
Rod 4 |
5,48 |
149 |
| 2 |
Rod 5 |
6,2 |
30.5 |
| 3 |
Rod 6 |
7,1 |
2.92 |
| 4 |
Rod 7 |
8,7 |
95.3 |
| 5 |
Rod 8 |
9,8 |
104 |
| 6 |
Rod 9 |
2,10 |
24.2 |
| 7 |
Rod 10 |
10,3 |
61.1 |
| 8 |
Rod 11 |
4,11 |
112 |
| 9 |
Rod 12 |
11,53 |
105 |
| 10 |
Rod 14 |
12,13 |
2.88 |
| 11 |
Rod 16 |
16,49 |
223 |
| 12 |
Rod 17 |
13,18 |
34.8 |
| 13 |
Rod 18 |
19,20 |
2.92 |
| 14 |
Rod 19 |
21,19 |
149 |
| 15 |
Rod 20 |
17,21 |
96.8 |
| 16 |
Rod 21 |
18,22 |
26 |
| 17 |
Rod 22 |
22,14 |
68.3 |
| 18 |
Rod 23 |
15,23 |
137 |
| 19 |
Rod 24 |
23,72 |
111 |
| 20 |
Rod 26 |
24,25 |
2.88 |
| 21 |
Rod 28 |
28,51 |
57.4 |
| 22 |
Rod 29 |
25,30 |
30.7 |
| 23 |
Rod 30 |
31,32 |
2.92 |
| 24 |
Rod 31 |
33,31 |
88.1 |
| 25 |
Rod 32 |
29,33 |
67 |
| 26 |
Rod 33 |
30,34 |
24.2 |
| 27 |
Rod 34 |
34,26 |
60.7 |
| 28 |
Rod 35 |
27,35 |
72.9 |
| 29 |
Rod 36 |
35,55 |
71.8 |
| 30 |
Rod 37 |
36,37 |
2.88 |
| 31 |
Rod 39 |
40,50 |
127 |
| 32 |
Rod 40 |
37,42 |
35.1 |
| 33 |
Rod 41 |
43,44 |
2.92 |
| 34 |
Rod 42 |
45,43 |
122 |
| 35 |
Rod 43 |
41,45 |
72.4 |
| 36 |
Rod 44 |
42,46 |
26 |
| 37 |
Rod 45 |
46,38 |
67.9 |
| 38 |
Rod 46 |
39,47 |
128 |
| 39 |
Rod 47 |
47,73 |
123 |
| 40 |
Rod 48 |
25,37 |
11.2 |
| 41 |
Rod 50 |
6,13 |
11.1 |
| 42 |
Rod 51 |
31,43 |
23.7 |
| 43 |
Rod 52 |
19,7 |
86 |
| 44 |
Rod 57 |
48,87 |
185 |
| 45 |
Rod 60 |
51,84 |
89.1 |
| 46 |
Rod 61 |
33,45 |
70.8 |
| 47 |
Rod 62 |
21,8 |
57 |
| 48 |
Rod 64 |
29,41 |
55.9 |
| 49 |
Rod 65 |
9,17 |
52.4 |
| 50 |
Rod 85 |
53,5 |
80.8 |
| 51 |
Rod 90 |
55,28 |
47.7 |
| 52 |
Rod 98 |
13,57 |
4.3 |
| 53 |
Rod 99 |
57,37 |
4.37 |
| 54 |
Rod 100 |
41,58 |
33.8 |
| 55 |
Rod 101 |
58,17 |
33.5 |
| 56 |
Rod 102 |
45,59 |
41.5 |
| 57 |
Rod 103 |
59,21 |
42.2 |
| 58 |
Rod 104 |
43,60 |
45.6 |
| 59 |
Rod 105 |
60,19 |
104 |
| 60 |
Rod 110 |
61,70 |
134 |
| 61 |
Rod 111 |
62,61 |
108 |
| 62 |
Rod 117 |
50,63 |
130 |
| 63 |
Rod 118 |
63,56 |
80.8 |
| 64 |
Rod 119 |
56,64 |
82.2 |
| 65 |
Rod 120 |
64,49 |
124 |
| 66 |
Rod 125 |
65,71 |
132 |
| 67 |
Rod 126 |
66,65 |
106 |
| 68 |
Rod 127 |
67,69 |
137 |
| 69 |
Rod 128 |
68,67 |
118 |
| 70 |
Rod 129 |
68,62 |
130 |
| 71 |
Rod 130 |
66,62 |
121 |
| 72 |
Rod 131 |
69,49 |
205 |
| 73 |
Rod 132 |
70,56 |
126 |
| 74 |
Rod 133 |
71,50 |
198 |
| 75 |
Rod 134 |
69,70 |
147 |
| 76 |
Rod 135 |
71,70 |
137 |
| 77 |
Rod 136 |
72,16 |
109 |
| 78 |
Rod 137 |
73,40 |
127 |
| 79 |
Rod 138 |
55,73 |
134 |
| 80 |
Rod 139 |
53,72 |
170 |
| 81 |
Rod 140 |
73,72 |
171 |
| 82 |
Rod 146 |
54,88 |
53.4 |
| 83 |
Rod 147 |
76,29 |
66.3 |
| 84 |
Rod 148 |
75,89 |
91.5 |
| 85 |
Rod 149 |
77,41 |
91.1 |
| 86 |
Rod 150 |
74,90 |
104 |
| 87 |
Rod 151 |
78,17 |
92 |
| 88 |
Rod 152 |
52,91 |
135 |
| 89 |
Rod 153 |
79,9 |
90.4 |
| 90 |
Rod 165 |
27,39 |
143 |
| 91 |
Rod 166 |
4,15 |
143 |
| 92 |
Rod 167 |
39,15 |
113 |
| 93 |
Rod 168 |
76,77 |
70.7 |
| 94 |
Rod 169 |
79,78 |
69.3 |
| 95 |
Rod 170 |
77,78 |
90.6 |
| 96 |
Rod 171 |
84,54 |
71.9 |
| 97 |
Rod 172 |
85,75 |
124 |
| 98 |
Rod 173 |
86,74 |
142 |
| 99 |
Rod 174 |
87,52 |
168 |
| 100 |
Rod 175 |
84,85 |
97.9 |
| 101 |
Rod 176 |
87,86 |
146 |
| 102 |
Rod 177 |
85,86 |
195 |
| 103 |
Rod 178 |
88,76 |
67.4 |
| 104 |
Rod 179 |
89,77 |
103 |
| 105 |
Rod 180 |
90,78 |
100 |
| 106 |
Rod 181 |
91,79 |
107 |
| 107 |
Rod 185 |
80,92 |
73 |
| 108 |
Rod 186 |
92,27 |
67.5 |
| 109 |
Rod 187 |
81,93 |
152 |
| 110 |
Rod 188 |
93,39 |
134 |
| 111 |
Rod 189 |
82,94 |
163 |
| 112 |
Rod 190 |
94,15 |
141 |
| 113 |
Rod 191 |
83,95 |
157 |
| 114 |
Rod 192 |
95,4 |
126 |
| 115 |
Rod 193 |
92,93 |
137 |
| 116 |
Rod 194 |
94,95 |
132 |
| 117 |
Rod 195 |
93,94 |
107 |
| 118 |
Rod 196 |
35,47 |
138 |
| 119 |
Rod 197 |
11,23 |
139 |
| 120 |
Rod 198 |
47,23 |
122 |
| 121 |
Rod 202 |
80,81 |
128 |
| 122 |
Rod 203 |
83,82 |
130 |
| 123 |
Rod 204 |
81,82 |
122 |
| 124 |
Rod 205 |
26,96 |
92.1 |
| 125 |
Rod 206 |
96,80 |
68.2 |
| 126 |
Rod 207 |
38,97 |
195 |
| 127 |
Rod 208 |
97,81 |
183 |
| 128 |
Rod 209 |
14,98 |
209 |
| 129 |
Rod 210 |
98,82 |
199 |
| 130 |
Rod 211 |
3,99 |
222 |
| 131 |
Rod 212 |
99,83 |
175 |
| 132 |
Rod 213 |
96,97 |
134 |
| 133 |
Rod 214 |
99,98 |
131 |
| 134 |
Rod 215 |
97,98 |
155 |
| 135 |
Rod 222 |
68,100 |
83 |
| 136 |
Rod 223 |
100,101 |
1.49e-010 |
| 137 |
Rod 224 |
102,103 |
3.34e-010 |
| 138 |
Rod 225 |
62,102 |
120 |
| 139 |
Rod 226 |
66,104 |
84.6 |
| 140 |
Rod 227 |
104,105 |
136 |
| 141 |
Rod 230 |
100,102 |
84.5 |
| 142 |
Rod 231 |
102,104 |
166 |
| 143 |
Rod 238 |
106,54 |
20.9 |
| 144 |
Rod 239 |
107,52 |
58.3 |
| 145 |
Rod 243 |
108,107 |
30.2 |
| 146 |
Rod 245 |
109,106 |
28.8 |
| 147 |
Rod 246 |
110,49 |
75.4 |
| 148 |
Rod 247 |
111,50 |
84.4 |
| 149 |
Rod 248 |
108,112 |
120 |
| 150 |
Rod 249 |
110,111 |
107 |
| 151 |
Rod 250 |
111,113 |
111 |
| 152 |
Rod 251 |
112,110 |
122 |
| 153 |
Rod 252 |
113,109 |
21.6 |
| 154 |
Rod 253 |
108,48 |
203 |
| 155 |
Rod 254 |
109,51 |
58.5 |
| 156 |
Rod 255 |
114,86 |
195 |
| 157 |
Rod 256 |
115,85 |
109 |
| 158 |
Rod 257 |
49,116 |
201 |
| 159 |
Rod 258 |
116,114 |
198 |
| 160 |
Rod 259 |
50,117 |
111 |
| 161 |
Rod 260 |
117,115 |
110 |
Напряжение в стержне (макс.) [Н/мм^2] (Загружение 2)
| N |
Название |
Узлы |
Экв. напряжение |
| 0 |
Rod 0 |
0,6 |
2.88 |
| 1 |
Rod 4 |
5,48 |
153 |
| 2 |
Rod 5 |
6,2 |
27.8 |
| 3 |
Rod 6 |
7,1 |
2.92 |
| 4 |
Rod 7 |
8,7 |
36.8 |
| 5 |
Rod 8 |
9,8 |
136 |
| 6 |
Rod 9 |
2,10 |
22 |
| 7 |
Rod 10 |
10,3 |
55.5 |
| 8 |
Rod 11 |
4,11 |
89.3 |
| 9 |
Rod 12 |
11,53 |
108 |
| 10 |
Rod 14 |
12,13 |
2.88 |
| 11 |
Rod 16 |
16,49 |
220 |
| 12 |
Rod 17 |
13,18 |
31.7 |
| 13 |
Rod 18 |
19,20 |
2.92 |
| 14 |
Rod 19 |
21,19 |
12.7 |
| 15 |
Rod 20 |
17,21 |
162 |
| 16 |
Rod 21 |
18,22 |
23.5 |
| 17 |
Rod 22 |
22,14 |
61.9 |
| 18 |
Rod 23 |
15,23 |
117 |
| 19 |
Rod 24 |
23,72 |
107 |
| 20 |
Rod 26 |
24,25 |
2.88 |
| 21 |
Rod 28 |
28,51 |
55.3 |
| 22 |
Rod 29 |
25,30 |
28 |
| 23 |
Rod 30 |
31,32 |
2.92 |
| 24 |
Rod 31 |
33,31 |
16.9 |
| 25 |
Rod 32 |
29,33 |
99.3 |
| 26 |
Rod 33 |
30,34 |
22 |
| 27 |
Rod 34 |
34,26 |
55.1 |
| 28 |
Rod 35 |
27,35 |
65.4 |
| 29 |
Rod 36 |
35,55 |
62.8 |
| 30 |
Rod 37 |
36,37 |
2.88 |
| 31 |
Rod 39 |
40,50 |
124 |
| 32 |
Rod 40 |
37,42 |
31.9 |
| 33 |
Rod 41 |
43,44 |
2.92 |
| 34 |
Rod 42 |
45,43 |
5.16 |
| 35 |
Rod 43 |
41,45 |
136 |
| 36 |
Rod 44 |
42,46 |
23.5 |
| 37 |
Rod 45 |
46,38 |
61.5 |
| 38 |
Rod 46 |
39,47 |
109 |
| 39 |
Rod 47 |
47,73 |
121 |
| 40 |
Rod 48 |
25,37 |
10.6 |
| 41 |
Rod 50 |
6,13 |
10.5 |
| 42 |
Rod 51 |
31,43 |
25.3 |
| 43 |
Rod 52 |
19,7 |
18.3 |
| 44 |
Rod 57 |
48,87 |
185 |
| 45 |
Rod 60 |
51,84 |
85.4 |
| 46 |
Rod 61 |
33,45 |
28.3 |
| 47 |
Rod 62 |
21,8 |
71.1 |
| 48 |
Rod 64 |
29,41 |
72.7 |
| 49 |
Rod 65 |
9,17 |
58.2 |
| 50 |
Rod 85 |
53,5 |
83 |
| 51 |
Rod 90 |
55,28 |
40.2 |
| 52 |
Rod 98 |
13,57 |
4.21 |
| 53 |
Rod 99 |
57,37 |
4.28 |
| 54 |
Rod 100 |
41,58 |
39.4 |
| 55 |
Rod 101 |
58,17 |
40 |
| 56 |
Rod 102 |
45,59 |
37.5 |
| 57 |
Rod 103 |
59,21 |
102 |
| 58 |
Rod 104 |
43,60 |
12.4 |
| 59 |
Rod 105 |
60,19 |
12.6 |
| 60 |
Rod 110 |
61,70 |
134 |
| 61 |
Rod 111 |
62,61 |
108 |
| 62 |
Rod 117 |
50,63 |
116 |
| 63 |
Rod 118 |
63,56 |
78.6 |
| 64 |
Rod 119 |
56,64 |
80.2 |
| 65 |
Rod 120 |
64,49 |
110 |
| 66 |
Rod 125 |
65,71 |
132 |
| 67 |
Rod 126 |
66,65 |
106 |
| 68 |
Rod 127 |
67,69 |
136 |
| 69 |
Rod 128 |
68,67 |
118 |
| 70 |
Rod 129 |
68,62 |
130 |
| 71 |
Rod 130 |
66,62 |
121 |
| 72 |
Rod 131 |
69,49 |
201 |
| 73 |
Rod 132 |
70,56 |
126 |
| 74 |
Rod 133 |
71,50 |
193 |
| 75 |
Rod 134 |
69,70 |
146 |
| 76 |
Rod 135 |
71,70 |
135 |
| 77 |
Rod 136 |
72,16 |
104 |
| 78 |
Rod 137 |
73,40 |
122 |
| 79 |
Rod 138 |
55,73 |
119 |
| 80 |
Rod 139 |
53,72 |
156 |
| 81 |
Rod 140 |
73,72 |
163 |
| 82 |
Rod 146 |
54,88 |
56.4 |
| 83 |
Rod 147 |
76,29 |
60.4 |
| 84 |
Rod 148 |
75,89 |
98.5 |
| 85 |
Rod 149 |
77,41 |
92.7 |
| 86 |
Rod 150 |
74,90 |
111 |
| 87 |
Rod 151 |
78,17 |
92.8 |
| 88 |
Rod 152 |
52,91 |
141 |
| 89 |
Rod 153 |
79,9 |
78.8 |
| 90 |
Rod 165 |
27,39 |
128 |
| 91 |
Rod 166 |
4,15 |
128 |
| 92 |
Rod 167 |
39,15 |
105 |
| 93 |
Rod 168 |
76,77 |
96 |
| 94 |
Rod 169 |
79,78 |
94.1 |
| 95 |
Rod 170 |
77,78 |
114 |
| 96 |
Rod 171 |
84,54 |
87.2 |
| 97 |
Rod 172 |
85,75 |
144 |
| 98 |
Rod 173 |
86,74 |
162 |
| 99 |
Rod 174 |
87,52 |
186 |
| 100 |
Rod 175 |
84,85 |
88.9 |
| 101 |
Rod 176 |
87,86 |
140 |
| 102 |
Rod 177 |
85,86 |
206 |
| 103 |
Rod 178 |
88,76 |
71.3 |
| 104 |
Rod 179 |
89,77 |
111 |
| 105 |
Rod 180 |
90,78 |
107 |
| 106 |
Rod 181 |
91,79 |
101 |
| 107 |
Rod 185 |
80,92 |
59.8 |
| 108 |
Rod 186 |
92,27 |
56.7 |
| 109 |
Rod 187 |
81,93 |
130 |
| 110 |
Rod 188 |
93,39 |
114 |
| 111 |
Rod 189 |
82,94 |
139 |
| 112 |
Rod 190 |
94,15 |
120 |
| 113 |
Rod 191 |
83,95 |
130 |
| 114 |
Rod 192 |
95,4 |
103 |
| 115 |
Rod 193 |
92,93 |
123 |
| 116 |
Rod 194 |
94,95 |
119 |
| 117 |
Rod 195 |
93,94 |
98.8 |
| 118 |
Rod 196 |
35,47 |
123 |
| 119 |
Rod 197 |
11,23 |
125 |
| 120 |
Rod 198 |
47,23 |
114 |
| 121 |
Rod 202 |
80,81 |
116 |
| 122 |
Rod 203 |
83,82 |
117 |
| 123 |
Rod 204 |
81,82 |
112 |
| 124 |
Rod 205 |
26,96 |
76.6 |
| 125 |
Rod 206 |
96,80 |
55.6 |
| 126 |
Rod 207 |
38,97 |
168 |
| 127 |
Rod 208 |
97,81 |
157 |
| 128 |
Rod 209 |
14,98 |
179 |
| 129 |
Rod 210 |
98,82 |
170 |
| 130 |
Rod 211 |
3,99 |
187 |
| 131 |
Rod 212 |
99,83 |
146 |
| 132 |
Rod 213 |
96,97 |
121 |
| 133 |
Rod 214 |
99,98 |
119 |
| 134 |
Rod 215 |
97,98 |
141 |
| 135 |
Rod 222 |
68,100 |
83 |
| 136 |
Rod 223 |
100,101 |
7.53e-011 |
| 137 |
Rod 224 |
102,103 |
1.55e-010 |
| 138 |
Rod 225 |
62,102 |
120 |
| 139 |
Rod 226 |
66,104 |
84.5 |
| 140 |
Rod 227 |
104,105 |
136 |
| 141 |
Rod 230 |
100,102 |
84.4 |
| 142 |
Rod 231 |
102,104 |
166 |
| 143 |
Rod 238 |
106,54 |
18.8 |
| 144 |
Rod 239 |
107,52 |
69.7 |
| 145 |
Rod 243 |
108,107 |
36.5 |
| 146 |
Rod 245 |
109,106 |
16 |
| 147 |
Rod 246 |
110,49 |
74.5 |
| 148 |
Rod 247 |
111,50 |
86.7 |
| 149 |
Rod 248 |
108,112 |
120 |
| 150 |
Rod 249 |
110,111 |
106 |
| 151 |
Rod 250 |
111,113 |
109 |
| 152 |
Rod 251 |
112,110 |
122 |
| 153 |
Rod 252 |
113,109 |
22.2 |
| 154 |
Rod 253 |
108,48 |
197 |
| 155 |
Rod 254 |
109,51 |
49.7 |
| 156 |
Rod 255 |
114,86 |
197 |
| 157 |
Rod 256 |
115,85 |
110 |
| 158 |
Rod 257 |
49,116 |
204 |
| 159 |
Rod 258 |
116,114 |
201 |
| 160 |
Rod 259 |
50,117 |
112 |
| 161 |
Rod 260 |
117,115 |
111 |
Напряжение в стержне (макс.) [Н/мм^2] (Загружение 3)
| N |
Название |
Узлы |
Экв. напряжение |
| 0 |
Rod 0 |
0,6 |
2.88 |
| 1 |
Rod 4 |
5,48 |
143 |
| 2 |
Rod 5 |
6,2 |
23.4 |
| 3 |
Rod 6 |
7,1 |
2.92 |
| 4 |
Rod 7 |
8,7 |
16.8 |
| 5 |
Rod 8 |
9,8 |
45.2 |
| 6 |
Rod 9 |
2,10 |
18.3 |
| 7 |
Rod 10 |
10,3 |
46.1 |
| 8 |
Rod 11 |
4,11 |
69.4 |
| 9 |
Rod 12 |
11,53 |
99.6 |
| 10 |
Rod 14 |
12,13 |
2.88 |
| 11 |
Rod 16 |
16,49 |
203 |
| 12 |
Rod 17 |
13,18 |
26.5 |
| 13 |
Rod 18 |
19,20 |
2.92 |
| 14 |
Rod 19 |
21,19 |
11 |
| 15 |
Rod 20 |
17,21 |
19.9 |
| 16 |
Rod 21 |
18,22 |
19.6 |
| 17 |
Rod 22 |
22,14 |
51.3 |
| 18 |
Rod 23 |
15,23 |
89.6 |
| 19 |
Rod 24 |
23,72 |
98.4 |
| 20 |
Rod 26 |
24,25 |
2.88 |
| 21 |
Rod 28 |
28,51 |
60.1 |
| 22 |
Rod 29 |
25,30 |
23.6 |
| 23 |
Rod 30 |
31,32 |
2.92 |
| 24 |
Rod 31 |
33,31 |
7.89 |
| 25 |
Rod 32 |
29,33 |
19.4 |
| 26 |
Rod 33 |
30,34 |
18.3 |
| 27 |
Rod 34 |
34,26 |
45.9 |
| 28 |
Rod 35 |
27,35 |
57.1 |
| 29 |
Rod 36 |
35,55 |
54.1 |
| 30 |
Rod 37 |
36,37 |
2.88 |
| 31 |
Rod 39 |
40,50 |
109 |
| 32 |
Rod 40 |
37,42 |
26.6 |
| 33 |
Rod 41 |
43,44 |
2.92 |
| 34 |
Rod 42 |
45,43 |
15.4 |
| 35 |
Rod 43 |
41,45 |
25.2 |
| 36 |
Rod 44 |
42,46 |
19.6 |
| 37 |
Rod 45 |
46,38 |
51 |
| 38 |
Rod 46 |
39,47 |
95.9 |
| 39 |
Rod 47 |
47,73 |
112 |
| 40 |
Rod 48 |
25,37 |
9.52 |
| 41 |
Rod 50 |
6,13 |
9.49 |
| 42 |
Rod 51 |
31,43 |
9.44 |
| 43 |
Rod 52 |
19,7 |
9.07 |
| 44 |
Rod 57 |
48,87 |
167 |
| 45 |
Rod 60 |
51,84 |
87.2 |
| 46 |
Rod 61 |
33,45 |
18.4 |
| 47 |
Rod 62 |
21,8 |
17.5 |
| 48 |
Rod 64 |
29,41 |
39.2 |
| 49 |
Rod 65 |
9,17 |
79.4 |
| 50 |
Rod 85 |
53,5 |
74.3 |
| 51 |
Rod 90 |
55,28 |
29.7 |
| 52 |
Rod 98 |
13,57 |
4.07 |
| 53 |
Rod 99 |
57,37 |
4.13 |
| 54 |
Rod 100 |
41,58 |
20.7 |
| 55 |
Rod 101 |
58,17 |
84.4 |
| 56 |
Rod 102 |
45,59 |
12.3 |
| 57 |
Rod 103 |
59,21 |
12.5 |
| 58 |
Rod 104 |
43,60 |
5.59 |
| 59 |
Rod 105 |
60,19 |
5.59 |
| 60 |
Rod 110 |
61,70 |
134 |
| 61 |
Rod 111 |
62,61 |
108 |
| 62 |
Rod 117 |
50,63 |
96.3 |
| 63 |
Rod 118 |
63,56 |
77.7 |
| 64 |
Rod 119 |
56,64 |
79.7 |
| 65 |
Rod 120 |
64,49 |
89.5 |
| 66 |
Rod 125 |
65,71 |
131 |
| 67 |
Rod 126 |
66,65 |
105 |
| 68 |
Rod 127 |
67,69 |
136 |
| 69 |
Rod 128 |
68,67 |
118 |
| 70 |
Rod 129 |
68,62 |
130 |
| 71 |
Rod 130 |
66,62 |
120 |
| 72 |
Rod 131 |
69,49 |
196 |
| 73 |
Rod 132 |
70,56 |
126 |
| 74 |
Rod 133 |
71,50 |
188 |
| 75 |
Rod 134 |
69,70 |
143 |
| 76 |
Rod 135 |
71,70 |
132 |
| 77 |
Rod 136 |
72,16 |
89.6 |
| 78 |
Rod 137 |
73,40 |
107 |
| 79 |
Rod 138 |
55,73 |
97.8 |
| 80 |
Rod 139 |
53,72 |
131 |
| 81 |
Rod 140 |
73,72 |
149 |
| 82 |
Rod 146 |
54,88 |
74.1 |
| 83 |
Rod 147 |
76,29 |
86.9 |
| 84 |
Rod 148 |
75,89 |
101 |
| 85 |
Rod 149 |
77,41 |
153 |
| 86 |
Rod 150 |
74,90 |
113 |
| 87 |
Rod 151 |
78,17 |
175 |
| 88 |
Rod 152 |
52,91 |
135 |
| 89 |
Rod 153 |
79,9 |
145 |
| 90 |
Rod 165 |
27,39 |
104 |
| 91 |
Rod 166 |
4,15 |
104 |
| 92 |
Rod 167 |
39,15 |
91.7 |
| 93 |
Rod 168 |
76,77 |
135 |
| 94 |
Rod 169 |
79,78 |
133 |
| 95 |
Rod 170 |
77,78 |
141 |
| 96 |
Rod 171 |
84,54 |
120 |
| 97 |
Rod 172 |
85,75 |
169 |
| 98 |
Rod 173 |
86,74 |
187 |
| 99 |
Rod 174 |
87,52 |
198 |
| 100 |
Rod 175 |
84,85 |
122 |
| 101 |
Rod 176 |
87,86 |
159 |
| 102 |
Rod 177 |
85,86 |
217 |
| 103 |
Rod 178 |
88,76 |
88.1 |
| 104 |
Rod 179 |
89,77 |
125 |
| 105 |
Rod 180 |
90,78 |
130 |
| 106 |
Rod 181 |
91,79 |
83.7 |
| 107 |
Rod 185 |
80,92 |
53.3 |
| 108 |
Rod 186 |
92,27 |
50.6 |
| 109 |
Rod 187 |
81,93 |
98.7 |
| 110 |
Rod 188 |
93,39 |
86.9 |
| 111 |
Rod 189 |
82,94 |
105 |
| 112 |
Rod 190 |
94,15 |
91.4 |
| 113 |
Rod 191 |
83,95 |
94.6 |
| 114 |
Rod 192 |
95,4 |
72.8 |
| 115 |
Rod 193 |
92,93 |
101 |
| 116 |
Rod 194 |
94,95 |
97.5 |
| 117 |
Rod 195 |
93,94 |
85 |
| 118 |
Rod 196 |
35,47 |
98 |
| 119 |
Rod 197 |
11,23 |
103 |
| 120 |
Rod 198 |
47,23 |
100 |
| 121 |
Rod 202 |
80,81 |
95.5 |
| 122 |
Rod 203 |
83,82 |
96.6 |
| 123 |
Rod 204 |
81,82 |
94.1 |
| 124 |
Rod 205 |
26,96 |
64.7 |
| 125 |
Rod 206 |
96,80 |
48.7 |
| 126 |
Rod 207 |
38,97 |
129 |
| 127 |
Rod 208 |
97,81 |
120 |
| 128 |
Rod 209 |
14,98 |
138 |
| 129 |
Rod 210 |
98,82 |
130 |
| 130 |
Rod 211 |
3,99 |
140 |
| 131 |
Rod 212 |
99,83 |
106 |
| 132 |
Rod 213 |
96,97 |
100 |
| 133 |
Rod 214 |
99,98 |
98.2 |
| 134 |
Rod 215 |
97,98 |
117 |
| 135 |
Rod 222 |
68,100 |
83 |
| 136 |
Rod 223 |
100,101 |
1.51e-010 |
| 137 |
Rod 224 |
102,103 |
2.78e-010 |
| 138 |
Rod 225 |
62,102 |
120 |
| 139 |
Rod 226 |
66,104 |
84.5 |
| 140 |
Rod 227 |
104,105 |
136 |
| 141 |
Rod 230 |
100,102 |
84.4 |
| 142 |
Rod 231 |
102,104 |
165 |
| 143 |
Rod 238 |
106,54 |
27 |
| 144 |
Rod 239 |
107,52 |
66.1 |
| 145 |
Rod 243 |
108,107 |
42.7 |
| 146 |
Rod 245 |
109,106 |
15 |
| 147 |
Rod 246 |
110,49 |
69.7 |
| 148 |
Rod 247 |
111,50 |
85.5 |
| 149 |
Rod 248 |
108,112 |
117 |
| 150 |
Rod 249 |
110,111 |
109 |
| 151 |
Rod 250 |
111,113 |
113 |
| 152 |
Rod 251 |
112,110 |
118 |
| 153 |
Rod 252 |
113,109 |
18.6 |
| 154 |
Rod 253 |
108,48 |
194 |
| 155 |
Rod 254 |
109,51 |
59.4 |
| 156 |
Rod 255 |
114,86 |
192 |
| 157 |
Rod 256 |
115,85 |
103 |
| 158 |
Rod 257 |
49,116 |
200 |
| 159 |
Rod 258 |
116,114 |
196 |
| 160 |
Rod 259 |
50,117 |
106 |
| 161 |
Rod 260 |
117,115 |
104 |
Приложение В Перемещение в узлах стержней
Название документа: Рама платформы-19.FRM
Перемещения узлов (Загружение 1)
| N |
Линейное перемещение [мм] |
Угловое перемещение [градус] |
||||
| x |
y |
z |
x |
y |
z |
|
| 0 |
-0.208 |
-0.0107 |
-0.326 |
0.00937 |
0.00532 |
-0.00654 |
| 1 |
0.79 |
-0.306 |
6.69 |
0.212 |
0.0146 |
-0.0246 |
| 2 |
0.176 |
-0.00869 |
-0.052 |
0.00264 |
0.00438 |
-0.0342 |
| 3 |
0 |
0 |
0 |
0 |
0 |
0.127 |
| 4 |
-10 |
0.129 |
-16.3 |
-0.366 |
0.299 |
0.105 |
| 5 |
-15.2 |
0.0788 |
-31.8 |
-0.364 |
0.545 |
0.0958 |
| 6 |
0.00354 |
-0.0107 |
-0.0786 |
0.00423 |
0.00532 |
-0.00654 |
| 7 |
-0.00488 |
-0.306 |
-0.218 |
0.217 |
0.0146 |
-0.0246 |
| 8 |
-5.19 |
-0.278 |
-13.6 |
0.33 |
0.296 |
-0.0361 |
| 9 |
-10.4 |
-0.198 |
-29.6 |
0.298 |
0.551 |
-0.0275 |
| 10 |
0.9 |
-0.00413 |
-0.0139 |
0.00122 |
0.00214 |
-0.0167 |
| 11 |
-12.9 |
0.117 |
-24.1 |
-0.396 |
0.421 |
0.101 |
| 12 |
-0.0793 |
-0.00771 |
-0.129 |
0.00565 |
0.000837 |
-0.00248 |
| 13 |
0.000625 |
-0.00771 |
-0.00141 |
0.000516 |
0.000837 |
-0.00248 |
| 14 |
0 |
0 |
0 |
0 |
0 |
0.143 |
| 15 |
-10 |
0.202 |
-10.2 |
-0.233 |
0.307 |
0.0844 |
| 16 |
-15.2 |
0.146 |
-20.6 |
-0.263 |
0.689 |
0.107 |
| 17 |
-10.4 |
-0.0596 |
-18.5 |
0.196 |
0.553 |
-0.0186 |
| 18 |
0.168 |
-0.00627 |
-0.000283 |
-8.77e-005 |
0.000689 |
-0.0364 |
| 19 |
-0.000847 |
-0.0643 |
-0.0044 |
0.0253 |
0.00253 |
-0.02 |
| 20 |
0.645 |
-0.0643 |
0.703 |
0.0202 |
0.00253 |
-0.02 |
| 21 |
-5.19 |
-0.0702 |
-7.74 |
0.224 |
0.282 |
-0.022 |
| 22 |
0.984 |
-0.00297 |
-0.00187 |
5.95e-005 |
0.000336 |
-0.0203 |
| 23 |
-12.9 |
0.19 |
-15.3 |
-0.262 |
0.467 |
0.0801 |
| 24 |
-0.208 |
0.0107 |
-0.326 |
0.00937 |
-0.00532 |
-0.00654 |
| 25 |
0.00354 |
0.0107 |
-0.0786 |
0.00423 |
-0.00532 |
-0.00654 |
| 26 |
0 |
0 |
0 |
0 |
0 |
0.127 |
| 27 |
-10 |
-0.128 |
-1.49 |
-0.0332 |
0.343 |
0.105 |
| 28 |
-15.2 |
-0.0765 |
-2.96 |
-0.0406 |
0.633 |
0.0968 |
| 29 |
-10.4 |
0.201 |
-3.74 |
0.0688 |
0.557 |
-0.0277 |
| 30 |
0.176 |
0.00869 |
-0.052 |
0.00264 |
-0.00438 |
-0.0342 |
| 31 |
-0.00488 |
0.309 |
0.118 |
-0.0098 |
0.0082 |
-0.0248 |
| 32 |
0.795 |
0.309 |
-0.309 |
-0.0149 |
0.0082 |
-0.0248 |
| 33 |
-5.19 |
0.28 |
-0.523 |
0.0624 |
0.264 |
-0.0362 |
| 34 |
0.9 |
0.00413 |
-0.0139 |
0.00122 |
-0.00214 |
-0.0167 |
| 35 |
-12.9 |
-0.115 |
-2.19 |
-0.0369 |
0.5 |
0.101 |
| 36 |
-0.0793 |
0.00771 |
-0.129 |
0.00565 |
-0.000837 |
-0.00248 |
| 37 |
0.000625 |
0.00771 |
-0.00141 |
0.000516 |
-0.000837 |
-0.00248 |
| 38 |
0 |
0 |
0 |
0 |
0 |
0.143 |
| 39 |
-10 |
-0.203 |
-8.24 |
-0.187 |
0.318 |
0.0844 |
| 40 |
-15.2 |
-0.147 |
-16 |
-0.173 |
0.713 |
0.107 |
| 41 |
-10.4 |
0.0587 |
-14.9 |
0.18 |
0.554 |
-0.0186 |
| 42 |
0.168 |
0.00627 |
-0.000283 |
-8.77e-005 |
-0.000689 |
-0.0364 |
| 43 |
-0.000846 |
0.0643 |
0.00158 |
0.0116 |
0.00102 |
-0.02 |
| 44 |
0.645 |
0.0643 |
0.265 |
0.00643 |
0.00102 |
-0.02 |
| 45 |
-5.19 |
0.0698 |
-5.93 |
0.204 |
0.277 |
-0.022 |
| 46 |
0.984 |
0.00297 |
-0.00187 |
5.95e-005 |
-0.000336 |
-0.0203 |
| 47 |
-12.9 |
-0.191 |
-12.2 |
-0.2 |
0.486 |
0.0801 |
| 48 |
-16.4 |
0.0404 |
-35.8 |
-0.258 |
0.804 |
0.0692 |
| 49 |
-16.5 |
0.0953 |
-23.5 |
-0.167 |
0.868 |
0.0485 |
| 50 |
-16.5 |
-0.0975 |
-17.9 |
-0.139 |
0.871 |
0.0488 |
| 51 |
-16.4 |
-0.0376 |
-3.49 |
-0.0424 |
0.777 |
0.0684 |
| 52 |
-16.2 |
-0.00887 |
-38.6 |
-0.0985 |
0.687 |
-0.0747 |
| 53 |
-14.9 |
0.087 |
-30.7 |
-0.374 |
0.487 |
0.0809 |
| 54 |
-16.2 |
0.0123 |
-4.16 |
-0.0401 |
0.737 |
-0.0749 |
| 55 |
-14.9 |
-0.0848 |
-2.84 |
-0.0403 |
0.6 |
0.0815 |
| 56 |
-16.5 |
-0.000822 |
-20.7 |
-0.153 |
0.867 |
0.0204 |
| 57 |
0 |
0 |
0 |
0 |
0 |
-0.00234 |
| 58 |
-10.4 |
-0.00044 |
-16.7 |
0.188 |
0.553 |
-0.0182 |
| 59 |
-5.19 |
-0.000179 |
-6.83 |
0.214 |
0.28 |
-0.0215 |
| 60 |
0 |
0 |
0 |
0 |
0 |
-0.0199 |
| 61 |
-21.3 |
-0.804 |
-20.7 |
-0.153 |
0.933 |
0.0204 |
| 62 |
-24.6 |
-1.34 |
-20.7 |
-0.153 |
0.924 |
0.0209 |
| 63 |
-16.5 |
-0.0377 |
-19.3 |
-0.146 |
0.852 |
0.0276 |
| 64 |
-16.5 |
0.0359 |
-22.1 |
-0.16 |
0.85 |
0.0274 |
| 65 |
-21.3 |
-0.873 |
-17.8 |
-0.152 |
0.933 |
0.024 |
| 66 |
-24.6 |
-1.41 |
-17.8 |
-0.153 |
0.935 |
0.0215 |
| 67 |
-21.3 |
-0.735 |
-23.6 |
-0.154 |
0.935 |
0.024 |
| 68 |
-24.6 |
-1.27 |
-23.6 |
-0.153 |
0.929 |
0.0215 |
| 69 |
-20.5 |
-0.6 |
-23.6 |
-0.155 |
0.915 |
0.0246 |
| 70 |
-20.5 |
-0.67 |
-20.7 |
-0.153 |
0.903 |
0.0203 |
| 71 |
-20.5 |
-0.74 |
-17.8 |
-0.152 |
0.915 |
0.0247 |
| 72 |
-14.9 |
0.156 |
-19.8 |
-0.267 |
0.649 |
0.0707 |
| 73 |
-14.9 |
-0.158 |
-15.4 |
-0.18 |
0.677 |
0.0705 |
| 74 |
-16.2 |
0.0447 |
-25.1 |
-0.0483 |
0.79 |
-0.0899 |
| 75 |
-16.2 |
-0.0466 |
-19.6 |
-0.0662 |
0.819 |
-0.0898 |
| 76 |
-12.8 |
0.116 |
-4.86 |
0.00343 |
0.72 |
-0.0673 |
| 77 |
-12.8 |
0.0332 |
-19.3 |
0.0801 |
0.702 |
-0.028 |
| 78 |
-12.8 |
-0.0345 |
-23.8 |
0.115 |
0.689 |
-0.0279 |
| 79 |
-12.8 |
-0.113 |
-37.3 |
0.158 |
0.666 |
-0.0673 |
| 80 |
-5.15 |
-0.0961 |
-0.441 |
-0.0223 |
0.0993 |
0.0966 |
| 81 |
-5.15 |
-0.162 |
-2.4 |
-0.122 |
0.0936 |
0.0758 |
| 82 |
-5.15 |
0.161 |
-3 |
-0.151 |
0.0913 |
0.0758 |
| 83 |
-5.15 |
0.0968 |
-4.82 |
-0.242 |
0.0899 |
0.0966 |
| 84 |
-16.6 |
-0.0215 |
-3.71 |
-0.0433 |
0.683 |
0.0126 |
| 85 |
-16.7 |
-0.0725 |
-18.6 |
-0.121 |
0.857 |
0.00573 |
| 86 |
-16.7 |
0.0704 |
-24.2 |
-0.119 |
0.823 |
0.00541 |
| 87 |
-16.6 |
0.0245 |
-37 |
-0.203 |
0.549 |
0.0137 |
| 88 |
-15.1 |
0.0473 |
-4.54 |
-0.0301 |
0.731 |
-0.119 |
| 89 |
-14.9 |
-0.0197 |
-20 |
-0.0125 |
0.779 |
-0.129 |
| 90 |
-14.9 |
0.0179 |
-25.2 |
0.0167 |
0.756 |
-0.129 |
| 91 |
-15.1 |
-0.044 |
-39.1 |
0.000128 |
0.68 |
-0.119 |
| 92 |
-7.54 |
-0.12 |
-0.914 |
-0.0291 |
0.209 |
0.101 |
| 93 |
-7.54 |
-0.193 |
-5.02 |
-0.162 |
0.194 |
0.0812 |
| 94 |
-7.54 |
0.192 |
-6.25 |
-0.201 |
0.188 |
0.0812 |
| 95 |
-7.54 |
0.121 |
-10 |
-0.319 |
0.185 |
0.101 |
| 96 |
-2.8 |
-0.056 |
-0.119 |
- |
- |
- |
| 97 |
-2.8 |
-0.102 |
-0.643 |
- |
- |
- |
| 98 |
-2.8 |
0.102 |
-0.805 |
- |
- |
- |
| 99 |
-2.8 |
0.0563 |
-1.3 |
- |
- |
- |
| 100 |
-27.9 |
-1.81 |
-23.6 |
- |
- |
- |
| 101 |
-28.7 |
-1.94 |
-23.6 |
- |
- |
- |
| 102 |
-27.9 |
-1.87 |
-20.7 |
- |
- |
- |
| 103 |
-28.7 |
-2.01 |
-20.7 |
- |
- |
- |
| 104 |
-27.9 |
-1.94 |
-17.7 |
- |
- |
- |
| 105 |
-28.8 |
-2.08 |
-17.7 |
- |
- |
- |
| 106 |
-5.89 |
0.829 |
-4.16 |
- |
- |
- |
| 107 |
-6.46 |
2.69 |
-38.6 |
- |
- |
- |
| 108 |
-5.27 |
2.69 |
-36 |
- |
- |
- |
| 109 |
-5.27 |
0.831 |
-3.51 |
- |
- |
- |
| 110 |
-5.27 |
2.02 |
-23.4 |
- |
- |
- |
| 111 |
-5.27 |
1.75 |
-18.1 |
- |
- |
- |
| 112 |
-5.27 |
2.28 |
-28.8 |
- |
- |
- |
| 113 |
-5.27 |
1.43 |
-12.8 |
- |
- |
- |
| 114 |
-16.6 |
0.0936 |
-23.5 |
- |
- |
- |
| 115 |
-16.5 |
-0.0958 |
-18 |
- |
- |
- |
| 116 |
-16.5 |
0.0945 |
-23.5 |
- |
- |
- |
| 117 |
-16.5 |
-0.0967 |
-18 |
- |
- |
- |
Перемещения узлов (Загружение 2 )
| N |
Линейное перемещение [мм] |
Угловое перемещение [градус] |
||||
| x |
y |
z |
x |
y |
z |
|
| 0 |
-0.188 |
-0.00969 |
-0.326 |
0.00937 |
0.00532 |
-0.00592 |
| 1 |
0.977 |
-0.221 |
5.68 |
0.0473 |
-0.147 |
-0.00788 |
| 2 |
0.16 |
-0.00788 |
-0.052 |
0.00264 |
0.00438 |
-0.031 |
| 3 |
0 |
0 |
0 |
0 |
0 |
0.115 |
| 4 |
-9.04 |
0.107 |
-13 |
-0.286 |
0.25 |
0.0948 |
| 5 |
-13.7 |
0.0569 |
-24.6 |
-0.247 |
0.439 |
0.0824 |
| 6 |
0.00321 |
-0.00969 |
-0.0786 |
0.00423 |
0.00532 |
-0.00592 |
| 7 |
0.722 |
-0.221 |
4.1 |
0.0525 |
-0.147 |
-0.00788 |
| 8 |
-0.00647 |
-0.219 |
-0.524 |
0.165 |
0.0356 |
-0.0247 |
| 9 |
-6.31 |
-0.181 |
-12.8 |
0.306 |
0.286 |
-0.0328 |
| 10 |
0.815 |
-0.00374 |
-0.0139 |
0.00122 |
0.00214 |
-0.0151 |
| 11 |
-11.6 |
0.0941 |
-19 |
-0.298 |
0.347 |
0.0902 |
| 12 |
-0.0719 |
-0.00699 |
-0.129 |
0.00565 |
0.000837 |
-0.00224 |
| 13 |
0.000566 |
-0.00699 |
-0.00141 |
0.000516 |
0.000837 |
-0.00224 |
| 14 |
0 |
0 |
0 |
0 |
0 |
0.13 |
| 15 |
-9.04 |
0.177 |
-7.93 |
-0.177 |
0.259 |
0.0753 |
| 16 |
-13.7 |
0.116 |
-15.5 |
-0.182 |
0.583 |
0.0919 |
| 17 |
-6.32 |
-0.0675 |
-7.09 |
0.2 |
0.279 |
-0.0212 |
| 18 |
0.152 |
-0.00568 |
-0.000283 |
-8.77e-005 |
0.000689 |
-0.0329 |
| 19 |
0.722 |
-0.0393 |
1.17 |
0.0121 |
-0.142 |
-0.0121 |
| 20 |
1.11 |
-0.0393 |
1.45 |
0.00699 |
-0.142 |
-0.0121 |
| 21 |
-0.0011 |
-0.0544 |
-0.00933 |
0.0241 |
0.00554 |
-0.017 |
| 22 |
0.892 |
-0.0027 |
-0.00187 |
5.95e-005 |
0.000336 |
-0.0184 |
| 23 |
-11.6 |
0.163 |
-11.7 |
-0.193 |
0.393 |
0.0705 |
| 24 |
-0.188 |
0.00969 |
-0.326 |
0.00937 |
-0.00532 |
-0.00592 |
| 25 |
0.00321 |
0.00969 |
-0.0786 |
0.00423 |
-0.00532 |
-0.00592 |
| 26 |
0 |
0 |
0 |
0 |
0 |
0.115 |
| 27 |
-9.04 |
-0.106 |
-0.436 |
-0.00758 |
0.295 |
0.0948 |
| 28 |
-13.7 |
-0.0544 |
-0.654 |
-0.00418 |
0.528 |
0.0834 |
| 29 |
-6.31 |
0.184 |
0.188 |
0.0348 |
0.27 |
-0.0329 |
| 30 |
0.16 |
0.00788 |
-0.052 |
0.00264 |
-0.00438 |
-0.031 |
| 31 |
0.722 |
0.224 |
-2.51 |
-0.0521 |
-0.136 |
-0.00803 |
| 32 |
0.982 |
0.224 |
-4.31 |
-0.0572 |
-0.136 |
-0.00803 |
| 33 |
-0.00647 |
0.221 |
-0.069 |
-0.0341 |
-0.00457 |
-0.0248 |
| 34 |
0.815 |
0.00374 |
-0.0139 |
0.00122 |
-0.00214 |
-0.0151 |
| 35 |
-11.6 |
-0.0921 |
-0.564 |
-0.00568 |
0.426 |
0.0901 |
| 36 |
-0.0719 |
0.00699 |
-0.129 |
0.00565 |
-0.000837 |
-0.00224 |
| 37 |
0.000566 |
0.00699 |
-0.00141 |
0.000516 |
-0.000837 |
-0.00224 |
| 38 |
0 |
0 |
0 |
0 |
0 |
0.13 |
| 39 |
-9.04 |
-0.178 |
-6.22 |
-0.138 |
0.27 |
0.0752 |
| 40 |
-13.7 |
-0.117 |
-11.6 |
-0.103 |
0.607 |
0.0916 |
| 41 |
-6.32 |
0.0668 |
-5.3 |
0.181 |
0.277 |
-0.0212 |
| 42 |
0.152 |
0.00568 |
-0.000283 |
-8.77e-005 |
-0.000689 |
-0.0329 |
| 43 |
0.722 |
0.0395 |
0.259 |
0.00577 |
-0.14 |
-0.0122 |
| 44 |
1.11 |
0.0395 |
0.334 |
0.000632 |
-0.14 |
-0.0122 |
| 45 |
-0.0011 |
0.0544 |
-0.00152 |
0.0095 |
-0.000857 |
-0.017 |
| 46 |
0.892 |
0.0027 |
-0.00187 |
5.95e-005 |
-0.000336 |
-0.0184 |
| 47 |
-11.6 |
-0.164 |
-9.07 |
-0.141 |
0.412 |
0.0705 |
| 48 |
-14.6 |
0.0209 |
-27 |
-0.128 |
0.675 |
0.0512 |
| 49 |
-14.8 |
0.0633 |
-17.3 |
-0.079 |
0.738 |
0.0333 |
| 50 |
-14.8 |
-0.0655 |
-12.6 |
-0.0629 |
0.742 |
0.0337 |
| 51 |
-14.6 |
-0.0179 |
-0.704 |
-0.00402 |
0.648 |
0.0504 |
| 52 |
-14.1 |
-0.0232 |
-27.7 |
0.0362 |
0.544 |
-0.112 |
| 53 |
-13.4 |
0.0646 |
-23.8 |
-0.259 |
0.385 |
0.0707 |
| 54 |
-14.1 |
0.0269 |
-0.781 |
-0.00462 |
0.597 |
-0.112 |
| 55 |
-13.4 |
-0.0623 |
-0.641 |
-0.00436 |
0.501 |
0.0712 |
| 56 |
-14.8 |
-0.000812 |
-14.9 |
-0.071 |
0.737 |
0.0132 |
| 57 |
0 |
0 |
0 |
0 |
0 |
-0.00212 |
| 58 |
-6.32 |
-0.000324 |
-6.2 |
0.19 |
0.278 |
-0.0206 |
| 59 |
0 |
0 |
0 |
0 |
0 |
-0.0168 |
| 60 |
0.722 |
5.72e-005 |
0.713 |
0.00894 |
-0.141 |
-0.0122 |
| 61 |
-18.9 |
-0.372 |
-14.9 |
-0.071 |
0.803 |
0.0146 |
| 62 |
-21.7 |
-0.62 |
-14.9 |
-0.071 |
0.794 |
0.0152 |
| 63 |
-14.8 |
-0.0249 |
-13.8 |
-0.0669 |
0.722 |
0.0183 |
| 64 |
-14.8 |
0.0231 |
-16.1 |
-0.075 |
0.721 |
0.0182 |
| 65 |
-18.9 |
-0.422 |
-12.5 |
-0.0706 |
0.804 |
0.0172 |
| 66 |
-21.7 |
-0.67 |
-12.4 |
-0.071 |
0.805 |
0.0156 |
| 67 |
-18.9 |
-0.323 |
-17.4 |
-0.0712 |
0.806 |
0.0171 |
| 68 |
-21.7 |
-0.571 |
-17.4 |
-0.0709 |
0.8 |
0.0156 |
| 69 |
-18.2 |
-0.26 |
-17.4 |
-0.0714 |
0.786 |
0.0175 |
| 70 |
-18.2 |
-0.311 |
-14.9 |
-0.071 |
0.773 |
0.0145 |
| 71 |
-18.2 |
-0.361 |
-12.5 |
-0.0704 |
0.786 |
0.0176 |
| 72 |
-13.4 |
0.127 |
-15 |
-0.187 |
0.548 |
0.0603 |
| 73 |
-13.4 |
-0.129 |
-11.2 |
-0.111 |
0.576 |
0.0601 |
| 74 |
-14 |
0.0151 |
-17.5 |
0.0415 |
0.627 |
-0.129 |
| 75 |
-14 |
-0.017 |
-13 |
0.01 |
0.658 |
-0.129 |
| 76 |
-9.45 |
0.118 |
-0.649 |
0.0165 |
0.499 |
-0.0867 |
| 77 |
-9.44 |
0.0569 |
-10.5 |
0.133 |
0.474 |
-0.0394 |
| 78 |
-9.44 |
-0.0581 |
-13.6 |
0.18 |
0.458 |
-0.0393 |
| 79 |
-9.45 |
-0.115 |
-22.4 |
0.259 |
0.432 |
-0.0867 |
| 80 |
-4.66 |
-0.0821 |
-0.151 |
-0.00718 |
0.0859 |
0.0872 |
| 81 |
-4.66 |
-0.145 |
-1.84 |
-0.0927 |
0.0803 |
0.0682 |
| 82 |
-4.66 |
0.144 |
-2.35 |
-0.118 |
0.078 |
0.0682 |
| 83 |
-4.66 |
0.0829 |
-3.9 |
-0.195 |
0.0766 |
0.0872 |
| 84 |
-14.8 |
-0.00285 |
-0.727 |
-0.00498 |
0.547 |
-0.00337 |
| 85 |
-14.8 |
-0.041 |
-12.9 |
-0.0434 |
0.718 |
-0.00631 |
| 86 |
-14.8 |
0.0389 |
-17.5 |
-0.0293 |
0.682 |
-0.00662 |
| 87 |
-14.8 |
0.00605 |
-27.5 |
-0.07 |
0.406 |
-0.00231 |
| 88 |
-12.6 |
0.0578 |
-0.81 |
-6.43e-005 |
0.564 |
-0.165 |
| 89 |
-12.3 |
0.00797 |
-12.7 |
0.0591 |
0.596 |
-0.177 |
| 90 |
-12.3 |
-0.00962 |
-16.7 |
0.102 |
0.57 |
-0.177 |
| 91 |
-12.6 |
-0.0542 |
-26.7 |
0.13 |
0.506 |
-0.165 |
| 92 |
-6.82 |
-0.102 |
-0.292 |
-0.00811 |
0.18 |
0.0906 |
| 93 |
-6.82 |
-0.171 |
-3.82 |
-0.122 |
0.166 |
0.0728 |
| 94 |
-6.82 |
0.17 |
-4.87 |
-0.154 |
0.16 |
0.0728 |
| 95 |
-6.82 |
0.103 |
-8.05 |
-0.253 |
0.157 |
0.0906 |
| 96 |
-2.53 |
-0.0482 |
-0.0428 |
- |
- |
- |
| 97 |
-2.54 |
-0.0915 |
-0.496 |
- |
- |
- |
| 98 |
-2.54 |
0.0913 |
-0.635 |
- |
- |
- |
| 99 |
-2.53 |
0.0486 |
-1.06 |
- |
- |
- |
| 100 |
-24.5 |
-0.818 |
-17.5 |
- |
- |
- |
| 101 |
-25.2 |
-0.88 |
-17.5 |
- |
- |
- |
| 102 |
-24.5 |
-0.868 |
-14.9 |
- |
- |
- |
| 103 |
-25.2 |
-0.93 |
-14.9 |
- |
- |
- |
| 104 |
-24.6 |
-0.918 |
-12.4 |
- |
- |
- |
| 105 |
-25.3 |
-0.98 |
-12.4 |
- |
- |
- |
| 106 |
-5.59 |
0.227 |
-0.783 |
- |
- |
- |
| 107 |
-6.19 |
0.977 |
-27.7 |
- |
- |
- |
| 108 |
-5.3 |
0.984 |
-27.1 |
- |
- |
- |
| 109 |
-5.3 |
0.229 |
-0.723 |
- |
- |
- |
| 110 |
-5.3 |
0.792 |
-17.2 |
- |
- |
- |
| 111 |
-5.3 |
0.681 |
-12.8 |
- |
- |
- |
| 112 |
-5.3 |
0.878 |
-21.7 |
- |
- |
- |
| 113 |
-5.3 |
0.529 |
-8.42 |
- |
- |
- |
| 114 |
-14.8 |
0.0617 |
-17.3 |
- |
- |
- |
| 115 |
-14.8 |
-0.0639 |
-12.6 |
- |
- |
- |
| 116 |
-14.8 |
0.0625 |
-17.3 |
- |
- |
- |
| 117 |
-14.8 |
-0.0647 |
-12.6 |
- |
- |
- |
Перемещения узлов (Загружение 3 )
| N |
Линейное перемещение [мм] |
Угловое перемещение [градус] |
|||||
| x |
y |
z |
x |
y |
z |
||
| 0 |
-0.156 |
-0.00803 |
-0.326 |
0.00937 |
0.00532 |
-0.0049 |
|
| 1 |
1.03 |
-0.132 |
-3.02 |
-0.0811 |
-0.203 |
-0.00527 |
|
| 2 |
0.132 |
-0.00652 |
-0.052 |
0.00264 |
0.00438 |
-0.0257 |
|
| 3 |
0 |
0 |
0 |
0 |
0 |
0.0956 |
|
| 4 |
-7.45 |
0.0801 |
-8.81 |
-0.187 |
0.185 |
0.0775 |
|
| 5 |
-11.2 |
0.0344 |
-15.7 |
-0.12 |
0.304 |
0.0613 |
|
| 6 |
0.00266 |
-0.00803 |
-0.0786 |
0.00423 |
0.00532 |
-0.0049 |
|
| 7 |
0.856 |
-0.132 |
-0.455 |
-0.0759 |
-0.203 |
-0.00527 |
|
| 8 |
0.565 |
-0.131 |
1.96 |
-0.0188 |
-0.139 |
-0.0044 |
|
| 9 |
-0.00748 |
-0.126 |
-0.745 |
0.153 |
0.0506 |
-0.0175 |
|
| 10 |
0.675 |
-0.00309 |
-0.0139 |
0.00122 |
0.00214 |
-0.0125 |
|
| 11 |
-9.55 |
0.0668 |
-12.6 |
-0.181 |
0.249 |
0.073 |
|
| 12 |
-0.0596 |
-0.00579 |
-0.129 |
0.00565 |
0.000837 |
-0.00186 |
|
| 13 |
0.000469 |
-0.00579 |
-0.00141 |
0.000516 |
0.000837 |
-0.00186 |
|
| 14 |
0 |
0 |
0 |
0 |
0 |
0.107 |
|
| 15 |
-7.45 |
0.139 |
-5.02 |
-0.108 |
0.194 |
0.0606 |
|
| 16 |
-11.2 |
0.0706 |
-9.34 |
-0.0914 |
0.443 |
0.0679 |
|
| 17 |
-0.00153 |
-0.0574 |
-0.0131 |
0.0187 |
0.0078 |
-0.0179 |
|
| 18 |
0.126 |
-0.00471 |
-0.000283 |
-8.77e-005 |
0.000689 |
-0.0273 |
|
| 19 |
0.856 |
-0.0209 |
-4.54 |
-0.097 |
-0.203 |
-0.00649 |
|
| 20 |
1.07 |
-0.0209 |
-7.79 |
-0.102 |
-0.203 |
-0.00649 |
|
| 21 |
0.565 |
-0.0278 |
-0.835 |
-0.0581 |
-0.137 |
-0.00856 |
|
| 22 |
0.739 |
-0.00223 |
-0.00187 |
5.95e-005 |
0.000336 |
-0.0153 |
|
| 23 |
-9.55 |
0.121 |
-7.25 |
-0.112 |
0.293 |
0.0553 |
|
| 24 |
-0.156 |
0.00803 |
-0.326 |
0.00937 |
-0.00532 |
-0.0049 |
|
| 25 |
0.00266 |
0.00803 |
-0.0786 |
0.00423 |
-0.00532 |
-0.0049 |
|
| 26 |
0 |
0 |
0 |
0 |
0 |
0.0956 |
|
| 27 |
-7.45 |
-0.0792 |
0.74 |
0.0194 |
0.23 |
0.0775 |
|
| 28 |
-11.2 |
-0.0329 |
1.68 |
0.0232 |
0.384 |
0.0622 |
|
| 29 |
-0.00747 |
0.128 |
-0.115 |
-0.0608 |
-0.00761 |
-0.0176 |
|
| 30 |
0.132 |
0.00652 |
-0.052 |
0.00264 |
-0.00438 |
-0.0257 |
|
| 31 |
0.856 |
0.134 |
-9.94 |
-0.122 |
-0.203 |
-0.00536 |
|
| 32 |
1.03 |
0.134 |
-14 |
-0.127 |
-0.203 |
-0.00536 |
|
| 33 |
0.565 |
0.133 |
-4.42 |
-0.107 |
-0.133 |
-0.00448 |
|
| 34 |
0.675 |
0.00309 |
-0.0139 |
0.00122 |
-0.00214 |
-0.0125 |
|
| 35 |
-9.55 |
-0.0657 |
1.19 |
0.024 |
0.325 |
0.0729 |
|
| 36 |
-0.0596 |
0.00579 |
-0.129 |
0.00565 |
-0.000837 |
-0.00186 |
|
| 37 |
0.000469 |
0.00579 |
-0.00141 |
0.000516 |
-0.000837 |
-0.00186 |
|
| 38 |
0 |
0 |
0 |
0 |
0 |
0.107 |
|
| 39 |
-7.45 |
-0.139 |
-3.74 |
-0.0791 |
0.205 |
0.0606 |
|
| 40 |
-11.2 |
-0.0714 |
-6.31 |
-0.0266 |
0.465 |
0.0676 |
|
| 41 |
-0.00153 |
0.0574 |
-0.00255 |
0.00472 |
-0.00143 |
-0.0179 |
|
| 42 |
0.126 |
0.00471 |
-0.000283 |
-8.77e-005 |
-0.000689 |
-0.0273 |
|
| 43 |
0.856 |
0.0212 |
-5.85 |
-0.0999 |
-0.203 |
-0.0065 |
|
| 44 |
1.07 |
0.0212 |
-9.19 |
-0.105 |
-0.203 |
-0.0065 |
|
| 45 |
0.565 |
0.028 |
-1.71 |
-0.0646 |
-0.136 |
-0.00857 |
|
| 46 |
0.739 |
0.00223 |
-0.00187 |
5.95e-005 |
-0.000336 |
-0.0153 |
|
| 47 |
-9.55 |
-0.121 |
-5.28 |
-0.0714 |
0.312 |
0.0554 |
|
| 48 |
-11.8 |
0.00413 |
-16.5 |
-0.00323 |
0.509 |
0.0227 |
|
| 49 |
-11.9 |
0.0169 |
-9.96 |
0.0101 |
0.57 |
0.00988 |
|
| 50 |
-11.9 |
-0.018 |
-6.35 |
0.0125 |
0.573 |
0.0102 |
|
| 51 |
-11.8 |
-0.00241 |
1.92 |
0.014 |
0.48 |
0.022 |
|
| 52 |
-10.7 |
-0.0294 |
-15.3 |
0.14 |
0.37 |
-0.171 |
|
| 53 |
-11 |
0.0409 |
-15.3 |
-0.132 |
0.258 |
0.0546 |
|
| 54 |
-10.7 |
0.0317 |
2 |
-0.00451 |
0.403 |
-0.171 |
|
| 55 |
-11 |
-0.0395 |
1.61 |
0.0239 |
0.362 |
0.0551 |
|
| 56 |
-11.9 |
-0.00025 |
-8.16 |
0.0112 |
0.569 |
0.00316 |
|
| 57 |
0 |
0 |
0 |
0 |
0 |
-0.00176 |
|
| 58 |
0 |
0 |
0 |
0 |
0 |
-0.0177 |
|
| 59 |
0.565 |
7.85e-005 |
-1.28 |
-0.0614 |
-0.136 |
-0.00869 |
|
| 60 |
0.856 |
0.000113 |
-5.2 |
-0.0985 |
-0.203 |
-0.00653 |
|
| 61 |
-15.1 |
0.0586 |
-8.16 |
0.0112 |
0.635 |
0.00473 |
|
| 62 |
-17.4 |
0.0978 |
-8.16 |
0.0113 |
0.626 |
0.0051 |
|
| 63 |
-11.9 |
-0.00627 |
-7.25 |
0.0119 |
0.554 |
0.00489 |
|
| 64 |
-11.9 |
0.00563 |
-9.06 |
0.0106 |
0.552 |
0.00472 |
|
| 65 |
-15.1 |
0.0422 |
-6.23 |
0.0111 |
0.635 |
0.00557 |
|
| 66 |
-17.4 |
0.0812 |
-6.18 |
0.0112 |
0.637 |
0.00523 |
|
| 67 |
-15.1 |
0.0747 |
-10.1 |
0.0114 |
0.637 |
0.00549 |
|
| 68 |
-17.4 |
0.114 |
-10.1 |
0.0113 |
0.631 |
0.0052 |
|
| 69 |
-14.6 |
0.0648 |
-10.1 |
0.0114 |
0.617 |
0.00556 |
|
| 70 |
-14.6 |
0.0487 |
-8.16 |
0.0112 |
0.605 |
0.00464 |
|
| 71 |
-14.6 |
0.0325 |
-6.24 |
0.0111 |
0.617 |
0.00566 |
|
| 72 |
-11 |
0.0821 |
-9.06 |
-0.0969 |
0.415 |
0.0441 |
|
| 73 |
-11 |
-0.083 |
-6.21 |
-0.0348 |
0.44 |
0.0439 |
|
| 74 |
-10.6 |
-0.0247 |
-8.84 |
0.117 |
0.434 |
-0.192 |
|
| 75 |
-10.6 |
0.0239 |
-5.71 |
0.0711 |
0.451 |
-0.192 |
|
| 76 |
-4.01 |
0.0981 |
1.39 |
-0.0309 |
0.179 |
-0.118 |
|
| 77 |
-4.01 |
0.0815 |
-2.35 |
0.114 |
0.198 |
-0.0537 |
|
| 78 |
-4.01 |
-0.0819 |
-3.67 |
0.171 |
0.21 |
-0.0536 |
|
| 79 |
-4.01 |
-0.0961 |
-8.15 |
0.265 |
0.228 |
-0.118 |
|
| 80 |
-3.85 |
-0.0636 |
0.188 |
0.0102 |
0.0679 |
0.0719 |
|
| 81 |
-3.85 |
-0.117 |
-1.14 |
-0.0566 |
0.062 |
0.0559 |
|
| 82 |
-3.85 |
0.117 |
-1.53 |
-0.0758 |
0.0595 |
0.0559 |
|
| 83 |
-3.85 |
0.064 |
-2.7 |
-0.134 |
0.0576 |
0.0719 |
|
| 84 |
-11.8 |
0.0102 |
1.98 |
0.0081 |
0.349 |
-0.0285 |
|
| 85 |
-11.8 |
0.00515 |
-6.25 |
0.0288 |
0.534 |
-0.0246 |
|
| 86 |
-11.8 |
-0.00613 |
-9.77 |
0.0569 |
0.507 |
-0.025 |
|
| 87 |
-11.8 |
-0.00826 |
-16.4 |
0.0491 |
0.243 |
-0.0275 |
|
| 88 |
-8.38 |
0.0541 |
1.89 |
-0.015 |
0.328 |
-0.237 |
|
| 89 |
-8.08 |
0.0433 |
-4.76 |
0.101 |
0.366 |
-0.256 |
|
| 90 |
-8.08 |
-0.044 |
-7.33 |
0.157 |
0.358 |
-0.256 |
|
| 91 |
-8.39 |
-0.052 |
-13.4 |
0.21 |
0.322 |
-0.237 |
|
| 92 |
-5.63 |
-0.0776 |
0.422 |
0.0151 |
0.142 |
0.0744 |
|
| 93 |
-5.63 |
-0.137 |
-2.33 |
-0.0723 |
0.127 |
0.0592 |
|
| 94 |
-5.63 |
0.136 |
-3.13 |
-0.0968 |
0.121 |
0.0593 |
|
| 95 |
-5.63 |
0.0783 |
-5.51 |
-0.17 |
0.117 |
0.0744 |
|
| 96 |
-2.1 |
-0.0377 |
0.0476 |
- |
- |
- |
|
| 97 |
-2.1 |
-0.0744 |
-0.31 |
- |
- |
- |
|
| 98 |
-2.1 |
0.0743 |
-0.418 |
- |
- |
- |
|
| 99 |
-2.1 |
0.0379 |
-0.74 |
- |
- |
- |
|
| 100 |
-19.6 |
0.154 |
-10.1 |
- |
- |
- |
|
| 101 |
-20.2 |
0.164 |
-10.1 |
- |
- |
- |
|
| 102 |
-19.6 |
0.137 |
-8.17 |
- |
- |
- |
|
| 103 |
-20.2 |
0.147 |
-8.17 |
- |
- |
- |
|
| 104 |
-19.7 |
0.12 |
-6.15 |
- |
- |
- |
|
| 105 |
-20.3 |
0.13 |
-6.15 |
- |
- |
- |
|
| 106 |
-4.67 |
-0.116 |
2 |
- |
- |
- |
|
| 107 |
-5.14 |
-0.628 |
-15.3 |
- |
- |
- |
|
| 108 |
-4.77 |
-0.621 |
-16.6 |
- |
- |
- |
|
| 109 |
-4.77 |
-0.117 |
1.9 |
- |
- |
- |
|
| 110 |
-4.76 |
-0.335 |
-9.87 |
- |
- |
- |
|
| 111 |
-4.76 |
-0.271 |
-6.57 |
- |
- |
- |
|
| 112 |
-4.77 |
-0.431 |
-13.2 |
- |
- |
- |
|
| 113 |
-4.77 |
-0.209 |
-3.48 |
- |
- |
- |
|
| 114 |
-11.9 |
0.0154 |
-9.95 |
- |
- |
- |
|
| 115 |
-11.9 |
-0.0164 |
-6.34 |
- |
- |
- |
|
| 116 |
-11.9 |
0.0162 |
-9.96 |
- |
- |
- |
|
| 117 |
-11.9 |
-0.0172 |
-6.35 |
- |
- |
- |
|











