| Скачать .docx |
Курсовая работа: Курсовая работа: Разработка четырехтактного автомобильного двигателя Проведение расчета
ФЕДЕРАЛЬНОЕ АГЕНТСТВО ПО ОБРАЗОВАНИЮ
Государственное образовательное учреждение высшего
профессионального образования
Брянский государственный технический университет
Кафедра:"Автомобильный транспорт"
Курсовой проект
По дисциплине "Автомобили и двигатели"
раздела "Двигатели"
тема проекта: "Разработать четырехтактный автомобильный двигатель"
Документы текстовые
АТ.ДВ.003.014.ДТ
Содержание
Задание
Введение
1. Тепловой расчет двигателя
1.1Выбор параметров к тепловому расчету
1.2 Расчет процесса наполнения
1.3Расчет процесса сжатия
1.4Расчет процесса сгорания
1.5Расчет процесса расширения
1.6 Индикаторные и эффективные показатели работы двигателя
1.7 Эффективные показатели основные размеры цилиндра и двигателя
1.8 Построение индикаторной диаграммы
2. Динамический расчет
2.1 Приведение масс кривошипно-шатунного механизма
2.2 Построение диаграммы удельных сил инерции
2.3 Удельные и полные силы инерции
2.4 Построение диаграммы изменения сил,
действующих в КШМ
2.5 Построение полярной диаграммы сил,
действующих на шатунную шейку
2.6 Построение диаграммы предполагаемого износа
шатунной шейки
2.7 Расчет сил и моментов, действующих на коленчатый вал
3.Расчет деталей двигателя на прочность
3.1 Расчет поршня
3.2 Расчет поршневого пальца на прочность
3.3 Расчет шатуна на прочность
3.3.1 Расчет поршневой головки шатуна
3.3.2 Расчет кривошипной головки шатуна
3.3.3 Расчет стержня шатуна
3.3.4 Расчет шатунных болтов
3.4 Расчет коленчатого вала на прочность
3.4.1 Расчет коренной шейки
3.4.2 Расчет шатунной шейки
3.4.3 Расчет щеки.
Список использованной литературы
Приложения
Основными направлениями развития двигателестроения являются повышение удельных мощностей за счет газотурбинного наддува и применение более высоко калорийных топлив, повышение экономичности, надежности и ресурса двигателя, снижение металлоемкости.
Требование повышения мощности двигателя связано с повышением производительности труда, с ростом энерговооруженности средств производства. Так же всвязи с непрерывным ростом сложности топлива и масла значимость параметров gе и gм также возрастает. Поэтому при создании двигателя следует стремиться к оптимальным расходам топлива и масла. Однако возможности снижения gе и gм связаны со схемой, быстроходностью и другими параметрами двигателя.
При оценке требований к новому двигателю и выборе значений, определяющих параметры, необходимо учитывать развитие существующих двигателей с учетом времени, необходимого на создание нового двигателя (5-7 лет) и срока его службы не менее 15 лет.
В представленном курсовом проекте приведен расчет 4-х тактного 8-ми цилиндрового V-образного бензинового двигателя, за прототип принят двигатель автомобиля ГАЗ-53.
1. Тепловой расчет двигателя
Исходные данные
Из двигателя – прототипа:
Двигатель 4-х тактный, бензиновый,
Число цилиндров: i = 8,
Диаметр цилиндра: D = 0,092 м,
Ход поршня: S = 0,08 м,
Данные для расчета:
Степень сжатия: ε = 6.8;
Частота вращения коленчатого вала: n = 4000 об/мин.;
Мощность прототипа: 84.56 кВт (115л.с.);
Рабочий объем прототипа: 4,25 л;
Мощность: 140кВт=190,4лс.
1.1 Выбор параметров к тепловому расчету
л.с.;
л;
л;
мм;
мм;
Параметры окружающей среды:
-Р0 = 0,1033 МПа;
-Т0 = 288 К;
-относительная влажность 70 %.;
Коэффициент избытка воздуха α = 0,92;
Средняя скорость поршня:
;
Параметры остаточных газов:
-Рг = 1,13×105 Па;
-Тг = 960 К;
-коэффициент остаточных газов γ = 0,07;
Коэффициент использования тепла в точке Zдля n = 4000 об/мин.:
-
;
Коэффициент скругления индикаторной диаграммы φд = 0,96;
Механические потери в двигателе:
;
Элементарный состав топлива:
Н=0,145 кг/кмоль, С=0,855 кг/кмоль
Теплотворная способность топлива Hu=44000 кДж/кг топлива
Теплоемкости мольные (средние):
· воздуха:
;
· продуктов сгорания:

смеси газов при сжатии:

Теоретически необходимое количества воздуха для сгорания 1 кг топлива:
;
1.2 Расчет процесса наполнения
Давление в конце наполнения:
;
где δ-коэффициент гидравлических потерь (δ=0,15).
Температура в конце наполнения:

где
=15 К – подогрев заряда от стенок цилиндра,
=1,11 – коэффициент, учитывающий разницу в теплоёмкостях остаточных газов и свежей смеси.
Коэффициент наполнения:

где
=1,05-коэффициент дозарядки.
;
Принятое значение γ практически совпадает с расчётным.Для дальнейших расчетов принимаем γ=0,07.
Давление в цилиндре в конце наполнения с учётом коэффициента дозарядки:
![]()
1.3 Расчет процесса сжатия
Показатель политропы сжатия
определяется через показатель адиабаты сжатия
, рассчитываемого по уравнению:
;
Подбором находим :

Давление и температура в конце процесса сжатия:

1.4 Расчет процесса сгорания
Действительно необходимое количество воздуха для сгорания топлива:
![]()
Теоретический коэффициент молекулярного изменения свежей смеси:

Действительный коэффициент молекулярного изменения
;
Температура газов в конце видимого сгорания:
;

Решая уравнение относительно Тz, определяем
;
где
- коэффициенты использования теплоты в начале процесса сгорания,
- потери тепла от неполного сгорания топлива
;
Степень повышения давления

Максимальное давление сгорания
![]()
1.5 Расчет процесса расширения
Показатель политропы расширения n2 находим по показателю адиабаты расширения К2 , для которого известно уравнение:
;
;

Давление и температура в конце расширения

1.6 Индикаторные и эффективные показатели работы двигателя
Среднее теоретическое и действительное индикаторное давление:

где
-коэффициент скругления индикаторной диаграммы
Индикаторный КПД

Индикаторный удельный расход топлива

1.7 Эффективные показатели основные размеры цилиндра и двигателя
Среднее эффективное давление
;
Механический КПД двигателя
;
Эффективный КПД и эффективный расход топлива
![]()

Литраж двигателя
;
где Ne=190,4л.с=140кВт по заданию.
Рабочий объем цилиндра

Диаметр и ход поршня принимаем из условия S/D=0,87
;
Окончательно принимаем D = 102,71мм, S = 102,71∙0,87 = 89.358 мм.
По окончательно принятым значениям D и S определяются основные параметры и показатели двигателя:
· Литраж двигателя:
;
· Площадь поршня:
;
· Мощность двигателя при принятых размерах цилиндра:
;
Погрешность мощности:
;
· Литровая мощность двигателя:

1.8 Построение индикаторной диаграммы
Исходные данные к построению диаграммы:
Степень сжатия ![]()
Показатель политропы сжатия ![]()
Показатель политропы расширения ![]()
Давление в конце впуска ![]()
Давление в конце сжатия ![]()
Давление сгорания ![]()
Давление в конце расширения ![]()
Принимаем:
![]()
Масштаб ![]()
Составляем таблицу ординат линий сжатия и расширения.
Значение величин |
Коэффициент доли рабочего объема | ||||||||
| 0,01 | 0,02 | 0,04 | 0,08 | 0,16 | 0,32 | 0,58 | 0,82 | 1 | |
| 21,16 | 22,32 | 24,64 | 29,28 | 38,56 | 57,12 | 87,28 | 115,12 | 136 | |
| 10,808 | 10,071 | 8,836 | 7,033 | 4,886 | 2,905 | 1,658 | 1,149 | 0,922 | |
| 21,16 | 22,32 | 24,64 | 29,28 | 38,56 | 57,12 | 87,28 | 115,12 | 136 | |
| 45,498 | 42,562 | 37,613 | 30,316 | 21,489 | 13,149 | 7,740 | 5,476 | 4,446 | |
; 
; 
Теперь наносим на координатное поле все характерные точки, затем наносим по табличным данным точки линий сжатия и расширения. Соединяем точки плавными линиями в нужной последовательности. В результате получается индикаторная диаграмма.
2. Динамический расчет
2.1 Приведение масс кривошипно-шатунного механизма
Определяем площадь поршня

Масса поршневой группы (для поршня из алюминиевого сплава
)
![]()
Масса шатуна (
)
![]()
Масса шатуна, сосредоточенная на оси поршневого пальца:
![]()
Масса шатуна, сосредоточенная на оси кривошипа:
![]()
Масса неуравновешенных частей одного колена вала без противовесов (
)
![]()
Массы, совершающие возвратно-поступательные движения:
![]()
Массы совершающие вращательное движение:
![]()
2.2 Построение диаграммы удельных сил инерции
1) Определение удельных сил инерции:
а) в ВМТ

где:
б) в НМТ:

в) в точке Е:
![]()
![]()
Построение диаграммы удельных сил инерции производят методом Толе.
2.3 Удельные и полные силы инерции
1)Удельная сила инерции поступательно движущихся масс

где ![]()
- поступательно движущаяся масса
F=
= - площадь поршня
R=0,044679м - радиус кривошипа

2) Силы инерции вращающихся масс
![]()
3) Силы инерции вращающихся масс шатуна
![]()
2.4 Построение диаграммы изменения сил, действующих в КШМ
После построения индикаторной диаграммы и диаграммы удельных сил инерции строят диаграмму изменения сил, действующих в КШМ. Для этого индикаторную диаграмму "разворачивают" по методу Брикса, получая развернутую индикаторную диаграмму. Данный метод заключается в следующем: под индикаторной диаграммой проводят горизонтальную прямую АВ, равную ходу поршя. Из середины отрезка АВ проводят окружность радиуса R=S/2=118/2=58мм на расстоянии ОО1=Rλ/2=58×0,28/2=8,12 мм получают центр О1, из которого проводят лучи до пересечения с окружностью через углы
. Из точек пересечения лучей с окружностью восстанавливают перпендикуляры к АВ, продолжая их до пересечения с индикаторной диаграммой. Точки пересечения перпендикуляров с соответствующими кривыми давления дают значения давления при соответствующих углах поворота кривошипа. Полная сила, действующая на поршень включает силу давления газов
и силу инерции
,ее определяют аналитически
. Найденное значение
для каждого угла поворота КВ сносим в табл.2.1. Затем соединяем плавной кривой полученные точки, определяющие искомую диаграмму.
Таблица 2.1.
| а, град | Рг,Н | Рj,Н | Рсум,Н | N, Н | Рш, Н | Z, Н | Т, Н |
| 0 | 0 | -13460,6 | -13460,6 | 0 | -13460,6 | -13460,6 | 0 |
| 30 | -173,304 | -10579,5 | -10752,8 | -1516,14 | -10646,3 | -8548,45 | -6688,22 |
| 60 | -173,304 | -3785,8 | -3959,1 | -981,857 | -3843,79 | -1128,34 | -3919,51 |
| 90 | -173,304 | 2944,50 | 2771,20 | 800,878 | 2662,06 | -800,878 | 2771,204 |
| 120 | -173,304 | 6730,30 | 6557 | 1626,13 | 6366,01 | -4688,26 | 4865,294 |
| 150 | -173,304 | 7634,95 | 7461,65 | 1052,09 | 7387,77 | -6991,57 | 2820,504 |
| 180 | -173,304 | 7571,59 | 7398,28 | 0 | 7398,28 | -7398,29 | 0 |
| 210 | -125,9691 | 7634,95 | 7508,98 | -1058,77 | 7434,64 | -7035,92 | -2838,4 |
| 240 | 44,4216 | 6730,30 | 6774,72 | -1680,13 | 6577,40 | -4843,93 | -5026,85 |
| 270 | 465,9537 | 2944,50 | 3410,46 | -985,623 | 3276,14 | -985,623 | -3410,46 |
| 300 | 1598,604 | -3785,8 | -2187,19 | 542,423 | -2123,49 | -623,349 | 2165,319 |
| 330 | 4785,954 | -10579,5 | -5793,51 | 816,884 | -5736,15 | -4605,84 | 3603,563 |
| 360 | 11607,957 | -13460,6 | -1852,65 | 0 | -1852,65 | -1852,65 | 0 |
| 370 | 33503,946 | -13123,3 | 20380,68 | 998,6532 | 20360,32 | 19891,54 | 4504,13 |
| 390 | 23101,324 | -10579,5 | 12521,86 | 1765,582 | 12397,88 | 9954,879 | 7788,597 |
| 420 | 10452,248 | -3785,8 | 6666,452 | 1653,28 | 6472,284 | 1899,939 | 6599,788 |
| 450 | 5605,737 | 2944,508 | 8550,245 | 2471,021 | 8213,492 | -2471,02 | 8550,245 |
| 480 | 3701,883 | 6730,304 | 10432,19 | 2587,182 | 10128,34 | -7459,01 | 7740,683 |
| 510 | 2644,131 | 7634,956 | 10279,09 | 1449,351 | 10177,31 | -9631,5 | 3885,495 |
| 540 | 1446,5904 | 7571,592 | 9018,182 | 0 | 9018,182 | -9018,18 | 0 |
| 570 | 440,8545 | 7634,956 | 8075,81 | -1138,69 | 7995,852 | -7567,03 | -3052,66 |
| 600 | 107,9664 | 6730,304 | 6838,27 | -1695,89 | 6639,097 | -4889,36 | -5074 |
| 630 | 0 | 2944,508 | 2944,508 | -850,963 | 2828,538 | -850,963 | -2944,51 |
| 660 | 0 | -3785,8 | -3785,8 | 938,8774 | -3675,53 | -1078,95 | 3747,938 |
| 690 | 0 | -10579,5 | -10579,5 | 1491,704 | -10474,7 | -8410,67 | 6580,426 |
| 720 | 0 | -13460,6 | -13460,6 | 0 | -13460,6 | -13460,6 | 0 |
По найденным значениям
для каждого угла поворота КВ определяют все остальные силовые факторы, действующие в КШМ:
- удельная нормальная сила:
![]()
- удельная сила, действующая вдоль шатуна:

- удельная сила, действующая по радиусу кривошипа:

-удельная тангенциальная сила:

значения
,
,
,
берем из [1].
Значения всех расчетов сводим в табл.2.1 . Графики зависимости представлены на лист 1.
Диаграмма
одновременно в соответствующем масштабе является диаграммой крутящего момента создаваемого 1 цилиндром.
Для определения крутящего момента строим диаграмму суммарной силы
.
Из этого графика получаем
;
Средний крутящий момент:
![]()
По среднему крутящему моменту определяем индикаторную мощность

Определим мощность и сравним ее с результатом теплового расчета
![]()

Ошибка находится в пределах нормы.
2.5 Построение полярной диаграммы сил, действующих на шатунную шейку
На шатунную шейку воздействуют силы, вызванные давлением газов и силой инерции поступательно движущихся масс, а так же силой инерции ращающихся масс шатуна. Для проведения расчета результирующей силы, действующей на шатунную шейку двигателя, составляем таблицу (табл.1)
Суммарная сила, действующая на шатунную шейку, находится по формуле:
Результирующая сила
, действующая на шатунную шейку, подсчитывается графическим сложением векторов сил T , Z и РR
Ш
при построении полярной диаграммы. При построении предполагается, что шейка неподвижна, а ось цилиндра вращается вокруг нее. Для построения выбираем полюс диаграммы (т.О) и проводим систему координат T-Z, причем плюсовая координата Т - вправо, Z - вниз. Для заданного угла поворота коленчатого вала из табл.2.1 откладываем по соответствующим осям в принятом масштабе значение сил T и Z. Соединяя последовательно точки плавной кривой, получаем полярную диаграмму без учета силы РR
Ш.
Для ее учета из точки О в положительном направлении Z откладываем ее величину в принятом масштабе
и получаем точку
- действительный полюс диаграммы. Для получения действующей результирующей силы, действующей на шатунную шейку, полюс
соединяют вектором с точкой полярной диаграммы, соответствующей этому углу поворота. Полученный вектор определяет и величину, и направление действующей силы.

Диаграмма нагрузки на шатунную шейку в прямоугольных координатах представлена в приложении 1.
2.6 Построение диаграммы предполагаемого износа шатунной шейк и
На основании имеющейся полярной диаграммы нагрузок, действующих на шейку, можно построить диаграмму предполагаемого износа шатунной шейки. Принимают следующие допущения:
- износ шейки прямо пропорционален действующей силе;
-действие силы распространяется от точки ее приложения по дуге в 60˚, в обе стороны по поверхности шейки.
Способ построения состоит в следующем: в т.О проводят окружность произвольного радиуса и делят ее на равные части. Из т.А окружности откладывают отрезок
и т.д. От каждой точки А1,А2…Аn (n=24) в обе стороны по поверхности шейки откладываем угол 60˚. Затем строят новую окружность и делят ее на такое же количество частей и в определенном масштабе в направлении к центру окружности откладывают суммарную толщину полос; соединяя полученные точки определяем диаграмму предполагаемого износа шейки.
Вид предполагаемого износа представлен на листе 1, а его построение и приложении 2; при этом на диаметральных линиях диаграммы указаны суммарные толщины.
Полученная диаграмма дает возможность определить положение масляного отверстия – самое не нагруженное место шейки. Для нашего расчета
.
2.7 Расчет сил и моментов, действующих на коленчатый вал
Кривошип коленчатого вала многоцилиндрового двигателя нагружен силами
и крутящим моментом, который включает две составляющие: момент, обусловленный силой Т данного цилиндра, и момент от предыдущих цилиндров. Коленчатый вал рассчитываемого двигателя – полноопорный с кривошимами, расположенными под углом
. Порядок работы двигателя 1-5-4-2-6-3-7-8. Схема коленчатого вала представлена на рис. 2.1.

Рис. 2.1 Схема коленчатого вала
Для наглядного представления о совместной работе цилиндров строят диаграмму совместной работы цилиндров, которая представляет собой ряд чередующихся циклов работы каждого цилиндра в зависимости от угла поворота коленчатого вала.
Диаграмма совместной работы цилиндров

Построенная диаграмма позволяет определить угол поворота любого кривошипа при положении первого кривошипа в 0˚.
Через шейки коленчатого вала от первого до последнего цилиндра передается крутящий момент свой от каждого цилиндра. Следовательно, в любой момент времени крутящий момент на каждой шейке оказывается различным. Для выполнения расчетов на прочность и оценки крутящего момента на каждой шейке, строят таблицу набегающих моментов.
Таблица набегающих моментов показывает изменение крутящего момента на каждой шейке коленчатого вала по мере перемещения от первой до последней шейки в зависимости от угла поворота. Последний столбец таблицы представляет собой изменение полного (суммарного) момента на выходе из двигателя. Моменты на промежуточных шейках отличается от полного, как по величине, так и по направлению.
Расчет тангенциальных сил (а следовательно и моментов) для V-образного двигателя представлен в табл. 2.2.
Изменение набегающих моментов представлено в табл. 2.3. и 2.4.
Таблица 2.2.Расчет тангенцальных сил для V-образного двигателя (Н)
| α | T1 | T5 | T1,5 | T2 | T6 | T2,6 | T3 | T7 | T3,7 | T4 | T8 | T4,8 |
| 0 | 0,00 | -2944,51 | -2944,51 | 8550,25 | 0,00 | 8550,25 | -3410,46 | 0,00 | -3410,46 | 0,00 | 2771,20 | 2771,20 |
| 30 | -6688,22 | 3747,94 | -2940,28 | 7740,68 | 7788,60 | 15529,28 | 2165,32 | -2838,40 | -673,08 | -3052,66 | 4865,29 | 1812,64 |
| 60 | -3919,51 | 6580,43 | 2660,92 | 3885,49 | 6599,79 | 10485,28 | 3603,56 | -5026,85 | -1423,28 | -5074,00 | 2820,50 | -2253,49 |
| 90 | 2771,20 | 0,00 | 2771,20 | 0,00 | 8550,25 | 8550,25 | 0,00 | -3410,46 | -3410,46 | -2944,51 | 0,00 | -2944,51 |
| 120 | 4865,29 | -6688,22 | -1822,93 | -3052,66 | 7740,68 | 4688,03 | 7788,60 | 2165,32 | 9953,92 | 3747,94 | -2838,40 | 909,54 |
| 150 | 2820,50 | -3919,51 | -1099,00 | -5074,00 | 3885,49 | -1188,50 | 6599,79 | 3603,56 | 10203,35 | 6580,43 | -5026,85 | 1553,58 |
| 180 | 0,00 | 2771,20 | 2771,20 | -2944,51 | 0,00 | -2944,51 | 8550,25 | 0,00 | 8550,25 | 0,00 | -3410,46 | -3410,46 |
| 210 | -2838,40 | 4865,29 | 2026,90 | 3747,94 | -3052,66 | 695,28 | 7740,68 | 7788,60 | 15529,28 | -6688,22 | 2165,32 | -4522,90 |
| 240 | -5026,85 | 2820,50 | -2206,34 | 6580,43 | -5074,00 | 1506,43 | 3885,49 | 6599,79 | 10485,28 | -3919,51 | 3603,56 | -315,95 |
| 270 | -3410,46 | 0,00 | -3410,46 | 0,00 | -2944,51 | -2944,51 | 0,00 | 8550,25 | 8550,25 | 2771,20 | 0,00 | 2771,20 |
| 300 | 2165,32 | -2838,40 | -673,08 | -6688,22 | 3747,94 | -2940,28 | -3052,66 | 7740,68 | 4688,03 | 4865,29 | 7788,60 | 12653,89 |
| 330 | 3603,56 | -5026,85 | -1423,28 | -3919,51 | 6580,43 | 2660,92 | -5074,00 | 3885,49 | -1188,50 | 2820,50 | 6599,79 | 9420,29 |
| 360 | 0,00 | -3410,46 | -3410,46 | 2771,20 | 0,00 | 2771,20 | -2944,51 | 0,00 | -2944,51 | 0,00 | 8550,25 | 8550,25 |
| 390 | 7788,60 | 2165,32 | 9953,92 | 4865,29 | -6688,22 | -1822,93 | 3747,94 | -3052,66 | 695,28 | -2838,40 | 7740,68 | 4902,29 |
| 420 | 6599,79 | 3603,56 | 10203,35 | 2820,50 | -3919,51 | -1099,00 | 6580,43 | -5074,00 | 1506,43 | -5026,85 | 3885,49 | -1141,35 |
| 450 | 8550,25 | 0,00 | 8550,25 | 0,00 | 2771,20 | 2771,20 | 0,00 | -2944,51 | -2944,51 | -3410,46 | 0,00 | -3410,46 |
| 480 | 7740,68 | 7788,60 | 15529,28 | -2838,40 | 4865,29 | 2026,90 | -6688,22 | 3747,94 | -2940,28 | 2165,32 | -3052,66 | -887,34 |
| 510 | 3885,49 | 6599,79 | 10485,28 | -5026,85 | 2820,50 | -2206,34 | -3919,51 | 6580,43 | 2660,92 | 3603,56 | -5074,00 | -1470,43 |
| 540 | 0,00 | 8550,25 | 8550,25 | -3410,46 | 0,00 | -3410,46 | 2771,20 | 0,00 | 2771,20 | 0,00 | -2944,51 | -2944,51 |
| 570 | -3052,66 | 7740,68 | 4688,03 | 2165,32 | -2838,40 | -673,08 | 4865,29 | -6688,22 | -1822,93 | 7788,60 | 3747,94 | 11536,53 |
| 600 | -5074,00 | 3885,49 | -1188,50 | 3603,56 | -5026,85 | -1423,28 | 2820,50 | -3919,51 | -1099,00 | 6599,79 | 6580,43 | 13180,21 |
| 630 | -2944,51 | 0,00 | -2944,51 | 0,00 | -3410,46 | -3410,46 | 0,00 | 2771,20 | 2771,20 | 8550,25 | 0,00 | 8550,25 |
| 660 | 3747,94 | -3052,66 | 695,28 | 7788,60 | 2165,32 | 9953,92 | -2838,40 | 4865,29 | 2026,90 | 7740,68 | -6688,22 | 1052,46 |
| 690 | 6580,43 | -5074,00 | 1506,43 | 6599,79 | 3603,56 | 10203,35 | -5026,85 | 2820,50 | -2206,34 | 3885,49 | -3919,51 | -34,01 |
| 720 | 0,00 | -2944,51 | -2944,51 | 8550,25 | 0,00 | 8550,25 | -3410,46 | 0,00 | -3410,46 | 0,00 | 2771,20 | 2771,20 |
Таблица 2.3. Таблица набегающих моментов на шатунные шейки (Н)
| α | Т1,5 | Т2,6/2 | Т1,5+Т2,6/2 | Т3,7/2 | Т1,5+Т2,6+ +Т3,7/2 | Т4,8/2 | Т1,5+Т2,6+ +Т3,7+Т4,8/2 |
| 0 | 0 | -2944,51 | 4275,12 | 1330,61 | -1705,23 | 3900,50 | 1385,60 |
| 30 | 30 | -2940,28 | 7764,64 | 4824,36 | -336,54 | 12252,46 | 906,32 |
| 60 | 60 | 2660,92 | 5242,64 | 7903,56 | -711,64 | 12434,56 | -1126,75 |
| 90 | 90 | 2771,20 | 4275,12 | 7046,33 | -1705,23 | 9616,22 | -1472,25 |
| 120 | 120 | -1822,93 | 2344,01 | 521,09 | 4976,96 | 7842,06 | 454,77 |
| 150 | 150 | -1099,00 | -594,25 | -1693,26 | 5101,68 | 2814,17 | 776,79 |
| 180 | 180 | 2771,20 | -1472,25 | 1298,95 | 4275,12 | 4101,82 | -1705,23 |
| 210 | 210 | 2026,90 | 347,64 | 2374,54 | 7764,64 | 10486,82 | -2261,45 |
| 240 | 240 | -2206,34 | 753,21 | -1453,13 | 5242,64 | 4542,73 | -157,97 |
| 270 | 270 | -3410,46 | -1472,25 | -4882,72 | 4275,12 | -2079,85 | 1385,60 |
| 300 | 300 | -673,08 | -1470,14 | -2143,22 | 2344,01 | -1269,35 | 6326,95 |
| 330 | 330 | -1423,28 | 1330,46 | -92,82 | -594,25 | 643,38 | 4710,15 |
| 360 | 360 | -3410,46 | 1385,60 | -2024,86 | -1472,25 | -2111,51 | 4275,12 |
| 390 | 390 | 9953,92 | -911,46 | 9042,45 | 347,64 | 8478,63 | 2451,14 |
| 420 | 420 | 10203,35 | -549,50 | 9653,85 | 753,21 | 9857,56 | -570,68 |
| 450 | 450 | 8550,25 | 1385,60 | 9935,85 | -1472,25 | 9849,19 | -1705,23 |
| 480 | 480 | 15529,28 | 1013,45 | 16542,7 | -1470,14 | 16086,03 | -443,67 |
| 510 | 510 | 10485,28 | -1103,17 | 9382,11 | 1330,46 | 9609,40 | -735,22 |
| 540 | 540 | 8550,25 | -1705,23 | 6845,01 | 1385,60 | 6525,39 | -1472,25 |
| 570 | 570 | 4688,03 | -336,54 | 4351,49 | -911,46 | 3103,48 | 5768,27 |
| 600 | 600 | -1188,50 | -711,64 | -1900,14 | -549,50 | -3161,29 | 6590,11 |
| 630 | 630 | -2944,51 | -1705,23 | -4649,74 | 1385,60 | -4969,37 | 4275,12 |
| 660 | 660 | 695,28 | 4976,96 | 5672,24 | 1013,45 | 11662,65 | 526,23 |
| 690 | 690 | 1506,43 | 5101,68 | 6608,11 | -1103,17 | 10606,61 | -17,01 |
| 720 | 720 | -2944,51 | 4275,12 | 1330,61 | -1705,23 | 3900,51 | 1385,60 |
Таблица 2.4. Таблица набегающих моментов на коренные шейки (Н)
| α | Т1,5 | Т2,6 | Т1,5+Т2,6 | Т3,7 | Т1,5+Т2,6+ +Т3,7 |
Т4,8 | Т1,5+Т2,6+ +Т3,7+Т4,8 |
| 0 | -2944,51 | 8550,25 | 5605,74 | -3410,46 | 2195,27 | 2771,20 | 4966,48 |
| 30 | -2940,28 | 15529,28 | 12589,00 | -673,08 | 11915,92 | 1812,64 | 13728,56 |
| 60 | 2660,92 | 10485,28 | 13146,20 | -1423,28 | 11722,92 | -2253,49 | 9469,42 |
| 90 | 2771,20 | 8550,25 | 11321,45 | -3410,46 | 7910,99 | -2944,51 | 4966,48 |
| 120 | -1822,93 | 4688,03 | 2865,10 | 9953,92 | 12819,01 | 909,54 | 13728,56 |
| 150 | -1099,00 | -1188,50 | -2287,51 | 10203,35 | 7915,84 | 1553,58 | 9469,42 |
| 180 | 2771,20 | -2944,51 | -173,30 | 8550,25 | 8376,94 | -3410,46 | 4966,48 |
| 210 | 2026,90 | 695,28 | 2722,18 | 15529,28 | 18251,46 | -4522,90 | 13728,56 |
| 240 | -2206,34 | 1506,43 | -699,91 | 10485,28 | 9785,37 | -315,95 | 9469,42 |
| 270 | -3410,46 | -2944,51 | -6354,97 | 8550,25 | 2195,28 | 2771,20 | 4966,48 |
| 300 | -673,08 | -2940,28 | -3613,36 | 4688,03 | 1074,67 | 12653,89 | 13728,56 |
| 330 | -1423,28 | 2660,92 | 1237,63 | -1188,50 | 49,13 | 9420,29 | 9469,42 |
| 360 | -3410,46 | 2771,20 | -639,26 | -2944,51 | -3583,77 | 8550,25 | 4966,48 |
| 390 | 9953,92 | -1822,93 | 8130,99 | 695,28 | 8826,27 | 4902,29 | 13728,56 |
| 420 | 10203,35 | -1099,00 | 9104,35 | 1506,43 | 10610,78 | -1141,35 | 9469,42 |
| 450 | 8550,25 | 2771,20 | 11321,45 | -2944,51 | 8376,94 | -3410,46 | 4966,48 |
| 480 | 15529,28 | 2026,90 | 17556,18 | -2940,28 | 14615,89 | -887,34 | 13728,56 |
| 510 | 10485,28 | -2206,34 | 8278,94 | 2660,92 | 10939,86 | -1470,43 | 9469,42 |
| 540 | 8550,25 | -3410,46 | 5139,78 | 2771,20 | 7910,99 | -2944,51 | 4966,48 |
| 570 | 4688,03 | -673,08 | 4014,95 | -1822,93 | 2192,02 | 11536,53 | 13728,56 |
| 600 | -1188,50 | -1423,28 | -2611,79 | -1099,00 | -3710,79 | 13180,21 | 9469,42 |
| 630 | -2944,51 | -3410,46 | -6354,97 | 2771,20 | -3583,77 | 8550,25 | 4966,48 |
| 660 | 695,28 | 9953,92 | 10649,20 | 2026,90 | 12676,09 | 1052,46 | 13728,56 |
| 690 | 1506,43 | 10203,35 | 11709,78 | -2206,34 | 9503,44 | -34,01 | 9469,42 |
| 720 | -2944,51 | 8550,25 | 5605,74 | -3410,46 | 2195,28 | 2771,20 | 4966,48 |
3. Расчет деталей двигателя на прочность
3.1 Расчет поршня
Поршень работает в тяжелых условиях, так как подвергается воздействию как механических нагрузок от давления газов и сил инерции, так и термических из-за необходимости отвода теплоты от нагретой газами головки в охлаждающую среду. Кроме того, направляющая часть работает на износ при высоких температурах. Основные требования к материалу поршня:
- хорошая теплопроводность;
- малые значения коэффициента линейного расширения;
- высокая механическая прочность и жаростойкость;
- малый удельный вес.
Для уменьшения износа юбка поршня имеет бочкообразный профиль по образующей и овальный профиль в поперечном сечении. Днище поршня имеет выемку, а в бобышках сделаны отверстия для прохода масла к поршневому пальцу. Материал поршня – алюминиевый сплав.
Исходные данные:


Рис.3.1. Расчетная схема поршня
Напряжения, возникающие по контору заделки

,
где t – радиальный зазор маслосъемного кольца (t = 3,225 мм);
∆t – радиальный зазор компрессионного кольца (∆t = 0,8 мм).

Напряжения в центре днища

Рассчитаем сечение Х-Х
Напряжения сжатия

Напряжение разрыва в сечении Х-Х

![]()

Напряжения в верхней кольцевой перемычке.
а) среза

б) изгиба

в) суммарное

Удельное давление на стенку цилиндра
![]()

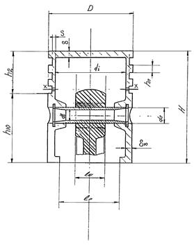
3.2 Расчет поршневого пальца на прочность
Во время работы двигателя поршневой палец подвергается воздействию переменных нагрузок, приводящих к возникновению напряжений изгиба, сдвига, смятия и овализации.Поршневой палец - стальной, трубчатого сечения. Для повышения износостойкости его наружную поверхность цементируют и закаливают.
Материал пальца – Ст15Х ГОСТ 4543-71
Исходные данные:
Наружный диаметр пальца dn =27мм
Внутренний диаметр пальца dв =18мм
Длина пальца lп =70мм
Длина втулки шатуна l ш =34мм
Расстояние между торцами бобышек b=36мм
Расчетная сила, действующая на поршневойпалец:
- газовая:

-инерционная:
![]()

Рис.3.2. Расчетная схема поршневого пальца а- распределение нагрузки, б- эпюры напряжений
-расчетная:
![]()
где k=0,83 – коэффициент, учитывающий массу поршневого пальца
![]()
Удельное давление пальца на втулку поршневой головки шатуна

Удельное давление пальца на бобышки

Напряжение изгиба в среднем сечении пальца


Касательные напряжения среза в сечениях между бобышками и головкой шатуна.

Наибольшее увеличение горизонтального диаметра пальца при овализации

Напряжение овализации на внешней поверхности кольца в горизонтальной плоскости (т.1 j=0°)

В вертикальной плоскости (т.3, j=9°)

Напряжение овализации на внутренней поверхности кольца в
горизонтальной плоскости (т.2, j=°)

В вертикальной плоскости (т.4, j=9°)

Наибольшие напряжения овализации возникают на внешней поверхности пальца в вертикальной плоскости. Они не должны превышать 300-350 МПа.
Условие выполняется.
3.3 Расчет шатуна на прочность
Шатун подвергается воздействию знакопеременных газовых инерционных сил. Помимо напряжения сжатия в стержне шатуна возникают напряжения изгиба и растяжения.
Для изготовления шатуна должны быть выбраны высококачественные материалы, обладающие высокой прочностью, относительным удлинением, сопротивлением удару, пределом усталости.
Необходимо также учитывать одно из основных требований к конструкции шатуна – получение минимальной массы при необходимой прочности и надежности.
Шатун стальной, кованный, двутаврового сечения. В нижней головке шатуна выполнено отверстие, через которое масло разбрызгивается на поверхность цилиндра.
Материал шатуна: Ст 45Г2 ГОСТ 4543-71
3.3.1 Расчет поршневой головки шатуна
Исходные данные:
Масса поршневой группы mп =0,99337кг
Масса шатунной группы mш =1,245кг
Частота вращения n=4000 об/мин
Ход поршня S=0,089м
Площадь поршня Fп =0,0083м2
Диаметр верхней головки шатуна:
Наружный dг =35
Внутренний d=26мм
Радиальная толщина стенки головки 
Для стали 45Г2 имеем:
Предел прочности ![]()
Предел усталости при изгибе ![]()
Предел текучести ![]()
Расширение-сжатие ![]()
Коэффициент приведения цикла при изгибе aσ =0,17
Коэффициент приведения цикла при растяжении-сжатии aσ =0,12
При изгибе:

При растяжении-сжатии:


Рис.3.3. Расчетная схема шатунной группы Расчет сечения I-I
Максимальное напряжение пульсирующего цикла

Среднее напряжение и амплитуда напряжения.

![]()
eм =0,86
– масштабный коэффициент
en =0,9
-коэффициент поверхностной чувствительности (чистое обтачивание внутренней поверхности головки)

то запас прочности в сечении I-I определяем по пределу усталости

Напряжения от запрессованной втулки:
удельное давление на поверхности соприкосновения втулки с головкой

где
- коэффициент Пуассона;
- суммарный натяг.
Напряжения от суммарного натяга на внешней поверхности головки
![]()
напряжения от суммарного натяга на внутренней поверхности головки


Рис.3.4. Расчетная схема головки шатуна а- при растяжении; б- при сжатии
Расчет на усталостную прочность сечения перехода головки шатуна в стержень.
-Максимальная сила, растягивающая головку

-Нормальная сила и изгибающий момент в верхней частишатуна
wшз =105°- угол заделки головки

-Нормальная сила и изгибающий момент в расчетном сечении от растягивающей силы

-Напряжения на внешнем волокне от растягивающей силы

Суммарная сила, сжимающая головку:

Нормальная сила и изгибающий момент в расчетном сечении от сжимающей силы.

-Напряжение на внешнем волокне от сжимающей силы

-Максимальное и минимальное напряжение асимметричного цикла

-Среднее напряжение и амплитуда напряжений

то запас прочности в сечении перехода головки шатуна в стержень определяем по пределу текучести

3.3.2 Расчет кривошипной головки шатуна
Исходные данные
Масса шатунной группы: mш = 1,245 кг
Масса шатуна, сосредоточенная на оси поршневого пальца mшп = 0,342 кг
Масса шатуна, сосредоточенная на оси кривошипа mшк = 0,903 кг
Масса крышки кривошипной головки mкр = 0,25 mш =0,311 кг
Диаметр шатунной шейки dшш = 60мм
Толщина стенки вкладыша tb = 3,14 мм
Расстояние между шатунными болтами сб = 77 мм
Длина кривошипной головки lk = 27 мм
Максимальная сила инерции

Момент сопротивления расчетного сечения:

Момент инерции вкладыша и крышки

Напряжения изгиба крышки и вкладыша.
;

3.3.3 Расчет стержня шатуна
Длина шатуна: lш = 166 мм
Размеры сечения шатуна: bш =15,75 мм, aш =7,5 мм, tш =4мм, hш =30 мм
Внутренний диаметр головки d1 =67мм
Из динамического расчета имеем:

Площадь и момент инерции расчетного сечения В – В


Максимальное напряжение от сжимающей силы в плоскости качания шатуна

В плоскости перпендикулярной плоскости качания шатуна

L1 – длина стержня шатуна между расточками верхней и нижней головок шатуна.
L0 – расстояние между осями головок шатуна.
Минимальное напряжение осей растягивающей силы

Средние напряжения и амплитуды цикла:


Где
![]()
- эффективный коэффициент концентрации напряжений;
т.к. 
и 
запас прочности в сечении определяется по пределу усталости


3.3.4 Расчет шатунных болтов
Из расчета кривошипной головки шатуна имеем: максимальная сила инерции, растягивающая кривошипную головку и шатунный болт Pjp =0,0122МH
Принимаем:
номинальный диаметр болта d=11 мм
шаг резьбы t=1 мм
количество болтов iб =2
материал болта Сталь 40Х ГОСТ4543 – 71
Для указанной стали имеем:
σв = 800 МПа
σт = 700 МПа
σ-1р = 260 МПа
ασ = 0,12
;
;
Сила предварительной затяжки
;
Суммарная сила, растягивающая болт
, Н;
где х = 0,2 – коэффициент основной нагрузки резьбового соединения
;
Максимальное и минимальное напряжение, возникающее в болтах:

Среднее напряжение и амплитуда цикла
;
;

т.к.
,
то запас прочности определяется по пределу текучести

3.4 Расчет коленчатого вала на прочность
Коленчатый вал – наиболее сложная в конструктивном отношении и наиболее напряженная деталь двигателя, воспринимающая периодические нагрузки от сил давления газов, сил инерции и их моментов.
Исходные данные:
Радиус кривошипа R=44,7мм
Наружный диаметр коренной шейки ![]()
Длина коренной шейки ![]()
Наружный диаметр шатунной шейки ![]()
Длина шатунной шейки ![]()
Для стали 50Г имеем:
Предел прочности ![]()
Предел усталости при изгибе ![]()
Предел текучести
, ![]()
Расширение-сжатие ![]()
Предел усталости при кручении ![]()
Коэффициент приведения цикла при изгибе aσ =0,18
Коэффициент приведения цикла при растяжении-сжатии aσ =0,14
Коэффициент приведения цикла при кручении ![]()
При изгибе:

При растяжении-сжатии:
![]()
При кручении:

3.4.1 Расчет коренной шейки
Момент сопротивления коренной шейки кручению
![]()
Максимальное и минимальное касательное напряжения знакопеременного цикла для наиболее нагруженной 3-й коренной шейки (см. табл. 2.4)

![]()
![]()
Среднее напряжение и амплитуда напряжений:

-
коэффициент концентрации напряжений
-коэффициент поверхностной чувствительности
– масштабный коэффициент
q=0.71- коэффициент чувствительности материала к концентрации напряжений

то запас прочности коренной шейки определяют по пределу усталости:

3.4.2 Расчет шатунной шейки
Момент сопротивления кручению шатунной шейки

Максимальное и минимальное касательное напряжения знакопеременного цикла для наиболее нагруженной 3-й шатунной шейки (см. табл. 2.3)

![]()
![]()
Среднее напряжение и амплитуда напряжений:

-
коэффициент концентрации напряжений
-коэффициент поверхностной чувствительности
– масштабный коэффициент
q=0.71- коэффициент чувствительности материала к концентрации напряжений

то запас прочности коренной шейки определяют по пределу усталости:

Моменты, изгибающие шатунную шейку однопролётного коленчатого вала в плоскости, перпендикулярной плоскости кривошипа:

![]()
где ![]()
Масляное отверстие на шатунной шейке целесообразно сделать в горизонтальной плоскости (φм=45˚)
![]()
расчет моментов приведен в табл.3.1.
Максимальные и минимальные нормальные напряжения ассиметричного цикла в шатунной шейке:
![]()
![]()
где ![]()
Таблица 3.1.
| φ | МТ | Мz | Мφм |
| 0 | 330,29 | -628,77 | -211,33 |
| 30 | 941,63 | -397,87 | 384,12 |
| 60 | 840,91 | -51,86 | 557,69 |
| 90 | 603,44 | -38,34 | 399,40 |
| 120 | 588,32 | -220,89 | 259,59 |
| 150 | 270,26 | -328,38 | -41,27 |
| 180 | 268,22 | -347,61 | -56,31 |
| 210 | 682,74 | -328,38 | 250,28 |
| 240 | 351,12 | -228,25 | 86,72 |
| 270 | -33,05 | -49,52 | -58,39 |
| 300 | -46,51 | -22,70 | -48,94 |
| 330 | 2,44 | -162,15 | -112,98 |
| 360 | -109,17 | -37,41 | -103,63 |
| 390 | 688,86 | 864,01 | 1098,10 |
| 420 | 672,44 | 160,21 | 588,63 |
| 450 | 617,49 | -162,42 | 321,57 |
| 480 | 1134,37 | -417,83 | 506,23 |
| 510 | 729,89 | -525,43 | 144,22 |
| 540 | 452,81 | -439,70 | 9,02 |
| 570 | 199,00 | -344,15 | -102,79 |
| 600 | -157,90 | -228,21 | -273,04 |
| 630 | -245,75 | -41,32 | -202,93 |
| 660 | 836,05 | -48,97 | 556,30 |
| 690 | 703,98 | -389,74 | 221,89 |
| 720 | 330,29 | -628,77 | -211,33 |
| min | -273,04 | ||
| max | 1098,10 |
Среднее напряжение и амплитуда напряжений:

![]()
- коэффициент концентрации напряжений
-коэффициент поверхностной чувствительности
– масштабный коэффициент
q=0,71- коэффициент чувствительности материала к концентрации напряжений
Запас прочности шатунной шейки от нормальных напряжений определяется по пределу усталости:

Общий запас прочности шатунной шейки:
![]()
3.4.3 Расчет щеки.
Проверка необходимости расчета щеки. Если выполняется условие:
,
то проводить проверочный расчет щеки нет необходимости:
,
55,5 мм > 41,05 мм
→ значит проверять щеки на прочность нет необходимости.
Список использованной литературы
1. Воробьев В.И. Автомобильные двигатели. Расчет и конструирование автомобильного двигателя. Методические указания к выполнению курсового проекта для студентов дневной формы обучения специальности 1505 "Автомобили и автомобильное хозяйство"- Брянск БИТМ – 1990 – 42 с.
2. Колчин А.И. Демидов В.П. Расчет автотракторных двигателей. М, "Высшая школа" 1979, 345 с.
3. Ховак М.С. Маслов Т.С. Автомобильные двигатели изд. 2-е пер. и доп. М "Машиностроение", 1971, 4456 с.
Приложения
Приложение 1. Развёрнутая диаграмма износа шатунной шейки
