| Похожие рефераты | Скачать .docx |
Курсовая работа: Загрузка транспортного средства
Содержание
Введение
Данные по варианту
1. Расчёт единичного грузового места и формирование укрупнённой грузовой единицы
2. Заполнение грузового отделения сформированными грузовыми единицами
3. Оценка оптимальности загрузки
3.1 Загрузка полуприцепа коробками без паллетов
4. Маркировка сформированного грузового места
5. Схема загрузки грузового помещения
6. Определение нагрузок на оси и сцепное устройство транспортного средства
6.1 Расчет нагрузок на оси и сцепное устройство полуприцепа
6.2 Расчет нагрузок на оси тягача
7. Коррекция размещения груза в полуприцепе
7.1 Расчет нагрузок на оси и сцепное устройство полуприцепа
7.2 Расчет нагрузок на оси тягача
Заключение по результатам работы
Список использованной литературы
Введение
Цель работы:
1. Развитие и закрепление практических навыков выбора и формирования грузовых единиц.
2. Подготовке грузовых единиц к отправке, загрузке транспортного средства и определение нагрузок на оси транспортного средства (автомобиля) и узел сцепного устройства.
Постановка задачи:
1. Единичное грузовое место представляет собой ящичный груз с заданными геометрическими и массовыми характеристиками. Формирование укрупнённой грузовой единицы осуществляется на поддоне указанного типоразмера исходя из ограничений максимальной брутто-высоты и брутто-массы грузового места.
2. Для указанного типа транспортного средства (контейнера) производится заполнение грузового помещения сформированными грузовыми единицами исходя из условий максимального заполнения объёма грузового помещения (Ку -1) и выполнения ограничения по полной массе транспортного средства.
3. Оценивается оптимальность загрузки. Выбираются и осуществляются возможные варианты улучшения показателя загрузки транспортного средства.
4. Производится маркировка сформированного грузового места.
5. Для окончательного варианта составляется схема загрузки, и указываются все размеры, характеризующие положение груза относительно грузового помещения.
6. Определяются нагрузки на оси и сцепное устройство транспортного средства.
7. Даётся общее заключение по результатам работы.
Данные по варианту
Таблица 1 Характеристики груза, подлежащего транспортировке
| Наименование груза | Характеристики упаковки | Паллет | Ограниченияпаллета | Состав ТС | ||||||
| a, мм | b, мм | h, мм | m, кг | hп, мм | mп, кг | Hmax, м | Gmax, т | тягач | полуприцеп | |
| Овсяные хлопья | 600 | 300 | 300 | 25 | 160 | 40 | 1.8 | 1.0 | 2 | 2 |
Таблица 2 Массовые и геометрические характеристики тягача № 2
| Массовые характеристики, кг | Масса в снаряженном состоянии | 6515 |
| В т.ч. на переднюю ось | 4480 | |
| В т.ч. на заднюю ось | 2035 | |
| Допустимая нагрузка на ССУ | 13682 | |
| Полная масса | 20500 | |
| В т.ч. на переднюю ось | 7500 | |
| В т.ч. на заднюю ось (тележку) | 13000 | |
| Максимальная масса автопоезда | 40000 | |
| Геометрические характеристики, мм | h | 3700 |
| a | 1370 | |
| b | 3800 | |
| b1 | - | |
| l | 6160 | |
| x | 640 |
Таблица 3 Массовые и геометрические характеристики полуприцепа 2
| Массовые характеристики,кг | Полезная нагрузка | 30700 |
| Снаряженная масса | 7300 | |
| Полная масса | 38000 | |
| Распределение полной массы на дорогу | ||
| через опорное устройство | 20600 | |
| через оси | 17400 | |
| Распределение полной массы полуприцепа в составе автопоезда | ||
| на ССУ тягача | 14000 | |
| на дорогу через оси | 24000 | |
| Геометрические характеристики, мм | Габаритные размеры | |
| длина (A) | 13800 | |
| ширина (B) | 2550 | |
| высота (H) | 4000 | |
| погрузочная высота (F) | 1315 | |
| колесная база (G) | 8000 | |
| межосевое расстояние (G1) | 1310 | |
| колея | 2040 | |
| передний свес (L) | 1675 | |
| Внутренние размеры кузова | ||
| длина | 13620 | |
| ширина | 2480 | |
| высота | 2635 | |
| Полезная площадь, м2 | 33.8 | |
| Объем кузова с тентом, м2 | 89.1 | |
1. Расчет единичного грузового места и формирование укрупненной грузовой единицы
На рисунке 1 показаны размеры единичного грузового места.

Рис. 1. Габариты грузового места
=a*b*h= 0.6*0.3*0.3=0.054 м3
Рассмотрим возможное размещение груза на паллетах разных размеров, для этого необходимо рассчитать максимальное количество коробок на паллете – коэффициент кратности.
ПАЛЛЕТ 1200*800 (рис. 2)

Рис. 2. Размещение коробок на паллете 1200*800 (вид сверху)
Коэффициент кратности на таком паллете равен 4. По ширине паллета с обеих сторон останутся незанятыми по 100 см.
ПАЛЛЕТ 1200*1000 (рис. 3)

Рис. 3. Размещение коробок на паллете 1200*1000 (вид сверху)
Коэффициент кратности на таком паллете равен 6. По ширине паллета с обеих сторон останутся незанятыми по 50 см.
ПАЛЛЕТ 1200*1600 (рис. 4)
![]()
![]()
![]()
![]()

Рис. 4. Размещение коробок на паллете 1200*1600 (вид сверху)
Коэффициент кратности на таком паллете равен 10. По длине паллета с обеих сторон останутся незанятыми по 50 см.
ПАЛЛЕТ 1200*1800 (рис. 5)

Рис. 5. Размещение коробок на паллете 1200*1800 (вид сверху)
Коэффициент кратности на таком паллете равен 12.
Рассчитаем количество слоев, которые будут укладываться на каждом из типов паллетов с учетом ограничений по максимально допустимой высоте и максимально допустимой массе.
Вес паллета = 40 кг
Высота паллета = 0,16 м
=
=
=5.46
5
Максимально допустимая высота грузовой единицы для всех видов паллетов будет одинаковая – 5 слоев.
ПАЛЛЕТ 1200*800
=
=
=9.6
9
Вывод: на паллет 1200*800 укладывается 5 слоев коробок, в каждом слое по 4 коробки – всего 20 коробок. По ширине паллета с обеих сторон останутся незанятыми по 100 см.
Масса одного слоя =4*25=100 кг
Вес одного пакета =100*5+40=540 кг
Высота пакета =0.3*5+0.16=1.66 м
Объем пакета =1.2*0.8*1.66=1.5936 м3
Данная сформированная грузовая единица схематически показана на рисунке 6.

Рис. 6. Сформированная грузовая единица на паллете 1200*800
ПАЛЛЕТ 1200*1000
=
=
=6.4
6
Вывод: на паллет 1200*1000 укладывается 5 слоев коробок, в каждом слое по 6 коробок – всего 30 коробок. По ширине паллета с обеих сторон останутся незанятыми по 50 см.
Масса одного слоя =6*25=150 кг
Вес одного пакета =150*5+40=790 кг
Высота пакета =0.3*5+0.16=1.66 м
Объем пакета =1.2*1.0*1.66=1.992 м3
Данная сформированная грузовая единица схематически показана на рисунке 7.

Рис. 7. Сформированная грузовая единица на паллете 1200*1000
ПАЛЛЕТ 1200*1600
=
=
=3.84
3
Вывод: на паллет 1200*1600 укладывается 3слоя коробок, в каждом слое по 10 коробок – всего 30 коробок. По длине паллета с обеих сторон останутся незанятыми по 50 см.
Масса одного слоя =10*25=250 кг
Вес одного пакета =250*3+40=790 кг
Высота пакета =0.6*3+0.16=1.96 м
Объем пакета =1.2*1.6*1.96=3.7632 м3
Данная сформированная грузовая единица схематически показана на рисунке 8.

Рис. 8. Сформированная грузовая единица на паллете 1200*1600
ПАЛЛЕТ 1200*1800
=
=
= 3.2
3
Вывод: на паллет 1200*1800 укладывается 3слоя коробок, в каждом слое по 12 коробок – всего 36 коробок.
Масса одного слоя =12*25=300 кг
Вес одного пакета =300*3+40=940 кг
Высота пакета =0.6*3+0.16=1.96 м
Объем пакета = 1.2*1.8*1.96=4.2336 м3
Данная сформированная грузовая единица схематически показана на рисунке 9.

Рис. 9. Сформированная грузовая единица на паллете 1200*1800
2. Заполнение грузового отделения сформированными грузовыми единицами
Рассчитаем возможное количество перевозимых паллетов, исходя из грузоподъемности (полезной нагрузки транспортного средства). Необходимо учитывать ограничение по фактической массе транспортного средства – 40 000 кг. Таким образом, рассчитаем максимально допустимую массу груза:
M= 40000-mтяг-mпп= 40000-6515-7300=26185 кг
ПАЛЛЕТ 1200*800 N=26185/540=48.49≈48 паллетов
ПАЛЛЕТ 1200*1000N=26185/790=33.15≈33 паллета
ПАЛЛЕТ 1200*1600N=26185/790=33.15≈33 паллета
ПАЛЛЕТ 1200*1800N=26185/940=27.85≈27 паллетов
Рассмотрим возможные варианты размещения паллетов в полуприцепе. Характеристики полуприцепа берем из таблицы 3:
Длина кузова =13.62 м
Ширина кузова =2.48 м
Высота кузова =2.635 м
ПАЛЛЕТ 1200*800
В первом варианте (рис. 10.) можно разместить по 2 паллета по ширине кузова и 17 паллетов по ширине. При данной расстановке в полуприцеп можно загрузить 34 паллета.

Рис. 10. Первый вариант размещения паллетов 1200*800 в полуприцепе
Таким образом, можно увезти 680 коробок (34 паллета*20 коробок (4 коробки*5 слоев)). Брутто масса груза (включая паллеты) составит:
M = 34*540=18360 кг
Зная размеры паллетов и внутренние размеры кузова, можно найти, какая часть внутреннего пространства полуприцепа останется незанятой.
По длине останется: 13620-17*800=20 мм
По ширине останется: 2480-2*1200=80 мм (по 40 мм с каждой стороны, так как груз размещается посередине относительно стенок полуприцепа).
Данные паллеты можно разместить и по-другому: по 3 паллета по ширине кузова и по 11 по длине – всего 33 паллета (рис. 11).

Рис. 11. Второй вариант размещения паллетов 1200*800 в полуприцепе
Таким образом, можно увезти 660 коробок. Брутто масса груза (включая паллеты) составит: M = 33*540=17820 кг
По длине останется: 13620-11*1200=420 мм
По ширине останется: 2480-3*800=80 мм (по 40 мм с каждой стороны, так как груз размещается посередине относительно стенок полуприцепа).
ПАЛЛЕТ 1200*1000
В полуприцеп можно загрузить 26 таких паллетов. В этом случае можно увезти 780 коробок (рис. 12).

Рис. 12. Вариант размещения паллетов 1200*1000 в полуприцепе
Брутто масса груза (включая паллеты) составит:
M = 26*790=20540 кг
По длине останется: 13620-13*1000=620 мм
По ширине останется: 2480-2*1200=80 мм (по 40 мм с каждой стороны, так как груз размещается посередине относительно стенок полуприцепа).
ПАЛЛЕТ 1200*1600
В полуприцеп можно загрузить 16 паллетов такого размера - всего можно увезти 480 коробок (рис. 13).

Рис. 13. Вариант размещения паллетов 1200*1600 в полуприцепе
Брутто масса груза (включая паллеты) составит:
M = 16*790=12640 кг
По длине останется: 13620-8*1600=820 мм. По ширине останется: 2480-2*1200=80 мм (по 40 мм с каждой стороны, так как груз размещается посередине относительно стенок полуприцепа). Максимально использовать площадь грузового отделения можно, добавив 2 паллета 1200*800 (рис. 14).

Рис. 14. Вариант размещения паллетов 1200*1600 и 1200*800 в полуприцепе
Таким образом, общее количество коробок – 520. Брутто масса груза (включая паллеты) составит: M = 16*790+2*540=13720 кг
По длине останется: 13620-8*1600-800=20 мм
По ширине останется: 2480-2*1200=80 мм (по 40 мм с каждой стороны, так как груз размещается посередине относительно стенок полуприцепа).
ПАЛЛЕТ 1200*1800
В полуприцеп можно загрузить 14 паллетов такого размера - всего можно увезти 504 коробки (рис. 15).

Рис. 15. Вариант размещения паллетов 1200*1800 в полуприцепе
Брутто масса груза (включая паллеты) составит:
M = 14*940=13160 кг
По длине останется: 13620-7*1800=1020 мм
По ширине останется: 2480-2*1200=80 мм (по 40 мм с каждой стороны, так как груз размещается посередине относительно стенок полуприцепа).
Максимально использовать площадь грузового отделения можно, добавив 2 паллета 1200*1000 (рис. 16).

Рис. 16. Вариант размещения паллетов 1200*1800 и 1200*1000 в полуприцепе
Таким образом, общее количество коробок – 580. Брутто масса груза (включая паллеты) составит: M = 14*940+2*790=15300 кг
По длине останется: 13620-7*1800-1000=20 мм
По ширине останется: 2480-2*1200=80 мм (по 40 мм с каждой стороны, так как груз размещается посередине относительно стенок полуприцепа).
Вывод: из всех вышерассмотренных вариантов загрузки полуприцепа грузом на паллетах самым удобным является вариант использования паллетов с размерами 1200*1000. Загрузка производится по схеме, показанной на рисунке 12. Количество перевозимых коробок – 780, масса груза 20540 кг - грузоподъемность полуприцепа используется максимально. Общий объем груза составляет:
Vгруза=Nподдонов*V2=26*1.992=51.792 м3
3. Оценка оптимальной загрузки
Рассчитаем коэффициенты использования транспортного средства.
Общий объем груза составляет:
Vгруза=Nподдонов*V2=26*1.992=51.792 м3
Общая масса груза составляет 20540 кг.
Коэффициенты использования транспортного средства равны (коэффициенты загрузки): исходя из объема груза
=
=
=
≈0,582
=58,2%
исходя из максимальной грузоподъемности
=
=
≈0.784
=78.4%
3.1 Загрузка полуприцепа коробками без паллетов
Так как, рассчитанные выше коэффициенты использования транспортного средства достаточно низкие, рассмотрим вариант загрузки полуприцепа коробками без паллетов.
Грузоподъемность полуприцепа равна 26185 кг, масса одной коробки – 25 кг. Исходя из максимальной грузоподъемности полуприцепа, можно перевезти:
N=
=1047 коробок
Коробки с овсяными хлопьями можно поворачивать как угодно и это не принесет никакого вреда грузу, но размеры коробки таковы (600*300*300), что переворачивать их в вертикальное положение не имеет смысла. Исходя из этого, рассмотрим варианты расположения коробок по длине и ширине полуприцепа в горизонтальном положении.
Рассчитаем максимальное количество упаковок, учитывая реальные размеры полуприцепа и габариты коробки:
по высоте полуприцепа
=
=8.78≈8 коробок
по длине
=
=45.4≈45 коробок в одном ряду
=
=22.7≈22 коробкив одном ряду
по ширине
=
=4.13≈4 коробки
=
=8.27≈8 коробок
в одном слое можно разместить
=
*
=45*4=180 коробок или
=22*8=176 коробок.
Выгоднее размещать коробки в слое по первому варианту, т.е. 180 коробок - 45 коробок в одном ряду по длине кузова и 4 ряда коробок по ширине. Из-за ограничений по высоте в полуприцеп можно загрузить N=
*
=180*8=1440 коробок.
Вывод: в этом случае ограничением будет служить количество коробок по грузоподъемности, а не количество коробок по объему – таким образом, максимальное количество коробок принимаем 1047.
Количество слоев =
≈5.82
Принимаем, что загружаем ровно 5.8 слоев, так как3 коробки потребуют дополнительных креплений, а перевозка 3*25=75 кг не покрывает расходы на эти крепления.
Реально загруженное количество упаковок = 5.8*180=1044 шт.
Масса и объем груза:
M=N*mкоробки=1044*25=26100 кг
V=N*
=1044*0.054=56.376 м3
Оставшееся свободное место по высоте составит: 2635-5.8*300=895 мм
Оставшееся свободное место по длине составит: 13620-45*300=120 мм
Оставшееся свободное место по ширине составит: 2480-4*600=80 мм, по 40 мм с каждой стороны, так как груз размещается посередине относительно стенок полуприцепа.
Выбранный вариант загрузки приведен на рисунке 17.

Рис. 17. Загрузка полуприцепа коробками
Коэффициенты использования транспортного средства (коэффициенты загрузки) равны:
исходя из объема груза
=
=
≈0.633
=63.3%
исходя из максимальной грузоподъемности
=
=
≈0.997
=99.7%
Вывод: сравнивая варианты загрузки на паллетах и коробочную загрузку, выбираем коробочную:
коэффициент загрузки по объему 63.3% (при коробочной загрузке)
58,2% (при загрузке на паллетах)
коэффициент загрузки по массе 99.7% (при коробочной загрузке)
78.4% (при загрузке на паллетах)
В этом случае полуприцеп используется на 63.3% своего объема, а по грузоподъемности на 99.7%. Максимальное количество коробок 1044, масса груза 26100 кг.
4. Маркировка сформированного грузового места
Для перевозки груза была выбрана коробочная загрузка, теперь необходимо произвести маркировку коробок так, как показано на рисунке 18.

Рис. 18. Маркировка коробок
5. Схема загрузки грузового помещения
В качестве оптимального варианта загрузки полуприцепа была выбрана коробочная загрузка. В этом случае полуприцеп используется на 63.3% своего объема, а по грузоподъемности на 99.7%. Максимальное количество коробок 1044, масса груза 26100 кг. Расположение коробок в полуприцепе показано на рисунках 19 и 20.

Оставшееся свободное место по высоте составит: 2635-5.8*300=895 мм
Оставшееся свободное место по длине составит: 13620-45*300=120 мм
Оставшееся свободное место по ширине составит: 2480-4*600=80 мм, по 40 мм с каждой стороны, так как груз размещается посередине относительно стенок полуприцепа.
Количество слоев при данной загрузке составляет 5.8, по длине кузова 45 коробок в одном ряду, по ширине кузова 4 коробки – всего в одном слое 180 коробок. Последний верхний слой неполный – 144 коробки, что составляет 36 коробок в одном ряду по длине кузова.
Вывод: способ загрузки полуприцепа коробками без использования паллетов, позволяет максимально использовать данный полуприцеп, но при этом значительно усложняются процедуры погрузки и разгрузки, крепления груза в полуприцепе. Для верхнего неполного слоя необходимы дополнительные крепления, вследствие чего общие расходы на крепление груза возрастут.
6. Определение нагрузок на оси и сцепное устройство транспортного средства
Для упрощения расчетов разделим автопоезд на две составные части – тягач и полуприцеп, которые рассчитаем отдельно.
6.1 Расчет нагрузок на оси и сцепное устройство полуприцепа
Для расчетов необходимо знать, какие силы действуют на полуприцеп:
Снаряженная масса Fпп 7300 кг; Длина полуприцепа A13800 мм
Колесная высота G8000 мм; Передний свес L1675 мм
Масса груза Fгр26100 кг
Так как полуприцеп загружен одинаковыми коробками, то центр приложения силы Fгр будет находиться на пересечении диагоналей прямоугольника груза (рис. 21).
Следовательно:
Xгр=
=6750 мм
Xпп=0.8*G=0.8*8000=6400 мм
X1= Xгр-L=6750-1675=5075 мм

Рис. 21. Схема загрузки полуприцепа
Для расчета нагрузок Rсу и R3 примем прямоугольную систему координат XY, начало которой расположено в точке сцепного устройства (рис. 22).

Рис. 22. Схема сил действующих на полуприцеп
Необходимо записать условия равновесия для полуприцепа:

Из уравнения моментов сил определим нагрузку па тележку полуприцепа Rз:
R3=
=
=22397 кг
Из уравнения проекций сил на ось Y найдем Rсу:
Rсу=Fгр+Fпп-R3=26100+7300-22397=11003 кг
6.2 Расчет нагрузок на оси тягача
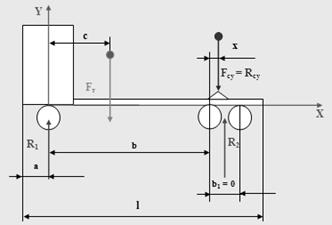
Для расчетов необходимо знать, какие силы действуют на тягач (рис. 23):
Масса в снаряженном состоянии Fт 6515 кг
В том числе на заднюю ось R2 2035 кг
Допустимая нагрузка на ССУ Rсу 13682 кг
Полная масса автопоезда ∑R40000 кг
b3800 мм
b1 0 мм
x 640 мм

Рис. 23. Схема сил, действующих на тягач
Для определения нагрузок на оси тягача, примем прямоугольную систему координат (рис. 23), начало которой совместим с передней осью тягача.
Координаты сил в принятой системе координат равны:
xсу=b+x
x2=b+![]()
Составляем условия равновесия для тягача:

Рассчитаем координату центра тяжести тягача, используя уравнение моментов нагрузок на оси (от собственной массы тягача) относительно центра тяжести тягача:
Fтяг*c-R2*(b+
) =0
c=
=
=1186.95 мм ≈1.187 м
Из уравнения моментов сил определим нагрузку на заднюю ось тягача R2:
R2=
=
=14891 кг
Нагрузка на переднюю ось тягача:
R1=Fтяг+ Fсу- R2=6515+11003-14891=2627 кг
Проверим полученные результаты:
R1+ R2+ R3= Fтяг+ Fгр+Fпп
2627+14891+22397=6515+26100+7300
39915=39915
Равенство полученных результатов означает, что расчеты выполнены правильно, теперь необходимо сравнить расчетные нагрузки с допустимыми ограничениями (табл. 4)
Таблица 4 Сравнение результатов расчета с допустимыми ограничениями
| Тягач | Допустимая нагрузка, кг | Расчетная нагрузка, кг |
| На переднюю ось R1 | 4480 | 2627 |
| На заднюю ось R2 | 13000 | 14891 |
| На седельно-сцепное устройство Rсу | 13682 | 11003 |
| Полуприцеп | ||
| На седельно-сцепное устройство Rсу | 14000 | 11003 |
| На заднюю осьR3 | 24000 | 22397 |
| Состав ТС (тягач + полуприцеп) | ||
| Фактическая масса ∑R | 40000 | 39915 |
Вывод: при коробочной загрузке транспортного средства превышается одно из допустимых параметров нагрузки – на заднюю ось тягача. Но при этом есть небольшой запас по нагрузке на заднюю ось полуприцепа. Следовательно, необходимо произвести коррекцию размещения груза в полуприцепе.
7. Коррекция размещения груза в полуприцепе
В первоначальном варианте загрузки груз размещался вплотную к передней стенке грузового отделения. В задней части полуприцепа есть свободное место, на которое мы можем сдвинуть груз, таким образом, уменьшив нагрузку на заднюю ось тягача.
Используя схему сил, действующих на полуприцеп (см. рис. 22), рассчитаем новое расположение центра тяжести груза, учитывая максимальную допустимую нагрузку на заднюю ось полуприцепа R3:
X1.1=
=
≈5.57 м
Груз в кузове можно сдвинуть на:
∆X= X1.1- X1=5570-5075=495 мм
Реальные габариты груза и внутренний размер грузового отделения позволяют переместить весь груз на:
∆Xmax=13620-45*300=120 мм
Сдвинем груз на 120 мм и пересчитаем нагрузки на оси и сцепное устройство состава транспортных средств. Новая координата центра тяжести груза в принятой системе координат (см. рис. 22) для полуприцепа равна:
=5075+120=5195 мм
Условия равновесия для полуприцепа (см. рис. 22):

Из уравнения моментов сил определим новую нагрузку на заднюю ось полуприцепа:
=
=
≈22789 кг
Из уравнений проекций сил на ось Y определим нагрузку на сцепное устройство:
=Fгр+Fпп-
=26100+7300-22789=10611 кг
Условия равновесия для тягача:

Из уравнения моментов сил определим новую нагрузку на заднюю ось тягача:
=
=
=14433 кг
Вывод: перегрузка на заднюю ось тягача по-прежнему остается высокой.
По высоте полуприцепа есть большой запас 2635-5.8*300=895 мм. Воспользуемся этим пространством, уменьшив количество коробок в одном ряду по длине полуприцепа с 45 до 40 штук. Всего в слое будет 160 коробок (40*4). Мы перевозим 1044 коробки, следовательно, количество слоев =
≈6.525. Допустим, что загружаем ровно 6.5 слоев (хотя 4 коробки, которые мы не берем, не потребуют дополнительных креплений, но 4*25=100 кг при коррекции нагрузок дадут превышение на заднюю ось тягача).
Таким образом, появится больше места по длине кузова (13620-40*300=1620 мм) и мы сможем уменьшить нагрузку на заднюю ось тягача, переместив груз к задней стенке полуприцепа.
Реально загруженное количество упаковок = 6.5*160=1040 шт.
Масса и объем груза: M=N*mкоробки=1040*25=26000 кг
V=N*
=1040*0.054=56.16 м3
Оставшееся свободное место по высоте составит: 2635-6.5*300=685 мм
Оставшееся свободное место по длине составит: 13620-40*300=1620 мм
Оставшееся свободное место по ширине составит: 2480-4*600=80 мм, по 40 мм с каждой стороны, так как груз размещается посередине относительно стенок полуприцепа.
Последний верхний слой неполный – 80 коробок, что составляет 20 коробок в одном ряду по длине кузова.
Измененный вариант загрузки приведен на рисунках 24 и 25.

Рис. 24. Загрузка полуприцепа коробками - вид сверху

Рис. 25. Загрузка полуприцепа коробками - вид сбоку
Поскольку изменилось количество перевозимых коробок, изменится и маркировка (рис. 26)

Рис. 26. Маркировка коробок
Теперь вновь необходимо рассчитать коэффициенты использования транспортного средства (коэффициенты загрузки):
исходя из объема груза
![]()
=
=
≈0.631
=63.1%
исходя из максимальной грузоподъемности
=
=
≈0.993
=99.3%
7.1 Расчет нагрузок на оси и сцепное устройство полуприцепа
Силы, действующие на полуприцеп, остались те же, за исключением массы груза:
Снаряженная масса Fпп 7300 кг
Длина полуприцепа A13800 мм
Колесная высота G8000 мм
Передний свес L1675 мм
Масса груза Fгр26000 кг
Xгр=
=6000 мм
Xпп=0.8*G=0.8*8000=6400 мм
X1= Xгр-L=6000-1675=4325 мм
Для расчета нагрузок Rсу и R3 примем прямоугольную систему координат XY, начало которой расположено в точке сцепного устройства (см. рис. 22).
Условия равновесия для полуприцепа:

Из уравнения моментов сил определим нагрузку па тележку полуприцепа Rз:
R3=
=
=19896 кг
Из уравнения проекций сил на ось Y найдем Rсу:
Rсу=Fгр+Fпп-R3=26000+7300-19896=13404 кг
7.2 Расчет нагрузок на оси тягача
Для расчетов необходимо знать, какие силы действуют на тягач (см. рис. 23):
Масса в снаряженном состоянии Fт 6515 кг
В том числе на заднюю ось R2 2035 кг
Допустимая нагрузка на ССУ Rсу 13682 кг
Полная масса автопоезда ∑R40000 кг
b3800 мм
b1 0 мм
x 640 мм
Для определения нагрузок на оси тягача, примем прямоугольную систему координат (см. рис. 23), начало которой совместим с передней осью тягача.
Координаты сил в принятой системе координат равны:
xсу=b+x
x2=b+![]()
Условия равновесия для тягача:

Рассчитаем координату центра тяжести тягача, используя уравнение моментов нагрузок на оси (от собственной массы тягача) относительно центра тяжести тягача:
Fтяг*c-R2*(b+
) =0
c=
=
=1186.95 мм ≈1.187 м
Из уравнения моментов сил определим нагрузку на заднюю ось тягача R2:
R2=
=
=17697 кг
Нагрузка на переднюю ось тягача:
R1=Fтяг+ Fсу- R2=6515+13404-17697=2222 кг
Проверим полученные результаты:
R1+ R2+ R3= Fтяг+ Fгр+Fпп
2222+17697+19896=6515+26000+7300
39815=39815
Равенство полученных результатов означает, что расчеты выполнены правильно, теперь необходимо сравнить расчетные нагрузки с допустимыми ограничениями (табл. 5)
Таблица 5 Сравнение результатов расчета с допустимыми ограничениями
| Тягач | Допустимая нагрузка, кг | Расчетная нагрузка, кг |
| На переднюю ось R1 | 4480 | 2222 |
| На заднюю ось R2 | 13000 | 17697 |
| На седельно-сцепное устройство Rсу | 13682 | 13404 |
| Полуприцеп | ||
| На седельно-сцепное устройство Rсу | 14000 | 13404 |
| На заднюю осьR3 | 24000 | 19896 |
| Состав ТС (тягач + полуприцеп) | ||
| Фактическая масса ∑R | 40000 | 39815 |
Вывод: в данном случае тоже есть превышение допустимого параметра нагрузки на заднюю ось тягача. Но теперь у нас есть большой запас по нагрузке на заднюю ось полуприцепа. Произведем коррекцию размещения груза в полуприцепе, то есть сдвинем груз в заднюю часть кузова.
Используя схему сил, действующих на полуприцеп (см. рис. 22), рассчитаем новое расположение центра тяжести груза, учитывая максимальную допустимую нагрузку на заднюю ось полуприцепа R3:
X1.1=
=
≈5.588 м
Груз в кузове можно сдвинуть на:
∆X= X1.1- X1=5588-4325=1263 мм
Реальные габариты груза и внутренний размер грузового отделения позволяют переместить весь груз на:
∆Xmax=13620-40*300=1620 мм
Так как ∆Xmax≥ ∆X, то мы можем сдвинуть груз на ∆X, то есть на 1263. Значит
=
= 24000 кг
Условия равновесия для полуприцепа (см. рис. 22):

Из уравнений проекций сил на ось Y определим нагрузку на сцепное устройство:
=Fгр+Fпп-
=26000+7300-24000=9300 кг
Условия равновесия для тягача:

Из уравнения моментов сил определим новую нагрузку на заднюю ось тягача:
=
=
=12901 кг
Нагрузка на переднюю ось тягача:
=Fтяг+
-![]()
=6515+9300-12901=2914 кг
Проверим полученные результаты:
+
+
= Fтяг+ Fгр+Fпп
2914+12901+24000=6515+26000+7300
39815=39815
Равенство полученных результатов означает, что расчеты выполнены правильно, теперь необходимо сравнить расчетные нагрузки с допустимыми ограничениями (табл. 6)
Таблица 6 Сравнение результатов расчета с допустимыми ограничениями
| Тягач | Допустимая нагрузка, кг | Расчетная нагрузка, кг |
| На переднюю ось R1 | 4480 | 2914 |
| На заднюю ось R2 | 13000 | 12901 |
| На седельно-сцепное устройство Rсу | 13682 | 9300 |
| Полуприцеп | ||
| На седельно-сцепное устройство Rсу | 14000 | 9300 |
| На заднюю осьR3 | 24000 | 24000 |
| Состав ТС (тягач + полуприцеп) | ||
| Фактическая масса ∑R | 40000 | 39815 |
Вывод: ни одно из ограничений не нарушено. Транспортное средство загружено правильно.
Заключение по результатам работы
Курсовая работа состоит из двух частей. В первой части было необходимо подготовить груз к погрузке в транспортное средство. Во второй - для выбранного варианта загрузки рассчитать фактические нагрузки на оси и сцепное устройство состава транспортных средств, а также из-за превышения одного из ограничений по массе произвести коррекцию груза.
Для выполнения данной работы было дано четыре типа паллетов разных размеров: 1200*800, 1200*1000, 1200*1600 и 1200*1800. Необходимые действия для формирования грузовой единицы:
рассмотреть возможное размещение груза на этих паллетах;
рассчитать количество слоев, которые будут укладываться на каждом из типов паллетов с учетом ограничений по максимально допустимой высоте и максимально допустимой массе;
рассчитать возможное количество перевозимых паллетов, исходя из грузоподъемности;
рассмотреть возможные варианты размещения паллетов в полуприцепе.
Из всех вариантов загрузки полуприцепа грузом на паллетах был выбран вариант использования паллетов с размерами 1200*1000. Количество перевозимых коробок – 780, масса груза 20540 кг. Общий объем груза составляет 51.792 м3.
Коэффициенты использования транспортного средства при загрузке на паллетах:
исходя из объема груза
=58,2%
исходя из максимальной грузоподъемности
=78.4%
Так как коэффициенты использования транспортного средства при загрузке на паллетах достаточно низкие, то было принято решение рассмотреть вариант загрузки полуприцепа коробками без паллетов. С учетом ограничений по грузоподъемности и объему, можно загрузить 1044 коробки - 180 коробок в одном слое, 45 коробок в одном ряду по длине кузова и 4 ряда коробок по ширине, 5.8 слоев. Последний верхний слой неполный – 144 коробки, что составляет 36 коробок в одном ряду по длине кузова.
Масса и объем груза: M= 26100 кг, V= 56.376 м3.
Оставшееся свободное место по высоте составляет 895 мм.
Оставшееся свободное место по длине составляет 120 мм.
Оставшееся свободное место по ширине составляет 80 мм, по 40 мм с каждой стороны, так как груз размещается посередине относительно стенок полуприцепа. Коэффициенты использования транспортного средства (коэффициенты загрузки) равны:
исходя из объема груза
=63.3%
исходя из максимальной грузоподъемности
=99.7%
Такой способ загрузки позволяет максимально использовать данный полуприцеп, но при этом значительно усложняются процедуры погрузки и разгрузки, крепления груза в полуприцепе. Для верхнего неполного слоя необходимы дополнительные крепления, вследствие чего общие расходы на крепление груза возрастают.
При определении фактических нагрузок на оси и сцепное устройство состава транспортных средств, оказалось превышено одно из допустимых параметров нагрузки – на заднюю ось тягача. Небольшой запас по нагрузке на заднюю ось полуприцепа позволил сделать коррекцию размещения груза в полуприцепе – сдвинуть коробки к задней части кузова на 120 мм, но перегрузка на заднюю ось тягача по-прежнему осталась высокой.
Тогда было принято решение использовать пространство в 895 мм по высоте полуприцепа, уменьшив количество коробок в одном ряду по длине кузова с 45 до 40 штук. Всего к погрузке было подготовлено 1040 коробок - в одном слое 160 штук (40*4), 6.5 слоев. Последний верхний слой неполный – 80 коробок, что составляет 20 коробок в одном ряду по длине кузова.
Масса и объем груза: M= 26000 кг, V= 56.16 м3
Оставшееся свободное место по высоте составляет 685 мм.
Оставшееся свободное место по длине составляет 1620 мм.
Оставшееся свободное место по ширине составляет 80 мм, по 40 мм с каждой стороны, так как груз размещается посередине относительно стенок полуприцепа.
Таким образом, было освобождено место по длине кузова на 1620 мм, чтобы уменьшить нагрузку на заднюю ось тягача, переместив груз к задней стенке полуприцепа. Это позволило добиться соблюдения всех допустимых ограничений.
Окончательные значения коэффициентов использования транспортного средства:
исходя из объема груза
=63.1%
исходя из максимальной грузоподъемности
=99.3%
Список использованной литературы
1. Конспект лекций
2. А. Н. Медведев, Задания и методические указания к выполнению курсовой работы по дисциплине "Грузы и обработка грузов", Рига: Институт Транспорта и Связи, 2008. 28 с.
Похожие рефераты:
Разработка программы совершенствования организации международных перевозок
Организация погрузочно-разгрузочных работ в порту
Перевозка грузов автомобильным траспортом
Перевозка грузов Ж.Д. транспортом
Транспортная политика в Республике Беларусь
Cовершенствование организации перевозок контейнеров
Организация перевозок и управление на транспорте
Организация перевозки грузов железнодорожным транспортом
Оборудование летательных аппаратов
Организация сервиса при доставке грузов потребителям
Организация перевозок скоропортящихся грузов на направлении Унгены-Москва
Место и роль промышленного транспорта в транспортной системе
Увеличение грузооборота порта путем внедрения новой конструкции спредера крана