| Похожие рефераты | Скачать .docx |
Курсовая работа: Организация движения поездов на отделении дороги
Введение
В единой транспортной системе страны, обеспечивающей потребности народного хозяйства и населения в перевозках, важная роль принадлежит железнодорожному транспорту. На железные дороги приходится около 80% грузовых и 40% пассажирских перевозок. Ведущее положение железнодорожного транспорта объясняется такими качествами, как обеспечение массовых перевозок любых грузов на дальние расстояния, сравнительно низкая себестоимость, массовость, регулярность, надёжность и быстрота перевозок, повсеместность расположения сети, возможность работы независимо от времени года и климатических условий.
Кроме всего этого железнодорожный транспорт имеет ещё ряд технико-экономических особенностей, которые имеют большое значение для развития народного хозяйства:
- Возможность прокладки на любой сухопутной территории;
- Осуществление перевозок на огромных пространствах;
- Возможность перевозки негабаритных грузов;
- Реализация больших скоростей движения при относительно высокой степени безопасности;
- Большая маневренность в использовании вагонного парка, изменении направлений вагонопотоков в обход повреждённых или загруженных участков;
- Наименьшее отрицательное воздействие на окружающую среду;
- Большая значимость во внешнеэкономических связях и в деле обороны страны;
Несмотря на преимущества железнодорожного транспорта, он постоянно совершенствуется. Одно из основных направлений совершенствования работы железнодорожного транспорта является рассмотрение проекта Стратегической программы развития компании ОАО "РЖД", которое состоялось 10 июня 2004 года. В этом проекте выделяется пять стратегических задач, которые и будут являться основными направлениями совершенствования:
· Увеличение "масштаба" транспортного бизнеса;
· Повышение производственно-экономической эффективности;
· Повышение качества работы и безопасности перевозок;
· Глубокая интеграция в Евроазиатскую транспортную систему;
· Повышение финансовой устойчивости;
Совершенствование, повышение долгосрочной эффективности и финансовой устойчивости ОАО "РЖД", улучшение качества предоставляемых услуг, увеличение масштаба транспортного производства и интеграция России в Евроазиатскую транспортную систему невозможно без дальнейшего развития инфраструктуры железных дорог, модернизации технических средств, централизации управления эксплуатационной деятельностью, внедрения современных технологий.
Одним из самых ценных преимуществ высокоскоростного движения на направлениях сети железных дорог является экономия времени на перемещение грузов и пассажиров. Кроме того, здесь обеспечены высокий уровень комфорта и заданная степень безопасности пассажира. Все эти показатели напрямую зависят от графика движения поездов. График движения поездов является основой организации всей перевозочной работы на железнодорожном транспорте. График организует работу всех подразделений в единое целое. На его основе согласовывается деятельность железных дорог с предприятиями – грузоотправителями и грузополучателями, определяются показатели использования вагонов и локомотивов, осуществляется своевременная и безопасная перевозка пассажиров. Соблюдение графика движения поездов и предупреждение его нарушений является главным условием для всех работников, связанных с организацией движения.
К графику движения поездов предъявляются следующие требования:
· Обеспечение выполнения плана перевозок грузов и пассажиров прокладкой на каждом участке определённого числа пассажирских и грузовых поездов;
· Обеспечение безопасности движения поездов соблюдением перегонных времён хода поездов, станционных и межпоездных интервалов, норм стоянок поездов для технических и коммерческих операций, установленных требований при приёме и отправлении поездов и производстве маневровой работы и т.д.
· Наиболее эффективное использование пропускной и провозной способности участков и перерабатывающей способности станций, которое достигается рациональной прокладкой поездов на графике, правильным чередованием подвода к станциям транзитных и разборочных поездов;
· Высокопроизводительное использование подвижного состава с помощью чёткого согласования графиков движения поездов и оборота локомотивов на смежных участках, на междудорожных и пограничных стыках и применения прогрессивных методов эксплуатации;
· Соблюдение установленной продолжительности работы локомотивных и поездных бригад организацией на направлении пунктов подмены бригад;
· Предоставление возможности выполнения работ по текущему содержанию пути, сооружений, устройств электроснабжения, СЦБ и связи выделением в графике технологических "окон" продолжительностью 60-120 мин.
1. Технико-эксплуатационная характеристика участков отделения
В состав данного отделения входит три участка. Участок Д – Е: двухпутный, оборудован автоблокировкой. Участок Е – К: однопутный, оборудован полуавтоматической блокировкой. Участок Е – Ж: однопутный, оборудован полуавтоматической блокировкой.
На всех участках применяется электровозная тяга. По участкам отделения проследуют пассажирские и пригородные поезда. Размеры пассажирского движения: на участке Д – Е в нечётном направлении 2 скорых, 2 пассажирских, 2 пригородных. В чётном направлении 2 скорых, 2 пассажирских, 2 пригородных поезда; на участке Е – К в нечётном направлении 1 скорый, 1 пассажирский, 1 пригородный поезд. В чётном направлении 1 скорый, 1 пассажирский, 1 пригородный поезд; на участке Е – Ж в нечётном направлении 1 скорый, 1 пассажирский, 1 пригородный поезд. В чётном направлении 1 скорый, 1 пассажирский, 1 пригородный поезд.
В грузовом движении: на участке Д – Е в нечётном направлении проходит 20 сквозных, 8 участковых, 1 сборный поезд. В чётном 20 сквозных, 9 участковых, 1 сборный поезд; на участке Е – К в нечётном направлении 10 сквозных, 3 участковых, 1 сборный поезд. В чётном направлении 10 сквозных, 4 участковых, 1 сборный поезд; на участке Е – Ж в нечётном направлении 10 сквозных, 3 участковых, 1 сборный поезд. В чётном направлении 10 сквозных, 3 участковых, 1 сборный поезд.
На участке Е – К в нечётном направлении ежесуточно грузится в нечётном направлении 39 вагонов, в чётном направлении 39 вагонов, выгружается в нечётном направлении 33 вагона, в чётном направлении 42 вагона;
На станции Е для обслуживания пассажирские скорые и пассажирские поезда стоят по 10 мин. На промежуточных станциях участков пассажирские поезда для обслуживания пассажиров имеют стоянки по 2 мин, а пригородные поезда по 1 мин.
Пригородные поезда на станции оборота для обслуживания пассажиров и смены кабины управления локомотивной бригады имеют стоянки по 10 мин. Грузовые поезда на станции Е для смены локомотива, локомотивной бригады, технического и коммерческого осмотра составов имеют стоянки по 30 мин. Сборные поезда на промежуточных станциях для прицепки и отцепки вагонов имеют стоянки – 45 мин, при прицепке или отцепке – 30 мин, на опорных промежуточных станциях – 25 мин.
2. Расчёт станционных и межпоездных интервалов
2.1 Расчёт станционного интервала неодновременного прибытия
Исходные данные:
- длина входной горловины, Lвх = 800 м;
- длина тормозного пути, Lм = 1100 м;
- длина поезда, Lп = 800 м;
- средняя скорость движения на однопутном участке, Vср = 55 км/ч;
- длина блок-участков: Lбл ’ = 2500 м, Lбл ’’ = 2000 м, Lбл ’’’ = 2300 м;
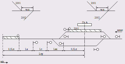
Станционным интервалом неодновременного прибытия называется минимальное время с момента прибытия на станцию одного поезда до момента прибытия или проследования через станцию поезда встречного направления.



![]()
Lпр = 800 + 1100 + 800 = 2700 м

Принимаем интервал неодновременного прибытия – 4 мин.
2.2 Расчёт станционного интервала скрещения
Станционным интервалом скрещения называется минимальное время с момента прибытия или проследования через станцию одного поезда до момента отправления на освободившийся перегон.

Принимаем станционный интервал скрещения – 1 мин.
2.3 Расчёт станционного интервала попутного следования
Интервалом попутного следования называется минимальное время с момента прибытия или проследования поезда через соседнюю станцию до момента отправления или проследования через данную станцию поезда попутного следования.




Принимаем станционный интервал попутного следования – 4 мин.
2.4 Расчёт интервала между поездами в пакете при АБ
Пакетом называется 2 и более поездов, следующих друг за другом с разграничением времени блок-участками или блок-постами.

При разграничении поездов тремя блок-участками, интервал между поездами в пакете определяется по формуле:

![]()
При разграничении поездов двумя блок-участками, интервал между поездами в пакете определяется по формуле:

![]()
3. Расчёт пропускной способности участков отделения
Вычерчиваем схему однопутного участка Е – К, наносим на неё наименование раздельных пунктов и перегонные времена хода грузовых поездов

Труднейшим перегоном участка Е – К является перегон С – Т с максимальным временем хода пары поездов.
Выбираем оптимальную схему пропуска поездов по труднейшему перегону, для этого рассматриваем 4 возможные схемы пропуска, для каждой схемы подсчитываем период графика. Оптимальной схемой является схема, где период графика минимальный.
1. Сходу на труднейший перегон

Тпер = tх ’ + tх ’’ + 2tн . п . + 2tз = 20 + 21 + 2×4 + 2×1 = 51 мин;
где tх ’ и tх ’’ – время хода по перегону Т – С и С – Т;
tн.п. и tз – интервал неодновременного прибытия и время на замедление;
2. Сходу с труднейшего перегона

Тпер = tх ’’ + tх ’ + 2tс + 2tр = 21 + 20 + 2×1 + 2×4 = 47 мин;
3. Нечётные поезда пропускаются сходу через оба раздельных пункта

Тпер = tх ’ + tх ’’ + tс + tр + tз + tн.п. = 20 + 21 + 1 + 2 + 1 + 4 = 49 мин;
4. Чётные поезда пропускаются сходу через оба раздельных пункта

Тпер = tх ’’ + tс + tх ’ + tр + tз + tн.п = 21 + 1 + 20 + 2 + 1 + 4 = 49 мин;
Самой оптимальной схемой пропуска является схема пропуска поездов сходу с труднейшего перегона, т.к. период графика является минимальным.
Намечаем порядок пропуска поездов по всем перегонам однопутного участка, начиная с труднейшего перегона.
Тпер Е - п = tх ’ + tн . п . + tх ’’ + tс + tр + tз + tз = 15 + 4 + 16 + 1 + 2 + 2 = 40 мин;
Тпер п-р = tр + 2tс + tх ’ + tх ’’ + tр = 1 + 4 + 17 + 17 + 1 = 40 мин;
Тпер р-с = 2tн.п. + tх ’ + tх ’’ + 2tз = 8 + 16 + 17 + 2 = 43 мин;
Тпер с-т = tх ’ + tс + tх ’’ + tс + 2tр = 21 + 1 + 20 + 1 + 4 = 47 мин;
Тпер т-ш = tн.п. + tх ’ + tн.п. + tх ’’ + 2tз = 4 + 16 + 4 + 18 + 2 = 44 мин;
Тпер ш-щ = tх ’ + tс + tх ’’ + tс + 2tр = 17 + 1 + 16 + 1 + 4 = 39 мин;
Тпер щ-К = tх ’’ + tн.п. + tх ’ + tс + tр + 2tз = 16 + 4 + 17 + 1 + 4 =42 мин;
Рассчитываем пропускную способность участка:

где Ттех – продолжительность технологического окна (60 мин);
aн – коэффициент надёжности технических устройств для одного пути aн – 0,96, для двухпутного aн – 0,92;
k – количество поездов в периоде;
Тпер – продолжительность периода;
1440 – суточный бюджет времени;
![]()
![]()
![]()

![]()
![]()
![]()

Пропускная способность перегона при непараллельном графике определяется по формуле:
Nгр = Nmax - eпс × Nпс - eпр × Nпр – (eсб – 1) × Nсб – (eуск – 1) × Nуск ;
где Nmax – пропускная способность участка при параллельном графике;
e - коэффициент съёма грузовых поездов;
N – число пар поездов пассажирских, пригородных, сборных, ускоренных;
Принимаем:
Nпс = 2 пары Nпр = 1 пара Nсб = 1 пара |
eпс = 1,4 eпр = 1,4 eсб = 1,8 |
Nгр Е-п = 33 – 1,4 × 2 – 1,4× 1 – (1,8 – 1) × 1 = 28 пар поездов;
Nгр п-р = 33 – 1,4 × 2 – 1,4× 1 – (1,8 – 1) × 1 = 28 пар поездов;
Nгр р-с = 30 – 1,4 × 2 – 1,4× 1 – (1,8 – 1) × 1 = 25 пар поездов;
Nгр с-т = 28 – 1,4 × 2 – 1,4× 1 – (1,8 – 1) × 1 = 23 пар поездов;
Nгр т-ш = 30 – 1,4 × 2 – 1,4× 1 – (1,8 – 1) × 1 = 25 пар поездов;
Nгр ш-щ = 33 – 1,4 × 2 – 1,4× 1 – (1,8 – 1) × 1 = 28 пар поездов;
Nгр щ-К = 31 – 1,4 × 2 – 1,4× 1 – (1,8 – 1) × 1 = 26 пар поездов;
Для определения результативной пропускной способности, строим диаграмму пропускной способности участка Е – К;

Nнал = 23 пары поездов;
Nпотр = 14 пар поездов;
Так как наличная пропускная способность больше потребной, то можно пропустить данное количество поездов.
Пропускная способность двухпутного участка при параллельном графике определяется по формуле:
![]()
где I – интервал в пакете при АБ (8 мин);
![]()
Для определения пропускной способности двухпутного участка при непараллельном графике принимаем:
Nпс = 4 пары Nпр = 2 пара Nсб = 2 пара |
eпс = 1,4 eпр = 1,4 eсб = 1,8 |
Nгр = 151 – 1,4 × 4 – 1,4 × 2 – (1,8 – 1) × 2 = 141 поезд;
4. Организация местной работы на одном из участков отделения
Составляем косую таблицу суточной погрузки и выгрузки и определяем баланс порожних вагонов для каждой промежуточной станции

Выстраиваем схему развоза местного груза на участке Е – К. Принимаем направление движения порожних вагонопотоков – нечётное;

Определяем потребное количество сборных вагонов и устанавливаем схему пропуска по формулам:
![]()
![]()
![]()
![]()
Для определения схемы пропуска сборных поездов на участке необходимо сравнить
N1 + N4 и N2 + N3 ;
N1 + N4 < N2 + N3
37 + 39 < 40 + 42
Так как N1 + N4 < N2 + N3 , то первым отправляется чётный сборный поезд со станции К.
Рассчитываем простой вагонов по каждой схеме.
| Наименование станций | Номер поезда, подающего вагоны | Время прибытия | Количество отцепляемых вагонов | Номер поезда, убирающего вагоны | Время отправления | Количество прицепляемых вагонов | Простой на промежуточных станциях, ч | Вагоночасы простоя | Количество грузовых операций | |
| щ | 3401 | 20.26 | 5/6 | 3402 3401 |
5.49 21.11 |
5 6 |
9,4 24,8 |
47 148,8 |
10 12 |
|
| ш | 3402 3401 |
6.08 19.21 |
8 6/2 |
3401 3402 |
20.06 6.53 |
8 8 |
13,9 11,5 |
111,2 95 |
16 16 |
|
| т | 3401 3402 |
18.35 7.14 |
5 0/3 |
3402 3401 |
7.59 19.05 |
5 3 |
13,4 11,9 |
67 35,7 |
10 6 |
|
| с | 3402 3401 |
8.23 17.27 |
7 6 |
3401 3402 |
18.12 8.53 |
7 6 |
10,8 15,5 |
75,6 93 |
14 12 |
|
| р | 3402 3401 |
9.13 16.23 |
7 6 |
3401 3402 |
17.08 9.58 |
0/7 6 |
5,9 17,6 |
41,3 105,6 |
7 12 |
|
| п | 3402 3401 |
10.08 15.18 |
15 10/2 |
3402 3401 |
16.03 11.03 |
15 12 |
6,8 19,8 |
102 237,6 |
16 16 |
|
| Итого | 75/13 | 81/7 | 1159,8 | 169 | ||||||
| ш | 3402 3401 |
5.35 14.45 |
13 11/11 |
3401 3402 |
15.10 6.00 |
13 22 |
9,6 15,3 |
124,8 336,6 |
26 44 |
|
| р | 3402 3401 |
6.59 13.25 |
29 22/2 |
3401 3402 |
13.50 7.24 |
25/4 21/3 |
6,9 17,9 |
200,1 429,6 |
54 45 |
|
| Итого | 75/13 | 81/7 | 1091,1 | 169 | ||||||
Рассчитываем средний простой местного вагона, средний простой на одну грузовую операцию и коэффициент сдвоенных операций для участка по формулам:

Определяем стоимость рассмотренных вариантов, для выбора оптимального варианта местной работы.

По результатам расчётов мы видим, что оптимальным вариантом местной работы является 2 вариант (с использованием диспетчерских локомотивов), так как стоимость этого варианта меньше чем 1 вариант на 1653,28 руб.
5. Составление графика движения поездов
пропускной железный дорога грузовой пассажирский
График движения поездов – документ, объединяющий деятельность всех подразделений железнодорожного транспорта, обеспечивающим слаженность в их работе. График движения поездов является основой организации работы на железнодорожном транспорте. На его основе согласовывается деятельность железных дорог с предприятиями – грузоотправителями и грузополучателями, определяются показатели использования вагонов и локомотивов, осуществляется своевременная и безопасная перевозка пассажиров. Соблюдение графика движения поездов и предупреждение его нарушений является главным условием для всех работников, связанных с организацией движения.
График движения поездов составляется на стандартной сетке с масштабом времени и расстояний. Горизонтальными линиями обозначаются оси раздельных пунктов, расстояния между которыми соответствуют расстояниям между осями раздельных пунктов.
По вертикали сетка утолщенными линиями разделена на 24 часа. Каждая часовая полоса тонкими линиями делится на 6 равных полос, соответствующих 10-минутным интервалам. Получасовые линии для удобства чтения выделяются пунктиром.
С левой и правой стороны сетки помещаются таблицы, в которых указываются все необходимые данные по графику движения.
С левой стороны – размещение технических пунктов и время стоянок под операциями смены локомотивов СЛ, смены локомотивных бригад СБ, технического осмотра состава ТО, снабжения состава водой НВ. В этой же колонке пишется время хода пассажирских и грузовых поездов по перегонам в чётном и нечётном направлениях с указанием времени на разгоны и замедления при следовании поезда с остановками.
Затем обозначаются наименования раздельных пунктов, средства связи по движению поездов и число путей на участке и промежуточных станциях.
В правой колонке – серия локомотива при двойной тяге и толкании, наименования раздельных пунктов, расстояния между ними в километрах, расстояние от начальной станции до раздельных пунктов нарастающих итогом, число грузовых и пассажирских поездов на графике, техническая и участковая скорости движения.
В верхней части графика данные по участкам: серии поездных локомотивов, массы и длины поездов в условных вагонах, период действия графика.
Внизу под графиком – условные обозначения и подписи лиц, составивших и проверивших график. Нечётные поезда на графике изображаются сверху вниз, чётные – снизу вверх.
На графике поезда изображаются:
- пассажирские постоянного и летнего обращения – сплошной линией красного цвета или утолщенной линией чёрного или синего цвета при одноцветном исполнении графика;
- грузовые – сплошной тонкой линией чёрного или синего цвета;
- сборные поезда – штрихпунктирной линией;
- диспетчерские и одиночные локомотивы – пунктирной линией;
Построение графика начинается с нанесения на однопутный участок Е – К оптимального варианта местной работы. Затем намечается пропуск скорых пассажирских и пригородных поездов, следует учесть, что скорые поезда на промежуточных станциях участка стоянок не имеют, а на станциях Е, Д, К, для обслуживания пассажиров стоят 10 мин. Пассажирские поезда на каждой промежуточной станции имеют стоянку по 2 мин и на станциях Е, Д, К, по 10 мин. Пригородные поезда на каждой промежуточной станции стоят по 1 мин, на станции оборота пригородных составов 10 мин.
Далее график строится в следующем порядке: на однопутном перегоне Е – К сходу с труднейшего перегона наносится общее количество чётных и нечётных грузовых поездов, затем эти поезда растягиваются по участку до начальной и конечной станции. При пропуске грузовых поездов необходимо чередовать чётные и нечётные поезда с учётом уменьшения продолжительности стоянок под скрещения. Проложенные поезда следует разбить по категориям. Сквозные поезда имеют нумерацию с 2001 – 2998, участковые с 3001 – 3398. С участка Е – Ж вытягивается заданное количество сквозных поездов на участок Д – Е.
На участках Д – Е и Е – Ж добавляется заданное количество участковых поездов, на участке Д – Е добавляется 2 пары сборных поездов в светлое время суток, причём пропуск сборных поездов может быть одним из следующих способов:
1 способ: с остановками на каждой промежуточной станции;
2 способ (шахматный): когда происходит чередование станций обслуживания;
3 способ (зонный): когда участок разбивается на зоны и каждый сборный поезд обслуживает промежуточные станции своей зоны;
Перед пропуском участковых и сборных поездов на участке Д – Е следует выделить технологические окна в нечётном и чётном направлении продолжительностью 120 мин. После технологического окна первым на участок должен отправиться грузовой поезд.
При построении графика на однопутном участке следует учитывать рассчитанное значение интервалов скрещения, неодновременного прибытия и попутного следования.
На двухпутном участке следует учитывать интервал между поездами в пакете при движении на зелёный огонь. После стоянки поезда всегда учитывается время на разгон (для грузовых поездов 2 мин, для пассажирских 1 мин и на замедление для грузовых и пассажирских поездов по одной минуте).
6. Расчёт показателей графика движения поездов
По составленному графику движения поездов отдельно для участков Д – Е и Е – К определяем участковую скорость, техническую скорость и коэффициент участковой скорости.
Участковая скорость определяется с учётом времени на разгон и замедление и с учётом стоянок на промежуточных станциях.
Техническая скорость определяется с учётом времени на разгон и замедление, но без учёта стоянок на промежуточных станциях.
Коэффициент участковой скорости определяется как отношение участковой скорости к технической. Коэффициент участковой скорости показывает качество построения графика движения.
Для выполнения расчётов составляются расчётные таблицы:
| № поезда | Чётное направление | № поезда | Нечётное направление | ||||||||||
| время | Поездо-километры | время | Поездо-километры | ||||||||||
| отправление с начальной станции | прибытие на конечную станцию | в пути | стоянки | в движении | отправление с начальной станции | прибытие на конечную станцию | в пути | стоянки | в движении | ||||
| Участок Е - К | |||||||||||||
| 2002 | 0.15 | 2.47 | 2.32 | 19 | 2.13 | 119 | 2001 | 23.16 | 2.04 | 2.48 | 41 | 2.07 | 119 |
| 2004 | 1.23 | 4.59 | 3.36 | 1.20 | 2.16 | 119 | 2003 | 0.41 | 3.15 | 2.34 | 24 | 2.10 | 119 |
| 2006 | 10.20 | 12.24 | 2.04 | - | 2.04 | 119 | 2005 | 10.21 | 12.48 | 2.27 | 20 | 2.07 | 119 |
| 2008 | 14.47 | 17.11 | 2.24 | 17 | 2.07 | 119 | 2007 | 15.07 | 17.27 | 2.20 | 13 | 2.07 | 119 |
| 2010 | 16.46 | 19.20 | 2.34 | 21 | 2.13 | 119 | 2009 | 16.00 | 18.12 | 2.12 | 8 | 2.04 | 119 |
| 2012 | 17.31 | 20.07 | 2.36 | 23 | 2.13 | 119 | 2011 | 16.32 | 18.59 | 2.27 | 17 | 2.10 | 119 |
| 2014 | 18.18 | 20.59 | 2.41 | 28 | 2.13 | 119 | 2013 | 17.24 | 19.43 | 2.19 | 15 | 2.04 | 119 |
| 2016 | 19.02 | 21.46 | 2.44 | 34 | 2.10 | 119 | 2015 | 18.41 | 21.17 | 2.36 | 26 | 2.10 | 119 |
| 2018 | 19.49 | 22.33 | 2.44 | 31 | 2.13 | 119 | 2017 | 19.28 | 22.05 | 2.37 | 27 | 2.10 | 119 |
| 2020 | 20.36 | 23.09 | 2.33 | 23 | 2.10 | 119 | 2019 | 21.07 | 13.31 | 2.24 | 17 | 2.07 | 119 |
| 3402 | 5.00 | 8.00 | 3.00 | 50 | 2.10 | 119 | 3401 | 13.10 | 16.07 | 2.57 | 50 | 2.07 | 119 |
| 3020 | 23.34 | 1.52 | 2.18 | 8 | 2.10 | 119 | 3017 | 3.16 | 5.39 | 2.23 | 16 | 2.07 | 119 |
| 3022 | 2.36 | 5.32 | 2.56 | 45 | 2.10 | 119 | 3019 | 17.54 | 20.30 | 2.36 | 26 | 2.10 | 119 |
| 3024 | 16.15 | 18.33 | 2.18 | 10 | 2.07 | 119 | 3021 | 20.20 | 22.52 | 2.32 | 22 | 2.10 | 119 |
| 3026 | 21.24 | 23.55 | 2.31 | 21 | 2.10 | 119 | |||||||
| 15 | 39,5 | 32,7 | 1785 | 14 | 35,2 | 29,9 | 1666 | ||||||
| Участок Д - Е | |||||||||||||
| 2002 | 3.17 | 5.26 | 2.09 | - | 2.09 | 140 | 2001 | 20.38 | 22.46 | 2.08 | - | 2.08 | 140 |
| 2004 | 5.29 | 7.38 | 2.09 | - | 2.09 | 140 | 2003 | 22.03 | 0.11 | 2.08 | - | 2.08 | 140 |
| 2006 | 15.54 | 15.03 | 2.09 | - | 2.09 | 140 | 2005 | 7.24 | 9.32 | 2.08 | - | 2.08 | 140 |
| 2008 | 17.41 | 19.50 | 2.09 | - | 2.09 | 140 | 2007 | 12.29 | 14.37 | 2.08 | - | 2.08 | 140 |
| 2010 | 19.50 | 21.59 | 2.09 | - | 2.09 | 140 | 2009 | 13.22 | 15.30 | 2.08 | - | 2.08 | 140 |
| 2012 | 20.37 | 22.46 | 2.09 | - | 2.09 | 140 | 2011 | 13.54 | 16.02 | 2.08 | - | 2.08 | 140 |
| 2014 | 21.29 | 23.38 | 2.09 | - | 2.09 | 140 | 2013 | 14.46 | 16.54 | 2.08 | - | 2.08 | 140 |
| 2016 | 22.16 | 0.25 | 2.09 | - | 2.09 | 140 | 2015 | 16.03 | 18.11 | 2.08 | - | 2.08 | 140 |
| 2018 | 23.03 | 1.12 | 2.09 | - | 2.09 | 140 | 2017 | 16.50 | 18.58 | 2.08 | - | 2.08 | 140 |
| 2020 | 23.39 | 1.48 | 2.09 | - | 2.09 | 140 | 2019 | 18.29 | 20.37 | 2.08 | - | 2.08 | 140 |
| 2102 | 1.40 | 3.49 | 2.09 | - | 2.09 | 140 | 2101 | 2.54 | 5.02 | 2.08 | - | 2.08 | 140 |
| 2104 | 8.00 | 10.09 | 2.09 | - | 2.09 | 140 | 2103 | 3.34 | 5.42 | 2.08 | - | 2.08 | 140 |
| 2106 | 8.40 | 10.49 | 2.09 | - | 2.09 | 140 | 2105 | 4.14 | 6.22 | 2.08 | - | 2.08 | 140 |
| 2108 | 9.20 | 11.29 | 2.09 | - | 2.09 | 140 | 2107 | 4.54 | 7.02 | 2.08 | - | 2.08 | 140 |
| 2110 | 10.00 | 12.09 | 2.09 | - | 2.09 | 140 | 2109 | 5.34 | 7.42 | 2.08 | - | 2.08 | 140 |
| 2112 | 10.40 | 12.49 | 2.09 | - | 2.09 | 140 | 2111 | 6.14 | 8.22 | 2.08 | - | 2.08 | 140 |
| 2114 | 12.20 | 14.29 | 2.09 | - | 2.09 | 140 | 2113 | 6.54 | 9.02 | 2.08 | - | 2.08 | 140 |
| 2116 | 13.30 | 15.39 | 2.09 | - | 2.09 | 140 | 2115 | 9.41 | 12.49 | 2.08 | - | 2.08 | 140 |
| 2118 | 15.10 | 17.19 | 2.09 | - | 2.09 | 140 | 2117 | 19.10 | 21.18 | 2.08 | - | 2.08 | 140 |
| 2120 | 16.40 | 18.49 | 2.09 | - | 2.09 | 140 | 2119 | 19.55 | 22.03 | 2.08 | - | 2.08 | 140 |
| 3002 | 0.20 | 2.29 | 2.09 | - | 2.09 | 140 | 3001 | 0.50 | 2.58 | 2.08 | - | 2.08 | 140 |
| 3004 | 1.00 | 3.09 | 2.09 | - | 2.09 | 140 | 3003 | 1.20 | 3.28 | 2.08 | - | 2.08 | 140 |
| 3006 | 2.30 | 4.39 | 2.09 | - | 2.09 | 140 | 3005 | 10.29 | 12.37 | 2.08 | - | 2.08 | 140 |
| 3008 | 3.50 | 5.59 | 2.09 | - | 2.09 | 140 | 3007 | 21.10 | 23.18 | 2.08 | - | 2.08 | 140 |
| 3010 | 4.30 | 6.39 | 2.09 | - | 2.09 | 140 | 3009 | 21.40 | 23.48 | 2.08 | - | 2.08 | 140 |
| 3012 | 5.00 | 7.09 | 2.09 | - | 2.09 | 140 | 3011 | 22.40 | 0.48 | 2.08 | - | 2.08 | 140 |
| 3014 | 1.00 | 13.19 | 2.09 | - | 2.09 | 140 | 3013 | 23.10 | 1.18 | 2.08 | - | 2.08 | 140 |
| 3016 | 17.10 | 19.19 | 2.09 | - | 2.09 | 140 | 3015 | 23.40 | 1.48 | 2.08 | - | 2.08 | 140 |
| 3018 | 21.00 | 23.09 | 2.09 | - | 2.09 | 140 | 3403 | 4.30 | 10.21 | 5.51 | 3.25 | 2.26 | 140 |
| 3404 | 15.40 | 21.32 | 5.52 | 3.25 | 2.27 | 140 | |||||||
| 30 | 68,2 | 64,8 | 4200 | 29 | 65,6 | 62,2 | 4060 | ||||||
Участковая скорость определяется по формуле:

где ∑NL – пробег поездов на участке;
∑NTп – время нахождения поездов на участке с учётом стоянок на промежуточных станциях;


Техническую скорость определяем по формуле:

где ∑NTдв – время нахождения поездов на участке без учёта стоянок на промежуточных станциях;


Коэффициент участковой скорости определяем по формуле:



7. Мероприятия по обеспечению безопасности движения на отделении дороги
Приказ № 1/Н от 05.01.04 г.
"О системе работы и мерах по обеспечению безопасности движения поездов в филиале ОАО "РЖД" Горьковская железная дорога".
Проблема безопасности перевозок пассажиров и грузов на железнодорожном транспорте – это важная часть проблемы национальной безопасности России.
Переход железнодорожного транспорта в новую организационно – правовую сферу ставит перед акционерным обществом и отраслью в целом задачу выработки функциональной стратегии обеспечения безопасности перевозок пассажиров и грузов, включающей в себя: совокупность цели; направления работ по достижению этой цели; принципов на основе которых должна осуществляться деятельность по обеспечению безопасности перевозок в рамках стратегического направления работ; стандарт управления безопасностью перевозок; систему конкретных мер по обеспечению безопасностью перевозок.
Главной оценкой работы открытого акционерного общества "Российские железные дороги" было и остается обеспечение безопасности движения с безусловной гарантией сохранности жизни и здоровья пассажиров, сохранности перевозимых грузов и высокого уровня сервисного обслуживания.
Каждое нарушение безопасности должно расцениваться, как серьезный подрыв основы и идеологии реформирования с серьезней шей социальной значимостью.
Финансовая и экономическая стабильность, качество обслуживания пассажиров, выполнение графика движения поездов и сроков доставки грузов на дороге в значительной степени зависят от устранения причин браков в поездной и маневровой работе, отказов технических средств. Нарушения безопасности движения поездов создают угрозу жизни и здоровью пассажиров, дороге наносится значительный материальный ущерб, снижают конкурентоспособность железнодорожных перевозок.
Большинство подразделений и хозяйств дороги стабильно обеспечивают безопасность движения поездов, работники этих подразделений проявляют добросовестное отношение к исполнению своих должностных обязанностей.
В то же время на дороге имеется ряд подразделений, в которых низкая трудовая и технологическая дисциплина, пренебрежительное отношение к исполнению должностных обязанностей отдельных работников стали основной причиной ухудшения состояния безопасности движения поездов, роста количества браков и отказов технических средств.
Анализ показывает, что главными причинами неблагополучного положения с обеспечением безопасности движения поездов являются: многочисленные нарушения Правил технической эксплуатации железных дорог РФ, должностных инструкций, технологических процессов непосредственными исполнителями, командным составом при ремонте и обслуживании подвижного состава, пути и других технических средств. Кроме того, отдельные руководители и ревизорский аппарат допускают формализм при проведении профилактической работы в подведомственных подразделениях, терпимость и беспринципность в устранении недостатков, не обеспечивают надлежащего контроля за выполнением приказов, указаний, должностных обязанностей командным составом и исполнителями, слабо используются в профилактической работе имеющиеся возможности в работе общественных инспекторов по безопасности движения.
ПРИКАЗЫВАЮ:
1. Заместителям начальника дороги, начальникам служб, отделений дороги, структурных подразделений и станций, ревизорскому аппарату:
1.1. Считать обеспечение безопасности движения основной обязанностью каждого работника дороги. Главное внимание сосредоточить на проведении конкретной профилактической работы по основным направлениям, определенным приказом МПС 1/Ц от 8 января 1994 г.
1.2. На основе анализа состояния безопасности движения, причин браков в поездной и маневровой работе, допущенных на дороге в 2003 году, принять эффективные меры по устранению причин следующих видов браков:
сходов подвижного состава в поездах и при маневровой работе, порч локомотивов в пассажирских поездах с требованием резерва, перекрытий сигналов с разрешающего показания на запрещающее с проездом на станциях, отцепок вагонов от поездов по прению буксового узла, обрывов и саморасцепов автосцепок, задержек поездов более 1 часа из-за неисправности технических средств.
1.З. Принять меры к неукоснительному выполнению каждым работником Правил технической эксплуатации железных дорог РФ, инструкций и должностных обязанностей.
1.4. Не оставлять без внимания ни одного нарушения ПТЭ, трудовой и технологической дисциплины, принимать эффективные меры по их устранению.
1.5. Принимать меры по возмещению материального ущерба, причиненного дороге допущенными браками и отказами технических средств.
1.6. Поощрять работников, проявивших бдительность, добросовестное отношение к выполнению должностных обязанностей, выявивших неисправности, нарушения, создававшие угрозу безопасности движения поездов, жизни и здоровью пассажиров.
1.7. добиваться повышения профессионального мастерства, уровня знаний работников, связанных с движением поездов, при работе в нестандартных ситуациях, при неисправности технических средств.
1.8. Включить в планы работы Советов общественных инспекторов проведение профилактической работы по направлениям, определенным при анализе состояния безопасности движения поездов и причин допущенных браков. Систематически поощрять общественных инспекторов и Советы общественных инспекторов за обеспечение эффективной работы.
1.9. Шире использовать возможности средств массовой информации, и в первую очередь дорожной газеты "Волжская магистраль". Постоянно освещать вопросы безопасности движения, антитеррористической деятельности на ГЖД, положительный опыт борьбы с аварийностью, раскрывать обстоятельства и причины допущенных нарушений, организовывать обмен предложениями, направленными на усиление безопасности движения, совершенствования защиты пассажиров работников и объектов железнодорожного транспорта от терроризма и укрепление трудовой дисциплины.
1.10. В соответствии с Положением о специализированной дружине по защите объектов ГЖД, утвержденным приказом начальника дороги, активизировать её работу по осуществлению мероприятий противодействия терроризму на объектах дороги.
2. Первому заместителю начальника дороги, заместителю начальника дороги по экономике, начальнику финансовой службы, начальникам отделений для обеспечения эффективной работы комиссий по непроизводительным расходам ежемесячно относить структурным подразделениям дороги убытки, причиненные допущенными браками и отказами технических средств.
3. Главному инженеру дороги, заместителям начальника дороги, начальникам служб, отделений дороги, ревизорам по безопасности движения:
3.1. Обеспечивать безусловное выполнение установленных ОАО "РЖД" заданий Программы по повышению безопасности движения и совершенствования защиты пассажиров, работников и объектов железнодорожного транспорта от терроризма и дорожных мероприятий по внедрению технических средств, предназначенных для этой цели. Ход их реализации рассматривать в отделениях дороги и в целом по дороге ежемесячно.
4. Заместителям начальника дороги, начальникам оперативных служб, отделений дороги, локомотивных и вагонных депо, дистанций пути, дирекций по обслуживанию пассажиров уделять повышенное внимание безопасности движения пассажирских и пригородных поездов и в этих целях обеспечить:
4.1. Высокое качество ремонта и технического обслуживания пассажирских вагонов, локомотивов, мотор-вагонного подвижного состава, приемку их из ремонта и осмотр при выдаче составов в рейс и локомотивов под пассажирские поезда командно-инструкторским составом по ежемесячным, утвержденным начальниками отделений дороги графикам. При этом приемку локомотивов и мотор-вагонного подвижного состава из ремонта, а также осмотр тепловозов при выдаче под пассажирские поезда возложить лично на начальника депо, его заместителей.
4.2. Выполнение начальниками отделений дороги (указание МПС от 4 ноября 2000 г.) дополнительных нормативов личного участия в проверках качества подготовки пассажирских поездов в рейс в пунктах их формирования – не менее 3-х составов в месяц, с детальным разбором результатов проверки и принятием мер по устранению недостатков в их содержании.
4.3. Вождение пассажирских поездов только машинистами 1 и 2 класса квалификации. Назначение машинистов З класса осуществлять приказом начальника отделения, после личного собеседования с машинистом.
4.4. Сопровождение пассажирских поездов руководящим и ревизорско-инструкторским составом управления и отделений дороги с периодичностью, установленной личными должностными нормативами, по утвержденным начальником дороги и начальниками отделений графикам, которые разрабатывают и контролируют дорожные дирекции в дальнем и пригородном сообщении и их филиалы на отделениях. Поездным диспетчерам выезжать на станции диспетчерского участка с сопровождением пассажирского поезда не реже 1-го раза в квартал.
4.5. Разбор каждого случая брака с пассажирскими поездами начальниками отделений и заместителями начальника дороги по хозяйствам.
4.6. Каждый случай приема пассажирского поезда на неспециализированный путь допускается только по приказу поездного диспетчера с письменного разрешения сменного заместителя начальника дорожного диспетчерского центра.
4.7. Разбор и учет по дороге каждого случая задержки пассажирского поезда у запрещающего входного сигнала и каждого случая неисправности АЛСН, ПОНАБ, САУТ, КЛУБ и радиосвязи на локомотиве в пути следования.
5. Заместителю начальника дороги - начальнику службы управления перевозками, начальникам отделений дороги, начальникам станций:
5.1 .Установить строгий контроль за соблюдением дежурными по станциям регламента предупреждения машинистов об изменениях порядка пропуска, непредвиденных остановках и других отклонениях от графика движения поездов.
5.2.Совместно с руководителями службы грузовой и коммерческой работы принять решительные меры к ликвидации нарушений технических условий погрузки и крепления грузов, и особенно на своих погрузочных станциях. Каждый случай отцепки вагонов на промежуточных станциях из-за нарушения технических условий погрузки и крепления грузов рассматривать с непременным взысканием причиненного дороге материального ущерба…
…7. Заместителю начальника дороги, начальнику службы вагонного хозяйства, начальнику службы материально-технического обеспечения, начальникам отделений дороги, начальникам вагонных депо повысить качество технического обслуживания поездов на пунктах технического обслуживания вагонов, для чего:
7.1. Принять все меры по созданию необходимых условий для качественной подготовки поездов в рейс, предусмотрев своевременную очистку междупутий, освещенность рабочих мест, наличие измерительного инструмента, обеспечение фонарями и радиостанциями.
7.2. Обеспечить своевременную подачу заявки на поставку запасных частей и материалов и обеспечение в установленные сроки.
7.3. Осуществлять закрепление руководящего состава службы вагонного хозяйства, отделений дороги за неблагополучными в вопросах обеспечения безопасности движения поездов пунктами технического обслуживания вагонов и их подразделениями для контроля и оказания практической помощи в обеспечении беспрепятственного пропуска вагонопотоков.
7.4. Практиковать проведение школ передового опыта по передовым методам технического обслуживания и ремонта вагонов.
8. Заместителю начальника дороги по пути, начальнику службы пути, начальникам отделений дороги, начальникам дистанций пути:
8.1.1. Еженедельно рассматривать положение дел с устранением не исправностей пути, выявляемых в ходе натурных осмотров и проверок вагонами – путеизмерителями, особое внимание обращать на неисправности, вызвавшие ограничение скорости движения поездов.
Неисправности 4 степени и опасные сочетания З степени, потребовавшие выдачу предупреждения на ограничение скорости движения поездов устранять незамедлительно под руководством начальника дистанции пути или его заместителей, 3-й степени и опасные сочетания 2-й степени – в 3-х суточный срок руководителем не ниже старшего дорожного мастера, а при их повторении – под руководством начальника дистанции или его заместителей.
8.1.2. Организовывать в зимний период ежемесячные натурные осмотры пути, при необходимости двухсменную работу имеющихся путеизмерительных и дефектоскопных вагонов, дефектоскопных автомотрис.
Разрабатывать на январь и февраль месяцы более жесткий график их работы, предусмотрев, при необходимости, дополнительные проверка важнейших грузонапряженных участков и участков с интенсивным пассажирским движением.
8.1.3. Анализировать информацию о ходе зимнего осмотра, результаты работы измерительных и дефектоскопных средств, определять дистанции пути, где наиболее часто повторяются неисправности, требующие ограничения скорости движения, и обеспечить контроль за их устранением.
8.2. Результаты весеннего комиссионного осмотра участков пути, просроченных капитальным ремонтом, меры по обеспечению безопасности движения на них рассматривать у руководства дороги.
10. Заместителю начальника дороги по кадрам и социальным вопросам, начальникам служб, начальникам отделений дороги:
10.1. Один раз в полугодие организовывать при начальнике дороги рассмотрение вопросов и заслушивание отчетов начальников служб по качественному подбору и расстановке руководящих кадров.
10.2. Предусматривать ответственность руководителей за организацию и обеспечение безопасности движения поездов, при заключении контактов с руководителями предприятий.
10.3. Своевременно укомплектовывать кадрами основных рабочих профессий, связанных с обеспечением безопасности движения поездов.
10.4. Применять системы морального и материального стимулирования труда для снижения уровня текучести кадров массовых профессий и повышения престижа отраслевых профессий.
10.5. Активнее использовать практику наставничества – закрепления опытных руководителей, специалистов и передовых рабочих за молодыми инженерами, техниками, работниками массовых профессий с целью их успешной адаптации в коллективах, четкого выполнения ими своих производственных обязанностей и заданий, обеспечение безаварийной работы…
…12. Начальникам оперативных служб, отделений, отделов, обособленных структурных подразделений и станций совместно с профсоюзными органами:
12.1. Изжить формализм в организации работы общественных инспекторов. На основе ежеквартальных планов осуществлять проверки работы неблагополучных цехов, производственных участков, смен, бригад, и, прежде всего там, где допускаются браки в поездной и маневровой работе, отказы технических средств. Установить строгий контроль за устранением выявленных общественными инспекторами нарушений.
12.2. Изучать, обобщать и распространять передовые формы и методы работы Советов общественных инспекторов и членов специализированных дружин по защите объектов дороги. Проводить семинары, обмен опытом их работы, вносить предложения, направленные на повышение эффективности и уровня общественного контроля за обеспечением безопасности движения поездов и совершенствованием защиты пассажиров, работников и объектов железнодорожного транспорта от терроризма.
12.3. Оформлять наглядную агитацию, стенды, организовывать публикацию в средствах массовой информации, в первую очередь в газетах "Волжская магистраль", "Гудок" и "Сигнал" материалов, отражающих работу лучших общественных инспекторов, членов специализированных дружин по защите объектов дороги и примеров проявления высокой бдительности.
12.4. Проводить ежегодно смотры-конкурсы на лучший Совет общественных инспекторов по безопасности движения поездов и организовывать работу, направленную на выполнение условий за присвоение высокого звания "Коллектив гарантированной безопасности движения поездов Горьковской железной дороги".
8. Мероприятия по охране труда, технике безопасности и защите окружающей среды
Полная ликвидация производственного травматизма и профессиональных заболеваний представляет собой задачу большой государственной важности. Работа по предупреждению травматизма и профессиональных заболеваний на железнодорожном транспорте проводится по многим направлениям. Осуществляется техническое перевооружение, автоматизация и механизация производственных процессов, вытесняется тяжёлый ручной труд. Большее внимание уделяется соблюдению требований безопасности труда в проектах сооружений и устройств, технологических процессах. Широко внедряются коллективные и индивидуальные средства защиты работающих. Проводятся в жизнь технические, организационные, санитарно-гигиенические, правовые и экономические мероприятия по предупреждению травматизма и профессиональных заболеваний, обеспечению безопасности движения на железных дорогах.
В последнее время широкое распространение получил комплексный подход к решению вопросов охраны труда. На всех станциях разработаны комплексные планы улучшения условий, охраны труда и санитарно-оздоровительных мероприятий. Они содержат мероприятия по приведению цехов, участков, отделений, производственных и санитарно-бытовых помещений, машин, механизмов, оборудования и рабочих мест в соответствие с требованиями стандартов ССБТ, правил и норм охраны труда.
Каждый работник железнодорожного транспорта должен прибыть на работу в определенное Правилами внутреннего трудового распорядка время и место, в работоспособном состоянии после установленного отдыха, в исправной специальной или форменной одежде. При этом плащ или пальто должны быть застегнутыми, а обувь должна иметь низкий широкий каблук. Головной убор в зимнее время не должен снижать слышимости звуковых сигналов и команд.
Находясь на путях, необходимо проявлять постоянную бдительность, осторожность и осмотрительность. Требуется внимательно следить за движением поездов, локомотивов, маневровых составов, а также за окружающей обстановкой и принимать решительные меры к устранению возникающей угрозы для жизни людей и безопасности движения поездов. Особенно бдительным надо быть в темное время суток, при ненастной погоде, выходе на пути из-за зданий, вагонов или других объектов.
В темное время суток при выходе из ярко освещенного помещения нельзя сразу направляться на плохо освещенные пути. В этом случае следует выждать несколько десятков секунд с тем, чтобы глаза приспособились к резко изменившейся освещенности. Запрещается садиться на рельсы, концы шпал или балластную призму для отдыха.
Переход через пути. Переходить через пути надо по специально устроенным, обозначенным в темное время суток освещаемым переходам. Переходы оборудуют настилами на уровне головки рельса и обозначают указательными знаками с надписью "Переход".
Запрещается переходить через пути в районе стрелочных переводов. Прежде чем ступить на путь, необходимо убедиться, что как с одной, так и с другой стороны нет на опасном расстоянии приближающегося подвижного состава. Переходить пути следует только под прямым углом, не наступая ногами на рельсы. Пути запрещается переходить под вагонами, автосцепкой или через автосцепку. В этом случае нужно воспользоваться тормозной площадкой вагона или обойти на расстоянии не менее 5 метров, при исполнении служебных обязанностей – не менее 3 метра. Если вагоны стоят отдельными группами, то можно проходить между ними по середине промежутка и только при условии, что расстояние между автосцепками не менее 10 метров.
Запрещается перебегать пути перед приближающимся поездом, так как для перехода через путь требуется 5-6 с, а поезд, следующий со скоростью 90 км/ч, за 1 с преодолевает 25 м (150 м за 1 с). Для обеспечения безопасности при переходе через пути устраивают пешеходные мосты и подземные переходы.
Проход вдоль путей. Для прохода вдоль путей на территории станций устраивают и обозначают маршруты служебных походов. В отдельных случаях ходить вдоль путей можно посередине широкого междупутья. Запрещается ходить между рельсами, по концам шпал, а также на расстоянии ближе 2 м от ближайшего рельса.
На двухпутном участке следует идти навстречу правильному движению поездов. При приближении поезда рабочие заблаговременно отводятся в сторону от рельсовой колеи: на участках со скоростью движения до 120 км/ч – на расстояние не менее 2 м от ближайшего рельса, свыше 120 км/ч – не менее 4 м.
Для привлечения внимания работников, выполняющих маневры, на станции устанавливают знаки, предупреждающие об опасности:
"Негабаритное место" - на границах зон, где пространство между габаритами приближения строений и подвижного состава не обеспечивает безопасности работающих;
"Служебный проход" - вдоль пешеходных дорожек;
Научно – техническая революция неизбежно усиливает воздействие человека на природу. В этой связи важное значение приобретает охрана окружающей среды.
К факторам неблагоприятного воздействия железнодорожного транспорта на окружающую среду относят выбросы вредных веществ в атмосферный воздух, внешние шумы железнодорожных объектов, загрязнение почвы и водоемов.
Источниками загрязнения атмосферного воздуха являются многие производственные объекты, гражданские сооружения, подвижной состав. Это, в первую очередь, промывочно-пропарочные и дезинфекционно-промывочные станции, шпалопропиточные и щебеночные заводы, локомотивные и вагонные депо.
Кроме того, атмосферный воздух загрязняется такими веществами, как пары нафталина, бензола и его аналогов, фенола, антрацена, сложными смесями выхлопных газов дизельных двигателей тепловозов.
Важнейшими мероприятиями по борьбе с загрязнением атмосферного воздуха вредными веществами является уменьшение их выделения в источниках образования. Этому служит механизация и автоматизация производственных процессов, уплотнение, герметизация и вакуумизация оборудования, создание поточных и непрерывных технологических линий, замена вредных летучих веществ менее вредными и летучими, а твердого топлива – газообразным и т.д.
Решению проблемы снижения загрязнения атмосферного воздуха способствуют современные установки, позволяющие улавливать вредную пыль, пары и газы.
Очистка промышленных выбросов в атмосферу на современных предприятиях является составной частью технологического процесса. Цель ее – предотвращение загрязнения атмосферного воздуха, удаление вредных пылей из технологических выбросов, уменьшение механического износа оборудования из-за абразивного действия пыли.
Интенсивное движение поездов в черте городов и жилых поселков приводит к заметному ухудшению акустического климата населенных мест и жилых помещений.
Среди противошумных мероприятий, широко внедряемых на железнодорожном транспорте, наиболее важными являются:
-уменьшение мощности громкоговорителей на сортировочных и грузовых станциях, рассредоточение их по территории станции, ограничение пользования парковой связью;
-прокладка бесстыкового пути на участках дорог в черте жилой застройки;
-уменьшение числа подач звуковых сигналов локомотивами;
-устройство шумозащитных экранов;
На железнодорожном транспорте наибольшую опасность в отношении загрязнения поверхностных источников питьевого назначения представляют собой локомотиво- и вагоноремонтные заводы, депо, промывочно-пропарочные и дезинфекционно-промывочные станции, рельсосварочные поезда, электромеханические и другие производства.
Комплекс очистных сооружений депо включает в себя канализационную насосную станцию, приемный колодец, нефтеловушку, нефтесборник, регулирующую емкость, флотатор, иловые площадки.
Несмотря на высокий эффект очистки сточных вод, остаточное содержание вредных веществ в них остается существенным и нарушает санитарный режим водоемов. Поэтому ведется большая работа по усовершенствованию способов очистки и внедрению оборотных систем водоснабжения.
Что позволяет значительно сократить потребление пресной воды для технических нужд и уменьшить объемы загрязненных стоков, сбрасываемые в водоемы.
Ограничению загрязнения почвы вредными веществами способствует установление для обязательного соблюдения предельно допустимых концентраций химических веществ в почве.
Железнодорожный транспорт, осуществляя хозяйственно-экономические связи между районами страны, перерабатывает, то есть проводит погрузо-разгрузочные операции, складирование и транспортировку, большинство химических веществ и материалов. Железные дороги перевозят химические вещества не только сыпучие, но и жидкие и газообразные.
Выгрузка сухих и порошкообразных грузов сопровождается большей запылённостью воздушной среды, чем гигроскопических или затаренных веществ. Так, при выгрузке порошкообразных пестицидов в воздух поступает значительное количество токсической пыли, превышающее допустимые уровни. Обращает на себя внимание, что не редко до 50% затаренной в бумажные мешки продукции находится в неисправной упаковке, способствуя загрязнению почвы и воздуха. Это подтверждает необходимость перевозки химических грузов только в контейнерах, полиэтиленовых мешках и другой прочной таре, а так же в специализированном прицепном подвижном составе и т.д.
Выгрузка химических грузов может сопровождаться также выделением токсических газов и паров. Это ещё раз подтверждает необходимость соблюдения грузоотправителями правил транспортировки химических грузов и обязательного проветривания вагонов перед выгрузкой. Источником загрязнения воздушной среды может быть также загрязненность химическими веществами наружной поверхности даже герметичной тары.
Строительные и облицовочные материалы складов опасных грузов сорбируют пары ядохимикатов и могут являться вторичными источником загрязнения воздушной среды. На этих складах сорбирующий облицовочный материал следует заменять на металлический или полимерный. В этих помещениях вентиляционные выбросы следует обязательно обезвреживать. Полы складских помещений не должны иметь выбоин, щелей, должны быть заасфальтированы, иметь лотки для стока воды после мытья полов. Площадки на грузовом дворе, где происходят погрузка и выгрузка химических веществ, также должны быть заасфальтированы.
Список использованной литературы
1. М.С Боровикова "Организация движения на железнодорожном транспорте", издательство "Маршрут", М., 2003
2. Д.П. Заглядимов, А.П. Петров, Е.С. Сергеев, В.А. Буянов "Организация движения на железнодорожном транспорте", издательство "Транспорт", М., 1985
3. В.С. Крутяков "Охрана труда и основы экологии на железнодорожном транспорте и в транспортном строительстве", издательство "Транспорт", М., 1993
4. Журнал "Железнодорожный транспорт №4", издательство "Транспорт", М., 2004
5. Журнал "Железнодорожный транспорт №7", издательство "Транспорт", М., 2004
6. Приказ № 1/Н от 05.01.04. "О системе работы и мерах по обеспечению безопасности движения поездов в филиале ОАО "РЖД" Горьковская железная работа"
Похожие рефераты:
Транспортное обслуживание туристов
Организация погрузочно-разгрузочных работ в порту
Железная дорога им. В.В. Куйбышева в годы Великой Отечественной войны 1941-1945гг
Договор перевозки пассажиров и багажа железнодорожным транспортом
Технология обработки поездов в парке приема
Договор перевозки пассажиров и багажа железнодорожным транспортом
Договор перевозки пассажиров и грузов железнодорожным транспортом
Организация работы железной дороги
Перевозка грузов Ж.Д. транспортом
Место и роль промышленного транспорта в транспортной системе
Технология и управление работой железнодорожных участков и направлений