| Скачать .docx |
Курсовая работа: Расчёт гидропривода тормоза однобарабанной шахтной подъемной машины
Министерство образования и науки Украины
Донецкий национальный технический университет
Кафедра "Энергомеханические системы"
Курсовая работа
По дисциплине: "Гидравлика и гидропривод"
Тема работы: Расчёт гидропривода тормоза однобарабанной шахтной подъемной машины
Выполнил ст. гр. Мех-08б
Нестеренко Д.Е.
Руководитель работы Яковлев В.М.
Донецк - 2010
Реферат
Курсовая работа содержит: 20 лист, 2 рисунка, 1 таблица.
Объект исследования – гидропривод тормоза однобарабанной шахтной подъемной машины.
Цель работы: разработать гидравлическую схему гидропривода тормоза однобарабанной шахтной подъемной машины.
В данной курсовой работе производится разработка и исследование гидропривода - составлена принципиальная гидравлическая схема, выбран насос; выбрана рабочая жидкость, рассчитаны трубы гидролиний и потери давления в них.
Гидролиния, насос, диаметр поршня, гидроцилиндр, абсолютное давление
Содержание
Введение
1. Составление и анализ схем, выбор давления
1.1 Составление и анализ гидравлической схемы
1.2 Выбор стандартного давления
2. Выбор гидромашин и рабочей жидкости
2.1 Основные технические характеристики гидроцилиндра
2.2 Выбор насосов
2.3 Выбор рабочей жидкости
3. Выбор гидроаппаратуры и вспомогательных устройств
4. Расчет труб гидролиний и потерь давления
4.1 Расчетный диаметр труб
4.2 Расчет толщины стенки трубы
4.3 Потери давления в гидролиниях по длине
4.4 Потери давления в местных сопротивлениях
5. Сила давления на колено трубы
6. Давление срабатывания предохранительного клапана
7. Рабочие режимы насоса
8. Мощность насоса
9. Проверка рабочего режима насоса на кавитацию
10. Эксплуатация и техника безопасности
Выводы
Список источников
Введение
Гидропривод – это совокупность устройств, предназначенных для приведения в движение машин и механизмов посредством гидравлической энергии. Обязательными элементами гидропривода являются насос и гидродвигатель.
К основным преимуществам гидропривода относятся: возможность универсального преобразования механической характеристики приводного двигателя в соответствии с требованиями нагрузки; простота управления и автоматизации; простота предохранения приводного двигателя и исполнительных органов машин от перегрузок; широкий диапазон бесступенчатого регулирования скорости выходного звена; большая передаваемая мощность на единицу массы привода; надежная смазка трущихся поверхностей при применении минеральных масел в качестве рабочих жидкостей.
К недостаткам гидропривода относятся: утечки рабочей жидкости через уплотнения и зазоры, особенно при высоких значениях давления; нагрев рабочей жидкости, что требует применения специальных охладительных устройств и средств тепловой защиты; более низкий КПД (по приведенным выше причинам), чем у сопоставимых механических передач.
Сейчас трудно назвать область техники, где бы ни использовался гидропривод. Эффективность, большие технические возможности делают его почти универсальным средством при механизации и автоматизации различных технологических процессов.
1. Составление и анализ схемы, выбор давления
1.1 Составление и анализ гидравлической схемы
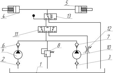
Схема состоит: из бака 1; фильтров 2, 3; гидроцилиндров 4, 5; обратных клапанов 6, 7; переливного клапана 8; насосов 9, 10; распределителя 11; дроссель 12; реверсивного золотника 13 (рис. 1).

Рисунок 1. Гидравлическая схема гидропривода
1.2 Выбор стандартного давления
Стандартные давления нормализованы ГОСТ 12445-80. Завод изготовитель подъемных машин принимает давление 1,25 МПа. Более перспективными будут давления 1,6; 2,5 МПа. Принимаем давление 1,6 МПа.
2. Выбор гидромашин и рабочей жидкости
2.1 Основные технические характеристики гидроцилиндра
Расчетный диаметр поршня

где: Р – принятое стандартное давление;
ηдг , ηдм – соответственно гидравлический и механический КПД
гидроцилиндра, ηдг ≈ 1,0, ηдм = 0, 95.
м
Стандартный диаметр поршня Dp принимается ближайший (больший) в соответствии с ГОСТ 6540-68 и ГОСТ 12447-80. Принимай диаметр поршня равный 140 мм.
Максимальное рабочее давление гидроцилиндра при расторможении:
.
Па
Максимальный расход гидроцилиндра:
,
2
![]()
где: ηдо – объемный КПД гидроцилиндра, ηдо = 0,98-0,99.
Рабочее давление при торможении:
,
где: dд – стандартный диаметр штока (применяем шток диаметром 50 мм).
Па
2.2 Выбор насосов
По Qд и Рн = (1,1…1,15)∙Рдо выбираются однотипные насосы. Рекомендуется шестеренные или пластинчатые насосы с Qн ≥ Qд .
Выбираем шестеренный насос типа Г11-24А, с техническими характеристиками:
Номинальное давление 2,5 МПа
Номинальная подача 33,4 л/мин
Частота вращения1440 мин![]()
Объемный КПД 0,84
Полный КПД 0,8
Высота всасывания 0,2 м
2.3 Выбор рабочей жидкости
Выбираем масло индустриальное 45, с техническими характеристиками:
Диапазон рабочих температур-5+60 ![]()
Вязкость кинематическая при 50
38-52 мм
/с
Плотность886-916 кг/м![]()
3. Выбор гидроаппаратуры и вспомогательных устройств
По соответствующим расходам и давлениям выбирается гидроаппаратура, фильтры, бак и манометр.
Выбираем приемный фильтр С41-21 с техническими характеристиками:
Номинальный расход 40 л/мин
Номинальная тонкость фильтрации 160 мкм
Допускаемая потеря давления0,008 МПа
Выбираем манометр МТП-100/1-100х2,5. Манометр трубчатый показывающий, с верхним пределом измеряемого давления равным 4МПа, с классом точности 2,5.
Вместимость бака выбираем в соответствии с номинальной подачей насоса, равная 40 дм
.
Выбираем обратный клапан Г51-24 с техническими характеристиками:
Номинальный расход масла70 л/мин
Номинальное давление 20 МПа
Потеря давления при ном. расходе 0,2 МПа
Выбираем распределитель ПГ73-35А с техническими характеристиками:
Расход масла100 л/мин
Давление номинальное 12,5 МПа
Потери давления при ном. расходе 0,1 МПа
Реверсивный золотник Г74-24:
Расход масла70 л/мин
Рабочее давление 20 МПа
Потеря давления 0,15 МПа
Выбираем переливной клапан Г54-24:
Расход масла70 л/мин
Рабочее давление 2,5 МПа
Потеря давления 0,25 МПа
Дроссель типа Г77-14:
Расход масла70 л/мин
Рабочее давление 5 МПа
Потеря давления 0,3 МПа
4. Расчет труб гидролиний и потерь давления
4.1 Расчетный диаметр труб
,
где: Qр – расчетный (максимальный) расход в соответствующей гидролинии
при рабочем ходе поршня;
Vo – оптимальная скорость рабочей жидкости;
для напорных гидролиний Vo = 3-5 м/с;
для сливных - Vo = 2-3 м;
для всасывающих - Vo = 0,7-1,2 м/с.
Для напорных гидролиний (Vo = 4)
м
Для сливных гидролиний (Vo = 2)
м
Для всасывающих гидролиний (Vo = 1)
м
Диаметр труб напорных гидролиний насосов до тройника принимаются равными диаметру трубы общей напорной гидролинии.
4.2 Расчет толщины стенки трубы
Необходимая расчетная толщина стенки трубы
δр = δ1 + δ2 ,
где: δ1 – часть толщины, обеспечивающая достаточную прочность;
δ2 – часть толщины, обеспечивающая необходимую долговечность трубы.
Согласно ГОСТ 3845-75
,
где: Рр – расчетное давление на прочность,
Рр = 1,25 Р (Р – максимальное давление в соответствующе гидроли- нии;
σдоп – допустимое напряжение, равное 40 % от временного сопротивле- ния разрыву; для наиболее распространенных сталей для труб σв = 350-420 МПа;
δ2 – принять равным 1,0 мм, полагая, что скорость коррозии равна 0,2 мм/год, а срок службы установки – 5 лет.
м
Для напорных гидролиний
м
δр =0,00009+0,001=0,00109, м
Для сливных гидролиний
м
δр =0,00018+0,001=0,00118, м
По условиям механической прочности (случайные удары и т.п.) σ ≥ 2 мм. Окончательно внутренний диаметр труб d, наружный dн и толщину δ выбирают по ГОСТ 8734-78. Наружный диаметр напорной линии принимаем равный 18 мм, толщина стенки 2 мм; сливной линии – 30´2 мм; всасывающей линии - 30´2 мм.
4.3 Потери давления в гидролиниях по длине
Расчет ведем при расходе, соответствующему номинальной подаче насоса.Скорость жидкости в гидролинии:
.
Для напорных гидролиний
м/с
Для сливных гидролиний
м/с
Для всасывающих гидролиний
м/с
Потери давления по длине в участках гидролиний
,
где
λ – коэффициент Дарси, зависит от числа Рейнольдса;
![]()
![]()
,
![]()
![]()
![]()
=![]()
Результаты расчета сведем в таблицу
Таблица 1. Потери давления в гидролиниях по длине
| d (диаметр) | Re | Длина | Потери | |||
| Напорн. | 0,014 | 3,09 | 1443 | 0,052 | 7 | 113802 |
| После раз. | 0,014 | 1,55 | 722 | 0,104 | 1 | 8129 |
| Слив | 0,026 | 1,79 | 1554 | 0,048 | 7 | 19134 |
| После раз. | 0,026 | 0,90 | 777 | 0,097 | 1 | 1367 |
| Всас | 0,026 | 0,90 | 777 | 0,097 | 0,1 | 137 |
4.4 Потери давления в местных сопротивлениях
Потери давления в коленах, тройниках и т.п. принимается равным (0,2-0,3)ΣΔРдл.
ΣΔРдл = 113802+19134+137= 122067Па
ΔР=0,25*122067=30517Па
Для гидроаппаратов потери вычисляются исходя из условия автомодельности режима движения жидкости в аппарате.
,
где ΔРном – номинальные (паспортные) значения перепада (потери) давленияв аппарате при номинальном (паспортном) расходе Qном .
| Гидроаппарат | Потери, Па |
| Фильтр С41-21 | 4074 |
| Обратный клапан Г51-24 | 33259 |
| Ревер. Золотник Г74-24 | 24944 |
| Распределитель ПГ73-35А | 8148 |
| ДросельГ77-14 | 41574 |
4.5 Полные потери давления при расчетном расходе
ΔРп = ΣΔРдл + ΣΔРм .
Па
5. Сила давления жидкости на колено трубы
Определяем составляющие Rx , Rz и равнодействующую R сил давления в рабочей жидкости на колено трубы с закруглением 900 в месте наибольшего давления:
.
Для напорных гидролиний
Н
Н
6. Давление срабатывания предохранительного клапана
Выбирается из условия, что это давление должно быть большим на 25 % максимального расчетного в месте установки клапана.
МПа
7. Рабочие режимы насоса
Рабочие режимы насоса при закрывании и открывании задвижки определяем графически точками пересечения характеристик насоса Рн
= f(Q) и гидросети Рс
= f(Q) (рис. 2). Характеристику насоса строим по двум точкам –
и
.
![]()
л/мин
Характеристика гидросети растормаживании
![]()
Сопротивление гидролинии ответвления
![]()
![]()
![]()
Сопротивление гидролинии общего участка
![]()
![]()
![]()
Полное сопротивление гидролинии при растормаживании


![]()
Для построения характеристики
составим таблицу.
Таблица 2
| Q, л/мин | P, Па |
| 0 | 1,61 |
| 5 | 1,62 |
| 10 | 1,64 |
| 15 | 1,67 |
| 20 | 1,72 |
| 25 | 1,79 |
| 30 | 1,86 |
| 35 | 1,96 |
| 40 | 2,06 |

Рисунок 2. Рабочий режим насоса
8. Мощность насоса
Мощность насоса при растормаживании
Nн.п = РА QA /ηн ,
Вт
где: РА ,QA - координаты точек рабочего режима (рис. 2);
ηн – номинальный КПД насоса.
9. Проверка рабочего режима насоса на кавитацию
Условие бескавитационной работы:
Нвак. доп ≥ Нвак ,
где: Нвак. доп – допустимая вакуумметрическая высота всасывания насоса (попаспорту);
Нвак – вакуумметрическая высота всасывания гидролинии
,
где: Нв – геометрическая высота всасывания, определяется условием бескавитационной работы насосов, чаще всего Нв = - (0,1…0,2) м;
Нф – потери напора в фильтре.
В том случае, если в паспорте насоса указана допустимая геометрическая высота всасывания насоса Ндсп по условию бескавитационной работы должно быть Ндсп ≥ Нв .
м
![]()
Т. е. условие соблюдается.
10. Эксплуатация и техника безопасности
Одним из важнейших требований, при эксплуатации гидропривода, является чистота рабочей жидкости, поэтому заливку нужно производить через фильтры.
Контроль уровня при заливке жидкости обычно осуществляется визуально с помощью уровнемера, встраиваемого в бак.
Для приводящего электродвигателя желательно сокращение времени пуска, так как при этом сокращается время протекания по его обмоткам пускового тока.
Для правильной эксплуатации гидропривода необходимо иметь график контроля и замены рабочей жидкости.
Выводы
Разработана гидравлическая схема гидропривода тормоза однобарабанной шахтной подъемной машины. Выбран насос шестерной насос типа ГП-24А; рабочая жидкость - масло индустриальное 45; приемный фильтр Г42-34; обратный клапан Г51-24; распределитель ПГ73-35А; дроссель типа Г77-14. Выбраны диаметры труб и рассчитаны потери давления в них. Рассчитана мощность насоса в рабочем режиме растормаживания.
Список источников
1. Методические указания к курсовой работе по гидроприводу / Сост.:
Заря А.Н., Яковлев В.М. – Донецк: ДПИ, 1990 г.
2. Свешников В.К., Усов А.А. Станочные гидроприводы: Справочник. – М.:
Машиностроение, 1988 г.
3. Стационарные установки шахт / Под общ. ред. Б.Ф.Братченко. – М.: Недра,
1977 г.
4. Ковалевский В.Ф., Железняков Н.Т., Бейлин Ю.Е. Справочник по гидроприводам горных машин. – М.: Недра, 1973 г