| Скачать .docx |
Реферат: Технічне обслуговування пускового двигуна
Тема:
Технічне обслуговування пускового двигуна
Зміст
Вступ
1. Пусковий пристрій
2. Пусковий двигун
3. Редуктор
4. Технічне обслуговування пускового пристрою
5. Правила безпеки робіт
Перелік використаної літератури
Вступ
На сьогодні Україна без власного виробництва сучасної високопродуктивної, економічно обґрунтованої будівельної та сільськогосподарської техніки, харчової та переробної промисловості не може успішно конкурувати на світовому ринку продукції.
Використання раціональної техніки та прогресивних технологічних процесів на всіх етапах створення і переробки продукції — один із напрямів виходу з кризи в промисловому комплексі. Тому технічне переоснащення повинне забезпечувати виконання сучасних вимог до технологій виробництва. Насамперед це дотримання оптимальних строків та якісного виконання технологічних операцій, досягнення високої продуктивності агрегатів та зменшення питомих енергетичних витрат на виконання робіт за рахунок розширення використання ресурсоощадних технологій виробництва, збалансованих технологічних комплексів машин, альтернативних джерел енергії та зниження технологічного навантаження на довкілля, створення комфортних умов для роботи механізаторів.
Трактори є основними енергетичними засобами виконання технологічних операцій у різних галузях виробництва. Вони широко використовуються також у будівництві. Сьогодні, коли державні, колективні і фермерські господарства мають різноманітну вітчизняну і зарубіжну техніку, подальше зростання виробництва продукції, зміцнення економіки України залежать від рівня кваліфікації механізаторських кадрів.
Тракторист-машиніст повинен досконало знати конструкцію трактора, його вузлів, кваліфіковано та своєчасно виконувати регулювальні роботи і технічне обслуговування, вміло виявляти та усувати несправності в процесі експлуатації.
В даній роботі необхідно розглянути пусковий пристрій П-350 трактора Т-150, а саме його призначення, конструкційні особливості, операції з технічного обслуговування й ремонту, а також правила техніки безпеки при виконанні цих робіт.
1. Пусковий пристрій
Запуск двигунів здійснюється пусковим пристроєм, що складається з карбюраторного двигуна й редуктора передавального механізму (Рис. 1.1).
Від колінчатого вала пускового двигуна через шестірні зусилля передається на диски 6 і 7 зчеплення й вал 5 редуктора. На шлицях вала редуктора встановлена пускова шестірня 9, що важелем 10 може вводитися в зачеплення із зубчастим вінцем маховика 8 і передавати обертання на колінчастий вал основного двигуна. Після запуску дизельного двигуна пускова шестірня автоматично виходить із зачеплення з вінцем маховика.

Рис. 1.1. Пусковий пристрій:
1 - колінчастий вал пускового двигуна;
2 і 3 – шестірні;
4 -важіль зчеплення;
5 -вал механізму передачі;
6 і 7 -ведений і ведучий диски зчеплення;
8 -зубчастий вінець маховика дизельного двигуна;
9 - пускова шестірня, 10 - важіль включення пускової шестірні
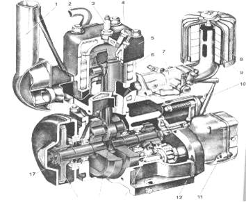
2. Пусковий двигун
Загальний принцип роботи двигуна. На тракторах Т-150 і Т-150К на фланці картера маховика дизельного двигуна встановлений двотактний, карбюраторний, із кривошипно-камерною продувкою пусковий двигун П-350 потужністю 10 кВт. Впуск горючої суміші й випуск відпрацьованих газів здійснюється через вікна (тому що клапанів немає), розташовані в циліндрі двигуна, які відкриваються й закриваються поршнем.
Робочий цикл у двигуні П-350 відбувається за два ходи поршня (Рис. 2.1.). При переміщенні поршня 3 нагору після перекриття випускного вікна 2 у циліндрі відбувається стиск робочої суміші, а в картері 1 створюється розрідження. Як тільки напрямна частина поршня відкриє впускне вікно 4, у картер з карбюратора надійде робоча суміш.
Стисла робоча суміш над поршнем запалюється від свічки запалювання 5. Гази, що утворюються при цьому, розширюються й тиснуть на поршень, штовхаючи його вниз. Як тільки нижня кромка поршня перекриє впускне вікно, у картері відбудеться стиск горючої суміші. Під час руху поршня вниз його верхня кромка відкриває випускне вікно й відпрацьовані гази виходять із циліндра. При подальшому русі поршня вниз горюча суміш проходить через продувний канал 7 у циліндр і витискує відпрацьовані гази, заповнюючи його свіжим зарядом.
Перевага двотактного карбюраторного двигуна із кривошипно-камерною продувкою полягає в простоті конструкції, але він не економічний, тому що частина робочої суміші із циліндра виходить у вихлопну трубу разом з відпрацьованими газами.
Оскільки пусковий двигун працює кілька хвилин у зміну, до нього не пред'являють високих вимог відносно паливної економічності й довговічності.
На схемі робочого процесу показаний тільки один продувний канал. Обидва канали розташовані в площині хитання шатуна на протилежних сторонах циліндра.
Пусковий двигун складається із кривошипно-циліндрової групи, систем живлення й запалювання.


Рис. 2.1. Схема роботи пускового двигуна:
а - перший такт, б -початок другого такту, в -кінець другого такту;
1 — картер, 2 — випускне вікно, 3 - поршень, 4 — впускне вікно, 5 -свічка запалювання, 6 — циліндр, 7 — продувний канал, 8 — продувне вікно
Кривошипно-циліндрова група. Основою пускового двигуна (Рис. 2.3.) служить чавунний картер 12, що складається із двох половин з розніманням у вертикальній площині.
Співвісність гнізд корінних підшипників і колінчатого вала при розбиранні й складанні забезпечується двома установочними штифтами. Герметично закритий картер служить одночасно продувною камерою.
Через отвір із пробкою 13 у нижній частині картера зливають конденсат, що скопився. Зверху до картера пускового двигуна прикріплений циліндр 6, відлитий разом з газовими каналами й водяною сорочкою. Усередині циліндра є три пари вікон: впускних, продувних і випускних.
Впускні вікна, розташовані нижче інших, з'єднані з карбюратором каналом. Продувні вікна з'єднуються двома каналами із кривошипною камерою, а випускні вікна - з випускною трубою 1. До циліндра підходять патрубки для відпрацьованих газів і підведення води.
Циліндр закритий зверху головкою 5, відлитою разом з водяною сорочкою. Водяні сорочки головки й циліндра з'єднуються між собою по площині рознімання, де встановлена металоасбестова прокладка. На головці перебуває краник 4 для заливання в циліндр бензину, патрубок 2 для відводу води й свічка 3 запалювання. Поршень, відлитий з алюмінієвого сплаву, має дві канавки для компресійних кілець. Кільця укріплені штифтами, укрученими в поршень. Щоб правильно встановити поршень щодо вікон під час складання двигуна, стрілка на днище поршня повинна бути звернена до випускних вікон. Поршень з'єднаний із шатуном 15 пустотілим пальцем. У верхню головку шатуна запресована бронзова втулка, а в нижню встановлені два ряди циліндричних роликів. Шатун вставляють у колінчастий вал на заводі, і під час експлуатації цей вузол не розбирають.
Колінчастий вал 17 рознімний, Його щоки виготовлені заодно із противагами й напресовані на передню й задню півосі, які є корінними шийками колінчастого вала. Шатунна шийка вала являє собою пустотілий палець, запресований у щоки. Вісь колінчастого вала зміщена щодо осі циліндра вправо на 5 мм, якщо дивитися з боку маховика. Корінні шийки вала обертаються на роликових підшипниках, установлених у картері. Місця виходу вала ущільнені самопідтискними сальниками, що запобігають витік горючої суміші при стиску її в картері. На передньому кінці колінчастого вала шпонкою закріплена провідна шестірня 14, а на задній кінець вала посаджений маховик 16 із зубчастим вінцем.
На передній стінці пускового двигуна встановлений карбюратор 7 з повітроочисником, регулятор 10 і магнето 11. На протилежній стороні його розташований дублюючий ручний механізм пуску (Рис. 2.2.) і электростартер 1.

Рис. 2.2. Механізми пуску:
1 — стартер, 2 — рукоятка дублюючого ручного механізму

Рис. 2.3. Пусковий двигун:
Шестірня 5 (Рис. 2.4.) дублюючого ручного механізму пуску відключена від проміжної шестірні 2. При обертанні шестірня 5 входить у зачеплення із шестірнею 2. Тому при ручному пуску потрібно спочатку плавно потягнути за рукоятку до введення зазначених шестерень у зачеплення, а потім потягнути ривком, надаючи колінчастому валу пускового двигуна обертовий рух через проміжну шестірню й маховик 1. Дублюючий ручний механізм пуску забезпечує безпеку роботи при можливому зворотному обертанні маховика.
Від шестірні колінчастого вала через проміжну приводяться в обертання шестірні 9 привода магнето, приводі регулятора й блок шестерень 13 привода редуктора. Шестірню 9 при складанні встановлюють по мітках.
Система охолодження. У пускового двигуна система охолодження загальна з основним двигуном. Під час роботи пускового двигуна вхолосту в його сорочці відбувається термосифонна циркуляція, у результаті якої він швидко перегрівається. Тому пусковий двигун не повинен працювати вхолосту більше 2 хв. Під час роботи пускового двигуна під навантаженням обертається колінчастий вал основного двигуна, і водяний насос створює циркуляцію води у всій системі охолодження. Гаряча вода з головки пускового двигуна надходить у головку дизельного двигуна й обігріває її.

Рис. 2.4. Приводні шестірні:
а - колінчастого вала пускового двигуна, б - редуктора;
1 - маховик, 2 - шестірня проміжна, 3 - зубчастий вінець проміжної шестірні, 4 - шестірня электростартера, 5 - шестірня дублюючого ручного механізму пуску, 6 - пробка для видалення конденсату, 7 - картер, 8 - пробка оливозаливного отвору, 9 -шестірня привода магнето, 10 - шестірня колінчастого вала, 1 - шестірня привода регулятора, 12 - шестірня проміжна, 13 -блок шестерень привода редуктора, 14 -шестірня зчеплення редуктора
Із блоку циліндрів дизельного двигуна вода надходить у водяну сорочку пускового двигуна й прохолоджує його. Пусковий двигун може працювати під навантаженням, не перегріваючись, не більше 15 хв.
Система мащення. Пусковий двигун змащується оливою, що додається до палива й надходить у картер разом з горючою сумішшю. Шестірні пускового двигуна змащують дизельною оливою, через отвір із пробкою 8 у верхній частині картера.
Система живлення. Горюча суміш для пускового двигуна складається з палива (15 частин бензину А-72 і 1 частина дизельної оливи), змішаного з повітрям.
У систему живлення входить паливний бачок, карбюратор К-06 і регулятор. Паливо з паливного бачка надходить у карбюратор самопливом, тому що бачок розташований вище карбюратора.
Карбюратор — діафрагменного типу без поплавця. Він складається зі змішувальної камери 6 (Рис. 2.5.), дросельної й повітряної заслінок і спеціального механізму з діафрагмою 5.

Рис. 2.5. Карбюратор:
а - вид праворуч, б - вид ліворуч; 1 - повітряна заслінка,
2 - штуцер підведення палива, 3 - регулювальний гвинт системи холостого ходу, 4 - регулювальний гвинт обертів, 5 - діафрагма, 6 - змішувальна камера
Механізм із діафрагмою регулює надходження палива в карбюратор. Порожнина над діафрагмою служить камерою для палива, а порожнина під діафрагмою повідомляється з атмосферою. З паливного бака паливо надходить через штуцер 2, сітчастий фільтр і сідло клапана в порожнину над діафрагмою. Надходження палива регулюють клапаном на лівому кінці хитного важеля, що притиснутий до сідла пружиною. Правий кінець важеля впирається в центр діафрагми.
Головна дозуюча система в карбюраторі - жиклер-розпилювач 5 (Рис. 2.6.) і дифузор 1. Під час роботи двигуна повітря швидко проходить звужене місце змішувальної камери й над жиклером-розпилювачем створюється розрідження. Завдяки розрідженню паливо засмоктується через жиклер, розпилюється потоком повітря й змішується з ним, утворюючи горючу суміш, що надходить у картер двигуна. У міру витрати палива тиск у порожнині над діафрагмою знижується й вона прогинається нагору. Один кінець хитного важеля піднімається, а інший - опускається, відводячи клапан від сідла й відкриваючи доступ палива в карбюратор. Після того як порожнина над діафрагмою заповниться паливом, тиск по обидва боки діафрагми вирівнюється й вона вертається у вихідне положення, а клапан закриває отвір, по якому надходило паливо в карбюратор.
Під час роботи пускового двигуна повітряна заслінка постійно відкрита, а дросельна займає положення залежно від його навантаження. Під час роботи на малих обертах холостого ходу при прикритій дросельній заслінці в роботу вступає система холостого ходу.

Рис. 2.6. Схема роботи карбюратора:
1- дифузор, 2 - дросельна заслінка, 3 -паливний клапан, 4 - пружина, 5 - жиклер-розпилювач, 6 - клапан, 7 - утоплювач, 8 - канал системи холостого ходу, 9 - повітряний канал
Система холостого ходу. Вона складається з паливного каналу 8 із двома отворами, повітряного каналу 9 і регулювального гвинта. На малих обертах холостого ходу розрідження створюється не в дифузорі, а біля країв дросельної заслінки, і паливо попадає в канал холостого ходу з камери, минаючи жиклер-распилювач. Регулювальним гвинтом 3 (див. Рис. 2.5.) можна змінити склад горючої суміші на холостому ході. При закручуванні гвинта суміш збіднюється, при викручуванні - збагачується. Частоту обертання колінчастого вала двигуна на холостому ході регулюють упорним гвинтом 4, відкриваючи або закриваючи дросельну заслінку.
Під час роботи пускового двигуна на холостому ході в карбюраторі утвориться збіднена горюча суміш. Для збагачення її під час пуску холодного двигуна натискають на кнопку карбюратора, діафрагма прогинається нагору й паливний клапан 3 (див. Рис. 1.1.) відкривається. Паливо заповнює порожнина над діафрагмою й через жиклер-розпилювач попадає в змішувальну камеру.
Щоб під час пуску двигуна із прикритою повітряною заслінкою в дифузор не надходило багато палива, перед жиклером 5 (Рис. 2.6.) установлений пластинчастий клапан 6.
Повітряною заслінкою керують вручну, а дросельною - вручну й автоматично від відцентрового регулятора.
Регулятор. У пускового двигуна регулятор однорежимний (підтримує один швидкісний режим, дорівнює номінальній частоті обертання колінчастого вала двигуна). Всі деталі регулятора перебувають у корпусі 7 (Рис. 2.7.). Валик 9 регулятора обертається у двох кулькових підшипниках, одержуючи привод від шестірні 13, що пов'язана із шестірнею 14 колінчастого вала. На різьбову частину вала навернена державка із чотирма прорізами, у які вставлені сталеві кульки 11, З однієї сторони кульки впираються в плоску поверхню упорної шайби 12, а з іншого боку — у конічну поверхню ковзної муфти 10. Муфта вільно переміщується уздовж валика. У торець її вставлений насадок із завальцьованою кулькою 8. Цією кулькою муфта впирається у двуплечий важіль 5. Важіль 5 розташований на валику 6, на зовнішній стороні якого жорстко закріплений зовнішній важіль 2, з'єднаний тягою 1 із дросельною заслінкою. У верхню частину двуплечого важеля впирається пружина 3, що установлена на регулювальному гвинті 4.
Працює регулятор у такий спосіб. На непрацюючому двигуні важіль регулятора 2 пружиною відхилений праворуч: дросельна заслінка повністю відкрита. Після пуску двигуна валик регулятора набирає оберти, під дією зростаючої відцентрової сили кульок-тягарців 1 і муфта переміщається по валику вправо й повертає двуплечий внутрішній важіль проти годинникової стрілки, а зовнішній важіль 2 — ліворуч. У результаті дросельна заслінка прикривається, не допускаючи надмірного зростання частоти обертання колінчастого вала двигуна. Після з'єднання пускового двигуна з дизельним навантаження на пусковий двигун зростає, від чого частота обертання його зменшується. Зменшується й відцентрова сила вантажів, у результаті внутрішній двуплечий важіль повертається під дією пружини 3 за годинниковою стрілкою, а зовнішній переміщається праворуч й через тягу відкриває дросельну заслінку - пусковий двигун зберігає номінальну частоту обертання.
Номінальна частота обертання колінчастого вала пускового двигуна, підтримувана регулятором, залежить від сили стиску пружини 3. Якщо послабити контргайку й обертати регулювальний гвинт 4 викруткою проти годинникової стрілки, пружина буде стискуватися й підтримувати більше високу частоту обертання колінчастого вала пускового двигуна. Якщо гвинт ввертати в корпус, то сила стиску пружини зменшиться, що приведе до зниження частоти обертання вала, підтримуваної регулятором. Номінальну частоту обертання колінчастого вала пускового двигуна встановлюють на заводі, після чого пломбують регулювальний гвинт. Регулювати частоту обертання в польових умовах і зривати пломбу з регулятора не можна.
Тертьові деталі регулятора змазують оливою, заливаючи його в корпус до рівня заливного отвору (близько 100 г).
Система запалювання. Запалення робочої суміші в циліндрі пускового двигуна здійснюється системою запалювання, що містить у собі магнето М-124Б1, провод високої напруги й свічку запалювання.
Магнето (Рис. 2.7.) виробляє струм низької напруги й перетворить його в струм високої напруги. Воно складається з корпуса 3 із кришкою 1, трансформаторні котушки 2, ротора 6 і переривника.. У корпусі магнето змонтовані стійки 5, набрані зі сталевих листів. На стійки встановлено осердя 4 зі сталевих листів, на які намотана первинна 3 (Рис. 2.8.) і вторинна 2 обмотки. Один кінець первинної обмотки (товстого проводу) припаяний до осердя, а другий з'єднаний з переривником і початком вторинної обмотки. Вторинна обмотка (тонкий провід) має більше витків, ніж первинна. Вільний кінець вторинної обмотки приєднаний до контактної пластини, що з'єднана із проводом високої напруги 4 і із центральним електродом свічки запалювання.
Ротор являє собою двополюснй постійний магніт, закріплений на валу, що обертається на кулькових підшипниках.

Рис. 2.7. Пристрій регулятора:
1 - тяга, 2 - зовнішній важіль, 3 - пружина, 4 - регулювальний гвинт,
5 - двоплечий (внутрішній) важіль, 6 - валик важеля, 7-корпус, 8 -кулька, 9 -валик регулятора, 10 -муфта, 11-вантаж (кулька), 12 -упорна шайба,
Рис. 2.8. Пристрій магнето:
1 -кришка, 2 -трансформаторна котушка, 3-корпус, 4-осердя, 5 -стійка, 6 -ротор, 7 -кулачок, 8 -рухливий контакт переривника, 9- гвинт-ексцентрик, т,
11 -стопорний гвинт, 12 –кришка переривника
У переривника два контакти: рухомий 8 (див. рис. 2.8.) і нерухомий 10. Рухомий контакт з'єднаний з масою й притиснутий до нерухомого пластинчастою пружиною. Ізольований нерухомий контакт з'єднаний з кінцем первинної обмотки трансформаторної котушки. Кулачок 7 при обертанні вала ротора систематично розмикає контакти.
Працює магнето в такий спосіб. Двополюсний магніт, обертаючись між стійками, створює в них змінний магнітний потік. Магнітні силові лінії перетинають витки первинної обмотки, викликаючи в ній струм низької напруги. Струм низької напруги, проходячи по первинній обмотці, створює навколо неї сильне магнітне поле. Коли ланцюг низької напруги розмикається переривником, струм у первинній обмотці зникає, а разом з ним зникає й магнітне поле, що индукує у ланцюзі вторинної обмотки струм високої напруги, у результаті між електродами свічки запалювання проскакує іскра.
Паралельно контактам переривника включений конденсатор, що зменшує іскріння на контактах і збільшує різкість розриву ланцюга, від чого підсилюється енергія іскри, що подається в циліндр двигуна. При несправному конденсаторі іскра зникає (у випадку його замикання) або слабшає (при обриві).
Нормальний зазор між розімкнутими контактами переривника 0,25-0,35 мм; у замкнутому стані вони повинні щільно прилягати один до одного. При необхідності їх зачищають надфілем. Зазор між контактами переривника регулюють, переміщуючи нерухомий контакт гвинтом-ексцентриком.
Виключають магнето кнопкою 10 (див. Рис. 2.9.), що замикає первинну обмотку на масу. У магнето останніх випусків вище кнопки розташований ізольований від корпуса гвинт, з'єднаний з первинною обмоткою. Зовні до гвинта 1 приєднують провод, що йде до датчика блокування механізму перемикання передач.
Для утворення сильної електричної іскри в циліндрі двигуна встановлюють свічку запалювання, що представляє собою сталевий корпус 6, у нижній частині якого є різьба для закручування свічки в отвір головки циліндра, а у верхній частині - ребра під гайковий ключ.
У корпусі свічки перебуває ізолятор 5 з центральним електродом.
Провод від магнето підведений до центрального електрода свічки запалювання й закріплений на ній смушковою гайкою. Бічний електрод 8 приварений до торця свічки.
Між електродами повинен бути зазор 0,6-0,7 мм. Його регулюють, обережно підгинаючи бічний електрод. При закручуванні в головку циліндра свічки під її корпус встановлюють ущільнювальне кільце 7.

Рис. 2.9. Електрична схема магнето:
1 — контактний гвинт, 2 — вторинна обмотка, 3 — первинна обмотка, 4 — провод високої напруги, 5 — ізолятор, 6 — корпус свічки запалювання, 7 — ущільнювальне кільце, 8 — бічний електрод, 9 — повідець магнето, 10 — кнопка вимикача магнето
3. Редуктор
Обертання від пускового двигуна до дизельного передається через блок шестерень та одноступінчастий шестерінчастий редуктор (Рис. 3.1.).
Редуктор змонтовано в алюмінієвому корпусі 8, який закріплений трьома болтами до картера маховика дизельного двигуна. Всередині корпуса знаходиться вал 12, що обертається на двох кулькових підшипниках. Один з цих підшипників встановлений у корпусі, а інший – у втулці 11 підшипника. На передньому кінці вала розташоване зчеплення, на задньому – автомат вимкнення.
Зчеплення. Зчеплення не постійно замкнуте, багатодискове, мокре. Воно складається з ведучого 9 та ведомого 5 барабанів, дисків, вижимного механізму і муфти вільного ходу, що змонтована між ведомим барабаном та валом. Диски зчеплення виготовлені зі сталі. Вирізи ведучих дисків 7 входять у виступи ведучого барабана, який прикріплений до шестірні 10, що вільно сидить на валу і опирається на нього через бронзову втулку. Ведомі диски 6 чергуються з ведучими і входять внутрішніми виступами у пази ведомого барабана. Всередині ведомого барабана знаходится муфта вільного ходу.

Рис. 3.1 Редуктор:
1—ступиця, 2— нерухомий упор, 3 — рухомий упор, 4 — нажимний диск, 5 — ведомий барабан, 6 — ведомий диск, 7 — ведучий диск, 8—-корпус, 9 — ведучий барабан, 10— шестірня, 11 —втулка підшипника з гумовим ущільнюючим кільцем, 12 — вал, 13—пусковая шестірня, 14 — зацеп-тягарець, 15 — втулка штовхача, 16 — утримувач, 17 — штовхач, 18—вінець маховика, 19 — важіль, 20 — гвинтові передаточні шестірні, 21 — плунжер, 22 — ролик
Муфта вільного ходу включає ролики 22, через які ведомий барабан опирається на вал. Ролики вставлені у фасонні пази барабана. Пружини плунжеров 21 загоняютьролики у вузьку частину пазів. До торців ведомого барабана болтами притиснуті упорний диск і фланець маточчини 1, які утримують ролики від випадання.
Вижимний механізм складається з натискного диску 4, рухомого 3 (натискного) та нерухомого 2 упорів, важеля 19 і передаточних шестерень; двох гвинтових 20 та однієї прямозубої. Натискний диск, вільно сидячий на маточчині, зєднаний пальцями з ведомим барабаном. У натискний диск через кульковий підшипник упирається натискний упор. Гвинтові виступи натискного упора торкаються такихож поверхонь нерухомого упора, запресованого у корпус. Натискний упор виготовлено разом з прямозубою шестернею, яка знаходиться в зачепленні з одною з передаточних шестерень.
Вмикають зчеплення важілем керування, розташованим у кабіні трактора. Через тягу, важіль та передаточні шестерні рух передається на рухомий упор, що переміщується праворуч вздовж осі вала і через упорний підшипник та натискний диск прижимає ведомі диски до ведучих. Обертання від шестерні передається ведомому барабану, а від нього через ролики муфти вільного ходу на вал редуктора.
Вимикають зчеплення, переміщуючи важіль керування в іншу сторону. Натискний упор повертається у вихідне положення, а центральна пружина переміщує натискний диск 4 ліворуч, і стискання дисків припиняється. В цьому випадку обертання від колінчастого вала пускового двигуна на вал редуктора передаватися не буде.
Муфта вільного ходу зберігає пусковий двигун від розносу під час запуску дизельного двигуна. Передаючи рух від пускового двигуна до основного, пружини через плунжери рухають ролики 22 у вузьку частину пазів ведомого барабана. Обертаючись, ведомий барабан примушує ролики котитися по нерухомому валу 12 редуктора, в результаті виникаючої сили тертя ролики заклинюють вал. У такому стані ведомий барабан рухається разом з валом. Після того як заведеться дизельний двигун, частота обертання вала редуктора зростає. Кутова швидкість Б в точці б буде більше кутової швидкості А в точці а, тому вал редуктора в результаті сили тертя виведе ролики із заклиненого стану, витиснувши їх в уширену частину профільованих пазів. Таким чином,муфта вільного ходу розєднає редуктор з пусковим двигуном при мінімально стійких обертах дизельного двигуна. Розєднана муфта вільного ходу працює недовго, так як при підвищенні частоти обертання в дію вступає автомат вимикання.
Автомат вимикання. Автомат вимикає пускову шестірню після запуску дизельного двигуна. Головною деталлю автомата являється пускова шестірня 13. До її торця болтами прикріплений утримувач 16, на осях якого змонтовані зачепи-тягарці 14. В утримувач зачепів упирається штовхач 17 двома пружинами, які знаходяться в заглибинах вала редуктора. Направляюча втулка 15 штовхача ввернута в вал редуктора.
Пускову шестірню вводять в зачеплення з вінцем маховика шляхом переміщення важіля керування з середнього положення (нейтрального) у крайнє верхнє. При цьому Важіль 6 (рис. 2.5.) повернеться ліворуч і введе в зачеплення пускову шестірню з вінцем маховика. Виступи зачепів 5 за буртик втулки штовхача і будуть утримувати пускову шестірню у ввімкнетому стані, в той час як важіль керування повернеться у вихідне положення.
Передаточне число від колінчастого вала пускового двигуна до вала дизельного двигуна дорівнює 24,1. При номінальній частоті обертання колінчастого вала пускового двигуна, яка дорівнює 4000 об/хв, частота обертання основного двигуна буде дорівнюватиме 166 об/хв.
Після пуску дизельного двигуна частота обертання колінчастого вала зростає, обертання від нього передається валу редуктора, і муфта 7 (рис. 3.2.) вільного ходу роз’єднує редуктор з пусковим двигуном. Коли досягається номінальна частота обертання колінчастого вала дизельного двигуна зачепи-тягарці під дією центробіжної сили розходяться, виходять із зачеплення з буртиком втулки штовхача, і під дією пружин 10 штовхач 11 відводить пускову шестірню із зачеплення із маховиком. Таким чином, редуктор відключається від дизельного двигуна [2].
![]()


Рис. 3.2. Схема роботи редуктора:
а – ввімкнений, б – вимкнений; 1- нерухомий упор, 2- рухомий упор, 3 – натискний диск,
4 – пускова шестірня, 5 – зачеп- тягарець, 6 – важіль, 7 – муфта вільного ходу, 8 – валик гвинтової шестірні, 9 – валик згвинтовою і прямозубою шестернею, 10 – пружина, 11- штовхач, 12 – спеціальна шайба, 13 – вінець маховика, 14 – вал редуктора
4. Ремонт пускового пристрою
Щозміни очищуюють двигун від пилу та бруду, перевіряють та при необхідності підтягують кріплення вузлів і деталей, усувають підтікання палива, води та оливи. Заправляють паливний бачок бензином, ретельно перемішаним з оливою у певній кількості.
Через 240 год роботи двигуна перевіряють рівень оливи в редукторі. Якщо необхідно, оливу доливають до рівня контрольного отвору через заливний отвір.
Знімають ковпак повітроочисника пускового двигуна і перевіряють стан фільтрувального елемента. Якщо елемент забруднений, його знімають разом з повітроочисником та промивають у чистому дизельному паливі, потім віджимають та змочують у дизельною оливою. Після повторного змочування фільтруючий елемент встановлюють на місце.
Під час роботи в умовах підвищеної запиленості повітря фільтруючий елемент повітроочисника промивають через 60 год роботи двигуна.
Через 480 год роботи перевіряють рівень оливи та якщо це необхідно доливають його у порожнину приводу шестерень редуктора. Перевіряють регулювання системи керування зчеплення редуктора і, якщо необхідно регулюють його.
Через кожні 960 год роботи двигуна виймають сітчастий фільтр карбюратора та промивають його чистим бензином. Підтягують усі гвинти магнето та протирають замшею, змоченою у бензині, контакти переривника. Перевіряють щупом зазор між розімкненими контактами переривника, та якщо це необхідно, регулюють його.
Очищають свічку від нагару та перевіряють зазор між електродами свічки, який повинен складати 0,6-0,75 мм. Для зміни зазора підгинають боковий електрод.
Повністю замінюють оливу в редукторі, відвернувши зливну пробку на корпусі насоса передпускової прокачки оливи, зливають відпрацьовану оливу та заливають свіжу до рівня контрольного отвору у корпусі редуктора. При переході до зимової експлуатації у корпус редуктора заливають суміш з 50% зимової оливи та 50% дизельного палива.
Через 1920 год роботи перевіряють, як змащене ребро кулачка переривника, прикладаючи до ребра папірусний папір. Якщо не пропитається, пропитують фільц 3-5 краплинами турбинної оливи (але не більше), щоб не прооливилися контакти переривника.
Потім знімають карбюратор з пускового двигуна і ретельно очищують його від пилу та бруду; при необхідності знімають кришку корпуса карбюратора та діафрагму.
Калібровані отвори паливних та повітряного жиклерів забороняється чистити металічною проволкою.
Регулювання зазора міжконтактами переривника магнето. Спочатку від’єднують провід високої напруги від свічки запалювання та викручують свічку. Опускають через отвір під свічку чистий стержень і, провертаючи колінчастий вал рукояттю дублюючого механізму, встановлюють поршень у ВМТ. Потім провертають колінчастий вал в інший бік та встановлюють поршень на 5,8 мм нижче ВМТ (буде відповідати куту повороту кривошипу вала за 270 до
приходу у ВМТ).
Потім ставлять напівмуфту магнето вертикально (отвір в напівмуфті повинен бути розташований зверху) та вводять виступи муфти у пази шестерні приводу. Провертаючи корпус магнето, встановлюють контакти переривника на початок їх розмикання та закріплюють магнето у такому положенні болтами. Після цього провід високої напруги магнето приєднують до свічки запалювання.
Регулювання карбюратора. Спочатку регулюють довжину тяги що з’єднує важіль з дросельною заслінки карбюратора із важілем регулютора обертів пускового двигуна, таким чином, щоб при натисканні на важіль регулятора дросельна заслінка переміщувалась від повного відкриття до повного закриття.
Гвинт 3 (Рис. 2.5.) регулювання складу суміші загвинчують до відказу і викручують на 1,5-2 оберта. Потім запускають пусковий двигун та під час роботи на холостих обертах провертають гвинт до встановлення стійких обертів. Нормальне положення гвинта регулювання складу суміші-1-1,25 оберта від повністю завернутого.
Мінімальну частоту обертання колінчастого вала пускового двигуна на холостому ході регулюють при тому ж положенні гвинта 3 гвинтом 4, який обмежує перекриття дросельної заслінки. [2].
5. Правила безпеки робіт
Під час робіт з бензином. Бензин – легковипаровувана рідина, пари якої при вдиханні негативно впливають на нервову систему людини, а при тривалому вдиханні настають галюцинації, головні болі, запаморочення. Небезпечний бензин і тим, що він легко проникає крізь пори в шкірі людини і теж викликає отруєння організму. Особливу небезпеку представляє этильованний бензин, тому що в ньому міститься тетраэтилсвинець, що дуже повільно виводиться з організму, а знаходячись там, викликає ще більше отруєння з залишковими явищами. Крім того, бензин, випаровуючись, змішується з повітрям і утворить легкозаймисту суміш навіть від палаючої цигарки, що може спричинити пожежу.
Тому поводитися з бензином необхідно особливо обережно. Під час заправлення паливного бака варто користуватися заправним пістолетом, відкриваючи його тоді, коли він встановлений у заправну горловину. При заправлянні у разливочну посуду необхідно користуватися лейкою і ставати так, щоб вітер відносив пари бензину. Забороняється засмоктувати бензин, продувати паливопроводи і фільтри ротом, а також мити деталі, руки, одяг. У випадку потрапляння бензину на шкіру це місце необхідно змити: гасом, а потім теплою водою з милом і ретельно витерти. Коли бензин попадає в очі, вуха і відкриті рани, їх необхідно відразу ж промити чистою водою і звернутися до лікаря. Для надання першої медичної допомоги на кожному автомобілі варто мати медичну аптечку з набором медикаментів.
Організація та проведення робіт з технічного обслуговування, діагностування і ремонту машин мають здійснюватися в суворій відповідності з правилами безпеки, викладеними в експлуатаційній та ремонтній документації заводів-виробників, а також у СНиП ІІІ-4-80. До виконання робіт з технічного обслуговування будівельно-дорожніх машин допускаються особи, які пройшли спеціальну підготовку й отримали інструктаж з техніки безпеки [6].
Майданчик, на який встановлюють машину, повинен бути рівний, сухий, не захаращений сторонніми предметами і по можливості захищений від вітру та пилу. Він не повинен розміщуватися поблизу стогів сіна (соло ми), складів нафтопродуктів і ліній електропередачі. Машини, які ставлять на технічне обслуговування, закріплюють від самочинного переміщення та перекидання, а робоче устаткування опускають на грунт або спеціальну підставку.
Технічне обслуговування машини проводять при повністю зупиненому двигуні, за винятком тих випадків, коли потрібно прослухати його чи інші механізми після регулювання.
Перед початком роботи необхідно переконатися в тому, що манжети спецодягу застебнуті або зав'язані, кінці зав'язок акуратно прибрані, а волосся заховане під головний убір.
Від пилу та бруду машину очищають спеціальним інвентарем і миють її в рукавицях спеціальними розчинами.
Під час роботи слід користуватися лише справним інструментом. Гайкові ключі повинні відповідати розмірам гайок і не мати зім'ятих і сточених країв. Забороняється застосовувати прокладки між гранями й торцями зіву ключа, а також подовжувати гайкові ключі або бити по них молотком.
Слюсарний інструмент має бути надійно закріплений на рукоятках, а його робочі поверхні повинні бути без пошкоджень. На інструменті не повинно бути тріщин, відшарувань, задирок і вибоїн.
Об'єкти діагностування і технічного обслуговування слід оглядати, користуючись лампою з напругою не більш як 36 В, захищеною дротяною сіткою. Застосовувати для цього сірники, факели та пальники забороняється.
Промиваючи складові частини гасом чи бензином, потрібно вживати за ходів, які запобігають загорянню пари промивної рідини, забезпечувати надійність ізоляції електропроводки від замикання на корпус і появи іскри. При цьому забороняється палити.
Для захисту шкіри рук від дії нафтопродуктів застосовують захисні пас ти, мазі або вазелін.
Особливу обережність слід проявляти під час діагностування акумуляторних батарей. Обтирати батареї дозволяється лише в рукавицях. Для цього слід використовувати тканину, змочену в нашатирному спирті.
Під час робіт з діагностування, технічного обслуговування та ремонту категорично забороняється:
перебувати під машиною, піднятою домкратом;
обслуговувати машину і перебувати під нею при працюючому двигуні;
відкривати кришку неохолодженого радіатора без рукавиць і нахиляти обличчя до заливної горловини радіатора;
всмоктувати ротом дизельне паливо та бензин через шланг;
торкатися гарячого компресора;
намотувати на руку вільний кінець шнура під час запускання пускового двигуна вручну;
брати пускову рукоятку в обхват;
стояти навпроти маховика під час роботи пускового двигуна;
знімати кришки з заливних горловин баків пересувної майстерні, якщо в них є надлишковий тиск, або нагрівати воду в них до температури вище 85 °С;
створювати тиск у баку з автотракторною оливою понад 0,15 МПа, в баку з трансмісійною оливою - більш як 0,3 МПа і в ресивері - понад 1 МПа;
залишати паливозаправник і пересувну майстерню без догляду під час заповнення їх баків паливозаправними матеріалами або під час роздачі цих матеріалів;
працювати на паливозаправнику і пересувній майстерні з несправними запобіжними клапанами та повітряними замковими пристроями паливоза-правної системи;
захаращувати проходи біля машин монтажними пристроями та іншими предметами;
зливати оливу та промивне паливо з картера в грунт або у водяні басейни та забруднювати навколишню територію промасленими ганчірками.
Під час регулювання складових частин, пов'язаного з частковим чи повним їх розбиранням, треба дотримуватись правил безпеки, перед бачених для розбірно-складальних робіт. Деталі масою понад 80 кг слід піднімати й пересувати лише з застосуванням вантажопідіймальних механізмів. Направляти руками рух знятої чи встановлюваної складальної оди ниці забороняється [4].
Перелік використаної літератури
Бабушко С.М. Ремонт тракторов и автомобилей. – К.: Высшая школа. 1982. – 344с.
Банников С.А., Родичев В.А. Тракторы Т-150 и Т-150К:-2-е изд., перераб.М.:
Высш. шк., 1984. – 175 с.
Лауш П.В. Техническое обслуживание и ремонт машин. – К.: Высшая школа, 1989. – 350с.
Полянський С.К. Будівельно-дорожні та вантажопідіймальні машини. – К.: Техніка, 2001. – 624с.
Родичев В.А., Родичева Г.И. Тракторы и автомобили – М.: Высш. школа, 1982. – 320с.